SECURITIES AND EXCHANGE COMMISSION

 

Washington, D.C. 20549

 

 

 

FORM 6-K

 

REPORT OF FOREIGN PRIVATE ISSUER PURSUANT TO RULE 13a-16 OR 15d-16
UNDER THE SECURITIES EXCHANGE ACT OF 1934

 

For the month of April 2024

 

Commission File Number 1-32135

 

SEABRIDGE GOLD INC.

(Name of Registrant)

 

106 Front Street East, Suite 400, Toronto, Ontario, Canada M5A 1E1

(Address of Principal Executive Office)

  

Indicate by check mark whether the registrant files or will file annual reports under cover of Form 20-F or Form 40-F.

 

Form 20-F         Form 40-F ☒

 

 

 

 

 

 

See the Exhibit Index hereto for a list of the documents filed herewith and forming a part of this Form 6-K.

 

1

 

 

SIGNATURE

 

Pursuant to the requirements of the Securities Exchange Act of 1934, the registrant has duly caused this report to be signed on its behalf by the undersigned, thereunto duly authorized.

 

  Seabridge Gold Inc.
  (Registrant)

 

  By: /s/ Chris Reynolds
  Name:  Chris Reynolds
  Title: VP Finance and CFO

 

Date: April 1, 2024

 

2

 

 

Exhibit   Description
99.1   Technical Report

 

 

3

 

Exhibit 99.1

 

 

 

 

 

  

  

 

 

 

 

 

 

 

Important Notice

 

This report was prepared as National Instrument 43-101 Technical Report for Seabridge Gold Inc. (Seabridge) by Ausenco Engineering Canada ULC. and Ausenco Sustainability ULC. (Ausenco), ERM Consultants Canada Ltd., Moose Mountain Technical Services Ltd., WN Brazier Associates Inc., Tetra Tech Canada Inc., and SRK Consulting (Canada) Inc., collectively the Report Authors. The quality of information, conclusions, and estimates contained herein is consistent with the level of effort involved in the Report Authors’ services, based on i) information available at the time of preparation, ii) data supplied by outside sources, and iii) the assumptions, conditions, and qualifications set forth in this report. This report is intended for use by Seabridge subject to the terms and conditions of its contracts with each of the Report Authors. Except for the purposes legislated under Canadian provincial and territorial securities law, any other uses of this report by any third party are at that party’s sole risk.

 

  

 

Table of Contents

 

1 Summary 1
  1.1 Introduction 1
  1.2 Property Description, Location and Ownership 2
  1.3 History 2
  1.4 Geology and Mineralization 3
  1.5 Exploration 3
  1.6 Drilling 3
  1.7 Sampling Preparation, Analysis and Security 3
  1.8 Data Verification 3
  1.9 Metallurgical Testwork 3
  1.10 Mineral Resource Estimate 4
  1.11 Mineral Reserve Estimate 6
  1.12 Mining Methods 7
    1.12.1 Pit Optimization and Design 7
    1.12.2 Mine Production and Layout 8
    1.12.3 Pit Dimensions and Slope Design 9
  1.13 Recovery Methods 10
  1.14 Project Infrastructure 12
    1.14.1 Site Access, Winter Spur Road & Tibbitt to Contwoyto Winter Road 12
    1.14.2 Site Infrastructure 12
    1.14.3 Site Power 14
    1.14.4 Co-placement Storage Facility (CPSF) and Leach Residue Tailings Facility (LRTF) 14
    1.14.5 Water Management 15
    1.14.6 Water Treatment 15
  1.15 Market Studies and Contracts 15
  1.16 Environmental, Permitting and Social Considerations 16
    1.16.1 Environmental Considerations 16
    1.16.2 Closure and Reclamation Considerations 16
    1.16.3 Permitting Considerations 17
    1.16.4 Social Considerations 17
  1.17 Capital and Operating Cost 18
    1.17.1 Capital Cost Estimate 18
    1.17.2 Operating Cost Estimate 18
  1.18 Economic Analysis 19
    1.18.1 Economic Summary 19
    1.18.2 Sensitivity Analysis 20

 

  
Courageous Lake ProjectPage i
Pre-feasibility Study and Preliminary Economic Assessment NI 43-101 Technical ReportJanuary 5, 2024
  

  

 

  1.19 2024 Preliminary Economic Assessment 21
    1.19.1 Introduction 21
    1.19.2 Mining Methods 21
    1.19.3 Mine Production Plan 21
    1.19.4 Recovery Methods 22
    1.19.5 2024 PEA Capital and Operating Costs 23
    1.19.6 2024 PEA Economic Analysis 23
  1.20 Conclusions and Interpretations 23
  1.21 Recommendations 24
2 Introduction 25
  2.1 Introduction 25
  2.2 Terms of Reference 25
  2.3 Qualified Persons 25
  2.4 Site Visits and Scope of Personal Inspection 27
    2.4.1 Site Visits Summary 27
    2.4.2 Site Inspection by Aleksandar Spasojevic, P. Eng. 27
    2.4.3 Site Inspection by Harold Rolf Schmitt, P. Geo. 27
    2.4.4 Site Inspection by Jesse Aarsen, P. Eng. 28
    2.4.5 Site Inspection by Sue Bird, P. Eng. 28
    2.4.6 Site Inspection by Neil Brazier, P. Eng. 28
    2.4.7 Site Inspection by Cameron Clayton, P. Eng., P. Geo. 28
  2.5 Effective Dates 29
  2.6 Information Sources and References 29
    2.6.1 Overview 29
    2.6.2 Conformance Review and Gap Assessment of Golder 2011 Pre-feasibility Level Pit Slope Design Criteria 29
    2.6.3 Previous Technical Reports 30
  2.7 Currency, Units, Abbreviations and Definitions 30
3 Reliance on Other Experts 36
  3.1 Introduction 36
  3.2 Property Agreements, Mineral Tenure, Surface Rights and Royalties 36
  3.3 Environmental, Permitting, Closure, Social and Community Aspects 36
  3.4 Taxation 37

 

  
Courageous Lake ProjectPage ii
Pre-feasibility Study and Preliminary Economic Assessment NI 43-101 Technical ReportJanuary 5, 2024
  

  

 

4 Property Description and Location 38
  4.1 Introduction 38
  4.2 Property and Title in (Jurisdiction) 38
  4.3 Mineral Tenure 40
  4.4 Surface Rights 45
  4.5 Water Rights 47
  4.6 Royalties and Encumbrances 47
  4.7 Environmental Liabilities 48
  4.8 Permitting Considerations 48
  4.9 Social License Considerations 48
5 Accessibility, Climate, Local Resources, Infrastructure and Physiography 49
  5.1 Physiography 49
  5.2 Accessibility 50
  5.3 Climate 50
  5.4 Local Resources and Infrastructure 50
6 History 51
  6.1 Early History 51
  6.2 Noranda Exploration History 51
  6.3 Placer Dome Exploration Inc. 52
7 Geological Setting and Mineralization 54
  7.1 Regional Geology 54
  7.2 Courageous-MacKay Lake Greenstone Belt 54
  7.3 Mathews Lake Greenstone Belt 56
  7.4 Stratigraphy – Courageous Lake and Walsh Lake 56
  7.5 Metamorphism 57
  7.6 Chlorite Alteration 58
  7.6.1 Structure 58
  7.7 Petrography and Lithogeochemistry 59
  7.8 Mineralization 59
    7.8.1 Courageous Lake Deposit Mineralization 59
    7.8.2 Walsh Lake Mineralization 61
  7.9 Lithology – Courageous Lake 61
  7.10 Volcanic Rocks – Courageous Lake 61
  7.11 Sedimentary Rocks 63
  7.12 Intrusive Rocks 63
  7.13 Hydrothermal Alteration 63
  7.14 Sericite Alteration 63
  7.15 Silicic Alteration 64
  7.16 Carbonate Alteration 65
  7.17 Potassic Alteration 66
  7.18 Sulphide Minerals 66

 

  
Courageous Lake ProjectPage iii
Pre-feasibility Study and Preliminary Economic Assessment NI 43-101 Technical ReportJanuary 5, 2024
  

  

 

8 Deposit Types 67
  8.1 Deposit Model 67
  8.2 Walsh Lake Deposit 67
9 Exploration 68
  9.1 2003-2004 Seabridge 68
  9.2 2005 - Present 68
10 Drilling 69
  10.1 Courageous Lake Property Drilling 69
  10.1.1 Pre-2010 Drilling Programs – Courageous Lake Property 69
  10.2 Seabridge Drilling Programs – Courageous Lake Property 70
  10.3 Seabridge Drilling Programs - Walsh Lake Deposit 72
11 Sample Preparation, Analyses, and Security 74
  11.1 Introduction 74
  11.2 Historical Sampling Courageous Lake 74
    11.2.1 Noranda 1982-1986 74
    11.2.2 Placer Dome 1997-1998 75
  11.3 Seabridge Sampling Method 76
    11.3.1 Seabridge 2004-2006 76
    11.3.2 Seabridge 2010-2012 Courageous Lake 76
    11.3.3 Seabridge 2010 Walsh Lake 77
  11.4 Sample Security and Storage 78
  11.5 Analytical and Test Laboratories 79
  11.6 Sample Preparation and Analysis 79
    11.6.1 Seabridge 2004-2006 Courageous Lake 79
    11.6.2 Seabridge 2010-2012 Courageous Lake 80
    11.6.3 Seabridge 2010 Walsh Lake 80
    11.6.4 Seabridge 2012-2013 Walsh Lake 80
    11.6.5 Metallic Screening 81
  11.7 Quality Assurance and Quality Control - Courageous Lake 81
  11.8 Seabridge 2004 QA/QC Procedures- Courageous Lake 82
  11.9 Seabridge 2005-2006 QA/QC procedures- Courageous Lake 84
  11.10 Seabridge 2010-2012 QA/QC Procedures- Courageous Lake 85
  11.11 Standards- Courageous Lake 85
    11.11.1 Duplicates 91
    11.11.2 Blanks 97
    11.11.3 Check Assaying 99

 

  
Courageous Lake ProjectPage iv
Pre-feasibility Study and Preliminary Economic Assessment NI 43-101 Technical ReportJanuary 5, 2024
  

  

 

  11.12 Quality Assurance and Quality Control - Walsh Lake 102
    11.12.1 2010 QA/QC Procedures 103
    11.12.2 2012-2013 Core Sampling and QA/QC Procedures 103
    11.12.3 Standards 104
    11.12.4 Duplicates 107
    11.12.5 Blanks 110
    11.12.6 Check Assaying 111
  11.13 Comment on Sample Preparation, Analyses and Security 113
12 Data Verification 114
  12.1 Introduction 114
  12.2 Site Visit 114
  12.3 Seabridge Database Certificate Checks 114
  12.4 Historic Data 114
  12.4.1 Point Validation 114
  12.5 Geologic Data 116
  12.6 Density 116
  12.7 Topography 116
  12.8 Core Recovery 116
13 Mineral Processing and Metallurgical Testing 117
  13.1 Introduction 117
  13.2 Sample Selection 118
  13.3 Head Assays 119
    13.3.1 SGS-Lakefield Program (2010/2011) 119
    13.3.2 ALS Program (2023) 120
  13.4 Mineralogy 121
    13.4.1 SGS Program (2003/2004) 121
    13.4.2 G&T Program (2007) 121
    13.4.3 ALS Program (2023) 121
  13.5 Comminution Testing 122
  13.6 Pre-concentration (Ore Sorting) 123
  13.7 Gravity Concentration 123
  13.8 Rougher Flotation 123
    13.8.1 SGS (2011) 124
    13.8.2 ALS (2023) 125
  13.9 Cleaner Flotation 127
    13.9.1 SGS (2003) 127
    13.9.2 SGS (2011) 127
    13.9.3 ALS (2023) 128

 

  
Courageous Lake ProjectPage v
Pre-feasibility Study and Preliminary Economic Assessment NI 43-101 Technical ReportJanuary 5, 2024
  

  

 

  13.10 Direct Cyanidation 129
    13.10.1 Cyanide Leach of Flotation Tail 129
  13.11 Pressure Oxidation 130
  13.12 Cyanide Destruction Testwork 133
  13.13 Solid Liquid Separation 134
  13.14 Recovery Estimate 135
  13.14.1 Recovery Modelling 136
  13.15 Deleterious Elements 138
  13.16 Walsh Lake Deposit – SGS 2013 138
    13.16.1 Head Assay – Walsh Lake Deposit 139
    13.16.2 Direct Cyanidation – Walsh Lake Deposit 139
    13.16.3 Flotation – Walsh Lake Deposit 140
  13.17 General Comments 140
14 Mineral Resource Estimates 141
  14.1 Introduction 141
  14.2 Mineral Resource Estimate 141
  14.3 Key Assumptions and Data Used in the Resource Estimate 144
    14.3.1 Database 144
    14.3.2 Topography and Previous Mining 145
  14.4 Mineralization Models 145
  14.5 Assay Statistics, and Compositing 146
    14.5.1 Cumulative Probability Plots (CPPs) 146
    14.5.2 Outlier Restrictions 148
    14.5.3 Compositing 149
    14.5.4 Assay and Composite Statistics 150
  14.6 Variography 152
  14.7 Specific Gravity 154
  14.8 Block Models 154
    14.8.1 Interpolation Parameters - Courageous Lake 154
    14.8.2 Interpolation Parameters - Walsh Lake 157
  14.9 Classification 157
  14.10 Cut-off Grade and Reasonable Prospects of Eventual Economic Extraction 159
  14.11 Block Model Validation 161
    14.11.1 Metal Content Validations 161
    14.11.2 Swath Plots 163

 

  
Courageous Lake ProjectPage vi
Pre-feasibility Study and Preliminary Economic Assessment NI 43-101 Technical ReportJanuary 5, 2024
  

  

 

  14.12 Visual Validation 166
  14.13 Independent Checks 168
  14.14 Risk Assessment 169
  14.15 Modelling of Acid Rock Drainage (ARD) Elements 169
    14.15.1 Correlations with Au 169
    14.15.2 ARD Item Interpolations 171
15 Mineral Reserve Estimates 173
  15.1 Introduction 173
  15.2 Open Pit Reserve Parameters 173
  15.3 Mineral Reserves 173
  15.4 Factors that Could Affect the Mineral Reserve Estimate 174
  15.5 Comments on Section 15 174
16 Mining Methods 175
  16.1 Introduction 175
  16.2 Geotechnical, Hydrogeological, Ground Temperature, and Laboratory Testing Programs 175
    16.2.1 2006 Field Program 175
    16.2.2 2010 Geotechnical, Hydrogeological, and Permafrost Field Studies 175
    16.2.3 2011 and 2012 Geotechnical, Hydrogeological, and Permafrost Field Studies 176
    16.2.4 General Geological Setting, Site Geology, and Structure 178
    16.2.5 Permafrost, Groundwater, and Water Quality 178
  16.3 Groundwater Pressures, Pit Water Inflows, Water Management, and Slope Depressurization 179
  16.4 Open Pit Rock Slope and Overburden Design Recommendations 179
    16.4.1 Rock Slope Design Basis 179
    16.4.2 Geotechnical Domains and Design Sector Definitions 180
    16.4.3 Bench Design 180
  16.5 Inter-ramp and Overall Slope Stability Assessment 181

 

  
Courageous Lake ProjectPage vii
Pre-feasibility Study and Preliminary Economic Assessment NI 43-101 Technical ReportJanuary 5, 2024
  

  

 

  16.6 Groundwater Pressures and Slope Depressurization 181
    16.6.1 Depressurization Requirements and Water Quality Predictions 181
  16.7 Results of Limit Equilibrium Slope Stability Analyses 181
  16.8 Overburden Slope Design Angles 182
  16.9 Rock Slope Design Angles 182
  16.10 Open Pit Mining Operations Introduction 182
  16.11 Mining Datum 182
  16.12 Open Pit Mine Planning 3D Block Model 182
  16.13 Net Smelter Return (NSR) 183
  16.14 Mining Loss and Dilution 183
  16.15 Pit Slope Design Angles 185
  16.16 Economic Pit Limits, Pit Designs 185
    16.16.1 Pit Optimization Method 185
    16.16.2 Permafrost 186
    16.16.3 LG Economic Pit Limits 186
  16.17 Detailed Pit Designs 188
    16.17.1 Haul Road Widths 189
    16.17.2 Design Standards 189
    16.17.3 LG Phase Selection 190
  16.18 Open Pit Mine Plan 192
    16.18.1 LOM Open Pit Production Schedule 192
    16.18.2 Rock Storage 193
    16.18.3 Ore Stockpile 195
    16.18.4 Open Pit Mine Pre-production Detail 195
  16.19 Open Pit Production 195
    16.19.1 Year -1 to 11 – Open Pit Mining 195
  16.20 Open Pit Mine Operations 204
    16.20.1 Organization 204
    16.20.2 Direct Mining Activities – Open Pit 204
    16.20.3 Drilling 204
    16.20.4 Blasting 204
    16.20.5 Open Pit General Mine Expense (GME) Area 206
  16.21 Mine Closure and Reclamation 206
  16.22 Open Pit Mine Equipment Parameters 206
    16.22.1 Major Equipment 206
    16.22.2 Blasting 207
    16.22.3 Drilling Equipment 207
    16.22.4 Open Pit Support Equipment 208
    16.22.5 Open Pit Ancillary Equipment 208
    16.22.6 Open Pit Ancillary Facilities 208
  16.23 Mine Production Schedule 209
17 Recovery Methods 212
  17.1 Overview 212
  17.2 Process Flow Sheet 214
  17.3 Plant Design 217
    17.3.1 Crushing and Stockpiling 217
    17.3.2 Primary Grinding and Classification 218

 

  
Courageous Lake ProjectPage viii
Pre-feasibility Study and Preliminary Economic Assessment NI 43-101 Technical ReportJanuary 5, 2024
  

  

 

    17.3.3 Flotation 219
    17.3.4 Concentrate Acidulation 220
    17.3.5 Pressure oxidation (POX) 220
    17.3.6 POX Counter Current Decantation (CCD) 221
    17.3.7 POX Acidic Solution Neutralization 221
    17.3.8 POX Solids Neutralization 221
    17.3.9 Cyanide Leach 221
    17.3.10 Counter Current Decantation (CCD) 222
    17.3.11 Merrill-Crowe Precipitation Circuit 223
    17.3.12 Refining Circuit 224
    17.3.13 Cyanide Destruction and Neutralized Tailings Disposal 225
  17.4 Reagent Handling and Storage 225
    17.4.1 Lime 225
    17.4.2 Activators 225
    17.4.3 Collectors 225
    17.4.4 Promoter 225
    17.4.5 Frother 226
    17.4.6 Flocculant 226
    17.4.7 Sodium Cyanide 226
    17.4.8 Sodium Metabisulphite 226
    17.4.9 Sulfuric Acid 226
    17.4.10 Zinc Powder 226
    17.4.11 Lead Nitrate 226
    17.4.12 Diatomaceous Earth 227
    17.4.13 Oxygen 227
  17.5 Plant Services 227
    17.5.1 Process Water 227
    17.5.2 Raw Water 228
    17.5.3 Potable Water 228
    17.5.4 Power 228
18 Project Infrastructure 229
  18.1 Introduction 229
  18.2 Site Preparation 231
  18.3 Site Access 231
    18.3.1 Courageous Lake Mine Spur Winter Road & Tibbitt to Contwoyto Winter Road 231
    18.3.2 Highway 3 237
    18.3.3 Airstrip 238
    18.3.4 Plant Site Roads 240
    18.3.5 Security 241
    18.3.6 Shipping Logistics 241

 

  
Courageous Lake ProjectPage ix
Pre-feasibility Study and Preliminary Economic Assessment NI 43-101 Technical ReportJanuary 5, 2024
  

  

 

  18.4 Electrical Power System 241
    18.4.1 Electrical System Demand 241
    18.4.2 Facility Power Supply 241
    18.4.3 Site Power Reticulation 243
    18.4.4 Plant Power Distribution 243
  18.5 On-Site Infrastructure 244
    18.5.1 Process Infrastructure 244
    18.5.2 Support Buildings 244
    18.5.3 Accommodations 244
    18.5.4 Ore Stockpiles 245
    18.5.5 Fuel 245
    18.5.6 Overall On-Site Infrastructure 245
  18.6 Mining Infrastructure 247
    18.6.1 Haul Roads 247
    18.6.2 Explosive Facilities 247
    18.6.3 Truck Shop/Truck Wash 247
    18.6.4 Mine Warehousing, Office, and Workshops 247
  18.7 Co-placement Storage Facility and Leach Residue Tailings Facility 248
    18.7.1 Overview 248
    18.7.2 Design Criteria 249
    18.7.3 Geotechnical Investigation 252
    18.7.4 Co-placement Storage Facility 253
    18.7.5 Leach Residue Tailings Facility 254
    18.7.6 CPSF and LRTF Stability Analysis 255
    18.7.7 CPSF and LRTF Water Management 255
    18.7.8 CPSF and LRTF Geotechnical Instrumentation 256
    18.7.9 Closure and Reclamation 256
  18.8 Groundwater Management 257
  18.9 Site-Wide Water Management 260
    18.9.1 Hydrometeorology 260
    18.9.2 Water Management Structures 261
    18.9.3 Site-Wide Water Balance 263
  18.10 Contact Water Quality and Water Treatment 264
    18.10.1 Contact Water Management 264
    18.10.2 Contact Water Balance 269
    18.10.3 Water Quality Assessment 269
    18.10.4 Water Treatment 271

 

  
Courageous Lake ProjectPage x
Pre-feasibility Study and Preliminary Economic Assessment NI 43-101 Technical ReportJanuary 5, 2024
  

  

 

19 Market Studies and Contracts 275
  19.1 Market Studies 275
  19.2 Commodity Price Projections 275
  19.3 Contracts 275
20 Environmental Studies, Permitting, and Social or Community Impact 276
  20.1 Environmental Considerations 276
    20.1.1 Baseline and Supporting Studies 277
    20.1.2 Closure and Reclamation Plans 288
    20.1.3 Closure Cost Estimates 293
  20.2 Permitting Considerations 293
    20.2.1 Exploration Permits 294
    20.2.2 Environmental Assessment 294
    20.2.3 Permits Required for Project Development 295
  20.3 Social Considerations 296
21 Capital and Operating Costs 298
  21.1 Introduction 298
  21.2 Capital Costs 298
    21.2.1 Basis of Capital Cost Estimate 298
    21.2.2 Capital Cost Estimate Summary 299
    21.2.3 Area 1000 – Direct Costs, Mining 300
    21.2.4 Area 2000-3000 – Direct Costs, Process Plant and Tailings Facility 302
    21.2.5 Area 4000 – Direct Costs, On-site Infrastructure 304
    21.2.6 Area 5000 – Direct Costs, Off-site Infrastructure 306
    21.2.7 Area 6000 to 9000 – Project Indirects 307
    21.2.8 Growth Allowance 312
    21.2.9 Closure Costs 312
    21.2.10 Exclusions 313
  21.3 Operating Costs 314
    21.3.1 Basis of Estimate 314
    21.3.2 Operating Cost Estimate Summary 314
    21.3.3 Mine Operating Costs 315
    21.3.4 Process Operating Costs 319
    21.3.5 General and Administrative Operating Costs 327
    21.3.6 Water Treatment Plant Operating Costs 329

 

  
Courageous Lake ProjectPage xi
Pre-feasibility Study and Preliminary Economic Assessment NI 43-101 Technical ReportJanuary 5, 2024
  

  

 

22 Economic Analysis 330
  22.1 Forward-Looking Information Cautionary Statements 330
  22.2 Methodologies Used 331
  22.3 Financial Model Parameters 331
    22.3.1 Assumptions 331
    22.3.2 Taxes 332
  22.4 Economic Analysis 333
  22.5 Sensitivity Analysis 337
23 Adjacent Properties 340
24 Other Relevant Data and Information 341
  24.1 2024 Preliminary Economic Assessment 341
    24.1.1 Introduction 341
    24.1.2 Mining Methods 342
    24.1.3 Open Pit Mining Method 343
    24.1.4 Recovery Methods 357
    24.1.5 Project Infrastructure 364
    24.1.6 Market Studies and Contracts 372
    24.1.7 Environmental Studies, Permitting and Social or Community Impact 373
    24.1.8 2024 PEA Capital and Operating Cost Estimates 374
    24.1.9 2024 PEA Economic Analysis 379
25 Interpretation and Conclusions 385
  25.1 Interpretation and Conclusions for the 2024 PFS 385
    25.1.1 Introduction 385
    25.1.2 Mineral Tenure, Surface Rights, Water Rights, Royalties and Agreements 385
    25.1.3 Drilling 385
    25.1.4 Analytical Data Collection and QA/QC 385
    25.1.5 Metallurgical Testwork 385
    25.1.6 Mineral Resource Estimate 387
    25.1.7 Mining 387
    25.1.8 Recovery Methods 387
    25.1.9 Project Infrastructure 388
    25.1.10 Environmental, Permitting and Social Considerations 390
    25.1.11 Capital Cost Estimate 390
    25.1.12 Operating Cost Estimate 390
    25.1.13 Economic Analysis 391

 

  
Courageous Lake ProjectPage xii
Pre-feasibility Study and Preliminary Economic Assessment NI 43-101 Technical ReportJanuary 5, 2024
  

  

 

  25.2 Interpretation and Conclusion for the 2024 PEA 391
    25.2.1 Introduction 391
    25.2.2 2024 PEA Mining Methods 391
    25.2.3 2024 PEA Recovery Methods 391
    25.2.4 2024 PEA Project Infrastructure 392
    25.2.5 2024 PEA Economic Analysis 392
  25.3 2024 PFS Risks and Opportunities 393
    25.3.1 Risks 393
    25.3.2 Opportunities 397
  25.4 2024 PEA Risks and Opportunities 401
    25.4.1 Risks 401
    25.4.2 Opportunities 404
26 Recommendations 405
  26.1 Overall 405
  26.2 Drillhole Database QAQC Recommendations 405
  26.3 Exploration and Drilling Recommendations 406
  26.4 Metallurgical Testwork 406
  26.5 Mining 407
    26.5.1 Mining Methods 407
    26.5.2 Mining Geotechnical 407
  26.6 Process and Infrastructure Engineering 409
  26.7 Site Geotechnical Studies 410
  26.8 Co-placement Storage Facility and Leach Residue Tailings Facility 410
  26.9 Water Treatment 411
  26.10 Environmental Studies, Permitting, and Social or Community Impact 411
27 References 412

 

  
Courageous Lake ProjectPage xiii
Pre-feasibility Study and Preliminary Economic Assessment NI 43-101 Technical ReportJanuary 5, 2024
  

  

 

List of Tables

 

Table 1-1: 2024 Mineral Resource Estimate for the Courageous Lake Deposit 5
Table 1-2: 2024 Resource Statement for the Walsh Lake Deposit 6
Table 1-3: Proven and Probable Reserves 7
Table 1-4: Mining Loss and Dilution for Courageous Lake 8
Table 1-5: General Pit Dimensions 9
Table 1-6: Summary of 2024 Overburden Slope Design Recommendations 9
Table 1-7: Summary of 2024 Pre-feasibility Pit Slope Design Recommendations 10
Table 1-8: Summary of Total Capital Costs 18
Table 1-9: Operating Cost Summary LOM Average (C$) 19
Table 1-10: Operating Cost Summary LOM Average (US$) 19
Table 1-11: Economic Analysis Summary Table 20
Table 1-12: Economic Sensitivity to Gold Price 21
Table 1-13: 2024 PEA Economic Sensitivity to Gold Price and Discount Rate 23
Table 1-14: Recommended Work Program 24
Table 2-1: Report Contributors 26
Table 2-2: Site Visits 27
Table 2-3: Summary of Previous Technical Reports 30
Table 2-4: Abbreviations and Acronyms 30
Table 2-5: Units of Measurement 34
Table 4-1: Courageous Lake Property Mineral Leases 40
Table 10-1: Summary of Courageous Lake Property Drilling 69
Table 11-1: QA/QC Insertion Counts and % of Total by Year - Courageous Lake 82
Table 11-2: Standards Certification details for Courageous Lake. 87
Table 11-3: Duplicates Count and Insertion Rates for 2006-2013. 91
Table 11-4: QA/QC Insertion Counts and % of Total by Year - Walsh Lake 103
Table 11-5: Standards certification details for Walsh Lake 104
Table 11-6: Duplicates Count and Insertion Rates for 2006-2013. 107
Table 13-1: Summary of Metallurgical Test Programs 117
Table 13-2: Head Assay Data – SGS (2010/2011) 120
Table 13-3: Head Assay Data – ALS (2023) 120
Table 13-4: Mineral Composition Data – ALS 2023 Variability Samples 121
Table 13-5: Sulfur Deportment Data – ALS 2023 Variability Samples 122
Table 13-6: Comminution Data 122
Table 13-7: Comminution Data – ALS 2023 Test Program 123
Table 13-8: Rougher Flotation Test Data – SGS 124

 

  
Courageous Lake ProjectPage xiv
Pre-feasibility Study and Preliminary Economic Assessment NI 43-101 Technical ReportJanuary 5, 2024
  

  

 

Table 13-9: Rougher Flotation Recovery Data – ALS 2023 127
Table 13-10: Cleaner Flotation Test Data – SGS 2010/2011 128
Table 13-11: Cleaner Flotation Variability Test Data – ALS 2023 128
Table 13-12: Gold Extraction by Direct Cyanide Leaching of Flotation Concentrate – Historical Tests 129
Table 13-13: Gold Extraction by Direct Cyanide Leaching of Flotation Concentrate – Historical Tests 129
Table 13-14: Blend 1 Head Analysis 130
Table 13-15: POX Test Conditions – SGS 2011 131
Table 13-16: POX and Cyanidation Test Results – SGS 2011 132
Table 13-17: Cyanide Detoxification Test Results – SGS 2011 134
Table 13-18: Summary Settling Test Results – SGS 2010/2011 134
Table 13-19: Dynamic Settling Test Results – ALS 2023 135
Table 13-20: Predicted Cleaner Flotation Concentrate Grade Over Life of Mine 137
Table 13-21: Walsh Lake Head Assay 139
Table 13-22: Summary of Cyanidation Testwork 139
Table 13-23: Rougher Flotation Test Results – Walsh Lake Deposit 140
Table 14-1: 2024 Mineral Resource Estimate for the Courageous Lake Deposit 142
Table 14-2: 2024 Resource Statement for the Walsh Lake Deposit 143
Table 14-3: Metallurgical Recoveries Used for the Project 143
Table 14-4: Summary of Drill holes and Assays used in the Courageous Lake Resource Estimate 144
Table 14-5: Summary of Drill holes and Assays used in the Walsh Lake Resource Estimate 144
Table 14-6: Outlier Restriction of Composites by Domain – Courageous Lake 148
Table 14-7: Capping of Assays – Walsh Lake 149
Table 14-8: Assays and Composites Statistics within the Domains, Courageous Lake - Au 151
Table 14-9: Assays and Composites Statistics within the Mineralized Domain, Walsh Lake – Au 152
Table 14-10: Courageous Lake and Walsh Lake Model Extents 154
Table 14-11: Courageous Lake Domains 2 to 6 and 8 - Au Interpolation Parameters 156
Table 14-12: Courageous Lake Domains 1, 7, 9, 12, 14, 10 and 11 - Inverse Distance Parameters 156
Table 14-13: Walsh Lake Domains - Au Interpolation Parameters 157
Table 14-14: Metal Price and Net Smelter Price (NSP) 159
Table 14-15: Interpolated Grade vs. De-clustered by Domain at zero cut-off – Courageous Lake 162
Table 14-16: Interpolated Grade vs. De-clustered Composites by Cut-off – Courageous Lake 163
Table 14-17: Interpolated Grade vs. De-clustered Composites by Cut-off – Walsh Lake 163
Table 14-18: Risk Factors and Justification/ Mitigation 169
Table 14-19: Regressions Constants Used for As, S and Ag Asay Data Filling 170
Table 14-20: Mean Value by Zone used for Fe and Ca Assay Data Filling 171
Table 14-21: Mean Grades of ARD Items – Used to Fill Un-interpolated Blocks 172
Table 15-1: Proven and Probable Reserves 173
Table 16-1: Metal Price and Resultant NSP 183

 

  
Courageous Lake ProjectPage xv
Pre-feasibility Study and Preliminary Economic Assessment NI 43-101 Technical ReportJanuary 5, 2024
  

  

 

Table 16-2: Mining Loss and Dilution for Courageous Lake 185
Table 16-3: LG Pit Limit Primary Assumptions 185
Table 16-4: Pit Phase Inventories 192
Table 16-5: Production Schedule Assumptions 193
Table 16-6: Major Equipment Requirements 206
Table 16-7: Blasting Assumptions 207
Table 16-8: Open Pit Production Drilling Assumptions 207
Table 16-9: Mine Support Equipment Fleet 208
Table 16-10: Summarized Production Schedule 210
Table 17-1: Summary of Process Design Criteria 213
Table 17-2: Reagents Consumption 227
Table 17-3: Process Plant Power Requirements 228
Table 18-1: TCWR Historic Opening and Closing Dates 232
Table 18-2: Courageous Lake Aerodome Runway Length and Width Requirements 238
Table 18-3: ALR Requirements for The Design Aircraft Type, and Others for Comparison 239
Table 18-4: Processing Infrastructure Buildings 244
Table 18-5: General Facilities 244
Table 18-6: Truck Shop Facilities 247
Table 18-7: Production Schedule 249
Table 18-8: Predicted Groundwater Inflow Quantity and TDS Quality – 2024 PFS Mine Plan 259
Table 18-9: Summary of Matthews Creek Station Monthly Average Meteorological Observation 260
Table 18-10: Dimension of Collection Ponds 263
Table 18-11: Hydrological Scenarios 263
Table 18-12: Site-wide Water Balance (m3/day) for Average Precipitation Year 264
Table 18-13: Site-wide Water Balance (m3/day) for Wet Precipitation Year 264
Table 18-14: Site-wide Water Balance (m3/day) for Dry Precipitation Year 264
Table 18-15: Assumed Annual Precipitation and Catchment Yield 269
Table 18-16: Estimated Annual Contact Water Volumes Collected 269
Table 18-17: Geochemical Source Terms for POX Residues, Waste Rock, and Tailings 270
Table 19-1: Summary of Assumed Doré Transportation and Refining Terms 275
Table 19-2: Summary of Historic Commodity Pricing 275
Table 20-1: Summary of Matthews Creek Station Meteorological Observations 278
Table 20-2: Active Closure Activities and Assumptions 291
Table 20-3: Permits and Licenses that will be Required to Develop the Project 295
Table 21-1: Summary of Total Capital Costs 300
Table 21-2: Mining Capital Cost Estimate 300
Table 21-3: Mine Mobile Equipment Capital Schedule 301
Table 21-4: Mine Direct Capital Costs 302

  

  
Courageous Lake ProjectPage xvi
Pre-feasibility Study and Preliminary Economic Assessment NI 43-101 Technical ReportJanuary 5, 2024
  

  

 

Table 21-5: Process Direct Capital Cost Estimate 304
Table 21-6: Tailings Direct Capital Cost Estimate 304
Table 21-7: On-site Infrastructure Direct Capital Cost Estimate 305
Table 21-8: Off-site Infrastructure Direct Capital Cost Estimate 307
Table 21-9: Total Indirect Costs 308
Table 21-10: Indirect Costs 310
Table 21-11: Owner’s Costs 311
Table 21-12: Contingency by WBS 312
Table 21-13: 2024 PFS Operating Cost Estimate Summary Average (C$) 314
Table 21-14: 2024 PFS Operating Cost Estimate Summary Average (US$) 315
Table 21-15: 2024 PFS Operating Cost Estimate Summary Average (US$) 315
Table 21-16: Mine Hourly Labour Schedule Levels 316
Table 21-17: Mine Salary Employee Schedule Levels 316
Table 21-18: Mining Costs (inclusive of Pre-production costs) Per Tonne Mill Feed 317
Table 21-19: Mining Costs (inclusive of Pre-production costs) per Tonne Material Mined 318
Table 21-20: Process Summary Breakdown, Fixed and Variable Costs (C$) 319
Table 21-21: Process Summary Breakdown, Fixed and Variable Costs (US$) 320
Table 21-22: Processing Labour by Department 321
Table 21-23: Processing Labour Operating Cost During Design Throughput (C$) 322
Table 21-24: Processing Labour Operating Cost During Design Throughput (US$) 322
Table 21-25: Reagents Yearly Operating Costs at Design Throughput (C$) 323
Table 21-26: Reagents Yearly Operating Costs at Design Throughput (US$) 323
Table 21-27: Consumables Yearly Operating Costs at Design Throughput (C$) 324
Table 21-28: Consumables Yearly Operating Costs at Design Throughput (US$) 324
Table 21-29: Maintenance Consumable Costs (C$) 325
Table 21-30: Maintenance Consumable Costs (US$) 325
Table 21-31: Power Cost and Consumption Per Year by WBS At Design Throughput (C$) 326
Table 21-32: Power Cost and Consumption Per Year by WBS at Design Throughput (US$) 326
Table 21-33: G&A Cost Areas (C$) 328
Table 21-34: G&A Cost Areas (US$) 328
Table 21-35: G&A Staffing Schedule 329
Table 22-1: Economic Analysis Summary Table 334
Table 22-2: Cash Flow Forecast on an Annual Basis 335
Table 22-3: Post-Tax Sensitivity Summary 339
Table 24-1: Pit Slope Assumptions 343
Table 24-2: LG Pit Limit Primary Assumptions (CAD$) 344
Table 24-3: PEA Mining Losses and Dilution 346
Table 24-4: Phase Strip Ratio 349

 

  
Courageous Lake ProjectPage xvii
Pre-feasibility Study and Preliminary Economic Assessment NI 43-101 Technical ReportJanuary 5, 2024
  

  

 

Table 24-5: Pit Delineated Resource 349
Table 24-6: Summarized 2024 PEA Production Schedule 356
Table 24-7: Reagents Consumption 363
Table 24-8: Production Schedule 365
Table 24-9: Summary of Assumed Doré Transportation and Refining Terms 372
Table 24-10: Summary of Historic Commodity Pricing (Source: Capital IQ Dec. 7, 2023) 373
Table 24-11: 2024 PEA Capital Cost Estimate Summary (US$) 374
Table 24-12: 2024 PEA Operating Cost Estimate Summary Average, Excluding Capitalized Opex, Closure Bonding (C$) 375
Table 24-13: 2024 PEA Operating Cost Estimate Summary Average (US$) 375
Table 24-14: Maximum Hourly Labour Schedule 376
Table 24-15: Maximum Salaried Labour Schedule 376
Table 24-16: Mining Costs (including Pre-production) per Tonne Mill Feed LOM Cost 377
Table 24-17: PEA Process Plant Operating Costs, Fixed and Variable Costs (CAD$) 378
Table 24-18: PEA Process Plant Operating Costs, Fixed and Variable Costs (US$) 378
Table 24-19: PEA G&A Cost Areas (C$) 378
Table 24-20: PEA G&A Cost Areas (US$) 379
Table 24-21: Desalination Plant part of Water Treatment Plant 379
Table 24-22: 2024 PEA Economic Analysis Summary 382
Table 24-23: 2024 PEA Economic Sensitivity to Gold Price and Discount Rate 383
Table 26-1: Recommended Work Program 405

 

  
Courageous Lake ProjectPage xviii
Pre-feasibility Study and Preliminary Economic Assessment NI 43-101 Technical ReportJanuary 5, 2024
  

  

 

List of Figures

 

Figure 1-1: Summarized Courageous Lake Mill Feed Production Schedule 8
Figure 1-2: Process Flowsheet 11
Figure 1-3: Courageous Lake PFS Site Layout 13
Figure 1-4: Courageous Lake Mill Feed Production Schedule 22
Figure 4-1: General Location Map of the Courageous Lake Project 39
Figure 4-2: Mineral Tenure Plan 43
Figure 4-3: Claims Boundary and Proposed Resource Pit Locations (UTM Zone 12n) 44
Figure 4-4: Location of Surface Rights 46
Figure 5-1: Aerial Photograph of Courageous Lake Property 49
Figure 7-1: Regional Geology of the Courageous Lake Project 55
Figure 7-2: Stratigraphic Sequence Models 57
Figure 7-3: Perspective View of the FAT Mineral Zones 60
Figure 7-4: Lapilli-tuff Unit in Outcrop 62
Figure 7-5: Typical Sericite Alteration 64
Figure 7-6: Types of Quartz Alteration 65
Figure 10-1: Drill Collar Location Plan – Courageous Lake Deposit 71
Figure 10-2: Sectional View of Courageous Lake Drilling by Drill Campaign 72
Figure 10-3: Drill Collar Location Plan – Walsh Lake 73
Figure 11-1: 2004 Standard Performance NC-0.5G (ACME) 86
Figure 11-2: 2004 Standard Performance NC-2G (ACME) 86
Figure 11-3: 2005-2006 Standard performance (ACME) – Standard Data Normalized 87
Figure 11-4: 2010-2011 Standard Performance (ACME) - CL 88
Figure 11-5: 2011-2012 Standard Performance (ACME) – CL2 89
Figure 11-6: 2010-2012 Standard Performance (ACME) – CDN-GS-4B 90
Figure 11-7: 2010-2012 Standard Performance (ACME) - KSM 90
Figure 11-8: 2004-2006 Field Duplicate Performance 92
Figure 11-9: 2010-2012 Field Duplicate Performance 93
Figure 11-10: 2004-2006 Coarse Reject Duplicate Performance (ACME) 94
Figure 11-11: 2011-2012 Coarse Reject Duplicate Performance (ACME) 95
Figure 11-12: 2004-2006 Pulp Duplicate Performance (ACME) 96
Figure 11-13: 2011-2012 Pulp Duplicate Performance (ACME) 96
Figure 11-14: 2004 Blank Performance (ACME) 97
Figure 11-15: 2005-2006 Blank Performance (ACME) 98
Figure 11-16: 2010-2012 Blank Performance (ACME) 99
Figure 11-17: 2004 Check-Assay Performance (SGS Lakefield) 100

 

  
Courageous Lake ProjectPage xix
Pre-feasibility Study and Preliminary Economic Assessment NI 43-101 Technical ReportJanuary 5, 2024
  

  

 

Figure 11-18: 2005-2006 Check-Assay Performance (ALS) 101
Figure 11-19: 2011-2012 Check-Assay Performance (ALS) 102
Figure 11-20: Walsh Lake 2012-2013 Standard Performance CL2 (ACME) 105
Figure 11-21: Walsh Lake 2010-2013 Standard Performance KSM (ACME) 105
Figure 11-22: Walsh Lake 2012-2013 Standard Performance CDN-GS-1P5F (ACME) 106
Figure 11-23: Walsh Lake 2012-2013 Standard Performance CDN-GS-3K (ACME) 106
Figure 11-24: Walsh Lake Field Duplicate Performance 108
Figure 11-25: Walsh Lake Coarse Reject Duplicate Performance (ACME) 109
Figure 11-26: Walsh Lake Pulp Duplicate Performance (ACME) 110
Figure 11-27: Walsh Lake 2010-2013 BLANK Performance (ACME) 111
Figure 11-28: Walsh Lake Check-Assay Performance (ALS) 112
Figure 11-29: Walsh Lake Check-Assay of Standard (ALS) 113
Figure 12-1: Point Validation of Placer-Dome Historic Data 115
Figure 12-2: Point Validation of Noranda Historic Data 115
Figure 13-1: Flotation and Comminution Variability Sample Locations in FAT Deposit – ALS 2023 Test Program 119
Figure 13-2: Effect of the Grind Size – ALS 2023 Variability Samples 125
Figure 13-3: Gold Recovery vs Time Plot – ALS 2023 Variability Samples 126
Figure 13-4: Gold and Sulfur Grades Relationship in Mineralized Material – ALS 2023 135
Figure 13-5: Gold and Arsenic Grades Relationship in Mineralized Material – ALS 2023 136
Figure 13-6: Predicted and Test work Gold Recoveries vs. Feed Grade – ALS 2023 138
Figure 14-1: Three-dimension View of Modelling Shapes - Courageous Lake 145
Figure 14-2: Three-dimension View of Mineralized Tagging – Walsh Lake 146
Figure 14-3: CPP of Au by Domain – Courageous Lake Domains 2-6 147
Figure 14-4: CPP of Au by Domain – Courageous Lake Domains 1, 7-14 147
Figure 14-5: CPP of Au by Domain – Walsh Lake 148
Figure 14-6: Histograms of Assay Lengths within Mineralized Domains – Courageous Lake 149
Figure 14-7: Histograms of Assay Lengths within Mineralization - Walsh Lake 150
Figure 14-8: Variogram Model for Au Indicator at Courageous Lake, Major and Minor Axis 153
Figure 14-9: Courageous Lake Classification 158
Figure 14-10: Courageous Lake Resource Pit and Au block Grades above 0.80 g/t 160
Figure 14-11: Walsh Lake Resource Pit and Au block Grades above 0.80 g/t 161
Figure 14-12: Swath Plots – Courageous Lake – Au 164
Figure 14-13: Swath Plots – Courageous Lake – Au 165
Figure 14-14: Comparison of Composite and Block Grades – Courageous Lake -7109400N 166
Figure 14-15: Comparison of Composite and Block Grades – Courageous Lake – 7110000N 167
Figure 14-16: Comparison of Composite and Block Grades – Walsh Lake - Section 7100625 168
Figure 16-1: Summary of Geotechnical, Hydrogeological and Ground Temperature Investigations 177

 

  
Courageous Lake ProjectPage xx
Pre-feasibility Study and Preliminary Economic Assessment NI 43-101 Technical ReportJanuary 5, 2024
  

  

 

Figure 16-2: Plan View of Losses and Dilution Blocks 184
Figure 16-3: Courageous Lake Sensitivity of Ore Tonnes to Pit Size 186
Figure 16-4: Plan View of the Courageous Lake LG Pit Limit 187
Figure 16-5: Courageous Lake Economic Pit Limit – North-South Section at East 486750 188
Figure 16-6: Double Lane Haul Road 189
Figure 16-7: Plan View of Courageous Lake Pit Phases 191
Figure 16-8: End of Pre-production (Year -1) 197
Figure 16-9: End of Year 1 198
Figure 16-10: End of Year 2 199
Figure 16-11: End of Year 3 200
Figure 16-12: End of Year 4 201
Figure 16-13: End of Year 5 202
Figure 16-14: Open Pit Life of Mine 203
Figure 16-15: Courageous Lake Mill Feed Production Schedule 211
Figure 17-1: Process Flowsheet 215
Figure 17-2: Overall Process Plant Layout 216
Figure 17-3: Grinding, Flotation and Concentrate Pre-acidulation Area Layout 219
Figure 17-4: Concentrate Acidulation, POX, and CCD 222
Figure 17-5: Merril-Crowe and Refining Circuit Area Layout 224
Figure 18-1: Courageous Lake Project Layout Plan 230
Figure 18-2: TCWR Map 233
Figure 18-3: Courageous Lake Project Winter Spur Road 234
Figure 18-4: Yellowknife FDD on March 31 and when Super B capacity of 63.5 tonnes (100%) at 104 cm on TCWR and FDD where 109 cm expected 235
Figure 18-5: TCWR Historic Opening and Closing Dates with Open Duration 236
Figure 18-6: Map of Road Access to Yellowknife 237
Figure 18-7: Overall On-site Infrastructure Layout 246
Figure 18-8: Truck Shop, Wash Bay, Mine Warehouse, Tire Change, Fuel Storage/Station and Office 248
Figure 18-9: Co-placement Storage Facility and Leach Residue Tailings Facility 253
Figure 18-10: Conceptual Permafrost Conditions for the Courageous Lake Project 258
Figure 18-11: Preliminary Concept of Dewatering Well Locations for Base Case and for Sensitivity Case Cryopeg Depth 259
Figure 18-12: Courageous Lake Water Management Strategy 262
Figure 18-13: Courageous Lake Project Area Sub-catchments 266
Figure 18-14: Water Management and Mine Infrastructure 267
Figure 18-15: Water Conveyance Schematic 268
Figure 18-16: Courageous Lake Water Treatment Process Flow Diagram 273
Figure 18-17: Courageous Lake Water Treatment Equipment Dimensions 274

 

  
Courageous Lake ProjectPage xxi
Pre-feasibility Study and Preliminary Economic Assessment NI 43-101 Technical ReportJanuary 5, 2024
  

  

 

Figure 20-1: Post-closure Layout 290
Figure 22-1: Post-Tax Unlevered Free Cash Flow 337
Figure 22-2: Post-Tax NPV and IRR Sensitivity Results 338
Figure 24-1: Mine Site General Arrangement 342
Figure 24-2: Sensitivity of 2024 PEA Mill Feed Tonnes to Price Case 345
Figure 24-3: Courageous Lake PEA Pit Limit – East-West Section at North 7109735 347
Figure 24-4: Pit Design – Plan View 348
Figure 24-5: 2024 PEA Co-Placement Storage Facility Design 350
Figure 24-6: End of Period Map Year -1 of PEA 353
Figure 24-7: End of Period Map Year 10 of PEA 354
Figure 24-8: End of Period Map End of PEA LOM 355
Figure 24-9: Courageous Lake PEA Mill Feed Production Schedule 357
Figure 24-10: Process Flowsheet 359
Figure 24-11: 2024 PEA Co-placement Storage Facility and Leach Residue Tailings Facility 368
Figure 24-12: PEA Post-tax NPV and IRR Sensitivity Results 384

 

  
Courageous Lake ProjectPage xxii
Pre-feasibility Study and Preliminary Economic Assessment NI 43-101 Technical ReportJanuary 5, 2024
  

  

 

1SUMMARY

 

1.1Introduction

 

The Courageous Lake Project (the Project) is a greenfield project involving the development of a major gold deposit located 240 kilometers (km) northeast of Yellowknife, Northwest Territories (NWT), Canada.

 

“Courageous Lake Project, Pre-feasibility Study and Preliminary Economic Assessment NI 43-101 Technical Report” (the Report), examines the development of the Courageous Lake mine through a Pre-feasibility Study (2024 PFS) utilizing open pit mining on the Courageous Lake deposit. Additionally, a separate Preliminary Economic Assessment (2024 PEA) has been conducted to assess a conceptual layback of the mine within the Courageous Lake deposit after the completion of the 2024 PFS mine plan. It’s important to note that none of the Mineral Resources included in the 2024 PEA mine plan have been utilized in the 2024 PFS mine plan.

 

Seabridge Gold Inc. (Seabridge) commissioned Ausenco Engineering Canada ULC. and Ausenco Sustainability ULC. (collectively Ausenco) to compile a PFS of the Courageous Lake Project (The Project). The PFS has been prepared in accordance with the Canadian disclosure requirements of National Instrument 43-101 (NI 43-101) and in accordance with the requirements of Form 43-101 F1.

 

The responsibilities of the engineering companies contracted by Seabridge to prepare this report are as follows:

  

Ausenco managed and coordinated the development of this report, managed the review of the metallurgical test program, developed designs for the process plant, co-placement storage facility, leach residue tailings facility, and general on-site infrastructure, developed the consolidated cost estimates, site-wide water management, and prepared the economic analysis.

 

Moose Mountain Technical Services Ltd. (MMTS) developed the Mineral Resource Estimate and designed the open pit mine, mine production schedule, and mine capital and operating costs. In addition, MMTS completed the work related to property description, accessibility, local resources, geological setting, deposit type, exploration work, drilling, exploration works, sample preparation and analysis, and data verification.

 

ERM Consultants Canada Ltd. (ERM) conducted a review of the environmental studies and permitting information.

 

SRK Consulting (Canada) Inc. (SRK) prepared the design and cost estimate for the water treatment plant, and were responsible for site water quality, geochemistry and contact water balance.

 

WN Brazier Associates Inc. (WN Brazier) designed the site power generation facilities and cost estimates.

 

Tetra Tech Canada Inc. (Tetra Tech) prepared the open pit and overburden slope designs and stability assessments, completed a gap analysis and conformance review of the previous PFS-level open pit slope designs completed in 2011, and provided updated airstrip designs from earlier recommendations offered in the 2012 PFS (including material take-offs used for the cost estimate).

 

  
Courageous Lake ProjectPage 1
Pre-feasibility Study and Preliminary Economic Assessment NI 43-101 Technical ReportJanuary 5, 2024
  

  

 

The results of the economic analyses for the 2024 PFS and 2024 PEA represent forward-looking information that is subject to a number of known and unknown risks, uncertainties and other factors that may cause actual results to differ materially from those presented in this Report. Forward-looking statements in this report include, but are not limited to, statements with respect to future metal prices, the estimation of Mineral Resources and Mineral Reserves, the estimate mine production and metals recovered, the estimated capital and operating costs, and the estimated cash flows generated from the planned mine production for the different development options, the material factors or assumptions used to develop the forward-looking information are identified in the relevant sections of this Report.

 

1.2Property Description, Location and Ownership

 

The Courageous Lake property is located 240 km northeast of Yellowknife NWT, Canada (Figure 4-1). The property comprises 85 Northwest Territorial Mining Leases and 4 Federal Mining Leases having a combined area of 50,239.96 hectares . All of the Mining Leases are currently recorded 100% to Seabridge. The center of the deposit is located at NAD83 Universal Transverse Mercator (UTM Zone 12) coordinates 486,700 East and 7,109,600 North. The property is situated within the Courageous Lake greenstone belt (CLGB) in the Slave Structural Province.

 

The property is a collection of mineral leases that trend north- south along the 54-km length of the Courageous Lake Greenstone Belt. The property includes the past gold producing properties of the Salmita mine operated by Giant Yellowknife Mines, and the Tundra mine operated by Royal Oak Mines.

 

1.3History

 

Gold was first discovered in the Courageous Lake area in the early 1940s by Dr. W. Brown, who was working for Territorial Exploration Ltd.

 

In 1980, Noranda carried out a drilling program to evaluate a frost heaved felsic volcanic unit that was discovered by prospectors working for Noranda. This activity resulted in the discovery of two gold deposits: the Tundra deposit (Main Zone) or FAT (felsic ash tuff) Zone, and the Carbonate Zone. In this report Courageous Lake deposit refers to what has previously been called the FAT Zone of the Courageous Lake Property.

 

Noranda and Getty Canadian Metals partnered in 1982 (Tundra Joint Venture) to explore and develop the project that lead to completion of a 475 meter exploration shaft. During this time, Nornada acquired Battle Mountain Gold and consolidated precious metal interests in that unit, and Getty was acquired by Total Energold.

 

In 1997, Placer Dome optioned the property from Battle Mountain Gold with the concept of developing a bulk tonnage open pit deposit. To test that concept, Placer Dome completed 13,345 m of drilling focus on the Courageous Lake Deposit (formerly also referred to as the FAT deposit). In 2001, Battle Mountain Gold merged with Newmont Gold Corp. (Newmont) and ownership of the Tundra Joint Venture was transferred to Newmont.

 

In 2002, Newmont offered the Courageous Lake property for sale. In June 2002, Seabridge purchased the property from the Newmont-Total Tundra Joint Venture. Seabridge completed drilling from 2003-2018 that continued evaluating the Courageous Lake and Walsh Lake deposits as well as other target areas within the Courageous Lake Greenstone Belt (CLGB).

 

  
Courageous Lake ProjectPage 2
Pre-feasibility Study and Preliminary Economic Assessment NI 43-101 Technical ReportJanuary 5, 2024
  

  

 

1.4Geology and Mineralization

 

The Mathews Lake Greenstone Belt (MLGB) is a steeply east dipping, north to northwest trending, homoclinal sequence. These sequences of metavolcanic and metasedimentary rocks of the Yellowknife Supergroup form a composite pile 3 to 7 km wide and 56 km long. Greenshist facies metamorphisum is present throughout the CLGB, but higher-grade metamorphic facies are present near the north and south limit of the belt. Late stage, brittle faulting in the CLGB is generally restricted to two repeated orientations: north-northwest and east-northeast.

 

Two styles of mineral occurrence are recognized in the CLGB:

 

strataform gold concentrations hosted by felsic volcanic dome rocks, as observed in the Courageous Lake deposit, and

 

orogenic gold occurrences associated with deformational structures within the greenstone belt. These include the Tundra Mine, Salmita Mine, Walsh Lake Zone and numerous small prospects along the belt.

  

1.5Exploration

 

Exploration of the Courageous Lake property has undergone several phases since the discovery of gold in the area in the early 1940s. The two most active periods of exploration were Noranda’s activities in the 1980s and Placer Dome’s programs during the late 1990s.

 

Seabridge has drilled off the deposits from 2004 through 2018.

 

1.6Drilling

 

Exploration has been primarily through drilling of the deposits. There is a total of 1,099 drillholes containing 284,086 m of drilling with 176,456 m assayed for at least gold (Au) in the Courageous Lake Project database.

 

1.7Sampling Preparation, Analysis and Security

 

Seabridge era drilling contained sufficient QA/QC procedures with acceptable results to support the Resource Estimate.

 

1.8Data Verification

 

Historic data from Noranda and Placer dome era drilling has been validated through the use of geostatistical technique called Point Validation, which compares the historic drilling to the recent drilling at the location of the historic drill data, thus removing the location factor in the comparison. Based on this validation work, all drillhole data within the database has been used to inform the Resource Estimate.

 

1.9Metallurgical Testwork

 

Six metallurgical test programs were conducted on samples from the Courageous Lake deposit between 2003 and 2023. SGS-Lakefield Research Ltd. (Lakefield) conducted the metallurgical testing programs in 2003/2004 and in 2010/2011 which included investigations into comminution, flotation and gravity concentration, flotation concentrate pre-treatments by bio-oxidation (BIOX) and pressure oxidation (POX), cyanide leaching, and POX slurry neutralization.

 

  
Courageous Lake ProjectPage 3
Pre-feasibility Study and Preliminary Economic Assessment NI 43-101 Technical ReportJanuary 5, 2024
  

  

 

G&T Metallurgical Services Ltd. (G&T) carried out test programs in 2007 and 2012 focused on optimizing flotation performance. During the 2012 test program, G&T prepared concentrates for POX tests that were carried out in 2012 by Sherritt Technologies. Sherritt conducted cyanide amenability (CNA) tests on the POX residues and cyanide destruction tests on the cyanide leach residues.

 

The most recent test program was completed by ALS Kamloops in 2023, which included eight variability samples representing a range of grade, depth, and zone parameters from eight drill cores. The test work included ball mill grindability, flotation concentration, and flotation tails leaching.

 

The test work results indicate that the material exhibits high competence for breakage in a SAG mill with A x b value of 29.7. Additionally, it demonstrates moderate hardness with respect to grinding in a ball mill.

 

The test work results indicate that the material did not exhibit a strong response to gold recovery through gravity concentration; however, the mineralization responded well to flotation concentration. Gold recovery by flotation was high, ranging from 85 to 97%. Direct cyanidation of flotation concentrate testwork showed poor results for Au recoveries indicating the concentrates are refractory to direct cyanidation. The oxidation test work results indicated that the concentrates were amendable to high degree pressure oxidation with a significant improvement in gold extraction and over 98% sulfide oxidation. The test work results showed that the gold extractions from the POX residues varied from 94 to 99%.

 

Robust metallurgical projection models have been derived from open circuit and locked cycle bulk rougher flotation and single-stage cleaner flotation tests of the Courageous Lake master composites and variability samples and are appropriate for this level of study. The deleterious element assay from ALS 2023 test program indicate that all samples contained less than 1 ppm mercury, which was the laboratory’s detection point. It does not appear that mercury would become a deleterious element in the final doré.

 

In 2013, SGS Lakefield performed test work on Walsh Lake deposit. The results of bottle roll cyanidation tests show that Walsh Lake samples are amenable to leaching by standard, direct cyanidation procedures and does not show any indication of material being refractory. The test results indicated flotation to be effective in concentrating the gold and sulfide minerals of Walsh Lake deposit. Rougher flotation tests show gold recoveries ranging from 88% to 95% with mass pulls ranging from 14.5% to 23%.

 

1.10Mineral Resource Estimate

 

The Resource Estimate for the Courageous Lake Project deposits is summarized in Tables 1-1 and Table 1-2.

 

Table 1-1 summarizes the Courageous Lake deposit 2024 Mineral Resource Estimate (MRE) at various cut-offs with the base case cut-off highlighted. The base case cut-off is 0.80 g/t Au and covers the processing and general and administrative (G&A) costs. Table 1-2 summarizes the Walsh Lake total MRE with Table 14-3 summarizing the processing recoveries used for both Courageous and Walsh Lake, based on the Au grade.

 

The effective date of the Courageous Lake and Walsh Lake Resource Estimates is January 5, 2024. Mineral resources that are not mineral reserves do not have demonstrated economic viability; however, a reasonable prospect of eventual economic extraction pit has been used to confine the Resource Estimate using parameters detailed in the table notes.

 

  
Courageous Lake ProjectPage 4
Pre-feasibility Study and Preliminary Economic Assessment NI 43-101 Technical ReportJanuary 5, 2024
  

  

 

Table 1-1:2024 Mineral Resource Estimate for the Courageous Lake Deposit

 

Class Au Cutoff (g/t) Tonnage (ktonnes) Au Grade (g/t) Au Metal (koz)
0.5 6,976 2.532 568
  0.6 6,624 2.638 562
  0.7 6,341 2.726 556
  0.8 6,007 2.836 548
Measured 0.9 5,695 2.945 539
  1.0 5,424 3.045 531
  1.5 4,147 3.601 480
  2.0 3,231 4.129 429
  3.0 1,847 5.382 320
0.5 171,442 2.017 11,120
  0.6 160,352 2.119 10,924
  0.7 149,422 2.226 10,696
  0.8 139,167 2.335 10,449
Indicated 0.9 129,234 2.450 10,178
  1.0 120,140 2.563 9,901
  1.5 84,347 3.126 8,478
  2.0 58,963 3.726 7,063
  3.0 29,606 5.004 4,763
0.5 178,418 2.038 11,688
  0.6 166,976 2.139 11,486
  0.7 155,763 2.247 11,251
  0.8 145,174 2.356 10,997
Measured + 0.9 134,929 2.470 10,717
Indicated 1.0 125,564 2.584 10,432
  1.5 88,494 3.149 8,958
  2.0 62,194 3.747 7,492
  3.0 31,453 5.026 5,083
0.5 52,701 2.086 3,534
  0.6 47,836 2.242 3,448
  0.7 43,998 2.381 3,368
  0.8 40,603 2.517 3,286
Inferred 0.9 37,280 2.666 3,196
  1.0 34,638 2.797 3,115
  1.5 23,885 3.499 2,687
  2.0 16,494 4.286 2,273
  3.0 8,104 6.208 1,617

 

Notes to the 2024 Courageous Lake Resource Table: 

 

1.The Mineral Resource Estimate has been done by Sue Bird, P.Eng., the independent QP and are reported using the 2014 CIM Definition Standards and were estimated using the 2019 CIM Best Practices Guidelines, as required by NI 43-101.

2.The base case Mineral Resource has been confined by “reasonable prospects of eventual economic extraction” shape using the following assumptions: Metal prices is US$1400/oz Gold; Metallurgical recovery variable with Grade as summarized in Table 14-3; Offsite Costs (transport, smelter treatment and refining) are US$ 3.50/oz Au; Processing costs are US$24.21/tonne milled, General and Administrative (“G&A”) costs of US$ 14.08/ tonne milled; Mining cost of US$2.87/ tonne; and 50 degree pit slopes with the 150% price case pit shell used for the confining shape.

3.The resulting NSR = Au*US$ 44.90/g * Recovery%.

4.The specific gravity (sg) is 2.72 except for the diabase dykes which have an sg of 2.85 and the overburden with an sg of 2.0.

5.Numbers may not add due to rounding.

  
Courageous Lake ProjectPage 5
Pre-feasibility Study and Preliminary Economic Assessment NI 43-101 Technical ReportJanuary 5, 2024
  

  

 

Table 1-2:2024 Resource Statement for the Walsh Lake Deposit

 

Classification Au Cut-off (g/t) Tonnes (ktonnes) Au Grade (g/t) Au Metal (koz)
  0.5 5,081 3.514 574.1
  0.6 4,692 3.760 567.1
  0.7 4,366 3.992 560.4
  0.8 4,134 4.175 554.8
Inferred 0.9 3,910 4.364 548.6
  1.0 3,662 4.596 541.1
  1.5 2,909 5.468 511.4
  2.0 2,357 6.341 480.5
  3.0 1,668 7.935 425.5

 

Notes to the 2024 Walsh Lake Resource Tables: 

 

1. The Mineral Resource Estimates has been done by Sue Bird, P.Eng., the independent QP and are reported using the 2014 CIM Definition Standards and were estimated using the 2019 CIM Best Practices Guidelines, as required by NI43-101.
2. The base case Mineral Resource has been confined by “reasonable prospects of eventual economic extraction” shape using the following assumptions: Metal prices is US$1400/oz Gold; Metallurgical recovery variable with Grade as summarized in Table 14-4; Offsite Costs (transport, smelter treatment and refining) are US$3.50/oz Au; Processing costs are C$24.21/tonne milled, General and Administrative (“G&A”) costs of C$14.08/tonne milled; Mining cost of US$2.87/tonne; and 50 degree pit slopes with the 150% price case pit shell used for the confining shape.
3. The resulting NSR = Au*C$ 44.90/g * Recovery%.
4. The specific gravity is 2.90 in the metavolcanics and 2.84 in the metasediments.
5. Numbers may not add due to rounding.
6. The QP for the Mineral Resource estimate is not aware of any environmental, permitting, legal, title, taxation, socio-economic, marketing, political, or other relevant factors that could materially affect the Mineral Resource Estimate. Factors that may affect the estimates include: metal price assumptions, changes in interpretations of mineralization geometry and continuity of mineralization zones, changes to kriging assumptions, metallurgical recovery assumptions, operating cost assumptions, confidence in the modifying factors, including assumptions that surface rights to allow mining infrastructure to be constructed will be forthcoming, delays or other issues in reaching agreements with local or regulatory authorities and stakeholders, and changes in land tenure requirements or in permitting requirement.

 

1.11Mineral Reserve Estimate

 

Proven and Probable Mineral Reserves are summarized in Table 1-3 and match the production plan described in Section 16. The qualified person (QP) is not aware of any other risks, other than those identified in this report, that could materially affect the Mineral Reserve estimates.

 

  
Courageous Lake ProjectPage 6
Pre-feasibility Study and Preliminary Economic Assessment NI 43-101 Technical ReportJanuary 5, 2024
  

  

 

Table 1-3:Proven and Probable Reserves

 

Reserve Class Ore
(Mt)
Diluted Au Grade
(g/t)
Contained Gold
(Moz)
Proven 2.0 3.5 0.2
Probable 31.9 2.6 2.6
Proven + Probable 33.9 2.6 2.8

 

Notes:

 

1.The Mineral Reserve estimates were reviewed by Jesse Aarsen, P.Eng. (who is also the independent QP for these Mineral Reserve estimates), reported using the 2014 CIM Definition Standards and 2019 CIM Best Practices Guidelines, and have an effective date of January 5, 2024.
2.Mineral Reserves are based on the 2024 PFS open pit Life of Mine plan.
3.Mineral Reserves are mined tonnes and grade; the reference point is at the primary crusher and includes consideration for operational modifying factors.
4.Mineral reserves are reported at NSR cut-off grade C$49.66/tonne: metal prices of US$1,400/oz Au, at a currency exchange rate of US$0.77 per C$; Off-site costs (smelting, refining, transport, and insurance) doré terms are US$3.5/oz off-site costs (refining, transport and insurance), 100% Au payable; metallurgical recovery projections vary depending on metallurgical domain and metal grades and are based on metallurgical test work.
5.Mineral Reserves account for mining loss and dilution.
6.Mineral Reserves are a subset of the Measured and Indicated Mineral Resource.
7.Numbers have been rounded.

 

1.12Mining Methods

 

1.12.1Pit Optimization and Design

 

MMTS has produced a series of Lerchs-Grossman pit shell optimizations for the Courageous Lake deposit. The pit optimizations use mining, processing, general and administrative (G&A) costs, and process metal recoveries to generate a recommended ultimate economic pit limit.

 

The cut-off grade (COG) is determined using an estimated net smelter return (NSR) in C$/t, which is calculated using net smelter prices (NSP). The NSR (net of off-site charges and on-site mill recovery) is used as a cut-off item for break-even economic material selection. The NSP includes metal prices, US$ exchange rate, off-site transportation, and refining charges. The metal price used is $1,400 US$/oz and the assumed exchange is 0.77 US$:C$.

 

Permafrost exists in the area to a depth of 335 m below surface. As the project area is quite flat, the base of the permafrost zone is assumed to occur at 95 m elevation (above sea level), for the entire project. The PFS mining pits stay within the permafrost to minimize potential water inflow.

 

Detailed pit phases are developed from the results of the LG sensitivity analysis, which integrates the detailed pit slope criteria and high wall roads. The ultimate pit is divided into smaller mining phases, or pushbacks, to enable a low strip ratio starter pit and to allow for more even waste stripping during the optimized scheduling stage of the project design.

 

Slope designs have been completed in general accordance with the requirements for a Level 2: Pre-feasibility slope angle study as described in “Guidelines for Open Pit Slope Design” (Read and Stacey 2009) using geotechnical, hydrogeological, and permafrost investigations completed in 2006, 2010, 2011, and 2012.

 

  
Courageous Lake ProjectPage 7
Pre-feasibility Study and Preliminary Economic Assessment NI 43-101 Technical ReportJanuary 5, 2024
  

  

 

Mining loss and dilution is calculated using an analysis of each block and the surrounding blocks. This analysis is performed on 5-m blocks. The summary of losses and dilution is shown in Table 1-4.

 

Table 1-4: Mining Loss and Dilution for Courageous Lake

 

 

Parameter

Tonnes
(Mt)

 

Percentage
(%)

Au Grade
(g/t)
Losses 4.5 12 1.91
Dilution 2.9 8 0.89

 

After losses and dilution, the Mineral Reserves are summarized in Table 1-3.

 

1.12.2Mine Production and Layout

 

The PFS open pit is mined as a conventional truck and shovel operation. 12-m3 diesel hydraulic shovels are planned to load 90-t class autonomous trucks. Selective mining with smaller loading equipment on 5-m benches is used in the ore zones to reduce dilution and increase the head grade to the mill. Mill feed ramps up to a nominal 7,500 t/d by Year 2 in a 12.6 year mine life. The maximum mining rate peaks at 32 Mt/a. All phases in the PFS stay above the base of the permafrost zone.

 

Waste rock is stored in the co-placement storage facility (CPSF) that will act as the confinement for the tailings impoundments and must therefore be constructed to provide sufficient tailing storage volume within its footprint. The tailings impoundment will be in a series of paddocks. The summarized production schedule is shown in Figure 1-1.

 

Figure 1-1:Summarized Courageous Lake Mill Feed Production Schedule

 

 

Source: MMTS, 2023.

 

  
Courageous Lake ProjectPage 8
Pre-feasibility Study and Preliminary Economic Assessment NI 43-101 Technical ReportJanuary 5, 2024
  

  

 

1.12.3Pit Dimensions and Slope Design

 

Seabridge is proposing to mine ore from the Courageous Lake deposit using open pit mining methods to a maximum depth of 320-m below ground surface. There will be two smaller satellite pits located at the west crest (Phase 0 Pit) and south crest (Phase 99 Pit). General pit dimensions are shown in Table 1-5.

 

Table 1-5:General Pit Dimensions

 

Pit Length (North to South)
(m)
Width (East to West)
(m)
Maximum Depth
(m)
Pit Bottom Elevation
(masl)
Main PFS Pit 1,370 705 320 105
Phase 0 Pit 230 130 40 385
Phase 99 Pit 280 300 60 395

 

Standard truck and shovel equipment will be used to mine the pit. This PFS pit slope design study update (Tetra tech, 2023) is based on 10-m high operational benches with final bench heights of 20 m for rock slopes, while the maximum unbenched slope height in overburden should be restricted to 5 m. It is understood that 90-t trucks will be loaded with 12-m3 excavators.

 

The geotechnical, hydrogeological, and permafrost investigations completed in 2006, 2010, 2011, and 2012, and the subsequent pre-feasibility level rock slope designs completed in 2011 and 2024 have been completed in general accordance with the requirements for a Level 2: Pre-feasibility slope angle study as described in “Guidelines for Open Pit Slope Design” (Read and Stacey 2009).

 

Based on the available data the following pre-feasibility study level overburden and rock slope designs are recommended.

 

Table 1-6:Summary of 2024 Overburden Slope Design Recommendations

 

Slope Design Element Value
Maximum Unbenched Slope Height (m) 5
Minimum Catch Bench Width (m) 5
Maximum Bench Face Angle (degrees) 30
Overall Slope Angle (degrees) 22
Minimum Thermal Cover Thickness (m) 4
Minimum Toe Setback from Rock Slope Crest (m) 10

 

  
Courageous Lake ProjectPage 9
Pre-feasibility Study and Preliminary Economic Assessment NI 43-101 Technical ReportJanuary 5, 2024
  

  

 

Table 1-7:Summary of 2024 Pre-feasibility Pit Slope Design Recommendations

 

Wall Sector Azimuth

Slope Design Element

166° to 226°
South to
Southwest Wall

226° to 312° West
Wall and Tundra
Fault

312° to 012°
Northwest to
North Wall

012° to 066°

North to
Northeast Wall

066° to 166

East Wall

Bench Face Angle (BFA) Degrees 64 80 64 71 75
Final Bench Height (m) 20 20 20 20 20
Catch Bench Width (m) 12 10.7 12 10 10
Inter-Ramp Angle (IRA) 42.6 54.6 42.6 49.8 52.5

 

1.13Recovery Methods

 

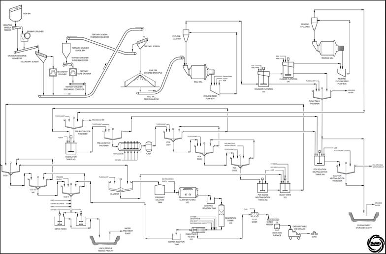
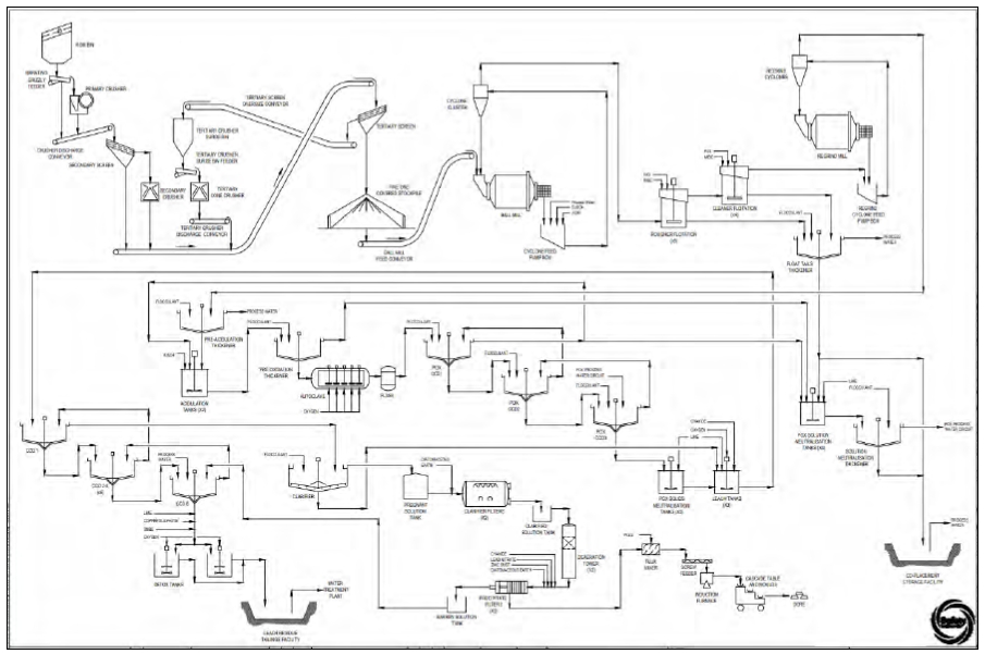
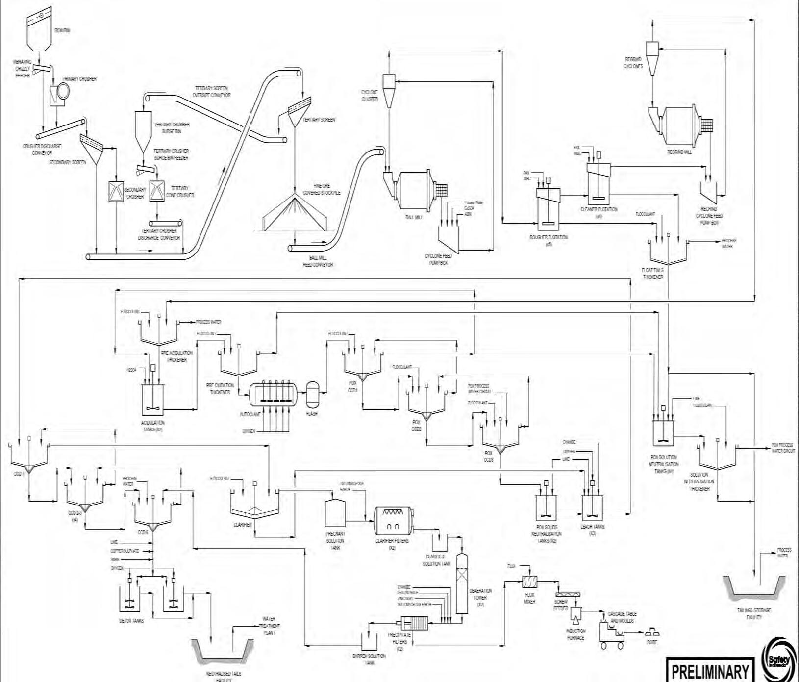
The selected flowsheet includes a three-stage crushing circuit with the crushed product reporting to the fine ore stockpile. Ore is reclaimed to a grinding circuit consisting of a ball mill circuit operating in closed circuit with a cyclone cluster. Ball mill overflow material reports to rougher flotation followed by cleaner flotation. In the cleaning circuit, the concentrate grades are upgraded prior to further size reduction in a regrind ball mill operating in closed circuit with a cyclone cluster. Cleaner tailings combine with rougher tailings for thickening before being discharged to the CPSF. Overflow from regrind cyclones undergoes acidulation and pre-oxidation stages followed by the pressure oxidation circuit that will effectively oxidize the concentrate. The oxidized slurry is leached with cyanide and then washed in six stages through a CCD circuit. Pregnant solution from the CCD is processed using a Merrill-Crowe treatment by adding zinc powder to precipitate gold and silver. The precious metals precipitate is smelted on site to produce gold-silver doré bars. Leach residue from the CCD circuit is neutralized and pumped to the leach residue tailings facility. The processing plant is designed for a throughput of 2.74 Mt/a with availability of 90%.

 

The simplified process flow diagram for the Courageous Lake Project is shown in Figure 1-2.

 

  
Courageous Lake ProjectPage 10
Pre-feasibility Study and Preliminary Economic Assessment NI 43-101 Technical ReportJanuary 5, 2024
  

  

 

Figure 1-2:Process Flowsheet

 

 

Source: Ausenco, 2023.

 

  
Courageous Lake ProjectPage 11
Pre-feasibility Study and Preliminary Economic Assessment NI 43-101 Technical ReportJanuary 5, 2024
  

  

 

1.14Project Infrastructure

 

1.14.1Site Access, Winter Spur Road & Tibbitt to Contwoyto Winter Road

 

The project site will be accessible via Courageous Lake Spur Winter Road (CLWR), connected to Tibbitt to Contwoyto Winter Road (TCWR), which is normally open from late January/early February until the end of March, each year.

 

The south to north road segments from Yellowknife to the Courageous Lake Project areas are as follows:

 

From Yellowknife it is 72 km on the Ingram Trail to the start of the TCWR at Tibbitt Lake Meadows Security Check-in at TCWR station 0 km.

 

From the 0 km station it is 170 km to the Lockhart Lake Maintenance Camp.

 

From the Lockhart Lake Camp it is 76 km to the turnoff to the CLWR to the Courageous Lake project.

 

From the CLWR turn off it is 26 km to the Courageous Lake project site.

 

The total length of winter road to the Courageous Lake Project is therefore 272 km from the Tibbitt Lake start. With the further 72 km on the all-season Ingram road it is 344 km from to the Courageous Lake Project to Yellowknife.

 

Although access to the Courageous Lake Project is based on the operation of the TCWR winter access road, the Government of the Northwest Territories (GNWT) is currently engaged in evaluating and preparing regulatory applications for the first segment of a potential all-season road (Slave Geological Province Corridor Project), from Yellowknife to Lockhart Lake Winter Road Camp, that would replace the winter road. This potential all-season road segment, should it be constructed, would improve access and reduce capital and operating costs for the Courageous Lake Project.

 

1.14.2Site Infrastructure

 

Infrastructure to support the Courageous Lake Project includes site civil works, site facilities/buildings, on-site roads, an aerodrome, a water management system, and site electrical power generation/distribution. Site facilities will include both mine facilities and process facilities as follows:

 

Mining facilities including the mine office and dry, truck shop, tire change facility, truck wash, explosives storage and manufacturing facility, diesel fuel storage and distribution, and coarse ore stockpile.

 

Processing facilities including the primary, secondary and tertiary crushing, run of mine (ROM) stockpile and reclaim conveyors, fine ore stockpile, process plant, office and laboratory, as well as plant maintenance building.

 

Mine waste and water management infrastructure including: co-placement storage facility, leach residue tailings facility, tailings distribution system, water reclaim system, downstream water management ponds, waste rock and overburden stockpiles.

 

Mine water treatment plant associated influent and discharge pipelines, and diffuser.

  

  
Courageous Lake ProjectPage 12
Pre-feasibility Study and Preliminary Economic Assessment NI 43-101 Technical ReportJanuary 5, 2024
  

  

 

General facilities including the camp, gatehouse, emergency response/ambulance bay, car wash, warehouse, laydowns, reagent cold storage, administration building, communications, emergency power diesel storage, power plant, site sewage system, solid waste landfill and fresh, process and potable water storage and distribution.

 

The processing plant will comprise several pre-engineered and stick built buildings in addition to a fabric stockpile cover.

  

From the start of the construction period, a temporary construction camp will be leased, requiring a total of 560 beds to accommodate all third-party personnel within the scope of work, including the Owner cost supervision team.

 

The Project requires a 204-bed accommodation facility to support operation staff. This camp will be installed at the beginning of construction to be used for construction personnel. The remaining 356 beds required will be covered through the temporary construction camp.

 

The overall site layout for the 2024 PFS is shown in Figure 1-3.

 

Figure 1-3:Courageous Lake PFS Site Layout

 

 

Source: Ausenco, 2023.

 

  
Courageous Lake ProjectPage 13
Pre-feasibility Study and Preliminary Economic Assessment NI 43-101 Technical ReportJanuary 5, 2024
  

  

 

1.14.3Site Power

 

1.14.3.1Electrical Power Demand and Supply

 

The plant’s electrical demand estimate, as used for the power supply estimates, is as shown below.

 

Annual plant energy consumption: 111 GWh.

 

Normal operating load: 13.6 MW.

 

Power factor: 0.87 lagging.

 

The diesel powerplant equipment selection for a minimum sized diesel powerplant to supply mine power will be comprised of seven (7) modular diesel gensets, 1800-rpm, each nominal 3.1-MW continuously rated (ancillary loads allowed for), 3-phase, 60-Hz, 13.8-kV, 0.8-PF leading, with water jacket and exhaust gas heat recovery, with indoor day tanks and local control panels plus networking and PLC automatic master control, with gensets mounted in double wide sound attenuated modules with fire detection, fire suppression and H&V for arctic conditions.

 

1.14.3.2Site Power Distribution

 

Power will be distributed across the site via 13.8 kV overhead lines originating from the plant’s 13.8 kV switchgear housed within the power plant electrical room.

 

The ball mill and oxygen plant drive systems will be supplied via cable circuits from the plant’s primary 13.8 kV switchgear. All other process and non-Process Plant loads will be powered via 4160 V and 600 V motor control centers (MCCs) housed within electrical rooms strategically located throughout the plant area. Power will be stepped down to 4.16 kV, 600 V, and 120/208 V distribution, as required via grounded pad-mounted and pole-mounted transformers.

 

1.14.4Co-placement Storage Facility (CPSF) and Leach Residue Tailings Facility (LRTF)

 

Waste management consists of the containment and long-term management of waste products developed during the life of mine (LOM) operations consisting of waste rock and tailings. A deposition method trade-off study was performed between various tailings disposal technologies for the two tailings streams: flotation and residue leach tailings from pressure oxidation circuit. Based on geochemical analysis the two tailing streams need to be stored in separate facilities since the flotation tailings are non-acid generating (NAG) and the residue leach tailings are potentially acid generating (PAG). Based on the abundant amount of waste rock generated, it was decided to co-place the flotation tailings with the waste rock in an unlined CPSF. The waste rock will be used to construct paddock cells to deposit slurry tailings. The advantages of the CPSF approach include the avoidance of a separate tailings dam for flotation tailings (along with the containment embankment and lined facility), the ability to progressively encapsulate the tailings throughout the mine life, reduced capital costs by avoiding the installation of a costly filtration plant and reduced the operational cost and environmental footprint of transport and deposition (no need for diesel-powered dump trucks and compactors). Free water will drain through the cells and report to an underdrain where the decant water will flow to small-lined ponds located around the footprint of this facility. Water will either be pumped from these ponds back to the process plant or discharge into the larger collection ponds located at the north side of this facility. The CPSF design has a capacity to store 29.7 Mt of flotation tailings and 268.1 Mt of waste rock.

 

  
Courageous Lake ProjectPage 14
Pre-feasibility Study and Preliminary Economic Assessment NI 43-101 Technical ReportJanuary 5, 2024
  

  

 

The leach residue tailings are PAG and contain constituents of concern. Therefore, the leach residue tailings facility (LRTF) is a fully geomembrane lined facility to prevent excessive seepage into the surrounding environment. Due to the flat terrain, a ring-dike construction is required to contain the tailings. The embankment will be a waste rock dam where the interior slope of the embankment will be covered by geomembrane liner, low permeability soil liner, and a filter layer overlying the waste rock. The interior bottom of the facility will consist of prepared subgrade and a geomembrane liner. The LRTF currently has capacity for 1.1 Mt. This facility also has significant expansion capability should the life of mine plan be extended.

 

1.14.5Water Management

 

The objective of surface water management is to protect groundwater and surface water resources. A site-wide management strategy, encompassing the design of water management structures, hydrology considerations, and a site-wide water balance was developed for the site. The review and interpretation of existing climate data, encompassing factors such as precipitation, snowfall, and evaporation, are crucial for accurately estimating water balance and designing effective water management structures. Surface water runoff that comes into contact with disturbed areas will be managed prior to being released to the surrounding environment. Runoff from disturbed areas will be collected in gravity ditches and conveyed to ponds. Diversions will capture non-contact water away from facilities and direct it to their natural discharge location.

 

1.14.6Water Treatment

 

Mine contact water from the open pit, waste rock and tailings management area and residual processing water will be collected in the west or south satellite pits and pumped from there to the mine water treatment plant (ferric co-precipitation and nitrogen nutrient removal using moving bed bioreactors) where parameters such as arsenic, nitrate, and ammonia will be removed. Treated effluent will be pumped from the plant to Courageous Lake where it will be discharged through a diffuser. Clean water from an undeveloped catchment to the east of the project area will be diverted away from the waste rock and tailings management facility and directed towards Courageous Lake. Fresh water for processing of ore will be sourced from Courageous Lake.

 

1.15Market Studies and Contracts

 

Project economics were estimated based on a long-term gold price of US$1,850/oz which is in accordance with consensus market forecasts from various financial institutions and are consistent with historic prices for this commodity.

 

No market studies or product valuations were completed as part of the 2024 PFS. Market price assumptions are based on a review of public information, industry consensus, standard practices, and specific information from comparable operations in the region. The following estimations were used for project economic analysis: 99.8% payable Au, C$5.0/oz Au transportation and refining cost, and 0.15% transportation insurance cost.

 

  
Courageous Lake ProjectPage 15
Pre-feasibility Study and Preliminary Economic Assessment NI 43-101 Technical ReportJanuary 5, 2024
  

  

 

1.16Environmental, Permitting and Social Considerations

 

1.16.1Environmental Considerations

 

Seabridge currently maintains one Class A land use permit, two Type B water licenses and a surface lease in good standing as well as several other ancillary permits that enable exploration activities to occur on the Project. Advancement of the Courageous Lake Project will require approval of the Project at senior federal and territorial government levels prior to the commencement of construction and operations, including approval of the mine closure and reclamation plan. The environmental assessment and permitting requirements are well-established for mining projects in the Northwest Territories and will follow the requirements of the Mackenzie Valley Resource Management Act. The Mackenzie Valley Environmental Impact Review Board manages the environmental assessment under the Mackenzie Valley Resource Management Act (MVRMA S.C. 1998, c. 25). The formal assessment of the Project begins with preliminary screening conducted by the Mackenzie Valley Land and Water Board (MVLWB), after which the Project is referred to the Mackenzie Valley Environmental Impact Review Board (MVEIRB) set up under the MVRMA, an independent body set up under the MVRB to conduct environmental assessments of projects.

 

Seabridge initiated environmental baseline studies at the site by EBA Consultants in 2004 and carried out expanded baseline and monitoring programs through Rescan in 2010 – 2012. Limited baseline data collection continues by ERM Consultants to present. Seabridge and its team engage with regulatory agencies, regional, municipal, and Indigenous governments, Treaty Nations, and Indigenous peoples as part of their effort to develop understanding and support for the Project.

 

1.16.2Closure and Reclamation Considerations

 

A detailed mine closure and reclamation plan will, outline the mine decommissioning process and components, post-closure land use objectives, and methods to achieve and monitor the objectives developed for the Project. The post-closure land use plan objectives and strategies, along with criteria for informing achievement of success, will be developed as a component of the environment assessment process. Closure and reclamation liability costs and a financial security estimate will conform to the Northwest Territories’ policy guidance.

 

The mine plan will be designed with closure and reclamation considerations. Design and layout of water management structures, salvage, and stockpiling of soils and overburden for closure covers, incorporation of wildlife corridors, fish habitat offsetting, and long-term effects of climate change trends will all be addressed.

 

Treatment of contact water is expected to be required for up to ten years after the end of operations. The need to treat water is primarily determined by the extent of permafrost intrusion into the waste rock and tailings masses. Once frozen, seepage of contact water from these areas will be minimal or negligible and at that time water treatment can be discontinued.

 

In the closure transition period (up to 10 years), water treatment will be limited to the open water period (May to October) each year when surface water is flowing. The annual treatment campaign will rely on the same treatment process that was used during the operations phase.

 

  
Courageous Lake ProjectPage 16
Pre-feasibility Study and Preliminary Economic Assessment NI 43-101 Technical ReportJanuary 5, 2024
  

  

  

The CPSF is constructed at the natural angle of repose for the waste rock lifts, with set-backs this is configured to the overall closure slope angle reduce land forming of the CPSF at closure, prior to placement of overburden cover. Tailings are covered with NAG mine rock. Revegetation with native species will occur for restored ecosites.

 

Roads, totalling 9 km in length, and pipelines totalling 14 km in length will be decommissioned when no longer required, the linear corridor land de-compacted, natural hydrology restored, and covered or re-vegetated with native species. Care will be taken to ensure that no former linear corridors impose barriers to caribou migration.

 

Infrastructure, materials, used chemicals and equipment no longer required, will be decommissioned and removed from site at mine closure, unless specifically required to support the post-closure management and monitoring activities.

 

Water management systems are designed to ensure that any release of contact mine water meets standards for discharge to receiving environments and a post-closure monitoring program will be implemented and reported on in compliance with permits issued for the site.

 

When the mine achieves all mine closure and reclamation objectives and criteria for success as confirmed by regulatory authorities, the mine would apply to be indemnified of environmental liabilities and any remaining posted environmental financial securities returned.

 

1.16.3Permitting Considerations

 

A license, permit, or other authorization required for constructing and operating the Project and off-site infrastructure may not be issued under any federal or territorial law unless the requirements of MVRMA have been complied with in relation to the development. Once a project has received federal ministerial approval under the process managed by MVEIRB, it is referred to the MVLWB for processing of the original license and/or permit applications that triggered the environmental assessment. Permitting by other agencies may also proceed.

 

1.16.4Social Considerations

 

Seabridge will strive to establish collaborative and cooperative relationships with relevant Treaty, First Nations, and Métis people (as identified by the Crown), other communities, and interested stakeholders. Seabridge recognizes that its social license to operate is dependent on being a good corporate citizen and neighbor to all groups with interests in the region. Seabridge further recognizes that Indigenous groups maintain a strong stake in both cultural and economic activity in the NWT and are closely involved in the regulation and permitting activities. Seabridge documents aspects of its engagement efforts and activities.

 

Seabridge is committed to a process that ensures:

  

communities benefit from employment, training, and contracting opportunities;

 

potential environmental impacts are mitigated;

 

social concerns are accommodated in project design and management through best efforts; and

  

  
Courageous Lake ProjectPage 17
Pre-feasibility Study and Preliminary Economic Assessment NI 43-101 Technical ReportJanuary 5, 2024
  

  

 

commitments are respected and enacted upon.

 

1.17Capital and Operating Cost

 

1.17.1Capital Cost Estimate

 

The capital and operating cost estimates conform to Class 4 guidelines for a PFS-level estimate with a -20%/ +25% accuracy according to AACE International. Both estimates were developed in Q4 2023 C$ based on the proposed design for the Project, with input data from budgetary quotations for equipment, service contracts, and construction contracts; as well as Ausenco’s in-house database of similar projects and studies, which includes experience from similar operations. Pricing has been converted to US$ for use in financial analyses and publication within this report using the C$ to US$ exchange rate of 0.74.

 

The estimate includes mining, processing, on-site infrastructure, tailings and waste rock facilities, off-site infrastructure, project indirect costs, project delivery, owner’s costs, and contingency. The total capital cost summary is presented in Table 1-8. The total initial capital cost for the Courageous Lake Project is US$747 M and LOM sustaining costs are US$293 M. Closure costs are estimated at US$72 M, with salvage credits of US$ 19 M.

 

Table 1-8:Summary of Total Capital Costs

 

WBS Description

Initial
(US$M)

Sustaining
(US$M)
Total Cost
(US$M)
Mining 89 156 245
Process Plant 204 48 252
Tailings Facility 35 21 56
On-Site Infrastructure 98 11 109
Off-Site Infrastructure 45 37 82
Subtotal Direct Costs 471 273 744
Project Indirects 146 6 153
Owner’s Costs 25 - 25
Contingency 105 13 118
Project Total 747 293 1040

 

Note: Values may not sum due to rounding.

 

1.17.2Operating Cost Estimate

 

Operating costs include the ongoing cost of operations related to mining, processing, tailings co-disposal, general administration activities and water treatment costs. The estimates provided in Table 1-9 and Table 1-10 are based on a combination of first-principal calculations, experience, vendor quotes, reference projects and factors appropriate for a PFS level of study.

 

  
Courageous Lake ProjectPage 18
Pre-feasibility Study and Preliminary Economic Assessment NI 43-101 Technical ReportJanuary 5, 2024
  

  

 

Table 1-9:Operating Cost Summary LOM Average (C$)

 

Overall Site OPEX Annual LOM
(C$M/a)
Per Tonne Milled LOM
(C$/t milled)
TOTAL LOM
(C$M)
Mining 92.2 34.3 1,162
Processing 97.6 36.4 1,231
G&A 28.3 10.7 363
Water Treatment 2.8 1.1 53
Total 220.9 82.5 2,810

 

Note: Values may not sum due to rounding.

 

Table 1-10:Operating Cost Summary LOM Average (US$)

 

Overall Site OPEX Annual LOM
(US$M/a)
Per Tonne Milled LOM
(US$/t milled)
TOTAL LOM
(US$M)
Mining 68.2 25.4 860
Processing 72.2 26.9 911
G&A 20.9 7.9 269
Water Treatment 2.1 0.8 39
Total 163.5 61.0 2,079

 

Note: Values may not sum due to rounding.

 

1.18Economic Analysis

 

1.18.1Economic Summary

 

The economic analysis was performed assuming a 5% discount rate. On a post-tax basis, the NPV discounted at 5% is US$523M, the internal rate of return (IRR) is 20.6%, and the payback period is 2.8 years. A summary of project economics is tabulated in Table 1-11.

 

  
Courageous Lake ProjectPage 19
Pre-feasibility Study and Preliminary Economic Assessment NI 43-101 Technical ReportJanuary 5, 2024
  

  

 

Table 1-11:Economic Analysis Summary Table

 

Description Units LOM Total / Avg.
Gold Price US$/oz 1,850
FX Rate C$:US$ 0.74
Mine Life Years 12.6
Total Mill Feed Mt 33.9
Total Waste Mined Mt 257
Production Units LOM Total / Avg.
Mill Feed Grade – Au g/t 2.61
Total Metal Content – Au Koz 2,847
Metal Recovery Rate – Au % 89.3
Total Production – Au koz 2,541
Average Annual Production - Au koz/a 213
Total Payable Metal – Au koz 2,536
Average Annual Production – Au koz/a 201
Operating Costs Units LOM Total / Avg.
Mining Cost US$/t mined 3.2
Mining Cost US$/t milled 25.4
Processing Cost US$/t milled 26.9
G&A Cost US$/t milled 7.9
Water Treatment Cost US$/t milled 0.8
Total Operating Cost (Excl. Closure Bonding) US$/t milled 61
Closure Bond Premium US$/t milled 0.5
C1 Cash Costs* US$/oz Au 863
C3 Cash Costs (AISC)** US$/oz Au 999
Capital Costs Units LOM Total / Avg.
Initial Capital Cost US$M 747
Sustaining Capital US$M 293
Salvage Credit US$M 19.4
Closure Costs US$M 72
Economic Outcomes Units Pre-Tax Post-Tax
NPV (5%) US$M 843 523
IRR % 27.1 20.6
Payback Years 2.2 2.8

 

*Cash Costs consist of mining costs, processing costs, mine-level G&A, closure bond premiums, off-site charges, and royalties.
**All-In Sustaining Costs includes cash costs plus sustaining capital, closure costs, and salvage credits.

 

1.18.2Sensitivity Analysis

 

A sensitivity analysis was conducted on the base case post-tax NPV and IRR of the Project using the following variables: metal price, discount rate, total operating cost, and initial capital cost. The results are presented in detail in Section 22.5.

 

  
Courageous Lake ProjectPage 20
Pre-feasibility Study and Preliminary Economic Assessment NI 43-101 Technical ReportJanuary 5, 2024
  

  

 

Table 1-12 shows a summary of the post-tax sensitivity to gold price.

 

Table 1-12:Economic Sensitivity to Gold Price

 

Scenario Units Lower Case Base Case Spot Case
(Dec. 3, 2023)
High Case
Gold Price US$/oz 1,750 1,850 2,130 2,500
Post Tax NPV (5% Discount Rate) US$M 410 523 836 1,134
Post-Tax IRR % 17.5 20.6 28.5 38.2

 

1.192024 Preliminary Economic Assessment

 

1.19.1Introduction

 

The PEA is a standalone mine plan that has been undertaken to evaluate a conceptual expansion of the open pit below the base of the permafrost after the PFS has been completely mined out. The Mineral Resources used in the 2024 PEA mine plan are exclusive of the pits mined out in the 2024 PFS plan and the associated Mineral Reserves or Mineral Resources inside of the 2024 PFS pits.

 

The PEA is preliminary in nature and includes Inferred Mineral Resources that are considered too speculative geologically to have the economic considerations applied to them that would enable them to be categorized as Mineral Reserves, and there is no certainty that the results of the PEA will be realized. Mineral Resources in the PEA mine plan are not Mineral Reserves and do not have demonstrated economic viability.

 

1.19.2Mining Methods

 

The PEA utilizes Measured, Indicated, and Inferred Mineral Resources in mine planning. The PEA open pit mining is a conventional truck-shovel operation which utilizes 227-t class autonomous trucks loaded by 22-m3 diesel hydraulic shovels. Selective mining with smaller loading equipment on 5-m benches is used in the mineralization zones to reduce dilution and increase the head grade to the mill.

 

1.19.3Mine Production Plan

 

The mill throughput is planned as 7,500 t/d and the total PEA mill feed is 43.5 Mt. Figure 1-4 shows the mill feed tonnes and grades in the PEA mine plan.

 

  
Courageous Lake ProjectPage 21
Pre-feasibility Study and Preliminary Economic Assessment NI 43-101 Technical ReportJanuary 5, 2024
  

  

 

Figure 1-4:Courageous Lake Mill Feed Production Schedule

 

Source: MMTS, 2023.

 

1.19.4Recovery Methods

 

Based on the available information, the process flowsheet developed for the Courageous Lake mineralization is considered appropriate for the 2024 PEA.

 

The metallurgical performance parameters for Courageous Lake deposit are projected based on the metallurgical test results obtained from various test programs that are summarized in the metallurgical test work section.

 

The plant is designed for a throughput of 7,500 t/d with availability of 90%. The crusher plant circuit design is set at 65% availability and the gold room availability is set at 52 weeks per year.

 

The proposed plant includes a three-stage crushing circuit followed by a grinding circuit consisting of a ball mill circuit operating in closed circuit with a cyclone cluster. Ball mill cyclone overflow material reports to a flotation circuit consisting of rougher and cleaner flotation circuits. In the cleaning circuit, the concentrate is upgraded prior to further size reduction in a regrind ball mill operating in closed circuit with a cyclone cluster. Cleaner tailings combine with rougher tailings for thickening before being discharged to the co-placement storage facility (CPSF). Overflow from regrind cyclones undergoes acidulation and pre-oxidation stages prior to the pressure oxidation circuit. The oxidized slurry is leached and then washed in six-stages through a CCD circuit. The resulting pregnant solution will be processed using a Merrill-Crowe treatment by adding zinc powder to precipitate gold and silver. The precious metals precipitate will be smelted on site to produce gold-silver doré bars.

 

  
Courageous Lake ProjectPage 22
Pre-feasibility Study and Preliminary Economic Assessment NI 43-101 Technical ReportJanuary 5, 2024
  

  

 

1.19.52024 PEA Capital and Operating Costs

 

The total initial capital cost for the 2024 PEA is US$529 M and LOM sustaining costs are US$450 M. Closure costs are estimated at US$72 M.

 

The total operating costs for the 2024 PEA is US$83/t milled.

 

1.19.62024 PEA Economic Analysis

 

Readers are cautioned that the PEA is preliminary in nature. It includes inferred mineral resources that are considered too speculative geologically to have the economic considerations applied to them that would enable them to be categorized as mineral reserves, and there is no certainty that the PEA will be realized.

 

The economic analysis was performed assuming a 5% discount rate discounted to the start of PFS construction. On a post-tax basis, the NPV discounted to the start of the PFS mine at 5% is US$104M. The total mill feed is 43.5 Mt with a mill feed grade of 2.62 g/t. The total gold recovered is 3,267 koz.

 

Table 1-13:2024 PEA Economic Sensitivity to Gold Price and Discount Rate

 

Scenario Units Lower Case Base Case Spot Case
(Dec. 3, 2023)
High Case
Gold Price US$/oz 1,750 1,850 2,130 2,500
NPV (5% Discount Rate) US$M 23 104 324 604
IRR* % 5.6 7.8 14.2 22.3

 

*Discounted to start of 2024 PFS mine construction.

 

1.20Conclusions and Interpretations

 

The Proven and Probable mineral reserves for 2024 PFS the Courageous Lake Project are estimated at 33.9 Mt ore with 2.8 Moz contained gold producing 2.5 Moz of gold at an average of 201,000 oz/a.

 

Based on the assumptions and parameters presented in this report, the 2024 PFS shows positive economics (i.e. US$523 M post-tax NPV5% and 20.6% post-tax IRR). The pre-feasibility study supports a decision to advance the project to the feasibility stage of development.

 

The standalone 2024 PEA demonstrates the potential ability for the Courageous Lake Project mine plan to expand below the base of the permafrost after the 2024 PFS plan has been completed, thus demonstrating asset longevity. The PEA is preliminary in nature and includes Inferred Mineral Resources that are considered too speculative geologically to have the economic considerations applied to them that would enable them to be categorized as Mineral Reserves, and there is no certainty that the results of the PEA will be realized. Mineral Resources in the PEA mine plan are not Mineral Reserves and do not have demonstrated economic viability.

 

  
Courageous Lake ProjectPage 23
Pre-feasibility Study and Preliminary Economic Assessment NI 43-101 Technical ReportJanuary 5, 2024
  

  

 

1.21Recommendations

 

The Courageous Lake Project demonstrates positive economics, shown by the results presented in this technical report. Continuing to develop the project through to feasibility study is recommended. Table 1-14 summarizes the proposed budget to advance the project through the feasibility stage.

 

Table 1-14:Recommended Work Program

 

Program Component Estimated Total Cost (US$M)
Drillhole Database QA/QC 0.20
Exploration / Drilling 11.00
Metallurgical Testing 0.50
Mining Methods 0.15
Mining Geotechnical 0.94
Process and infrastructure engineering 1.50
Site Geotechnical Studies 0.52
Co-placement Storage Facility and Leach Residue Tailings Facility 0.18
Water Treatment 0.13
Environmental Studies 0.32
Total 15.44

 

  
Courageous Lake ProjectPage 24
Pre-feasibility Study and Preliminary Economic Assessment NI 43-101 Technical ReportJanuary 5, 2024
  

  

 

2INTRODUCTION

 

2.1Introduction

 

Seabridge Gold Inc. (Seabridge) commissioned Ausenco Engineering Canada ULC. and Ausenco Sustainability ULC. (collectively Ausenco) to compile a PFS (2024 PFS) of the Courageous Lake Project (the Project). The 2024 PFS has been prepared in accordance with the Canadian disclosure requirements of National Instrument 43-101 (NI 43-101) and in accordance with the requirements of Form 43-101 F1. Additionally, a separate Preliminary Economic Assessment (2024 PEA) has been conducted to assess a conceptual layback of the mine within the Courageous Lake deposit after the completion of the 2024 PFS mine plan. It is important to note that none of the Mineral Resources included in the 2024 PEA mine plan have been utilized in the 2024 PFS mine plan.

 

The responsibilities of the engineering companies contracted by Seabridge to prepare this report are as follows:

 

Ausenco managed and coordinated the development of this report, developed PFS-level designs for the process plant, tailings facilities and general on-site infrastructure, developed the consolidated cost estimates, and prepared the economic analysis.

 

Moose Mountain Technical Services Ltd. (MMTS) developed the mineral Resource Estimate and designed the open pit mine, mine production schedule, and mine capital and operating costs. In addition, MMTS completed the work related to property description, accessibility, local resources, geological setting, deposit type, exploration work, drilling, sample preparation and analysis, and data verification.

 

ERM Consultants Canada Ltd. (ERM) conducted a review of the environmental studies and permitting information.

 

SRK Consulting (Canada) Inc. (SRK) prepared the design and cost estimate for the water treatment plant.

 

WN Brazier Associates Inc. (WN Brazier) designed the site power generation facilities and cost estimates.

 

Tetra Tech Canada Inc. (Tetra Tech). prepared the open pit and overburden slope designs and stability assessments, completed a gap analysis and conformance review of the previous PFS-level open pit slope designs completed in 2011, and provided an updated airstrip scope from earlier recommendations offered in the 2012 PFS (including material take-offs used for the cost estimate).

 

2.2Terms of Reference

 

The report supports disclosures by Seabridge in a news release dated January 16, 2024 titled, “Seabridge Gold's Updated PFS for Courageous Lake Confirms Significantly Improved Project.”

 

2.3Qualified Persons

 

The qualified persons (QPs) for this technical report and the report sections for which each QP is responsible are listed in Table 2-1. By virtue of their education, experience, professional association membership, and independence from Seabridge, each is considered a QP as defined by NI 43-101.

 

  
Courageous Lake ProjectPage 25
Pre-feasibility Study and Preliminary Economic Assessment NI 43-101 Technical ReportJanuary 5, 2024
  

  

 

Table 2-1:Report Contributors

 

Qualified Person Professional Designation Position Employer Independent of Seabridge Report Section
Kevin Murray P. Eng. Manager, Process Engineering Ausenco Engineering Canada ULC. Yes 1.1, 1.9, 1.13, 1.14.2, 1.14.3.2, 1.15, 1.17-18, 1.19.1, 1.19.4-6, 1.20-21, 2.1-3, 2.4.1, 2.5, 2.6.1,2.6.3, 2.7, 3.1, 3.4, 13, 17, 18.1-2, 18.3.4-6, 18.4.3-4, 18.5, 18.6.2-4, 19, 21.1, 21.2.1-2, 21.2.4-5 (except 21.2.5.4.1), 21.2.6.1-2, 21.2.6.4, 21.2.7-10, 21.3.1-2, 21.3.4-5, 22, 24.1.1, 24.1.4, 24.1.5.1, 24.1.5.3.2-3, 24.1.6, 24.1.8-9, 25.1.1, 25.1.5, 25.1.8, 25.1.9.1-2, 25.1.9.3.2, 25.1.11-13, 25.2.1, 25.2.3, 25.2.4.1, 25.2.5, 25.3.1.1, 25.3.1.4, 25.3.1.6.1, 25.3.2.3, 26.1, 26.4, 26.6, 27
Jonathan Cooper P. Eng. Water Resources Engineer Ausenco Sustainability ULC. Yes 1.14.5, 18.9, 25.1.9.5, 27
Aleksandar Spasojevic P. Eng. Geotechnical Practice Lead Ausenco Sustainability ULC. Yes 1.14.4, 2.4.2, 18.7, 24.1.5.2, 25.1.9.4, 25.2.4.2, 25.3.1.6.3-4, 25.3.2.4.3, 25.4.1.2.1-2, 25.4.2.2, 26.7-8, 27
Allan George Strandberg P. Eng. Senior Arctic Engineer Ausenco Sustainability Canada ULC. Yes 1.14.1, 18.3.1-2, 27
Harold Rolf Schmitt P. Geo. Technical Director, Permitting ERM Consultants Canada Ltd. Yes 1.16, 2.4.3, 3.3, 20, 24.1.7, 25.1.10, 25.3.1.5, 25.3.2.5, 25.4.1.3, 25.4.2.3, 26.10, 27
Sue Bird P. Eng. Principal and VP, Resources Moose Mountain Technical Services Ltd. Yes 1.2-8, 1.10, 2.4.5, 3.2, 4-12, 14, 23, 25.1.2-4, 25.1.6, 25.3.1.2, 25.3.2.1, 26.2-3, 27
Jesse J. Aarsen P. Eng. President & Principal, Mine Engineering Moose Mountain Technical Services Ltd. Yes 1.11, 1.12.1-2, 1.19.2-3, 2.4.4, 15, 16.10-23, 18.6.1, 21.2.3, 21.3.3, 24.1.2, 24.1.3.1-12, 24.1.3.14, 25.1.7, 25.2.2, 25.3.1.3.1, 25.3.2.2.1, 25.4.1.1, 25.4.2.1.1, 26.5.1, 27
Walter Neil Brazier P. Eng. Owner WN Brazier Associates Inc. Yes 1.14.3.1, 2.4.6, 18.4.1-2, 21.2.6.3, 24.1.5.3.1, 25.1.9.3.1, 25.3.2.4.1, 27
Hassan Ghaffari P. Eng. Director of Metallurgy Tetra Tech Canada Inc. Yes 18.3.3, 27
Cameron Clayton P. Eng.
P. Geo.
Principal Rock Mechanics Engineer Tetra Tech Canada Inc. Yes 1.12.3, 2.4.7, 2.6.2, 16.1-16.9, 18.8, 24.1.3.13, 25.3.1.3.2, 25.3.2.2.2, 25.4.1.2, 25.4.2.1.2, 26.5.2, 27
Sorensen Jensen P. Eng. Principal Consultant, Environmental Engineering SRK Consulting (Canada) Inc. Yes 1.14.6, 18.10, 21.2.5.4.1, 21.3.6, 24.1.5.4, 25.1.9.6, 25.3.1.6.2, 25.3.2.4.2, 26.9, 27

 

  
Courageous Lake ProjectPage 26
Pre-feasibility Study and Preliminary Economic Assessment NI 43-101 Technical ReportJanuary 5, 2024
  

  

 

2.4Site Visits and Scope of Personal Inspection

 

2.4.1Site Visits Summary

 

A summary of the site visits completed by the QPs is presented in Table 2-2.

 

Table 2-2:Site Visits

 

Qualified Person Date of Site Visit(s)
Aleksandar Spasojevic June 21, 2023
Harold Rolf Schmitt July 4, 2019
June 21, 2023
Jesse Aarsen June 21, 2023
Sue Bird June 21, 2023
Neil Brazier August 24, 2010,
August 21-28, 2012,
August 11-13, 2013,
October 28-30, 2013,
June 6-12, 2014,
August 10-11 & 14-15, 2015,
July 25-28, 2016,
August 10-12, 2017,
July 3-5, 2018
Cameron Clayton July 13-16 & 20-23, 2010

 

2.4.2Site Inspection by Aleksandar Spasojevic, P. Eng.

 

Aleksandar Spasojevic visited the site on June 21, 2023. Activities during the site visit included the following:

 

reviewing site geotechnical parameters; and

 

visiting the proposed paddock, BIOX and plant site locations.

 

2.4.3Site Inspection by Harold Rolf Schmitt, P. Geo.

 

Harold Rolf Schmitt visited the site twice, most recently on June 21, 2023. Activities during the site visit included the following:

 

A field visit to proposed major component areas including open pit, tailing storage facility, stockpiles;

 

Accompanying and discussions with mining engineering and geotechnical engineering specialists on site;

 

observing wildlife (caribou, moose, muskox), Matthews Creek fish habitat, and meteorological station; and

 

observing existing workings (Peggy’s Pit).

 

  
Courageous Lake ProjectPage 27
Pre-feasibility Study and Preliminary Economic Assessment NI 43-101 Technical ReportJanuary 5, 2024
  

  

 

2.4.4Site Inspection by Jesse Aarsen, P. Eng.

 

Jesse Arsen visited the site on June 21, 2023. Activities during the site visit included inspecting the following:

 

pit and dump footprint areas;

 

Matthews creek inlet and potential diversion alignment;

 

Airstrip and access road between the airstrip and the mining area;

 

old shaft location;

 

existing workings (Peggy’s Pit).

 

2.4.5Site Inspection by Sue Bird, P. Eng.

 

Sue Bird visited the site on June 21, 2023. Activities during the site visit included the following:

 

verifying several drillhole locations in the Courageous Lake and Walsh Lake deposit areas;

 

examining core from each deposit with the Seabridge geologist and getting an overview of site geology;

 

visiting the camp, the old shaft location and the location of existing workings (Peggy’s Pit).

 

2.4.6Site Inspection by Neil Brazier, P. Eng.

 

Neil Brazier has visited the site on multiple occasions, most recently on July 3-5, 2018. Activities during the site visits included:

 

general site inspections;

 

wind resource tower inspection and maintenance;

 

potential wind farm siting;

 

10-kW wind test turbine siting and installation;

 

camp maintenance; and

 

test wind turbine maintenance.

 

2.4.7Site Inspection by Cameron Clayton, P. Eng., P. Geo.

 

Cameron Clayton completed a personal inspection of the Property from July 13 to July 16, 2010, and from July 20 to July 23, 2010. Activities during the site visits included the following:

 

developing, directing, supervising, and reviewing the geotechnical core logging and core orientation, collecting core samples for laboratory strength testing being carried out by Golder personnel under his direct supervision and training in 2010, 2011 and 2012 to support pre-feasibility level pit slope design.

 

  
Courageous Lake ProjectPage 28
Pre-feasibility Study and Preliminary Economic Assessment NI 43-101 Technical ReportJanuary 5, 2024
  

  

 

planning the ground temperature cable (GTC) installations, electrical conductivity probe installations, and vibrating wire piezometer installations completed by Golder in 2010 and 2011.

 

reviewing drill core from boreholes designated for geotechnical logging to assess the rock mass quality for use in the open pit design.

 

Completing a site visit to Peggy’s Pit for the purpose of surface geotechnical and structural geological mapping to compare structural orientations with those obtained from oriented drill core.

 

recording additional resistivity data in 2010 from the historical GTCs installed at the site for the purpose of updating the geothermal profiles.

 

2.5Effective Dates

 

This technical report has three significant dates, as follows:

 

Courageous Lake Project Mineral Resource Estimate: January 5, 2024.

 

Courageous Lake Project Mineral Reserve Estimate: January 5, 2024.

 

Financial analysis: January 5, 2024.

 

The effective date of this PFS report is based on the date of the financial analysis, which is January 5, 2024.

 

2.6Information Sources and References

 

2.6.1Overview

 

This technical report is based on internal company reports, maps, published government reports, and public information as listed in Section 27 along with information cited in Section 3.

 

The authors are not experts with respect to legal, socio-economic, land title, or political issues, and are therefore not qualified to comment on issues related to the status of permitting, legal agreements, and royalties. Information related to these matters has been provided directly by Seabridge and includes, without limitation, validity of mineral tenure, status of environmental and other liabilities, and permitting to allow completion of environmental assessment work.

 

2.6.2Conformance Review and Gap Assessment of Golder 2011 Pre-feasibility Level Pit Slope Design Criteria

 

Tetra Tech completed a conformance review and gap assessment of the Golder 2011 pre-feasibility level pit slope design technical report (Tetra Tech, 2023a). The objective of the review was to evaluate the previous pit slope design technical study and report completed by Golder (2011a) for conformance with current industry practices and guidelines for the development of pre-feasibility level pit slope design criteria. The review concluded that the previous pit slope design report generally complied with current industry practices and guidelines. Gaps and data deficiencies to be addressed during future engineering design studies were identified.

 

  
Courageous Lake ProjectPage 29
Pre-feasibility Study and Preliminary Economic Assessment NI 43-101 Technical ReportJanuary 5, 2024
  

  

 

2.6.3Previous Technical Reports

 

The Courageous Lake Project has been the subject of previous technical reports, as summarized in Table 2-3.

 

Table 2-3:Summary of Previous Technical Reports

 

Reference Company Technical Report
Wardrop Engineering Inc., 2008 Seabridge Courageous Lake Preliminary Economic Assessment
Wardrop Engineering Inc., 2011 Seabridge Courageous Lake Updated Preliminary Economic Assessment 2011
Tetra Tech, 2012 Seabridge Pre-Feasibility Study - Courageous Lake Project

 

2.7Currency, Units, Abbreviations and Definitions

 

All units of measurement in this report are metric and all currencies are expressed in Canadian dollars (symbol: C$ or currency: CAD) unless otherwise stated. Contained gold metal is expressed as troy ounces (oz), where 1 oz = 31.1035 g. All material tonnes are expressed as dry metric tonnes (dmt) unless stated otherwise. A list of abbreviations and acronyms is provided in Table 2-2, and units of measurement are listed in Table 2-4.

 

Table 2-4:Abbreviations and Acronyms

 

Abbreviation Description
AA atomic absorption spectroscopy
ACME ACME Laboratories
ALS ALS Laboratories
ANFO ammonium nitrate fuel oil
ASTM American Society for Testing and Materials
Au gold
Az azimuth
BIF banded iron formation
BIOX bio-oxidation
BWi bond ball mill work index
C$:US$ Canadian American exchange rate
CCD Counter current decantation
CIM Canadian Institute of Mining, Metallurgy and Petroleum
CIM CIM Definition Standards for Mineral Resources and Mineral Reserves 2014
CIP carbon in pulp
CLGB Courageous-MacKay Lake Greenstone Belt
CLWR Courage Lake Mine Spur Winter Road
CNA Cyanide amenability
CNWAD weak acid dissociable cyanide
CoG cut-off grade
CPP Cumulative Probability Plots
CPSF Co-Placement Storage Facility

 

  
Courageous Lake ProjectPage 30
Pre-feasibility Study and Preliminary Economic Assessment NI 43-101 Technical ReportJanuary 5, 2024
  

  

 

Abbreviation Description
CRM certified reference material
CSIR Council of Scientific and Industrial Research
CV Coefficient of Variation
CWi Bond crusher work index
CZ Combined Zone
DCIP direct current resistivity and induced polarization
DDH diamond drill hole
DGPS Differential global positioning system
DS direct shear test
EBA EBA Consultants
EC Electrical conductivity
E-GRG extended gravity recoverable gold
EM electromagnetic
ERM ERM Consultants Canada Ltd.
FA fire assay
FAT felsic ash tuff
FEL felsic volcanic rocks
FET federal excise tax
FoS Factor of Safety
FS feasibility study
G&A general and administration
G&T G&T Metallurgical Services Ltd.
GPR gross production royalty
GME General mine expense
Golder Golder Associates Ltd.
GQCV greenstone-hosted quartz-carbonate vein deposits
GRAV gravimetric finish method
GTC Ground temperature cable
GVW Gross vehicle weight
HANFO Heavy ammonium nitrate fuel oil
HCN Hydrogen cyanide
IBC Intermediate bulk containers
ICP inductively coupled plasma
ICP-OES inductively coupled plasma - optical emission spectrometry
ID2 inverse distance squared
ID3 inverse distance cubed
IOCG iron oxide copper gold
IP induced polarization
IRGS intrusion-related gold system
ISO International Organization for Standardization
ISRM International Society of Rock Mechanics

 

  
Courageous Lake ProjectPage 31
Pre-feasibility Study and Preliminary Economic Assessment NI 43-101 Technical ReportJanuary 5, 2024
  

  

 

Abbreviation Description
LG Lerch-Grossman
LiDAR light detection and ranging
LRTF Leach Residue Tailings Facility
LOM Life of mine
LUP land use permit
MLGB Matthews Lake Greenstone Belt
MC Master composite
MCF mechanized cut and fill
MIBC Methyl Isobutyl Carbinol
MMTS Moose Mountain Technical Services
MPSO Mine Plan Strategic Optimizer
MRE Mineral Resource Estimate
MVEIRB Mackenzie Valley Environmental Impact Review Board
NAD 83 North American Datum of 1983
NAG Non-acid generating
NBC National Building Code
NGI Norwegian Geotechnical Institute
NI 43-101 National Instrument 43-101 (Regulation 43-101 in Quebec)
NN nearest neighbor
NPV Net present value
NRC Natural Resources Canada
NSP net smelter price
NSR net smelter return
NTS national topographic system
OK ordinary kriging
PAX Potassium amyl xanthate
PDX Placer Dome Exploration Inc.
PEA preliminary economic assessment
PF Probability of Failure
PFS Pre-feasibility study
PGE platinum group elements
PLT Point load test
POX pressure oxidation
PSA Pit slope angles
Q Tunneling Quality Index (Barton et al. 1974)
QA/QC quality assurance/quality control
QP qualified person (as defined in National Instrument 43-101)
RELZ relative distance
RMI Resource Modeling Inc.
RMR76 Rock Mass Rating (1976) System
ROM run-of-mine

 

  
Courageous Lake ProjectPage 32
Pre-feasibility Study and Preliminary Economic Assessment NI 43-101 Technical ReportJanuary 5, 2024
  

  

 

Abbreviation Description
RQD rock quality designation
SAG semi-autogenous grinding
SCC Standards Council of Canada
SD standard deviation
Sd-BWI micro hardness or bond ball mill work index on SAG ground material
SEDEX sedimentary exhalative deposits
SG specific gravity
TCWR Tibbitt to Contwoyto Winter Road
TDS Total dissolved solids
Tetra Tech Tetra Tech Canada Inc.
TK Traditional knowledge
TMF Tailings management facility
TSF Tailings Storage Facility
UCS Unconfined Compressive Strength Test
UG underground
UTM Universal Transverse Mercator coordinate system
UV ultraviolet
VLF-EM very low frequency electromagnetic
VMS volcanogenic massive sulphide
VWP Vibrating Wire Piezometer
WSP WSP Limited (formerly Golder Associates Ltd.)
YGS Yellowknife Group Sedimentary Rocks

 

  
Courageous Lake ProjectPage 33
Pre-feasibility Study and Preliminary Economic Assessment NI 43-101 Technical ReportJanuary 5, 2024
  

  

 

Table 2-5:Units of Measurement

 

Abbreviation Description
% percent
% solids percent solids by weight
CAD Canadian dollar (currency)
CAD$ Canadian dollar (as symbol)
$/t dollars per metric ton
° angular degree
°C degree Celsius
μm micron (micrometer)
cm centimeter
cm3 cubic centimeter
d day
dmt dry metric tonnes
ft foot (12 inches)
g gram
g/cm3 gram per cubic centimeter
GWh gigawatt hour
g/L gram per liter
g/t gram per metric ton (tonne)
h hour (60 minutes)
ha hectare
hPa hectopascal
Hz hertz
kb kilobyte
kg kilogram
kg/t kilogram per tonne
km kilometer
km2 square kilometer
kPa kilopascal
kt kilotonne
kV kilovolt
kW kilowatt
kWh/t kilowatt-hour per tonne
L liter
lb pound
m, m2, m3 meter, square meter, cubic meter
M million
Ma million years (annum)

 

  
Courageous Lake ProjectPage 34
Pre-feasibility Study and Preliminary Economic Assessment NI 43-101 Technical ReportJanuary 5, 2024
  

  

 

Abbreviation Description
masl meters above mean sea level
m bgs meters below ground surface
mg milligram
mg/L milligram per liter
mm millimeter
Mm3 Million cubic meter
Moz million (troy) ounces
m/s meter per second
Mt million tonnes
Mt/a million tonnes per annum
MW megawatt
MWh/a megawatt hours per annum
oz troy ounce
oz/t ounce (troy) per tonne
oz/ton ounce (troy) per short ton (2,000 lbs)
ppb parts per billion
ppm parts per million
t metric tonne (1,000 kg)
ton short ton (2,000 lbs)
t/d metric tonnes per day
t/h metric tonnes per hour
USD US dollars (currency)
US$ US dollars (symbol)
W watt
W/m2 watts per square meter
wmt wet metric tonne
y year

 

  
Courageous Lake ProjectPage 35
Pre-feasibility Study and Preliminary Economic Assessment NI 43-101 Technical ReportJanuary 5, 2024
  

  

 

3RELIANCE ON OTHER EXPERTS

 

3.1Introduction

 

The qualified persons (QPs) have relied upon other expert reports that provided information regarding mineral rights, surface rights, property agreements, royalties, environmental, permitting, social license, closure, taxation, and marketing for sections of this Report.

 

3.2Property Agreements, Mineral Tenure, Surface Rights and Royalties

 

The QPs have not independently reviewed ownership of the Project area and any underlying property agreements, mineral tenure, surface rights, or royalties. The QPs have fully relied upon, and disclaim responsibility for, information derived from Seabridge and legal experts retained by Seabridge for this information through the following documents:

 

The Claim Group Inc. (TCG), December 5, 2023. Seabridge Gold (NWT) Inc. – Courageous Lake Property, 3pp.

 

This information is used in Section 1.2, Section 4, and Section 25.1.2 of the Report. The information is also used in support of Sections 14, 15 and Section 24 of this report.

 

3.3Environmental, Permitting, Closure, Social and Community Aspects

 

The QPs have not independently reviewed the environmental information. The QPs have fully relied upon, and disclaim responsibility for environmental information derived from experts retained by Seabridge contained in the following documents:

 

Seabridge Gold (NWT) Inc., was relied upon for land use (exploration) and water license permitting, records of government and Indigenous engagement as reported in: Courageous Lake Project – Exploration Work Plan, Prepared to Support One Type “A” Land Use Permit and Two “Type B” Water License Applications. September 2019. This information is used in Section 1.16, 20 and 20.1 of the Report.

 

Mr. Daniel Walker, P.P.C.A., and David LeBeau, M.A. of ERM Consultants Canada Ltd., have been relied upon for the report titled: Courageous Lake Project – Final Report on Northwest Territories Act Class 2 Archaeologist’s Permit # 2022-003. June 23, 2023. This information is used in Section 1.16, 20 and 20.1 of the Report.

 

Dr. Greg Sharam of ERM Consultants Canada Ltd., was relied upon for the report titled: Draft Courageous Lake Project – Caribou Camera Report, 2023. November 24, 2023. This information is used in Section 1.16, 20 and 20.1 of the Report.

 

  
Courageous Lake ProjectPage 36
Pre-feasibility Study and Preliminary Economic Assessment NI 43-101 Technical ReportJanuary 5, 2024
  

  

 

3.4Taxation

 

The QPs have not independently reviewed the taxation information. The QPs have fully relied upon, and disclaim responsibility for, taxation information derived from experts retained by Seabridge contained in the following document:

 

A letter authored by PricewaterhouseCoopers LLP (“PwC’) with the title: “NI 43-101 Technical Report Prepared for Seabridge Gold Inc. – Taxation Narrative,” dated January 3, 2024.

 

PwC is an Ontario limited liability partnership, which is a member firm of PricewaterhouseCoopers International Limited, each member firm of which is a separate legal entity.

 

This information is used in Section 22 and Section 24 of this Report.

 

  
Courageous Lake ProjectPage 37
Pre-feasibility Study and Preliminary Economic Assessment NI 43-101 Technical ReportJanuary 5, 2024
  

  

 

4PROPERTY DESCRIPTION AND LOCATION

 

4.1Introduction

 

The Courageous Lake Property is located 240 km northeast of Yellowknife NWT, Canada (Figure 4-1). The center of the deposit is located at NAD83 Universal Transverse Mercator (UTM) coordinates 486,700 East and 7,109,600 North.

 

The property is a collection of mineral leases that trend north- south along the 54 km length of the Courageous Lake Greenstone Belt in the Slave Structural Province. The property includes the past gold-producing properties of the Salmita mine operated by Giant Yellowknife Mines, and the Tundra mine operated by Royal Oak Mines.

 

There are no significant risks to the property title, or the ability to do work on the property that the QP is aware of, other than those discussed below.

 

4.2Property and Title in (Jurisdiction)

 

Seabridge retained The Claims Group (TCG), an Ontario-based consultancy that provides various land status services. TCG acts as an agent on behalf of Seabridge and their wholly owned subsidiary, Seabridge Gold (NWT) Inc. The following italicized information was taken from a memorandum prepared for Seabridge by Mr. John L. Brassard, President of TCG:

 

As of January 2024, the Courageous Lake property is comprised of 85 Northwest Territorial Mining Leases and 4 Federal Mining Leases having a combined area of 50,239.96 hectares.

 

Seventeen of the Mining Leases were acquired by Seabridge through a Purchase and Sale Agreement with Newmont Canada Limited (51%) and Total Resource Canada Limited (Total) (49%) dated July 16, 2002. These 17 Mining Leases are encumbered by two royalty agreements (G21883 & G21885) and two debentures (G21884 & G21886) registered in favour of Newmont and Total, respectively. Newmont’s interests were subsequently assigned to Franco-Nevada Canada Corp. on January 30, 2008 (G22235 & G22238). The Property is subject to a 2km Area of Interest from and parallel to all exterior boundaries and Mining Leases.

 

In June 2002, Seabridge purchased the property from the Newmont-Total Tundra Joint Venture, with Newmont retaining a 2% net smelter royalty and the right to receive conditional payments totalling US$3,000,000, which have now been fully paid.

 

Mining Lease ML5218 (Red 25) was optioned by Seabridge Gold Northwest Territories (Seabridge (NWT)) from Bathurst Inlet Developments (1984) Limited in 2004 through an Option to Purchase Agreement and was assigned to Seabridge (NWT) on November 2, 2018 (G35528).

 

All of the Mining Leases are currently recorded 100% to Seabridge (NWT). Other than the royalties and the encumbrances relating to them, there are no other liens, charges encumbrances, etc. registered against title to any of the Mining Leases.

 

The Annual Mining Lease Rents for the Courageous Lake Property are current and paid for in full for 2023.

 

The properties were located by professional surveyors under the direction of TGC. High-precision differential GPS instruments were employed to locate corners and side lines of claims (TetraTech, 2012).

 

  
Courageous Lake ProjectPage 38
Pre-feasibility Study and Preliminary Economic Assessment NI 43-101 Technical ReportJanuary 5, 2024
  

  

 

Figure 4-1: General Location Map of the Courageous Lake Project

 

 

Source: Seabridge, 2019.

 

  
Courageous Lake ProjectPage 39
Pre-feasibility Study and Preliminary Economic Assessment NI 43-101 Technical ReportJanuary 5, 2024
  

  

 

4.3Mineral Tenure

 

The Courageous Lake Mineral Leases are provided in Table 4-1 with a plan map of the claims in Figure 4-2.The claims boundary with respect to the Courageous Lake and Walsh Lake resource pits is illustrated in Figure 4-3, with the boundary in red and the pit outlines in black.

 

Table 4-1:Courageous Lake Property Mineral Leases

 

Lease # Owner NTS 1 NTS 2 Anniv Expiry Hectares Annual Rent
3357 Seabridge Gold (NWT) Inc. 075M14 - 26-Apr-24 25-Apr-32 764.86 $3,780.00
3361 Seabridge Gold (NWT) Inc. 075M14 - 26-Apr-24 25-Apr-32 823.13 $4,068.00
0010 Seabridge Gold (NWT) Inc. 076D06 - 18-May-24 18-May-43 994.52 $4,915.00
5578 Seabridge Gold (NWT) Inc. 076D03 - 19-May-24 19-May-40 1057.00 $2,642.50
5579 Seabridge Gold (NWT) Inc. 076D03 - 19-May-24 19-May-40 1043.00 $2,607.50
5580 Seabridge Gold (NWT) Inc. 076D03 - 19-May-24 19-May-40 1039.00 $2,597.50
5581 Seabridge Gold (NWT) Inc. 076D03 - 19-May-24 19-May-40 1027.00 $2,567.50
5582 Seabridge Gold (NWT) Inc. 076D03 - 19-May-24 19-May-40 917.00 $2,292.50
5583 Seabridge Gold (NWT) Inc. 076D03 - 19-May-24 19-May-40 1036.00 $2,590.00
5584 Seabridge Gold (NWT) Inc. 076D03 - 19-May-24 19-May-40 1044.00 $2,610.00
5585 Seabridge Gold (NWT) Inc. 076D03 - 19-May-24 19-May-40 1050.00 $2,625.00
5586 Seabridge Gold (NWT) Inc. 076D03 - 19-May-24 19-May-40 1033.00 $2,582.50
5587 Seabridge Gold (NWT) Inc. 076D03 - 19-May-24 19-May-40 1004.00 $2,510.00
5588 Seabridge Gold (NWT) Inc. 076D03 076D06 19-May-24 19-May-40 1058.00 $1,645.00
5589 Seabridge Gold (NWT) Inc. 076D03 076D06 19-May-24 19-May-40 1053.00 $2,632.50
5590 Seabridge Gold (NWT) Inc. 076D03 076D06 19-May-24 19-May-40 1080.00 $2,700.00
5591 Seabridge Gold (NWT) Inc. 076D03 076D06 19-May-24 19-May-40 1035.00 $2,587.50
5592 Seabridge Gold (NWT) Inc. 076D03 076D06 19-May-24 19-May-40 1056.00 $2,640.00
5593 Seabridge Gold (NWT) Inc. 076D06 - 19-May-24 19-May-40 79.40 $198.50
5594 Seabridge Gold (NWT) Inc. 076D06 - 19-May-24 19-May-40 174.00 $435.00
5227 Seabridge Gold (NWT) Inc. 076D03 - 24-May-24 23-May-32 61.51 $152.00
5228 Seabridge Gold (NWT) Inc. 076D03 - 24-May-24 23-May-32 194.65 $481.00
3221 Seabridge Gold (NWT) Inc. 075M14 - 16-Jun-24 15-Jun-28 236.34 $1,168.00
3223 Seabridge Gold (NWT) Inc. 076D03 - 23-Jun-24 23-Jun-29 491.29 $2,428.00
3222 Seabridge Gold (NWT) Inc. 076D03 - 24-Jun-24 24-Jun-29 367.05 $1,814.00
3228 Seabridge Gold (NWT) Inc. 075M14 - 30-Jun-24 30-Jun-29 953.85 $4,714.00
3229 Seabridge Gold (NWT) Inc. 076D03 - 30-Jun-24 30-Jun-29 641.43 $3,170.00
3230 Seabridge Gold (NWT) Inc. 076D03 - 30-Jun-24 30-Jun-29 209.63 $1,036.00

 

  
Courageous Lake ProjectPage 40
Pre-feasibility Study and Preliminary Economic Assessment NI 43-101 Technical ReportJanuary 5, 2024
  

  

 

Lease # Owner NTS 1 NTS 2 Anniv Expiry Hectares Annual Rent
3251 Seabridge Gold (NWT) Inc. 076D06 - 30-Jun-24 30-Jun-29 469.03 $2,318.00
5218 Seabridge Gold (NWT) Inc. 076D03 - 4-Jul-24 3-Jul-32 21.61 $53.40
3219 Seabridge Gold (NWT) Inc. 076D03 - 9-Jul-24 8-Jul-28 68.03 $336.20
3158 Seabridge Gold (NWT) Inc. 076D03 - 25-Jul-24 24-Jul-26 556.85 $2,752.00
3159 Seabridge Gold (NWT) Inc. 076D03 - 25-Jul-24 24-Jul-26 216.10 $1,068.00
3160 Seabridge Gold (NWT) Inc. 076D03 - 25-Jul-24 24-Jul-26 760.00 $3,756.00
3161 Seabridge Gold (NWT) Inc. 076D03 - 25-Jul-24 24-Jul-26 459.32 $2,270.00
5710 Seabridge Gold (NWT) Inc. 076D03 - 25-Jul-24 25-Jul-42 0.95 $2.38
5570 Seabridge Gold (NWT) Inc. 076D03 - 17-Aug-24 16-Aug-40 1039.00 $2,597.50
5571 Seabridge Gold (NWT) Inc. 076D03 - 17-Aug-24 16-Aug-40 1065.00 $2,662.50
5572 Seabridge Gold (NWT) Inc. 076D03 - 17-Aug-24 16-Aug-40 1059.00 $2,647.50
5573 Seabridge Gold (NWT) Inc. 076D03 - 17-Aug-24 16-Aug-40 514.00 $1,285.00
5574 Seabridge Gold (NWT) Inc. 076D03 - 17-Aug-24 16-Aug-40 937.00 $2,342.50
5575 Seabridge Gold (NWT) Inc. 076D03 - 17-Aug-24 16-Aug-40 472.00 $1,180.00
5576 Seabridge Gold (NWT) Inc. 076D03 - 17-Aug-24 16-Aug-40 574.00 $1,435.00
5577 Seabridge Gold (NWT) Inc. 076D03 - 17-Aug-24 16-Aug-40 224.00 $560.00
3791 Seabridge Gold (NWT) Inc. 075M14 - 9-Sep-24 8-Sep-40 32.46 $162.00
3792 Seabridge Gold (NWT) Inc. 075M14 - 9-Sep-24 8-Sep-40 23.07 $115.50
5059 Seabridge Gold (NWT) Inc. 076D03 - 14-Sep-24 13-Sep-30 23.39 $57.80
5060 Seabridge Gold (NWT) Inc. 076D03 - 14-Sep-24 13-Sep-30 116.95 $289.00
5061 Seabridge Gold (NWT) Inc. 076D03 - 14-Sep-24 13-Sep-30 774.57 $1,914.00
5062 Seabridge Gold (NWT) Inc. 076D03 - 14-Sep-24 13-Sep-30 12.26 $30.30
5063 Seabridge Gold (NWT) Inc. 076D03 - 14-Sep-24 13-Sep-30 925.92 $2,288.00
5064 Seabridge Gold (NWT) Inc. 076D03 - 14-Sep-24 13-Sep-30 885.46 $2,188.00
5065 Seabridge Gold (NWT) Inc. 076D03 - 14-Sep-24 13-Sep-30 883.43 $2,183.00
5066 Seabridge Gold (NWT) Inc. 076D03 - 14-Sep-24 13-Sep-30 597.72 $1,477.00
5067 Seabridge Gold (NWT) Inc. 075M14 - 14-Sep-24 13-Sep-30 110.48 $273.00
5068 Seabridge Gold (NWT) Inc. 075M14 - 14-Sep-24 13-Sep-30 241.60 $597.00
5069 Seabridge Gold (NWT) Inc. 075M14 - 14-Sep-24 13-Sep-30 532.57 $1,316.00
5070 Seabridge Gold (NWT) Inc. 075M14 - 14-Sep-24 13-Sep-30 219.34 $542.00
5071 Seabridge Gold (NWT) Inc. 076D06 - 14-Sep-24 13-Sep-30 283.28 $700.00
5072 Seabridge Gold (NWT) Inc. 076D06 - 14-Sep-24 13-Sep-30 258.19 $638.00
5073 Seabridge Gold (NWT) Inc. 076D03 076D06 14-Sep-24 13-Sep-30 1073.23 $2,652.00
5074 Seabridge Gold (NWT) Inc. 076D03 076D06 14-Sep-24 13-Sep-30 531.35 $1,313.00

 

  
Courageous Lake ProjectPage 41
Pre-feasibility Study and Preliminary Economic Assessment NI 43-101 Technical ReportJanuary 5, 2024
  

  

 

Lease # Owner NTS 1 NTS 2 Anniv Expiry Hectares Annual Rent
5075 Seabridge Gold (NWT) Inc. 076D06 - 14-Sep-24 13-Sep-30 94.29 $233.00
5076 Seabridge Gold (NWT) Inc. 076D03 - 14-Sep-24 13-Sep-30 639.81 $1,581.00
5077 Seabridge Gold (NWT) Inc. 076D03 - 14-Sep-24 13-Sep-30 1065.95 $2,634.00
5078 Seabridge Gold (NWT) Inc. 076D03 - 14-Sep-24 13-Sep-30 1050.16 $2,595.00
5079 Seabridge Gold (NWT) Inc. 076D03 - 14-Sep-24 13-Sep-30 1055.42 $2,608.00
5080 Seabridge Gold (NWT) Inc. 076D03 - 14-Sep-24 13-Sep-30 1034.38 $2,556.00
5081 Seabridge Gold (NWT) Inc. 076D03 - 14-Sep-24 13-Sep-30 1039.64 $2,569.00
5082 Seabridge Gold (NWT) Inc. 076D03 - 14-Sep-24 13-Sep-30 1037.21 $2,563.00
5083 Seabridge Gold (NWT) Inc. 076D03 - 14-Sep-24 13-Sep-30 713.06 $1,762.00
5084 Seabridge Gold (NWT) Inc. 076D03 - 14-Sep-24 13-Sep-30 437.87 $1,082.00
5085 Seabridge Gold (NWT) Inc. 076D03 - 14-Sep-24 13-Sep-30 471.46 $1,165.00
5086 Seabridge Gold (NWT) Inc. 076D03 - 14-Sep-24 13-Sep-30 1045.31 $2,583.00
5087 Seabridge Gold (NWT) Inc. 076D03 - 14-Sep-24 13-Sep-30 910.14 $2,249.00
5088 Seabridge Gold (NWT) Inc. 076D03 - 14-Sep-24 13-Sep-30 135.97 $336.00
5089 Seabridge Gold (NWT) Inc. 076D03 - 14-Sep-24 13-Sep-30 78.03 $192.81
5090 Seabridge Gold (NWT) Inc. 076D03 - 14-Sep-24 13-Sep-30 206.39 $510.00
5091 Seabridge Gold (NWT) Inc. 076D03 - 14-Sep-24 13-Sep-30 19.63 $48.50
5092 Seabridge Gold (NWT) Inc. 076D03 - 14-Sep-24 13-Sep-30 61.92 $153.00
5093 Seabridge Gold (NWT) Inc. 076D03 - 14-Sep-24 13-Sep-30 45.32 $112.00
5094 Seabridge Gold (NWT) Inc. 076D03 - 14-Sep-24 13-Sep-30 24.28 $60.00
5095 Seabridge Gold (NWT) Inc. 076D03 - 14-Sep-24 13-Sep-30 24.36 $60.20
5096 Seabridge Gold (NWT) Inc. 076D03 - 14-Sep-24 13-Sep-30 732.89 $1,811.00
5097 Seabridge Gold (NWT) Inc. 076D03 - 14-Sep-24 13-Sep-30 258.19 $638.00
5098 Seabridge Gold (NWT) Inc. 076D03 - 14-Sep-24 13-Sep-30 61.92 $153.00
5099 Seabridge Gold (NWT) Inc. 076D03 - 14-Sep-24 13-Sep-30 110.07 $272.00
5100 Seabridge Gold (NWT) Inc. 076D03 - 14-Sep-24 13-Sep-30 117.36 $290.00
3016 Seabridge Gold (NWT) Inc. 076D03 075M14 23-Oct-24 22-Oct-43 284.09 $1,404.00

 

  
Courageous Lake ProjectPage 42
Pre-feasibility Study and Preliminary Economic Assessment NI 43-101 Technical ReportJanuary 5, 2024
  

  

 

Figure 4-2:Mineral Tenure Plan

 

 

Source: Seabridge Gold, 2022.

 

  
Courageous Lake ProjectPage 43
Pre-feasibility Study and Preliminary Economic Assessment NI 43-101 Technical ReportJanuary 5, 2024
  

  

 

Figure 4-3:Claims Boundary and Proposed Resource Pit Locations (UTM Zone 12n)

 

 

Source: MMTS, 2024.

 

  
Courageous Lake ProjectPage 44
Pre-feasibility Study and Preliminary Economic Assessment NI 43-101 Technical ReportJanuary 5, 2024
  

  

 

4.4Surface Rights

 

There are both Territorial and Federal lands where Seabridge proposes to develop the Courageous Lake Project. The term “Territorial land” refers to lands where the administration and control of public lands were transferred from the Federal Government to the Government of the Northwest Territories (GNWT) as defined in Chapter 3 (Section 3.1) of the Devolution Final Agreement. The Federal Government retained surface and subsurface ownership of legacy contaminated sites and other lands that were listed in Schedule 7 of the Devolution Final Agreement. There are two areas that lie within the Courageous Lake tenure area that remain under the jurisdiction/control of the Government of Canada: i) the former Tundra Mine site including the airstrip, and ii) an area on the east side of the north arm of Courageous Lake where abandoned, historic exploration disturbances exist which date back to the 1960s.

 

Thus, dispositions of public land in the Courageous Lake area are managed pursuant to the Northwest Territories Lands Act (Territorial lands) and the Territorial Lands Act (Federal lands). Seabridge’s ownership of the Federal and Territorial mineral leases described in Section 4.3 provides the necessary eligibility to obtain both non-exclusive and exclusive surface rights in the form of (short term) land use permits and (long term) commercial surface leases or quarry lease, respectively.

 

Seabridge currently holds title to a small 4 ha surface lease (Lease 76D/3-6-6,Figure 4-4) that covers the Matthews Lake camp, and is valid until 2025. The lease was first issued in 1994 by the Federal government, and following devolution in 2014 it is now administered by the Territorial government. The surface lease was purchased from the previous owner by Seabridge in 2010. The lease has been renewed/re-issued several times since 1994 and authorizes the use of land for a “commercial camp”.

 

Seabridge also has surface rights in the form of land use permit MV2019C0025, issued by the MVLWB in 2020 pursuant to the Mackenzie Valley Land Use Regulations, which authorizes various exploration activities until 2025. Seabridge has maintained land use permits for exploration at the Courageous Lake Project since 2003.

 

There is one other surface lease holder within the immediate Courageous Lake area, associated with a fishing and hunting camp located on the north shore of the east arm of Courageous Lake. The recreational camp has not been active for over twelve years and the lease holder has previously approached Seabridge to purchase the lease and its associated facilities and equipment. This lease is located 3 km north of the proposed Courageous Lake Project.

 

To develop the Courageous Lake Project, Seabridge will need to apply for one or more commercial surfaces lease(s) from the Territorial and possibly the Federal government, depending on the extent of lands required for Project infrastructure. A commercial surface lease will grant the exclusive right to use the land for commercial mining activities for a specified period and to make improvements upon the land. Specific terms and conditions will be included in each lease. The surface lease(s) must be issued before mine construction or production commence pursuant to the Mining Regulations under the Territorial Lands Act. An approved environmental assessment pursuant to the Mackenzie Valley Resource Management Act (MVRMA) will be required before a surface lease will be issued.

 

The process will occur concurrently with water licensing as elaborated in Section 20.2.

 

  
Courageous Lake ProjectPage 45
Pre-feasibility Study and Preliminary Economic Assessment NI 43-101 Technical ReportJanuary 5, 2024
  

  

 

A quarry lease will also be required if Seabridge requires long term rights to obtain sand and gravel resources from an area outside the boundary of their surface lease(s), such as along the Courageous Lake winter spur road. The process to obtain a quarry lease is similar to the surface lease.

 

Figure 4-4: Location of Surface Rights

 

 

Source: NWT Department of Lands, 2015

 

  
Courageous Lake ProjectPage 46
Pre-feasibility Study and Preliminary Economic Assessment NI 43-101 Technical ReportJanuary 5, 2024
  

  

 

4.5Water Rights

 

The use of water and deposit of waste is regulated by the MVLWB through the issuance of water licenses in accordance with the Waters Act and Waters Regulations, and the MVRMA and Mackenzie Valley Federal Areas Waters Regulations (MVFAWR). The applicable legislation depends on whether the water used or waste discharged occurs on Federal or Territorial Lands (and waters). Type A licenses are issued for larger projects such as mines that use more water or have a greater environmental impact. Type B licenses are issued for smaller projects with less impact on the environment, such as exploration. The MVLWB issues both types of licenses; however, type A licenses require the approval of the Minister before they become effective.

 

Seabridge currently holds two Type B water licenses (MV2019-L2-0011 and -0012) which authorize the short term use of water for exploration drilling on Territorial and Federal lands respectively. The licenses were granted by the MVLWB in 2020 in accordance with the MVRMA and the above noted legislation and are valid until March 2027.

 

In order to develop the Courageous Lake Project, Seabridge will need to apply for and obtain at least one, and possibly two Type A water licenses depending on the location of water withdrawals and waste discharges associated with the Project. If project activities will take place in both Territorial and Federal areas, two licenses will be required.

 

The process to obtain Type A water licenses will be combined with the land use permit application process, and will require application(s), preliminary screening, consultation with Indigenous Groups, review by Federal and GNWT departments, as applicable. An approved environmental assessment pursuant to the MVRMA and conducted by the MVEIRB will be required, after which, a mandatory public hearing will be held by the MVLWB before a Type A license can be issued. The Responsible Minister must approve a Type A license before it becomes effective.

 

Other water-related permits and fisheries authorizations, as outlined in Section 20.2, will be required for the Project.

 

The nearest holder of water rights is a water license for the use of water and deposit of waste for the Tundra Mine remediation project, issued to the Government of Canada, Contaminants and Remediation Directorate.

 

4.6Royalties and Encumbrances

 

In July 2002 Seabridge completed the purchase of the Courageous Lake project from Newmont Canada Limited and Total Resources Canada Limited, which, at the time, consisted of 17 mining leases covering 18,178 acres. Under the purchase agreement, Seabridge granted the Vendors a 2.0% NSR on the mining leases.

 

Upon acquiring the Courageous Lake project, Seabridge assigned its right to its wholly owned subsidiary, Seabridge Gold (NWT) Inc. (formerly, 5073 N.W.T. Ltd.). The obligations of Seabridge Gold (NWT) Inc. (“Seabridge NWT”) under the agreement, including the payment of the royalty, is secured by a debenture under which the Vendors have been granted a security interest in the Courageous Lake property. The purchase agreement includes an area of interest provision which makes any mineral tenures acquired by Seabridge NWT that lie, in whole or in part, within 2 km of the exterior boundaries of the 17 mining leases sold by the Vendors subject to the 2% NSR.

 

  
Courageous Lake ProjectPage 47
Pre-feasibility Study and Preliminary Economic Assessment NI 43-101 Technical ReportJanuary 5, 2024
  

  

 

4.7Environmental Liabilities

 

The Courageous Lake Closure and Reclamation Plan identifies existing environmental liabilities and describes the activities required to achieve the closure goal of returning the existing exploration area to viable and, wherever practicable, self-sustaining ecosystems that are compatible with a healthy environment and human activities. This plan is a requirement of the existing Class A land use permit and Type B water licenses that authorize exploration activities. The Closure and Reclamation Plan and associated liability estimate has been approved by the MVLWB.

 

Seabridge has undertaken exploration activities in the Courageous Lake area since 2003, utilizing infrastructure (e.g. roads, airstrip, gravel pads, camp, other buildings) that were established by previous owners/operators. Since 2003, Seabridge has drilled a total of 345 holes at 338 drill sites around the property. Seabridge has progressively reclaimed all drill sites tested to date. To meet the requirements of permanent closure, Seabridge has committed to undertake the following closure activities:

 

removing buildings and infrastructure;

 

removing fixed and mobile equipment;

 

removing fuel storage facilities;

 

recontouring and stabilizing the sand and gravel borrow pit;

 

removing culverts and scarifying roads; and

 

removing and/or disposing of all solid waste materials.

 

To date, Seabridge has posted $45,000 security with the Governments of Canada and GNWT for future reclamation liabilities. The current land use permit and water licenses require $320,000 additional security to be posted prior to undertaking further exploration.

 

Further environmental considerations are discussed in Section 20.1.

 

4.8Permitting Considerations

 

Refer to Section 20.2.

 

4.9Social License Considerations

 

Refer to Section 20.3.

 

  
Courageous Lake ProjectPage 48
Pre-feasibility Study and Preliminary Economic Assessment NI 43-101 Technical ReportJanuary 5, 2024
  

  

 

5ACCESSIBILITY, CLIMATE, LOCAL RESOURCES, INFRASTRUCTURE AND PHYSIOGRAPHY

 

5.1Physiography

 

The overall topography of this area is characterized by rolling hills ranging from 418 to 450 m in elevation above sea level. Typically, the maximum change in elevation is only 30 m. Tundra type vegetation and small scrub brush dominate the areas between outcrops, particularly along the ridges in the southern edge of the property. The northern part of the property is dominantly flat with little or no outcrop. Figure 5-1 is an oblique aerial photograph providing an overview of the Courageous Lake deposit area.

 

Figure 5-1:Aerial Photograph of Courageous Lake Property

 

 

Source: Tetra Tech, 2012.

 

  
Courageous Lake ProjectPage 49
Pre-feasibility Study and Preliminary Economic Assessment NI 43-101 Technical ReportJanuary 5, 2024
  

  

 

5.2Accessibility

 

Year-round access is only possible by air, either by helicopter or fixed-wing aircraft to the airstrip at Salmita (located 6 km to the south), or by fixed-wing aircraft equipped with skis or floats to nearby lakes. Access is also possible in winter, over a 35 km winter road, which branches off the main Tibbitt to Contwoyto winter road or by constructing an ice strip on Matthews Lake which could accommodate larger cargo aircraft. The winter road is normally open from late January/early February until the end of March of each year, however depending on weather conditions it could be open from as early as the beginning of January until mid April.

 

5.3Climate

 

At nearly 64˚ north, temperatures are often below freezing but between late May and August +20°C temperatures are common. Winter temperatures can be less than -50°C over short periods and gale-force winds are not uncommon. Precipitation is minimal at an average of 290 mm annually. The climate does not prevent the Project from operating year-round.

 

5.4Local Resources and Infrastructure

 

There are no significant population centers near the property, outside of Yellowknife. The nearest community of Wekweètì is located 140 km west of the Project and had a population of 129 in 2016.

 

All access and transportation of supplies need to be brought in either by air year round or by road during the winter months.

 

Other than the rights described in Sections 4.4 and 4.5, the Courageous Lake property is not subject to any other known surface encumbrances or mineral royalties. The QP is unaware of any issues associated with sufficiency of surface rights for potential mining operations or other infrastructure-related subjects (i.e. availability and sources of power, water, mining personnel, or potential tailing and waste disposal areas).

 

  
Courageous Lake ProjectPage 50
Pre-feasibility Study and Preliminary Economic Assessment NI 43-101 Technical ReportJanuary 5, 2024
  

  

 

6HISTORY

 

6.1Early History

 

Gold was first discovered in the Courageous Lake area in the early 1940s by Dr. W. Brown, who was working for Territorial Exploration Ltd. The Tundra deposit was discovered in 1944 and the Salmita deposit in 1947. The Geological Society of Canada carried out regional geological mapping in the area from 1944 to 1980. The Tundra Gold Mine went into production in 1964 and operated for about 4 years. During the 1990s, Royal Oak Mines Inc. briefly reopened the Tundra Mine. Total reported production from the Tundra Mine was 122,000 oz of gold. During 1984 to 1989, the nearby Salmita Mine produced 209,000 t averaging 27.2 g/t (183,000 oz). The author has done sufficient work to classify the verify this historical production estimate.

 

6.2Noranda Exploration History

 

The following section was taken directly from RMI’s December 30, 2004 NI 43-101 report entitled “Technical Review of the Courageous Lake Property, Northwest Territories, Canada” and remains largely unchanged.

 

Starting in 1976, Noranda Exploration Ltd. began exploration activities in the Courageous Lake Volcanic Belt. Activities included geological reconnaissance, airborne electromagnetic (AEM) and magnetic surveys, ground follow up, and claim staking.

 

In 1980, Noranda carried out a drilling program to evaluate a frost-heaved felsic volcanic unit that was discovered by prospectors working for Noranda. This activity resulted in the discovery of two new gold deposits: the FAT Zone, and the Carbonate Zone, which together form the Courageous Lake property.

 

Noranda and Getty Canadian Metals partnered in 1982 (Tundra Joint Venture) to explore and develop the project that lead to completion of a 475 meter exploration shaft. During this time, Nornada acquired Battle Mountain Gold and consolidated presious metal interests in that unit, and Getty was acquired by Total Energold.

 

Noranda initiated a limited drilling program to evaluate rock units north of Matthews Lake. Detailed geophysics, geological mapping and extensive diamond drilling followed this initial program leading to the discovery of two gold deposits: the Tundra Deposit (Main Zone) or FAT Deposit, and the Carbonate Zone.

 

From 1982 to 1987, Noranda continued core drilling the property from the surface and also constructed a winter road to the property and began an environmental impact study. In late 1987, Noranda made a decision to sink a vertical shaft to provide access for conducting an underground definition drilling program and to be able to test gold grade continuity and tenor by drifting and raising on mineralized material grade shoots. This also allowed Noranda to extract a bulk sample for metallurgical testing. In conjunction with the development of the shaft, surface core drilling, magnetic, VLF, and horizontal loop electromagnetic (HLEM) surveys were also completed (Levett, 1998).

 

In 1987, Total Energold Corp. purchased Getty and assumed their 49% interest in the Tundra Joint Venture.

 

  
Courageous Lake ProjectPage 51
Pre-feasibility Study and Preliminary Economic Assessment NI 43-101 Technical ReportJanuary 5, 2024
  

  

 

In February and March 1988, Thyssen Mining mobilized equipment and personnel to the site. By July 1988, the surface infrastructure was in place and the exploration shaft was collared. A three-compartment shaft was designed that provided:

 

two compartments for hoisting (2.02 m x 2.02 m opening), and

 

a ventilation/manway compartment (2.02 m x 1.75 m opening)

 

The shaft was timbered from top to bottom with horizontal cross sets placed vertically every 2.25 m and stub stations excavated at 45 m intervals to facilitate future development. Geology was mapped at 1:50 scale in the shaft. The shaft sinking program was completed at 472.6 m in April of 1989.

 

Drifting on the target zone began in May 1989 and was completed in November 1989 with a total development of 1,948.2 m. Both lateral drifts and sub-vertical raises were developed and provided access to bulk sample locations and diamond drilling stations along the strike of the target zone. All drifts and raises were excavated to nominal 3.0 x 3.0 m openings, totaling 64,044 tonnes of material. Development work averaged 9.2 m/d and contained 46,865 tonnes of waste and 17,179 tonnes of gold-bearing target zone ore material. Survey control was provided by a third-party contractor using gyroscopic survey instruments linking the underground development with the surface mine grid. Geologic mapping, face channel sampling and muck sampling were conducted during the development work.

 

Conners Drilling was contracted for underground diamond core drilling. Vertically fanned NQ drill holes were collared on 50 m centers from underground drill stations that were laid out on 50 m centers. Each underground drill station averaged six holes that were fanned out to provide reasonable data spacing. 200 vertical meters of the mineralized zone were tested by the underground drill holes. The 50 m spaced drill stations tested 750-800 m of strike length. Additional horizontally fanned holes were drilled on 25 m centers to aid in the interpretation of the target zone. Drilling was completed in November 1989 and totaled 27,459.25 m in 125 diamond core holes.

 

An estimated 17,000 t of material, which was mined underground by Noranda, was hoisted and stockpiled on the surface. The resource model that is the subject of this report has not removed the mined material from the block model. However, the QP notes that the tonnage is very insignificant, and tonnage still exists on the property.

 

6.3Placer Dome Exploration Inc.

 

In 1997, Placer Dome optioned the property from Battle Mountain Gold with the concept of developing a bulk tonnage open pit deposit. To test that concept, Placer Dome completed 13,345 m of drilling focused on the Couragous Lake Deposit (formerly also referred to as the FAT deposit). In 2001, Battle Mountain Gold merged with Newmont Gold Corp. (Newmont) and ownership of the Tundra Joint Venture was transferred to Newmont.

 

In 1998, Placer Dome Exploration Inc. (PDX) preformed regional lithogeochemical sampling/prospecting and detailed mapping and channel sampling on the Courageous Lake property. PDX completed a small core drilling/sampling program in order to verify Noranda’s previous work and to provide infill sample data. Detailed mapping and structural analysis programs were run concurrently by PDX to familiarize their geologists with the property geology and to help design a drilling plan. Most of the results of these studies were not available for this report.

 

  
Courageous Lake ProjectPage 52
Pre-feasibility Study and Preliminary Economic Assessment NI 43-101 Technical ReportJanuary 5, 2024
  

  

 

Also in 1998, Placer Dome conducted a ground magnetic survey on the property to define the zone of mineralization and to detect other areas of possible mineralization. This geophysical program allowed PDX to help distinguish the various rock types in the area and locate drill targets.

 

In 2002, Newmont offered the Courageous Lake property for sale. In June 2002, Seabridge purchased the property from the Newmont-Total Tundra Joint Venture. Seabridge completed drilling from 2003-2018 that continued evaluating the Courageous Lake and Walsh Lake deposits as well as other target areas within the Courageous Lake Greenstone Belt (CLGB).

 

  
Courageous Lake ProjectPage 53
Pre-feasibility Study and Preliminary Economic Assessment NI 43-101 Technical ReportJanuary 5, 2024
  

  

 

7GEOLOGICAL SETTING AND MINERALIZATION

 

The following section was provided by Mr. James Freeman of Seabridge and is an excerpt from the previous technical report (TetraTech, 2012).

 

7.1Regional Geology

 

The Slave Structural Province covers 310,000 km2 in northeastern Northwest Territories and Nunavut. It is bounded to the north by Coronation Gulf and to the south by Great Slave Lake, and wedged between the Bear Province to the west and the Churchill Province to the east. The predominantly Archean rock types of the Slave Structural Province are granite plutons, broad platforms of sedimentary rock, and narrow volcanic belts. A map of the regional geology is provided in Figure 7-1.

 

The Archean sedimentary and volcanic supracrustal rocks that crop out in the Province were termed Yellowknife Supergroup by Henderson (1943). Rocks of this terrane are a product of diverse tectonic origin, including rift and shelf assemblages, breakup-type tholeiitic basalt sequences, arc sequences, turbidites, and late-tectonic clastic basins. Postulated to underlie the Yellowknife Supergroup, possibly separated by a regional décollement, is significantly older sialic basement, termed the Central Slave Basement Complex (Bleeker et al., 1999) composed of a diorite to tonalite gneiss.

 

7.2Courageous-MacKay Lake Greenstone Belt

 

The Courageous-MacKay Lake Greenstone Belt (CLGB) is a steeply east-dipping, north to northwest trending, homoclinal sequence. These sequences of metavolcanic and metasedimentary rocks of the Yellowknife Supergroup form a composite pile 3 to 7 km wide and 70 km long. Regional mapping demonstrates that the sequences are not overturned, and stratigraphic tops are to the east. The CLGB is bounded to the west by a sodic granite pluton referred to as the Courageous Lake Batholith, and to the east by conformably overlying turbidite metasedimentary rocks (Moore, 1956). Dynamo-thermal regional metamorphism within the CLGB has created mineral assemblages indicative of mid-greenschist facies metamorphic grade. Lower-amphibolite facies metamorphic grade have been identified at the north and south limits of the CLGB. Four discrete deformational events are recorded in these rocks.

 

Based on lithogeochemical analysis and mapping done by Wells (1998) on the CLGB, the depositional environment is envisioned as one or more evolving island arcs. Early widespread tholeiitic volcanism was followed by more restricted calc-alkaline eruptive centers, or islands. Bimodal tholeiitic/calc-alkaline volcanic sequences of this type are common in Archean greenstone belts (Wells, 1998). Yellowknife Group sedimentary rocks, mainly greywackes and siltstones, are interpreted to represent later stage proximal basin filling.

 

  
Courageous Lake ProjectPage 54
Pre-feasibility Study and Preliminary Economic Assessment NI 43-101 Technical ReportJanuary 5, 2024
  

  

 

Figure 7-1:Regional Geology of the Courageous Lake Project

 

 

 

Source: Seabridge, 2024.

  

  
Courageous Lake ProjectPage 55
Pre-feasibility Study and Preliminary Economic Assessment NI 43-101 Technical ReportJanuary 5, 2024
  

  

 

7.3Mathews Lake Greenstone Belt

 

The Mathews Lake Greenstone Belt (MLGB) is a steeply east-dipping, north to northwest trending, homoclinal sequence. These sequences of metavolcanic and metasedimentary rocks of the Yellowknife Supergroup form a composite pile 3 to 7 km wide and 56 km long. Regional mapping demonstrates that the sequences are not overturned, and stratigraphic tops are to the east. The MLGB is bounded to the west by a sodic granite pluton referred to as the Courageous Lake Batholith, and to the east by conformably overlying turbidite metasedimentary rocks (Moore, 1956). Dynamo-thermal regional metamorphism within the MLGB has created mineral assemblages indicative of mid-greenschist facies metamorphic grade. At the north and south limits of the MLGB lower-amphibolite facies, metamorphic grade has been identified. Three discrete deformational events are recorded in these rocks. Based on lithogeochemical analysis and mapping done by Wells (1998) on the MLGB, the depositional environment is envisioned as one or more evolving island arcs. Early widespread tholeiitic volcanism was followed by more restricted calc-alkaline eruptive centers, or islands. Bimodal tholeiitic/calc-alkaline volcanic sequences of this type are common in Archean greenstone belts (Wells, 1998). Yellowknife Group sedimentary rocks, mainly greywacke and siltstone, are interpreted to represent later stage proximal basin filling.

 

The Walsh Lake Trend is a stratigraphic break in the greenstone belt where clastic sedimentary rocks were deposited on mafic volcanic rocks. During deformation of the greenstone belt several shear zones were formed on and near this contact. Gold-bearing fluids moved through these shear zones depositing quartz-arsenopyrite and gold. There are several occurrences of these quartz vein zones along the MLGB, including the Walsh Lake zone.

 

7.4Stratigraphy – Courageous Lake and Walsh Lake

 

The CLGB extends north-south for 70 km; it reaches a maximum thickness near Matthews Lake and narrows to a few tens of meters at both ends. The CLGB has been described as consisting of two mafic to felsic cycles of volcanism. The basal cycle comprises mainly mafic to intermediate flow and pyroclastic rocks, which have been largely assimilated by the Courageous Lake Batholith to the west. The basal cycle of basalt and andesite is capped by a narrow band of rhyolite flow and tuff, which locally reaches a thickness of 60 m. The interpreted lower cycle contains numerous base metal showings, including the DEB deposit (Dillon-Leitch, 1981; Ransom and Robb, 1983).

 

The second cycle contains mafic to felsic flow and pyroclastic rocks. The felsic rocks are much more extensive in cycle 2, attaining a thickness of 1,800 m near Matthews Lake, and a lateral extent of 25 to 30 km. They are composed of massive to porphyritic flow, tuff and coarse pyroclastic units. Felsic volcanic rocks of cycle 2 are conformably overlain by the Yellowknife Group sedimentary rocks. The upper part of cycle 2 interfingers with the overlying sedimentary rocks and is host to nearly all known gold occurrences in the belt (Ransom and Robb, 1983).

 

An alternative interpretation of the volcanic stratigraphy is proposed based on work conducted by Seabridge. This interpretation calls for a single evolving volcanic succession rather than two distinct cycles. This modification is based on the observations that the second cycle is preserved only in the central part of the greenstone belt, and is intimately associated with dome-like rhyolite intrusions. On the margins of the CLGB, only a single cycle of mafic to felsic eruptive rocks is present. Seabridge has developed an alternate interpretation in which the original basin was filled with basaltic and andesitic lavas. As the basin evolved, rhyolitic volcanic rocks began to be deposited with the mafic rocks. There are indications of bimodal volcanism throughout the volcanic succession. In the central part of the basin, the volume of rhyolitic volcanic rocks swamp out the contribution of mafic volcanic rocks, leading to a thick sequence of cycle 2 volcanic rocks. Only locally in the central part of the basin are mafic rocks preserved once the rhyolitic volcanism began. As the rhyolitic volcanism waned up-section, sedimentation became more common until it completely overtook volcanism, giving way to the turbidite sequence depicted in Figure 7-2.

 

  
Courageous Lake ProjectPage 56
Pre-feasibility Study and Preliminary Economic Assessment NI 43-101 Technical ReportJanuary 5, 2024
  

  

 

Figure 7-2:Stratigraphic Sequence Models

 

  

Source: Seabridge, 2023.

 

7.5Metamorphism

 

According to Dillon-Leitch (1981), CLGB supracrustal rocks have undergone three stages of metamorphism analogous to the history of the Yellowknife area reported by Ramsey and Kamineni (1977). These events include:

 

Early regional greenschist facies metamorphism associated with northwest-southeast compression.

 

Laterally discontinuous contact thermal metamorphic aureoles of greenschist and amphibolite facies associated with granite intrusions.

 

  
Courageous Lake ProjectPage 57
Pre-feasibility Study and Preliminary Economic Assessment NI 43-101 Technical ReportJanuary 5, 2024
  

  

 

Late hydrothermally induced retrograde metamorphism in amphibolite facies rocks.

 

All metamorphic events took place under moderate confining pressures between 2 Kb and 4 Kb (Dillon-Leitch, 1981). The metasedimentary rocks exhibit the greatest variety and continuity of metamorphic assemblages.

 

Pro-grade mineral assemblages in and adjacent to the FAT deposit are the product of the early mid-greenschist facies grade metamorphic event. The constituent minerals are chlorite + muscovite + biotite with minor almandine garnet porphyroblasts. The discontinuous and scattered distribution of the garnets indicates compositional control rather than increasing pressure conditions. No mineralogical megascopic indication of a retrograde metamorphic event has been noted in the FAT deposit area. The high-quality of preservation of the original rock textures in the FAT deposit and the lack of a mineralogically distinct post-metamorphic hydrothermal event demonstrates that no regional metamorphic or hydrothermal events have affected these rocks since the initial greenschist facies metamorphism.

 

7.6Chlorite Alteration

 

Chlorite group minerals are common pro-grade mineral assemblages associated with mid-greenschist regional metamorphism in the CLGB. In areas where garnet zone metamorphic grade and higher was achieved, chlorite is rare and retrogressive pseudomorphs after almandine + corderite + biotite. Chlorite alteration is noted in drilling as dark green, scaly masses on fractures and indistinct halos around zones of abundant garnets and biotite. Chlorite is commonly associated with sericite + biotite alteration. Chlorite alteration in the FAT deposit is not associated with gold mineralization and is mentioned here as a probable artifact of the metamorphic events that affected the mineral system.

 

7.6.1Structure

 

Folds and cleavages formed during four deformation phases have been identified during various generations of work in the CLGB. The distinctions between various phases are based on field relationships and oriented thin sections by Dillon-Leitch (1981). As with metamorphic phases, the metasedimentary rocks have more clearly preserved the structural history of the area.

 

The earliest phase of ductile deformation is manifest as an east facing homocline. The structure is open, has an axial trace that trends north-south, and is flat lying to shallowly south plunging. The interlimb distance of the structure is 2 km. It is postulated by Dillon-Leitch (1981) that the homocline formed in response to diapiric upwelling of sodic granitoids along a preexisting north-south oriented, deep-seated fault on the western margin of the CLGB. Synclines, along the eastern margin of the CLGB, were formed in Yellowknife Group sedimentary rocks. These features formed against a static granite body during the diapiric rise of granite on the west side of the CLGB. Continued tilting of the homocline and east-west compression developed major isoclinal folds in the sedimentary rocks. The axial traces of these folds parallel the trend of the CLGB, except where folds deflect around the static granite plutons. Successive periods of regional, sub-horizontal compression created S1 and S2 foliation fabrics and cleavages. The maximum strain over the belt is believed to coincide with peak metamorphism and thermal doming during granite emplacement (Dillon-Leitch, 1981).

 

Late-stage, brittle faulting in the CLGB is generally restricted to two repeated orientations: north-northwest and east-northeast. In the deposit area north-northwest faults are dextral and have a right-lateral sense of movement. The east-northeast faults exhibit sinistral rotation with left-lateral displacement. Orientations and sense of movement of the faults indicate they are coeval with emplacement of gabbro dikes, and Proterozoic in age (Zhang, 1998).

 

  
Courageous Lake ProjectPage 58
Pre-feasibility Study and Preliminary Economic Assessment NI 43-101 Technical ReportJanuary 5, 2024
  

  

 

7.7Petrography and Lithogeochemistry

 

Various generations of petrographic and lithogeochemical analyses have been done on the rock units of the FAT deposit and the various igneous lithologies of the CLGB. The objectives of these investigations were:

 

characterize the volcanic and intrusive rock lithologies,

 

explain the genesis of source magmas, and

 

determine the controls on gold mineralization.

 

Geochemical signatures from sample suites of the CLGB metavolcanic rocks indicate a typical tholeiitic to calc-alkaline, Archean greenstone volcanic succession. Mafic volcanic rocks are metaluminous, sub-alkaline, of tholeiitic affinity and basalt to basaltic-andesite in composition. Felsic volcanic rocks are dacite to rhyolite in composition with chemical affinity to subduction related magmas (Wells, 1998).

 

All previous work has reiterated the strong associations between alkali depletion, sericite (K-metasomatic replacement of Ca, Na) alteration and silica alteration, with gold concentrations. Strataform quartz introduction and secondary silica alteration are shown to have good correlation with As, Au, Ag and W enrichment. TiO2 vs. Zr scatterplots done by Wells (1998) and Madeisky (1999) on full suites of FAT host lithologies suggest that gold is not concentrated in any unique lithology.

 

7.8Mineralization

 

7.8.1Courageous Lake Deposit Mineralization

 

Since its discovery, several common points have been used to describe the FAT deposit, including:

 

A series of gold zones concentrated in long and narrow bands.

 

The deposit is hosted by metasedimentary and metavolcanic rocks.

 

Gold concentrations are associated with the introduction of silica, muscovite, and sulphide minerals.

 

Several early operators (e.g. Giant Yellowknife Mines and Noranda) in the CLGB utilized gold deposit models based on metamorphogenic lode gold concepts developed in the Superior Province to describe the FAT deposit (Ransom and Robb, 1985; Kemp, 1987). Placer Dome demonstrated that the FAT deposit did not form through metamorphic processes (Lau, 1990; Wells, 1998). Seabridge now favours an epithermal-like genesis for the FAT deposit.

 

The FAT deposit is located between the north shore of Matthews Lake and the south shore of Courageous Lake. It is made up of at least 13 discrete, steep east-dipping, elongate lenticular zones that vary in thickness from 20 to 125-m-wide. The continuity of these 13 zones has been demonstrated to be at least 1,900 m long (between UTM 7,108,700N and 7,110,600N), 800 m-wide (between UTM 486,000E and 486,800E) and, although open at depth, at least 1200 m deep. The 13 mineral zones are shown in a northwesterly perspective view, in Figure 7-3.

 

  
Courageous Lake ProjectPage 59
Pre-feasibility Study and Preliminary Economic Assessment NI 43-101 Technical ReportJanuary 5, 2024
  

  

 

Figure 7-3:Perspective View of the FAT Mineral Zones

 

 

 

Source: Tetra Tech, 2012.

  

  
Courageous Lake ProjectPage 60
Pre-feasibility Study and Preliminary Economic Assessment NI 43-101 Technical ReportJanuary 5, 2024
  

  

  

7.8.2Walsh Lake Mineralization

 

The Walsh Lake target is 10 km south of the FAT deposit, adjacent and south of the historical Tundra Gold Mine that was abandoned in 1999. The north part of this target area is connected by a road network that links to the FAT deposit. Walsh Lake is interpreted to be a series of structural zones, parts of which are on strike with the deposits exploited in the Tundra Gold Mine.

 

The Walsh Lake target area stretches one and a half kilometer south from the former mine. This area has undergone several generations of exploration, including some limited past drilling campaigns showing these gold occurrences were located near a regional stratigraphic contact, which could provide significant strike potential. Gold-bearing quartz veins are hosted in sheared rocks near the contact between metamorphosed graywacke and mafic volcanic rocks. The metagraywacke units are fine to coarse sand size material with well preserved, laterally discontinuous, fining upward sequence of graded beds. This turbidite section is distinguished by the absence of volcanic and chemical sedimentary rocks intercalated in the Bouma beds. Metamorphosed mafic volcanic rocks are black to green-black, dense, fine-grained, and typically show fragmental textures. These rocks are principally made up of fine hornblende and plagioclase laths, with localized irregular and fractured dark garnet crystals.

 

Drilling on the Walsh Lake contact zone consistently encounters silica alteration with gold-bearing intervals up to 20 m above the contact in siltstone and up to 60 m below the contact in mafic volcanic rocks interbedded with siltstone or felsic volcanic rocks. Gold is concentrated in arsenopyrite-bearing silica-altered sheared rocks containing abundant quartz veins, with true widths from one to 12 m. The shearing is almost parallel with bedding. This deformation event is associated with the tilting and regional metamorphism and focused along rheological changes in the stratigraphy.

 

7.9Lithology – Courageous Lake

 

The rocks of the FAT deposit have been metamorphosed, however in the following discussion the prefix “meta” has been omitted from their lithologic description for convenience of the reader.

 

7.10Volcanic Rocks – Courageous Lake

 

The volcanic rocks of the CLGB represent a tholeiitic to calc-alkaline suite of volcanic rocks, common to many Archean greenstone belts of the world. U-Pb and Rb-Sr age determinations of a general suite of CLGB volcanic lithologies give an age of 2.66 Ga (Dillon-Leitch, 1981).

 

Mafic volcanic rocks are classified as basalt and basaltic-andesite (Moore, 1956). This unit crops out along the western margin of the greenstone belt as low relief ridges. The flows are holocrystalline, massive, fine-grained and medium-to-dark green in color. They are commonly amygdaloidal and pillowed indicating a shallow, subaqueous, depositional environment. No mafic volcanic rocks are known in the FAT deposit.

 

Felsic volcanic rocks and their intrusive equivalents in the CLGB were derived from peraluminous, sub-alkaline magmas of calc-alkaline affinity (Wells, 1998). The rocks are dacite to rhyolite and range in color from pale grey to light green. Lithic-bearing tuff, ash and agglomerate are the principal rock textures. These felsic volcanic lithologies are the predominant host to the FAT deposit.

  

  
Courageous Lake ProjectPage 61
Pre-feasibility Study and Preliminary Economic Assessment NI 43-101 Technical ReportJanuary 5, 2024
  

  

 

The felsic volcanic rocks are the best-described units in the area because of their association in the FAT gold deposit. In general, these rocks are a package of fine-grained pyroclastic units that regionally form a relatively thick but laterally restrictive pile. Compositionally these rocks seem to vary little, but textural variation is diverse. The most common variety of felsic volcanic rock is lapilli-tuff, generally composed of 30% juvenile phyric fragments in a phyric groundmass as shown in Figure 7-4. Note that the scale bar in Figure 7-4 is 7 cm long. This rock shows ubiquitous welding and compaction layering. Lithic-tuff is less common and generally contains 10% cognate lithic clasts of porphyritic rhyolite in a phyric groundmass. Crystal-tuff units are uncommon and seem to be limited in lateral and vertical extent. These rocks are typically very fine-grained with a trace to 20% β-quartz crystal inclusions and rare accidental lithic inclusions. The second most common pyroclastic lithology is ash tuff. This unit is composed of 60-80% very fine phyric fragments with minor amounts of pumice fragments of lapilli size.

 

Figure 7-4:Lapilli-tuff Unit in Outcrop

 

 

 

Source: Tetra Tech, 2012.

  

  
Courageous Lake ProjectPage 62
Pre-feasibility Study and Preliminary Economic Assessment NI 43-101 Technical ReportJanuary 5, 2024
  

  

 

7.11Sedimentary Rocks

 

Within the felsic volcanic rocks of the FAT deposit are abundant lens-shaped, epiclastic intercalations. Whole-rock analyses by Wells (1998), and others, have shown many of the sedimentary rocks are derived from a tuffaceous source. They are generally light brown to grey-black in color. Flame structures, graded bedding, load casts, and slump features are common in these rock units, which correspond to an inter-volcanic low-energy depositional environment. Metamorphic grade is low and primary sedimentary structures are preserved. The lithologies are tuffaceous greywacke, thinly laminated siltstone and fine-grained arkosic sandstone. The coarser clastic units vary from thickly bedded to massive and generally show graded bedding. The coarser clastic rocks can form massive beds up to 15 m thick. Fine-grained siltstone is thinly laminated and seldom exceeds 7 m in thickness.

 

7.12Intrusive Rocks

 

Intruding and post-dating all rocks groups are Proterozoic gabbro dikes. Selected dike samples in the province have yielded ages of 2.0 Ga (Dillon-Leitch, 1981). In the FAT deposit vicinity, a prominent east-northeast dike offsets mineral domains of the FAT deposit by 25 m. Narrow gabbro dikes are encountered elsewhere in the FAT resource as north-northwest trending features; most are not exposed at the surface. These intrusive rocks have no economic importance.

 

7.13Hydrothermal Alteration

 

The mineral domains of the FAT deposit are defined by a discrete suite of hydrothermal alteration assemblages. The lateral continuity and stratigraphic thickness of the hydrothermal system indicates that the FAT deposit was robust in volume and duration. Alteration styles are of varying intensity and can exist independently and in combination.

 

7.14Sericite Alteration

 

The predominant hydrothermal alteration minerals in the FAT deposit are illite group sheet silicates, referred to as a single mineral, ‘sericite’. Sericite alteration is identified wherever fine-grained, white-grey, aligned mica (muscovite/paragonite?) is encountered. This alteration style is best developed in the felsic volcanic rock units, due to the original glassy nature of these rocks. It is recognized that original devitrification of the felsic volcanic rock followed by greenschist metamorphism is likely to create a mineral assemblage that mimics sericite alteration associated with hydrothermal fluids. In the absence of a definitive feature to discriminate the source of sericite, Seabridge has followed the convention of previous workers and catalogued all sericite occurrences as alteration. The photograph in Figure 7-5 is a typical example of sericitic alteration at Courageous Lake. Note that the yellow tape measure is graduated in centimeters. This is a sample of drill core from the FAT deposit.

  

  
Courageous Lake ProjectPage 63
Pre-feasibility Study and Preliminary Economic Assessment NI 43-101 Technical ReportJanuary 5, 2024
  

  

 

Figure 7-5:Typical Sericite Alteration

 

 

 

Source: Tetra Tech, 2012.

 

Intensity of sericite alteration varies widely in the FAT deposit. In most cases, it is associated with other alteration styles but can be found independently. All the recognized sulphide minerals in the FAT deposit can be found in sericite alteration. The presence of sericite alteration is a necessary component of gold occurrences, but the intensity of sericite alteration alone is not diagnostic of gold mineralization. This association of sericite alteration and gold suggests that mineralized material forming fluids in the FAT mineral deposit are in part K-bearing and capable of leaching Ca and Na.

 

7.15Silicic Alteration

 

Silicic alteration of varying intensity is ubiquitous throughout the defined mineralized material domains and much less common between mineralized material domains in felsic volcanic rock of the FAT deposit. It is texturally retentive in volcanic rocks, only rarely overprinting and destroying primary pyroclastic textures. Silica flooding of groundmass material in volcanic rock is microcrystalline, blue-grey in color and closely related to strataform quartz zones. The most intense zones of silicic alteration are not generally indicative of higher gold concentrations. This gold-poor silica alteration may be another expression of the original devitrification of the glassy volcanic pile that hosts the FAT deposit.

 

Two distinct varieties of quartz have been identified in the FAT deposit mineralized material domains (Figure 7-6). The predominant variety is blue-grey, cryptocrystalline quartz as thin, sulphide-bearing strataform anastomosing veinlets and strataform lenses. Less common is medium-grain crystalline, white-grey quartz zones, often containing abundant iron carbonate minerals (predominantly ankerite) and calcite at the margins of these quartz zones. The white-grey quartz zones and veins typically crosscut the blue-grey quartz in the mineralized material domains. White-grey, quartz-ankerite-calcite veins up to 0.5 m-wide are common between mineralized material domains. These veins cut perpendicular to the original depositional layering preserved in the volcanic rocks. The two types of quartz alteration are shown in the drill core photograph in Figure 7-6.

  

  
Courageous Lake ProjectPage 64
Pre-feasibility Study and Preliminary Economic Assessment NI 43-101 Technical ReportJanuary 5, 2024
  

  

 

Figure 7-6:Types of Quartz Alteration

 

  

Source: TetraTech, 2012.

 

Much of the technical literature for the FAT deposit uses “vein” to describe the silica alteration in the mineralized material domains. Textures in these zones of strataform silica alteration are more consistent with pervasive inundation of silica-bearing fluids into the rock, rather than a fracture-filling. The nature of the fluid responsible for the silica alteration is a silica saturated and metal-bearing hydrothermal fluid. Textural evidence indicates the fluid invaded the rock at pressures that for the most part did not exceed the lithostatic lode in the volcanic pile.

 

7.16Carbonate Alteration

 

Carbonate alteration is a ubiquitous constituent affecting the rocks hosting the FAT deposit. Whether the source of abundant carbonate is from seawater or as a product of cation liberation during alkali leaching is unknown. Carbonate as calcite, ankerite, and siderite are common accessory minerals with white, medium crystalline quartz zones and veins. Calcite is common as infill of late-stage fractures and small shear zones and is found in minor amounts in the matrix of most rocks in the FAT deposit. Carbonate alteration is a major and widespread component of the assemblages of the FAT deposit, but is not believed to be an important process in introduction of gold mineralization in the rocks of the FAT deposit.

 

The most pervasive zones of carbonate alteration are found in the stratigraphically older mineralized material domains of the FAT deposit. Stratigraphically below, and as part of Zone 8, are breccias derived from clastic debris flows with a matrix of calcite. In addition, sucrossic calcite is found replacing lapilli clasts in volcanic rocks of Zone 8. Younger mineralized material domains (Zones 1 to 5) contain similar abundances of calcite fracture infill, quartz/carbonate veins and strataform masses, but fine crystalline calcite impregnating matrix material is much reduced and spottier in nature. Throughout the deposit ankerite is a common mineral associated with white-grey quartz zones as subhedral, irregular masses embayed at the boundaries of these quartz zones.

 

  
Courageous Lake ProjectPage 65
Pre-feasibility Study and Preliminary Economic Assessment NI 43-101 Technical ReportJanuary 5, 2024
  

  

 

7.17Potassic Alteration

 

Potassic alteration is restricted to the external margins of gabbro intrusions within the FAT deposit and is not associated with gold concentrations. This alteration type is manifested in microvein filling and vein salvages or patchy zones as distinctive pink orthoclase, biotite, quartz and pyrrhotite. Potassic alteration is intense and distinct within a few meters of a gabbro intrusion but not recognized elsewhere in the FAT deposit.

 

7.18Sulphide Minerals

 

Sulphide mineralogy in the FAT deposit is relatively simple and consists of pyrite, pyrrhotite, arsenopyrite, sphalerite and chalcopyrite in decreasing order of abundance. All of these minerals can be found in the ore domains but only arsenopyrite has a consistent correlative relationship to gold concentrations.

 

Pyrite is present throughout the volcanic pile ranging in abundance from a trace to 5%. It is disseminated in the rock or along fractures and microveinlets. The pyrite habit is euhedral to subhedral, ranging in size from 0.5 to 4.0 mm.

 

Pyrrhotite has a more restrictive distribution but can be very abundant in sedimentary rocks intercalated with the volcanic pile. Concentrations of pyrrhotite range from a trace to 8%. It is found in fractures and microveins in the volcanic rocks and as semi-massive lenses in sedimentary rocks. An anhedral habit or clotty composite crystals are typical in the size range of 0.5 to 3.0 mm.

 

Arsenopyrite is recognized in three distinct habits and it is the best guide to the occurrence of gold. Concentrations of arsenopyrite can range from a trace to 10% but typically, where present, it is less than 1% of the rock. Arsenopyrite is found as:

 

acicular crystals disseminated or as partial to full replacement of lapilli fragments, the discrete needle-like crystals are 0.5 to 2.5 mm long;

 

anhedral disseminated clots of arsenopyrite is in the size range of 0.5 to 2.0 mm; and

 

euhedral arsenopyrite in fractures, from 1.0 to 5.0 mm across.

 

Both the fine anhedral and acicular arsenopyrite are associated with gold concentrations but the acicular variety seems to have the clearest association in much of the deposit. Coarse arsenopyrite is not common and seems to have little association with gold.

 

Sphalerite and chalcopyrite are trace components of the mineral system. They are typically euhedral to subhedral discrete minerals ranging in size from 0.3 to 1.5 mm. There most common occurrence is at the margin of and within the chill margin of the younger gabbro intrusions.

  

  
Courageous Lake ProjectPage 66
Pre-feasibility Study and Preliminary Economic Assessment NI 43-101 Technical ReportJanuary 5, 2024
  

  

 

8DEPOSIT TYPES

 

8.1Deposit Model

 

The Courageous Lake deposit is a stratiform series of near-vertical, elongate lenticular mineralized domains hosted in Archean tuffaceous clastic rocks and ash-flow tuff. Gold mineralization is interpreted to be a product of an episodic, epithermal-like, submarine and subaerial, hydrothermal system. Regional deformation has imparted minor metamorphic mineralogical and geometric modifications to the deposit. The hydrothermal system is interpreted to have formed within an emerging, peraluminous, calc-alkaline rhyolite to rhyodacite volcanic edifice. Although there is no strict lithological control to the gold distribution in the deposits, each of the identified domains has a consistent stratigraphic architecture that distinguishes them. Gold concentrations are associated with:

 

intense (>20%) alkali depletion of the volcanic rocks;

 

K-metasomatism manifested as sericitic alteration;

 

strataform quartz zones accompanied by broad, variably intense silicic alteration; and

 

concentrations of acicular arsenopyrite crystals.

 

8.2Walsh Lake Deposit

 

The Walsh Lake zone is contained in quartz vein and silicic alteration within and surrounding shears. Mineralized material mineralogy is dominated by arsenopyrite and free gold. This style of orogenic gold deposit is common in Archean greenstone belts.

  

  
Courageous Lake ProjectPage 67
Pre-feasibility Study and Preliminary Economic Assessment NI 43-101 Technical ReportJanuary 5, 2024
  

  

 

9EXPLORATION

 

9.12003-2004 Seabridge

 

During 2003, Seabridge designed and executed a work program on the Courageous Lake property with the goal of evaluating and prioritizing potential gold targets. Four targets were developed, South FAT Extension (currently part of the Courageous Lake Deposit), Olsen Lake Target, Walsh Lake Target and Salmita Mine Target. These targets were selected as the highest probability to develop new resources for the project.

 

In 2004, drill testing of selected priority targets was undertaken by Seabridge. The program was conceived in 2 stages, initial testing for stratiform gold concentrations similar to the FAT Deposit and sectional drilling of potential resource expiations. The initial program intended to test three target areas, Olsen Lake, Walsh Lake and the South FAT Extension. Ground conditions precluded a test of the Walsh Lake target, but the other targets were tested. Results from the initial stage of the program lead the company to initiate sectional drilling on the South FAT Extension.

 

The South FAT Extension was a projection of the previous resource model where little work had been completed. Surface and initial drilling results indicated that 300 m of strike could be added to the Courageous Lake Deposit with the completion of sectional drilling. The second stage of the 2004 program completed the sectional drilling on 50 m section lines across these 300 m of strike.

 

9.22005 - Present

 

Exploration since 2005 has been exclusively drilling programs by Seabridge, as discussed in the following section.

  

  
Courageous Lake ProjectPage 68
Pre-feasibility Study and Preliminary Economic Assessment NI 43-101 Technical ReportJanuary 5, 2024
  

  

 

10DRILLING

 

10.1Courageous Lake Property Drilling

 

Table 10-1 summarizes Courageous Lake Property drilling by deposit and company The total drill meterage shown in Table 10-1 includes overlaps associated with wedge holes that were completed by Noranda and Seabridge. Not all of the meterage shown In Table 10-1 was assayed for gold. This is particularly true for the Noranda data. 5,000 m of un-assayed Noranda core was assayed by Seabridge.

 

The table provided at the beginning of Section 14 details the drilling data that was assayed for gold, which are located within the limits of the block model and that were used to estimate mineral resources.

 

Table 10-1: Summary of Courageous Lake Property Drilling

 

Deposit Company Number of Drill holes Total Depth
(m)
Length Assayed
(m)
Total % Assayed
(m)

 

Courageous Lake

Placer Dome 351 93,027 42,224 45%
Noranda 96 22,684 22,110 97%
Seabridge 255 77,251 72,633 94%
Walsh Lake Noranda 51 10,493 2,628 25%
Seabridge 54 17,792 17,475 98%

 

Salmita

Pre-Noranda 38 5,938 447 8%
Noranda 218 48,379 10,629 22%
Seabridge 36 8,522 8,311 98%
Total 1,099 284,086 176,456 62%

 

10.1.1Pre-2010 Drilling Programs – Courageous Lake Property

 

The following is an excerpt from TetraTech (2012):

 

Prior to 1982, Noranda explored the Courageous Lake properties in search of base metal massive sulphide deposits. As a result of that program, a large number of holes were drilled in the area, most of which were unrelated to the Courageous Lake gold system. In 1982, Noranda initiated exploration in the region for gold. Between 1982 and 1985 a large number of targets were tested with small helicopter supported drill rigs. Based on these programs, a total of 11,239 meters of drilling was completed on the Tundra Main Zone, carbonate zone and surrounding area.

 

In 1986, Noranda contracted 39,030 meters of NQ core drilling on the Tundra and carbonate zones in 76 drill holes. This program was the initial delineation drilling of the targets and led to several internal resource estimations. In total, Noranda completed 317 drill holes for a total of 85,276 meters in both surface and underground drilling campaigns.

 

  
Courageous Lake ProjectPage 69
Pre-feasibility Study and Preliminary Economic Assessment NI 43-101 Technical ReportJanuary 5, 2024
  

  

 

Placer Dome Exploration acquired an option to evaluate the Courageous Lake project and conducted drilling operations in the fall of 1997 and summer 1998. Placer used two NQ diamond drill rigs to provide detailed information on the continuity of the Tundra Main Zone and to confirm the carbonate zone. This program concentrated on completing drill hole fences consisting of five holes per fence on strategically selected east-west sections spaced at 25 to 50 meters. The total diamond drilling completed by Placer was 22,684 meters in 96 drill holes.

 

10.2Seabridge Drilling Programs – Courageous Lake Property

 

In the summer of 2004, Seabridge Gold drilled 23 surface core holes totaling 7,940.7 m. The majority of these holes were drilled near the southern end of the FAT Zone in order to extend the strike length of the deposit.

 

During the 2005 and 2006 field seasons Seabridge gold drilled 39 diamond core holes totaling 15,428 m. The drilling was completed by Connors Drilling (Prince Rupert, BC) using helicopter supported Boyles 25 S drill rigs. Most of the core that was recovered was NQ2 diameter (50.7 mm) using 3.048 m core barrels. The core collected from these drill holes was systematically logged, sawn, and shipped to ACME Labs in Yellowknife, NWT and Vancouver, BC for sample preparation and fire assay.

 

Pre-2010 drill hole collars were translated into NAD83 Canada (MSL) by LiDAR Services International Inc. The 2010 through 2012 drill hole collar locations were surveyed using a high-precision Trimble DGPS unit, which converted the collar coordinates to NAD83 (MSL). Prior to 2010, a local mine grid coordinate system was used at Courageous Lake.

 

In 2010, Seabridge drilled 49 diamond core holes totalling 22,400 m. In 2011, 56 diamond drill holes were drilled for a total of 17,137 m and in 2012 and additional 13 DDHs were drilled for a total of 6,019 m.

 

Drilling since 2012 at courageous Lake Deposit consisted of 180 holes for a total of 53,873m.

 

The diamond drilling since 2010 was completed by Hy-Tech Drilling Ltd. (Smithers, BC) using three Tech-5000 Fly Rigs with NQ tools. Drilling conditions were generally excellent and there was no need to reduce the bore hole diameter. A 3-m long core barrel and wireline was used to retrieve the core. An additional 10 shallow geotechnical core holes were also drilling under the direction of Seabridge's geotechnical contractor, EBA.

 

The drill holes were surveyed down-the-hole using a Reflex tool. The surveys were collected at 75 m spacings down-the-hole for exploration holes and 50 m for geotechnical holes.

 

The drill hole samples were logged and sampled on site at Seabridge's core logging facilities. Golder had geologic representatives on site during the 2010 drilling campaign to conduct detailed geotechnical logging of the drill core.

 

The core samples were routinely flown from the project site by charted fixed-wing aircraft to Yellowknife, 240 km to the south. The samples were prepared at ACME's facility in Yellowknife; the pulps were then transported by air to ACME's assay laboratory in Vancouver, BC.

  

  
Courageous Lake ProjectPage 70
Pre-feasibility Study and Preliminary Economic Assessment NI 43-101 Technical ReportJanuary 5, 2024
  

  

 

Figure 10-1 is a plan view of the drill holes by drill campaign at Courageous Lake. Figure 10-2 is a N-S sectional view of the drilling at the center of the deposit, showing the location and extent of the historic and underground drilling. The resource pit and geologic shapes used in modelling are also included in the section for reference.

 

Figure 10-1:Drill Collar Location Plan – Courageous Lake Deposit

 

  

Source: MMTS, 2023.

 

  
Courageous Lake ProjectPage 71
Pre-feasibility Study and Preliminary Economic Assessment NI 43-101 Technical ReportJanuary 5, 2024
  

  

 

Figure 10-2:Sectional View of Courageous Lake Drilling by Drill Campaign

 

i  

Source: MMTS, 2023.

 

10.3Seabridge Drilling Programs - Walsh Lake Deposit

 

Drilling at Walsh Lake by Seabridge was all done in 2012 and 2013. Figure 10-3 is a plan map of the drilling.. Drill holes shown in red were not used for Resource Estimate both because they were outside the mineralized zone and because there were large portions of the hole which were not assayed.

  

  
Courageous Lake ProjectPage 72
Pre-feasibility Study and Preliminary Economic Assessment NI 43-101 Technical ReportJanuary 5, 2024
  

  

 

A total of 16,643 m of diamond core drilling was completed in 51 drill holes in the Walsh Lake area. Drilling was conducted by Hy-Tech Drilling from Smithers, BC, utilizing a proprietary helicopter-portable drill and NQ2 drill tools. Details of the drilling are the same as those for Courageous Lake, as outlined in Section 10.2.

 

For a summary of the drill holes used for the Resource Estimate, see Section 14.

 

Figure 10-3:Drill Collar Location Plan – Walsh Lake

 

  

Source: MMTS, 2023.

 

  
Courageous Lake ProjectPage 73
Pre-feasibility Study and Preliminary Economic Assessment NI 43-101 Technical ReportJanuary 5, 2024
  

  

 

11SAMPLE PREPARATION, ANALYSES, AND SECURITY

 

11.1Introduction

 

Section 11 contains a comprehensive review of the QA/QC assay data of Courageous Lake and Walsh Lake with respect to Au, focusing on samples from drill holes used for resource modelling.

 

Sections 11.2 to 11.6 contain selected extracts of previous reports on Courageous Lake as follows:

 

Technical Review of the Courageous Lake Property, Northwest Territories, Canada RMI December 30, 2004.

 

Updated Mineral Resource Estimate Courageous Lake Project, Northwest Territories, Canada. RMI February 22, 2007.

 

2012 NI 43-101-compliant Pre-Feasibility Study by Tetra Tech Wardrop et al. 2012.

 

Sections 11.2 to 11.6 include sampling, preparation, analysis, QA/QC protocols descriptions for both the Courageous Lake and Walsh Lake projects. Given the similarities and proximity of the two deposits and since Seabridge was the operator for both for the last 20 years, the procedures, assay methods, and QA/QC insertion rates are largely comparable. Seabridge protocols employed at Walsh Lake in 2012-2013 are stated separately.

 

In Section 11.7, MMTS reviews all available QA/QC data that are relevant to the Courageous Lake Resource Estimate. The tabled counts and rates can vary compared to numbers in extracts from previous reports due to a lack of data availability from Seabridge’s internal assay database but are overall comparable.

 

In Section 11.12, MMTS reviews all available QA/QC data that are relevant to the Walsh Lake Resource Estimate, as per the sample assay results for all considered drill holes shown in Section 10.

 

11.2Historical Sampling Courageous Lake

 

The following paragraphs were taken from the 2004 technical review of Courageous Lake completed by RMI, with minor textural modifications (RMI, 2004).

 

11.2.1Noranda 1982-1986

 

Noranda established and documented sampling protocols for both their drill core sampling and underground face sampling programs. During the critical delineation drilling program, Barringer Laboratories set up and operated a sample analysis facility on the Courageous Lake Project site.

 

Drill core samples were taken at geologic breaks and were designed so that sample lengths did not exceed 1.5 m. Most of their sample lengths were generally 1-m long. The core was delivered to technicians that sawed the core for sampling and cross-validated the intervals with the geologic logs.

  

  
Courageous Lake ProjectPage 74
Pre-feasibility Study and Preliminary Economic Assessment NI 43-101 Technical ReportJanuary 5, 2024
  

  

 

When discrepancies between the geologic log intervals and the core splitter intervals were encountered, the sample was discarded, and a quarter split of the core was made to reflect the geologic sample logs. Samples collected by the geologic team on site were delivered daily to the Barringer's on-site facility, where they were catalogued and compared with Noranda's transmittal forms.

 

The 1982-1986 Noranda samples were air-dried and the entire sample was processed through a jaw crusher and cone crusher so that 100% of the material passed through a 10-mesh screen. The sample was then homogenized and split into a 500-gram sub-sample that was then reduced to minus 150-mesh in a ring pulverizer. This pulp was then homogenized and split into several 15-30-g charges. Pulp samples were analyzed by fire assay with an atomic absorption finish. Samples that were identified with abundant arsenopyrite and had an initial fire assay value >6.0 g/mt Au were re-fired with a gravimetric finish.

 

Noranda’s sampling protocols ask for a duplicate check analysis to be completed for every 10th sample. In addition, a sample standard was inserted as the 20th sample in every sequence of samples. Blind blank samples were provided to the lab facility for every 50th sample. These blind samples were collected from homogenous barren material on site. Duplicate analyses were preformed a Neutron Activation Laboratories on randomly selected samples for every sequence of 50 samples. Excess pulp samples and reject material were stored on site but have since been discarded.

 

11.2.2Placer Dome 1997-1998

 

The Placer Dome core samples averaged 1.46 m in length and were determined by geological controls. Samples were broken out based on visual clues in the target zone and on two-meter intervals outside the visually identifiable zone. Core was sawed and shipped to Placer Dome's Project Development Division Research Center for assay. Half of the core was retained in the core box for further reference and was stored on site.

 

The 1997-1998 sample preparation was completed at the Placer Dome laboratory or at Min-En Labs of Vancouver, BC. The samples of sawed core were dried, and stage crushed to 60% passing 10-mesh. A sub-sample of 250 grams was separated and pulverized in a ring/roll pulverizer to 90% passing 150-mesh.

 

Gold assays were performed on a 25-g pulp sample by fire assay methods with an atomic absorption finish. The results were reported in grams per tonne. Sample results that exceeded 10.0 g /t Au were re-assayed and completed with a gravimetric finish.

 

Placer Dome samples were organized in batches of twenty, which included three quality control samples per batch that were placed in a random order by the core logger. Duplicate quality control samples were inserted on site, while a standard and a blank sample were inserted in each batch by the assay lab. The research center also included quality control samples. In every set of 24 samples (one furnace charge), they included an in-house standard, a duplicate sample, and a reagent blank sample. On every fifth furnace charge (120 samples) a certified standard was inserted. Five percent of all samples were sent out for third party checks.

  

  
Courageous Lake ProjectPage 75
Pre-feasibility Study and Preliminary Economic Assessment NI 43-101 Technical ReportJanuary 5, 2024
  

  

 

11.3Seabridge Sampling Method

 

11.3.1Seabridge 2004-2006

 

A total of 9,729 core samples were assayed by Seabridge for the 2004 drilling program. Their samples averaged 1.35 m in length and were determined by geological controls. Samples were broken on observational characteristics and on 1.5-m intervals through larger continuous intervals.

 

In addition, Seabridge also collected a series of samples from un-split parts of historical drill holes that were completed by Noranda on the FAT deposit. All samples of whole core were split with a diamond saw and 1/2 of the core was bagged for analysis and the remaining core returned to the box, which is stored on site.

 

To insure that the 2005 and 2006 Seabridge drill hole assays were suitable for resource estimation several systems were put into place to measure the accuracy and reproducibility of the assays. During 2005 a total of 2,904 samples were taken from 4,409.95 m of core for an average sample length of 1.44 m. During two drilling campaigns in 2006 a total of 7,745 samples were taken from 11,288.76 m drilled, for an average sample length of 1.43 m.

 

All samples of whole core were sawn in half using a diamond-impregnated saw, with ½ of the core was bagged for shipment to the lab for analysis and the other half was returned to the core box for storage on site. The split core was shipped to ACME Laboratory’s prep facility in Yellowknife where the samples were dried, crushed and pulverized creating a pulp that was shipped to ACME’s assay facility in Vancouver, BC and a coarse reject which is stored at ACME’s facility in Yellowknife until all analyses and checks have been completed. The coarse rejects were then stored at a secure facility in Yellowknife controlled by Matrix Logistics.

 

11.3.2Seabridge 2010-2012 Courageous Lake

 

According to RMI (2012), the 2010-2011 diamond drill core was collected at the drill rigs by Seabridge's drill contractor (Hy-Tech Drilling Ltd.) and were typically flown by helicopter in wire baskets to the core processing facility that is located on site. Once on the ground near the core shed, the core boxes were inventoried and stacked by hole/box number. The drill core was then moved inside the logging facility and various checks made against information that was supplied by the drilling contractor (e.g. from-to depths, box numbering, implied recovery, and drill hole depths). Discrepancies were immediately presented to the contractors’ representative and resolved before any core was logged.

 

In the logging facility, core was measured for start and finish depths for each box and then the wooden core box was labelled with aluminum tape (hole ID, box number, and from/to depth). Then various geotechnical measurements were performed under the supervision of Seabridge geologists. Various geologic parameters were then logged by a geologist and entered into a computer spreadsheet. The geologist or a supervised technician then marked out the core for sample breaks and assigned sample numbers for each interval. The core was then photographed and moved to the cutting facility where ½ splits of core were sawn by a labourer. One half-split of the core was placed into pre-numbered plastic sample bags while the other half was returned to the wooden core box, and then placed in core storage racks located on site.

  

  
Courageous Lake ProjectPage 76
Pre-feasibility Study and Preliminary Economic Assessment NI 43-101 Technical ReportJanuary 5, 2024
  

  

 

The core room supervisor collected the samples from each of the saws, verified sample sequences, and placed 6-10 samples into numbered one-bushel rice bags labelled for shipment to Yellowknife, NWT. The Seabridge Project Manager was responsible for the security of the bags while awaiting shipment. Prior to shipping the samples to the preparation facility in Yellowknife, an inventory of the samples was checked against the laboratory submittal form and the control sheet from the cutting facility.

 

Samples were flown by fixed-wing aircraft (or helicopter) to the ACME preparation facility located in Yellowknife, NWT.

 

The sample pulps were then shipped by ACME personnel from their Yellowknife preparation facility to their assay laboratory in Vancouver, BC in secure containers. The coarse rejects were temporarily stored at the ACME preparation laboratory in Yellowknife until all results had been received and were transferred back to the Courageous Lake Project site afterwards.

 

Actual sample preparation (crushing and pulverizing) and assaying was always done by contracted laboratory personnel. No Seabridge personnel were involved in any aspect of the sample preparation/assaying operations. The same protocols were used for the 2012 drilling, according to Seabridge personnel.

 

11.3.3Seabridge 2010 Walsh Lake

 

Compared to previous drilling campaigns, several minor changes were instituted in 2010. Sample numbers were no longer written with indelible marker on the inside of the wooden core box but rather the waterproof tyvex sample number tag was stapled to the wooden tray where the sample starts. This change provided an additional check on the location of the samples because core photos were taken after stapling the sample tags to the core box. Most samples collected are 1.5 m-long with a maximum length of 2.0 m and not 1.8 m. The sample number was only written on one side of the plastic bag, not on both sides like the prior campaigns and a waterproof sample tag was inserted into the sample bag.

 

After photographing, the core boxes were moved to the cutting facility where ½ splits of core were sawn by a labourer. One half-split of the core was placed into pre-numbered plastic sample bags while the other half was returned to the wooden core box, and then placed in core storage racks located on site.

 

The core room supervisor collected the samples from each of the saws, verified sample sequences, and placed 6-10 samples into numbered one-bushel rice bags labelled for shipment to Yellowknife, NWT. The Seabridge Project Manager was responsible for the security of the bags while awaiting shipment. Prior to shipping the samples to the preparation facility in Yellowknife, an inventory of the samples was checked against the laboratory submittal form and the control sheet from the cutting facility.

 

In 2012-2013, the diamond drill core was logged and photographed, geologists marked out samples prior to diamond sawing using a unique 7-digit alphanumeric sample tag for each sample. Sample start and stop points were marked onto the core and core box by a geologist. Seabridge determined that a sample length of 1.5 meters was appropriate for the deposit type. Other criteria established by Seabridge required that all sample lengths should be in the range of 0.5 to 1.8 m. Where applicable, samples were broken at obvious lithologic, alteration, and/or mineralized contacts.

  

  
Courageous Lake ProjectPage 77
Pre-feasibility Study and Preliminary Economic Assessment NI 43-101 Technical ReportJanuary 5, 2024
  

  

 

Technicians sawed the diamond core longitudinally generating two halves, one of which was sent for assay and the other stored on site in its original core box for a permanent record. Seabridge maintained detailed records that tracked individual samples from the core logging area to the assay lab. The sawn core samples were placed in plastic sample bags with a sample tag. The sample bags were also labeled on one side with a permanent marker. The individual plastic sample bags were secured with plastic ties and placed in rice shipping bags.

 

11.4Sample Security and Storage

 

A drill core sample integrity protocol was established by Seabridge Gold and maintained throughout the different phases of the various programs from 2004-2013. While at the project location, the core was always under the direct supervision of either Seabridge employees or their drill contractors from the drill rig to the core logging facility. Core collected at the respective drill rig was flown to a Seabridge Gold work facility located on the Courageous Lake property. Initially this core was inspected, and box numbers, implied recovery and drill hole depths were checked against the information provided by the drill contractor. Discrepancies were presented to the contractors and resolved before moving the core to the logging facility.

 

In the logging facility, core boxes were numbered with aluminum tape, the core was cleaned, and geotechnical measurements conducted under the supervision of Seabridge Gold geologists. The Seabridge Gold geologist then described the drill core, entered the descriptions into an AcQuire database and selected and numbered the drill core samples. Drill core was then moved to the cutting facility where 1/2 splits of the core were sawn by a staff member or local laborer. Each sample was provided with a unique bag that was pre-numbered to correspond with the sample interval. The sawing and numbering of sample bags was supervised by a geologic technician and the project manager. Half of the core was retained in the core box for further reference and is stored on site.

 

After completing 7 to 10 samples, the individual samples were collected into 1 bushel rice bags, labeled, sealed with zip ties, and weighted. These bags were then stored in a secure place until shipment was arranged via air charter to Yellowknife. The project manager was responsible for the security of the bags while awaiting shipment, principally to insure no changes were made to air weights, but this also precluded tampering. Air shipment weights were randomly checked against predicted shipment weights to control costs and confirm no tampering was indicated.

 

Upon arrival in Yellowknife, Matrix Logistics took charge of the drill core samples and delivered them to ACME Laboratory's Yellowknife Prep Facility the same day, with confirmation received from the labs that all samples were received in good condition. Actual sample preparation (crushing and pulverizing) and assaying was always done by contracted laboratory personnel. No Seabridge personnel were involved in any aspect of the sample preparation/assaying operations.

 

The resulting sample pulps were then shipped by ACME personnel from their Yellowknife preparation facility to their assay laboratory in Vancouver, BC, in secure containers. The coarse rejects were temporarily stored at the ACME preparation laboratory in Yellowknife and were eventually transferred back to the Courageous Lake project site for storage.

  

  
Courageous Lake ProjectPage 78
Pre-feasibility Study and Preliminary Economic Assessment NI 43-101 Technical ReportJanuary 5, 2024
  

  

 

11.5Analytical and Test Laboratories

 

The ACME Laboratories in Vancouver, BC, as well as the preparation facilities in Yellowknife, NWT, have ISO 9001:2008 certification and are independent from Seabridge.

 

ALS Vancouver was contracted by Seabridge Gold Ltd. to perform check-assay fire assay Au analyses on select pulps after each drilling campaign. ALS was equally ISO 9001:2008 certified at the time and is ISO 9001:2015 certified today. ALS is independent from Seabridge.

 

SGS Lakefield is a ISO/IEC 17025 accredited laboratory in Ontario, Canada, and was contracted by Seabridge to perform independent check-assay analyses for Au on coarse reject material in 2004.

 

11.6Sample Preparation and Analysis

 

11.6.1Seabridge 2004-2006 Courageous Lake

 

Initial sample preparation for 2004 was completed at the Yellowknife prep facility of ACME Laboratory. The samples of sawed core were dried and crushed to 70% passing 10-mesh. A sub-sample of 250 g was separated and shipped to ACME Laboratory Vancouver, BC. The sub-sample was pulverized in a ring/roll pulverizer to 95% passing 150-mesh before analysis.

 

Results were distributed electronically, and certified copies of the assay sheets were provided to Seabridge Gold's Toronto Office.

 

In 2005 and 2006, the drill core samples were also sent to ACME Laboratories Yellowknife facility. After the samples were inventoried, they were dried in commercial ovens. The samples were then weighted and crushed using a conventional jaw crusher to assure that 70% of the entire sample was reduced to -10 mesh.

 

The crushed samples were then split to produce a 200-g sub-sample with the remainder of the crushed material bagged and temporarily stored at ACME’s facility in Yellowknife as a coarse reject sample.

 

The 200-g sub-sample was then further reduced in size using a ring and puck pulverizer that produced sample pulps where 96% of the sample was -150 mesh. Pulps were then shipped to ACME’s assay facility in Vancouver, BC and analyzed by conventional 30-g sample fire assay methods that used an ICP-ES finish. Certified assay values were electronically transferred from ACME’s lab to key Seabridge personnel.

 

Based on sampling protocols that were established by Seabridge, ACME prepared a second “duplicate” pulp every 10 samples.

 

A total of 223 samples were additionally analyzed by metallic screening G6ME (G602-G612), generally on material exceeding 10 g/t Au as per Seabridge protocols but also on select low-grade or unmineralized samples.

 

From 2004 onwards, check-assay gold analyses for core samples were produced by ALS in Vancouver, BC, utilizing the Au-AA23, a 30-g fire assay method with an ICP-AES finish. All samples assaying over 10 g/t Au were re-analyzed using Au-GRA21, a 30-g fire assay with a gravimetric finish.

  

  
Courageous Lake ProjectPage 79
Pre-feasibility Study and Preliminary Economic Assessment NI 43-101 Technical ReportJanuary 5, 2024
  

  

 

11.6.2Seabridge 2010-2012 Courageous Lake

 

Sample preparation of all the samples was completed by ACME. in Yellowknife, NT; final analysis was again conducted by ACME in Vancouver, BC, requesting the previously described 30-g sample, lead-collection fire assay fusion G6 package for Au and the aqua regia 32-element 1D01 package with ICP-ES finish. Au values exceeding 4 g/t were re-analyzed using the G6Gr protocols which mirror the G6 package but with gravimetric finish and a much higher detection limit of 0.9 g/t.

 

11.6.3Seabridge 2010 Walsh Lake

 

Upon arrival at ACME's assay preparation facility in Yellowknife, the samples were laid out on a large concrete floor and inventoried. The samples were then dried overnight in a drying oven set between 40-60°C. The core was then crushed using jaw crushers to 80% passing 10 mesh. This material was passed through a riffle splitter to generate a nominal 250-g sample that was pulverized to 85% passing 200 mesh and placed in a paper pulp envelope. The pulps were then sent via airfreight to ACME’s assay facility located in Vancouver, BC. The coarse rejects were stored in their original poly bags, which were placed into large wooden shipping crates and stored inside of their fenced facility. These shipping crates were then transferred to the Courageous Lake project site for secure long-term storage.

 

After the samples were received by ACME Laboratories in Vancouver, BC, they were assayed for gold using ACME's 3B01 protocol with is a standard 30-g fire assay fusion followed by an ICP-ES finish. 30g of prepared sample is custom-blended with fire assay fluxes, PbO litharge and a silver ingot. Firing the charge at 1050°C liberates Ag and Au that report to the molten Pb-metal phase. After cooling the Pb button is recovered, placed in a cupel and fired at 950°C to render a Ag-Au doré bead. The bead is then either digested with nitric and hydrochloric acids for instrumentation determination or weighed and parted with nitric acid to dissolve Ag leaving gold which is weighed directly.

 

Seabridge requested that samples more than 4 g/t should be rerun with another charge from the original pulp. Samples returning values exceeding 10 g/t (the upper detection limit of protocol 3B01) were re-assayed using ACME's metallic screen assay procedure G602. The assay results were distributed electronically to the Seabridge Project Manager and other key personnel with the certified copies of the assay sheets sent to Seabridge office in Toronto.

 

The ACME assay furnace holds 84 samples per rack. That means that most of the fire assay runs had at least two Seabridge control samples and several in-house (ACME) standards and blanks.

 

11.6.4Seabridge 2012-2013 Walsh Lake

 

Sample preparation of all the samples was completed by ACME. in Yellowknife, NWT; final analysis was again conducted by ACME in Vancouver, BC, requesting the previously described 30g sample, lead-collection fire assay fusion G6 package for Au and the aqua regia 32-element 1D01 package with ICP-ES finish. Au values exceeding 4 g/t were re-analyzed using the G6Gr protocols which mirror the G6 package but with gravimetric finish and a much higher detection limit of 0.9 g/t.

 

A total of 223 samples were additionally analyzed by metallic screening G6ME (G602-G612), generally on material exceeding 10 g/t Au as per Seabridge protocols but also on select low-grade or unmineralized samples.

  

  
Courageous Lake ProjectPage 80
Pre-feasibility Study and Preliminary Economic Assessment NI 43-101 Technical ReportJanuary 5, 2024
  

  

 

Check-assay gold analyses for rock and core samples were initially completed using Au-AA23, a 30-g fire assay method with an ICP-AES finish. All samples assaying over 10 g/t Au were re-analyzed using Au-GRA21, a 30-g fire assay with a gravimetric finish.

 

In 2013, additional multi-element check-assay analyses were completed using ALS Canada Ltd.’s ME-ICP41, 35 element ICP-AES method, which utilizes an aqua regia digestion.

 

11.6.5Metallic Screening

 

At the end of their 2006 drill campaign, Seabridge started ordering metallic screen fire assay determinations for all samples where the original assay results (one assay tonne fire assay) where in excess of 10 g/t gold. In nearly all cases, the screen fire assays confirmed the original Au results.

 

For their 2010 drilling campaign (the first one since the 2006 campaign), Seabridge implemented a standard protocol that all gold assays more than 10 g/t should automatically be re-analyzed by metallic screen fire methods at ACME's laboratory in Vancouver, BC 500g of the sample material is split into two fractions (+150 mesh and -150 mesh, ACME code M150) which are then analyzed by fire assay with gravimetric finish (G0602-G612) with Au grades reported both separately for each size fraction and for the whole sample.

 

The Courageous Lake/Walsh Lake database currently contains 250 intervals for which the metallic screen fire assay method results represent the Au grade used for resource modelling. The final assay used for estimating resources is based on a prioritized set of rules with metallic screen assays having the highest priority followed by one assay tonne gravimetric finish, and then by one assay tonne with AA finish. Since 2010, Seabridge has requested 439 metallic screens in total for both projects.

 

11.7Quality Assurance and Quality Control - Courageous Lake

 

This section details QA/QC procedures as described in previous reports about Courageous Lake and summarizes all QA/QC insertions by year.

 

The QP has not been able to review any of the pre-2004 QA/QC. The 2004 RMI Technical Review of The Courageous Lake Property states the following:

 

In its July 2002 Technical Report, RMI discussed various aspects of Noranda's and Placer Dome's QA/QC programs.

 

There were limited data available for the analysis of standards and blanks from the Placer Dome drilling. The only available check-assay data were 572 duplicate pulp assays that were provided in the electronic drill hole database.

 

These data were filtered to 272 pairs using a cut-off grade of 0.50 g/t based on the original sample grade and then the relative percent difference (RPD) was calculated for each pair. No definitive bias was detected in the 272 data pairs. Of the 272 pairs, the original value was less than the check-assay value 48% of the time, greater than the check-assay 47% of the time and equal to the check 5% of the time.

 

The mean grades of the original and duplicate assays were similar for the entire population of 572 samples and the filtered data set containing 272 pairs. In both data sets the duplicate assay was 3.5% higher than the original assay.

  

  
Courageous Lake ProjectPage 81
Pre-feasibility Study and Preliminary Economic Assessment NI 43-101 Technical ReportJanuary 5, 2024
  

  

 

The inability to achieve consistent repeatability when assaying duplicate pulps is usually associated with sample preparation and/or the homogenization of the sample media. These steps are often difficult to achieve with coarse gold and/or abundant sulfide minerals that may contain gold because of differential heavy media separation in the pulps.

 

From 2004 to 2012, Seabridge utilized several blanks, 11 certified reference materials, partially project-specific, also 2 un-certified reference materials in 2004, and a comprehensive number of field duplicates to assess contamination, accuracy, and precision. Lab-internal coarse reject and pulp duplicates were also reported, and subsequently reviewed. Check-assaying was performed on more than 10% of primary drill core samples.

 

Table 11-1 details the data count available to MMTS at the time of this report.

 

Table 11-1:QA/QC Insertion Counts and % of Total by Year - Courageous Lake

 

  2004 2005 2006 2010 2011 2012 Total
  count % count % count % count % count % count % count %
Total intervals sampled 9,294 87.4 3,341 68.5 8,061 67.5 14,679 91.1 12,234 69.2 7,126 77.4 54,735 77.7
Total blanks 262 2.5 254 5.2 649 5.4 526 3.3 559 3.2 259 2.8 1,606 2.3
Total Standards 98 0.9 264 5.4 669 5.6 557 3.5 573 3.2 250 2.7 2,411 3.4
Total Duplicates 744 7.0 300 13.0 701 13.0 317 2.0 1,411 8.0 835 9.1 5,493 7.8

Total check-assays

236 2.2 387 7.9 995 8.3 n/a 0.0 1,649 9.3 484 5.3 3,751 5.3
Total rerun+refire 0 0.0 0 0.0 24 0.2 35 0.2 1,256 7.1 258 2.8 2,773 2.2
Total 10,634 100 4,880 100 11,950 100 16,114 100 17,682 100 9,212 100 70,472 100

 

11.8Seabridge 2004 QA/QC Procedures- Courageous Lake

 

Blanks and standards - For 2004, Seabridge inserted blind standards into the sample stream that was sent to ACME's Yellowknife prep facility to control the lab’s overall performance. No information was provided to the lab about individual samples and the sample numbers did not reveal the source of the sample.

 

Instead of purchasing suitable certified reference material from a qualified provider, Seabridge produced both the blank and two types of standards by blending coarse reject material from samples collected and analyzed in 2003. MMTS does not have sufficient information about the process and is not convinced that the material was properly homogenized, Round-Robin-analyzed, and certified for Au by a qualified person.

 

RMI states in the 2004 Technical Review that these blended samples were bagged into individual samples of 3 kg and inserted into the sample series randomly at the rate of 1 standard for every 20 core samples (RMI, 2004).

 

The available Au data for these samples was a combination of ACME and ALS Chemex results and allowed Seabridge to calculate a mean Au value and a standard deviation for each population of 20 (NC-0.5G and NC-2.0G) and 18 for CL_BLANK, respectively.

 

  
Courageous Lake ProjectPage 82
Pre-feasibility Study and Preliminary Economic Assessment NI 43-101 Technical ReportJanuary 5, 2024
  

  

 

Seabridge did not have an adequate supply of home-prepared standard reference material for their full 2004 drilling program and had to prepare a second set of standard reference material to complete the QA/QC program. While the second set of standard reference material was intended to have the same grades as the initial material, the grades turned out to be different and a reliable mean Au grade for the two Standards could not be established.

 

The second standard reference material batch can be readily identified for batches analyzed by ACME after Lab File number A410123 where the variability in Au assay results is very high and the material therefore unsuitable for accuracy control.

 

The three types of material created by blending were:

 

1.Blank Standard using samples that contained gold concentrations between <0.02 g/t and 0.07 g/t Au. This served as BLANK (CL_BLANK).

 

2.0.5 g/t Standard using samples that contained gold concentrations between 0.4 g/t and 0.9 g/t Au. This served as a low-grade Standard (NC-0.5G).

 

3.2.0 g/t Standard using samples that contained gold concentrations between 1.2 g/t and 2.5 g/t Au. This was the high-grade Standard (NC-2G).

 

The blind standards and blind blanks were inserted by Seabridge Gold Inc into the sample shipments to ACME Laboratory Yellowknife prep facility. According to RMI (2004), there were 397 blind blanks and standards randomly inserted into the sample flow at the rate of 1 standard for every 20 samples resulting in 4% of the total analyses. From Seabridge’s current database, MMTS was only able to confirm 360 total.

 

Duplicates - Blind (field) duplicate samples inserted by Seabridge Gold Inc, derived from 1/4 splits of the core, and shipped to ACME Laboratory Yellowknife prep facility. As per RMI (2004), Quarter splits of 201 sample intervals were made during the program, totaling 2% of the sampling program. These intervals for blind duplicates were randomly selected and inserted at the rate of 1 blind duplicate for every 40 samples. MMTS confirmed 184 field duplicates in the Courageous Lake database.

 

Refires - Random, multiple refire analysis of pulps were conducted by ACME Laboratory Vancouver. A total of 280 samples were randomly re-fired by the lab, 277 of these were analyzed twice, according to RMI (2004). These samples represent 2.8% of assay data for this drilling program. ACME Laboratory organized the samples for each furnace charge to include 23 samples and 1 randomly selected Lab duplicate sample, or about one Lab duplicate in every 25 samples. The original sample number was kept, with a ‘RE’ prefix indicating a pulp rerun/refire while ‘RRE’ indicates a reject rerun. MMTS included these under ‘duplicates’ in Table 11-1.

 

Checks - Check gold assays conducted at SGS Lakefield Laboratory from sample reject material that was split and prepared for analysis by SGS Lakefield. Total check samples analyzed by SGS Lakefield are 236 or 2.4% of the samples. MMTS was able to review the 2004 SGS Lakefield data and its performance in relation to the original ACME assay results but is not in possession of the original SGS certificates to fully understand size reduction or assay procedures.

  

  
Courageous Lake ProjectPage 83
Pre-feasibility Study and Preliminary Economic Assessment NI 43-101 Technical ReportJanuary 5, 2024
  

  

 

11.9Seabridge 2005-2006 QA/QC procedures- Courageous Lake

 

For the 2005-2006 campaigns, Seabridge discontinued the use of its home-made blank and standard material from 2004 and instead purchased certified reference material from CDN.

 

RMI (2007) stated that the standard, duplicate, and other checks include:

 

Blanks and STDs - Lab inserted, yet blind Certified Gold Standards at the rate of 2 standard samples in each furnace charge (2 in 25, or 8% of the total samples).

 

sample was a certified blank gold standard renamed as SG-B (BL103)

 

sample was randomly selected from renamed certified reference materials:

 

1.0 g/t certified sample, renamed to SG-L (CDN-GS-1A, CDN-GS-1C)

 

2.5 g/t certified sample, renamed SG-M (CDN-GS-2A)

 

5.0 g/t certified sample, renamed SG-H (CDN-GS-5A, CDN-GS-5B)

 

MMTS found the blanks and standards insertion rates for 2005 and 2006 to be 15.5% and 16.4%, respectively, when referenced to total drill core samples taken.

 

Duplicates - A (field) duplicate sample was collected from a ¼ split of core at the rate of 1 duplicate in every 40 samples, which is 1 sample in every 2 furnace charges. This is a frequency rate of 2.5%.

 

Refires - ACME was instructed to analyze and report 2 random refires of 1 sample within each furnace charge or a frequency rate of 4% of the total samples.

 

Checks - Seabridge discontinued the shipment of coarse rejects requested in 2004. Instead, three pulps in each 25 samples, selected at random, were sent to an independent lab (ALS Chemex) for check fire assay or a frequency rate of 12% of the total primary assays.

 

All samples above a 4.0 g/t cut-off grade were re-assayed from the original pulp using a gravimetric finish and all samples with results above a 10.0 g/t cut-off were reprocessed from the coarse reject material and analyzed using screen fire assay methods.

 

Seabridge requested that ACME provide them with the results and expected gold values of the ACME-internal standards so that information can be used in the QA/QC program. ACME inserted a lab-internal standard was inserted in each furnace charge (1 in 25 or 4% of samples).

  

  
Courageous Lake ProjectPage 84
Pre-feasibility Study and Preliminary Economic Assessment NI 43-101 Technical ReportJanuary 5, 2024
  

  

 

11.10Seabridge 2010-2012 QA/QC Procedures- Courageous Lake

 

To ensure 2010-2012 Seabridge drill hole assays were suitable for resource estimation, several systems were put into place to measure the accuracy and reproducibility of the assays. During 2010, a total of 15,000 samples were collected from 22,400 m of core with an average sample length of 1.48 m in 2011. Twelve thousand (12,000) samples were collected from 19,400 m of core with an average sample length of 1.46 m. Most of these samples were collected from holes that were drilled within the FAT resource zone.

 

Blanks - Seabridge geologists and/or technicians inserted barren “blank” material into the sample stream at an approximate frequency of one blank per 30 regular samples, which resulted in a total of 1,344 blanks controlling 34,039 samples taken or 3.9%. The blank material consisted of decorative marble aggregate that was purchased in Yellowknife.

 

STDs - Three different certified standards were used throughout the 2010 drill campaign. The standards were randomly inserted into the sample stream at a frequency of one standard per 30 regular samples. The standards were ‘KSM’ at 0.774g/t expected value (EV), ‘CL’ at 2.09g/t EV, and CDN-GS-4B at 3.77g/t EV.

 

In 2011, the CL Standard was replaced by the similar CL2 towards the end of the campaign, and in 2012, CDN-GS-1P5F and CDN-GS-3K were inserted on occasion. The Standard insertion rate for the 3 years is 3.9%.

 

Duplicates - Field duplicate samples were collected at a frequency of about one duplicate per 50 regular samples. These duplicates were generated by sawing the initial half-split of core into two equal pieces so that the “original” and the “duplicate” each represented one quarter of the original core.

 

Checks - After each of the three drill campaigns and once assay results were obtained from ACME, Seabridge geologists selected +10% of the ACME pulps and had them shipped to the ALS Chemex Laboratory in Vancouver, BC, where they were fire assayed for gold. MMTS did not have access to the 2010 check-assay data.

 

11.11Standards- Courageous Lake

 

The QP understands that in 2004, to serve as blind reference material, Seabridge utilized two self-made and not properly certified standards that consisted of previously analyzed and grade-selected, then blended sample material of 2003 (5 samples each, analyzed 4 times). Using the multiple assay results of the samples including some refire data, a mean was calculated, followed by a standard deviation calculation for the very small population of 20 Au data points each.

 

Figure 11-1 and Figure 11-2 present those results with the Seabridge-internal mean and SD as warning/failure thresholds. These are not to be confused with expected/recommended/certified means and ‘between-lab’ standard deviations as provided in certificates of purchasable reference materials.

 

The results are poor for both standards, but they do not allow MMTS to draw conclusions about ACME’s accuracy performance.

 

  
Courageous Lake ProjectPage 85
Pre-feasibility Study and Preliminary Economic Assessment NI 43-101 Technical ReportJanuary 5, 2024
  

  

 

Figure 11-1: 2004 Standard Performance NC-0.5G (ACME)

 

 

Source: MMTS, 2023.

 

Figure 11-2: 2004 Standard Performance NC-2G (ACME)

 

 

Source: MMTS, 2023.

 

  
Courageous Lake ProjectPage 86
Pre-feasibility Study and Preliminary Economic Assessment NI 43-101 Technical ReportJanuary 5, 2024
  

  

 

Starting in 2005, Seabridge started inserting blind, fully Au-certified reference materials that reflect the expected range of Au grades of the mineralized system at Courageous Lake. Table 11-2 details all Standards used for accuracy control from 2005-2012.

 

Table 11-2:Standards Certification details for Courageous Lake.

 

Standard

Reference Name

Certification Material Description

Expected
Value (g/t)

SD 2 SD 3 SD

Number

Submitted

CL Smee & Associates 2006 Courageous Lake core 2.090 ±0.065 ±0.130 ±0.195 407
CL2 Smee & Associates 2010 Courageous Lake core 2.073 ±0.094 ±0.188 ±0.282 125
KSM Smee & Associates 2009 KSM core (BC) 0.774 ±0.031 ±0.062 ±0.093 420
CDN-GS-1A CDN n/a 0.78 ±0.04 ±0.08 ±0.12 128
CDN-GS-1C CDN Ore from Specogna deposit 0.99 ±0.04 ±0.08 ±0.12 263
CDN-GS-1P5F CDN n/a 1.4 ±0.12 ±0.24 ±0.36 17
CDN-GS-2A CDN Ore from Specogna deposit 2.04 ±0.095 ±0.19 ±0.285 369
CDN-GS-3K CDN n/a 3.19 ±0.26 ±0.52 ±0.78 23
CDN-GS-4B CDN Gold "ore" from Clone project (BC) 3.77 ±0.175 ±0.350 ±0.525 387
CDN-GS-5A CDN n/a 5.1 ±0.135 ±0.27 ±0.405 50
CDN-GS-5B CDN Ore from Specogna deposit 4.83 ±0.19 ±0.38 ±0.57 123

 

For 2005, Seabridge inserted CDN-GS-1A, CDN-GS-2A, and CDN-GS-5A, while for 2006 the selection was expanded to also include CDN-GS-1C and CDN-GS-5B. Figure 11-3 illustrates the results for all 934 insertions in a simple normalized plot, using the ‘between-labs’ standard deviations.

 

Figure 11-3: 2005-2006 Standard performance (ACME) – Standard Data Normalized

 

 

Source: MMTS, 2023.

 

  
Courageous Lake ProjectPage 87
Pre-feasibility Study and Preliminary Economic Assessment NI 43-101 Technical ReportJanuary 5, 2024
  

  

 

Two tendencies were noted:

 

1.The 2005 standards performed more accurately than the 2006 standards group overall, rarely exceeding the +/-2SD warning thresholds, while the 2006 data displays significantly more scatter and several exceedances of the +/-3SD failure line, both on the high and the low side. The 9-sample moving average in Figure 11-3 reflects that variability, but also demonstrates proximity of the assay results to the expected value and only a weak high bias.

 

2.2005 data shows a noticeable shift starting at certificate A510039, from moderately biased high before to weakly biased low afterwards, possibly the effect of recalibration procedures at ACME.

 

Lab-internal Standard data was not reviewed for this report. MMTS finds the 2005-2006 accuracy control acceptable.

 

For 2010-2012, the total count of blind certified reference materials inserted into the sample stream exceeds 1,000. The following plots represent the individual performances of standards CL, CL2, CDN-GS-4B, and KSM which were the preferred material to insert at the time.

 

CDN-GS-1P5F and CDN-GS-3K standards were also inserted in 2012 in very small numbers with acceptable results (not shown in report).

 

Standard CL represents a Au standard created from 2006 Courageous Lake drill core, certified by B. Smee and Associates in Vancouver, BC. It was inserted a total of 407 times between 2010 and 2011 and the results of its assaying generally are without significant bias or trend until mid-2011 when the grade starts to trend high. CL was not utilized after drill holes CL-178 to the end of the campaign with CL-190.

 

Figure 11-4: 2010-2011 Standard Performance (ACME) - CL

 

 

Source: MMTS, 2023.

 

  
Courageous Lake ProjectPage 88
Pre-feasibility Study and Preliminary Economic Assessment NI 43-101 Technical ReportJanuary 5, 2024
  

  

 

The mean of the dataset meets the expected value of 2.09 g/t Au. Scatter, however, is quite significant, with more than 20 results exceeding the +/-3SD failure threshold which should have triggered batch re-assaying at the time.

 

CL2 is equally a standard made from Courageous Lake drill core and started getting utilized towards the end of the 2011 campaign (drill hole CL-162) and into 2012, likely as a replacement of the CL standard discussed above. It was analyzed 125 times in total, though some of that data refers to duplicates and check-assaying (excluded from plotting).

 

Figure 11-5: 2011-2012 Standard Performance (ACME) – CL2

 

 

Source: MMTS, 2023.

 

The performance of CL2 with only one failure and one near failure is reasonable and the average grade of this population approaches the expected value of the certificate (2.1 g/t to 2.07 g/t, respectively). The lack of significant trend or bias demonstrates that ACME analyzed this material accurately.

 

Standard CDN-GS-4B was inserted 300 times between 2010 and 2012 for Courageous Lake drilling, with a total of 14 initial failures which were all on the high side, and several more that exceeded the +/-2SD warning threshold. In response, Seabridge requested 63 refires of said Standards, demonstrating a functioning quality control protocol. The refire data generally improved accuracy and reduced the failure count to five.

  
Courageous Lake ProjectPage 89
Pre-feasibility Study and Preliminary Economic Assessment NI 43-101 Technical ReportJanuary 5, 2024
  

  

 

Figure 11-6:2010-2012 Standard Performance (ACME) – CDN-GS-4B

 

 

Source: MMTS, 2023.

 

The CDN-GS-4B population averages 3.83 g/t Au after the refire procedure which is slightly higher than the expected value of 3.77 g/t. An additional 24 available assays represent duplicate samples and have been excluded from the plot in Figure 11-6. MMTS finds the performance of CDN-GS-4B acceptable.

 

374 ‘KSM’ standards were inserted over the course of the three drilling campaigns, excluding duplicates, with 20 total failures and two very strong low outliers at 0.527 g/t and 0.278 g/t in 2010 (the latter not captured in plot Figure 11-7).

 

Figure 11-7: 2010-2012 Standard Performance (ACME) - KSM

 

 

Source: MMTS, 2023.

 

  
Courageous Lake ProjectPage 90
Pre-feasibility Study and Preliminary Economic Assessment NI 43-101 Technical ReportJanuary 5, 2024
  

  

 

Several additional results exceed the +/-2SD warning line on either side of the expected value. MMTS is not aware of data from refires Seabridge may have requested in response to the analytical failures at ACME. The 5-sample moving average line visually confirms the overall proximity to the expected value of 0.774 g/t, yet also highlights the variability of Au grades in the dataset.

 

In summary, the results compare to the other 3 standards in this section of the report and MMTS considers them as acceptable.

 

11.11.1Duplicates

 

A significant amount of duplicate data was reviewed for this report, concentrating on the regularly produced and industry-standardized series of field, coarse reject, and pulp duplicates, the latter two of which representing lab-internal duplicates at regular intervals without client input.

 

Percentages in Table 11-3 refer to total samples analyzed, excluding QA/QC. 2010 ACME-internal lab QA/QC was not available at time of report.

 

Table 11-3: Duplicates Count and Insertion Rates for 2006-2013.

 

  2004 2005 2006 2010 2011 2012 Total
  count % count % count % count % count % count % count %
Field duplicates 184 2.0 86 2.6 223 2.8 317 2.2 272 2.2 148 2.1 1,230 2.2
Reject duplicates 279 3.0 94 2.8 234 2.9 n/a 0.0 371 3.0 228 3.2 1,206 3.0
Pulp duplicates 281 3.0 120 3. 244 3.0 n/a 0.0 634 5.2 423 5.9 1,702 4.2
Duplicates of Standard 0 0.0 0 0.0 0 0.0 0 0.0 65 0.5 13 0.2 77 0.1
Duplicates of BLK 0 0.0 0 0.0 0 0.0 0 0.0 69 0.5 23 0.3 89 0.2
Total 744 8.0 300 9.0 701 8.7 317 2.2 1,411 11.5 835 11.7 4,304 9.8

 

11.11.1.1Field Duplicates

 

For field duplicates, as per sampling procedures described in previous sections, quarter-core sample pairs were taken from 2004-2006 and 2010-2012 and analyzed for Au to assess reproducibility of results. Field duplicate data contains the potential error related to preparation and size reduction as well as analytical error (see the following rejects and pulp duplicate plots) but its correlation between original and duplicate sample can also be an indicator for local gold distribution and grain size in the mineralized system tested. In addition, sample bias detection can be supported by reviewing variability of reported sample weights.

 

Figure 11-8 demonstrates good correlation of the field duplicate data to the original data across the sampled range of Au grades which includes the cut-off grade.

 

  
Courageous Lake ProjectPage 91
Pre-feasibility Study and Preliminary Economic Assessment NI 43-101 Technical ReportJanuary 5, 2024
  

  

 

Three-hundred and thirty-four (334) pairs were plotted after samples less than detection limit (DL) were removed. In addition, one very strong outlier (drill hole CL-035, samples SG56730 at 21.9 g/t and SG56731 at 0.12 g/t Au) was removed. Moderate scatter in the 0.1-1.0 g/t Au grade range does not indicate significant bias.

 

Figure 11-8: 2004-2006 Field Duplicate Performance

 

 

 

Source: MMTS, 2023.

 

MMTS used sample weight data as reported by ACME to calculate a theoretical specific gravity (SG) for each available sample in the Courageous Lake database and found several pairs within the field duplicate sub-data for which the SG was inconsistent, representing almost 15% of the 2004-2006 field duplicate dataset:

 

1.Fifteen (15) duplicates had no recorded weight, potentially indicating that these are not field duplicates.

 

2.For 30 samples (original, duplicate, or both) the reported sample weight was too high relative to the sample interval to be representative of accurately sampled quarter core. This could indicate erroneous sampling, occasional half core duplicate sampling, or even a data shift within Seabridge’s assay database. The inconsistent samples include 2 sample pairs from drill holes CL-060 and CL-061, respectively that are well mineralized, while most are not. In both cases, the actual Au grades between original and duplicate do agree very well.

 

All others weight-inconsistent samples are very low-grade or unmineralized samples which do not contribute to the scatter in the log XY plot of Figure 11-8. MMTS is not concerned that these finding would significantly influence the confidence or classification of assay data used in resource estimations.

  
Courageous Lake ProjectPage 92
Pre-feasibility Study and Preliminary Economic Assessment NI 43-101 Technical ReportJanuary 5, 2024
  

  

 

From 2010-2012, a total of 288 field duplicate pairs have been plotted in Figure 11-9, after removing all data points <0.005 g/t (the detection limit of ACME’s G6 fire assay method) and one high outlier pair (samples 513565 and 513566 of drill hole CL-112).

 

As was the case for the 2004-2006 field duplicates, the sample weight of at least one partner of several duplicate pairs was inconsistent with quarter core sampling (generally too high, pointing towards either half-core samples or classification errors in the Courageous Lake database) or missing from the records. This affected 10% of duplicate pairs.

 

Weight reporting from 2010 onwards included two decimals for much better resolution and accuracy, likely an indication of improved automatization at the prep facility in Yellowknife.

 

Figure 11-9:2010-2012 Field Duplicate Performance

 

 

 

Source: MMTS, 2023.

 

The field duplicates demonstrate very good precision despite the occasional sample weight discrepancies. There were fewer than 10 outliers at low grades which are equally distributed and do not indicate sample bias. The linear regression is overall slightly original-positive, influenced by the two highest-grade pairs both being +30% original-positive. The QP finds the results acceptable.

 

  
Courageous Lake ProjectPage 93
Pre-feasibility Study and Preliminary Economic Assessment NI 43-101 Technical ReportJanuary 5, 2024
  

  

 

11.11.1.2ACME Reject Duplicates

 

ACME reported a total of 607 lab-internal reject reruns from 2004-2006, 1 for every 30 samples provided by Seabridge. The data correlates very well as shown by the R2 of 0.99, with negligible scatter >0.25 g/t Au, demonstrating very good precision, as illustrated in Figure 11-10.

 

Figure 11-10: 2004-2006 Coarse Reject Duplicate Performance (ACME)

 

 

 

Source: MMTS, 2023.

 

The following plot in Figure 11-11 below contains assay data of 221 coarse reject duplicate pairs as produced by ACME’s lab-internal QA/QC protocol of 2011 and 2012 (2010 coarse reject duplicate and pulp duplicate data were not available at the time of report). All data below 0.005 g/t Au was removed.

 

The correlation is very good, data scatter is low, and a significant trend or bias is not discernible which confirms acceptable size reduction procedures at ACME’s preparation facilities in Yellowknife, NWT.

 

  
Courageous Lake ProjectPage 94
Pre-feasibility Study and Preliminary Economic Assessment NI 43-101 Technical ReportJanuary 5, 2024
  

  

 

Figure 11-11: 2011-2012 Coarse Reject Duplicate Performance (ACME)

 

 

 

Source: MMTS, 2023.

 

11.11.1.3ACME Pulp Duplicates

 

As with the lab reject rerun performance, the ACME-internal 2004-2006 pulp rerun data showed near-perfect reproducibility for samples >0.2 g/t Au. All data <0.005 g/t was removed before plotting ACME-internal pulp duplicate assay results as illustrated in Figure 11-12 and Figure 11-13.

 

Both R2 and slope of the linear trendline are near perfect, demonstrating good analytical precision at ACME Labs in Vancouver, BC.

 

In summary, MMTS views the multi-stage duplicate data produced by Seabridge and ACME as acceptable in quantity, drill hole and grade distribution, and results.

 

  
Courageous Lake ProjectPage 95
Pre-feasibility Study and Preliminary Economic Assessment NI 43-101 Technical ReportJanuary 5, 2024
  

  

 

Figure 11-12: 2004-2006 Pulp Duplicate Performance (ACME)

 

 

 

Source: MMTS, 2023.

 

Figure 11-13: 2011-2012 Pulp Duplicate Performance (ACME)

 

 

 

Source: MMTS, 2023.

 

  
Courageous Lake ProjectPage 96
Pre-feasibility Study and Preliminary Economic Assessment NI 43-101 Technical ReportJanuary 5, 2024
  

  

 

11.11.2Blanks

 

To control potential inter-sample contamination during preparation at ACME, Seabridge utilized two different materials for blanks: in 2004 a blend of project-related very low-grade samples collected in 2003 (CL_BLANK) and in 2005-2006, a certified barren material was purchased from WCM in Burnaby, BC (BL-3/BL103).

 

The data is presented against a warning threshold of 5*DL and a failure threshold of 10*DL as illustrated in Figure 11-14.

 

Given the naturally elevated Au background in the sample material used in 2004, the very consistent exceedance of the warning line and frequent exceedance of the failure threshold during the first 30% of the program is not interpreted as a contamination issue at ACME. For the remainder of the 2004 program, a less mineralized but not barren blend was used. Six (6) failures were noted for that period but again, with the apparent heterogeneity of the material and the overall concept of contamination (and accuracy) control at Seabridge at the time in mind, MMTS does not see clear evidence for systematic contamination at ACME.

 

Figure 11-14: 2004 Blank Performance (ACME)

 

 

Source: MMTS, 2023.

 

The 2005-2006 blind blank BL103 appeared suitable to monitor contamination control performance at ACME as illustrated in Figure 11-15. The 10*DL failure line was met once only, which is a very good result considering a total of 902 blanks were inserted during those campaigns.

 

  
Courageous Lake ProjectPage 97
Pre-feasibility Study and Preliminary Economic Assessment NI 43-101 Technical ReportJanuary 5, 2024
  

  

 

Figure 11-15: 2005-2006 Blank Performance (ACME)

 

 

 

Source: MMTS, 2023.

 

The warning threshold was exceeded several times, specifically between late March and mid-April 2006, which could indicate that during that time, preparation and cleaning procedures at ACME may not have been followed properly.

 

MMTS reviewed the Au assay results of the samples preceding the blanks with elevated Au during that time and could not identify a definite connection between higher grade samples and contaminated blanks. Pulverization capacities at ACME in 2006 are not known to MMTS and it could be possible that the sample preceding the blank in the Seabridge sample series is not the same sample preceding the blank in the ACME prep series.

 

MMTS finds the 2004-2006 data acceptable and is not concerned about a possible weak contamination at very low grades influencing the modelling results.

 

For the 2010-2012 drilling campaigns, Seabridge inserted 1,344 blind blanks into the sample streams. Starting in 2012, Seabridge adjusted the fire assay method it requested ACME to perform from the previous 30-g fire assay ICP-ES procedure (ACME 3B01) to exclusively 30g fire assay method with AAS finish (ACME G6).

 

The G6 detection limit is slightly higher at 0.005 g/t compared to 3B (0.002 g/t), resulting in a shift in warning and failure threshold as shown in Figure 11-16.

 

  
Courageous Lake ProjectPage 98
Pre-feasibility Study and Preliminary Economic Assessment NI 43-101 Technical ReportJanuary 5, 2024
  

  

 

Figure 11-16: 2010-2012 Blank Performance (ACME)

 

 

 

Source: MMTS, 2023.

 

Fifteen blanks (1.6%) failed by exceeding the 10*DL threshold between 2010 and 2011, with a high of 0.174 g/t Au in a blank in early 2011. The samples preceding this outlier were reviewed but none were sufficiently mineralized to explain the poor result as a potential inter-sample contamination. Similarly, the sample preceding the second highest outlier at 0.087 g/t in 2010 only runs 0.24 g/t Au which seems insufficient to cause meaningful contamination.

 

Twenty-seven or <3% of blanks exceed the warning line at 0.01 ppm for the 2010-2011 period.

 

MMTS accepts the results because of the overall very low Au content in blanks, the apparent lack of evidence that preceding high-grade samples systematically caused the elevation of Au grade in blanks, and the rather sporadic and even distribution of failures over time. However, unexplained contamination indicators are a concern, and a batch rerun would have been appropriate. MMTS did not review the ACME-internal blank performance.

 

11.11.3Check Assaying

 

In 2004, Seabridge had check-assaying performed by sending select and frequently mineralized rejects to SGS Lakefield. Of the initial 236 available assay pairs, 4 strong outliers were removed from the scatter plot. These are consecutive samples in drill hole CL-005 (30.99-36.99 m) that are strongly mineralized in the ACME data set (0.5-7.9 g/t Au) yet approach detection limit in the SGS Lakefield data (0.01-0.03 g/t Au), likely indicating a sample mix-up, not actual analytical variability that the plot aims to show. When these outliers are remove the 2004 SGS Lakefield check-assay results demonstrate very good correlation to the original ACME Au data as illustrated in Figure 11-17. The slightly SGS-positive tendency in the data as indicated by y=1.1373x is caused by the high-grade pair at 48.5 g/t (ACME) to 66.6 g/t (SGS), respectively. Removing this sample as well results in a y of 0.983x and an R2 of 0.973.

 

  
Courageous Lake ProjectPage 99
Pre-feasibility Study and Preliminary Economic Assessment NI 43-101 Technical ReportJanuary 5, 2024
  

  

 

Figure 11-17: 2004 Check-Assay Performance (SGS Lakefield)

 

 

 

Source: MMTS, 2023.

 

For 2005 and 2006, Seabridge chose to work with ALS Chemex in Vancouver, BC for check-assay purposes and requested the 30-g fire assay Au-AA23 method with AA finish for a total of 1,382 samples, including the occasional field duplicate pulp. Overall, a much larger number of unmineralized material was selected compared to the 2004 exercise with SGS Lakefield, leading to a drop in mean Au grade to 0.27 g/t, while the 2004 data averaged 2.68 g/t Au.

 

  
Courageous Lake ProjectPage 100
Pre-feasibility Study and Preliminary Economic Assessment NI 43-101 Technical ReportJanuary 5, 2024
  

  

 

For the scatter plot in Figure 11-18, all data at or below the detection limit of 0.002 g/t for ACME and all data below the 0.005 g/t ALS detection limit were removed which resulted in a remaining population of 1,313 pairs. The correlation is acceptable despite substantial scatter across the data range since no relevant bias was observed. Removing the highest-grade ALS-positive outlier (7.1 g/t vs. 16.05 g/t) improves the R2 to 0.973 while y stays very close to 1x.

 

Figure 11-18: 2005-2006 Check-Assay Performance (ALS)

 

 

 

Source: MMTS, 2023

 

A total of 1,920 check-assays of primary and original sample material from 2011-2012 drilling was made available to MMTS for review. An additional 213 check-assays representing Standards, blanks, or a second analysis of the check-assay pulp were not considered for plotting. For the log scatterplot in Figure 11-19, all assay results below the respective DL have been removed with 918 pairs covering the range from DL to 10g/t remained.

 

The two data sets correlate well as indicated by a R2 of 0.976. Most of the population plots at or in proximity to the 1-to-1 line and is very slightly ALS-positive despite the overall y of 0.945x. 475 samples returned a higher ALS result, while 405 have a higher ACME result (38 sample pairs have matching Au grade). The noticeable scatter in the plot is caused by 40 samples of reasonably random and unbiased distribution (<5%) predominantly in the 0.05-1 g/t Au grade range.

  
Courageous Lake ProjectPage 101
Pre-feasibility Study and Preliminary Economic Assessment NI 43-101 Technical ReportJanuary 5, 2024
  

  

 

The results are acceptable and indicate that the ACME data used in resource estimation could be conservative.

 

Figure 11-19: 2011-2012 Check-Assay Performance (ALS)

 

 

 

Source: MMTS, 2023.

 

11.12Quality Assurance and Quality Control - Walsh Lake

 

The review of the Walsh Lake QA/QC confirms in large parts what has been compiled and interpreted for Courageous Lake in previous sections of this report. Pre-2010 drilling was limited, and except for field duplicates and a small number of check-assays from 2006, no QA/QC data was provided to MMTS (Table 11-4). No historic data (pre-Seabridge) was used for the Walsh lake Resource Estimate.

  
Courageous Lake ProjectPage 102
Pre-feasibility Study and Preliminary Economic Assessment NI 43-101 Technical ReportJanuary 5, 2024
  

  

 

Table 11-4: QA/QC Insertion Counts and % of Total by Year - Walsh Lake

 

  2006 2010 2012 2013 Total
  count % count % count % count % count %
Total intervals sampled 189 77.5 352 91.7 5,464 75.7 5,527 73.6 11,532 75.1
Total blanks n/a 0.0 12 3.1 190 2.6 219 2.9 421 2.7
Total STDs n/a 0.0 13 3.4 180 2.5 218 2.9 411 2.7
Total Duplicates 7 11.9 7 1.8 647 9.0 670 8.9 1,353 8.8
Total check-assays 26 10.7 0 0.0 576 8.0 677 9.0 1,279 8.3
Total rerun+refire 0 0.0 0 0.0 161 2.2 200 2.7 627 2.4
Total 244 100.0 384 100.0 7,218 100.0 7,511 100.0 15,357 100.0

 

11.12.12010 QA/QC Procedures

 

To ensure that the 2010 and later Seabridge drill hole assays were suitable for resource estimation, several systems were put into place to measure the accuracy and reproducibility of the assays. Seabridge geologists and/or technicians inserted barren “blank” material and various certified standards into the sample stream at a frequency of one blank per 30 regular samples. The blank material consisted of decorative marble aggregate that was purchased in Yellowknife. Multiple different certified standards were randomly inserted into the sample stream at a frequency target of one standard per 30 regular samples.

 

Field duplicate samples were collected at a frequency of about one duplicate per 50 regular samples. These duplicates were generated by sawing the initial half-split of core into two equal pieces so that the “original” and the “duplicate” each represented one quarter of the original core.

 

After assay results were reported by ACME, Seabridge geologists selected 11% of the ACME pulps and had them shipped to the ALS in Vancouver, BC, where they were assayed for gold. This data was not available to MMTS at the time of this report and has therefore not been included in the check-assay discussion below.

 

11.12.22012-2013 Core Sampling and QA/QC Procedures

 

To ensure that drill hole assays are suitable for resource estimation, several systems were put into place to the measure the accuracy and reproducibility of the assays. Reject material is stored at the Yellowknife facility until all analyses and checks are completed and then sent to Matrix Logistics’ for holding until they are shipped back to site.

 

A duplicate sample of a primary was made from ¼ split of a core sample at the rate of 1 duplicate in every 40 samples.

 

Blank samples were inserted in the sample stream at a rate of 1 in 35 samples or 2.8% of the total.

 

Standards were inserted in the sample stream at a rate of 1 in 35 samples or 2.8% of the total samples.

 

ACME completes random re-assays of individual samples on 8% of each batch of samples submitted to the lab as part of their protocols.

 

ACME also inserts their own certified standards and blanks at the rate of >5% each as part of their internal QA/QC protocols.
  
Courageous Lake ProjectPage 103
Pre-feasibility Study and Preliminary Economic Assessment NI 43-101 Technical ReportJanuary 5, 2024
  

  

 

All Seabridge samples containing 4.0 g/t Au or greater were requested to be re-fired from the original pulp. MMTS could not confirm this from the data provided.

 

All Seabridge samples containing 10.0 g/t Au or greater were reprocessed from the coarse reject material and analyzed using screen fire assay methods.

 

11.12.3Standards

 

Sample collection included the insertion of six different standards (see Table 11-5 below for details). Four of the six standards are certified and were purchased from CDN Labs of Langley British Columbia, Canada. The remaining two standards were composed of crushed drill core from Seabridge Golds’ KSM property in British Columbia as well as from crushed drill core from previous Courageous Lake drill campaigns. These standards were subject to industry standard round-robin analyses at several assay labs.

 

Several different blind standards (CRM or certified reference material) were inserted by Seabridge geologists to monitor assay result accuracy (Table 11-5). The standards cover a comparatively high-grade range of 0.77 g/t Au to 3.77 g/t Au and 2 of them were custom-made from selected drill core samples of Courageous Lake adjacent to Walsh Lake.

 

Figure 11-20 to Figure 11-23 demonstrate the Standards respective performances, using the inter-laboratory two and three standard deviations (SD) of the certification process as generic warning and failure thresholds. CL and CDN-GS-4B are not graphically presented because of their low count but MMTS has reviewed the respective data and attests to acceptable results.

 

Table 11-5: Standards certification details for Walsh Lake

 

Standard Reference Name

Certification

Material
Description
Expected Value
(g/t)

SD

2 SD

3 SD

Number Submitted
CL Smee & Associates 2006 Courageous Lake core 2.090 ±0.065 ±0.130 ±0.195 10
CL2 Smee & Associates 2010 Courageous Lake core 2.073 ±0.094 ±0.188 ±0.282 121
KSM Smee & Associates 2009 KSM core (BC) 0.774 ±0.031 ±0.062 ±0.093 116
CDN-GS-1P5F CDN n/a 1.4 ±0.12 ±0.24 ±0.36 72
CDN-GS-3K CDN n/a 3.19 ±0.26 ±0.52 ±0.78 86
CDN-GS-4B CDN Gold “ore” from Clone project (BC) 3.770 ±0.175 ±0.350 ±0.525 6

 

  
Courageous Lake ProjectPage 104
Pre-feasibility Study and Preliminary Economic Assessment NI 43-101 Technical ReportJanuary 5, 2024
  

  

 

Figure 11-20: Walsh Lake 2012-2013 Standard Performance CL2 (ACME)

 

 

 

Source: MMTS, 2023.

 

Figure 11-21: Walsh Lake 2010-2013 Standard Performance KSM (ACME)

 

 

Source: MMTS, 2023.

 

  
Courageous Lake ProjectPage 105
Pre-feasibility Study and Preliminary Economic Assessment NI 43-101 Technical ReportJanuary 5, 2024
  

  

 

Figure 11-22: Walsh Lake 2012-2013 Standard Performance CDN-GS-1P5F (ACME)

 

 

 

Source: MMTS, 2023.

 

Figure 11-23: Walsh Lake 2012-2013 Standard Performance CDN-GS-3K (ACME)

 

 

 

Source: MMTS, 2023.

 

  
Courageous Lake ProjectPage 106
Pre-feasibility Study and Preliminary Economic Assessment NI 43-101 Technical ReportJanuary 5, 2024
  

  

 

The results of the four standards presented here demonstrate moderate variability centered around the certified Au values (Au EV g/t) and within the +/-2SD window, with a total of three exceedances of the +/-3SD failure threshold and a weak high bias in KSM and GS-1P5F. The three failures should have triggered batch reruns at ACME at the time but are overall not a concern because of their unrelated occurrence and proximity to the failure line. No significant trends across multiple standards were identified. MMTS finds the performance acceptable.

 

11.12.4Duplicates

 

Seabridge defined field duplicate samples (1/4 core samples) at consistent intervals across all drilling campaigns, resulting in a total of 250 pairs to control the Walsh Lake Resource Estimate dataset (equaling 2.2% relative to sampled intervals).

 

In addition, both reject duplicate and pulp duplicate data as produced by ACME is being presented in this report in the form of simple linear regressions to assess potential reproducibility issues at various stages of sample size reduction. MMTS did not review the lab-internal duplicates data for 2006 and 2010.

 

Total duplicate data in this report sums to 1,353 analyses, including duplicates of blanks and standards, as shown in Table 11-6. Focusing on Au and actual rock samples alone, the total is 961 as a substantial number of pulp duplicates was not analyzed for Au. Percentages in Table 11-6 refer to total samples analyzed, excluding QA/QC.

 

Figure 11-24 demonstrates good correlation between the original ¼ core sample and its duplicate partner. Significant scatter as shown is to be expected in a structurally controlled and comparatively high-grade epithermal deposit.

 

Table 11-6: Duplicates Count and Insertion Rates for 2006-2013.

 

  2006 2010 2012 2013 Total
  count % count % count % count % count %
Field duplicates 7 4.4 7 2.0 117 2.1 119 2.2 250 2.2
Reject duplicates n/a 0.0 0 0.0 173 3.2 183 3.3 356 3.1
Pulp duplicates n/a 0.0 0 0.0 337 6.2 335 6.1 672 5.8
Duplicates of Standard 0 0.0 0 0.0 9 0.2 15 0.3 24 0.2
Duplicates of BLK 0 0.0 0 0.0 11 0.2 18 0.3 29 0.3
Total 7 4.4% 7 2.0 647 11.8 670 12.1 1,331 11.5
  
Courageous Lake ProjectPage 107
Pre-feasibility Study and Preliminary Economic Assessment NI 43-101 Technical ReportJanuary 5, 2024
  

  

 

Figure 11-24: Walsh Lake Field Duplicate Performance

 

 

 

Source: MMTS, 2023.

 

During the review process, MMTS utilized the respective sample weights as reported by ACME and the interval lengths to calculate a simple theoretical specific gravity for each sample, duplicate or not, to highlight areas of poor sampling and potential mislabeling. The data of the field duplicates was found to be overall consistent with unbiased quarter core sampling as the pairs weight data ARD rarely exceeded 15%, though one single duplicate was removed from the plot because of a significant variance in sample weight to the original (likely a sampling error) and another had the duplicate sample weight missing.

 

MMTS has therefore no indication that poor sampling has contributed significantly to the scatter in Figure 11-24.

 

As should be expected, lab-internal coarse reject duplicates of Walsh Lake samples taken from drill holes used in resource estimation show very good correlation to the data of the original sample with respect to Au as illustrated in Figure 11-25. One single sample had to be removed as no over-limit data was available for the duplicate.

 

Noticeably, basically all higher-grade >1 g/t pairs plot very close to the center line while the medium-grade population 0.05-1.0 g/t exhibits substantial scatter, similar to the field duplicate results. This could indicate that Au mineralization at Walsh Lake is relatively fine-grained.

  
Courageous Lake ProjectPage 108
Pre-feasibility Study and Preliminary Economic Assessment NI 43-101 Technical ReportJanuary 5, 2024
  

  

 

Figure 11-25: Walsh Lake Coarse Reject Duplicate Performance (ACME)

 

 

 

Source: MMTS, 2023.

 

Figure 11-26 characterizes the performance of 333 pulp duplicates selected by ACME, after removing >300 duplicates that were not analyzed for Au from the overall available dataset of 672, and one for which the over-limit Au data was not generated or reported.

 

Two outliers, both with strong duplicate-positive bias, negatively affect the correlations of the pulp duplicate data, leading to a surprisingly poor R2 of <0.9. Removing the two outliers results in an R2 of 0.98, as shown on the plot.

 

  
Courageous Lake ProjectPage 109
Pre-feasibility Study and Preliminary Economic Assessment NI 43-101 Technical ReportJanuary 5, 2024
  

  

 

Figure 11-26: Walsh Lake Pulp Duplicate Performance (ACME)

 

 

 

Source: MMTS, 2023.

 

In summary, the Walsh Lake duplicate data demonstrates acceptable and increasing reproducibility across the various stages of sample reduction.

 

11.12.5Blanks

 

One single blank material was utilized 421 times for contamination control during the three years of drilling at Walsh Lake that is being considered for resource estimation (2010, 2012-2013). The blanks were inserted blind with a mean sample weight of 0.84 kg. Insertion rates varies between 2.6% and 3.1% relative to total samples analyzed for an average of 2.7%. Relative to drill core samples only, the rate is 3.65%.

 

Figure 11-27 displays its performance across these years, allowing for determination of potential cross-contamination during crushing and pulverizing at ACMEs preparation facilities. 2010 blanks were analyzed by ACMEs 3B fire assay Au method with a detection limit of 2 ppb while for 2012 and 2013 ACMEs G6 fire assay method was requested by Seabridge (detection limit for the method is 0.005 ppm).

 

  
Courageous Lake ProjectPage 110
Pre-feasibility Study and Preliminary Economic Assessment NI 43-101 Technical ReportJanuary 5, 2024
  

  

 

Figure 11-27: Walsh Lake 2010-2013 BLANK Performance (ACME)

 

 

 

Source: MMTS, 2023.

 

Four (4) blanks exceeded the 5*DL warning threshold in 2012 (1 blank) and 2013 (3 blanks), but the results are overall acceptable. Twentynine (29) blanks of 2012-2013 were automatically analyzed twice by ACME, with 13 by FA Au, with similarly acceptable results and a high of 0.02 g/t.

 

11.12.6Check Assaying

 

For the years 2012 and 2013, Seabridge selected >10% of previously prepped and analyzed samples (by ACME) and sent the respective pulps to ALS in Vancouver for check-assay purposes in 2013, requesting both FA Au (Au-AA23, Figure 11-28) and multi-element ICP assays via aqua regia digestion (ME-ICP41).

 

Figure 11-28 shows a logarithmic scatter plot with simple linear regression between original ACME data and check-assay ALS data, produced from 1,200 rock samples and their pulp materials. The correlation between the datasets is good but does display a surprisingly strong, but largely unbiased, scatter between 0.05 and 1 g/t and a bias towards the original ACME assay results at <0.05 g/t Au.

 

MMTS considers the ACME -positive bias of unmineralized to weakly mineralized material as inconsequential to the resource estimation results of this report.

 

  
Courageous Lake ProjectPage 111
Pre-feasibility Study and Preliminary Economic Assessment NI 43-101 Technical ReportJanuary 5, 2024
  

  

 

Figure 11-28: Walsh Lake Check-Assay Performance (ALS)

 

 

 

Source: MMTS, 2023.

 

For the 2013 sample pulps, Seabridge expanded the check-assay program to include meaningful blank and standard material numbers from the blind insertion program of the original campaign. The Standard data plot for this data is shown in Figure 11-29.

 

Thirty-eight standards were check-assayed by ALS in 2013, representing all standards as shown in Table 11-5 above for Walsh Lake. The data has been normalized using the certified Au value (expected value or EV) and the intra-lab calculated and certified standard deviation (SD). The data is overall acceptable but does include 4 results which approach or exceed the +/-3SD threshold that would qualify as a failure line in the original ACME dataset and quality control for accuracy and therefore trigger a batch rerun.

 

In addition, the results are moderately biased high with an increasing trend towards the end of the program. This indicates that Seabridge’s Walsh Lake ACME data used for resource estimation could be considered conservative.

 

  
Courageous Lake ProjectPage 112
Pre-feasibility Study and Preliminary Economic Assessment NI 43-101 Technical ReportJanuary 5, 2024
  

  

 

Figure 11-29: Walsh Lake Check-Assay of Standard (ALS)

 

 

Source: MMTS, 2023.

 

11.13Comment on Sample Preparation, Analyses and Security

 

With the exception of the 2004 accuracy control at Courageous Lake, MMTS finds the QA/QC protocols and results at both Courageous Lake and Walsh Lake to be acceptable.

 

Despite substantial variability, partially caused by a lack of data availability, QA/QC insertion rates are overall in line with industry standards. Secondary lab check-assay efforts from 2005 onwards were commendable.

 

MMTS recommends a review of the Courageous Lake database with focus on the following:

 

1.Completeness of the ICP-assay results in the Courageous Lake database as three certificates from 2010 were identified to be missing from recent data exports.

 

2.Check-assays data availability of 2005-2006 (ALS) and 2010 (ALS) and possible certificate misalignments (ACME vs. ALS).

 

3.Coding and classifications, for example Check-Type L (undefined lab duplicates sample B).

 

4.a review of sample weight data for field duplicates, in 2004-2006, to confirm classification and eliminate possible sampling or recording inconsistencies.

 

5.SGS Lakefield check-assay data and certificate availability (2004).

 

6.Refire data provided in recent exports did not always meet quantity expectations from refire protocols.

 

  
Courageous Lake ProjectPage 113
Pre-feasibility Study and Preliminary Economic Assessment NI 43-101 Technical ReportJanuary 5, 2024
  

  

 

12DATA VERIFICATION

 

12.1Introduction

 

The data verification had been done previously by RMI between 2002 and 2013 (Tetra Tech, 2012). This data verification has been reviewed and some additional verification work undertaken. The following section follows the Lechner report with additional verification done by the current QP.

 

12.2Site Visit

 

The QP visited the Courageous Lake and Walsh Lake deposits on June 21, 2023. During the visit the camp was toured, the core storage areas were examined and the core from both deposits was examined. Several drill holes were checked for the collar locations and the overall drilling was determined to match the drill hole database. The geologist provided an overview of the geology, the sample preparation and the core security measures used by Seabridge.

 

12.3Seabridge Database Certificate Checks

 

Since 2002, Seabridge has collected all of the data for this project. RMI had verified the data collected by Seabridge by comparing certified assays against the provided electronic assay database as outlined in reports by RMI in 2002, 2004, 2006 and 2013 (TetraTech, 2012). MMTS has compared the Seabridge certificates to the data provided by Seabridge. 5,500 assays were checked from 59 certificates from Courageous Lake and 7 certificates from Walsh Lake. The assays were selected to contain data within the mineralized zones and to be from all years between 2003 and 2013 of lab data. There were no errors found in the database, indicating that the database has been correctly built from the Seabridge certificate data.

 

12.4Historic Data

 

A significant portion of the data was collected during the 1980s and 1990s by major mining companies (Noranda and Placer Dome). The assay and geologic data that were provided to Seabridge by the previous owners of the property were compared against certified assay laboratory sheets and drill hole logs and found to be accurately entered (Lechner, 2013).

 

12.4.1Point Validation

 

Point validation has been used to compare the historic drill campaign Au assay values to the more recent Seabridge drilling. Point Validation interpolates the assays at the historic locations using all data except the historic data, thus, theoretically, removing any variations in grade due to location alone. Figure 12-1 illustrates a comparison of the Cumulative Probability Plots (CPPs) of the Placer Dome data with that of all other data at the same composited locations. Interpolations used only data within 7.5 m of the historic data locations. Figure 12-2 illustrates the same comparison for the Noranda era drilling. Both plots indicate that there is no significant bias to the historic data, and therefore it has been used for the Resource Estimate.

 

  
Courageous Lake ProjectPage 114
Pre-feasibility Study and Preliminary Economic Assessment NI 43-101 Technical ReportJanuary 5, 2024
  

  

 

Figure 12-1: Point Validation of Placer-Dome Historic Data

 

 

Source: MMTS, 2023.

 

Figure 12-2: Point Validation of Noranda Historic Data

 

 

Source: MMTS, 2023.

 

  
Courageous Lake ProjectPage 115
Pre-feasibility Study and Preliminary Economic Assessment NI 43-101 Technical ReportJanuary 5, 2024
  

  

 

12.5Geologic Data

 

Geologic data used in constraining the estimation of block model gold resources consisted of three-dimensional wire frames that subdivide the deposit into similar alteration, sulfide mineralogy, and gold grade zones. Seabridge determined through its work that gold distribution in the FAT deposit can be described by:

 

sericite alteration intensity
presence of acicular arsenopyrite
presence of silicic alteration
+/- intensity of foliation
+/- presence of gray-blue quartz veins

 

These characteristics were prioritized in Seabridge’s drill core logging and summarized, where possible, from drill core that was logged by Placer Dome and Noranda. The parameters listed above were then plotted on cross sections every 50 m along the strike of the FAT deposit. Seabridge was able to define 13 mineralized zones using the aforementioned criteria. The sectional interpretations were intersected to 20 m-spaced level plans and reconciled to minimize projection errors. The 5 m x 5 m x 5 m model blocks were then coded with 13 mineral zone wireframes. The model blocks were thoroughly checked to make sure that the block model codes accurately depicted the mineral zone wire frame outlines. The codes within the block model appear to match the solids adequately.

 

12.6Density

 

Noranda and Placer Dome used specific gravity values of 2.70 and 2.75 g/cm3 for their respective non-NI 43-101 compliant Resource Estimates. According to Seabridge personnel, Placer Dome collected a significant number of density measurements; however, this data is not available. Seabridge geologists have collected 493 density determinations from their own diamond drill core within the FAT zone. Specific gravity analyses were obtained by the water displacement method by weighing the air-dried core in air and then in water using a triple beam balance and fishing line. Determinations were made every 40 or 50 m down-the-hole. The average “wet” density from these measurements taken from 82 drill holes was 2.72 g/cm3. The average bulk density calculated by RMI for overburden (2.00 g/cm3), non-diabase rock (2.72 g/cm3), and diabase (2.85 g/cm3) was checked and has been used for the current Resource Estimate.

 

12.7Topography

 

Topography and drill holes had been previously checked by RMI (TetraTech, 2012), with collars adjusted to topography where necessary. No collars material to the resource had required adjustment. No discrepancies of the topography with the current drill hole collars of the current modelling were found.

 

12.8Core Recovery

 

Core hole recovery data were obtained for most of Placer Dome’s drill holes and for all of Seabridge’s core holes. Because of the competent nature of the rocks within the CLGB package, core recovery was found to be exceptionally high. Core recoveries averaged 99% for the primary mineral zones (i.e. 3, 4, and 5). Furthermore, during the 2023 site visit, the QP compared the core recovery with drill logs and it found to be accurate. Very little broken or low rock quality designation (RQD) rock was observed.

 

  
Courageous Lake ProjectPage 116
Pre-feasibility Study and Preliminary Economic Assessment NI 43-101 Technical ReportJanuary 5, 2024
  

  

 

13MINERAL PROCESSING AND METALLURGICAL TESTING

 

13.1Introduction

 

A number of metallurgical test programs have been completed on the Courageous Lake Project since 2003 and were designed to quantify metallurgical performance and different processing options. A summary of the test programs is presented in Table 13-1. The programs included the following testwork:

 

head assays

 

multi-element analysis

 

comminution testing

 

gravity concentration

 

flotation

 

bio-oxidation and pressure oxidation

 

cyanidation.

 

All the test programs used samples collected from a wide range of geologically identified mineralization zones at the Courageous Lake deposit. The samples were prepared from core samples developed from the various diamond drilling exploration programs. The identified mineralization zones are presented in Figure 7-3.

 

Table 13-1:Summary of Metallurgical Test Programs

 

Year Laboratory Zones Testwork Performed Comments

2003/2004

SGS-Lakefield Research Ltd.

Zone 3, 4, 5

SAG and ball mill grindability, high pressure grinding rolls, flotation, and gravity, concentrate pre-treatment by biological oxidation (BIOX) and pressure oxidation (POX), and cyanide leaching.

Composites from Zones 3,4&5 (Samples Zone 345-1 and Zone 345-2 (deeper material)

2007

G&T Metallurgical Services Ltd.

L1, 2, 3

Head assays, mineralogy, grindability, gravity, flotation, cyanide leaching.

Program focused on optimizing flotation performance.

Master Composite (Fresh, L1, 2,3).

2011/2012

SGS-Lakefield Research Ltd.

Zone 2, 3, 4,

5, 6, 7, 9, 14

SAG and ball mill grindability, high pressure grinding rolls, flotation, gravity, concentrate pre-treatment by BIOX and POX, and cyanide leaching.

Zones 2,6,7,9, and 14 were combined into Combined Zone composite.

Master Composite was created

from all eight zones.

2012

G&T Metallurgical

Services Ltd.

Zone 3, 4, 5,

8

Based on the 2007 program to further optimize flotation conditions and provide concentrate production for downstream POX tests.

Composite 1 : Zone 3, 4, 5

Composite 2 : Zone 8

Composite 3 : Zone 8

 

  
Courageous Lake ProjectPage 117
Pre-feasibility Study and Preliminary Economic Assessment NI 43-101 Technical ReportJanuary 5, 2024
  

  

 

Year Laboratory Zones Testwork Performed Comments

2012

Sherritt Technologies

Zone 3, 4, 5,

8

POX tests on three different flotation concentrate samples produced by G&T, cyanidation tests on the POX residues and cyanide destruction tests on the cyanide

leach residues.

Composite 1 : Zone 3, 4 ,5

Composite 2 : Zone 8

Composite 3 : Zone 8

2013

SGS-Lakefield Research Ltd.

Walsh Lake Deposit +

Zone 1, 2, 3

Head assays, gold deportment, comminution, cyanidation (bottle roll),

flotation.

Tests were performed on Walsh Lake deposit.

One composite for each zone.

2018

TOMRA

Sorting Mining

Zone 3, 4, 5 Ore sorting by X-ray transmission (XRT) Seven sample sets

2023

ALS Kamloops

Zone 3, 4, 5

Head assays, ball mill grindability, flotation, feed and concentrate mineralogy, flotation tails leach. Eight variability tests and three zone composites

 

13.2Sample Selection

 

The ALS 2023 test program samples were selected by Seabridge Gold geologists with input from Ausenco according to the following criteria:

 

Each sample to be selected from a drill hole that provides a continuous mineralized interval of the same rock type classification.

 

Samples selected from major zones representing target mining area.

 

Multiple samples to be selected per zone, at various depths, providing spatial coverage of the pit with at least one sample per zone representing the early years of mining (Years 1&2).

 

Gold grades to be representative of the pit phase average grades from the resource model at the time of sample selection, including an allowance for mining dilution.

 

  
Courageous Lake ProjectPage 118
Pre-feasibility Study and Preliminary Economic Assessment NI 43-101 Technical ReportJanuary 5, 2024
  

  

 

Figure 13-1:Flotation and Comminution Variability Sample Locations in FAT Deposit – ALS 2023 Test Program

 

 

Source: Seabridge Gold, 2023.

 

13.3Head Assays

 

13.3.1SGS-Lakefield Program (2010/2011)

 

2010/2011 Lakefield program consisted of seven composite samples generated from diamond drill cores for the various mineralization zones of the Courageous Lake or the FAT deposit. The sample preparation is described as follows:

 

Zone 4 drill core interval samples were grouped into three composites: Zone 4 Composite, Low Au Composite, and High Au Composite.

 

Zone 3 drill core interval samples were combined to create Zone 3 Composite.

 

Zone 5 drill core interval samples were combined to create Zone 5 Composite.

 

Samples drill core interval from Zones 2, 6, 7, 9, and 14 were combined to create Combined Zone Composite (CZ).

 

The Master Composite (MC) was created from the zone composite samples from all eight zones (2, 3, 4, 5, 6, 7, 9, and 14).

 

  
Courageous Lake ProjectPage 119
Pre-feasibility Study and Preliminary Economic Assessment NI 43-101 Technical ReportJanuary 5, 2024
  

  

 

The head assay results of the composites are provided in Table 13-2.

 

Table 13-2:Head Assay Data – SGS (2010/2011)

 

Composite Au (g/t) Ag (g/t) S-2 (%) ST (%) Fe (%) As (%) C (%) Corg (%)
Master 2.13 0.60 0.58 0.65 2.16 0.37 0.81 0.04
CZ 2.35 1.90 0.80 0.81 3.31 0.54 0.85 0.03
Zone 3 2.94 0.70 0.57 0.62 2.22 0.42 0.92 0.04
Zone 4 2.33 1.50 0.44 0.50 1.86 0.34 0.79 0.03
Zone 5 2.45 0.70 0.47 0.58 2.00 0.33 0.62 0.02
Low Au 1.24 1.80 0.38 0.38 2.00 0.26 0.80 0.03
High Au 4.21 3.20 0.53 0.61 1.77 0.50 0.65 0.03

 

Gold grades ranged from 1.24 to 4.21 g/t Au with an average grade of 2.52 g/t Au. The arsenic contents ranged from 0.26% to 0.54% with an average of 0.39%. The sulfur grades ranged from 0.38% to 0.80% and the average was 0.54%. Gold grades were similar to those reported in the mine plan, but sulfur and arsenic grades in test work were higher than the grades expected in the mine plan.

 

13.3.2ALS Program (2023)

 

The most recent test program was completed by ALS Kamloops in 2023 which included eight variability samples representing a range of grade, depth, and zone parameters from eight drill cores of the Courageous Lake deposit. A head assay for each of the eight samples was determined for gold, silver, sulfur, arsenic, carbon, iron, calcium and other major, minor, and trace elements. Variability samples consisted of discrete samples comprised of a continuous drill core interval, yielding sufficient mass for the planned comminution and flotation testwork. The head assay results of the samples are given in Table 13-3.

 

Table 13-3:Head Assay Data – ALS (2023)

 

Zone Sample ID Au (g/t) Ag (g/t) S (%) As (%) C (%) Fe (%) Ca (%) Hg, %
3 Var 1 5.26 0.47 0.73 0.63 0.96 1.83 1.75 <1
3 Var 2 3.61 1.19 1.18 0.62 0.96 2.67 2.09 <1
3 Var 3 4.98 0.43 0.52 0.72 0.89 1.58 1.67 <1
5 Var 4 2.18 0.66 0.88 0.48 0.78 1.63 2.12 <1
4 Var 5 1.83 0.46 0.77 0.38 1.18 2.13 3.15 <1
4 Var 6 0.55 0.22* 0.27 0.14 0.52 1.95 1.63 <1
4 Var 7 3.86 0.89 0.72 0.59 0.65 1.94 1.69 <1
5 Var 8 2.44 0.29 0.51 0.37 0.65 1.46 1.86 <1

 

Note: * Below cut-off grade.

 

Gold grades ranged from 0.55 to 5.26 g/t Au with an average grade of 3.09 g/t Au. Silver grades varied from 0.22 to 1.19 g/t Ag with an average grade of 0.58 g/t Ag. The arsenic contents ranged from 0.14% to 0.72% with an average of 0.49%. The sulfur contents ranged from 0.27% to 1.18% and the average was 0.70%. Gold and silver grades were similar to those reported in the mine plan, but sulfur and arsenic grades in test work were higher than the grades expected in the mine plan.

 

  
Courageous Lake ProjectPage 120
Pre-feasibility Study and Preliminary Economic Assessment NI 43-101 Technical ReportJanuary 5, 2024
  

  

 

13.4Mineralogy

 

13.4.1SGS Program (2003/2004)

 

SGS-Lakefield carried out a mineralogical analysis on Composite Zone 345-1. The study showed that the dominant sulphides in the sample were arsenopyrite (<5-350 µm), pyrite (5-350 µm), marcasite (20-350 µm), and pyrrhotite (5-350 µm). Total sulfur content averaged at 0.52%. The gold occurred as liberated gold, or gold associated with sulfides and silicate/sulphide binaries. Gold grain sizes ranged from sub-microscopic size to 70 µm and gold grains were liberated, attached to sulphides and locked in sulphide minerals (mainly arsenopyrite), indicating the refractory nature of the deposit. It appeared that the degree of the sulphide oxidation was very low.

 

13.4.2G&T Program (2007)

 

G&T mineralogical analysis indicated that 1.8% of the minerals in the tested MC occurred as sulfide minerals. The dominant sulfides were arsenopyrite and pyrrhotite, both of which represented 0.7% of the total mineralization weight. Pyrite content was 0.4%. At the grind size of 80% passing 165 µm, 43% to 54% of sulfides were present as liberated grains.

 

13.4.3ALS Program (2023)

 

Mineral composition analyses were completed on the eight variability samples using QEMSCAN. Composition data and sulfur deportment data are reported in Table 13-4 and Table 13-5, respectively.

 

Table 13-4:Mineral Composition Data – ALS 2023 Variability Samples

 

Minerals Var 1 Var 2 Var 3 Var 4 Var 5 Var 6 Var 7 Var 8
Sizing (µm K80) 97 100 102 96 79 102 86 100
Copper Sulfides <0.1 <0.1 <0.1 <0.1 <0.1 <0.1 <0.1 <0.1
Pyrite 0.5 0.8 0.2 1.5 0.8 0.1 0.6 0.2
Pyrrhotite 0.3 1.0 0.1 0.1 0.4 0.3 0.3 0.6
Arsenopyrite 1.4 1.0 1.4 1.1 0.6 0.3 0.9 0.7
Other Sulfide Minerals <0.1 <0.1 <0.1 <0.1 <0.1 <0.1 <0.1 0.0
Iron Oxides 0.2 0.4 0.3 0.1 0.1 0.2 0.2 0.2
Quartz 45.1 38.4 65.5 51.3 44.7 37.2 52.6 47.2
Feldspars 17.5 33.6 12.0 14.7 23.2 43.7 21.8 26.9
Micas 24.6 14.9 12.1 21.6 17.8 10.8 14.3 16.3
Chlorite 0.8 0.9 1.9 1.7 1.1 2.9 3.2 1.3
Calcium Carbonates 8.0 7.4 5.6 5.4 9.6 3.1 4.5 4.9

 

  
Courageous Lake ProjectPage 121
Pre-feasibility Study and Preliminary Economic Assessment NI 43-101 Technical ReportJanuary 5, 2024
  

  

 

Minerals Var 1 Var 2 Var 3 Var 4 Var 5 Var 6 Var 7 Var 8
Titanium Minerals 0.2 0.4 0.2 0.3 0.3 0.3 0.2 0.3
Kaolinite (clay) 0.5 0.3 0.2 1.1 0.8 0.5 0.6 0.8
Apatite 0.2 0.3 0.2 0.3 0.2 0.1 0.2 0.2
Others 0.5 0.6 0.4 0.9 0.5 0.4 0.3 0.4
Total 100 100 100 100 100 100 100 100

 

Modal mineralogy indicates that the predominant sulfide minerals contained across the samples were arsenopyrite and pyrite. The gangue mineralogy was dominated by quartz, micas, feldspar, and calcium carbonate.

 

Table 13-5:Sulfur Deportment Data – ALS 2023 Variability Samples

 

Minerals Var 1 Var 2 Var 3 Var 4 Var 5 Var 6 Var 7 Var 8
Copper Sulfides 0.1 <0.1 0.1 0.1 0.2 0.8 2.1 0.2
Pyrite 40.6 42.5 28.1 75.7 55.8 18.4 45.9 23.0
Pyrrhotite 16.9 38.5 8.0 3.4 27.9 56.4 24.5 48.8
Arsenopyrite 42.2 18.9 63.6 20.3 15.9 24.0 27.5 27.9
Other Sulfide Minerals 0.1 0.1 0.1 0.5 0.2 0.2 <0.1 0.1
Sulphate Minerals 0.1 <0.1 0.1 <0.1 <0.1 0.1 <0.1 0.1
Total 100 100 100 100 100 100 100 100

 

The ALS test results confirmed that the principal sulfide minerals were pyrite, arsenopyrite, and pyrrhotite.

 

13.5Comminution Testing

 

A series of comminution tests were completed on the Courageous Lake mineral deposit to characterize hardness/grindability of the deposit; results are presented in Table 13-6. The comminution tests were conducted at laboratories of SGS, G&T, ALS. These include crushing and grinding work indices, SMC test parameters A x b, and abrasion indices.

 

Table 13-6:Comminution Data

 

Sample Program A x b

Abrasion

Index (g)

Rod Mill Wi

(kWh/t)

Ball Mill Wi

(kWh/t)

Comments
SGS 2003 29.7 0.192 18.1 15.5  

 

G&T 2007

- - - 16.2 Master Composite (aged sample)
- - - 17.3 Master Composite (fresh sample)
- - - 16.1 Master Composite (aged & fresh 25/15 blend)

 

  
Courageous Lake ProjectPage 122
Pre-feasibility Study and Preliminary Economic Assessment NI 43-101 Technical ReportJanuary 5, 2024
  

  

 

The results indicate that the ore is very competent with respect to breakage in a SAG mill. The Bond ball mill work index results suggest that the material is of moderate hardness with respect to grinding in a ball mill. All BMWi tests were completed at a closing screen size of 106 µm. The ball mill work index (BMWi) results from ALS 2023 test program are summarized in Table 13-7.

 

Table 13-7:Comminution Data – ALS 2023 Test Program

 

Sample ID Zone Ball Mill Wi (kWh/t)
Var 1 3 11.9
Var 2 3 14.9
Var 3 3 14.0
Var 4 5 14.1
Var 5 4 14.6
Var 6 4 18.1
Var 7 4 14.5
Var 8 5 15.3

 

13.6Pre-concentration (Ore Sorting)

 

In 2018, Tomra Sorting Mining conducted initial pre-concentration tests on seven drill core samples via XRT technology using a sorting machine with dual XRT sensors and a belt feeding system to examine the possibility of sorting ore-type material (gold bearing) from gangue-type material based on differences in density. The results show that the XRT sorting system is able to detect sulfide material in the provided split drill core samples from the Courageous Lake deposit.

 

13.7Gravity Concentration

 

Gravity concentration tests were conducted by G&T in 2007 and 2012, and SGS-Lakefield in 2003/2004 and 2011 test programs. The results of these tests indicate that the material did not exhibit a strong response to gold recovery through gravity concentration. The gravity concentration trials involved a combination of centrifugal gravity concentration, followed by either panning or tabling. The G&T experiments revealed that, with panning, the centrifugal concentrate could achieve an upgrade to 102 g/t Au, with a recovery rate of 16%.

 

13.8Rougher Flotation

 

In Courageous Lake ore refractory gold is believed to be associated with iron sulphides, primarily pyrite and arsenopyrite. The goals of these tests are to determine the floatability of the sulphides, and the recovery of Au and Ag in the sulphide concentrate. The ability to recover Au and Ag in the sulfide concentrate reduces the volume of material to be treated. All the test programs indicated that the mineral samples responded well to bulk sulfide flotation. Historical testwork conducted various flotation optimization programs evaluating primary grind size, reagents addition rate, and pulp pH.

 

  
Courageous Lake ProjectPage 123
Pre-feasibility Study and Preliminary Economic Assessment NI 43-101 Technical ReportJanuary 5, 2024
  

  

 

13.8.1SGS (2011)

 

The SGS 2010/2011 test work included variability testing conducted on the samples generated from the various mineralization zones. The range of primary grind sizes tested was P80 of 90 µm to 143 µm. The test work showed improved gold recovery with target primary grind size of 80% passing of nominal 100 µm. Upon completion of the grind sensitivity testwork a primary grind of 100 µm was selected as the optimum. The test program indicated that adjusting the slurry pH with sulphuric acid from a natural pH of 8.0 to pH 7 and 6 did not improve gold recovery. The 2010/2011 test work used 105 g/t PAX plus 20 g/t A208 for the locked cycle tests and showed that gold recovery improved when CuSO4 was added to activate the sulphides. The rougher flotation test results at the target 100 µm grind size are shown in Table 13-8.

 

Table 13-8:Rougher Flotation Test Data – SGS

 

 

Test

Feed Grade

 

Rougher Mass Pull (%)

Rougher Recovery (%)

Rougher Concentrate Grade
Au (g/t) S-2 (%) Fe (%) As (%) C (%) Au S-2 Fe As C Au (g/t) S-2 (%) Fe (%) As (%) C (%)
Zone 3 – F1 batch cleaner test 3.0 0.7 2.3 0.4 1.0 12.3 90.1 90.1 44.5 89.3 13.9 21.9 5.2 8.3 3.1 1.1
Zone 5 – F1 batch cleaner test 2.2 0.6 2.1 0.3 0.7 12.2 92.3 91.2 44.4 92.9 14.0 16.4 4.5 7.6 2.5 0.8
Low Au – F1 Zone 4 batch cleaner test 1.1 0.5 2.1 0.3 0.8 10.4 92.4 90.3 35.6 92.7 11.8 9.5 4.0 7.2 2.2 0.9
High Au – F1 Zone 4 batch cleaner test 4.2 0.7 1.8 0.5 0.7 11.1 92.7 93.2 51.0 92.5 11.5 33.8 5.5 8.7 4.2 0.7
Locked Cycle Test on Zone 3 Composite 3.0 0.7 2.4 0.4 0.9 8.5 90.2 93.1 41.5 91.0 10.6 31.4 7.3 11.5 4.7 1.2
Locked Cycle Test on Zone 4 Composite 2.3 0.6 2.2 0.4 0.8 13.8 90.9 92.0 39.2 92.5 11.8 14.9 3.8 6.3 2.4 0.7
Locked Cycle Test on Zone 5 Composite 2.3 0.6 2.0 0.3 0.6 13.0 92.0 92.2 39.5 93.3 12.7 16.1 4.1 6.1 2.5 0.6
Locked Cycle Test on Zone 4 Low Au Composite 1.8 0.7 3.2 0.4 1.2 11.6 91.5 90.6 62.8 92.8 13.2 13.9 5.5 10.2 3.0 1.4
Locked Cycle Test on Zone 4 High Au Composite 5.1 0.9 2.3 0.6 0.8 16.0 93.0 93.8 52.3 93.0 17.5 29.4 5.0 7.5 3.6 0.9

 

The test results indicate that, on average, 92% of the gold and 92% of sulfur reports to the rougher flotation concentrate with an average mass pull of 12%.

 

  
Courageous Lake ProjectPage 124
Pre-feasibility Study and Preliminary Economic Assessment NI 43-101 Technical ReportJanuary 5, 2024
  

  

 

13.8.2ALS (2023)

 

The most recent flotation testing was to confirm the ore response using test conditions established from 2011 SGS test work with variability samples representing the target mining area and a range of grade, depth, and zone parameters.

 

The flotation test conditions were selected based on the SGS 2011 test program and included:

 

primary grind size of 100 µm;

 

reagents: potassium amyl xanthate (PAX), A208, copper sulphate (CuSO4);

 

target pulp pH of 8-9; and

 

single-stage cleaning of bulk rougher concentrate.

 

13.8.2.1Effect of Primary Grind Size

 

Rougher kinetic tests were conducted at varying target grind sizes ranging from 97 to 150 µm to evaluate the effect of primary grind size on gold recovery. The test results presented in Figure 13-2 show that gold recovery generally improves with decreased primary grind size. The primary grind size of 80% passing at 100 µm was selected for flowsheet design.

 

Figure 13-2:Effect of the Grind Size – ALS 2023 Variability Samples

 

 

 

Source: Ausenco, 2023.

 

  
Courageous Lake ProjectPage 125
Pre-feasibility Study and Preliminary Economic Assessment NI 43-101 Technical ReportJanuary 5, 2024
  

  

 

13.8.2.2Flotation Kinetics

 

Kinetics plots for the response of gold recovery over time of flotation for eight variability samples from 2023 ALS test work are shown in Figure 13-3. The results show average laboratory flotation time is around eight minutes for it to complete flotation, attaining 95% recovery for gold.

 

Figure 13-3:Gold Recovery vs Time Plot – ALS 2023 Variability Samples

 

 

Source: Ausenco, 2023.

 

  
Courageous Lake ProjectPage 126
Pre-feasibility Study and Preliminary Economic Assessment NI 43-101 Technical ReportJanuary 5, 2024
  

  

 

13.8.2.3Flotation Recovery

 

The flotation results of ALS 2023 variability samples are summarized in Table 13-9. The average of eight variability samples, 95% of the gold and 94% of sulfur reports to the rougher flotation concentrate with an average gold grade of 36 g/t Au and an average mass pull of 8.5%. Tests Var 5 and Var 7 did not meet target grind size of 100 µm.

 

Table 13-9:Rougher Flotation Recovery Data – ALS 2023

 

Sample ID Primary Grind Size (µm) Rougher Mass
(%)
Rougher Concentrate Distribution Rougher Concentrate Grade
Au Ag S As C Fe Au (g/t) Ag (g/t) S2- (%) As (%) C (%) Fe (%)
Var 1 97 7.4 93.8 90.1 95.0 96.5 6.0 50.5 66.7 5.7 9.4 8.2 0.8 12.5
Var 2 100 9.6 95.5 96.2 93.9 96.2 7.8 58.4 36.0 11.9 11.6 6.3 0.8 16.3
Var 3 102 5.2 93.4 89.1 94.6 97.0 4.9 51.6 72.4 5.9 7.6 10.9 0.7 12.7
Var 4 96 13.1 94.0 93.4 96.0 96.0 11.3 63.2 15.7 4.7 6.4 3.5 0.7 7.9
Var 5 79 10.0 96.1 90.2 96.5 97.6 8.0 48.5 17.6 4.1 7.5 3.7 1.0 10.4
Var 6 102 5.0 96.6 78.0 89.5 98.7 5.0 24.6 10.6 3.3 4.8 2.8 0.5 9.5
Var 7 86 8.4 95.0 79.4 96.2 96.6 6.5 49.1 43.7 8.4 8.2 6.8 0.5 11.4
Var 8 100 9.6 97.0 84.6 93.0 98.8 8.5 54.9 24.7 2.6 5.0 3.8 0.6 8.4

 

13.9Cleaner Flotation

 

All test programs conducted single-stage and two-stage cleaner flotation in an effort to improve concentrate grade. The test results indicated that the rougher bulk concentrates can be upgraded by one stage of cleaner flotation with a 3% loss of gold into the cleaner flotation tailing.

 

13.9.1SGS (2003)

 

The 2003/2004 test program conducted two cleaner flotation tests on the Zone Composite sample to improve the final concentrate grade by using a more selective collector A3894. Results demonstrated single-stage cleaning could upgrade the rougher flotation concentrate from 12 g/t Au to 61 g/t Au and to 93 g/t Au with two stages of cleaning. This upgrade came with a loss in gold reporting to the concentrates decreasing from 92% in the rougher flotation concentrate to 87% in the first cleaner flotation concentrate, and to 80% in the second cleaner flotation concentrate. Sulfur grade in the rougher flotation concentrate was concentrated from 3.6% to 17.4% with one stage of cleaner flotation and to 26% with two-stage cleaning.

 

13.9.2SGS (2011)

 

The 2010/2011 test program further investigated cleaning of the concentrate with results showing good upgrading efficiencies for rougher flotation concentrates, with gold recovery at the first cleaner flotation stage of averaging at 96%. The test indicated that single-stage cleaning could upgrade the rougher flotation concentrate from an average of 21 g/t Au to an average of 52 g/t Au and from average 5.% to an average 13% sulfur.

 

  
Courageous Lake ProjectPage 127
Pre-feasibility Study and Preliminary Economic Assessment NI 43-101 Technical ReportJanuary 5, 2024
  

  

 

Table 13-10:Cleaner Flotation Test Data – SGS 2010/2011

 

Test

Cleaner Mass Pull (%)

Cleaner Concentrate Distribution (%) Cleaner Concentrate Grade
Au S2- Fe As C Au (g/t) S2- (%) Fe (%) As (%) C
(%)
Zone 3 – F1 batch cleaner test 4.8 97.4 96.1 84.7 96.9 36.0 54.8 12.7 18.0 7.7 1.0
Zone 5 – F1 batch cleaner test 4.4 97.1 96.5 83.8 96.9 31.4 44.2 12.0 17.8 6.8 0.7
Low Au – F1 Zone 4 batch cleaner test 3.7 97.4 97.6 81.2 96.7 32.2 26.0 11.1 16.6 6.0 0.8
High Au – F1 Zone 4 batch cleaner test 4.7 97.1 98.1 88.8 97.0 35.7 77.6 12.7 18.2 9.6 0.6
Locked Cycle Test on Zone 3 Composite 3.5 95.2 96.1 86.0 93.8 37.7 72.1 17.0 23.8 10.6 1.0
Locked Cycle Test on Zone 4 Composite 4.3 95.8 95.9 84.7 95.0 39.0 45.5 11.5 17.0 7.4 0.8
Locked Cycle Test on Zone 5 Composite 3.8 95.3 96.3 83.8 95.2 33.1 53.2 13.6 17.6 8.1 0.7

Locked Cycle Test on Zone 4 Low Au Composite

4.6 95.7 95.6 47.5 95.3 38.6 33.4 13.2 20.5 7.2 1.4

Locked Cycle Test on Zone 4 High Au Composite

7.2 95.5 96.4 83.6 95.4 42.9 62.8 10.7 14.1 7.8 0.9

 

13.9.3ALS (2023)

 

The 2023 ALS test program conducted cleaner flotation tests on eight variability samples. The rougher concentrate and cleaner concentrate grades are presented in Table 13-11. The gold concentrate grade improved by an average upgrade ratio of two after a single stage of cleaning. The average rougher concentrate grade of eight variability samples was improved from 41 g/t to 73 g/t Au with single-stage cleaning. The average sulfur grade was upgraded from 8.5% to 16%. The average gold recovery after cleaning the rougher concentrate was 92%.

 

Table 13-11: Cleaner Flotation Variability Test Data – ALS 2023

 

Zone Sample ID Primary Grind Size (µm) Rougher Concentrate Grade Cleaner Mass Pull (%) Cleaner Recovery (%) Cleaner Concentrate Grade
Au (g/t) Ag (g/t) S (%) Au Ag S Au (g/t) Ag (g/t) S (%)
3 Var 1 97 47.9 5.6 6.7 4.2 89.9 43.9 90.0 114.1 8.0 16.1
3 Var 2 100 31.7 11.0 10.1 6.6 92.0 84.1 87.8 52.3 18.0 16.5
3 Var 3 102 84.2 6.7 8.8 3.0 90.4 85.8 90.5 84.2 6.7 8.8
4 Var 5 124 22.5 5.3 8.5 3.9 93.2 84.5 91.9 42.6 9.0 17.6
4 Var 6 102 22.4 4.9 9.3 1.5 93.0 65.8 85.6 35.8 8.0 16.1
4 Var 7 116 13.1 3.2 6.1 3.6 93.4 87.4 90.6 107.0 20.0 17.9
5 Var 4 96 61.2 12.1 10.6 5.4 93.0 88.0 93.4 39.4 9.0 15.0
5 Var 8 100 43.6 4.2 8.2 2.3 94.1 77.7 90.0 110.2 10.0 20.3

 

  
Courageous Lake ProjectPage 128
Pre-feasibility Study and Preliminary Economic Assessment NI 43-101 Technical ReportJanuary 5, 2024
  

  

 

13.10Direct Cyanidation

 

Direct cyanidation of flotation concentrate testwork is historical, yielding poor results with Au recoveries ranging from 24% to 42% after 48 hours of leaching with results shown in Table 13-11. The 2003/2004 SGS-Lakefield test program indicated 24% of the gold, on average, can be extracted from the concentrates at the grind size of 80% passing 23 µm. A slight improvement in gold extraction was noticed when concentrate was further reground to 80% passing 13 µm as shown from the test work conducted by G&T in 2007. The 2011 SGS-Lakefield direct cyanidation tests achieved 28% gold recovery after 48 hours of leaching. The test results indicate concentrates are refractory to direct cyanidation.

 

Table 13-12:Gold Extraction by Direct Cyanide Leaching of Flotation Concentrate – Historical Tests

 

Sample Test Program Grind Size P80 (µm) Head Assay
(g/t Au)
Retention Time
(h)

Gold Recovery

%

Concentrate – F12 2003/2004 SGS-Lakefield 23 19.2 48 24
Concentrate – F4 2007 G&T 13 7.7 48 32
Concentrate – F121 2007 G&T 10 7.7 48 42
Blended Concentrate 2011 SGS-Lakefield 43 33.1 48 28

 

Notes: 1. Caustic leach for 16 hours prior to cyanidation.

 

13.10.1Cyanide Leach of Flotation Tail

 

In 2023 ALS test program, flotation tails were directly leached with cyanide for 24 hours. The results are shown in Table 13-13 showing, on average, 45% of gold can be recovered from the tails; however, this option was evaluated as uneconomic for the selected flowsheet.

 

Table 13-13:Gold Extraction by Direct Cyanide Leaching of Flotation Concentrate – Historical Tests

 

Zone

Sample ID

Primary Grind size (µm)

Feed Grade (calculated)
Au (g/t)

Liquor Grade Au (g/t) Residue Grade Au (g/t) Au Extraction (%)*

NaCN

Consumption (kg/t)

CaO Consumption (kg/t)
3 Var 1 97 0.34 0.11 0.17 49.31 0.08 0.38
3 Var 2 100 0.16 0.05 0.08 48.42 0.09 0.41
3 Var 3 102 0.36 0.14 0.15 58.50 0.09 0.33
5 Var 4 96 0.14 0.03 0.10 32.21 0.09 0.30
4 Var 7 86 0.20 0.05 0.13 37.53 0.06 0.32

 

Note: * based on calculated feed grade.

 

  
Courageous Lake ProjectPage 129
Pre-feasibility Study and Preliminary Economic Assessment NI 43-101 Technical ReportJanuary 5, 2024
  

  

 

13.11Pressure Oxidation

 

Several oxidation tests were conducted on Courageous Lake mineralization. In the 2003/2004 test program, Lakefield conducted eight batch POX tests and three semi-continuous POX tests on the flotation concentrate from Zone 345-1 composite. Samples were pressure oxidized at an oxygen partial pressure of 100 psi and a temperature of 225°C. The POX feeds were pre-acidulated with sulfuric acid at pH 3 for one hour to decompose carbonate minerals prior to the pressure oxidation stage, otherwise CO2 emission in the autoclave would lower oxidation efficiency and oxygen utilization. The oxidation retention time varied from 45 to 90 minutes. Gold extraction by cyanidation was 42.6%, 82.5% and 98.5% at sulphide oxidations of 45%, 67% and 98% respectively.

 

The 2010/2011 SGS-Lakefield test program included POX tests conducted at lower temperatures ranging from 190°C to 220°C, retention time of 120 min, and partial oxygen pressure of 100 psi. The POX feeds were pre-leached with sulfuric acid for one hour to maintain a pH of 1.8. Blend 1 sample consisted of MC cleaner concentrate (37.5%) and cleaner scavenger tails (62.5%). Blend 1 head elemental analysis is summarized in Table 13-14.

 

Table 13-14: Blend 1 Head Analysis

 

Element Units Blend 1
Au g/t 34.6
Ag g/t 11.7
As % 5.1
Fe % 13.0
S= % 8.9
S % 9.1
C(t) % 0.9
C(g) % 0.0
TOC leco % 0.2
CO3 % 3.9
Al g/t 56000.0
Ba g/t 190.0
Be g/t 0.9
Bi g/t 20.0
Ca g/t 25600.0
Cd g/t <10
Co g/t 86.0
Cr g/t 576.0
Cu g/t 897.0
K g/t 20100.0
Li g/t 6280.0
Mn g/t 675.0
Mo g/t 6.0
Na g/t 10200.0

 

  
Courageous Lake ProjectPage 130
Pre-feasibility Study and Preliminary Economic Assessment NI 43-101 Technical ReportJanuary 5, 2024
  

  

 

Element Units Blend 1
Ni g/t 78.0
P g/t 287.0
Pb g/t 59.0
Sb g/t 82.0
Se g/t <30
Sn g/t <20
Sr g/t 108.0
Ti g/t 1930.0
Tl g/t 30.0
U g/t 20.0
V g/t 32.0
Y g/t 9.0
Zn g/t 434.0
Cl g/t 88.0
F % 0.0

 

The 2010/2011 SGS-Lakefield test program included POX tests conducted at lower temperatures ranging from 190°C to 220°C, retention time of 120 min, and partial oxygen pressure of 100 psi. The POX test conditions are listed in Table 13-15. The results from the 2010/2011 SGS POX test program are summarized in Table 13-16.

 

Table 13-15: POX Test Conditions – SGS 2011

  

  Pre-acidulation POX Conditions
Test ID   Sample ID

Grind Size P80 (µm)

Pulp Density (w/w%) pH Acid Addition
(kg/t)

Temperature

(°C)

POX Time (min)

Hot Cure (min)

POX1 BIend 1 43 34 1.8 91 190 120 n/a
POX2 BIend 1 43 34 1.8 92 200 120 n/a
POX3 BIend 1 43 34 1.8 92 210 120 n/a
POX4 BIend 1 43 34 1.8 92 220 120 n/a
POX5 BIend 1 43 34 1.8 92 210 120 240
POX6 BIend 1 43 34 1.8 92 200 120 n/a
POX7 BIend 1 43 34 1.8 86 200 120 n/a
POX8 BIend 1 18 34 1.8 92 200 120 n/a
POX9 BIend 1 43 34 5.2 45 200 120 n/a
POX10 BIend 1 43 34 1.8 90 200 120 n/a

  

  
Courageous Lake ProjectPage 131
Pre-feasibility Study and Preliminary Economic Assessment NI 43-101 Technical ReportJanuary 5, 2024
  

  

 

Test ID Sample ID Pre-acidulation POX Conditions

Grind Size
P80 (µm)

Pulp Density (w/w%) pH Acid Addition (kg/t)

Temperatur e

(°C)

POX Time (min)

Hot Cure
(min)

POX11

LCT 2

Combined Sulphide Conc

(CZ Zone)

23

29

1.8

76

200

120

n/a

POX12

LCT &Zcy;

Combined SuIphide Conc

23

34

1.8

96

200

120

n/a

POX13

LCT 5

Combined SuIphide

Conc

22

34

1.8

63

200

120

n/a

POX14

LCT 10 Ro

conc

21 30 1.8 75 200 120 n/a
POX15

LCT 10 To

Conc

21 30 1.8 75 220 120 n/a

 

Table 13-16: POX and Cyanidation Test Results – SGS 2011

 

Test ID Sample ID

Reagent

Consumption
(kg/t POX Feed)

Au Extraction
(%)
Ag Extraction
(%)
Head Grade Temperature (°C)
NaCN CaO 8 h 24 h 48 h 24 h 48 h Au Ag S-2
No POX Blend 1 4.5 1.7 16.1 22.8 27.5 - 78.5 32.6 10.7 8.9 -
POX 1 Blend 1 0.2 1.4 92.4 94.5 95.1 - 32.6 29.2 11.6 8.9 190
POX 2 Blend 1 0.3 1.3 95.0 97 96.8 - 28.5 29.3 12.7 8.9 200
POX 3 Blend 1 0.2 1.4 95.2 95.8 97.6 - 27.1 30.2 13.2 8.9 210
POX 4 Blend 1 0.3 3.3 95.6 97.1 97.1 - 22.2 26.8 13.2 8.9 220
POX 5 Blend 1 0.2 0.8 - 98.1 97.7 - 15.5 27.1 25.6 8.9 210
POX 6 Blend 1 0.1 3.9 - 95.0 - 29.7 - 25.1 15.8 8.9 200
POX 7 Blend 1 0.2 5.4 - 97.2 - 30.5 - 29.4 10.9 8.9 200
POX 8 Blend 1 0.3 5.9 - 96.7 - 27 - 28.1 9.8 8.9 200
POX 9 Blend 1 0.1 5.4 - 96.6 - - - 28.9 - 8.9 200
POX 10-1 Blend 1 0.2 3.9 - 96.0 - - - 25.3 - 8.9 200

 

  
Courageous Lake ProjectPage 132
Pre-feasibility Study and Preliminary Economic Assessment NI 43-101 Technical ReportJanuary 5, 2024
  

  

 

Test ID Sample ID

Reagent Consumption

(kg/t POX Feed)

Au Extraction
(%)
Ag Extraction
(%)
Head Grade Temperature (°C)
NaCN CaO 8 h 24 h 48 h 24 h 48 h Au Ag S-2
POX 10-2 Blend 1 0.1 2.2 - 92.5 - - - 16.1 - 8.9 200
POX 11

LCT 2

Concentrate

0.1 5.3 - 98.4 - 22.3 - 19.8 16.8 9.6 200
POX 12

LCT 3

Concentrate

0.2 4.2 - 94.6 - - - 29.4 - 8.4 200
POX 13

LCT 5

Concentrate

0.2 4.4 - 94.9 - - - 25.5 - 8.6 200
POX 14

LCT 10

Concentrate

0.3 5.3 - 95.4 - - - 17.9 - 4.6 200
POX 15

LCT 10

Concentrate

0.3 4.8 - 98.2 - - - 18.7 - 4.6 220

 

Note: POX 10-2 sample used a blend of Test POX 10 residue and cleaner flotation tailing from Zone 4 sample as Cyanidation Feed.

 

The cyanidation tests showed that the samples oxidized at 190°C produced the lowest gold leach recovery (94.5% at 24 h leach retention time), compared to other tests at the higher temperatures.

 

The operating conditions of Test POX 2 were selected as the basis for the design of the pressure oxidation circuit which include the following:

 

Operating temperature of 200°C

 

100 psi oxygen overpressure

 

120 minutes’ POX residence time.

 

POX 2 test results indicate that 97% gold extraction can be achieved under these conditions. A few tests achieved over 97% gold extraction, but were disregarded due to the following reasons:

 

test POX 5 had hot cure which was found uneconomic for the selected flowsheet;

 

test POX 11 is on the CMZ composite which is a minor mineralized material zone; and

 

test POX 15 was conducted at a finer grind.

 

13.12Cyanide Destruction Testwork

 

In the 2010/2011 testwork, Lakefield conducted one batch and one continuous cyanide destruction test on the leach residue using SO2/air method. Air and sulfur dioxide are combined to produce a powerful oxidant, which oxidizes free cyanide from process solution or slurries. Copper sulphate is added as a catalyst to increase the rate of cyanide destruction. The test results are presented in Table 13-17. The test results indicated that the residual weak acid dissociable cyanide (CNwad) in the treated pulp was reduced to 0.5 mg/L in the continuous test after the pulp was treated with 5 g equivalent SO2 and 0.08 g Cu (added as copper sulphate) per gram of CNwad in the feed pulp for 111 minutes at pH 8.5.

 

  
Courageous Lake ProjectPage 133
Pre-feasibility Study and Preliminary Economic Assessment NI 43-101 Technical ReportJanuary 5, 2024
  

  

 

Table 13-17: Cyanide Detoxification Test Results – SGS 2011

 

 

Feed/ Product

Pulp Density (%)

Retention Time (min)

Assay Data (Solution Phase) Reagent Addition

 

pH

CNT

(mg/L)

CNwad (mg/L) Cu (mg/L) g/g CNwad g/L Feed Pulp

SO2

Equiv

Lime Cu

SO2

Equiv

Lime Cu
Feed Pulp 33 - 10.1 548.4 548.4 0.9 - - - - - -

Product - Batch Test

CND1

33

180

8.5

-

1.0

-

6.0

1.2

0.1

2.8

0.6

0.04

Product Continuous

Test CND2

33

111

8.5

2.2

0.5

<0.05

4.8

0.9

0.1

2.3

0.4

0.04

 

13.13Solid Liquid Separation

 

In 2011, Lakefield conducted thickening tests on rougher/scavenger flotation tailing from Test LCT10, rougher/scavenger concentrate, POX discharge from Test POX16, and cyanide destruction residue from Test CND2. The test results, including initial settling rate (ISR), thickener underflow unit area (TUFUA), flocculant dosage, and thickener hydraulic unit area (THUA) are summarized in Table 13-18.

 

Table 13-18: Summary Settling Test Results – SGS 2010/2011

 

Sample ID Floc Dosage
(g/t)
U/F
(%wt)

ISR

(m3/t/d)

TUFUA

(m2/t/d)

THUA

(m2/t/d)

Rougher/Scavenger Tailing 50 62 902 0.06 0.01
Rougher/Scavenger Concentrate 70 62 602 0.14 0.01
POX Discharge 84 39 920 0.15 0.02
Cyanide Destruction Residue 40 44 809 0.17 0.02

 

In the 2023 test program, ALS conducted thickening tests on rougher flotation tailing. AN913SH flocculant was selected for dynamic settling tests. These tests were all performed targeting pH of 9-10 and using 15% w/w solids concentration for the feed slurry presented in Table 13-19. The highest underflow density achieved was 64% solids w/w, with a settling rate of 0.5 t/m²/h and lowest turbidity of 231 FAU. For process design, a settling rate of 0.5 t/m²/h and flocculant addition of 30 g/t of feed was nominated to reach an underflow density of 65% solids, w/w.

 

  
Courageous Lake ProjectPage 134
Pre-feasibility Study and Preliminary Economic Assessment NI 43-101 Technical ReportJanuary 5, 2024
  

  

 

Table 13-19: Dynamic Settling Test Results – ALS 2023

 

Parameter Test 1 Test 2 Test 3 Test 4 Test 5
Loading Rate (t/m2/h) 0.5 0.7 1.0 0.7 0.7
Rise Rate (m/h) 3.1 4.3 6.2 4.4 4.3
Flocculant Dosage (g/t) 30.0 30.0 30.0 50.0 30.0
U/F Density (%Solids) 64.0 63.0 61.5 62.8 63.2
Turbidity (FAU) 231.0 350.0 311.0 302.0 244.0
Solids SG 2.8 2.80 2.8 2.8 2.8

 

13.14Recovery Estimate

 

Sulfur and arsenic grades from test work are higher than grades anticipated from the mine plan. Gold vs. sulfur and gold vs. arsenic relationships shown in Figure 13-4 and Figure 13-5 illustrating grade discrepancies. It is assumed the metallurgical trends and characteristic performance from the test work extrapolate to the lower values in the mine plan.

 

Figure 13-4: Gold and Sulfur Grades Relationship in Mineralized Material – ALS 2023

 

 

 

Source: Ausenco, 2023.

 

  
Courageous Lake ProjectPage 135
Pre-feasibility Study and Preliminary Economic Assessment NI 43-101 Technical ReportJanuary 5, 2024
  

  

 

Figure 13-5: Gold and Arsenic Grades Relationship in Mineralized Material – ALS 2023

 

 

 

Source: Ausenco, 2023.

 

13.14.1Recovery Modelling

 

ALS 2023 and SGS 2011/2012 test results were analyzed at the grind size of 100 μm to provide a recovery model for use with the mine production schedule to provide metals recovery and production data. The tests included open circuit and locked cycle bulk rougher flotation and single-stage cleaner flotation tests of the Courageous Lake master composites and variability samples to project metal recoveries into a flotation concentrate.

 

Correlations of the data were established resulting in the following regression formulas and relationships:

 

Gold rougher tails grade:

 

o(Au in feed 0.5 - 4.5 g/t and Au/S<6): Au rougher tails grade = 0.053 x (g/t Au in feed)

 

o(Au in feed 4.5 – 5.6 g/t and Au/S≥6): Au rougher tails grade = 0.034

 

Gold cleaner concentrate recovery = -0.45 x ln(Au rougher concentrate grade)+99.3

 

Silver rougher recovery (Ag in feed = 0.25-1.5 g/t) = 89%

 

Silver cleaner concentrate recovery:

 

o(Ag rougher concentrate grade > 5.5 g/t): recovery = 96%

 

o(Ag rougher concentrate grade < 5.5 g/t): recovery = 2.837 x (Ag rougher concentrate grade) + 80.867

 

  
Courageous Lake ProjectPage 136
Pre-feasibility Study and Preliminary Economic Assessment NI 43-101 Technical ReportJanuary 5, 2024
  

  

 

Sulfur rougher tails grade = 0.06x(%S in feed)

 

Sulfur cleaner concentrate recovery:

 

o(Au/S > 6): recovery = 1.65 x (%S in feed) + 96.8

 

o(Au/S < 6): recovery = 1.65 x (%S in feed) + 94.8

 

Arsenic rougher recovery (%As in feed = 0.1-0.8) = 97%

 

Arsenic cleaner concentrate recovery = 1.2029 x As rougher recovery – 21.721

 

Iron rougher recovery = -28.3 x ln(% Fe in feed/%S in feed) + 81.155

 

Iron cleaner concentrate recovery = -7.8376 x (% Fe in feed/%S in feed) + 64.111

 

Carbon rougher recovery = 0.5705 x (%C in feed) + 0.2159

 

Carbon cleaner concentrate recovery = 0.5012 x C rougher recovery – 1.7713

 

Based on the plant feed grades and the metallurgical models the projected life of mine recoveries are 89.3% for gold, 91% for sulfur and 24% for silver.

 

Cleaner concentrate grades over the life of mine are expected to be in the range shown in Table 13-20 below.

 

Table 13-20: Predicted Cleaner Flotation Concentrate Grade Over Life of Mine

 

Year Cleaner Flotation Conc Grade
Au (g/t)

Ag (g/t)

S (%)

As (%)

Fe ( %)

C(t), %

1 174.8 14.3 12.7 6.5 17.4 0.2
2 130.7 12.6 12.9 6.7 18.0 0.2
3 90.5 12.0 12.3 5.9 16.7 0.1
4 94.6 10.7 12.0 5.3 16.3 0.1
5 65.7 13.1 10.9 5.7 11.5 0.1
6 84.1 20.1 12.0 7.2 15.8 0.1
7 61.7 12.7 10.5 5.8 9.1 0.1
8 63.6 12.8 10.7 5.3 11.7 0.1
9 94.4 17.9 11.4 6.1 12.9 0.1
10 110.8 19.8 12.6 7.6 17.3 0.2
11 81.6 19.3 12.3 7.9 16.3 0.1
12 45.0 16.1 10.3 6.7 8.3 0.1
13 33.5 14.4 10.7 6.0 10.5 0.1

  

  
Courageous Lake ProjectPage 137
Pre-feasibility Study and Preliminary Economic Assessment NI 43-101 Technical ReportJanuary 5, 2024
  

  

 

In addition to the predicted leach extraction of 97%, plant losses were estimated at 0.5%. These recoveries are reflective of the testwork performed to date and were applied to the mine planning and financial modelling. Figure 13-6 shows the predicted and actual test work recovery performance.

 

Figure 13-6: Predicted and Test work Gold Recoveries vs. Feed Grade – ALS 2023

 

 

 

Source: Ausenco, 2023.

 

13.15Deleterious Elements

 

The deleterious element assay for eight variability samples from ALS 2023 test program indicate all samples contained less than one ppm of mercury, which was the laboratory’s detection point. It does not appear that mercury would become a deleterious element that could have a significant economic effect on potential extraction in the final doré; however, further analysis may be required to confirm the precise mercury concentration at lower detection point.

 

13.16Walsh Lake Deposit – SGS 2013

 

The current flowsheet design is based on metallurgical testing completed on Courageous Lake deposit; however, in 2013, SGS Lakefield performed test work on Walsh Lake deposit located near Courageous Lake deposit under the request of Seabridge Gold. The metallurgical performance of the samples from Walsh Lake deposit are not considered for the development of the process flowsheet described in Section 17.

 

  
Courageous Lake ProjectPage 138
Pre-feasibility Study and Preliminary Economic Assessment NI 43-101 Technical ReportJanuary 5, 2024
  

  

 

13.16.1Head Assay – Walsh Lake Deposit

 

A head assay for three zone composite samples from Walsh Lake deposit was determined for gold, silver, sulfur, arsenic, carbon, iron, calcium and other major, minor, and trace elements. All the drill cores crushed to 100% passing 10 mesh. The gold head analysis determined by a screened metallic protocol showed 2.80 g/t for Zone 1, 12.2 g/t for Zone 2, and 2.95 g/t for Zone 3 composite. The head assay results of the samples are given in Table 13-21.

 

Table 13-21: Walsh Lake Head Assay

 

Head Analysis Composite Zone 1 Composite Zone 2 Composite Zone 3
Au g/t 2.80 12.20 2.95
Ag g/t <2 <2 <2
As % 0.70 4.10 0.43
Ca g/t 24400.00 29100.00 32000.00
Cu g/t 85.60 65.00 81.70
C(t) % 0.11 0.16 0.28
CO3 % <0.05 <0.05 0.70
Fe % 10.10 11.50 8.06
S % 0.94 2.84 1.94
S- % 0.92 2.76 1.97
TOC % 0.12 0.14 0.12

 

13.16.2Direct Cyanidation – Walsh Lake Deposit

 

A series of five bottle roll cyanidation tests were conducted on composite samples from all three zones to evaluate the amenability of the mineralized material to cyanide leaching. The results are presented in Table 13-22. The highest gold extraction is 96.1% for CN 2 (Zone 1). The lowest gold extraction is 92.9% for CN1 (Zone 2), but another test on Zone 2 (CN5) shows a 95% extraction. The cyanidation test results show that samples are amenable to leaching by standard, direct cyanidation procedures. The direct cyanidation results does not show any indication of Walsh Lake material being refractory.

 

Table 13-22: Summary of Cyanidation Testwork

 

Composite Test No. Feed
Size
(µm)
Reagent
Consumption
Extraction
(%)
Residue Assay
(g/t)
Head Calc.
(g/t)
Head
Direct
(g/t)
(kg/t)
NaCN CaO Au Ag Au Ag Au Ag Au
Zone 2 CN1 86 1.76 0.39 92.90 >39.60 0.82 <2.00 11.60 - 12.20
Zone 1 CN2 64 0.15 0.58 96.10 >41.00 0.12 <0.50 2.98 0.85 2.80
Zone 2 CN3 82 0.17 0.80 93.10 >70.00 0.84 <0.50 12.20 1.67 12.20
Zone 3 CN4 62 0.16 0.63 93.80 60.20 0.18 <0.50 2.89 1.26 2.95
Zone 2 CN5 62 0.65 1.29 95.00 85.60 0.61 0.20 12.10 1.39 12.20

 

  
Courageous Lake ProjectPage 139
Pre-feasibility Study and Preliminary Economic Assessment NI 43-101 Technical ReportJanuary 5, 2024
  

  

 

13.16.3Flotation – Walsh Lake Deposit

 

A series of flotation tests were undertaken using all three composites. The 2013 test work employed standard sulfide flotation reagents including 80 g/t of PAX, 10 g/t of A208, 10 g/t of MIBC, and 50 g/t of CuSO4 added to activate the sulfides. The rougher flotation test results are shown in Table 13-23.

 

Table 13-23: Rougher Flotation Test Results – Walsh Lake Deposit

 

Sample ID Head Assay (g/t) Primary Grind Size (μm) Rougher Mass Pull (%) Rougher Concentrate Distribution (%) Rougher Concentrate Grade
Au S Fe As Ct Ag Au  
(g/t)
S
%
Fe
(%)
As
(%)
Ct
 (%)
Ag
g/t
Zone 1 126 126 15.4 91.9 90.2 26.5 97.0 22.7 16.2 17.3 6.5 18.4 4.8 0.2 <10.0
Zone 2 104 104 22.9 95.1 95.3 43.8 96.8 23.1 22.9 48.0 10.9 23.4 16.5 0.2 <10.0
Zone 3 90 90 14.5 87.8 86.0 36.8 94.8 19.0 14.6 18.6 11.6 21.7 2.7 0.3 <10.0

 

Rougher flotation tests show gold recoveries ranging from 87.8% on high grade material to 95.1% on lower grade material. The concentrates mass pulls ranges from 14.5% to 22.9% of the original composite weight.

 

13.17General Comments

 

The QP has performed various checks to verify that the data that were used to estimate resources that are the subject of this report. Based on these checks, it is the QP's opinion that the data are suitable to be used to estimate Mineral Resources.

 

  
Courageous Lake ProjectPage 140
Pre-feasibility Study and Preliminary Economic Assessment NI 43-101 Technical ReportJanuary 5, 2024
  

  

  

14MINERAL RESOURCE ESTIMATES

 

14.1Introduction

 

The Mineral Resource for the Courageous Lake Project has been updated with revised estimates by Sue Bird, P. Eng. (APEGBC #25007) of Moose Mountain Technical Services (MMTS) in accordance with the updated Canadian Institute of Mining, Metallurgy and Petroleum (CIM) Definition Standards (CIM 2014) and have been estimated using the 2019 CIM Best Practices Guidelines. The resource modelling now includes both Courageous Lake and Walsh lake within the Project, and includes additional drilling by Seabridge on Courageous Lake in 2018 as well as an updated modelling methodology.

 

14.2Mineral Resource Estimate

 

The Resource Estimate for the Courageous Lake Project deposits is summarized in the following tables.

 

Table 14-1 summarizes the 2024 Courageous Lake deposit mineral Resource Estimate (MRE) at various cut-offs with the base case cut-off highlighted. The base case cut-off is 0.80 g/t Au and covers the Processing and G&A costs. Table 14-2 summarizes the Walsh Lake total MRE with Table 14-3 summarizing the processing recoveries used for both Courageous and Walsh Lake, based on the Au grade. Mineral resources that are not mineral reserves do not have demonstrated economic viability.

 

The effective date of the Courageous Lake and Walsh Lake Resource Estimates is January 5, 2024.

 

  
Courageous Lake ProjectPage 141
Pre-feasibility Study and Preliminary Economic Assessment NI 43-101 Technical ReportJanuary 5, 2024
  

  

 

Table 14-1: 2024 Mineral Resource Estimate for the Courageous Lake Deposit

 

Class Au Cutoff (g/t) Tonnage (ktonnes) Au Grade (g/t) Au Metal (koz)

Measured

0.5 6,976 2.532 568
0.6 6,624 2.638 562
0.7 6,341 2.726 556
0.8 6,007 2.836 548
0.9 5,695 2.945 539
1.0 5,424 3.045 531
1.5 4,147 3.601 480
2.0 3,231 4.129 429
3.0 1,847 5.382 320

Indicated

0.5 171,442 2.017 11,120
0.6 160,352 2.119 10,924
0.7 149,422 2.226 10,696
0.8 139,167 2.335 10,449
0.9 129,234 2.450 10,178
1.0

120,140

2.563 9,901
1.5 84,347 3.126 8,478
2.0 58,963 3.726 7,063
3.0 29,606 5.004 4,763

 Measured + Indicated

0.5 178,418 2.038 11,688
0.6 166,976 2.139 11,486
0.7 155,763 2.247 11,251
0.8 145,174 2.356 10,997
0.9 134,929 2.470 10,717
1.0 125,564 2.584 10,432
1.5 88,494 3.149 8,958
2.0 62,194 3.747 7,492
3.0 31,453 5.026 5,083

Inferred

0.5 52,701 2.086 3,534
0.6 47,836 2.242 3,448
0.7 43,998 2.381 3,368
0.8 40,603 2.517 3,286
0.9 37,280 2.666 3,196
1.0 34,638 2.797 3,115
1.5 23,885 3.499 2,687
2.0 16,494 4.286 2,273
3.0 8,104 6.208 1,617

 

Notes to the 2024 Courageous Lake Resource Table:

 

1.The Mineral Resource estimates have been done by Sue Bird, P.Eng., the independent QP and are reported using the 2014 CIM Definition Standards and were estimated using the 2019 CIM Best Practices Guidelines, as required by NI43-101.
2.The base case Mineral Resource has been confined by "reasonable prospects of eventual economic extraction" shape using the following assumptions: Metal prices is US$1400/oz Gold; Metallurgical recovery variable with Grade as summarized in Table 14-3; Offsite Costs (transport, smelter treatment and refining) are US$ 3.50/oz Au; Processing costs are US$24.21/tonne milled, General and Administrative (“G&A”) costs of US$ 14.08/ tonne milled; Mining cost of US$2.87/ tonne; and 50 degree pit slopes with the 150% price case pit shell used for the confining shape.
3.The resulting NSR = Au*US$ 44.90/g * Recovery%
4.The specific gravity is 2.72 except for the diabase dykes which have an sg of 2.85 and the overburden with an sg of 2.0.
5.Numbers may not add due to rounding.

 

  
Courageous Lake ProjectPage 142
Pre-feasibility Study and Preliminary Economic Assessment NI 43-101 Technical ReportJanuary 5, 2024
  

  

 

Table 14-2:2024 Resource Statement for the Walsh Lake Deposit

 

Classification Au Cut-off (g/t) Tonnes (ktonnes) Au Grade (g/t) Au Metal (koz)

 

 

 

 

Inferred

0.5 5,081 3.514 574.1
0.6 4,692 3.760 567.1
0.7 4,366 3.992 560.4
0.8 4,134 4.175 554.8
0.9 3,910 4.364 548.6
1.0 3,662 4.596 541.1
1.5 2,909 5.468 511.4
2.0 2,357 6.341 480.5
3.0 1,668 7.935 425.5

 

Notes to the 2024 Walsh Lake Resource Table:

 

1.The Mineral Resource estimates have been done by Sue Bird, P.Eng., the independent QP and are reported using the 2014 CIM Definition Standards and were estimated using the 2019 CIM Best Practices Guidelines, as required by NI43-101.
2.The base case Mineral Resource has been confined by "reasonable prospects of eventual economic extraction" shape using the following assumptions: Metal prices is US$1400/oz Gold; Metallurgical recovery variable with Grade as summarized in Table 14-3; Offsite Costs (transport, smelter treatment and refining) are US$ 3.50/oz Au; Processing costs are US$24.21/tonne milled, General and Administrative (“G&A”) costs of US$ 14.08/ tonne milled; Mining cost of US$2.87/ tonne; and 50 degree pit slopes with the 150% price case pit shell used for the confining shape.
3.The resulting NSR = Au*US$ 44.90/g * Recovery%
4.The specific gravity is 2.90 in the metavolcanics and 2.84 in the metasediments.
5.Numbers may not add due to rounding.

 

Table 14-3:Metallurgical Recoveries Used for the Project

 

Au Grade Range (g/t) Recovery (%)
<0.3 0
0.3-0.5 40
0.5-0.75 65
0.75-3.0 = -0.1423 x AU 5 + 0.2604 x AU 4 + 5.593 x AU 3 - 30.217 x AU 2 + 60.566 x AU + 44.935
3.0-5.0 93
5.0-8.0 94
>8.0 96

 

The QP for the Resource Estimate is not aware of any environmental, permitting, legal, title, taxation, socio-economic, marketing, political, or other relevant factors that could materially affect the mineral Resource Estimate. Factors that may affect the estimates include: metal price assumptions, changes in interpretations of mineralization geometry and continuity of mineralization zones, changes to kriging assumptions, metallurgical recovery assumptions, operating cost assumptions, confidence in the modifying factors, including assumptions that surface rights to allow mining infrastructure to be constructed will be forthcoming, delays or other issues in reaching agreements with local or regulatory authorities and stakeholders, and changes in land tenure requirements or in permitting requirement.

 

  
Courageous Lake ProjectPage 143
Pre-feasibility Study and Preliminary Economic Assessment NI 43-101 Technical ReportJanuary 5, 2024
  

  

 

14.3Key Assumptions and Data Used in the Resource Estimate

 

14.3.1Database

 

A summary of the total number of drill holes used for the Resource Estimates is found in the following tables. Un-assayed values in the courageous lake database have been treated as missing as it is noted that Noranda was drilling for underground targets and did not assay outside of the underground high-grade area. It must be noted that over 97% of the Seabridge drilling within the main mineralized domains (domains 2-6 and 8) has been assayed. Un-assayed intervals are primarily within the remaining, lower grade domains. All zero value assays and missing assays values for Walsh Lake have been treated as zero and are not within mineralized zones.

 

Table 14-4:Summary of Drill holes and Assays used in the Courageous Lake Resource Estimate

 

 

Company

Number of DHs Total Depth
(m)
Length Assayed (m) Total % Assayed (m) Total length Within Modelled Mineralized
Zones (m)
% Assayed
within Zones
Placer Dome 315 83,285.9 41,230.4 50% 34,727.8 98%
Noranda 96 22,684.2 22,109.7 97% 16,064.1 100%
Seabridge 199 69,285.6 63,828.5 92% 39,772.7 100%
Unknown 6 711.3        
Total 616 175,967.0 127,168.6 72% 90,564.7 99%

 

Note: values may not sum due to rounding.

 

Table 14-5:Summary of Drill holes and Assays used in the Walsh Lake Resource Estimate

 

Year

Number of
Drill holes
Total Depth
(m)
Length
Assayed (m)
Total %
Assayed (m)

Total length Within
Modelled Mineralized

Zones (m)

% Assayed
within Zones
1987 24 3,996.9 693.6 17% 0.0 100%
1988 3 1,884.0 373.4 20% 0.0 100%
1989 6 2,307.9 154.97 7% 0.0 100%
2006 1 284.7 275.5 97% 6.0 100%
2010 1 522.0 241.5 46% 6.0 100%
2011 6 1,554.0 14.1 1% 0.0 100%
2012 22 8,365.0 7,877.8 94% 325.0 100%
2013 29 8,278.0 7,902.8 95% 294.0 100%
Total 92 27,192.4 17,533.7 64% 631.0 100%

 

  
Courageous Lake ProjectPage 144
Pre-feasibility Study and Preliminary Economic Assessment NI 43-101 Technical ReportJanuary 5, 2024
  

  

 

14.3.2Topography and Previous Mining

 

Topography has been provided as contour lines and surfaces by Seabridge. There has been no previous mining at either deposit.

 

14.4Mineralization Models

 

Confining shapes for the interpolations have been supplied by Seabridge for Courageous Lake and reviewed by the QP. At Courageous Lake there are thirteen domains modelled, as well as a dyke shape, and overburden. The main mineralized shapes are illustrated in Figure 14-1.

 

At Walsh Lake there has been mineralized tagging done on the assays, based on preliminary mineralized shapes. The assay tagging and resulting shape created by indicator interpolation of the tags are illustrated in Figure 14-2.

 

Figure 14-1:Three-dimension View of Modelling Shapes - Courageous Lake

 

  

Source: MMTS, 2023.

 

  
Courageous Lake ProjectPage 145
Pre-feasibility Study and Preliminary Economic Assessment NI 43-101 Technical ReportJanuary 5, 2024
  

  

  

Figure 14-2:Three-dimension View of Mineralized Tagging – Walsh Lake

 

 

Source: MMTS, 2023.

  

14.5Assay Statistics, and Compositing

 

MMTS has examined the sample assays in the veins using boxplots, histograms, and cumulative probability plots (CPPs).

 

14.5.1Cumulative Probability Plots (CPPs)

 

The grade distribution is shown in the following figures as CPPs for Au in each by domain. The grade distributions are mainly lognormal except at very high grades where outliers are evident and therefore outlier restriction of high grades has been done.

 

The Courageous Lake CPP by domains are illustrated in Figure 14-3 and Figure 14-4. The CPP within the modelled area and within the tagged assays is illustrated in Figure 14-5 for Walsh Lake.

 

  
Courageous Lake ProjectPage 146
Pre-feasibility Study and Preliminary Economic Assessment NI 43-101 Technical ReportJanuary 5, 2024
  

  

 

Figure 14-3:CPP of Au by Domain – Courageous Lake Domains 2-6

 

 

 

Source: MMTS, 2023.

 

Figure 14-4:CPP of Au by Domain – Courageous Lake Domains 1, 7-14

 

 

 

Source: MMTS, 2023.

 

  
Courageous Lake ProjectPage 147
Pre-feasibility Study and Preliminary Economic Assessment NI 43-101 Technical ReportJanuary 5, 2024
  

  

 

Figure 14-5:CPP of Au by Domain – Walsh Lake

 

 

 

Source: MMTS, 2023.

 

14.5.2Outlier Restrictions

 

Table 14-6 summarizes the outlier restrictions applied to the composites during interpolation at Courageous Lake. For composite grades above the outlier value provided, and at distances greater than 5m from the data, the value is essentially capped to the outlier. Table 14-7 summarizes the capping values applied to the assay data at Walsh Lake.

 

Table 14-6:Outlier Restriction of Composites by Domain – Courageous Lake

 

Domain Outlier Value (g/t)
1 15
2 15
3 20
4 50
5 20
6 20
7 15
8 10
9 8
10 50
11 10
12 10
14 5

 

  
Courageous Lake ProjectPage 148
Pre-feasibility Study and Preliminary Economic Assessment NI 43-101 Technical ReportJanuary 5, 2024
  

  

 

Table 14-7:Capping of Assays – Walsh Lake

 

Source Au Cap Value (g/t)
Outside Deposit Domain 10
Inside Deposit Domain – Not Tagged as Mineralized 50
Inside Deposit Domain – Tagged as Mineralized 80

  

14.5.3Compositing

 

Histograms of the assay intervals for the Courageous Lake and Walsh Lake deposits are shown in Figure 14-6 and Figure 14-7.

 

At Courageous Lake 5-m composites were used, while at Walsh lake 3-m compositing was done. This is longer than virtually all of the assay length and corresponds to the block height used at each deposit. The compositing honored the domain boundaries at Courageous Lake with assay intervals less than half the total length (2.5 m at Courageous Lake and 1.5 m at Walsh Lake) added to the previous composite to limit the number of small assay intervals.

 

Figure 14-6: Histograms of Assay Lengths within Mineralized Domains – Courageous Lake

 

 

 

Source: MMTS, 2023.

 

  
Courageous Lake ProjectPage 149
Pre-feasibility Study and Preliminary Economic Assessment NI 43-101 Technical ReportJanuary 5, 2024
  

  

 

Figure 14-7:Histograms of Assay Lengths within Mineralization - Walsh Lake

 

 

 

Source: MMTS, 2023. 

 

14.5.4Assay and Composite Statistics

 

The assay and composite basic statistics within the modelled domains are summarized in the following tables. The capped composite coefficients of variation (CV) is generally less than 3.0, and this is without the outlier restrictions applied, demonstrating that linear interpolations are appropriate.

 

  
Courageous Lake ProjectPage 150
Pre-feasibility Study and Preliminary Economic Assessment NI 43-101 Technical ReportJanuary 5, 2024
  

  

 

Table 14-8:Assays and Composites Statistics within the Domains, Courageous Lake - Au

  

Source Parameter Domain
    1 2 3 4 5 6 7 8 9 10 11 12 14

Assays

# Samples 864 4,634 19,151 34,463 12,277 4,446 1,256 1,997 2,580 277 144 125 1,185
# Missing 78 323 899 999 614 184 39 89 86 5 4 0 50
Min (g/t) 0.001 0.001 0.001 0.001 0.001 0.001 0.001 0.001 0.001 0.001 0.001 0.001 0.001
Max (g/t) 16.790 31.880 313.550 516.340 101.200 20.520 19.540 111.470 19.870 105.490 13.660 21.870 93.880
Wtd mean (g/t) 0.232 0.310 0.832 1.291 0.668 0.149 0.200 0.937 0.161 0.850 0.240 0.363 0.173
Wtd CV 4.0 3.8 3.6 4.3 3.5 5.7 4.8 5.4 4.0 9.0 5.7 5.2 16.6

Composites

# Samples 239 1,238 4,504 7,476 3,063 1,247 345 457 734 77 40 31 348
# Missing 213 632 1,072 886 1,015 304 185 102 220 8 0 0 125
Min (g/t) 0.001 0.001 0.001 0.001 0.001 0.001 0.001 0.001 0.001 0.001 0.0013 0.0011 0.001
Max (g/t) 6.290 9.182 52.692 147.738 23.552 7.492 5.666 37.292 7.042 31.935 4.925 3.601 20.144

Wtd mean

(g/t)

0.232 0.310 0.832 1.291 0.668 0.149 0.200 0.937 0.161 0.850 0.240 0.363 0.173
Wtd CV 2.8 2.7 2.2 2.6 2.3 3.6 3.1 3.5 2.7 4.6 3.5 2.4 7.8
Difference in Wt. Mean (%) 0% 0% 0% 0% 0% 0% 0% 0% 0% 0% 0% 0% 0%

 

  
Courageous Lake ProjectPage 151
Pre-feasibility Study and Preliminary Economic Assessment NI 43-101 Technical ReportJanuary 5, 2024
  

  

 

Table 14-9:Assays and Composites Statistics within the Mineralized Domain, Walsh Lake – Au

 

    Source
Source Parameter Uncapped Capped
    Outside
Doman
Inside
Domain
Inside Domain and
mineralized zone
Outside
Doman
Inside
Domain
Inside Domain and
mineralized zone

Assays

# Samples 6,278 13,399 638 6,278 13,399 638
# Missing 0 0 0 0 0 0
Min (g/t) 0 0 0.003 0 0 0.003
Max (g/t) 108.500 215.010 215.010 10.000 80.000 80.000
Wtd mean (g/t) 0.117 0.251 3.868 0.096 0.234 3.590
Wtd CV 11.3 11.3 3.2 5.1 8.7 2.4

Composites

# Samples 4,303 7,472 279 4,303 7,472 279
# Missing 0 0 0 0 0 0
Min (g/t) 0 0 0.007 0 0 0.007
Max (g/t) 24.346 93.619 93.619 7.883 35.115 35.115
Wtd mean (g/t) 0.118 0.251 3.868 0.096 0.234 3.590
Wtd CV 11.3 11.3 3.2 5.1 8.7 2.4
Difference in Wt. Mean (%) 0% 0% 0% 0% 0% 0%

 

14.6Variography

 

At Courageous Lake variograms have been made by combining domains 3 through 5 and using the indicators. Variography has been used as a guide for the search distances a well as the classification to measured and indicated. Results for the down-dip and horizontal directions of the Au indicator are illustrated in Figure 14-8.

 

  
Courageous Lake ProjectPage 152
Pre-feasibility Study and Preliminary Economic Assessment NI 43-101 Technical ReportJanuary 5, 2024
  

  

 

Figure 14-8:Variogram Model for Au Indicator at Courageous Lake, Major and Minor Axis

 

 

 

 

 

 

Source: MMTS, 2023.

 

  
Courageous Lake ProjectPage 153
Pre-feasibility Study and Preliminary Economic Assessment NI 43-101 Technical ReportJanuary 5, 2024
  

  

 

14.7Specific Gravity

 

The specific gravity (SG) at Courageous Lake is based on 471 measurements. The SG is 2.72 except for the diabase dykes which have an SG of 2.85 and the overburden with an SG of 2.0.

 

The specific gravity at Walsh Lake is based on 1,541 measurements within the deposit area and has been assigned based on the lithology. The SG is 2.90 in the metavolcanics and 2.84 in the metasediments.

 

14.8Block Models

 

Block dimensions are 5 m x 5 m x 5 m with the extent of the block models summarized in UTM coordinates, in Table 14-10.

 

Table 14-10: Courageous Lake and Walsh Lake Model Extents

 

Deposit Direction Minimum Maximum Extent Block size # Blocks
Courageous Lake Easting 485700 487800 2100 5 420
Northing 7108200 7111600 3400 5 680
Elevation -1045 455 1500 5 300
Walsh Lake Easting 491150 491900 750 3 250
Northing 7100060 7101200 1140 3 380
Elevation 0 480 480 3 160

 

14.8.1Interpolation Parameters - Courageous Lake

 

A very similar methodology previously used for Au grade estimation as outlined in TetraTech (2013) has been employed for the current Resource Estimate of Courageous Lake. The following has been taken from this report and is provided here for completeness with minor edits.

 

14.8.1.1Domains 2 through 6 and Domain 8 Modelling

 

Domains 2 through 6 and 8 contain 99% of the currently defined Courageous Lake mineral resources.

 

To provide additional constraints in estimating block grades in these domains, and to minimize grade smearing and dilution, two distinct methods were employed:

 

indicator probability

 

dynamic anisotropy.

 

  
Courageous Lake ProjectPage 154
Pre-feasibility Study and Preliminary Economic Assessment NI 43-101 Technical ReportJanuary 5, 2024
  

  

 

The first method helps to define zones of high probability of mineralization within the more broadly defined zone wireframes. The second method of constraint helped to define the mineralization as lenses and shoots that tend to be sub-parallel to stratigraphic/zone contacts by being more selective as to which drill hole composites were used to estimate block grades.

 

The mineral zones contain a significant amount of low-grade assays. Gold indicator models were constructed at 0.1, 0.2, and 0.3 g/t cut-off grades by assigning 0's and 1's to drill hole composites below and above the indicator cut-off, respectively. A three-pass inverse distance squared estimator was used to interpolate block gold indicator probabilities using these ‘binary’ values. The three indicator probability passes used search ellipses of 20 m, 60 m and 120 m, and required a minimum of three composites, a maximum of 8 composites, with no more than two composites per drill hole. The 0.2 g/t indicator has been selected to determine the presence of mineralization with reasonable continuity within the zone wireframes using a 50% probability threshold. This segregated the blocks inside of mineral zones 2 through 6 and 8 into unmineralized (AUZON = 2) and mineralized populations (AUZON = 1).

 

The second method for constraining the estimate of block gold grades was centered on selecting eligible composites based on the relative distance between each model block and the mineral zone hanging wall and footwall contacts (for zones 2 through 6 and 8 only). The Cartesian distance between block centroid locations and the zone contacts were calculated and stored in the blocks. The relative distance between the two surfaces for each block was calculated using the following expression:

 

 

For example, a relative distance (RELZ) of 100 means that the block is located at the hanging wall contact while a RELZ distance of zero means the block is located near the footwall contact. The 5-m long drill hole composites were backtagged with the block RELZ value. This ensured that the position of both the blocks and the drill holes relative to the zone contacts was established.

 

Block gold grades for mineral zones 2 through 6 and 8 were then estimated using a three-pass inverse distance cubed estimator. Block/composite ZONE and AUZON matching was used, meaning that a block located in Zone 4 and inside of AUZON 1 could only be estimated by composites from those two populations. The “relative elevation” option was selected in MineSight® for the three inverse distance runs that featured increasing longer search ellipse dimensions. An option was set with a value of 10, which allowed for more samples to be used in the block estimates.

 

For a block with a RELZ value of 15 (block is located near the footwall contact), eligible composites could have RELZ values ranging between 5 and 25 (i.e. ±10 units). The PAR20 value is like a ‘rheostat’ that lets the user smooth or sharpen the estimate of block grades by allowing fewer or more composites perpendicular to strike to be used. De-cluster weights were assigned to the composites using the cell method (5 m x5 m x 5 m) and multiplied by the length of the composite. The inverse distance calculation was weighted by the combined de-cluster/length weights. This was done primarily to account for the clustered data that stems from the Noranda underground diamond drill hole fans. Table 14-11 summarizes the basic parameters that were used to estimate block gold grades for mineral zones 2 through 6 and 8.

 

  
Courageous Lake ProjectPage 155
Pre-feasibility Study and Preliminary Economic Assessment NI 43-101 Technical ReportJanuary 5, 2024
  

  

 

Table 14-11:Courageous Lake Domains 2 to 6 and 8 - Au Interpolation Parameters

 

Interpolation Run Number of Composites Search Range (m)
Min Max Max/Hole Major Minor Vert 1
1 3 8 2 30 30 30
2 3 8 2 60 60 60
3 1 8 1 120 120 120

 

Note: 1The effective “vertical” axis search was controlled by the dynamic anisotropy method, which is significantly narrower perpendicular to the strike/dip vectors.

 

Block gold grades were estimated by a two-pass inverse distance cubed estimation process for the remaining mineral zones (1, 7, 9 to 12, and 14). The dynamic anisotropy search strategy was not used for these zones. Inverse distance cubed estimation parameters for mineral zones 1, 7, 9, 12, 14, and 99 are summarized in Table 14-12.

 

14.8.1.2Remaining Domain Modelling

 

Block gold grades were estimated by a two-pass inverse distance cubed estimation process for the remaining mineral zones (1, 7, 9 to 12, and 14). The dynamic anisotropy search strategy was not used for these zones. Inverse distance cubed estimation parameters for mineral zones 1, 7, 9, 12, and 14 are summarized in Table 14-12.

 

Estimation parameters for Domains 10 and 11 are summarized in Table 14-12.

 

Table 14-12:Courageous Lake Domains 1, 7, 9, 12, 14, 10 and 11 - Inverse Distance Parameters

 

Domains Interpolation Run Number of Composites Search Range (m) Ellipse Orientation (°)
Min Max Max/ hole Major Minor Vert North North Dip East Dip
1, 7, 9, 12, 14 1 1 3 1 37.5 37.5 5 185 0 -85
2 1 3 1 75 75 10 185 0 -85
10, 11 1 1 3 1 37.5 37.5 5 170 0 -85
2 1 3 1 75 75 10 170 0 -85

  

As a step to further minimize the impact of high-grade outlier composite grades above the “outlier restriction” values as summarized in Note: values may not sum due to rounding.

 

Table 14-5 were only allowed to be used for up to 5 m from the composite. At distances beyond 5 m they are effectively capped at the outlier value.

 

  
Courageous Lake ProjectPage 156
Pre-feasibility Study and Preliminary Economic Assessment NI 43-101 Technical ReportJanuary 5, 2024
  

  

 

14.8.2Interpolation Parameters - Walsh Lake

 

As at Courageous Lake, the mineral zones contain a significant number of low-grade assays. Gold indicator models were constructed at 0.25, 0.50, 0.75, 1.0 and 2.0 g/t cut-off grades by assigning 0's and 1's to drill hole composites below and above the indicator cut-off, respectively. These were used to inform tagging of a mineralized intervals (i.e. item MIN=1). A two-pass inverse distance squared estimator was used to interpolate block gold indicator probabilities using the binary MIN value. The indicator probability passes used search ellipses of 30 m, and 100 m, and required a minimum of three composites, a maximum of 12 composites, with no more than 2 composites per drill hole. A min Indicator value with a 15% probability of mineralization in the block has been used to determine flag the block for interpolation.

 

Table 14-13 summarizes the basic parameters used to estimate block gold grades for blocks flagged as possibly mineralized.

 

Table 14-13:Walsh Lake Domains - Au Interpolation Parameters

 

Interpolation Number of Composites Search Range (m)
Run Min Max Max/Hole Major Minor Vert 1
1 2 3 1 25 25 2.5
2 2 3 1 50 50 2.5
3 2 3 1 75 75 2.5
4 1 3 1 25 25 2.5

 

14.9Classification

 

The classification for Courageous Lake is based on the variograms, with the average distance to the closest two drill holes required to be 50 m or less to be considered Indicated, and the average distance to three drill holes to be 15 m or less to be considered measured. This corresponds to the range of the variogram at 80% of the sill and 60% of the sill for indicated and measured respectively. The classification also took into account the location of drilling with un-assayed intervals. If the block is adjacent to un-assayed intervals, then class was downgraded from measured OR indicated to inferred, or from inferred to un-classed. Figure 14-9 illustrates the classification of the blocks with the Courageous Lake resource pit.

 

All blocks at Walsh Lake are considered to be inferred.

 

  
Courageous Lake ProjectPage 157
Pre-feasibility Study and Preliminary Economic Assessment NI 43-101 Technical ReportJanuary 5, 2024
  

  

 

Figure 14-9:Courageous Lake Classification

 

 

Source: MMTS, 2023.

 

  
Courageous Lake ProjectPage 158
Pre-feasibility Study and Preliminary Economic Assessment NI 43-101 Technical ReportJanuary 5, 2024
  

  

 

14.10Cut-off Grade and Reasonable Prospects of Eventual Economic Extraction

 

Net smelter price (NSP) of Au is based on the metal prices and off-site costs in Table 14-13. The Au base case metal price used in the same as the price used for the mining portion of this report. Prices are below the 3-year trailing average price charts. The net smelter return (NSR) has been calculated per block using the equation:

 

Courageous Lake and Walsh Lake:

 

 

The recovery is variable by Au grade, as summarized in Table 14-4. Open pit resources are confined by a “reasonable prospects of eventual economic extraction” shape defined by a Lerchs-Grossman pit using the 120% case of the NSP for each deposit. The mining parameters are summarized in Table 14-14. The base case cut-off grade is 0.80 g/t Au, which is sufficient to cover the processing cost.

 

Table 14-14:Metal Price and Net Smelter Price (NSP)

 

Parameter Value Units
Gold Price 1400 US$/oz
Forex 0.771 US$:C$
Off-site Costs 3.5 US$/oz
NSP 58.23 US$/oz
factor 31.10348 grams/oz

 

The final resource pits with the Au blocks grades above the base case cut-offs are illustrated in Figure 14-10 and Figure 14-11.

 

  
Courageous Lake ProjectPage 159
Pre-feasibility Study and Preliminary Economic Assessment NI 43-101 Technical ReportJanuary 5, 2024
  

  

 

Figure 14-10:Courageous Lake Resource Pit and Au block Grades above 0.80 g/t

 

 

Source: MMTS, 2023.

 

  
Courageous Lake ProjectPage 160
Pre-feasibility Study and Preliminary Economic Assessment NI 43-101 Technical ReportJanuary 5, 2024
  

  

 

Figure 14-11:Walsh Lake Resource Pit and Au block Grades above 0.80 g/t

 

 

Source: MMTS, 2023.

  

14.11Block Model Validation

 

The model has been validated by comparison of the global modelled grades with global de-clustered composites, by swath plots and by visual examination of modelled grades with assay/composite values.

 

14.11.1Metal Content Validations

 

The interpolated metal content has been compared to the de-clustered composite data (Nearest Neighbor models) in all domains, and across a range of cut-off values.

 

  
Courageous Lake ProjectPage 161
Pre-feasibility Study and Preliminary Economic Assessment NI 43-101 Technical ReportJanuary 5, 2024
  

  

 

Table 14-15 compares the statistics by domain of the global Au grades (at zero cut-off) for Courageous Lake. The weighted mean grade is 5% lower than the de-clustered composites overall and is generally less than the composite data except for within domain 6, which is very low grade.

 

The modelled metal for both deposits is summarized in Table 14-15 and Table 14-17. The tables show that at all cut-offs the modelled grades are conservative compared to the de-clustered composites and as expected, this conservatism increases with cut-off grade.

 

Table 14-15:Interpolated Grade vs. De-clustered by Domain at zero cut-off – Courageous Lake

 

Model Parameter Domain
ALL 1 2 3 4 5 6
NN # Samples 1,628,951 8,299 143,311 446,036 555,306 227,254 130,881
# Missing 0 0 0 0 0 0 0
Min Au (g/t) 0.001 0.001 0.001 0.001 0.001 0.001 0.001
Max Au (g/t) 147.7 6.3 9.2 35.8 147.7 23.6 4.7
Wtd mean (g/t) 0.725 0.422 0.324 0.683 1.170 0.513 0.117
Wtd CV 3.8 2.2 2.7 2.1 3.7 2.6 3.1
AU # Samples 1,628,951 8,299 143,311 446,036 555,306 227,254 130,881
# Missing 0 0 0 0 0 0 0
Min Au (g/t) 0.001 0.001 0.001 0.001 0.001 0.001 0.001
Max Au (g/t) 32.4 4.9 8.9 16.8 32.4 23.4 4.4
Wtd mean (g/t) 0.707 0.326 0.313 0.690 1.115 0.524 0.121
Wtd CV 1.7 1.9 2.1 1.5 1.4 1.8 2.4
Difference (%) -2.7% -22.8% -3.6% -1.1% 4.7% -2.2% 3.0%
  Domain
Model Parameter 7 8 9 10 11 12 14
NN # Samples 16,913 42,462 39,375 1,484 400 560 16,670
# Missing 0 0 0 0 0 0 0
Min Au (g/t) 0.001 0.001 0.001 0.004 0.001 0.001 0.001
Max Au (g/t) 5.7 37.3 7.0 31.9 4.9 3.6 5.4
Wtd mean (g/t) 0.163 0.815 0.122 1.416 0.329 0.354 0.068
Wtd CV 3.4 3.1 2.7 3.3 3.1 2.6 3.8
AU # Samples 16,913 42,462 39,375 1,484 400 560 16,670
# Missing 0 0 0 0 0 0 0
Min Au (g/t) 0.001 0.001 0.001 0.005 0.002 0.003 0.001
Max Au (g/t) 4.2 24.1 2.9 14.2 2.7 1.9 1.8
Wtd mean (g/t) 0.147 0.769 0.118 0.925 0.320 0.256 0.055
Wtd CV 2.3 2.1 1.7 2.0 2.0 1.5 2.3
Difference (%) -9.7% -5.8% -3.8% -34.7% -2.6% -27.6% -19.4%

 

  
Courageous Lake ProjectPage 162
Pre-feasibility Study and Preliminary Economic Assessment NI 43-101 Technical ReportJanuary 5, 2024
  

  

 

Table 14-16:Interpolated Grade vs. De-clustered Composites by Cut-off – Courageous Lake

 

Au Cut-off
(g/t)
Modelled De-Clustered Composites (NN)  
Tonnage
(ktonnes)
Au Grade
(g/t)
Au Metal
(koz)
Tonnage
(ktonnes)
Au Grade
(g/t)
Au Metal
(koz)
Difference
(%)
0 732,228 0.667 15,702 730,294 0.680 15,959 -1.6%
0.5 220,868 2.041 14,495 185,498 2.461 14,678 -1.2%
0.6 205,287 2.155 14,221 170,414 2.631 14,413 -1.3%
0.7 190,953 2.268 13,921 156,414 2.808 14,120 -1.4%
0.8 177,549 2.382 13,598 144,661 2.975 13,836 -1.7%
0.9 164,682 2.502 13,248 134,452 3.136 13,557 -2.3%
1 153,434 2.616 12,905 126,345 3.277 13,310 -3.0%
1.5 108,183 3.193 11,104 93,036 4.008 11,988 -7.4%
2 75,844 3.814 9,300 70,331 4.742 10,721 -13.3%
3 38,308 5.164 6,360 41,809 6.317 8,491 -25.1%

 

Table 14-17:Interpolated Grade vs. De-clustered Composites by Cut-off – Walsh Lake

 

Au Cut-off
(g/t)

Modelled De-Clustered Composites (NN)  
Tonnage
(ktonnes)
Au Grade
(g/t)
Au Metal
(koz)
Tonnage
(ktonnes)
Au Grade
(g/t)
Au Metal
(koz)

Difference

(%)

0 23,051 0.905 670.6 23,051 0.948 702.9 -4.6%
0.5 6,210 3.213 641.6 5,136 4.148 685.0 -6.3%
0.6 5,678 3.463 632.2 4,754 4.437 678.2 -6.8%
0.7 5,254 3.691 623.4 4,462 4.685 672.2 -7.3%
0.8 4,935 3.880 615.6 4,185 4.946 665.5 -7.5%
0.9 4,628 4.081 607.3 4,040 5.094 661.6 -8.2%
1 4,342 4.288 598.5 3,797 5.358 654.1 -8.5%
1.5 3,333 5.215 558.8 3,056 6.362 625.1 -10.6%
2 2,678 6.064 522.1 2,521 7.341 595.0 -12.2%
3 1,848 7.678 456.2 1,946 8.783 549.5 -17.0%

 

14.11.2Swath Plots

 

Swath plots of the mean grade across the model in the northing and easting directions have been created to compare the modelled Au grades with the de-clustered composite grades throughout the model extents. Figure 14-12 and Figure 14-13 illustrate this comparison for Courageous Lake and Walsh lake respectively. For both deposits, the modelled grade is below the de-clustered composite grade. Tonnage is also plotted to show where the majority of the mineralization is centered in the model.

 

  
Courageous Lake ProjectPage 163
Pre-feasibility Study and Preliminary Economic Assessment NI 43-101 Technical ReportJanuary 5, 2024
  

  

 

Figure 14-12:Swath Plots – Courageous Lake – Au

 

 

  

 

 

Source: MMTS, 2023.

 

  
Courageous Lake ProjectPage 164
Pre-feasibility Study and Preliminary Economic Assessment NI 43-101 Technical ReportJanuary 5, 2024
  

  

 

Figure 14-13:Swath Plots – Courageous Lake – Au

 

 

 

 

Source: MMTS, 2023.

 

  
Courageous Lake ProjectPage 165
Pre-feasibility Study and Preliminary Economic Assessment NI 43-101 Technical ReportJanuary 5, 2024
  

  

 

14.12Visual Validation

 

The modelled Au grades have been compared to the assay/composite grades in section and plan to ensure the model matches the data with no obvious discrepancies. Examples of the sections are given in Figure 14-14 and Figure 14-15 for Au modelled at Courageous Lake, and in Figure 14-16 for Au modelled at Walsh Lake. The composite data is plotted on the section, for better visualization, with drill hole data projected ± 25 m from the section.

 

Figure 14-14:Comparison of Composite and Block Grades – Courageous Lake -7109400N

 

 

Source: MMTS, 2023.

 

  
Courageous Lake ProjectPage 166
Pre-feasibility Study and Preliminary Economic Assessment NI 43-101 Technical ReportJanuary 5, 2024
  

  

 

Figure 14-15:Comparison of Composite and Block Grades – Courageous Lake – 7110000N

 

 

 

Source: MMTS, 2023.

 

  
Courageous Lake ProjectPage 167
Pre-feasibility Study and Preliminary Economic Assessment NI 43-101 Technical ReportJanuary 5, 2024
  

  

 

Figure 14-16:Comparison of Composite and Block Grades – Walsh Lake - Section 7100625

 

 

 

Source: MMTS, 2023.

 

14.13Independent Checks

 

An independent check on the modelling has been done by George Dermer, P.Eng. of MMTS who checked:

 

the outlier restrictions and capping for the Au interpolations

 

the resource shapes

 

the model coding

 

the “reasonable prospects of eventual economic extraction” shapes and inputs

 

the interpolation runs

 

The nearest neighbour validations.

 

  
Courageous Lake ProjectPage 168
Pre-feasibility Study and Preliminary Economic Assessment NI 43-101 Technical ReportJanuary 5, 2024
  

  

 

14.14Risk Assessment

 

A description of potential risk factors is given in Table 14-18 along with either the justification for the approach taken or mitigating factors in place to reduce any risk.

 

Table 14-18:Risk Factors and Justification/Mitigation

 

No. Description Justification/Mitigation
1 Classification Criteria Based on variography
2 Geologic Model Geologic interpretations and orientations are considered when creating new geologic confining shapes for the resource interpolations.
3 Metal Price Assumptions Cut-off is based on a gold price well below the current prices and the 3-year trailing average.

4

High-Grade Outliers

Capping and outlier restriction applied to ensure modelled mean grade matches data. Grade-tonnage curves show modelled metal validates well with de-clustered composite data throughout the grade distribution.
5 Processing and Mining Costs Based on studies done for this report.

 

14.15Modelling of Acid Rock Drainage (ARD) Elements

 

At Courageous Lake, in addition to modelling of Au, elements to aid in Au recovery estimates and potential for ARD and water quality issues have been modelled, including Sulfur (S), Arsenic (As), Calcium (Ca), Iron (Fe) and silver (Ag). Modelling of these elements is preliminary in nature, due to intermittent assaying of these elements causing a paucity of data throughout the modelled area.

 

14.15.1Correlations with Au

 

In order to ‘fill’ the missing grades in the assay database for these elements, correlations with the Au grade are attempted. Average grades by zone have been used if correlations were not possible. Where the assay value was added through the use of correlations or averages a “Factor Flag” was added to the assay data to indicate that there is less confidence in modelled blocks which used these factored assay values.

 

Table 14-19 summarizes the regressions constants used based on plotting of au vs. each element using a linear best-fit line, where Y=mx+b. Where the slope (“m”) value is zero, there was no correlation and therefore the mean value for the zones has been used.

 

  
Courageous Lake ProjectPage 169
Pre-feasibility Study and Preliminary Economic Assessment NI 43-101 Technical ReportJanuary 5, 2024
  

  

 

Table 14-19:Regressions Constants Used for As, S and Ag Asay Data Filling

 

Item Zone Au Grade (g/t) Regression Constant
Min Max in Max “m” “b”

 

 

 

 

As (ppm)

1 2 0 999 1448.5 112.2
3 5 0 999 851.9 478.1
6 7 0 999 1145.8 109.4
8 8 0 999 0 739.8
9 9 0 999 1598.5 121.7
10 12 0 999 1448.5 112.2
14 14 0 999 1598.5 121.7
Outside zones 0 999 1563.5 36.82

 

 

 

 

 

 

S (%)

1 2 0 999 0.1522 0.0889
3 5 0 999 0.0889 0.158
6 7 0 999 0.3069 0.1042
8 8 0 0.499 0 0.3445
8 8 0.5 999 0 1.0519
9 9 0 999 0.1904 0.0903
10 12 0 999 0.1522 0.0889
14 14 0 999 0.1904 0.0903
Outside zones 0 0.499 0 0.0655
0.5 999 0.0669 0.5

 

 

 

 

Ag (ppm)

1 2 0 999 0.1864 0.2111
3 5 0 999 0.1864 0.2111
6 7 0 999 0.1384 0.2452
8 8 0 999 0.1384 0.2452
9 9 0 999 0.1384 0.2452
10 12 0 999 0.1864 0.2111
14 14 0 999 0.2119 0.2568
Outside zones 0 999 0.1808 0.2091

 

  
Courageous Lake ProjectPage 170
Pre-feasibility Study and Preliminary Economic Assessment NI 43-101 Technical ReportJanuary 5, 2024
  

  

 

Table 14-20:Mean Value by Zone used for Fe and Ca Assay Data Filling

 

Zone Average Grade
Fe (%) Ca (%)
1 1.919 2.082
2 2.078 2.025
3 2.037 2.227
4 2.057 2.076
5 1.735 2.022
6 2.173 2.268
7 2.94 2.315
8 3.611 2.221
9 1.977 2.153
10 1.919 2.082
11 1.919 2.082
12 1.919 2.082
14 2.055 1.859
Outside zones 2.004 2.271

  

14.15.2ARD Item Interpolations

 

Interpolations followed the same interpolation parameters and break-up of zones as was used for the Au interpolations. Table 14-11 summarizes the basic parameters that were used to estimate block gold grades for mineral zones 2 through 6 and 8. Inverse distance cubed estimation parameters for mineral zones 1, 7, 9, 12, are 14, are summarized in Table 14-12 and for Domains 10 and 11 in Table 14-12.

 

The initial interpolations have been done using only the actual data (no factored assay/composite values used). Additional passes of the interpolation are then done using both the factored and actual data. Blocks that were still not interpolated then had the mean grade of that zone’s data for each element assigned. A flag is used in the model to denote whether only actual data has been used (FLAG=1), if factored data was also used (FLAG=2) or if mean values were assigned by zone (FLAG=3), thus denoting the relative confidence in the block grade estimation. Table 14-21 summarizes the mean grades used to fill the un-interpolated blocks in each zone. It should be noted that Zones 10 through 12 do not have any assay values for these items. Therefore, the correlation equations and mean values for Zones 1 have been used to model these zones.

 

There has been no capping or outlier restriction used for these ARD item’s interpolations, thus making these modelled items conservative as high values of sulfur tend to decrease recovery. The models have also not been validated as the lack of data and data filling steps required to alleviate this issue are not amenable to creating validated models for these items. However, with the possible exception of As, the assay values are all quite low and do not vary significantly between the zones (low standard deviations as summarized in the table).

 

  
Courageous Lake ProjectPage 171
Pre-feasibility Study and Preliminary Economic Assessment NI 43-101 Technical ReportJanuary 5, 2024
  

  

 

Table 14-21:Mean Grades of ARD Items – Used to Fill Un-interpolated Blocks

 

Zone Mean Grade to Assign
As (ppm) Ca (%) S (%) Fe (%) Ag (ppm)
1 322.63 2.082 0.1116 1.919 0.29
2 542.06 2.025 0.1346 2.078 0.28
3 1019.91 2.227 0.2095 2.037 0.35
4 1297.25 2.076 0.2455 2.057 0.59
5 948.02 2.022 0.2006 1.735 0.37
6 253.02 2.268 0.1119 2.173 0.23
7 153.56 2.315 0.1739 2.94 0.29
8 739.79 2.221 0.4743 3.611 0.29
9 479.35 2.153 0.1441 1.977 0.29
10 322.63 2.082 0.1116 1.919 0.29
11 322.63 2.082 0.1116 1.919 0.29
12 322.63 2.082 0.1116 1.919 0.29
14 183.91 1.859 0.0843 2.055 0.24
Outside zones 78.99 2.271 0.0695 2.004 0.24
Standard deviation 366.94 0.12 0.10 0.50 0.09

 

  
Courageous Lake ProjectPage 172
Pre-feasibility Study and Preliminary Economic Assessment NI 43-101 Technical ReportJanuary 5, 2024
  

  

 

15MINERAL RESERVE ESTIMATES

 

15.1Introduction

 

Mineral reserves are based on modifying factors applied to measured and indicated mineral resources within a pre-feasibility mining study (PFS).

 

15.2Open Pit Reserve Parameters

 

The mining modifying factors are described in Section 16 and can be found as follows:

 

Metal prices, offsite costs, recoveries and exchange rates – Section 16.13.
  
Loss and dilution factors – Section 16.14.
  
Economic pit limit analysis – Section 16.16.
  
Detailed pit designs – Section 16.17.
  
Mine plan – Section 16.18.

 

Only Measured and Indicated Resources are considered for conversion to Mineral Reserves. Inferred Resources are considered as waste. Mineral Reserves in this 2024 PFS have been limited to the depth of the expected permafrost (335m below topography).

 

The cut-off grade used to define ore (inside of the economic pit limit) is NSR >= C$49.66/t milled. The NSR cut-off grade considers an estimated process operating cost of C$31.40/t milled + G&A costs of C$18.26/t milled. The calculation of NSR values used for mine planning is described in Section 16.

 

15.3Mineral Reserves

 

Proven and probable mineral reserves are summarized in Table 15-1 and match the production plan described in Section 16. The qualified person (QP) is not aware of any other risks, other than those identified in this report, that could materially affect the mineral reserve estimates.

 

Table 15-1:Proven and Probable Reserves

 

Classification Mineralized Rock (Mt) Diluted Au Grade (g/t) Contained Gold (Moz)
Proven 2.0 3.5 0.2
Probable 31.9 2.6 2.6
Proven + Probable 33.9 2.6 2.8

 

  
Courageous Lake ProjectPage 173
Pre-feasibility Study and Preliminary Economic Assessment NI 43-101 Technical ReportJanuary 5, 2024
  

  

 

Notes:

 

1.The Mineral Reserve estimates were reviewed by Jesse Aarsen, P.Eng. (who is also the independent QP for these Mineral Reserve estimates), reported using the 2014 CIM Definition Standards and 2019 CIM Best Practices Guidelines, and have an effective date of January 05, 2024.
  
2.Mineral Reserves are based on the 2024 PFS open pit Life of Mine plan.
  
3.Mineral Reserves are mined tonnes and grade; the reference point is at the primary crusher and includes consideration for operational modifying factors.
  
4.Mineral Reserves are reported at NSR cut-off grade C$49.66/t: metal prices of US$1,400/oz Au, at a currency exchange rate of 0.77 US$ per C$; Off-site costs (smelting, refining, transport, and insurance) doré terms are US$3.5/oz off-site costs (refining, transport and insurance), 100% Au payable; metallurgical recovery projections vary depending on metallurgical domain and metal grades and are based on metallurgical test work.
  
5.Mineral Reserves account for mining loss and dilution.
  
6.Mineral Reserves are a subset of the Measured and Indicated Mineral Resource.
  
7.Numbers have been rounded.

 

Twenty-four percent of the Mineral Resources are converted into Mineral Reserves.

 

15.4Factors that Could Affect the Mineral Reserve Estimate

 

Mineral reserves are based on the engineering and economic analysis described in Sections 16 to 22 of this report. Changes in the following factors and assumptions could affect the mineral reserve estimate:

 

assumptions on weather and climate
  
effects of climate change, resulting in changes to the depth of permafrost
  
metal prices
  
interpretations of mineralization geometry and continuity of mineralization zones
  
interpolation of grade parameter assumptions
  
geotechnical and hydrogeological assumptions
  
operating cost assumptions and price escalation
  
process plant and mining recoveries
  
ability to meet and maintain permitting and environmental license conditions
  
ability to maintain the social license to operate.

 

15.5Comments on Section 15

 

The current mineral reserve estimates are based on the most current knowledge, permit status, and engineering constraints. The QP is of the opinion that the mineral reserves have been estimated using industry best practices.

 

  
Courageous Lake ProjectPage 174
Pre-feasibility Study and Preliminary Economic Assessment NI 43-101 Technical ReportJanuary 5, 2024
  

  

 

16MINING METHODS

 

16.1Introduction

 

Tetra Tech (2023) completed an updated pre-feasibility level pit slope design criteria for the proposed Courageous Lake open pit based on geotechnical, hydrogeological, ground temperature, laboratory strength testing, and water quality studies that have been completed at the project site since 2006. The geotechnical, hydrogeological, and permafrost investigations, and the subsequent rock slope design studies by Tetra Tech have been completed in general accordance with the requirements for a Level 2: Pre-feasibility slope angle study as described in “Guidelines for Open Pit Slope Design” (Read and Stacey 2009). Tetra Tech used established pit slope design methods for bench scale and overall slope design consistent with current industry practice guidelines. A 3D hydrogeological model was developed using the hydrogeological testing data collected and using established groundwater modelling computer software in order to consider the possible impact of elevated groundwater pressures on pit slope stability, as well as to estimate possible water inflow quantities and water quality to the pit.

 

The geotechnical data collected to support the pit slope design study follows industry standard data collection methods for rock mass characterization and open pit slope design. Field and laboratory sample collection, preparation, and testing was carried out in general accordance with International Society of Rock Mechanics (ISRM) Suggested Methods and/or ASTM Standards for testing of rock core samples and soil samples.

 

16.2Geotechnical, Hydrogeological, Ground Temperature, and Laboratory Testing Programs

 

The field investigations on which the pre-feasibility level pit slope designs are based are described below.

 

16.2.12006 Field Program

 

EBA completed a geotechnical drilling investigation for pit slope design in 2006 consisting of the following:

 

Geotechnical logging and sampling of 7 inclined boreholes. Oriented core was not successful for all core intervals.

 

Point load testing (PLT) on 157 samples at EBA’s rock laboratory in Whitehorse.

 

Installation of two ground temperature cables (GTCs).

 

16.2.22010 Geotechnical, Hydrogeological, and Permafrost Field Studies

 

Geotechnical, permafrost, ground temperature, and hydrogeological field studies were completed at the site by Golder and EBA including:

 

Geotechnical logging of specific intervals of 5 non-oriented exploration boreholes drilled using NQ coring;

 

Geotechnical logging and packer testing in 3 oriented geotechnical boreholes;

  

  
Courageous Lake ProjectPage 175
Pre-feasibility Study and Preliminary Economic Assessment NI 43-101 Technical ReportJanuary 5, 2024
  

  

 

Point load strength tests of rock cores every 10 m in accordance with ISRM suggested methods;

 

Geotechnical mapping of a surface quarry named Peggy’s Pit;

 

10 soil geotechnical boreholes for surface infrastructure, soil descriptions, installation of two GTCs, and laboratory grain size and index testing of soil samples;

 

Unconfined compressive strength testing (15 rock core samples);

 

Direct shear testing of 9 samples (6 foliation and 3 joint surfaces);

 

8 hydraulic conductivity (packer) testing of the sub-permafrost aquifer in two boreholes;

 

2 GTCs in two of the geotechnical boreholes;

 

One vibrating wire piezometer in the sub-permafrost aquifer;

 

2 electrical conductivity probes for preliminary water quality estimation; and

 

A site visit by a senior pit slope engineer.

 

16.2.32011 and 2012 Geotechnical, Hydrogeological, and Permafrost Field Studies

 

In 2011 Golder and EBA completed geotechnical, permafrost, and hydrogeological field studies were completed at the site. The field programs included:

 

Geotechnical core logging of two inclined HQ3 boreholes with core orientation using the Reflex ACTII orientation tool including wet and dry core photography;

 

Unconfined compressive strength testing (17 rock core samples);

 

Direct shear strength testing (15 discontinuity surfaces;

 

Point load testing of core samples every 25 m in accordance with ISRM suggested methods;

 

9 hydraulic conductivity testing the two geotechnical boreholes;

 

14 soil geotechnical boreholes for surface infrastructure using chilled brine to collect permafrost soil samples for logging and testing, permafrost and soil logging, moisture content determinations, grain size gradations, and installation of 3 additional GTCs;

 

Additional data from two GTCs installed by Golder during the 2010 summer geotechnical program and from one GTC installed by EBA during the 2006 summer geotechnical program;

 

Data from one vibrating wire piezometer installed by Golder during the 2010 summer geotechnical program;

 

Assistance with installation and development of two Westbay well installations by Schlumberger Canada Ltd (SLB) and Rescan Environmental Services Ltd (Rescan) in 2011 and 2012.

 

  
Courageous Lake ProjectPage 176
Pre-feasibility Study and Preliminary Economic Assessment NI 43-101 Technical ReportJanuary 5, 2024
  

  

 

Figure 16-1:Summary of Geotechnical, Hydrogeological and Ground Temperature Investigations

  

 

Source: TetraTech, 2023.

  

  
Courageous Lake ProjectPage 177
Pre-feasibility Study and Preliminary Economic Assessment NI 43-101 Technical ReportJanuary 5, 2024
  

  

 

16.2.4General Geological Setting, Site Geology, and Structure

 

The proposed pit is expected to be excavated predominantly in the variably altered felsic volcanic rocks (FEL) of the Courageous-MacKay Lake Greenstone Belt (CLGB) volcanic sequence. The felsic volcanic rocks are composed of massive to porphyritic flows, tuff, and coarse pyroclastic units. The upper volcanic sequences which interfinger with the overlying Yellowknife Group Sedimentary (YGS) rocks are host to nearly all the gold mineralization. Tilting of the stratigraphy has resulted in steeply dipping, elongate lenticular mineralized zones within Archean tuffaceous clastic rocks and ash-flow tuff.

 

The Tundra Shear Zone is a fault that will intersect the east and west walls of the pit. It is interpreted to be steeply west dipping and striking into the east and west walls at a relatively high angle.

 

The mineralized domains are contained in the mineral zone within an upper felsic volcanic unit and comprise several discrete, steeply west dipping ore zones that vary in thickness from 20 to 125 m-wide.

 

16.2.5Permafrost, Groundwater, and Water Quality

 

The Project is located within the zone of continuous permafrost and has been characterized by the installation of shallow and deep GTCs from 134 m to 450 m below ground surface. The deeper permafrost regime below the active layer and within bedrock is estimated to vary in depth from 335 to 422 based on the GTCs, but could be as shallow as 287 m below ground surface in certain areas. For hydrogeological and geotechnical modelling purposes a base case depth is assumed to be 335 m. The permafrost conditions are shown conceptually in Figure 16-2.

 

A basal cryopeg is interpreted at the transition from the permafrost to the sub-permafrost groundwater flow regime, consisting of a zone of sub-zero ground temperatures (e.g., permafrost) within which liquid groundwater can still be present due to the freezing point depression caused by high groundwater salinity and hydrostatic pressure. Within this zone, groundwater inflows to the pit and high groundwater pressures behind the pit walls and below the pit floor can develop and this was considered in the stability analyses and water quality and quantity predictions.

  

  
Courageous Lake ProjectPage 178
Pre-feasibility Study and Preliminary Economic Assessment NI 43-101 Technical ReportJanuary 5, 2024
  

  

 

Figure 16-2:Conceptual Permafrost Conditions for the Courageous Lake Project

 

 

Source: TetraTech, 2023.

 

16.3Groundwater Pressures, Pit Water Inflows, Water Management, and Slope Depressurization

 

The data from 17 hydraulic conductivity tests and one vibrating wire piezometer were used by WSP to build a 3D hydrogeological numerical model to simulate groundwater pressures in the pit walls, water quality (TDS) and quantity, and preliminary dewatering/depressurization plans including the number of pumping wells, well depths, and pumping rates. The water quality was based on water samples collected from two Westbay wells installed to target depths of 625 m bgs. TDS from Intervals 2 and 3 of the Westbay 2 well were in the range of 8215 (Interval 3 at 493 m depth) to 9495 (Interval 2 at 553 m depth) mg/L indicating the sub-permafrost groundwater to be highly saline.

 

16.4Open Pit Rock Slope and Overburden Design Recommendations

 

16.4.1Rock Slope Design Basis

 

The pit slope design incorporates the following considerations:

 

The maximum pit depth is 320 m.

 

The operational benches are 10 m high with final bench heights of 20 m.

 

High-quality controlled trim blasting methods with a pre-shear row using angled blast holes will be used to shape final bench face geometries accounting for the orientations of controlling rock fabric and structure.

 

  
Courageous Lake ProjectPage 179
Pre-feasibility Study and Preliminary Economic Assessment NI 43-101 Technical ReportJanuary 5, 2024
  

  

 

The geology and structure of the pit area is relatively uncomplicated and is inclined at relatively steep angles to the west parallel to a dominant west dipping foliation structure.

 

The general rock mass quality is ‘Good’ to ‘Very Good’ based on the Rock Mass Rating (CSIR RMR76) system (Bieniawski, 1976) as applied to the collection of geotechnical data from rock cores.

 

The rock is classified as Strong to Very Strong and, in some cases, Extremely Strong based on the International Society of Rock Mechanics (ISRM) rating system, and the results of laboratory strength testing.

 

The majority of the pit slopes will be excavated within permafrost, and no major facilities will be located immediately behind the crest.

 

The depth to the base of permafrost is estimated to be 335 m, but could be as shallow as 287 m.

 

A transition zone (basal cryopeg) from the permafrost frozen ground to the sub-permafrost groundwater aquifer will be present at an estimated depth of 310 m bgs and thickness of 25 m during mining of the final benches and contribute to elevated pore-pressures at the toe of the slope and in the base of the pit.

 

Groundwater pressures within the portions of the pit walls excavated in permafrost will be negligible, except within the basal cryopeg.

 

16.4.2Geotechnical Domains and Design Sector Definitions

 

The main deposit area is currently defined as a single geotechnical (structural) domain characterized by the steeply west dipping foliation, a flat lying joint set, and other moderately to steeply dipping joint sets. The deposit area has been sub-divided into five Design Sectors based on wall orientations.

 

16.4.3Bench Design

 

Kinematic analyses were completed for each Design Sector and bench designs were formulated to minimize bench-scale instability. The methodology followed standard approaches for bench design, and included the following:

 

Kinematic assessment

 

Cumulative frequency analysis

 

Breakback analysis.

 

Cumulative frequency analysis and breakback analysis were used to estimate bench width requirements for the 20 m high final double benches. Bench widths range from 10 m to 12 m. Based on the bench design studies, final bench face angles ranging from 64° to 80° are considered achievable provided that high quality controlled pre-shear blasting methods are utilized for shaping final walls.

 

Where the Tundra Shear Zone is exposed in the lower benches of the pit within the basal cryopeg it may be susceptible to raveling, and thus require single bench heights for final benches to manage instability.

  

  
Courageous Lake ProjectPage 180
Pre-feasibility Study and Preliminary Economic Assessment NI 43-101 Technical ReportJanuary 5, 2024
  

  

 

16.5Inter-ramp and Overall Slope Stability Assessment

 

Tetra Tech completed limit equilibrium modelling along 6 cross sections to evaluate the overall slope stability, incorporating pore pressure predictions from a 3D hydrogeological (FEFLOW Version 8.0.2) model developed by WSP using data collected from packer testing and Westbay Well development. The limit equilibrium stability analysis was completed using the modelling program SLIDE (Slide2 Version 9.0.028) by RocScience. No finite element modelling was completed for the pre-feasibility design study but should be considered for future design studies. A Base Case stability model was established, and a series of sensitivity analyses were developed in addition to the Base Case to test the sensitivity of the slope design criteria to uncertainty in the models and input parameters.

 

16.6Groundwater Pressures and Slope Depressurization

 

The 3D hydrogeological model developed by WSP was used to predict pressure heads within the sub-permafrost aquifer and basal cryopeg for each of the stability analysis cross sections. Two cases were assessed for groundwater pressures, pit inflow quantities, water quality, and pit depressurization requirements:

 

Base case condition, with the basal cryopeg intersected at a depth of 310 m bgs.

 

Sensitivity case condition, with the basal cryopeg intersected at 262 m bgs.

 

16.6.1Depressurization Requirements and Water Quality Predictions

 

The hydrogeological model was used to estimate depressurization requirements, daily predicted inflows to the open pit and to dewatering wells, total predicted daily inflows, and predicted TDS (mg/L). The inflows to the pit are assumed to come from the basal cryopeg and the sub-permafrost aquifer.

 

The base case depressurization condition considers 14 wells spaced at intervals of 75 to 100 m around the perimeter of the pit and installed at elevations ranging from 125 to 185 masl. The sensitivity case depressurization condition considers 16 wells spaced at intervals of 75 to 100 m around the pit perimeter and installed at elevation 205 masl.

 

16.7Results of Limit Equilibrium Slope Stability Analyses

 

The results of the stability assessment indicate that, for the base case assumptions, depressurization of the SW, W, and NW stability cross sections is required to achieve the DAC. The sensitivity of the results to assumptions of rock bridging were assessed if the base case without depressurization did not meet the DAC. Sensitivity analyses show that the stability results are highly sensitive to assumptions of rock bridging applied to the main discontinuities and subordinate discontinuities. The base of permafrost, and the of the basal cryopeg, is an undulating surface. A series of sensitivity analyses were also completed to assess the potential impact of shallower-than-expected permafrost, basal cryopeg, and hence groundwater pressures.

  

  
Courageous Lake ProjectPage 181
Pre-feasibility Study and Preliminary Economic Assessment NI 43-101 Technical ReportJanuary 5, 2024
  

  

 

16.8Overburden Slope Design Angles

 

The recommended overburden slope design criteria included a review of laboratory testing data and moisture content determinations of samples collected by EBA during overburden drilling investigations in 2010 and 2011, coupled with relevant experience designing overburden slopes with similar conditions at other mine sites in the Canadian sub-arctic. The recommended maximum bench face angle is 30°, maximum unbenched slope height of 5 m, minimum catch bench width of 5 m, and overall slope angle of 22°. Based on the descriptions of the overburden soils from drilling, and the moisture contents, the till is generally ice-rich with ground ice encountered within the active layer. Consequently, a minimum thermal cover thickness of 4 m should be applied to prevent the ice-rich soils around the pit crest from thawing. The minimum toe setback of the overburden slopes from the crest of the rock slope is 10 m.

 

16.9Rock Slope Design Angles

 

The pit slope design recommendations are predicated on minimizing undercutting of rock fabric and major structures by bench face angles, and assume that high quality controlled blasting methods with pre-shear holes are used to shape final walls. The recommended inter-ramp slope angles range from 42.6° to 54.6° based on wall orientation, overall slope height, pit slope design sector, and depressurization requirements.

 

The current pit design incorporates a ramp system that intersects the majority of the pit walls. Where high rock slopes are not intersected by a ramp, the incorporation of a geotechnical step-out at 150 m to 200 m intervals is current industry practice and should be incorporated into the next design iteration. Geotechnical step-outs should be a minimum width of 30 m to accommodate drilling equipment for the installation of monitoring systems, radar monitoring systems, in-pit wells, and other infrastructure.

 

16.10Open Pit Mining Operations Introduction

 

A PFS-level production schedule, based on an annualized average 7,500 t/d mill feed rate, has been developed for the PFS. The resulting mine life is 12.6 years, after pre-production is completed.

 

In addition to the geological information used for the block model, other data used for mine planning include the base economic parameters (metal prices, off-site costs, consumable costs, labour rates, etc.), mining cost data derived from supplier estimates, recommended pre-feasibility pit slope angles (PSAs), projected metallurgical recoveries, plant costs, and throughput rates.

 

16.11Mining Datum

 

The 2024 PFS design work is based on NAD83 coordinates. Topography is described in Section 12.7.

 

16.12Open Pit Mine Planning 3D Block Model

 

The block size is 5 m x 5 m x 5 m with the block heights representing half a suitable bench height for the planned mining excavators, with block dimensions suitably sized for long-range planning.

 

  
Courageous Lake ProjectPage 182
Pre-feasibility Study and Preliminary Economic Assessment NI 43-101 Technical ReportJanuary 5, 2024
  

  

 

16.13Net Smelter Return (NSR)

 

NSR per tonne (net of off-site costs and including on-site process recovery) is estimated for each block and is used as a cut-off item for break-even ore/waste selection.

 

NSR is estimated using net smelter price (NSP) and process recovery as shown in the equation below. The NSP is based on base case gold prices; US dollar exchange rate; and off-site costs. The final terms will be negotiated during the course of the mine development. The off-site costs used to estimate NSP are $3.50 US$/oz. The NSR calculation is shown below:

 

 

Where: 

AuFCP = gold grade (g/t) from the 3DBM item

AuRec = gold recovery (%) from the 3DBM item

NSPAu = net smelter price for gold (C$/g)

 

The metal prices and resultant NSPs used at this early stage of the study are shown by pit area in Table 16-1. Note that gold NSP values are in C$/g.

 

Table 16-1:Metal Price and Resultant NSP

 

Description Value
Au (US$/oz) 1,400/oz
Exchange Rate (US$:C$) 0.77
Au NSP (C$/g) $58.23

 

Metallurgical recoveries used for the NSR calculations are shown in Table 16-3:

 

16.14Mining Loss and Dilution

 

Mining benches are 10 m high, while the model is in 5 m high blocks. Ore mining will be on split benches where required; therefore, loss and dilution calculations are based on 5 m block sizes. Each block in the 3DBM is coded with an NSR value. Based on the cut-off grade of NSR >= $49.66/t, which is equal to the processing + G&A cost, each block was identified as economic or uneconomic.

 

The ‘edge count’ method is used to quantify loss and dilution. This method examines each economic block and analyses the number of edge contacts with uneconomic blocks (between 0 and 4) using the cut-off grade. Economic blocks with 3 or 4 uneconomic block contacts are converted waste since the increased costs to selectively extract them outweighs their economic benefit. These ‘converted’ blocks represent some of the mining losses. All other economic blocks are defined as ore.

 

  
Courageous Lake ProjectPage 183
Pre-feasibility Study and Preliminary Economic Assessment NI 43-101 Technical ReportJanuary 5, 2024
  

  

 

The process is repeated for uneconomic blocks, counting the number of economic block contacts (between 0 and 4). ‘High-grade’ uneconomic blocks (NSR >= $30/t), which have 3 or 4 economic block contacts, along with all other uneconomic blocks with 4 economic block contacts, are converted to ore. These ‘converted’ blocks represent dilution. All other uneconomic blocks are defined as waste. An example of these blocks is shown in Figure 16-2.

 

The process is repeated for uneconomic blocks contacting economic blocks (between 0 and 4). High-grade uneconomic blocks are defined as having an NSR >= $30, which is close to the processing cost.

 

High-grade uneconomic blocks that are contacting 3 or 4 economic blocks and all other uneconomic blocks that are contacting 4 economic blocks are defined as ore (dilution). All other uneconomic blocks are defined as waste. An example of these blocks is shown in Figure 16-2.

 

Figure 16-2:Plan View of Losses and Dilution Blocks

 

 

Source: MMTS, 2023.

 

Only measured and indicated material is considered as ore. The overall losses and dilution are shown in Table 16-2.

 

  
Courageous Lake ProjectPage 184
Pre-feasibility Study and Preliminary Economic Assessment NI 43-101 Technical ReportJanuary 5, 2024
  

  

 

Table 16-2:Mining Loss and Dilution for Courageous Lake

 

  Tonnes (kt) % Au Grade (g/t)
Losses 4,513 12 1.91
Dilution 2,931 8 0.89

 

16.15Pit Slope Design Angles

 

See Section 16.9.

 

16.16Economic Pit Limits, Pit Designs

 

16.16.1Pit Optimization Method

 

The economic pit limit is selected after evaluating LG pit cases.

 

The assessment is carried out by generating sets of LG pit shells by varying revenue assumptions to test the deposit’s geometric and pit slope sensitivity.

 

16.16.1.1LG Pit Assumptions

 

Inputs to the LG pit limit assessment are shown in Table 16-3 are based on the previous PFS studies (including cost escalation) as a starting point for the 2024 design work.

 

Table 16-3:LG Pit Limit Primary Assumptions

 

Assumption Value
Mining Cost - Waste C$2.75/t
Mining Cost - Ore C$3.75/t
Process, G&A, Site Services C$49.66/t
Process Recoveries <0.3 g/t 0%
  0.3 g/t - 0.5 g/t 40%
  0.5 g/t - 0.75 g/t 65%
  0.75 g/t - 3.0 g/t 76% - 92%1
  3.0 g/t - 5.0 g/t 93%
  5.0 g/t - 8.0 g/t 94%
  <8.0 g/t 96%
Pit Slope Angle Variable See Table 16-15
Metal Prices See Table 16-2

 

1Between 0.75 and 3.0 g/t, Recovery = -0.1423 x AU5 + 0.2604 x AU4 + 5.593 x AU3 - 30.217 x AU2 + 60.566 x AU + 44.935

  

  
Courageous Lake ProjectPage 185
Pre-feasibility Study and Preliminary Economic Assessment NI 43-101 Technical ReportJanuary 5, 2024
  

  

 

LG pits are generated by varying the NSR value from 30% to 150% of the base NSR.

 

16.16.2Permafrost

 

Permafrost exists in the area to a depth of 335 m below topography. As the project area is quite flat, the base of the permafrost zone is assumed to occur at 95 m elevation, for the entire project. The bottom section of the permafrost zone is referred to as the basal cryopeg zone. Pockets of unfrozen groundwater will occur within the basal cryopeg zone. This water will need to be stored until mine completion, when it can be returned to the pit. The thickness of the basal cryopeg zone is variable, and for the purpose of this study is assumed to be 50 m.

 

The LG shells are constrained to stay within the permafrost zone, above 95 m elevation.

 

16.16.3LG Economic Pit Limits

 

The ultimate pit shell was selected based on incremental economics, between shells. Due to the permafrost constraint, the incremental improvement above the 60% Case provided diminishing increases in ore and value. The sensitivity of the LG economic pit limit to ore tonnes is illustrated in Figure 16-3 where 100% represents the base case NSP parameters above. The figure was created with a $60 NSR cut-off grade, to provide a margin for losses and dilution that were not yet calculated at this stage.

 

The selected open pit limit is the 60% Case, to achieve target ounces for the project, is well within the economic limits for this study.

 

Figure 16-3:Courageous Lake Sensitivity of Ore Tonnes to Pit Size

 

 

 

Source: MMTS, 2023.

 

A plan view and north-south section views of the LG pits for the open pit mining areas are shown in Figure 16-4 through Figure 16-5.

  

  
Courageous Lake ProjectPage 186
Pre-feasibility Study and Preliminary Economic Assessment NI 43-101 Technical ReportJanuary 5, 2024
  

  

 

Figure 16-4:Plan View of the Courageous Lake LG Pit Limit

 

 

Source: MMTS, 2023.

 

  
Courageous Lake ProjectPage 187
Pre-feasibility Study and Preliminary Economic Assessment NI 43-101 Technical ReportJanuary 5, 2024
  

  

 

Figure 16-5:Courageous Lake Economic Pit Limit – North-South Section at East 486750

 

 

Source: MMTS, 2023.

 

16.17Detailed Pit Designs

 

PFS-level pit designs demonstrate the viability of accessing and open pit mining the measured and indicated mineral resources at the Courageous Lake site. Pit designs use the selected LG pit limits as guides as well as geotechnical parameters, suitable road widths, and minimum mining widths based on efficient operation for the size of mining equipment chosen for the 2024 PFS.

  

  
Courageous Lake ProjectPage 188
Pre-feasibility Study and Preliminary Economic Assessment NI 43-101 Technical ReportJanuary 5, 2024
  

  

 

16.17.1Haul Road Widths

 

Haul road widths are designed to provide safe, efficient haulage and to comply with the NWT Mines Regulations’ minimum width specifications and safe operating practice. Haul road widths include allowance for standard double lane hauling. All roads have a maximum grade of 10% suitable for mines with winter conditions. A sample cross section of a haul road is shown in Figure 16-6 below.

 

Figure 16-6:Double Lane Haul Road

 

 

Source: MMTS, 2023.

 

16.17.2Design Standards

 

Pre-feasibility study level design parameters for the pits are provided by Tetra Tech, respectively, according to their geotechnical testing and evaluations (Sections 16.2 and 18.7.3).

  

  
Courageous Lake ProjectPage 189
Pre-feasibility Study and Preliminary Economic Assessment NI 43-101 Technical ReportJanuary 5, 2024
  

  

 

16.17.2.1Minimum Mining Width

 

A minimum mining width between pit phases is prescribed to maintain a suitable platform for efficient mining operations. This is established based on equipment size and operating characteristics. For this study, the minimum mining width generally conforms to 35 m, which provides sufficient room for 1-sided truck loading.

 

16.17.2.2Bench Height

 

The pit designs are based on the digging reach of the excavators (10 m operating bench) with double benching between high wall berms; therefore, the berms are separated vertically by 20 m. Single bench mining will be employed, split bench mining (5m) will be used, where required, to maximize ore recovery and minimize dilution.

 

16.17.3LG Phase Selection

 

The LG selected pit cases discussed previously are used to evaluate alternatives for determining the economic pit limit and the optimal pushbacks or phases before commencing detailed design work.

 

There are smaller pit shells within the economic pit limits that have higher economic margins, due to lower strip ratios or better grades than the full economic pit limit. Mining these pits as phases from higher to lower economic margins helps to increase early revenue and reduce early mining costs.

 

The Courageous Lake pit has four incremental phases (1-4), and two satellite phases (0 and 99). Phases 0 and 99 are standalone phases and are designed to provide pre-production start-up and construction material, as well as a location for water storage when the Basal Cryopeg is mined, later in the mine life. Phase 1 is the in the center of the ultimate pit, and provides low strip ratio, higher grade feed at the beginning mining. Phase 2 mines the south of the ultimate pit. Phase 3 mines the northeast of the ultimate pit. Phase 4 mines the northwest of the pit, as well as the pit bottom.

 

A plan view of the Courageous Lake pit phases is shown in Figure 16-7. Table 16-4 shows the ore and waste tonnes, grade, and strip ratio by phase.

 

  
Courageous Lake ProjectPage 190
Pre-feasibility Study and Preliminary Economic Assessment NI 43-101 Technical ReportJanuary 5, 2024
  

  

 

Figure 16-7:Plan View of Courageous Lake Pit Phases

 

 

Source: MMTS, 2023.

 

  
Courageous Lake ProjectPage 191
Pre-feasibility Study and Preliminary Economic Assessment NI 43-101 Technical ReportJanuary 5, 2024
  

  

  

Table 16-4:Pit Phase Inventories

 

Phase Ore Waste Total Material
kTonnes Diluted Au (g/t) kTonnes kTonnes Strip Ratio (t:t)
Phase 0 142 5.18 967 1,109 6.8
Phase 1 11,390 2.90 47,890 59,280 4.2
Phase 2 5,502 2.49 64,352 69,854 11.7
Phase 3 3,353 2.52 48,752 52,105 14.5
Phase 4 13,175 2.41 91,209 104,384 6.9
Phase 99 359 2.32 3,862 4,221 10.7
Grand Total 33,922 2.61 257,032 290,954 7.6

   

Source: MMTS, 2023.

 

16.18Open Pit Mine Plan

 

16.18.1LOM Open Pit Production Schedule

 

The open pit mine production schedule is developed with Hexagon’s MinePlan Strategic Optimizer (MPSO), a comprehensive long-range schedule optimization tool for open pit mines used to produce a LOM schedule that increases the NPV of the PFS.

 

In the open pit mine schedule, “Time 0” refers to the mill start date; mill feed production starts in Year 1 and full mill feed production is reached in Year 2. The production schedule specifies:

 

pre-production: Year -1.

 

first year of production: Year 1.

 

16.18.1.1Open Pit Mine Load and Haul Fleet Selection

 

The mine load and haul fleet are selected prior to production scheduling. All equipment is diesel powered, as the site does not have a connection to an electrical grid.

 

12 m3 bucket diesel hydraulic excavator is selected as the primary digging units. Excavators are selected instead of shovels to improve selective mining for ore and wall scaling. The excavators are paired with 90-tonne trucks for efficient loading times.

 

Productivities of the selected equipment include shovel loading times, truck haul cycle estimates for multiple pit-to-destination combinations, and appropriate spot/ wait/ dump times.

 

Autonomous trucks are used during regular mining operations. Autonomous equipment has a lower mechanical availability (since more maintenance time is required to maintain the technology on board) but a higher operator efficiency and increased operating hours per day (no breaks or shift-change delays). Standard delays such as blasting, fueling, clean-up, long moves, etc., are still accounted for with autonomous units.

 

  
Courageous Lake ProjectPage 192
Pre-feasibility Study and Preliminary Economic Assessment NI 43-101 Technical ReportJanuary 5, 2024
  

  

 

16.18.1.2Schedule Criteria

 

In order to optimize the PFS NPV, NSR grade bins are specified. This allows MPSO to develop a variable a cut-off grade strategy which increases early mill head grades and therefore higher revenues in the early years of production. Phase precedence is specified based on the logical progression of phase geometry (no undermining is allowed).

 

The primary program objective in each period is to maximize the NPV. The MPSO NPV calculation is guided by estimated operating and capital costs, process recoveries, and metal prices. Key production schedule assumptions are shown in Table 16-5.

 

Table 16-5:Production Schedule Assumptions

 

Assumption Value
Daily Mill Throughput 7,500 t/d
Haul Truck Speed Limit 50 km/h
Haul Truck Operating Efficiency - autonomous 94.5%
Dump/Maneuver/Wait Time 2.75 min
Shovel Loading Time 2.10 min
Shovel Operator Efficiency 95%

 

16.18.1.3Cut-off Grade Optimization

 

The sequencing of the pit phase designs typically goes from higher grades to lower, to increase mill feed grades early in the schedule and thereby increase revenues in the earlier years. This can be further enhanced by stockpiling low- and mid-grade material for processing at the end of the production schedule, or as needed when pit ore delivery is low; stockpiling also results in increased mining costs, due to rehandle costs. The incremental break-even cut-off grade is set to the processing + G&A costs. Ore is binned by cut-off grades to allow higher grade mill feed earlier and store lower grade ore in stockpiles for processing at the end of mine life. This increases early revenues therefore increasing both the NPV and IRR.

 

16.18.2Rock Storage

 

Rock is stored as close to the mining area as possible, East of the pit. Rock is used to build tailings impoundments, as described below.

 

16.18.2.1Co-Placement Storage Facility (CPSF)

 

The CPSF is designed to act as the confinement for process tailings. The tailings will be placed in a series of paddock systems, each paddock averaging 0.98 Mm3 of storage volume. An average tailings paddock will store six months of tailings. Further information on the tailings paddock system is described in Section 18.

 

  
Courageous Lake ProjectPage 193
Pre-feasibility Study and Preliminary Economic Assessment NI 43-101 Technical ReportJanuary 5, 2024
  

  

 

16.18.2.2Construction Methods

 

The CPSF uses two components which form the tailings paddock system construction, which is created in lifts from the bottom up, that alternate between 10 and 13 m in height. The paddocks are contained within the 13 m lifts, while the 10 m lifts placed between the paddock lifts are completely waste material. Waste not required for construction of tailings paddocks is placed directly by the haul fleet with support from dozers as required. Waste needed to create tailings paddocks is delivered by the haul fleet to the CPSF and then stockpiled for later placement as described in Section 18.7. When waste is used to cover a completed tailings paddock the haul trucks will dump short of the berm and dozers will push the waste material over the tailings contained inside the paddock.

 

16.18.2.3Foundation Preparation

 

Design work for CPSF foundation preparation will be performed as required. Prior to mine development, soil will be salvaged from the footprint area where soil is suitable for reclamation purposes. Soils salvaged from the CPSF footprints will be stockpiled East of the final footprint of the CPSF.

 

16.18.2.4CPSF Access Roads

 

Access to the CPSF throughout the life of mine is via a double lane, external waste haul road on the west side of the CPSF nearest to the pit exit ramp(s). This road network also connects the mining areas with the stockpile and plant areas.

 

16.18.2.5Final CPSF Configuration

 

The final CPSF for the Courageous Lake Project is designed with overall slope angles of 21°, to accommodate the tailings paddock system. The final post-closure configuration is adapted in accordance with the closure plan, which is further described in Section 18.7.9. A cost allowance for closure work is included by keeping the ancillary equipment in use during later years of operation after the waste strip ratio drops to lower levels. This allows for reclamation activities in the latter part of the mining schedule. Future studies will investigate earlier (progressive) reclamation opportunities, as equipment becomes available from the operations. As part of the closure plan, a network of 8% grade, 30 m-wide access ramps are included, which provide unimpeded right-of-way across the CPSF for the indigenous caribou population. The haul road access forms part of this network upon closure. The caribou right-of-ways are constructed at the time of initial mine rock placement in the CPSF to ensure immediate availability at the time of closure.

 

  
Courageous Lake ProjectPage 194
Pre-feasibility Study and Preliminary Economic Assessment NI 43-101 Technical ReportJanuary 5, 2024
  

  

 

16.18.3Ore Stockpile

 

Ore is stockpiled during the pre-stripping activity in the pre-production period. The stockpile is fed to the mill starting in Year 1. Ore is added and removed from the stockpile, through the mine life. The residual stockpile inventory is intended for milling in Years 12 and 13 after pit mining is completed.

 

16.18.4Open Pit Mine Pre-production Detail

 

Development and pre-production activities include the following:

 

Mining sufficient ore for start-up, and to support the strategy of increased feed grade in early years, smoothing the haul fleet size over time

 

Establish mining areas that will support the equipment required to achieve ore production and annual mill feed requirements on a sustainable basis.

 

Provide material required for construction in the mine area

 

Provide material for tailings paddock requirements in the first year of mill feed.

 

Sufficient soil stripping for dump and pit mining in Year -1 as well as Year 1 topsoil salvage and foundation preparation:

 

Construct drainage control and water management structures

 

Haul road construction

 

Infrastructure construction.

 

16.19Open Pit Production

 

16.19.1Year -1 to 11 – Open Pit Mining

 

The following is a summary of mining activity in Years -1:

 

An ROM ore stockpile is built in the area to north of the Mill and south of the CPSF

 

All waste material is placed in the CPSF unless required for pre-production construction

 

Phase 0 is mined completely in Year -1.

 

Phase 1 starts in Year -1, mining to an elevation of 385 m.

 

The following is a summary of mining activity in Years 1 to 5:

 

Mining in Year 1 to 5 focuses on delivering higher grade of ore to help with project payback

 

All waste material is placed in the CPSF

 

  
Courageous Lake ProjectPage 195
Pre-feasibility Study and Preliminary Economic Assessment NI 43-101 Technical ReportJanuary 5, 2024
  

  

 

Ore is hauled directly to the Mill or stockpile

 

Phase 1 is completed in Year 2

 

Phase 2 starts in Year 2 and is completed in Year 4

 

Phase 3 starts in Year 4, mining to an elevation of 385 m

 

Phase 99 is mined completely in Year 4

 

Stockpile material is reclaimed to supplement mill feed during periods where mining is limited by periodic large volumes of waste pre-stripping or to increase mill feed grade.

 

The following is a summary of mining activity in Years 6 to 11:

 

Phase 3 is completed in Year 7

 

Phase 4 starts in Year 6 and is completed in Year 11

 

All waste material is placed in the CPSF.

 

Stockpile material is reclaimed to supplement mill feed during periods where mining is limited by periodic large volumes of waste pre-stripping or to increase mill feed grade.

 

  
Courageous Lake ProjectPage 196
Pre-feasibility Study and Preliminary Economic Assessment NI 43-101 Technical ReportJanuary 5, 2024
  

  

 

Figure 16-8:End of Pre-production (Year -1)

 

 

Source: MMTS, 2023.

 

  
Courageous Lake ProjectPage 197
Pre-feasibility Study and Preliminary Economic Assessment NI 43-101 Technical ReportJanuary 5, 2024
  

  

 

Figure 16-9:End of Year 1

 

 

Source: MMTS, 2023.

 

  
Courageous Lake ProjectPage 198
Pre-feasibility Study and Preliminary Economic Assessment NI 43-101 Technical ReportJanuary 5, 2024
  

  

 

Figure 16-10:End of Year 2

 

 

 

Source: MMTS, 2023.

 

  
Courageous Lake ProjectPage 199
Pre-feasibility Study and Preliminary Economic Assessment NI 43-101 Technical ReportJanuary 5, 2024
  

  

 

Figure 16-11:End of Year 3

 

 

 

Source: MMTS, 2023.

 

  
Courageous Lake ProjectPage 200
Pre-feasibility Study and Preliminary Economic Assessment NI 43-101 Technical ReportJanuary 5, 2024
  

  

 

Figure 16-12:End of Year 4

 

 

 

Source: MMTS, 2023.

 

  
Courageous Lake ProjectPage 201
Pre-feasibility Study and Preliminary Economic Assessment NI 43-101 Technical ReportJanuary 5, 2024
  

  

 

Figure 16-13:End of Year 5

 

 

Source: MMTS, 2023.

 

  
Courageous Lake ProjectPage 202
Pre-feasibility Study and Preliminary Economic Assessment NI 43-101 Technical ReportJanuary 5, 2024
  

  

 

Figure 16-14:Open Pit Life of Mine

 

 

Source: MMTS, 2023.

 

  
Courageous Lake ProjectPage 203
Pre-feasibility Study and Preliminary Economic Assessment NI 43-101 Technical ReportJanuary 5, 2024
  

  

 

16.20Open Pit Mine Operations

 

The mining operations are typical of open pit operations in northern Canada and employ small scale mining equipment in waste and selective mining in the ore zones. There is considerable operating and technical expertise, services, and support in northern Canada, especially in the local area northeast of Yellowknife. Equipment is selected for the major operating functions in the mine (loading and hauling waste) to generate high productivities, which helps reduce unit mining costs.

 

16.20.1Organization

 

Mine operation is organized into three areas: direct mining, mine maintenance, and general mine expense (GME).

 

In this study, direct mining and mine maintenance are planned as a leased fleet with the equipment costs and labour being directly under mine operations. The haul truck fleet will be operated as an autonomous fleet. The mine will employ the blasting crew, but supply and on-site manufacturing of blasting materials will be contracted out. All infrastructure required for the blasting supply contractor will be provided by the operating company.

 

16.20.2Direct Mining Activities – Open Pit

 

The direct mining area accounts for the drilling, blasting, loading, hauling, and pit maintenance activities in the mine.

 

16.20.3Drilling

 

Blasthole drills will be fitted with GPS navigation and drill control systems to optimize drilling. Production drills will be operated autonomously.

 

Diesel hydraulic rotary drills (165 mm bit size) will be used for production drilling, both in ore and waste. Diesel hydraulic percussive drills (50 mm bit size) will be used for controlled blasting techniques on high wall rows, pioneering drilling during pre-production, and development of initial upper benches.

 

There is an ore control drill (144 mm bit size) that will drill 3 benches (30 m) at a time for assays. The ore control drill will be utilized in the known ore zone, as well as the ore/waste transition zone. It is assumed that 100% of ore tonnes and 25% of waste tonnes will be drilled for ore control.

 

16.20.4Blasting

 

A contract explosives supplier will provide blasting materials and technology. Due to the remote nature of the operation, an explosives manufacturing plant will be built on site when emulsion is required. For this study, the owner provides a serviced site and all facilities to the explosives contractor who manufactures and delivers the prescribed explosives to the blast holes and supplies all blasting accessories.

 

Blasting will be done with an emulsion ammonium nitrate fuel oil blend referred to as heavy ANFO(HANFO). HANFO will be 70% emulsion 30% ANFO for both wet and dry holes. The optimal HANFO blend and the possibility of higher use of straight ANFO with borehole liners to keep the ANFO dry, can be investigated in future studies to reduce blasting costs.

 

  
Courageous Lake ProjectPage 204
Pre-feasibility Study and Preliminary Economic Assessment NI 43-101 Technical ReportJanuary 5, 2024
  

  

 

Blasting accessories will be stored in magazines adjacent to the mining areas suitably located to meet federal and provincial regulations and to avoid potential geohazards.

 

Loading of the explosives will be done with bulk explosives loading trucks provided by the explosives supplier. The trucks should be equipped with GPS guidance and should be able to receive automatic loading instructions for each hole from the engineering office. The GPS guidance will be a necessity to be compatible with stakeless drilling.

 

Blast holes will be stemmed to avoid fly-rock and excessive air blasts. Crushed rock will be provided for stemming material and will be dumped adjacent to the blast pattern. A loader with a side dump bucket is included in the mine fleet to tram and dump the crush into the hole.

 

The blasting crew will comprise mine employees and will be on day shift only. The blasting crew will coordinate drilling and blasting activities to ensure a minimum of two weeks of broken material inventory is maintained for each excavator. Blasters will require hand-held GPS to identify holes for pattern tie-in as blast patterns will not be staked. A detonation system will be used that consists of electric cap initiation, detonating cord, surface delay connectors, non-electric single-delay caps, and boosters.

 

16.20.4.1Loading

 

Ore and waste will be defined in the blasted muck pile by ore control. A fleet management system will assist in optimizing deployment and utilization of the mine fleet.

 

Two 12 m3 dipper diesel hydraulic excavator has been selected as the primary digging units. The diesel hydraulic excavators are selected as the mine is not connected to an electrical grid. Excavators are selected instead of shovels to improve selective mining for ore and wall scaling. A 12 m3 wheel loader will be used for stockpile management and secondary loading in the pit as required.

 

Minimum bench widths of 35 m are designed to ensure sufficient operating room for loading of trucks at the excavators. Benches are designed wider than the minimum wherever possible.

 

16.20.4.2Hauling

 

Ore and waste will be hauled by autonomous 90-t haul trucks. Autonomous trucks are selected to reduce the camp size requirements and costs. Haul cycle profiles are built from each bench to designated dumping points as the dump progresses. Travel times for each profile are calculated using rimpull and braking curves provided by equipment manufacturers.

 

Fixed times are calculated based on the number of passes the excavators would need to fill the trucks, as well as reasonable spot, dump, queue and wait times. Fixed times are the same for every benches’ cycle with the same loading and hauling equipment.

 

Travel times and fixed times are added together to generate unique total haul cycle times for each bench/destination combination.

 

  
Courageous Lake ProjectPage 205
Pre-feasibility Study and Preliminary Economic Assessment NI 43-101 Technical ReportJanuary 5, 2024
  

  

  

16.20.4.3Pit Maintenance

 

Pit maintenance services include haul road maintenance, open pit mine dewatering, transporting operating supplies, relocating equipment, and snow removal. Haul road maintenance is paramount to low haulage costs; dozer, and grader hours have been allocated to maintain the haul road network throughout the LOM production schedule. A rock crusher for road grading material is included.

 

16.20.5Open Pit General Mine Expense (GME) Area

 

The GME area accounts for the supervision, safety, environment, and training for the direct mining activities as well as technical support from mine engineering and geology functions. Open pit mine operation supervision will extend down to the shift supervisor level and trainers. GME costs also include engineering consulting expenses on an ongoing basis for specialty items, such as geotechnical and geo-hydrology expertise, and third-party reviews in the open pit mine area.

 

16.21Mine Closure and Reclamation

 

Details on mine closure and reclamation are available in Section 20.1.2.

 

16.22Open Pit Mine Equipment Parameters

 

Mining equipment descriptions in this section provide general specifications so that dimensions and capacities can be determined from vendor specification documents.

 

16.22.1Major Equipment

 

The production requirements for the major mining equipment over the LOM are summarized in Table 16-6. The current production schedule requires a maximum haulage fleet of 23 trucks over the LOM.

 

Table 16-6:Major Equipment Requirements

 

Major Equipment Pre-production Year 5 Maximum
Production Drills (165 mm holes) 4 4 4
Secondary Drills (50 mm holes) 2 2 2
Primary Excavator – 12 m3 Diesel Hydraulic Shovel 2 2 2
Secondary FEL – 12 m3 1 1 1
Haul Truck – 90 tonne 10 18 23

 

  
Courageous Lake ProjectPage 206
Pre-feasibility Study and Preliminary Economic Assessment NI 43-101 Technical ReportJanuary 5, 2024
  

  

 

16.22.2Blasting

 

Blasting assumptions are summarized in Table 16-7. These parameters will be re-evaluated in the future with a detailed blasting study, using site-specific rock strength parameters.

 

Table 16-7:Blasting Assumptions

 

Blasting Pattern – Ore and Waste Specifications - Dry Specifications - Wet
Spacing 3.9 m 4.7 m
Burden 3.9 m 4.7 m
Hole Size 165 mm 165 mm
Explosive In-Hole Density 0.84 g/cc 1.25 g/cc
Explosive Average Downhole Loading 18.0 kg/m 26.7 kg/m
Bench Height 10 m 10 m
Collar 4 m 4 m
Loaded Column 8 m 8 m
Sub-drill 2 m 2 m
Charge per Hole 144 kg/hole 214 kg/hole
Rock SG 2.77 t/m3 2.77 t/m3
Yield per Hole 411 t/hole 612 t/hole
Powder Factor 0.35 kg/t 0.35 kg/t

 

16.22.3Drilling Equipment

 

Production drilling assumptions are listed in Table 16-8.

 

Table 16-8:Open Pit Production Drilling Assumptions

 

Parameter Diesel Rotary
Bench Height 10 m
Subgrade 2 m
Hole Size 165 mm
Effective Penetration Rate (including efficiencies) 28 m/h
Hole Depth 12 m
Setup Time 2.0 min
Drill Time 25.7 min
Move Time 4.0 min
Total Cycle Time 29.7 min
Holes per Hour 2.02
Re-drills 5%

 

A 50 mm diesel percussive drill is also specified for controlled blasting techniques on high wall rows in all pit phases, pioneering drilling during pre-production, and development of initial upper benches.

 

  
Courageous Lake ProjectPage 207
Pre-feasibility Study and Preliminary Economic Assessment NI 43-101 Technical ReportJanuary 5, 2024
  

  

 

16.22.3.1Open Pit Dewatering Equipment

 

The dewatering activities will include vertical dewatering wells, as well as in-pit sumps. Pit water will be collected and stored in either the mined-out Phase 0 or mined-out Phase 99, as available.

 

16.22.4Open Pit Support Equipment

 

The mine support equipment fleet requirements are summarized in Table 16-9. The fleet size in Year 5 is shown as representative of the LOM requirement.

 

Table 16-9:Mine Support Equipment Fleet

 

Fleet Function Year 5
Track Dozer – 450 kW Pit Support and Dump Maintenance 2
Track Dozer – 325 kW Pit Support 1
Rubber Tired Dozer – 370 kW Pit Clean-Up 1
Fuel/Lube Truck Shovel and Drill Fueling and Lube 2
Excavator - 3 m3 bucket Pit Support and Dewatering 1
Excavator - 4 m3 bucket Pit Support and Dewatering 1
Wheel Loader – 4 m3 bucket Pit Clean-Up 1
Articulated Truck - 40 t Road Maintenance 2
Water Truck – 12,000 gal Haul Roads Water Truck 2
Motor Grader – 216 kW Road Grading 2
Tire Manipulator Tire Changes 2

 

16.22.5Open Pit Ancillary Equipment

 

The mine ancillary equipment fleet includes such equipment as excavators, mine rescue trucks, picker trucks, cranes, snowcats, forklifts, service trucks, welding trucks, sump pumps and float trucks.

 

16.22.6Open Pit Ancillary Facilities

 

16.22.6.1Shops and Offices

 

In addition to providing an area for maintenance bays, tire shops, and a wash bay, the maintenance shop will also house:

 

a welding bay

 

an electrical shop

 

  
Courageous Lake ProjectPage 208
Pre-feasibility Study and Preliminary Economic Assessment NI 43-101 Technical ReportJanuary 5, 2024
  

  

 

an ambulance

 

a first aid room

 

a first aid office

 

a machine shop area

 

a mine dry

 

a warehouse

 

offices for administration, mine supervision, and engineering/geology staff

 

a lunchroom and supervisor’s office.

 

The recommended shop sizing for the open pit operations includes service bays, welding bay, and wash bay. This will accommodate the fleet for the LOM PFS production plan. The mine maintenance facility will also include a machine shop area, tool storage area, mine muster area, warehouse, and office complex. A separate tire bay facility will be required to accommodate a truck and a tire manipulator.

 

16.23Mine Production Schedule

 

The summarized production schedule results are shown in Table 16-10 and Figure 16-15. Pre-stripping will use the owner’s personnel and mining fleet in the pre-production years. After mill start-up, a variable cut-off grade strategy is used to enhance revenues for a minimum capital payback period. The variable cut-off strategy stockpiles lower grade material early in the mine life.

 

  
Courageous Lake ProjectPage 209
Pre-feasibility Study and Preliminary Economic Assessment NI 43-101 Technical ReportJanuary 5, 2024
  

  

 

Table 16-10:Summarized Production Schedule

 

    Year -1 1 2 3 4 5 6 7 8 9 10 11 12 13 LOM

Pit to Mill

Amount Mt   2.12 1.86 1.36 1.73 0.49 2.32 0.84 1.37 2.74 2.74 1.42 0.00 0.00 18.97
Au g/t   5.47 3.78 3.18 3.16 2.63 2.68 2.41 2.37 2.69 3.45 3.03 0.00 0.00 3.28
Pit to Stockpile Amount Mt 2.73 4.32 1.37 1.01 0.94 0.21 0.18 0.07 0.10 0.64 3.12 0.27 0.00 0.00 14.95

Stockpile Reclaim

Amount Mt   0.08 0.88 1.38 1.01 2.25 0.42 1.90 1.37 0.00 0.00 1.32 2.74 1.59 14.95
Au g/t   7.79 5.01 2.32 2.22 1.67 1.49 1.36 1.15 0.00 0.00 1.90 1.21 0.91 1.76
Stockpile Balance Amount Mt 2.73 6.97 7.46 7.09 7.02 4.98 4.73 2.89 1.62 2.26 5.38 4.33 1.59 0.00 0.00

Total Mill Feed

Amount Mt   2.19 2.74 2.74 2.74 2.74 2.74 2.74 2.74 2.74 2.74 2.74 2.74 1.59 33.92
Au g/t   5.55 4.17 2.75 2.81 1.84 2.49 1.68 1.75 2.69 3.45 2.48 1.21 0.91 2.61
Metal to the Mill Au Moz   0.39 0.37 0.24 0.25 0.16 0.22 0.15 0.15 0.24 0.30 0.22 0.11 0.05 2.85
Waste Mined (excluding rehandle)

 Amount

 Mt

 17.77

 25.49

 27.89

 28.25

 25.32

 27.02

 24.37

 28.11

 21.11

 16.91

 13.15

 1.64

 0.00

 0.00

 257.0

Total Material Mined Amount Mt 20.50 31.92 31.12 30.62 27.99 27.72 26.86 29.02 22.58 20.29 19.01 3.33 0.00 0.00 290.95
Total Material Moved Amount Mt 20.50 32.00 32.00 32.00 29.00 29.97 27.29 30.92 23.95 20.29 19.01 4.65 2.74 1.59 305.90

 

Note:

 

1.There is no planned rehandle in the waste mined in the production schedule
2.The mill feed specified includes ore from the Proven and Probable open pit Mineral Reserves and does not include any Inferred Mineral Resources.

 

  
Courageous Lake ProjectPage 210
Pre-feasibility Study and Preliminary Economic Assessment NI 43-101 Technical ReportJanuary 5, 2024
  

  

 

Figure 16-15: Courageous Lake Mill Feed Production Schedule

 

 

Source: MMTS, 2023.

 

  
Courageous Lake ProjectPage 211
Pre-feasibility Study and Preliminary Economic Assessment NI 43-101 Technical ReportJanuary 5, 2024
  

  

 

17RECOVERY METHODS

 

17.1Overview

 

The process flowsheet for Courageous Lake project was selected based on the preliminary metallurgical testwork results and subsequent economic modelling. The majority of the unit operations selected to build the plant flowsheet are standard technologies widely used in gold processing plants. The pressure oxidation circuit is technologically complex and requires skilled operators.

 

The selected flowsheet includes a three-stage crushing circuit with crushed product reporting to the crushed material stockpile. Mineralized material is reclaimed to a grinding circuit consisting of a ball mill circuit operating in closed circuit with a cyclone cluster. Ball mill cyclone overflow reports to sequential stages of rougher flotation, where concentrate is separated from the gangue material and fed to cleaner flotation. In the cleaning circuit, the concentrate grades are upgraded prior to further size reduction in a regrind ball mill operating in closed circuit with a cyclone cluster. Cleaner tailings combine with rougher tailings for thickening before being discharged to the co-placement storage facility (CPSF). Overflow from regrind cyclones undergoes acidulation and thickening prior to pressure oxidation which oxidizes the sulphide in the concentrate. The oxidized concentrate is washed in a three-stage CCD to remove acidic solution prior to being leached with cyanide and washed in six-stage CCD circuit to recovery the leached gold and silver in solution. The resulting pregnant solution will be processed using a Merrill-Crowe treatment by adding zinc powder to precipitate gold and silver. The precious metals precipitate will be smelted on site to produce gold-silver doré bars. Leach residue is neutralized with rougher tails and lime addition and detoxed with the SO2/Air processes before pumping to the leach residue tailings facility.

 

Key considerations for selecting the process flowsheet included the variable mineralogy, feed grades and rock hardness in the deposit. Multiple trade-off studies were conducted in order to select the optimal process flowsheet, including throughput sizing, comminution equipment selection, pressure oxidation method, and flotation circuit assessment. Capital and operating costs were minimized without compromising functionality or robustness in the design.

 

Design parameters (Table 17-1) were selected based on test data from programs SGS (2003), G&T (2007) and SGS (2011). The ALS (2023) test program was run in parallel with the 2024 PFS, and upon completion the test results were evaluated against the selected design basis. Results from the 2023 testwork confirmed the design parameters were sufficient but also identified opportunities for optimization that have not been realized in this report but are included in Section 25.3.2.3.

 

The overall process plant layout is depicted in Figure 17-2.

 

  
Courageous Lake ProjectPage 212
Pre-feasibility Study and Preliminary Economic Assessment NI 43-101 Technical ReportJanuary 5, 2024
  

  

 

Table 17-1:Summary of Process Design Criteria

 

Parameter Units Value
Plant throughput Mt/a 2.74
Throughput, design t/d 7,500
Life of mine y 12.6
Gold head grade, design g/t 5.65
Sulfur head grade, design % 0.48
Silver head grade, design g/t 0.8
Iron head grade, design % 2.3
Arsenic head grade, design % 0.3
Calcium head grade, design % 2.4
Carbon head grade, design % 0.7
Material specific gravity - 2.7
Crushing plant availability % 65
Crushing plant capacity, design t/h 481
Crushing circuit product size, P80 mm 9
Bond crusher work index (CWi), design kWh/t 24
Bond ball mill work index (BWi), design kWh/t 16.5
Bond rod mill work index (BWi), design kWh/t 18.1
Bond abrasion index (Ai), design - 0.19
Mill availability % 90
Oxidation circuit availability % 90
Grinding circuit capacity, design t/h 348
Grinding circuit product size, P80 µm 106
Primary classification cyclones O/F pulp density, design %w/w 35
Primary grinding circuit configuration - closed
Rougher stage mass pull, max % 11
Concentrate pulp density %w/w 25
Concentrate solids specific gravity - 3.05
Cleaner mass pull of overall circuit, max % 4.2
Overall Au Recovery to Concentrate % 88
Overall Ag Recovery to Concentrate % 85
Regrind circuit configuration - closed
Regrind mill type - ball mill
Regrind circuit feed size, P80 µm 90
Regrind circuit product size, P80 µm 43
Regrind mill specific energy, design kWh/t 9.2

 

  
Courageous Lake ProjectPage 213
Pre-feasibility Study and Preliminary Economic Assessment NI 43-101 Technical ReportJanuary 5, 2024
  

  

 

Parameter Units Value
Oxidation Circuit Feed Specification, design    
C (as CO3) % 1
As % 3.2
Fe % 12
S % 9.7
Au g/t 98
Concentrate pre-treatment circuit capacity, design t/h 15
Concentrate settling rate t/m2/h 0.25
Concentrate thickener U/F density %w/w 50
Pre-acidulation residence time h 1
Oxidation circuit configuration - POX
POX residence time, design min 90
Operating temperature °C 200
Design pressure kPag 2,580
Number of flash stages # 1
Flash operating pressure kPag 14
POX counter current decantation (CCD) settling rate t/m2/h 0.15
POX CCD wash stages # 3
POX solution neutralization residence time h 1.3
POX solution neutralization circuit target pH - 8.5
POX solids neutralization residence time h 4
POX solids neutralization circuit target pH - 10.5
Leach system - Cyanide Leaching
Leaching residence time h 12
Leach Circuit Extraction, Au % 97
Leach Circuit Extraction, Ag % 69
Metal recovery method - Merrill-Crowe
Merrill-Crowe CCD wash stages # 6
Merrill-Crowe CCD washing efficiency % 95
Cyanide destruction method - air /SO2
Cyanide destruction residence time h 1.5
Flotation tails thickener U/F density %w/w 65

 

17.2Process Flow Sheet

 

An overall process flow diagram is presented in Figure 17-1.

 

  
Courageous Lake ProjectPage 214
Pre-feasibility Study and Preliminary Economic Assessment NI 43-101 Technical ReportJanuary 5, 2024
  

  

 

Figure 17-1:Process Flowsheet

 

 

Source: Ausenco, 2023.

 

  
Courageous Lake ProjectPage 215
Pre-feasibility Study and Preliminary Economic Assessment NI 43-101 Technical ReportJanuary 5, 2024
  

  

 

Figure 17-2:Overall Process Plant Layout

 

 

Source: Ausenco, 2023.

 

  
Courageous Lake ProjectPage 216
Pre-feasibility Study and Preliminary Economic Assessment NI 43-101 Technical ReportJanuary 5, 2024
  

  

 

17.3Plant Design

 

17.3.1Crushing and Stockpiling

 

17.3.1.1Primary Crushing

 

Run-of-mine material is hauled from the mine and stockpiled or directly tipped into the run-of-mine feed hopper. Material from the hopper is discharged by gravity to a vibrating grizzly screen where oversize is discharged into the primary jaw crusher. This oversize material is crushed, a modular rock breaker is included to manage large rocks that may exceed the crusher cavity size. The primary crusher is designed to reduce material size to an 80% passing product size (P80) of 94 mm. A magnet is installed to remove any foreign metallic bodies from the crushed material prior to feeding it to the secondary screen. The primary crushing circuit has 60% operating availability and the design capacity of 481 t/h.

 

Major equipment in this area includes the following:

 

ROM hopper

 

vibrating grizzly feeder

 

rock breaker

 

primary jaw crusher (110 kW)

 

secondary screen feed conveyor.

 

17.3.1.2Secondary and Tertiary Crushing

 

The primary crusher discharge and vibrating grizzly undersize is transferred to the secondary screen by the crusher discharge conveyor. The conveyor is equipped with a belt magnet as well as a metal detector to remove any remaining metallic foreign bodies from the material. Screen oversize material is gravity fed into the secondary cone crusher. Crusher discharge and secondary screen undersize is conveyed to the tertiary screen.

 

Both secondary and tertiary crushers are located in the same building for optimal site layout and efficient performance of dust collection system. Tertiary crusher discharge combined with secondary screen undersize material and secondary crusher product is transferred to the tertiary screen by the same conveyor. Oversize from the tertiary screen is conveyed to the tertiary crusher surge bin which ensures the crusher is choke fed. Material that passes through the tertiary screen discharges onto the fine ore transfer conveyor which will deliver material to the stockpile. The material crushed by the tertiary crusher is reduced to an 80% passing product size (P80) of 9 mm at the screen undersize.

 

Major equipment in this area includes the following:

 

secondary screen (2 decks)

 

secondary cone crusher (335 kW)

 

  
Courageous Lake ProjectPage 217
Pre-feasibility Study and Preliminary Economic Assessment NI 43-101 Technical ReportJanuary 5, 2024
  

  

 

tertiary screen (2 decks)

 

tertiary crusher surge bin

 

tertiary cone crusher (480 kW)

 

crusher discharge conveyor

 

fine material transfer conveyor

 

fine material stockpile (12 hour live capacity).

 

17.3.2Primary Grinding and Classification

 

Reclaim belt feeder transfers fine material from the stockpile onto the ball mill feed conveyor which feeds the ball mill. The grinding circuit is designed for an annual operating time of 7,884 h or 90% availability and a nominal throughput of 347 t/h. The circuit is sized based on a grinding circuit feed size (F80) of 9 mm and a circuit product size (P80) of 106 µm. Process water is added to the ball mill feed to maintain the mill discharge slurry density at 70% solids.

 

The ball mill product slurry will discharge onto a rubber-lined trommel screen, and the oversize is screened out and discharged to a scats bin, whereas the trommel undersize flows by gravity into the cyclone feed pumpbox, where the material is pumped to the cyclone cluster. Promoter and copper sulphate are added to the cyclone feed pumpbox to activate gold-bearing sulphides for downstream flotation. Cyclone overflow at a nominal solids content of 35% w/w reports to the flotation circuit.

 

To feed the ball mill grinding media, FELs feed balls from a storage bunker to charging kibbles. Each kibble opens into feed bins. Mobile feeders receive the grinding media from the openings at the bottom of the ball feed bins and transfer the balls into the ball mill feed box.

 

Major equipment in this area includes the following:

 

ball mill feed conveyor

 

ball mill (6.5 MW)

 

primary cyclone cluster.

 

The grinding, flotation, and concentrate pre-acidulation circuits are depicted in Figure 17-3.

 

  
Courageous Lake ProjectPage 218
Pre-feasibility Study and Preliminary Economic Assessment NI 43-101 Technical ReportJanuary 5, 2024
  

  

 

Figure 17-3:Grinding, Flotation and Concentrate Pre-acidulation Area Layout

 

 

Source: Ausenco, 2023.

 

17.3.3Flotation

 

17.3.3.1Rougher Flotation

 

The overflow from the primary cyclone reports to the rougher cell feed box. In this circuit, various reagents are employed to enhance the selectivity of the flotation process. Flotation reagents used in the rougher circuit will include potassium amyl xanthate (PAX), copper sulphate (CuSO4), and methyl isobutyl carbinol (MIBC).

 

Process water is sprayed to launder to maintain a pulp density of 25% w/w and low-pressure air is sparged into each cell to initiate bubble formation required for flotation. The rougher concentrate is collected from each rougher cell and pumped to cleaner flotation, while rougher tailings flow into final tailings pumpbox and combine with cleaner tailings. Combined flotation tailings will be thickened to 65% solids in the high-rate thickener. Portion of the flotation thickener underflow will be used for neutralizing the acidic solution generated from the POX process. The rest of the underflow slurry will combine with POX Solution Neutralization Thickener underflow prior to being discharged to the CPSF.

 

  
Courageous Lake ProjectPage 219
Pre-feasibility Study and Preliminary Economic Assessment NI 43-101 Technical ReportJanuary 5, 2024
  

  

 

Major equipment in this area includes the following:

 

five rougher flotation cells (58 m3 each)

 

flotation tailings thickener.

 

17.3.3.2Cleaner Flotation and Regrind

 

The rougher flotation concentrate will be further upgraded in cleaner flotation circuit. The first cell of the circuit is dosed with PAX and MIBC to promote concentrate recovery. The cleaner concentrate at 25% w/w solids gravitates into concentrate pumpbox and is pumped to regrind cyclone cluster. The regrind circuit consists of a cyclone cluster and a regrind ball mill operating in closed circuit. The overflow target product size is 43 µm. The cyclone overflow reports to the pre-acidulation thickener, while the underflow flows back to the regrind mill.

 

Major equipment in this area includes the following:

 

four cleaner flotation cells (12 m3 each)

 

regrind ball mill (100 kW)

 

regrind cyclone cluster.

 

17.3.4Concentrate Acidulation

 

Pre-acidulation thickener underflow slurry, at 50% w/w solids, is pumped to two agitated acidulation tanks operating at 50°C. The concentrate will be contacted with a portion of the acidic POX CCD overflow solution and fresh sulfuric acid solution. Sulfuric acid reacts with the carbonates to form gypsum and carbon dioxide which reduces the generation of carbon dioxide in the autoclaves and thereby improves the utilization of oxygen. The acidulated slurry is pumped to pre-oxidation thickener where it is thickened to 50% w/w solids prior to pressure oxidation stage.

 

Major equipment in this area includes the following:

 

pre-acidulation thickener

 

two acidulation tanks

 

pre-oxidation thickener.

 

17.3.5Pressure oxidation (POX)

 

The autoclave vessel consists of four compartments and five agitators and is operated at overall pressure of 2,150 kPa and 200°C. Oxygen is supplied via sparging system at partial pressure of 690 kPa. The oxidation of sulphides in the slurry occurs autogenously once started and water is added to autoclave as required to control the reaction temperature. The autoclave vessel is designed to provide residence time of 90 minutes. The oxidized slurry and the vent gases discharge into a flash vessel where water is flashed to steam as the pressure is reduced to atmospheric. The flash vessel is equipped with a gas scrubber to control steam and acidic emissions. The flash vessel slurry is sent to the POX CCD to wash the acid out of the solids.

 

Major equipment in this area includes the following:

 

an autoclave feed tank

 

horizontal autoclave vessel

 

  
Courageous Lake ProjectPage 220
Pre-feasibility Study and Preliminary Economic Assessment NI 43-101 Technical ReportJanuary 5, 2024
  

  

 

flash vessel

 

gas scrubber.

 

17.3.6POX Counter Current Decantation (CCD)

 

Oxidized slurry passes through a three-stage CCD circuit, where gold containing solids are washed with process water to reduce slurry acidity. The washing ratio of the washing solution to feed solids is 3:1. A portion of the acidic solution from the thickener overflow will be recycled to the pre-acidulation circuit, while the rest of the solution from the POX CCD overflow will be sent to an acidic solution neutralization circuit. Solids are pumped to the POX solids neutralization circuit.

 

Major equipment in this area includes 3 CCD thickeners.

 

17.3.7POX Acidic Solution Neutralization

 

Remaining portion of the acidic wash water from POX CCD circuit will be neutralized in 4 neutralization tanks with lime and a fraction of flotation tailings acting as neutralizing agents. The neutralization tanks are sized to provide residence time of 80 minutes. The treated slurry with target pH of 8.5 will be thickened to 35% w/w and pumped to flotation tailings pumpbox for discharge to the leach residue tailings facility (LRTF).

 

Major equipment in this area includes 4 tanks with agitators and sparging system.

 

17.3.8POX Solids Neutralization

 

The underflow of the third stage of the CCD circuit will be pumped to an agitated tank where lime will be added to neutralize the slurry and increase the slurry pH to 10.5-11 prior to leaching stage. The neutralization tanks are sized to provide 4 hours of residence time at design flowrate.

 

Major equipment in this area includes 2 tanks with agitators and air sparging system.

 

17.3.9Cyanide Leach

 

Neutralized slurry is pumped into the agitated leaching tanks at 40% solids. Oxygen is sparged to each tank to maintain dissolved oxygen levels of 20 ppm. Hydrated lime is added to maintain pH to the desired set point. Cyanide solution is added to the leach tank. The leach circuit consists of three agitated tanks providing total residence time of 12 hours. The leached slurry from the last leaching tank will be washed using a CCD washing system and the pregnant solution will be treated using a Merrill-Crowe process.

 

Major equipment in this area includes 3 leach tanks with agitators and air sparging system.

 

  
Courageous Lake ProjectPage 221
Pre-feasibility Study and Preliminary Economic Assessment NI 43-101 Technical ReportJanuary 5, 2024
  

  

 

17.3.10Counter Current Decantation (CCD)

 

A 6 stage CCD thickener washing circuit will be used to recover soluble precious metals from the leach slurry. The underflow of the last CCD thickener will be pumped to a cyanide destruction circuit prior to disposal. The overflow from the last CCD thickener will flow in a counter current mode to the preceding thickener. The barren solution from the Merrill-Crowe circuit and fresh water will be used as a washing solution. The overflow from the first CCD thickener to a clarifier reduced the total suspended solids prior to collection in the pregnant solution tank. The pregnant solution tank was sized accordingly to store the pregnant solution prior to polish filtration stage. The washing ratio, washing solution tonnage to feed solids tonnage, is 5:1 in order to achieve an overall CCD washing performance efficiency of higher than 99%.

 

Major equipment in this area includes the following:

 

six CCD thickeners

 

clarifier

 

pregnant solution tank.

 

Figure 17-4:Concentrate Acidulation, POX, and CCD

 

 

Source: Ausenco, 2023.

 

  
Courageous Lake ProjectPage 222
Pre-feasibility Study and Preliminary Economic Assessment NI 43-101 Technical ReportJanuary 5, 2024
  

  

 

17.3.11Merrill-Crowe Precipitation Circuit

 

The pregnant solution from the CCD washing circuit will be treated using the Merrill-Crowe process to recover the contained precious metals by zinc-dust cementation. The barren solution will then be reused in the CCD washing circuit as a washing solution.

 

The pregnant solution from the first CCD thickener will be discharged to the pregnant solution tank. The pregnant solution will then be pumped to a leaf clarifier filter pre-coated by a diatomaceous earth filter aid to remove suspended solids. The clarified solution will be pumped to the de-aeration tower where the solution will be deoxygenated. The discharge from the de-aeration tower will be mixed with a slurry of zinc dust, lead nitrate, and cyanide in the precipitate mixing tank where the precipitation reactions occur. The slurry with the gold and silver precipitates will be pumped through a pre-coated filter press where the gold and silver precipitates, together with other solids, will be removed. The barren solution will be reused as the washing water for the CCD washing circuit and as makeup water for cyanide leaching circuit and grinding circuit.

 

The precipitation efficiency is estimated to be higher than 99% for both the metals. A filter aid will be required for both the clarification filter and the precipitate filter press. A small amount of lead nitrate will be also added to improve the precipitation efficiency.

 

Major equipment in this area includes the following:

 

2 clarification filters (1 standby)

 

2 de-aeration towers (1 standby)

 

zinc mixing and addition system

 

2 precipitation filters (2 standby).

 

The Merril-Crowe and refining circuit area is depicted Figure 17-5.

 

  
Courageous Lake ProjectPage 223
Pre-feasibility Study and Preliminary Economic Assessment NI 43-101 Technical ReportJanuary 5, 2024
  

  

 

Figure 17-5:Merril-Crowe and Refining Circuit Area Layout

 

 

 

Source: Ausenco, 2023.

 

17.3.12Refining Circuit

 

Gold and silver precipitates from the Merrill-Crowe circuit will be further treated by smelting into gold-silver doré bars. The refining process will be performed in a batch mode. The circuit will be in a secure enclosed area with CCTV cameras and restricted access. Gold-silver doré products will be stored in a dedicated safe in the gold room.

 

Sufficient ventilation and off-gas handling will be provided in the gold room for a healthy work environment. Fume and dust exposure for the melting furnace and material handling will be controlled through a ventilation system installed in the gold room, including hoods, enclosures and wall fans to follow the local regulations/guidelines.

 

drying oven

 

induction furnace

 

  
Courageous Lake ProjectPage 224
Pre-feasibility Study and Preliminary Economic Assessment NI 43-101 Technical ReportJanuary 5, 2024
  

  

 

flux mixing system

 

gold-silver doré safe

 

associated material handling and other systems (molds, dryers, scales, dust collection system).

 

17.3.13Cyanide Destruction and Neutralized Tailings Disposal

 

Cyanide detoxification will take place using the SO2/air process. In this process sodium metabisulphite will be used as the SO2 source, copper sulphate is used as a catalyst and lime is used to maintain the pH of the reaction. The washed leach residue slurry from the CCD washing circuit will be treated in the cyanide detoxification circuit consisting of two tanks in parallel that were sized for a total residence time of 90 minutes. The cyanide destruction tanks are agitated and sparged with oxygen. This process will reduce the WAD cyanide in the tailings to less than 25 mg/L before being discharged to the Leach Residue Tailings Facility (LRTF).

 

17.4Reagent Handling and Storage

 

All the reagents that will be transported to the site via the winter road during February and March each year. On-site storage will be provided for 12 months. Annual reagent consumption rates are summarized in the Table 17-2.

 

17.4.1Lime

 

Quicklime is received on site as a coarse powder in bulk bags. The bags will be dropped into a bin with a bag splitter and metered to a slaking mill as required. The mixed lime is placed in a storage tank with a 24-hour residence time and distributed to the process as required through distribution pumps operating on a ring main.

 

17.4.2Activators

 

Copper sulphate is received on site as a dry powder in bulk bags. The bags are emptied into a mixing tank and mixed to produce a solution at 15% w/w concentration. The mixed reagent is then transferred to a storage tank providing a residence time of 24 hours. The reagent is then dosed to the grinding and detoxification circuits by dosing pumps.

 

17.4.3Collectors

 

PAX collector is delivered to site as granulated solids in bulk bags. The bulk bags are lifted using a frame and hoist onto a bag-breaker at the top of an agitated mixing tank. A dust collector removes any fine particulates that become airborne after emptying the bag. After opening the bag, the reagent is mixed with raw water from distribution and transferred to a day-tank with a storage capacity of 24 hours. The mixing tank is ventilated using a fan to remove any carbon disulphide gas. PAX is delivered to the flotation circuit using multiple dosing pumps, one for each stage in the circuit.

 

17.4.4Promoter

 

Aero 208 is delivered on site as a liquid in 1,000 kg intermediate bulk containers (IBCs). Dosing pumps deliver the reagents without dilution to the required locations within the flotation circuits.

 

  
Courageous Lake ProjectPage 225
Pre-feasibility Study and Preliminary Economic Assessment NI 43-101 Technical ReportJanuary 5, 2024
  

  

 

17.4.5Frother

 

MIBC frother is delivered to the site as a liquid in 1000 L totes or intermediate bulk containers (IBCs). It is stored in a tank and used without dilution. Various dosing pumps deliver it to the various flotation areas.

 

17.4.6Flocculant

 

Flocculant is received on site as a dry powder in bulk bags. The bags are lifted using a frame and hoist to a bag-breaker on top of a flocculant bin. A dust collector removes fine particles and dust from the air from the opening of the bag. A screw feeder moves the flocculant to a heated hopper and a blower moves the material into an agitated mixing tank. Raw water is used to mix with the flocculant to create a slurry. A flocculant transfer pump moves the flocculant mixture into a storage day-tank with a capacity of 24 hours. Various dosing pumps supply each of the thickeners with flocculant mixture. Prior to entering each thickener feed box, process water is used to mix with the slurry inside an inline mixer.

 

17.4.7Sodium Cyanide

 

Sodium cyanide is delivered to site as powder in bulk bags. A bag splitter fitted with dust extraction will directly connect to the heated sodium cyanide mixing tank. A dust collector removes fine particles and dust released in the area. A transfer pump moves the cyanide solution to a storage day-tank with a capacity of 24 hours. Solution will be pumped to leach tanks. An HCN gas detector and alarm system is included in the sodium cyanide reagent area to alert operators to the presence of toxic hydrogen cyanide gas. The sodium cyanide area is located adjacent or inside the alkaline reagent area for easy access to alkaline pH modifiers.

 

17.4.8Sodium Metabisulphite

 

Sodium metabisulphite (SMBS) is used in the cyanide detoxification circuit. It is delivered to site as a powder in bulk bags. The bag is lifted into a bag splitter by a frame and a hoist. A dust collector removes fine particles and dust from the air. The SMBS enters an agitated mixing tank with raw water to dissolve the powder and create a solution. The reagent is supplied to the cyanide detoxification circuit by the dosing pump.

 

17.4.9Sulfuric Acid

 

Sulfuric acid is used in the acidulation circuit. It is delivered to site as liquid in intermediate bulk containers (IBCs). Sulfuric acid solution will be supplied to acidulation tanks by dosing pumps.

 

17.4.10Zinc Powder

 

Zinc powder acts as a precipitation reagent. It is delivered to site as powder in bulk bags and dosed to Merrill-Crowe circuit.

 

17.4.11Lead Nitrate

 

Lead Nitrate acts as a co-precipitation agent in Merrill-Crowe circuit. It is received as powder in bulk bags, mixed to 20% strength; transferred to a storage tank and dosed to Merrill-Crowe circuit.

 

  
Courageous Lake ProjectPage 226
Pre-feasibility Study and Preliminary Economic Assessment NI 43-101 Technical ReportJanuary 5, 2024
  

  

 

17.4.12Diatomaceous Earth

 

Diatomaceous Earth is a pre-coat agent in the Merrill-Crowe process. It is received as powder in bulk bags and dosed to pre-coat feed tank in the Merrill-Crowe circuit.

 

17.4.13Oxygen

 

Oxygen required for pressure oxidation in autoclave, leaching and cyanide destruction will be generated on site in a vacuum swing adsorption plant.

 

Table 17-2:Reagents Consumption

 

Item Unit Value
Diatomaceous Earth t/a 20
Lime (quicklime) t/a 6,543
Sodium Cyanide t/a 63
Sulfuric Acid t/a 1
Flocculant t/a 103
MIBC t/a 29
PAX t/a 65
R208 t/a 20
CuSO4 t/a 274
Fluorspar t/a 5
Borax t/a 9
Silica t/a 5
Nitre t/a 1
SMBS t/a 640
Zinc Dust t/a 14
Lead Nitrate t/a 3
Grinding Media t/a 2,466
Diesel Engine Oil (15W-40) t/a 1,299

 

Source: Ausenco, 2023.

 

17.5Plant Services

 

17.5.1Process Water

 

Process water is recovered from co-placement storage facility into the process water tank with live capacity of one hour. Process water is distributed around the plant from the process water tank. The POX circuit has a dedicated water circuit which is used for POX CCD wash water. Makeup water required for the process water circuits is 207 m3/h. This will be sourced from a combination of tailings return water, water treatment plant product, and raw water.

 

  
Courageous Lake ProjectPage 227
Pre-feasibility Study and Preliminary Economic Assessment NI 43-101 Technical ReportJanuary 5, 2024
  

  

 

17.5.2Raw Water

 

Raw water will be pumped from the Courageous Lake into the raw water tank with a live capacity of 12 hours. Raw water is distributed by pumps for various application points, including reagent preparation, gland seal, autoclave cooling and general mill makeup water supply. Plant raw water demand is estimated to be 40 m3/h.

 

17.5.3Potable Water

 

Potable water is produced by an on-site potable water plant which processes water from the raw water tank and makes it fit for consumption and human use. Potable water is stored in a tank with live capacity of 48 hours and for distribution across the processing plant.

 

17.5.4Power

 

The total installed power for the process plant and estimated power consumption is given in Table 17-3. Further discussion on the operating costs and power consumption for each area of the process plant is given in Section 18. The total estimated power requirement for the process plant is 96,760 MWh/a.

 

Table 17-3:Process Plant Power Requirements

 

Area Installed Power (kW) Operating Load (kW) Operating Power (MWh/a)
Crushing and reclaim 1,643 1,242 7,072
Grinding and classification 6,920 6,380 53,096
Flotation and regrind 649 528 4,394
POX circuit 1,237 927 7,719
Leaching and Merrill-Crowe 510 297 2,468
Cyanide detox and tailings pump 497 421 3,504
Reagent and utilities systems 3,105 2,139 17,800
Tailings Disposal 101 84 702
Total 14,662 12,020 96,760

 

Source: Ausenco, 2023.

 

  
Courageous Lake ProjectPage 228
Pre-feasibility Study and Preliminary Economic Assessment NI 43-101 Technical ReportJanuary 5, 2024
  

  

 

18PROJECT INFRASTRUCTURE

 

18.1Introduction

 

This greenfield project site will include the following facilities:

 

Mining facilities, including the mine office and dry, truck shop, tire change facility, truck wash, explosives storage and manufacturing facility, diesel fuel storage and distribution, and ore stockpile.

 

Processing facilities, including the primary, secondary and tertiary crushing, fine ore stockpile and reclaim conveyors, process plant, office and laboratory, plant maintenance building.

 

Mine waste and water management infrastructure, including waste and tailings storage facility, tailings distribution system, water reclaim system, downstream water management ponds, and overburden stockpiles.

 

Mine water treatment plant, discharge pipeline and diffuser.

 

An aerodrome, plant site roads and haul roads.

 

General facilities, including the camp, gatehouse, emergency response/ambulance bay, car wash, warehouse, reagent cold storage, administration building, communications, emergency power diesel storage, raw, process and potable water storage and distribution, power plant, site sewage system, and solid waste treatment.

 

The locations of the site facilities were based on the following criteria:

 

Locate the facilities within the claim boundaries.

 

Leverage topographic advantages for all facilities to optimize construction costs.

 

Locate waste rock storage facilities near the mine pits to reduce haul distance.

 

Locate the process plant, and tailings storage facilities within a single catchment area with the mine to reduce the mine site footprint area.

 

Locate the process plant to take advantage of natural topography and avoid watercourses.

 

Locate the primary crushing and ROM pad between the open pit and the process plant to reduce hauling.

 

The tailings facilities location was selected based on currently available technical and environmental criteria. Early engagement with local communities and Indigenous Rightsholders is ongoing and will continue to inform tailings facility siting assessments.

 

The overall site layout is shown in Figure 18-1.

 

  
Courageous Lake ProjectPage 229
Pre-feasibility Study and Preliminary Economic Assessment NI 43-101 Technical ReportJanuary 5, 2024
  

  

 

Figure 18-1:Courageous Lake Project Layout Plan

 

  

Source: Ausenco, 2023.

 

  
Courageous Lake ProjectPage 230
Pre-feasibility Study and Preliminary Economic Assessment NI 43-101 Technical ReportJanuary 5, 2024
  

  

 

18.2Site Preparation

 

Scrub brush clearing and topsoil removal are expected to be required to allow construction of the processing plant and other buildings and facilities. Site civil work includes design for the following infrastructure:

 

light vehicle and heavy equipment roads;

 

access roads;

 

ore and organic stockpiles;

 

mine facility platforms and process facility platforms;

 

water management ponds and ditches and channels; and

 

waste rock and tailings area.

 

18.3Site Access

 

18.3.1Courageous Lake Mine Spur Winter Road & Tibbitt to Contwoyto Winter Road

 

The project site will be accessible by the Courageous Lake Mine Spur Winter Road (CLWR), connecting to the Tibbitt to Contwoyto Winter Road (TCWR) that is normally open from late January/early February until the end of March of each year. Table 18-1 shows historic TCWR opening and closing dates with open duration and this data is further depicted in Figure 18-2.

 

Although access to the Courageous Lake Project is based on the operation of the TCWR winter access road, the Government of the Northwest Territories (GNWT) is currently engaged in evaluating and preparing regulatory applications for the first segment of a potential all-season road (Slave Geological Province Corridor Project), from Yellowknife to Lockhart Lake Winter Road Camp, that would replace the winter road. This potential all-season road segment, should it be constructed, would improve access and reduce capital and operating costs for the Courageous Lake Project.

 

  
Courageous Lake ProjectPage 231
Pre-feasibility Study and Preliminary Economic Assessment NI 43-101 Technical ReportJanuary 5, 2024
  

  

 

Table 18-1:TCWR Historic Opening and Closing Dates

  

Period Date Date days open Period Date Date days open
open close open close
1983/84 17-Feb 14-Apr 56 2003/04 28-Jan 31-Mar 62
1984/85 30-Jan 08-Apr 68 2004/05 26-Jan 05-Apr 69
1985/86 22-Jan 07-Apr 75 2005/06 05-Feb 26-Mar 49
1986/87 14-Jan 01-Apr 77 2006/07 28-Jan 08-Apr 70
1987/88 N/A N/A - 2007/08 28-Jan 07-Apr 69
1988/89 12-Feb 09-Apr 56 2008/09 01-Feb 25-Mar 52
1989/90 14-Feb 07-Apr 52 2009/10 04-Feb 21-Mar 45
1990/91 01-Feb 22-Mar 49 2010/11 28-Jan 31-Mar 62
1991/92 23-Jan 13-Mar 49 2011/12 01-Feb 28-Mar 56
1992/93 28-Jan 22-Mar 53 2012/13 30-Jan 31-Mar 60
1993/94 03-Feb 01-Apr 57 2013/14 30-Jan 01-Apr 61
1994/95 18-Jan 03-Apr 75 2014/15 30-Jan 31-Mar 60
1995/96 25-Jan 13-Apr 78 2015/16 09-Feb 24-Mar 44
1996/97 28-Jan 12-Apr 74 2016/17 01-Feb 29-Mar 56
1997/98 19-Jan 04-Apr 75 2017/18 30-Jan 01-Apr 61
1998/99 01-Feb 30-Mar 57 2018/19 30-Jan 29-Mar 58
1999/00 28-Jan 03-Apr 65 2019/20 31-Jan 30-Mar 59
2000/01 01-Feb 13-Apr 71 2020/21 08-Feb 31-Mar 51
2001/02 26-Jan 16-Apr 80 2021/22 N/A N/A -
2002/03 01-Feb 02-Apr 60 2022/23 N/A N/A -

 

Note: N/A = data not available

 

The CLWR is accessed from the TCWR and is estimated to be 26 km in length with 7 km on land (with small lakes interspersed) and 19 km on the larger Mackay Lake. From the CLWR intersection to the TCWR it is 76 km to the Lockhart Lake maintenance camp. The Lockhart Lake maintenance camp is at station 170 km from the TCWR start at Tibbitt Lake.

 

  
Courageous Lake ProjectPage 232
Pre-feasibility Study and Preliminary Economic Assessment NI 43-101 Technical ReportJanuary 5, 2024
  

  

 

Figure 18-2:TCWR Map

 

 

Source: Ausenco, 2023.

 

  
Courageous Lake ProjectPage 233
Pre-feasibility Study and Preliminary Economic Assessment NI 43-101 Technical ReportJanuary 5, 2024
  

  

 

Figure 18-3:Courageous Lake Project Winter Spur Road

 

 

 

Source: Google Maps, 2023.

 

The logistics plan for the Courageous Lake Project will depend on the maximum gross vehicle weight (GVW) allowed on the TCWR and on the spur road. From past projects on the TCWR a typical maximum GVW of 77 t has been allowed. Loads above the standard ice road allowance in some cases will require that an engineering design be prepared and submitted to the TCWR managers for the safe operation of the load on the TCWR. A 77 t GVW load would typically have a tractor/trailer tare weight of 25 t and a payload of 52 t. When the GVW was more than 60 tonnes typically a tractor/trailer combination of 9 to 10 axles was required.

 

Using a 77 t GVW on a 9-axle bogie and trailer layout, the required ice thickness is likely to be in the range of 102 to 109 cm. This ice thickness is for a travelling load, not a parked load. This layout will likely require a Special Permit to travel on public roads. The exact required ice thickness can be determined once the footprint details of the tractor/trailer combination are specified.

 

  
Courageous Lake ProjectPage 234
Pre-feasibility Study and Preliminary Economic Assessment NI 43-101 Technical ReportJanuary 5, 2024
  

  

 

From TCWR operation reports for the TCWR from 1997/1998 to 2022/2023 (25 most recent winter seasons) there were three winter seasons with difficult construction and load hauling operations. In the 2005/2006 winter season full super B loads (which require 104 cm ice thickness on the TCWR) and other heavy loads could not be transported on the TCWR (1 in 25 occurrence or 4%) due to a warm winter weather with lower freezing degree day (FDD) values with resulting insufficient ice thickness. In the1998/1999 and 2009/2010 winter season warm winter season weather also hampered the operation of the Super B trucks (2 in 25 occurrence or 8%). Total problem-year occurrence over this most recent 25-year period is therefore 3 in 25 or 12 %.

 

For the TCWR with operation mostly on lake ice the effects of global warming over the planned mine operation period are noted. From the same TCWR operation reports it was noted that with the most recent construction methods that the 104cm thickness for Super B train operation was being achieved at a Yellowknife FDD of 2200 C-days as shown in the Yellowknife FDD Figure 18-4 by the blue graph line.

 

Figure 18-4:Yellowknife FDD on March 31 and when Super B capacity of 63.5 tonnes (100%) at 104 cm on TCWR and FDD where 109 cm expected

 

 

 

Source: Ausenco, 2023.

 

The Yellowknife FDD has decreased by an average of 5.1 C-days per year from linear regression from the 1985/1986 to 2022/2023 winter season. This decreasing FDD trend is expected to continue into the Courageous Lake Project operation period and as a result the 12% TCWR operation problem- year occurrence will continue as a minimum expectation. Figure 18-5 shows that the TCWR open duration is decreasing by 0.43 day per year by linear regression over the period 2003/2004 to 2020/2021.

 

  
Courageous Lake ProjectPage 235
Pre-feasibility Study and Preliminary Economic Assessment NI 43-101 Technical ReportJanuary 5, 2024
  

  

 

Figure 18-5:TCWR Historic Opening and Closing Dates with Open Duration

 

 

Source: Ausenco, 2023.

 

18.3.1.1.1Proposed All-Season Road to the Lockhart Maintenance Camp

 

The long-range plan for the Slave Geologic region (north of Great Slave Lake) is in the early stages of planning a two lane all-season road into this region. The following points highlight this plan:

 

Two-lane gravel infrastructure corridor into the 213,000 km2 Slave Geological Province.

 

413 km in length.

 

Current focus: 179 km Lockhart All-Season Road.

 

The Government of the Northwest Territories (GNWT) priority focus at the moment is to advance regulatory applications for the first segment of the corridor - the Lockhart All-Season Road from Tibbitt Lake to Lockhart Lake.

 

$40 M has been secured for environmental planning and engineering studies - $30 M is from Transport Canada's National Trade Corridors Fund and the GNWT will fund the remaining $10 M.

 

On February 16, 2023 a workshop was held in Yellowknife on development of access to the Slave Geological Province.

 

  
Courageous Lake ProjectPage 236
Pre-feasibility Study and Preliminary Economic Assessment NI 43-101 Technical ReportJanuary 5, 2024
  

  

 

Even with the completion of this 179 km all-season road to Lockhart Lake camp there still is a further 76 km to the TCWR and CLWR intersection. This 76 km section is mostly on lake ice on Lockhart Lake and MacKay Lake. Even with the all-season road to Lockhart Lake the truck loads to the Courageous Lake Project will still need to operate following an ice engineering design for safe operation.

 

18.3.2Highway 3

 

The maximum winter GVW load is 71.3 t with the required number of axles. The NWT highways permit department likely would allow a 77 t GVW load on public highways with required permit application.

 

Road access to Yellowknife from Edmonton or Enterprise, the closest rail hub, is Highway 3 which passes over the Deh Cho bridge over the Mackenzie River. Review of a design brief (EA-003 Deh Cho Bridge Corporation) for the bridge indicates a design live load of 750 kN or 76.5 t which is in line with the suggested maximum load of 77 t GVW. In the first week of August, 2023 one of the support cables on the bridge broke. After this cable break a reduced speed limit and vehicle weight allowance was in effect until assessment and repair work was carried out.

 

Figure 18-6:Map of Road Access to Yellowknife

 

 

Source: Google Earth, 2023.

 

  
Courageous Lake ProjectPage 237
Pre-feasibility Study and Preliminary Economic Assessment NI 43-101 Technical ReportJanuary 5, 2024
  

  

 

18.3.3Airstrip

 

The aerodrome, located southeast of the Project site, is published in the Canada Flight Supplement (CFS) as “Tundra Mine/Salmita Mine Aerodrome CTM7” (Aerodrome). The aerodrome has runway (12T-30T) that is currently listed as 3,244 ft (989 m) in length. A site visit in 2010 however, indicated that the runway has a useable length of approximately 4,396 ft (1,340 m), although the surface condition along the length has not been assessed for the purpose of this Technical Report.

 

Runway length and width requirements for typical aircraft operating at the aerodrome are provided in Table 18-2.

 

Table 18-2:Courageous Lake Aerodome Runway Length and Width Requirements

 

Aircraft Type Runway Length Required Runway Width Required
ATR-42 1,433 m (4,700 ft) 30 m (100 ft)
Dash 8-300 1,494 m (4,900 ft) 30 m (100 ft)
ATR-72 1,677 m (5,500 ft) 30 m (100 ft)
Dash 8 Q-400 1,646 m (5,400 ft) 45 m (150 ft)*
Avro RJ-85 1,768 m (5,800 ft) 30 m (100 ft)

 

Notes:

 

1.737-200 has not been included, with the likely retirement of the aircraft within the next few years.

 

2.The Dash 8 Q-400 has an Outside Main Gear Span wider than 9 m and therefore the standard states it requires a 45 m wide runway. DeHavilland’s operating manual allows operations on a 30m wide runway.

  

3.The above runway lengths are calculated from Federal Aviation Administration (FAA) information and aircraft manual data for Maximum Take-Off Weight (MTOW) at the aerodrome reference temperature and calm winds. Runway lengths vary depending on aerodrome elevation, aircraft load (including fuel), ambient air temperature among other requirements. This also includes air service provider safety requirements. Temperature, snow, ice, and prevailing wind direction are all variables that can impact take-off and landing requirements.

 

The distances in the above table are likely conservative and should be re-evaluated by the air service provider prior to Feasibility Study and final design. The runway will be designed to a length of 1,768 m (5,800 ft). Although the regulation allows a runway width of 30 m for most aircrafts, Tetra Tech recommends a minimum runway width of 45 m for gravel surfaces due to more lateral movement of the aircraft on gravel/compacted snow surfaces and fewer visual cues locating the runway centerline and touchdown zones in snow or compacted snow conditions.

 

A gravel runway is essentially a flexible pavement, with a surface course of unbound granular material. Performance data based on a hard, smooth, and dry runway is usually not valid when applied to a gravel runway.

 

The gravel pavement structure was determined based on the Aircraft Load Ratings (ALR) and runway surface performance characteristics normally prescribed by the aircraft manufacturers. Gravel runway strength is graded according to the California Bearing Ratio (CBR). The CBR is expressed in terms of the percentage of the bearing capacity of a standard crushed limestone surface. As an example, a CBR of 15 means that the material in question offers 15% of the resistance to penetration that the standard crushed stone offers. The underlying structure is designed to support the surface material.

 

Table 18-3 shows the ALR requirements for the design aircraft type, and others for comparison.

 

  
Courageous Lake ProjectPage 238
Pre-feasibility Study and Preliminary Economic Assessment NI 43-101 Technical ReportJanuary 5, 2024
  

  

 

Table 18-3:ALR Requirements for The Design Aircraft Type, and Others for Comparison

 

Aircraft Type Maximum ALR
Avro RJ-85 7.9
Dash 8 Q-400 6.4
ATR-72 5.6
ATR-42 4.9
Dash 8-300 4.8
Lockheed C-130 9.1

 

The gravel pavement structure thickness is designed to prevent deterioration of the underlying permafrost while providing the required strength for the design aircraft.

 

The major airstrip design criteria are as follows:

 

Runway – The design for the gravel surfaced runway provides for a 1,768 m (5,600 ft) long and 45 m (150 ft) wide runway.

 

Taxiway – This design also includes a 23 m wide gravel surfaced taxiway, complete with 7.5 m wide graded shoulders, connecting to the apron. The taxiway will include edge lighting and guidance signage.

 

Apron – The gravel surfaced apron dimensions will allow for parking and maneuvering for two design aircrafts. Fuel spills and glycol overspray will be collected in a lined sump off the edge of the apron and disposed of at a suitable location.

 

General – The aerodrome will provide all-weather service and also includes the Air Terminal Building (ATB), Field Electrical Centre (FEC), and a standby generator. Tetra Tech is proposing quarrying the material from the inferred bedrock at the southeast end of the runway (the suitability of the quarry is yet to be confirmed by a geotechnical investigation).

 

The site will not be stripped or grubbed to provide the runway extension, taxiway, or apron. The total pavement structure for the extension areas will be a minimum of 2.0 m thick to protect the permafrost (there is already evidence of ice thaw in response to the removal of the overlying material in the borrow areas surrounding the existing aerodrome). The pavement structure will be constructed primarily from quarried rock and gravel mine waste, assuming a suitable quarry is developed.

 

The runway, taxiway, apron, and ground vehicle parking areas will be top-surfaced with 300 mm of crushed granular base materials. Surface runoff should not be a concern considering the runway is located on an esker (high ground) and is adjacent to Sandy Lake (south) and a low lying area and a lake (north, northeast). Drainage “through” the embankment may be achieved at the runway extensions using a Permeable Embankment (PE) as detailed in the EBA document “Guidelines for Development and Management of Transportation Infrastructure in Permafrost Regions”.

 

Environmental diligence should be taken during construction considering the proximity to the lake; mitigation assessments will likely be required. Silt fences and/or other erosion deterrents will likely be required to mitigate contamination of site surroundings. Several active animal dens were noted during Tetra Tech’s previous site visit.

 

  
Courageous Lake ProjectPage 239
Pre-feasibility Study and Preliminary Economic Assessment NI 43-101 Technical ReportJanuary 5, 2024
  

  

 

It is recommended that a single storey pre-fabricated ATB should be included to provide passenger/cargo shelter. The ATB may have an area for ground vehicle parking associated with it. It has been assumed that potable water/sanitary sewer storage facilities will be included in the cost of the construction of the ATB, and that the supply of water as well as removal of sanitary wastewater will be part of the mine camp operational routine.

 

Fuel facilities have not been included; however, any fuelling of aircraft should be done in an area where a spill can be contained (the de-icing area). Refueling of aircraft is not expected at the Courageous Lake Aerodrome and will likely occur in Yellowknife given the proximity.

 

Further investigation is required for electrical power source; however, it is assumed for the PFS that a power generator equipped with battery bank backup power can be provided to supply the power required at the aerodrome site. An FEC will also be included to house electrical infrastructure related to the ATB and airfield lighting. This structure is typically a self-contained “sea-can” that comes with airfield lighting controls, regulators, and switchgear.

 

The aerodrome lighting system that is recommended to provide visual assistance to pilots operating aircraft to and from the airstrip during periods of darkness and low visibility weather conditions consists of a number of elements. Light Emitting Diodes (LED) lighting for the edge lights, end lights, signage, and floodlights have been included to significantly reduce power consumption and maintenance costs.

 

There are no navigational aids or Instrument Approach Procedures (IAP) noted in the CFS or Canada Air Pilot (CAP) for the aerodrome at present. The aerodrome will require development of Instrument Flight Procedures (IFP) by an IAP design specialist. New GPS procedures will allow the approach limits (Minimum Descent Altitude or MDA) to be as low as 76.5 m (251 ft) above the airstrip elevation (i.e. the Above Aerodrome Elevation or AAE). These are referred to as non-precision limits. The IAPs must be reviewed and approved by Nav Canada and Transport Canada prior to approval and publication. The procedures require aircraft-based equipment only and do not require ground-based (on-airport) equipment other than the provision of altimeter settings by the Automated Weather Observation Systems (AWOS) or ground personnel. IAPs for the Courageous Lake aerodrome will be designed, approved, flight checked, and published in the future by a third party IAP designer. The process may take as long as one to two years to complete.

 

The information related to construction operations, routine airstrip operations, airstrip inspection, ground to air communications, aircraft services, airfield surface maintenance, and emergency response services for the Project are detailed in the Tetra Tech report titled, "Courageous Lake Aerodrome PFS Update” dated October 2023 (Tetra Tech, 2023).

 

18.3.4Plant Site Roads

 

The road connecting the existing airstrip and the project site will be upgraded and on-site service roads will be constructed connecting to the wind power generation towers, ammonium nitrate (AN) prill storage and explosive manufacturing facilities, tailing/residue storage facility, and open pit.

 

The roads within the process plant area will be integrated with process plant pad earthworks and designed with adequate drainage. The typical method of clearing, topsoil removal, and excavation will be employed, incorporating drains, safety bunds and backfilling with granular material and aggregates for road structure. The entrance to the process and mine site will be via the gatehouse.

 

  
Courageous Lake ProjectPage 240
Pre-feasibility Study and Preliminary Economic Assessment NI 43-101 Technical ReportJanuary 5, 2024
  

  

 

18.3.5Security

 

The site will be accessible via the main access winter road from late January/early February until the end of March. Access to the process plant and truck shop area is controlled by a security gatehouse and perimeter fencing.

 

18.3.6Shipping Logistics

 

Gold-silver doré bars will leave site by air in containers, for distribution to overseas markets.

 

18.4Electrical Power System

 

18.4.1Electrical System Demand

 

The estimated plant electrical demand as used in the power supply estimates is as shown below, which is in accordance with the electrical load list (Ausenco, 2023) confirming the annual GWh of energy consumption. The diesel powerplant equipment selection and consequent capital costs is for a minimum sized diesel powerplant to supply a load as defined here:

 

Annual plant energy consumption: 111 GWh.

 

Normal operating load: 13.6 MW.

 

Power factor: 0.87 lagging.

 

The diesel powerplant equipment selection and consequent capital costs is for a minimum sized diesel powerplant to supply a load as defined in the foregoing.

 

18.4.2Facility Power Supply

 

The proposed diesel powerplant will consist of seven modular diesel gensets, 1800 rpm, each nominal 3.1 MW continuously rated (ancillary loads allowed for), 3 phase, 60 Hz, 13.8 kV, 0.8 PF leading, with water jacket and exhaust gas heat recovery, with indoor day tanks and local control panels plus networking and PLC automatic master control, with gensets mounted in double wide sound attenuated modules with fire detection, fire suppression and horizontal and vertical (H&V) units for arctic conditions. Note, the 3.1 MW nominal capacity is the genset output after subtracting related ancillary loads such as cooling fans.

 

The genset continuous ratings will vary somewhat depending on the vendor, as these are standard products. The diesel powerplant is designed with n + 2 engines for redundancy (allowing for one engine to be under overhaul and one down for service). This is the proven criteria for reciprocating prime movers driving generators for a continuous mining operation.

 

The power plant is designed to accommodate a plant peak load of 16.1 MW, based on five gensets operating at the prime rating (110% of continuous). The layout design allows room for an additional genset if required. Any further increase in the plant load or purchase of smaller gensets will require adding back the eighth genset, which was removed when the load list (Ausenco, 2023) was revised. This will also require an updated layout drawing. Provision will be made for the future installation of additional gensets, if required for any expanded operation.

 

  
Courageous Lake ProjectPage 241
Pre-feasibility Study and Preliminary Economic Assessment NI 43-101 Technical ReportJanuary 5, 2024
  

  

 

The latest design considers moving the power plant electrical room further away from the process plant (6m) to mitigate safety concerns with snowfall from the process plant roof.

 

The modular powerplant will include a double wide switchgear and control module including metal clad switchgear with 13.8 kV generator circuit breakers and circuit breakers to feed the various plant loads. The switchgear will be split into two sections with a tie breaker and redundant station service and grounding transformers such that any single fault will not cause a complete blackout.

 

Heat exchangers are included for engine exhaust gas and water jacket waste heat, but the external loop circulating pumps, deaerators, and surge tanks are included in the process plant, by others.

 

The required tank farm, diesel fuel supply pumps, and piping are not part of the powerplant and are by others.

 

Refer to the below listed reference reports, prepared by WN Brazier Associates Inc., for additional information on the power supply for the Courageous Lake Project:

 

Seabridge Gold Inc., Courageous Lake Project, Modular Diesel Power Plant, 2024 PFS, Capital Cost Estimate. This report includes:

 

oA summary of the plant equipment and installation costs.

 

oA brief description of the diesel powerplant.

 

oA spreadsheet detailed capital cost estimate.

 

oA package of five conceptual powerplant drawings.

 

oExcluded is the capital cost of emergency generators for the camp, mill and other installations.

 

oExcluded are the fuel tank farm and supply piping capital cost.

 

Seabridge Gold Inc. Courageous Lake Project, 2024 PFS, Diesel Generation, Power Cost Per Kilowatt Hour. This report provides:

 

oThe estimated per kilowatt hour cost of electric power and also shows the total fuel consumption, based on the annual GWh of energy in accordance with the Ausenco Load List.

 

oThe calculated cost diesel power is C$0.44 per kWh for fuel and O&M, not including amortization of plant capital cost.

 

oThe power cost is based on a delivered No. 1 fuel oil (diesel) cost of C$1.54 per liter, as used for power generation.

 

Seabridge Gold Inc., Courageous Lake Project, Report on Fuel Prices, For 2024 PFS.

 

  
Courageous Lake ProjectPage 242
Pre-feasibility Study and Preliminary Economic Assessment NI 43-101 Technical ReportJanuary 5, 2024
  

  

 

oThis report estimates the price of diesel fuel, delivered to site, including all freight and taxes, based on the three year trailing average of No. 1 diesel fuel rack prices in Edmonton. Due to varying tax rates based on end use, several different costs per liter numbers are provided.

 

Courageous Lake 2024 PFS, Diesel Power Generation & Distribution System, Design Criteria. This report provides information on:

 

oApplicable codes and standards.

 

oSite ambient conditions.

 

oDiesel powerplant design criteria.

 

oTank farm requirements (conceptual design and estimate by others).

 

oPowerplant switchgear and ancillaries.

 

oPower distribution design criteria, voltages, cable standards, etc.

 

18.4.3Site Power Reticulation

 

Power will be distributed across the site via 13.8 kV overhead lines originating from the plant’s 13.8 kV switchgear housed within the power plant electrical room.

 

Overhead distribution lines will be constructed using aluminum conductor steel-reinforced cable (ACSR) and supported by wooden poles. The overhead powerlines will provide power from the 13.8 kV switchgear to the collection pond pumphouse and explosive facilities.

 

18.4.4Plant Power Distribution

 

The largest electrical loads at the process plant are the ball mill and oxygen plant. The drive systems for both includes motors, feeder drives (FDRs), and bypass switchgear to minimize voltage disturbances throughout the power distribution system during start-up. The ball mill and oxygen plant drive systems will be supplied via cable circuits from the plant’s primary 13.8 kV switchgear. All other process and non-process plant loads will be powered via 4160 V and V MCCs housed within electrical rooms strategically located throughout the plant area. Power will be stepped down to 4.16kV, 600 V, and 120/208 V distribution, as required via grounded pad-mounted and pole-mounted transformers.

 

Power to the electrical rooms will be supplied by resistance-grounded, secondary substation-type, dry-type distribution transformers located adjacent to the respective electrical room. All electrical rooms will be adequately rated for the environment and outfitted with lighting and small power transformers, distribution boards, uninterrupted power supply (UPS) systems, fire alarm and detection, and HVAC systems designed for maintaining a positive pressure with respect to outdoor ambient pressure. To reduce installation time, the electrical rooms will be pre-fabricated modular buildings installed on structural framework above ground level for bottom entry of cables. Additionally, electrical rooms will be located as close as practical to the electrical loads to optimize conductor sizes and minimize cable lengths.

 

  
Courageous Lake ProjectPage 243
Pre-feasibility Study and Preliminary Economic Assessment NI 43-101 Technical ReportJanuary 5, 2024
  

  

 

18.5On-Site Infrastructure

 

18.5.1Process Infrastructure

 

The processing plant will comprise several pre-engineered and stick built buildings in addition to a fabric geodesic dome. Table 18-4 lists the buildings located within the main processing plant.

 

Table 18-4:Processing Infrastructure Buildings

 

Building/Area Name Construction Type Length (m) Width (m) Height (m) Area (m2)
Primary Crushing Stick Built 19.5 7.0 14.2 137
Secondary Crushing and Screening Stick Built 28.0 11.0 18.5 308
Tertiary Crushing and Screening Stick Built 15.0 10.4 19.2 156
Fine Ore Stockpile Cover Fabric Cover 34 34 30 1,156
Grinding General Pre-Engineered 32 35 30 1,120
Rougher Flotation Area Pre-Engineered 48.0 35.0 23.0 1,680
Merrill-Crowe - Refinery Pre-Engineered 36.2 33.9 7.0 1,227

 

18.5.2Support Buildings

 

The support buildings are listed in Table 18-5 below.

 

Table 18-5:General Facilities

 

Building Name Construction Type Length (m) Width (m) Height (m) Area (m2)
Electrical Rooms (2) Pre-Fabricated 16.8 9.0 3.5 302
Offices, Administration Building & Laboratory Modular 39.0 36.5 3.5 1,424
Plant Warehouse Pre-Engineered 100.0 50.0 15.0 5,000
Workshop Pre-Engineered 39.0 39.0 15 1,521
Incinerator Pre-Engineered 17.5 12.5 5 219
Explosive Magazine Modular 8.7 8.3 4.5 72
Water Treatment Building Stick Built 22 6 6 132

 

18.5.3Accommodations

 

A 204 bed permanent accommodation camp will be located south of the process plant, connected via an arctic corridor. The camp will be installed at the beginning of construction to house construction personnel and will then be maintained for operating staff.

 

  
Courageous Lake ProjectPage 244
Pre-feasibility Study and Preliminary Economic Assessment NI 43-101 Technical ReportJanuary 5, 2024
  

  

 

18.5.4Ore Stockpiles

 

The ROM stockpile will serve to stockpile ore generated during pre-stripping from the initial operating years. Stockpiled ore will be reclaimed to supplement open pit production maintaining the feed to the concentrator to full utilization. Any remaining material will be fed through the concentrator at the end of mine life, meaning the operational ore stockpile will be completely removed upon project completion.

 

The fine ore stockpile will stockpile ore before the grinding phase after going through the three crushing phases.

 

18.5.5Fuel

 

The on-site fuel storage will have an 11-month capacity. The tank farms will be provided for fuel storage with an appropriate fueling station. The fuel storage reservoirs will be contained within a bermed area and designed to meet applicable regulations. The fuel storage facility will have four tanks with a total capacity of 60,000,000 L of diesel and will be located adjacent to the mine maintenance facilities.

 

There will be a single 100,000 L tank for gasoline storage.

 

18.5.6Overall On-Site Infrastructure

 

The overall on-site infrastructure layout is shown in Figure 18-7.

 

  
Courageous Lake ProjectPage 245
Pre-feasibility Study and Preliminary Economic Assessment NI 43-101 Technical ReportJanuary 5, 2024
  

  

 

Figure 18-7:Overall On-site Infrastructure Layout

 

 

Source: Ausenco, 2023.

 

  
Courageous Lake ProjectPage 246
Pre-feasibility Study and Preliminary Economic Assessment NI 43-101 Technical ReportJanuary 5, 2024
  

  

 

18.6Mining Infrastructure

 

18.6.1Haul Roads

 

Haul road widths are designed to provide safe, efficient haulage, and to comply with the NWT Mines Regulations’ minimum width specifications and safe operating practice. See Section 16.17.1 for a sample cross section of a haul road.

 

18.6.2Explosive Facilities

 

The explosives manufacturing facility and magazine storage facility will be supplied by the explosive vendor as part of the supply contract. The manufacturing facility will be located 2 km to the southeast of the process plant and the magazine storage facility will be located 3.5 km south of the process plant. See Section 16.20.4 for more details.

 

An access road provides access to the explosives manufacturing and storage facilities from the main site access road. Explosives and accessories will be transported to the mine pits as needed.

 

18.6.3Truck Shop/Truck Wash

 

The truck shop buildings will be located just north of the process plant and will be used to maintain haul trucks and for spare parts storage. See Table 18-6 for a breakdown of the truck shop buildings.

 

Table 18-6:Truck Shop Facilities

 

Building Name Construction Type Length (m) Width (m) Height (m) Area (m2)
Truck Shop Pre-Engineered 36.5 25.0 14.0 913
Truck Wash Fabric Structure 26.0 13.5 8.0 351
Tire Change Stick Built 17.0 16.0 8 272
Mine Dry Modular 32.8 25.0 3.5 820

 

The truck wash building at the site will be in close proximity to the truck shop building on the truck pad, used for washing haul trucks, and supported on a reinforced concrete raft foundation.

 

Figure 18-8 shows the truck shop, wash bay, tire change/storage area, and fuel storage/station.

 

18.6.4Mine Warehousing, Office, and Workshops

 

The truck shop warehouse to store parts and mine maintenance will be located adjacent to the truck shop with a foundation of reinforced concrete slab on grade. The truck shop office with lunchroom and washroom will be located adjacent to the mine dry building supported by a pre-cast concrete block foundation. The tire change building will be used to store, maintain, and replace haul truck tires and supported by a reinforced concrete slab on grade.

 

  
Courageous Lake ProjectPage 247
Pre-feasibility Study and Preliminary Economic Assessment NI 43-101 Technical ReportJanuary 5, 2024
  

  

 

Figure 18-8:Truck Shop, Wash Bay, Mine Warehouse, Tire Change, Fuel Storage/Station and Office

 

 

Source: Ausenco, 2023.

 

18.7Co-placement Storage Facility and Leach Residue Tailings Facility

 

18.7.1Overview

 

Solids management consists of the containment and long-term management of waste products developed during the life of mine operations that consist of waste rock and tailings. Waste rock will be generated during the mining of economical ore and will be directly hauled to the co-placement storage facility (CPSF) along with flotation tailings storage. It is expected that the dumped, open graded rockfill (shot rock with average size of 24’’, or 600 mm) will have the porosity greater than 40%. Stress levels within the waste rock portion of the CPSF will vary and will affect the effective stress of the rock fill. High stress will reduce the effective stress of the rock fill. Tailings is a waste product of mineral exaction that consists of two tailings streams: flotation tailings and neutralized leach residue tailings from pressure oxidation (POX) circuit. The flotation tailings will be co-placed with waste rock and the neutralized leach tailings will be placed in a separate facility.

 

Due to the specifics of site location and freezing air temperatures from October to May, the thermal regime is expected to affect the deposition of tailings and decant water. The effects of freezing and thawing of the tailings and water will need to be considered in further stages of the design process. The thermal regime will not affect deposition of waste rock.

 

  
Courageous Lake ProjectPage 248
Pre-feasibility Study and Preliminary Economic Assessment NI 43-101 Technical ReportJanuary 5, 2024
  

  

 

During the process of developing the 2024 PFS, a new tailings deposition technology trade-off study was performed. The previous study considered a neutralized leach residue tailings management facility (interior embankment slopes lined with geomembrane) and a flotation tailings management facility (interior fully lined with geomembrane). Based on updated geochemistry, the neutralized tailings facility needs to be fully lined and flotation tailings does not require a liner system. For flotation tailings, Ausenco, in conjunction, with MMTS developed a co-placement storage facility (CPSF) strategy, which uses a paddock system for storing tailings in cells created by waste rock. A leach residue tailings facility (LRTF) will be a fully lined ring dike with downstream raises to contain the tailings. Both facilities are located east of the open pit.

 

18.7.2Design Criteria

 

The key design criteria for the CPSF and LRTF are as follows:

 

18.7.2.1Production Schedule

 

The average flotation tailings produced will be 7,241 t/d for a 12-year life-of-mine (LOM) of 29.7 Mt and the average neutralized leach residue tailings produced will be 265 t/d for a total LOM of 1.1Mt (Refer to Table 18-7).

 

Table 18-7:Production Schedule

 

Production Year Flotation Tailings (kt) Neutralized Leach Residue Tailings (kt) Waste Rock (kt)
-1 - - 7,327
1 2,115 78 16,477
2 2,643 97 23,215
3 2,643 97 31,588
4 2,634 97 31,780
5 2,634 97 31,932
6 2,634 97 32,239
7 2,634 97 32,234
8 2,634 97 19,446
9 2,634 97 9,120
10 2,634 97 1,974
11 2,634 97 -
12 1,146 42 -
Total 29,691 1,089 268,115

 

  
Courageous Lake ProjectPage 249
Pre-feasibility Study and Preliminary Economic Assessment NI 43-101 Technical ReportJanuary 5, 2024
  

  

 

18.7.2.2National and Local Waste Management Guidelines

 

The CPSF and the LRTF will be designed in accordance with Canadian Dam Association (CDA) “Application of Dam Safety Guidelines to Mining Dams” (2019) to provide a safe and environmentally acceptable facilities for tailings and waste rock storage with a combined storage capacity of 298.9 Mt.

 

Both the CPSF and the LRTF have dam classification of ‘very high’, according to CDA guidelines due to the proximity to the plant and open pit. Therefore, these facilities are designed to withstand the maximum credible earthquake (MCE) and probable maximum flood (PMF).

 

18.7.2.3Co-placement Management Facility (CPSF)

 

The following parameters have been used for the CPSF:

 

Flotation Tailings:

 

oFlotation tailings are non-acid generating (NAG)

 

oTailings slurry solids content is 60%

 

oSG of the Solids is 2.75

 

oParticle distribution is 100% passing 300 µm, 50% passing 51 µm, and 25% passing 18 µm

 

oSettled dry density of tailings is 1.45 t/m3

 

oThe nominal increase of storage requirement for solids including entrained water is 5200 m3/d. The nominal daily release of decant water 2600 m3/d

 

oIn the period from October to May the site is subject to the mean air temperature of -17.8°C and the volume solid storage requirements will increase at a rate of 7800 m3/day (or 1.9 Mm3 for the period). The mean air temperature during the thawing period from June to September is 9°C. During this period both the tailings and the frozen decant water will thaw and migrate into the interstitial space of the waste rock along with 949,000 m3 of tailings (633,000 m3) and water (316,000 m3). No significant increase of solid storage volume will occur.

 

oAverage beach slope 1%

 

Waste Rock:

 

oWaste Rock is NAG

 

oOpen graded shot rock with 24’’ (600 mm) mean diameter

 

oDry density of rock fill 1.65 t/m3 to 1.70 t/m3

 

oDirect haul from pit to CPSF

 

oSpread and compact waste rock for paddock cell berms in 2 m lifts

 

  
Courageous Lake ProjectPage 250
Pre-feasibility Study and Preliminary Economic Assessment NI 43-101 Technical ReportJanuary 5, 2024
  

  

 

oNon-paddock cells waste rock spread and no compaction

 

oExterior paddock cells slopes 3:1 (H:V)

 

oInterior paddock cells slopes 2:1 (H:V)

 

oPaddock cell berm heights 14 m

 

oOperating water 0.5 m (max.), PMF 1 m, and freeboard 1 m

 

oPaddock cell storage capacity 1.37 Mt (950,000 m3 - this does not include the volume within the pores of the pores of the waste rock).

 

oThe volume of the interstitial space within the waste rock will start at 1.8 Mm3 at the end of Year1 and will have the rate of increase of 6.0 Mm3/annum, reaching a maximum of 57 Mm3 by the Year 9.

 

oUnderdrain to capture (reclaim) decant water (free water) from tailings.

 

18.7.2.4Leach Residue Tailings Facility (LRTF)

 

Neutralized Tailings:

 

The neutralized tailings are potential acid generating (PAG) due to acidic sulphates (e.g. jarosite); short term leaching of sulphate, arsenic, CN-, and CN degradation products; long term leaching of sulphate and arsenic.

 

Tailings slurry solids content is 30%

 

SG of the Solids is 2.75

 

Particle distribution is 80% passing 22 µm, and 5% passing 5 µm

 

Consolidated dry density of tailings is 1.30 t/m3

 

The nominal increase of storage requirement for solids including entrained water is 203.8 m3/d. The nominal daily release of decant water 510.9 m3/d

 

Due to freezing temperatures for 9 months of the year the solid storage requirement increases at the rate of 714.7 m3/d in the period from October to May (195649.1 m3 for the whole period) and 203.8 m3/d in the period from June to September (18596.8 m3 for the whole period). The decant water storage requirement increases from zero for the period from October to May to 186478.5 m3 for the period from June to September.

 

Average beach slope 1%

 

LRTF Embankment:

 

Waste rock shell direct haul spread and compacted in 2 m lifts

 

Exterior embankment slopes 3:1 (H:V)

 

Interior embankment slopes 2:1 (H:V)

 

  
Courageous Lake ProjectPage 251
Pre-feasibility Study and Preliminary Economic Assessment NI 43-101 Technical ReportJanuary 5, 2024
  

  

 

Crest width 30 m

 

Interior liner system consists of 1.5 mm SST LLDPE geomembrane, 1 m low permeability soil, 2 m filter zone

 

Underdrain

 

Operating water 1 m (max.), PMF 1 m, and freeboard 1 m.

 

18.7.3Geotechnical Investigation

 

In 2010, SECON Private Limited LLC completed a LiDAR survey, together with supporting aerial photography of the site and surrounding areas that confirmed the natural topography of the site is very flat and offers very little in the way of geologic containment and management of large volumes of slurry tailings or water.

 

Interpretation of the surficial geology of the site was adapted from maps developed by Ward, et al. (1997) and enhanced using detailed aerial photo interpretation and ground truthing. In addition, a geotechnical investigation of the site was undertaken by EBA during September 2010 (EBA, 2010d) and continued during March 2011 with a winter drilling program (EBA, 2011a). A supplemental site investigation was carried out by EBA during March 2012 (EBA, 2012) to facilitate the design of Matthews Creek diversion channel, site infrastructure, and extension of the existing airstrip. A total of six boreholes from the historical geotechnical programs were utilized in the development of the CPSF and LRTF. Additionally, samples were taken as part of these programs, and a laboratory program was performed to determine geotechnical parameters of the overburden (till) and underlying bedrock.

 

In the CPSF and LRTF area, surficial unconsolidated material interspersed with patches of the exposed bedrock. Till dominates the project area terrain and consists predominantly of unsorted sand and silt with variable proportions of gravel and traces of clay, with cobbles and boulders disseminated throughout. The thickness of the till ranges from less than 1 m (a till veneer) to 6 m (ground moraine). The till is ice-rich, locally with some ground ice bodies up to 1.3 m thick encountered in the upper 3 m.

 

The glaciofluvial deposits in the project area form well-defined east-west trending esker ridges, mounds, and flanking aprons. The deposits consist of sand and silt, some to trace gravel in planar, cross-stratified, and massive beds, with cobbles and boulders disseminated throughout.

 

Organic deposits, peat, and muck up to 3. m thick occur as patterned peatlands in depressions and along creek valleys and drainage channel bottoms. They are ice-rich and contain ground ice wedges, lenses, and layers of segregated ice that are manifested in peatland topography as ice-wedge polygons, thermokarst collapse structures, and polygonal peat plateaus.

 

The underlying bedrock consists of volcanic (felsic ash tuff of high to extremely high strength and excellent quality), meta-sedimentary rock with rock quality ranging from very poor (in the uppermost portion with localized zones of frost-jacked blocks of rock protruding above the exposed bedrock surface) to excellent, with rock strengths varying from medium (in the uppermost portion) to very high, and Precambrian granitic rocks. The granitic rock is found in the western portion of the project area and has not been investigated during the shallow geotechnical drilling program.

 

Permafrost features include frost-crack polygons, frost-jacked rock blocks and boulders, thermokarst features, non-sorted circles, patterned peatlands, and small frost mounds in peatlands.

 

  
Courageous Lake ProjectPage 252
Pre-feasibility Study and Preliminary Economic Assessment NI 43-101 Technical ReportJanuary 5, 2024
  

  

 

18.7.4Co-placement Storage Facility

 

The co-placement storage facility (CPSF) will store both flotation tailings and waste rock in an unlined facility located east of the open pit (refer to Figure 18-1) to and ultimate elevation of 500 masl (height of 79m). Based on previous geotechnical investigations, the surficial geology below this facility is underlain by 1 to 6 m of till overlying bedrock. Since the ratio of waste rock to flotation tailings generated during LOM ranges between 8 and 11.5 (by mass) the waste rock will be used to generate paddock cells to store slurry tailings. Prior to process plant operations, it will be necessary to construct a sufficient number of paddock cells to store tailings for the first two years of operations. The paddock cells will be unlined, creating leaky embankments. During the freezing period, from October until May, the tailings and decant water are expected to freeze up and create 1.9 Mm3 of solid volume. During the ‘warm’ season, which lasts from June to September, the solid mass is expected to thaw out and leak into the intertitial space along with additional 632 700 m3 of fresh tailings and 316 300 m3 of decant water.

 

Seepage from the facility will be captured in a constructed underdrain that conveys seepage to small lined ponds located around the footprint of this facility. Water can be pumped from these ponds or allowed to discharge into the larger collection ponds or the pit and recovered for process operations or treated and discharged to the environment. The starter CPSF is located 60 m to 90 m east of the open pit. The permanent internal perimeter requires the removal of 0.3 m topsoil and 0.5 m overburden in a 150 m wide strip. The topsoil and overburden in the remainder of the footprint will not be removed.

 

Figure 18-9:Co-placement Storage Facility and Leach Residue Tailings Facility

 

 

Source: Ausenco, 2023.

 

  
Courageous Lake ProjectPage 253
Pre-feasibility Study and Preliminary Economic Assessment NI 43-101 Technical ReportJanuary 5, 2024
  

  

 

The starter CPSF is located west of a watershed boundary, so any runoff from this initial facility will drain into the open pit for the first two years of operations (Refer to Figure 18-7). Each paddock cell will be designed to contain 1.37 Mt (950,000 m3) of flotation tailings; therefore, the starter facility has been designed with four cells. Initially, an underdrain will be constructed by excavating trenches and perforated pipe wrapped in a geotextile with drainage gravel, then 1 to 2 m of waste rock will be placed over the terrain where the paddocks will be constructed. The underdrain is sized to capture seepage from tailings and precipitation. The paddock cells have an exterior slope of 3:1 (H:V) and interior slopes of 2:1 (H:V). The berms are over 40 m wide at the crest to account for lateral seepage from the cells and ensure seepage from the cell migrates to the underdrain system. Mine operations will deliver the waste rock and dozers and compactors will spread and compact waste rock in the construction of the paddock berms. During operations, tailings will be spigotted into multiple cells to allow seepage to migrate into the waste rock since there is no decant collection system within the cells.

 

The CPSF will be continuously constructed and reclaimed over the life of the project along with the extension of the underdrain, even during winter months, due to the delivery of waste rock from the open pit. Based on the LOM production schedule there is sufficient waste rock to build paddock cells and stay ahead of flotation tailings disposal. The CPSF will be progressively closure during operations when an external lift is completed. Once a series of paddock cells within a lift are completed, they will be covered with 10 m of waste rock prior to building the next lift of new paddock cells above the closed cells. Again, tailings will be spigotted in multiple cells during operations over the life of the project to ensure free water seeps into the waste rock and capture by the underdrain system. During the winter months it is assumed that 15 to 20% of the free water will be lost due to ice entrainment. The ultimate CPSF occupies and area of 228 ha.

 

18.7.5Leach Residue Tailings Facility

 

Due to the flat terrain, a ring dike impounding structure is required to contain the leach residue tailings. The leach residue tailings facility (LRTF) has been located south of the southeast corner of the CPSF and 300 m east of the process plant and occupies an ultimate footprint of 24.5 ha. Based on previous geotechnical investigations, the surficial geology below this facility is underlain by one to two meters of till overlying bedrock. Prior to process plant operations, it will be necessary to construct a starter embankment (Phase 1 LRTF) to an elevation of 444 masl (8 m high) to provide storage capacity for the first two years of operations. Prior to constructing the facility, 0.3 m of topsoil and 0.5 m of overburden will be removed from the starter footprint. The starter embankment will be constructed with waste rock and a geomembrane liner, 1 m of lower permeability soil, and 2 m filter zone will be installed on the interior slopes of the embankment. The liner system will continue throughout the base of this facility with a prepared subgrade and geomembrane. The construction materials for the starter embankment will be sourced from the pre-mining open pit excavation.

 

The life of mine leach residue tailing generated is only 1.1 Mt ( m3 for solids storage), which is less than 4% of the total tailing stream from the process plant. During Phase 1, the leach residue will be spigotted along the west and south sides pushing the supernatant pond to the northeast corner where a floating barge will reclaim free water. During above zero temperatures, tailings can be spigotted from multiple points - the fresh decant water will be added to the thawed one. However, during below freezing temperatures only a single point discharge will be performed to ensure the development of a beach and not a buildup of tailings around the spigot due to freezing. Once this beach has reached its design elevation, the spigot points will be moved to other locations to maximize the storage capacity of the facility.

 

  
Courageous Lake ProjectPage 254
Pre-feasibility Study and Preliminary Economic Assessment NI 43-101 Technical ReportJanuary 5, 2024
  

  

 

During the winter months it is assume that 15 to 20% of the free water will be lost due to ice entrainment – the volume of frozen tailings and decant water will be m3. Phase 1 can accommodate 175,000 t dry weight of leach residue over a two-year period with an average dry density of 1.3 t/m3 after consolidation. For all phases, the facility has been designed for a maximum of 2 m operating pond, containment of the PMF, and 2 m freeboard. The facility has not been designed with a spillway.

  

Phase 2 will be constructed during the summer in Year 2 of operations and is downstream construction method to a crest elevation of 446 masl. The Phase 2 will provide 201,000 t of additional storage capacity. Phase 3 will raise the crest to an elevation of masl. Phase 3 will provide 300,000 t of additional storage capacity. The ultimate phase will raise the crest to a final elevation of 449 masl (an ultimate height of 13 m), which will give a final storage capacity of 1.1 Mt.

  

18.7.6CPSF and LRTF Stability Analysis

 

Stability analyses were carried out on critical sections of the planned ultimate CPSF and LRTF using both static and pseudo-static analyses. Based on similar projects, for the CPSF and LRTF the estimated maximum credible earthquake for the area is 0.118 g for Type B soil and 0.158 g for Type C soils. The Bray and Travasarou (2007) pseudostatic slope stability was used to verify performance of facilities during a design earthquake input ground motion. The spectral acceleration at a degraded period of the potential sliding mass (Sa (1.5Ts)) was used as the optimal ground motion intensity measure while the system’s seismic resistance was captured by its yield coefficient (ky).

  

Minimum factor of safety (FoS) loading conditions minimum FoS required end of construction 1.3 Long-Term 1.5 Pseudo-Static 1.0 Post-Earthquake 1.2 (CDA, 2019) Limit equilibrium analysis was conducted using peak effective strength soil parameters taken from the laboratory triaxial tests. The analysis results for the CPSF and LRTF at their ultimate configurations indicate satisfactory FoS under static, pseudo-static, and post-seismic conditions.

  

18.7.7CPSF and LRTF Water Management

 

The CPSF and LRFF water management systems includes structures for surface water and seepage management. The surface water management will include three components:

  

Contact water from the CPSF and LRTF in open diversion channels that run on the surface along the toe of these facilities

 

Seepage water in the foundations of both facilities that will be captured using an underdrain system. The underdrain for the CPSF has been designed to capture decant water (free water) from the tailings along with seepage from precipitation.

 

The diversion channels will collect non-contact surface runoff from the natural areas surrounding the facility and drain to drainage areas outside the CPSF and LRTF footprint. The CPSF and LRTF surface water collection system was designed to collect surface contact runoff and direct the water to the sediment ponds during operation; they will become non-contact water collection ditches after closure. The contact water should only contain sediment from the facility and will be directed to sediment ponds and then pumped back to the process plant or discharged to the environment. Water monitoring samples will be taken on a regular basis to ensure water being discharged meets water quality standards. If the water does not meet standards, the water from the sediment ponds will be pumped to the filter plant, then combined with the filtrate water and pumped to the process plant for water makeup or treated and discharged to the environment. The temporary and permanent channel are designed to convey runoff from the 1-in-100-year and 1- in-200-year storm events, respectively. The non-surface or drainage water management system will consist of HDPE dual wall pipe and drainage gravel wrapped in a non-woven geotextile to capture near-surface groundwater and seepage from the tailings; capturing these water sources will minimize build-up of the phreatic surface in the base of the tailings facility. In addition, the underdrain system will be utilized to drain surface runoff that is blocked by the DSTF from following its original path. A ring-dyke filter system will be placed around the underdrain inlet to prevent solids from entering and potentially plugging the system.

 

  
Courageous Lake ProjectPage 255
Pre-feasibility Study and Preliminary Economic Assessment NI 43-101 Technical ReportJanuary 5, 2024
  

  

  

18.7.8CPSF and LRTF Geotechnical Instrumentation

 

The stability of the CPSF and LRTF will be monitored by vibrating wire piezometers strategically placed within the base of these facilities. In addition, inclinometers and prisms will be placed on temporary and permanent exterior slopes during operation. Real-time continuous and unattended monitoring will be employed for the geotechnical monitoring. Additionally, water quality monitoring instrumentation will be implemented for monitoring of seepage and contact water from these facilities in the small facility ponds located around these facilities that discharge into the larger collection ponds.

 

18.7.9Closure and Reclamation

 

The CPSF will provide long-term storage of waste rock and flotation tailings and will remain in place beyond mine closure. For reclamation, the CPSF will be progressively closed in stages following the completion of each outer permanent lift to maintain slope stability, minimize dust, minimize water infiltration, and contaminant migration while being visually compatible with the surrounding area. The outer slopes of the waste rock will be graded to flattened to 3:1 (H:V) as part of the operations to facilitate progressive closure. In addition, some flatter sloped caribou access ramps will be constructed at designated locations. Contact water and seepage water from CPSF will be collected in the water collection ponds and be pumped to during operations for process water utilization or treated, if required, and released to the environment and post closure seepage and contact water will be pumped to the mined-out open pit until the water quality meets discharge criteria.

 

The overall LRTF closure design strategy is to produce a walk-away closure condition with the facility decommissioned and reclaimed.

 

The primary closure objectives of the LRTF closure are to:

  

The LRTF cannot be progressively closed during operations due to the downstream construction;

 

Provide a sound environmental closure design that meets acceptable extractive industries best practice measures and minimizes environmental risks including re-establishment of a functioning ecosystem and protecting air quality;

 

Preserve groundwater and surface water quality downstream of the LRTF;

 

Ensure the long term stability and integrity of the LRTF embankments; and

 

Integrate the LRTF into the surrounding landscape and restore the natural appearance of the site to return the land to the pre-mining use and level of productivity.

 

  
Courageous Lake ProjectPage 256
Pre-feasibility Study and Preliminary Economic Assessment NI 43-101 Technical ReportJanuary 5, 2024
  

  

  

In order to help facilitate these closure objectives, monitoring of geotechnical stability and environmental factors will be conducted until all governing parameters have met acceptable closure criteria.

  

At the end of the life of mine, reclamation of the LRTF will commence. Any remaining free water will be pumped from the facility to the open pit at closure. The leached residue will be capped with 2m thick layer of waste rock to support a closure cover over the tailings with a 3% grade away from the center of support potential settlement of the cap and provide positive drainage off the top of the facility. A geomembrane with protective layers above and below will be placed over the top to prevent seepage into the lined facility. Then the waste rock shell will be overlaid by a 2 m cap of overburden and 0.3 m cover of topsoil along with a vegetative cover to minimize seepage and ingress of air into the waste rock shell. During post-closure, the contact water from the LRTF will be pumped to the open pit until the quality of the contact water meets discharge criteria.

  

During operations portions of the leach residue will freeze and create potential ice lens during operations. Post closure, depending on the time of the year the upper portion of the tailings will be frozen or will freeze during post-closure. In the next phase, long term thermal modeling of the tailings will look at the depth of freezing of the tailings.

 

18.8Groundwater Management

 

The site is located within the zone of continuous permafrost. In areas of continuous permafrost there are generally two groundwater flow regimes: a deep groundwater flow regime beneath permafrost and a shallow groundwater flow regime located in the active (seasonally thawed) layer near the ground surface. Groundwater in the active layer flows to local depressions and ponds that drain to larger lakes. The deep groundwater generally flows from higher-elevation lakes to lower-elevation lakes. This can be influenced by the permeability of the rock mass and/or structural features such as the Tundra Shear Zone that may preferentially influence flow direction. Due to the thick, low permeability permafrost, there is generally little to no hydraulic connection between the two flow systems.

  

In the Canadian Shield, concentrations of total dissolved solids (TDS) in groundwater increase with depth. This is primarily due to upward diffusion of deep-seated brines. Two Westbay wells were installed to sample the sub-permafrost groundwater for water quality assessment. The TDS from two sampling intervals of the Westbay 2 well were in the range of 8215 to 9495 mg/L indicating the sub-permafrost groundwater to be highly saline.

 

The freezing point of water decreases when pressure and salinity increase, and unfrozen groundwater can be encountered at temperatures less than 0°C. This occurs at the transition from the permafrost to the sub-permafrost groundwater flow regime and is termed the basal cryopeg. Within this zone and within the underlying sub-permafrost groundwater regime, groundwater inflows to the pit and high groundwater pressures behind the pit walls and below the pit floor can develop. The thickness of the basal cryopeg has been estimated in a range of 25 to 50 m. A depth of 310 m bgs has been used as a Base Case assumption for the top of the basal cryopeg as input into the groundwater model for the project. A sensitivity analysis assuming the top of the basal cryopeg to be at 262 m bgs was also considered for estimating potential water quantity and quality inflows to the pit.

 

The conceptual permafrost conditions for the project area and the PFS pit at the end of mine life is shown in Figure 18-10.

 

  
Courageous Lake ProjectPage 257
Pre-feasibility Study and Preliminary Economic Assessment NI 43-101 Technical ReportJanuary 5, 2024
  

  

  

Figure 18-10:Conceptual Permafrost Conditions for the Courageous Lake Project

 

 

Source: Tetra Tech, 2023b.

 

Most of the pit slopes will be excavated within permafrost. The base of permafrost is undulating, with an average depth estimate of 335 m below ground surface. It is assumed that no groundwater pressures will be present within the portions of the pit walls excavated in the perennially frozen permafrost; however, groundwater inflows to the pit may increase as the base of permafrost is approached through the basal cryopeg, beginning in Year 10 or Year 11.

  

A 3-D groundwater model was developed by WSP in 2011 using FEFLOW and updated in 2023 to FEFLOW Version 8. The model is a simplified representation of groundwater flow system and has been used to predict groundwater inflow quantity to the pit and associated TDS concentrations. Transient model simulations were prepared for the following two cryopeg scenarios:

  

Base case scenario (top of Cryopeg assumed to be at 310 m bgs) with and without depressurization.

 

Alternative scenario (top of Cryopeg assumed to be at 262 m bgs) with and without depressurization.

 

The PFS mine schedule indicates the open pit will be excavated over 11 years, with construction beginning in Year -1. The pit floor will extend below the assumed top of cryopeg for the Base Case beginning in Year 11 and increased groundwater inflows to the pit are expected. For the alternative scenario, the pit floor will extend below the top of cryopeg in Year 10. The predicted groundwater inflows and water quality are presented in Table 18-8.

 

  
Courageous Lake ProjectPage 258
Pre-feasibility Study and Preliminary Economic Assessment NI 43-101 Technical ReportJanuary 5, 2024
  

  

  

Table 18-8:Predicted Groundwater Inflow Quantity and TDS Quality – 2024 PFS Mine Plan

 

Cryopeg
Assumption
Depressurization Condition PFS Mine
Year
Predicted
Inflow to
Open Pit
(m3/d)

Predicted
Inflow to

Wells
(m3/d)

Predicted
Total Inflow
(m3/d)
Predicted TDS
(mg/L)

Base Case – 

310 m bgs 

Depressurization Year 11 600 2,150 2,750 7,400
No Depressurization 1,400 Not applicable 1,400 7,400

Alternative Scenario – 262 m bgs

 

Depressurization Year 10 1,350 3,100 4,450 6,600
Year 11 950 2,500 3,450 10,050
No Depressurization Year 10 2,800 Not applicable 2,800 6,700
Year 11 2,350 Not applicable 2,350 9,800

 

Note: m3/d = cubic meters per day; mg/L = milligrams per liter; m bgs = meters below ground surface. Source: WSP, 2023b.

  

The predictions of groundwater inflow quantity and quality do not include direct precipitation or runoff.

 

The preliminary design of a dewatering system for the base case scenario consists of 14 wells around the circumference of the pit installed from an interior bench 50 m above the top of the basal cryopeg. Each pumping well would be 100 m in length, installed to a depth of 50m below the base of the PFS pit, and with a spacing of 75 to 100 m around the circumference of the pit.

  

Figure 18-11:Preliminary Concept of Dewatering Well Locations for Base Case and for Sensitivity Case Cryopeg Depth

 

 

Source: Tetra Tech 2023b.

 

  
Courageous Lake ProjectPage 259
Pre-feasibility Study and Preliminary Economic Assessment NI 43-101 Technical ReportJanuary 5, 2024
  

  

  

The alternative scenario dewatering system has the same general configuration but consists of 16 wells.

 

Submersible pumps and control systems would be installed for each completed well, and pump houses and controls installed. It is understood that the water extracted by the wells and also occurring as natural drainage to the base of the pit will be collected and pumped through heat-traced and insulated HDPE pipe to surface containment areas (satellite pits) until mining of the pit is complete at which time the water will be returned to the base of the pit.

  

18.9Site-Wide Water Management

 

This section presents an overview of site-wide management, encompassing the design of water management structures, hydrology considerations, and the site-wide water balance. The review and interpretation of existing climate data, encompassing factors such as precipitation, snowfall, and evaporation, are crucial for accurately estimating water balance and designing effective water management structures.

 

18.9.1Hydrometeorology

 

The site’s climate data is based on the Matthews Creek meteorology station. Table 18-9 summarizes the data collected from 2007. The site experiences a wide temperature range, with monthly average from -31.1°C to +18.2 °C, and an average daily mean temperature of -8.5°C. Wind speed is also monitored at this site. The annual average wind speed is recorded at 4.4 m/s, with maximum gusts reaching up to 19.4 m/s. Precipitation at the Courageous Lake Project is relatively low. Most of the rainfall occurs during the summer months. The total annual precipitation between 2010 and 2011 averaged 199.1 mm with an average monthly precipitation of 16.6 mm.

 

Table 18-9:Summary of Matthews Creek Station Monthly Average Meteorological Observation

 

Month

Air temperature (°C) Precipitation (mm) Relative Humidity (%) Wind (m/s)
Average Average Maximum Average
Minimum
Average
monthly total
Average
Daily Mean
Average
speed
Jan -27.6 -24.3 -31.4 5.9 77.0 3.6
Feb -26.7 -22.3 -31.0 5.1 78.1 4.2
Mar -23.9 -18.9 -28.8 6.5 78.0 4.7
Apr -13.1 -8.0 -18.8 9.6 84.8 4.8
May -4.1 0.5 -9.3 8.3 82.6 4.7
Jun 7.5 12.7 2.4 24.3 69.8 4.8
Jul 13.9 18.8 9.0 33.5 70.3 4.3
Aug 10.6 14.8 6.7 54.4 77.7 4.7
Sep 4.0 7.3 0.7 40.9 83.9 4.6
Oct -4.5 -2.2 -7.3 7.7 88.2 5.1
Nov -16.9 -12.9 -21.2 2.8 87.9 4.3
Dec -26.1 -22.6 -30.1 3.2 78.7 3.9
Annual -8.9 -4.8 -13.3 16.6 79.7 4.5

 

  
Courageous Lake ProjectPage 260
Pre-feasibility Study and Preliminary Economic Assessment NI 43-101 Technical ReportJanuary 5, 2024
  

  

  

18.9.2Water Management Structures

 

The Co-placement Storage Facility is at a topographic high. For the site-wide water management, the site is divided into four drainage areas: North Catchment, West Catchment, East Catchment and Open Pit. Runoff from each catchment will report to a collection pond via natural topography or excavated collection channels. Runoff from the pit will report to the pit and be pumped to treatment or reused for process purposes. A non-contact diversion channel is proposed along the East Catchment to divert non-contact runoff away from the facilities and to minimize the amount of contact runoff to be collected and managed. The proposed water management structures for the Courageous Lake mine site are summarized below. An overview of the water management strategy is illustrated in Figure 18-12:

 

Diversion channels: diversion channels are required to divert non-contact runoff away from the facilities and to minimize the amount of contact runoff to be collected and managed. The design criterion for the diversion channels was the conveyance of 1:200-year peak flow without overflow.

 

Collection channels: collection channels collect contact runoff from the CPSF, Process plant, and Camp area. The design criterion for collection channels was the conveyance of 1:200-year peak flow without overflow.

 

Collection ponds: collection ponds were proposed to store contact runoff from the collection channels. The collection ponds were sized to store a 1:200-year 24-hr flood with a minimum freeboard of 0.5 m. The stored contact water will be treated or reused for process purposes.

  

The mine planning strategy is to keep waste rock within a single catchment for as long as possible; however, given the location of infrastructure, the collection ponds would be required early in the construction phase. For this reason, a staged approach to the ponds was not considered at this stage and it is envisioned that each pond would initially be constructed to its full size.

 

  
Courageous Lake ProjectPage 261
Pre-feasibility Study and Preliminary Economic Assessment NI 43-101 Technical ReportJanuary 5, 2024
  

  

  

Figure 18-12:Courageous Lake Water Management Strategy

 

 

Source: Ausenco, 2023.

 

An estimate of excavation volumes was completed using the proposed geometries of the structures and elevation profile along the alignment of channels. As shown in Figure 18-1, the collection system is comprised of three collection channels, with a total length of 4,262 m. One diversion channel, with a length of 2,767 m, was designed to divert the non-contact runoff approaching Courageous Lake project facilities.

  

To estimate design flows along the water management system, flood from the design event was routed along the alignments using the rational method where the drainage areas were small and had uniform soil and cover characteristics with no significant flood storage. The Rational Method is widely used in determining peak runoff flows for small to medium sized catchments. The hydrologic modelling results were used to size the water management structures of the Courageous Lake mine site preliminarily.

  

Channels were sized using estimated peak flow rates and flood volumes from the rational method and frequency analysis results. Collection channels and the East diversion channel were designed trapezoidal of 2:1 (H:V) side slopes with a minimum base width of 1 m and a depth ranging from 0.3 to 0.6 m. An additional 0.3 m of freeboard was provided for all channels.

 

  
Courageous Lake ProjectPage 262
Pre-feasibility Study and Preliminary Economic Assessment NI 43-101 Technical ReportJanuary 5, 2024
  

  

 

18.9.2.1Collection Ponds

 

The East Pond was designed with a 5 m depth while the North and West ponds were designed with a 3 m depth. All three ponds have a 2:1 (H:V) side slope and freeboard of 0.5 m. To reduce the excavation required to construct the ponds, a berm along the north ends is proposed. At this stage, based on the topography, it is envisioned that that these berms will be 3.3 m in height and 5 m-wide. East pond was sized using the contact water catchment area in addition to the estimated 30% of non-contact water predicted to escape from the diversion channel. The dimensions and capacity of the ponds are outlined in Table 18-10. A dam in the north end of the East Pond is also proposed to mitigate potential flow of contact water further down the topography in that area.

 

Table 18-10: Dimension of Collection Ponds

 

Item Length (m) Width (m) Capacity (m3)
North Pond 357 164 167,000
East Pond 575 256 546,000
West Pond 296 191 162,000

  

18.9.3Site-Wide Water Balance

 

A water balance model was developed to facilitate the design the water management structures. This model was created using GoldSim Software, with simulations running at daily intervals. The simulations utilize monthly synthetics climate records for all modelled cases. The key facilities in the water balance include the Main Pit, Satellite Pit, North Pond, East Pond, West Pond, and East Diversion. The water balance assessed three different meteorological scenarios: average year, wet year, and dry year. Table 18-11 indicated the annual average precipitation for these different scenarios.

 

Table 18-11:Hydrological Scenarios

 

Hydrological Scenarios Precipitation (mm)
Wet (1/200 year) 472
Average 337
Dry (1/200 year) 279

  

The water balance for three different climate scenarios are shown in Table 18-12 through Table 18-14. As noted in Section 18.10.2, groundwater inflow to the open pit is expected to be negligible for most of the operating life and were not considered in the Site-Wide Water Balance.

 

  
Courageous Lake ProjectPage 263
Pre-feasibility Study and Preliminary Economic Assessment NI 43-101 Technical ReportJanuary 5, 2024
  

  

  

Table 18-12: Site-wide Water Balance (m3/day) for Average Precipitation Year

  

Water component (m3/d) Jan Feb Mar Apr May Jun Jul Aug Sep Oct Nov Dec Mean annual
Main Pit 0 0 0 0 618.0 4471.0 1766.0 883.1 638.7 618.1 0 0 749.6
Satellite Pit South 0 0 0 0 46.6 337.0 133.1 66.6 48.1 46.6 0 0 56.5
Satellite Pit North 0 0 0 0 24.7 178.8 70.6 35.3 25.5 24.7 0 0 30.0
North Pond 0 0 0 0 530.3 3836.0 1515.0 757.5 548.0 530.3 0 0 643.1
East Pond 0 0 0 0 1672.0 12098.0 4779.0 2389.0 1728.0 1672.0 0 0 2,028.2
West Pond 0 0 0 0 536.7 3882.0 15833.0 766.7 554.6 536.7 0 0 650.8

  

Table 18-13: Site-wide Water Balance (m3/day) for Wet Precipitation Year

 

Water component Jan Feb Mar Apr May Jun Jul Aug Sep Oct Nov Dec Mean annual
Main Pit 0 0 0 0 724.5 5241.0 2070.0 1035.0 748.7 724.5 0 0 878.6
Satellite Pit South 0 0 0 0 54.6 395.0 156.0 78.0 56.4 54.6 0 0 66.2
Satellite Pit North 0 0 0 0 29.0 209.5 82.8 41.4 29.9 29.0 0 0 35.1
North Pond 0 0 0 0 742.4 5370.0 2121.0 1061.0 767.1 742.4 0 0 900.3
East Pond 0 0 0 0 2341.0 16937.0 6690.0 3345.0 2420.0 2341.0 0 0 2839.5
West Pond 0 0 0 0 751.4 5435.0 2147.0 1073.0 776.4 751.4 0 0 911.2

  

Table 18-14: Site-wide Water Balance (m3/day) for Dry Precipitation Year

 

Water component Jan Feb Mar Apr May Jun Jul Aug Sep Oct Nov Dec Mean annual
Main Pit 0 0 0 0 511.8 3702.0 1462.0 731.1 528.8 511.8 0 0 620.6
Satellite Pit South 0 0 0 0 38.6 279.0 110.2 55.1 39.9 38.6 0 0 46.8
Satellite Pit North 0 0 0 0 20.5 148.0 58.5 29.2 21.1 20.5 0 0 24.8
North Pond 0 0 0 0 439.0 3176.0 1254.0 627.2 453.6 439.0 0 0 532.4
East Pond 0 0 0 0 1385.0 10016.0 3956.0 1978.0 1431.0 1385.0 0 0 1679.3
West Pond 0 0 0 0 444.3 3214.0 1270.0 634.8 459.2 444.3 0 0 538.9

 

18.10Contact Water Quality and Water Treatment

 

18.10.1Contact Water Management

  

As discussed in 18.9, the Courageous Lake Project is located north of Matthew Lake within subcatchments that drain north towards Courageous Lake as shown in Figure 18-12. Figure 18-13 shows the sub-catchments. Figure 18-14 illustrates the location of major mine components, including:

 

Co-placement Storage Facility

 

Leach Residue Tailings facility

 

  
Courageous Lake ProjectPage 264
Pre-feasibility Study and Preliminary Economic Assessment NI 43-101 Technical ReportJanuary 5, 2024
  

  

 

open pit

 

ore stockpile

 

west satellite pit (available year -1)

 

south satellite pit (available year 4)

 

overburden stockpile.

 

All mine contact water produced within the project area is collected and pumped to the West Satellite Pit for temporary storage or to the water treatment plant (WTP). Contact water is generally not suitable for use in the gold extraction process because of the sensitivity of the process to chloride. Therefore, water for process must be supplied from Courageous Lake and most of the contact water will be treated and discharged. The water treatment processes are described in Section 18.10.4.

 

The CPSF, for waste rock and flotation tailings paddock storage, would be constructed within three subcatchments that drain north towards Courageous Lake. A fundamental design basis for the mine waste management is to preserve Matthews Creek to the maximum extent possible; the open pit is the only disturbance to Matthews Creek included in the project design. The northern portion of Mathews Creek is fully preserved and the diversion of Mathews Creek is shown in Figure 18-2.

 

Runoff and seepage from the facility are collected in ponds located northeast, north and northwest of the project area (East Pond, North Pond, and West Pond). Contact water collected in the ponds is pumped to the West Satellite Pit for temporary storage or directly to the WTP. The tailings are placed in the facility in paddocks with an underdrain collection system built into the paddocks. The underdrain system is directed to the contact water ponds.

 

The LRTF, or POX residue facility, is a lined pond where residuals from the pressure oxidation process are permanently stored. Excess water (supernatant) would be pumped from the facility to the WTP.

 

Water that collects in the open pit is captured in a sump constructed at the bottom of the pit and pumped from there to the West Satellite Pit for temporary storage or directly to the WTP. Figure 18-12 shows a water conveyance schematic that is the design for the contact water management system.

 

Runoff and seepage from the ore stockpile and from the mill complex area will be collected in local sumps and pumped or flow by gravity to the West Satellite Pit. The West Satellite Pit will be allowed to fill with water naturally or may be used as reservoir for contingency storage of contact water.

 

The project includes one clean water diversion channel (east diversion channel) that routes runoff from the eastern catchment north towards Courageous Lake.

 

The water treatment plant is located within and adjacent to the mill building. Feed water for the plant is either pumped directly from contact water collection areas or from the West Satellite Pit to a feed water equalization tank within the mill building. Treated water is pumped to a diffuser located in Courageous Lake north of the Project area. Figure 18-14 shows a schematic of water conveyance for the Project.

 

  
Courageous Lake ProjectPage 265
Pre-feasibility Study and Preliminary Economic Assessment NI 43-101 Technical ReportJanuary 5, 2024
  

  

 

Figure 18-13: Courageous Lake Project Area Sub-catchments

 

 

 

Source: SRK, 2023.

 

  
Courageous Lake ProjectPage 266
Pre-feasibility Study and Preliminary Economic Assessment NI 43-101 Technical ReportJanuary 5, 2024
  

  

 

Figure 18-14: Water Management and Mine Infrastructure

 

 

 

Source: SRK, 2023.

 

  
Courageous Lake ProjectPage 267
Pre-feasibility Study and Preliminary Economic Assessment NI 43-101 Technical ReportJanuary 5, 2024
  

  

 

Figure 18-15: Water Conveyance Schematic

 

 

 

Source: SRK, 2023. 

 

  
Courageous Lake ProjectPage 268
Pre-feasibility Study and Preliminary Economic Assessment NI 43-101 Technical ReportJanuary 5, 2024
  

  

 

18.10.2Contact Water Balance

 

Elements of the water balance (Section 18.9.3) relevant to management of contact water and water treatment are summarized in this section.

 

Table 18-15 lists the assumed annual average and 1-in-100 wet year precipitation and catchment yield for the project area. The annual volume of contact water collected site-wide was estimated as the sum of annual yield from the contact water catchment (827 ha), losses from the clean water diversion to the contact water catchment (50% loss was conservatively assumed), and groundwater reporting to the open pit.

 

Table 18-15: Assumed Annual Precipitation and Catchment Yield

 

  Total Unit
Average Annual Precipitation 337 mm/a
1 in 100 Wet Year Precipitation 472 mm/a
Runoff Coefficient (Average Annual) 0.65 -
Average Annual Catchment Yield 219 mm/a
1 in 100 Wet Year Catchment Yield 307 mm/a

 

In Years 1 through 10 of the operations period, groundwater inflow to the open pit is expected to be negligible because mining will be within the confines of the continuous permafrost; however, by Year 11, mining is expected to reach the basal cryopeg, which is the lowest section of permafrost where saline water with a depressed freezing point flows. At that time, saline groundwater water will begin to report to the open pit.

 

Table 18-16 shows the estimated annual volumes of contact water that would be collected in average and in 1 in 100 wet years. The annual demand for process make up water is 1,330,000 m3/a for each of the 11 years of operation.

 

Table 18-16:Estimated Annual Contact Water Volumes Collected

 

  Total Unit
Average Year, Ops. Years 1 to 10 2,100,000 m3/a
1 in 100 Wet Year, Ops. Years 1 to 10 2,900,000 m3/a
Average Year, Ops. Year 11 3,100,000 m3/a
1 in 100 Wet Year, Ops. Year 11 3,900,000 m3/a

 

18.10.3Water Quality Assessment

 

The assessment of contact water quality was based on the geochemical source terms developed for the project. Geochemical source terms for the LRTF (POX residuals) supernatant, waste rock seepage, ore stockpile seepage, and flotation tailings seepage, and runoff are summarized in Table 18-17.

 

  
Courageous Lake ProjectPage 269
Pre-feasibility Study and Preliminary Economic Assessment NI 43-101 Technical ReportJanuary 5, 2024
  

  

 

Table 18-17: Geochemical Source Terms for POX Residues, Waste Rock, and Tailings

 

Analyte Units POX
Residuals

Supernatant
Waste Rock Seepage Ore seepage Flotation
Tailings
Infiltration
Flotation Tailings Runoff
      P50 P95 Expected Case Expected Case Expected Case
pH - 8.8 Neutral Neutral Neutral Neutral Neutral
Sulphate, SO4 mg/L 880 420 960 1800 1800 3.1
Cyanide mg/L 16 n/a n/a n/a n/a n/a
Arsenic, As mg/L 12 2.1 10 28 30 0.063
Aluminum, Al mg/L 0.01 0.076 0.076 0.076 0.076 0.061
Selenium, Se mg/L 0.23 0.0058 0.015 0.0052 0.099 0.000027
Cadmium, Cd mg/L <0.002 0.00072 0.0011 0.00063 0.014 0.0000039
Lead, Pb mg/L <0.02 0.0004 0.0004 0.0004 0.0004 0.000052
Chromium, Cr mg/L <0.1 0.011 0.015 0.014 0.36 0.000099
Manganese, Mn mg/L 0.51 0.23 0.23 0.23 0.23 0.018
Iron, Fe mg/L 0.01 0.063 0.063 0.063 0.063 0.0012
Nickel, Ni mg/L <.05 0.012 0.058 0.01 0.24 0.000064
Copper, Cu mg/L <.05 0.043 0.052 0.049 0.13 0.00069
Zinc, Zn mg/L <.05 0.064 0.15 0.069 n/a 0.00053
Magnesium, Mg mg/L 7.3 66 140 420 n/a 2.7
Sodium, Na mg/L 47 19 23 58 n/a 0.38
Potassium, K mg/L 2.5 66 91 460 n/a 2.1
Phosphorus, P mg/L <0.3 0.22 0.22 0.24 4.4 0.0012
Mercury, Hg mg/L <0.0005 <0.00001 <0.00001 <0.00001 <0.00001 <0.00001
Calcium, Ca mg/L 420 730 840 1900 n/a 12
Antimony, Sb mg/L 0.014 0.23 0.44 1.6 n/a 0.0019

 

Notes: grey highlighted entries indicate parameter concentrations that exceed presumed effluent quality limits.

 

Waste rock, tailings, and ore stockpile seepage are expected to account for the vast majority of loadings associated with mine contact water. Loadings from pit walls and general developed mine areas such as roads, laydowns, mill and camp area are expected to be small in comparison.

 

A mass balance approach was used for the water quality assessment. The POX facility, waste rock and tailings area and ore stockpile occupy half the contact water catchment as depicted in Figure 18-13. Accordingly, contact water that flow from those areas is expected to have constituent concentrations comparable to concentrations listed in Table 18-17. Therefore, the concentrations of the combined contact water collected would be a weighted average of source term concentrations and runoff from undeveloped mine areas.

 

  
Courageous Lake ProjectPage 270
Pre-feasibility Study and Preliminary Economic Assessment NI 43-101 Technical ReportJanuary 5, 2024
  

  

 

Constituents of potential concern were identified by comparing source term concentrations to water quality guidelines and to concentrations that are typically deemed to be acceptable in water licences in the NWT. The comparison was based on professional judgement rather than specific guideline concentrations or permitted discharge limits. The assimilative capacity of Courageous Lake was considered in the same manner. Effluent from the site was conservatively estimated to account for a maximum of 2.0% of the total flow in Courageous Lake at the proposed discharge location.

 

Concentrations that are of potential environmental concern are highlighted in Table 18-17. These include arsenic and antimony in waste rock, ore stockpile and tailings contact water and arsenic, cyanide and selenium in POX supernatant. A water treatment process that would remove these parameters from the contact water is proposed prior to discharge of the water to Courageous Lake (see Section 18.10.4). Concentrations of other dissolved metals are generally low.

 

The project would also require management of nitrogen nutrients (cyanide species, ammonia, nitrate and nitrate). Blasting of rock with ammonium nitrate fuel oil (ANFO) explosives leaves undetonated residues that contain ammonia, nitrate and nitrite, which reports to mine contact water (open pit water, waste rock and tailings seepage and runoff).

 

A more significant source of nitrogen species is the cyanide used in the POX gold extraction process. Cyanide is used to leach gold released from the pressure oxidized ore. Following gold extraction, the cyanide used in the process eventually reports to the neutralized POX tailings, which pass through a cyanide destruction circuit. Here, cyanide is oxidized to various nitrogen species including nitrate, cyanate and thiocyanate. Combined, the residual nitrogen species that report to waste rock and tailings seepage as well as supernatant from the POX facility is estimated to amount to 350 kg N/d, which corresponds to an annual average nitrogen concentration (all species) in the site contact water of 65 mg/L. Concentrations of such magnitude exceed generally acceptable discharge limit. Therefore, the project requires a water treatment process for removal of nitrogen.

 

800,000 m3 of saline water with a total dissolved solids content of 7,400 mg/L is expected to begin flowing to the open pit in the last year of mining. Although this water possibly could be collected and discharged to Courageous Lake, the plan for the PFS project is to store the water in the West Satellite Pit until the end of mining at which time the water would be pumped back to the open pit. Because of the elevated salinity (and higher density) the saline water would form a stable layer at the bottom of the pit lake that would endure in the post-closure period. Closure of the open pit is discussed further in Section 20.1.2.1.3.

 

18.10.4Water Treatment

 

As discussed in Section 18.9.3, water treatment for arsenic, antimony and nitrogen species will be required for the Courageous Lake Project. The proposed treatment processes includes:

 

A ferric co-precipitation process for removal of arsenic and antimony, and

 

Aerobic and anaerobic moving bed bioreactor (MBBR) processes for removal of nitrogen species.

 

Ferric co-precipitation is a standard process for removal of oxyanion species. The process works by dosing a ferric reagent (typically ferric sulphate) to the process water. At neutral pH, the ferric adds precipitates as ferric hydroxide (FeOH3), which is a red-brown (rust colored) amorphous solid or sludge. At neutral or slightly acidic pH, oxyanions adsorb to the ferric precipitates. These are then removed as sludge by settling and filtration. The sludge would be collected and disposed of in the POX facility or in a cell within the waste rock area.

 

  
Courageous Lake ProjectPage 271
Pre-feasibility Study and Preliminary Economic Assessment NI 43-101 Technical ReportJanuary 5, 2024
  

  

 

Moving bed bioreactors are tanks that are filled with a plastic media with a high surface area. The surface area is covered by a biofilm where various microorganisms live and thrive. In the aerobic MBBR process, the biofilm is populated by nitrifying organisms that derives energy from the conversion of cyanide, cyanate, thiocyanate and ammonia to nitrite and nitrate. In the anaerobic process, denitrifying bacteria convert nitrite and nitrate to nitrogen gas. This process is not energetically favorable so a source of organic carbon such as methanol or glucose must be added to promote the process.

 

The process works by pumping process water and nutrients into the reactors where it is treated by the moving (mixed) media. The aerobic process typically requires a source of phosphate and potassium, and air is sparged to the bottom of the tank by blowers to supply air to the nitrification process and for mixing of the media. In the anaerobic process, a source of carbon is added, and mixing is facilitated by agitators.

 

Figure 18-16 shows a process flow diagram for the water treatment process and Figure 18-17 shows equipment dimensions.

 

The first stage in the process is the addition of ferric co-precipitation for removal of arsenic and antimony. This is done in a ballasted clarifier unit that is constructed with self-contained mixing and flocculation tanks. Sludge removed from the clarifier is pumped to the POX facility for disposal.

 

After arsenic and antimony removal, the process water is pumped to two aerobic bioreactors where ammonia, cyanide, cyanate and thiocyanate are converted to nitrate. Micronutrients such as phosphate and potassium are added to promote growth of nitrifying bacteria and lime or soda ash is added to stabilize the pH. The process water flows by gravity to the anaerobic bioreactors where nitrate is converted to nitrogen gas. This stage is also expected to remove some selenium. Micronutrients and methanol (or some other carbon source) are added to the reactors.

 

The final stage in the process is an MBBR aerobic stage where the process water is aerated, and residual organic carbon and other nutrients are removed. From there, the treated water flows by gravity to an effluent pond or tank where the quality of the effluent is monitored before it is discharged through a diffuser in Courageous Lake.

 

  
Courageous Lake ProjectPage 272
Pre-feasibility Study and Preliminary Economic Assessment NI 43-101 Technical ReportJanuary 5, 2024
  

  

 

Figure 18-16: Courageous Lake Water Treatment Process Flow Diagram

 

 

 

Source: SRK, 2023.

 

  
Courageous Lake ProjectPage 273
Pre-feasibility Study and Preliminary Economic Assessment NI 43-101 Technical ReportJanuary 5, 2024
  

  

 

Figure 18-17: Courageous Lake Water Treatment Equipment Dimensions

 

 

 

Source: SRK, 2023.

 

  
Courageous Lake ProjectPage 274
Pre-feasibility Study and Preliminary Economic Assessment NI 43-101 Technical ReportJanuary 5, 2024
  

  

 

19MARKET STUDIES AND CONTRACTS

 

19.1Market Studies

 

No market studies or product valuations were completed as part of the 2024 PFS. Market price assumptions were based on a review of public information, industry consensus, standard practices, and specific information from comparable operations in the region.

 

Gold doré is widely traded and can be marketed directly from producer to refinery or through third-party trading entities. Seabridge was not provided with indicative refining, insurance, or transportation terms. Assumptions for metal payability, refining costs, transportation costs, and insurance costs were estimated based on a review of information from comparable recent studies. The assumed transportation and refining terms are summarized in Table 19-1 below, these refining and transport costs are deducted from the payable value of the metal to arrive at net smelter revenue (NSR). Refining and transportation terms and costs are influenced by global supply and demand and governed by mine and refinery economics based on metal prices and cost of operation. During operation, these terms may be based on variable annual negotiations, fixed rates, and/or market benchmarks.

 

Table 19-1: Summary of Assumed Doré Transportation and Refining Terms

 

Description Units Value
Payability – Au % 99.80
Transportation and refining cost C$/oz Au 5.0
Transportation Insurance % (of NSR) 0.15

 

19.2Commodity Price Projections

 

Project economics were estimated based on a 3-year trailing average gold price of $1,850/oz and a consensus long term forecast forex (FX) of 0.74 US$/C$. These values are consistent with historic prices, shown in Table 19-2. The QP also considers the prices used in this study to be consistent with the range of prices being used for other project studies.

 

Table 19-2: Summary of Historic Commodity Pricing

 

Description Units Project Assumption 1-Year Average 2-Year Average
Gold Price US$/oz Au 1,850 1,927 1,845
Exchange Rate (FX) US$/C$ 0.74 0.74 0.76

 

Source: Capital IQ Dec. 7, 2023.

 

19.3Contracts

 

No contracts for the transportation or off-take of the gold doré are currently in place, but if they are negotiated, they are expected to be within industry norms. Similarly, there are no contracts currently in place for the supply of reagents, equipment, utilities, labour, or bulk commodities required to construct and operate the Project.

 

  
Courageous Lake ProjectPage 275
Pre-feasibility Study and Preliminary Economic Assessment NI 43-101 Technical ReportJanuary 5, 2024
  

  

 

20ENVIRONMENTAL STUDIES, PERMITTING, AND SOCIAL OR COMMUNITY IMPACT

 

Courageous Lake is located on lands within the Treaty 11 Claim, the Akaitcho Traditional Territory, the Wek’èezhìi Resource Management Area, and the Monwhi Gogha De Nittaee Areas of the Tłı̨chǫ Land Claim Agreement, as well as the North Slave Métis traditional lands. The traditional lands of the NWT Métis Nation lie to the east of the property. Seabridge has actively engaged with Tłı̨chǫ Government, the Yellowknives Dene First Nation (YKDFN), Lutselk’e Dene First Nation (LKDFN), North Slave Métis Alliance (NSMA) and NWT Métis Nation (NWTMN) since acquiring the property.

 

The Courageous Lake property is characterized by undulating hills to the west and flat terrain to the east with associated tundra vegetation and exposed bedrock cover. A low-lying marshy area is associated with Matthews Creek that flows from Matthews Lake across the Courageous Lake deposit in a northwesterly direction to join Courageous Lake. Matthews Creek is the only discharge out of the Matthews Lake drainage basin.

 

The property is located north of the tree line in the zone of continuous permafrost. An esker complex, or long ridges composed of stratified sand and gravel, is situated on the north shore of Matthews Lake. Lakes and streams contain a variety of fish species, including: arctic grayling, lake trout, round whitefish, lake whitefish, northern pike, lake cisco, longnose sucker, burbot, brooke and ninespine stickleback, and slimy and spoonhead sculpin. Caribou, moose, grizzly bear, wolves, foxes, ground squirrels, migratory birds, raptors, and waterfowl have all been observed in the project area. The project area is located within the historic spring migration range for the Bathurst herd however caribou usage of the area varies by year and season. Due to the recent shift of the Bathurst herd to wintering on the tundra (rather than below the treeline) caribou may be observed during winter period and the spring migration may no longer cross the area.

 

Though the area is remote, the reclaimed Salmita and Tundra Mines are located a few kilometers to the southeast of the project area, and the reclaimed Courageous Lake underground exploration site and the flooded RED24 bulk sample open pit are located northwest and west of camp respectively. The active Diavik and EKATI diamond mines are 75 km northeast of the project site. The Tibbitt to Contwoyto winter ice road connects Yellowknife, NWT, with these mines 2 months each winter. For the purposes of this study, it is assumed that the Project will establish a spur road to the project area connect to the seasonal winter road.

 

20.1Environmental Considerations

 

The Courageous Lake Project area has been subject to regional environmental studies since 1983. The West Kitikmeot Slave Study (WKSS) collected extensive environmental information from 1996 to 2001. An update of the report was done in 2007. The WKSS investigated Traditional Knowledge (TK) and environmental issues in relation to proposed and existing developments in the Slave Geological province. In 2000 to 2002 a consortium of mining companies conducted a major environmental investigation of the Tibbitt to Contwoyto Winter Road alignment and surrounding area.

 

In 2004, Seabridge began to collect environmental data including archaeology, aquatic resources, water quality, hydrology and wildlife. In 2010 Seabridge engaged Rescan, a Yellowknife-based consulting firm with extensive mining-related EA experience in Canada, and the program was expanded and included: air quality, noise, meteorology, hydrology, hydrogeology, aquatic resources, fish and fish habitat, terrain and soils, vegetation and ecosystem mapping, wildlife, wetlands, and archaeology. Since 2012, ERM Consultants Canada Ltd (having acquired Rescan) continued limited baseline and environmental monitoring of meteorology, wildlife (a wildlife camera program), hydrology, and water quality to address information required to further advance the Project.

 

  
Courageous Lake ProjectPage 276
Pre-feasibility Study and Preliminary Economic Assessment NI 43-101 Technical ReportJanuary 5, 2024
  

  

 

20.1.1Baseline and Supporting Studies

 

20.1.1.1Climate

 

The Courageous Lake Project is located in northern Canada, 240 km northeast of Yellowknife. Site elevation is 409 m above mean sea level. The meteorology station, located next to Matthews Creek, and the camp have collected data since 2007, which is summarized in Table 20.2 (ERM, 2020). Temperatures range from -44.4°C to +28.5°C; with an average daily mean temperature of -8.6°C. The annual average wind speed is 4.5 m/s with maximum gusts of 21.5 m/s. Average daily mean barometric pressure was 1,013 hPa during 2008 to 2019.

 

Precipitation at the Courageous Lake Project is relatively low, with the majority of precipitation occurring during the summer months. Total annual water equivalent precipitation recorded at the site between 2008 and 2019 averaged

221.5 mm (ERM, 2020). Average annual monthly precipitation was 18.5 mm. Regionally, the average snow depth between October and April ranges between 7-31 cm at Cambridge Bay and between 2-39 cm at Yellowknife (Environment Canada, 2010). Solar radiation ranges from 3 W/m2 in December to 277 W/m2 in May at Courageous Lake.

 

  
Courageous Lake ProjectPage 277
Pre-feasibility Study and Preliminary Economic Assessment NI 43-101 Technical ReportJanuary 5, 2024
  

  

 

Table 20-1: Summary of Matthews Creek Station Meteorological Observations

 

Parameter Jan Feb Mar Apr May Jun Jul Aug Sep Oct Nov Dec Annual
Wind
Average Wind Speed (m/s) 4.65 4.31 4.56 4.74 4.8 4.61 4.39 4.38 5.05 4.69 4.08 3.89 4.51
Average Daily Maximum Wind Gust (m/s) 9.79 9.39 9.15 9.4 9.93 10.22 10.22 9.62 10.86 9.51 8.79 7.94 9.57
Extreme Maximum Wind Gust (m/s) 20.74 22.91 22.83 26.24 22.05 17.99 21.23 22.5 23.4 18.62 21.21 17.84 21.46
Air Temperature
Extreme Daily Maximum Temperature (°C) -3.3 -3.7 1.4 6.5 21.1 27.9 28.5 28.3 20.5 10.4 1.5 0 11.6
Average Daily Maximum (°C) -23.4 -22.4 -16.8 -9.9 2.9 14.2 19 16.5 8.4 -2.4 -14 -21.5 -4.1
Average Daily Mean (°C) -27.5 -27.5 -23.1 -14.9 -2.4 9.6 14.1 12 4.8 -4.9 -17.2 -25.6 -8.6
Average Daily Minimum (°C) -31.5 -31.3 -27.3 -21.1 -6.6 3.8 9.2 7.6 1.5 -7.8 -21.9 -28.9 -12.9
Extreme Daily Minimum Temperature (°C) -43.4 -42.9 -44.4 -37.7 -25.8 -5.6 1.7 -2.2 -9.3 -25 -38 -42.3 -26.2
Relative Humidity
Average Daily Maximum (%) 95.9 94.2 97.5 98.7 96.7 99.2 94.6 97.2 99.2 99.6 98.2 96.2 97.3
Average Daily Mean (%) 76.6 76.5 78.4 82.6 80.7 69.3 68.6 75.6 82.7 90.1 85.9 78.3 78.8
Average Daily Minimum (%) 61.6 62.1 60.7 68.2 42.6 39.5 45.6 50.9 62.3 71.1 70.6 54 57.4
Barometric Pressure
Average Daily Maximum (hPa) 1,037 1,036 1,038 1,036 1,031 1,030 1,026 1,027 1,027 1,032 1,040 1,043 1,034
Average Daily Mean (hPa) 1,013 1,014 1,015 1,015 1,017 1,012 1,011 1,011 1,010 1,011 1,010 1,013 1,013
Average Daily Minimum (hPa) 981 985 981 982 998 991 996 993 988 985 979 979 987
Incident Solar Radiation
Average Daily Total (W/m²) 8 35 112 226 277 260 232 168 90 37 12 4 122
Average Daily Maximum (W/m²) 40 113 215 322 397 378 372 295 193 108 49 15 208
Average Daily Minimum (W/m²) 1 7 23 107 75 59 32 25 10 8 2 1 29
Water-Equivalent Precipitation
Average Monthly Total (mm) 3.2 5.7 12.3 11.3 12.6 26.2 35 46.5 37.8 29.5 0.5 0.9 18.5
Average Daily Total (mm) 0.1 0.2 0.4 0.4 0.4 0.9 1.1 1.5 1.3 1 0 0 0.6
Extreme Daily Maximum (mm) 7.7 10.4 58.5 47.3 19.5 30.6 15 26.7 62.7 25.5 1 1.9 24.9

 

Note: Average values based on hourly and daily data from January 1, 2008 to June 30, 2019.

 

  
Courageous Lake ProjectPage 278
Pre-feasibility Study and Preliminary Economic Assessment NI 43-101 Technical ReportJanuary 5, 2024
  

  

 

20.1.1.2Terrain, Soils, Geology and Geochemistry

 

Periodic changes in the global climate of the Quaternary period (two million to 8.5 thousand years ago) induced four major glaciations. As a result, a vast majority of the study area is now covered by a veneer of till, an unsorted mixture of coarse angular to sub-angular rock fragments in a finer matrix of silty-clayey material, which has been deposited by the last glacial ice sheet. Drumlins (hills created by the movement of ice over till material) are also a common feature of the study area. Glacial till has been occasionally overlain by glaciolacustrine or glaciomarine materials. Sandy or gravelly materials formed by melt-water streams remained in the area in the form of esker complexes deposited over glacial till or bedrock.

 

Rescan conducted soil field surveys in 2010 and 2011. The results of the preliminary terrain and soil study in the Courageous Lake area suggest that the site geomorphological and soil characteristics reflect typical features of the Arctic tundra environment (Rescan, 2012f). One quarter of the study area is comprised of lakes. The land is dominated by gently undulating landscapes and rolling topography. The average slope throughout the land portion of the study area is 6.9%. Steep slopes are rare and are generally confined to the southern part of the study area.

 

Morainal, glaciofluvial, and organic deposits dominated the study area. Coarser textured glaciofluvial deposits were scattered over the higher relief areas; whereas finer textured morainal deposits were found in all slope positions. Organic materials had accumulated in valley bottoms and on plains in depressional areas.

 

A total of 240 soil sites were established and 140 soil samples were collected across 65 of the sites (Rescan, 2012f). This work showed that the rates of soil development are very slow in the study area. Only peat-derived organic materials accumulate relatively fast. Consistently low temperatures and annual freeze-thaw cycles lead to the formation of permafrost in the soils and contribute to a suite of soil-forming processes known as cryoturbation. The dominant soils in the study area are classified as Cryosols, Regosols, and Brunisols. Other less common soils are Gleysols. Analytical results indicate that the soils in the study area are mildly acidic and, with the exception of organic soils, generally have low organic carbon content. 29% of soils are characterized by low erosion potential, 38% by moderate erosion potential, and 33% by high erosion potential.

 

Most soils in the mine site area are moderately coarse textured (sandy loams and loams) and are mainly associated with morainal deposits found in all slope positions. Coarser textured glaciofluvial deposits are scattered over the high relief areas. Organic materials have accumulated in valley bottoms and on plains in depressional areas. Due to low temperatures, soil development is very slow and soils have low carbon development in the top 10 cm, and 89% of soils were classified as Cryosols. Most soils do not show evidence of significant erosional processes when undisturbed. Soil salvage, stockpiling and cover placement during reclamation will consider these soil characteristics.

 

20.1.1.3Geochemical Source Terms

 

Seabridge retained SRK Consulting (Canada) Inc. (SRK) to complete technical assessments for the PFS update, including:

 

geochemical characterization of mined material including waste rock, tailings, and pressure oxidized ore residuals; and

 

development of geochemical source terms.

 

  
Courageous Lake ProjectPage 279
Pre-feasibility Study and Preliminary Economic Assessment NI 43-101 Technical ReportJanuary 5, 2024
  

  

 

The characterization of geological materials and definition of geochemical source terms is important for developing and understanding of the project effects on water quality during all phases of mine development and into post-closure, such that effective water treatment requirements can be designed, costed and implemented.

 

20.1.1.3.1Waste Rock

 

The current understanding of the metal leaching and acid rock drainage (ML/AR) potential characteristics of waste rock at Courageous Lake is based on acid-base accounting (ABA) data for 69 rock core samples, eight waste rock and one low-grade ore humidity cell tests (HCTs, operated for 72 to 108 weeks) and three on-site barrels (leachates collected eight times from June 2011 to June. The humidity cells were discontinued but the barrels remain intact. This database is complemented by the multi-element geochemical database which in 2012 included data for nearly 15,000 intervals classified as waste rock. Sulphur content was analyzed for these samples.

 

The ABA data indicated that waste rock samples were classified as non-potentially acid generating (non-PAG). The ABA data indicated a strong negative relationship between sulphur content and ARD potential indicated by neutralization potential (NP) to acid potential (AP) ratio (NPR). The relationship was used to classify exploration drill core samples using the sulphur content. 98.8% of samples were classified as non-PAG. On this basis, it was concluded waste rock is non-PAG. ARD potential is greater in the ore due to higher sulphide content compared to waste rock. Ore is classified as having uncertain ARD potential based on NPR<3 in some samples.

 

Arsenic is enriched in the waste when compared to global average crustal values. Concentrations range from below 10 mg/kg up to 1%. Arsenic occurs as arsenopyrite and arsenian pyrite. Leachability of arsenic was confirmed by the HCTs (concentrations up to 0.7 mg/L) and barrels (concentrations up to 0.3 mg/L).

 

Based on the geochemical characterization data, the following concepts were carried through to the source terms:

 

ARD potential is negligible. The source term does not need to consider acidification of waste rock.

 

Arsenic is the only trace element that is considered enriched and needs specific consideration in the waste rock source term.

 

20.1.1.3.2Flotation Tailings

 

The geochemical characteristics of one sample of rougher flotation tailings is available. The sample contained 0.02% total sulphur which based on undetectable sulphate occurs as sulphide. Due to a carbonate concentration of 70 kg CaCO3/t, the tailings are classified as non-PAG. The sample contained arsenic at 183 mg/kg and unquantified traces of arsenopyrite and pyrrhotite. Source terms were derived for runoff from beach faces and infiltration into the beach of the tailing storage facility. The runoff term indicates concentrations consistent with the negligible sulphide content. The infiltration term yielded unrealistically high concentrations which could be refined by modelling of water content, freeze back and oxygen diffusion.

 

20.1.1.3.3POX Residuals

 

The composition of the POX residual supernatant was estimated based on geochemical testwork and data from analogous operations.

 

  
Courageous Lake ProjectPage 280
Pre-feasibility Study and Preliminary Economic Assessment NI 43-101 Technical ReportJanuary 5, 2024
  

  

 

20.1.1.4Water Resources

 

20.1.1.4.1 Water Flow

 

The Arctic region is composed of vegetated tundra slopes dotted with lakes and wetland fens. Hydrologic processes are dominated by snow accumulation and melt, surface runoff, stream flow, and lake hydrology. Most of the annual runoff occurs during freshet and is derived from the melting snow pack. Late August and September precipitation events can also produce moderate runoff. Following freshet, a period of low flows typically extends through July and August. Due to the presence of permafrost, there is little to no groundwater support for smaller streams, although there may be interaction between groundwater systems and larger rivers and/or lakes through taliks or openings in the permafrost. As a result, baseflow in streams is low and supported only by flow through the shallow upper active layer of the soil profile (i.e. the only part of the soil profile that melts in the summer months), and by the release of lake storage from any upstream lakes (Woo, 1990).

 

Matthews Creek flows over the Courageous Lake deposit. It is therefore necessary to determine the hydrology of the creek in the event of its diversion. A hydrometric station was established at Matthews Creek in 2005 by Hay and Company Consultants (Hayco), a division of EBA. This station, along with a station on Courageous Lake, were monitored by Rescan in 2010 and 2011 (Rescan, 2012e). Between 2005 and 2011, runoff for Matthews Creek has ranged from 96 mm to 60 mm and annual peak flows have ranged from 1.36 m3/s to 0.56 m3/s (EBA, 2010; Rescan, 2012e). The highest discharges during freshet likely preceded the re-installation of stage monitoring instrumentation each year due to access constraints (EBA, 2008; Rescan, 2012e). At Courageous Lake, the annual peak flow was estimated at 35.2 m3/s. As demonstrated by the hydrographs for Matthews Creek and Courageous Lake, the hydrologic information collected over the summer monitoring period clearly demonstrates the seasonal reduction in water levels and related flow discharges following the spring freshet period. Monitored runoff totals were relatively low compared to other areas of Canada, but reasonable for this region where normal runoff is in the order of 100 mm annually (Natural Resources Canada [NRCAN], 1978). Low flows in the Arctic can occur at two different times of year depending on the size of the river and its drainage area. Smaller streams reach their lowest flows in the open water season in summer or early fall, and then produce no water flows throughout the winter as cold temperatures and low flows cause the streams to freeze to the channel bottom. It is expected that most streams in the project area, including Matthews Creek, cease to flow over the winter. Larger rivers may produce flow year-round and reach their lowest flows during late winter (e.g. April or May).

 

20.1.1.4.2Water Quality

 

Lake water quality data were collected in the project area in 1983 in association with the Tundra and Salmita mines (Kanik and Villamere, 1983; as cited in EBA, 2003). Lake water quality samples were also collected by EBA for Seabridge in 2004 and 2005. In the summer of 2010 and 2011, Rescan conducted extensive water quality sampling, collecting data from streams and lakes in the study area (Rescan, 2012a). Data has also been collected by CIRNAC between 2016 and 2022 as part of the Tundra Mine remediation and post-closure monitoring program The data from these studies indicate that the lakes in the area were characterized as clear, oligotrophic, low TDS, and had slightly acidic to slightly alkaline water. These characteristics are typical for lakes in the Slave Geological Province. Water quality differences among the lakes were largely related to lake morphometry. Deep lakes generally had lower concentrations of all water quality variables, while shallow lakes tended to have higher dissolved- and/or particulate related water quality variables. This relationship occurred due to the increased interaction of the sediments with the overlying water in shallow lakes, which resulted in higher and more variable nutrient and metal concentrations.

 

  
Courageous Lake ProjectPage 281
Pre-feasibility Study and Preliminary Economic Assessment NI 43-101 Technical ReportJanuary 5, 2024
  

  

 

Stream data collected by Rescan in 2010 and 2011 indicated that water quality in the study area streams was typical of tundra ecosystems, having low TDS, low alkalinity, and low nutrients, with pH ranging from slightly acidic to slightly alkaline.

 

Lake sediment data was collected in 1983 by Kanik and Villamere (1983; as cited in EBA, 2003, and Miller, et.al, 2019), and by Rescan in 2010 and 2011 (Rescan, 2012a). Sediment quality was driven largely by particle composition. Most lakes had silty sediments with a few sites having higher sand content. Since metals tend to bind to silt and clay more than they do to sand, the sites with the higher silt/clay content generally had higher metal concentrations than at the sandy locations. A comparison of sediment quality data to the CCME Sediment Quality Guidelines for the Protection of Aquatic Life indicated that lakes in the study area tended to have high arsenic levels. This suggests that high arsenic levels are common and natural in the study area sediments, most likely due to natural weathering of arsenic-bearing host rock in the area.

 

20.1.1.4.3Fisheries

 

Fish and fish habitat assessments were described in relation to the Salmita Mine by Hatfield (1982; as cited in EBA, 2003) and Kanik and Villamere (1983; as cited in EBA, 2003). A fish habitat survey was conducted for Matthews Creek in 2004 (EBA). Monitoring of fish habitat compensation work was carried out at Matthews Lake and Sandy Lake between 2005 and 2008 (Dillon, 2009). In 2010 and 2011, Rescan completed an extensive baseline program to assess lakes and streams to the north, east, south, and west of the Courageous Lake deposit; 18 streams and 66 lakes were sampled (Rescan, 2012c). These studies found that many lakes in the project area are not fish-bearing as they are small and shallow. The larger lakes with extensive shallow, littoral zones and large areas of deep water contained the largest number and most diverse fish communities.

 

Streams in the area generally contained poor to fair fish habitat, with the exception of Matthews Creek and other larger streams. These streams contained ample cover and substrate for spawning and rearing. Pools, which are critical for overwintering and provide cover to fishes, were uncommon. Riffles and glides were common habitats in streams.

 

A total of 13 fish species were captured in lakes and streams since 1983, including: Arctic grayling, lake trout, round whitefish, lake whitefish, northern pike, lake cisco, longnose sucker, lake chub, burbot, brooke and ninespine stickleback, and slimy and spoonhead sculpin. Of these species, lake cisco, lake trout, lake whitefish, and round whitefish were predominantly found in lakes. Low species diversity was observed in the lake fish communities. Matthews Creek provides spawning and nursery habitat for Arctic grayling, northern pike, longnose sucker, slimy sculpin and burbot. None of the fish species or populations near Courageous Lake are listed under the Committee on the Status of Endangered Wildlife in Canada (COSEWIC).

 

20.1.1.4.4Ecosystems, Vegetation and Wetlands

 

Rescan conducted Terrestrial Ecosystem Mapping (TEM) baseline surveys in the summers of 2010 and 2011 (Rescan 2012g). The baseline analysis indicates that the area is dominated by upland tundra ecosystems (49% by area) and wetland fens (5%). In the 13 ecosystems that were identified during the TEM surveys, there were 134 commonly occurring plant species. No invasive plants were identified. A survey completed in 2011 for rare plants identified a total of 734 vascular plant, bryophyte, and lichen species in the study area, of which 58 are tracked by the NWT General Status Ranking Program (Government of Northwest Territories – Department of Environment and Natural Resources [GNWT ENR], 2010). No species having federal status (Committee on the Status of Endangered Wildlife in Canada [COSEWIC]; Species at Risk Act [SARA]) were recorded in the study area.

 

  
Courageous Lake ProjectPage 282
Pre-feasibility Study and Preliminary Economic Assessment NI 43-101 Technical ReportJanuary 5, 2024
  

  

 

Terrestrial ecosystem mapping indicated that the most common ecosystem association was Scrub Birch – Labrador Tea Tundra, followed by Scrub Birch – Crowberry Tundra and Mixed Sedge – Sheathed Cottongrass.

 

Wetland studies were completed in the Courageous Lake Project area by Rescan in 2010 and 2011 (Rescan, 2012i). Within the study area, wetlands cover 16% of the landscape. The five federally described wetland classes were observed; fens and bogs were the most common. One hundred plant species representing 65 genera were identified during the field surveys. The most common types of vascular plants observed were sedges, dwarf shrubs, shrubs, and cotton grasses. The common bryophytes included Sphagnum species and hook mosses.

 

20.1.1.5Wildlife and Wildlife Habitat

 

20.1.1.5.1Caribou

 

Historically the Bathurst caribou herd passed through the Project area during both its spring and fall migrations (Gunn et al., 2002) between its wintering grounds below the treeline and its calving grounds near the Arctic coast. This pattern of movement was also observed by Kanik and Villamere (1983; as cited in EBA, 2003) who noted herds of up to 2,000 to 3,000 animals in the area during their work in 1981 to 1983. Indications are that the Bathurst herd has declined from 472,000 ± 72,900 animals in 1986 (Heard and Williams, 1991) to 31,900 ± 11,000 in 2009 (Nishi et al., 2007; GNWT ENR, 2009; GNWT ENR, 2010), and 6,240 animals in 2021 (GNWT ENR 2021). Barren-ground caribou are currently listed under the Species at Risk (NWT) Act and by the Committee on the Status of Endangered Wildlife in Canada (COSEWIC) as a “threatened” species in the NWT.

 

Aerial surveys were flown in 2004 and 2005 by EBA. Caribou abundance within the study area was lower during July and November surveys than compared to the September survey period when the caribou were moving through the study area toward the treeline to the south (TJS Mining-Met Services et al., 2005). Rescan conducted aerial surveys in May 2012, and observed caribou moving through the study area toward the calving grounds to the north. In 2010 and 2011, Rescan mapped historical movements of the Bathurst herd from GPS collar data collected by GNWT ENR from 1996 to 2010 for the Bathurst caribou herd and used remote digital cameras throughout the study area to document caribou movement. The collar maps indicated that the Bathurst herd generally passes through or at the edge of the Courageous Lake Property during seasonal migration periods en route between calving and overwintering destinations. The exact migratory route and overwintering locations vary year by year (Rescan, 2012j). Caribou trails were evident with crossings at Nodinka Narrows across MacKay Lake to the south of the project area and to the north along the southeast edge of Courageous Lake and suggest the general pattern of movement appears to be on a northwest/southeast axis through in the project area.

 

Seabridge has undertaken wildlife camera studies since 2010 to monitor the timing, abundance, and location of caribou within the Project area, and to examine their use of areas identified through mapping of caribou trails in 2010. A passive camera monitoring method was selected in lieu of low-level aerial surveys to reduce disturbance to caribou. The study area extends 60 km north to south and 40 km east to west centered on the Matthews Lake camp and has averaged more than 60 cameras deployed each year since the study began.

 

  
Courageous Lake ProjectPage 283
Pre-feasibility Study and Preliminary Economic Assessment NI 43-101 Technical ReportJanuary 5, 2024
  

  

 

Cameras recorded 6,132 caribou in 1,398 caribou photo events during 53,121 active camera days over the 52 months of the study reported here (between 2019 and 2023), excepting the Covid period of 2020-2021 (ERM 2023). Caribou continue to winter in the vicinity of the Courageous Lake Project. Most caribou photo events were images of single individuals or small groups less than 30 caribou. Caribou calves were not recorded during the calving, or post-calving seasons in the area around the Courageous Lake Project. Caribou observed in the Project area during the calving season were generally male or sub-adult caribou and no calves were observed, suggesting that the pattern of caribou not calving in the Courageous Lake area continues (ERM 2019, ERM 2020, ERM 2023).

 

The camera results suggest that some seasonal patterns are changing. At the beginning of the study (2010 to 2012) the majority of caribou were observed in the summer, late summer and pre-rut periods as they moved southward to the treeline. Beginning in about 2016, caribou were observed over-wintering above tree-line rather than below treeline some years. These camera observations are consistent with collar data that show similar winter patterns. When the caribou wintered below treeline their northward spring migration passed through the Courageous Lake area enroute to the calving grounds at Bathurst, but more recently when the herd spends winter above treeline it no longer passes through the Courageous Lake on its spring migration. Some caribou have been observed in the Project area during the calving season, but were generally male or sub-adult caribou and no calves have been observed, suggesting that the pattern of caribou not calving in the Courageous Lake area continues (ERM 2019, ERM 2020, ERM 2023).

 

20.1.1.5.2Mammals

 

Several species of carnivorous mammals occur in the Courageous Lake area including grizzly bear, wolf, and wolverine. Other mammals such as moose, muskox, arctic fox, red fox, short-tailed weasel, Arctic ground squirrel, and Arctic hare are also common and have been documented on incidental logs.

 

Prior to 2004, no official grizzly bear surveys had been undertaken, though incidental sightings of grizzlies had been recorded for the region (Kanik and Villamere, 1983; as cited in EBA, 2003). Aerial and ground surveys were conducted in 2004 by EBA to document grizzly bear dens occurring on eskers and other glaciofluvial deposits within the study area. Seven grizzly bears, two new dens, and three old dens were documented in 2004. In 2005, aerial surveys and ground checks were conducted incidentally during other surveys; five bears were observed, and one old bear den that was not previously noted in 2004 was recorded (TJS Mining-Met Services et al., 2005). Dens not associated with a prominent esker are located in a mound of glacial-fluvial sediment that facilitate digging. Observations of wolves, wolf activity, and wolf dens were documented incidentally during other wildlife surveys done by EBA in 2004 and 2005. In 2004, one active den site and one inactive den site were documented. In addition, 24 observations of wolf signs were recorded including daybeds, scat, and tracks. In 2005, the same active den site that was recorded in 2004 was being used again. In addition, two old wolf den sites were found in 2005. Two adult wolves were observed during other wildlife work and were recorded as incidental observations.

 

  
Courageous Lake ProjectPage 284
Pre-feasibility Study and Preliminary Economic Assessment NI 43-101 Technical ReportJanuary 5, 2024
  

  

 

20.1.1.5.3Small Mammals and Birds

 

Rescan conducted small mammal trapping in 2010 to identify species present and monitor relative abundance as an index of prey availability. Only red-backed voles were observed (Rescan, 2012j). Raptor cliff nesting habitat was assessed during aerial surveys in 2010 and 2011 (Rescan, 2012j) to identify active nesting sites and assess the presence and distribution of raptor species. Nest occupancy surveys were conducted for raptors. The majority of raptors and habitat were located outside of the project area, with the greatest concentration of suitable habitat and nests occurring south of MacKay Lake and Warburton Bay (Rescan, 2012j). Two raptor species of conservation concern were observed during aerial surveys: the peregrine falcon and the short-eared owl. The short-eared owl is listed as “sensitive” by the NWT and “special concern” by COSEWIC (2022) while the peregrine falcon is listed as “sensitive” by the NWT and “special concern” on the SARA (2022, c.29) Schedule 3.

 

Rescan conducted water dependent bird (waterbird) aerial transects and ground surveys in 2010 and 2011 to document species present and to identify important habitat. Canada geese were the most abundant waterbird species observed, followed by snow geese, greater white-fronted geese and tundra swans. Seven waterbird species are listed as Sensitive in the NWT: black scoter, horned grebe, lesser scaup, long-tailed duck, yellow-billed loon, white-winged scoter and northern pintail. The horned grebe is also federally considered as a species of “special concern” by COSEWIC (2009). In general, total detections and total species of waterbirds were higher during the fall staging surveys. Geese exhibited a preference for the north shore of Courageous Lake; whereas, diving and dabbling ducks were scattered frequently throughout various lakes in the project area. Habitat documentation revealed that waterbird staging observations were associated largely with lakes, which highlights the importance of large lakes for supporting migrating birds in the area (Rescan, 2012j).

 

Baseline studies were conducted by Rescan for upland breeding birds (i.e., passerines, shorebirds, ptarmigan, and jaeger) in 2011 to characterize biodiversity, distribution, and community habitat use. The most frequently observed species were American tree sparrow, followed by Lapland longspur, savannah sparrow, and Harris’s sparrow. Of the 29 upland breeding bird species observed, five are listed as Sensitive by the NWT General Status Ranking Program (NWT ENR): American golden-plover, Harris’s sparrow, red-necked phalarope, rusty blackbird, and semipalmated sandpiper. The rusty blackbird, Harris’ sparrow, and red-necked phalarope are also federally listed on Schedule I as populations of Special Concern under the SARA.

 

Radar surveys and accompanying audio-visual surveys were conducted in 2011 to assess the behaviour of avian species migrating at night. Migration movements of 14 species were confirmed during the fall, including one waterbird, two raptors, two shorebirds, and nine passerines.

 

20.1.1.6Air Quality and Noise

 

A dustfall sampling program was conducted for three months from July to September of 2010. Dustfall samples were analyzed for total dustfall, soluble dustfall, insoluble dustfall, sulphate, nitrate, various anions, and total metals. Alberta criteria were used for comparison because there are no dustfall objectives in the NWT. Total dustfall values at Courageous Lake were in conformance with the Alberta criteria for commercial and industrial areas. However, the Alberta criteria for residential and recreational areas were exceeded at multiple stations throughout the sampling period (Rescan, 2011).

 

Baseline noise sampling was conducted during summer (August) and fall (September) 2010 at locations within the habitat of potentially sensitive wildlife receptors. The 24-hour 90th percentile logarithmic average noise levels from the six sampling locations varied from 15 to 46 dBA and were used to exclude noise caused by helicopters and aircraft active during exploration in the area (Rescan, 2012d) for baseline records.

 

  
Courageous Lake ProjectPage 285
Pre-feasibility Study and Preliminary Economic Assessment NI 43-101 Technical ReportJanuary 5, 2024
  

  

 

20.1.1.7Visual and Aesthetic Resources

 

The site is remote from human habitation and only accessible by aircraft in summer, and aircraft or ice road in winter. Existing landscape features in the study area were documented in the winter and summer of 2011 (Rescan, 2012h).

 

The Project is located 3 km south of a recreational surface lease that was associated with a commercial fishing and hunting camp located on the north shore of the east arm of Courageous Lake. The camp has not been active for over twelve years and the tents/facilities are in very poor condition. The lease holder previously approached Seabridge to purchase the lease and associated facilities and equipment.

 

20.1.1.8Archaeological and Heritage Resources

 

The project area contains many areas considered to have high archaeological potential. Prehistoric, historic, and traditional sites occur throughout the study area and most are associated with slightly elevated terrain adjacent to medium and large lakes, on knolls, and on eskers. Seabridge conducts “pre-clearance” archaeological surveys prior to conducting drill programs or other activities that may result in a surface disturbance.

 

A total of over 100 archaeological sites have been recorded in the study area during five years (2003, 2010, 2011, 2012 and 2022) of baseline studies. Archaeological assessment of the property was initially conducted by Points West Heritage Consulting Ltd. (Points West) in 2003 for Seabridge under NWT Archaeological Permit 2003-943. Further work was undertaken by Rescan in 2010 under permit 2010-015, and in 2011 under permit 2011-006 (Rescan, 2012b), and by ERM Consultants Canada Ltd. during 2012, 2013, 2018 Archaeological surveys of the Courageous Lake property were initiated in 2003 and have continued through 2022. As a result of this work, over 175 archaeological and heritage sites have been documented in the area (Bussey 2003; Seip et al. 2011, 2012, Seip and Campbell 2013, Seip and Walker 2013, Le Beau and Walker 2019) and (ERM 2023).

 

The known archaeological sites have been compiled into a GIS database with protective set-backs that range from 25 to 100m depending on the type of site. All archaeological sites including set-backs have been reported to the GNWT Prince of Wales Northern Heritage Centre and approved.

 

Prior to development of the Project all known sites within and adject to the project footprint will need to be revisited and a plan developed for mitigation, if required. This will be completed and approved as part of the Environmental Assessment process.

 

In 2022, ERM Consultants Canada Ltd., conducted a Systematic Data Recovery, and mitigation work at archaeological site LaNv-20. Site LaNv-20 was discovered in 2010 within and adjacent to the Mathews Lake Camp (which was established in the 1980’s by previous companies). In 2022 seven evaluative units (EUs - small excavations) and a site survey were conducted, resulting in collection of 211 chipped stone quartzite artifacts, including 131 from 6 EUs, and 80 surface finds collected from 25 locations within the site boundary. Artifacts collected include 12 tools and 199 pieces of debitage. The archaeologist recommended that activities could continue at the camp, however, if the footprint of the camp were to expand additional surveys and mitigative work would be required.

 

  
Courageous Lake ProjectPage 286
Pre-feasibility Study and Preliminary Economic Assessment NI 43-101 Technical ReportJanuary 5, 2024
  

  

 

Of the over 175 archaeological sites recorded during the span of 20 years of baseline studies, most sites contained non-diagnostic artifacts or features; however, based on diagnostic artifacts located, 18 sites have been tentatively associated with known cultural periods:

 

One site has been tentatively identified as a Shield Archaic site (5,000 – 3,000 B.P.)

 

Four sites contain artifacts that have been tentatively identified as Arctic Small Tool tradition artifacts associated with pre-Dorset and Canadian Tundra sites (3,500 – 2,500 B.P.)

 

Twelve sites have been tentatively identified as Taltheilei sites (2,500 – 200 B.P.)

 

One site had both Shield Archaic and Taltheilei artifacts.

 

20.1.1.9Traditional Use and Traditional Land Use

 

The Courageous Lake Project is within the traditional lands of the Treaty 11 Claim, the Akaitcho Traditional Territory, the Wek’èezhìi Resource Management Area and the Monwhi Gogha De Nittaee Areas of the Tłı̨chǫ Land Claim Agreement, as well as the North Slave Métis traditional lands. The traditional lands of the NWT Métis Nation lie to the east of the property There are no permanent communities in the vicinity of the project area. The Tłı̨chǫ community of Wekweètì, situated 140 km to the west of the site, with a population of 129 in 2016, is the closest community.

 

Other Aboriginal communities include Lutselk’e on Great Slave Lake, 200 km south of the Project, N’dilo in Yellowknife, and Dettah 20 km north of Yellowknife.

 

Seabridge initiated discussions in 2010 with Indigenous groups who traditionally used the Courageous Lake area to discuss with each group how they would like their Traditional Knowledge (TK) collected and used to support an environment assessment program that was proposed at the time. As part of the dialogue, elders from each group with knowledge of the Courageous Lake area were brought to site in 2010, 2011, and 2012 to spend time together on the land.

 

Caribou trails, travel corridors, and crossing points were mapped by Seabridge through aerial surveys conducted in 2010 and reviewed with traditional land users. Input about how and where the caribou travel was used to design the remote camera monitoring program, which began in 2010 and continues to collect data today (20.1.1.5.1).

 

Seabridge sought proposals for TK studies from each of the following groups: Yellowknives Dene First Nation (YKDFN), the Tłı̨chǫ Government, North Slave Métis Association and Lutselk’e Dene First Nation. Proposals were received from the Tłı̨chǫ and Yellowknives. The Tłı̨chǫ study proceeded in 2012, and the YKDFN study began in 2018.

 

The Tłı̨chǫ TK Study was undertaken with elders from May to December 2012 that included a two-week TK field camp near Courageous Lake. The report was published and is available online at the TG website (Jacobsen, 2012). The Tłı̨chǫ TK report summarizes the cultural significance of the Courageous Lake area, the elders’ environmental knowledge of the area and presents elders’ concerns and recommendations regarding developments. Traditionally, the Tłı̨chǫ people used the Courageous Lake area during fall and winter to hunt caribou, collect plants for traditional medicines, pick berries and to fish. Some people would overwinter and continue hunting and trapping then journey back to the treeline area in late winter. The report describes the elders’ environmental knowledge of the larger region with a focus the fall caribou migration route from Lac de Gras through Mackay Lake towards Snare River, and the importance of water crossings to the migration. The elders are concerned with how the animals and the land will impacted by activities, with particular concern regarding the ability of caribou to migrate westward between Courageous Lake and Mackay Lake.

 

  
Courageous Lake ProjectPage 287
Pre-feasibility Study and Preliminary Economic Assessment NI 43-101 Technical ReportJanuary 5, 2024
  

  

 

In 2018, the YKDFN submitted a new proposal for a TK study. The draft YKDFN TK Study describes the Courageous Lake area as an important place for traditional and contemporary uses that include: hunting, fishing, gathering and tool making. Several campsites, cabins and gravesites were used during historic and contemporary hunting and trapping activities and are connected by a dense network of trails. YKDFN hunted for caribou, moose, grizzly bear and trapped for white fox, wolverine and martin throughout the area. While the patterns and intensity of land use in the area have shifted over time, the area remains culturally important to the Yellowknives. The YKDFN continue to use two permanent camps in the Mackay Lake area for on-the-land experiences that foster intergenerational teaching and knowledge sharing.

 

Through these studies, Seabridge is able to understand the traditional and contemporary land uses, including the cultural and historical context of TK. Conversations between Seabridge and the TK knowledge holders enable Seabridge to understand potential impacts of the proposed mine on affected parties, and guide mitigation measures to avoid, reduce or manage effects.

 

20.1.1.10 Non-Traditional Land Use

 

Hunting, fishing, angling and tourism outfitters are licensed to operate in the area. The ‘Courageous Caribou Camp’ is located 3 km north of the project site across Courageous Lake. The camp has not operated in over twelve years and all tents and facilities are in disrepair.

 

The Matthews Lake camp was established in the 1970s by early exploration companies working in the region, The camp was purchased by an outfitter in 1993 and operated as ‘Treeline Lodge’ until it was sold to Seabridge in 2010.

 

Exploration has taken place in the region since the 1940s. A number of mineral prospects and two previously active gold mines in the area include the Tundra Mine, which operated between 1962 and 1968, and the Salmita Mine, which operated between 1983 and 1987.

 

There are no parks or protected areas or forest-related activities near the Project area.

 

20.1.2Closure and Reclamation Plans

 

A conceptual closure and reclamation plan will be required during permitting and environmental assessment and permitting phase. An interim closure and reclamation plan will be required during construction of the Project, and will need to be revised/updated several times during the life of the mine.

 

At the end of the mine life, an approved closure and reclamation plan will be implemented that meets the post-closure land use objectives and satisfies regulatory commitments.

 

  
Courageous Lake ProjectPage 288
Pre-feasibility Study and Preliminary Economic Assessment NI 43-101 Technical ReportJanuary 5, 2024
  

  

 

Reclamation and closure of the Project is expected to occur in two phases:

 

Active closure, which would be completed in the 10-year period following the end of mining and processing of ore. During the early years of active closure, personnel would be present at site year-round until major earthworks and equipment decommissioning has been completed. Later in the active closure period, a site presence would be limited to the open water season (April through October) when the water treatment plant would be operating.

 

Post-closure, which is a period of monitoring following active closure. In the post-closure period, personnel would go to site on a monthly or quarterly basis to collect samples, and to monitor the performance of closure measures.

 

Reclamation and closure measures and an estimate of the closure costs are described in the following sections.

 

20.1.2.1Reclamation of Facilities

 

Figure 20-1 shows the anticipated post-closure layout for the Project. Reclamation and closure of the various mine areas are summarized in the following sections.

 

20.1.2.1.1 Waste Rock and Tailings Area

 

The waste rock and flotation tailings area will be covered by 2 m of overburden and 0.3 m of organic material. The cover is intended to allow rain/snow and permafrost to intrude into the waste material and thus render it inert. The seasonal thawing of the ground (active layer) would occur within the cover, which means that the waste rock and co-disposed tailings below the cover would remain frozen year-round. The cover depth is estimated based on reported active layer thicknesses at other mines in the Courageous Lake region.

 

20.1.2.1.2 POX Facility

 

The lined POX residuals facility will be covered by a synthetic liner, 2 m of overburden and 0.3 m of organic material. The intent is to fully entomb the facility and allow it to freeze below the overburden and organic cover material.

 

20.1.2.1.3Open Pit

 

The three open pits will be converted to pit lakes and interconnected in the closure and post-closure period. The combined flow from the three pits will report to Matthews Creek. At closure, the total water storage capacity of the pit is 105 Mm3.

 

Saline water collected from the main open pit in the last year of operation will be stored temporarily in the West Satellite Pit and then pumped back to the open pit after mining ends. The pit will then gradually be filled with fresh water sourced from Courageous Lake over the next ten years to develop a stratified meromictic lake with saline groundwater near the bottom overlain by a fresh water cap. Active filling in the closure period was proposed to reduce the time it would take for the site to reach it’s closure configuration. This will be done by siphoning 12 Mm3 of water from the lake each year in the open water season. Filling of the open pits is done gradually to limit the potential effects on fish habitat in Courageous Lake (12 Mm3 corresponds to 5% of the annual flow) and downstream users of the watershed.

 

When the pit lake(s) are fully formed, a channel will be constructed from the lake that will join Matthews Creek. The channel will be constructed to allow fish passage.

 

  
Courageous Lake ProjectPage 289
Pre-feasibility Study and Preliminary Economic Assessment NI 43-101 Technical ReportJanuary 5, 2024
  

  

 

20.1.2.1.4Mine Roads

 

Roads are scarified and capped with available surficial soils. The surfaces can then be planted/seeded with native species as required.

 

Figure 20-1: Post-closure Layout

 

 

 

Source: Ausenco, 2023.

 

  
Courageous Lake ProjectPage 290
Pre-feasibility Study and Preliminary Economic Assessment NI 43-101 Technical ReportJanuary 5, 2024
  

  

 

20.1.2.2Progressive Reclamation

 

Seabridge reclaims each site as soon as practically possible after completing a drill hole, access trail or other ground disturbance. Reclamation is completed using hand tools and in accordance with land use permits and regulatory requirements.

 

A record of actions on each site is maintained onsite to ensure that necessary reclamation actions have been successfully completed. Following a winter drill program, a return to the site during summer snow-free conditions is usually warranted to complete remediation that may not have been possible during the winter.

 

Drilling equipment belongs to contractors and all equipment, pumps, rods, etc. are demobilized at the conclusion of each drill program. Wooden drill shacks, pump shacks, emergency shelters and unused consumables typically remain in the laydown area at Coreland for use during subsequent drill campaigns.

 

20.1.2.3Active Closure Activities

 

Active closure activities are summarized in Table 20-2. For 10 years following the end of mining and ore processing, a number of reclamation activities will occur to eliminate reliance on water treatment or other ongoing active closure measures in the post-closure period, to achieve post-closure land use objectives and to guide post-closure monitoring and maintenance activities (SRK, 2023). Operational experience will inform the ultimate duration of the period and the scope of the monitoring program which may be adapted over time.

 

Table 20-2: Active Closure Activities and Assumptions

 

Activity Timing Details/Assumptions
Placement of Closure Covers Within 10 years following completion of mine operations Placement of 2 m overburden and 30 cm organics on the flotation tailings and waste rock paddock facility. Similar cover materials on the POX Facility following placement of a membrane and trafficable surface; revegetate areas
Filling of Open Pit Years 1 to 10 following mine operations, seasonal Siphon water from Courageous Lake to fill open pit over a period of 10 years, to occur seasonally during high runoff periods.
Filling of Satellite Pits 2 years West and South Satellite Pits fill naturally
Outflow from Pit Lakes to Mathews Creek Starting in year 11 Once the open pit fills, it will discharge to Mathews Creek
Reclamation of contact water ponds 10 years Collection of contact water continues until transition water treatment ends (10 years). At the end of the closure transition period, all ponds and final water management structures will be left in place and become part of the post-closure landscape.
Remove pipelines and roads 10 years Remove and reclaim disturbance from discharge line, diversion, roads, etc.

 

  
Courageous Lake ProjectPage 291
Pre-feasibility Study and Preliminary Economic Assessment NI 43-101 Technical ReportJanuary 5, 2024
  

  

 

Activity Timing Details/Assumptions
Decommission and remove all infrastructure such as mill, buildings, camp, fuel farm, mobile equipment, powerline, generators. 2 - 5 years Remove and reclaim lands occupied by infrastructure in accordance with the reclamation and closure plan prescriptions.
Reclaim stockpiles and plant site 2 years Overburden and organic stockpiles will be used for construction of covers. The mill will be demolished, and reusable equipment and scrap hauled off site. The concrete pad for the plant will remain in place. Approved items may be disposed of in approved open pits to be flooded.
Closure transition water treatment 10 years Continue to treat contact water for 10 years until arsenic and nitrogen species are no longer present in the contact water as no further blasting occurs after operations; allow for freezing of waste rock dump and reduced arsenic loadings

 

Treatment of contact water is expected to be required for up to ten years after the end of operations. The need to treat water is primarily determined by the extent of permafrost intrusion into the waste rock and tailings masses. Once the piles have frozen internally, seepage of water from these areas will be minimal or negligible and at that time water collection and treatment can be discontinued.

 

In the closure transition period (up to 10 years), water treatment will be limited to the open water (May to October) each year when surface water is flowing. The annual treatment campaign will rely on the same treatment process and equipment that was used during the operations phase.

 

20.1.2.4Post-Closure Monitoring

 

Post-closure monitoring and maintenance will initially be a continuation of operational monitoring. Programs will evolve over time in response to actual and modelled site conditions and the informed judgement of qualified professionals. One goal of long-term monitoring and maintenance programs is to verify that site conditions are evolving as predicted and if not, to adaptively manage them. Long-term monitoring does not mean monitoring in perpetuity. A secondary goal of the program is to reduce monitoring and maintenance programs once it is appropriate to do so. It is normal and positive for programs to be rationalized over time. The key items that will require post-closure monitoring include:

 

Long-term surface water quality at approved points of compliance.

 

Geotechnical stability of engineered structures such as waste rock dumps, engineered covers, dams, water management and conveyance structures.

 

Potential for Metal Leaching/Acid Rock Drainage.

 

Revegetation success, erosion and sediment control, air quality and dust, wildlife use and other indicators of reclamation success pre-determined or adapted to site conditions.

 

Site access and security.

 

Routine reports that document reclamation progress and performance will be required as conditions of approved permits.

 

  
Courageous Lake ProjectPage 292
Pre-feasibility Study and Preliminary Economic Assessment NI 43-101 Technical ReportJanuary 5, 2024
  

  

 

20.1.3Closure Cost Estimates

 

A preliminary closure cost estimate is included in Section 22 per Section 22.1 and Section 22.4, Table 22-1. Provision of US$ 72M is made for future mine closure and post-closure costs.

 

The Courageous Lake Project closure cost estimate will support the development of the final approved mine closure, reclamation and monitoring plan prior to cessation of operations. The final approved plan will require detailed work breakdowns and detailed costs for the activities listed in Table 20-2, plus all related mine infrastructure decommissioning, removal or disposal; reclamation activities and post-closure monitoring activities listed in Section 20.1.2.4.

 

Detailed mine closure and reclamation cost estimates will determine the financial securities which the mine owner will be required to post. The Mine Site Reclamation Policy for the Northwest Territories (Indian and Northern Affairs Canada 2002 – now Crown-Indigenous Relations and Northern Affairs Canada - CIRNAC) outlines the policy and regulatory provisions related to mine site closure and reclamation standards. Every new mining operator should be able to support and provide security for the cost of reclamation, including shutdown, closure and post-closure, without financial reliance on the Crown. Financial security requirements will be clearly laid out in water licenselicenses, land leases and other approvals or agreements. Government tries to avoid overlapping security requirements. Alternate or innovative forms of security may be considered in addition to standard secure financial instruments. Financial security for new mines must be readily convertible to cash and have the following basic criteria:

 

Subject to applicable legislation and due process, it must provide the Crown with immediate, unconditional, unencumbered access to the full amount of the security.

 

It must retain its full value through the life of the mine, and if applicable, beyond.

 

It must remain beyond the control of the mining company, or its creditors in the event of insolvency.

 

Security obligations will involve discussions and consensus between several government departments and regulatory bodies to coordinate amounts and prevent double-bonding.

 

20.2Permitting Considerations

 

Mining projects in the NWT are subject to regulation under federal and territorial legislation to protect workers, the environment, and surrounding communities. This section discusses the principal licenses and permits required for the Courageous Lake Project.

 

  
Courageous Lake ProjectPage 293
Pre-feasibility Study and Preliminary Economic Assessment NI 43-101 Technical ReportJanuary 5, 2024
  

  

 

20.2.1Exploration Permits

 

Seabridge maintains a Class A land use permit for the Courageous Lake property which authorizes exploration activities, such as drilling, winter road construction/maintenance, fuel storage, and quarrying. Seabridge also maintains two Type B water licenses to use water for drilling, winter road construction, and potable water at the camp. Water licensing is split between territorial and federal jurisdictions in accordance with the location of water usage.

 

Other incidental permits which Seabridge holds include: Archaeological Permit – issued annually to Seabridge’s archaeological consultant, as required, so that field work such as pre-clearance surveys and site mitigation can be undertaken, and Wildlife Research Permit – issued annually to Seabridge’s wildlife consultant so that field work, such as remote wildlife camera monitoring can be maintained.

 

20.2.2 Environmental Assessment

 

Part 5 of the MVRMA, established an environmental assessment process comprised of initial screening, followed by an Environmental Assessment (EA), and-or-an Environmental Impact Review (EIR) depending on the scale of project impacts. The Canadian Impact Assessment Act (1992, c. 37) in the NWT, does not apply to the Courageous Lake Project specifically.

 

The formal EA of the Project commences with an application to the Mackenzie Valley Land and Water Board (MVLWB) for a water license and a land use permit. After a preliminary screening, the Project will be referred to the MVEIRB, an independent body set up under the MVRMA to conduct environmental assessments of projects in the NWT referred to it by the MVLWB, or any other regulatory agencies involved.

 

The EA is conducted in a number of phases including:

 

Scoping

 

Terms of Reference

 

Work Plan

 

Developer’s Assessment Report (DAR)

 

Conformity Check

 

Technical Review

 

Public Hearing(s)

 

Report of Environmental Assessment by the Review Board

 

Decision by the federal Minister and responsible ministers.

 

If deemed necessary, the development proposal may be referred for an EIR comprising similar phases as the EA, but with an additional level of review conducted by a Review Panel in a process that includes public hearings. The EIR is documented in an Environmental Impact Statement (EIS) that is submitted to the Responsible Minister for decision-making.

 

  
Courageous Lake ProjectPage 294
Pre-feasibility Study and Preliminary Economic Assessment NI 43-101 Technical ReportJanuary 5, 2024
  

  

  

20.2.3Permits Required for Project Development

 

A license, permit, or other authorization required for carrying out a development such as the Courageous Lake Project, may not be issued under any federal or territorial law unless the environmental assessment requirements of Part 5 of the MVRMA has been complied with in relation to the development. Once a project has received federal ministerial approval under the process managed by MVEIRB, it is referred back to the MVLWB for processing of the original license and/or permit applications that triggered the environmental assessment. Permitting by other agencies may also proceed.

 

Seabridge routinely meets with representatives of Federal and Territorial government institutions regarding the project and exploration programs on the Project site. Institutions included: the Mackenzie Valley Land and Water Board, Government of the Northwest Territories, Department of Industry, Tourism and Investment, Department of Environment and Climate Change; Crown-Indigenous Relations and Northern Affairs Canada, Fisheries and Oceans Canada, and Prince of Wales Northern Heritage Center. Engagement activities with the Tłı̨chǫ Government are considered in the context of engagement with Indigenous groups.

 

Table 20-3 presents a list of licenses and permits that may be required to develop the Courageous Lake Project.

 

Table 20-3: Permits and Licenses that will be Required to Develop the Project

 

Permits and Licenses Purpose Enabling Legislation
Ministerial Approval – delegated to GNWT Environment and Climate Change Environmental Assessment MVRMA (1998, c. 25)
Class A Water License(s) Use of water, deposit of wastes Waters Act (2014, c.18) and Waters Regulations, and the MVRMA and Mackenzie Valley Federal Areas Waters Regulations (MVFAWR)
Type A Land Use Permit Use of Land Mackenzie Valley Resource Management Act and Mackenzie Valley Land Use Regulations
Surface Lease(s) Long term (exclusive) right to Crown land to place improvements Territorial Lands Act and Northwest Territories Lands Act
License of Occupation Non-exclusive use or establishment of linear features on Crown land such as winter roads, airstrips Territorial Lands Act and Northwest Territories Lands Act
Mineral Lease Long term right to defined mineral resource Mineral Resources Act (2019) and Regulations*
Production License Authorizes mineral production obligations on Mineral Lease Mineral Resources Act (2019) and Regulations

 

  
Courageous Lake ProjectPage 295
Pre-feasibility Study and Preliminary Economic Assessment NI 43-101 Technical ReportJanuary 5, 2024
  

  

 

Permits and Licenses Purpose Enabling Legislation
Quarry Lease(s) or Permit(s) Non-exclusive use of surficial sand and gravel resources Territorial Lands Act
Harmful Alteration Disruption or Destruction (HADD) of Fish Habitat Impacts to fish and fish habitat Fisheries Act (1996, c. 149)
Wildlife Permits and Licenses To conduct wildlife research, wildlife capture and handling Wildlife Act, Wildlife License and Permit Regulations
Disposal of Effluent from Mining Operations Deposit of tailings/wastes into water Metal and Diamond Mining Effluent Regulations
Tailings, waste disposal, mine buildings Construction and use of facilities Territorial Lands Act and Northwest Territories Lands Act
Air permit Air emissions management NWT Environmental Protection Act Air Regulations*
Explosives Factory License Manufacture of explosives Explosives Act (1985, c. E-17)
Ammonium Nitrate Storage Facilities Storage of products used for manufacture of explosives Canada Transportation Act (1996, c. 10)
Radio Licenses Communications Radiocommunication Act (1985, C. R - 2)
Radioisotope License Use of nuclear density gauges and X-ray analyzer Atomic Energy Control Act (1997, c. A-19, s. 1)
Benefits Agreement(s) with Indigenous Governments and Organizations Requirement to ensure accrual of project benefits to Indigenous peoples Mineral Resources Act (52.1) and Regulations

  

*TheMineral Resources Act Regulations and NWT EPA Air Regulations are currently under development.

 

20.3Social Considerations

 

Seabridge acknowledges that the Courageous Lake Project is located on the traditional lands of Indigenous Peoples and recognizes the importance of engaging with these parties throughout the various phases of project activities.

 

The Mackenzie Valley Land and Water Board have set out requirements for engagement and consultation related to permit and license applications in Northwest Territories (MVLWB, 2018). For the purposes of this report, engagement is considered outreach activities that are undertaken by Seabridge with Indigenous groups and stakeholders. In addition, the Crown has a duty to consult with Indigenous groups, and where appropriate, accommodate, when it has any knowledge that the decisions it is considering may affect an established or potential Indigenous or treaty right as per the direction provided by the Supreme Court of Canada (Haida Nation v. British Columbia, 2004). In the Northwest Territories, CIRNAC, (on behalf of Federal government) and various GNWT departments undertake consultation with Indigenous groups on behalf of the Crown, and CIRNAC has the ultimate responsibility to assess the adequacy of Crown consultation before a final decision or recommendation is made. The MVLWB and the MVEIRB also have statutory requirements for consultation (such as public hearings) and are required to assess the adequacy of engagement activities by an applicant/proponent as part of the permitting process, who discharges this duty on behalf of the Crown, require project proponents to undertake the necessary engagement with potentially affected Indigenous groups, which record then becomes the basis of Crown consultation.

 

  
Courageous Lake ProjectPage 296
Pre-feasibility Study and Preliminary Economic Assessment NI 43-101 Technical ReportJanuary 5, 2024
  

  

 

Seabridge has corporate governance policies and systems in place that support their social license activities and track their performance. Specific to Courageous Lake, Seabridge has an Engagement Plan that has been reviewed by Indigenous groups, approved by the MVLWB and updated annually since 2013. The Engagement Plan is designed to support Seabridge in establishing and maintaining constructive relationships with potentially affected parties by ensuring a consistent, comprehensive, coordinated and culturally appropriate approach is used during engagement activities.

 

Seabridge will continue to build collaborative and cooperative relationships with relevant Treaty, First Nations, and Métis people (as identified by the Crown), other communities, and interested stakeholders. Seabridge recognizes that its social license to operate is dependent on being a good corporate citizen and neighbour to all groups with interests in the region. Seabridge further recognizes that Aboriginal groups maintain a strong stake in both cultural and economic activity in the NWT and are closely involved in regulatory and permitting activities. Seabridge documents its engagement efforts and activities and is committed to ensure:

 

communities benefit from employment, training, and contracting opportunities;

 

potential negative impacts are mitigated;

 

social concerns are accommodated in project design and managed through best efforts;

 

commitments are respected; and

 

Seabridge has not entered into negotiations with any NWT Indigenous Group, including Tłı̨chǫ First Nation, with regard to social or economic benefit agreements for the Courageous Lake Project. Other mining and resource developments projects in the NWT have negotiated agreements with groups in the past, and it is realistic to assume that one or more benefit agreement(s) will be required prior to development of this Project.

 

  
Courageous Lake ProjectPage 297
Pre-feasibility Study and Preliminary Economic Assessment NI 43-101 Technical ReportJanuary 5, 2024
  

  

 

21CAPITAL AND OPERATING COSTS

 

21.1Introduction

 

The capital and operating cost estimates presented in this PFS provide substantiated costs that can be used to assess the economics of the Courageous Lake Project. The estimates are based on an open pit mining operation, a process plant, as well as associated tailings facilities and infrastructure.

 

The estimates conform to Class 4 guidelines for a PFS-level estimate with a -20%/ +25% accuracy according to AACE International. Both estimates were developed in Q4 2023 C$ based on the proposed design for the Project, with input data from budgetary quotations for equipment, service contracts, and construction contracts; as well as Ausenco’s in-house database of similar projects and studies, which includes experience from similar operations. Pricing has been converted from C$ to US$ using an exchange rate of 0.74 for use in financial analyses and publication within this report.

 

The capital and operating estimates were prepared or advised by the following groups:

 

Mining is prepared by MMTS.

 

Process Plant, On-site Infrastructure, Tailings Facility, Consumables, and G&A are prepared by Ausenco.

 

Power Generation is prepared by Brazier Associates.

 

Water Treatment Plant is prepared by SRK.

 

Airstrip is prepared by Ausenco, using the design, earthworks MTO and equipment costs provided by Tetra Tech.

 

Owner’s Costs are prepared by Seabridge.

 

Closure costs are prepared by Ausenco.

 

All cost amounts expressed are in US$ unless stated otherwise.

 

21.2Capital Costs

 

21.2.1Basis of Capital Cost Estimate

 

The following parameters and qualifications are considered in preparing the capital cost estimates:

 

No allowance has been made for exchange rate fluctuations.

 

Growth allowances are included.

 

Freight costs have been included as a percentage to each direct cost item. Import duties are excluded from the estimate.

 

  
Courageous Lake ProjectPage 298
Pre-feasibility Study and Preliminary Economic Assessment NI 43-101 Technical ReportJanuary 5, 2024
  

  

 

Construction is assumed to be 24 months beginning in January when the TCWR is open for use.

 

Data for the estimates have been obtained from numerous sources, including:

 

scope of work;

 

process design criteria;

 

general arrangement drawings;

 

drawings and sketches;

 

process flow diagrams;

 

single line diagrams;

 

mechanical and electrical equipment lists;

 

material take-offs;

 

pre-engineering and modular building pricing;

 

camp and services pricing;

 

equipment pricing; and

 

contractor’s cost data from recent similar projects.

 

Major cost categories (permanent equipment, material purchase, installation, subcontracts, indirect costs, and owner’s costs) were identified and examined. Growth was allocated to each of these categories on a line-item basis based on the accuracy of the data. An overall contingency amount was also derived in this fashion.

 

Vendors and contractors were requested to price in native currency. Pricing has been converted from C$ to US$ using an exchange rate of 0.74.

 

21.2.2Capital Cost Estimate Summary

 

The estimate includes mining, processing, on-site infrastructure, tailings and waste rock facilities, off-site infrastructure, project indirect costs, project delivery, owner’s costs, and contingency. The total capital cost summary is presented in Table 21-1. The total initial capital cost for the Courageous Lake project is US$747M and LOM sustaining costs are US$293M. Closure costs are estimated at US$72M, with salvage credits of US$ 19 M.

 

  
Courageous Lake ProjectPage 299
Pre-feasibility Study and Preliminary Economic Assessment NI 43-101 Technical ReportJanuary 5, 2024
  

  

 

Table 21-1: Summary of Total Capital Costs

 

WBS Description Initial
(US$M)
Sustaining
(US$M)
Total Cost
(US$M)
Mining 89 156 245
Process Plant 204 48 252
Tailings Facility 35 21 56
On-Site Infrastructure 98 11 109
Off-Site Infrastructure 45 37 82
Subtotal Direct Costs 471 273 744
Project Indirects 146 7 153
Owner’s Costs 25 - 25
Contingency 105 13 118
Project Total 747 293 1040

 

Note: Values may not sum due to rounding.

 

21.2.3Area 1000 – Direct Costs, Mining

 

The mining cost breakdown is shown in Table 21-2.

 

Table 21-2: Mining Capital Cost Estimate

 

Mining Capital Category WBS Initial
(US$M)
Sustaining
(US$M)
Total Cost
(US$M)
Mine Infrastructure and Services 1200 12 9 21
Surface Mining 1300 77 147 224
Total 89 156 245

 

Note: Values may not sum due to rounding.

 

21.2.3.1Basis of Estimate

 

Unit costs for consumable and labour rates are estimated from the sources listed below while the magnitude of consumables and labour requirements are determined for each specific activity from experience and first principles.

 

The unit costs are based on the following data:

 

Salaries for the supervisory and administrative job categories are based on MMTS’s experience of similar functions in Canadian mines. An average burden rate of 56.7% was applied to base salaries to include all statutory Canadian holidays, social insurance, medical and insurance costs, pension, and vacation costs. In addition, an allowance is included in the burden for increased labour costs due to the cold and remote location.

 

For hourly employees, general labour rates provided by Ausenco. An average burden rate of 56.7% is applied to base wages to include all statutory Canadian holidays, social insurance, medical and insurance costs, pension, and vacation costs. In addition, an allowance is included in the burden for increased labour costs due to the cold and remote location.

 

  
Courageous Lake ProjectPage 300
Pre-feasibility Study and Preliminary Economic Assessment NI 43-101 Technical ReportJanuary 5, 2024
  

  

 

Unit costs are based on mine designs, calculated equipment productivities and the corresponding mine schedule. Equipment productivities consider the haul distance between the pit and rock storage piles, as well as stockpile locations.

 

Unit costs freight for all consumables, tires, and fuel, are based on budgetary quotations. The long-term fuel price is estimated at a delivered cost to site of C$1.64/L.

 

All mine equipment is planned as diesel hydraulic.

 

Mining equipment consumables, major equipment replacements, sustaining capital, labour loading factors, equipment life, and costs are based on vendor information and MMTS’s database from similar mining operations.

 

The MMTS estimate of start-up capital costs includes the following:

 

mine mobile equipment fleet

 

support and auxiliary equipment

 

fleet and drill monitoring and management software and systems.

 

Mine mobile equipment capital costs are shown in Table 21-3. The mobile equipment capital schedule assumes all major equipment is leased. The assumed leasing terms are a 20% deposit and a 10% interest rate, spread over 6 years with a zero residual value.

 

Table 21-3: Mine Mobile Equipment Capital Schedule

 

Equipment Total Cost (including delivery and
assembly) (‘000s) US$
Lease Down Payment (‘000s) US$
Production Drills (165 mm holes) 1,721 344
Secondary Drills (50 mm holes) 439 88
Grade Control Drill (144 mm) 1,426 285
12 m3 bucket diesel hydraulic Excavator 3,257 651
12 m3 bucket wheel loader 2,610 522
Rigid Frame Diesel Haul Truck, 90 t payload 2,894 579
Track Dozer, 450 kW 1,643 329
Track Dozer, 325 kW 1,191 238
Wheel Dozer, 370 kW 1,949 390
Hydraulic backhoe Excavator, 4 m3 bucket 988 198
Hydraulic backhoe Excavator, 3 m3 bucket 744 149

 

Mine capital costs are derived from a combination of supplier quotes and historical data collected by MMTS. This includes labour, maintenance, major component repairs, fuel, and consumables costs. The mine equipment capital costs include costs of delivery to a specified marshalling point and assembly. The major equipment is leased in this study. All lease payments are assumed to be capital.

 

Ausenco has provided an allowance for mine infrastructure buildings and winter ice road delivery costs. The capital cost estimates do not include taxes or duties. The mine direct capital costs are shown in Table 21-4.

 

  
Courageous Lake ProjectPage 301
Pre-feasibility Study and Preliminary Economic Assessment NI 43-101 Technical ReportJanuary 5, 2024
  

  

 

Table 21-4: Mine Direct Capital Costs

 

Mine Capital Costs WBS US$M
Pre-production Mining 1320 48
Mobile Equipment 1360 157
Surface Mining General 1380 17
Mine Explosives 1220 10
Dewatering, Run off and sedimentation Ponds 1340 1
Other Mine Infrastructure 1270 11
Total Mine Capital Costs 245

 

Note: Values may not sum due to rounding.

 

21.2.3.2Mine Infrastructure Buildings

 

Mine infrastructure capital covers bulk earthworks and concrete in addition to the following buildings:

 

mine office

 

mine dry

 

truck shop

 

truck wash

 

tire change

 

explosive/magazine manufacturing and storage facilities. The estimate for these buildings totals US$10.8 M.

 

21.2.4Area 2000-3000 – Direct Costs, Process Plant and Tailings Facility

 

The definition of process equipment requirements was based on process flowsheets and process design criteria, as defined in Section 17. All major equipment is sized based on the process design criteria to derive a mechanical equipment list. Mechanical scopes of work were developed and sent for budgetary pricing to equipment suppliers. For mechanical equipment costs, 95% of the value is sourced from budgetary quotes. Where budget quotes were not obtained, existing Ausenco data base pricing is used from other recent estimates and projects.

 

Similarly, the major electrical equipment is sized based on the project’s equipment list. Scopes of work were developed to receive budgetary pricing from equipment suppliers. For the electrical equipment, 83% of the value was sourced from budgetary quotations. Where budget quotes were not obtained, existing Ausenco data base pricing has been used from other recent estimates and projects.

 

  
Courageous Lake ProjectPage 302
Pre-feasibility Study and Preliminary Economic Assessment NI 43-101 Technical ReportJanuary 5, 2024
  

  

 

All concrete quantities were estimated by material take-offs from the general arrangement drawings and benchmarked against Ausenco’s historical data for similar projects. MTOs for major structures including foundations, footings, walls, pedestals, slab on grade and elevated concrete, detailed excavation, detailed backfill have been developed based on these calculations.

 

Budget pricing was sourced on recent quotes from the market for supply, delivery, and installation of batched concrete. The concrete is inclusive of mobilization and demobilization and the following:

 

The cost of supply and operation of batch plant including costs for the supply of cement and sand) and winterization costs are included.

 

The cost of materials includes formwork, required embedment’s and reinforcement steel.

 

The cost for labour includes categorized installation hours multiplied by the productivity factor, direct labour rate and distributable rate based on recent contractor quotes.

 

All structural steel quantities were estimated by quantity take-offs from the model and/or historical data from other Ausenco projects by the structural department. Structural steel MTOs include light, medium, heavy and extra heavy structural steel designations and miscellaneous steel including, grating and handrail and stair treads for all platforms and equipment support steel where not included with the vendor equipment supply scope. Therefore, Ausenco carried unit rates and installation hours based on recent contractor quotes for projects in the region.

 

An allowance for the platework (chutes, bins, distribution boxes, launders, and shop-fabricated and field-erected tanks) has been developed by factoring the total installed mechanical by WBS level 3. A blended factor is carried in the estimate and aligns with Ausenco’s historical data and actual platework costs from the construction of recent projects.

 

An allowance for process plant piping (pipe, fittings, supports, valves, paint, special pipe items and flanges), instrumentation and remaining electrical bulks (cable trays, terminations, small lighting, and receptacles) has been developed by factoring the total installed mechanical by WBS level 3. A blended factor for each is carried in the estimate and aligns with Ausenco’s historical data and actual electrical bulk costs from construction of recent projects.

 

The oxygen plant will be leased and so the yearly lease costs have been put into the sustaining costs for WBS 2800 – Process Plant Services.

 

The process and tailings facilities capital cost breakdown is shown in Table 21-5 and Table 21-6 respectively.

 

  
Courageous Lake ProjectPage 303
Pre-feasibility Study and Preliminary Economic Assessment NI 43-101 Technical ReportJanuary 5, 2024
  

  

 

Table 21-5: Process Direct Capital Cost Estimate

 

Process Capital Category WBS Initial
(US$M)
Sustaining
(US$M)
Total Cost
(US$M)
Crushing 2100 20 - 20
Stockpile and Reclaim 2200 10 - 10
Grinding 2300 30 - 30
Flotation and Regrind 2400 19 - 19
Concentrate Pre-Treatment 2500 75 - 75
Merrill Crow Refinery 2600 18 - 18
Neutralization, Cyanide Detox and Tailings 2700 4 - 4
Process Plant Services and Common 2800 27 48 76
Total 204 48 252

 

Note: Values may not sum due to rounding.

 

Table 21-6: Tailings Direct Capital Cost Estimate

 

Tailings Capital Category WBS Initial
(US$M)
Sustaining
(US$M)
Total Cost
(US$M)
Tailings and Waste Rock Co-disposal 3100 35 21 56
Total 35 21 56

 

21.2.5Area 4000 – Direct Costs, On-site Infrastructure

 

The on-site infrastructure is grouped into the following main categories:

 

Bulk earthworks – WBS 4100

 

Power station – WBS 4200

 

HV Power Switchyard and Power Distribution – WBS 4300

 

Site Services – WBS 4400

 

Infrastructure buildings – WBS 4600

 

Permanent Accommodation Camp – 4700

 

Site Water Management – WBS 4800

 

Mobile equipment (process plant) – WBS 4900

 

The on-site infrastructure cost breakdown is shown in Table 21-7.

 

  
Courageous Lake ProjectPage 304
Pre-feasibility Study and Preliminary Economic Assessment NI 43-101 Technical ReportJanuary 5, 2024
  

  

 

Table 21-7: On-site Infrastructure Direct Capital Cost Estimate

 

On-site Infrastructure Capital Category WBS Initial
(US$M)
Sustaining
(US$M)
Total Cost
(US$M)
Bulk earthworks 4100 9 - 9
Power station 4200 2 - 2
HV Power Switchyard and Power Distribution 4300 2 - 2
Site Services 4400 46 - 46
Infrastructure buildings 4600 26 - 26
Permanent Accommodation Camp 4700 4 11 15
Site Water Management 4800 6 - 6
Mobile equipment (process plant) 4900 4 - 4
Total 98 11 109

 

Note: Values may not sum due to rounding.

 

21.2.5.1Bulk Earthworks

 

All earthwork quantities were estimated from quantity take-offs from the Civil 3D software model and/or engineering calculations from 2D drawings (which come from Civil 3D model) by the civil/structural department, except for mining and the air strip. Sub-contract rates are used in the estimate for bulk earthworks requirements. Prices carried in the estimate are based on Ausenco’s historical rates for recent projects in the area.

 

21.2.5.2Power Station

 

The estimate includes concrete, mechanical equipment and electrical equipment required to facilitate the on-site power station, excluding the module power station itself which is covered under WBS 5300 – Power Supply.

 

21.2.5.3HV Power Switchyard and Power Distribution

 

The estimate includes a 4.16 kV process area transformer and 7 km of 13.8 kV overhead distribution power lines.

 

21.2.5.4Site Services

 

This estimate includes fuel storage tanks, fuel pumps and dispensing stations, off-plot piping, fire and water protection allowance, site communication allowance, and all concrete and steel requirements for the fuel farm and water treatment plant.

 

21.2.5.4.1Water Treatment Plant

 

SRK developed the estimate for water treatment plant.

 

  
Courageous Lake ProjectPage 305
Pre-feasibility Study and Preliminary Economic Assessment NI 43-101 Technical ReportJanuary 5, 2024
  

  

 

21.2.5.5Infrastructure Buildings

 

The estimate includes the supply and installation of all the buildings within the process plant area and on-site infrastructure.

 

Building datasheets were developed to describe the requirements of the building, including sizing, load requirements, and features. Datasheets are included with the contract packages as a basis for detailed design.

 

Costs for new ancillary facilities to the process plant and mine were based on Ausenco’s historical data for similar previous studies. Pricing includes for supplying and delivering all materials, plant, equipment, tools, facilities, labour supervision, overhead, and all other items and services required to complete the works.

 

21.2.5.6Permanent Accommodation Camp

 

A 204 bed permanent accommodation camp will be located south of the process plant. The camp will be installed at the beginning of construction to house construction personnel and will then be maintained for operating staff.

 

21.2.5.7Site Water Management

 

The estimate includes all costs associated with the preparation of the surface water collection ponds and channeling.

 

21.2.5.8Mobile Equipment (Process Plant)

 

The mobile equipment fleet is for supporting the ongoing operations of the process plant (i.e.. bus, fire truck, ambulance, forklift, loader etc.).

 

21.2.6Area 5000 – Direct Costs, Off-site Infrastructure

 

The off-site infrastructure capital cost estimate is grouped into the following three main categories:

 

Main Access Road – WBS 5100

 

Water Supply – WBS 5200

 

Power Supply – WBS 5300

 

Airstrip – WBS 5400.

 

The cost breakdown is shown in Table 21-8.

 

  
Courageous Lake ProjectPage 306
Pre-feasibility Study and Preliminary Economic Assessment NI 43-101 Technical ReportJanuary 5, 2024
  

  

 

Table 21-8: Off-site Infrastructure Direct Capital Cost Estimate

 

Off-site Infrastructure Capital Category WBS Initial
(US$M)
Sustaining
(US$M)
Total Cost
(US$M)
Main Access Road 5100 4 - 4
Water Supply 5200 - - -
Power Supply 5300 20 37 57
Airstrip 5400 20 - 20
Total 45 37 82

 

Note: Values may not sum due to rounding.

 

21.2.6.1Main Access Road

 

The estimate includes all earthworks pertaining to the construction of the main access road.

 

21.2.6.2Water Supply

 

All water supply costs are included in WBS 4400 – Site Services and WBS 4800 – Site Water Management.

 

21.2.6.3Power Supply

 

The estimate includes the module diesel power plant supply (7 generators) including engineering, installation, and construction management. The genset supply equipment costing used is lease to own with 25% up front (initial capital) with the remaining cost paid in 6 annual payments (sustaining capital). All other associated costs are up front (initial capital).

 

21.2.6.4Airstrip

 

This estimate includes the off-runway extension and infrastructure upgrades to the runway using the design, earthworks MTO and equipment costs provided by Tetra Tech.

 

21.2.7Area 6000 to 9000 – Project Indirects

 

The indirect costs include project indirect costs, owner’s costs and contingency, as outlined below.

 

Project indirect costs include following:

 

miscellaneous distributable costs

 

commissioning representatives and vendor assistance

 

spares

 

first fills and initial charges

 

  
Courageous Lake ProjectPage 307
Pre-feasibility Study and Preliminary Economic Assessment NI 43-101 Technical ReportJanuary 5, 2024
  

  

 

freight and duties

 

construction camp

 

temporary construction facilities

 

project delivery (EPCM).

 

Owner’s costs include the following:

 

owner’s team and expenses

 

operational readiness

 

environmental

 

land

 

communication

 

finance

 

Human Resources

 

administration.

 

Indirect costs are summarized in Table 21-9 and are described in the following sections.

 

Table 21-9: Total Indirect Costs

 

Description WBS Initial
(US$M)
Sustaining
(US$M)
Total Cost
(US$M)
Project Indirects 6000 146 7 153
Owner’s Costs 8000 25 - 25
Contingency 9000 105 13 118
Total Indirect Capital Cost 276 20 296

 

Note: Values may not sum due to rounding.

 

21.2.7.1Area 6000-7000 – Project Indirects

 

21.2.7.1.1Temporary Construction Facilities and Services

 

Project preliminaries are items or services which are not directly attributable to the construction of specific physical facilities of plant or associated infrastructure but are required to be provided as support during the construction period.

 

  
Courageous Lake ProjectPage 308
Pre-feasibility Study and Preliminary Economic Assessment NI 43-101 Technical ReportJanuary 5, 2024
  

  

 

These costs include:

 

Temporary construction facilities - site offices, induction center, first aid facilities, administration, portable toilets, temporary fencing, temporary roads, and parking.

 

Temporary utilities – power supply, temporary grounding and generators, construction lighting, and water supply.

 

Construction support – site clean-up and waste disposal, material handling, maintenance of buildings and roads, testing and training, service labour, site transport, site surveys, QA/QC, and security.

 

Construction equipment, tools, and supplies purchased by the owner or construction management (CM) contractor – heavy equipment and cranes, large tools, consumables, scaffolding, and purchased utilities.

 

Material transportation and storage incurred by the owner or CM contractor – all types of freight, agents, staging, and marshalling.

 

Site office – Local services and expenses, communications, and office furniture.

 

21.2.7.1.2Construction Camp

 

The costs for establishing a construction camp facility, messing, and operations are included in the cost estimate.

 

The temporary construction camp will be rented from the beginning of the construction period; a total of 560 beds are required to cover all the third parties’ personnel in the scope of work and including the Owner cost supervision team.

 

The Project requires a 204-bed accommodation facility to support operation staff. This camp will be installed at the beginning of construction to be used for construction personnel. The remaining 356 beds required will be covered through the temporary construction camp.

 

The cost per construction bed: US$ 59,766 is based on recent similar project costs.

 

Pricing includes supplying and delivering all materials, plant, equipment, fuel, tools, facilities, labour supervision, overhead, and all other items and services required to complete the works including fabricating and procuring all building components and carrying out all required inspections and testing.

 

21.2.7.1.3Commissioning Reps and Assistance

 

Commissioning assistance from mechanical completion to handover was developed to complement CM costs. In addition, a modification squad has been allowed for in the estimate. The modification squad has been carried out to assist the commissioning team to make minor modifications or provide labour assistance for commissioning.

 

The modification squad has been carried out to assist the commissioning team to make minor modifications or provide labour assistance for commissioning. The modification squad allowance has been estimated assuming six personnel for two months at full-time.

 

  
Courageous Lake ProjectPage 309
Pre-feasibility Study and Preliminary Economic Assessment NI 43-101 Technical ReportJanuary 5, 2024
  

  

 

21.2.7.1.4Spares

 

Major mechanical and electrical spares for commissioning purposes have been factored at 1.5% of the mechanical and electrical supply costs based on Ausenco’s historical data.

 

Major mechanical and electrical spares for operational purposes have been factored at 0.6% of the mechanical and electrical supply costs based on Ausenco’s historical data.

 

Major mechanical and electrical spares for capital/insurance purposes have been factored at 3.0% of the mechanical and electrical supply costs based on Ausenco’s historical data.

 

21.2.7.1.5First Fills & Initial Charges

 

First fills include the costs for the initial construction first fills for installed equipment and process first fills, and consist of chemicals, fuels, and lubricants, etc.

 

First fills have been calculated from the mechanical and electrical equipment supply costs; total first fills equate to 1.0% for construction first fills and 1.5% for commissioning first fills.

 

21.2.7.1.6Project Delivery

 

EPCM services cost to cover such items as engineering and procurement services (home office-based), construction management services (site-based), project office facilities, information technology (IT), staff transfer expenses, secondary consultants, field inspection and expediting corporate overhead and fees.

 

The overall EPCM budget has been calculated as a percentage of the direct costs. The overall percentage is 14% of the total direct cost which is inclusive of other Direct Costs and General Expenses.

 

Major cost categories covering the indirect costs are listed in the Table 21-10 by phase.

 

Table 21-10:Indirect Costs

 

Indirect Cost WBS Initial
(US$M)
Sustaining
(US$M)
Temporary Construction Facilities and Services 6100 33 -
Construction Camp 6200 52 -
Commissioning Reps and Assistance 6400 5 -
Spares 6500 4 1
First Fills and Initial Charges 6600 2 -
Mining Indirects (MMTS) 6900 1 6
Project Delivery 7100 49 -
Total Indirect Cost   146 7

 

Note: Values may not sum due to rounding.

 

  
Courageous Lake ProjectPage 310
Pre-feasibility Study and Preliminary Economic Assessment NI 43-101 Technical ReportJanuary 5, 2024
  

  

 

21.2.7.2Area 8000 – Owner’s Costs

 

Owner’s costs were estimated by Seabridge through a combination of first principles build-up and benchmarking and include:

 

Project Management

 

Permitting, Social & Environmental

 

Health, Safety & Security

 

Insurance

 

Land Costs

 

Pre-Production Costs

 

Financing.

 

Table 21-11 presents Owner’s Costs by phase.

 

Table 21-11: Owner’s Costs

 

Owner Cost Total Cost (US$M)
Labour 14
Facilities 0
Internal Administration 6
External Administration 2
Travel & Transportation 2
Total Owner’s Cost 25

 

Note: Values may not sum due to rounding.

 

21.2.7.3Area 9000 – Contingency

 

Contingency is a provision of funds for unforeseen or inestimable costs within the defined project scope relating to the level of engineering effort undertaken and estimate/engineering accuracy and applied to provide an overall level of confidence in costs and schedule outcomes. The contingency is meant to cover events or incidents that occur during the course of the project that cannot be quantified during the estimate preparation and does not include any allowance for project risk.

 

It is important to note that contingency does not cover scope changes, force majeure, adverse weather conditions, changes in government policies, currency fluctuations, escalation, and other project risks.

 

A summary of the contingency by WBS is noted below in Table 21-12.

 

  
Courageous Lake ProjectPage 311
Pre-feasibility Study and Preliminary Economic Assessment NI 43-101 Technical ReportJanuary 5, 2024
  

  

  

Table 21-12: Contingency by WBS

 

Description WBS Total Contingency (US$M)
Mining 1000 10
Process Plant 2000 37
Tailings Facilities 3000 6
On Site Infrastructure 4000 13
Off-Site Infrastructure 5000 8
Project Indirects 6000 18
Project Delivery 7000 9
Owners Costs 8000 4
Total 105

 

Note: Values may not sum due to rounding.

 

21.2.8Growth Allowance

 

Each line-item of the estimate is developed initially as a bare quantity and cost. A growth allowance has then been allocated to each element of those line items’ costs to reflect the level of definition in design (quantity maturity) and pricing strategy (cost maturity).

 

Estimate growth is:

 

Intended to account for items that cannot be quantified based on the current engineering status but are empirically known to appear, essentially bridging the gap from study to constructed quantities/costs.

 

Accuracy of quantity take-offs and engineering lists based on the level of engineering and design undertaken at a pre-feasibility study level.

 

Pricing growth for the likely increase in cost due to the development and refinement of specifications as well as re-pricing after initial budget quotations and after finalization of commercial terms and conditions to be used on the Project.

 

Where an allowance has been used which is the result of factoring, no growth has been applied as the factor has been surmised from an actual cost.

 

Growth has been calculated at the line-item level by evaluating the status of the engineering scope definition and maturity and the ratio of the various pricing sources for equipment and materials used to compile the estimate.

 

21.2.9Closure Costs

 

The total closure costs, inclusive of the process plant, water treatment plant and tailings area, was calculated to be US$72M.

 

  
Courageous Lake ProjectPage 312
Pre-feasibility Study and Preliminary Economic Assessment NI 43-101 Technical ReportJanuary 5, 2024
  

  

 

21.2.10Exclusions

 

The following items will not be considered in Ausenco’s Class 4 PFS cost estimate:

 

residual value of temporary equipment and facilities

 

cost of this study or any further studies

 

special incentives (schedule, safety or others)

 

management reserve

 

replacement capital

 

scope changes

 

arctic corridors for access between buildings

 

operating costs

 

environmental approvals

 

environmental impact assessment

 

no allowance has been made for loss of productivity and/or disruption due to religious, union, social and/or cultural activities

 

force majeure issues

 

foreign exchange exposure

 

permitting

 

escalation costs

 

duties & taxes

 

sunk costs

 

costs associated with geotechnical field investigations

 

land acquisition

 

final closure plan and estimate

 

mining design

 

management of other consultants

 

taxes and duties.

 

  
Courageous Lake ProjectPage 313
Pre-feasibility Study and Preliminary Economic Assessment NI 43-101 Technical ReportJanuary 5, 2024
  

  

  

21.3Operating Costs

 

21.3.1Basis of Estimate

 

Common to all operating cost estimates are the following assumptions:

 

Cost estimates are based on Q3 2023 pricing.

 

All figures are expressed in US$ and C$ as the development of all costs were developed in Canadian originally to consider the local currency of operation and then converted to US$ using the exchange rate of 0.74.

 

Worker rotations will be a 2-week-on/2-week-off schedule. All workers will be flown in with a charter plane from Yellowknife to the Courageous Lake site. Non-Yellowknife workers will fly to Yellowknife prior to the charter plan.

 

Diesel price of C$1.54/L or US$ 1.14/L, C$1.51/L or US$ 1.12/L and C$1.64 or US$ 1.21 has been selected for site power generation, plant heating and pit equipment respectively.

 

Electrical power demand and consumption charge were determined through vendor data for operating a diesel power plant capable of powering 111 GWh per annum, with a peak load of 16.1 MW. The resultant power cost using the selected diesel costs for the generators is C$0.44 /kWh or US$0.33 /kWh.

 

Steel media consumption rates have been estimated based on the mill power draw required and average material hardness.

 

Reagent consumption rates have been estimated based on metallurgical test work, Metsim models, and standard operating practices. They are costed using supplier quotes obtained in 2023. All reagent and consumable costs include transportation to site, which includes costs incurred for the transport to Yellowknife as well as further transport using an ice road from Yellowknife to Courageous Lake.

 

Equipment liners and consumables are based on vendor quotations.

 

21.3.2Operating Cost Estimate Summary

 

The estimate conforms to Class 4 guidelines for a PFS study level estimate with a -20%/ +25% accuracy according to the Association of the Advancement of Cost Engineering International (AACE International).

 

Operating costs include the ongoing cost of operations, during mill production years, related to mining, processing, tailings co-disposal, general administration activities and water treatment costs. The estimate provided in Table 21-13 and Table 21-14 is based on a combination of first-principal calculations, experience, vendor quotes, reference projects and factors appropriate for this level of study.

 

Table 21-13:2024 PFS Operating Cost Estimate Summary Average (C$)

 

Overall Site OPEX

Annual OPEX

(C$M/a)

Per Tonne Milled OPEX
(C$/t milled)
TOTAL OPEX
(C$M)
Mining (MMTS) 92.2 34.3 1,162
Processing (Ausenco) 98.1 36.3 1,231

 

  
Courageous Lake ProjectPage 314
Pre-feasibility Study and Preliminary Economic Assessment NI 43-101 Technical ReportJanuary 5, 2024
  

  

 

Overall Site OPEX Annual OPEX
(C$M/a)
Per Tonne Milled OPEX
(C$/t milled)
TOTAL OPEX
(C$M)
G&A 28.3 10.6 360
Water Treatment (SRK) 2.8 0.8 29
Total 220.9 82.5 2,810

 

Note: Values may not sum due to rounding.

  

Table 21-14: 2024 PFS Operating Cost Estimate Summary Average (US$)

  

Overall Site OPEX Annual OPEX
(US$M/a)
Per Tonne Milled OPEX
(US$/t milled)
TOTAL OPEX
(US$M)
Mining (MMTS) 68.2 25.4 860
Processing (Ausenco) 72.2 26.9 911
G&A 20.9 7.9 267
Water Treatment (SRK) 2.1 0.8 21
Total 163.5 61.0 2,079

 

Note: Values may not sum due to rounding.

 

Table 21-15:2024 PFS Operating Cost Estimate Summary Average (US$)

  

Overall Site OPEX Annual OPEX
(US$M/a)
Per Tonne Milled OPEX
(US$/t milled)
Mining (MMTS) 68.2 25.4
Processing (Ausenco) 72.2 26.9
G&A 20.9 7.9
Water Treatment (SRK) 2.1 0.8
Total 163.5 61.0

 

Note:

 

1.Values may not sum due to rounding.

 

2.Table shown as in the press release.

  

21.3.3Mine Operating Costs

 

All mining operating costs were originally developed in Canadian dollars and are converted to US$ with the exchange rate of 0.74. Mine operating costs are estimated to be US$25.4/t milled or US$3.18/t mined, and derived from a combination of supplier quotes and historical data collected by MMTS. This includes the labour, maintenance, major component repairs, fuel, and consumables costs.

 

The equipment hours are used to calculate the total equipment operating costs for each time period. Required consumables by year is calculated from unit rates and operating hours. Costs for minor parts and running repairs are included in the distributed operating costs for the major mining equipment.

 

  
Courageous Lake ProjectPage 315
Pre-feasibility Study and Preliminary Economic Assessment NI 43-101 Technical ReportJanuary 5, 2024
  

  

  

Major part replacement for the major equipment fleets is calculated separately from the expected life of the major part, the cost of the part, and the fleet size for that equipment. This puts larger cost items into the appropriate time frame based on the life of the equipment. Larger components typically are replaced later on the equipment life. This method gives a more representative cash flow. The same types of life expectance parameters are used for equipment replacement cost calculations.

 

Blasting costs are built up from component costs (provided by explosives suppliers), diesel price, and the selected powder factor. Geotechnical costs for high wall control blasting are based on other study data collected by MMTS.

 

Labour factors in manhours/equipment operating hour are assigned to each of the equipment types. Labour costs are calculated by multiplying the labour factor by the equipment operating hours, and labour costs are allocated to the equipment where labour has been assigned. The total hours required for each job type on all the equipment. Table 21-16 the labour allocation and Table 21-17 shows the salaried employee allocation. Year 3 is the peak labour requirement. Year 10 is shown to represent labour levels towards the end of the open pit mining operations.

 

Table 21-16:Mine Hourly Labour Schedule Levels

 

Hourly Labour Allocation Summary Year 3 Year 10
Mine Operations    
Drill Operator 12 8
Blasters 13 6
Shovel Operator 8 4
Haul Truck Driver 3 1
Grader Operator 5 6
Excavator Operator 8 4
Loader Operator 4 2
Track Dozer Operator 11 7
Blaster’s Helper 13 6
Water Truck Operator 6 7
Fuel Truck Operator 7 4
Mine Maintenance    
Electrician 10 11
HD Mechanic 18 16
LD Mechanic 2 2
Machinist 7 7
Crane Operator 0 0
Welder 7 7
Labourer 8 8
Total Hourly 142 106

 

Table 21-17:Mine Salary Employee Schedule Levels

 

Position Year 3 Year 10
Mine Operations    
Mine Manager 1 1

 

  
Courageous Lake ProjectPage 316
Pre-feasibility Study and Preliminary Economic Assessment NI 43-101 Technical ReportJanuary 5, 2024
  

  

 

Position Year 3 Year 10
Mine Superintendent 1 1
Clerks 2 2
Mine General Supervisor 2 2
Shift Supervisor 4 4
Drilling and Blasting Supervisor 2 2
Pit Labourers 8 8
Safety Trainers 1 1
Autonomous Technician 4 4
Mine Maintenance    
Maintenance General Supervisor 2 2
Senior Maintenance Planner 1 1
Maintenance Planner 2 2
Maintenance Supervisor 4 4
Maintenance Superintendent 1 1
Mine Engineering    
Senior Geologist 1 1
Senior Mine Engineer 2 1
Mine Engineer 1 1
Junior Engineer 1 1
Surveyor 2 1
Mine Geologist 3 1
Ore Grade Technicians 2 2
Drill and Blast Engineer/Geotechnical Engineer 2 2
Mine Superintendent 1 1
Total Salaried 50 46

 

LOM unit operating costs are listed in Table 21-18 and Table 21-19.

 

Table 21-18: Mining Costs (inclusive of Pre-production costs) Per Tonne Mill Feed

 

Cost/Tonne ROM Mill Feed LOM (C$/t) LOM (US$/t)
Grade Control 0.59 0.44
Drilling 3.24 2.40
Blasting 6.30 4.66
Loading 2.87 2.12
Hauling 12.25 9.07
Road Maintenance 1.59 1.18
Waste Dump Maintenance 0.54 0.40
Primary Pit Support 3.15 2.33

 

  
Courageous Lake ProjectPage 317
Pre-feasibility Study and Preliminary Economic Assessment NI 43-101 Technical ReportJanuary 5, 2024
  

  

 

Cost/Tonne ROM Mill Feed LOM (C$/t) LOM (US$/t)
Secondary Pit Support 0.25 0.19
Mine Maintenance 0.18 0.13
Geotech/Site 0.22 0.16
Unallocated Labour Costs 0.69 0.51
Direct Costs - Subtotals 31.86 23.58
Mine Operations GME - Labour 1.85 1.37
Mine Maintenance GME - Labour 1.10 0.81
Technical Services GME - Labour 1.37 1.01
Total GME Costs 4.32 3.20
Total Operating Cost 36.18 26.77

 

Note: Values may not sum due to rounding.

 

Table 21-19: Mining Costs (inclusive of Pre-production costs) per Tonne Material Mined

 

Cost/Tonne Material Mined (C$/t) (US$/t)
Grade Control 0.07 0.05
Drilling 0.38 0.28
Blasting 0.73 0.54
Loading 0.33 0.24
Hauling 1.43 1.06
Road Maintenance 0.18 0.13
Waste Dump Maintenance 0.06 0.04
Primary Pit Support 0.37 0.27
Secondary Pit Support 0.03 0.02
Mine Maintenance 0.02 0.01
Geotech/Site 0.03 0.02
Unallocated Labour Costs 0.08 0.06
Direct Costs - Subtotals 3.71 2.75
Mine Operations GME - Labour 0.22 0.16
Mine Maintenance GME - Labour 0.13 0.10
Technical Services GME - Labour 0.16 0.12
Total GME Costs 0.50 0.37
Total Operating Cost 4.22 3.12

 

Note: Values may not sum due to rounding.

 

  
Courageous Lake ProjectPage 318
Pre-feasibility Study and Preliminary Economic Assessment NI 43-101 Technical ReportJanuary 5, 2024
  

  

  

21.3.4Process Operating Costs

 

21.3.4.1Process Basis of Estimate

 

The following was used to determine the project’s LOM process operating costs in agreement with the cost definition

and estimate methodologies:

 

All equipment and material will be purchased as new.

 

Process G&A mobile equipment costs include fuel, maintenance, and the lease price of the equipment.

 

Assumed labor rates are typical of the region hourly personnel, while salaried positions is to be competitive with that of northern Alberta and northeastern BC.

 

Labour is assumed to be 10% from Yellowknife and 90% from metropolitan areas in Alberta and BC.

 

Worker rotations will be a 2-week-on/2-week-off schedule. All workers will be flown in with a charter plane from Yellowknife to the Courageous Lake site. Non-Yellowknife workers will fly to Yellowknife prior to the charter plan.

 

Steel media consumption rates have been estimated based on the mill power draw required and average material hardness.

 

Reagent consumption rates have been estimated based on metallurgical test work, Metsim models, and standard operating practices. They are costed using supplier quotes obtained in 2023. All reagent and consumable costs include transportation to site, which includes costs incurred for the transport to Yellowknife as well as further transport using an ice road from Yellowknife to Courageous Lake.

 

Equipment liners and consumables are based on vendor quotations.

 

Table 21-20 and Table 21-21 provides a breakdown of the process operating costs for Courageous Lake.

 

Table 21-20:Process Summary Breakdown, Fixed and Variable Costs (C$)

 

Process Plant Breakdown
Cost Center
Annual LOM
C$M/a
Per Tonne Milled LOM
C$/t milled

TOTAL LOM

C$M

Fixed Cost
Labour 23.7 8.76 297
Maintenance 6.6 2.43 82
Variable Costs
Reagents & Process Consumables 16.5 6.09 207
Power 48.3 17.88 607
Tailings Paddock 3.0 1.11 38
Total Fixed Cost 30.2 11.19 380
Total Variable Costs 67.8 25.09 851
Overall Process OPEX Total 98.1 36.28 1,231

 

Note: Values may not sum due to rounding.

 

  
Courageous Lake ProjectPage 319
Pre-feasibility Study and Preliminary Economic Assessment NI 43-101 Technical ReportJanuary 5, 2024
  

  

 

Table 21-21:Process Summary Breakdown, Fixed and Variable Costs (US$)

 

Process Plant Breakdown
Cost Center
Annual LOM
US$M/a
Per Tonne Milled LOM
US$/t milled
TOTAL LOM
US$M
Fixed Cost
Labour 17.5 6.49 220
Maintenance 4.8 1.80 61
Variable Costs
Reagents & Process Consumables 12.2 4.51 153
Power 35.8 13.23 449
Tailings Paddock 2.2 0.82 28
Total Fixed Cost 22.4 8.28 281
Total Variable Costs 50.2 18.56 630
Overall Process OPEX Total 72.6 26.85 911

 

Note: Values may not sum due to rounding.

 

21.3.4.2Process Labour

 

Labour will be primarily sourced outside of the local communities in Yellowknife, due to the amount of staff involved. It is expected only 10% of the employees will be sourced from Yellowknife, while the rest will be from major hubs from Alberta and BC. Due to vicinity, salaries are to be competitive with local mines in NWT and mining and oil and gas communities in North Eastern BC and Cold Lake Alberta. Payroll burdens range from 33%-39% for hourly positions which was consistent with the area, as advised by Seabridge Gold.

 

Process labour is consistent throughout the mine life cycle. A total headcount of 136 includes the process management, process operations, process maintenance, laboratories facilities and tailings facilities staff. The staffing schedule was estimated by benchmarking against projects with similar processes. Table 21-22 breaks down the staffing schedule and Table 21-23 breaks down the salary costs of the process labour. Table 21-24 breaks down the yearly costs by each department throughout the project.

 

  
Courageous Lake ProjectPage 320
Pre-feasibility Study and Preliminary Economic Assessment NI 43-101 Technical ReportJanuary 5, 2024
  

  

  

Table 21-22: Processing Labour by Department

 

Position Roles Per Shift Shifts Total No of Employees
Process Management      
Resident Manager 1 1 1
Operations Manager 1 1 1
Executive Secretary 1 1 1
Processing Production Labour      
Process Manager 1 1 1
Mill Superintendent 1 1 1
Senior metallurgist 1 2 2
Plant metallurgist 1 2 2
Mill Foreman 1 2 2
Shift Supervisor 1 4 4
Crushing Circuit Operator 1 4 4
Control room Operator 2 4 8
O2 plant operator 1 4 4
Grinding Circuit Operator 1 4 4
Flotation Operator 1 4 4
Leach Operator 1 4 4
CCD/Detox Operator 1 4 4
Merrill-Crowe Operator 1 4 4
Gold Room Operator 1 4 4
Reagent Preparation Operators 1 4 4
Helper/Labourer 2 4 8
Tailings Facilities      
POX/CCD/Neutralization/Tails Thickening 2 4 8
Regrind/Flotation Tails Thickening 1 4 4
Laboratories      
Lab Supervisor 1 1 1
Lab Technician 2 4 8
Lab Assistant 2 4 8
Process Maintenance Labour      
Maintenance Superintendent 1 1 1
Mechanical Supervisor 1 1 1
Electrical Supervisor 1 1 1
Millwright 4 4 16
Instrument Technician 2 4 8
Electrician 2 2 4
Mechanic 2 2 4
Maintenance Helper/Labourer 2 4 8
Total     136

 

  
Courageous Lake ProjectPage 321
Pre-feasibility Study and Preliminary Economic Assessment NI 43-101 Technical ReportJanuary 5, 2024
  

  

 

Table 21-23:Processing Labour Operating Cost During Design Throughput (C$)

 

Labour Costs Total (C$M/a) C$/t Milled
Process Management 1.06 0.39
Plant Operation 11.25 4.11
Tailings Facilities 1.91 0.70
Laboratories 2.19 0.80
Plant Maintenance 7.17 2.62
TOTAL 23.58 8.61

 

Note: Values may not sum due to rounding.

 

Table 21-24:Processing Labour Operating Cost During Design Throughput (US$)

 

Labour Costs Total (US$M/a) US$/t Milled
Process Management 0.78 0.29
Plant Operation 8.33 3.04
Tailings Facilities 1.41 0.52
Laboratories 1.62 0.59
Plant Maintenance 5.31 1.94
TOTAL 17.45 6.37

  

Note: Values may not sum due to rounding.

 

21.3.4.3Reagent and Consumables

 

The reagent and consumables used and associated consumption rates are summarized in the Section 17. Reagent prices were sourced at bulk rates including delivered costs to major ports in Western Canada. Further ice road costs were applied to the cost of the item on a per tonne basis as all material is required to be freighted from Yellowknife to Courageous Lake. The cost of using the ice road and freight truck flatbeds adds an estimated $260/t to all reagent and consumables. Reagent consumption rates are summarized in Table 21-25. The rates are derived from testwork outlined in Section 13.

 

Mill media consumption is based on the abrasion properties of the mill feed, while maintenance consumption such as the liners are based on benchmarked replacements rates for each crushing and grinding equipment. Mill media was obtained from vendor while liner and replacement parts were sourced from Ausenco’s internal database of benchmark costs.

 

  
Courageous Lake ProjectPage 322
Pre-feasibility Study and Preliminary Economic Assessment NI 43-101 Technical ReportJanuary 5, 2024
  

  

  

Table 21-25:Reagents Yearly Operating Costs at Design Throughput (C$)

 

Item Consumption
(t/a)
Unit Cost
(C$)
Total Cost, Including Freight
(C$/a)
Sulfuric Acid 0.7 646 632
Quicklime 6543 435 4,540,949
Flocculant 103 5118 552,579
MIBC 29 4200 128,034
CuSO4 274 3640 1,193,153
PAX 65 4801 835,177
R208 20 4200 128,034
Sodium Cyanide 259 4366 293,019
SMBS 640 1016 815,607
Diatomaceous Earth 20 1886 42,555
Lead Nitrate 3 4076 12,700
Zinc Dust 14 8138 114,756
Borax 9 3640 35,650
Silica 5 3954 19,259
Nitre 1 4699 3,400
Fluorospar 5 1306 7,152
Diesel Oil for Gensets 230 5007 1,208,455
Total Reagent Costs   9,931,111

 

Note: Values may not sum due to rounding.

  

Table 21-26:Reagents Yearly Operating Costs at Design Throughput (US$)

 

Item Consumption
(t/a)
Unit Cost
(US$)
Total Cost, Including Freight (US$/a)
Sulfuric Acid 0.7 478 468
Quicklime 6543 322 3,360,302
Flocculant 103 3,787 408,909
MIBC 29 3,108 94,745
CuSO4 274 2,694 882,933
PAX 65 3,553 618,031
R208 20 3,108 94,745
Sodium Cyanide 259 3,231 216,834
SMBS 640 752 603,549
Diatomaceous Earth 20 1,396 31,491
Lead Nitrate 3 3,016 9,398
Zinc Dust 14 6,022 84,919
Borax 9 2,694 26,381

 

  
Courageous Lake ProjectPage 323
Pre-feasibility Study and Preliminary Economic Assessment NI 43-101 Technical ReportJanuary 5, 2024
  

  

 

Item Consumption
(t/a)
Unit Cost
(US$)
Total Cost, Including Freight (US$/a)
Silica 5 2,926 14,252
Nitre 1 3,477 2,516
Fluorospar 5 966 5,292
Diesel Oil for Gensets 230 5007 894,257
Total Reagent Costs   7,349,022

 

Note: Values may not sum due to rounding.

 

Table 21-27:Consumables Yearly Operating Costs at Design Throughput (C$)

 

Item Unit Rate Unit Unit Cost (C$) Total Cost,
Including Freight
(C$/a)
Cheek & Swing Jaw Set 3 Set 23,940 80,669
Sec Crusher Mantle/Bowl Liner 6 Set 44,267 312,177
Secondary Screening Liner 8 Set 9,836 92,714
Tertiary Crusher Mantle Liner 6 Set 44,267 340,122
Tertiary Screen 12 Set 16,027 246,564
Ball Mill Liners 1 Set 471,094 481,703
Regrind Mill Liner 1 Set 17,305 17,952
Ball Media 2482 t 1,833 5,190,558
Total 6,762,459

 

Note: Values may not sum due to rounding.

 

Table 21-28: Consumables Yearly Operating Costs at Design Throughput (US$)

 

Item Unit Rate Unit Unit Cost (US$) Total Cost,
Including Freight
(US$/a)
Cheek & Swing Jaw Set 3 Set 17,716 59,695
Sec Crusher Mantle/Bowl Liner 6 Set 32,758 231,011
Secondary Screening Liner 8 Set 7,279 68,608
Tertiary Crusher Mantle Liner 6 Set 32,758 251,690
Tertiary Screen 12 Set 11,860 182,457
Ball Mill Liners 1 Set 348,610 356,460
Regrind Mill Liner 1 Set 3,553 13,284
Ball Media 2482 t 1,356 3,841,013
Total 5,004,220

 

Note: Values may not sum due to rounding.

 

  
Courageous Lake ProjectPage 324
Pre-feasibility Study and Preliminary Economic Assessment NI 43-101 Technical ReportJanuary 5, 2024
  

  

 

21.3.4.4Maintenance Parts and Supplies

 

Maintenance consumables (Table 21-29 and Table 21-30) costs are derived by applying factors to the total installed costs of the mechanical and electrical equipment. Five percent factors were applied on non-crushing and grinding equipment. The factors are determined by benchmarking maintenance costs derived from historical and nearby projects with similar operating parameters and use cases.

 

Table 21-29:Maintenance Consumable Costs (C$)

 

WBS

Description

Mechanical

Equipment Installed
Cost (C$)

Mechanical

Cost factor
(%)

Total Cost per Year
(C$/a)
2100 Crushing 7,846,540 6.2 486,485
2200 Stockpile and Reclaim 2,210,148 5.0 110,507
2300 Grinding 16,027,920 6.2 993,731
2400 Flotation and POX Feed Regrind 4,326,701 5.0 216,335
2500 Concentrate Pre-treatment 56,404,204 5.0 2,820,210
2600 Leach and Desorption 11,748,995 5.0 587,450
2800 Neutralization, Cyanide Detox and Tailings 2,352,406 5.0 117,620
2900 Process Plant Services and Common 23,901,684 5.0 1,195,084
Total Maintenance 124,818,598 5.23 6,528,000

 

Note: Values may not sum due to rounding.

 

Table 21-30:Maintenance Consumable Costs (US$)

 

WBS

Description

Mechanical

Equipment
Installed Cost (US$)

Mechanical
Cost  factor
(%)
Total Cost per
Year (US$/a)
2100 Crushing 5,806,440 6.2 359,999
2200 Stockpile and Reclaim 1,635,510 5.0 81,775
2300 Grinding 11,860,661 6.2 735,361
2400 Flotation and POX Feed Regrind 3,201,759 5.0 160,088
2500 Concentrate Pre-treatment 41,739,111 5.0 2,086,955
2600 Leach and Desorption 8,694,256 5.0 434,713
2800 Neutralization, Cyanide Detox and Tailings 1,740,780 5.0 87,039
2900 Process Plant Services and Common 17,687,246 5.0 884,362
Total Maintenance 6,528,000 5.23 4,830,720

 

Note: Values may not sum due to rounding.

 

  
Courageous Lake ProjectPage 325
Pre-feasibility Study and Preliminary Economic Assessment NI 43-101 Technical ReportJanuary 5, 2024
  

  

 

21.3.4.5Power

 

Due to the remote location of Courageous Lake, power is supplied by diesel generators.

 

The power cost of the entire site (Table 21-31, Table 21-32) was determined through the average power draw of each work breakdown structure and a targeted running time of each work breakdown structure; this is separate from plant availability. Average power draw was determined by each equipment’s installed power, then factoring motor efficiency and an additional motor equipment loading factor. The loading factor is to reflect how often the equipment is in use during plant run time, to mainly account for intermittent equipment. Grinding mills power consumption was calculated through Ausenco’s Ausgrind. An additional residual load was added to account for all equipment running during mill downtime.

 

The resultant power costs per tonne of mill feed is C$17.88/t for the LOM.

 

Table 21-31:Power Cost and Consumption Per Year by WBS At Design Throughput (C$)

 

WBS Description Installed Power
(kW)
Estimated Power Consumed
Per Year (MWh/a)
Cost Per Year
(C$/a)
1200 Mining 1 6 2,615
2100 Crushing 1,442 6,116 2,691,105
2200 Stockpile and Reclaim 201 956 420,729
2300 Grinding and Classification 6,920 53,096 23,362,040
2400 Flotation & Regrind 649 4,394 1,933,463
2500 POX Circuit 1,237 7,719 3,396,146
2600 Leaching and Merrill-Crowe 510 2,468 1,086,009
2700 Cyanide Detox and Tailings Pump 497 3,504 1,541,592
2800 Reagent and Utilities Systems 3,105 17,800 7,831,870
3000 Tailings Facilities 101 702 308,845
4100 Power Station 302 1,583 696,715
4600 On-Site Infrastructure 1,163 7,094 3,121,575
  Additional Residual Load N/A 5902 2,596,695
Total   16,128 111,340 48,989,400

 

Note:

 

1.Values may not sum due to rounding.
  
2.The power cost is based on the peak throughput.

 

Table 21-32:Power Cost and Consumption Per Year by WBS at Design Throughput (US$)

 

WBS Description Installed Power
(kW)
Estimated Power Consumed
Per Year (MWh/a)
Cost Per Year
(US$/a)
1200 Mining 1 6 1,935
2100 Crushing 1,442 6,116 1,991,418
2200 Stockpile and Reclaim 201 956 311,339
2300 Grinding and Classification 6,920 53,096 17,287,910
2400 Flotation & Regrind 649 4,394 1,430,763
2500 POX Circuit 1,237 7,719 2,513,148
2600 Leaching and Merrill-Crowe 510 2,468 803,647

 

  
Courageous Lake ProjectPage 326
Pre-feasibility Study and Preliminary Economic Assessment NI 43-101 Technical ReportJanuary 5, 2024
  

  

 

WBS Description Installed Power
(kW)
Estimated Power Consumed
Per Year (MWh/a)
Cost Per Year
(US$/a)
2700 Cyanide Detox and Tailings Pump 497 3,504 1,140,778
2800 Reagent and Utilities Systems 3,105 17,800 5,795,584
3000 Tailings Facilities 101 702 228,545
4100 Power Station 302 1,583 515,569
4600 On-Site Infrastructure 1,163 7,094 2,309,966
  Additional Residual Load N/A 5,902 1,921,554
Total   16,128 111,340 36,252,155

 

Note:

 

1.Values may not sum due to rounding.
  
2.The power cost is based on the peak throughput.

 

21.3.5General and Administrative Operating Costs

 

G&A costs (Table 21-33,Table 21-34) cover the expenses not directly related to the production of the gold and consider all expenses outside of mining, processing, refining, tailings treatment. These costs are developed with input from Ausenco’s in-house database on the existing operations, standard industry practice, feedback from Seabridge Gold, along with vendors and different branches of transportation businesses.

 

G&A areas includes:

 

Personnel wages

 

General expenses

 

Includes office supplies, medical and first aid supplies, and computer software licensing costs

 

Includes safety training and PPE

 

Internal assay allowance

 

Additional travel allowance

 

Vehicles

 

Contract Services

 

Estimated insurance and professional association costs

 

Allowances for relocation and recruitment

 

Auditing of mine safety and assay QA/QC expenses

 

Consulting and legal services allowances

 

Regulatory compliance allowance

 

Travel and camp costs:

 

Air freight and external warehousing allowance

 

  
Courageous Lake ProjectPage 327
Pre-feasibility Study and Preliminary Economic Assessment NI 43-101 Technical ReportJanuary 5, 2024
  

  

 

Travel expenses including rotational return from Edmonton and Abbotsford for general employees and select employees flying from Yellowknife.

 

Catering and camp operating costs in the life of mine, along with wages for camp staff

 

Potable Water & Waste Management

 

Water, sewage and waste management for camp

 

Camp road maintenance and ice road maintenance

 

Airstrip infrastructure equipment allowance and airstrip surface maintenance

 

Liaison committee and sustainability allowances.

 

Table 21-33:G&A Cost Areas (C$)

 

G&A Area Year 0 (C$M/a) Year 1 (C$/t milled)
G&A Labour 4.64 1.69
General Expenses 3.22 1.17
G&A Vehicles 0.14 0.05
Contract Services 5.53 2.02
Travel and Camp Costs 14.5 5.28
Potable Water & Waste Management 0.55 0.20
Other 1.39 0.51
Total 29.92 10.92

 

Note: Values may not sum due to rounding.

 

Table 21-34:G&A Cost Areas (US$)

 

G&A Area Year 0 (US$M/a) Year 1 (US$/t milled)
G&A Labour 3.43 1.25
General Expenses 2.38 0.87
G&A Vehicles 0.10 0.04
Contract Services 4.09 1.49
Travel and Camp Costs 10.73 3.91
Potable Water & Waste Management 0.41 0.15
Other 1.03 0.38
Total 22.14 8.08

 

Note: Values may not sum due to rounding.

 

The roles associated with the G&A labour costs are outlined below in Table 21-35. G&A Staffing was benchmarked against similar projects with comparable unit processes alongside input from Seabridge Gold. Camp staff decreases as camp decreases throughout the mine life, while the rest of the G&A salaries remain fixed.

 

  
Courageous Lake ProjectPage 328
Pre-feasibility Study and Preliminary Economic Assessment NI 43-101 Technical ReportJanuary 5, 2024
  

  

 

Table 21-35:G&A Staffing Schedule

 

Department # of position Year 1 # of position Year 13
Corporate Overseer Salaries (Allowance) N/A N/A
General Manager 1 1
HSE Superintendent 1 1
Environmental Technician 4 4
HR 2 2
Receptionist 1 1
Community Rep 1 1
Safety Officer 2 2
IT Technician 2 2
Controller 1 1
Finance Manager 1 1
Finance Assistants 2 2
Accountant 1 1
Buyer 2 2
Warehouse 4 4
Payroll Clerk 2 2
Accounts Payable/Receivable Clerk 2 2
Security Supervisor 1 1
Security Guards 4 4
On-Site First Aid EMT 2 2
Total G&A Staff 36 36

 

21.3.6Water Treatment Plant Operating Costs

 

Water treatment costs were developed by SRK consulting and supported by Ausenco. SRK covered the reagent consumption, equipment maintenance, power consumption, staffing schedule and all other costs to the water treatment plan, while Ausenco supplemented labour rate and freight rate for the staffing schedule and reagents consumed respectively. Water treatment costs during operation of the mine amounts to US$ 2.1 M annually.

 

  
Courageous Lake ProjectPage 329
Pre-feasibility Study and Preliminary Economic Assessment NI 43-101 Technical ReportJanuary 5, 2024
  

  

 

22ECONOMIC ANALYSIS

 

22.1Forward-Looking Information Cautionary Statements

 

The results of the economic analyses discussed in this section represent forward-looking information as defined under Canadian securities law. The results depend on inputs that are subject to known and unknown risks, uncertainties, and other factors that may cause actual results to differ materially from those presented here. Information that is forward-looking includes the following:

 

Mineral Resource Estimate

 

Assumed commodity prices and exchange rates.

 

The proposed mine production plan.

 

Projected mining and process recovery rates.

 

Assumptions as to mining dilution and ability to mine in areas previously exploited using mining methods envisioning the timing and amount of estimated future production.

 

Sustaining costs and proposed operating costs.

 

Assumptions as to closure costs, closure bonding, and closure requirements.

 

Assumptions as to environmental, permitting, and social risks.

 

Additional risks to the forward-looking information include:

 

Change to costs of production from what is assumed.

 

Unrecognized environmental risks.

 

Unanticipated reclamation and monitoring expenses.

 

Unexpected variations in quantity of mineralized material, grade, or recovery rates.

 

Accidents, labour disputes, and other risks of the mining industry.

 

Geotechnical or hydrogeological conditions during mining being different from what is assumed.

 

Failure of mining methods to operate as anticipated.

 

Failure of plant, equipment, or processes to operate as anticipated.

 

Changes to assumptions as to the availability of electrical power, and the power rates used in the operating cost estimates and financial analysis.

 

  
Courageous Lake ProjectPage 330
Pre-feasibility Study and Preliminary Economic Assessment NI 43-101 Technical ReportJanuary 5, 2024
  

  

 

Ability to maintain the social license to operate.

 

Changes to interest rates.

 

Changes to tax rates.

 

22.2Methodologies Used

 

The Project has been evaluated using a discounted cash flow (DCF) analysis based on a 5% discount rate. Cash inflows consist of annual revenue projections. Cash outflows consist of capital expenditures, including pre-production costs, operating costs, taxes, and royalties. These are subtracted from the inflows to arrive at the annual cash flow projections. Cash flows are taken to occur at the mid-point of each period. A sensitivity analysis assesses the impact of variations in metals price, discount rate, head grade, recovery, total operating cost, and total capital costs.

 

22.3Financial Model Parameters

 

22.3.1Assumptions

 

The economic analysis was performed assuming the gold price of US$1,850/oz, the basis of this metal price is presented in Section 19. This forecast is meant to reflect the average metal price expectation over the life of the Project. No price inflation or escalation factors are taken into account. Commodity prices can be volatile and there is the potential for deviation from the forecast.

 

The economic analysis also used the following assumptions:

 

Construction period of two years.

 

Total mine life of 12.6 years.

 

Cost estimates in constant Q4 2023 Canadian dollars with no inflation or escalation factors considered.

 

Results based on 100% ownership with a 2.0% net smelter return (NSR) royalty.

 

Capital cost funded with 100% equity (no financing cost assumed).

 

All cash flows discounted to start of construction period using mid-year discounting convention.

 

All metal products are sold in the same year they are produced.

 

Project revenue is derived from the sale of gold doré.

 

No contractual arrangements for refining or transportation currently exist.

 

  
Courageous Lake ProjectPage 331
Pre-feasibility Study and Preliminary Economic Assessment NI 43-101 Technical ReportJanuary 5, 2024
  

  

  

22.3.2Taxes

 

The project has been evaluated on a post-tax basis to provide an approximate value of the potential economics. The tax model and calculations are based on the tax regime as of the date of this PFS technical report. At the effective date of this report, the project is assumed to be subject to the Canadian federal corporate income taxes, Northwest Territories territorial corporate income taxes, and Northwest Territories royalty taxes (NWT Royalty). The corporate income taxes payable over the life of the mine are estimated to be US$343.9M and the NWT Royalty payable over the life of the mine is estimated to be US$147.6M. It must be noted that tax calculations involve complex variables that can only be accurately determined during operations and, as such, the actual taxes payable and post-tax economic results may differ from those estimated.

 

Seabridge engaged PricewaterhouseCoopers LLP (PwC) in Toronto, Ontario to review the tax component of the model. PwC is an Ontario limited liability partnership, which is a member firm of PricewaterhouseCoopers International Limited, each member firm of which is a separate legal entity.

 

The following general tax regime was recognized as applicable at the time of report writing:

 

22.3.2.1Canadian Federal and Northwest Territories (NWT) Territorial Income Tax Regime

 

The federal and NWT territorial corporate income taxes are calculated using the current enacted rates of 15% and 11.5% respectively. For both federal and territorial income tax purposes, capital expenditures are accumulated in tax pools that can be deducted against mine income at different prescribed rates, depending on the type of capital expenditures.

 

All pre-production mine development expenses, Canadian resource property acquisition costs and the costs of mine shafts, main haulage ways, and other underground workings are considered Canadian development expense (CDE) and are accumulated in the CDE pool. The Courageous Lake Financial Model treats all such expenses as CDE.

 

Fixed assets acquired for the mine are accumulated in an undepreciated capital cost pool (Class 41) and are generally amortized at 25% on a declining balance basis.

 

CDE, except for costs with respect to an acquisition of a Canadian resource property, fixed assets, and Class 14.1 expenditures incurred after November 20, 2018 and before 2028 are eligible for an enhanced first-year allowance under the Accelerated Investment Incentive measure, which is factored into the Courageous Lake Financial Model.

 

22.3.2.2NWT Mineral Tax Regime

 

The NWT Mineral tax regime is a profit-based royalty system. Royalties are calculated on the production value of the minerals mined less extraction costs incurred. Royalty calculations are on a mine-by-mine basis, independent experts are used to value minerals, all royalty returns are subject to audit, and financing costs and transfer pricing are not allowed in the calculation of royalties.

 

Royalty rates are calculated as the lesser of 13%, or on a tiered scale that varies from 0-14% depending on the value of the output of the mine. No royalties are paid for non-profitable projects.

 

  
Courageous Lake ProjectPage 332
Pre-feasibility Study and Preliminary Economic Assessment NI 43-101 Technical ReportJanuary 5, 2024
  

  

 

The costs of building and operating a mine are deducted before calculating the royalties. The following are deductible in computing mine output:

 

Depreciation allowance equal to 100% of the cost of depreciable assets of a mine

 

Development allowance equal to 100% of the exploration and development costs incurred at the mine

 

Allowance for contributions to a mining reclamation trust

 

Annual processing allowance equal to the lesser of 8% of the cost of processing assets and 65% of the value of the output of the mine.

 

NWT Mineral Tax is deductible for federal and territorial income tax purposes.

 

22.4Economic Analysis

 

The economic analysis was performed assuming a 5% discount rate in line with comparable precious metals projects in similar geography and jurisdiction. On a pre-tax basis, the NPV discounted at 5% is US$843M, the internal rate of return (IRR) is 27.1%, and the payback period is 2.2 years. On a post-tax basis, the NPV discounted at 5% is US$523M, the internal rate of return (IRR) is 20.6%, and the payback period is 2.8 years. A summary of project economics is tabulated in Table 22-1. The analysis was done on an annual cashflow basis, the cashflow results are shown in Table 22-2 and cashflow is represented graphically in Figure 22-1 on a post-tax basis.

 

  
Courageous Lake ProjectPage 333
Pre-feasibility Study and Preliminary Economic Assessment NI 43-101 Technical ReportJanuary 5, 2024
  

  

 

Table 22-1: Economic Analysis Summary Table

 

Description Units LOM Total / Avg.
Gold Price US$/oz 1,850
FX Rate C$:US$ 0.74
Mine Life Years 12.6
Total Mill Feed Mt 33.9
Total Waste Mined Mt 257
Production Units LOM Total / Avg.
Mill Feed Grade – Au g/t 2.61
Total Metal Content – Au koz 2,847
Metal Recovery Rate – Au % 89.3
Total Production – Au koz 2,541
Average Annual Production - Au koz/a 213
Total Payable Metal – Au koz 2,536
Average Annual Payable Production - Au koz/a 201
Operating Costs Units LOM Total / Avg.
Mining Cost US$/t mined 3.2
Mining Cost US$/t milled 25.4
Processing Cost US$/t milled 26.9
G&A Cost US$/t milled 7.9
Water Treatment Cost US$/t milled 0.8
Total Operating Cost (Excl. Closure Bonding) US$/t milled 61
Closure Bond Premium US$/t milled 0.5
C1 Cash Costs* US$/oz Au 863
C3 Cash Costs (AISC)** US$/oz Au 999
Capital Costs Units LOM Total / Avg.
Initial Capital Cost US$M 747
Sustaining Capital US$M 293
Salvage Credit US$M 19
Closure Costs US$M 72
Economic Outcomes Units Pre-Tax Post-Tax
NPV (5%) US$M 843 523
IRR % 27.1 20.6
Payback Years 2.2 2.8

 

*Cash Costs consist of mining costs, processing costs, mine-level G&A, closure bond premiums, off-site charges, and royalties.
   
**All-In Sustaining Costs includes cash costs plus sustaining capital, and closure costs, and less salvage credits.

 

  
Courageous Lake ProjectPage 334
Pre-feasibility Study and Preliminary Economic Assessment NI 43-101 Technical ReportJanuary 5, 2024
  

  

 

Table 22-2:Cash Flow Forecast on an Annual Basis

 

  Units Total /
Avg.
-2 -1 1 2 3 4 5 6 7 8 9 10 11 12 13 14 15
Gold Price US$/oz 1,850 -- -- 1,850 1,850 1,850 1,850 1,850 1,850 1,850 1,850 1,850 1,850 1,850 1,850 1,850 -- --
Revenue US$M 4,691 -- -- 638 606 399 409 268 363 245 255 392 502 361 177 77 -- --
Operating Cost US$M (2,079) -- -- (169) (181) (187) (177) (178) (185) (185) (181) (178) (172) (114) (104) (66) -- --
Off-Site Costs US$M (94) -- -- (12.7) (12.1) (8.0) (8.1) (5.3) (7.2) (4.9) (5.1) (7.8) (10.0) (7.2) (3.5) (1.5) -- --
Royalties US$M (16.4) -- -- (2.2) (2.1) (1.4) (1.4) (0.9) (1.3) (0.9) (0.9) (1.4) (1.8) (1.3) (0.6) (0.3) -- --
EBITDA US$M 2,502 -- -- 454 410 203 222 84 169 54 68 204 318 239 68 9 -- --
Initial Capex US$M (747) (165) (582) -- -- -- -- -- -- -- -- -- -- -- -- -- -- --
Sustaining Capex US$M (293) -- -- (61) (45) (43) (33) (20) (23) (13) (15) (13) (14) (7) (6) (1) -- --
Closure Capex US$M (71.8) -- -- -- -- -- -- -- (6.1) (6.1) (6.1) (6.1) (6.1) (6.1) (8.8) (8.8) (8.8) (8.8)
Salvage Value US$M 19.4 -- -- -- -- -- -- -- -- -- -- -- -- -- -- 19.4 -- --
Change in Working Capital US$M -- -- -- (52) 3 17 (1) 12 (8) 10 (1) (11) (9) 12 15 8 6 --
Pre-Tax Unlevered Free Cash Flow US$M 1,410 (165) (582) 341 368 178 188 76 132 44 46 174 289 237 68 28 (2) (9)
Cumulative Pre-Tax Unlevered Free Cash Flow US$M   (165) (747) (406) (38) 139 328 403 535 580 626 800 1,088 1,325 1,394 1,422 1,419 1,410
Federal and NWT Income Tax US$M (148) -- -- (1) (1) (7) (23) (5) (16) (1) (2) (22) (37) (27) (3) (1) -- --
NWT Royalty US$M (344) -- -- (2) (75) (25) (31) (4) (26) (2) (7) (39) (66) (49) (11) -- -- --
Post-Tax Unlevered Free Cash Flow US$M 929 (165) (582) 338 292 145 135 67 91 42 37 113 186 161 55 27 (2) (9)
Cumulative Post-Tax Unlevered Free Cash Flow US$M   (165) (747) (409) (117) 28 163 230 321 362 399 512 698 859 913 940 938 929
Production Summary                                      
Waste Mined Total kt 257,032 -- 17,769 25,489 27,893 28,247 25,321 27,024 24,368 28,111 21,110 16,910 13,150 1,640 -- -- -- --
Mineralized Material Mined kt 33,922 -- 2,731 6,434 3,225 2,376 2,667 695 2,492 905 1,467 3,377 5,862 1,690 -- -- -- --
Total Mill Feed kt 33,922 -- -- 2,193 2,740 2,740 2,740 2,740 2,740 2,740 2,740 2,740 2,740 2,740 2,740 1,589 -- --
Project Life years 12.6 -- -- 1.0 1.0 1.0 1.0 1.0 1.0 1.0 1.0 1.0 1.0 1.0 1.0 0.6 -- --
Processing Summary                                      
Total Mill Feed Grade - Au g/t 2.61 -- -- 5.55 4.17 2.75 2.81 1.84 2.49 1.68 1.75 2.69 3.45 2.48 1.21 0.91 -- --
Total Mill Feed - Au Content koz 2,847 -- -- 391 368 242 248 162 220 148 155 237 304 219 107 47 -- --
Metal Recovery - Au % 89.3% -- -- 88.4% 89.2% 89.4% 89.4% 89.5% 89.4% 89.5% 89.5% 89.4% 89.3% 89.4% 89.6% 89.8% -- --
Total Metal Produced - Au koz 2,541 -- -- 346 328 216 221 145 196 132 138 212 272 196 96 42 -- --
Total Metal Payable - Au koz 2,536 -- -- 345 327 216 221 145 196 132 138 212 271 195 95 42 -- --
Total Operating Costs US$M (2,079) -- -- (169) (181) (187) (177) (178) (185) (185) (181) (178) (172) (114) (104) (66) -- --
Mine Operating Costs US$M (860) -- -- (81) (83) (88) (79) (80) (87) (87) (83) (80) (76) (19) (9) (8) -- --
Processing Costs US$M (932) -- -- (65) (75) (75) (75) (75) (75) (75) (75) (75) (75) (75) (75) (44) -- --
G&A Costs US$M (269) -- -- (22.1) (22.0) (22.1) (21.8) (21.7) (21.9) (22.1) (21.8) (21.4) (20.4) (19.1) (18.8) (13.7) -- --
Closure Bond Premium Costs US$M (18.1) -- -- (1.4) (1.4) (1.4) (1.4) (1.4) (1.4) (1.4) (1.4) (1.4) (1.4) (1.4) (1.4) (0.9) -- --

 

  
Courageous Lake ProjectPage 335
Pre-feasibility Study and Preliminary Economic Assessment NI 43-101 Technical ReportJanuary 5, 2024
  

  

 

  Units Total /
Avg.
-2 -1 1 2 3 4 5 6 7 8 9 10 11 12 13 14 15
Total Unit Operating Costs

US$/t

Processed

(61.3) -- -- (77) (66) (68) (65) (65) (68) (68) (66) (65) (63) (42) (38) (42) -- --
Total Off-site Charges US$M (16.4) -- -- (2.2) (2.1) (1.4) (1.4) (0.9) (1.3) (0.9) (0.9) (1.4) (1.8) (1.3) (0.6) (0.3) -- --
Gold Transport and Refining Costs US$M (9.4) -- -- (1.3) (1.2) (0.8) (0.8) (0.5) (0.7) (0.5) (0.5) (0.8) (1.0) (0.7) (0.4) (0.2) -- --

Gold Transportation Insurance

Costs

US$M (7.0) -- -- (1.0) (0.9) (0.6) (0.6) (0.4) (0.5) (0.4) (0.4) (0.6) (0.8) (0.5) (0.3) (0.1) -- --
Total Royalties US$M (94) -- -- (12.7) (12.1) (8.0) (8.1) (5.3) (7.2) (4.9) (5.1) (7.8) (10.0) (7.2) (3.5) (1.5) -- --
Cash Costs                                      
Cash Cost** US$/oz Au 863 -- -- 533 597 908 846 1,268 990 1,443 1,357 885 679 628 1,137 1,625 -- --
AISC Cash Cost*** US$/oz Au 999 -- -- 710 735 1,106 995 1,409 1,137 1,587 1,511 974 752 695 1,292 1,384 -- --
Total Initial Capital US$M (747) (165) (582) -- -- -- -- -- -- -- -- -- -- -- -- -- -- --
Mine Pre-Strip and Pre-Production Mining US$M (48.1) -- (48.1) -- -- -- -- -- -- -- -- -- -- -- -- -- -- --

Mine Capital Cost &

Contingency

US$M (49.9) (2.7) (47.2) -- -- -- -- -- -- -- -- -- -- -- -- -- -- --
Process Capital Direct Costs US$M (392) (98) (294) -- -- -- -- -- -- -- -- -- -- -- -- -- -- --
Process Capital Indirect Costs US$M (171) (43) (128) -- -- -- -- -- -- -- -- -- -- -- -- -- -- --
Processing Contingency Costs US$M (97) (24) (73) -- -- -- -- -- -- -- -- -- -- -- -- -- -- --
Total Sustaining Capital US$M (292.7) -- -- (60.8) (45.2) (42.6) (32.8) (20.4) (22.9) (12.9) (15.0) (12.7) (13.8) (7.1) (6.0) (0.5) -- --

Mine Capital Cost &

Contingency

US$M (167.7) -- -- (35.1) (22.9) (23.0) (22.8) (10.8) (11.3) (8.8) (10.9) (8.6) (8.1) (3.0) (1.9) (0.4) -- --
Process Capital Sustaining Costs US$M (125.0) -- -- (25.7) (22.3) (19.6) (10.0) (9.6) (11.5) (4.1) (4.1) (4.1) (5.7) (4.1) (4.1) (0.1) -- --
Salvage Value US$M 19.4 -- -- -- -- -- -- -- -- -- -- -- -- -- -- 19.4 -- --
Closure Cost US$M (71.8) -- -- -- -- -- -- -- (6.1) (6.1) (6.1) (6.1) (6.1) (6.1) (8.8) (8.8) (8.8) (8.8)
Total Capital Costs Including Closure and Salvage US$M (1,092) (164.9) (582.0) (60.8) (45.2) (42.6) (32.8) (20.4) (29.0) (19.0) (21.1) (18.8) (19.9) (13.2) (14.8) 10.1 (8.8) (8.8)

 

Dollar figures in Real 2024 dollars unless otherwise noted.

 

*Cash costs consist of mining costs, processing costs, mine-level G&A, closure bond premiums, off-site charges, and royalties.

 

**AISC includes cash costs plus sustaining capital, and closure costs, and less salvage credits.

 

  
Courageous Lake ProjectPage 336
Pre-feasibility Study and Preliminary Economic Assessment NI 43-101 Technical ReportJanuary 5, 2024
  

  

 

Figure 22-1:Post-Tax Unlevered Free Cash Flow

 

 

 

Source: Ausenco, 2023.

 

22.5Sensitivity Analysis

 

Figure 22-2 shows a summary of the post-tax sensitivity analysis results.

 

As shown in Figure 22-2, the sensitivity revealed that the Project is most sensitive to changes in commodity price, exchange rate, and less sensitive to initial capital cost and operating costs.

 

The PFS sensitivity to gold price and discount rate are shown in Table 22-4 below.

 

  
Courageous Lake ProjectPage 337
Pre-feasibility Study and Preliminary Economic Assessment NI 43-101 Technical ReportJanuary 5, 2024
  

  

 

Figure 22-2:Post-Tax NPV and IRR Sensitivity Results

 

 

Source: Ausenco, 2023.

 

  
Courageous Lake ProjectPage 338
Pre-feasibility Study and Preliminary Economic Assessment NI 43-101 Technical ReportJanuary 5, 2024
  

  

 

Table 22-3:Post-Tax Sensitivity Summary (Highlighted Values are Base Case Scenario)

 

Post-Tax NPV Sensitivity To Discount Rate Post-Tax IRR Sensitivity To Discount Rate
Commodity Price (US$/oz) Commodity Price (US$/oz)
Discount Rate   (20.0%) (10.0%) -- 10.0% 20.0% Discount Rate   (20.0%) (10.0%) -- 10.0% 20.0%
1.0% $279 $556 $830 $1,104 $1,376 1.0% 8.2% 14.7% 20.6% 25.9% 30.9%
3.0% $180 $423 $661 $898 $1,134 3.0% 8.2% 14.7% 20.6% 25.9% 30.9%
5.0% $99 $314 $523 $730 $936 5.0% 8.2% 14.7% 20.6% 25.9% 30.9%
8.0% $5 $186 $360 $531 $702 8.0% 8.2% 14.7% 20.6% 25.9% 30.9%
10.0% ($44) $118 $274 $426 $578 10.0% 8.2% 14.7% 20.6% 25.9% 30.9%
     
Post-Tax NPV Sensitivity To Opex Post-Tax IRR Sensitivity To Opex
Commodity Price (US$/oz) Commodity Price (US$/oz)
Opex   (20.0%) (10.0%) -- 10.0% 20.0% Opex   (20.0%) (10.0%) -- 10.0% 20.0%
(20.0%) $291 $501 $708 $915 $1,046 (20.0%) 13.8% 19.6% 24.9% 29.9% 34.7%
(10.0%) $195 $407 $615 $822 $981 (10.0%) 11.1% 17.2% 22.8% 27.9% 32.9%
-- $99 $314 $523 $730 $936 -- 8.2% 14.7% 20.6% 25.9% 30.9%
10.0% ($4) $218 $429 $637 $844 10.0% 4.9% 12.0% 18.2% 23.8% 28.9%
20.0% ($115) $122 $335 $544 $751 20.0% 1.0% 9.0% 15.6% 21.5% 26.9%
Post-Tax NPV Sensitivity To Initial Capex Post-Tax IRR Sensitivity To Initial Capex
Commodity Price (US$/oz) Commodity Price (US$/oz)
Initial Capex   (20.0%) (10.0%) -- 10.0% 20.0% Initial Capex   (20.0%) (10.0%) -- 10.0% 20.0%
(20.0%) $200 $411 $585 $745 $910 (20.0%) 13.0% 20.6% 27.3% 33.5% 39.6%
(10.0%) $150 $363 $571 $778 $979 (10.0%) 10.3% 17.4% 23.6% 29.4% 35.2%
-- $99 $314 $523 $730 $936 -- 8.2% 14.7% 20.6% 25.9% 30.9%
10.0% $49 $264 $474 $682 $889 10.0% 6.4% 12.5% 17.9% 23.0% 27.7%
20.0% ($6) $214 $425 $634 $841 20.0% 4.8% 10.6% 15.7% 20.5% 24.9%
Post-Tax NPV Sensitivity To Recovery Mill Post-Tax IRR Sensitivity To Recovery Mill
Commodity Price (US$/oz) Commodity Price (US$/oz)
Recovery Mill   (20.0%) (10.0%) -- 10.0% 20.0% Recovery Mill   (20.0%) (10.0%) -- 10.0% 20.0%
(20.0%) ($329) ($91) $100 $272 $440 (20.0%) 0.0% 1.9% 8.2% 13.5% 18.3%
(10.0%) ($92) $121 $314 $502 $689 (10.0%) 1.9% 8.9% 14.7% 20.0% 24.9%
-- $99 $314 $523 $730 $936 -- 8.2% 14.7% 20.6% 25.9% 30.9%
10.0% $271 $502 $730 $957 $1,083 10.0% 13.5% 20.0% 25.9% 31.4% 36.7%
20.0% $306 $540 $772 $942 $1,119 20.0% 14.6% 21.1% 27.1% 32.7% 38.1%
Post-Tax NPV Sensitivity To Head Grade Post-Tax IRR Sensitivity To Head Grade
Commodity Price (US$/oz) Commodity Price (US$/oz)
Head Grade   (20.0%) (10.0%) -- 10.0% 20.0% Head Grade   (20.0%) (10.0%) -- 10.0% 20.0%
(20.0%) ($329) ($91) $100 $272 $440 (20.0%) 0.0% 1.9% 8.2% 13.5% 18.3%
(10.0%) ($92) $121 $314 $502 $689 (10.0%) 1.9% 8.9% 14.7% 20.0% 24.9%
-- $99 $314 $523 $730 $936 -- 8.2% 14.7% 20.6% 25.9% 30.9%
10.0% $271 $502 $730 $957 $1,083 10.0% 13.5% 20.0% 25.9% 31.4% 36.7%
20.0% $438 $688 $936 $1,083 $1,276 20.0% 18.3% 24.8% 30.9% 36.7% 42.4%
Post-Tax NPV Sensitivity To Exchange Rate Post-Tax IRR Sensitivity To Exchange Rate
Commodity Price (US$/oz) Commodity Price (US$/oz)
Exchange Rate   (20.0%) (10.0%) -- 10.0% 20.0% Exchange Rate   (20.0%) (10.0%) -- 10.0% 20.0%
(20.0%) $418 $625 $777 $937 $1,098 (20.0%) 20.6% 27.2% 33.4% 39.3% 45.2%
(10.0%) $261 $470 $678 $884 $1,083 (10.0%) 14.0% 20.6% 26.5% 32.0% 37.8%
-- $99 $314 $523 $730 $936 -- 8.2% 14.7% 20.6% 25.9% 30.9%
10.0% ($81) $152 $366 $575 $782 10.0% 2.5% 9.4% 15.3% 20.6% 25.4%
20.0% ($293) ($20) $205 $418 $627 20.0% 0.0% 4.5% 10.4% 15.7% 20.6%

 

  
Courageous Lake ProjectPage 339
Pre-feasibility Study and Preliminary Economic Assessment NI 43-101 Technical ReportJanuary 5, 2024
  

  

 

23ADJACENT PROPERTIES

 

There are no relevant adjacent properties to the Courageous Lake Property that are the subject of this Report.

 

 

 

 

 

 

 

 

 

 

 

 

 

 

 

 

 

 

 

 

 

 

 

 

 

 

 

 

 

 

 

 

 

 

  
Courageous Lake ProjectPage 340
Pre-feasibility Study and Preliminary Economic Assessment NI 43-101 Technical ReportJanuary 5, 2024
  

  

 

24OTHER RELEVANT DATA AND INFORMATION

 

24.12024 Preliminary Economic Assessment

 

24.1.1Introduction

 

The PEA is preliminary in nature and includes Inferred Mineral Resources considered too speculative geologically to have the economic considerations applied to them that would enable them to be categorized as Mineral Reserves, and there is no certainty that the results of the PEA will be realized. Mineral Resources are not Mineral Reserves and do not have demonstrated economic viability.

 

The PEA is a standalone mine plan that has been undertaken to evaluate the conceptual expansion of the open pit below the base of the permafrost. The 2024 PEA assumes the 2024 PFS has been completely mined out prior to PEA mining activities. The PEA does not include any Mineral Resources from the Walsh Lake deposit.

 

The Mineral Resources used in the 2024 PEA mine plan are exclusive of the pits mined out in the 2024 PFS plan and the associated Mineral Reserves or Mineral Resources inside of those pits. The 2024 PEA mine plan includes Inferred Resources.

 

The proposed process plant for the 2024 PEA design has an average process rate of 7,500 t/d and envisages an open pit mining operation planned to operate for 16 years. The process plant in PEA Year 1 is assumed to be existing from the 2024 PFS (in PFS Year 14).

 

Mineralized material undergoes crushing, grinding and flotation to produce a clean sulphide flotation concentrate. The flotation concentrate is contacted with acidic solution in the acidulation circuit prior to sulphide oxidation in a pressure oxidation circuit. Oxidized material from the pressure oxidation circuit is washed and fed to the cyanide leach circuit. Gold will be recovered from the cyanide leach solution using the Merrill-Crowe process.

 

The 2024 PEA mine site general arrangement is shown in Figure 24-1.

 

  
Courageous Lake ProjectPage 341
Pre-feasibility Study and Preliminary Economic Assessment NI 43-101 Technical ReportJanuary 5, 2024
  

  

 

Figure 24-1:Mine Site General Arrangement

 

 

 

Source: Ausenco, 2023.

 

24.1.2Mining Methods

 

24.1.2.1Net Smelter Return Block Model

 

The NSR per tonne for each block in the block model used for the PEA mine planning is determined using the mineral resources discussed in Section 14. It is net of off-site costs and inclusive of on-site mill recovery. It is used as a cut-off item for break-even mill feed/waste selection, as well as for grade bins used to optimize cash flow in the open pit production scheduling.

 

NSR is estimated using net smelter price (NSP) and process recoveries. A gold price of $1,400 US$/oz is assumed, and the total off-site costs are assumed to be $3.50 US$/oz. The assumed process recoveries are shown in Table 24-2.

 

  
Courageous Lake ProjectPage 342
Pre-feasibility Study and Preliminary Economic Assessment NI 43-101 Technical ReportJanuary 5, 2024
  

  

 

24.1.3Open Pit Mining Method

 

The objective of the 2024 PEA open pit mining study is to develop an open pit mine plan that:

 

maximizes recovery of the resource

 

is economically positive.

 

The geotechnical assumptions used for the PEA pit are shown in Table 24-1. There have been no pit slope stability analyses completed for the PEA pit as part of the current study.

 

Table 24-1:Pit Slope Assumptions

 

  Wall Sector Azimuth

Slope Design Element

 

166° to 226°

South to
Southwest Wall

226° to 312° West
Wall and Tundra
Fault

312° to 012°

Northwest to
North Wall

012° to 066°

North to
Northeast Wall

066° to 166° East
Wall
Bench Face Angle (BFA) Degrees 64 80 64 71 75
Final Bench Height (m) 20 20 20 20 20
Catch Bench Width (m) 12 10.7 12 10 10
Inter-Ramp Angle (IRA) 42.6 54.6 42.6 49.8 52.5
Design Basis and Limiting Factors Inter-ramp slope instability relating to J3 and J0 interaction.

Potential bench scale toppling; additional ravelling related to Tundra Shear.

 

May require single benching and additional catchment; develop ramp in West Wall where possible. may require.

Design controlled by inter-ramp slope instability relating to J1 and J0 interaction. Bench face angle controlled by J4; inter- ramp slope instability on J4/J0. Bench face angle controlled by foliation orientation; additional ravelling related to Tundra Shear; additional catchment and single benching may be required locally.

 

  
Courageous Lake ProjectPage 343
Pre-feasibility Study and Preliminary Economic Assessment NI 43-101 Technical ReportJanuary 5, 2024
  

  

 

  Wall Sector Azimuth

Slope Design Element

 

166° to 226°

South to
Southwest Wall

226° to 312° West
Wall and Tundra
Fault

312° to 012°
Northwest to
North Wall

012° to 066°

North to
Northeast Wall

066° to 166° East
Wall
Comments and Slope Depressurization Requirements

Slope depressurization required.

 

Assumes 5% rock bridge along joint surfaces.

 

Potential for steepening overall slope angle.

No depressurization required.

 

Does not require rock bridging to meet DAC.

Slope depressurization required.

 

Assumes 5% rock bridge along joint surfaces.

No depressurization required.

 

Does not require rock bridging to meet DAC.

Slope depressurization required.

 

Does not require rock bridging to meet DAC.

 

Incorporate a 30 m-wide geotechnical step-out at mid-point of the wall to decouple the

slope as is current industry practice.

 

24.1.3.1Pit Optimization Method

 

The economic pit limit is selected after evaluating Lerch Grossman (LG) pit cases. Inputs to the LG pit limit assessment shown in Table 24-2.

 

Table 24-2:LG Pit Limit Primary Assumptions (CAD$)

 

Assumption Value
Mining Cost - Waste C$2.75/t
Mining Cost - Mill feed C$3.75/t
Process, G&A, Site Services C$49.66/t
  <0.3 g/t 0%
  0.3 g/t - 0.5 g/t 40%
  0.5 g/t - 0.75 g/t 65%
Process Au Recoveries 0.75 g/t - 3.0 g/t 76% - 92%1
  3.0 g/t - 5.0 g/t 93%
  5.0 g/t - 8.0 g/t 94%
  >8.0 g/t 96%
Pit Slope Angle See Table 24-1
Metal Prices $1,400 US$/oz

 

1Between 0.75 and 3.0 g/t, Recovery = -0.1423 x AU5 + 0.2604 x AU4 + 5.593 x AU3 - 30.217 x AU2 + 60.566 x AU + 44.935

 

  
Courageous Lake ProjectPage 344
Pre-feasibility Study and Preliminary Economic Assessment NI 43-101 Technical ReportJanuary 5, 2024
  

  

 

24.1.3.2LG Pit Limits

 

The 2024 PEA LG pits are generated by varying prices in the range from 30% to 150% of the base NSR. Note the tonnes and grades for each LG pit shell are based on the same cut-off grade as the 100% case, therefore the above different price cases cannot be considered a price sensitivity. The PEA LG’s are not restricted to the permafrost boundary and uses the PFS mined-out surface for initial topography. Figure 24-2 shows the resulting mill feed sensitivity to price case. The 70% price case is selected as the ultimate pit for detailed designs.

 

Figure 24-2: Sensitivity of 2024 PEA Mill Feed Tonnes to Price Case

 

 

Source: MMTS, 2023.

 

24.1.3.3Mining Loss and Dilution

 

Mining loss and dilution is estimated using an edge count method. Each block is examined and the number of contact edges for mill feed and waste are determined. Mill feed blocks that have 3 or 4 waste contact edges are treated as waste (mining loss) while waste blocks that have 3 or 4 contact edges are treated as mill feed (mining dilution). The summarized loss and dilution parameters are shown in the table below:

 

  
Courageous Lake ProjectPage 345
Pre-feasibility Study and Preliminary Economic Assessment NI 43-101 Technical ReportJanuary 5, 2024
  

  

 

Table 24-3: PEA Mining Losses and Dilution

 

Description Tonnes (kt) Tonnes (%) Au Grade (g/t)
Losses 5,805 12% 1.93
Dilution 752 2% 0.83

 

24.1.3.4Pit Phase Design

 

The open pit development is designed as a conventional truck-shovel operation with 227-t autonomous trucks with 16 m3 and 12 m3 shovels. The mine design includes two nested pit phases to balance stripping requirements while satisfying the process plant requirements.

 

The design parameters include:

 

ramp width of 36 m

 

maximum road grades of 10%

 

bench heights of 10 m

 

safety bench interval of 20 m

 

variable slope angles by sector.

 

A minimum mining width between pit phases is allocated to maintain a suitable mining platform for efficient mining operations. This is established based on equipment size and operating characteristics. For this study, the minimum mining width generally conforms to 50 m, which provides sufficient room for two-sided truck loading, but where phases merge, it is sometimes less.

 

Phase 5 and Phase 6 are concentric phases around the mined-out PFS pit. Phase 5 accelerates some mill feed and defers waste stripping. Phase 6 is the Ultimate Pit. Figure 24-4 shows the 2024 PEA phases. Table 24-4 shows the mill feed and waste tonnes, grade and strip ratio by phase.

 

An East-West section view of the PEA phases with the PFS mined out is shown in Figure 24-3.

 

  
Courageous Lake ProjectPage 346
Pre-feasibility Study and Preliminary Economic Assessment NI 43-101 Technical ReportJanuary 5, 2024
  

  

 

Figure 24-3: Courageous Lake PEA Pit Limit – East-West Section at North 7109735

 

 

 

Source: MMTS, 2024.

  
Courageous Lake ProjectPage 347
Pre-feasibility Study and Preliminary Economic Assessment NI 43-101 Technical ReportJanuary 5, 2024
  

  

 

Figure 24-4: Pit Design – Plan View

 

 

Source: MMTS, 2023.

  
Courageous Lake ProjectPage 348
Pre-feasibility Study and Preliminary Economic Assessment NI 43-101 Technical ReportJanuary 5, 2024
  

  

 

Table 24-4: Phase Strip Ratio

 

Phase Ore Waste Total Material
  kTonnes Au kTonnes kTonnes Strip Ratio
Phase5 10,883 2.44 197,797 208,681 18.2
Phase6 32,577 2.68 521,384 553,961 16.0
Grand Total 43,460 2.62 719,181 762,641 16.5

 

Phase design by MMTS for the pit has been carried out in an iterative process following TetraTech’s PFS pit wall parameters, described in Section 16.14.

 

24.1.3.5Pit Resource Estimate

 

The pit delineated resources summarized in Table 24-5 are a subset of the mineral resources and quantities that are included in Section 14. The pit delineated resources use an NSR cut-off grade of C$49.66/t and accounts for losses and dilution.

 

Table 24-5: Pit Delineated Resource

 

Category Mill Feed Diluted Grades Contained Metal
  (Mt) Au (g/t) Au (Moz)
Measured 2.71 2.8 0.2
Indicated 38.08 2.6 3.1
Measured + Indicated 40.78 2.6 3.4
Inferred 4.68 3.3 0.3

 

The PEA is preliminary in nature and includes Inferred Mineral Resources considered too speculative geologically to have the economic considerations applied to them that would enable them to be categorized as Mineral Reserves, and there is no certainty that the results of the PEA will be realized. Mineral Resources are not Mineral Reserves and do not have demonstrated economic viability.

 

24.1.3.6Waste Rock Facilities

 

All open pit waste is placed onto the CPSF.

 

The CPSF uses two construction methods to support the tailings paddock system construction. The CPSF is created bottom up in lifts that alternate between 10 and 13 m in height. The paddocks are contained within the 13 m lifts, while the 10 m lifts placed between the paddock lifts are completely waste material. Waste not required for construction of tailings paddocks is placed directly by the haul fleet with support from dozers as required. Waste needed to create tailings paddocks is delivered by the haul fleet to the CPSF and then stockpiled for later placement as described in Section 18. When waste is used to cover a completed tailings paddock the haul trucks will dump short of the berm and dozers will push the material on top of the completed tailings paddock. The CPSF is constrained to above the PFS CPSF and the east catchment. It has a maximum elevation of 546 m. Table 24-5 shows the CPSF.

 

  
Courageous Lake ProjectPage 349
Pre-feasibility Study and Preliminary Economic Assessment NI 43-101 Technical ReportJanuary 5, 2024
  

  

 

Figure 24-5: 2024 PEA Co-Placement Storage Facility Design

 

 

Source: MMTS, 2023.

 

Prior to mine development, overburden is salvaged from the footprint area where the material is considered as soil, suitable for reclamation purposes.

  
Courageous Lake ProjectPage 350
Pre-feasibility Study and Preliminary Economic Assessment NI 43-101 Technical ReportJanuary 5, 2024
  

  

 

24.1.3.7Production Scheduling (Open Pit)

 

24.1.3.7.1Open Pit Major Equipment Selection

 

The mine load and haul fleet will use diesel hydraulic excavators (22m3 bucket for waste and 12 m3 for mill feed) matched with autonomous 227-t trucks. Smaller excavators are used for mill feed to increase the mining selectivity and therefore mill feed recovery; these unit sizes are proven in operating mines around the world. All equipment is diesel powered.

 

Suitable drill sizes (228 mm hole size) are selected to match the size of truck/shovel equipment. Diesel hydraulic percussive drills with a hole size of 6.5 inches (165 mm) will be used for controlled blasting techniques on high wall rows.

 

24.1.3.7.2Schedule Criteria

 

Scheduling has been carried out with the MinePlan Schedule Optimizer (MPSO) with the primary program objective to maximize NPV. Schedule optimization is guided by estimated operating and capital costs, process recoveries, and metal prices. Mill feed from all open pits will be dumped into the primary crusher or the stockpile depending on mill feed requirements and grade.

 

24.1.3.8Open Pit Mine Operations

 

Courageous Lake open pit mining operations will employ bulk mining methods and large capacity equipment. A powder factor of 0.35 kg/t is assumed for the 2024 PEA.

 

24.1.3.9Pit Maintenance

 

Pit maintenance services include haul road maintenance, open pit mine dewatering, transporting operating supplies, relocating equipment, and snow removal. Haul road maintenance is paramount to low haulage costs; dozer and grader hours have been allocated to maintain the haul road network throughout the LOM production schedule. A rock crusher for road grading material is included.

 

24.1.3.10Open Pit Mine Equipment

 

Major, support, and ancillary equipment were costed for the 2024 PEA. The peak major mining equipment is six 22 m3 excavators, one 12 m3 excavator, two 18 m3 wheel loader and a fleet of 37 trucks.

 

24.1.3.11Open Pit Dewatering Systems

 

The dewatering activities will include vertical dewatering wells, as well as in-pit sumps.

 

Brine encountered after Year 6 will be collected and stored in an external location. After Year 13, when pit mining is completed, brine will be stored in the mined-out pit.

 

  
Courageous Lake ProjectPage 351
Pre-feasibility Study and Preliminary Economic Assessment NI 43-101 Technical ReportJanuary 5, 2024
  

  

 

24.1.3.12Open Pit Ancillary Facilities

 

24.1.3.12.1Truck Shops

 

The recommended shop sizing for the open pit operations includes three service bays, one welding bay, and one wash bay. This will accommodate the fleet for the LOM PEA production plan. The mine maintenance facility will also include a machine shop area, tool storage area, mine muster area, warehouse, and office complex. A separate tire bay facility will be required to accommodate a truck and a tire manipulator.

 

24.1.3.13Pit Slope Design

 

Standard truck and shovel equipment will be used to mine the pit. The pit slope design study update is based on 10 m high operational benches with final bench heights of 20 m in rock. It is understood that a fleet of 227-t trucks will be loaded with waste by excavators, and that smaller more selective loaders will be used to move mineralized material.

 

The overburden and open pit slope design criteria are based on the 2023 updated PFS pit slope design study by Tetra Tech Canada Inc (Tetra Tech 2023b). The overburden soils will require stripping in the footprint area of the pit. The overburden is ice-rich and susceptible to thaw induced displacement. A thermal cover will be required to maintain the soil in a frozen state. The pit area's geology and structure are relatively simple and inclined at steep angles to the west and parallel to the dominant west dipping foliation structure. The general rock mass quality is ‘Good’ to ‘Very Good’ and the rock is classified as ‘Strong to Very Strong’ and, in some cases, ‘Extremely Strong’.

 

There have been no slope stability analyses completed for the PEA pit as part of the current study. WSP completed a preliminary assessment of depressurization requirements for the PEA Pit (WSP 2023b). The PEA pit will extend 565 m below ground surface. The base of permafrost is undulating, with an average depth estimate of 335 m below ground surface. The upper portion of the pit slopes will be excavated within permafrost. It is assumed that within permafrost groundwater pressures are negligible; however, groundwater inflows to the pit are expected to increase as the base of permafrost is approached through the basal cryopeg, and that a dewatering network will be operational before the PEA pit drops below the top of the cryopeg beginning in Year 7. Based on a preliminary hydrogeological model a depressurization system consisting of 32 vertical wells 350-m long and drilled to a depth of 300 m below the top of the basal cryopeg, or 50 m below the ultimate base of the pit will be required (WSP 2023b). The wells would be installed from an interior bench of the PEA open pit 50 m above the top of the cryopeg.

 

24.1.3.14Mine Production Schedule

 

The 2024 PEA mine production schedule is matched to the throughput of the 7.5 ktpd mill with one year of pre-production mining, followed by 16 years of mill feed operations. End of period maps for the production schedule are shown below.

 

  
Courageous Lake ProjectPage 352
Pre-feasibility Study and Preliminary Economic Assessment NI 43-101 Technical ReportJanuary 5, 2024
  

  

 

Figure 24-6: End of Period Map Year -1 of PEA

 

 

Source: MMTS, 2023.

 

  
Courageous Lake ProjectPage 353
Pre-feasibility Study and Preliminary Economic Assessment NI 43-101 Technical ReportJanuary 5, 2024
  

  

 

Figure 24-7: End of Period Map Year 10 of PEA

 

 

Source: MMTS, 2023.

  
Courageous Lake ProjectPage 354
Pre-feasibility Study and Preliminary Economic Assessment NI 43-101 Technical ReportJanuary 5, 2024
  

  

 

Figure 24-8:End of Period Map End of PEA LOM

 

 

Source: MMTS, 2023.

 

The summarized production schedule results are shown in Table 24-7 and Figure 24-6.

 

  
Courageous Lake ProjectPage 355
Pre-feasibility Study and Preliminary Economic Assessment NI 43-101 Technical ReportJanuary 5, 2024
  

  

 

Table 24-6:Summarized 2024 PEA Production Schedule

 

Year   -1 1 2 3 4 5 6 7 8 9 10 11 12 13 14 15 16 LOM
Pit to Mill Amount Mt - 1.64 2.74 1.64 1.16 0.69 1.57 2.74 2.74 1.41 1.84 1.88 1.97 0.56 0.00 0.00 0.00 22.58
Au g/t - 2.22 3.92 3.86 2.33 2.85 3.37 3.70 4.07 3.34 3.62 3.65 3.78 3.91 0.00 0.00 0.00 3.53
Pit to Stockpile Amount Mt 1.19 0.33 4.40 1.45 0.00 0.00 0.00 3.10 6.50 1.01 1.22 0.86 0.77 0.06 0.00 0.00 0.00 20.88
Stockpile Reclaim Amount Mt - 1.10 0.00 1.10 1.58 2.05 1.17 0.00 0.00 1.33 0.90 0.86 0.77 2.18 2.74 2.74 2.36 20.88
Au g/t - 2.96 0.00 2.28 1.73 1.34 1.07 0.00 0.00 2.33 2.31 2.03 1.83 1.66 1.43 1.22 0.97 1.63
Stockpile Balance Amount Mt 1.19 0.41 4.81 5.16 3.58 1.54 0.37 3.47 9.96 9.64 9.96 9.96 9.96 7.84 5.10 2.36 0.00 0.00
Total Mill Feed Amount Mt - 2.74 2.74 2.74 2.74 2.74 2.74 2.74 2.74 2.74 2.74 2.74 2.74 2.74 2.74 2.74 2.36 43.46
Au g/t - 2.52 3.92 3.23 1.99 1.72 2.39 3.70 4.07 2.85 3.19 3.14 3.23 2.12 1.43 1.22 0.97 2.62
Metal to the Mill Au Moz - 0.22 0.35 0.28 0.17 0.15 0.21 0.33 0.36 0.25 0.28 0.28 0.28 0.19 0.13 0.11 0.07 3.66
Waste Mined (excluding rehandle) Amount Mt 98.81 96.93 92.86 95.81 79.76 70.26 61.26 62.16 36.04 7.80 7.36 5.17 4.07 0.87 0.00 0.00 0.00 719.18
Total Material Mined Amount Mt 100.00 98.90 100.00 98.90 80.92 70.95 62.83 68.00 45.28 10.22 10.42 7.91 6.81 1.49 0.00 0.00 0.00 762.64
Total Material Moved Amount Mt 100.00 100.00 100.00 100.00 82.50 73.00 64.00 68.00 45.28 11.55 11.32 8.77 7.59 3.67 2.74 2.74 2.36 783.52

 

Notes:

 

1.There is no planned rehandle in the waste mined in the production schedule

 

2.Mill feed includes Inferred Mineral Resources that are exclusive of the 2024 PFS. Inferred Mineral Resources are considered too speculative geologically to have the economic considerations applied to them that would enable them to be categorized as Mineral Reserves. There is no certainty that the results of the PEA will be realized. Mineral Resources that are not Mineral Reserves do not have demonstrated economic viability.

 

3.Exclusive of material mined in PFS as described in Section 16.

 

  
Courageous Lake ProjectPage 356
Pre-feasibility Study and Preliminary Economic Assessment NI 43-101 Technical ReportJanuary 5, 2024
  

  

 

Figure 24-9:Courageous Lake PEA Mill Feed Production Schedule

 

 

Source: MMTS, 2023.

 

24.1.4Recovery Methods

 

Process flowsheet for Courageous Lake project was selected based on the preliminary metallurgical testwork results summarized in Section 13 and subsequent economic modelling. The majority of the unit operations selected to build the plant flowsheet are standard technologies widely used in gold processing plants.

 

The plant is designed for a throughput of 7,500 t/d with availability of 90%. The crusher plant circuit design is set at 65% availability and the gold room availability is set at 52 weeks per year.

 

Based on the available information, metallurgical test work performed on various samples provides a reasonable indication of the mineralogical and metallurgical performance characteristics of the materials for the Courageous Lake PEA. The process flowsheet developed for the Courageous Lake mineralization is considered appropriate for the current 2024 PEA given the nature of the mill feed and similar metallurgical performance of the samples from the Courageous Lake deposits.

 

  
Courageous Lake ProjectPage 357
Pre-feasibility Study and Preliminary Economic Assessment NI 43-101 Technical ReportJanuary 5, 2024
  

  

 

The results of the comminution tests indicate that the material is very competent with respect to breakage in a SAG mill and of moderate hardness with respect to grinding in a ball mill.

 

The test work results indicated that the material responded well to flotation concentration. The results from pressure oxidation and cyanidation tests indicated that Courageous Lake concentrates were amendable to high temperature pressure oxidation with a significant improvement in gold extraction and high sulfur oxidation. The test work indicated that gold extraction improved substantially with increasing sulfur oxidation.

 

24.1.4.1Process Plant

 

24.1.4.1.1Overview

 

Process plant from the 2024 PFS mine site is used for the purposes of this PEA from PEA Year 1. The selected flowsheet includes a three-stage crushing circuit followed by a grinding circuit consisting of a ball mill circuit operating in closed circuit with a cyclone cluster. Classified material reports to a flotation circuit consisting of rougher and cleaner flotation circuits. The cleaner concentrate is reground in a ball mill operating in closed circuit with a cyclone cluster prior to advancing to the concentrate pre-treatment circuit. Cleaner tailings combine with rougher tailings for thickening before being discharged to a TSF. Overflow from regrind cyclones is thickened and undergoes acidulation to break down the carbonates prior to being thickened and entering the pressure oxidation circuit. The oxidized concentrate is leached and then washed in six-stages through a CCD circuit. The resulting pregnant solution will be processed using a Merrill-Crowe treatment by adding zinc powder to precipitate gold and silver. The precious metals precipitate will be smelted on site to produce gold-silver doré bars.

 

An overall process flow diagram is presented in Figure 24-10.

 

  
Courageous Lake ProjectPage 358
Pre-feasibility Study and Preliminary Economic Assessment NI 43-101 Technical ReportJanuary 5, 2024
  

  

  

Figure 24-10:Process Flowsheet

 

 

Source: Ausenco, 2023

 

  
Courageous Lake ProjectPage 359
Pre-feasibility Study and Preliminary Economic Assessment NI 43-101 Technical ReportJanuary 5, 2024
  

  

 

24.1.4.1.2Crushing

 

Run-of-mine material is hauled from the mine and stockpiled or directly tipped into to the run-of-mine feed hopper. Material from the hopper is discharged by gravity to a vibrating grizzly screen where oversize is discharged into the primary jaw crusher. This oversize material is crushed by the primary jaw crusher, a modular rock breaker is available to manage large rocks that may exceed the crusher cavity size.

 

The primary crusher discharge and vibrating grizzly undersize is transferred to the secondary screen by the crusher discharge conveyor. Screen oversize material is gravity fed into the secondary cone crusher. Crusher discharge and secondary screen undersize is conveyed to the tertiary screen. Tertiary crusher discharge combined with secondary screen undersize material and secondary crusher product is transferred to the tertiary screen by the same conveyor. Oversize from the tertiary screen is conveyed to the tertiary crusher surge bin which ensures the crusher is choke fed. Material that passes through the tertiary screen discharges onto the fine material transfer conveyor which will deliver material to the stockpile. The material crushed by the tertiary crusher is reduced to an 80% passing product size (P80) of 9 mm at the screen undersize.

 

24.1.4.1.3Primary Grinding and Classification

 

Fine material from the stockpile is transferred onto the ball mill feed conveyor which feeds the ball mill. The circuit is sized based on a grinding circuit feed size (F80) of 9 mm and a circuit product size (P80) of 106 µm. The ball mill product slurry will discharge onto a rubber-lined trommel screen with trommel undersize reporting into the cyclone feed pumpbox, where the material is pumped to the cyclone cluster. Promoter and copper sulphate are added to the cyclone feed pumpbox to activate gold bearing sulphides for downstream flotation. Cyclone overflow reports to the flotation circuit.

 

24.1.4.1.4Flotation

 

The overflow from the primary cyclone reports to the rougher cell feed box. In this circuit, various reagents are employed to enhance the selectivity of the flotation process. The rougher concentrate is collected from each rougher cell and pumped to cleaner flotation, while rougher tailings combine with cleaner tailings. Combined float tailings will be thickened to 65% solids. Portion of the flotation tailings thickener underflow will be used for neutralizing the acidic solution generated from the POX process. The rest of the underflow slurry will combine with POX solution neutralization thickener underflow prior to being discharged to the Co-placement Storage Facility.

 

The rougher flotation concentrate will be further upgraded in cleaner flotation circuit. The cleaner concentrate is pumped to regrind cyclone feed box. The regrind circuit consists of a cyclone cluster and a regrind ball mill operating in closed circuit. The overflow target product size is 43 µm. The cyclone overflow reports to the pre-acidulation thickener, while the underflow flows back to the regrind mill.

 

  
Courageous Lake ProjectPage 360
Pre-feasibility Study and Preliminary Economic Assessment NI 43-101 Technical ReportJanuary 5, 2024
  

  

 

24.1.4.1.5Concentrate Acidulation

 

Pre-acidulation thickener underflow slurry, at 50% w/w solids, is pumped to two agitated acidulation tanks operating at 50°C. The concentrate will be contacted with a portion of the acidic POX CCD overflow solution and fresh sulfuric acid solution. Sulfuric acid reacts with the carbonates to form gypsum and carbon dioxide which reduces the generation of carbon dioxide in the autoclaves and thereby improves the utilization of oxygen. The acidulated slurry is pumped to pre-oxidation thickener where it is thickened to 50% w/w solids prior to pressure oxidation stage.

 

24.1.4.1.6Pressure Oxidation and Counter Current Decantation (CCD)

 

The autoclave vessel consists of four compartments and five agitators and is operated at overall pressure of 2,150 kPa and 200°C. Oxygen is supplied via sparging system at partial pressure of 690 kPa. The oxidation of sulphides in the slurry occurs autogenously once started and water is added to autoclave as required to control the reaction temperature. The autoclave vessel is designed to provide residence time of 90 minutes. The oxidized slurry and the vent gases discharge into a flash vessel where water is flashed to steam as the pressure is reduced to atmospheric. The flash vessel is equipped with a gas scrubber to control steam and acidic emissions. The flash vessel slurry is sent to the POX CCD to wash the acid out of the solids.

 

Oxidized slurry passes through a three-stage CCD circuit, where gold containing solids are washed with process water to reduce slurry acidity. A portion of the acidic solution from the thickener overflow will be recycled to the pre-acidulation circuit, while the rest of the solution from the thickener overflow will be sent to a subsequent acidic solution neutralization circuit.

 

24.1.4.1.7Neutralization

 

The underflow of the third stage of the POX CCD circuit will be pumped to an agitated tank where lime will be added to neutralize the slurry and increase the slurry pH to 10.5-11 prior to leaching stage.

 

Remaining portion of the acidic wash water from POX CCD circuit will be neutralized in with a fraction of the flotation tailings acting as neutralizing agents and trimmed with lime. The neutralization tanks are sized to provide residence time of 80 minutes. The treated slurry with target pH of 8.5 will be pumped to flotation tailings pumpbox for discharge to the Co-placement Storage Facility.

 

24.1.4.1.8Cyanide Leach

 

Neutralized POX CCD underflow slurry is pumped into the agitated leaching tanks with oxygen sparged to each tank to maintain the target dissolved oxygen levels. Lime is added to maintain pH to the desired set point. Cyanide solution is added to the first leach tank. The leach circuit is sized to provide total residence time of 12 hours. The leached slurry from the last leaching tank will be washed using in a CCD and the pregnant solution will be treated using a Merrill-Crowe process.

 

  
Courageous Lake ProjectPage 361
Pre-feasibility Study and Preliminary Economic Assessment NI 43-101 Technical ReportJanuary 5, 2024
  

  

 

24.1.4.1.9Counter Current Decantation

 

A six-stage CCD circuit will be used to wash the dissolved precious metals from the leached solids. The underflow of the last CCD thickener will be pumped to a cyanide destruction circuit prior to disposal. The barren solution from the Merrill-Crowe circuit and fresh water will be used as a washing solution. The overflow from the first CCD thickener will be collected in the pregnant solution tank and sent to the Merrill-Crowe process.

 

24.1.4.1.10Merrill-Crowe Precipitation Circuit and Refining Circuit

 

The pregnant solution from the CCD washing circuit will be treated using the Merrill-Crowe process to recover the contained precious metals by zinc-dust cementation. The pregnant solution will be clarified and de-aerated prior to mixing with zinc dust, lead nitrate, and cyanide in the precipitate mixing tank where the precipitation reactions occur. The slurry with the gold and silver precipitates will be pumped through a filter press where the gold and silver precipitates will be recovered.

 

Gold and silver precipitates from the Merrill-Crowe circuit will be treated by smelting into gold-silver doré bars. The refining process will be performed in a batch mode. Gold-silver doré products will be stored in a dedicated safe in the gold room. Sufficient ventilation, fume hoods and fans, and off-gas handling will be installed in the gold room for a healthy work environment.

 

24.1.4.1.11Cyanide Destruction and Neutralized Tailings

 

Cyanide detoxification will take place using the SO2/air process. In this process sodium metabisulphite will be used as the SO2 source, copper sulphate is used as a catalyst and lime is used to maintain the pH of the reaction. The washed leach residue slurry from the CCD washing circuit will be treated in the cyanide detoxification circuit consisting of two tanks in parallel that were sized for a total residence time of 90 minutes. This process will reduce the WAD cyanide in the tailings to less than 25 mg/L before being discharged to the Leach Residue Tailings Facility (LRTF).

 

24.1.4.1.12Reagents Handling and Storage

 

All the reagents that will be transported to the site via the winter road during February and March each year. On-site storage will be provided for 12 months.

 

All the reagents will be prepared in a dedicated reagent preparation and storage facility within a containment area. Liquid reagents will be added in the undiluted form via dosing pumps. Solid reagents will be prepared into adequate strength solutions in dedicated mixing tanks and stored in holding tanks to be added to the processes via dosing pumps. Oxygen required for pressure oxidation in autoclave, leaching and cyanide destruction will be generated on site. Annual reagent consumption rates are summarized in the Table 24-7.

 

  
Courageous Lake ProjectPage 362
Pre-feasibility Study and Preliminary Economic Assessment NI 43-101 Technical ReportJanuary 5, 2024
  

  

 

Table 24-7:Reagents Consumption

 

Item Unit Value
Diatomaceous Earth t/a 20
Lime (quicklime) t/a 6646
Sodium Cyanide t/a 63
Sulfuric Acid t/a 1
Flocculant t/a 103
MIBC t/a 29
PAX t/a 65
R208 t/a 20
CuSO4 t/a 274
Fluorspar t/a 5
Borax t/a 9
Silica t/a 5
Nitre t/a 1
SMBS t/a 640
Zinc Dust t/a 14
Lead Nitrate t/a 3
Grinding Media t/a 2,466
Diesel Engine Oil (15W-40) t/a 1,299

 

24.1.4.1.13Plant Services

 

Process water is recovered from the CPSF into the process water tank and distributed around the plant from the process water tank. The POX circuit has a dedicated water circuit which is used for POX CCD wash water.

 

Raw water will be pumped from the Courageous Lake into the raw water tank and distributed by pumps for various application points, including reagent preparation, gland seal, autoclave cooling and general mill makeup water supply. Potable water is produced by an on-site potable water plant which processes water from the raw water tank and makes it fit for consumption and human use. Plant raw water demand is estimated to be 40 m3/h. Make up water demand for the process plant is estimated to be 207 m3/h.

 

Plant air service systems will supply blower air to flotation and leaching circuits, and high-pressure air to general plant and instrumentation services.

 

The total installed power for the process plant and estimated annual power consumption is given in Section 17. The total estimated power requirement for the process plant is 138,156 MWh/a.

 

  
Courageous Lake ProjectPage 363
Pre-feasibility Study and Preliminary Economic Assessment NI 43-101 Technical ReportJanuary 5, 2024
  

  

 

24.1.5Project Infrastructure

 

24.1.5.1Facilities and Services

 

Existing facilities, buildings and services from the 2024 PFS mine site are used for the purposes of this PEA beginning in PEA Year 1, namely:

 

Mining facilities including the mine office and dry, truck shop, tire change facility, truck wash, explosives storage and manufacturing facility, diesel fuel storage and distribution, and stockpile.

 

Processing facilities including the primary, secondary and tertiary crushing, fine material stockpile and reclaim conveyors, process plant, office and laboratory, plant maintenance building.

 

Mine waste and water management infrastructure including: tailings facility, tailings distribution system, water reclaim system, downstream water management ponds, and overburden stockpiles.

 

General facilities including the camp, gatehouse, emergency response/ambulance bay, warehouse, reagent cold storage, administration building, communications, emergency power diesel storage, raw, process and potable water storage and distribution, power plant, site sewage system, and solid waste treatment.

 

Site access roads, airstrip and haul roads.

 

Additional infrastructure required from PEA Year 1 includes:

 

3 No. 15,000,000 L diesel storages tanks

 

accommodation camp for mining operations

 

water treatment plant for saline groundwater.

 

24.1.5.2Co-placement Storage Facility and Leach Residue Tailings Facility

 

The PEA solids management consists of the containment and long-term management of waste products developed during the life of mine operations that consist of waste rock and tailings. Waste rock developed during the mining of economical mineralized material will be directly hauled to the co-placement storage facility (CPSF) along with slurry flotation tailings storage. For the PEA, Ausenco in conjunction with MMTS developed a co-placement storage facility (CPSF) strategy, which uses a paddock system to store tailings utilizing waste rock to create cells for the tailings storage. The PEA concept assumes that most of the waste rock (90%) would be mined out of the open pit by the end of PEA Year 7, which may leave insufficient quantities of waste rock for the concurrent construction of paddock cells for Years 8 through 16. The current mitigation measure, is to develop the cells for year 8 and through 16 prior to years 7 and stockpile material for the final construction of the last cells in the last couple of years. A leach residue tailings facility (LRTF) will be a fully lined ring dike with downstream raises to contain the tailings. Both facilities are located just east of the open pit.

 

  
Courageous Lake ProjectPage 364
Pre-feasibility Study and Preliminary Economic Assessment NI 43-101 Technical ReportJanuary 5, 2024
  

  

 

24.1.5.2.1Design Criteria

 

The key design criteria for the CPSF and LRTF are as follows:

 

24.1.5.2.1.1Production Schedule

 

The average flotation tailings produced will be 7,241 t/d for a 12-year life of mine (LOM) of 29.7 Mt and the average neutralized tailings produced will be 265 t/d for a total LOM of 1.1M (Refer to Table 24-8).

 

Table 24-8:Production Schedule

 

Production Year Flotation Tailings (kt) Neutralized Leach
Residue Tailings (kt)
Waste Rock (kt)  
-1 - - 98,810
1 2,642 96 96,934
2 2,642 97 92,863
3 2,642 97 95,813
4 2,642 97 79,758
5 2,642 97 70,260
6 2,642 97 61,258
7 2,642 97 62,162
8 2,642 97 36,044
9 2,642 97 7,803
10 2,642 97 7,362
11 2,642 97 5,167
12 2,642 97 4,074
13 2,642 97 874
14 2,642 97 -
15 2,642 97 -
16 2,642 97 -
Total 41,917 1,543 719,181

 

24.1.5.2.1.2National and Local Waste Management Guidelines

 

The CPSF and the LRTF will be designed in accordance with Canadian Dam Association (CDA) “Application of Dam Safety Guidelines to Mining Dams” (2019) to provide a safe and environmentally acceptable facilities for tailings and waste rock storage with a combined storage capacity of 762.6 Mt.

 

  
Courageous Lake ProjectPage 365
Pre-feasibility Study and Preliminary Economic Assessment NI 43-101 Technical ReportJanuary 5, 2024
  

  

 

Both the CPSF and the LRTF have dam classification of ‘very high’, according to CDA guidelines due to the proximity to the plant and open pit. Therefore, these facilities are designed to withstand the maximum credible earthquake (MCE) and probable maximum flood (PMF).

 

24.1.5.2.1.3Co-placement Management Facility (CPSF)

 

The following parameters have been used for the CPSF:

 

Flotation Tailings

 

oFlotation tailings are non-acid generating (NAG)

 

oTailings slurry solids content is 60%

 

oSG of the solids is 2.75

 

oParticle distribution is 100% passing 300 µm, 50% passing 51 µm, and 25% passing 18 µm

 

oConsolidated dry density of tailings is 1.45 t/m3

 

oAverage beach slope 1%.

 

Waste Rock

 

oWaste Rock is NAG

 

oDirect haul from pit to CPSF

 

oSpread and compact waste rock for paddock cell berms in 2 m lifts

 

oNon-paddock cells waste rock spread and no compaction

 

oExterior paddock cells slopes 3:1 (H:V)

 

oInterior paddock cells slopes 2:1 (H:V)

 

oPaddock cell berm heights m

 

oOperating water 0.5 m (max.), PMF 1 m, and freeboard 1 m

 

oPaddock cell storage capacity 1.37 Mt

 

oUnderdrain to capture (reclaim) decant water (free water) from tailings.

 

24.1.5.2.1.4Leach Residue Tailings Facility (LRTF)

 

Neutralized Tailings

 

oThe neutralized tailings are potential acid generating (PAG) due to acidic sulphates (e.g. jarosite); short term leaching of sulphate, arsenic, CN-, and CN degradation products; long-term leaching of sulphate and arsenic.

 

oTailings slurry solids content is 30%

 

  
Courageous Lake ProjectPage 366
Pre-feasibility Study and Preliminary Economic Assessment NI 43-101 Technical ReportJanuary 5, 2024
  

  

 

oSG of the solids is 2.75

 

oParticle distribution is 80% passing22 µm, and 5% passing 5 µm

 

oConsolidated dry density of tailings is 1.30 t/m3

 

oAverage beach slope 1%.

 

LRTF Embankment

 

oWaste Rock shell direct haul spread and compacted in 2 m lifts

 

oExterior embankment slopes 3:1 (H:V)

 

oInterior embankment slopes 2:1 (H:V)

 

oCrest width 30 m

 

oInterior liner system consists of 1.5mm SST LLDPE geomembrane, 1 m low permeability soil, 2 m filter zone

 

oUnderdrain

 

oOperating water 1m (max.), PMF 1m, and freeboard 1m

 

24.1.5.2.2Co-placement Storage Facility

 

The co-placement storage facility (CPSF) will store both flotation tailings and waste rock in an unlined facility located east of the open pit (refer to Figure 24-11) for an ultimate capacity of 762.1 Mt. Based on previous geotechnical investigations, the surficial geology below this facility is underlain by 1 to 6m of till overlying bedrock. Since waste rock generated during LOM is 16 times the generation of flotation tailings, the waste rock will be used to generate paddock cells to store slurry tailings. Prior to process plant operations, it will be necessary to construct a sufficient number of paddock cells to store tailings for the first two years of operations. The paddock cells will be unlined, creating leaky embankments. Seepage from the facility will be captured in a constructed underdrain that conveys seepage to small-lined ponds located around the footprint of this facility. Water can be pumped from these ponds or allowed to discharge into the larger collection ponds or the pit and recovered for process operations or treated and discharged to the environment.

 

The starter CPSF is located east of the open pit. Due to the production schedule of waste rock along with placing low-grade mineralized material stockpile within the same footprint over the life of mine, the majority of the footprint of the co-placement storage facility (CPSF) needs to be constructed during pre-production. In addition, the entire footprint of the facility needs to be stripped of 0.3 m of topsoil and 1m of overburden for the progressive closure of the facility since it cannot rely on the topsoil and overburden removed from the open pit to supply these materials alone. The first two years of operations Paddock cell will be constructed during pre-production. Each paddock cell will be designed to contain 1.37 Mt of flotation tailings. The paddock cells have an exterior slope of 3:1 (H:V) and interior slopes of 2:1 (H:V). The berms are 40m wide at the crest to account for lateral seepage from the cells and ensure seepage from the cell migrates to the underdrain system. Mine operations will deliver the waste rock and dozers and compactors will spread and compact waste rock in the construction of the paddock berms. During operations, tailings will be spigotted into multiple cells to allow seepage to migrate into the waste rock since there is no decant collection system within the cells.

 

  
Courageous Lake ProjectPage 367
Pre-feasibility Study and Preliminary Economic Assessment NI 43-101 Technical ReportJanuary 5, 2024
  

  

 

Figure 24-11:2024 PEA Co-placement Storage Facility and Leach Residue Tailings Facility

 

 

Source: Ausenco, 2023

 

The CPSF will be continuously constructed over the life of the mine, even during winter months. Due to the delivery of waste rock from the open pit the paddock cells from years 10 through 16 require rehandling of waste rock to create cells for tailings storage to an ultimate elevation of 545 masl (height of 114 m). The CPSF will be progressively closed during operations when an external lift is completed. Tailings will be spigotted in multiple cells during operations over the life of the project to ensure free water seeps into the waste rock and capture by the underdrain system. During the winter months it is assume that 15 to 20% of the free water will be lost due to ice entrainment. The ultimate CPSF occupies and area of 667 ha.

 

  
Courageous Lake ProjectPage 368
Pre-feasibility Study and Preliminary Economic Assessment NI 43-101 Technical ReportJanuary 5, 2024
  

  

 

24.1.5.2.3Leach Residue Tailings Facility

 

Due to the flat terrain, a ring dike impounding structure is required to contain the leach residue tailings. The leach residue tailings facility (LRTF) has been located south of the southeast corner of the CPSF and 300 m east of the process plant and occupies an ultimate footprint of 33 ha. Prior to process plant operations, it will be necessary to construct a starter embankment (Phase 1 LRTF) to an elevation of 444 masl (8 m high) to provide storage capacity for the first two years of operations. Prior to constructing the facility, 0.3 m of topsoil and 0.5 m of overburden will be removed from the starter footprint. The starter embankment will be constructed with waste rock and a geomembrane liner, 1 m of lower permeability soil, and 2 m filter zone will be installed on the interior slopes of the embankment. The liner system will continue throughout the base of this facility with a prepared subgrade and geomembrane. The construction materials for the starter embankment will be sourced from the pre-mining open pit excavation.

 

The life of mine leach residue tailing generated is only 1.5 Mt, which is less than 4% of the total tailing stream from the process plant. The ultimate LRTF will raise the crest to a final elevation of 450 masl (an ultimate height of 15 m).

 

24.1.5.2.4CPSF and LRTF Water Management

 

The CPSF and LRFF water management systems includes structures for surface water and seepage management. The surface water management will include three components:

 

Contact water from the CPSF and LRTF in open diversion channels that run on the surface along the toe of these facilities.

 

Seepage water in the foundation of both facilities that will be captured seepage using an underdrain system. The underdrain for the CPSF has been designed to capture decant water (free water) from the tailings along with seepage from precipitation.

 

The diversion channels will collect non-contact surface runoff from the natural areas surrounding the facility and drain to drainage areas outside the DSTF footprint. The DSTF surface water collection system was designed to collect surface contact runoff and direct the water to the sediment ponds during operation. The DSTF surface water collection channels will become non-contact water collection ditches after closure. The contact water should only contain sediment from the facility and will be directed to sediment ponds and then pumped back to the process plant or discharged to the environment. Water monitoring samples will be taken on a regular basis to ensure water being discharged meets water quality standards. If the water does not meet standards, the water from the sediment ponds will be pumped to the filter plant, then combined with the filtrate water and pumped to the process plant for water makeup or treated and discharged to the environment. The temporary and permanent channel are designed to convey runoff from the 1-in-100-year and 1- in-200-year storm events, respectively. The non-surface or drainage water management system will consist of HDPE dual wall pipe and drainage gravel wrapped in a non-woven geotextile to capture near-surface groundwater and seepage from the tailings; capturing these water sources will minimize build-up of the phreatic surface in the base of the tailings facility. In addition, the underdrain system will be utilized to drain surface runoff that is blocked by the DSTF from following its original path. A ring-dyke filter system will be placed around the underdrain inlet to prevent solids from entering and potentially plugging the system.

 

  
Courageous Lake ProjectPage 369
Pre-feasibility Study and Preliminary Economic Assessment NI 43-101 Technical ReportJanuary 5, 2024
  

  

 

24.1.5.2.5CPSF and LRTF Geotechnical Instrumentation

 

The stability of the CPSF and LRTF will be monitored by vibrating wire piezometers strategically placed within the base of these facilities. In addition, inclinometers and prisms will be placed on temporary and permanent exterior slopes during operation. Real-time continuous and unattended monitoring will be employed for the geotechnical monitoring. Additionally, water quality monitoring instrumentation will be implemented for monitoring of seepage and contact water from these facilities in the small facility ponds located around these facilities that discharge into the larger collection ponds.

 

24.1.5.2.6Closure and Reclamation

 

The CPSF will provide long-term storage of waste rock and flotation tailings and will remain in place beyond mine closure. For reclamation, the CPSF will be progressively closed in stages following the completion of each outer permanent lift to maintain slope stability, minimize dust, minimize water infiltration, and contaminant migration while being visually compatible with the surrounding area. The outer slopes of the waste rock will be graded to flattened to 3:1 (H:V) as part of the operations to facilitate progressive closure. In addition, some flatter-sloped caribou access ramps will be constructed at designated locations. Contact water and seepage water from CPSF will be collected in the water collection ponds and be pumped to during operations for process water utilization or treated, if required, and released to the environment and post-closure seepage and contact water will be pumped to the mined-out open pit until the water quality meets discharge criteria.

 

The LRSF due to the downstream construction cannot be progressively closed during operations. For reclamation the remaining supernatant water in the LRTF will be pumped to the mined-out open pit prior to closure. The leach residue tailings will be capped with a 2 m-thick layer of waste rock to support a closure cover system over the tailings with a 3% grade away from the center to support potential settlement of the cap. A geomembrane with protective layers above and below will be placed on the top to prevent seepage into the lined facility then covered with 2 m of waste rock. Then the waste rock shell will be overlain by 2 m of overburden and 0.3 m of topsoil and vegetative cover to minimize the seepage and ingress of air into the waste rock shell. After closure, the contact water from the LRTF will be pumped to the mined-out open pit until the quality of the contact water meets discharge criteria.

 

24.1.5.3Electrical Power System

 

24.1.5.3.1Facility Power Supply

 

The proposed diesel powerplant will consist of seven (7) modular diesel gensets, 1800 rpm, each nominal 3.1 MW continuously rated (ancillary loads allowed for), 3 phase, 60 Hz, 13.8 kV, 0.8 PF leading, with water jacket and exhaust gas heat recovery, with indoor day tanks and local control panels plus networking and PLC automatic master control, with gensets mounted in double wide sound attenuated modules with fire detection, fire suppression and H&V for Arctic conditions. Note, the 3.1 MW nominal capacity is the genset output after subtracting related ancillary loads such as cooling fans.

 

The powerplant detailed layout design drawings (001-2700-E-6501 to 001-2700-E-6504) include space for an additional eight genset if required, which will be further defined during the next phase where provision will be made for future installation.

 

  
Courageous Lake ProjectPage 370
Pre-feasibility Study and Preliminary Economic Assessment NI 43-101 Technical ReportJanuary 5, 2024
  

  

 

The modular powerplant will include a double wide switchgear and control module including metal clad switchgear with 13.8 kV generator circuit breakers and circuit breakers to feed the various plant loads. The switchgear will be split into two sections with a tie breaker and redundant station service and grounding transformers such that any single fault will not cause a complete blackout.

 

24.1.5.3.2Site Power Reticulation

 

Power will be distributed across the site via 13.8 kV overhead lines originating from the plant’s 13.8 kV switchgear housed within the power plant electrical room.

 

Overhead distribution lines will be constructed using aluminum conductor steel-reinforced cable (ACSR) and supported by wooden poles. The overhead powerlines will provide power from the 13.8 kW switchgear to the collection pond pumphouse and explosive facilities.

 

24.1.5.3.3Plant Power Distribution

 

The largest electrical loads at the process plant are the ball mill and oxygen plant. The drive systems for both includes motors, feeder drives (FDRs), and bypass switchgear to minimize voltage disturbances throughout the power distribution system during start-up. The ball mill and oxygen plant drive systems will be supplied via cable circuits from the plant’s primary 13.8 kV switchgear. All other process and non-Process Plant loads will be powered via 4160 V and 600 V MCCs housed within electrical rooms strategically located throughout the plant area. Power will be stepped down to 4.16 kV, 600 V, and 120/208 V distribution, as required via grounded pad-mounted and pole-mounted transformers.

 

Power to the electrical rooms will be supplied by resistance-grounded, secondary substation-type, dry-type distribution transformers located adjacent to the respective electrical room. All electrical rooms will be adequately rated for the environment and outfitted with lighting and small power transformers, distribution boards, uninterrupted power supply (UPS) systems, fire alarm and detection, and HVAC systems designed for maintaining a positive pressure with respect to outdoor ambient pressure. To reduce installation time, the electrical rooms will be pre-fabricated modular buildings installed on structural framework above ground level for bottom entry of cables. Additionally, electrical rooms will be located as close as practical to the electrical loads to optimize conductor sizes and minimize cable lengths.

 

24.1.5.4Water Treatment

 

The Project would require two water treatment plants:

 

A plant for treatment and discharge of mine contact water, including runoff and seepage from the co-placement waste rock and tailings storage facility and excess process water from the leach residue tailings facility, and

 

A treatment process for reducing the volume of saline groundwater that is expected to report to the open pit when mining extends below the level of the basal cryopeg and below the permafrost.

 

The contact water treatment plant will include a ferric co-precipitation stage for removal of arsenic and total suspended solids followed by aerobic and anaerobic biological processes for removing ammonia, nitrite and nitrate. Treated water will be pumped to Courageous Lake and discharged via a diffuser.

 

  
Courageous Lake ProjectPage 371
Pre-feasibility Study and Preliminary Economic Assessment NI 43-101 Technical ReportJanuary 5, 2024
  

  

 

The saline groundwater treatment plant uses a saltwater reverse osmosis process for concentrating the groundwater into to a brine with 6.5% salts. This brine cannot be discharged but will be stored in a purpose-built reservoir until the end of operations. At that time, the brine will be transferred to the open pit. The remainder of the pit will be filled with fresh water from Courageous Lake over a period of many years. The density difference between the brine and fresh water will generate a stable chemocline and thereby prevent mixing of the brine and overlying fresh water. As such, the brine is expected to remain in the bottom of the open pit lake in perpetuity.

 

At the end of operations, the saline groundwater treatment plant would no longer be required and would therefore be decommissioned. However, the mine contact water treatment plant will likely continue to operate seasonally for up to ten years until runoff and seepage from reclaimed mine waste areas have become negligible.

 

24.1.6Market Studies and Contracts

 

24.1.6.1Market Studies

 

No market studies or product valuations were completed as part of the 2024 PEA. Market price assumptions were based on a review of public information, industry consensus, standard practices, and specific information from comparable operations in the region.

 

Gold doré is widely traded and can be marketed directly from producer to refinery or through third-party trading entities. Seabridge were not provided with indicative refining, insurance, or transportation terms. Assumptions for metal payability, refining costs, transportation costs, and insurance costs were estimated based on a review of information from comparable recent studies. The assumed transportation and refining terms are summarized in Table 24-9 below, these refining and transport costs are deducted from the payable value of the metal to arrive at net smelter revenue (NSR). Refining and transportation terms and costs are influenced by global supply and demand and governed by mine and refinery economics based on metal prices and cost of operation. During operation, these terms may be based on variable annual negotiations, fixed rates, and/or market benchmarks.

 

Table 24-9: Summary of Assumed Doré Transportation and Refining Terms

 

Description Units Value
Payability – Au % 99.80
Transportation and refining cost C$/oz Au 5.0
Transportation Insurance % (of NSR) 0.15

 

24.1.6.2Commodity Price Projections

 

Project economics were estimated based on a long-term gold price of $1,850/oz and a C$ to US$ exchange rate (FX) of 0.740 US$/C$. These values are consistent with historic prices, shown in Table 24-10. The QP also considers the prices used in this study to be consistent with the range of prices being used for other project studies.

 

  
Courageous Lake ProjectPage 372
Pre-feasibility Study and Preliminary Economic Assessment NI 43-101 Technical ReportJanuary 5, 2024
  

  

 

Table 24-10: Summary of Historic Commodity Pricing (Source: Capital IQ Dec. 7, 2023)

 

Description Units Project Assumption 1-Year Average 2-Year Average
Gold Price US$/oz Au 1,850 1,927.2 1,844.59
Exchange Rate (FX) US$/C$ 0.74 0.740 0.755

 

24.1.6.3Contracts

 

No contracts for the transportation or off-take of the gold doré are currently in place, but if they are negotiated, they are expected to be within industry norms. Similarly, there are no contracts currently in place for the supply of reagents, equipment, utilities, labour, or bulk commodities required to construct and operate the Project.

 

24.1.7Environmental Studies, Permitting and Social or Community Impact

 

The PEA mine plan representing a modification and expansion of the PFS mine plan will require application to the Mackenzie Valley Land and Water Board (MVLWB) for amendments to the Courageous Lake Project water license and land use permit. After a preliminary screening, the MVLWB will make a determination to refer the Project to the MacKenzie Valley Environmental Impact Review Board (MVEIRB). The MVEIRB is an independent body set up under the Mackenzie Valley Resource Management Act (MVRMA) to consider and conduct environmental assessments of projects in the NWT. The MVEIRB has authority to review Project scoping, terms of reference, workplans and ultimately recommendations to government of Canada decision.

 

A review of Courageous Lake baseline study applicability to evaluate the potential effects of the PEA project will be required and may result in the need for expanded baseline studies, monitoring or modelling to adequately inform an understanding of the project effects on the environment, mitigation, amendment to PFS operational management plans and permits, consultations and Indigenous community engagement, and revisions to the mine closure and reclamation plan.

 

New or expanded mine components such as removal and treatment of saline groundwater from below permafrost, construction and operation of the LRTF, expanded CPSF and water management facilities will require detailed engineering design to support permitting. Mine closure and environmental remediation plans will be reviewed and amended to address the expanded scope and duration of mining operations and closure activities as part of mine permitting. Mine closure and post-closure costs would be re-evaluated, represented in updated reclamation securities, and inform the Life of Mine cost model. PEA closure costs are summarized in Section 24.1.8.1.1.

 

Seabridge will need to review its community engagement plans as mine planning advances for the PEA mine plan, and consider if additional efforts are required for communications, engagement and community involvement. The PEA mine plan represents an opportunity to realize expanded social, economic and employment benefits for communities in the region.

 

  
Courageous Lake ProjectPage 373
Pre-feasibility Study and Preliminary Economic Assessment NI 43-101 Technical ReportJanuary 5, 2024
  

  

 

24.1.82024 PEA Capital and Operating Cost Estimates

 

24.1.8.1Capital Cost Estimate

 

The capital cost estimate presented in this PEA provide substantiated costs that can be used to assess the economics of the expanded mine plan in PEA Year 1 for the Courageous Lake Project (one year post PFS mine closure). The estimates are based on an extension of the PFS open pit mining operation, utilizing the existing process plant and associated infrastructure.

 

The estimates conform to Class 5 guidelines for a PEA-level estimate with a -35%/ +50% accuracy according to AACE International. Both estimates were developed in Q4 2023 C$ based on the proposed design for the Project, with input data from budgetary quotations for equipment, service contracts, and construction contracts; as well as Ausenco’s in-house database of similar projects and studies, which includes experience from similar operations. Pricing has been converted to US$ for the purposes of this report using the C$ to US$ exchange rate of 0.74.

 

The capital and operating cost estimates have been prepared or advised by the following groups:

 

Mining is prepared by Moose Mountain Technical Services Ltd. (MMTS).

 

On-site Infrastructure (additional diesel storage tanks and accommodation camp), Tailings Facility, Consumables, and G&A are prepared by Ausenco.

 

Water Treatment Plant is prepared by SRK Consulting (Canada) Inc. (SRK).

 

Owner’s and closure costs have been prepared by Seabridge.

 

All cost amounts expressed are in US$ unless stated otherwise.

 

Table 24-11: 2024 PEA Capital Cost Estimate Summary (US$)

 

Overall Site Capex Initial (US$M) Sustaining (US$M) Total (US$M)
Mining 336 412 748
Process Plant 0 0 0
Tailings Facilities 71 11 82
On-Site Infrastructure 39 11 50
Off-Site Infrastructure 0 0 0
Subtotal Direct Costs 446 432 878
Indirects, Owner’s Costs & Contingency 83 17 100
Total 529 450 979

 

Note: Values may not sum due to rounding.

 

  
Courageous Lake ProjectPage 374
Pre-feasibility Study and Preliminary Economic Assessment NI 43-101 Technical ReportJanuary 5, 2024
  

  

 

24.1.8.1.1Closure Costs

 

The total closure costs for the PEA, inclusive of the process plant, water treatment plant and tailings area, has been calculated to be US$105M, with salvage credits of US$ 27 M.

 

24.1.8.2Operating Cost Estimate

 

The PEA pit mining costs are estimated to be US$45.78/t milled or US$3.00/t mined. It includes the labour, maintenance, major component repairs, fuel and consumable costs. The estimates are derived by MMTS from a combination of supplier quotes and historical data.

 

As the PEA utilizes the existing PFS process plant at PEA Year 1, the processing cost (Table 24-17, Table 24-18) is based on the PFS design. The CSPF costs are increased as the facility required is larger due to the larger quantity of mining involved.

 

G&A (Table 24-19, Table 24-20) costs are also larger due to the larger mining fleet during operation which affect mainly the travel and camp.

 

SRK also provided detail for the operation of the second water treatment plant (Table 24-21) to reduce saline groundwater, which operates for 13 years during operation of the LOM, this will be operated on top of the existing water plant.

 

Table 24-12: 2024 PEA Operating Cost Estimate Summary Average, Excluding Capitalized Opex, Closure Bonding (C$)

 

Overall Site OPEX Annual OPEX
(C$M/a)
Per Tonne Milled OPEX
(C$/t milled)
TOTAL OPEX
(C$M)
%
Mining 170 61.9 2,689 55.1
Processing 106 38.6 1,678 34.4
G&A 29 10.6 460 9.4
Water Treatment 3 1.2 50 1.0
Total 307 112.2 4,877 100

 

Note: Values may not sum due to rounding.

 

Table 24-13: 2024 PEA Operating Cost Estimate Summary Average (US$)

 

Overall Site OPEX Annual OPEX
(US$M/a)
Per Tonne Milled OPEX
(US$/t milled)
TOTAL OPEX
(US$M)
%
Mining 125 45.8 1,990 55.1
Processing 78 28.6 1,242 34.4
G&A 21 7.8 340 9.4
Water Treatment 2 0.9 37 1.0
Total 227 83.0 3,609 100

 

Note: Values may not sum due to rounding.

 

  
Courageous Lake ProjectPage 375
Pre-feasibility Study and Preliminary Economic Assessment NI 43-101 Technical ReportJanuary 5, 2024
  

  

 

Table 24-14: Maximum Hourly Labour Schedule

 

Hourly Labour Allocation Summary Year 2
Mine Operations  
Drill Operator 20
Blasters 14
Shovel Operator 21
Haul Truck Driver 9
Grader Operator 14
Excavator Operator 15
Loader Operator 6
Track Dozer Operator 36
Blaster's Helper 14
Water Truck Operator 9
Fuel Truck Operator 18
Mine Maintenance  
Electrician 22
HD Mechanic 40
LD Mechanic 2
Machinist 16
Crane Operator 0
Welder 16
Labourer Service man 16
Total Hourly 288

 

Table 24-15: Maximum Salaried Labour Schedule

 

Position Year 2
Mine Operations  
Mine Manager 1
Mine Superintendent 1
Clerks 2
Mine General Supervisor 2
Shift Supervisor 4
Drilling and Blasting Supervisor 2
Pit Labourers 8
Safety Trainers 1
Autonomous Technician 4
Mine Maintenance  
Maintenance General Supervisor 2
Senior Maintenance Planner 1
Maintenance Planner 2
Maintenance Supervisor 4
Maintenance Superintendent 1
Mine Engineering  
Senior Geologist 1

 

  
Courageous Lake ProjectPage 376
Pre-feasibility Study and Preliminary Economic Assessment NI 43-101 Technical ReportJanuary 5, 2024
  

  

 

Position Year 2
Senior Mine Engineer 2
Mine Engineer 1
Junior Engineer 1
Surveyor 2
Mine Geologist 3
Ore Grade Technicians 2
Drill and Blast Engineer/Geotechnical Engineer 2
Mine Superintendent 1
Total Salaried 50

 

Table 24-16: Mining Costs (including Pre-production) per Tonne Mill Feed LOM Cost

 

Cost/Tonne ROM Mill Feed (C$/t) (US$/t)
Grade Control 1.04 0.77
Drilling 5.11 3.78
Blasting 9.90 7.33
Loading 7.76 5.74
Hauling 29.31 21.69
Road Maintenance 2.76 2.04
Waste Dump Maintenance 1.16 0.86
Primary Pit Support 6.23 4.61
Secondary Pit Support 0.25 0.19
Mine Maintenance 0.16 0.12
Geotech/Site 0.20 0.15
Unallocated Labour Costs 0.73 0.54
Direct Costs - Subtotals 64.60 47.80
Mine Operations GME - Labour 1.39 1.03
Mine Maintenance GME - Labour 0.88 0.65
Technical Services GME - Labour 1.13 0.84
Total GME Costs 3.40 2.52
Total Operating Cost 68.00 50.32

 

Note: Values may not sum due to rounding.

 

  
Courageous Lake ProjectPage 377
Pre-feasibility Study and Preliminary Economic Assessment NI 43-101 Technical ReportJanuary 5, 2024
  

  

 

Table 24-17: PEA Process Plant Operating Costs, Fixed and Variable Costs (CAD$)

 

Process Plant Breakdown
Cost Center
Annual LOM
C$M/a
Per Tonne Milled LOM
C$/t milled
TOTAL LOM
C$M
Fixed Cost
Labour 22.5 8.22 357
Maintenance 6.5 2.38 104
Variable Costs
Reagents & Process Consumables 16.5 6.03 262
Power 49.0 17.88 777
Tailings Paddock 3.6 1.30 57
Fixed Cost 29.0 10.60 461
Variable Costs 69.1 25.21 1,096
Overall Process OPEX Total 98.1 35.82 1,557

 

Note: Values may not sum due to rounding.

 

Table 24-18: PEA Process Plant Operating Costs, Fixed and Variable Costs (US$)

 

Process Plant Breakdown
Cost Center
Annual LOM
US$M/a
Per Tonne Milled LOM
US$/t milled
TOTAL LOM
US$M
Fixed Cost
Labour 16.7 6.08 264
Maintenance 4.8 1.76 77
Variable Costs
Reagents & Process Consumables 12.2 4.46 194
Power 36.3 13.23 575
Tailings Paddock 2.6 0.97 42
Fixed Cost 21.5 7.85 341
Variable Costs 51.1 18.66 811
Overall Process OPEX Total 72.6 26.50 1,152

 

Note: Values may not sum due to rounding.

 

Table 24-19: PEA G&A Cost Areas (C$)

 

G&A Area Year 1 (C$M/a) Year 1 (C$/t milled) % of G/A
G&A Labour 4.64 1.69 13.8
General Expenses 3.22 1.17 9.6
G&A Vehicles 0.14 0.05 0.4
Contract Services 5.53 2.02 16.5
Travel and Camp Costs 18.05 6.59 53.9
Potable Water & Waste Management 0.55 0.20 1.6
Other 1.39 0.51 4.1
Total 33.51 12.23 100.0

 

  
Courageous Lake ProjectPage 378
Pre-feasibility Study and Preliminary Economic Assessment NI 43-101 Technical ReportJanuary 5, 2024
  

  

 

Table 24-20: PEA G&A Cost Areas (US$)

 

G&A Area Year 1 (US$M/a) Year 1 (US$/t milled) % of G/A
G&A Labour 3.43 1.25 13.8
General Expenses 2.38 0.87 9.6
G&A Vehicles 0.10 0.04 0.4
Contract Services 4.09 1.49 16.5
Travel and Camp Costs 13.36 4.88 53.9
Potable Water & Waste Management 0.41 0.15 1.6
Other 1.03 0.38 4.1
Total 24.80 9.06 100.0

 

Table 24-21: Desalination Plant part of Water Treatment Plant

 

Mine Year NET TDS Load to be Treated
per annum (t)
Yearly Total OPEX
(US$M)
Year 1 1,556 0.2
Year 2 2,772 0.3
Year 3 3,836 0.4
Year 4 4,609 0.4
Year 5 5,146 0.4
Year 6 5,820 0.4
Year 7 43,611 4.7
Year 8 46,242 3.4
Year 9 50,401 3.0
Year 10 55,469 2.8
Year 11 58,458 2.8
Year 12 62,093 2.8
Year 13 65,698 2.9
Total LOM 405,711 24.6

 

24.1.92024 PEA Economic Analysis

 

The results of the economic analysis for the 2024 PEA discussed in this section represent forward looking information as defined under Canadian securities law. The results depend on inputs that are subject to known and unknown risks, uncertainties, and other factors that may cause actual results to differ materially from those present here. Information that is forward-looking includes the following:

 

Mineral Resource Estimate

 

Assumed commodity prices and exchange rates.

 

The proposed mine production plan.

 

Projected mining and process recovery rates.

 

  
Courageous Lake ProjectPage 379
Pre-feasibility Study and Preliminary Economic Assessment NI 43-101 Technical ReportJanuary 5, 2024
  

  

 

Assumptions as to mining dilution and ability to mine in areas previously exploited using envisioned mining methods for the timing and amount of estimated future production.

 

Sustaining costs and proposed operating costs.

 

Assumptions as to closure costs, closure bonding, and closure requirements.

 

Assumptions as to environmental, permitting, and social risks.

 

Additional risks to the forward-looking information include:

 

Change to costs of production from what is assumed.

 

Unrecognized environmental risks.

 

Unanticipated reclamation and monitoring expenses.

 

Unexpected variations in quantity of mineralized material, grade, or recovery rates.

 

Accidents, labour disputes, and other risks of the mining industry.

 

Geotechnical or hydrogeological conditions during mining being different from what is assumed.

 

Failure of mining methods to operate as anticipated.

 

Failure of plant, equipment, or processes to operate as anticipated.

 

Changes to assumptions as to the availability of electrical power, and the power rates used in the operating cost estimates and financial analysis.

 

Ability to maintain the social license to operate.

 

Changes to interest rates.

 

Changes to tax rates.

 

The methodology for evaluation of the PEA section of this Project is identical to that detailed in Section 22.2. The capital and operating cost estimates developed specifically for this Project are presented in Section 24.1.8.

 

Industry common practice where mineralization extends at depth beyond open pit mining is to transition the mining method from open pit to underground without pausing the mining activity to accommodate the transition. The 2024 PEA assumes the predevelopment period and associated costs are exclusive from the 2022 PFS; however, an opportunity exists to improve the 2024 PEA’s business case by investing free cash flow from the tail end of the operations described in the 2024 PFS as the initial capital for the 2024 PEA.

 

  
Courageous Lake ProjectPage 380
Pre-feasibility Study and Preliminary Economic Assessment NI 43-101 Technical ReportJanuary 5, 2024
  

  

 

24.1.9.1Assumptions

 

The following assumptions have been used for the 2024 PEA:

 

Construction period of two years

 

Total PEA mine life of 15.9 years

 

All cash flows discounted to start of the 2024 PFS construction period using mid-year discounting.

 

Cost estimates in constant Q4 2023 Canadian dollars with no inflation or escalation factors considered.

 

Results based on 100% ownership with a 2.0% net smelter return (NSR) royalty.

 

Capital cost funded with 100% equity (no financing cost assumed).

 

All metal products are sold in the same year they are produced.

 

Project revenue is derived from the sale of gold doré.

 

No contractual arrangements for refining or transportation currently exist.

 

24.1.9.2Economic Analysis

 

The economic analysis of the 2024 PEA was performed assuming a 5% discount rate in line with comparable precious metals projects in similar geographies. On a pre-tax basis, the NPV discounted to start of PFS construction at 5% is US$230.6M, the internal rate of return (IRR) is 10.5%, and the payback period is 9.2 years. On a post-tax basis, the NPV discounted at 5% is US$104.1M, the internal rate of return (IRR) is 7.8%, and the payback period is 9.5 years. A summary of project economics is tabulated in Table 24-22.

 

Readers are cautioned that the PEA is preliminary in nature. It includes inferred mineral resources that are considered too speculative geologically to have the economic considerations applied to them that would enable them to be categorized as mineral reserves, and there is no certainty that the PEA will be realized.

 

  
Courageous Lake ProjectPage 381
Pre-feasibility Study and Preliminary Economic Assessment NI 43-101 Technical ReportJanuary 5, 2024
  

  

 

Table 24-22: 2024 PEA Economic Analysis Summary

 

Description Units LOM Total / Avg.
Gold Price US$/oz 1,850
FX Rate C$:US$ 0.74
Mine Life Years 15.9
Total Mill Feed Mt 43.5
Average Annual Mill Feed kt/a 2,739
Total Waste Mined Mt 719.2
Strip Ratio t:t 16.6
Production Units LOM Total / Avg.
Mill Feed Grade – Au g/t 2.62
Total Metal Content – Au koz 3,658
Metal Recovery Rate – Au % 89.3
Total Metal Production – Au koz 3,267
Average Annual Metal Production - Au koz/a 206
Total Payable Metal – Au koz 3,261
Average Annual Payable Metal Production - Au koz/a 205
Operating Costs Units LOM Total / Avg.
Mining Cost US$/t mined 3.00
Mining Cost US$/t milled 45.8
Processing Cost US$/t milled 28.6
G&A Cost US$/t milled 7.8
Water Treatment Cost US$/t milled 0.9
Total Operating Cost (Excl. Closure Bonding) US$/t milled 83
Closure Bond Premium US$/t milled 0.8
C1 Cash Costs* US$/oz Au 1,161
C3 Cash Costs (AISC)** US$/oz Au 1,323
Capital Costs Units LOM Total / Avg.
Initial Capital Cost US$M 529
Sustaining Capital US$M 450
Salvage Credit US$M 27
Closure Costs US$M 105
Total Revenue US$M 6,032
Average Annual Revenue US$M 379
EBITDA US$M 2,248
Average Annual EBITDA US$M 141
Economic Outcomes Units Pre-Tax Post-Tax
NPV (5%) Discounted to Start of 2024 PFS Construction US$M 231 104
IRR % 10.5 7.8
Payback Years 9.2 9.5

 

* Cash Costs consist of mining costs, processing costs, mine-level G&A, closure bond premiums, off-site charges, and royalties.
** All-In Sustaining Costs includes cash costs plus sustaining capital, closure costs, and salvage credits.

 

  
Courageous Lake ProjectPage 382
Pre-feasibility Study and Preliminary Economic Assessment NI 43-101 Technical ReportJanuary 5, 2024
  

  

 

24.1.9.3Sensitivity Analysis

 

A sensitivity analysis was conducted on the base case pre-tax and post-tax NPV and IRR of the PEA Project using the following variables: metal price, discount rate, total operating cost, and initial capital cost. The sensitivity analysis shows that the 2024 PEA is most sensitive to metal price, exchange rate, and operating cost. The PEA sensitivity to gold price and discount rate are shown in Table 24-23 below. Figure 24-12 shows a summary of the post-tax sensitivity analysis results.

 

Table 24-23: 2024 PEA Economic Sensitivity to Gold Price and Discount Rate

 

Scenario Units Lower Case Base Case Spot Case
(Dec. 3, 2023)
High Case
Gold Price US$/oz 1,750 1,850 2,130 2,50

 

 

NPV*

 

1% Discount Rate US$M 374 545 1,019 1,638
3% Discount Rate US$M 143 260 581 994
5% Discount Rate US$M 23 104 324 604
8% Discount Rate US$M (51) (4) 125 285
10% Discount Rate US$M (66) (32) 59 171
IRR* % 5.6 7.8 14.2 22.3
NPV** 5% Discount Rate US$M 42 187 583 1,085

 

*Discounted to start of 2024 PFS mine construction.
**Discounted to start of 2024 PEA mine construction (end of 2024 PFS mine life)

 

  
Courageous Lake ProjectPage 383
Pre-feasibility Study and Preliminary Economic Assessment NI 43-101 Technical ReportJanuary 5, 2024
  

  

 

Figure 24-12: PEA Post-tax NPV and IRR Sensitivity Results

 

 

 

Source: Ausenco, 2023.

 

  
Courageous Lake ProjectPage 384
Pre-feasibility Study and Preliminary Economic Assessment NI 43-101 Technical ReportJanuary 5, 2024
  

  

 

25INTERPRETATION AND CONCLUSIONS

 

25.1Interpretation and Conclusions for the 2024 PFS

 

25.1.1Introduction

 

The QPs note the following interpretations and conclusions in their respective areas of expertise, based on the review of data available for this Report.

 

25.1.2Mineral Tenure, Surface Rights, Water Rights, Royalties and Agreements

 

The Courageous Lake property is comprised of 85 Northwest Territorial Mining Leases and four Federal Mining Leases having a combined area of 50,239.96 ha. All of the mining leases are currently recorded 100% to Seabridge – Northwest Territories, a wholly owned subsidiary of Seabridge Gold Inc.

 

25.1.3Drilling

 

Exploration has been primarily through drilling of the deposits. A total of 1,099 drill holes containing 284,086 m of drilling with 176,456 m assayed for at least Au are in the Courageous Lake Project database. The quantity and quality of the lithological, geotechnical, collar, and down-hole survey data collected from the drill programs are sufficient to support Mineral Resource estimation. There are no known sampling or recovery factors that could materially impact the accuracy and reliability of the results.

 

25.1.4Analytical Data Collection and QA/QC

 

Seabridge era drilling contained sufficient QA/QC procedures with acceptable results to support the Resource Estimate. Historic data from Noranda and Placer dome era drilling is validated through the use of Point Validation, which compares the historic drilling to the recent drilling. Based on this validation work, all drillhole data within the database has been used to inform the Mineral Resource Estimate.

 

25.1.5Metallurgical Testwork

 

Six metallurgical test programs were conducted on samples from the Courageous Lake deposit between 2003 and 2023. SGS-Lakefield Research Ltd. (Lakefield) conducted the metallurgical testing programs in 2003/2004 and in 2010/2011 which included investigations into comminution, flotation and gravity concentration, flotation concentrate pre-treatments by bio-oxidation (BIOX) and pressure oxidation (POX), cyanide leaching, and POX slurry neutralization.

 

G&T Metallurgical Services Ltd. (G&T) carried out a test work program in 2007 focused on optimizing flotation performance. Based on the 2007 work program, G&T conducted the 2012 test program to further investigate flotation optimization, and prepared concentrates for POX tests that were carried out in 2012 by Sherritt Technologies, a division of Sherritt International Corp. (Sherritt). Sherritt also conducted cyanide amenability (CNA) tests on the POX residues and cyanide destruction tests on the cyanide leach residues.

 

  
Courageous Lake ProjectPage 385
Pre-feasibility Study and Preliminary Economic Assessment NI 43-101 Technical ReportJanuary 5, 2024
  

  

  

The most recent test program was completed by ALS Kamloops in 2023 which included eight variability samples representing a range of grade, depth, and zone parameters from eight drill cores. The test work included ball mill grindability, flotation concentration, and flotation tails leaching.

 

Modal mineralogy indicates that the predominant sulphide minerals contained across the samples were arsenopyrite, pyrite, and pyrrhotite. The gold occurred as liberated gold, or refractory gold associated with sulphides (primarily arsenopyrite) and silicates. Gold grain sizes ranged from sub-microscopic size to 70 µm. The gangue mineralogy was dominated by quartz, micas, feldspar, and calcium carbonate.

 

The results of the comminution tests indicate that the material is very competent with respect to breakage in a SAG mill. The Bond ball mill work index results suggest that the material is of moderate hardness with respect to grinding in a ball mill, and a BMWi value of 16.5 kWh/t was used for grinding circuit design.

 

The test work results indicate that the material does not exhibit a strong response to gold recovery through gravity concentration; however, the mineralization responds well to flotation concentration. Gold recovery by flotation was high, ranging from 85 to 97%. The pressure oxidation and cyanidation tests by Lakefield and Sherritt indicated a significant improvement in gold extraction when the flotation concentrate underwent a high degree of pressure oxidation. The testing programs showed that over 98% of the sulfide sulfur can be oxidized with the standard conditions practiced in the POX industry. The test work indicated that gold extraction improved substantially with increasing sulfur oxidation. The Lakefield and Sherritt test results showed that the gold extractions from the POX residues varied from 94 to 99%.

 

Robust metallurgical projection models have been derived from open circuit and locked cycle bulk rougher flotation and single-stage cleaner flotation tests of the Courageous Lake master composites and variability samples and are appropriate for this level of study.

 

The deleterious element assay for eight variability samples from ALS 2023 test program indicate that all samples contained less than one ppm of mercury, which was the laboratory’s detection point. It does not appear that mercury would become a deleterious element in the final doré; however, further analysis may be required to confirm the precise mercury concentration at lower detection point.

 

In 2013, SGS Lakefield performed test work on Walsh Lake deposit located near Courageous Lake deposit. The results bottle roll cyanidation tests show that Walsh Lake samples are amenable to leaching by standard, direct cyanidation procedures and does not show any indication of material being refractory. The test results indicated flotation to be effective in concentrating the gold and sulfide minerals of Walsh Lake deposit. Rougher flotation tests show gold recoveries ranging from 88% to 95% with mass pulls ranging from 14.5% to 23%.

 

  
Courageous Lake ProjectPage 386
Pre-feasibility Study and Preliminary Economic Assessment NI 43-101 Technical ReportJanuary 5, 2024
  

  

 

25.1.6Mineral Resource Estimate

 

The Courageous Lake and Walsh Lake deposit Resource Estimates have a base case cut-off grade of 0.8 g/t. The Courageous Lake deposit contains 11.0 Moz of Au in the Measured and Indicated categories within 145 Mt at a mean Au grade of 2.36 g/t. There is an additional 3.3 Moz of Au in the Inferred category at Courageous Lake.

 

Walsh Lake contains an additional 552 koz of Au in the Inferred category within 4.1Mt at an average Au grade of 4.2 g/t.

 

The following factors could affect the Mineral Resources: commodity price and exchange rate assumptions; pit slope angles and other geotechnical factors; assumptions used in generating the LG pit shell, including metal recoveries, and mining and process cost assumptions.

 

25.1.7Mining

 

The open pit mine plan in the 2024 PFS establishes an economic mine plan that uses Measured and Indicated Resources and stays within the permafrost zone, providing mill feed at a nominal rate of 7,500 t/d. The LOM plan accommodates the local adverse conditions comprising snow, cold, and remoteness. Waste and water management designs are incorporated into the mine plan, as specified in the current site plans. The chosen mine equipment is well known and suitable for the expected operating conditions, and the productivity assumptions are reasonable and achievable. Given the stated design parameters and assumptions, the open pit mine plan is expected to achieve the forecasted production schedule and annual costs within the typical range of accuracy for a PFS-level study.

 

25.1.8Recovery Methods

 

The process plant flowsheet designs were based on previous studies, testwork results, financial evaluations, and industry standard practices. Most of the unit operations selected to build the plant flowsheet are standard technologies widely used in gold processing plants with no significant elements of technological innovation. The pressure oxidation circuit is technologically complex and requires skilled operators.

 

The plant is designed for a throughput of 2.74 Mt/a with availability of 90%. The crusher plant circuit design is set at 65% availability and the gold room availability is set at 52 weeks per year. The project has an estimated life of 13 years.

 

The selected flowsheet includes a three-stage crushing circuit, with crushed product reporting to the crushed ore stockpile. Mineralized material is reclaimed to a grinding circuit consisting of a ball mill circuit operating in closed circuit with a cyclone cluster. Classified material reports to rougher flotation, where concentrate is separated from the gangue material and fed to cleaner flotation. In the cleaning circuit, the concentrate grades are upgraded prior to further size reduction in a regrind ball mill operating in closed circuit with a cyclone cluster. Cleaner tailings combine with rougher tailings for thickening before being discharged to the co-placement storage facility (CPSF). Overflow from regrind cyclones undergoes acidulation and pre-oxidation stages followed by the pressure oxidation circuit which will effectively oxidize the sulphide concentrate. The oxidized concentrate is leached and then washed in six stages through a CCD circuit. The resulting pregnant solution will be processed using a Merrill-Crowe treatment by adding zinc powder to precipitate gold and silver. The precious metals precipitate will be smelted on site to produce gold-silver doré bars.

 

  
Courageous Lake ProjectPage 387
Pre-feasibility Study and Preliminary Economic Assessment NI 43-101 Technical ReportJanuary 5, 2024
  

  

 

25.1.9Project Infrastructure

 

25.1.9.1Site Access

 

The Project site will be accessible by the Courageous Lake Mine spur winter road, connecting to the Tibbitt to Contwoyto winter road (TCWR) that is normally open from late January/early February until the end of March of each year.

 

The Courageous Mine spur winter road accessed from the TCWR and is estimated to be 26 km in length with 7 km on land (with small lakes interspersed) and 19 km on the larger Mackay Lake. From the Courageous Lake Mine spur road intersection to the TCWR it is 76 km to the Lockhart Lake maintenance camp. The Lockhart Lake maintenance camp is at station 170 km from the TCWR start at Tibbitt Lake.

 

25.1.9.2Site Infrastructure

 

Infrastructure to support the Courageous Lake Project will consist of site civil works, site facilities/buildings, on-site roads, a water management system, and site electrical power. Site facilities will include both mine facilities and process facilities as follows:

 

Mining facilities including the mine office and dry, truck shop, tire change facility, truck wash, explosives storage and manufacturing facility, diesel fuel storage and distribution, and ore stockpile.
  
Processing facilities including the primary, secondary and tertiary crushing, ROM stockpile and reclaim conveyors, fine ore stockpile, process plant, office and laboratory, plant maintenance building.
  
Mine waste and water management infrastructure including: mine waste and tailings storage facility, tailings distribution system, water reclaim system, downstream water management ponds, and overburden stockpiles.
  
General facilities including the camp, gatehouse, emergency response/ambulance bay, warehouse, reagent cold storage, administration building, communications, emergency power diesel storage, potable fresh, process and potable water storage and distribution, power plant, site sewage system, and solid waste treatment.
  
The processing plant will comprise several pre-engineered and stick built buildings in addition to a fabric geodesic dome.
  
A 204 bed permanent accommodation camp will be located south of the process plant, connected via an arctic corridor. The camp will be installed at the beginning of construction to house construction personnel and will then be maintained for operating staff.

 

25.1.9.3Site Power

 

25.1.9.3.1Electrical Power Supply

 

The proposed diesel powerplant will consist of seven (7) modular diesel gensets, 1800 rpm, each nominal 3.1 MW continuously rated (ancillary loads allowed for), 3 phase, 60 Hz, 13.8 kV, 0.8 PF leading, with water jacket and exhaust gas heat recovery, with indoor day tanks and local control panels plus networking and PLC automatic master control, with gensets mounted in double wide sound attenuated modules with fire detection, fire suppression and H&V for arctic conditions.

 

  
Courageous Lake ProjectPage 388
Pre-feasibility Study and Preliminary Economic Assessment NI 43-101 Technical ReportJanuary 5, 2024
  

  

 

There is an opportunity to evaluate a nuclear microreactor power plan as an alternative solution to diesel power for the project, at a cost per kWh that is comparable to diesel costs. The microreactor plant will generate enough electricity to power all mine loads, with leftover heat available for supply to the plant heating system.

 

25.1.9.3.2Site Power Distribution

 

Power will be distributed across the site via 13.8 kV overhead lines originating from the plant’s 13.8 kV switchgear housed within the primary electrical rooms at the outdoor substation.

 

The ball mill and oxygen plant drive systems will be supplied via cable circuits from the plant’s primary 13.8 kV switchgear. All other process and non-Process Plant loads will be powered via 4160 V and 600 V motor control centers (MCCs) housed within electrical rooms strategically located throughout the plant area. Power will be stepped down to 4.16 kV, 600 V, and 120/208 V distribution, as required via grounded pad-mounted and pole-mounted transformers.

 

25.1.9.4Co-placement Storage Facility and Leach Residue Tailings Facility

 

Waste management consists of the containment and long-term management of waste products developed during the life of mine operations that consist of waste rock and tailings. Waste rock will be generated during the mining of economical ore. Tailings is a waste product of mineral exaction that consists of two tailings streams: flotation tailings and neutralized leach residue tailings from pressure oxidation (POX) circuit. The flotation tailings will be co-placed with waste rock and the neutralized tailings will be placed in a separate facility.

 

Both facilities are located east of the open pit. The co-placement storage facility is an unlined facility that will utilize waste rock to construct paddock cells for the storage of flotation slurry tailings. This facility is designed to store 297.8 Mt of flotation tailings and waste rock. The leach residue tailings facility is a lined facility to prevent constituents of concern migrating out of the facility. The facility is designed to contain 1.1 Mt of leach residue tailings. Each facility will be closed with a cap consisting of 2m of overburden and 0.3m of topsoil and vegetative cover. The CPSF will be closed progressively during operations and the LRTF will be closed at the end of the mine life.

 

These facilities are designed in accordance with local and national standards for tailings and waste rock storage.

 

25.1.9.5Water Management

 

The objective of surface water management is to protect groundwater and surface water resources. A site-wide management strategy, encompassing the design of water management structures, hydrology considerations, and a site-wide water balance was developed for the site. The review and interpretation of existing climate data, encompassing factors such as precipitation, snowfall, and evaporation, are crucial for accurately estimating water balance and designing effective water management structures. Surface water runoff that comes into contact with disturbed areas will be managed prior to being released to the surrounding environment. Runoff from disturbed areas will be collected in gravity ditches and conveyed to pond or back into the pits. Diversions will capture non-contact water away from facilities and convey it to their natural discharge location.

 

  
Courageous Lake ProjectPage 389
Pre-feasibility Study and Preliminary Economic Assessment NI 43-101 Technical ReportJanuary 5, 2024
  

  

 

25.1.9.6Water Treatment

 

Mine contact water from the open pit, waste rock and tailings management area and residual processing water will be collected in the West or South satellite pits and pumped from there to the mine water treatment plant where parameters such as arsenic, nitrate, and ammonia will be removed. Treated effluent will be pumped from the plant to Courageous Lake where it will be discharged through a diffuser. Clean water from an undeveloped catchment to the east of the Project area will be diverted away from the waste rock and tailings management facility and directed towards Courageous Lake. Fresh water for processing of ore will be sourced from Courageous Lake.

 

25.1.10Environmental, Permitting and Social Considerations

 

Courageous Lake Project has been the subject of two decades of environmental baseline studies which prepare the Project well to advance towards a formal Environmental Assessment. Northwest Territories Environmental Assessment processes are well-defined. Integrating environmental considerations with mine plan and mine closure/reclamation design is key to gaining social license support for the project through proactive commitments to consultation with communities, Indigenous communities and governments, NWT and federal regulators and other stakeholders with interests. The Project site environmental concerns for permafrost, Northern Caribou, fish and water quality can be mitigated and in the opinion of the QP there are no material barriers to advancement of the Project through permitting.

 

25.1.11Capital Cost Estimate

 

The estimates conform to Class 4 guidelines for a PFS-level estimate with a -20%/ +25% accuracy according to AACE International. This estimated was developed in Q4 2023 C$ based on the proposed design for the Project, with input data from budgetary quotations for equipment, service contracts, and construction contracts; as well as Ausenco’s in-house database of similar projects and studies, which includes experience from similar operations. Pricing has been converted to US$ for the purposes of this report using the C$ to US$ exchange rate of 0.74.

 

25.1.12Operating Cost Estimate

 

The estimate conforms to Class 4 guidelines for a PFS study level estimate with a -20%/+25% accuracy according to the Association of the Advancement of Cost Engineering International (AACE International).

 

The operating cost estimate was developed in Q3 2023 and comprises the ongoing cost of operations related to mining, processing, tailings co-disposal, general administration activities, and water treatment costs. The estimate is based on a combination of first-principal calculations, experience, vendor quotes, reference projects and factors appropriate for this level of study. Pricing has been converted to US$ for the purposes of this report using the C$ to US$ exchange rate of 0.74.

 

  
Courageous Lake ProjectPage 390
Pre-feasibility Study and Preliminary Economic Assessment NI 43-101 Technical ReportJanuary 5, 2024
  

  

 

25.1.13Economic Analysis

 

Based on the assumptions and parameters in this report, the PFS shows positive economics of US$522.7M post-tax NPV (5%) and 20.6% post-tax IRR.

 

25.2Interpretation and Conclusion for the 2024 PEA

 

25.2.1Introduction

 

The 2024 PEA is a conceptual mine plan that has been undertaken to evaluate the potential of expansion below the base of the permafrost after the 2024 PFS has been completed. None of the Mineral Resources in the PEA mine plan have been used in the 2024 PFS plan.

 

The 2024 PEA is preliminary in nature and includes Inferred Mineral Resources that are considered too speculative geologically to have the economic considerations applied to them that would enable them to be categorized as Mineral Reserves, and there is no certainty that the results of the PEA will be realized. Mineral Resources in the PEA mine plan are not Mineral Reserves and do not have demonstrated economic viability.

 

25.2.22024 PEA Mining Methods

 

The open pit mine plan in the 2024 PEA establishes an economic mine plan that uses Measured and Indicated Resources and stays within the permafrost zone, providing mill feed at a nominal rate of 7,500 t/d. The LOM plan accommodates the local adverse conditions comprising snow, cold, and remoteness. Waste and water management designs are incorporated into the mine plan, as specified in the current site plans. The chosen mine equipment is well known and suitable for the expected operating conditions, and the productivity assumptions are reasonable and achievable. Given the stated design parameters and assumptions, the open pit mine plan is expected to achieve the forecasted production schedule and annual costs within the typical range of accuracy for a PEA-level study.

 

25.2.32024 PEA Recovery Methods

 

Based on the available information, including PEA mine plan and results of the metallurgical test work performed on samples providing a reasonable indication of the mineralogical characteristics of the materials, the process flowsheet developed for the Courageous Lake mineralization is considered appropriate for the 2024 PEA.

 

The metallurgical performance parameters for Courageous Lake deposit are projected based on the metallurgical test results obtained from various test programs that are summarized in the metallurgical test work review section.

 

The plant is designed for a throughput of 7,500 t/d with availability of 90%. The crusher plant circuit design is set at 65% availability and the gold room availability is set at 52 weeks per year.

 

The proposed plant includes a three-stage crushing circuit followed by a grinding circuit consisting of a ball mill circuit operating in closed circuit with a cyclone cluster. Classified material reports to a flotation circuit consiting of rougher and cleaner flotation circuits. In the cleaning circuit, the concentrate is upgraded prior to further size reduction in a regrind ball mill operating in closed circuit with a cyclone cluster. Cleaner tailings combine with rougher tailings for thickening before being discharged to the co-placement storage facility (CPSF). Overflow from regrind cyclones undergoes acidulation and pre-oxidation stages prior to the pressure oxidation circuit. The oxidized slurry is leached and then washed in six-stages through a CCD circuit. The resulting pregnant solution will be processed using a Merrill-Crowe treatment by adding zinc powder to precipitate gold and silver. The precious metals precipitate will be smelted on site to produce gold-silver doré bars.

 

  
Courageous Lake ProjectPage 391
Pre-feasibility Study and Preliminary Economic Assessment NI 43-101 Technical ReportJanuary 5, 2024
  

  

 

25.2.42024 PEA Project Infrastructure

 

25.2.4.1Facilities and Services

 

Existing facilities, buildings and services from the 2024 PFS mine site are used for the purposes of this PEA beginning in PEA Year 1. Additional infrastructure required from 2024 PEA Year 1 includes:

 

3 No. 15,000,000 L diesel storages tanks
  
accommodation camp for mining operations
  
water treatment plant for saline groundwater.

 

25.2.4.22024 PEA Co-placement Storage Facility and Leach Residue Tailings Facility

 

Waste management consists of the containment and long-term management of waste products developed during the life of mine operations that consist of waste rock and tailings. Waste rock will be generated during the mining of economical material. Tailings is a waste product of mineral exaction that consists of two tailings streams: flotation tailings and neutralized leach residue tailings from pressure oxidation (POX) circuit. The flotation tailings will be co-placed with waste rock and the neutralized tailings will be placed in a separate facility.

 

Both facilities are located east of the open pit. The co-placement storage facility is an unlined facility that will utilize waste rock to construct paddock cells for the storage of flotation slurry tailings. This facility is designed to store 762.1 Mt of flotation tailings and waste rock. The leach residue tailings facility is a lined facility to prevent constituents of concern migrating out of the facility. The facility is designed to contain 1.5 Mt of leach residue tailings. Each facility will be closed with a cap consisting of 2m of overburden and 0.3m of topsoil and vegetative cover. The CPSF will be closed progressively during operations and the LRTF will be closed at the end of the mine life.

 

These facilities are designed in accordance with local and national standards for tailings and waste rock storage.

 

25.2.52024 PEA Economic Analysis

 

Readers are cautioned that the 2024 PEA is preliminary in nature. It includes inferred mineral resources that are considered too speculative geologically to have the economic considerations applied to them that would enable them to be categorized as mineral reserves, and there is no certainty that the PEA will be realized.

 

The PEA shows positive economics of US$104.1M post-tax NPV (5%) and 7.8% post-tax IRR.

 

  
Courageous Lake ProjectPage 392
Pre-feasibility Study and Preliminary Economic Assessment NI 43-101 Technical ReportJanuary 5, 2024
  

  

 

25.32024 PFS Risks and Opportunities

 

25.3.1Risks

 

25.3.1.1Metallurgical Test Work

 

Test work grades for gold and silver were similar to those reported in the mine plan, but sulfur and arsenic grades were higher than the expected LOM grades. It is assumed that the metallurgical trends and characteristic performance from the test work extrapolates to the lower values in the mine plan.

 

There is an inherent risk that the samples tested do not suitably represent the deposit, however the quantities of samples and spatial coverage suggest that this risk is low. Testing on material representing a larger mining target area, POX and leach testing should be repeated in future project phases.

 

The completed test programs indicated that all samples contained less than one ppm mercury, which was the laboratory’s detection point. Analyses with lower detection limits should be conducted on feed material to better understand the concentration and potential effect on refined product, and if warranted, determine processing methods to mitigate any negative effects.

 

25.3.1.2Mineral Resource Estimate

 

The following factors could affect the Mineral Resources: commodity price and exchange rate assumptions; pit slope angles and other geotechnical factors; assumptions used in generating the LG pit shell, including metal recoveries, and mining and process cost assumptions.

 

25.3.1.3Mining

 

25.3.1.3.1Mining Methods

 

The following are potential major risks to the overall project economics:

 

Failure to expose enough ore in the pre-stripping period for targeted mill throughput in Year 1.
  
Implementing an autonomous haulage in a northern environment, may have ramp up challenges that have not been modelled.

 

25.3.1.3.2Mining Geotechnical

 

Tetra Tech (2023b) presents uncertainties, risks, and mitigative strategies based on the current level of geotechnical, hydrogeological, and permafrost investigations and studies completed at the site. The studies completed to date are in general accordance with the requirements for a Level 2: Pre-feasibility slope angle study as described in “Guidelines for Open Pit Slope Design” (Read and Stacey 2009).

 

  
Courageous Lake ProjectPage 393
Pre-feasibility Study and Preliminary Economic Assessment NI 43-101 Technical ReportJanuary 5, 2024
  

  

 

25.3.1.3.2.1Geology, Structure and Alteration Model Updates

 

The following summarizes some of the uncertainties and risks presented in Tetra Tech (2023b):

 

A robust 3D geological, structural, and alteration model coupled with groundwater and permafrost is not available.
  
Width, geotechnical, and hydrogeological characteristics of Tundra Shear Zone and other fault features are not well known and could affect bench-scale and multi-bench scale stability.
  
The persistence/continuity and spacing of systematic rock fabric used for bench design has been estimated from limited mapping data leading to uncertainty of input parameters to bench design.
  
The spatial distribution of alteration assemblages is not well known geotechnically and this could affect bench-scale and inter-ramp stability.
  
Unforeseen adversely oriented continuous major structures could affect bench and inter-ramp stability.

 

25.3.1.3.2.2Hydrogeology and Permafrost

 

The following summarizes some of the uncertainties and risks presented in Tetra Tech (2023b):

 

Higher than expected water pressures and inflows encountered at the toe of the pit walls and beneath the pit floor potentially leading to slope instability.
  
Groundwater encountered sooner than expected due to expected variability in base of permafrost as well as freezing point depression within the basal cryopeg.
  
Increased/unforeseen depressurization and water management costs due to ineffectiveness and inefficiency of depressurization system.
  
Ongoing seepage towards the pit leading to formation of significant ice walls on the upper benches of the East Wall and West Wall, above the ramp.
  
Ice walls may require specific safe operating procedures.
  
Development of a through-talik beneath the open pit once flooded at closure, connecting the sub-permafrost flow regime to the surface hydrological system.

 

25.3.1.3.2.3Rock Mass Quality and Material Strength Properties

 

The following summarizes some of the uncertainties and risks presented in Tetra Tech (2023b):

 

Spatial distribution of rock mass quality and rock mass strength is not well defined.
  
The amount of laboratory rock strength testing should be increased and should include triaxial and tensile strength testing in addition to compressive strength testing.

 

  
Courageous Lake ProjectPage 394
Pre-feasibility Study and Preliminary Economic Assessment NI 43-101 Technical ReportJanuary 5, 2024
  

  

 

The amount of laboratory discontinuity strength testing should be increased to sufficient numbers to statistically represent the various discontinuity strengths.

 

25.3.1.4Recovery Methods

 

This study was performed with testwork commensurate with a PFS. As the project advances, further testwork should be completed to support the design. As such, the following risks should be highlighted:

 

Grinding equipment was selected based on limited comminution test data and the flowsheet should be further reviewed as additional testing is completed to confirm it is still the most appropriate design for the project.
  
Process conditions, residence times, and reagent usage may change with further testing.
  
The cyanide detoxification testing may show that additional retention time or increased reagent additions may be required to achieve the target CNWAD concentration.
  
The POX circuit is technologically complex and will require a specialist maintenance and operations team
  
Transport load restrictions on the ice road will necessitate autoclave fabrication in segments with on-site welding which will require specialist design and assembly.

 

25.3.1.5Environmental Studies, Permitting and Social or Community Impact

 

An inability to obtain government approval of the Project Environmental Assessment resulting from insufficient mitigation of adverse environmental or social effects, or failure to obtain Indigenous community support is a risk that would require it be revised and re-submitted once issues were resolved. This circumstance would result in material project delay to start of construction.

 

Matthews Creek diversion is an essential element of the Mine plan, and failure to obtain approval from federal Department of Fisheries and Oceans on a Matthews Creek fish habitat offset plan, with Indigenous support is a risk that could add significant schedule delay risk to the Project.

 

Approval of a Bathurst Caribou herd management plan is essential to gaining Indigenous community support for the Project in view of the important, traditional cultural value that Indigenous peoples place on Caribou. Demonstration of how the Seabridge caribou research program results have informed Project design mitigations for caribou, and how the mine closure and reclamation plan support caribou as a key end land use goal will be essential.

 

25.3.1.6Infrastructure

 

25.3.1.6.1Construction

 

Constructability issues can lead to delays and cost overruns. A PFS-level constructability review was conducted to support this study and should be further advanced in the next project phase. Elements to be reviewed in further detail include traffic flow, construction timing and more granular scheduling. Further review of PFS staging and laydown allowances, consideration of a secondary access to the plant site during construction and detailed site surveys to identify optimal crane positions and lifts lengths should also be made.

 

  
Courageous Lake ProjectPage 395
Pre-feasibility Study and Preliminary Economic Assessment NI 43-101 Technical ReportJanuary 5, 2024
  

  

 

Winter weather can impact construction progress and maintenance during operation. Therefore, developing winterization plans for equipment, infrastructure and personnel safety is recommended.

 

25.3.1.6.2Water Treatment

 

Water Quality Predictions: The quality of the contact water on site may differ from the quality that was predicted based on geochemical test work and analogue data sets. As a result, actual site water could have elevated concentrations of certain parameters that are not targeted by the proposed water treatment processes, which could trigger a need for implementation of additional water treatment.
  
Licensing Risks: The water treatment processes proposed based on generally accepted best management practices, and the treatment processes were judged to produce treated effluent that would meet presumed future effluent quality limits. However, it is possible that effluent quality limits that generally are deemed to be acceptable and protective of the downstream aquatic environment would not be authorized through the water licensing process and would not be acceptable for discharge to Courageous Lake.

 

25.3.1.6.3Co-placement Storage Facility and Leach Residue Tailings Facility

 

There is a limited historical geotechnical program utilized in the 2024 PEA. Conditions may vary from those assumed in the design of the CPSF and LRTF and require modifications to the initial capital and sustaining capital and operating costs.
  
The geochemical characteristics of the flotation tailings and waste rock are difference than those assumed in the design and may require additional measure to prevent migration of constituents of concern beyond the footprint of the facility.
  
The seepage collection system affects the permafrost in the stability zone of the CPSF, thaws, creating instability in the outer shell of the CPSF requiring excavation down to bedrock that would increase capital and sustaining capital costs.
  
The proximity of the west portion of the CPSF is within 100 m of the open pit and blasting could affect the stability of the slopes near the pit.

 

25.3.1.6.4Plant Site Geotechnical Conditions

 

The plant site is located in area that has multiple bedrock outcrops. There is a only 1 historical borehole located north of the plant site. Plant site geotechnical conditions may vary from those assumed in the design of the plant site and require modifications to the capital cost.

 

  
Courageous Lake ProjectPage 396
Pre-feasibility Study and Preliminary Economic Assessment NI 43-101 Technical ReportJanuary 5, 2024
  

  

 

25.3.2Opportunities

 

25.3.2.1Mineral Resource Estimate and Exploration

 

Opportunities to expand and upgrade the mineral resource are significant at both Courageous Lake and Walsh Lake.
  
Several of the mineralized zones at Courageous Lake are open in the north and south. Mineralization is also open at depth. Upgrading of the Inferred resource to Measured and Indicated with infill drilling represents an opportunity to increase the resource which could be converted to reserves.
  
Walsh Lake is open at depth as well as to the north and south of the current resource pit. Additional infill drilling at Walsh Lake can convert the Inferred resource to Measured and Indicated categories.
  
Drilling at both areas is recommended with the drilling budget detailed in the following section.

 

25.3.2.2Mining Methods

 

25.3.2.2.1Mining Methods

 

The following potential opportunities could improve the overall project economics:

 

Further delineation drilling could upgrade Inferred Resources to Measured or Indicated (allowing them to be included in the PFS) This would result an improvement to the project economics.
  
The potential silver value has not been included in the study. The byproduct value would marginally improve the economics for the Project.
  
Mining below the permafrost would result in larger ore body and the opportunity to use larger mining equipment.
  
Optimizing the ditching assumptions could reduce the haul road width and reduce the strip ratio

 

25.3.2.2.2Mining Geotech

 

The Southwest Section indicated a relatively low factor of safety that does not achieve the DAC without depressurization. The overall slope is relatively shallow, being intersected several times by the ramp. Although counter-intuitive, steepening of the overall slope angle could lead to a higher factor of safety by increasing the normal load at the toe of the slope to counteract the vertical uplift forces from water pressure. This could lead to a lower stripping ratio. This opportunity has been investigated by evaluating a steeper overall slope angle of 42.6°, rather than the current design of 33°. Steepening the overall slope angle leads to a higher FS that meets the DAC. This should be investigated in greater detail and for other design sectors during future engineering and design studies, or optimization studies.

 

The depressurized scenarios assume wells around the entire perimeter of the pit to lower the phreatic surface to 50 m below the pit floor. Based on the high FS for the 50 m depressurized scenario, this level and extent of depressurization may not be required, and the water inflows may be lower than predicted.

 

  
Courageous Lake ProjectPage 397
Pre-feasibility Study and Preliminary Economic Assessment NI 43-101 Technical ReportJanuary 5, 2024
  

  

 

At a conceptual level, an opportunity might exist to utilize the underground workings as a drainage gallery beneath the PFS pit to assist with depressurization of the lower pit slopes and pit floor. Conceptually, a series of injection wells or passive drain holes could be drilled from the ramp system and into the workings; the workings would then be pumped from another location, such as through the existing shaft. Evaluating this possibility would require additional detailed characterization of the base of permafrost and the basal cryopeg, as well as mapping of the underground workings using remote geophysical methods, and specific pumping and recovery tests targeted at the workings.

 

25.3.2.3Recovery Methods

 

Further opportunities exist to further optimize the selected process flowsheet with respect to both capital and operating costs, as well as maximizing gold recovery to doré. The following opportunities have been identified:

 

Pre-concentration of crushed material via XRT ore sorting shows that sulphide-bearing specimens can be effectively separated from barren material. This could be investigated further as a means to pre-concentrate the feed and reduce primary grinding energy requirements.
  
Additional test work to investigate BIOX option as an alternative to POX process.
  
Investigate potential local limestone source.
  
Over the course of the PFS the carbonate levels in the autoclave feed measured lower than originally anticipated; therefore, the requirement for pre-acidulation may be mitigated.
  
Regrind circuit can be removed to reduce capital costs as 2023 test results show concentrate is naturally fine, measuring 30 µm.
  
ALS 2023 test work showed reduced mass recovery to the flotation concentrate which presents opportunity to reduce the size of the oxidation and leach circuits.
  
Optimize lime consumption for solution neutralization circuit based on additional testwork.

 

25.3.2.4Infrastructure

 

25.3.2.4.1Power Generation

 

It is recommended that there are opportunities for several enhancements to the project power supply option that should be studied going forward, as it is judged that these may have an overall positive economic impact on the project.

 

  
Courageous Lake ProjectPage 398
Pre-feasibility Study and Preliminary Economic Assessment NI 43-101 Technical ReportJanuary 5, 2024
  

  

 

25.3.2.4.1.1Diesel Generation Grid Stabilization

 

A major diesel generator manufacturer offers standard scalable battery powered microgrid stabilizers. This equipment is pre-engineered, factory assembled, and tested. Advanced lithium-ion batteries provide energy density, high discharge/recharge efficiency, and long cycle life. Multiple modules may be used in parallel to increase total output up to over 100 MW, many times what would be required at Courageous Lake. Such equipment can be integrated with both diesel and solar power and offers numerous advantages including:

  

Transient Assistance and Grid Stabilization

 

oProvides power to decrease transient voltage and frequency dips when large loads are applied. The units act like a “Static Var Compensator,” a standard power system stabilizer.
   
oProvision of modules equivalent to one genset (3 MW range) would mean that the unexpected trip of a generator would be seamlessly ridden over with no load shedding required and blackouts averted. Power would be provided during the period when a standby genset would be automatically started, synchronized to the system, and take load.

 

Fuel Efficiency Gains

 

oThe controls can be adjusted to that as when momentary load peaks occur, the power is supplied by the batteries, thus avoiding generator governor action. This improves fuel efficiency and reduces engine stress.
   
Reduction In Engine Maintenance.

 

oWith the battery banks in parallel with the diesel generators, less spinning reserve is required, thus there will be less average engine operating hours accumulated each year, reducing maintenance and extending engine Life.

 

25.3.2.4.1.2Solar Power Supplemental to Diesel Generation

 

Solar power, in particular during the summer months, solar operating in a hybrid system with diesel generation has the potential to reduce fuel consumption, reduce greenhouse gas emissions, and enhance the economics of the project. Solar power has the potential to provide at least 25% of the required annual kilowatt hours of required power generation.

 

Northern Installations

 

oIn the north, the solar output is not only dependent on the latitude but also the local weather conditions and can be easily modeled with considerable accuracy. In the NWT significant solar generation is from March to August.
   
oThere are several relatively large solar photovoltaic (PV) projects in the Yukon.
   
oThe nearby Diavik Diamon mine (which at 200 km south of the Arctic Circle is a bit further north than Courageous Lake) has announced the installation of an integrated solar system that is slated to produce 4.2 GWh of electricity per annum.

 

Solar Costs

 

oSolar farm capital and operating costs have generally been acknowledged to have fallen below the cost of power generated by shipping and burning diesel at off grid sites. Several large diesel generator vendors are taking advantage of this cost reduction and the associated reduction in greenhouse gas emissions and are offering such hybrid systems. One manufacturer has recently completed a study for such a system for a mine in Northern Canada.

 

  
Courageous Lake ProjectPage 399
Pre-feasibility Study and Preliminary Economic Assessment NI 43-101 Technical ReportJanuary 5, 2024
  

  

 

oThere are potential tax and other incentives for solar installations; however, solar rebates in the NWT are currently only for residential installations.
   
oIn general, PV solar panel costs are falling, and efficiency is increasing. In the recommended system the solar panels are in parallel with diesel generation and energy storage is not anticipated, except for the grid stabilizer as discussed for diesel generation.

 

Standard Products

 

oProviding integrated solar systems does not require a great deal of new engineering.

 

oA major diesel generator manufacturer has for some years supplied integrated systems with a PV solar farm operating in conjunction with an off-grid diesel plant to reduce power costs and greenhouse gas emissions. Such combinations are common, with generators backing up solar power, but vendors now offer pre-engineered integrated systems as a standard product. The systems include microgrid controllers capable of managing dispatch of generators, energy storage and solar inverters, including managing microgrid voltage and frequency regulation. Similar systems are now being offered by two other large diesel generator manufacturers.

 

oThe permitting of such systems is usually, relatively, straight forward.

 

25.3.2.4.1.3Small Modular Nuclear

 

There is an opportunity to evaluate a nuclear microreactor power plant as an alternative solution to diesel power for the project. The project team is collaborating with NuScale Power and has identified multiple possible plant configurations that can provide the same amount of power as provided by the diesel power plant, at a cost per kWh that is comparable to diesel costs based on current market rates.

 

The nuclear microreactor generates 40 MW of heat, a portion of which is then converted to electricity using a Brayton turbine cycle and/or a traditional steam cycle. The remaining heat from the nuclear reactor is supplied to the heat exchanger for the plant heating system, providing heating capability in addition to electrical power. The provision of power is envisioned to be structured as a power purchase agreement, with a third party owner and operator running the nuclear microreactor power plant.

 

25.3.2.4.2Water Treatment

 

Water quality predictions: The quality of the contact water on site may be better than predicted, which could result in lower reagent and power demand and therefore lower treatment costs.
  
Hydrological conditions: The estimated contact water runoff and seepage volumes could be lower than expected, which would reduce water treatment operating costs.

 

25.3.2.4.3Waste Management

 

Both the CPSF and LRTF have significant expansion capabilities if additional ore reserves are discovered through future explorations.

 

  
Courageous Lake ProjectPage 400
Pre-feasibility Study and Preliminary Economic Assessment NI 43-101 Technical ReportJanuary 5, 2024
  

  

 

25.3.2.5Environmental and Permitting

 

Opportunity to reduce the overall regulatory timeline should be considered by evaluating how EA development and permit application development may be developed concurrently. Achievement of some degree of scheduling overlap, may reduce the overall timeline to start of construction, or create an opportunity for early works construction.

 

25.42024 PEA Risks and Opportunities

 

25.4.1Risks

 

25.4.1.1Mining Methods

 

The following items are potential risks to the overall project economics:

 

Inferred resources that are included in the PEA may not get upgraded to Measured or Indicated.
  
Failure to achieve pre-production mining targets, thus delaying mill feed release and delaying revenues.
  
Implementing an autonomous haulage in a northern environment may have ramp up challenges that have not been modelled.
  
The permafrost could be shallower than expected, resulting in more water management than planned in the PEA.

 

25.4.1.2Mining Geotechnical

 

There have been no pit slope stability analyses completed for the PEA pit as part of this current study. In general, the uncertainties and risks for the PEA pit will be similar as described in Section 25.3.1.3.2 for the PFS pit study. These are repeated below but include additional specific risks associated with the deeper pit that are described below.

 

25.4.1.2.1Geology, Structure and Alteration Model Updates

 

A robust 3D geological, structural, and alteration model coupled with groundwater and permafrost is not available.
  
Width, geotechnical, and hydrogeological characteristics of Tundra Shear Zone and other fault features are not well known and could affect bench-scale and multi-bench scale stability.
  
The persistence/continuity and spacing of systematic rock fabric used for bench design has been estimated from limited mapping data leading to uncertainty of input parameters to bench design.
  
The spatial distribution of alteration assemblages is not well known geotechnically and this could affect bench-scale and inter-ramp stability.
  
Unforeseen adversely oriented continuous major structures could affect bench and inter-ramp stability.

 

  
Courageous Lake ProjectPage 401
Pre-feasibility Study and Preliminary Economic Assessment NI 43-101 Technical ReportJanuary 5, 2024
  

  

 

25.4.1.2.2Hydrogeology and Permafrost

 

The increased depth of the pit will expose more of the pit slopes to significantly elevated pore pressures that will contribute to slope instability.

 

The increased pit depth with expose more surface area to the subpermafrost groundwater regime resulting in higher water inflows to the PEA pit that will need to be managed.

 

Higher than expected water pressures and inflows encountered at the toe of the pit walls and beneath the pit floor potentially leading to slope instability.

 

Groundwater encountered sooner than expected due to expected variability in base of permafrost as well as freezing point depression within the basal cryopeg.

 

Increased/unforeseen depressurization and water management costs due to ineffectiveness and inefficiency of depressurization system.

 

Ongoing seepage towards the pit leading to formation of significant ice walls on the upper benches of the East Wall and West Wall, above the ramp.

 

Ice walls may require specific safe operating procedures.

 

Development of a through-talik beneath the open pit once flooded at closure, connecting the sub-permafrost flow regime to the surface hydrological system.

 

25.4.1.2.3Rock Mass Quality and Material Strength Properties

 

The increased pit depth will result in very high stress accumulations in the rock mass in the lower pit slope segments, coupled with high groundwater pressures and stress relaxation due to unloading. Additional numerical modelling will be required to assess stability.

 

The pit will intersect the existing underground workings, and the status of the workings is not known. An open pit/underground interaction study will be necessary.

 

The locations and extents of the existing underground workings are not well known, and additional geophysical methods may be required to delineate these.

 

Spatial distribution of rock mass quality and rock mass strength is not well defined.

 

The amount of laboratory rock strength testing should be increased and should include triaxial and tensile strength testing in addition to compressive strength testing.

 

The amount of laboratory discontinuity strength testing should be increased to sufficient numbers to statistically represent the various discontinuity strengths.

 

  
Courageous Lake ProjectPage 402
Pre-feasibility Study and Preliminary Economic Assessment NI 43-101 Technical ReportJanuary 5, 2024
  

  

 

25.4.1.3Infrastructure

 

25.4.1.3.1Co-placement Storage Facility and Leach Residue Tailings Facility

 

There is a limited historical geotechnical program utilized in the PFS. Conditions may vary from those assumed in the design of the CPSF and LRTF and require modifications to the initial capital and sustaining capital and operating costs.

 

The geochemical characteristics of the flotation tailings and waste rock are different than those assumed in the design and may require additional measure to prevent migration of constituents of concern beyond the footprint of the facility.

 

The seepage collection system affects the permafrost in the stability zone of the CPSF, thaws, creating instability in the outer shell of the CPSF requiring excavation down to bedrock that would increase capital and sustaining capital costs.

 

The proximity of the west portion of the CPSF is within 100 m of the open pit and blasting could affect the stability of the slopes near the pit.

 

25.4.1.3.2Plant Site Geotechnical Conditions

 

The plant site is located in area that has multiple bedrock outcrops. There is a only 1 historical borehole located north of the plant site. Plant site geotechnical conditions may vary from those assumed in the design of the plant site and require modifications to the capital cost.

 

25.4.1.4Environmental, Permitting and Social

 

There is uncertainty in regard to the quantity and quality of groundwater which must be pumped out of the open pit from below the permafrost base and treated on site prior to discharge to the environment, or contained until closure and relocated to the open pit. There is some risk that the regulatory review and permitting process will be more complex than currently envisioned, resulting in potential schedule delay to acquire the necessary permits prior to their need to advance the PEA mine plan.

 

The PEA mine plan increment to the Courageous Lake mine closure and reclamation plan would require the PFS mine closure and reclamation plan landform designs to be revisited to incorporate design features which are accepted for caribou mitigation. Consideration of whether potential expansion of the PFS waste management facilities could be undertaken and continue to maintain caribou mitigation design features is an important risk-reduction environmental consideration.

 

Post-closure water treatment duration longer than predicted to achieve receiving environmental discharge standards, would affect the mine closure reclamation security amount.

 

  
Courageous Lake ProjectPage 403
Pre-feasibility Study and Preliminary Economic Assessment NI 43-101 Technical ReportJanuary 5, 2024
  

  

 

25.4.2Opportunities

 

25.4.2.1Mining

 

25.4.2.1.1Mining Methods

 

Potential opportunities that could improve the overall project economics include the potential silver value that has not been included in the study. The byproduct value would marginally improve the economics for the Project.

 

25.4.2.1.2Mining Geotech

 

At a conceptual level, an opportunity might exist to utilize the underground workings as a drainage gallery beneath the PFS pit to assist with depressurization of the lower pit slopes and pit floor. Conceptually, a series of injection wells or passive drain holes could be drilled from the ramp system and into the workings; the workings would then be pumped from another location, such as through the existing shaft. Evaluating this possibility would require additional detailed characterization of the base of permafrost and the basal cryopeg, as well as mapping of the underground workings using remote geophysical methods, and specific pumping and recovery tests targeted at the workings.

 

25.4.2.2Infrastructure

 

25.4.2.2.1Co-placement Storage Facility and Leach Residue Tailings Facility

 

Both the CPSF and LRTF have significant expansion opportunities if additional resources are discovered in future exploration programs.

 

25.4.2.3Environmental, Permitting and Social Opportunities

 

The PEA Mine Plan would result in an extended life of mine, and hence a longer period of time for communities to benefit from economic benefits (employment, business support, community programs) established during the mine life.

 

  
Courageous Lake ProjectPage 404
Pre-feasibility Study and Preliminary Economic Assessment NI 43-101 Technical ReportJanuary 5, 2024
  

  

 

26RECOMMENDATIONS

 

26.1Overall

 

The Courageous Lake Project demonstrates positive economics, as shown by the results presented in this technical report. Continuing to develop the project through to feasibility study is recommended. Table 26-1 summarizes the proposed budget to advance the project through the feasibility stage.

 

Table 26-1: Recommended Work Program

 

Program Component Estimated Total Cost (US$M)
Drillhole Database QA/QC 0.20
Exploration / Drilling 11.00
Metallurgical Testing 0.50
Mining Methods 0.15
Mining Geotechnical 0.94
Process and infrastructure engineering 1.50
Site Geotechnical Studies 0.52
Co-placement Storage Facility and Leach Residue Tailings Facility 0.18
Water Treatment 0.13
Environmental Studies 0.32
Total 15.44

 

26.2Drillhole Database QAQC Recommendations

 

The QP recommends a review of the Courageous Lake database with an estimate cost of US$200,000 with focus on the following:

 

Completeness of the ICP-assay results in Seabridge’s Courageous Lake database. There are 3 certificates from 2010 identified to be missing from recent data exports from Seabridge.

 

Check-assays data availability of 2005-2006 (ALS) and 2010 (ALS) and possible certificate misalignments (ACME vs. ALS).
  
Coding and classifications, for different types of check assays etc.
  
A review of sample weight data for field duplicates in 2004-2006, to confirm classification and eliminate possible sampling or recording inconsistencies.
  
  
Courageous Lake ProjectPage 405
Pre-feasibility Study and Preliminary Economic Assessment NI 43-101 Technical ReportJanuary 5, 2024
  

  

 

SGS Lakefield check-assay data and certificate availability (2004).
  
Refire data provided in recent exports did not always meet quantity expectations from refire protocols.
  
Collar verification of historic collars originally in Mine Grid. The recommended budget for these works is US$200,000.
  
26.3Exploration and Drilling Recommendations

 

Drilling 60 holes for a total length of 24,000 m is recommended to both expand the Inferred resource and to upgrade the current Inferred Resources to Measured and Indicated Resources. Forty drillholes (20,000m) are recommend for the Courageous Lake deposit and another 20 drillholes (4,000m) to expand the Walsh lake resource for a total estimate cost of US$11,000,000 as shown in Table 26-1.

 

26.4Metallurgical Testwork

 

Work is needed to identify the most effective flowsheet and design criteria to potentially improve project economics as part of a feasibility study. A feasibility level metallurgical testwork program, using industry standard testwork procedures, focusing on the major deposits, is recommended. This includes the following work:

 

Complete metallurgical variability testing on a broad range of samples from a broad range of locations within the deposit, covering all significant mineralized material types and anticipated LOM grade ranges to support feasibility level of study
  
With the changes to mining resource and concentrate specification it is recommended to conduct additional POX, neutralization and CIL testing on representative sample to confirm sulphide oxidation, gold recovery and reagent consumption.
  
Future metallurgical test work to investigate BIOX as an alternative to POX process.
  
Evaluate ore sorting option to pre-concentrate the feed and reduce primary grinding energy requirements. Carry out a performance test on a large sample (about 1000kg) of drill core that would represented diluted ROM ore, and run it through a commercial XRT sorting machine at different size fractions to investigate waste rejection and associated Au recovery.
  
Comprehensive comminution testing including Bond rod and ball mill work indices, SMC testing and abrasion index tests with the number of samples tested appropriate for a feasibility study. These will validate the design assumptions on comminution equipment sizing and selection and improve future analysis of power requirements.
  
Cyanide detoxification testing to validate reagent usage, residence times and expected concentrations at discharge.
  
Oxygen uptake testing to determine air/oxygen requirements in leach
  
Deleterious element specific analysis with lower laboratory detection limits on feed and cyanide solution samples.
  
  
Courageous Lake ProjectPage 406
Pre-feasibility Study and Preliminary Economic Assessment NI 43-101 Technical ReportJanuary 5, 2024
  

  

 

The recommended budget for these works is US$500,000. Sample is assumed to be readily available from exploration and infill drilling works.

 

26.5Mining

 

26.5.1Mining Methods

 

MMTS recommends the Project proceed to further mine planning with the following general study areas. These recommendations reflect the ongoing level of detail required to advance the Project, leading to the eventual construction and operation level designs. Mine planning work discussed in this section will cost US$150,000.

 

Specific mine planning recommendations are as follows:

 

Investigate a different resource modelling method that will reduce modelled dilution. A short-range modelling system linked with a close-spaced ore control system, as well as a selective ore mining system is prescribed in this PFS. A full study should be done that tests the economic impact of the improved mill feed grade with a more detailed short-range model, and how some of this can be included into the long-range resource model. This will also determine the future infill geology drilling requirements.
  
With the detailed technical and economic characteristics of the full project from this PFS, and with a revised economic reserve from the above study, investigate the different production schedule scenarios to enhance the project cash flow. Varying the cut-off grade strategy, throughput rates, and the possibility of changing the production capacity at stages through the LOM are areas to be investigated.
  
Further drill and blasts studies should be pursued in Feasibility or Operation to potentially reduce costs.

 

26.5.2Mining Geotechnical

 

26.5.2.1Geotechnical and Hydrogeological Field Studies

 

The geotechnical and hydrogeological investigations that have been completed are suitable for PFS-level of pit slope design study. This section describes key studies required for future pit slope feasibility level geotechnical engineering design. This section relates only to hydrotechnical (geotechnics and hydrogeology) aspects of the subpermafrost hydrogeological regime and does not relate to surface hydrology, climatology, or other studies associated with the site wide water management plan and site water balance. Those aspects are described in Section 18.9 and Section 18.10.

 

The key studies should include, but not be limited to:

 

Additional targeted geotechnical drilling and hydrogeological testing of endwalls and other walls of the proposed pit where data gaps might exist, and including the use of televiewer equipment for the collection of oriented structural data, as well as the installation of GTCs and vibrating wire piezometers to continue building a database of ground temperatures and groundwater pressure;

 

  
Courageous Lake ProjectPage 407
Pre-feasibility Study and Preliminary Economic Assessment NI 43-101 Technical ReportJanuary 5, 2024
  

  

 

An expanded laboratory rock strength testing program including compressive strength and modulus, triaxial strength, direct shear strength of the various discontinuities, Brazilian tensile strength, and strength testing and characterization of any recovered fault material;
  
Targeted drilling and testing to characterize the geomechanical and hydrogeological characteristics of the Tundra Shear Zone;
  
Geophysical surveys to map the extents of the underground workings;
  
Geomorphological mapping to map the surface permafrost terrain and features for identification of thaw stable and thaw-unstable ground;
  
Overburden slope stability and slope design;
  
Assessing the status of the installed GTCs and collection of additional data, and installation of GTCs in new geotechnical boreholes;

 

Assessing the status of the two Westbay installations and additional collection of groundwater samples if possible.

 

The estimated cost for the recommended work is US$850,000.

 

26.5.2.2Geological, Structural, and Alteration Model

 

A robust 3D geological and structural model has not been developed and this constitutes a deficiency that would need to be addressed during feasibility level studies. Future geotechnical drilling investigations should include the use of optical and acoustic televiewer tools to collect more detailed orientation data.

 

The development of a 3D geological and structural model should include but not be limited to:

 

Improved definition and delineation of the different rock types, structures, alteration assemblages and variability in rock mass strength and rock mass quality, and hydrogeological characteristics;
  
A database of hydrogeological testing and sampling, including VWP installations;
  
A database of geotechnical logging and sample locations;
  
A database of ground temperature readings.

 

The estimated cost for the recommended work is US$55,000.

 

26.5.2.3Thermal Modelling

 

Currently there has been no thermal modelling completed for the site. It is recommended that future studies include the use of thermal models to better inform the hydrogeological interpretation including the depth and extent of the basal cryopeg, and the depth of the talik beneath Matthews Creek that could contribute water to the pit.

 

The estimated cost for the recommended work is US$30,000.

 

  
Courageous Lake ProjectPage 408
Pre-feasibility Study and Preliminary Economic Assessment NI 43-101 Technical ReportJanuary 5, 2024
  

  

 

26.5.2.4Assessment of Slope Depressurization Feasibility

 

Additional hydrogeological site investigations are required to establish the hydrogeological characteristics of any major fault features such as the Tundra Shear Zone and its potential connection to either Matthews Lake or Courageous Lake. Further, additional investigations are required to assess the feasibility of depressurizing the slopes. Such an investigation would likely include (but not limited to):

 

Borehole velocity logging, packer testing, pumping tests and recovery tests to assess the effectiveness of depressurization wells;
  
A groundwater monitoring program, including installing a network of vibrating wire piezometers and GTCs to monitor groundwater pressures and ground temperatures as mining advances;
  
Assessing of the Westbay well installations and of the thermistor installations.
  

The estimated cost for this recommended work is included in the costs noted in 26.5.2.1.

 

26.5.2.5Additional Recommended Studies
  
Geotechnical Step-out: Where high rock slopes are not intersected by a ramp, the incorporation of a 30 m wide geotechnical step-out (geotechnical bench) every 150 m to 200 m is current industry practice, therefore, the next level of design revision should incorporate a geotechnical step-out on that wall.
  
Underground Mine Plan and Pit/Underground Interaction Study: The currently available digital layout for the underground exploration workings developed by Noranda during the 1980s is incomplete or cannot be confirmed for reliability. It is advisable to complete an open pit/underground interaction study to assess any influence there might be of the underground workings on the open pit near the end of its life. Furthermore, if the pit is deepened, the potential interaction between the open pit and the existing underground workings will need to be evaluated.

 

26.6Process and Infrastructure Engineering

 

The estimated cost for process and infrastructure engineering for the feasibility study is US$1,500,000 Engineering deliverables would include:

 

FS Trade Off Studies targeting NPV and IRR improvement scenarios
  
Process plant engineering, through criterion, lists, drawings, MTOs and cost estimates
  
Review of pressure oxidation circuit with BIOX option as an alternative to POX process
  
FS capital and operating cost estimating
  
FS project execution planning
  
Completion of a feasibility study with supporting testwork, contractor and vendor engagement
  
Technical report support.
  
  
Courageous Lake ProjectPage 409
Pre-feasibility Study and Preliminary Economic Assessment NI 43-101 Technical ReportJanuary 5, 2024
  

  

 

26.7Site Geotechnical Studies

 

The historical geotechnical and laboratory programs were very limited for mine infrastructure. A gap analysis was performed for the next phase, and the following recommendations are made for site geotechnical and laboratory programs.

 

Completion of twenty-three boreholes for a total length of 690m, 61 test pits, and geophysics in the areas of the CPSF, RLTF, mill complex, ancillary facilities, and potential borrow sources to investigate and confirm foundation conditions, specifically the extent of the till along with depth to groundwater and bedrock. Including the installation of thermistors in 4 of the boreholes to study permafrost in the area of proposed infrastructure, especially the CPSF, RLTF, and mill complex.
  
Laboratory index testing, including compaction tests, mechanical strength tests, and permeability tests on foundation soils and potential borrow materials.
  
Using the new data to recommend designs for foundations, borrow sources, construction materials for infrastructure, and CPSF, LRTF, mill complex along with supporting infrastructure.
  
Site specific seismic hazard and geohazard studies.

 

The estimated cost is US$520,000, including the drilling and excavator rental.

 

26.8Co-placement Storage Facility and Leach Residue Tailings Facility

 

Bring the design and analysis of the CPSF and LRTF to a feasibility-study level of detail, the following activities are recommended:

 

Review and update seismological, meteorological and hydrology information, updating surface water. and sediment management for the CPSF and LRTF.
  
Additional laboratory testing to confirm the physical characterization of the tailings, including settled density, long-term consolidated density, permeability, and triaxial tests at both low and high confining stresses to represent the height of the CPSF and LRTF.
  
Update geochemical characterization of tailings, waste rock and construction materials.
  
Develop geothermal models of tailings deposition for winter and summer season, and assess the potential of long-term permafrost degradation underneath the facility.
  
Develop seepage predictions and seepage control measures for the CPSF and LRTF.
  
Optimize the tailings and waste rock handling and deposition strategy, including material handling equipment (dozer and compactors for the CPSF and LRTF.
  
The stability model should be reviewed and updated, as required, with consideration of the final configurations of the CPSF and LRTF using updated data about the material properties of the wastes using laboratory results along with foundations design for both the facilities considering permafrost.
  
  
Courageous Lake ProjectPage 410
Pre-feasibility Study and Preliminary Economic Assessment NI 43-101 Technical ReportJanuary 5, 2024
  

  

 

Perform a liquefaction assessment with consideration of updated information on material properties for the tailings along with foundation for both the CPSF and LRTF.
  
Solicit additional budgetary quotes for earthworks and geosynthetics (i.e., geomembrane, geotextile, and piping) to get more accurate pricing for the next cost estimates.
  
Develop FS level design of the CPSF and LRTF.
  
Develop cost estimates (i.e., capital, sustaining capital, and operating costs) for earthworks, construction of the CPSF and LRTF and associated seepage and surface water management structure.

 

The estimated cost for the recommended work is US$180,000.

 

26.9Water Treatment

 

It is recommended that a site-specific geochemical characterization program be carried out to evaluate the metal leaching potential of waste rock and tailings for the Courageous Lake Project. The purpose of the program would be to verify the quality of contact water and the suitability of the water treatment processes selected for the Project.

 

The estimated cost for the recommended work is US$130,000.

 

26.10Environmental Studies, Permitting, and Social or Community Impact

 

Recommendations pertaining to environmental baseline studies, permitting and social or community impact:

 

Continue the program of wildlife monitoring cameras, and based on the PFS mine plan operational and closure footprint, re-evaluate the need for modifications or enhancements to the wildlife camera monitoring program in select areas.
  
Maintain an archaeology permit for the Project area and based on the PFS mine plan footprint, evaluate the need for further detailed investigative studies of high-potential areas which may as a result be incorporated into the disturbance footprint.
  
Consider developing a next stage of detail for the conceptual mine closure and reclamation plan which could invite early collaboration with Indigenous groups and inform more detailed costing of mine closure and reclamation for the FS economic analysis.
  
Assessment of Pit Flooding at Closure and Permafrost Impact: Following completion of mining and during closure it is expected that the open pit will eventually be flooded. The potential impact of active pit flooding on pit wall stability should be assessed as part of developing a closure and reclamation plan. Thermal modelling should be completed to determine if a through-talik will be created connecting the subpermafrost groundwater regime to the surface hydrological regime.

 

The estimated cost for the recommended work is US$320,000.

 

  
Courageous Lake ProjectPage 411
Pre-feasibility Study and Preliminary Economic Assessment NI 43-101 Technical ReportJanuary 5, 2024
  

  

 

27REFERENCES

 

Ausenco. (2023): Ausenco Rev. C Load List dated 2023-11-14, and an Ausenco Email of 14 Nov. 2023.

 

Bleeker, et al. (1999): The central Slave basement complex, Part I: its structural topology and autochthonous cover. Canadian Journal of Earth Sciences, Vol. 36, p. 1083-1109.

 

Brown, J., Ferrians, O., Heginbottom, J.A., Melnikov, E. (2002): Circum-Arctic Map of Permafrost and Ground-Ice Conditions. Version 2. Boulder, Colorado USA. NSIDC: National Snow and Ice Data Center.

 

Canadian Institute of Mining, Metallurgy and Petroleum (CIM). (2019): Estimation of Mineral Resources and Mineral Reserves, Best Practice Guidelines: Canadian Institute of Mining, Metallurgy and Petroleum, November 29, 2019.

 

Canadian Institute of Mining, Metallurgy and Petroleum (CIM). (2014): CIM Standards for Mineral Resources and Mineral Reserves, Definitions and Guidelines: Canadian Institute of Mining, Metallurgy and Petroleum, May 2014.

 

COSEWIC. (2009): COSEWIC assessment and status report on the Horned Grebe Podiceps auritus, Western population and Magdalen Islands population, in Canada. Committee on the Status of Endangered Wildlife in Canada. Ottawa. vii + 42 pp. (www.sararegistry.gc.ca/status/status_e.cfm).

 

Dillon-Leitch, H. (1981): Volcanic stratigraphy, structure, and metamorphism in the Courageous-MacKay Lake greenstone belt, Slave Province, Northwest Territories. Unpublished M.Sc. Thesis, University of Ottawa.

 

EBA. (2002): Draft Report Environmental Due Diligence Review, Courageous Lake Property. Independent report for Seabridge Gold; 28 p.

 

EBA. (2006): Geotechnical Site Investigations at the Courageous Lake Property, Northwest Territories (Project 1700201). Internal report prepared by EBA for Seabridge Gold Inc. September 2006.

 

EBA. (2010): Proposed Courageous Lake Mine Site Development, Geotechnical Investigation (Project Number E14101103). Internal report prepared by EBA Engineering Consultants Ltd. for Seabridge Gold Inc. October 2010.

 

EBA. (2011): Proposed Courageous Lake Mine Site Development Phase 2 Infrastructure Geotechnical Investigation Data Report – March-April 2011 (Project number E14101103). Internal report prepared by EBA for Seabridge Gold Inc July 2011.

 

  
Courageous Lake ProjectPage 412
Pre-feasibility Study and Preliminary Economic Assessment NI 43-101 Technical ReportJanuary 5, 2024
  

  

 

EBA. (2012): Proposed Courageous Lake Mine Site Development, Diversion Channel Options, Process Plant Site (Option 1) and Airstrip Extension Geotechnical Investigation Report – March 2012 (File E14101187). Internal report prepared by EBA for Seabridge Gold Inc. May 2012.

 

ERM. (2019): Courageous Lake Project: Caribou Camera Report 2011 – 2018. Internal report prepared by Environmental Resources Management Vancouver, BC, for Seabridge Gold Inc.

 

ERM. (2020): Courageous Lake Project: Caribou Camera Program Summary 2011 – 2019. Internal report prepared by Environmental Resources Management Vancouver, BC, for Seabridge Gold Inc.

 

ERM. (2023): Courageous Lake Project: Caribou Camera Program Summary 2019 – 2023. Internal report prepared by Environmental Resources Management Vancouver, BC, for Seabridge Gold Inc.

 

ERM. (2023): Courageous Lake Project: Caribou Camera Report, 2023. Internal report prepared by Environmental Resources Management Vancouver, BC, for Seabridge Gold Inc.

 

ERM. (2023): Courageous Lake Project: Final Report on Northwest Territories Act Class 2 Archaeologist’s Permit # 2022-003. Internal report prepared by Environmental Resources Management Vancouver, BC, for Seabridge Gold Inc.

 

Golder. (2010a): Hydrogeological Field Investigation Program and Borehole Instrumentation, Courageous Lake Project (DCN 010). Internal report prepared by Golder Associates Ltd. for Seabridge Gold Inc. December 23, 2010.

 

Golder. (2010b): Groundwater Conductivity and Inferred Salinity (DCN 012). Internal report prepared by Golder Associates Ltd. for Seabridge Gold Inc. December 2010.

 

Golder. (2010c): Preliminary Estimate of Water Inflows to the Proposed Courageous Lake Project Open Pit (DCN 013). Internal report prepared by Golder Associates Ltd. for Seabridge Gold Inc. December 22, 2010. Technical Memorandum.

 

Golder. (2011a): Pre-Feasibility Level Pit Slope Design Criteria for the FAT Deposit, Courageous Lake Project (DCN 018). Internal report prepared by Golder Associates Ltd. for Seabridge Gold Inc. May 18, 2011.

 

Golder. (2011b): 2011 Geotechnical and Hydrogeological Field Investigations, Courageous Lake Project (DCN 033). Internal report prepared by Golder Associates Ltd. for Seabridge Gold Inc. December 5, 2011.

 

Golder. (2012a): Review of 2011 Westbay Development and Sampling Program. Internal Technical Memorandum prepared by Golder Associates Ltd. for Seabridge Gold Inc. June 5, 2012.

 

Golder. (2012b): Courageous Lake Project – Hydrogeology Model Sensitivity Study. Internal Technical Memorandum prepared by Golder Associates Ltd. for Seabridge Gold Inc. June 6, 2012.

 

Government of Canada. (2021): 2020 National Building Code of Canada Seismic Hazard Tool. <https://earthquakescanada.nrcan.gc.ca/hazard-alea/interpolat/nbc2020-cnb2020-en.php>.

 

  
Courageous Lake ProjectPage 413
Pre-feasibility Study and Preliminary Economic Assessment NI 43-101 Technical ReportJanuary 5, 2024
  

  

 

Government of Northwest Territories. (2020): Slave Geological Province Corridor Project. <https://www.inf.gov.nt.ca/en/SGP>.

 

Hatch Ltd. (2005): Courageous Lake Project, Preliminary Assessment, NI 43-101 Technical Report, p. 179.

<www.sedar.com>.

 

Henderson, J. F. (1943): Structure and Metamorphism of early Precambrian rocks between Gordon Lake and Great Slave Lake; Northwest Territories. Am. Journal of Sci., Vol. 241, pp 430-446.

 

Indian and Northern Affairs Canada. (2002): Mine Site Reclamation Policy for the Northwest Territories. A policy for the protection of the environment and the disposition of liability relating to mine closures in the Northwest Territories.

 

Johnson, M. (1990): Report on Magnetic and Induced Polarization Surveys. Internal report prepared by Covello, Bryan and Associates Ltd. for Placer Dome Exploration.

 

Kemp, R. (1987): Report on Exploration Work, Tundra Gold Venture 1986-87. Internal report prepared by Noranda Exploration Company Limited; p. 34.

 

Mackenzie Valley Land and Water Board. (2023): Home | Mackenzie Valley Land and Water Board (mvlwb.com)

 

Mackenzie Valley Review Board. (2023): Home | Review Board

 

Martin et al. (2013): A Method for Deriving Sub-Permafrost Groundwater Salinity and Total Dissolved Solids. Proceedings from Mine Water Solutions in Extreme Environments, April. Lima, Peru.

 

NRC Publications Archive. (1968): Guide to a Field Description of Permafrost for Engineering Purposes. Pihlainen, J.A., NRCC-7576

 

Read, J., Stacey, P. (2009): Guidelines for Open Pit Slope Design. CSIRO Publishing, Australia.

 

RMI. (2002): Technical review of the Courageous Lake property, Northwest Territories, Canada, July 8, 2002, technical report prepared for Seabridge Gold Inc., 61 pages.

 

RMI. (2004): Technical Review of the Courageous Lake Property, Northwest Territories, Canada. December 30, 2004.

 

RMI. (2007): Updated Mineral Resource Estimate Courageous Lake Project, Northwest Territories, Canada. February 22, 2007.

 

Tetra Tech Wardrop. (2012): Courageous Lake Pre-feasibility Study. Tetra Tech Wardrop, September 5, 2012.

 

Tetra Tech. (2023a): Seabridge Courageous Lake Gap Assessment and Conformance Review of “Pre-Feasibility Level Pit Slope Design Criteria for the FAT Deposit, Courageous Lake Project. Golder, 18 May 2011, Document number 018 Ver. 0. Report”.

 

Tetra Tech Canada Inc. 08 December 2023, Technical Memorandum.

 

  
Courageous Lake ProjectPage 414
Pre-feasibility Study and Preliminary Economic Assessment NI 43-101 Technical ReportJanuary 5, 2024
  

  

 

Tetra Tech. (2023b): Courageous Lake Project, 2023 Pre-Feasibility Open Pit Slope Design Update. Tetra Tech Canada Inc. 08 December 2023, Technical Report.

 

The Claim Group. (2023): 5073 NWT Ltd./Seabridge Gold Inc., Courageous Lake Property. Independent report for Seabridge Gold (December 2, 2023). p.3.

 

TJS. (2005): Seabridge Gold Inc. Courageous Lake Project Preliminary Technical Assessment. Internal report prepared by TJS Mining-Met Services Inc. for Seabridge Gold Inc., September 7, 2005.

 

Wardrop. (2008): Courageous Lake Preliminary Economic Assessment – 2008 (Doc. No. 0652880101-REP-R0002-00). Internal report prepared by Wardrop for Seabridge Gold Inc.

 

Wardrop. (2011): Courageous Lake Updated Preliminary Economic Assessment – 2011 (Doc. No. 0952880100-REP-R0001-02). Internal report prepared by Wardrop for Seabridge Gold Inc. July 15, 2011.

 

Wardrop. (2012): Courageous Lake Pre-feasibility Study. Internal report prepared by Tetra Tech Wardrop for Seabridge Gold Inc. September 5, 2012.

 

WSP. (2023a): Courageous Lake Project Updated Hydrogeological Assessment (Doc. No. 2023CA96297-004-PP-RevA). Internal PowerPoint Presentation Summary prepared by WSP Limited for Seabridge Gold Inc. November 3, 2023.

 

WSP. (2023b): Hydrogeological Assessment for the Courageous Lake Project in Support of the Pre-feasibility Study and Preliminary Economical Assessment. Internal Technical Memorandum prepared by WSP for Seabridge Gold Inc. November 30, 2023.

 

  
Courageous Lake ProjectPage 415
Pre-feasibility Study and Preliminary Economic Assessment NI 43-101 Technical ReportJanuary 5, 2024