UNITED STATES
SECURITIES AND EXCHANGE COMMISSION
Washington, D.C. 20549
FORM
(Mark One)
ANNUAL REPORT PURSUANT TO SECTION 13 OR 15(D) OF THE SECURITIES EXCHANGE ACT OF 1934
FOR THE FISCAL YEAR ENDED |
TRANSITION REPORT PURSUANT TO SECTION 13 OR 15(D) OF THE SECURITIES EXCHANGE ACT OF 1934
FOR THE TRANSITION PERIOD OF _________ TO _________. |
Commission File Number:
(Exact name of registrant as specified in its charter) |
| Not Applicable | |
State or other jurisdiction of incorporation or organization |
| (I.R.S. Employer Identification No.) |
(Address of principal executive offices, including zip code)
Registrant’s telephone number, including area code:
Securities registered pursuant to Section 12(b) of the Act:
Title of each class | Trading Symbol | Name of each exchange on which registered |
Securities registered pursuant to Section 12(g) of the Act: None
Indicate by check mark if the registrant is a well-known seasoned issuer, as defined in Rule 405 of the Securities Act Yes ☐
Indicate by check mark if the registrant is not required to file reports pursuant to Section 13 or 15(d) of the Exchange Act. Yes ☐
Indicate by check mark whether the registrant (1) has filed all reports required to be filed by Section 13 or 15(d) of the Securities Exchange Act of 1934 during the preceding 12 months (or for such shorter period that the registrant was required to file such reports), and (2) has been subject to such filing requirements for the past 90 days.
Indicate by check mark whether the registrant has submitted electronically every Interactive Data File required to be submitted pursuant to Rule 405 of Regulation S-T (§232.405 of this chapter) during the preceding 12 months (or for such shorter period that the registrant was required to submit such files).
Indicate by check mark whether the registrant is a large accelerated filer, an accelerated filer, a non-accelerated filer, a smaller reporting company, or an emerging growth company. See the definitions of “large accelerated filer,” “accelerated filer,” “smaller reporting company,” and “emerging growth company” in Rule 12b-2 of the Exchange Act.
Large accelerated filer ☐ | Accelerated filer ☐ | Smaller reporting company | |
|
| Emerging growth company |
If an emerging growth company, indicate by check mark if the registrant has elected not to use the extended transition period for complying with any new or revised financial accounting standards provided pursuant to Section 13(a) of the Exchange Act. ☐
Indicate by check mark whether the registrant has filed a report on and attestation to its management’s assessment of the effectiveness of its internal control over financial reporting under Section 404(b) of the Sarbanes-Oxley Act (15 U.S.C. 7262(b)) by the registered public accounting firm that prepared or issued its audit report.
If securities are registered pursuant to Section 12(b) of the Act, indicate by check mark whether the financial statements of the registrant included in the filing reflect the correction of an error to previously issued financial statements.
Indicate by check mark whether any of those error corrections are restatements that required a recovery analysis of incentive-based compensation received by any of the registrant’s executive officers during the relevant recovery period pursuant to §240.10D-1(b). ☐
Indicate by check mark whether the registrant is a shell company (as defined in Rule 12b-2 of the Exchange Act). Yes
As of February 29, 2024, there were
DOCUMENTS INCORPORATED BY REFERENCE
Certain information required for Items 10, 11, 12, 13 and 14 of Part III of this annual report on Form 10-K is incorporated by reference to the registrant’s definitive proxy statement for the 2024 Annual Meeting of Shareholders.
UR-ENERGY INC.
ANNUAL REPORT ON FORM 10-K
TABLE OF CONTENTS
| 2 |
| Table of Contents |
When we use the terms “Ur-Energy,” “we,” “us,” “our,” or the “Company,” we are referring to Ur-Energy Inc. and its subsidiaries, unless the context otherwise requires. We have included technical terms important to an understanding of our business under “Glossary of Common Terms” at the end of this section. Throughout this document we make statements that are classified as “forward-looking.” Please refer to the “Cautionary Statement Regarding Forward-Looking Statements” section of this document for an explanation of these types of assertions.
Cautionary Statement Regarding Forward-Looking Statements
This annual report on Form 10-K contains "forward-looking statements" within the meaning of the United States Private Securities Litigation Reform Act of 1995 and other applicable Canadian securities laws, and these forward-looking statements can be identified by the use of words such as "expect," "anticipate," "estimate," "believe," "may," "potential," "intend," "plan" and other similar expressions or statements that an action, event or result "may," "could" or "should" be taken, occur or be achieved, or the negative thereof or other similar statements. These statements are only predictions and involve known and unknown risks, uncertainties and other factors which may cause our actual results, performance or achievements, or industry results, to be materially different from any future results, performance, or achievements expressed or implied by these forward-looking statements. Such statements include, but are not limited to: (i) the ability to maintain operations at Lost Creek in a safe and compliant fashion; (ii) the ability to readily and cost-effectively complete our return to full-production operations at Lost Creek, in the face of labor shortages, inflationary costs and supply chain issues without affecting our production plan or ability to deliver into our sales commitments; (iii) the timing to determine additional development and construction priorities at Lost Creek and Shirley Basin; (iv) the continuing technical and economic viability of Lost Creek, including as set forth in our Initial Assessment of the property (the Lost Creek Report); (v) the timing and outcome of the remaining permitting approval of the amendments to the Lost Creek permit, and processing and completion of future permits and authorizations for ongoing operations; (vi) the ability and timing to complete additional favorable uranium sales agreements, including spot sales as may be warranted; (vii) the production rates and life of the Lost Creek Project and subsequent development of and production from Adjoining Projects within the Lost Creek Property, including plans at LC East; (viii) the potential of exploration targets throughout the Lost Creek Property (including the ability to expand resources); (ix) the potential of our other exploration and development projects, including Shirley Basin, the projects in the Great Divide Basin and Lucky Mc; (x) the technical and economic viability of Shirley Basin, including our expectation that the Lost Creek processing facility will be utilized for processing, drying and packaging uranium for Shirley Basin, and as otherwise set forth in our Initial Assessment of the project (the Shirley Basin Report); (xi) conditions in the uranium market including the major influences of climate change objectives, geopolitics and shifting production schedules of operators, and how they will affect our operations and business; (xii) our ability to obtain remaining routine authorizations for production at Shirley Basin and the ability to meet projections for construction and buildout to operations when a go decision is made; (xiii) the viability of our ongoing research and development efforts, including the timing and cost to implement and operate one or more of them; (xiv) the impacts of the war in Ukraine, and other global conflicts and geopolitical tensions, on the global economy and more specifically on the nuclear fuel industry including U.S. uranium producers; and (xv) continuing effects of the pandemic including on supply chain disruption, labor and inflationary costs. These other factors include, among others, the following: future estimates for production, development and production operations, capital expenditures, operating costs, mineral resources, recovery rates, grades and market prices; business strategies and measures to implement such strategies; competitive strengths; estimates of goals for expansion and growth of the business and operations; plans and references to our future successes; our history of operating losses and uncertainty of future profitability; status as an exploration stage company; the lack of mineral reserves; risks associated with obtaining permits and other authorizations in the U.S.; risks associated with current variable economic conditions; our ability to service our debt and maintain compliance with all restrictive covenants related to the debt facility and security documents; the possible impact of future financings; the hazards associated with mining production; compliance with environmental laws and regulations; uncertainty regarding the pricing and collection of accounts; the possibility for adverse results in potential litigation; uncertainties associated with changes in government policy and regulation; uncertainties associated with a Canada Revenue Agency or U.S. Internal Revenue Service audit of any of our cross border transactions; adverse changes in general business conditions in any of the countries in which we do business; changes in size and structure; the effectiveness of management and our strategic relationships; ability to attract and retain key personnel; uncertainties regarding the need for additional capital; uncertainty regarding the fluctuations of quarterly results; foreign currency exchange risks; ability to enforce civil liabilities under U.S. securities laws outside the United States; ability to maintain our listing on the NYSE American LLC (“NYSE American”) and Toronto Stock Exchange (“TSX”); risks associated with the expected classification as a "passive foreign investment company" under the applicable provisions of the U.S. Internal Revenue Code of 1986, as amended; risks arising from various geopolitical tensions and events including the war in Ukraine and rising tensions between the U.S. and China; risks associated with our investments and other risks and uncertainties described under the heading “Risk Factors” of this annual report.
| 3 |
| Table of Contents |
Cautionary Note to Investors Concerning Disclosure of Mineral Resources
Unless otherwise indicated, all mineral resource estimates included in this annual report on Form 10-K have been prepared in accordance with U.S. securities laws pursuant to Regulation S-K, Subpart 1300 (“S-K 1300”). Prior to 2022, we prepared our estimates of mineral resources in accord with Canadian National Instrument 43-101 Standards of Disclosure for Mineral Projects (“NI 43-101”) and the Canadian Institute of Mining, Metallurgy and Petroleum Definition Standards for Mineral Resources and Mineral Reserves (“CIM Definition Standards”). NI 43-101 is a rule developed by the Canadian Securities Administrators which establishes standards for public disclosure an issuer makes of scientific and technical information concerning mineral projects. We are required by applicable Canadian Securities Administrators to file in Canada an NI 43‑101 compliant report at the same time we file an S-K 1300 technical report summary. Our NI 43-101 and S-K 1300 reports (for each of the Lost Creek Property and Shirley Basin Project) are substantively identical to one another except for internal references to the regulations under which the report is made, and certain organizational differences.
Investors should note that the term “mineral resource” does not equate to the term “mineral reserve.” Mineralization may not be classified as a “mineral reserve” unless the determination has been made that the mineralization could be economically and legally produced or extracted at the time the reserve determination is made. Investors should also understand that “inferred mineral resources” have a great amount of uncertainty as to their existence and great uncertainty as to their economic and legal feasibility. It cannot be assumed that all or any part of an “inferred mineral resource” will ever be upgraded to a higher category. Under S-K 1300, estimated “inferred mineral resources” may not form the basis of feasibility or pre-feasibility studies.
Additionally, as required under S-K 1300, our report on the Lost Creek Property includes two economic analyses to account for the chance that the inferred resources are not upgraded as production recovery progresses and the Company collects additional drilling data; the second economic analysis was prepared which excluded the inferred resources. The estimated recovery excluding the inferred resources also establishes the potential viability at the property, as detailed in the S-K 1300 report. Investors are cautioned not to assume that all or any part of an “inferred mineral resource” exists or is economically or legally mineable.
| 4 |
| Table of Contents |
Glossary of Common Terms and Abbreviations | |
| |
Mineral Resource Definitions |
|
Mineral Resource | is a concentration or occurrence of material of economic interest in or on the Earth’s crust in such form, grade or quality, and quantity that there are reasonable prospects for economic extraction. When determining the existence of a Mineral Resource, a Qualified Person, as defined by this section, must be able to estimate or interpret the location, quantity, grade or quality continuity, and other geological characteristics of the Mineral Resource from specific geological evidence and knowledge, including sampling; and conclude that there are reasonable prospects for economic extraction of the Mineral Resource based on an initial assessment, as defined in this section, that he or she conducts by qualitatively applying relevant technical and economic factors likely to influence the prospect of economic extraction. |
|
|
Inferred Mineral Resource | is that part of a Mineral Resource for which quantity and grade or quality are estimated on the basis of limited geological evidence and sampling; where the term limited geological evidence means evidence that is only sufficient to establish that geological and grade or quality continuity is more likely than not. The level of geological uncertainty associated with an Inferred Mineral Resource is too high to apply relevant technical and economic factors likely to influence the prospects of economic extraction in a manner useful for evaluation of economic viability. A qualified person must have a reasonable expectation that the majority of inferred mineral resources could be upgraded to indicated or measured mineral resources with continued exploration; and should be able to defend the basis of this expectation before his or her peers. |
|
|
Indicated Mineral Resource | is that part of a Mineral Resource for which quantity and grade or quality are estimated on the basis of adequate geological evidence and sampling. As used in this subpart, the term adequate geological evidence means evidence that is sufficient to establish geological and grade or quality continuity with reasonable certainty. The level of geological certainty associated with an Indicated Mineral Resource is sufficient to allow a Qualified Person to apply Modifying Factors in sufficient detail to support mine planning and evaluation of the economic viability of the deposit. An Indicated Mineral Resource has a lower level of confidence than the level of confidence of a Measured Mineral Resource and may only be converted to a Probable Mineral Reserve. |
|
|
Measured Mineral Resource | is that part of a Mineral Resource for which quantity and grade or quality are estimated on the basis of conclusive geological evidence and sampling and, further, the term conclusive geological evidence means evidence that is sufficient to test and confirm geological and grade or quality continuity. The level of geological certainty associated with a measured mineral resource is sufficient to allow a qualified person to apply modifying factors, as defined in this section, in sufficient detail to support detailed mine planning and final evaluation of the economic viability of the deposit. A Measured Mineral Resource has a higher level of confidence than the level of confidence of either an Indicated Mineral Resource or an Inferred Mineral Resource. |
Additional Defined Terms |
|
11e.(2) by-product material | is contaminated solid waste consisting of solid waste contaminated with radioactive material that cannot be decontaminated, as defined by federal and state regulations. This by-product material may consist of filters, filtered fines from the wellfield and wastewater, personal protective equipment, spent resin, piping, etc. |
|
|
Cut-off or cut-off grade | when determining economically viable mineral resources, the lowest grade of mineralized material that can be mined |
|
|
Formation | a distinct layer of sedimentary or volcanic rock of similar composition |
| 5 |
| Table of Contents |
Grade | quantity or percentage of metal per unit weight of host rock |
|
|
Header houses (HH) | are used to distribute lixiviant injection fluid to injection wells and collect pregnant solution from production wells. Each header house is connected to two trunk lines, one for receiving barren lixiviant from the plant and one for conveying pregnant solutions to the plant. The HHs include manifolds, valves, flow meters, pressure gauges, instrumentation, and oxygen for incorporation into the injection lixiviant, as required. Each header house may service up to 90 wells (injection and recovery) depending on pattern geometry. The HHs are also used during the groundwater restoration process to distribute groundwater cleanup injection fluids and receive groundwater to be cleaned in the plant. The HHs will utilize the existing or alternate trunklines for this purpose. |
|
|
Host Rock | the rock containing a mineral or an ore body |
|
|
Modifying Factors | are the factors that a qualified person must apply to Indicated and Measured Mineral Resources and then evaluate in order to establish economic viability of Mineral Reserves. A qualified person must apply and evaluate modifying factors to convert Measured and Indicated Mineral Resources to Proven and Probable Mineral Reserves. These factors include but are not restricted to mining; processing; metallurgical; infrastructure; economic; marketing; legal; environmental compliance; plans, negotiations or agreements with local individuals or groups; and governmental factors. The number, type and specific characteristics of the modifying factors applied will necessarily be a function of and depend upon the mineral, mine property or project. |
|
|
Lithology | is a description of a rock; generally, its physical nature. The description would address such things as grain size, texture, rounding, and even chemical composition. An example of a lithologic description would be “coarse grained well-rounded quartz sandstone with 10% pink feldspar and 1% muscovite.” |
|
|
Mineral | a naturally formed chemical element or compound having a definite chemical composition and, usually, a characteristic crystal form. |
|
|
Mineralization | a natural occurrence, in rocks or soil, of one or more metal yielding minerals |
|
|
Outcrop | is that part of a geologic formation or structure that appears at the surface of the Earth. |
|
|
PFN | is a modern geologic logging method known as Prompt Fission Neutron. PFN is considered a direct measurement of true uranium concentration (% U) and is used to verify the grades of mineral intercepts previously reported by gamma logging. PFN logging is accomplished by a down-hole probe in much the same manner as gamma logs, however, only the mineralized interval plus a buffer interval above and below are logged. |
|
|
Preliminary Economic Assessment (or PEA) | is a Preliminary Economic Assessment performed under NI 43-101. A Preliminary Economic Assessment is a study, other than a prefeasibility study or feasibility study, which includes an economic analysis of the potential viability of mineral resources. |
|
|
Qualified Person (or QP) | is an individual who is a mineral industry professional with at least five years of relevant experience in the type of mineralization and type of deposit under consideration and in the specific type of activity that person is undertaking on behalf of the registrant; and is an eligible member or licensee in good standing of a recognized professional organization at the time the technical report summary is prepared. Additionally, a third-party firm comprising mining experts, such as professional geologists or mining engineers, may date and sign the technical report summary instead of, and without naming, its employee, member or other affiliated person who prepared the technical report summary. Also referred to as a “QP.” |
| 6 |
| Table of Contents |
Reclamation | is the process by which lands disturbed as a result of mineral extraction activities are modified to support beneficial land use. Reclamation activity may include the removal of buildings, equipment, machinery, and other physical remnants of mining activities, closure of tailings storage facilities, leach pads, and other features, and contouring, covering and re-vegetation of waste rock, and other disturbed areas. |
|
|
Restoration | is the process by which aquifers affected by mineral extraction activities are treated in an effort to return the concentration of pre-determined chemicals in the aquifer to pre-mining levels or, if approved by applicable government agencies, a pre-mining class of use such as industrial or livestock. |
|
|
Uranium | a heavy, naturally radioactive, metallic element of atomic number 92. Uranium in its pure form is a heavy metal. Its two principal isotopes are U-238 and U-235, of which U-235 is the necessary component for the nuclear fuel cycle. However, “uranium” used in this annual report refers to triuranium octoxide, also called “U3O8” and is produced from uranium deposits. It is the most actively traded uranium-related commodity. Our operations produce and ship “yellowcake” which typically contains 70% to 90% U3O8 by weight. |
|
|
Uranium concentrate | a yellowish to yellow-brownish powder obtained from the chemical processing of uranium-bearing material. Uranium concentrate typically contains 70% to 90% U3O8 by weight. Uranium concentrate is also referred to as “yellowcake.” |
|
|
U3O8 | a standard chemical formula commonly used to express the natural form of uranium mineralization. U represents uranium and O represents oxygen. U3O8 is contained in “yellowcake” or “uranium concentrate” accounting for 70% to 90% by weight. |
| 7 |
| Table of Contents |
Abbreviations
| |
AQD | Air Quality Division of the Wyoming Department of Environmental Quality |
BLM | U.S. Bureau of Land Management |
CEQ | Council on Environmental Quality, within the Executive Office of the President of the United States |
CERCLA | Comprehensive Environmental Response and Liability Act |
CIM | Canadian Institute of Mining, Metallurgy and Petroleum |
CWA | Clean Water Act |
DOE | U.S. Department of Energy |
eU3O8 | Equivalent U3O8 as measured by a calibrated gamma instrument |
EMT | East Mineral Trend, located within our LC East Project (Great Divide Basin, Wyoming) |
EPA | U.S. Environmental Protection Agency |
ESA | Endangered Species Act |
GDB | Great Divide Basin, Wyoming |
GPM | Gallons per minute |
GT | Grade x Thickness product (% ft.) of a mineral intercept (expressed without units) |
HALEU | High Assay Low Enriched Uranium |
HH | Header house |
IX | Ion Exchange |
ISR | In Situ Recovery (literally, ‘in place’ recovery) (also known as in situ leach or ISL) |
LQD | Land Quality Division of the Wyoming Department of Environmental Quality |
LT | Long-term (as relates to long-term pricing in the uranium market) |
MMT | Main Mineral Trend, located within our Lost Creek Project (Great Divide Basin, Wyoming) |
MU | Mine Unit (also referred to as wellfield) |
NEPA | U.S. National Environmental Policy Act |
NI 43-101 | Canadian National Instrument 43-101 (“Standards of Disclosure for Mineral Properties”) |
NRC | U.S. Nuclear Regulatory Commission |
NRV | Net realizable value |
PEA | Preliminary Economic Assessment, per NI 43-101 |
PFIC | Passive Foreign Investment Company |
PFN | Prompt Fission Neutron |
PPP QP | Paycheck Protection Program created by the CARES Act (and modified by the Flexibility Act), 2020, administered by the Small Business Administration Qualified Person, as defined in S-K 1300 |
RCRA | Resource Conservation and Recovery Act |
RO | Reverse Osmosis |
ROD | Record of Decision (BLM) |
SBA | U.S. Small Business Administration |
SEC | U.S. Securities Exchange Commission |
S-K 1300 | Regulation S-K, Subpart 1300 “Modernization of Property Disclosure for Mining Registrants” |
TRS TSX | Technical Report Summary, as defined in S-K 1300 Toronto Stock Exchange |
U3O8 | A standard chemical formula commonly used to express the natural form of uranium mineralization. U represents uranium and O represents oxygen. |
UIC | Underground Injection Control (pursuant to U.S. Environmental Protection Agency regulations) |
URP | Wyoming Uranium Recovery Program - WDEQ program name for Agreement State Program approved and effective September 30, 2018 |
USFWS | U.S. Fish and Wildlife Service |
WDEQ | Wyoming Department of Environmental Quality (and its various divisions, LQD/Land Quality Division, URP/Uranium Recovery Program; WQD/Water Quality Division; and AQD/Air Quality Division) |
WGFD | Wyoming Game and Fish Department |
WQD | Water Quality Division of the Wyoming Department of Environmental Quality |
| 8 |
| Table of Contents |
Metric/Imperial Conversion Table
The imperial equivalents of the metric units of measurement used in this annual report are as follows:
Imperial Measure |
| Metric Unit |
| Metric Unit |
| Imperial Measure |
2.4711 acres |
| 1 hectare |
| 0.4047 hectares |
| 1 acre |
2.2046 pounds |
| 1 kilogram |
| 0.4536 kilograms |
| 1 pound |
0.6214 miles |
| 1 kilometer |
| 1.6093 kilometers |
| 1 mile |
3.2808 feet |
| 1 meter |
| 0.3048 meters |
| 1 foot |
1.1023 short tons |
| 1 tonne |
| 0.9072 tonnes |
| 1 short ton |
0.2642 gallons |
| 1 litre |
| 3.785 litres |
| 1 gallon |
In this annual report on Form 10-K, unless otherwise noted, we round approximate acreages to the nearest 10.
Reporting Currency
All amounts in this report are expressed in United States (U.S.) dollars, unless otherwise indicated. The Financial Statements are presented in accordance with accounting principles generally accepted in the U.S.
| 9 |
| Table of Contents |
PART I
Items 1 and 2. BUSINESS AND PROPERTIES
Overview and Corporate Structure
Incorporated on March 22, 2004, we are engaged in uranium mining, recovery and processing activities, including the acquisition, exploration, development and operation of uranium mineral properties in the U.S. Through our Wyoming operating subsidiary, Lost Creek ISR, LLC, we began operation of our first in situ recovery uranium facility at our Lost Creek Project in 2013. Ur-Energy is a corporation continued under the Canada Business Corporations Act on August 8, 2006. Our Common Shares are listed on the NYSE American under the symbol “URG” and on the TSX under the symbol “URE.”
We announced a ramp-up decision in December 2022 to immediately ramp up production to levels sufficient to deliver into sales commitments totalling 570,000 pounds U3O8 annually beginning in 2024. During 2023, we captured 103,487 pounds of U3O8 at our Lost Creek plant. We sold 280,000 pounds U3O8 in 2023 from existing inventory. These sales were our first sales of produced U3O8 since 2019.
We are an “exploration stage issuer,” as that term is defined under S-K 1300, because we have not established proven or probable mineral reserves through the completion of a pre-feasibility or feasibility study for any of our uranium projects. As a result, and even though we commenced recovery of uranium at our Lost Creek Project in 2013, we remain classified as an exploration stage issuer and will continue to remain an exploration stage issuer until such time as proven or probable mineral reserves have been established.
We are engaged in uranium recovery and processing operations, in addition to the exploration for and development of uranium mineral properties. Uranium fuels carbon-free, emission-free nuclear power which is a clean, cost-effective, and reliable form of electrical power. Nuclear power is estimated to provide more than 50 percent of the carbon-free electricity in the U.S. and approximately one-third of carbon-free electricity worldwide. As a uranium producer, we are advancing the interests of clean energy, thereby contributing in positive ways to address the challenges of global climate change.
Ur-Energy has one direct wholly owned subsidiary: Ur-Energy USA Inc. (“Ur-Energy USA”), a company incorporated under the laws of the State of Colorado. It has offices in Colorado and Wyoming and has employees in both states.
Ur-Energy USA has three wholly-owned subsidiaries: Lost Creek ISR, LLC, a limited liability company formed under the laws of the State of Wyoming to hold and operate our Lost Creek Project and certain other of our Lost Creek properties and assets; NFU Wyoming, LLC (“NFU Wyoming”), a limited liability company formed under the laws of the State of Wyoming which acts as our land holding and exploration entity; and Pathfinder Mines Corporation (“Pathfinder”), a company incorporated under the laws of the State of Delaware, which holds, among other assets, the Shirley Basin and Lucky Mc properties in Wyoming. Lost Creek ISR, LLC employs personnel at the Lost Creek Project.
Currently, and at December 31, 2023, our principal direct and indirect subsidiaries, and affiliated entities, and the jurisdictions in which they were incorporated or organized, are as follows:
| 10 |
| Table of Contents |

Our wholly owned Lost Creek Project in Sweetwater County, Wyoming is our flagship property. The project has been fully permitted and licensed since October 2012. We received operational approval from the U.S. Nuclear Regulatory Commission (“NRC”) and started production operation activities in August 2013. Our first sales of Lost Creek production were made in December 2013.
From commencement of operations until 2020, we had multiple term uranium sales agreements in place with U.S. utilities for the sale of Lost Creek production or other yellowcake product at contracted pricing. We completed our initial sales contracts in 2020 when we sold 200,000 pounds of Uranium Oxide (“U3O8”). We did not make any sales of U3O8 inventory in 2021 – 2022.
We sold 100,000 pounds U3O8 to the U.S. Department of Energy (“DOE”) National Nuclear Security Administration (“NNSA”) in January 2023, as a part of the national uranium reserve program. In 2023, we delivered 180,000 pounds U3O8 into one of our sales agreements, for a total of 280,000 pounds U3O8 sold in 2023 for proceeds of $17.3 million. We currently have multi-year sales agreements for delivery of a base quantity ranging between 550,000 and 1,100,000 pounds U3O8 annually beginning in 2024 and continuing until 2030.
Shirley Basin, our other material property, is one of the assets we acquired as a part of the Pathfinder acquisition in 2013. We also acquired all the historic geologic and engineering data for the project. During 2014, we completed a drill program of a limited number of confirmatory holes to complete an NI 43‑101 mineral resource estimate which was released in August 2014; subsequently, an NI 43‑101 Preliminary Economic Assessment for Shirley Basin was completed in January 2015. See also “Shirley Basin ISR Uranium Project S-K 1300 Report,” below. Baseline studies necessary for the permitting and licensing of the project commenced in 2014 and were completed in 2015.
| 11 |
| Table of Contents |
In December 2015, our applications for a permit and license to mine at Shirley Basin was submitted to the State of Wyoming Department of Environmental Quality (“WDEQ”). The Wyoming Uranium Recovery Program (“URP”) issued our source material license and the Land Quality Division (“LQD”) issued the permit to mine for Shirley Basin in 2021. We received approvals for the project from the U.S. Bureau of Land Management (“BLM”) in 2020. Therefore, all major authorizations to construct and operate at Shirley Basin have been received. Work continues on detailed engineering and construction designs pending a decision by the Company to build out the facility.
We utilize in situ recovery (“ISR”) of the uranium at Lost Creek and will do so at other projects where this is possible, including Shirley Basin. The ISR technique is employed in uranium extraction because it allows for a lower cost and effective recovery of roll front mineralization. The ISR technique does not require the installation of tailings facilities or significant surface disturbance. This recovery method utilizes injection wells to introduce a mining solution, called lixiviant, into the mineralized zone. The lixiviant is made of natural groundwater fortified with oxygen as an oxidizer, carbon dioxide for pH control, and may include the addition of sodium bicarbonate as a complexing agent. The complexing agent bonds with the uranium to form uranyl carbonate, which is highly soluble. The dissolved uranyl carbonate is then recovered through a series of production wells and piped to a processing plant where the uranyl carbonate is removed from the solution using ion exchange (“IX”) and captured on resin contained within the IX columns. The groundwater is re-fortified with the oxidizer and, possibly, the complexing agent and sent back to the wellfield to recover additional uranium. A small volume of water, called bleed, is permanently removed from the lixiviant flow to create an inward groundwater gradient. A reverse osmosis (“RO”) process is available to minimize the wastewater stream generated. Brine from the RO process, if used, and bleed are disposed of by means of injection into deep disposal wells. Each wellfield is made up of multiple groupings of injection and production wells installed in patterns to optimize the areal sweep of fluid through the uranium deposit.
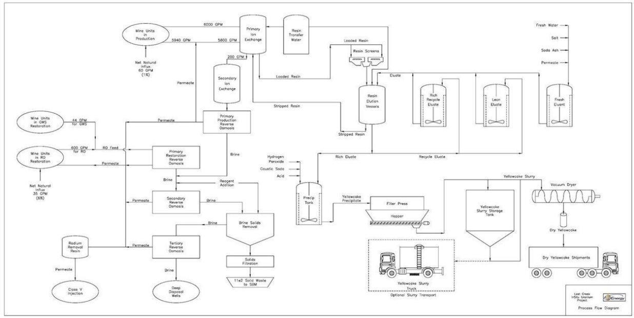
Our Lost Creek processing facility includes all circuits for the capture, concentration, drying and packaging of uranium yellowcake for delivery into sales. Our processing facility, in addition to the IX circuit, includes processing trains with separate elution, precipitation, filter press and drying circuits (this contrasts with certain other uranium in situ recovery facilities which operate as a capture plant only, and rely on agreements with other producers for the finishing, drying and packaging of their yellowcake end-product). Additionally, a restoration circuit including an RO unit was installed during initial construction of Lost Creek to complete groundwater restoration once mining is complete.
We continue to make great strides in reducing water consumption. The first such achievement was the implementation of a Class V treatment system which became operational in early 2017. The system includes water treatment and injection of the clean water into a shallow formation where it can be accessed by future generations. Since implementation of the Class V system, the generation of wastewater during production has been reduced by 23 percent. To further reduce water consumption and enhance IX effectiveness, detailed design and engineering work is progressing for a filtration and wastewater treatment facility, together with procurement of equipment. Field construction will occur as appropriate as design work advances. The system, as envisioned, will allow for more effective use of current and future deep disposal wells working in conjunction with the Class V water recycling system while preserving precious water resources. Our goal is to reduce wastewater generation by at least 70 percent.
The elution circuit (the first step after IX) is utilized to transfer the uranium from the IX resin to elution tanks and concentrate the uranium to the point where it is ready for the next phase of processing. The resulting rich eluate is an aqueous solution containing uranyl carbonate, salt and sodium carbonate and/or sodium bicarbonate. The precipitation circuit follows the elution circuit and removes the carbonate from the concentrated uranium solution and combines the uranium with peroxide to create a yellowcake crystal slurry. Filtration and washing is the next step, in which the slurry is loaded into a filter press where excess contaminants such as chloride are removed and a large portion of the water is removed. The final stage occurs when the dewatered slurry is moved to a yellowcake dryer, which further reduces the moisture content, yielding the final dried, product. Refined, salable yellowcake is packaged in 55-gallon steel drums and transported by truck to the conversion facility.
The restoration circuit may be utilized in the production as well as the post-mining phases of the operation. The RO is utilized as a part of our Class V recycling circuit to minimize the wastewater stream generated during production. Once production is complete, the groundwater must be restored to its pre-mining class of use or better. The first step of restoration involves removing a small portion of the groundwater and disposing of it (commonly known as groundwater sweep). Following sweep, the groundwater is treated utilizing RO and re-injecting the clean water. Finally, the groundwater is homogenized and sampled to ensure the cleanup is complete, concluding the restoration process.
| 12 |
| Table of Contents |
Our Lost Creek processing plant was constructed beginning in 2012, with production operations commencing in August 2013. Following receipt of amendments to our source material license in 2021, the licensed capacity of our Lost Creek processing plant allows for up to 2.2 million pounds U3O8 per year, of which up to 1.2 million pounds U3O8 per year may be produced from our wellfields. The Lost Creek plant and the allocation of resources to mine units and resource areas were designed to generate approximately one million pounds of production per year at certain flow rates and uranium concentrations subject to regulatory and license conditions. The excess capacity in the design of the processing circuits of the plant is intended, first, to facilitate routine (and non-routine) maintenance on any particular circuit without hindering production operational schedules. The capacity was also designed to allow us to process uranium from other mineral projects in proximity to Lost Creek if circumstances warrant in the future (e.g., Shirley Basin Project) or, alternatively, to be able to contract to toll mill/process product from other uranium mine sites in the region. The design permits us to conduct either of these activities while Lost Creek is producing and processing uranium and/or in years following Lost Creek production from wellfields during final restoration activities.
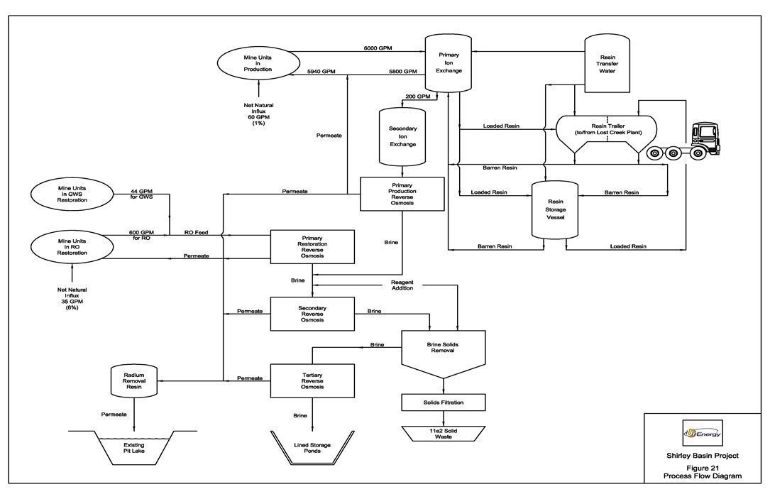
We currently expect that the Lost Creek processing facility will be utilized for the drying and packaging of uranium from Shirley Basin, for which we anticipate the need only for a satellite plant. However, the Shirley Basin license and permit allows for the construction of a full processing facility, providing greater construction and operating flexibility as may be dictated by market conditions.
Our Mineral Properties
Below is a map showing our Wyoming projects and the geologic basins in which they are located.
| 13 |
| Table of Contents |
Our current land portfolio in Wyoming includes 12 projects. Ten of these projects are in the Great Divide Basin (“GDB”), Wyoming, including our flagship project, Lost Creek Project. We control nearly 1,800 unpatented mining claims and three State of Wyoming mineral leases for a total of approximately 35,400 acres at our Lost Creek Property, including the Lost Creek permit area (the “Lost Creek Project” or “Lost Creek”) and certain adjoining projects which we refer to as LC East, LC West, LC North, LC South and EN project areas (collectively, with the Lost Creek Project, the “Lost Creek Property”). Five of the projects at the Lost Creek Property contain reported mineral resources: Lost Creek, LC East, LC West, LC South and LC North.
Our Wyoming properties together total approximately 48,000 acres and include our Shirley Basin Project. Other non-material exploration stage projects are located in the GDB and the Lucky Mc Project is in the Gas Hills Uranium District, Wyoming. The Lost Creek Property and the Shirley Basin Project are the only two mineral properties that we deem to be individually material.
Our mineral resources reported pursuant to S-K 1300 for our material properties Lost Creek Property and Shirley Basin Project are summarized here and discussed below at “Lost Creek ISR Uranium Property S-K 1300 Report” and “Shirley Basin ISR Uranium Project S-K 1300 Report.” Variable pricing for each, based upon projections of market analysts and industry experts, and assumptions for operations at each property, including sales contracts, are as shown, and set forth in the respective S-K 1300 Initial Assessments.
| Measured | Indicated | Inferred |
| ||||||
Project | Avg Grade % eU3O8 | Short Tons (X 1000) | Pounds (X 1000) | Avg Grade % eU3O8 | Short Tons (X 1000) | Pounds (X 1000) | Avg Grade % eU3O8 | Short Tons (X 1000) | Pounds (X 1000) | Assumed Pricing |
Wyoming Uranium Projects | ||||||||||
Lost Creek Property (after production)(7) | 0.049 | 8,537 | 8,446 | 0.044 | 4,803 | 4,236 | 0.043 | 7,085 | 6,119 | $55.00 to $87.20 |
Shirley Basin Project | 0.275 | 1,367 | 7,521 | 0.118 | 549 | 1,295 | - | - | - | $82.46 to $86.21
|
| MEASURED + INDICATED = | 15,256 | 21,498 | INFERRED = | 6,119 |
| ||||
Notes: (please also see notes related to each of the mineral resource summary tables below, for the Lost Creek Property and the Shirley Basin Project)
| 1. | Sum of Measured and Indicated tons and pounds may not add to the reported total due to rounding. |
| 2. | Table shows resources based on grade cutoff of 0.02 % eU3O8 and a grade x thickness cutoff of 0.20 GT. |
| 3. | Mineral processing tests have been conducted historically and by the Company and indicate that recovery should be at or about 80%, which is consistent with industry standards. Recovery at Lost Creek to date has exceeded the industry standard of 80%. |
| 4. | Measured, Indicated, and Inferred (where estimated) Mineral Resources as defined in S-K 1300. |
| 5. | Resources are reported through December 31, 2023. |
| 6. | All reported resources occur below the static water table at Lost Creek and below the historical, pre-mining static water table at Shirley Basin. |
| 7. | 2.838 million lbs. of U3O8 have been produced from the Lost Creek Project HJ Horizon as of December 31, 2023. |
| 8. | Mineral resources that are not mineral reserves do not have demonstrated economic viability. |
Mineralization at our uranium properties in Wyoming typically occurs at depth and does not outcrop. Therefore, investigation of the mineralization is accomplished by drilling and related sampling and logging procedures. We maintain standards to routinely calibrate our logging tools (and require similar standards of our logging contractors), as well as utilizing established quality control procedures for sample collection, and detailed logging of drill cuttings by Company geologists to gain an understanding of redox conditions within host sandstones. The security and controls over the preparation of samples and analytical procedures data is typical among U.S. uranium industry professionals. In turn, the controls inherent in the calculation of mineral resources once the data is obtained and analyzed are recognized professional standards, and our methods have routinely been assessed and verified by third party qualified professionals through the preparation of our technical reports.
| 14 |
| Table of Contents |
Lost Creek Property – Great Divide Basin, Wyoming
We acquired the Lost Creek Project area in 2005. Lost Creek is in the GDB, Wyoming. The permit area of the Lost Creek Project covers 4,254 acres (1,722 hectares), comprising 201 lode mining claims and one State of Wyoming mineral lease section. Regional access relies almost exclusively on existing public roads and highways. The local and regional transportation network consists of primary, secondary, local and unimproved roads. Direct access to Lost Creek is mainly on two crown-and-ditched gravel paved access roads to the processing plant. One road enters from the west from Sweetwater County Road 23N (Wamsutter-Crooks Gap Road); the other enters from the east off BLM controlled Sooner Road.
On a wider basis, from population centers, the Lost Creek property area is served by an Interstate Highway (Interstate 80), a US Highway (US 287), Wyoming state routes (SR 220 and 73 to Bairoil), local county roads, and BLM roads. The nearest airport to the Project is Casper-Natrona County International Airport located just north and west of Casper. Both Laramie and Rawlins have smaller regional airports.
The basic infrastructure (power, water, and transportation) necessary to support our ISR operation is located within reasonable proximity. Generally, the proximity of Lost Creek to paved roads is beneficial with respect to transportation of equipment, supplies, personnel and product to and from the property. Existing regional overhead electrical service is aligned in a north-to-south direction along the western boundary of the Lost Creek Project. An overhead power line, approximately two miles in length, was constructed to bring power from the existing Pacific Power line to the Lost Creek plant. Power drops have been made to the property and distributed to the plant, offices, wellfields, and other facilities. Additional power drops will be installed as we continue to expand the wellfield operations.
The Lost Creek Property is located as shown here:
| 15 |
| Table of Contents |
Production Operations
Following receipt of the final regulatory authorization in October 2012, we commenced construction at Lost Creek. Construction included the plant facility and office building, installation of all process equipment, installation of two access roads, additional power lines and drop lines, deep disposal wells, construction of two holding ponds, a multi-purpose warehouse facility, and drill shed building. In August 2013 we received operational approval from the NRC and commenced production operations. See also discussion of the operational methods used at Lost Creek, above, under “Business and Properties.”
All wells to support the originally planned 13 header houses (“HHs”) in Mine Unit 1 (“MU1”) have been completed and have operated, as have the first six HHs in Mine Unit 2 (“MU2”). The first three HHs in MU2 have been producing since 2018; two new HHs came online in 2023 and HH 2-6 came online in early 2024.
Beginning in 2020 Q3 we maintained reduced production operations at Lost Creek. In 2021-2022, we had nominal production at Lost Creek. In December 2022, a ramp-up decision was made to return Lost Creek to commercial level production operations. In 2023, we captured 103,487 pounds U3O8, and began drying and packaging yellowcake.
The production at Lost Creek, for the past three years, is set forth here:
| 2023 | 2022 | 2021 |
Pounds U3O8 Captured | 103,487 | 325 | 251 |
Lost Creek ISR Uranium Property S-K 1300 Report
An updated Initial Assessment Technical Report Summary on the Lost Creek ISR Uranium Property Sweetwater County, Wyoming, USA (the “Lost Creek Report”) is filed with this Annual Report and provides the mineral resource estimates and preliminary economic analysis in respect of the Lost Creek Property. The Lost Creek Report was prepared by WWC Engineering.
The Lost Creek Report reflects the updated mineral resource estimates, production operations, and operational and development costs to December 31, 2023. The Lost Creek Report supersedes and replaces the last Initial Assessment Technical Report Summary on the Lost Creek ISR Uranium Property Sweetwater County, Wyoming, USA (as amended September 19, 2022).
For the Lost Creek Report to accurately reflect existing mineral resources, all mineral resources produced through December 31, 2023 (2.838 million pounds) were subtracted from earlier totals of Measured Resources at Lost Creek where recovery has occurred to date.
The mineral resources at the Lost Creek Property reported in the Lost Creek Report are as follows:
| 16 |
| Table of Contents |
Lost Creek Property - Resource Summary (December 31, 2023)
| Measured | Indicated | Inferred | ||||||
Project | Avg Grade % eU3O8 | Short Tons (X 1000) | Pounds (X 1000) | Avg Grade % eU3O8 | Short Tons (X 1000) | Pounds (X 1000) | Avg Grade % eU3O8 | Short Tons (X 1000) | Pounds (X 1000) |
LOST CREEK | 0.049 | 10,032 | 9,819 | 0.046 | 2,699 | 2,503 | 0.045 | 2,834 | 2,527 |
Production through 12/31/2023 |
0.049 |
-2,896 |
-2,838 |
|
|
|
|
|
|
LC EAST | 0.052 | 1,401 | 1,465 | 0.042 | 1,883 | 1,568 | 0.042 | 2,954 | 2,481 |
LC NORTH | — | — | — | — | — | — | 0.045 | 644 | 581 |
LC SOUTH | — | — | — | 0.037 | 221 | 165 | 0.039 | 637 | 496 |
LC WEST | — | — | — | — | — | — | 0.109 | 16 | 34 |
EN | — | — | — | — | — | — | — | — | — |
GRAND TOTAL | 0.049 | 8,537 | 8,446 | 0.044 | 4,803 | 4,236 | 0.043 | 7,085 | 6,119 |
|
|
| MEASURED + INDICATED = | 13,340 | 12,682 |
|
|
| |
Notes:
| 1. | Sum of Measured and Indicated tons and pounds may not add to the reported total due to rounding. |
| 2. | % eU3O8 is a measure of gamma intensity from a decay product of uranium and is not a direct measurement of uranium. Numerous comparisons of eU3O8 and chemical assays of Lost Creek rock samples, as well as PFN logging, indicate that eU3O8 is a reasonable indicator of the chemical concentration of uranium. |
| 3. | Table shows resources based on grade cutoff of 0.02 % eU3O8 and a grade x thickness cutoff of 0.20 GT. |
| 4. | Mineral processing tests have been conducted historically and by the Company and indicate that recovery should be at or about 80%, which is consistent with industry standards. Recovery at Lost Creek to date has exceeded the industry standard of 80%. |
| 5. | Measured, Indicated, and Inferred Mineral Resources as defined in S-K 1300. |
| 6. | Resources are reported through December 31, 2023. |
| 7. | All reported resources occur below the static water table. |
| 8. | 2.838 million lbs. U3O8 have been produced from the Lost Creek Project HJ Horizon as of December 31, 2023. |
| 9. | Mineral resources that are not mineral reserves do not have demonstrated economic viability. |
| 10. | The point of reference for resources is in situ at the Property. |
Information shown in the table above may differ from the disclosure requirements of the Canadian Securities Administrators. See Cautionary Note to Investors Concerning Disclosure of Mineral Resources, above.
As discussed in the Lost Creek Report, the economic analysis upon which the mineral resources were evaluated assumes a variable price per pound U3O8 over the life of the Lost Creek Property. The pricing for anticipated sales in the report ranges from $55.00 to $87.20 per pound U3O8. The sale price for the produced uranium is based on existing and reasonably assumed sales commitments through 2030, and consensus pricing using an annual simple average of the projections of long-term pricing made by expert market analysts. We now have five sales agreements into which we may sell Lost Creek production.
The Lost Creek Property includes six contiguous Projects: Lost Creek Project, LC East Project, LC West Project, LC North Project, LC South Project and EN Project. The fully licensed and operating Lost Creek Project is considered the core project while the others are collectively referred to as the Adjoining Projects in the Lost Creek Report. The Adjoining Projects were acquired by the Company as exploration targets to provide resources supplemental to those recognized at the Lost Creek Project. Most were initially viewed as stand-alone projects but expanded over time such that, collectively, they represent a contiguous block of land along with the Lost Creek Project.
The Main Mineral Trend of the Lost Creek uranium deposit (the “MMT”) is located within the Lost Creek Project. The East Mineral Trend (or “EMT”) is a second mineral trend of significance, in addition to the MMT, identified by historic drilling on the lands forming LC East. Although geologically similar, it appears to be a separate, but closely related, trend from the MMT.
The Lost Creek Report mineral resource estimate includes drill data and analyses of approximately 4,412 historic and current holes and over 2.53 million feet of drilling at the Lost Creek Project alone. With the acquisition of the Lost Creek Project, we acquired logs and analyses representing approximately 360,000 feet of data. Since our acquisition of the project, approximately 3,849 holes and wells have been drilled at Lost Creek. This figure now includes development drilling through 2023. Additionally, drilling from the Adjoining Projects, both historical and our drill programs, is included in the mineral resource estimate. This represents ~2,400 additional drill holes (1.3 million feet).
| 17 |
| Table of Contents |
Regulatory Authorizations and Land Title of Lost Creek
Beginning in 2007, we completed all necessary applications and related processes to obtain the required permitting and licenses for the Lost Creek Project, of which the three most significant are a Source and Byproduct Materials License from the NRC (August 2011); a Plan of Operations with the BLM (Record of Decision (“ROD”))(October 2012); and a Permit and License to Mine from the WDEQ (October 2011)(“WDEQ Permit”). The WDEQ Permit includes the approval of MU1, as well as the Wildlife Management Plan, including a positive determination of the protective measures at the project for the greater sage-grouse species.
Potential risks to the accessibility of the estimated mineral resource at Lost Creek may include changes in the designation of the greater sage-grouse (sage grouse) as an endangered species by the USFWS because the Lost Creek Property lies within a sage grouse core area as defined by the State of Wyoming. (See discussion below under “Government Regulations, Protection of Endangered and Protected Species.”) The Company continues to work closely with the Wyoming Game and Fish Department (“WGFD”) and the BLM to mitigate impacts to the sage grouse.
The timing restrictions developed by the State preclude exploration drilling and other non-operational based activities which may disturb the sage grouse. The sage grouse timing restrictions relevant to ISR production and operational activities at Lost Creek are somewhat different because the State has recognized that mining projects within core areas must be allowed to operate year-round. While our sage grouse adaptive management plan includes certain calendar restrictions on drilling and construction activities, there are no calendar restrictions on production and operational activities in pre-approved disturbed areas within our permit to mine, and the limitations in the sage grouse management plan is not expected to affect our planned production profile.
Additional authorizations from federal, state and local agencies for the Lost Creek project include: WDEQ-Air Quality Division Air Quality Permit and WDEQ-Water Quality Division Class I Underground Injection Control (“UIC”) Permit. Following the plugging of one of our deep disposal wells in 2019, the UIC permit allows Lost Creek to operate up to four Class I injection wells to meet the anticipated disposal requirements for the life of the Lost Creek Project. The Environmental Protection Agency (“EPA”) issued an aquifer exemption for the Lost Creek project. The WDEQ’s separate approval of the aquifer reclassification is a part of the WDEQ Permit. We also received approval from the EPA and the Wyoming State Engineer’s Office for the construction and operation of two holding ponds at Lost Creek. Application has been made to the BLM for a right-of-way for use of portions of an existing regional road.
In 2014, applications for amendments to the Lost Creek license were submitted to federal regulatory agencies, NRC and BLM, for the development and mining of the LC East Project. The BLM issued its ROD authorizing the plan in 2019. The NRC participated in this review as a cooperating agency. In 2018, Wyoming assumed responsibility from the NRC for the regulation of radiation safety at uranium recovery facilities like Lost Creek. The Wyoming State Uranium Recovery Program (“URP”), a part of the WDEQ, oversees the licensing process for source material licenses as well as the operations of licensees in Wyoming. The URP has demonstrated that its integration into the overall WDEQ oversight of uranium recovery streamlines the process of licensing, offers greater consistency in authorizations and oversight, and results in reduced costs in the licensing phase. The URP issued a source material license for LC East in 2021. Also in 2021, we submitted our request for extension of our Lost Creek source material license. The license renewal is proceeding with URP on its technical review.
| 18 |
| Table of Contents |
A permit amendment requesting approval to mine at the LC East Project was also submitted to the WDEQ. Approval will include an aquifer exemption. The air quality permit for Lost Creek will be revised to account for additional surface disturbance. Certain of our earlier Sweetwater County approvals have been amended. Numerous well permits from the State Engineer’s Office will be required. It is anticipated that the remaining permit to mine amendment will be completed in 2024 H1.
During 2016, we received all authorizations for the operation of Underground Injection Control (UIC) Class V wells at Lost Creek, and operation of the circuit began in early 2017. This allows for the onsite reinjection of fresh permeate (i.e., clean water) into relatively shallow Class V wells. Site operators use the RO circuits, which were installed during initial construction of the plant, to treat process wastewater into brine and permeate streams. The brine stream continues to be disposed of in the UIC Class I deep wells while the clean permeate stream is injected into the UIC Class V wells after treatment for radium. These operational procedures have significantly enhanced wastewater capacity at the site, ultimately reducing the injection requirements of our Class I deep disposal wells and extending the life of those valuable assets.
Through our subsidiaries Lost Creek ISR, LLC and NFU Wyoming, we control the federal unpatented lode mining claims and State of Wyoming mineral leases which make up the Lost Creek Property. Title to the mining claims is subject to rights of pedis possessio against all third-party claimants so long as the claims are maintained. The mining claims do not have an expiration date. Affidavits have been timely filed with the BLM and recorded with the Sweetwater County Recorder attesting to the payment for the Lost Creek Property mining claims of annual maintenance fees to the BLM as established by law from time to time.
The state leases have a ten-year term, subject to renewal for successive ten-year terms. The surface of all the unpatented mining claims is controlled by the BLM, and we have the right to use as much of the surface as is necessary for exploration and mining of the claims, subject to compliance with all federal, state and local laws and regulations. Surface use on BLM lands is administered under federal regulations. Similarly, access to state-controlled land is largely inherent within a State of Wyoming mineral lease, with certain additional obligations to those holding surface rights on a lease-specific basis.
There are no royalties at the Lost Creek Project, except on the State of Wyoming mineral lease as provided by law. Currently, there is only limited production planned from the state lease. There is a production royalty of one percent on certain claims of the LC East Project, and other royalties on certain claims at the LC South and EN Projects, as well as the other State of Wyoming mineral leases (LC West and EN projects).
Together with the Lost Creek Project, Five Adjoining Projects Form the Lost Creek Property
The LC East Project (5,750 acres) was added to the Lost Creek Property in 2011-2012. We located additional unpatented lode mining claims in 2014. Our LC East Project, as discussed elsewhere in this annual report, now has a source material license and awaits only the WDEQ permit to mine before all major authorizations are in hand to recover uranium at the project. The Lost Creek Report recommends that we continue to progress all remaining permit amendments to allow for future uranium recovery.
The LC West Project (3,840 acres) was also added to the Lost Creek Property in 2011-2012. The land position here includes one State of Wyoming mineral lease, in addition to the unpatented lode mining claims. We possess data related to historical exploration programs of earlier operators.
The LC North Project (6,260 acres) is located to the north and to the west of the Lost Creek Project. Historical wide-spaced exploration drilling on this project consisted of 175 drill holes. We have conducted two drilling programs at the project. We may conduct exploration drilling at LC North to pursue the potential of an extension of the MMT of the Lost Creek Project.
| 19 |
| Table of Contents |
The map below shows the Lost Creek Property, including the Adjoining Projects.
The LC South Project (10,200 acres) is located to the south and southeast of the Lost Creek Project. Historical drilling on the LC South Project consisted of 488 drill holes. In 2010, we drilled 159 exploration holes (total, 101,270 feet) which confirmed numerous individual roll front systems occurring within several stratigraphic horizons correlative to mineralized horizons in the Lost Creek Project. Also, a series of wide-spaced drill holes were part of this exploration program which identified deep oxidation (alteration) that represents the potential for several additional roll front horizons.
The EN Project (5,160 acres) is adjacent to and east of LC South, including unpatented lode mining claims and one State of Wyoming mineral lease. We have over 50 historical drill logs from the EN project. Some minimal, deep, exploration drilling has been conducted at the project. No mineral resource is yet reported due to the limited nature of the data.
History and Geology of the Lost Creek Property
Uranium was discovered in the Great Divide Basin, where Lost Creek is located, in 1936. Exploration activity increased in Wyoming in the early 1950s after the Gas Hills District discoveries, and continued to increase in the 1960s, with the discovery of numerous additional occurrences of uranium. Wolf Land and Exploration (which later became Inexco), Climax (Amax) and Conoco Minerals were the earliest operators in the Lost Creek area and made the initial discoveries of low-grade uranium mineralization in 1968. Kerr-McGee, Humble Oil, and Valley Development, Inc. were also active in the area. Drilling within the current Lost Creek Project area from 1966 to 1976 consisted of approximately 115 wide-spaced exploration holes by several companies including Conoco, Climax (Amax), and Inexco.
| 20 |
| Table of Contents |
Texasgulf acquired the western half of what is now the Lost Creek Project in 1976 through a joint venture with Climax and identified what is now referred to as the MMT. In 1978, Texasgulf optioned into a 50 percent interest in the adjoining Conoco ground to the east and continued drilling, fully identifying the MMT eastward to the current Project boundary; Texasgulf drilled approximately 412 exploration holes within what is now the Lost Creek Project. During this period Minerals Exploration Company (a subsidiary of Union Oil Company of California) drilled approximately eight exploration holes in what is currently the western portion of the Lost Creek Project. Texasgulf dropped the project in 1983 due to declining market conditions. The ground was subsequently picked up by Cherokee Exploration, Inc. which conducted no field activities.
In 1987, Power Nuclear Corporation (also known as PNC Exploration) acquired 100% interest in the project from Cherokee Exploration, Inc. PNC Exploration conducted a limited exploration program and geologic investigation, as well as an evaluation of previous in situ leach testing by Texasgulf. PNC Exploration drilled a total of 36 holes within the current Project area.
In 2000, New Frontiers Uranium, LLC acquired the property and database from PNC Exploration, but conducted no drilling or geologic studies. New Frontiers Uranium, LLC later transferred the Lost Creek Project-area property along with its other Wyoming properties to its successor NFU Wyoming. In 2005, Ur‑Energy USA purchased 100% ownership of NFU Wyoming.
The Lost Creek Property is situated in the northeastern part of the GDB which is underlain by up to 25,000 ft. of Paleozoic to Quaternary sediments. The GDB lies within a unique divergence of the Continental Divide and is bounded by structural uplifts or fault displaced Precambrian rocks, resulting in internal drainage and an independent hydrogeologic system. The surficial geology in the GDB is dominated by the Battle Spring Formation of Eocene age. The dominant lithology in the Battle Spring Formation is coarse arkosic sandstone, interbedded with intermittent mudstone, claystone and siltstone. Deposition occurred as alluvial-fluvial fan deposits within a south-southwest flowing paleodrainage. The sedimentary source is considered to be the Granite Mountains, approximately 30 miles to the north. Maximum thickness of the Battle Spring Formation sediments within the GDB is 6,000 ft.
Uranium mineralization identified throughout the property occurs as roll front type deposits, typical in most respects of those observed in other Tertiary Basins in Wyoming. Uranium deposits in the GDB are found principally in the Battle Spring Formation, which hosts the Lost Creek Property deposit. Lithology within the Lost Creek deposit consists of approximately 60% to 80% poorly consolidated, medium to coarse arkosic sands up to 50 ft. thick, and 20% to 40% interbedded mudstone, siltstone, claystone and fine sandstone, each generally less than 25 ft. thick. This lithological assemblage remains consistent throughout the entire vertical section of interest in the Battle Spring Formation.
Outcrop at Lost Creek is exclusively that of the Battle Spring Formation. Due to the soft nature of the formation, the Battle Spring Formation occurs largely as sub-crop beneath the soil. The alluvial fan origin of the formation yields a complex stratigraphic regime which has been subdivided throughout Lost Creek into several thick horizons dominated by sands, with intervening named mudstones. Lost Creek is currently licensed and permitted to produce from the HJ horizon. The LC East license amendments include authorizations to recover uranium from the HJ and KM horizons, while the amendment to the Lost Creek Project will allow expansion of recovery into additional HJ horizon resource areas.
| 21 |
| Table of Contents |
Shirley Basin Mine Site (Shirley Basin, Wyoming)
As a result of the Pathfinder acquisition, we now own the Shirley Basin Project, from which Pathfinder and its predecessors historically produced more than 28 million pounds of U3O8, primarily from the 1960s until the early 1990s. Pathfinder’s predecessors included COGEMA, Lucky Mc Uranium Corporation, and Utah Construction/Utah International. Shirley Basin conventional mine operations were suspended in the 1990s due to low uranium pricing, and facility reclamation was substantially completed. After the cessation of open pit uranium mining operations at Shirley Basin in 1992, two historical resource areas on the project were identified as potentially suitable for ISR mining. These two areas are the FAB Resource Area or FAB Trend and Area 5.
We control approximately 3,536 acres of property interests in the general area of the project which is located in central southeast Wyoming, approximately 40 miles south of Casper. The project is accessed by travelling west from Casper, on Highway 220. After travelling 18 miles, turn south on Highway 487 and travel an additional 35 miles; the entrance to the Shirley Basin Project is to the east. The project is in an unpopulated area located in the northeastern portion of Carbon County, Wyoming. It is centered at approximately 42 degrees, 22 minutes north latitude and 106 degrees, 11 minutes west longitude, in T28N, R78W, within the 6th principal meridian.
The nearest airport to the project is Casper-Natrona County International Airport located just north and west of Casper, Wyoming. Both Laramie and Rawlins have smaller regional airports. The BNSF Railroad runs through Casper, and the Union Pacific railroad runs through Medicine Bow.
Site infrastructure is excellent. A road which traverses the project and provides access from the south will be upgraded. Several support facilities remain from the historical operations, including a modular field office building and a large, heated wash and lubrication bay which is currently used for storage and equipment maintenance. A regional power transmission line (69 kV) passes through the northern portions of the project. An existing energized power line leads to a substation near the field office, and from there a currently inactive powerline (power poles only) extends to the FAB Trend. The substation is currently scheduled to be upgraded prior to the start of operations. A licensed active waste disposal site for 11e.(2) byproduct material is currently operating adjacent to the fully reclaimed tailings complex.
| 22 |
| Table of Contents |
Water supply needs have been limited to drilling water and incidental use. Drilling needs have been supplied by one water well capable of producing over 25 gallons per minute (gpm). Several backup water wells are also present. Although none of the backup wells has been utilized to date, we have recently permitted one well (capable of production at approximately 50 gpm) to repurpose it temporarily for additional supply needs. The existing water wells can provide sufficient supply for domestic and other potential operational requirements. Additional new and appropriately sited water source wells may be considered for future needs. Water impounded in the reclaimed mine pits is suitable for use in drilling and other non-potable uses would be available pending construction of approach ramps.
Within the project, the now permitted area (2,605 acres) consists of 1,770 acres of locatable mineral lands that we control, and which will allow us to recover uranium from both the FAB and Area 5 Resource Areas. This total consists of 1,330 acres of U.S. lode mining patents (nine patents), 370 acres of federal unpatented lode mining claims (29 claims), and 70 acres (two tracts) of fee minerals. Together with these mineral rights, we control 280 acres of additional surface access rights necessary to develop the project.
As with the Lost Creek mining claims, title to the unpatented mining claims at Shirley Basin is subject to rights of pedis possessio against all third-party claimants as long as the claims are maintained. The mining claims do not have an expiration date. Affidavits have been timely filed with the BLM and recorded with the Carbon County Clerk attesting to the payment for the mining claims of annual maintenance fees to the BLM as established by law from time to time. The surface of all the unpatented mining claims is controlled by the BLM, and we have the right to use as much of the surface as is necessary for exploration and mining of the claims, subject to compliance with all federal, state and local laws and regulations. Surface use on BLM lands is administered under federal regulations.
| 23 |
| Table of Contents |
There are no production royalties at the FAB Resource Area. Within Area 5, approximately 202 acres are subject to a formulaic royalty interest which totals approximately 0.5%. On two other tracts at Area 5 (30 acres in the southern portion and 40 acres in the southeastern portion), uranium and associated minerals are subject to different formulaic royalties which are approximately 1%. Currently, there is no known mineral resource on these 70 acres. A 0.5% royalty was included for the resources in Area 5. Additionally, certain use fees are in place on some lands in Area 5, based upon an annual disturbance-level calculation.
All major authorizations, permits and licenses for the project have been received. Additional minor permits/authorizations will be required before operations begin; each of the remaining authorizations is routine and may commonly be obtained in days or weeks.
Shirley Basin ISR Uranium Project S-K 1300 Report
An updated Initial Assessment Technical Report Summary on the Shirley Basin ISR Uranium Project Carbon County, Wyoming USA (the “Shirley Basin Report”) is filed with this Annual Report and provides the mineral resource estimates and preliminary economic analysis in respect of the Shirley Basin Project. The Shirley Basin Report was prepared by WWC Engineering.
The Shirley Basin Report reflects updated detailed planning of wellfields, construction plans and operational and development costs to December 31, 2023. The Shirley Basin Report supersedes and replaces the last Initial Assessment Technical Report Summary on the Shirley Basin Project ISR Uranium Project Carbon County, Wyoming USA (as amended September 19, 2022).
Mineral resources at the Shirley Basin Project at December 31, 2023 are unchanged from December 31, 2021 and are as follows:
Shirley Basin Project - Resource Summary (December 31, 2023)
RESOURCE
AREA | MEASURED
| INDICATED
| ||||
AVG GRADE % eU3O8 | SHORT TONS (X 1000) | POUNDS U3O8 (X 1000)
| AVG GRADE % eU3O8 | SHORT TONS (X 1000) | POUNDS U3O8 (X 1000)
| |
FAB TREND | 0.280 |
| 6,574 | 0.119 | 456 | 1,081 |
AREA 5 | 0.243 | 195 | 947 | 0.115 | 93 | 214 |
TOTAL | 0.275 | 1,367 | 7,521 | 0.118 | 549 | 1,295 |
| ||||||
MEASURED & INDICATED | 0.230 | 1,915 | 8,816 | |||
Notes:
| 1. | Sum of Measured and Indicated tons and pounds may not add to the reported total due to rounding. |
| 2. | Based on grade cutoff of 0.020 % eU3O8 and a grade x thickness (GT) cutoff of 0.25 GT. |
| 3. | Mineral processing tests have been conducted historically and by the Company and indicate that recovery should be at or about 80%, which is consistent with industry standards. |
| 4. | Measured and Indicated mineral resources as defined in S-K 1300. |
| 5. | All reported resources occur below the historical, pre-mining static water table. |
| 6. | Average grades are calculated as weighted averages. |
| 7. | Mineral resources that are not mineral reserves do not have demonstrated economic viability. |
| 8. | The point of reference for resources is in situ at the project. |
| 24 |
| Table of Contents |
Information shown in the table above may differ from the disclosure requirements of the Canadian Securities Administrators. See Cautionary Note to Investors Concerning Disclosure of Mineral Resources, above.
The Shirley Basin mineral resource estimate includes drill data and analyses of approximately 3,200 holes and nearly 1.2 million feet of historic drilling at the Shirley Basin Project. In 2014, we drilled 14 confirmation holes representing approximately 6,600 feet which were included in the mineral resource estimate. Because of the density of the historical drill programs, estimates are made entirely in Measured and Indicated categories of resources. There is no Inferred resource category included in the estimate for Shirley Basin. Studies we conducted in 2014, and studies by Pathfinder in the late 1990s, indicate that this mineralization is amenable to ISR extraction. There is no change in the mineral resources estimated in the Shirley Basin Report, as we have neither conducted additional drilling, nor begun production operations.
The economic analysis upon which the mineral resources were evaluated assumes a variable price per pound for U3O8 over the life of the Shirley Basin Project, as discussed in the Shirley Basin Report. The projected pricing for anticipated sales ranges from $82.46 to $86.21 per pound U3O8. The sale price for the produced uranium is assumed to vary based on a calculation of a simple average of (a) the annual average of the projections by three independent expert market analysts and (b) industry-recognized independent market consultant UxC, LLC in its Q4 2023 Market Outlook (Mid Price Scenario Projection from 2023 to 2040). At this time, we have no sales agreements related specifically to production at Shirley Basin.
Additional Shirley Basin History and Geology
The Shirley Basin Project lies in the northern half of the historic Shirley Basin uranium mining district (the “District”), which is the second most prolific uranium mining district in Wyoming. Earliest discoveries were made in 1954 by Teton Exploration. This was followed by an extensive claim staking and drilling rush by several companies in 1957. Several important discoveries were made, and the first mining was started in 1959 by Utah Construction Corp. (predecessor to Pathfinder). Underground mining methods were initially employed but encountered severe groundwater inflow problems, so in 1963 Utah Construction switched to solution mining methods. This was the first commercially successful application of in situ solution mining recovery (ISR) for uranium in the U.S. In 1968 market and production needs caused Utah Construction to move to open-pit mining and a conventional mill. All production within the District after 1968 was by open-pit methods.
As described, several companies operated uranium mines within the District, however three companies were dominant. Utah Construction/Pathfinder’s efforts were focused on the northern portion of the District, while Getty was largely in the central portion, and Kerr-McGee was in the southern portion. The last mining in the District concluded in 1992 when Pathfinder shut down production due to market conditions. Total production from the Shirley Basin District was 51.3 million pounds of U3O8, of which 28.3 million pounds U3O8 came from the Utah Construction/Pathfinder operations. The uranium resources which we are planning to produce through ISR represent unmined extensions of mineral trends addressed in past open-pit mines. These extensions were targeted for recovery years ago but were not developed prior to the end of operations in 1992.
The District lies in the north-central portions of the Shirley Basin geologic province, which is one of several inter-montane basins in Wyoming created 35-70 million years ago (mya) during the Laramide mountain building event. The Basin is floored by folded sedimentary formations of Cretaceous age (35-145 mya). In the northern half of the District the Cretaceous units were later covered by stream sediments of the Wind River Formation of Eocene age (34-56 mya) which filled paleo-drainages cut into a paleo-topographic surface. The Wind River Formation was subsequently covered by younger volcanic ash-choked stream sediments of the White River and Arikaree Formations of Oligocene age (23-34 mya) and Miocene age (5-23 mya), respectively. Uranium occurs as roll front type deposits along the edge of large regional alteration systems within sandstone units of the Wind River Formation. The source of the uranium is considered to be the volcanic ash content within the overlying White River Formation and also granitic content within the Wind River Formation itself.
| 25 |
| Table of Contents |
In the project area, the primary hosts for uranium mineralization are arkosic sandstones of the Eocene-age Wind River Formation. The White River Formation unconformably overlies the Wind River Formation and outcrops on the surface throughout most of the project, with thicknesses ranging from a thin veneer in the FAB Resource Area to over 250 ft. in Area 5. The Wind River sediments in the project area were deposited as part of a large fluvial depositional system. The lithology of the Wind River Formation is characterized by thick, medium to coarse-grained, arkosic sandstones separated by thick claystone units. Sandstones and claystones are typically 20 - 75 ft. thick. Minor thin lignite and very carbonaceous shale beds occur locally. These fluvial sediments are located within a large northwest-trending paleochannel system with a gentle 1° dip to the north (Bailey and Gregory, 2011). The average thickness of the Wind River Formation within the project is approximately 230 ft. The Main and Lower Sands of the Wind River Formation are the primary hosts to mineralization which we are currently targeting for ISR development.
The Lower Sand represents the basal sand unit of the Wind River Formation and in places lies directly above the underlying Cretaceous formations. The Main Sand typically lies approximately 15 - 25 ft. above the Lower Sand. Locally, the two sands merge where the intervening claystone unit is absent. Typical thickness of the Lower Sand ranges from 25 - 50 ft. and that of the Main Sand from 40 - 75 ft. Less dominant sands are common within the Wind River Formation. One in particular has been referred to as the Upper Sand and is present within much of the FAB Trend, lying approximately 25 ft. above the Main Sand. Claystone units are normally at least 10 ft. thick and commonly are 20 - 50 ft. thick.
Summary Information Concerning Additional Non-Material Exploration Stage Projects
In addition to the Lost Creek Property and Shirley Basin Project, the Company controls mineral properties for six additional projects in the GDB (four) and the Gas Hills Uranium District (one) in Wyoming and in Mineral County, Nevada (one, proximate to the Camp Douglas and Candelaria Mining Districts).
Each of the following described uranium exploration stage projects is 100% owned and controlled by our exploration and land holding company, NFU Wyoming, except the Lucky Mc project which is held by Pathfinder. Mineral resource estimations for the following projects pursuant to S-K 1300 have not been completed. Each of the uranium projects contains roll-front style uranium mineralization and appear to be amenable to ISR, pending further exploration and analysis at each. We have historical data on each of the properties, as well as drill data and/or other exploration data from our exploration work at several of the projects. Future exploration activities for the Wyoming uranium projects are anticipated to be further drilling, which would proceed pursuant to drilling notices obtained from the WDEQ and BLM. There is no ongoing production at any of these mineral projects. Because of the persistent downturn in the uranium market in recent years, we maintained our focus on operations at Lost Creek and the permitting process and development of Shirley Basin, while deferring costs of exploration at other projects. As we ramp-up our production operations at Lost Creek, our financial priorities will remain with Lost Creek.
The map below provides the location of each of the additional projects in the GDB, Wyoming, including their proximity to the Lost Creek Property.
| 26 |
| Table of Contents |
Arrow Project is an exploration stage uranium project (10 unpatented lode mining claims; approximately 190 acres) located in Sections 30-31, T26N, R94W (Sweetwater County, Wyoming).
Lost Soldier is an exploration stage uranium project located in Sweetwater County, Wyoming on 105 unpatented lode mining claims. Located in Sections 5-8 and 17-18, T26N, R90W and Sections 1 and 11-14, T26N, R91W, the project covers approximately 1,960 acres.
North Hadsell Project is an exploration stage uranium project, comprising 203 unpatented lode mining claims located in Sections 3-5 and 8-10, T26N, Range 91W (Sweetwater County) and Sections 31-34, T 27N, R91W and Sections 21-23, 25-28, 33-34 and 36 T27N, R92W (Fremont County) in Wyoming. The project controls approximately 3,970 acres.
RS Project is an exploration stage uranium project of 54 unpatented lode mining claims totaling an area of approximately 920 acres, located in Sections 6 and 7, T27N, R92W and Sections 1 and 2, T27N, R93W.
Our Lucky Mc Project is in the Gas Hills Uranium District, Fremont County, Wyoming. An historic mine site, Pathfinder holds 100% mineral interests at the project through three mineral patents (totaling approximately 970 acres) located in Sections 2 and 3, T32N, R90W, and Sections 21, 22-27 and 35, T33N, R90W; two State of Wyoming mineral leases (together, approximately 410 acres) located in Section 36, T33N, R90W, Section 1, T32N, R91W; and Sections 6 and 7, T32N, R90W; and two unpatented lode mining claims (together, approximately 40 acres) located in Section 6, T32N, R90W and Section 1, T32N, R91W. In 2021, the historic permit to mine was terminated and related reclamation bond and obligations released. Further exploration or development would be accomplished through drill notices and routine permitting and licensing through the WDEQ and/or BLM.
| 27 |
| Table of Contents |
Our exploration stage gold project, the Excel Project, is in west-central Nevada, and comprises 93 unpatented lode mining claims (~1,900 acres) in Sections 9, 10, 20-22, 26-29, T5N, R34E. The Excel Project is 100% held by NFU Wyoming. The project is located within the Excelsior Mountains, in Mineral County, Nevada. We have historical geologic data, as well as data obtained through early-stage field programs including rock sampling, geochemical soil sampling and drill programs, together with geophysical studies. Further drilling would require additional notice-level permits or plan of operations obtained from the BLM.
Competition and Mineral Prices
The uranium industry is highly competitive, and our competition includes larger, more established companies with longer operating histories that not only explore for and produce uranium, but also market uranium and other products on a regional, national or worldwide basis. On a global basis, this competition also includes a significant number of state-owned or sponsored entities. Because of the greater financial resources of these companies, competitive bid processes on off-take sales agreements remain difficult. Beyond that, in the U.S., the competitive bid process for other contracts and opportunities is and will be challenging; this competition extends to the further acquisition and development of properties. Additionally, these larger (or state-owned) companies have greater resources to continue with their operations during periods of depressed market conditions.
Unlike other commodities, uranium does not trade on an open market. Contracts are negotiated privately by buyers and sellers. Since 2022, we have secured new term agreements for sales of uranium at fixed pricing and other set delivery terms. Our agreements call for deliveries which began in 2023 and continue through 2030. Under the agreements, base quantity deliveries between 550,000 and 1,100,000 pounds U3O8 annually begin in 2024 and total approximately 5.6 million pounds U3O8 between 2024 and 2030.
Uranium prices are published by two of the leading industry-recognized independent market consultants, UxC, LLC and TradeTech, LLC, who publish on their respective websites. The following information reflects an average of the per pound prices published by these two consulting groups for the end of the periods indicated:
| 28 |
| Table of Contents |
End of Year: |
| 2018 |
|
| 2019 |
|
| 2020 |
|
| 2021 |
|
| 2022 |
|
| 2023 |
| ||||||
Spot price (US$) |
| $ | 27.75 |
|
| $ | 24.93 |
|
| $ | 30.20 |
|
| $ | 42.05 |
|
| $ | 47.68 |
|
| $ | 91.00 |
|
LT price (US$) |
| $ | 32.00 |
|
| $ | 32.50 |
|
| $ | 35.00 |
|
| $ | 42.75 |
|
| $ | 52.00 |
|
| $ | 68.00 |
|
End of Month: |
| 09/30/23 |
|
| 10/31/23 |
|
| 11/30/23 |
|
| 12/31/23 |
|
| 01/31/24 |
|
| 02/29/24 |
| ||||||
Spot price (US$) |
| $ | 71.58 |
|
| $ | 74.38 |
|
| $ | 81.25 |
|
| $ | 91.00 |
|
| $ | 100.25 |
|
| $ | 95.00 |
|
LT price (US$) |
| $ | 61.50 |
|
| $ | 64.00 |
|
| $ | 66.00 |
|
| $ | 68.00 |
|
| $ | 72.00 |
|
| $ | 75.00 |
|
The long-term price as defined by UxC, LLC includes conditions for escalation (from current quarter) delivery timeframe (≥ 36 months), and quantity flexibility (up to ±10%) considerations.
Strong competition in the uranium industry is also felt in the pursuit of qualified personnel and contractors, drill companies and equipment, and other equipment and materials. As the industry is revitalized through changes in market pricing and other fundamental changes in the uranium market, this type of competition for expertise, staffing and equipment is anticipated to become more significant. Additionally, in Wyoming, inter-industry competition for qualified labor will become more challenging if oilfield and renewable energy projects maintain or increase staffing levels.
Government Regulations
As set forth above, our operations at Lost Creek and our other projects in Wyoming and other locations where exploration, development and operations are taking place, are subject to extensive laws and regulations which are overseen and enforced by multiple federal, state and local authorities. These laws and regulations govern exploration, development, production, various taxes, labor standards, occupational health and safety including radiation safety, waste disposal, underground source of drinking water, protection and remediation of the environment, protection of endangered and protected species, toxic and hazardous substances and other matters. Uranium minerals exploration is also subject to risks and liabilities associated with pollution of the environment and disposal of waste products occurring as a result of mineral exploration and production.
Compliance with these laws and regulations imposes substantial costs on us and may subject us to significant potential liabilities or impacts to operations or project development. Changes in these regulations could require us to expend significant resources to comply with new laws or regulations or changes to current requirements and could have a material adverse effect on our business operations. Compliance with all current regulations, including but not limited to the environmental and safety regulatory schemes, is an integral part of our day-to-day business, management and staff commitment and expenditures. The costs attendant to compliance are understood and routinely budgeted and are generally comparable to those of other U.S. uranium companies and other natural resources companies in the U.S. and Canada. It should be noted that environmental protections and regulatory oversight thereof vary significantly outside North America, particularly in Kazakhstan and Russia, where state-owned enterprises operate with only limited regulatory oversight related to environmental and worker safety.
Mineral exploration and development activities, as well as our uranium recovery operations, are subject to comprehensive regulation which may cause substantial delays, restrictions or require capital outlays in excess of those anticipated, causing an adverse effect on our business operations. Mineral exploration operations are also subject to federal and state laws and regulations which seek to maintain health and safety standards. Various permits from government bodies are required for drilling operations to be conducted; no assurance can be given that such permits will be received. Environmental standards imposed by federal and state authorities may be changed and any such changes may have material adverse effects on our activities. Mineral recovery operations are subject to federal and state laws relating to the protection of the environment, including laws regulating removal of natural resources from the ground and the discharge of materials into the environment. The posting of a performance bond and the costs associated with our permitting and licensing activities requires a substantial budget and ongoing cash commitments. In addition to pursuing ongoing permitting and licensure for new projects and additions to our existing Lost Creek Project, these expenditures include ongoing monitoring (e.g., wildlife, groundwater and effluent monitoring) and other activities to ensure regulatory and legal compliance, as well as compliance with our permits and licenses. Costs for these activities may increase and we may be required to increase compliance activities in the future, which might further affect our ability to expand or maintain our operations.
| 29 |
| Table of Contents |
Our mineral projects are subject to the General Mining Law, as amended, and myriad related regulatory programs. Over several decades, numerous attempts have been made to amend the General Mining Law which authorizes and governs mining on federal lands. Various recent proposals have included the addition of royalty payments, changes to tribal consultation, addition of a reclamation fee, addition of a tax on displaced material and other actions which may have a material impact on in situ mining operations on federal lands. Each attempt to significantly amend the General Mining Law has failed. We anticipate attempts to amend the law will recur.
The Lost Creek Project, which is primarily on federal lands, operates under a Plan of Operations approved by the BLM as prescribed by law. The Shirley Basin Project also has an approved Plan of Operations because a portion of the project is on federal lands. Previous draft amendments to the General Mining Law included provisions ‘grandfathering’ existing permitted operations from certain new restrictions, taxes, or fees, but it is unknown if future proposals will contain similar exceptions.
Environmental Regulations
As set forth above, our mineral projects are the subject of extensive environmental regulation at federal and state levels. Exploration, development and production activities are subject to certain environmental regulations which may prevent or delay the commencement or continuance of our operations. The National Environmental Protection Act (“NEPA”) affects our operations as it requires federal agencies to consider the significant environmental consequences of their proposed programs and actions and inform the public about their decision making. The required process of NEPA may take many months or even years to complete.
While the NEPA regulations were extensively revised and modernized in 2020 (the “2020 Rules”) in generally positive and pragmatic ways, they have been the subject of several legal challenges as well as new, phased amendment to the 2020 Rules. The intent of the phased revisions is to generally restore regulatory provisions that were in effect prior to the 2020 Rules. The Council on Environmental Quality (“CEQ”) has a Phase 1 Final Rule which finalized a narrow set of changes. In 2023, CEQ announced a Phase 2 Notice of Proposed Rulemaking to, among other things, implement the amendments included in the Fiscal Responsibility Act of 2023. The phased process continues. Currently, we are not pursuing federal permits or licenses which are subject to NEPA.
In general, our exploration and production activities are subject to certain federal and state laws and regulations relating to environmental quality and pollution control. Such laws and regulations increase the costs of these activities substantially and may prevent or delay the commencement or continuance of a given operation. Because compliance with current laws and regulations is an integral part of our industry and business it has not had a materially adverse effect on our operations or financial condition to date in relation to our U.S. peers. Specifically, we are subject to legislation and regulations regarding radiation safety, emissions into the environment, water discharges, and storage and disposition of hazardous wastes. In addition, the law requires well and facility sites to be abandoned and reclaimed to the satisfaction of state and federal authorities.
| 30 |
| Table of Contents |
Protection of Endangered and Protected Species
Our sites are subject to federal laws and regulations with respect to the protection of endangered and protected species, including the Endangered Species Act (ESA). Notably, potential changes in the designation of the greater sage-grouse (sage grouse) as an endangered species by the USFWS are monitored closely because the Lost Creek Property lies within a sage grouse core area as defined by the State of Wyoming. In 2015, the USFWS issued its finding that the greater sage grouse does not warrant protection under the ESA. The USFWS reached this determination after evaluating the species’ population status, along with the collective efforts by the BLM and U.S. Forest Service, state agencies, private landowners and other partners to conserve its habitat.
After a thorough analysis of the best available scientific information and considering ongoing key conservation efforts and their projected benefits, the USFWS determined the species does not face the risk of extinction in the foreseeable future and therefore does not need protection under the ESA. Should future decisions vary, or state or federal agencies alter their management of the species, there could potentially be an impact on future expansion operations. However, the Company continues to work closely with the Wyoming Game and Fish Department (“WGFD”) and the BLM to mitigate impacts to the sage grouse. Long-term monitoring of sage grouse populations has shown that the “affected” populations at Lost Creek are on a parallel trend with “reference” populations located beyond the potential influence of the project. Trends vary considerably based on a variety of environmental factors including, most importantly, annual moisture.
The State of Wyoming has developed a “core-area strategy” to help protect the sage grouse within certain core areas of the state. The Lost Creek Property is within a designated core area and is thus subject to work activity calendar restrictions pursuant to the core-area strategy. The timing restriction precludes exploration drilling and other non-operational based activities which may disturb the sage grouse. The sage grouse timing restrictions relevant to ISR production and operational activities at Lost Creek are somewhat different because the State has recognized that mining projects within core areas must be allowed to operate year-round. While our recently approved sage grouse adaptive management plan includes certain calendar restrictions on drilling and construction activities, there are no calendar restrictions on production and operational activities in pre-approved disturbed areas within our permit to mine, and the limitations in the sage grouse management plan will not affect our planned production profile.
The BLM also prepared and issued environmental impact statements for, and issued amendments to, Resource Management Plans (“RMPs”), related to the sage grouse, which have been amended from time to time.
Other assessments of wildlife and plant life are periodically made by federal regulators.
State of Wyoming
As discussed elsewhere in this annual report, we are regulated by multiple divisions of the State of Wyoming Department of Environmental Quality (LQD, WQD, AQD and URP), the State Engineer’s Office and other State agencies. As a state program with delegated authority of the NRC, the URP will adopt future regulations and rulemakings of the NRC on a time-to-time basis. In 2019 NRC staff made recommendations to the NRC Commissioners that regulations for in situ recovery operations should be developed. NRC staff, in close consultation with agreement state programs, worked to draft a rulemaking. No recent advances have been made. It is unknown whether or when the NRC may return to the rulemaking.
| 31 |
| Table of Contents |
Waste Disposal
The Resource Conservation and Recovery Act (“RCRA”), and comparable state statutes, affect minerals exploration and production activities by imposing regulations on the generation, transportation, treatment, storage, disposal and cleanup of hazardous wastes and on the disposal of non-hazardous wastes. Under the auspices of the U.S. Environmental Protection Agency (the “EPA”), the individual states administer some or all the provisions of RCRA, sometimes in conjunction with their own, more stringent requirements.
Underground Injection Control ("UIC") Permits
The federal Safe Drinking Water Act (“SDWA”) creates a nationwide regulatory program protecting groundwater. This act is administered by the EPA. However, to avoid the burden of dual federal and state regulation, the SDWA allows for the UIC permits issued by states to satisfy the UIC permit required under the SDWA under two conditions. First, the state's program must have been granted primacy, as is the case in Wyoming. Second, the EPA has continuing authority to review and determine whether requested aquifer exemptions are approved. The EPA may delay or decline to process the state's application if the EPA questions the state's jurisdiction over the mine site. From time to time, EPA has promulgated rulemaking processes to expand and/or clarify its jurisdiction and the rules under which the UIC and other programs operate; while no such rulemaking is currently in process, there may be additional such rulemakings at any time.
CERCLA
The federal Comprehensive Environmental Response, Compensation and Liability Act ("CERCLA") imposes joint and several liability for costs of investigation and remediation and for natural resource damages, without regard to fault or the legality of the original conduct, on certain classes of persons with respect to the release into the environment of substances designated under CERCLA as hazardous substances ("Hazardous Substances"). These classes of persons or potentially responsible parties include the current and certain past owners and operators of a facility or property where there is or has been a release or threat of release of a Hazardous Substance and persons who disposed of or arranged for the disposal of the Hazardous Substances found at such a facility. CERCLA also authorizes the EPA and, in some cases, third parties to take actions in response to threats to the public health or the environment and to seek to recover the costs of such action. We may also in the future become an owner of facilities on which Hazardous Substances have been released by previous owners or operators. We may in the future be responsible under CERCLA for all or part of the costs to clean up facilities or property at which such substances have been released, and for natural resource damages.
As is true of other regulatory schemes, EPA from time to time suggests changes in CERCLA. Such changes to existing CERLCA regulations may include amendments or additional regulations which will have an economic impact on our operations through increased costs of bonding and reclamation activities. There may be additional legislation or rulemaking related to CERCLA.
Air Emissions
Our operations are subject to state and federal regulations for the control of emissions of air pollution. Major sources of air pollutants are subject to more stringent, federally imposed permitting requirements. Administrative enforcement actions for failure to comply strictly with air pollution regulations or permits are generally resolved by payment of monetary fines and correction of any identified deficiencies. Alternatively, regulatory agencies could require us to forego construction, modification or operation of certain air emission sources.
| 32 |
| Table of Contents |
Clean Water Act
The Clean Water Act ("CWA") imposes restrictions and strict controls regarding the discharge of wastes, including mineral processing wastes, into waters of the United States, a term broadly defined. Permits must be obtained to discharge pollutants into federal waters. The CWA provides for civil, criminal and administrative penalties for unauthorized discharges of hazardous substances and other pollutants. It imposes substantial potential liability for the costs of removal or remediation associated with discharges of oil or hazardous substances. State laws governing discharges to water also provide varying civil, criminal and administrative penalties, and impose liabilities in the case of a discharge of petroleum or its derivatives, or other hazardous substances, into state waters. In addition, the EPA and the State of Wyoming have promulgated regulations that require us to obtain permits to discharge storm water runoff. In the event of an unauthorized discharge of wastes, we may be liable for penalties and costs.
Our Employees
At December 31, 2023, Ur-Energy USA had 12 regular full-time employees: five in its Littleton, Colorado office and seven in its Wyoming offices. At that date, Lost Creek ISR, LLC employed 67 people on a full-time regular basis. Additionally, Ur-Energy USA has four regular part-time employees and Lost Creek has one regular part-time employee. None of our other subsidiaries had employees in 2023. Ur-Energy Inc. had no employees during 2023.
These employment figures follow our decision to ramp up production operations at Lost Creek to return to commercial production levels. Having reduced our workforce at Lost Creek through several reductions in force, we began staffing for our advance construction program in late 2021, while holding the workforce to core operations and construction staff to support initial drilling prior to the decision to ramp up productions at Lost Creek. Responsive to the December 2022 ramp-up decision, hiring began in earnest in January 2023 and continued throughout the year.
Throughout the time of reduced operations, extensive cross-training was completed at Lost Creek, which generally facilitated better, safer operations. Heightened activities in the wellfield and plant at Lost Creek, with staff and contractors numbering up to ~100 persons onsite, led to greater focus on safety training for all employees. Notwithstanding extensive safety training, we experienced two lost-time accidents (LTA) during 2023. Neither involved a serious injury. We continue to train all employees regarding site and radiation safety principles and practices.
Corporate Offices
The registered office of Ur-Energy is located at 55 Metcalfe Street, Suite 1300, Ottawa, Ontario K1P 6L5. Our North American Operations Headquarters is located at 1478 Willer Drive, Casper, Wyoming 82604, where our new construction facility and chemical laboratory are now both fully operational. Lost Creek operational offices are located at 3424 Wamsutter / Crooks Gap Road, Wamsutter, Wyoming 82336. Our U.S. Corporate headquarters is located at 10758 West Centennial Road, Suite 200, Littleton, Colorado 80127.
Available Information
Detailed information about Ur-Energy is contained in our annual reports, quarterly reports, current reports on Form 8‑K, and other reports, and amendments to those reports that we file with or furnish to the SEC and the Canadian regulatory authorities. These reports are available free of charge on our website, www.ur-energy.com, as soon as reasonably practicable after we electronically file such reports with or furnish such reports to the SEC and the Canadian regulatory authorities. However, our website and any contents thereof should not be considered to be incorporated by reference into this annual report on Form 10-K.
| 33 |
| Table of Contents |
We will furnish copies of such reports free of charge upon written request to our Corporate Secretary:
Ur-Energy Inc.
Attention: Corporate Secretary
10758 West Centennial Road, Suite 200
Littleton, Colorado 80127
Telephone: 1-866-981-4588
Email: legaldept@ur-energy.com
Additionally, our corporate governance guidelines, Code of Ethics and the charters of each of the standing committees of our Board of Directors (“Board”) are available on our website at https://www.ur-energy.com/investors/corporate-governance. We will furnish copies of such information free of charge upon written request to our Corporate Secretary, as set forth as above.
Other information relating to Ur-Energy may be found on the SEC’s website at http://www.sec.gov/edgar.shtml or on the SEDAR website at www.sedarplus.ca.
Item 1A. RISK FACTORS
An investment in our securities involves a high degree of risk. You should consider the following discussion of risks in addition to the other information in this annual report before purchasing any of our securities. In addition to historical information, the information in this annual report contains “forward-looking” statements about our future business and performance. Our actual operating results and financial performance may be very different from what we expect as of the date of this annual report. The risks below address material factors that may affect our future operating results and financial performance.
Risk Factors Related to the Uranium Markets and Nuclear Fuel Cycle Industries
Imports from state-owned enterprises may continue to challenge the U.S. uranium industry.
Notwithstanding other recent favorable market events and pricing, the global uranium market continues to be characterized by production levels and sales priced in and for countries such as Russia, Kazakhstan and Uzbekistan which adversely affect the U.S. uranium production industry. China continues to expand its role in the global uranium mining markets and in the rest of the nuclear fuel cycle, including with effects felt in the U.S. Additionally, the extent of foreign inventories in some instances remains uncertain. If U.S. imports from government-subsidized production sites resume beyond demand capacity, there could be a significant negative impact to the uranium market which could adversely impact the Company’s future profitability.
We have entered into term sales contracts for a portion of our Lost Creek production, however, we may be unable to enter into additional term sales contracts in the future on suitable terms and conditions.
We have secured term sales contracts for the sale of 570,000 pounds U3O8 in 2024 and annual base commitments between 550,000 and 1,100,000 pounds U3O8 annually beginning in 2025 and continuing through 2030. We are advancing negotiations of additional contracts for sales through at least 2030. While we continue to respond to requests for proposals from nuclear fuel purchasers, there is no certainty that we will be able enter additional term sales agreements at suitable pricing and other terms to support longer-term production at Lost Creek and/or the construction and operation of Shirley Basin. The failure to complete additional term sales contracts on suitable terms may further delay decisions to maximize production at Lost Creek and to construct and begin operations at our Shirley Basin Project and could otherwise adversely impact our operations and resulting cash flows and income.
| 34 |
| Table of Contents |
The uranium market is volatile and has limited customers.
The price of uranium is volatile, has experienced and may continue to experience significant price movements over short periods of time. Spot pricing reached lows at or below $20 per pound U3O8 in recent years. Although current spot pricing is vastly improved from those recent lows, pricing continues to demonstrate volatility: at December 31, 2022, the price of U3O8 was $47.68 per pound and at December 31, 2023, the price was $91.00 per pound U3O8. Factors beyond our control affect the market, including demand for nuclear power; changes in public acceptance of nuclear energy; political and economic conditions in uranium mining, producing and consuming countries; costs and availability of financing of nuclear plants; changes in governmental regulations; global or regional consumption patterns; speculative activities and increased production due to new extraction developments and improved production methods; the future viability and acceptance of small modular reactors or micro-reactors and the related fuel requirements for this new technology; reprocessing of spent fuel and the re-enrichment of depleted uranium tails or waste; and global economics, including currency exchange rates, interest rates and expectations of inflation. Any future accidents, or threats of or incidents of war, civil unrest or terrorism, at nuclear facilities are likely to also impact the conditions of uranium mining and the use and acceptance of nuclear energy. The effect of these factors on the price of uranium, and therefore on the economic viability of our properties, cannot accurately be predicted.
The uranium industry is highly competitive and nuclear energy competes with other energy sources.
The national and international uranium industry is small and highly competitive. Our activities are directed toward the exploration for, evaluation, acquisition and development of uranium deposits into production operations. There is no certainty that any expenditures we made will result in discoveries of commercial quantities of uranium production. There is aggressive competition within the uranium mining industry for the discovery, acquisition and development of properties considered to have commercial potential. We compete with other companies for the opportunity to participate in promising projects, and many of those competing entities have greater financial resources than we have and/or are state-sponsored entities. Similarly, we market our product to a limited number of purchasers in competition with supplies from a very limited number of competitors, most of whom currently are state-sponsored operations producing at lower, subsidized costs.
Nuclear energy competes with other existing sources of energy, including natural gas, oil, coal, hydroelectricity and renewable energy sources and potentially other sources of energy, such as fusion, in the future. These other energy sources are to some extent interchangeable with nuclear energy, and their relative availability and cost may result in lower demand for uranium concentrate and uranium conversion services. Technical advances in and government support and subsidies for renewable energy sources could make these forms of energy more viable and have a greater impact on nuclear fuel demands. Further, the sustained growth of the uranium and nuclear power industry beyond its current level will depend upon continued and increased acceptance of nuclear technology as a means of generating electricity. Because of unique political, geopolitical, technological and environmental factors that affect the nuclear industry, the industry is subject to public opinion risks which could have an adverse impact on the demand for nuclear power, whether through increased regulation or otherwise.
Requirements for our products and services may be affected by technological changes in nuclear reactors, enrichment, and used uranium fuel reprocessing. These technological changes could reduce, or increase, the demand for uranium. The cost competitiveness of our operations may be impacted through development of new uranium recovery and processing technologies. As a result, our competitors may adopt technological advancements that provide them an advantage over our operational and production costs.
| 35 |
| Table of Contents |
Lack of acceptance of or outright opposition to nuclear energy could impede our business.
Our future business prospects are tied to the electrical utility industry in the U.S. and worldwide. Continuing fundamental changes in the utility industry, particularly in the U.S. and Europe, are expected to affect the market for nuclear and other fuels for years to come and may result in a wide range of outcomes including the expansion or the premature shutdown of nuclear reactors. Maintaining the demand for uranium at current levels and future growth in demand will depend upon the continued acceptance of nuclear technology as a means of generating electricity. Unique political and public perception factors impact the nuclear fuel cycle industries, including uranium producers. Some government entities and non-governmental organizations continue to aggressively oppose certain mining activities including specifically uranium recovery. These actions may affect our operations even if the opposition is directed at entities or projects unrelated to our Company. Lack of continued public acceptance of nuclear technology would adversely affect the demand for nuclear power and potentially increase the regulation of the nuclear power industry. Following the events of March 2011 in Fukushima Japan, worldwide reaction called into question the public’s confidence in nuclear energy and technology, and the impact continues in many countries. Additionally, media coverage about uranium production and nuclear energy may be inaccurate or non-objective and further negatively impact public perception of our industry.
Our business is subject to extensive environmental and other regulations that may make exploring, mining or related activities increasingly expensive, and may change at any time.
The mining industry is subject to extensive environmental and other laws and regulations, which may change at any time. Environmental legislation and regulation continue to evolve in ways which may require stricter standards and enforcement, increased fines and penalties for non-compliance, more stringent environmental assessments of proposed projects, increased reclamation obligations and attendant costs (and costs of bonding), and a heightened degree of responsibility for companies and their officers, directors and employees. Various regulatory actions related to the protection of the greater sage grouse, for example, are ongoing. Recurring consideration of additional EPA rulemakings, CERCLA revisions and other changes and further restrictions, including within the regulations promulgated pursuant to the General Mining Law, could have significant impact on our projects. Moreover, compliance with environmental quality requirements, reclamation laws and other restrictions imposed by federal, state and local authorities may require significant capital outlays and consume additional staff and management time, materially affect the economics of a given property, cause material changes or delays in intended activities, and potentially expose us to litigation and other legal or administrative proceedings. We cannot accurately predict or estimate the impact of any such future laws or regulations, or future interpretations of existing laws and regulations, on our operations. Historic exploration activities have occurred on many of our properties, and mining and energy production activities have occurred on or near certain of our properties. If such historic activities have resulted in releases or threatened releases of regulated substances to the environment, or historic activities require remediation, potential liability may exist under federal or state remediation statutes for which we may be inadequately bonded or insured.
Risk Factors Related to our Mining Operations
Our mining operations involve significant hazards and risks and the possibility of uninsured losses.
Mining operations generally involve a high degree of risk. We continue operations at our first and, currently, only, uranium in situ recovery facility at Lost Creek, where production activities commenced in 2013, though we reduced production significantly for several years before returning to commercial operations in 2023. Lost Creek is a remote site in south-central Wyoming. Lost Creek and our other projects as they continue in development, will be subject to all the hazards and risks normally encountered at remote sites in Wyoming, including safety in commuting and severe weather which can affect such commutes and may slow operations, particularly during adverse winter weather and road conditions. Additionally, these operations are subject to perceived risks, and the hazards and risks normally encountered in the production of uranium by in situ methods of recovery, such as water management and treatment, including wastewater disposal capacity (deep wells, Class V wells, ponds or other methods; each of which requires regulatory authorizations and varying levels of expense to install and operate), unusual and unexpected geological formations, unanticipated metallurgical difficulties, equipment malfunctions and availability of materials and parts for operations and construction, interruptions of electrical power and communications, other conditions involved in the drilling and removal of material through pressurized injection and production wells, radiation safety, transportation and industrial accidents, and natural disaster (e.g., fire, tornado), any of which could result in damage to, or destruction of, production facilities, damage to life or property, environmental damage and possible legal liability. We may also not be insured against all interruptions to our operations. Losses from these or other events may cause us to incur significant costs which could materially adversely affect our financial condition and our ability to fund activities on our properties. A significant loss could force us to reduce or suspend our operations and development. Adverse effects on operations and/or further development of our projects could also adversely affect our business, financial condition, results of operations and cash flow.
| 36 |
| Table of Contents |
With current market and labor conditions, including availability of contractors and equipment, influencing our recommissioning and return to commercial production at Lost Creek, we face risks of delays in production which could affect our ability to timely deliver into our sales commitments. Similarly, if/as we build out and begin operations at Shirley Basin, delays resulting from supply chain disruption, and availability of labor and contractors, as well as first-time production challenges may affect timely deliveries and sales.
Our mineral resource estimates may not be reliable and are inherently more uncertain than estimates of proven and probable reserves; there is risk and increased uncertainty to commencing and conducting production without established mineral reserves.
Our properties do not contain mineral reserves as defined under SEC Subpart 1300 of Regulation S-K (“S‑K 1300”) or Canadian National Instrument 43-101 (“NI 43-101”). See “Cautionary Note Concerning Disclosure of Mineral Resources,” above. Until mineral reserves or mineral resources are mined and processed, the quantity of mineral resources and grades must be considered as estimates only and may be inaccurate. We have established the existence of uranium resources for certain uranium projects, including at the Lost Creek Property. We have not established proven or probable reserves, as defined under S-K 1300 or NI 43-101, through the completion of a feasibility study, for any of our uranium projects, including the operating Lost Creek Property. Furthermore, we currently have no plans to establish proven or probable reserves for any of our uranium projects for which we plan to utilize ISR methods, such as the Lost Creek Property or the Shirley Basin Project. As a result, and despite the fact that we have produced U3O8 at the Lost Creek Project since 2013, there is increased uncertainty and risk that may result in economic and technical failure which may adversely impact our future profitability.
There are numerous uncertainties inherent in estimating quantities of mineral resources, including many factors beyond our control, and no assurance can be given that the recovery of mineral resources, or even estimated mineral reserves, will be realized. In general, estimates of mineral resources are based upon several factors and assumptions made as of the date on which the estimates were determined, including (i) geological and engineering estimates that have inherent uncertainties and the assumed effects of regulation by governmental agencies; (ii) the judgment of the geologists, engineers and other professionals preparing the estimate; (iii) estimates of future uranium prices and operating costs; (iv) the quality and quantity of available data and the interpretation of that data; and (v) the accuracy of various mandated economic assumptions, all of which may vary considerably from actual results.
All estimates are, to some degree, uncertain; with in situ recovery, this is due in part to limited sampling information collected prior to mining. For these reasons, estimates of the recoverable mineral resources prepared by different professionals or by the same professionals at different times, may vary substantially. As such, there is significant uncertainty in any mineral resource estimate and actual deposits encountered and the economic viability of a deposit may differ materially from our estimates.
We are depleting our mineral resources and must develop additional resources to sustain ongoing operations.
We have been in production operations for more than a decade and are depleting the estimated mineral resource at Lost Creek, which remains our only uranium recovery operation. As a result, we must be able to continue to conduct exploration and develop additional mineral resources. While there remain large areas of our Lost Creek Project which require additional exploration, we will need to continue to explore all project areas of the Lost Creek Property and our other mineral properties in Wyoming, or acquire additional, known mineral resource properties to replenish our mineral resources and sustain continued operations. We estimate life of mine when we prepare our mineral resource estimates, but such estimates may not be correct.
| 37 |
| Table of Contents |
Our property title and rights may be uncertain and could be challenged.
Although we have obtained title opinions with respect to certain of our properties, there is no guarantee that title to any of our properties will not be challenged or impugned. Third parties may have valid claims underlying portions of our interests. Our mineral properties in the U.S. consist of leases covering state lands, unpatented mining claims and millsite claims, and patented mining claims and lands. Many of our mining properties in the U.S. are unpatented mining claims to which we have only possessory title. Because title to unpatented mining claims is subject to inherent uncertainties, it is difficult to determine conclusively ownership of such claims. These uncertainties relate to such things as sufficiency of mineral discovery, proper posting and marking of boundaries and possible conflicts with other claims not determinable from descriptions of record. The present status of our unpatented mining claims located on public lands allows us the exclusive right to mine and remove valuable minerals. We are allowed to use the surface of the public lands solely for purposes related to mining and processing the mineral-bearing ores. However, legal ownership of the land remains with the U.S. We remain at risk that the mining claims may be forfeited either to the U.S. or to rival private claimants due to failure to comply with statutory requirements. Certain of the changes which have been proposed in recent years to amend or replace the General Mining Law, could also have an impact on the rights we currently have in our patented and unpatented mining and millsite claims. Similarly, we believe that we have necessary rights to surface use and access in areas for which we have mineral rights other than pursuant to a federal unpatented mining claim. Those rights may also be challenged, resulting in delay or additional cost to assert and confirm our rights. We have taken or will take appropriate curative measures to ensure proper title to our mineral properties and rights in surface use or access, where necessary and where possible. Additionally, our state leases have fixed terms and, while renewals have historically been granted upon timely application, there is no certainty there will not be changes to rights granted and/or the state lands procedures, either of which could negatively affect our mineral projects.
Our mining operations are subject to numerous environmental laws, regulations and licensing and permitting requirements that can delay production and adversely affect operating and development costs.
Our business is subject to extensive federal, state and local laws governing all stages of exploration, development and operations at our mineral properties, taxes, labor standards and occupational health, mine and radiation safety, toxic substances, endangered species protections, and other matters. Exploration, development, and production operations are also subject to various federal, state and local laws and regulations relating to the protection of the environment. These laws impose high standards on the mining industry, particularly with respect to uranium recovery, to monitor the discharge of wastewater and report the results of such monitoring to regulatory authorities, to reduce or eliminate certain effects on or into land, groundwater, water or air, to progressively restore mine properties, to manage hazardous wastes and materials and to reduce the risk of worker accidents. A violation of any of these laws may result in the imposition of substantial fines and other penalties and potentially expose us to operational restrictions, suspension, administrative proceedings or litigation. Many of these laws and regulations have tended to become more stringent over time, which appears will continue to be the trend in coming years. Any change in such laws or imposition of fines or restrictions in operations as a result of violations could have a material adverse effect on our financial condition, cash flow or results of operations. There can be no assurance that we will be able to meet all the regulatory requirements in a timely manner or without significant expense or that the regulatory requirements will not change to delay or prohibit us from proceeding with certain exploration, development or operations. Further, there is no assurance that we will not face new challenges by third parties to regulatory decisions when made, which may cause additional delay and substantial expense, or may cause a project to be permanently halted.
| 38 |
| Table of Contents |
Our operations require licenses and permits from various governmental authorities. We believe we hold all necessary licenses and permits to carry on the activities which we are currently conducting or currently propose to conduct under applicable laws and regulations. Such licenses and permits are subject to changes in regulations and changes in various operating circumstances. There can be no guarantee that we will be able to obtain all necessary licenses and permits that may be required to maintain our exploration and mining activities (or amendments to expand or alter existing operations), including constructing mines, milling or processing facilities and commencing or continuing exploration or mining activities or operations at any of our properties. In addition, if we proceed to production on any other property or new geologic horizon, we must obtain and comply with permits and licenses which will contain specific operating conditions. There can be no assurance that we will be able to obtain such permits and licenses or that we will be able to comply with any and all such conditions. The ability to timely obtain all required authorizations may become more of an issue with regulatory agencies facing staffing challenges similar to those our industry is encountering, as experienced staff retire or leave government, including those with highly specialized knowledge specific to uranium recovery and radiation safety.
Possible amendments to the General Mining Law could make it more difficult or impossible for us to execute our business plan.
Members of the U.S. Congress have repeatedly introduced bills which would materially amend or replace the provisions of the General Mining Law. Such bills have proposed, among other things, to (i) significantly alter the laws and regulations relating to uranium mineral development and recovery from patented or unpatented mining claims; (ii) impose a federal royalty on production from unpatented mining claims and/or impose other taxes or additional fees on the use or occupancy of federal lands; (iii) impose time limits on the effectiveness of plans of operation that may not coincide with mine life; (iv) convert in part or in whole the existing land holdings program, requiring unpatented mining claims to be taken to lease in a new program under certain circumstances and imposing other circumstances in which the unpatented mining claim would have to be abandoned; (v) limit the mineral property holdings of any single person or company under various stages from prospecting through operations; (vi) impose more stringent environmental compliance and reclamation requirements on activities on unpatented mining claims; (vii) allow states, localities and Native American tribes to petition for the withdrawal of identified tracts of federal land from the operation of the U.S. mining laws; (viii) eliminate or greatly limit the right to a mineral patent; and (ix) allow for administrative determinations that mining would not be allowed in situations where undue degradation of the federal lands in question could not be prevented. Additionally, there continue to be proposals for withdrawal of federal lands for the purposes of mineral location and development, and the reasons for withdrawals have been increasingly broad.
If enacted, such legislation could, among other effects, change the cost of holding unpatented mining claims or leases or the duration for which the claims or leases could be held without development, and could significantly impact our ability to develop locatable mineral resources on our patented and unpatented mining claims. Although it is impossible to predict what any legislated royalties might be, implementation could adversely affect the potential for development of mineral properties, as well as the economics of existing operating mines. Passage of such legislation could adversely affect our financial performance, including proposals imposing a royalty or otherwise impacting holding and operational costs of mining claims, if passed, could render mineral projects or existing mines uneconomic. Although certain of the proposed amendments have included provisions to ‘grandfather’ permitted projects, there is no assurance that any new legislation will necessarily contain such provisions or that such legislation will not otherwise have a significant financial impact on our operations and business.
| 39 |
| Table of Contents |
We depend on services of our management, and key personnel, contractors and service providers, and the timely availability of such individuals and providers cannot be assured during ramp-up or into the future.
Successful implementation of our business plan and operations is dependent upon our management team and experienced staff, some of whom are approaching retirement age. From time to time, we may need to recruit additional qualified employees, contractors and service providers to supplement existing management and personnel. We continue to hire and train employees for Lost Creek’s renewed operation and we will need to hire additional staff as we develop and construct the Shirley Basin Project. Timely availability and training, strong retention rates of staffing and timely retention of contractors cannot be assured in our industry, many aspects of which are highly specialized. This is particularly true in the current labor markets in which we recruit our employees and contractors, including where we compete with higher paying energy jobs, and because of the remote locations for which employees and contractors are needed. As well, the skilled professionals with expertise in geologic, engineering and process aspects of uranium in situ recovery, radiation safety and other facets of our business are currently in high demand, as there are relatively few professionals with both expertise and experience. The sustained downturn of the uranium production industry in recent years makes these challenges even more pronounced. Even with return to higher levels of production operations, we will be dependent on the continued service of a relatively small number of key persons, including key contractors, the loss of any one or several of whom could have an adverse effect on our business and operations. We do not hold key man insurance in respect of any of our executive officers.
The SEC’s adoption of S-K 1300 results in changes to our technical reports and will continue to result in increased compliance costs and uncertainty of interpretation.
S-K 1300 requires us to disclose specific information related to our material mining operations, including concerning our reported mineral resources at Lost Creek and Shirley Basin. We conformed our technical reports to comply with both S-K 1300 and NI 43-101. Disclosures under S-K 1300 continue to be subject to largely unknown interpretations. We are unable to predict the nature of any future enforcement, interpretation, or application of S-K 1300 by the SEC. Any additional revisions to, or interpretations of, S-K 1300 could also result in additional time and possibly unforeseen compliance costs.
Our results of exploration and ultimate production are highly uncertain.
The exploration for, and development of, mineral deposits involve significant risks which a combination of careful evaluation, experience and knowledge may not eliminate. Few properties which are explored are ultimately developed into producing mines, and for those which are developed, there may be longer timelines, delays and greater than estimated costs to advance to production. Major expenses may be required to establish mineral resources or reserves, to develop metallurgical processes and to construct mining and processing facilities at a site. It is impossible to ensure that our current exploration and development programs will result in profitable commercial operations.
Whether a mineral deposit will be commercially viable depends on many factors, including the attributes of the deposit, such as size, grade and proximity to infrastructure, as well as uranium and gold prices, which are highly cyclical. Government regulations, including regulations relating to prices, taxes, royalties, land tenure, land use, importing and exporting of uranium and environmental protection also are factors in determining commercial viability of a mineral project. The exact effect of these factors cannot be accurately predicted, but the combination of these factors may result in us not receiving an adequate return on invested capital.
Our proprietary data, technology and intellectual property may be compromised or lost, which could result in decreased competitive advantage and/or loss to the value of such assets.
With the ever-increasing reliance on technology throughout our operations, including developments of proprietary technology and intellectual property by the Company and/or it consultants, risks of theft, appropriation or other loss of such technology and assets and/or our proprietary data pose a risk to our competitive advantage and business and financial results. We take what we believe to be reasonable steps to protect these proprietary technologies and intellectual property, including contractually and by efforts to obtain patents or trade rights where possible. but there can be no assurance that all such measures will be sufficient or successful.
Climate change and climate change legislation or regulations could impact our operations.
Although we play an important role in addressing climate change with our production of uranium to fuel carbon-free nuclear power, we, too, may be subject to risks associated with climate change which could harm our results of operations and increase our costs and expenses. The occurrence of severe adverse weather conditions may have a potentially serious impact on our operations. Adverse weather may result in physical damage to our operations, instability of our infrastructure and equipment, or alter the supply of electricity to our Lost Creek Property or Shirley Basin when it is constructed. Impacts of such events may affect worker productivity at our projects. Should any impacts of climate change be material in nature or occur for lengthy periods of time, our financial condition or results of operations would be adversely affected.
| 40 |
| Table of Contents |
As an ISR uranium producer, we maintain a comparatively light environmental footprint. Nonetheless, certain environmental impacts are inevitable from all mineral exploration and development. U.S., Canadian, and other international legislative and regulatory action intended to ensure the protection of the environment are continually changing and evolving in a manner expected to result in stricter standards, restrictions and enforcement, larger fines and liability, and potentially increased capital expenditures and operating costs. Transitioning our business to meet regulatory, societal and investor expectations may cause us to incur lower economic returns than originally estimated for new projects and development plans of existing operations. While we continue to monitor and assess all new policies, legislation and regulations regarding such matters, we currently believe that the impact of any such legislation on our business is unlikely to be material. We cannot, however, assure that our efforts to mitigate the impact of such laws or regulations will be successful and/or without significant attendant costs.
Risks Factors Related to our Financial Circumstances
The uranium mining industry is capital intensive, and we may be unable to raise necessary funding.
Additional funds will be required for working capital and exploration and development activities at our properties including Lost Creek Property and for the construction and development of our Shirley Basin Project. Potential sources of future funds available to us, in addition to the proceeds from sales of inventory and future production, include the sale of additional equity capital, proceeds from the exercise of outstanding convertible equity instruments, borrowing of funds or other debt structure, project financing, or the sale of our interests in assets. Continued volatility in the equity markets, particularly the commodities and energy markets, as well as current interest rates, may increase the costs attendant to either equity or debt financing. There is no assurance that such funding will be available to us to fund continued development or future exploration at Lost Creek or the construction and ramp up of Shirley Basin. Further, even if such financing is successfully completed, there can be no assurance that it will be obtained on terms favorable to us or will provide us with sufficient funds to meet our objectives, which may adversely affect our business and financial position.
If we are unable to service our debt, we could lose the assets securing our indebtedness.
At the date of this report, we continue to owe approximately $4.3 million in principal under our State Bond Loan. Our ability to make scheduled payments under the State Bond Loan depends on our financial condition and operating performance, which may be subject to conditions beyond our control. If we do not make the remaining payments on our debt, we will be in default which, if not addressed or waived, could require accelerated repayment and enforcement by the lender against the assets securing the loan. The secured collateral includes the Lost Creek Project and other projects and assets of the Lost Creek Property, which are key assets on which our business is substantially dependent. Enforcement against these assets would have a material adverse effect on our operations and financial condition.
Production, capital and operating cost estimates may be inaccurate.
We prepare estimates of annual and future production, the attendant production and operational costs and required working capital for such levels of production, but there is no assurance that we will achieve those estimates. Additionally, we have and continue to estimate the costs of construction for Shirley Basin, in the current market. These types of estimates are inherently uncertain and may change materially over time. Operational cost estimates are affected by changes in production levels and may be affected by continuing inflation and cost-of-goods due to supply chain issues as well as the possible need to utilize a greater level of contractor services if required staffing is unavailable or cannot timely be hired and trained. Availability and consistent pricing of materials necessary in the installation of wells, surface production equipment, associated infrastructure, chemicals for processing and, expendable materials related to operations, can be variable depending on economic conditions locally and worldwide and may force changes in operations and timing of resource production. Under current supply chain circumstances, this is particularly true. In addition, we rely on certain contractors related to the installation of wells and technical services associated with that installation. Their availability or cost of service can change depending on other local market conditions and may therefore affect the installation and production rates of mining.
| 41 |
| Table of Contents |
Risks Related to our Common Shares
We have never paid dividends and do not currently expect to do so in the near future. Therefore, if our share price does not appreciate, our investors may not gain and could potentially lose on their investment in our shares.
We have not paid dividends on our common shares since incorporation and do not anticipate doing so in the foreseeable future. We currently intend to retain all available funds and any future earnings to fund the growth of our business. Payments of any dividends will be at the discretion of our Board after considering many factors, including our financial condition and current and anticipated cash needs. As a result, capital appreciation, if any, of our shares will be an investor’s sole source of gain for the foreseeable future.
Failure to meet the listing maintenance criteria of the NYSE American may result in the delisting of our common shares, which could result in lower trading volumes and liquidity, lower prices of our common shares and make it more difficult for us to raise capital.
Our common shares are listed on the NYSE American and we are subject to its continued listing requirements, including maintaining certain share prices and a minimum level of shareholder equity. The market price of our common shares has been and may continue to be subject to significant fluctuation. If we are unable to comply with the NYSE American continued listing requirements, including its trading price requirements, our common shares may be suspended from trading on and/or delisted from the NYSE American. Although we have not been notified of any delisting proceedings, there is no assurance that we will not receive such notice in the future or that we will be able to then comply with NYSE American listing standards. The delisting of our common shares from the NYSE American may materially impair our shareholders’ ability to buy and sell our common shares and could have an adverse effect on the market price of, and the efficiency of the trading market for, our common shares. In addition, the delisting of our common shares could significantly impair our ability to raise capital.
Further, if our common shares were delisted from the NYSE American, they might be subject to the so-called “penny stock” rules. The SEC has adopted regulations that define a “penny stock” to be any equity security that has a market price per share of less than $5.00, subject to certain exceptions, such as any securities listed on a national securities exchange. For any transaction involving a “penny stock,” unless exempt pursuant to SEC regulations, the rules impose additional sales practice requirements on broker-dealers, subject to certain exceptions. If our common shares were determined to be a “penny stock,” a broker-dealer may find it more difficult to trade our common shares and an investor may find it more difficult to acquire or dispose of our common shares on the secondary market. These factors could also significantly negatively affect the market price of our common shares and our ability to raise capital.
The trading price of our common shares may experience substantial volatility.
The market price of our common shares has experienced and may continue to experience substantial volatility that is unrelated to the Company's financial condition or operations. The trading price of our common shares may also be significantly affected by short-term changes in the price of uranium. The market price of the Company's securities is affected by many other variables which may be unrelated to our success and are, therefore, not within our control. These include other developments that affect the market for all resource sector-related securities, the breadth of the public market for the shares and the attractiveness of alternative investments; market reaction to the estimated fair value of our portfolio; rumors or dissemination of false information; changes in coverage or earnings estimates by analysts; our ability to meet analysts’ or market expectations; and sales of common shares by existing shareholders. The effect of these and other factors on the market price of the common shares is expected to make the price of the common shares volatile in the future, which may result in losses to investors.
| 42 |
| Table of Contents |
Investors may experience future dilution as a result of additional equity offerings.
To raise additional capital, we may in the future offer additional common shares or other securities convertible into or exchangeable for our common shares at prices that may not be the same as the price per share as the shares an investor has previously purchased, and investors purchasing shares or other securities in the future could have rights superior to existing shareholders.
We may be a passive foreign investment company and there may be adverse U.S. federal income tax consequences to U.S. shareholders under the passive foreign investment company rules.
Investors in our common shares that are U.S. taxpayers (referred to as a U.S. shareholder) should be aware that we may be a “passive foreign investment company” (a “PFIC”) for the period ended December 31, 2023, and may be a PFIC in subsequent years. If we are a PFIC for any year during a U.S. shareholder’s holding period, then such U.S. shareholders generally will be subject to a special, highly adverse tax regime with respect to so-called “excess distributions” received on our common shares. Gain realized upon a disposition of our common shares (including upon certain dispositions that would otherwise be tax-free) also will be treated as an excess distribution. Excess distributions are punitively taxed and are subject to additional interest charges. Additional special adverse rules also apply to U.S. shareholders who own our common shares if we are a PFIC and have a non-U.S. subsidiary that is also a PFIC (a “lower-tier PFIC”).
A U.S. shareholder may make a timely "qualified electing fund" election (“QEF election”) or a "mark-to-market" election with respect to our common shares to mitigate the adverse tax rules that apply to PFICs, but these elections may accelerate the recognition of taxable income and may result in the recognition of ordinary income. To be timely, a QEF election generally must be made for the first year in the U.S. shareholder’s holding period in which Ur-Energy is a PFIC. A U.S. shareholder may make a QEF election only if the U.S. shareholder receives certain information (known as a “PFIC annual information statement”) from us annually. A U.S. shareholder may make a QEF election with respect to a lower-tier PFIC only if it receives a PFIC annual information statement with respect to the lower tier PFIC. The mark-to-market election is available only if our common shares are considered regularly traded on a qualifying exchange, which we cannot assure will be the case for years in which it may be a PFIC. The mark-to-market election is not available for a lower-tier PFIC.
We will use commercially reasonable efforts to make available to U.S. shareholders, upon their written request for each year in which the Company may be a PFIC, a PFIC annual information statement with respect to the Company and with respect to each such subsidiary that we determine may be a PFIC.
Special adverse rules that impact certain estate planning goals could apply to our common shares if we are a PFIC. Each U.S. shareholder should consult its own tax advisor regarding the U.S. federal, state and local consequences of the PFIC rules, and regarding the QEF and mark-to-market elections.
General Risk Factors
Certain impacts to the economy and supply chain disruption resulting initially from the COVID pandemic are likely to continue for the foreseeable future.
The COVID pandemic has had a significant negative impact generally on the global economy and commodity and equity markets. While many of the direct impacts to our business arising during the pandemic have decreased substantially, direct and indirect effects continue to be experienced particularly in supply chain and available labor and contractors. These impacts are likely to continue to pose risk to our operations, particularly at our renewed production operations at Lost Creek and if/as we proceed to construct and operate Shirley Basin.
| 43 |
| Table of Contents |
Our insurance coverage, bonding surety arrangements and indemnifications for our inventory could be insufficient or change in adverse ways in the future.
We currently carry insurance coverage for general liability, property and casualty, directors’ and officers’ liability and other matters. We intend to carry insurance to protect against certain risks in amounts we consider adequate. Certain insurances may be cost prohibitive to maintain, and even if we carried all such insurances, the nature of the risks we face in our exploration and uranium production operations is such that liabilities could exceed policy limits in any insurance policy or could be excluded from coverage under an insurance policy. The potential costs that could be associated with any liabilities not covered by insurance or which exceed insurance coverage, or compliance with applicable laws and regulations, may cause substantial delays or interruption of operations and require significant capital outlays, adversely affecting our business and financial position. We cannot assure that even our current coverages will continue to be available at acceptable cost or that coverage limits will remain at current levels, any of which could result in adverse effects upon our business and financial condition. We may be required to obtain additional types of insurance or increase existing coverage amounts due to changes in regulation of the mining and nuclear fuel cycle industries.
Additionally, we utilize a bonding surety program for our regulatory, reclamation and restoration obligations at Lost Creek and Shirley Basin. Availability of and terms for such surety arrangements may change in the future, resulting in adverse effects to our financial condition. Also, we have contractual arrangements with the licensed uranium conversion facility for weighing and storage of our product inventory. Possible loss of or damage to our inventory may not be fully covered by our agreements, indemnification obligations or insurance. And, with relation to the conversion facility, the storage arrangements may not be extended indefinitely, creating greater costs or other impact to our product inventory. Any loss or damage of the uranium may not be fully covered or absolved by contractual arrangements with the conversion facility.
We are subject to risks associated with litigation, governmental or regulatory investigations or challenges, and other legal proceedings.
Defense and settlement costs of legal claims can be substantial, even with respect to claims that have no merit. From time to time, we may be involved in disputes with other parties which may result in litigation, arbitration, or other proceedings. Additionally, it is possible that the Company may become involved directly or indirectly in legal proceedings, in the form of governmental or regulatory investigations, administrative proceedings or litigation, arising from challenges to regulatory actions. Such investigations, administrative proceedings and litigation related to regulatory matters may delay or halt exploration, development or even operations at our projects. The results of litigation or any other proceedings cannot be predicted with certainty. If we are unable to resolve any such disputes favorably, it could have a material adverse effect on our financial position, results of operations or our property development.
| 44 |
| Table of Contents |
We are dependent on information technology systems, which are subject to certain risks, including cybersecurity risks and data leakage risk associated with implementation and integration.
We depend upon information technology systems in a variety of ways throughout our operations. While we have not experienced any material incident, any significant breakdown of those systems, whether through virus, cyber-attack, security breach, theft, or other destruction, invasion or interruption, or unauthorized access to our systems, by employees, others with authorized access to our systems or unauthorized persons, could negatively impact our business and operations. These threats are increasing in number and severity and broadening in type of risk, including most recently with the Russian declaration of war against the Ukraine and cyber attacks ongoing in that context, which may broaden. To the extent that such invasion, cyber-attack or similar security breach results in disruption to our operations, loss or disclosure of, or damage to, our data and particularly our confidential or proprietary information, our reputation, business, results of operations and financial condition could be materially adversely affected. We have implemented various measures to manage our risks related to information technology systems and network disruptions. However, given the unpredictability of the timing, nature and scope of information technology disruptions, we potentially could be subject to production downtimes, operational delays, the compromising of confidential or otherwise protected information, destruction or corruption of data, security breaches, other manipulation or improper use of our systems and networks or financial losses from remedial actions, any of which could have a material adverse effect on our cash flows, competitive position, financial condition or results of operations. Our systems, internal controls and insurance for protecting against such cyber security risks may be insufficient and it is increasingly difficult to fully mitigate against these threats as they are ever changing. Additionally, we assess possible threats to our third-party providers when they may be provided confidential and proprietary information to complete work in our behalf. While we seek assurances from those parties that they will maintain such confidential and proprietary information in confidence, including by virtue of having systems and processes in place to protect such data, those service providers may also be subject to data compromise. Any compromise of our confidential data or that of our customers, suppliers, employees or others with whom we do business, whether in our possession or that of our service providers, could substantially disrupt our operations, harm our customers, suppliers, employees and others with whom we do business, damage our reputation, violate applicable law, subject us to potentially significant cost and liabilities which could be material. Although to date we have experienced no such attack resulting in material losses, we may suffer such losses at any time in the future. We may be required to expend significant additional resources to continue to modify and enhance our protective measures or to investigate, restore or remediate any information technology security vulnerabilities.
We may also be adversely affected by system or network disruptions if new or upgraded information technology systems are defective, not installed properly or not properly integrated into our operations. If we are unable to successfully implement system upgrades or modifications, we may have to rely on manual reporting processes and controls over financial reporting that have not been planned, designed or tested. Various measures have been implemented to manage our risks related to the system upgrades and modifications, but system upgrades and modification failures could have a material adverse effect on our business, financial condition and results of operations and could, if not successfully implemented, adversely impact the effectiveness of our internal controls over financial reporting.
We may develop conflicts of interest with other mining or natural resource companies with which one of our directors may be affiliated. Our directors may allocate their time to other businesses thereby causing conflicts of interest in their determination as to how much time to devote to our affairs.
Certain of our directors are also directors of other companies that are engaged in similar mining or natural resources businesses, namely the acquisition, exploration, and development of mineral properties. Such other associations may give rise to conflicts of interest from time to time. One of the possible consequences will be that corporate opportunities presented to a director may be offered to another company with which the director is associated and may not be made available to us. Conflicts of interest may also include decisions on how much time to devote to the business of our company. Our Code of Conduct provides guidance on conflicts of interest and our directors are required to act in good faith, to make certain disclosures and to abstain from voting on decisions in which they may have a conflict of interest.
Acquisitions and integration may disrupt our business, and we may not obtain full anticipated value of certain acquisitions due to the condition of the markets.
From time to time, we examine opportunities to acquire additional mining assets and businesses. Any acquisition that we may choose to complete may be of significant size, may change the scale of our business and operations, and/or may expose us to new geographic, political, operating, financial and geological risks. Any acquisition would be accompanied by risks, including a significant change in commodity prices after we commit to complete a transaction and establish the purchase price or share exchange ratio; a material mineral deposit may prove to be below expectations; difficulty integrating and assimilating the operations and personnel of an acquired company, realizing anticipated synergies and maximizing the financial and strategic position of the combined enterprise, and maintaining uniform standards, policies and controls across the organization; the integration of the acquired business or assets may disrupt our ongoing business and relationships with employees, customers, suppliers and contractors; and the acquired business or assets may have unknown liabilities which may be significant. There can be no assurance that we would be able to conclude any acquisition successfully, or that we would be successful in overcoming these risks or other problems encountered in connection with such an acquisition.
| 45 |
| Table of Contents |
The war in Ukraine and other global conflicts and tensions continue to have implications to the global economy and energy supplies; as a result, the impact to the nuclear fuel market remains uncertain.
The global implications of the war in Ukraine remain difficult to predict. The war has resulted in impacts to the nuclear fuel industries and uranium producers, through the imposition of sanctions and counter sanctions, and more may follow. The war is likely to continue to have an adverse effect on energy and economic markets, including the nuclear fuel industries because of the vast reliance by the U.S. and other nations on uranium products exported from Russia and Russian-controlled or influenced sources.
The conflicts in the Middle East, and other geopolitical tensions, including between the U.S. and China, also make it difficult to assess and predict the impact to the economy, supply disruption and increased prices of materials, and cyber-security threats. While we do not currently purchase goods and materials directly from China for our Lost Creek operations, our suppliers of electronics and instrumentation components may purchase necessary materials from China, and we may be indirectly affected if the market for Chinese products is further disrupted by sanctions, countersanctions or other events. If/as a decision is made to construct and develop Shirley Basin, the direct or indirect exposure to these market uncertainties may be greater or more direct.
To the extent these conflicts and geopolitical situations may adversely affect our business as discussed, they may also have the effect of heightening many of the other risks described in this Item 1A such as those relating to cyber-security, supply chain, inflationary and other volatility in prices of goods and materials, and the condition of the markets including as related to our ability to access additional capital, any of which could negatively affect our business. Because of the highly uncertain and dynamic nature of the war, global conflicts and related geopolitics, it remains difficult to estimate the impact on our business.
Item 1B. UNRESOLVED STAFF COMMENTS
None.
Item 1C. CYBERSECURITY
Risk Management and Strategy
We rely on information technology to operate our business. We have endpoint and other protection systems, and incident response processes, both internally and through third-party experts designed to protect our information technology systems. These established processes assist us to continuously assess and identify threats to our systems and minimize impact to our business in the event of a breach or other security incident. With our third-party consultants, the processes protect our information systems and allow us to resolve any issue which may arise in the most timely and aggressive fashion.
As any new threat to security may be identified, our personnel are notified, with instruction to increase awareness of the threat and how to react if such a threat or actual breach appears to be encountered. Periodic educational notices are also disseminated to all personnel. Additionally, as our systems are modified and upgraded, all personnel are notified, with instruction as appropriate. Responsibility for the identification and assessment of risks and the recommendation of upgrades to our systems resides with our expert consultants who report to our Chief Financial Officer.
Governance
Our Board oversees the risks involved in our operations as part of its general oversight function, integrating risk management into the Company’s compliance policies and procedures. With respect to cybersecurity, the Board has the ultimate oversight responsibility, with the Audit Committee and HSE & Technical Committee of the Board each having certain responsibilities relating to risk management of cybersecurity.
| 46 |
| Table of Contents |
Among other things, the Audit Committee discusses with management the Company’s major policies with respect to risk assessment and risk management, including cyber-security, as they relate to the integrity of the Company’s accounting and financial reporting processes and the Company’s compliance with legal and regulatory requirement.
In addition to its other responsibilities, the HSE & Technical Committee oversees operational information technology risks, including cybersecurity, as they relate to the technical aspects of the Company’s operations.
The HSE & Technical Committee and/or the full Board receive at least quarterly reports from management on information technology matters, including cybersecurity. The reports address upgrades to hardware, software, and IT systems throughout the Company, and include the identification of IT and cybersecurity risks. Security scores, risk management, and mitigation measures are routinely presented. As discussed above, we maintain endpoint and other protection systems, and incident response processes, both internally and through third-party experts. As these systems, processes, training, and upgrades are implemented, updates are provided to the Board.
We have not identified an indication of a substantive cyber security incident that would have a material impact on our business, results of operations or financial statements. For additional information regarding risks from cybersecurity threats, please refer to Item 1A, “Risk Factors,” above.
Item 3. LEGAL PROCEEDINGS
None.
Item 4. MINE SAFETY DISCLOSURE
Our operations and other activities at Lost Creek are not subject to regulation by the Federal Mine Safety and Health Administration (“MSHA”) under the Federal Mine Safety and Health Act of 1977 (the “Mine Act”).
| 47 |
| Table of Contents |
PART II
Item 5. MARKET FOR REGISTRANT’S COMMON EQUITY, RELATED STOCKHOLDER MATTERS AND ISSUER PURCHASES OF EQUITY SECURITIES
Market Information
Since July 24, 2008, Ur-Energy’s Common Shares have been listed for trading on the NYSE American exchange under the trading symbol “URG.” Since November 29, 2005, Ur-Energy’s Common Shares have been listed and posted for trading on the Toronto Stock Exchange under the trading symbol “URE.”
Holders
The authorized capital of Ur-Energy consists of an unlimited number of Common Shares and an unlimited number of Class A Preference Shares. As of February 29, 2024, we had 281,626,324 Common Shares issued and outstanding; no preferred shares are issued and outstanding. We estimate that we have approximately 30,000 beneficial holders of our Common Shares. The holders of the Common Shares are entitled to one vote per share at all meetings of our shareholders. The holders of Common Shares are also entitled to dividends, if and when declared by our Board and the distribution of the residual assets of the Company in the event of a liquidation, dissolution or winding up.
Our Class A Preference Shares are issuable by the Board in one or more series and the Board has the right and obligation to fix the number of shares in, and determine the designation, rights, privileges, restrictions and conditions attaching to the shares of, each series. The rights of the holders of Common Shares will be subject to, and may be adversely affected by, the rights of the holders of any Class A Preference Shares that may be issued in the future. The Class A Preference Shares, may, at the discretion of the Board, be entitled to a preference over the Common Shares and any other shares ranking junior to the Class A Preference Shares with respect to the payment of dividends and distribution of assets in the event of liquidation, dissolution or winding up.
Dividends
To date, we have not paid any dividends on our outstanding Common Shares and have no current intention to declare dividends on the Common Shares in the foreseeable future. Any decision to pay dividends on our Common Shares in the future will depend upon our financial requirements to finance future growth, the general financial condition of the Company and other factors which our Board may consider appropriate in the circumstances.
Recent Sales of Unregistered Securities
During the fiscal years ended December 31, 2023 and 2022, we did not have any sales of securities in transactions that were not registered under the Securities Act.
Issuer Purchases of Equity Securities
The Company did not purchase its own equity securities during the fiscal year ended December 31, 2023.
Item 6. RESERVED
| 48 |
| Table of Contents |
Item 7. MANAGEMENT’S DISCUSSION AND ANALYSIS OF FINANCIAL CONDITION AND RESULTS OF OPERATION
Business Overview
The following discussion is designed to provide information that we believe necessary for an understanding of our financial condition, changes in financial condition and results of our operations. The following discussion and analysis should be read in conjunction with the accompanying audited consolidated financial statements and related notes. The financial statements have been prepared in accordance with US GAAP.
Industry and Market Update
Several global factors continue to positively influence the uranium recovery market and the nuclear energy industries. Over the past several years, continued growth in the acceptance of nuclear energy, geopolitics, and production reductions, shortfalls and delays, have each contributed to a stronger uranium market with a more optimistic future. As each of these categories of influence continues to gain momentum and strength, the market has experienced significant impacts.
For several years, we and others in our industry have noted the growing acceptance of the necessity of nuclear energy as it relates to concerns over climate change and the determination of nations and multi-national companies to reach decarbonization goals on increasingly aggressive timelines. Most recently, in December, 22 countries including the U.S., pledged at the UN climate summit, COP 28, to triple nuclear energy capacity by 2050. Even prior to this commitment, numerous announcements in 2023 of extended nuclear plant licenses and lifespans, and deferred retirements of reactors, supplemented planned future numbers of reactors with ongoing construction in many countries.
Recognition of the critical role nuclear energy plays in providing baseload power for decarbonization has been complemented more recently as energy security has become a universal priority. Energy security includes not only the heightened concern over Russian supply, but other areas of geopolitical unrest. The coup d’état in Niger in mid-2023, for example, threatens the security and stability of 25% of European uranium supply. The true scope and possible long-standing impact of China in the nuclear market remains undefined.
While the initial invasion of Ukraine in early 2022 focused nuclear and other energy buyers on the risk attendant to dependence on Russian supplies, continuing Russian conduct has only strengthened the resolve of fuel purchasers to reduce that dependence. It has been reported that, throughout 2023, both U.S. and non-U.S. utilities increasingly sought non-Russian supplies when negotiating uranium term sales agreements. This change of supply priority reflects the concern over current and possible future sanctions but also the prospect that Russia of its own volition will refuse to export committed nuclear fuels to the U.S. In either circumstance, the utilities are at significant risk as the West has limited capacity to backfill such supply disruption, regardless of cause.
Moreover, many nations, including the US, are considering increasing sanctions against Russia in 2024, related to what the Biden Administration most recently labeled Russia’s “aggression abroad and repression at home.” With this public condemnation of Russia’s conduct and the specter of additional sanctions, speculation is strong that the nuclear fuel buyers’ preference to non-Russian contracting will continue, including even a more broadly defined concept of what is considered Russian inventory.
As uranium production operations have returned following the pandemic, and with the stronger market indicators in 2022 and 2023, the path forward has not been without challenges. Even for experienced and well financed operators, ramp-up and return to commercial level operations has been impeded by labor, equipment, technical, supply chain and other challenges and delays. Though Kazakh production regained its routine more quickly following the pandemic, it has encountered some of the most significant supply chain disruptions, unable to obtain sufficient sulfuric acid for its recovery processes. The several announcements by Kazatomprom, beginning in December 2023, of substantially reduced production targets (~20% below state-concession required levels) have sent shockwaves through the uranium markets.
| 49 |
| Table of Contents |
All the foregoing moved the market in 2023 and continue to do so in early 2024. With earlier increases in uranium market pricing in 2021-2022, spot pricing continued its measured move upward through much of 2023, with significant increases in pricing beginning in late August. After breaking through the $60/pound barrier (August 31) and then the $70/pound barrier in September, the market saw even more dramatic increases in pricing in December when reported spot prices exceeded $90/pound. Overall, this represented a 90% increase in spot price from the year-end 2022 price of $47.68. Increases in December were tied largely to the first Kazakh announcement of projected shortfalls in production.
Year-end spot pricing of $91/pound was a milestone not experienced in more than 16 years. And the market movers were not done. Early 2024 has seen pricing jumps due to further production short-fall announcements, anticipated Russian sanctions and other influences. Passing $100 and increasing to as much as $107/pound during January, the spot market has retracted since, while remaining at $95/pound at February 29, 2024.
Notably, term market prices increased nearly 40% between year-end 2022 pricing and the January 31, 2024, term price of $72/pound. Even the September milestone of $61/pound term price represented a decade-long high. The determination of utilities in the U.S. and abroad to fill mid-term supply requirements is projected to continue to push the term price. Advantageous to our Company, these contracts are projected to continue to have a distinct focus on secure future deliveries from North American production of proven producers.
2023 Developments
Lost Creek Property – Great Divide Basin, Wyoming
Status of Lost Creek
Ramp-up activities at Lost Creek in 2023 led to operation of the first two new header houses in Mine Unit 2 (MU2). Our Q4 production figures reflect the progress made in wellfield operations: in 2023, we captured approximately 103,487 pounds U3O8, of which 68,448 pounds U3O8 were captured in Q4. The average production grade in Q4 was 93.9 mg/l U3O8.
During 2023, we sold 280,000 pounds U3O8 from existing inventory for $17.3 million. Our sales in 2024 are projected at 570,000 pounds U3O8 into contracts that were put in place in 2022 when the long-term price was below $60 per pound.
Lost Creek Operations
Since commencement of operations in 2013, we have captured approximately 2.838 million pounds of U3O8 at Lost Creek through December 31, 2023. Following our reduction in production operations in 2020 Q3, we maintained controlled, reduced level production operations until the restart of commercial wellfield production in 2023 Q2.
Wellfield construction and development continues in all areas of MU2. Subsequent to year-end, we completed all delineation drilling throughout the remaining eight planned production areas in MU2. We have 12 drill rigs onsite with plans to mobilize additional rigs in coming weeks. Production in HH 2-6 came online after year-end, with HH 2-7 anticipated to come online in early March 2024. Construction of HHs 2-8 and 2-9 is nearing completion in our Casper shop. All remaining planned production areas of MU2 are scheduled to be drilled and constructed during 2024. Additionally, we are planning delineation drilling and initial well installation in Phase 2 of Mine Unit 1 (MU1) when drilling is complete in MU2.
| 50 |
| Table of Contents |
As previously disclosed, the restart at Lost Creek has encountered challenges. Commissioning new production areas and recommissioning plant operations, not unexpectedly, come with unique start-up issues. The recovery of U3O8 in MU2 and the restart of plant operations have been no exception. As the plant was being recommissioned, we encountered equipment issues that temporarily reduced plant throughput. The equipment issues have been or are being addressed, and plant operations are returning to anticipated production rates.
During 2023, we encountered staffing issues with our initial hiring campaign, including lower than preferred retention rates, which affected our ability to thoroughly train our teams. Most recently, staffing of Lost Creek’s current 65+ onsite positions is complete, and we are experiencing greater retention, which fosters more thorough training. We are seeing steady improvement in production activities as our growing core staff have more time on the job. The Wyoming labor market has similarly affected our contractors. Certain labor and contractor/vendor challenges may continue.
While the record-setting winter of 2022-2023 is behind us, the ways in which it affected our hiring and restart of operations continue to be felt but are being overcome. More positively, conditions to date this winter have permitted construction and development activities to progress without significant hindrance or weather delay.
We began the drilling and construction of an additional deep disposal well at Lost Creek in mid-2023, with the drilling phase completed in July. Preliminary completion and testing continued in 2023 Q4. When regulatory approvals were received, final completion work was initiated in early 2024 and is anticipated to be complete in 2024 Q1. When this work is complete, we will obtain remaining regulatory approvals followed by specification of surface injection equipment. In advance of operation of the deep well, procurement and installation of a powerline was completed enabling anticipated operation in 2024.
For our expanding production, we continue to benefit from our advance ordering and recycling of equipment at Lost Creek while supply chain disruption continues to be a global industry issue. All construction materials have been ordered or received for all planned operations in MU2. Parts and materials are always in various stages of delivery depending on availability. We will continue to supplement purchases with recycled materials as necessary. Key equipment has also been ordered for long-lead items required in 2025 based on vendor projected delivery times. We will continue to order equipment and materials well in advance and remain aware of fluctuating lead times for critical items.
Lost Creek Regulatory Proceedings
The first two mine units at Lost Creek have all permits necessary for commercial level operations. We have received Wyoming Uranium Recovery Program (“URP”) approval of the amendment to the Lost Creek source material license to include recovery from the LC East Project (HJ and KM horizons) immediately adjacent to the Lost Creek Project and additional HJ horizons at the Lost Creek Project. This license approved access to six planned mine units in addition to the already licensed three mine units at Lost Creek. The approval also increased the license limit for annual plant production to 2.2 million pounds U3O8 which includes wellfield production of up to 1.2 million pounds U3O8 and confirmed toll processing up to one million pounds U3O8.
We await approval by the Wyoming Department of Environmental Quality (“WDEQ”), Land Quality Division (“LQD”) of the amendment to the Lost Creek permit to mine adding HJ and KM horizons at LC East and HJ mine units at Lost Creek. LQD has confirmed that the public comment period has concluded, and the technical review is complete. We anticipate the LQD review will be complete in 2024 H1.
Our request for extension of our Lost Creek source material license was submitted in 2021. The license renewal is in timely review and is proceeding through the technical review with URP.
| 51 |
| Table of Contents |
Sales of U3O8 and Sales Agreements
In December 2022, we were awarded a contract to sell to the DOE NNSA uranium reserve 100,000 pounds of domestically produced U3O8 at a sales price of $64.47 per pound. That delivery was made in January 2023 and sales proceeds of $6.4 million were received shortly thereafter. Including the DOE NNSA sale, we sold 280,000 pounds at an average price of $61.89 for revenues of $17.3 million in 2023.
Beginning in 2022, we have secured several multi-year sales agreements with global nuclear purchasers. The initial agreement calls for the annual delivery of a base amount of 200,000 pounds of uranium concentrates over a six-year period beginning in the second half of 2023. Subsequently, we announced the amendment of this agreement to increase the annual delivery, starting in 2024, by 100,000 pounds U3O8 at the same pricing levels. The sales agreement permits the purchaser the customary election to flex the delivery quantity up or down by as much as ten percent.
We completed an additional sales agreement in 2022 Q4 which calls for annual deliveries of 300,000 pounds U3O8 over a five-year period, beginning in 2024, together with the possibility of additional sales of up to 300,000 pounds U3O8 in 2029. Sale prices under both agreements secured in 2022 are anticipated to be profitable on an all-in production cost basis and are escalated annually from initial pricing.
We signed a third agreement in 2023, under which we will deliver 100,000 pounds U3O8 in each of 2025, 2026 and 2027, also subject to an election by the purchaser to flex the annual delivery quantity up or down by as much as ten percent. This agreement is also anticipated to be profitable on an all-in production cost basis.
Most recently, we signed two additional agreements, bringing to five the total number of U3O8 sales agreements we have secured with leading nuclear fuel companies. The fourth term sales agreement was signed in February 2024 for annual delivery of between 100,000 and 350,000 pounds U3O8 over a five-year period beginning in 2026. The agreement includes the opportunity for the purchaser to add up to three additional annual deliveries of 300,000 pounds U3O8 beginning in 2031. The pricing for the sales under this agreement is a combination of an escalated fixed price, which is well above the anticipated all-in costs of production, and market related pricing that is subject to an escalated floor and ceiling. The purchaser has the option of a small flex to the annual delivery.
Also in February, we signed our fifth U3O8 sales agreement with delivery commitments for five years beginning in 2026, with an initial delivery of 50,000 pounds U3O8 in 2026. In each of 2027- 2030, we will sell 200,000 pounds U3O8 annually under this agreement. All sales will be made at fixed prices, escalated from the base agreed price.
As of December 31, 2023, we had multiple off take sales agreements with various global nuclear purchasers. These agreements were completed in 2022 and 2023 and, together with the additional February 2024 agreements, now provide for deliveries between 2024 and 2030 as follows:
Year |
| Base Quantity (U3O8 Pounds) |
| |
|
|
|
| |
2024 |
|
| 570,000 |
|
2025 |
|
| 700,000 |
|
2026 |
|
| 850,000 |
|
2027 |
|
| 1,050,000 |
|
2028 |
|
| 1,100,000 |
|
2029 |
|
| 800,000 |
|
2030 |
|
| 550,000 |
|
|
|
| 5,620,000 |
|
| 52 |
| Table of Contents |
Shirley Basin Project
Based on our progress in securing further contracts, and the strengthening market, we are proceeding with additional tasks to advance Shirley Basin. This includes advancing procurement of long-lead items for the project, as well as other activities in the field. Although the Wyoming winter of 2023 did not permit us to proceed with the planned drilling at Shirley Basin, we now plan for a 2024 drill program to install the monitor well ring for the first mine unit. We anticipate these advance preparations will shorten the time for construction and ramp up when the “go” decision is made by our Board to proceed with construction.
Shirley Basin is fully permitted and licensed, with all major regulatory approvals for construction. The project has a licensed wellfield capacity of one million pounds U3O8 per year. The Company plans three relatively shallow mining units at the project, where we plan to construct a satellite plant, from which loaded resin will be sent to Lost Creek for processing. The annual production of U3O8 from wellfield production and toll processing of loaded resin or yellowcake slurry will not exceed two million pounds equivalent of dried U3O8 product.
We currently estimate it will take approximately 24 months to complete all procurement, development activities and construction of the satellite facility and associated first mine unit to initiate production. This estimate is based on the long lead times we are seeing for critical equipment; especially for electrical equipment. The decision to proceed with construction of the satellite and first mine unit for production operations is being considered on an ongoing basis as the uranium market and our contract book evolve.
Situated in an historic mining district, the project has existing access roads, power, waste disposal facility and shop buildings onsite. Delineation and exploration drilling were completed historically, and initial detailed wellfield, pipeline and header house layouts have been finalized. Additional minor on-the-ground preparations have been completed since the authorizations were received.
The tailings facility at the Shirley Basin site is one of the few remaining facilities in the U.S. that is licensed by the NRC to receive and dispose of by-product waste material from other in situ uranium mines. We assumed operation of the byproduct disposal site in 2013 and continue to accept deliveries under several existing contracts.
Research and Development
As priorities at Lost Creek allow, we will continue to pursue several research and development projects with an objective to introduce new methods of cost-effective technology to our Lost Creek Project, and to Shirley Basin when it is constructed. Our R&D projects are at varying stages of development and include a new material for injection wells and related well installation process, for which we converted our provisional patent application with the U.S. Patent Office to a non-provisional patent application in 2023. Following receipt of WDEQ authorization to proceed with field testing the materials and engineering, Phase One field testing was successfully completed in 2022. Phase Two testing of our new injection well material and well installation technology will continue in 2024.
Although the technology will not be used for production wells, if the technology is proven out, it will be used for injection wells which generally represent approximately 65% of the wells throughout wellfields designed with traditional “five-spot” recovery patterns. The proposed method utilizes lower-cost materials which are generally available, even during current supply chain challenges. Field tests demonstrated a reduction in drill rig time on injection wells of approximately 75% compared with conventional methods, which also reduces environmental impacts. It is anticipated that the cost savings from reduced drill rig time will be partially offset by the need for additional in-house labor. Based on testing to date, it is anticipated that as much as a 49% savings on well installation costs may be realized for injection wells.
We also continue with work on an advanced water treatment system. Beyond water recycling gains already achieved with our industry-leading Class V circuit, the new system may allow an additional 90% reduction of disposed water as well as providing filtration of incoming production solutions to optimize uranium capture. Detailed engineering design and construction plans are anticipated to be completed in 2024 along with ordering/procurement of all components. Field construction will occur as appropriate based on engineering and delivery of materials.
| 53 |
| Table of Contents |
Corporate Developments
Equity Financing
On February 21, 2023, we announced the closing of an underwritten public offering of 39,100,000 common shares and accompanying warrants to purchase up to 19,550,000 common shares, which includes the full exercise of the underwriters’ option to purchase up to 5,100,000 additional common shares and accompanying warrants to purchase up to 2,550,000 common shares, at a combined public offering price of $1.18 per common share and accompanying warrant. The warrants have an exercise price of $1.50 per whole common share and will expire three years from the date of issuance. The gross proceeds to the Company from the offering were approximately $46.1 million, before deducting the underwriting discounts and commissions and other estimated offering expenses payable by Ur-Energy.
Prepayment of State Bond Loan
On February 29, 2024, we provided notice to Sweetwater County, the State Treasurer and the Trustee of our intention to prepay all remaining amounts on the State Bond Loan on April 1, 2024.
Casper Operations Headquarters
Our new multipurpose central services facility in Casper was completed mid-2023. We now have a fully staffed Casper construction team hard at work constructing, wiring and automating the next header houses for installation at Lost Creek. Most recently, HH 2-7 has been delivered to Lost Creek, and construction of HHs 2-8 and 2-9 is nearly complete. Additionally, our chemistry laboratory is fully commissioned and staffed.
Already we are realizing the benefits from our plan for this centralized construction facility to provide numerous safety, environmental and financial advantages to our Lost Creek operation, including a reduction of commuting vehicles and related emissions. This facility will allow us to conduct these functions for Shirley Basin when it becomes our second production site. Fewer miles traveled by our staff and fewer vehicles on the road equates to a significantly lower risk of accident or injury, a smaller carbon footprint for Lost Creek, and considerably lower vehicle and labor costs.
| 54 |
| Table of Contents |
Results of Operations
Reconciliation of Non-GAAP measures with US GAAP financial statement presentation
The following tables include measures specific to U3O8 sales, cost of sales, gross profit, pounds sold, price per pound sold, cost per pound sold, and gross profit per pound sold. These measures do not have standardized meanings within US GAAP or a defined basis of calculation. These measures are used by management to assess business performance and determine production and pricing strategies. They may also be used by certain investors to evaluate performance. The following two tables provide a reconciliation of U3O8 price per pound sold and U3O8 cost per pound sold to the consolidated financial statements.
U3O8 Price per Pound Sold Reconciliation
|
| Unit |
|
| 2023 Q1 |
|
| 2023 Q2 |
|
| 2023 Q3 |
|
| 2023 Q4 |
|
| 2023 |
| ||||||
|
|
|
|
|
|
|
|
|
|
|
|
|
|
|
|
|
|
| ||||||
Sales per financial statements |
| $ | 000 |
|
|
| 6,447 |
|
|
| 39 |
|
|
| 5,752 |
|
|
| 5,441 |
|
|
| 17,679 |
|
Disposal fees |
| $ | 000 |
|
|
| - |
|
|
| (39 | ) |
|
| (312 | ) |
|
| - |
|
|
| (351 | ) |
U3O8 sales |
| $ | 000 |
|
|
| 6,447 |
|
|
| - |
|
|
| 5,440 |
|
|
| 5,441 |
|
|
| 17,328 |
|
U3O8 pounds sold |
| lb |
|
|
| 100,000 |
|
|
| - |
|
|
| 90,000 |
|
|
| 90,000 |
|
|
| 280,000 |
| |
U3O8 price per pound sold |
| $/lb |
|
|
| 64.47 |
|
|
| - |
|
|
| 60.44 |
|
|
| 60.46 |
|
|
| 61.89 |
| |
Sales per financial statements includes U3O8 sales and disposal fees. Disposal fees received at Pathfinder’s Shirley Basin property do not relate to the sale of U3O8 and are excluded from the U3O8 sales and U3O8 price per pound measures.
U3O8 Cost per Pound Sold Reconciliation
|
| Unit |
|
| 2023 Q1 |
|
| 2023 Q2 |
|
| 2023 Q3 |
|
| 2023 Q4 |
|
| 2023 |
| ||||||
|
|
|
|
|
|
|
|
|
|
|
|
|
|
|
|
|
|
| ||||||
Cost of sales per financial statements |
| $ | 000 |
|
|
| 6,504 |
|
|
| 2,951 |
|
|
| 4,855 |
|
|
| 5,055 |
|
|
| 19,365 |
|
Lower of cost or NRV adjustment |
| $ | 000 |
|
|
| (2,875 | ) |
|
| (2,951 | ) |
|
| (2,332 | ) |
|
| (2,531 | ) |
|
| (10,689 | ) |
U3O8 cost of sales |
| $ | 000 |
|
|
| 3,629 |
|
|
| - |
|
|
| 2,523 |
|
|
| 2,524 |
|
|
| 8,676 |
|
U3O8 pounds sold |
| lb |
|
|
| 100,000 |
|
|
| - |
|
|
| 90,000 |
|
|
| 90,000 |
|
|
| 280,000 |
| |
U3O8 cost per pound sold |
| $/lb |
|
|
| 36.29 |
|
|
| - |
|
|
| 28.03 |
|
|
| 28.04 |
|
|
| 30.99 |
| |
Cost of sales per the financial statements includes U3O8 costs of sales and lower of cost or NRV adjustments. U3O8 cost of sales includes ad valorem and severance taxes related to the extraction of uranium, all costs of wellfield and plant operations including the related depreciation and amortization of capitalized assets, reclamation, and mineral property costs, plus product distribution costs. These costs are also used to value inventory. The resulting inventoried cost per pound is compared to the NRV of the product, which is based on the estimated sales price of the product, net of any necessary costs to finish the product. Any inventory value in excess of the NRV is charged to cost of sales in the financial statements. NRV adjustments, if any, relate to U3O8 inventories and do not relate to the sale of U3O8, and are excluded from the U3O8 cost of sales and U3O8 cost per pound sold measures.
| 55 |
| Table of Contents |
U3O8 Sales
The following table provides information on our U3O8 sales during 2023. There were no spot sales in 2023 and there were no comparable U3O8 sales in 2022.
|
| Unit |
|
| 2023 Q1 |
|
| 2023 Q2 |
|
| 2023 Q3 |
|
| 2023 Q4 |
|
| 2023 |
| ||||||
|
|
|
|
|
|
|
|
|
|
|
|
|
|
|
|
|
|
| ||||||
U3O8 Sales by Product |
|
|
|
|
|
|
|
|
|
|
|
|
|
|
|
|
|
| ||||||
|
|
|
|
|
|
|
|
|
|
|
|
|
|
|
|
|
|
| ||||||
U3O8 Sales |
|
|
|
|
|
|
|
|
|
|
|
|
|
|
|
|
|
| ||||||
Produced |
| $ | 000 |
|
|
| 2,789 |
|
|
| - |
|
|
| 5,440 |
|
|
| 5,441 |
|
|
| 13,670 |
|
Purchased |
| $ | 000 |
|
|
| 3,658 |
|
|
| - |
|
|
| - |
|
|
| - |
|
|
| 3,658 |
|
|
| $ | 000 |
|
|
| 6,447 |
|
|
| - |
|
|
| 5,440 |
|
|
| 5,441 |
|
|
| 17,328 |
|
|
|
|
|
|
|
|
|
|
|
|
|
|
|
|
|
|
|
|
|
|
|
|
|
|
U3O8 Pounds Sold |
|
|
|
|
|
|
|
|
|
|
|
|
|
|
|
|
|
|
|
|
|
|
|
|
Produced |
| lb |
|
|
| 43,259 |
|
|
| - |
|
|
| 90,000 |
|
|
| 90,000 |
|
|
| 223,259 |
| |
Purchased |
| lb |
|
|
| 56,741 |
|
|
| - |
|
|
| - |
|
|
| - |
|
|
| 56,741 |
| |
|
| lb |
|
|
| 100,000 |
|
|
| - |
|
|
| 90,000 |
|
|
| 90,000 |
|
|
| 280,000 |
| |
|
|
|
|
|
|
|
|
|
|
|
|
|
|
|
|
|
|
|
|
|
|
|
|
|
U3O8 Price per Pounds Sold |
|
|
|
|
|
|
|
|
|
|
|
|
|
|
|
|
|
|
|
|
|
|
|
|
Produced |
| $/lb |
|
|
| 64.47 |
|
|
| - |
|
|
| 60.44 |
|
|
| 60.46 |
|
|
| 61.23 |
| |
Purchased |
| $/lb |
|
|
| 64.47 |
|
|
| - |
|
|
| - |
|
|
| - |
|
|
| 64.47 |
| |
|
| $/lb |
|
|
| 64.47 |
|
|
| - |
|
|
| 60.44 |
|
|
| 60.46 |
|
|
| 61.89 |
| |
As previously disclosed, the Company made the decision to ramp up operations after securing new term contracts in 2022 with initial deliveries beginning in 2023.
During 2022, we submitted a bid to the U.S. DOE uranium reserve program. In December 2022, we were notified by the DOE that our bid was accepted, and 100,000 pounds U3O8 were delivered to the DOE in 2023 Q1 at an average price per pound sold of $64.47. The delivery included both produced and previously purchased pounds.
In 2023 Q3 and 2023 Q4, we delivered a total of 180,000 produced pounds U3O8 into term contracts at a combined average price of $60.45.
We sold a total of 280,000 pounds U3O8 in 2023 at an average price per pound sold of $61.89.
| 56 |
| Table of Contents |
U3O8 Cost of Sales
The following table provides information on our U3O8 cost of sales during 2023. There was no comparable U3O8 cost of sales in 2022.
|
| Unit |
|
| 2023 Q1 |
|
| 2023 Q2 |
|
| 2023 Q3 |
|
| 2023 Q4 |
|
| 2023 |
| ||||||
|
|
|
|
|
|
|
|
|
|
|
|
|
|
|
|
|
|
| ||||||
U3O8 Cost of Sales by Product |
|
|
|
|
|
|
|
|
|
|
|
|
|
|
|
|
|
| ||||||
|
|
|
|
|
|
|
|
|
|
|
|
|
|
|
|
|
|
| ||||||
U3O8 Cost of Sales |
|
|
|
|
|
|
|
|
|
|
|
|
|
|
|
|
|
| ||||||
Ad valorem and severance taxes |
| $ | 000 |
|
|
| 26 |
|
|
| - |
|
|
| 53 |
|
|
| 53 |
|
|
| 132 |
|
Cash costs |
| $ | 000 |
|
|
| 805 |
|
|
| - |
|
|
| 1,674 |
|
|
| 1,674 |
|
|
| 4,153 |
|
Non-cash costs |
| $ | 000 |
|
|
| 383 |
|
|
| - |
|
|
| 796 |
|
|
| 797 |
|
|
| 1,976 |
|
Produced |
| $ | 000 |
|
|
| 1,214 |
|
|
| - |
|
|
| 2,523 |
|
|
| 2,524 |
|
|
| 6,261 |
|
Purchased |
| $ | 000 |
|
|
| 2,415 |
|
|
| - |
|
|
| - |
|
|
| - |
|
|
| 2,415 |
|
|
| $ | 000 |
|
|
| 3,629 |
|
|
| - |
|
|
| 2,523 |
|
|
| 2,524 |
|
|
| 8,676 |
|
|
|
|
|
|
|
|
|
|
|
|
|
|
|
|
|
|
|
|
|
|
|
|
|
|
U3O8 Pounds Sold |
|
|
|
|
|
|
|
|
|
|
|
|
|
|
|
|
|
|
|
|
|
|
|
|
Produced |
| lb |
|
|
| 43,259 |
|
|
| - |
|
|
| 90,000 |
|
|
| 90,000 |
|
|
| 223,259 |
| |
Purchased |
| lb |
|
|
| 56,741 |
|
|
| - |
|
|
| - |
|
|
| - |
|
|
| 56,741 |
| |
|
| lb |
|
|
| 100,000 |
|
|
| - |
|
|
| 90,000 |
|
|
| 90,000 |
|
|
| 280,000 |
| |
|
|
|
|
|
|
|
|
|
|
|
|
|
|
|
|
|
|
|
|
|
|
|
|
|
U3O8 Cost per Pound Sold |
|
|
|
|
|
|
|
|
|
|
|
|
|
|
|
|
|
|
|
|
|
|
|
|
Ad valorem and severance taxes |
| $/lb |
|
|
| 0.60 |
|
|
| - |
|
|
| 0.59 |
|
|
| 0.59 |
|
|
| 0.59 |
| |
Cash costs |
| $/lb |
|
|
| 18.61 |
|
|
| - |
|
|
| 18.60 |
|
|
| 18.60 |
|
|
| 18.60 |
| |
Non-cash costs |
| $/lb |
|
|
| 8.85 |
|
|
| - |
|
|
| 8.84 |
|
|
| 8.85 |
|
|
| 8.85 |
| |
Produced |
| $/lb |
|
|
| 28.06 |
|
|
| - |
|
|
| 28.03 |
|
|
| 28.04 |
|
|
| 28.04 |
| |
Purchased |
| $/lb |
|
|
| 42.56 |
|
|
| - |
|
|
| - |
|
|
| - |
|
|
| 42.56 |
| |
|
| $/lb |
|
|
| 36.29 |
|
|
| - |
|
|
| 28.03 |
|
|
| 28.04 |
|
|
| 30.99 |
| |
In 2023 Q1, the 100,000 pounds U3O8 sold to the DOE consisted of 43,259 produced pounds and 56,741 purchased pounds. During 2022, we purchased 40,000 pounds U3O8 at $49.50 per pound, which increased the average cost per pound purchased to $42.56. The average cost per produced pound sold in Q1 was $28.06, and together with the purchased pounds, the average cost per pound sold was $36.29.
In 2023 Q3 and 2023 Q4, a total of 180,000 produced pounds U3O8 were sold into term contracts. The average cost per produced pound sold was $28.04.
We sold a total of 280,000 pounds U3O8 in 2023 at an average cost per pound sold of $30.99.
| 57 |
| Table of Contents |
U3O8 Gross Profit
The following table provides information on our U3O8 gross profit during 2023. There was no comparable U3O8 gross profit in 2022.
|
| Unit |
|
| 2023 Q1 |
|
| 2023 Q2 |
|
| 2023 Q3 |
|
| 2023 Q4 |
|
| 2023 |
| ||||||
|
|
|
|
|
|
|
|
|
|
|
|
|
|
|
|
|
|
| ||||||
U3O8 Gross Profit by Product |
|
|
|
|
|
|
|
|
|
|
|
|
|
|
|
|
|
| ||||||
|
|
|
|
|
|
|
|
|
|
|
|
|
|
|
|
|
|
| ||||||
U3O8 Sales |
|
|
|
|
|
|
|
|
|
|
|
|
|
|
|
|
|
| ||||||
Produced |
| $ | 000 |
|
|
| 2,789 |
|
|
| - |
|
|
| 5,440 |
|
|
| 5,441 |
|
|
| 13,670 |
|
Purchased |
| $ | 000 |
|
|
| 3,658 |
|
|
| - |
|
|
| - |
|
|
| - |
|
|
| 3,658 |
|
|
| $ | 000 |
|
|
| 6,447 |
|
|
| - |
|
|
| 5,440 |
|
|
| 5,441 |
|
|
| 17,328 |
|
|
|
|
|
|
|
|
|
|
|
|
|
|
|
|
|
|
|
|
|
|
|
|
|
|
U3O8 Cost of Sales |
|
|
|
|
|
|
|
|
|
|
|
|
|
|
|
|
|
|
|
|
|
|
|
|
Produced |
| $ | 000 |
|
|
| 1,214 |
|
|
| - |
|
|
| 2,523 |
|
|
| 2,524 |
|
|
| 6,261 |
|
Purchased |
| $ | 000 |
|
|
| 2,415 |
|
|
| - |
|
|
| - |
|
|
| - |
|
|
| 2,415 |
|
|
| $ | 000 |
|
|
| 3,629 |
|
|
| - |
|
|
| 2,523 |
|
|
| 2,524 |
|
|
| 8,676 |
|
|
|
|
|
|
|
|
|
|
|
|
|
|
|
|
|
|
|
|
|
|
|
|
|
|
U3O8 Gross Profit |
|
|
|
|
|
|
|
|
|
|
|
|
|
|
|
|
|
|
|
|
|
|
|
|
Produced |
| $ | 000 |
|
|
| 1,575 |
|
|
| - |
|
|
| 2,917 |
|
|
| 2,917 |
|
|
| 7,409 |
|
Purchased |
| $ | 000 |
|
|
| 1,243 |
|
|
| - |
|
|
| - |
|
|
| - |
|
|
| 1,243 |
|
|
| $ | 000 |
|
|
| 2,818 |
|
|
| - |
|
|
| 2,917 |
|
|
| 2,917 |
|
|
| 8,652 |
|
|
|
|
|
|
|
|
|
|
|
|
|
|
|
|
|
|
|
|
|
|
|
|
|
|
U3O8 Pounds Sold |
|
|
|
|
|
|
|
|
|
|
|
|
|
|
|
|
|
|
|
|
|
|
|
|
Produced |
| lb |
|
|
| 43,259 |
|
|
| - |
|
|
| 90,000 |
|
|
| 90,000 |
|
|
| 223,259 |
| |
Purchased |
| lb |
|
|
| 56,741 |
|
|
| - |
|
|
| - |
|
|
| - |
|
|
| 56,741 |
| |
|
| lb |
|
|
| 100,000 |
|
|
| - |
|
|
| 90,000 |
|
|
| 90,000 |
|
|
| 280,000 |
| |
|
|
|
|
|
|
|
|
|
|
|
|
|
|
|
|
|
|
|
|
|
|
|
|
|
U3O8 Gross Profit per Pound Sold |
|
|
|
|
|
|
|
|
|
|
|
|
|
|
|
|
|
|
|
|
|
|
|
|
Produced |
| $/lb |
|
|
| 36.41 |
|
|
| - |
|
|
| 32.41 |
|
|
| 32.42 |
|
|
| 33.19 |
| |
Purchased |
| $/lb |
|
|
| 21.91 |
|
|
| - |
|
|
| - |
|
|
| - |
|
|
| 21.91 |
| |
|
| $/lb |
|
|
| 28.18 |
|
|
| - |
|
|
| 32.41 |
|
|
| 32.42 |
|
|
| 30.90 |
| |
|
|
|
|
|
|
|
|
|
|
|
|
|
|
|
|
|
|
|
|
|
|
|
|
|
U3O8 Gross Profit Margin |
|
|
|
|
|
|
|
|
|
|
|
|
|
|
|
|
|
|
|
|
|
|
|
|
Produced |
| % |
|
|
| 56.5 | % |
|
| 0.0 | % |
|
| 53.6 | % |
|
| 53.6 | % |
|
| 54.2 | % | |
Purchased |
| % |
|
|
| 34.0 | % |
|
| 0.0 | % |
|
| 0.0 | % |
|
| 0.0 | % |
|
| 34.0 | % | |
|
| % |
|
|
| 43.7 | % |
|
| 0.0 | % |
|
| 53.6 | % |
|
| 53.6 | % |
|
| 49.9 | % | |
In 2023 Q1, the average price per pound sold to the DOE was $64.47 and the average cost per pound sold was $36.29, which resulted in an average gross profit per pound sold of $28.18 with an average gross profit margin of nearly 44%.
In 2023 Q3 and 2023 Q4, the average price per pound sold into term contracts was $60.45 and the average cost per pound sold was $28.04, which resulted in an average gross profit per pound sold of $32.41 and an average gross profit margin of nearly 54%.
We sold a total of 280,000 pounds U3O8 in 2023 at an average price per pound sold of $61.89 and the average cost per pound sold was $30.99, which resulted in an average gross profit per pound sold of $30.90 with an average gross profit margin of nearly 50%.
| 58 |
| Table of Contents |
U3O8 Production and Ending Inventory
The following table provides information on our production and ending inventory of U3O8 pounds during 2023.
|
| Unit |
|
| 2023 Q1 |
|
| 2023 Q2 |
|
| 2023 Q3 |
|
| 2023 Q4 |
|
| 2023 |
| ||||||
|
|
|
|
|
|
|
|
|
|
|
|
|
|
|
|
|
|
| ||||||
U3O8 Production |
|
|
|
|
|
|
|
|
|
|
|
|
|
|
|
|
|
| ||||||
|
|
|
|
|
|
|
|
|
|
|
|
|
|
|
|
|
|
| ||||||
Pounds captured |
| lb |
|
|
| 156 |
|
|
| 4,392 |
|
|
| 30,491 |
|
|
| 68,448 |
|
|
| 103,487 |
| |
Pounds drummed |
| lb |
|
|
| - |
|
|
| - |
|
|
| 15,759 |
|
|
| 6,519 |
|
|
| 22,278 |
| |
|
|
|
|
|
|
|
|
|
|
|
|
|
|
|
|
|
|
|
|
|
|
|
| |
U3O8 Ending Inventory |
|
|
|
|
|
|
|
|
|
|
|
|
|
|
|
|
|
|
|
|
|
|
| |
|
|
|
|
|
|
|
|
|
|
|
|
|
|
|
|
|
|
|
|
|
|
|
| |
Pounds |
|
|
|
|
|
|
|
|
|
|
|
|
|
|
|
|
|
|
|
|
|
|
| |
In-process inventory |
| lb |
|
|
| 1,498 |
|
|
| 5,801 |
|
|
| 20,396 |
|
|
| 82,033 |
|
|
|
|
| |
Plant inventory |
| lb |
|
|
| - |
|
|
| - |
|
|
| 15,759 |
|
|
| 22,278 |
|
|
|
|
| |
Conversion inventory - produced |
| lb |
|
|
| 223,790 |
|
|
| 223,790 |
|
|
| 133,790 |
|
|
| 43,790 |
|
|
|
|
| |
|
| lb |
|
|
| 225,288 |
|
|
| 229,591 |
|
|
| 169,945 |
|
|
| 148,101 |
|
|
|
|
| |
|
|
|
|
|
|
|
|
|
|
|
|
|
|
|
|
|
|
|
|
|
|
|
| |
Value |
|
|
|
|
|
|
|
|
|
|
|
|
|
|
|
|
|
|
|
|
|
|
| |
In-process inventory |
| $ | 000 |
|
|
| - |
|
|
| - |
|
|
| - |
|
|
| - |
|
|
|
|
|
Plant inventory |
| $ | 000 |
|
|
| - |
|
|
| - |
|
|
| 949 |
|
|
| 1,343 |
|
|
|
|
|
Conversion inventory - produced |
| $ | 000 |
|
|
| 6,275 |
|
|
| 6,275 |
|
|
| 3,752 |
|
|
| 1,228 |
|
|
|
|
|
|
| $ | 000 |
|
|
| 6,275 |
|
|
| 6,275 |
|
|
| 4,701 |
|
|
| 2,571 |
|
|
|
|
|
|
|
|
|
|
|
|
|
|
|
|
|
|
|
|
|
|
|
|
|
|
|
|
|
|
Cost per Pound |
|
|
|
|
|
|
|
|
|
|
|
|
|
|
|
|
|
|
|
|
|
|
|
|
In-process inventory |
| $/lb |
|
|
| - |
|
|
| - |
|
|
| - |
|
|
| - |
|
|
|
|
| |
Plant inventory |
| $/lb |
|
|
| - |
|
|
| - |
|
|
| 60.22 |
|
|
| 60.28 |
|
|
|
|
| |
Conversion inventory - produced |
| $/lb |
|
|
| 28.04 |
|
|
| 28.04 |
|
|
| 28.04 |
|
|
| 28.04 |
|
|
|
|
| |
|
|
|
|
|
|
|
|
|
|
|
|
|
|
|
|
|
|
|
|
|
|
|
|
|
Produced conversion inventory detail |
|
|
|
|
|
|
|
|
|
|
|
|
|
|
|
|
|
|
|
|
|
|
|
|
Ad valorem and severance tax |
| $/lb |
|
|
| 0.59 |
|
|
| 0.59 |
|
|
| 0.59 |
|
|
| 0.59 |
|
|
|
|
| |
Cash cost |
| $/lb |
|
|
| 18.60 |
|
|
| 18.60 |
|
|
| 18.60 |
|
|
| 18.60 |
|
|
|
|
| |
Non-cash cost |
| $/lb |
|
|
| 8.85 |
|
|
| 8.85 |
|
|
| 8.85 |
|
|
| 8.85 |
|
|
|
|
| |
|
| $/lb |
|
|
| 28.04 |
|
|
| 28.04 |
|
|
| 28.04 |
|
|
| 28.04 |
|
|
|
|
| |
Wellfield production at Lost Creek resumed in 2023 Q2 and 4,392 pounds were captured during the quarter. Pounds captured increased to 30,491 pounds in 2023 Q3 and increased again to 68,448 pounds in 2023 Q4 as mining activities accelerated. Wellfield production totaled 103,487 pounds for the year, including a nominal number of pounds from 2023 Q1 recovered prior to the restart of operations.
Plant production at Lost Creek resumed in 2023 Q3 with 15,759 pounds U3O8 drummed during the quarter. Drying operations encountered equipment issues that reduced plant throughput in 2023 Q4. The equipment issues have been addressed and plant production is again increasing. Subsequent to year-end, approximately 32,000 pounds were drummed through February 29, 2024.
There were no shipments in 2023. The first shipment of U3O8 since the return to commercial operations was completed on February 27, 2024 when 35,445 pounds U3O8 were delivered to the conversion facility.
| 59 |
| Table of Contents |
As production increased during the year, our in-process and plant inventories also increased, and we ended the year with 82,033 pounds U3O8 in process and 22,278 drummed pounds of U3O8 at the plant. During 2023, we sold 280,000 pounds U3O8, which decreased our ending conversion facility to 43,790 pounds.
Because production rates were low during the initial ramp up period, the cost per pound to produce inventory exceeded its NRV. The ending plant inventory value was therefore written down to its NRV, which was approximately $60.28 per pound at year-end. We expect in-process and plant inventory NRV adjustments to decrease and ultimately stop as plant production increases and the related production costs per pound decrease. The cost per produced pound at the conversion facility did not change during the year because there were no shipments to the conversion facility.
The following table provides information on our production and ending inventory of U3O8 pounds for the past three years.
|
| Unit |
|
| 2021 |
|
| 2022 |
|
| 2023 |
| ||||
|
|
|
|
|
|
|
|
|
|
|
|
| ||||
U3O8 Production |
|
|
|
|
|
|
|
|
|
|
|
| ||||
|
|
|
|
|
|
|
|
|
|
|
|
| ||||
Pounds captured |
| lb |
|
|
| 251 |
|
|
| 325 |
|
|
| 103,487 |
| |
Pounds drummed |
| lb |
|
|
| - |
|
|
| - |
|
|
| 22,278 |
| |
Pounds shipped |
| lb |
|
|
| 15,873 |
|
|
| - |
|
|
| - |
| |
Pounds purchased |
| lb |
|
|
| - |
|
|
| 40,000 |
|
|
| - |
| |
|
|
|
|
|
|
|
|
|
|
|
|
|
|
|
| |
U3O8 Ending Inventory |
|
|
|
|
|
|
|
|
|
|
|
|
|
|
| |
|
|
|
|
|
|
|
|
|
|
|
|
|
|
|
| |
Pounds |
|
|
|
|
|
|
|
|
|
|
|
|
|
|
| |
In-process inventory |
| lb |
|
|
| 1,069 |
|
|
| 1,357 |
|
|
| 82,033 |
| |
Plant inventory |
| lb |
|
|
| - |
|
|
| - |
|
|
| 22,278 |
| |
Conversion inventory - produced |
| lb |
|
|
| 267,049 |
|
|
| 267,049 |
|
|
| 43,790 |
| |
Conversion inventory - purchased |
| lb |
|
|
| 16,741 |
|
|
| 56,741 |
|
|
| - |
| |
|
| lb |
|
|
| 284,859 |
|
|
| 325,147 |
|
|
| 148,101 |
| |
|
|
|
|
|
|
|
|
|
|
|
|
|
|
|
| |
Value |
|
|
|
|
|
|
|
|
|
|
|
|
|
|
| |
In-process inventory |
| $ | 000 |
|
|
| - |
|
|
| - |
|
|
| - |
|
Plant inventory |
| $ | 000 |
|
|
| - |
|
|
| - |
|
|
| 1,343 |
|
Conversion inventory - produced |
| $ | 000 |
|
|
| 7,488 |
|
|
| 7,488 |
|
|
| 1,228 |
|
Conversion inventory - purchased |
| $ | 000 |
|
|
| 435 |
|
|
| 2,415 |
|
|
| - |
|
|
| $ | 000 |
|
|
| 7,923 |
|
|
| 9,903 |
|
|
| 2,571 |
|
|
|
|
|
|
|
|
|
|
|
|
|
|
|
|
|
|
Cost per Pound |
|
|
|
|
|
|
|
|
|
|
|
|
|
|
|
|
In-process inventory |
| $/lb |
|
|
| - |
|
|
| - |
|
|
| - |
| |
Plant inventory |
| $/lb |
|
|
| - |
|
|
| - |
|
|
| 60.28 |
| |
|
|
|
|
|
|
|
|
|
|
|
|
|
|
|
|
|
Conversion inventory - produced |
| $/lb |
|
|
| 28.04 |
|
|
| 28.04 |
|
|
| 28.04 |
| |
Conversion inventory - purchased |
| $/lb |
|
|
| 25.98 |
|
|
| 42.56 |
|
|
| - |
| |
Conversion inventory weighted average |
| $/lb |
|
|
| 27.92 |
|
|
| 30.58 |
|
|
| 28.04 |
| |
|
|
|
|
|
|
|
|
|
|
|
|
|
|
|
|
|
Produced conversion inventory detail |
|
|
|
|
|
|
|
|
|
|
|
|
|
|
|
|
Ad valorem and severance tax |
| $/lb |
|
|
| 0.59 |
|
|
| 0.59 |
|
|
| 0.59 |
| |
Cash cost |
| $/lb |
|
|
| 18.60 |
|
|
| 18.60 |
|
|
| 18.60 |
| |
Non-cash cost |
| $/lb |
|
|
| 8.85 |
|
|
| 8.85 |
|
|
| 8.85 |
| |
|
| $/lb |
|
|
| 28.04 |
|
|
| 28.04 |
|
|
| 28.04 |
| |
At the end of the 2021, we had 283,790 pounds of U3O8 at the conversion facility including 267,049 produced pounds at an average cost per pound of $28.04, and 16,741 purchased pounds at an average cost of $25.98 per pound. During 2022, we purchased 40,000 pounds at $49.50 per pound, which increased the average cost per pound purchased to $42.56. In 2023 Q1, we delivered 100,000 pounds U3O8 to the DOE and in 2023 H2 we delivered 180,000 pounds into term contracts, which lowered the ending conversion facility inventory to 43,790 pounds.
We did not make any shipments to the conversion facility in 2023. The cost per produced pound at the conversion facility did not change during the year because there were no shipments delivered to the conversion facility. As discussed above, we resumed operations in 2023, which resulted in increases to our in-process and plant inventories during the year.
| 60 |
| Table of Contents |
Year Ended December 31, 2023, Compared to Year Ended December 31, 2022
The following table summarizes the results of operations for the years ended December 31, 2023, and 2022:
|
| Year Ended December 31, | ||||||||||
|
| 2023 |
|
| 2022 |
|
| Change |
| |||
|
|
|
|
|
|
|
|
|
| |||
Sales |
|
| 17,679 |
|
|
| 19 |
|
|
| 17,660 |
|
Cost of sales |
|
| (19,365 | ) |
|
| (6,861 | ) |
|
| (12,504 | ) |
Gross loss |
|
| (1,686 | ) |
|
| (6,842 | ) |
|
| 5,156 |
|
|
|
|
|
|
|
|
|
|
|
|
|
|
Operating costs |
|
| (29,156 | ) |
|
| (12,952 | ) |
|
| (16,204 | ) |
Loss from operations |
|
| (30,842 | ) |
|
| (19,794 | ) |
|
| (11,048 | ) |
|
|
|
|
|
|
|
|
|
|
|
|
|
Net interest expense |
|
| 1,471 |
|
|
| (463 | ) |
|
| 1,934 |
|
Warrant mark to market gain (loss) |
|
| (1,586 | ) |
|
| 1,835 |
|
|
| (3,421 | ) |
Foreign exchange gain |
|
| 325 |
|
|
| 27 |
|
|
| 298 |
|
Other income (loss) |
|
| (24 | ) |
|
| 1,255 |
|
|
| (1,279 | ) |
Net loss |
|
| (30,656 | ) |
|
| (17,140 | ) |
|
| (13,516 | ) |
|
|
|
|
|
|
|
|
|
|
|
|
|
Foreign currency translation adjustment |
|
| (547 | ) |
|
| 123 |
|
|
| (670 | ) |
Comprehensive loss |
|
| (31,203 | ) |
|
| (17,017 | ) |
|
| (14,186 | ) |
|
|
|
|
|
|
|
|
|
|
|
|
|
Loss per common share: |
|
|
|
|
|
|
|
|
|
|
|
|
Basic |
|
| (0.12 | ) |
|
| (0.08 | ) |
|
| (0.04 | ) |
Diluted |
|
| (0.12 | ) |
|
| (0.08 | ) |
|
| (0.04 | ) |
|
|
|
|
|
|
|
|
|
|
|
|
|
U3O8 pounds sold |
|
| 280,000 |
|
|
| - |
|
|
| 280,000 |
|
|
|
|
|
|
|
|
|
|
|
|
|
|
U3O8 price per pound sold |
|
| 61.89 |
|
|
| - |
|
|
| 61.89 |
|
|
|
|
|
|
|
|
|
|
|
|
|
|
U3O8 cost per pound sold |
|
| 30.99 |
|
|
| - |
|
|
| 30.99 |
|
|
|
|
|
|
|
|
|
|
|
|
|
|
U3O8 gross profit per pound sold |
|
| 30.90 |
|
|
| - |
|
|
| 30.90 |
|
Sales
We had no U3O8 sales in 2022. As previously disclosed, we put in place new, multi-year, sales contracts in 2022 and we realized U3O8 revenues of $17.3 million from the sale of 280,000 pounds of U3O8 in 2023 through sales to the DOE and into the new term agreements. We also realized revenues of $0.4 million from disposal fees in 2023.
Cost of Sales
Including NRV cost of sales adjustments, cost of sales was $19.4 million and $6.9 million for the years ended December 31, 2023, and 2022, respectively. Excluding NRV adjustments, cost of sales was $8.7 million and nil for the years ended December 31, 2023, and 2022, respectively. All sales in 2023 were from existing conversion facility inventories that the Company had in place at the end of 2022. We sold 223,259 produced pounds U3O8 with a cost per pound sold of $28.04 and 56,741 purchased pounds at a cost per pound sold of $42.56, which resulted in a total U3O8 cost of sales of $8.7 million in 2023.
| 61 |
| Table of Contents |
Cost of sales in 2023 included $10.7 million of NRV adjustments. In 2022, cost of sales included only NRV adjustments as we had no U3O8 sales in 2022. Because of low production rates, inventory valuations, which include production costs, exceeded the inventory’s NRV. As a result, the inventory valuations were reduced to the inventory’s NRV, effectively expensing the production costs to cost of sales during those years. As plant production increases in 2024, we expect the NRV adjustments to decrease and ultimately stop.
Gross Loss
Including NRV adjustments, the gross loss was $1.7 million and $6.8 million for the years ended December 31, 2023, and 2022, respectively. Excluding the NRV adjustments, we realized gross profits of $8.7 million and nil for the years ended December 31, 2023, and 2022, respectively. We were pleased to generate positive gross profits from uranium sales in 2023.
Operating Costs
The following table summarizes the operating costs for the years ended December 31, 2023, and 2022:
(expressed in thousands of U.S. dollars)
|
| Year Ended December 31, | ||||||||||
Operating Costs |
| 2023 |
|
| 2022 |
|
| Change |
| |||
|
|
|
|
|
|
|
|
|
| |||
Exploration and evaluation |
|
| 2,109 |
|
|
| 1,769 |
|
|
| 340 |
|
Development |
|
| 20,396 |
|
|
| 4,686 |
|
|
| 15,710 |
|
General and administration |
|
| 6,154 |
|
|
| 6,037 |
|
|
| 117 |
|
Accretion |
|
| 497 |
|
|
| 460 |
|
|
| 37 |
|
|
|
| 29,156 |
|
|
| 12,952 |
|
|
| 16,204 |
|
Total operating costs increased $16.2 million in 2023. The increase was primarily due to development costs, which increased $15.7 million due to ramp up activities at Lost Creek.
Exploration and evaluation expense consists of labor and the associated costs of the exploration, evaluation, and regulatory departments, as well as land holding and exploration costs on properties that have not reached the development or operations stage. The $0.3 million increase in 2023 was primarily due to higher labor costs.
Development expenses include costs not directly attributable to production activities, including wellfield construction, drilling, and development costs. It also includes costs associated with the Shirley Basin Project, which is at a more advanced stage. Ramp up activities in 2023 focused on the development of Mine Unit 2 and the resumption of uranium production at Lost Creek. Drilling and related supply costs accounted for $11.0 million of the increase and labor and outside services accounted for another $1.9 million of the increase. The remainder of the increase was primarily related to equipment rental and infrastructure costs.
General and administration expenses relate to the administration, finance, investor relations, land, and legal functions, and consist principally of personnel, facility, and support costs. The $0.1 million increase in 2023 was primarily related to higher labor costs that were partially offset by lower non-cash costs.
| 62 |
| Table of Contents |
Other Income and Expenses
Net interest increased from interest expense of $0.5 million in 2022 to interest income of $1.5 million in 2023, reflecting higher interest income received on our bank accounts and lower interest expense following the resumption of principal payments on the Company’s state bond loan. The higher interest income was driven by a combination of higher interest rates and higher cash balances.
For the year ended December 31, 2023, the warrant liability increased significantly due to new warrants issued in February 2023 and changes in the factors associated with the related Black-Scholes calculations used to determine the warrant liability. The warrant liability revaluation resulted in a loss of $1.6 million as compared to a gain of $1.8 million in 2022.
As a result of the February 2023 underwritten public offering, Ur-Energy Inc. received approximately $43.1 million in net proceeds. Because the functional currency of Ur‑Energy Inc., the parent company entity, is Canadian dollars, the U.S. dollar funds were revalued into Canadian dollars, which resulted in a $0.3 million foreign exchange gain in 2023. The U.S. dollar funds were moved into the Company’s U.S. subsidiary company shortly after the underwritten public offering, which greatly reduced the magnitude of any subsequent revaluations. There was no similar foreign exchange gain in 2022.
During March 2022, we sold a royalty interest related to Strata Energy’s Lance Uranium ISR Project for $1.3 million. There were no assets related to the royalty on our balance sheet, therefore the entire amount was recognized as other income. In 2023, there were no significant other income or loss transactions.
Earnings (loss) per Common Share
The basic and diluted loss per common share was $0.12 and $0.08 for the years ended December 31, 2023, and 2022, respectively. The diluted loss per common share is equal to the basic loss per common share due to the anti-dilutive effect of all convertible securities in periods of loss.
Liquidity and Capital Resources
As of December 31, 2023, we had cash resources of $59.7 million, which was an increase of $26.7 million from the $33.0 million balance on December 31, 2022. Cash resources consist of Canadian and U.S. dollar denominated deposit and money market fund accounts. During 2023, we generated $46.1 million from financing activities and used $17.0 million for operating activities, $2.0 million for investing activities, and increased restricted cash by $0.4 million.
Operating activities used $17.0 million of cash in 2023. We received $17.3 million from the sale of uranium, $0.4 million from disposal fees, and $2.0 million of interest income. We spent $9.2 million on production related cash costs and $27.6 million on cash operating costs, and we paid $0.5 million in interest payments on our state bond loan. Working capital and other items generated $0.6 million in cash.
Investing activities used $2.0 million of cash in 2023. We spent $0.8 million to complete the construction of our new Casper, Wyoming shop and lab building, $0.8 million on plant related equipment at Lost Creek, and $0.4 million on IT and other equipment.
Financing activities provided $46.1 million in cash in 2023. We received net proceeds of $43.1 million from the February 2023 underwritten public offering, $6.8 million through our At Market facility, $1.4 million from the exercise of stock options, and $0.3 million from the exercise of warrants. We spent $5.4 million on principal payments for our state bond loan and $0.1 million RSU redemption related costs.
| 63 |
| Table of Contents |
Wyoming State Bond Loan
On October 23, 2013, we closed a $34.0 million Sweetwater County, State of Wyoming, Taxable Industrial Development Revenue Bond financing program loan (“State Bond Loan”). The State Bond Loan calls for payments of interest at a fixed rate of 5.75% per annum on a quarterly basis, which commenced January 1, 2014. The principal was to be payable in 28 quarterly installments, which commenced January 1, 2015. The State Bond Loan is secured by all the assets of the Lost Creek Project. As of December 31, 2023, the balance of the State Bond Loan was $5.7 million.
On October 1, 2019, the Sweetwater County Commissioners and the State of Wyoming approved an eighteen-month deferral of principal payments beginning October 1, 2019. On October 6, 2020, the State Bond Loan was again modified to defer principal payments for an additional eighteen months. Quarterly principal payments were resumed on October 1, 2022, with the last payment due on October 1, 2024.
On February 29, 2024, we provided notice to Sweetwater County, the State Treasurer and the Trustee of our intention to prepay all remaining amounts on the State Bond Loan on April 1, 2024.
Universal Shelf Registration and At Market Facility
On May 29, 2020, we entered into an At Market Issuance Sales Agreement (the “Sales Agreement”) with B. Riley Securities, Inc. (“B. Riley Securities”), relating to our common shares. On June 7, 2021, we amended and restated the Sales Agreement to include Cantor Fitzgerald & Co. (“Cantor,” and together with B. Riley Securities, the “Agents”) as a co-agent. Under the Sales Agreement, as amended, we may, from time to time, issue and sell common shares at market prices on the NYSE American or other U.S. market through the agents for aggregate sales proceeds of up to $50 million. The Sales Agreement was originally filed in conjunction with a universal shelf registration statement on Form S-3 which had become effective May 27, 2020, and has now expired.
On November 23, 2021, we filed a new universal shelf registration statement on Form S-3 with the SEC through which we may offer and sell, from time to time, in one or more offerings, at prices and terms to be determined, up to $100 million of our common shares, warrants to purchase our common shares, our senior and subordinated debt securities, and rights to purchase our common shares and/or senior and subordinated debt securities. The registration statement became effective December 17, 2021, for a three-year period.
On December 17, 2021, we entered into an amendment to the Sales Agreement with the Agents to, among other things, reflect the new registration statement under which we may sell up to $50 million from time to time through or to the Agents under the amended Sales Agreement, in addition to amounts previously sold under the Sales Agreement. In February 2023, in conjunction with our underwritten public offering, we filed a prospectus supplement by which we decreased the amount of common stock offered pursuant to the Amended Sales Agreement.
On June 28, 2023, we filed a new universal shelf registration statement on Form S-3 with the SEC through which we may offer and sell, from time to time, in one or more offerings, at prices and terms to be determined, up to $175 million of our common shares, warrants to purchase our common shares, our senior and subordinated debt securities, and rights to purchase our common shares and/or senior and subordinated debt securities. The registration statement became effective July 19, 2023, for a three-year period.
On July 19, 2023, we entered into a further amendment to the Amended Sales Agreement (“Amendment No. 2” and hereafter the “Amended Sales Agreement”) with the Agents to, among other things, reflect the new registration statement under which we may sell up to $50 million from time to time through or to the Agents under the Amended Sales Agreement, in addition to amounts previously sold under the Sales Agreement.
In 2023, we utilized the Sales Agreement and Amended Sales Agreement for net proceeds of $6.8 million from sales of 4,425,809 common shares.
As of the date of this annual report, we have issued and sold a total of 6,499,309 common shares having aggregate gross proceeds of approximately $10.7 million since July 19, 2023, under the Amended Sales Agreement.
| 64 |
| Table of Contents |
2020 Registered Direct Offering
On August 4, 2020, the Company closed a $4.68 million registered direct offering of 9,000,000 common shares and accompanying one-half common share warrants to purchase up to 4,500,000 common shares, at a combined public offering price of $0.52 per common share and accompanying warrant, with gross proceeds to the Company of $4.68 million. After fees and expenses of $0.4 million, net proceeds to the Company were $4.3 million. The warrants were all exercised prior to expiry in August 2022.
2021 Underwritten Public Offering
On February 4, 2021, the Company closed a $15.2 million underwritten public offering of 16,930,530 common shares and accompanying one-half common share warrants to purchase up to 8,465,265 common shares, at a combined public offering price of $0.90 per common share and accompanying one-half common share warrant. The gross proceeds to Ur‑Energy from this offering were approximately $15.2 million. After fees and expenses of $1.3 million, net proceeds to the Company were approximately $13.9 million. The warrants were all exercised prior to expiry in February 2024.
2023 Underwritten Public Offering
On February 21, 2023, the Company closed a $46.1 million underwritten public offering of 39,100,000 common shares and accompanying warrants to purchase up to 19,550,000 common shares, at a combined public offering price of $1.18 per common share and accompanying warrant. The gross proceeds to Ur‑Energy from this offering were approximately $46.1 million. After fees and expenses of $3.0 million, net proceeds to the Company were approximately $43.1 million. The warrants expire in February 2026.
Liquidity Outlook
As of February 29, 2024, our unrestricted cash position was $66.2 million.
During 2022, we put in place new, multi-year, sales contracts and realized revenues of $17.3 million from the sale of 280,000 pounds of uranium in 2023. We had 43,790 pounds of conversion facility inventory on December 31, 2023. Deliveries into term contracts in 2024 are expected to be made from existing conversion facility inventory and new production from Lost Creek. Subsequent to December 31, 2023, 16,361,500 warrants were exercised for 8,180,750 whole common shares at an average exercise price of $1.35 per share. The Company received proceeds of $11.0 million from the exercises.
Looking Ahead
Our ramp-up decision in December 2022 laid our foundation for 2023. Notwithstanding the historic 2022-2023 winter endured in Wyoming, we advanced our wellfield construction and development plans and returned to commercial production operations at Lost Creek in Q2, with production initiated in HH 2-4. Subsequently, production has been brought online in HHs 2-5 and 2-6, and HH 2-7 is anticipated to come online in early March 2024. We anticipate additional header houses in MU2 will be brought online throughout the year to meet our production goals.
| 65 |
| Table of Contents |
We continued to diligently work to optimize processes and refine production operations, including in the recommissioning of the Lost Creek plant equipment and processes. At February 29, 2024, the plant processing and drying operations were performing routinely, with approximately 32,000 pounds U3O8 drummed thus far in 2024.
We expect 2024 production from MU2 to be between 650,000 and 750,000 pounds, with approximately 600,000 to 700,000 pounds U3O8 drummed and packaged during the year. We made our first shipment of U3O8 to the converter in February 2024 and anticipate routine shipments throughout the year.
We have contractual commitments, secured in 2022, for deliveries of 570,000 pounds U3O8 during 2024. Currently, in addition to delivering into our term sales obligations, we plan to build inventory at the conversion facility and therefore do not foresee making deliveries into spot market contracts this year. We will, however, continue to monitor spot market pricing and may make spot sales if warranted.
Uranium spot prices strengthened throughout 2023 and into 2024, with pricing averaging approximately $63 per pound U3O8 in 2023 and reaching highs above $90 per pound U3O8 during the year. Spot pricing thus far in 2024 has returned to prices over $100 per pound, although it was reported at $95 per pound at February 29, 2024. As discussed above, nuclear utilities and other purchasers are back in the market, moving not only spot pricing, but term pricing as well, which exceeded $70 per pound U3O8 at the end of January 2024.
As the spot and term prices of uranium enjoyed sustained increases in the latter part of 2023, we saw a dramatic increase in request for proposals (“RFPs”) for uranium sales from U.S., European and Asian utilities, and other global fuel buyers. We have responded to the RFPs with increasing prices commensurate with improvements in the market and recognizing the premium paid for North American production due to its geopolitical stability.
We recently signed our fourth agreement calling for deliveries of a base annual quantity ranging from 100,000 to 350,000 pounds U3O8 from 2026 through 2030. The purchaser may flex the annual quantity up or down by as much as ten percent. This agreement provides in part for market-related pricing. Additionally, we have signed our fifth U3O8 sales agreement which includes delivery commitments for five years beginning in 2026, with an initial delivery of 50,000 pounds U3O8 in 2026. In each of 2027- 2030, we will sell 200,000 pounds U3O8 annually under this agreement. All sales will be made at fixed prices, escalated from the base agreed price.
All major permits and authorizations for our Shirley Basin Project are in place. As we are growing our sales contract book, and with the continuing improvements in the market, we have initiated procurement of long-lead time items for the Shirley Basin satellite facility, and are advancing other activities at the site, with the objective of shortening construction and ramp-up when the decision is made to proceed with construction. We continue to consider the market and our growing contract book to make a construction decision with respect to Shirley Basin.
Global recognition of nuclear energy’s role in achieving net-zero carbon emissions continues to expand. G7 nations are prioritizing nuclear energy as clean baseload energy which provides nations with high-quality jobs, economic growth and, importantly, greater energy security. As well, multiple nations as well as global nuclear fuel purchasers are recognizing the stability and security of North American uranium for nuclear energy.
We are pleased to be one of the few publicly traded companies that is commercially recovering uranium and expanding our production capacity to sell into an expanding market. As discussed, stronger prices have already enabled us to secure multi-year sales agreements with leading nuclear companies. We are securing pricing which includes a market-related calculation on recent awards and contracts. We now have five agreements that call for combined annual delivery of a base amount of 550,000 to 1,100,000 pounds of U3O8 over a six-year period, beginning in 2025. Our sales under these agreements began in 2023 and call for an additional 570,000 pounds of U3O8 to be delivered in 2024. Sales prices are anticipated to be profitable on an all-in production cost basis and escalate annually from initial pricing.
Our cash position as of February 29, 2024 was $66.2 million. We look forward to delivering existing and future Lost Creek production inventory into our sales contracts.
| 66 |
| Table of Contents |
We will continue to closely monitor the uranium markets, and other developments, which may positively affect the uranium production industry and provide the opportunity to put in place additional off-take sales contracts at pricing sufficient to justify further expansion of production at Lost Creek and to support a decision to construct Shirley Basin. As always, we will focus on maintaining safe and compliant operations.
Outstanding Share Data
As of December 31, 2023, and 2022, the Company’s capital consisted of the following:
Share Data |
| December 31, 2023 |
|
| December 31, 2022 |
| ||
|
|
|
|
|
|
| ||
Common shares |
|
| 270,898,900 |
|
|
| 224,699,621 |
|
|
|
|
|
|
|
|
|
|
Shares issuable upon the exercise or redemption of: |
|
|
|
|
|
|
|
|
Stock options |
|
| 8,900,335 |
|
|
| 8,574,904 |
|
Restricted share units |
|
| 641,910 |
|
|
| 305,530 |
|
Warrants |
|
| 27,708,750 |
|
|
| 8,365,265 |
|
|
|
|
|
|
|
|
|
|
|
|
| 308,149,895 |
|
|
| 241,945,320 |
|
Off Balance Sheet Arrangements
We have not entered any material off balance sheet arrangements such as guaranteed contracts, contingent interests in assets transferred to unconsolidated entities, derivative instrument obligations, or with respect to any obligations under a variable interest entity arrangement.
Financial Instruments and Other Instruments
As of December 31, 2023, and 2022, the Company’s cash, cash equivalents, and restricted cash are composed of:
(expressed in thousands of U.S. dollars)
Cash, Cash Equivalents, and Restricted Cash |
| December 31, 2023 |
|
| December 31, 2022 |
| ||
|
|
|
|
|
|
| ||
Cash and cash equivalents |
|
| 59,700 |
|
|
| 33,003 |
|
Restricted cash |
|
| 8,549 |
|
|
| 8,137 |
|
|
|
| 68,249 |
|
|
| 41,140 |
|
Quarterly financial data (unaudited and expressed in thousands except per share data)
|
| Quarter Ended |
| |||||||||||||||||||||||||||||
|
| 2023 |
|
| 2022 |
| ||||||||||||||||||||||||||
|
| 12/31 |
|
| 9/30 |
|
| 6/30 |
|
| 3/31 |
|
| 12/31 |
|
| 9/30 |
|
| 6/30 |
|
| 3/31 |
| ||||||||
|
|
|
|
|
|
|
|
|
|
|
|
|
|
|
|
|
|
|
|
|
|
|
|
| ||||||||
Sales |
|
| 5,441 |
|
|
| 5,752 |
|
|
| 39 |
|
|
| 6,447 |
|
|
| - |
|
|
| - |
|
|
| 19 |
|
|
| - |
|
Net income (loss) |
|
| (5,472 | ) |
|
| (17,187 | ) |
|
| (7,284 | ) |
|
| (713 | ) |
|
| (4,897 | ) |
|
| (4,962 | ) |
|
| (353 | ) |
|
| (6,928 | ) |
|
|
|
|
|
|
|
|
|
|
|
|
|
|
|
|
|
|
|
|
|
|
|
|
|
|
|
|
|
|
|
|
|
Income (loss) per common share: |
|
|
|
|
|
|
|
|
|
|
|
|
|
|
|
|
|
|
|
|
|
|
|
|
|
|
|
|
|
|
|
|
Basic |
|
| (0.02 | ) |
|
| (0.07 | ) |
|
| (0.03 | ) |
|
| - |
|
|
| (0.02 | ) |
|
| (0.03 | ) |
|
| - |
|
|
| (0.03 | ) |
Diluted |
|
| (0.02 | ) |
|
| (0.07 | ) |
|
| (0.03 | ) |
|
| - |
|
|
| (0.02 | ) |
|
| (0.03 | ) |
|
| - |
|
|
| (0.03 | ) |
| 67 |
| Table of Contents |
Credit risk
Financial instruments that potentially subject the Company to concentrations of credit risk consist of cash and cash equivalents, and restricted cash. These assets include Canadian dollar and U.S. dollar denominated certificates of deposit, money market accounts, and demand deposits. These instruments are maintained at financial institutions in Canada and the U.S. Of the amount held on deposit, approximately $0.6 million is covered by the Canada Deposit Insurance Corporation, the Securities Investor Protection Corporation, or the U.S. Federal Deposit Insurance Corporation, leaving approximately $68.0 million at risk on December 31, 2023, should the financial institutions with which these amounts are invested be rendered insolvent. The Company does not consider any of its financial assets to be impaired as of December 31, 2023.
Liquidity risk
Liquidity risk is the risk that the Company will not be able to meet its financial obligations as they come due. As of December 31, 2023, the Company’s current financial liabilities consisted of accounts payable and accrued liabilities of $2.4 million, and the current portion of notes payable of $5.7 million. As of December 31, 2023, we had $59.7 million of cash and cash equivalents, and $0.1 million in accounts receivable.
Item 7A. QUANTITATIVE AND QUALITATIVE DISCLOSURES ABOUT MARKET RISK
Market risk
Market risk is the risk to the Company of adverse financial impact due to changes in the fair value or future cash flows of financial instruments because of fluctuations in interest rates and foreign currency exchange rates.
Interest rate risk
Financial instruments that expose the Company to interest rate risk are its cash equivalents, deposits, restricted cash, and debt financings. Our objectives for managing our cash and cash equivalents are to always maintain sufficient funds on hand to meet day-to-day requirements and to place any amounts that are considered more than day-to-day requirements on short-term deposit with the Company's financial institutions to earn interest.
Currency risk
As of December 31, 2023, we maintained a balance of approximately $2.8 million Canadian dollars. The funds will be used to pay Canadian dollar expenses and are considered to be a low currency risk to the Company. A hypothetical 10% weakening in the exchange rate of the Canadian dollar to the U.S. dollar as of December 31, 2023 would not have a material effect on our results of operations, financial position, or cash flows.
Commodity Price Risk
The Company is subject to market risk related to the market price of uranium. Future sales would be impacted by both spot and long-term uranium price fluctuations. Historically, uranium prices have been subject to fluctuation, and the price of uranium has been and will continue to be affected by numerous factors beyond our control, including the demand for nuclear power, political and economic conditions, governmental legislation in uranium producing and consuming countries, and production levels and costs of production of other producing companies. The average spot market price was $95.00 per pound as of February 29, 2024.
| 68 |
| Table of Contents |
Transactions with Related Parties
During the fiscal year ended December 31, 2023, we did not participate in any reportable transactions with related parties.
Proposed Transactions
As is typical of the mineral exploration, development, and mining industry, we will consider and review potential merger, acquisition, investment and venture transactions and opportunities that could enhance shareholder value. Timely disclosure of such transactions is made as soon as reportable events arise.
New Accounting Pronouncements Which were Implemented this Year
None.
Critical Accounting Policies and Estimates
We have established the existence of uranium resources at the Lost Creek Property, but because of the unique nature of in situ recovery mines, we have not established, and have no plans to establish, the existence of proven and probable reserves at this project. Accordingly, we have adopted an accounting policy with respect to the nature of items that qualify for capitalization for in situ U3O8 mining operations to align our policy to the accounting treatment that has been established as best practice for these types of mining operations.
The development of the wellfield includes injection, production and monitor well drilling and completion, piping within the wellfield and to the processing facility and header houses used to monitor production and disposal wells associated with the operation of the mine. These costs are expensed when incurred.
Mineral Properties
Acquisition costs of mineral properties are capitalized. When production is attained at a property, these costs will be amortized over a period of estimated benefit.
Development costs including, but not limited to, production wells, header houses, piping and power will be expensed as incurred as we have no proven and probable reserves.
Exploration, Evaluation, and Development Costs
Exploration and evaluation expenses consist of labor, annual mineral lease and maintenance fees and associated costs of the exploration geology department as well as land holding and exploration costs including drilling and analysis on properties which have not reached the permitting or operations stage. Development expense relates to the Company’s Lost Creek, LC East, Lucky Mc and Shirley Basin projects, which are more advanced in terms of permitting and preliminary economic assessments. Development expenses include all costs associated with exploring, delineating, and permitting new or expanded mine units, the costs associated with the construction and development of permitted mine units including wells, pumps, piping, header houses, roads and other infrastructure related to the preparation of a mine unit to begin extraction operations as well as the cost of drilling and completing disposal wells.
| 69 |
| Table of Contents |
Capital Assets
Property, plant, and equipment assets, including machinery, processing equipment, enclosures, vehicles, and expenditures that extend the life of such assets, are recorded at cost including acquisition and installation costs. The enclosure costs include both the building housing and the processing equipment necessary for the extraction of uranium from impregnated water pumped in from the wellfield to the packaging of uranium yellowcake for delivery into sales. These enclosure costs are combined as the equipment and related installation associated with the equipment is an integral part of the structure itself. The costs of self-constructed assets include direct construction costs, direct overhead, and allocated interest during the construction phase.
Impairment of Long-lived Assets
The Company assesses the possibility of impairment in the net carrying value of its long-lived assets when events or circumstances indicate that the carrying amounts of the asset or asset group may not be recoverable. When potential impairment is indicated, management calculates the estimated undiscounted future net cash flows relating to the asset or asset group using estimated future prices, recoverable resources, and operating, capital, and reclamation costs. When the carrying value of an asset exceeds the related undiscounted cash flows, the asset is written down to its estimated fair value, which is determined using discounted future net cash flows, or other measures of fair value.
Depreciation
Depreciation is calculated using a declining balance method for most assets except for the plant enclosure and related equipment. Depreciation on the plant enclosure and related equipment is calculated on a straight-line basis. Estimated lives for depreciation purposes range from three years for computer equipment and software to 20 years for the plant enclosure and the nameplate life of the related equipment.
The depreciable life of the Lost Creek plant, equipment, and enclosure was determined to be the nameplate life of the equipment housed in the processing plant as plans exist to continue to process materials from other sources, such as Shirley Basin, beyond the estimated production at the Lost Creek Property.
Inventory and Cost of Sales
Our inventories are measured at the lower of cost or net realizable value based on projected revenues from the sale of that product. We are allocating all costs of operations of the Lost Creek facility to the inventory valuation at various stages of production except for wellfield construction and disposal well costs which are treated as development expenses when incurred. Depreciation of facility enclosures, equipment, and asset retirement obligations as well as amortization of the acquisition cost of the related property is also included in the inventory valuation. We do not allocate any administrative or other overhead to the cost of the product.
Asset Retirement Obligations
For mining properties, various federal and state mining laws and regulations require the Company to reclaim the surface areas and restore groundwater quality to the pre-existing quality or class of use after the completion of mining. The Company records the fair value of an asset retirement obligation as a liability in the period in which it incurs an obligation associated with the retirement of tangible long-lived assets that result from the acquisition, construction, development and/or normal use of the assets.
Asset retirement obligations consist of estimated final well abandonments, plant closure and removal and associated reclamation and restoration costs to be incurred by the Company in the future. The estimated fair value of the asset retirement obligation is based on the current cost escalated at an inflation rate and discounted at a credit adjusted risk-free rate. This liability is capitalized as part of the cost of the related asset and amortized over its remaining productive life. The liability accretes until it reaches the estimated future reclamation cost and remains until the Company settles the obligation.
| 70 |
| Table of Contents |
Share-Based Compensation
We are required to initially record all equity instruments including warrants, restricted share units and stock options at fair value in the financial statements.
Management utilizes the Black-Scholes model to calculate the fair value of the warrants and stock options at the time they are issued. Use of the Black-Scholes model requires management to make estimates regarding the expected volatility of the Company’s stock over the future life of the equity instrument, the estimate of the expected life of the equity instrument and the number of options that are expected to be forfeited. Determination of these estimates requires significant judgment and requires management to formulate estimates of future events based on a limited history of actual results.
The fair value of the restricted share units is based on the intrinsic method, which uses the closing price of the common shares on the trading day immediately preceding the date of the grant.
Income taxes
The Company accounts for income taxes under the asset and liability method which requires the recognition of future income tax assets and liabilities for the expected future tax consequences of temporary differences between the carrying amounts and tax bases of assets and liabilities. The Company provides a valuation allowance on future tax assets unless it is more likely than not that such assets will be realized.
Item 8. FINANCIAL STATEMENTS AND SUPPLEMENTARY DATA
The financial statements required by this Item 8 are set forth in Item 15.
Our Consolidated Financial Statements and the Report of Independent Registered Public Accounting Firm (PCAOB ID
Item 9. CHANGES IN AND DISAGREEMENTS WITH ACCOUNTANTS ON ACCOUNTING AND FINANCIAL DISCLOSURE
None.
Item 9A. CONTROLS AND PROCEDURES
(a) Evaluation of Disclosure Controls and Procedures
As of the fiscal year ended December 31, 2023, under the supervision of the Chief Executive Officer and the Chief Financial Officer, the Company evaluated the effectiveness of its disclosure controls and procedures, as such term is defined in Rule 13a-15(e) and Rule 15d-15(e) under the Securities Exchange Act of 1934 (the “Exchange Act”). Based on this evaluation, the Chief Executive Officer and the Chief Financial Officer have concluded that the Company’s disclosure controls and procedures are effective to ensure that information the Company is required to disclose in reports that are filed or submitted under the Exchange Act: (1) is recorded, processed and summarized effectively and reported within the time periods specified in SEC rules and forms, and (2) is accumulated and communicated to Company management, including the Chief Executive Officer and the Chief Financial Officer, as appropriate to allow timely decisions regarding required disclosure. The Company’s disclosure controls and procedures include components of internal control over financial reporting. No matter how well designed and operated, internal controls over financial reporting can provide only reasonable, but not absolute, assurance that the control system's objectives will be met.
| 71 |
| Table of Contents |
(b) Management’s Report on Internal Control over Financial Reporting
Pursuant to Section 404 of the Sarbanes-Oxley Act of 2002, the Company’s management is responsible for establishing and maintaining adequate internal control over financial reporting, as such term is defined in Exchange Act Rules 13a-15(f) and 15d-15(f). The Company’s internal control over financial reporting is a process designed to provide reasonable assurance regarding the reliability of financial reporting and the preparation of financial statements for external purposes in accordance with US GAAP.
All internal control systems, no matter how well designed, have inherent limitations. Therefore, even those systems determined to be effective can provide only reasonable assurance with respect to financial statement preparation and presentation. Because of the inherent limitations, internal control over financial reporting may not prevent or detect misstatements. Projections of any evaluation of effectiveness to future periods are subject to the risk that controls may become inadequate because of changes in conditions, or that the degree of compliance with the policies or procedures may deteriorate.
As of December 31, 2023, management assessed the effectiveness of the Company's internal control over financial reporting based on the criteria established in Internal Control-Integrated Framework (2013) issued by the Committee of Sponsoring Organizations of the Treadway Commission (COSO). Based on its assessment using those criteria, management concluded that the Company maintained effective internal control over financial reporting as of December 31, 2023.
(c) Attestation Report of Registered Public Accounting Firm
This annual report does not include an attestation report of the Company’s registered public accounting firm regarding internal controls over financial reporting. Management’s report was not subject to attestation by our registered public accounting firm pursuant to law, rules and regulations that permit us to provide only management’s report in this annual report.
(d) Changes in Internal Controls over Financial Reporting
No changes in our internal control over financial reporting occurred during the year ended December 31, 2023 that have materially affected, or are reasonably likely to materially affect, our internal control over financial reporting.
Item 9B. OTHER INFORMATION
None.
Item 9C. DISCLOSURE REGARDING FOREIGN JURISDICTIONS THAT PREVENT INSPECTIONS
None.
| 72 |
| Table of Contents |
PART III
Item 10. DIRECTORS, EXECUTIVE OFFICERS AND CORPORATE GOVERNANCE
Information relating to this item will be included in an amendment to this report or in the proxy statement for our 2024 Annual Meeting of Shareholders and is incorporated by reference in this report.
Code of Ethics
We have adopted a Code of Ethics (“Code”) which applies to all employees, officers, and directors. The full text of the Code is available on our website at https://www.ur‑energy.com/investors/corporate-governance/governance-documents/. We will post any amendments to, or waivers from, the Code on our corporate website or by filing a Current Report on Form 8‑K.
Item 11. EXECUTIVE COMPENSATION
Information relating to this item will be included in an amendment to this report or in the proxy statement for our 2024 Annual Meeting of Shareholders and is incorporated by reference in this report.
Item 12. SECURITY OWNERSHIP OF CERTAIN BENEFICIAL OWNERS AND MANAGEMENT AND RELATED STOCKHOLDER MATTERS
Information relating to this item will be included in an amendment to this report or in the proxy statement for our 2024 Annual Meeting of Shareholders and is incorporated by reference in this report.
Item 13. CERTAIN RELATIONSHIPS AND RELATED TRANSACTIONS, AND DIRECTOR INDEPENDENCE
Information relating to this item will be included in an amendment to this report or in the proxy statement for our 2024 Annual Meeting of Shareholders and is incorporated by reference in this report.
Item 14. PRINCIPAL ACCOUNTANT FEES AND SERVICES
Information relating to this item will be included in an amendment to this report or in the proxy statement for our 2024 Annual Meeting of Shareholders and is incorporated by reference in this report.
| 73 |
| Table of Contents |
PART IV
Item 15. Exhibits AND Financial statement schedules
Financial Statements and Financial Statement Schedules
The Consolidated Financial Statements filed as part of this Form 10-K begin on page F-1.
|
|
|
| Incorporated by Reference |
|
| ||||
Exhibit Number |
| Exhibit Description |
| Form |
| Filing Date of Report |
| Exhibit |
| Filed Herewith |
|
| S-3 |
| 1/10/2014 |
| 3.1 |
|
| ||
|
|
|
|
|
|
|
|
|
|
|
|
| S-3 |
| 1/10/2014 |
| 3.2 |
|
| ||
|
|
|
|
|
|
|
|
|
|
|
|
| 8-K |
| 2/25/2016 |
| 3.1 |
|
| ||
|
|
|
|
|
|
|
|
|
|
|
|
|
|
|
|
|
|
| x | ||
|
|
|
|
|
|
|
|
|
|
|
|
| 8-K |
| 2/4/2021 |
| 4.1 |
|
| ||
|
|
|
|
|
|
|
|
|
|
|
|
| 8-K |
| 2/21/2023 |
| 4.1 |
|
| ||
|
|
|
|
|
|
|
|
|
|
|
| Financing Agreement and Mortgage (State of Wyoming Industrial Revenue Bond Loan) |
| 6-K |
| 10/29/2013 |
| 99.1 |
|
| |
|
|
|
|
|
|
|
|
|
|
|
| Share Purchase Agreement and Registration Rights Agreement (Private Placement) |
| 6-K |
| 12/19/2013 |
|
|
|
| |
|
|
|
|
|
| |||||
|
| 10-K |
| 3/3/2014 |
| 10.9 |
|
| ||
|
|
|
|
|
|
|
| |||
|
| 10-K |
| 3/3/2014 |
| 10.10 |
|
| ||
|
|
|
|
|
|
|
| |||
|
| 10-K |
| 3/3/2014 |
| 10.11 |
|
| ||
|
|
|
|
|
|
|
| |||
|
| 10-K |
| 3/3/2014 |
| 10.12 |
|
| ||
|
|
|
|
|
|
|
|
|
|
|
|
| 8-K |
| 4/17/17 |
| 10.1 |
|
| ||
|
|
|
|
|
|
|
|
|
|
|
| Amended and Restated Restricted Share Unit & Equity Incentive Plan |
| 8-K |
| 4/16/2021 |
| 10.1 |
|
| |
| 74 |
| Table of Contents |
|
| 8-K |
| 5/29/2020 |
| 1.1 |
|
| ||
|
|
|
|
|
|
|
|
|
|
|
|
| 8-K |
| 6/9/2021 |
| 1.1 |
|
| ||
|
|
|
|
|
|
|
|
|
|
|
| Amendment No. 1 to the Amended and Restated At Market Issuance Sales Agreement |
| 8-K |
| 12/21/2021 |
| 1.2 |
|
| |
|
|
|
|
|
|
|
|
|
|
|
| Amendment No. 2 to the Amended and Restated At Market Issuance Sales Agreement |
| 8-K |
| 7/20/2023 |
| 3.1 |
|
| |
|
|
|
|
|
|
|
|
|
|
|
| Amendment to Financing Agreement and Third Amendment to Mortgage |
| 10-K |
| 2/26/2021 |
| 10.12 |
|
| |
|
|
|
|
|
|
|
|
|
|
|
|
| 8-K |
| 8/4/2020 |
| 10.1 |
|
| ||
|
|
|
|
|
|
|
|
|
|
|
|
| 10-K |
| 2/26/2021 |
| 10.17 |
|
| ||
|
|
|
|
|
|
|
|
|
|
|
|
| 10-K |
| 2/26/2021 |
| 10.18 |
|
| ||
|
|
|
|
|
|
|
|
|
|
|
|
| 10-K |
| 2/26/2021 |
| 10.19 |
|
| ||
|
|
|
|
|
|
|
|
|
|
|
|
| 10-K |
| 2/26/2021 |
| 10.20 |
|
| ||
|
|
|
|
|
|
|
|
|
|
|
|
| 10-Q |
| 5/1/2023 |
| 10.1 |
|
| ||
|
|
|
|
|
|
|
|
|
|
|
|
| 10-Q |
| 5/1/2023 |
| 10.2 |
|
| ||
|
|
|
|
|
|
|
|
|
|
|
|
|
|
|
| X | |||||
|
|
|
|
|
|
|
|
|
| |
|
|
|
|
|
|
|
| X | ||
|
|
|
|
|
|
|
|
|
|
|
|
|
|
|
|
|
|
| X | ||
|
|
|
|
|
|
|
|
|
|
|
|
|
|
|
|
|
|
| X |
| 75 |
| Table of Contents |
|
|
|
|
|
|
|
| X | ||
|
|
|
|
|
|
|
|
|
|
|
|
|
|
|
|
|
|
| X | ||
|
|
|
|
|
|
|
|
|
|
|
|
|
|
|
|
|
|
| X | ||
|
|
|
|
|
|
|
|
|
|
|
| Technical Report Summary on the Lost Creek ISR Uranium Property, Sweetwater County, Wyoming, USA |
|
|
|
|
|
|
| X | |
|
|
|
|
|
|
|
|
|
|
|
| Technical Report Summary on the Shirley Basin ISR Uranium Property, Carbon County, Wyoming, USA |
|
|
|
|
|
|
| X | |
|
|
|
|
|
|
|
|
|
|
|
|
|
|
|
|
|
|
| X | ||
|
|
|
|
|
|
|
|
|
|
|
101.INS |
| XBRL Instance Document |
|
|
|
|
|
|
| X |
|
|
|
|
|
|
|
|
|
|
|
101.SCH |
| XBRL Schema Document |
|
|
|
|
|
|
| X |
|
|
|
|
|
|
|
|
|
|
|
101.CAL |
| XBRL Calculation Linkbase Document |
|
|
|
|
|
|
| X |
|
|
|
|
|
|
|
|
|
|
|
101.DEF |
| XBRL Definition Linkbase Document |
|
|
|
|
|
|
| X |
|
|
|
|
|
|
|
|
|
|
|
101.LAB |
| XBRL Labels Linkbase Document |
|
|
|
|
|
|
| X |
|
|
|
|
|
|
|
|
|
|
|
101.PRE |
| XBRL Presentation Linkbase Document |
|
|
|
|
|
|
| X |
|
|
|
|
|
|
|
|
|
|
|
99.1 |
| Location maps (1) |
| 10-K | 3/3/2015 |
(1) Filed herewith under Items 1 and 2. Business and Properties.
Item 16. FORM 10-K SUMMARY
None.
| 76 |
| Table of Contents |
SIGNATURES
Pursuant to the requirements of Section 13 or 15(d) of the Securities Exchange Act of 1934, the registrant has duly caused this report to be signed on its behalf by the undersigned, thereunto duly authorized.
|
| UR-ENERGY INC. |
|
|
|
|
|
Date: March 6, 2024 | By: | /s/ John W. Cash |
|
|
| John W. Cash |
|
|
| Chief Executive Officer |
|
Pursuant to the requirements of the Securities Exchange Act of 1934, this report has been signed by the following persons on behalf of the registrant and in the capacities and on the dates indicated.
Date: March 6, 2024 | By: | /s/ John W. Cash |
|
|
| John W. Cash |
|
|
| Chief Executive Officer (Principal Executive Officer) |
|
|
|
|
|
Date: March 6, 2024 | By: | /s/ Roger L. Smith |
|
|
| Roger L. Smith |
|
|
| Chief Financial Officer (Principal Financial Officer and Principal Accounting Officer) |
|
|
|
|
|
Date: March 6, 2024 | By: | /s/ James M. Franklin |
|
|
| James M. Franklin |
|
|
| Director |
|
|
|
|
|
Date: March 6, 2024 | By: | /s/ W. William Boberg |
|
|
| W. William Boberg |
|
|
| Director |
|
|
|
|
|
Date: March 6, 2024 | By: | /s/ Thomas Parker |
|
|
| Thomas Parker |
|
|
| Director |
|
|
|
|
|
Date: March 6, 2024 | By: | /s/ Gary C. Huber |
|
|
| Gary C. Huber |
|
|
| Director |
|
|
|
|
|
Date: March 6, 2024 | By: | /s/ Kathy E. Walker |
|
|
| Kathy E. Walker |
|
|
| Director |
|
|
|
|
|
Date: March 6, 2024 | By: | /s/ Rob Chang |
|
|
| Rob Chang |
|
|
| Director |
|
| 77 |
| Table of Contents |
Ur-Energy Inc.
Headquartered in Littleton, Colorado
Consolidated Financial Statements
December 31, 2023
(expressed in thousands of U.S. dollars unless otherwise indicated)
| F-1 |
| Table of Contents |

Report of Independent Registered Public Accounting Firm
To the Shareholders and Board of Directors of Ur-Energy Inc.
Opinion on the Financial Statements
We have audited the accompanying consolidated balance sheets of Ur-Energy Inc. and its subsidiaries (together, the Company) as of December 31, 2023 and 2022, and the related consolidated statements of operations and comprehensive loss, changes in shareholders’ equity and cash flows for each of the three years in the period ended December 31, 2023, including the related notes (collectively referred to as the consolidated financial statements). In our opinion, the consolidated financial statements present fairly, in all material respects, the financial position of the Company as of December 31, 2023 and 2022, and the results of its operations and its cash flows for each of the three years in the period ended December 31, 2023 in conformity with accounting principles generally accepted in the United States of America.
Basis for Opinion
These consolidated financial statements are the responsibility of the Company’s management. Our responsibility is to express an opinion on the Company’s consolidated financial statements based on our audits. We are a public accounting firm registered with the Public Company Accounting Oversight Board (United States) (PCAOB) and are required to be independent with respect to the Company in accordance with the U.S. federal securities laws and the applicable rules and regulations of the Securities and Exchange Commission and the PCAOB.
We conducted our audits of these consolidated financial statements in accordance with the standards of the PCAOB. Those standards require that we plan and perform the audit to obtain reasonable assurance about whether the consolidated financial statements are free of material misstatement, whether due to error or fraud. The Company is not required to have, nor were we engaged to perform, an audit of its internal control over financial reporting. As part of our audits, we are required to obtain an understanding of internal control over financial reporting but not for the purpose of expressing an opinion on the effectiveness of the Company’s internal control over financial reporting. Accordingly, we express no such opinion.
Our audits included performing procedures to assess the risks of material misstatement of the consolidated financial statements, whether due to error or fraud, and performing procedures that respond to those risks. Such procedures included examining, on a test basis, evidence regarding the amounts and disclosures in the consolidated financial statements. Our audits also included evaluating the accounting principles used and significant estimates made by management, as well as evaluating the overall presentation of the consolidated financial statements. We believe that our audits provide a reasonable basis for our opinion.
Critical Audit Matters
The critical audit matter communicated below is a matter arising from the current period audit of the consolidated financial statements that was communicated or required to be communicated to the audit committee and that (i) relates to accounts or disclosures that are material to the consolidated financial statements and (ii) involved our especially challenging, subjective or complex judgments. The communication of critical audit matters does not alter in any way our opinion on the consolidated financial statements, taken as a whole, and we are not, by communicating the critical audit matter below, providing a separate opinion on the critical audit matter or on the accounts or disclosures to which it relates.
PricewaterhouseCoopers LLP
PricewaterhouseCoopers Place, 250 Howe Street, Suite 1400, Vancouver, British Columbia, Canada V6C 3S7
T: +1 604 806 7000, F: +1 604 806 7806, ca_vancouver_main_fax@pwc.com
“PwC” refers to PricewaterhouseCoopers LLP, an Ontario limited liability partnership.
| F-2 |
| Table of Contents |

Assessment of impairment indicators of long-lived assets
As described in Notes 2, 7 and 8 to the consolidated financial statements, the carrying value of long-lived assets (consisting of mineral properties and capital assets) are reviewed for impairment whenever events or changes in circumstances indicate that the carrying amounts of the asset or asset group may not be recoverable (impairment indicators). The carrying amounts of the Company’s mineral properties and capital assets were $34.9 million and $21.0 million, respectively, as of December 31, 2023. Management applies significant judgment to assess whenever events or changes in circumstances indicate the carrying amount of an asset may not be recoverable giving rise to the requirement to conduct an impairment test. Events or changes in circumstances that could trigger an impairment test include: (i) significant adverse changes in the business climate including significant decreases in uranium prices or significant adverse changes in legal factors; (ii) significant changes in expected capital, operating or reclamation costs; and (iii) significant decreases in the market price of the assets. No impairment indicators were identified by management as of December 31, 2023.
The principal considerations for our determination that performing procedures relating to the assessment of impairment indicators of long-lived assets is a critical audit matter are that there was significant judgment by management when assessing whether there were indicators of impairment related to the Company’s long-lived assets, specifically related to assessing whether there were: (i) significant adverse changes in the business climate including significant decreases in uranium prices or significant adverse changes in legal factors; (ii) significant changes in expected capital, operating or reclamation costs; and (iii) significant decreases in the market price of the assets. This in turn led to a high degree of auditor judgment and subjectivity in performing procedures to evaluate audit evidence relating to the judgments made by management in their assessment of any event or changes in circumstances that could give rise to the requirement to conduct an impairment test.
Addressing the matter involved performing procedures and evaluating audit evidence in connection with forming our overall opinion on the consolidated financial statements. These procedures included, among others: (i) evaluating whether there were significant adverse changes in the business climate related to significant decreases in uranium prices by considering external market and industry data; (ii) evaluating whether there were significant adverse changes in legal factors by obtaining on a sample basis evidence to support the rights to the mineral properties; (iii) assessing whether there were significant decreases in the market price of the assets by considering any prolonged declines in the Company’s share price; and (iv) evaluating whether there were significant changes in expected capital costs, operating costs or reclamation costs, or other factors that may indicate that the carrying amounts of the long-lived asset may not be recoverable, through consideration of evidence obtained in other areas of the audit.
/s/
Chartered Professional Accountants
March 6, 2024
We have served as the Company’s auditor since 2004.
| F-3 |
| Table of Contents |
Ur-Energy Inc. |
Consolidated Balance Sheets |
(expressed in thousands of U.S. dollars) |
(the accompanying notes are an integral part of these consolidated financial statements) |
|
| Note |
|
| December 31, 2023 |
|
| December 31, 2022 |
| |||
Assets |
|
|
|
|
|
|
|
|
| |||
Current assets |
|
|
|
|
|
|
|
|
| |||
Cash |
|
| 4 |
|
|
|
|
|
|
| ||
Current portion of lease receivable (net) |
|
|
|
|
|
|
|
|
|
| ||
Inventory |
|
| 5 |
|
|
|
|
|
|
| ||
Prepaid expenses |
|
|
|
|
|
|
|
|
|
| ||
Total current assets |
|
|
|
|
|
|
|
|
|
| ||
|
|
|
|
|
|
|
|
|
|
|
|
|
Non-current assets |
|
|
|
|
|
|
|
|
|
|
|
|
Lease receivable (net) |
|
|
|
|
|
|
|
|
|
| ||
Restricted cash |
|
| 6 |
|
|
|
|
|
|
| ||
Mineral properties |
|
| 7 |
|
|
|
|
|
|
| ||
Capital assets |
|
| 8 |
|
|
|
|
|
|
| ||
Total non-current assets |
|
|
|
|
|
|
|
|
|
| ||
Total assets |
|
|
|
|
|
|
|
|
|
| ||
|
|
|
|
|
|
|
|
|
|
|
|
|
Liabilities and shareholders' equity |
|
|
|
|
|
|
|
|
|
|
|
|
Current liabilities |
|
|
|
|
|
|
|
|
|
|
|
|
Accounts payable and accrued liabilities |
|
| 9 |
|
|
|
|
|
|
| ||
Current portion of notes payable |
|
| 10 |
|
|
|
|
|
|
| ||
Current portion of warrant liability |
|
| 11 |
|
|
|
|
|
|
| ||
Current portion of lease liability |
|
|
|
|
|
|
|
|
|
| ||
Environmental remediation accrual |
|
|
|
|
|
|
|
|
|
| ||
Total current liabilities |
|
|
|
|
|
|
|
|
|
| ||
|
|
|
|
|
|
|
|
|
|
|
|
|
Non-current liabilities |
|
|
|
|
|
|
|
|
|
|
|
|
Notes payable |
|
|
|
|
|
|
|
|
|
| ||
Warrant liability |
|
| 10 |
|
|
|
|
|
|
| ||
Asset retirement obligations |
|
| 11 |
|
|
|
|
|
|
| ||
Lease liability |
|
| 12 |
|
|
|
|
|
|
| ||
Total non-current liabilities |
|
|
|
|
|
|
|
|
|
| ||
|
|
|
|
|
|
|
|
|
|
|
|
|
Shareholders' equity |
|
|
|
|
|
|
|
|
|
|
|
|
Share capital |
|
| 13 |
|
|
|
|
|
|
| ||
Contributed surplus |
|
|
|
|
|
|
|
|
|
| ||
Accumulated other comprehensive income |
|
|
|
|
|
|
|
|
|
| ||
Accumulated deficit |
|
|
|
|
|
| ( | ) |
|
| ( | ) |
Total shareholders' equity |
|
|
|
|
|
|
|
|
|
| ||
Total liabilities and shareholders' equity |
|
|
|
|
|
|
|
|
|
| ||
Commitments and subsequent events (Notes 19 and 20)
| F-4 |
| Table of Contents |
Ur-Energy Inc. |
Consolidated Statements of Operations and Comprehensive Loss |
(expressed in thousands of U.S. dollars, except per share data) |
(the accompanying notes are an integral part of these consolidated financial statements) |
|
|
|
|
| Year Ended December 31, | |||||||||||
|
| Note |
|
| 2023 |
|
| 2022 |
|
| 2021 |
| ||||
|
|
|
|
|
|
|
|
|
|
|
|
| ||||
Sales |
|
| 14 |
|
|
|
|
|
|
|
|
|
| |||
Cost of sales |
|
| 15 |
|
|
| ( | ) |
|
| ( | ) |
|
| ( | ) |
Gross loss |
|
|
|
|
|
| ( | ) |
|
| ( | ) |
|
| ( | ) |
|
|
|
|
|
|
|
|
|
|
|
|
|
|
|
|
|
Operating costs |
|
| 16 |
|
|
| ( | ) |
|
| ( | ) |
|
| ( | ) |
Loss from operations |
|
|
|
|
|
| ( | ) |
|
| ( | ) |
|
| ( | ) |
|
|
|
|
|
|
|
|
|
|
|
|
|
|
|
|
|
Net interest income (expense) |
|
|
|
|
|
|
|
|
| ( | ) |
|
| ( | ) | |
Warrant liability revaluation gain (loss) |
|
| 11 |
|
|
| ( | ) |
|
|
|
|
| ( | ) | |
Foreign exchange gain (loss) |
|
|
|
|
|
|
|
|
|
|
|
| ( | ) | ||
Other income |
|
| 14 |
|
|
| ( | ) |
|
|
|
|
|
| ||
Net loss |
|
|
|
|
|
| ( | ) |
|
| ( | ) |
|
| ( | ) |
|
|
|
|
|
|
|
|
|
|
|
|
|
|
|
|
|
Foreign currency translation adjustment |
|
|
|
|
|
| ( | ) |
|
|
|
|
|
| ||
Comprehensive loss |
|
|
|
|
|
| ( | ) |
|
| ( | ) |
|
| ( | ) |
|
|
|
|
|
|
|
|
|
|
|
|
|
|
|
|
|
Loss per common share: |
|
|
|
|
|
|
|
|
|
|
|
|
|
|
|
|
Basic |
|
|
|
|
|
| ( | ) |
|
| ( | ) |
|
| ( | ) |
Diluted |
|
|
|
|
|
| ( | ) |
|
| ( | ) |
|
| ( | ) |
|
|
|
|
|
|
|
|
|
|
|
|
|
|
|
|
|
Weighted average common shares: |
|
|
|
|
|
|
|
|
|
|
|
|
|
|
|
|
Basic |
|
|
|
|
|
|
|
|
|
|
|
|
| |||
Diluted |
|
|
|
|
|
|
|
|
|
|
|
|
| |||
| F-5 |
| Table of Contents |
Ur-Energy Inc. |
Consolidated Statements of Changes in Shareholders' Equity |
(expressed in thousands of U.S. dollars, except share data) |
(the accompanying notes are an integral part of these consolidated financial statements) |
Year Ended |
| Note |
|
| Shares |
|
| Share Capital |
|
| Contributed Surplus |
|
| Accumulated Other Comprehensive Income |
|
| Accumulated Deficit |
|
| Shareholders Equity |
| |||||||
|
|
|
|
|
|
|
|
|
|
|
|
|
|
|
|
|
|
|
|
|
| |||||||
December 31, 2020 |
|
|
|
|
|
|
|
|
|
|
|
|
|
|
|
|
| ( | ) |
|
|
| ||||||
|
|
|
|
|
|
|
|
|
|
|
|
|
|
|
|
|
|
|
|
|
|
|
|
|
|
|
| |
Shares issued for cash |
|
| 13 |
|
|
|
|
|
|
|
|
|
|
|
|
|
|
|
|
|
|
| ||||||
Less share issue costs |
|
| 13 |
|
|
| - |
|
|
| ( | ) |
|
|
|
|
|
|
|
|
|
|
| ( | ) | |||
Exercise of warrants |
|
| 13 |
|
|
|
|
|
|
|
|
|
|
|
|
|
|
|
|
|
|
| ||||||
Exercise of stock options |
|
| 13 |
|
|
|
|
|
|
|
|
| ( | ) |
|
|
|
|
|
|
|
|
| |||||
Redemption of RSUs |
|
|
|
|
|
|
|
|
|
|
|
| ( | ) |
|
|
|
|
|
|
|
| ( | ) | ||||
Stock compensation |
|
|
|
|
|
| - |
|
|
|
|
|
|
|
|
|
|
|
|
|
|
|
| |||||
Comprehensive income (loss) |
|
|
|
|
|
| - |
|
|
|
|
|
|
|
|
|
|
|
| ( | ) |
|
| ( | ) | |||
December 31, 2021 |
|
|
|
|
|
|
|
|
|
|
|
|
|
|
|
|
|
| ( | ) |
|
|
| |||||
|
|
|
|
|
|
|
|
|
|
|
|
|
|
|
|
|
|
|
|
|
|
|
|
|
|
|
|
|
Shares issued for cash |
|
| 13 |
|
|
|
|
|
|
|
|
|
|
|
|
|
|
|
|
|
|
| ||||||
Less share issue costs |
|
| 13 |
|
|
| - |
|
|
| ( | ) |
|
|
|
|
|
|
|
|
|
|
| ( | ) | |||
Exercise of warrants |
|
| 13 |
|
|
|
|
|
|
|
|
|
|
|
|
|
|
|
|
|
|
| ||||||
Exercise of stock options |
|
| 13 |
|
|
|
|
|
|
|
|
| ( | ) |
|
|
|
|
|
|
|
|
| |||||
Redemption of RSUs |
|
|
|
|
|
|
|
|
|
|
|
| ( | ) |
|
|
|
|
|
|
|
| ( | ) | ||||
Stock compensation |
|
|
|
|
|
| - |
|
|
|
|
|
|
|
|
|
|
|
|
|
|
|
| |||||
Comprehensive income (loss) |
|
|
|
|
|
| - |
|
|
|
|
|
|
|
|
|
|
|
| ( | ) |
|
| ( | ) | |||
December 31, 2022 |
|
|
|
|
|
|
|
|
|
|
|
|
|
|
|
|
|
| ( | ) |
|
|
| |||||
|
|
|
|
|
|
|
|
|
|
|
|
|
|
|
|
|
|
|
|
|
|
|
|
|
|
|
|
|
Shares issued for cash |
|
| 13 |
|
|
|
|
|
|
|
|
|
|
|
|
|
|
|
|
|
|
| ||||||
Less share issue costs |
|
| 13 |
|
|
| - |
|
|
| ( | ) |
|
|
|
|
|
|
|
|
|
|
| ( | ) | |||
Exercise of warrants |
|
| 13 |
|
|
|
|
|
|
|
|
|
|
|
|
|
|
|
|
|
|
| ||||||
Exercise of stock options |
|
| 13 |
|
|
|
|
|
|
|
|
| ( | ) |
|
|
|
|
|
|
|
|
| |||||
Redemption of RSUs |
|
|
|
|
|
|
|
|
|
|
|
| ( | ) |
|
|
|
|
|
|
|
| ( | ) | ||||
Stock compensation |
|
|
|
|
|
| - |
|
|
|
|
|
|
|
|
|
|
|
|
|
|
|
| |||||
Comprehensive loss |
|
|
|
|
|
| - |
|
|
|
|
|
|
|
|
| ( | ) |
|
| ( | ) |
|
| ( | ) | ||
December 31, 2023 |
|
|
|
|
|
|
|
|
|
|
|
|
|
|
|
|
|
| ( | ) |
|
|
| |||||
| F-6 |
| Table of Contents |
Ur-Energy Inc. |
Consolidated Statements of Cash Flows |
(expressed in thousands of U.S. dollars) |
(the accompanying notes are an integral part of these consolidated financial statements) |
|
|
|
|
| Year Ended December 31, | |||||||||||
|
| Note |
|
| 2023 |
|
| 2022 |
|
| 2021 |
| ||||
|
|
|
|
|
|
|
|
|
|
|
|
| ||||
Cash provided by (used for): |
|
|
|
|
|
|
|
|
|
|
|
| ||||
|
|
|
|
|
|
|
|
|
|
|
|
| ||||
Operating activities |
|
|
|
|
|
|
|
|
|
|
|
| ||||
Net loss for the year |
|
|
|
|
| ( | ) |
|
| ( | ) |
|
| ( | ) | |
|
|
|
|
|
|
|
|
|
|
|
|
|
|
|
| |
Items not affecting cash: |
|
|
|
|
|
|
|
|
|
|
|
|
|
|
| |
Stock based compensation |
|
|
|
|
|
|
|
|
|
|
|
| ||||
Net realizable value adjustments |
|
|
|
|
|
|
|
|
|
|
|
| ||||
Amortization of mineral properties |
|
|
|
|
|
|
|
|
|
|
|
| ||||
Depreciation of capital assets |
|
|
|
|
|
|
|
|
|
|
|
| ||||
Accretion expense |
|
|
|
|
|
|
|
|
|
|
|
| ||||
Amortization of deferred loan costs |
|
|
|
|
|
|
|
|
|
|
|
| ||||
Gain on loan forgiveness |
|
|
|
|
|
|
|
|
|
|
| ( | ) | |||
Provision for reclamation |
|
|
|
|
|
|
|
| ( | ) |
|
| ( | ) | ||
Mark to market loss (gain) |
|
|
|
|
|
|
|
| ( | ) |
|
|
| |||
Gain on sale of assets |
|
|
|
|
|
|
|
|
|
|
|
| ||||
Unrealized foreign exchange loss (gain) |
|
|
|
|
| ( | ) |
|
| ( | ) |
|
|
| ||
Changes in non-cash working capital: |
|
|
|
|
|
|
|
|
|
|
|
|
|
|
| |
Lease receivable |
|
|
|
|
| ( | ) |
|
|
|
|
|
| |||
Inventory |
|
|
|
|
| ( | ) |
|
| ( | ) |
|
| ( | ) | |
Prepaid expenses |
|
|
|
|
| ( | ) |
|
| ( | ) |
|
| ( | ) | |
Accounts payable and accrued liabilities |
|
|
|
|
|
|
|
| ( | ) |
|
|
| |||
|
|
|
|
|
| ( | ) |
|
| ( | ) |
|
| ( | ) | |
|
|
|
|
|
|
|
|
|
|
|
|
|
|
|
| |
Investing activities |
|
|
|
|
|
|
|
|
|
|
|
|
|
|
| |
Purchase of capital assets |
|
|
|
|
| ( | ) |
|
| ( | ) |
|
| ( | ) | |
|
|
|
|
|
| ( | ) |
|
| ( | ) |
|
| ( | ) | |
|
|
|
|
|
|
|
|
|
|
|
|
|
|
|
| |
Financing activities |
|
|
|
|
|
|
|
|
|
|
|
|
|
|
| |
Issuance of common shares and warrants for cash |
|
| 13 |
|
|
|
|
|
|
|
|
|
| |||
Share issue costs |
|
| 13 |
|
|
| ( | ) |
|
| ( | ) |
|
| ( | ) |
Proceeds from exercise of warrants and stock options |
|
|
|
|
|
|
|
|
|
|
|
|
| |||
RSU redeemed for cash |
|
|
|
|
|
| ( | ) |
|
| ( | ) |
|
| ( | ) |
Repayment of debt |
|
|
|
|
|
| ( | ) |
|
| ( | ) |
|
|
| |
|
|
|
|
|
|
|
|
|
|
|
|
|
| |||
|
|
|
|
|
|
|
|
|
|
|
|
|
|
|
|
|
Effects of foreign exchange rate changes on cash |
|
|
|
|
|
|
|
|
| ( | ) |
|
|
| ||
|
|
|
|
|
|
|
|
|
|
|
|
|
|
|
|
|
Increase (decrease) in cash, cash equivalents, and restricted cash |
|
|
|
|
|
|
|
|
| ( | ) |
|
|
| ||
Beginning cash, cash equivalents, and restricted cash |
|
|
|
|
|
|
|
|
|
|
|
|
| |||
Ending cash, cash equivalents, and restricted cash |
|
| 17 |
|
|
|
|
|
|
|
|
|
| |||
| F-7 |
| Table of Contents |
Ur-Energy Inc. Notes to Consolidated Financial Statements |
December 31, 2023 |
(expressed in thousands of U.S. dollars unless otherwise indicated)
1. Nature of Operations
Ur-Energy Inc. (the “Company”) was incorporated on March 22, 2004 under the laws of the Province of Ontario. The Company continued under the Canada Business Corporations Act on August 8, 2006. The Company is an exploration stage issuer, as defined by U.S. Securities and Exchange Commission (“SEC”). The Company is engaged in uranium mining and recovery operations, with activities including the acquisition, exploration, development, and production of uranium mineral resources located primarily in Wyoming. The Company commenced uranium production at its Lost Creek Project in Wyoming in 2013.
Due to the nature of the uranium recovery methods used by the Company on the Lost Creek Property, and the definition of “mineral reserves” under Subpart 1300 to Regulation S-K (“S-K 1300”), the Company has not determined whether the properties contain mineral reserves. The Company’s report The Lost Creek ISR Uranium Property, Sweetwater County, Wyoming, March 4, 2024 (the “Lost Creek Report”) outlines the potential viability of the Lost Creek Property as of December 31, 2023. The recoverability of amounts recorded for mineral properties is dependent upon the discovery of economic resources, the ability of the Company to obtain the necessary financing to develop the properties and upon attaining future profitable production from the properties or sufficient proceeds from disposition of the properties.
2. Summary of Significant Accounting Policies
Basis of presentation
These financial statements have been prepared by management in accordance with United States generally accepted accounting principles (“US GAAP”) and include all the assets, liabilities and expenses of the Company and its wholly owned subsidiaries Ur-Energy USA Inc.; NFU Wyoming, LLC; Lost Creek ISR, LLC; and Pathfinder Mines Corporation. All inter-company balances and transactions have been eliminated upon consolidation. Ur‑Energy Inc. and its wholly owned subsidiaries are collectively referred to herein as the “Company.”
Exploration Stage
The Company has established the existence of uranium resources for certain uranium projects, including the Lost Creek Property. The Company has not established proven or probable reserves, as defined by S-K 1300, through the completion of a pre-feasibility or feasibility study for any of its uranium projects, including the Lost Creek Property. Furthermore, the Company currently has no plans to establish proven or probable reserves for any of its uranium projects for which the Company plans on utilizing in situ recovery (“ISR”) mining, such as the Lost Creek Property or the Shirley Basin Project. As a result, and even though the Company commenced recovery of uranium at the Lost Creek Project in August 2013, the Company remains an exploration stage issuer, as defined in S-K 1300, and will continue to remain an exploration stage issuer until such time as proven or probable mineral reserves have been established.
| F-8 |
| Table of Contents |
Ur-Energy Inc. Notes to Consolidated Financial Statements |
December 31, 2023 |
(expressed in thousands of U.S. dollars unless otherwise indicated)
Because the Company commenced recovery of uranium at the Lost Creek Project without having established proven and probable reserves, any uranium resources established or extracted from the Lost Creek Project should not be in any way associated with having established proven or probable mineral reserves. Accordingly, information concerning mineral deposits set forth herein may not be comparable to information made public by companies that have reserves in accordance with U.S. standards.
Use of estimates
The preparation of consolidated financial statements in conformity with US GAAP requires management to make estimates and assumptions that affect the reported amounts of assets and liabilities and disclosure of contingent assets and liabilities at the date of the financial statements and the reported amounts of revenues and expenses during the reporting periods. The most significant estimates management makes in the preparation of these consolidated financial statements relate to the fair value of stock-based compensation and warrant liabilities using the factors associated with the Black-Scholes calculations, estimation of the amount of recoverable uranium included in the in-process inventory, estimation of factors surrounding asset retirement obligations such as interest rates, discount rates and inflation rates, total cost and the time until the asset retirement commences and the offset of future income taxes through deferred tax assets. Actual results could differ from those estimates.
Cash and cash equivalents
Cash and cash equivalents consist of cash balances and highly liquid investments with original maturities of three months or less. Cash equivalents are held for the purpose of meeting short-term cash commitments rather than for investment or other purposes. Restricted cash is excluded from cash and cash equivalents and is included in other long-term assets.
Restricted cash
Cash that secures various instruments related to surety bonds, which secure reclamation obligations, and a state lease is shown as restricted cash.
Inventory
In-process inventory represents uranium that has been extracted from the wellfield and captured in the processing plant and is currently being transformed into a saleable product. Plant inventory is U3O8 that is contained in yellowcake, which has been dried and packaged in drums, but not yet shipped to the conversion facility. Conversion facility inventory is U3O8 that has been shipped to the conversion facility. The amount of U3O8 in the conversion facility inventory includes the amount of U3O8 contained in drums shipped to the conversion facility plus or minus any final weighing and assay adjustments per the terms of our uranium supplier’s agreement with the conversion facility.
The Company’s inventories are measured at the lower of cost or net realizable value and reflect the U3O8 content in various stages of the production and sales process including in-process inventory, plant inventory, and conversion facility inventory.
| F-9 |
| Table of Contents |
Ur-Energy Inc. Notes to Consolidated Financial Statements |
December 31, 2023 |
(expressed in thousands of U.S. dollars unless otherwise indicated)
Mineral properties
Acquisition costs of mineral properties are capitalized. Amortization is calculated on a straight-line basis. The estimated life for the Lost Creek Project was 10 years which was used to amortize the mineral property acquisition costs.
If properties are abandoned or sold, they are written off. If properties are impaired in value, the costs of the properties are written down to their estimated fair value at that time.
Exploration, evaluation, and development costs
Exploration and evaluation costs consist of annual lease and claim maintenance fees, and the associated costs of the exploration, evaluation, and regulatory departments as well as exploration costs including drilling and analysis on properties that have not reached the permitting or operations stage.
Development expenses relate to the Company’s Lost Creek, LC East, Lucky Mc and Shirley Basin projects, which are more advanced in terms of permitting and preliminary economic assessment work. Development expenses include all costs associated with exploring, delineating, and permitting, the costs associated with the construction and development of permitted mine units including wells, pumps, piping, header houses, roads, and other infrastructure related to the preparation of a mine unit to begin extraction operations as well as the cost of drilling and completing disposal wells.
Capital assets
Property, plant, and equipment assets, including machinery, processing equipment, enclosures, and vehicles are recorded at cost including acquisition, installation costs, and expenditures that extend the life of such assets. The enclosure costs include both the building enclosure and the processing equipment necessary for the extraction of uranium from impregnated water pumped in from the wellfield to the packaging of uranium yellowcake for delivery into sales. These enclosure costs are combined as the equipment and related installation associated with the equipment is an integral part of the structure itself. The costs of self-constructed assets include direct construction costs, direct overhead, and allocated interest during the construction phase. Depreciation is calculated using a declining balance method for most assets, except the plant enclosure and related equipment. Depreciation of the plant enclosure and related equipment is calculated on a straight-line basis. Estimated lives for depreciation purposes range from three years for computer equipment and software to 20 years for the plant enclosure and the nameplate life of the related equipment.
Impairment of long-lived assets
The Company assesses the possibility of impairment in the net carrying value of its long-lived assets when events or circumstances indicate that the carrying amounts of the asset or asset group may not be recoverable. When potential impairment is indicated, management calculates the estimated undiscounted future net cash flows relating to the asset or asset group using estimated future prices, recoverable resources, and operating, capital, and reclamation costs. When the carrying value of an asset exceeds the related undiscounted cash flows, the asset is written down to its estimated fair value, which is determined using discounted future net cash flows, or other measures of fair value.
| F-10 |
| Table of Contents |
Ur-Energy Inc. Notes to Consolidated Financial Statements |
December 31, 2023 |
(expressed in thousands of U.S. dollars unless otherwise indicated)
Right of Use Assets and Liabilities
Right of use assets include storage facility and office equipment leases. We recognize an asset and corresponding liability, which are included in non-current assets and other liabilities in the consolidated balance sheet, based on the present value of the remaining minimum rental payments of the leases. The discount rates used are based on either the Company’s borrowing rate or the imputed interest rate based on the price of the equipment and the lease terms.
Debt
Long-term debt is carried at amortized cost. Debt issuance costs, debt premiums and discounts and annual fees are included in the long-term debt balance and amortized using the effective interest rate over the contractual terms of the long-term debt.
Asset retirement obligations
For mining properties, various federal and state mining laws and regulations require the Company to reclaim the surface areas and restore groundwater quality to the pre-existing quality or class of use after the completion of mining. The Company records the fair value of an asset retirement obligation as a liability in the period in which it incurs an obligation associated with the retirement of tangible long-lived assets that result from the acquisition, construction, development and/or normal use of the assets.
Asset retirement obligations consist of estimated final well abandonments, plant closure and removal, and the associated reclamation and restoration costs to be incurred by the Company in the future. The estimated value of the asset retirement obligation is based on the current estimated reclamation cost escalated at an inflation rate and then discounted at a credit adjusted risk-free rate. This liability is recorded, and a corresponding asset is capitalized as part of the cost of the related asset. The asset is amortized over its remaining productive life. The liability accretes until it reaches the estimated future reclamation cost and remains until the Company settles the obligation.
Revenue recognition
Our revenues are primarily derived from the sale of U3O8 under either long-term (deliveries typically in two to five years) or spot (immediate delivery) contracts with our customers. The contracts specify the quantity to be delivered, the price or specific calculation method of the price, payment terms, and the year(s) of the delivery. When a delivery is approved, the Company notifies the conversion facility with instructions for a title transfer to the customer. Revenue is recognized once a title transfer of the U3O8 is confirmed by the conversion facility.
| F-11 |
| Table of Contents |
Ur-Energy Inc. Notes to Consolidated Financial Statements |
December 31, 2023 |
(expressed in thousands of U.S. dollars unless otherwise indicated)
Stock-based compensation
Stock-based compensation cost from the issuance of stock options and restricted share units (“RSUs”) is measured at the grant date based on the fair value of the award and is recognized over the related service period. Stock-based compensation costs are charged to mine operations, exploration and evaluation, development, and general and administrative expense on the same basis as other compensation costs.
Income taxes
The Company accounts for income taxes under the asset and liability method which requires the recognition of deferred income tax assets and liabilities for the expected future tax consequences of temporary differences between the carrying amounts and tax bases of assets and liabilities. The Company provides a valuation allowance on deferred tax assets unless it is more likely than not that such assets will be realized.
Earnings and loss per share calculations
Diluted earnings per common share are calculated by including all options that are in-the-money based on the average stock price for the period as well as RSUs that are outstanding. The treasury stock method was applied to determine the dilutive number of options. Warrants are included only if the exercise price is less than the average stock price for the quarter. In periods of loss, the diluted loss per common share is equal to the basic loss per common share due to the anti-dilutive effect of all convertible securities.
Classification of financial instruments
The Company’s financial instruments consist of cash, short-term investments, trade receivables, lease receivable, restricted cash, deposits, accounts payable and accrued liabilities, lease liabilities, Other liabilities, and notes payable. The Company has made the following classifications for these financial instruments:
| · | Cash, trade receivables, lease receivable, restricted cash, and deposits are recorded at amortized cost. Interest income is recorded using the effective interest rate method and is included in income for the period. |
| · | Accounts payable and accrued liabilities, lease liabilities, and notes payable, are measured at amortized cost. |
| · | Other liabilities, which relate to the derivative on warrants issued in U.S. dollars, are adjusted to the market value using the Black-Scholes valuation method at the end of each reporting period. |
| F-12 |
| Table of Contents |
Ur-Energy Inc. Notes to Consolidated Financial Statements |
December 31, 2023 |
(expressed in thousands of U.S. dollars unless otherwise indicated)
3. New Accounting Pronouncements
Improvements to Reportable Segment Disclosures
In November 2023, the FASB issued Accounting Standards Update ("ASU") 2023-07, which requires the disclosure of significant segment expenses that are part of an entity’s segment measure of profit or loss and regularly provided to the chief operating decision maker. In addition, it adds or makes clarifications to other segment-related disclosures, such as clarifying that disclosure requirements are required for entities with a single reportable segment and that an entity may disclose multiple measures of segment profit and loss. ASU 2023-07 is effective for fiscal years beginning after December 15, 2023 and interim periods beginning after December 15, 2024 with early adoption permitted. The Company currently does not expect the adoption of ASU 2023-07 to have a material impact to the consolidated financial statements and will continue to assess the potential impact.
Improvements to Income Tax Disclosures
In December 2023, the FASB issued ASU 2023-09, which requires additional disaggregation of the reconciliation between the statutory and effective tax rate for an entity and of income taxes paid. The amendments improve the transparency of income tax disclosures by requiring consistent categories and greater disaggregation of information by jurisdiction. ASU 2023-09 is effective for annual periods beginning after December 15, 2024. The Company will continue to assess the potential impact.
4. Cash and cash equivalents
The Company’s cash and cash equivalents consist of the following:
Cash and Cash Equivalents |
| December 31, 2023 |
|
| December 31, 2022 |
| ||
|
|
|
|
|
|
| ||
Cash on deposit |
|
|
|
|
|
| ||
Money market funds |
|
|
|
|
|
| ||
|
|
|
|
|
|
| ||
| F-13 |
| Table of Contents |
Ur-Energy Inc. Notes to Consolidated Financial Statements |
December 31, 2023 |
(expressed in thousands of U.S. dollars unless otherwise indicated)
5. Inventory
The Company’s inventory consists of the following:
Inventory by Type |
| December 31, 2023 |
|
| December 31, 2022 |
| ||
|
|
|
|
|
|
| ||
Plant inventory |
|
|
|
|
|
| ||
Conversion facility inventory |
|
|
|
|
|
| ||
|
|
|
|
|
|
| ||
Using lower of cost or net realizable value calculations, the Company reduced the inventory valuation by $
6. Restricted Cash
The Company’s restricted cash consists of the following:
Restricted Cash |
| December 31, 2023 |
|
| December 31, 2022 |
| ||
|
|
|
|
|
|
| ||
Cash pledged for reclamation |
|
|
|
|
|
| ||
Other restricted cash |
|
|
|
|
|
| ||
|
|
|
|
|
|
| ||
The Company’s restricted cash consists of money market funds and short-term government bonds.
The bonding requirements for reclamation obligations on various properties have been reviewed and approved by the Wyoming Department of Environmental Quality (“WDEQ”), the Wyoming Uranium Recovery Program (“URP”), and the Bureau of Land Management (“BLM”) as applicable. The restricted cash is pledged as collateral against performance surety bonds, which secure the estimated costs of reclamation related to the properties. Surety bonds providing $
| F-14 |
| Table of Contents |
Ur-Energy Inc. Notes to Consolidated Financial Statements |
December 31, 2023 |
(expressed in thousands of U.S. dollars unless otherwise indicated)
7. Mineral Properties and Assets Held for Sale
The Company’s mineral properties consist of the following:
Mineral Properties |
| Lost Creek Property |
|
| Shirley Basin Project |
|
| Other U.S. Properties |
|
| Total |
| ||||
|
|
|
|
|
|
|
|
|
|
|
|
| ||||
December 31, 2020 |
|
|
|
|
|
|
|
|
|
|
|
| ||||
|
|
|
|
|
|
|
|
|
|
|
|
|
|
|
|
|
Reclassify assets held for sale |
|
|
|
|
|
|
|
| ( | ) |
|
| ( | ) | ||
Change in estimated reclamation costs |
|
|
|
|
|
|
|
| ( | ) |
|
| ( | ) | ||
Depletion and amortization |
|
| ( | ) |
|
|
|
|
|
|
|
| ( | ) | ||
|
|
|
|
|
|
|
|
|
|
|
|
|
|
|
|
|
December 31, 2021 |
|
|
|
|
|
|
|
|
|
|
|
| ||||
|
|
|
|
|
|
|
|
|
|
|
|
|
|
|
|
|
Reclassify assets held for sale |
|
|
|
|
|
|
|
|
|
|
|
| ||||
Change in estimated reclamation costs |
|
|
|
|
|
|
|
|
|
|
|
| ||||
Depletion and amortization |
|
| ( | ) |
|
|
|
|
|
|
|
| ( | ) | ||
|
|
|
|
|
|
|
|
|
|
|
|
|
|
|
|
|
December 31, 2022 |
|
|
|
|
|
|
|
|
|
|
|
| ||||
|
|
|
|
|
|
|
|
|
|
|
|
|
|
|
|
|
Change in estimated reclamation costs |
|
|
|
|
|
|
|
|
|
|
|
| ||||
Depletion and amortization |
|
| ( | ) |
|
|
|
|
|
|
|
| ( | ) | ||
|
|
|
|
|
|
|
|
|
|
|
|
|
|
|
|
|
December 31, 2023 |
|
|
|
|
|
|
|
|
|
|
|
| ||||
Lost Creek Property
The Company acquired certain Wyoming properties in 2005 when Ur-Energy USA Inc. purchased
There is a royalty on each of the State of Wyoming sections under lease at the Lost Creek, LC West and EN Projects, as required by law. We are not recovering U3O8 within the State section under lease at Lost Creek and are not subject to royalty payments currently. Other royalties exist on certain mining claims at the LC South, LC East and EN Projects. There are no royalties on the mining claims in the Lost Creek, LC North, or LC West Projects.
| F-15 |
| Table of Contents |
Ur-Energy Inc. Notes to Consolidated Financial Statements |
December 31, 2023 |
(expressed in thousands of U.S. dollars unless otherwise indicated)
Shirley Basin Project
The Company acquired additional Wyoming properties in 2013 when Ur-Energy USA Inc. purchased
Other U.S. Properties
Other U.S. properties include the acquisition costs of several prospective mineralized properties, which the Company continues to maintain through claim payments, lease payments, insurance, and other holding costs in anticipation of future exploration efforts.
Impairment testing
Long-lived assets are reviewed for impairment whenever events or changes in circumstances indicate the carrying amount of an asset may not be recoverable. Management applies significant judgment to assess mineral properties and capital assets for impairment indicators that could give rise to the requirement to conduct a formal impairment test. Circumstances that could trigger a review include, but are not limited to: significant decreases in the market price of the asset; significant adverse changes in the business climate or legal factors; significant changes in expected capital, operating, or reclamation costs; current period cash flow or operating losses combined with a history of losses or a forecast of continuing losses associated with the use of the asset; and current expectation that the asset will more likely than not be sold or disposed of significantly before the end of its estimated useful life. Management did not identify impairment indicators that would require a formal impairment test.
Lost Creek has been the Company’s sole source for the uranium concentrates sold to generate sales revenues since 2013. The economic viability of the Company’s mining activities, including the expected duration and profitability of Lost Creek and of any future ISR mines, such as Shirley Basin, has many risks and uncertainties. These include, but are not limited to: (i) a significant, prolonged decrease in the market price of uranium; (ii) difficulty in marketing and/or selling uranium concentrates; (iii) significantly higher than expected capital costs to construct the mine and/or processing plant; (iv) significantly higher than expected extraction costs; (v) significantly lower than expected uranium extraction; (vi) significant delays, reductions or stoppages of uranium extraction activities; and (vii) the introduction of significantly more stringent regulatory laws and regulations.
Our mining activities may change because of any one or more of these risks and uncertainties and there is no assurance that any mineral deposit from which we extract uranium or other minerals from will result in profitable mining activities.
Assets Held for Sale
A non-core, unpermitted, non-operating property held by Pathfinder Mines Corporation was considered an asset held for sale in 2021. In 2022, active discussions for the sale of the property were terminated. The property was no longer considered an asset held for sale and was reclassified to mineral properties in 2022.
| F-16 |
| Table of Contents |
Ur-Energy Inc. Notes to Consolidated Financial Statements |
December 31, 2023 |
(expressed in thousands of U.S. dollars unless otherwise indicated)
8. Capital Assets
The Company’s capital assets consist of the following:
|
| December 31, 2023 |
|
| December 31, 2022 | |||||||||||||||||||
Capital Assets |
| Cost |
|
| Accumulated Depreciation |
|
| Value |
|
| Cost |
|
| Accumulated Depreciation |
|
| Net Book Value |
| ||||||
|
|
|
|
|
|
|
|
|
|
|
|
|
|
|
|
|
|
| ||||||
Rolling stock |
|
|
|
|
| ( | ) |
|
|
|
|
|
|
|
| ( | ) |
|
|
| ||||
Enclosures |
|
|
|
|
| ( | ) |
|
|
|
|
|
|
|
| ( | ) |
|
|
| ||||
Machinery and equipment |
|
|
|
|
| ( | ) |
|
|
|
|
|
|
|
| ( | ) |
|
|
| ||||
Furniture and fixtures |
|
|
|
|
| ( | ) |
|
|
|
|
|
|
|
| ( | ) |
|
|
| ||||
Information technology |
|
|
|
|
| ( | ) |
|
|
|
|
|
|
|
| ( | ) |
|
|
| ||||
Right of use assets |
|
|
|
|
| ( | ) |
|
|
|
|
|
|
|
| ( | ) |
|
|
| ||||
|
|
|
|
|
| ( | ) |
|
|
|
|
|
|
|
| ( | ) |
|
|
| ||||
9. Accounts Payable and Accrued Liabilities
Accounts payable and accrued liabilities consist of the following:
Accounts Payable and Accrued Liabilities |
| December 31, 2023 |
|
| December 31, 2022 |
| ||
|
|
|
|
|
|
| ||
Accounts payable |
|
|
|
|
|
| ||
Accrued payroll liabilities |
|
|
|
|
|
| ||
Accrued severance, ad valorem, and other taxes payable |
|
|
|
|
|
| ||
|
|
|
|
|
|
| ||
10. Notes Payable
On October 15, 2013, the Sweetwater County Commissioners approved the issuance of a $
| F-17 |
| Table of Contents |
Ur-Energy Inc. Notes to Consolidated Financial Statements |
December 31, 2023 |
(expressed in thousands of U.S. dollars unless otherwise indicated)
On October 1, 2019, the Sweetwater County Commissioners and the State of Wyoming approved an eighteen-month deferral of principal payments beginning October 1, 2019. On October 6, 2020, the State Bond Loan was again modified to defer principal payments for an additional eighteen months. Quarterly principal payments were resumed on October 1, 2022, and the last payment will be due on October 1, 2024.
The following table summarizes the Company’s current and long-term debts.
Current and Long-term Debt |
| December 31, 2023 |
|
| December 31, 2022 |
| ||
|
|
|
|
|
|
| ||
Current |
|
|
|
|
|
| ||
State Bond Loan |
|
|
|
|
|
| ||
Deferred financing costs |
|
| ( | ) |
|
| ( | ) |
|
|
|
|
|
|
| ||
|
|
|
|
|
|
|
|
|
Long-term |
|
|
|
|
|
|
|
|
State Bond Loan |
|
|
|
|
|
| ||
Deferred financing costs |
|
|
|
|
| ( | ) | |
|
|
|
|
|
|
| ||
The schedule of remaining payments on outstanding debt as of December 31, 2023 is presented below.
Remaining Payments |
| Total |
|
| 2024 |
|
| Final payment | |||
|
|
|
|
|
|
|
|
| |||
State Bond Loan |
|
|
|
|
|
|
|
| |||
Principal |
|
|
|
|
|
|
| ||||
Interest |
|
|
|
|
|
|
|
| |||
|
|
|
|
|
|
|
|
| |||
11. Warrant Liability
In September 2018, the Company issued
In August 2020, the Company issued
In February 2021, the Company issued
| F-18 |
| Table of Contents |
Ur-Energy Inc. Notes to Consolidated Financial Statements |
December 31, 2023 |
(expressed in thousands of U.S. dollars unless otherwise indicated)
In February 2023, the Company issued
Because the warrants are priced in U.S. dollars and the functional currency of Ur-Energy Inc., the parent company entity, is Canadian dollars, a derivative financial liability was created. Using Level 2 inputs of the fair value hierarchy under US GAAP, the liability created is measured and recorded at fair value, and adjusted monthly, using the Black-Scholes model described below as there is no active market for the warrants. Any gain or loss from the adjustment of the liability is reflected in net income for the period.
Activity with respect to the warrant liabilities is presented in the following tables.
Warrant Liability Activity |
| Sep. 2018 Warrants |
|
| Aug. 2020 Warrants |
|
| Feb. 2021 Warrants |
|
| Feb. 2023 Warrants |
|
| Total |
| |||||
|
|
|
|
|
|
|
|
|
|
|
|
|
|
|
| |||||
December 31, 2020 |
|
|
|
|
|
|
|
|
|
|
|
|
|
|
| |||||
|
|
|
|
|
|
|
|
|
|
|
|
|
|
|
|
|
|
|
|
|
Warrants issued |
|
|
|
|
|
|
|
|
|
|
|
|
|
|
| |||||
Warrants exercised |
|
| ( | ) |
|
| ( | ) |
|
| ( | ) |
|
|
|
|
| ( | ) | |
Mark to market revaluation loss |
|
|
|
|
|
|
|
|
|
|
|
|
|
|
| |||||
Effects for foreign exchange rate changes |
|
|
|
|
| ( | ) |
|
| ( | ) |
|
|
|
|
| ( | ) | ||
|
|
|
|
|
|
|
|
|
|
|
|
|
|
|
|
|
|
|
|
|
December 31, 2021 |
|
|
|
|
|
|
|
|
|
|
|
|
|
|
| |||||
|
|
|
|
|
|
|
|
|
|
|
|
|
|
|
|
|
|
|
|
|
Warrants exercised |
|
|
|
|
| ( | ) |
|
|
|
|
|
|
|
| ( | ) | |||
Mark to market revaluation gain |
|
|
|
|
| ( | ) |
|
| ( | ) |
|
|
|
|
| ( | ) | ||
Effects for foreign exchange rate changes |
|
|
|
|
| ( | ) |
|
| ( | ) |
|
|
|
|
| ( | ) | ||
|
|
|
|
|
|
|
|
|
|
|
|
|
|
|
|
|
|
|
|
|
December 31, 2022 |
|
|
|
|
|
|
|
|
|
|
|
|
|
|
| |||||
|
|
|
|
|
|
|
|
|
|
|
|
|
|
|
|
|
|
|
|
|
Warrants issued |
|
|
|
|
|
|
|
|
|
|
|
|
|
|
| |||||
Warrants exercised |
|
|
|
|
|
|
|
|
| ( | ) |
|
| ( | ) |
|
| ( | ) | |
Mark to market revaluation loss (gain) |
|
|
|
|
|
|
|
| ( | ) |
|
|
|
|
|
| ||||
Effects for foreign exchange rate changes |
|
|
|
|
|
|
|
|
|
|
|
|
|
|
| |||||
|
|
|
|
|
|
|
|
|
|
|
|
|
|
|
|
|
|
|
|
|
December 31, 2023 |
|
|
|
|
|
|
|
|
|
|
|
|
|
|
| |||||
| F-19 |
| Table of Contents |
Ur-Energy Inc. Notes to Consolidated Financial Statements |
December 31, 2023 |
(expressed in thousands of U.S. dollars unless otherwise indicated)
Warrant Liability Duration |
| February 2021 Warrants |
|
| February 2023 Warrants |
|
| Total |
| |||
|
|
|
|
|
|
|
|
|
| |||
Current portion of warrant liability |
|
|
|
|
|
|
|
|
| |||
Long-term warrant liability |
|
|
|
|
|
|
|
|
| |||
|
|
|
|
|
|
|
|
|
| |||
The fair value of the warrant liabilities on December 31, 2023, was determined using the Black-Scholes model with the following assumptions:
Black-Scholes Assumptions as of December 31, 2023 |
| February 2021 Warrants |
|
| February 2023 Warrants |
| ||
|
|
|
|
|
|
| ||
Expected forfeiture rate |
|
| % |
|
| % | ||
Expected life (years) |
|
|
|
|
|
| ||
Expected volatility |
|
| % |
|
| % | ||
Risk free rate |
|
| % |
|
| % | ||
Expected dividend rate |
|
| % |
|
| % | ||
Exercise price |
| $ |
|
| $ |
| ||
Market price |
| $ |
|
| $ |
| ||
12. Asset Retirement Obligations
Asset retirement obligations ("ARO") relate to the Lost Creek mine and Shirley Basin and are equal to the current estimated reclamation cost escalated at inflation rates ranging from
| F-20 |
| Table of Contents |
Ur-Energy Inc. Notes to Consolidated Financial Statements |
December 31, 2023 |
(expressed in thousands of U.S. dollars unless otherwise indicated)
The present value of the estimated future closure estimate is presented in the following table.
Asset Retirement Obligations |
| Total |
| |
|
|
|
| |
December 31, 2020 |
|
|
| |
|
|
|
|
|
Change in estimated reclamation costs |
|
| ( | ) |
Accretion expense |
|
|
| |
|
|
|
|
|
December 31, 2021 |
|
|
| |
|
|
|
|
|
Change in estimated reclamation costs |
|
|
| |
Accretion expense |
|
|
| |
|
|
|
|
|
December 31, 2022 |
|
|
| |
|
|
|
|
|
Change in estimated reclamation costs |
|
|
| |
Accretion expense |
|
|
| |
|
|
|
|
|
December 31, 2023 |
|
|
| |
The restricted cash discussed in note 6 relates to the surety bonds provided to the governmental agencies for these and other reclamation obligations.
13. Shareholders’ Equity and Capital Stock
Common shares
The Company’s share capital consists of an unlimited amount of Class A preferred shares authorized, without par value, of which no shares are issued and outstanding; and an unlimited amount of common shares authorized, without par value, of which
On February 4, 2021, the Company closed an underwritten public offering of
| F-21 |
| Table of Contents |
Ur-Energy Inc. Notes to Consolidated Financial Statements |
December 31, 2023 |
(expressed in thousands of U.S. dollars unless otherwise indicated)
During the year ended December 31, 2021, the Company sold
During the year ended December 31, 2022, the Company sold
On February 21, 2023, the Company closed an underwritten public offering of
During the year ended December 31, 2023, the Company sold
Stock options
In 2005, the Company’s Board of Directors approved the adoption of the Company's stock option plan (the “Option Plan”). The Option Plan was most recently approved by the shareholders on June 2, 2023. Eligible participants under the Option Plan include directors, officers, employees, and consultants of the Company. Under the terms of the Option Plan, grants of options will vest over a three-year period: one-third on the first anniversary, one-third on the second anniversary, and one-third on the third anniversary of the grant. The term of the options is five years.
| F-22 |
| Table of Contents |
Ur-Energy Inc. Notes to Consolidated Financial Statements |
December 31, 2023 |
(expressed in thousands of U.S. dollars unless otherwise indicated)
Activity with respect to stock options outstanding is summarized as follows:
Stock Option Activity |
| Outstanding Options # |
|
| Weighted-average Exercise Price $ |
| ||
|
|
|
|
|
|
| ||
December 31, 2020 |
|
|
|
|
|
| ||
|
|
|
|
|
|
|
|
|
Granted |
|
|
|
|
|
| ||
Exercised |
|
| ( | ) |
|
|
| |
Forfeited |
|
| ( | ) |
|
|
| |
Expired |
|
| ( | ) |
|
|
| |
|
|
|
|
|
|
|
|
|
December 31, 2021 |
|
|
|
|
|
| ||
|
|
|
|
|
|
|
|
|
Granted |
|
|
|
|
|
| ||
Exercised |
|
| ( | ) |
|
|
| |
Expired |
|
| ( | ) |
|
|
| |
|
|
|
|
|
|
|
|
|
December 31, 2022 |
|
|
|
|
|
| ||
|
|
|
|
|
|
|
|
|
Granted |
|
|
|
|
|
| ||
Exercised |
|
| ( | ) |
|
|
| |
Forfeited |
|
| ( | ) |
|
|
| |
Expired |
|
| ( | ) |
|
|
| |
|
|
|
|
|
|
|
|
|
December 31, 2023 |
|
|
|
|
|
| ||
The exercise price of a new grant is set at the closing price for the stock on the Toronto Stock Exchange (TSX) on the trading day immediately preceding the grant date so there is no intrinsic value as of the date of grant.
We received $
Stock-based compensation expense from stock options was $
As of December 31, 2023, there was approximately $
As of December 31, 2023, outstanding stock options were as follows:
| F-23 |
| Table of Contents |
Ur-Energy Inc. Notes to Consolidated Financial Statements |
December 31, 2023 |
(expressed in thousands of U.S. dollars unless otherwise indicated)
|
|
| Options Outstanding |
|
| Options Exercisable |
|
|
| ||||||||||||||||||
Exercise Price $ |
|
| Number of options # |
|
| Weighted-average remaining contractual life (years) |
|
| Aggregate intrinsic value $ |
|
| Number of options # |
|
| Weighted-average remaining contractual life (years) |
|
| Aggregate intrinsic value $ |
|
| Expiry | ||||||
|
|
|
|
|
|
|
|
|
|
|
|
|
|
|
|
|
|
|
|
|
| ||||||
|
|
|
|
|
|
|
|
|
|
|
|
|
|
|
|
|
|
|
| ||||||||
|
|
|
|
|
|
|
|
|
|
|
|
|
|
|
|
|
|
|
| ||||||||
|
|
|
|
|
|
|
|
|
|
|
|
|
|
|
|
|
|
|
| ||||||||
|
|
|
|
|
|
|
|
|
|
|
|
|
|
|
|
|
|
|
| ||||||||
|
|
|
|
|
|
|
|
|
|
|
| - |
|
|
| - |
|
|
|
|
| ||||||
|
|
|
|
|
|
|
|
|
|
|
| - |
|
|
| - |
|
|
|
|
| ||||||
|
|
|
|
|
|
|
|
|
|
|
|
|
|
|
|
|
|
|
|
|
|
|
|
|
|
|
|
|
|
|
|
|
|
|
|
|
|
|
|
|
|
|
|
|
|
|
|
| |||||||
The aggregate intrinsic value of the options in the preceding table represents the total pre-tax intrinsic value for stock options, with an exercise price less than the Company’s TSX closing stock price of CAD$2.02 (approximately US$
The fair value of the options on their respective grant dates was determined using the Black-Scholes model with the following assumptions:
Stock Options Fair Value Assumptions |
| 2023 |
|
| 2022 |
|
| 2021 |
| |||
|
|
|
|
|
|
|
|
|
| |||
Expected forfeiture rate |
|
|
|
|
|
| ||||||
Expected life (years) |
|
|
|
|
|
|
|
|
| |||
Expected volatility |
|
|
|
|
|
| ||||||
Risk free rate |
|
|
|
|
|
| ||||||
Expected dividend rate |
|
|
|
|
|
| ||||||
Weighted average exercise price (CAD$) |
| $ |
|
| $ |
|
| $ |
| |||
Black-Scholes value (CAD$) |
| $ |
|
| $ |
|
| $ |
| |||
| F-24 |
| Table of Contents |
Ur-Energy Inc. Notes to Consolidated Financial Statements |
December 31, 2023 |
(expressed in thousands of U.S. dollars unless otherwise indicated)
Restricted share units
On June 24, 2010, the Company’s shareholders approved the adoption of the Company’s restricted share unit plan (the “RSU Plan”). Amendments to the RSU Plan were approved by our shareholders on June 3, 2021, and the plan is now known as the Amended and Restated Restricted Share Unit and Equity Incentive Plan (the “RSU&EI Plan”). The RSU&EI Plan was approved most recently by our shareholders on June 2, 2022.
Eligible participants under the RSU&EI Plan include directors and employees of the Company. Granted RSUs are redeemed on the second anniversary of the grant. Upon an RSU vesting, the holder of the RSU will receive one common share, for no additional consideration, for each RSU held.
Activity with respect to RSUs outstanding is summarized as follows:
Restricted Share Unit Activity |
| Outstanding RSUs # |
|
| Weighted-average grant date fair value $ |
| ||
|
|
|
|
|
|
| ||
December 31, 2020 |
|
|
|
|
|
| ||
|
|
|
|
|
|
|
|
|
Granted |
|
|
|
|
|
| ||
Released |
|
| ( | ) |
|
|
| |
Forfeited |
|
| ( | ) |
|
|
| |
|
|
|
|
|
|
|
|
|
December 31, 2021 |
|
|
|
|
|
| ||
|
|
|
|
|
|
|
|
|
Released |
|
| ( | ) |
|
|
| |
|
|
|
|
|
|
|
|
|
December 31, 2022 |
|
|
|
|
|
| ||
|
|
|
|
|
|
|
|
|
Granted |
|
|
|
|
|
| ||
Released |
|
| ( | ) |
|
|
| |
Forfeited |
|
| ( | ) |
|
|
| |
|
|
|
|
|
|
|
|
|
December 31, 2023 |
|
|
|
|
|
| ||
Stock-based compensation expense from RSUs was $
| F-25 |
| Table of Contents |
Ur-Energy Inc. Notes to Consolidated Financial Statements |
December 31, 2023 |
(expressed in thousands of U.S. dollars unless otherwise indicated)
As of December 31, 2023, there was approximately $
As of December 31, 2023, outstanding RSUs were as follows:
RSUs Outstanding | ||||||||||||
Number of RSUs # |
|
| Weighted- Average Remaining contractual life (years) |
|
| Aggregate intrinsic value $ |
|
| Redemption Date | |||
|
|
|
|
|
|
|
|
|
| |||
|
|
|
|
|
|
|
| |||||
|
|
|
|
|
|
|
| |||||
|
|
|
|
|
|
|
|
| ||||
The fair value of restricted share units on their respective grant dates was determined using the intrinsic value model with the following assumptions:
Restricted Share Unit Fair Value Assumptions |
| 2023 |
| ||
Expected forfeiture rate |
| |
Grant date fair value (CAD$) |
| $ |
Warrants
In September 2018, the Company issued
In August 2020, the Company issued
In February 2021, the Company issued
In February 2023, the Company issued 39,100,000 warrants to purchase
| F-26 |
| Table of Contents |
Ur-Energy Inc. Notes to Consolidated Financial Statements |
December 31, 2023 |
(expressed in thousands of U.S. dollars unless otherwise indicated)
Activity with respect to warrants outstanding is summarized as follows:
Warrant Activity |
| Outstanding Warrants # |
|
| Number of shares to be issued upon exercise # |
|
| Per share exercise price $ |
| |||
|
|
|
|
|
|
|
|
|
| |||
December 31, 2020 |
|
|
|
|
|
|
|
|
| |||
|
|
|
|
|
|
|
|
|
|
|
|
|
Issued |
|
|
|
|
|
|
|
|
| |||
Exercised |
|
| ( | ) |
|
| ( | ) |
|
|
| |
Expired |
|
| ( | ) |
|
| ( | ) |
|
|
| |
|
|
|
|
|
|
|
|
|
|
|
|
|
December 31, 2021 |
|
|
|
|
|
|
|
|
| |||
|
|
|
|
|
|
|
|
|
|
|
|
|
Exercised |
|
| ( | ) |
|
| ( | ) |
|
|
| |
|
|
|
|
|
|
|
|
|
|
|
|
|
December 31, 2022 |
|
|
|
|
|
|
|
|
| |||
|
|
|
|
|
|
|
|
|
|
|
|
|
Issued |
|
|
|
|
|
|
|
|
| |||
Exercised |
|
| ( | ) |
|
| ( | ) |
|
|
| |
|
|
|
|
|
|
|
|
|
|
|
|
|
December 31, 2023 |
|
|
|
|
|
|
|
|
| |||
We received $
As of December 31, 2023, the outstanding warrants were as follows:
Exercise price $ |
|
| Number of warrants # |
|
| Weighted- average remaining contractual life (years) |
|
| Aggregate intrinsic value $ |
|
| Expiry | ||||
|
|
|
|
|
|
|
|
|
|
|
|
| ||||
|
|
|
|
|
|
|
|
|
|
| ||||||
|
|
|
|
|
|
|
|
|
|
| ||||||
|
|
|
|
|
|
|
|
|
|
|
| |||||
| F-27 |
| Table of Contents |
Ur-Energy Inc. Notes to Consolidated Financial Statements |
December 31, 2023 |
(expressed in thousands of U.S. dollars unless otherwise indicated)
Warrant Fair Value Assumptions |
| 2023 |
|
| 2022 |
|
| 2021 |
| |||
|
|
|
|
|
|
|
|
|
| |||
Expected forfeiture rate |
|
| % |
|
| - |
|
|
| % | ||
Expected life (years) |
|
|
|
|
| - |
|
|
|
| ||
Expected volatility |
|
| % |
|
| - |
|
|
| % | ||
Risk free rate |
|
| % |
|
| - |
|
|
| % | ||
Expected dividend rate |
|
| % |
|
| - |
|
|
| % | ||
Black-Scholes value (CAD$) |
| $ |
|
|
| - |
|
| $ |
| ||
Fair value calculations of stock options, restricted share units, and warrants
The Company estimates expected future volatility based on daily historical trading data of the Company’s common shares. The risk-free interest rates are determined by reference to Canadian Benchmark Bond Yield rates with maturities that approximate the expected life. The Company has never paid dividends and currently has no plans to do so. Forfeitures and expected lives were estimated based on actual historical experience.
Share-based compensation expense related to stock options and restricted share units is recognized net of estimated pre-vesting forfeitures, which results in expensing the awards that are ultimately expected to vest over the expected life.
14. Sales and Other Income
Revenue is primarily derived from the sale of U3O8 under multi-year term agreements or spot sales agreements.
Revenue consists of:
|
| Year Ended December 31, | ||||||||||||||||||||||
|
| 2023 |
|
| 2022 |
| 2021 | |||||||||||||||||
Revenue Summary |
| Amount |
|
| % |
|
| Amount |
|
| % |
|
| Amount |
|
| % |
| ||||||
|
|
|
|
|
|
|
|
|
|
|
|
|
|
|
|
|
|
| ||||||
Company A |
|
|
|
|
| % |
|
|
|
|
| % |
|
|
|
|
| % | ||||||
Company B |
|
|
|
|
| % |
|
|
|
|
| % |
|
|
|
|
| % | ||||||
U3O8 sales |
|
|
|
|
| % |
|
|
|
|
| % |
|
|
|
|
| % | ||||||
|
|
|
|
|
|
|
|
|
|
|
|
|
|
|
|
|
|
|
|
|
|
|
|
|
Disposal fees |
|
|
|
|
| % |
|
|
|
|
| % |
|
|
|
|
| % | ||||||
|
|
|
|
|
|
|
|
|
|
|
|
|
|
|
|
|
|
|
|
|
|
|
|
|
|
|
|
|
|
| % |
|
|
|
|
| % |
|
|
|
|
| % | ||||||
Comments on other income:
In March 2022, we sold a royalty interest related to Strata Energy’s Lance Uranium ISR Project for $
In 2020, the Company received proceeds of $
| F-28 |
| Table of Contents |
Ur-Energy Inc. Notes to Consolidated Financial Statements |
December 31, 2023 |
(expressed in thousands of U.S. dollars unless otherwise indicated)
15. Cost of Sales
Cost of sales includes ad valorem and severance taxes related to the extraction of uranium, all costs of wellfield and plant operations including the related depreciation and amortization of capitalized assets, reclamation, and mineral property costs, plus product distribution costs. These costs are also used to value inventory. The resulting inventoried cost per pound is compared to the NRV of the product, which is based on the estimated sales price of the product, net of any necessary costs to finish the product. Any inventory value more than the NRV is charged to cost of sales.
Cost of sales consists of the following:
|
| Year Ended December 31, |
| |||||||||
Cost of Sales |
| 2023 |
|
| 2022 |
|
| 2021 |
| |||
|
|
|
|
|
|
|
|
|
| |||
Cost of U3O8 sales |
|
|
|
|
|
|
|
|
| |||
Lower of cost or NRV adjustments |
|
|
|
|
|
|
|
|
| |||
|
|
|
|
|
|
|
|
|
| |||
16. Operating Costs
Operating expenses include exploration and evaluation expense, development expense, general and administration (“G&A”) expense, and mineral property write-offs. Exploration and evaluation expense consists of labor and the associated costs of the exploration and evaluation departments as well as land holding and exploration costs including drilling and analysis on properties which have not reached the permitting or operations stage. Development expense relates to properties that have reached the permitting or operations stage and include costs associated with exploring, delineating, and permitting a property. Once permitted, development expenses also include the costs associated with the construction and development of the permitted property that are otherwise not eligible to be capitalized. G&A expense relates to the administration, finance, investor relations, land, and legal functions, and consists principally of personnel, facility, and support costs.
Operating costs consist of the following:
|
| Year Ended December 31, | ||||||||||
Operating Costs |
| 2023 |
|
| 2022 |
|
| 2021 |
| |||
|
|
|
|
|
|
|
|
|
| |||
Exploration and evaluation |
|
|
|
|
|
|
|
|
| |||
Development |
|
|
|
|
|
|
|
|
| |||
General and administration |
|
|
|
|
|
|
|
|
| |||
Accretion |
|
|
|
|
|
|
|
|
| |||
|
|
|
|
|
|
|
|
|
| |||
| F-29 |
| Table of Contents |
Ur-Energy Inc. Notes to Consolidated Financial Statements |
December 31, 2023 |
(expressed in thousands of U.S. dollars unless otherwise indicated)
17. Supplemental Information for Statement of Cash Flows
Cash and cash equivalents, and restricted cash per the Statement of Cash Flows consists of the following:
|
| As of December 31, | ||||||||||
Cash, Cash Equivalents, and Restricted Cash |
| 2023 |
|
| 2022 |
|
| 2021 |
| |||
|
|
|
|
|
|
|
|
|
| |||
Cash and Cash Equivalents |
|
|
|
|
|
|
|
|
| |||
Restricted cash |
|
|
|
|
|
|
|
|
| |||
|
|
|
|
|
|
|
|
|
| |||
Interest expense paid was $
18. Income Taxes
Income (loss) before provision for income taxes consisted of the following:
|
| Year Ended December 31, | ||||||||||
Income (Loss) before Income Tax Provision |
| 2023 |
|
| 2022 |
|
| 2021 |
| |||
|
|
|
|
|
|
|
|
|
| |||
United States |
|
| ( | ) |
|
| ( | ) |
|
| ( | ) |
Canada |
|
| ( | ) |
|
| ( | ) |
|
| ( | ) |
|
|
| ( | ) |
|
| ( | ) |
|
| ( | ) |
There was no federal or state income tax provision (benefit) in the years presented above.
Deferred income taxes reflect the net tax effects of (a) temporary differences between the carrying amounts of assets and liabilities for financial reporting purposes and the amounts used for income tax purposes, and (b) operating losses and tax credit carryforwards.
| F-30 |
| Table of Contents |
Ur-Energy Inc. Notes to Consolidated Financial Statements |
December 31, 2023 |
(expressed in thousands of U.S. dollars unless otherwise indicated)
The tax effects of significant items comprising the Company’s deferred tax assets are as follows:
|
| As of December 31, | ||||||||||
Deferred Tax Assets |
| 2023 |
|
| 2022 |
|
| 2021 |
| |||
|
|
|
|
|
|
|
|
|
| |||
Deferred tax assets |
|
|
|
|
|
|
|
|
| |||
Net operating losses - non-current |
|
|
|
|
|
|
|
|
| |||
Total deferred tax assets |
|
|
|
|
|
|
|
|
| |||
|
|
|
|
|
|
|
|
|
|
|
|
|
Valuation allowance |
|
| ( | ) |
|
| ( | ) |
|
| ( | ) |
|
|
|
|
|
|
|
|
|
|
|
|
|
Net deferred taxes |
|
|
|
|
|
|
|
|
| |||
ASC 740 requires that the tax benefit of net operating losses, temporary differences and credit carryforwards be recorded as an asset to the extent that management assesses that realization is "more likely than not." Realization of the future tax benefits is dependent on the Company's ability to generate sufficient taxable income within the carryforward period. Because of the Company's recent history of operating losses, management believes that recognition of the deferred tax assets arising from the above-mentioned future tax benefits is currently not likely to be realized and, accordingly, has provided a valuation allowance.
The valuation allowance increased by $
Net operating losses and tax credit carryforwards as of December 31, 2023, are as follows:
Income Tax Loss Carryforwards |
| Amount |
|
| Expiration Years | ||
|
|
|
|
|
| ||
Net operating losses, federal (Pre-January 1, 2018) |
|
|
|
| |||
Net operating losses, federal (Post December 31, 2017) |
|
|
|
| |||
Net operating losses, state |
|
|
|
| |||
Net operating losses, Canada |
|
|
|
| |||
| F-31 |
| Table of Contents |
Ur-Energy Inc. Notes to Consolidated Financial Statements |
December 31, 2023 |
(expressed in thousands of U.S. dollars unless otherwise indicated)
The effective tax rate of the Company’s provision (benefit) for income taxes differs from the federal statutory rate as follows:
|
| Year Ended December 31, | ||||||||||
Income Tax Rate Reconciliation |
| 2023 |
|
| 2022 |
|
| 2021 |
| |||
|
|
|
|
|
|
|
|
|
| |||
Canadian Statutory rate |
|
| % |
|
| % |
|
| % | |||
State tax |
|
| - | % |
|
| - | % |
|
| % | |
Permanent differences |
|
| - | % |
|
| % |
|
| - | % | |
True-ups and other |
|
| - | % |
|
| % |
|
| % | ||
Effect of U.S. Federal Tax Rate Differential |
|
| - | % |
|
| - | % |
|
| - | % |
Share issuance costs |
|
| % |
|
| % |
|
| % | |||
Change in valuation allowance |
|
| - | % |
|
| - | % |
|
| - | % |
ITC credits |
|
| % |
|
| % |
|
| % | |||
|
|
| % |
|
| % |
|
| % | |||
The Company follows a comprehensive model for recognizing, measuring, presenting, and disclosing uncertain tax positions taken or expected to be taken on a tax return. Tax positions must initially be recognized in the financial statements when it is more likely than not the position will be sustained upon examination by the tax authorities. Such tax positions must initially and subsequently be measured as the largest amount of tax benefit that has a greater than 50% likelihood of being realized upon ultimate settlement with the tax authority assuming full knowledge of the position and relevant facts.
The Company currently has no uncertain tax positions and is therefore not reflecting any adjustments for such in its deferred tax assets.
The Company’s policy is to account for income tax related interest and penalties in income tax expense in the accompanying Consolidated Statements of Operations. There have been no income tax related interest or penalties assessed or recorded.
Other comprehensive loss was not subject to income tax effects and is therefore shown net of taxes.
| F-32 |
| Table of Contents |
Ur-Energy Inc. Notes to Consolidated Financial Statements |
December 31, 2023 |
(expressed in thousands of U.S. dollars unless otherwise indicated)
19. Commitments
Under the terms of its leases for equipment, the Company is committed to minimum annual lease payments as follows:
Lease Payments |
|
|
| |
Year |
| Amount |
| |
|
|
|
| |
2024 |
|
|
| |
2025 |
|
|
| |
2026 |
|
|
| |
2027 |
|
|
| |
|
|
|
| |
Principal payments required under debt agreements are as follows:
Principal Payments |
|
|
| |
Year |
| Amount |
| |
|
|
|
| |
2024 |
|
|
| |
|
|
|
| |
Under the terms of its off take sales agreements, the Company is committed to the following deliveries between 2024 and 2030, including two additional agreements executed in February 2024:
Year |
| Base Quantity (U3O8 Pounds) |
| |
|
|
|
| |
2024 |
|
|
| |
2025 |
|
|
| |
2026 |
|
|
| |
2027 |
|
|
| |
2028 |
|
|
| |
2029 |
|
|
| |
2030 |
|
|
| |
|
|
|
| |
20. Subsequent Events
Warrant exercises
Subsequent to year-end,
At Market facility sales
Subsequent to year-end, the Company sold
21. Financial instruments
The Company’s financial instruments consist of cash and cash equivalents, trade receivables, lease receivable, restricted cash, accounts payable and accrued liabilities, notes payable, and warrant liabilities. The Company is exposed to risks related to changes in interest rates and management of cash and cash equivalents and short-term investments.
| F-33 |
| Table of Contents |
Ur-Energy Inc. Notes to Consolidated Financial Statements |
December 31, 2023 |
(expressed in thousands of U.S. dollars unless otherwise indicated)
Credit risk
Financial instruments that potentially subject the Company to concentrations of credit risk consist of cash and cash equivalents, and restricted cash. These assets include Canadian dollar and U.S. dollar denominated certificates of deposit, money market accounts, and demand deposits. These instruments are maintained at financial institutions in Canada and the U.S. Of the amount held on deposit, approximately $
Currency risk
As of December 31, 2023, we maintained a balance of approximately $
Liquidity risk
Liquidity risk is the risk that the Company will not be able to meet its financial obligations as they come due. As of December 31, 2023, the Company’s financial liabilities consisted of accounts payable and accrued liabilities of $
Interest rate risk
The Company has completed a sensitivity analysis to estimate the impact that a change in interest rates would have on the net loss of the Company. This sensitivity analysis shows that a change of +/- 100 basis points in interest rate would have a negligible effect on the years ended December 31, 2023, 2022, and 2021. The financial position of the Company may vary at the time that a change in interest rates occurs causing the impact on the Company’s results to vary.
| F-34 |
EXHIBIT 4.1
DESCRIPTION OF REGISTRANT’S SECURITIES
REGISTERED PURSUANT TO SECTION 12
OF THE SECURITIES ACT OF 1934
The following is a description of each class of securities of Ur-Energy Inc. that is registered under Section 12 of the Securities and Exchange Act of 1934, as amended. For a complete description of the terms and provisions of such securities, refer to our Articles of Continuance and Articles of Amendment (“Articles”), our bylaws, as amended (“Bylaws”), and applicable provisions of the Canada Business Corporations Act. We have summarized certain portions of the Articles and Bylaws below. This summary is not complete. The Articles and Bylaws are incorporated by reference as exhibits to this Annual Report on Form 10-K. You should read the Articles and Bylaws in their entirety.
Common Shares and Preference Shares
Authorized Shares
The authorized capital of Ur-Energy consists of an unlimited number of Common Shares and an unlimited number of Class A Preference Shares. Our Class A Preference Shares are issuable by the Ur‑Energy Inc. Board of Directors (“Board”) in one or more series and the Board has the right and obligation to fix the number of shares in, and determine the designation, rights, privileges, restrictions and conditions attaching to the shares of each series. The rights of the holders of Common Shares will be subject to, and may be adversely affected by, the rights of the holders of any Class A Preference Shares that may be issued in the future. The Class A Preference Shares, may, at the discretion of the Board, be entitled to a preference over the Common Shares and any other shares ranking junior to the Class A Preference Shares with respect to the payment of dividends and distribution of assets in the event of liquidation, dissolution or winding up.
Dividend Rights
Holders of our Common Shares will be entitled to receive dividends when, as and if declared by our Board, out of funds legally available for their payment, subject to the rights of holders of any preferred shares that we may issue.
Voting Rights
Holders of our Common Shares are entitled to one vote per share in all matters as to which holders of Common Shares are entitled to vote. The presence, in person or by proxy, of two shareholders holding not less than 10% of our Common Shares entitled to vote as of the record date for a meeting constitutes a quorum for the transaction of business at a meeting.
Election of Directors
Our directors are elected by a plurality of the votes cast by the holders of our Common Shares in a meeting of shareholders at which a quorum is present. “Plurality” means that the individuals who receive the largest number of votes cast are elected as directors, up to the maximum number of directors to be chosen at the meeting. In accordance with the Canada Business Corporations Act, for all uncontested shareholder meetings held after August 2022, each director will be elected at a meeting only if the number of votes cast for such nominee represents a majority of the total votes cast with respect to that individual. The Company has also adopted an advance notice by-law.
Liquidation
In the event of any liquidation, dissolution or winding up of Ur-Energy or other distribution of assets of the Company among its shareholders for the purpose of winding up its affairs, the shareholders of the Common Shares shall be entitled, subject to the rights of the holders of any other class ranking in priority to the Common Shares, to receive the remaining assets or property of the company ratably on a per share basis without preference or distinction.
| 1 |
Redemption
Our Common Shares are not redeemable or convertible.
Preemptive Rights
Holders of our Common Shares are not entitled to preemptive rights in connection with any future issuance of Common Shares.
Warrants
February 21, 2023
On February 21, 2023, we entered into a warrant agreement with Computershare Trust Company, N.A. (the “2023 Warrant Agreement”). Pursuant to the 2023 Warrant Agreement, the warrants may be exercised at any time on or after the date of issuance and will expire on February 21, 2026. The warrants contain provisions that prohibit exercise if the holder, together with any affiliates, would beneficially own in excess of 4.99%, or 9.99% upon notice by the holder or automatically if such holder already beneficially owns in excess of 4.99%, of the number of Common Shares outstanding immediately after giving effect to such exercise. The holder of the warrants may increase or decrease this percentage by providing at least 61 days prior notice from the holder to us. In the event of certain corporate transactions, the holders of the warrants will be entitled to receive, upon exercise of the warrants, the kind and amount of securities, cash or other property that the holders would have received had they exercised the warrants immediately prior to such transaction. The warrants do not contain voting rights or any of the other rights or privileges as a holder of our Common Shares. There is no established trading market for the warrants and we do not expect a market to develop. In addition, we do not intend to apply for the listing of the warrants on any national securities exchange or other trading market.
Anti-Takeover Effects of our Articles and Bylaws
Our Articles and Bylaws contain provisions that may delay, defer or discourage another party from acquiring control of us. We expect that these provisions, some of which are summarized below, will discourage coercive takeover practices or inadequate takeover bids. These provisions are also designed to encourage persons seeking to acquire control of us to first negotiate with the Board, which we believe may result in an improvement of the terms of any such acquisition in favor of our shareholders. However, they also give the Board the power to discourage acquisitions that some shareholders may favor.
Advance Notice Requirements for Shareholder Proposals. Our Bylaws establish advance notice procedures with respect to stockholder proposals and the nomination of candidates for election as directors, other than nominations made by or at the direction of the Board or a committee of the Board.
Undesignated Preference Shares. The authorization of undesignated, or “blank check,” preference shares will make it possible for our Board to issue preference shares with voting or other rights or preferences that could impede the success of any attempt to change control of our Company.
| 2 |
EXHIBIT 97
Ur-Energy Inc.
Executive Compensation Clawback Policy
Purpose
This Clawback Policy (this “Policy”) has been adopted by the Compensation Committee of the Board of Directors (the “Committee”) of Ur-Energy Inc. (the “Company”) effective as of October 26, 2023 (the “Effective Date”). The purpose of this Policy is to provide the Committee with the ability to recover “Incentive Compensation” (as defined below) in the event of a restatement of the financial statements of the Company due to a material non-compliance with any financial reporting requirement under the securities laws (such event, a “Triggering Event”). Upon the occurrence of a Triggering Event, the Company may seek recovery of Incentive Compensation received by any “Covered Employee” (as defined below) during the three completed fiscal years immediately preceding the date on which the Company is required to prepare an accounting restatement, that would not otherwise have been paid to a Covered Employee if the correct performance data had been used to determine the amount payable.
The Company’s Board of Directors (the “Board”) or the Committee shall have full authority to interpret and enforce the Policy (to the extent administering this Policy, the Board or the Committee is referred to herein as the “Administrator”).
For purposes of this Policy, “Company” shall include any subsidiary or affiliate of the Company.
Covered Employees
For purposes of this Policy, “Covered Employee” is defined as the Company’s current and former executive officers, as determined by the Administrator in accordance with Section 10D of the Securities Exchange Act of 1934, as amended (the “Exchange Act”) and the listing standards of the national securities exchange on which the Company’s securities are listed, and any other employee of the Company and its subsidiaries designated by the Administrator.
Incentive Compensation
For purposes of this Policy, “Incentive Compensation” means any of the following, provided that, such compensation that is granted, earned, or vested wholly or in part upon the attainment of a financial reporting measure: (1) the amount of (or payment or value received with respect to) a Covered Employee’s annual incentive awards under the Company’s short-term incentive plan or program; (2) the stock options, restricted share units, and performance-based equity or equity- based awards (or any amount attributable to such awards) to the Covered Employee under the Company’s equity incentive plans or other long-term incentive plans or programs; and (3) any other incentive-based compensation in respect of any Company plan or agreement. Financial reporting measures are measures that are determined and presented in accordance with the accounting principles used in preparing the Company’s financial statements, and any measures that are derived wholly or in part from such measures, including, but not limited to, the following: (1) stock price; (2) total shareholder return; (3) revenue; (4) net income; (5) EBITDA; (6) funds from operations; (7) liquidity measures such as working capital or operating cash flow; (8) return measures such as return on invested capital or return on assets; (9) earnings measures such as earnings per share; and (10) any other financial measures as determined by the Administrator.
| 1 |
Amount Subject to Recovery
If the Administrator determines that Incentive Compensation of a Covered Employee was overpaid, in whole or in part, as a result of a restatement of the financial statements of the Company due to material non-compliance with financial reporting requirements under the securities laws, the Administrator will review the Incentive Compensation paid, granted, vested or accrued based on the prior inaccurate results.
As permitted by applicable law, the Administrator will seek to recover or cancel the excess, if any, of (i) any Incentive Compensation paid or accrued based on the belief that the Company had met or exceeded performance thresholds, over (ii) the Incentive Compensation that would have been paid or granted to the Covered Employee, or the Incentive Compensation in which the Covered Employee would have vested, had the actual payment, granting or vesting been calculated based on the accurate data or restated results, as applicable (the “Overpayment”).
The Administrator may make determinations of Overpayment at any time through the end of the third fiscal year following the year for which the inaccurate performance criteria were attained; provided, that if steps have been taken within such period to restate the Company’s financial or operating results, the time period shall be extended until such restatement is completed.
If the Administrator cannot determine the amount of the Overpayment directly from the information in the accounting restatement, then it will make its determination based on a reasonable estimate of the effect of the accounting restatement. For Incentive Compensation based on stock price or total shareholder return, where the amount of Overpayment is not subject to mathematical recalculation directly from the information in an accounting restatement: (A) the amount must be based on a reasonable estimate of the effect of the accounting restatement on the stock price or total shareholder return upon which the Incentive Compensation was received and (B) the Company will maintain documentation of the determination of that reasonable estimate and provide such documentation to the national securities exchange on which the Company’s securities are listed as required by the listing standards of such national securities exchange.
Recovery Process
If the Administrator determines to seek recovery of a Covered Employee’s Incentive Compensation under this Policy, the Company shall have the right to demand that the Covered Employee repay such Incentive Compensation to the Company. In addition, the Administrator may seek to recover any shares issued in connection with such Incentive Compensation and to require the Covered Employee to pay to the Company the proceeds resulting from the sale or other disposition of shares issued upon the exercise of options or the settlement or vesting of equity awards.
To the extent the Covered Employee does not reimburse the Company for the demanded Incentive Compensation, the Company shall have the right to enforce the repayment through the reduction or cancellation of outstanding and future Incentive Compensation and, if necessary or desirable, to sue for repayment. To the extent any shares have been issued under vested awards or such shares have been sold by the Covered Employee, the Company shall have the right to cancel any other outstanding stock-based awards with a value equivalent to the Overpayment, as determined by the Administrator.
| 2 |
No Additional Payments
In no event shall the Company be required to award Covered Employees an additional payment if the restated or accurate financial results would have resulted in a higher Incentive Compensation payment.
No Indemnification
The Company shall not indemnify any Covered Employee against the loss of any incorrectly awarded Incentive Compensation.
Administration of Policy
The Administrator shall have the exclusive power and authority to administer this Policy, including, without limitation, the right and power to interpret the provisions of this Policy and to make all determinations deemed necessary or advisable for the administration of this Policy, including, without limitation, any determination as to: (a) whether a Triggering Event has occurred; and (b) what constitutes Incentive Compensation. It is intended that this Policy be interpreted in a manner that is consistent with the requirements of Section 10D of the Exchange Act and any applicable rules or standards adopted by the Securities and Exchange Commission or any national securities exchange on which the Company’s securities are listed.
Committee Determination Final
Any actions, interpretations and determination by the Administrator (or by any officer of the Company to whom enforcement authority has been delegated) in good faith with respect to this Policy shall be final, conclusive and binding on all interested parties.
Impracticability
The Administrator shall recover any excess Incentive Compensation in accordance with this Policy unless such recovery would be impracticable, as determined by the Administrator in accordance with Rule 10D-1 of the Exchange Act and the listing standards of the national securities exchange on which the Company’s securities are listed.
Amendment and Termination
The Board or the Committee may at any time in its sole discretion supplement or amend any provision of this Policy in any respect, terminate this Policy in whole or part, or adopt a new policy relating to recovery of Incentive Compensation with such terms as the Committee or the Board determine in their sole discretion to be appropriate.
| 3 |
Application of Policy
This Policy applies to all Incentive Compensation granted, paid or credited by the Company. Application of the Policy does not preclude the Company from taking any other action to enforce a Covered Employee’s obligations to the Company, including termination of employment or institution of civil or criminal proceedings.
Other Recoupment Rights
The Administrator intends that this Policy will be applied to the fullest extent of the law. The Administrator may require that any employment agreement, equity award agreement, or similar agreement entered into on or after the Effective Date of this Policy shall, as a condition to the grant of any benefit thereunder, require a Covered Employee to agree to abide by the terms of this Policy. The Policy is in addition to (and not in lieu of) any right of repayment, forfeiture or right of offset against any Covered Employee that is required pursuant to the terms of any similar policy in any employment agreement, equity award agreement, or similar agreement, any statutory repayment requirement (regardless of whether implemented at any time prior to or following the adoption of the Policy), and any other legal remedies available to the Company.
Successors
This Policy shall be binding and enforceable against all Covered Employees and their beneficiaries, heirs, executors, administrators or other legal representatives.
Effective Date
This Policy shall be effective as of the Effective Date and shall apply to any Incentive Compensation that is received (as such term is defined by Rule 10D-1(d) promulgated under the Exchange Act) by the Covered Employee on or after the effective date of Section 303A.14 of the NYSE Listed Company Manual.
| 4 |
sp;4�5�
EXHIBIT 21.1

EXHIBIT 23.1

Consent of Independent Registered Public Accounting Firm
We hereby consent to the incorporation by reference in the Registration Statements on Form S-8 (No. 333-153098, No. 333-16589, No. 333-168590 and No. 333-181380) and S-3 (No. 333 272992, No. 333-193316, and No. 333-261309) of Ur-Energy Inc. of our report dated March 6, 2024 relating to the financial statements, which appears in this Form 10-K.
/s/PricewaterhouseCooppers LLP
Chartered Professional Accountants
Vancouver, Canada
March 6, 2024
PricewaterhouseCoopers LLP
PricewaterhouseCoopers Place, 250 Howe Street, Suite 1400, Vancouver, British Columbia, Canada V6C 3S7
T: +1 604 806 7000, F: +1 604 806 7806, www.pwc.com/ca
“PwC” refers to PricewaterhouseCoopers LLP, an Ontario limited liability partnership.
EXHIBIT 23.2
CONSENT OF WESTERN WATER CONSULTANTS, INC.
We, Western Water Consultants, Inc., d.b.a. WWC Engineering (“WWC”), hereby consent to the incorporation by reference of any mineral resource estimates or other analysis performed by us in our capacity as an independent consultant to Ur-Energy Inc. (the “Company”), which are set forth in the Company’s Annual Report on Form 10-K, and any amendments or supplements thereto (together, “Form 10-K”) for the year ended December 31, 2023, whether derived from or in summary or quoted form, and the filing and use of the technical report summaries for Lost Creek ISR Uranium Property, Sweetwater County, Wyoming, USA and Shirley Basin ISR Uranium Project, Carbon County, Wyoming, USA, each dated March 4, 2024 (with information as of December 31, 2023), as exhibits 96.1 and 96.2, respectively, to the Form 10-K and as are referenced in the Form 10-K.
Further, WWC consents to the use and reference of our name, in our status as an expert and a Qualified Person, pursuant to S-K 1300, in connection with the Form 10-K and the referenced technical report summaries that were prepared by WWC and that WWC supervised the preparation of and/or that were reviewed and approved by WWC.
Further, we consent to the incorporation by reference in the Company’s Registration Statements on Form S‑3 (File Nos. 333-193316, 333-261309, and 333-272992) and on Form S-8 (File Nos. 333-153098, 333-168589, 333-168590 and 333-181380), any prospectuses or amendments or supplements thereto, and in any amendment to any of the foregoing of the above items as included in the Form 10-K.
| Date: March 6, 2024
|
| WESTERN WATER CONSULTANTS, INC., d.b.a. WWC ENGINEERING |
|
|
|
|
|
|
|
|
| /s/ Western Water Consultants, Inc., |
|
|
|
| d/b/a WWC Engineering |
|
oman; M���؞
EXHIBIT 31.1
CERTIFICATION OF CHIEF EXECUTIVE OFFICER
UNDER SECTION 302 OF THE SARBANES-OXLEY ACT OF 2002
I, John W. Cash, certify that:
| 1. | I have reviewed this annual report on Form 10-K of Ur-Energy Inc.; | |
|
|
|
|
| 2. | Based on my knowledge, this report does not contain any untrue statement of a material fact or omit to state a material fact necessary to make the statements made, in light of the circumstances under which such statements were made, not misleading with respect to the period covered by this report; | |
|
|
|
|
| 3. | Based on my knowledge, the financial statements, and other financial information included in this report, fairly present in all material respects the financial condition, results of operations and cash flows of the registrant as of, and for, the periods presented in this report; | |
|
|
|
|
| 4. | The registrant’s other certifying officer and I are responsible for establishing and maintaining disclosure controls and procedures (as defined in Exchange Act Rules 13a-15(e) and 15d-15(e)) and internal control over financial reporting (as defined in Exchange Act Rules 13a-15(f) and 15d-15(f)) for the registrant and have: | |
|
|
|
|
|
| a) | Designed such disclosure controls and procedures, or caused such disclosure controls and procedures to be designed under our supervision, to ensure that material information relating to the registrant is made known to us by others within this entity, particularly during the period in which this report is being prepared; |
|
|
|
|
|
| b) | Designed such internal control over financial reporting, or caused such internal control over financial reporting to be designed under our supervision, to provide reasonable assurance regarding the reliability of financial reporting and the preparation of financial statements for external purposes in accordance with generally accepted accounting principles; |
|
|
|
|
|
| c) | Evaluated the effectiveness of the registrant’s disclosure controls and procedures and presented in this report our conclusions about the effectiveness of the disclosure controls and procedures, as of the end of the period covered by this report based on such evaluation; and |
|
|
|
|
|
| d) | Disclosed in this report any change in the registrant’s internal control over financial reporting that occurred during the registrant’s most recent fiscal quarter (the registrant’s fourth fiscal quarter in the case of an annual report) that has materially affected, or is reasonably likely to materially affect, the registrant’s internal control over financial reporting; and |
|
|
|
|
| 5. | The registrant’s other certifying officer and I have disclosed, based on our most recent evaluation of internal control over financial reporting, to the registrant’s auditors and the audit committee of the registrant’s board of directors (or persons performing the equivalent functions): | |
|
|
|
|
|
| a) | All significant deficiencies and material weaknesses in the design or operation of internal control over financial reporting which are reasonably likely to adversely affect the registrant’s ability to record, process, summarize and report financial information; and |
|
|
|
|
|
| b) | Any fraud, whether or not material, that involves management or other employees who have a significant role in the registrant’s internal control over financial reporting. |
| Date: March 6, 2024 | By: | /s/ John W. Cash |
|
| John W. Cash |
| ||
| Chief Executive Officer |
|
style="����
EXHIBIT 31.2
CERTIFICATION OF CHIEF FINANCIAL OFFICER
UNDER SECTION 302 OF THE SARBANES-OXLEY ACT OF 2002
I, Roger Smith, certify that:
| 1. |
| I have reviewed this annual report on Form 10-K of Ur-Energy Inc.; |
|
|
|
|
| 2. |
| Based on my knowledge, this report does not contain any untrue statement of a material fact or omit to state a material fact necessary to make the statements made, in light of the circumstances under which such statements were made, not misleading with respect to the period covered by this report; |
|
|
|
|
| 3. |
| Based on my knowledge, the financial statements, and other financial information included in this report, fairly present in all material respects the financial condition, results of operations and cash flows of the registrant as of, and for, the periods presented in this report; |
|
|
|
|
| 4. |
| The registrant’s other certifying officer and I are responsible for establishing and maintaining disclosure controls and procedures (as defined in Exchange Act Rules 13a-15(e) and 15d-15(e)) and internal control over financial reporting (as defined in Exchange Act Rules 13a-15(f) and 15d-15(f)) for the registrant and have: |
|
|
|
|
|
| a) | Designed such disclosure controls and procedures, or caused such disclosure controls and procedures to be designed under our supervision, to ensure that material information relating to the registrant is made known to us by others within this entity, particularly during the period in which this report is being prepared; |
|
|
|
|
|
| b) | Designed such internal control over financial reporting, or caused such internal control over financial reporting to be designed under our supervision, to provide reasonable assurance regarding the reliability of financial reporting and the preparation of financial statements for external purposes in accordance with generally accepted accounting principles; |
|
|
|
|
|
| c) | Evaluated the effectiveness of the registrant’s disclosure controls and procedures and presented in this report our conclusions about the effectiveness of the disclosure controls and procedures, as of the end of the period covered by this report based on such evaluation; and |
|
|
|
|
|
| d) | Disclosed in this report any change in the registrant’s internal control over financial reporting that occurred during the registrant’s most recent fiscal quarter (the registrant’s fourth fiscal quarter in the case of an annual report) that has materially affected, or is reasonably likely to materially affect, the registrant’s internal control over financial reporting; and |
|
|
|
|
| 5. |
| The registrant’s other certifying officer and I have disclosed, based on our most recent evaluation of internal control over financial reporting, to the registrant’s auditors and the audit committee of the registrant’s board of directors (or persons performing the equivalent functions): |
|
|
|
|
|
| a) | All significant deficiencies and material weaknesses in the design or operation of internal control over financial reporting which are reasonably likely to adversely affect the registrant’s ability to record, process, summarize and report financial information; and |
|
|
|
|
|
| b) | Any fraud, whether or not material, that involves management or other employees who have a significant role in the registrant’s internal control over financial reporting. |
|
|
|
|
| Date: March 6, 2024 | By: | /s/ Roger Smith |
|
| Roger Smith |
| ||
| Chief Financial Officer |
|
imes ne�����
EXHIBIT 32.1
CERTIFICATIONS OF CHIEF EXECUTIVE OFFICER AND CHIEF FINANCIAL OFFICER
PURSUANT TO
18 U.S.C. SECTION 1350,
AS ADOPTED PURSUANT TO
SECTION 906 OF THE SARBANES-OXLEY ACT OF 2002
In connection with this annual report of Ur-Energy Inc. (the “Registrant”) on Form 10-K for the year ended December 31, 2023, as filed with the Securities and Exchange Commission on the date hereof (the “Report”), I, the undersigned, in the capacity and on the date indicated below, hereby certify, pursuant to 18 U.S.C. Section 1350, as adopted pursuant to Section 906 of the Sarbanes-Oxley Act of 2002, that to my knowledge:
| (a) | The Report fully complies with the requirements of Section 13(a) or 15(d) of the Securities Exchange Act of 1934, as amended; and |
|
|
|
| (b) | The information contained in the Report fairly presents, in all material respects, the financial condition and results of operations of the Registrant. |
|
|
|
| Date: March 6, 2024 | By: | /s/ John W. Cash |
|
| John W. Cash |
| ||
| Chief Executive Officer |
|
ion co<�6|�
EXHIBIT 32.2
CERTIFICATIONS OF CHIEF EXECUTIVE OFFICER AND CHIEF FINANCIAL OFFICER
PURSUANT TO
18 U.S.C. SECTION 1350,
AS ADOPTED PURSUANT TO
SECTION 906 OF THE SARBANES-OXLEY ACT OF 2002
In connection with this annual report of Ur-Energy Inc. (the “Registrant”) on Form 10-K for the year ended December 31, 2023, as filed with the Securities and Exchange Commission on the date hereof (the “Report”), I, the undersigned, in the capacity and on the date indicated below, hereby certify, pursuant to 18 U.S.C. Section 1350, as adopted pursuant to Section 906 of the Sarbanes-Oxley Act of 2002, that to my knowledge:
| (a) | The Report fully complies with the requirements of Section 13(a) or 15(d) of the Securities Exchange Act of 1934, as amended; and |
|
|
|
| (b) | The information contained in the Report fairly presents, in all material respects, the financial condition and results of operations of the Registrant. |
| Date: March 6, 2024 | By: | /s/ Roger Smith |
|
|
|
| Roger Smith |
|
|
|
| Chief Financial Officer |
|
restrucB�HF�
EXHIBIT 96.1

|
|
|
This S-K 1300 Initial Assessment Mineral Resource Report of the “LOST CREEK ISR URANIUM PROPERTY, SWEETWATER COUNTY, WYOMING, USA” dated March 4, 2024 has been prepared under the supervision of, and signed by the following Qualified Persons:
Prepared under the Supervision of:
WWC Engineering
1849 Terra Avenue
Sheridan, WY 82801
USA
Report Prepared for:

10758 W. Centennial Road
Suite 200
Littleton, CO 80127
|
|
|
TABLE OF CONTENTS
| 1.0 | EXECUTIVE SUMMARY |
| 1 |
| |||
| 2.0 | INTRODUCTION |
| 9 |
| |||
| 2.1 | Registrant |
| 9 |
| |||
|
| 2.2 | Terms of Reference |
| 9 |
| ||
|
| 2.3 | Information Sources and References |
| 9 |
| ||
|
| 2.4 | Inspection of the Property by Each Qualified Person |
| 10 |
| ||
|
| 2.4.1 | QP Qualifications |
| 10 |
| ||
|
| 2.5 | Previous Technical Report Summaries |
| 10 |
| ||
| 3.0 | PROPERTY DESCRIPTION AND LOCATION |
| 11 |
| |||
|
| 3.1 | Location and Size |
| 11 |
| ||
|
| 3.2 | Mining Claims, Mineral Leases and Surface Use Agreements |
| 16 |
| ||
|
| 3.3 | Title to Property |
| 20 |
| ||
|
|
| 3.3.1 | Property Boundaries |
| 20 |
| |
|
| 3.4 | Royalties, Taxes and Fees |
| 20 |
| ||
|
| 3.5 | Significant Encumbrances or Risks to Perform Work on the Property |
| 21 |
| ||
|
|
| 3.5.1 | Environmental Liabilities |
| 21 |
| |
|
|
| 3.5.2 | Existing and Required Permits |
| 21 |
| |
|
|
| 3.5.3 | Significant Risks that May affect Access, Title, or Right to Perform Work |
| 22 |
| |
| 4.0 | ACCESSIBILITY, CLIMATE, LOCAL RESOURCES, INFRASTRUCTURE AND PHYSIOGRAPHY |
| 23 |
| |||
|
| 4.1 | Physiography |
| 23 |
| ||
|
| 4.2 | Means of Access |
| 23 |
| ||
|
| 4.3 | Proximity to Population Centers |
| 23 |
| ||
|
| 4.4 | Climate and Operating Season |
| 24 |
| ||
|
| 4.5 | Property Infrastructure |
| 24 |
| ||
|
|
| 4.5.1 | Water Supply |
| 25 |
| |
| 5.0 | HISTORY |
| 26 |
| |||
|
| 5.1 | Ownership History |
| 26 |
| ||
|
|
| 5.1.1 | Ownership History of Lost Creek Project |
| 26 |
| |
|
|
| 5.1.2 | Ownership History of Adjoining Projects |
| 27 |
| |
|
|
| 5.1.2.1 | LC East |
| 27 |
| |
|
|
| 5.1.2.2 | LC North |
| 27 |
| |
|
|
| 5.1.2.3 | LC South |
| 28 |
| |
|
|
| 5.1.2.4 | LC West |
| 28 |
| |
|
|
| 5.1.2.5 | EN |
| 28 |
| |
| Ur-Energy – Lost Creek ISR Uranium Property Technical Report Summary – March 4, 2024 | Page i |
|
|
|
TABLE OF CONTENTS (Continued)
| 5.2 | Exploration History |
| 28 |
| |||
|
| 5.3 | Previous Mineral Resource Estimates and Their Reliability |
| 30 |
| ||
|
| 5.4 | Production History |
| 30 |
| ||
| 6.0 | GEOLOGICAL SETTING AND MINERALIZATION |
| 32 |
| |||
|
| 6.1 | Regional Geology |
| 32 |
| ||
|
| 6.2 | Project Geology |
| 32 |
| ||
|
| 6.3 | Stratigraphy |
| 37 |
| ||
|
| 6.4 | Mineralization of the Lost Creek Property |
| 41 |
| ||
|
| 6.5 | DEPOSIT TYPE |
| 43 |
| ||
| 7.0 | EXPLORATION |
| 46 |
| |||
|
| 7.1 | Drilling |
| 46 |
| ||
|
|
| 7.1.1 | Historic Drilling |
| 46 |
| |
|
|
| 7.1.1.1 | Lost Creek Project: Drilling History |
| 46 |
| |
|
|
| 7.1.1.2 | LC East Project: Drilling History |
| 47 |
| |
|
|
| 7.1.1.3 | LC North Project: Drilling History |
| 47 |
| |
|
|
| 7.1.1.4 | LC South Project: Drilling History |
| 48 |
| |
|
|
| 7.1.1.5 | LC West Project: Drilling History |
| 48 |
| |
|
|
| 7.1.1.6 | EN Project: Drilling History |
| 48 |
| |
|
|
| 7.1.2 | Drilling By URE |
| 48 |
| |
|
| 7.2 | Hydrogeology |
| 49 |
| ||
|
| 7.2.1 | Hydraulic Properties |
| 50 |
| ||
|
|
| 7.2.2 | QP Comment on Results |
| 52 |
| |
|
| 7.3 | Geotechnical Data, Testing, and Analysis |
| 52 |
| ||
|
| 7.4 | Disequilibrium |
| 52 |
| ||
| 8.0 | SAMPLE COLLECTION, PREPARATION, ANALYSIS AND SECURITY |
| 54 |
| |||
|
| 8.1 | Down-hole Geophysical Logging |
| 54 |
| ||
|
| 8.2 | Coring |
| 55 |
| ||
|
| 8.3 | Drill Cuttings |
| 55 |
| ||
|
| 8.4 | Analyses and Security |
| 55 |
| ||
|
| 8.5 | Quality Control Summary |
| 56 |
| ||
|
| 8.6 | Opinion on Adequacy |
| 56 |
| ||
| Ur-Energy – Lost Creek ISR Uranium Property Technical Report Summary – March 4, 2024 | Page ii |
|
|
|
TABLE OF CONTENTS (Continued)
| 9.0 | DATA VERIFICATION |
| 57 |
| |||
| 10.0 | MINERAL PROCESSING AND METALLURGICAL TESTING |
| 58 |
| |||
| 11.0 | MINERAL RESOURCE ESTIMATES |
| 59 |
| |||
|
| 11.1 | Assumptions |
| 59 |
| ||
|
| 11.2 | Mineral Resource Estimates |
| 59 |
| ||
|
|
| 11.2.1 | Cutoff Selection |
| 59 |
| |
|
|
| 11.2.2 | Resource Classification |
| 60 |
| |
|
|
| 11.2.3 | Methodology |
| 61 |
| |
|
|
| 11.2.3.1 | Fundamentals |
| 61 |
| |
|
|
| 11.2.3.2 | Mineral Intercepts |
| 62 |
| |
|
|
| 11.2.3.3 | GT Contouring and Resource Estimation |
| 62 |
| |
|
| 11.2.4 | Summary of Resources |
| 64 |
| ||
|
| 11.2.5 | Resource Estimation Auditing |
| 66 |
| ||
|
| 11.2.6 | Mineral Resource Estimate Risk |
| 67 |
| ||
| 12.0 | MINERAL RESERVE ESTIMATES |
| 68 |
| |||
| 13.0 | MINING METHODS |
| 68 |
| |||
|
| 13.1 | Mineral Deposit Amenability |
| 68 |
| ||
|
| 13.2 | Mine Development |
| 68 |
| ||
| 13.3 | Piping |
| 73 |
| |||
|
| 13.4 | Header Houses |
| 73 |
| ||
|
| 13.5 | Wellfield Reagents, Electricity |
| 73 |
| ||
|
| 13.6 | Mining Fleet Equipment and Machinery |
| 73 |
| ||
|
| 13.7 | Mining Personnel |
| 73 |
| ||
| 14.0 | PROCESSING AND RECOVERY METHODS |
| 74 |
| |||
|
| 14.1 | Plant Processing |
| 74 |
| ||
|
| 14.2 | Energy, Water and Process Materials |
| 76 |
| ||
|
| 14.3 | Liquid Disposal |
| 77 |
| ||
|
| 14.4 | Solid Waste Disposal |
| 77 |
| ||
|
| 14.5 | Plant Personnel |
| 77 |
| ||
| Ur-Energy – Lost Creek ISR Uranium Property Technical Report Summary – March 4, 2024 | Page iii |
|
|
|
TABLE OF CONTENTS (Continued)
| 15.0 | PROJECT INFRASTRUCTURE |
| 78 |
| |||
|
| 15.1 | Roads |
| 78 |
| ||
|
| 15.2 | Laboratory Equipment |
| 78 |
| ||
|
| 15.3 | Electricity |
| 78 |
| ||
|
| 15.4 | Water |
| 80 |
| ||
|
| 15.5 | Holding Ponds |
| 80 |
| ||
| 16.0 | MARKET STUDIES AND CONTRACTS |
| 81 |
| |||
| 17.0 | ENVIRONMENTAL STUDIES, PERMITTING, SOCIAL OR COMMUNITY IMPACT |
| 82 |
| |||
|
| 17.1 | Environmental Studies |
| 82 |
| ||
|
|
| 17.1.1 | Background Radiological Characteristics |
| 82 |
| |
|
|
| 17.1.2 | Threatened, Endangered, or Candidate Species |
| 83 |
| |
|
|
| 17.1.3 | Cultural and Historic Resources |
| 84 |
| |
|
|
| 17.1.4 | Visual and Scenic Resources |
| 84 |
| |
|
|
| 17.1.5 | Byproduct Disposal |
| 84 |
| |
|
| 17.2 | Permitting Requirements, Permit Status, Financial Assurance |
| 84 |
| ||
|
|
| 17.2.1 | Financial Assurance |
| 84 |
| |
|
|
| 17.2.3 | Site Monitoring |
| 85 |
| |
|
| 17.3 | Community Affairs |
| 85 |
| ||
|
| 17.4 | Project Closure |
| 86 |
| ||
|
|
| 17.4.1 | Well Abandonment / Groundwater Restoration |
| 86 |
| |
|
| 17.4.2 | Demolition and Removal of Infrastructure |
| 86 |
| ||
|
|
| 17.4.3 | Site Grading and Revegetation |
| 86 |
| |
|
| 17.5 | Adequacy of Current Plans |
| 86 |
| ||
| 18.0 | CAPITAL AND OPERATING COSTS |
| 87 |
| |||
|
| 18.1 | Capital Cost Estimation (CAPEX) |
| 87 |
| ||
|
| 18.2 | Operating Cost Estimation (OPEX) |
| 87 |
| ||
|
| 18.3 | Adequacy of Cost Estimates |
| 90 |
| ||
|
| 18.4 | Wellfield Development Costs |
| 90 |
| ||
| 19.0 | ECONOMIC ANALYSIS |
| 91 |
| |||
|
| 19.1 | Assumptions |
| 91 |
| ||
|
| 19.2 | Cash Flow Forecast and Production Schedule |
| 92 |
| ||
|
| 19.3 | Taxation |
| 95 |
| ||
| 19.4 | Sensitivity Analysis |
| 95 |
| |||
| Ur-Energy – Lost Creek ISR Uranium Property Technical Report Summary – March 4, 2024 | Page iv |
|
|
|
TABLE OF CONTENTS (Continued)
| 20.0 | ADJACENT PROPERTIES |
| 97 |
| |||
| 21.0 | OTHER RELEVANT DATA AND INFORMATION |
| 97 |
| |||
| 22.0 | INTERPRETATION AND CONCLUSIONS |
| 98 |
| |||
|
| 22.1 | Conclusions |
| 98 |
| ||
|
| 22.2 | Risk Assessment |
| 98 |
| ||
|
|
| 22.2.1 | Resource and Recovery |
| 98 |
| |
|
|
| 22.2.2 | Markets and Contracts |
| 99 |
| |
|
|
| 22.2.3 | Operations |
| 100 |
| |
| 23.0 | RECOMMENDATIONS |
| 101 |
| |||
|
| 23.1 | Continued Wellfield Development |
| 101 |
| ||
|
| 23.2 | Continued Permitting |
| 101 |
| ||
| 24.0 | REFERENCES |
| 102 |
| |||
| 25.0 | RELIANCE ON INFORMATION PROVIDED BY THE REGISTRANT |
| 105 |
| |||
| 26.0 | DATE AND SIGNATURE PAGES |
| 105 |
| |||
LIST OF TABLES
| Table 1. | Lost Creek Property – Resource Summary |
| 4 |
|
| Table 2. | Summary of Economics |
| 5 |
|
| Table 3. | Cash Flow Summary |
| 7 |
|
| Table 4. | Drill Hole Summary – Historical and Recent |
| 29 |
|
| Table 5. | Previous Resource Estimates |
| 31 |
|
| Table 6. | KM Horizon - Leach Test Results, 2010 |
| 58 |
|
| Table 7. | Lost Creek Property Resources, by Project |
| 65 |
|
| Table 8. | Development Summary by Resource Area |
| 71 |
|
| Table 9. | Annual Operating Costs (OPEX) Summary |
| 88 |
|
| Table 10. | Annual Operating Costs (OPEX) Details |
| 89 |
|
| Table 11. | Cash Flow Statement ($US 000s) |
| 93 |
|
| Table 12. | Cash Flow Detail ($US 000s) |
| 94 |
|
| Table 13. | Net Present Value Discount Rate Sensitivity and IRR |
| 95 |
|
| Ur-Energy – Lost Creek ISR Uranium Property Technical Report Summary – March 4, 2024 | Page v |
|
|
|
TABLE OF CONTENTS (Continued)
LIST OF FIGURES
| Figure 1. | General Location Map |
| 2 |
|
| Figure 2. | Site Access, Lost Creek Property |
| 12 |
|
| Figure 3a. | Lost Creek Project Surface and Mineral Ownership |
| 13 |
|
| Figure 3b. | LC East Project Surface and Mineral Ownership |
| 14 |
|
| Figure 3c. | LC North Project Surface and Mineral Ownership |
| 15 |
|
| Figure 3d. | LC South Project Surface and Mineral Ownership |
| 17 |
|
| Figure 3e. | LC West Project Surface and Mineral Ownership |
| 18 |
|
| Figure 3f. | EN Project Surface and Mineral Ownership |
| 19 |
|
| Figure 4. | Geologic Map of the Great Divide Basin |
| 33 |
|
| Figure 5. | Schematic Geologic Cross Section, Lost Creek Project |
| 34 |
|
| Figure 6. | Stratigraphic Chart of Lost Creek Project Specific Geology |
| 35 |
|
| Figure 7. | Type Log for the Lost Creek Project |
| 36 |
|
| Figure 8a. | Stratigraphic Cross Section A-A’ |
| 39 |
|
| Figure 8b. | Stratigraphic Cross Section B-B’ |
| 40 |
|
| Figure 9. | Resource Map for the Lost Creek Property |
| 42 |
|
| Figure 10. | Conceptual Uranium Roll Front Deposit |
| 45 |
|
| Figure 11. | GT Contour Resource Polygon |
| 64 |
|
| Figure 12. | Resource Areas – Lost Creek Property |
| 70 |
|
| Figure 13. | Life of Mine Schedule |
| 72 |
|
| Figure 14. | Process Flow Diagram |
| 75 |
|
| Figure 15. | Lost Creek Property Existing Infrastructure |
| 79 |
|
| Figure 16. | Pre-tax NPV Sensitivity to Price, OPEX and CAPEX |
| 96 |
|
| Figure 17. | Post-Tax NPV Sensitivity to Price, OPEX and CAPEX |
| 96 |
|
| Ur-Energy – Lost Creek ISR Uranium Property Technical Report Summary – March 4, 2024 | Page vi |
|
|
|
LIST OF ABBREVIATIONS
| AEC | U.S. Atomic Energy Commission |
| ALARA | As Low As Reasonably Achievable |
| AQD | Air Quality Department |
| bgs | Below ground surface |
| BLM | U.S. Bureau of Land Management |
| CAPEX | Capital Expenditure |
| COC | Chain of Custody |
| DDCT | Density Disturbance Calculation Tool |
| DDW(s) | Deep Disposal Well(s) |
| DEF | Disequilibrium Factor |
| DOE | U.S. Department of Energy |
| eU3O8 | equivalent eU3O8 as measured by a calibrated gamma instrument |
| EMC | Energy Metals Corporation |
| EMT | East Mineral Trend, located within the LC East Project |
| EPA | U.S. Environmental Protection Agency |
| ESA | Endangered Species Act |
| ft. | Feet |
| FTE | Full Time Equivalent |
| GDB | Great Divide Basin |
| GIS | Geographic Information System |
| gpm | Gallons Per Minute |
| GT | Grade x Thickness product (% ft.) of a uranium intercept (expressed without units) |
| HDPE | High density polyethylene pipe |
| HH(s) | Header house(s) |
| HPU | High Plains Uranium, Inc. |
| ICP | Inductively Coupled Plasma |
| ISL | In Situ Leach |
| ISR | In Situ Recovery |
| IRR | Internal Rate of Return |
| IX | Ion Exchange |
| K | Thousand |
| kWh | Kilowatt-hours |
| LC | Lost Creek ISR, LLC, operating company for Lost Creek Project; wholly-owned subsidiary of Ur-Energy Inc. |
| lbs. | Pounds |
| LoM | Life of Mine |
| M | Million |
| MMT | Main Mineral Trend, located within Lost Creek Project |
| MOU | Memorandum of Understanding |
| MU1 | Mine Unit 1, Lost Creek Project |
| MU2 | Mine Unit 2, Lost Creek Project |
| NI 43-101 | Canadian National Instrument 43-101 (Standards of Disclosure for Mineral Projects) |
| NPV | Net Present Value |
| NRC | U.S. Nuclear Regulatory Commission |
| OPEX | Operating Expenditure |
| PEA | Preliminary Economic Assessment (per NI 43-101) |
| Ur-Energy – Lost Creek ISR Uranium Property Technical Report Summary – March 4, 2024 | Page vii |
|
|
|
LIST OF ABBREVIATIONS (Continued)
| PFN | Prompt Fission Neutron, logging technology |
| PNC | Power Nuclear Corporation |
| PVC | Polyvinyl chloride pipe |
| QP | Qualified Person or QP Firm |
| R | Range |
| RA | Resource Area |
| SBS | Sage Brush Shale |
| S-K 1300 | Regulation S-K Subpart 1300, “Modernization of Property Disclosures for Mining Registrants” |
| SME | Society for Mining, Metallurgy & Exploration |
| SR | State Route |
| T | Township |
| T&E | Threatened and Endangered Species |
| U | Uranium in its natural isotopic ratios |
| U1 | Uranium One Americas, Inc. |
| UIC | Underground Injection Control (pursuant to U.S. EPA regulations) |
| URE | Ur-Energy Inc. |
| URP | Uranium Recovery Program |
| U.S. | United States |
| USFWS | U.S. Fish and Wildlife Service |
| U3O8 | A standard chemical formula commonly used to express the natural form of uranium mineralization. U represents uranium and O represents oxygen. |
| 235U | Uranium isotope with an atomic mass of 235 |
| WDEQ | Wyoming Department of Environmental Quality WY Wyoming |
| WGFD | Wyoming Game and Fish Division |
| Ur-Energy – Lost Creek ISR Uranium Property Technical Report Summary – March 4, 2024 | Page viii |
|
|
|
1.0 EXECUTIVE SUMMARY
This S-K 1300 Technical Report Summary (Report) for the Lost Creek Property (the Property) has been prepared for Ur-Energy Inc. (URE) and its subsidiaries, Lost Creek ISR, LLC (LC) and NFU Wyoming, LLC under the supervision of Western Water Consultants, Inc., d/b/a WWC Engineering (WWC), pursuant to Regulation S-K Subpart 1300, “Modernization of Property Disclosures for Mining Registrants” (S-K 1300). Its objective is to evaluate the technical and economic viability of the Property using the most current scientific, engineering and technical information. This Report covers resource calculations from drilling activities and production operations information through December 31, 2023.
The Lost Creek PROPERTY represents the composite of six individual contiguous PROJECTS:
|
| · | Lost Creek Project, |
|
| · | LC East Project, |
|
| · | LC West Project, |
|
| · | LC North Project, |
|
| · | LC South Project, and |
|
| · | EN Project |
The licensed and operating Lost Creek Project is considered the core project while the others are collectively referred to as the Adjoining Projects. The Adjoining Projects were acquired by URE as exploration targets to provide resources supplemental to those recognized at the Lost Creek Project. Most were initially viewed as stand-alone projects but expanded over time such that collectively they now represent a contiguous land position and mineral property along with the Lost Creek Project. The Lost Creek Property is in the northeast corner of Sweetwater County, approximately 90 miles southwest of Casper, Wyoming. Current total acreage is approximately 35,400 acres of federal mineral claims and state of Wyoming mineral leases (Figure 1).
The Property is situated in the northeastern part of the Great Divide Basin (GDB), which is underlain by up to 25,000 ft. of Paleozoic to Quaternary sedimentary units. Rock outcrops in the GDB are dominated by the Battle Spring Formation of Eocene age, which also hosts the uranium mineralization considered in this Report. The dominant lithology in the Battle Spring Formation is coarse arkosic sandstone, interbedded with intermittent mudstone, claystone and siltstone. Deposition occurred as alluvial-fluvial fan deposits within a south-southwest flowing paleo-drainage.
Exploration in the Lost Creek region started in the mid-1960s. Several companies explored portions of the current Property during this early period and continued to advance the uranium discoveries until 1983 when market conditions declined. New Frontiers Uranium, LLC acquired the Lost Creek Project in 2000 and held it until 2005 when Ur-Energy USA Inc. purchased 100 percent ownership of the property through the purchase of a wholly owned company, NFU Wyoming, LLC.
Uranium mineralization occurs as roll front type deposits formed where uranium precipitated from oxidizing groundwater when it contacted reduced host rock. The majority of known, potentially recoverable uranium throughout the Property occurs within two major mineralized trends. The Main Mineral Trend (MMT) lies within the Lost Creek Project and the East Mineral Trend (EMT) occurs in the LC East Project. The main mineralized stratigraphic intervals are identified by URE as the HJ and KM Horizons of the Battle Spring Formation.
| Ur-Energy – Lost Creek ISR Uranium Property Technical Report Summary – March 4, 2024 | Page 1 |
|
|
|

| Ur-Energy – Lost Creek ISR Uranium Property Technical Report Summary – March 4, 2024 | Page 2 |
|
|
|
Additional uranium has been identified in the overlying FG and DE Horizons and in the underlying Deep Horizons.
Construction of the Lost Creek plant and installation of Mine Unit 1 (MU1) was initiated in October 2012. Production operations in MU1 within the HJ Horizon began on August 2, 2013, and, through December 31, 2023, 2.838 million pounds of U3O8 have been produced from the originally planned 13 header houses (HHs) in MU1 and the first five planned HHs in Mine Unit 2 (MU2). For this Report, to accurately reflect existing resources, all resources produced through December 31, 2023 have been subtracted from total Measured resources from the HJ Horizon in MU1 and MU2. All the wells to support the originally planned 13 HHs for MU1 have been completed, and surface installations installed, as have the first five HHs in MU2. All monitor ring wells have been installed and pump tested in MU2. The Lost Creek Project has returned to commercial operations, following a ramp-up decision in December 2022.
The existing plant, wellfields, and disposal wells are all fully permitted with the appropriate authorities. Additionally, URE has received approval from the U.S. Bureau of Land Management (BLM) and Wyoming Department of Environmental Quality (WDEQ) Uranium Recovery Program (URP) for production in the HJ and KM Horizons within the LC East Project and to authorize production from additional HJ mine units within the EMT in the Lost Creek Project. Upon approval of an amendment of the Permit to Mine, URE will be able to pursue production in the KM and HJ Horizons at the LC East Project and additional HJ Units at the Lost Creek Project. The amendment is anticipated to be approved in 2024 H1.
The mineral resource estimate for the Property is 12.682 million pounds in the Measured and Indicated categories, and 6.119 million pounds eU3O8 in the Inferred category. Lost Creek has produced 2.838 million pounds U3O8 as of December 31, 2023. The mineral resource reported here has been reduced to account for production to date. The resource estimate is summarized in Table 1.
The QP firm (QP), is of the opinion that the classification of the resources as stated meets the established professional standards and guidelines for reporting mineral resources for the purposes of S-K 1300. The mineral resource estimates in this Report, based on historical and URE drilling, were reviewed and accepted by the QP.
The majority of resources within the Property have been geographically allocated to 12 designated Resource Areas (RAs) which represent the accumulation of resources within a given horizon in a given area. Economic analyses in this Report are performed solely on these designated areas, due to the vertical and lateral continuity of the resources. RAs represent precursors to potential mine units (wellfields).
To date, RAs 1 and 2 have been converted to MU1 and MU2, respectively. Currently, approximately 78 percent of the total Property resources, as presented in Table 1, are contained within RAs.
| Ur-Energy – Lost Creek ISR Uranium Property Technical Report Summary – March 4, 2024 | Page 3 |
|
|
|
Table 1. Lost Creek Property – Resource Summary
|
| Measured | Indicated | Inferred | ||||||
| Project | Avg Grade % eU3O8 | Short Tons (X 1000) | Pounds (X 1000) | Avg Grade % eU3O8 | Short Tons (X 1000) | Pounds (X 1000) | Avg Grade % eU3O8 | Short Tons (X 1000) | Pounds (X 1000) |
| LOST CREEK | 0.049 | 10,032 | 9,819 | 0.046 | 2,699 | 2,503 | 0.045 | 2,834 | 2,527 |
| Production through 12/31/2023 | 0.049 | -2,896 | -2,838 |
|
|
|
|
|
|
| LC EAST | 0.052 | 1,401 | 1,465 | 0.042 | 1,883 | 1,568 | 0.042 | 2,954 | 2,481 |
| LC NORTH | — | — | — | — | — | — | 0.045 | 644 | 581 |
| LC SOUTH | — | — | — | 0.037 | 221 | 165 | 0.039 | 637 | 496 |
| LC WEST | — | — | — | — | — | — | 0.109 | 16 | 34 |
| EN | — | — | — | — | — | — | — | — | — |
| GRAND TOTAL | 0.049 | 8,537 | 8,446 | 0.044 | 4,803 | 4,236 | 0.043 | 7,085 | 6,119 |
|
|
|
| MEASURED + INDICATED = | 13,340 | 12,682 |
|
|
| |
| 1. | Sum of Measured and Indicated tons and pounds may not add to the reported total due to rounding. |
| 2. | % eU3O8 is a measure of gamma intensity from a decay product of uranium and is not a direct measurement of uranium. Numerous comparisons of eU3O8 and chemical assays of Lost Creek rock samples, as well as PFN logging, indicate that eU3O8 is a reasonable indicator of the chemical concentration of uranium. |
| 3. | Table shows resources based on grade cutoff of 0.02 % eU3O8 and a grade x thickness cutoff of 0.20 GT. |
| 4. | Measured, Indicated, and Inferred Mineral Resources as defined in 17 CFR § 229.1300. |
| 5. | Resources are reported through December 31, 2023. |
| 6. | All reported resources occur below the static water table. |
| 7. | 2.838 million lbs. of U3O8 have been produced from the HJ Horizon in the Lost Creek Project as of December 31, 2023. |
| 8. | Mineral resources that are not mineral reserves do not have demonstrated economic viability. |
| 9. | The point of reference for resources is in situ at the Property. |
Cautionary statement: This Report is preliminary in nature and includes inferred mineral resources that are considered too speculative geologically to have the economic considerations applied to them that would enable them to be categorized as mineral reserves. Mineral resources that are not mineral reserves do not have demonstrated economic viability. There is increased risk and uncertainty to commencing and conducting production without established mineral reserves that may result in economic and technical failure which may adversely impact future profitability. The estimated mineral recovery used in this Report is based on recovery data from wellfield operations to date, as well as Ur-Energy personnel and industry experience at similar facilities. There can be no assurance that recovery at this level will be achieved.
The QP has assumed that URE’s operations at the Property will be conducted in conformance with applicable laws, regulations and requirements of federal, state and local agencies. It is also assumed that organization and management controls have been and will continue to be established to ensure compliance with applicable regulations and to implement URE’s policy for providing a safe working environment including the philosophy of maintaining radiation exposures As Low As Reasonably Achievable (ALARA).
| Ur-Energy – Lost Creek ISR Uranium Property Technical Report Summary – March 4, 2024 | Page 4 |
|
|
|
The resources identified and evaluated have been added to the Lost Creek production plan and continue to support the possible economics of the Property. Using the estimated capital expenses (CAPEX), operating expenses (OPEX) and closure costs presented herein, a cash flow statement has been developed. The statement assumes no escalation, and no debt, interest or capital repayments. It also does not include depreciation. It should be noted that Lost Creek ISR, LLC is the recipient of a State of Wyoming Taxable Industrial Development Revenue Bond, as amended from time to time. Debt interest and repayment of this bond is not included in the economic analysis. This information is summarized in the following Table 2.
Table 2. Summary of Economics
| Economic Parameter |
| Units |
| Pre-income Tax |
|
| Post-income Tax |
| ||
| Initial CAPEX 1 |
| US$ 000s |
| $ | - |
|
| $ | - |
|
| Sustaining CAPEX |
| US$ 000s |
| $ | 25,965 |
|
| $ | 25,965 |
|
| LoM OPEX |
| $ / Lb |
| $ | 16.73 |
|
| $ | 16.73 |
|
| Income Taxes |
| $ / Lb |
| $ | - |
|
| $ | 10.30 |
|
| Total Cost per Pound |
| $ / Lb |
| $ | 39.72 |
|
| $ | 50.02 |
|
| Production |
| Lb 000s |
|
| 11,664 |
|
|
| 11,664 |
|
| Net Cash Flow |
| US$ 000s |
| $ | 424,434 |
|
| $ | 303,586 |
|
| NPV 8% |
| US$ 000s |
| $ | 225,526 |
|
| $ | 165,573 |
|
| IRR (adjusted for Undepreciated Initial Capital) 2 |
| % |
|
| 81.8 | % |
|
| 77.1 | % |
| 1. | Initial capital costs of $46.5 million were incurred and expended prior to the starting date of this economic analysis. Because there are no additional cash expenditures required for initial capital, they are therefore excluded from the cash flow and NPV calculations. |
| 2. | As of December 31, 2023, Lost Creek had $26 million of undepreciated, initial and sustaining capital assets that will be charged against operations over time. By including the undepreciated, initial capital assets, an IRR can be calculated. Without these costs, an IRR cannot be calculated. |
The economic analyses presented herein provide the results of the analyses for pre-income tax and post-income tax, which includes U.S. federal and Illinois state income taxes. There is no State of Wyoming income tax, and all sales are assumed to take place in Illinois where the conversion facility is located. The only difference between the two scenarios is the value of the estimated income taxes. All other sales, property, use, severance and conservations taxes as well as royalties are included in both scenarios. Both economic analyses presented herein assume no escalation and no debt, interest or capital repayments. Ur-Energy USA Inc. files consolidated federal tax returns in the United States and had approximately $110.7 million in tax loss carry forwards as of December 31, 2023. URE does not anticipate paying any significant federal income taxes until the existing, and any future, tax loss carry forwards are utilized. In addition, reclamation costs can be deducted in the early years of the Property, thus also pushing out the tax liability.
Where known, uranium price is based on pricing for expected sales under existing and negotiated sales contracts. Pricing assumptions are then supplemented by calculating a simple average of (a) the annual average of the projections of Cantor Fitzgerald Canada Corporation, September 26, 2023; Roth MKM, October 10, 2023; PI Financial Corp. October 6, 2023 and (b) UxC, LLC Q4 2023 Market Outlook (Mid Price Scenario Projection from 2023 to 2040) (UxC, LLC Q4 2023), as further discussed in Chapters 16 and 24. UxC is a leading independent nuclear industry market research and analysis company that publishes comprehensive market outlook reports for uranium which include future price projections.
| Ur-Energy – Lost Creek ISR Uranium Property Technical Report Summary – March 4, 2024 | Page 5 |
|
|
|
The revenue for the cash flow estimate was developed using the GT contour mineral resource estimate for the MMT and EMT, and further assumed that, based on an 80 percent recovery factor, approximately 11.7 million pounds of U3O8 will be recovered from the MMT and EMT at the Property.
Remaining CAPEX costs are for sustaining capital requirements at the mine site and for the installation of a wastewater treatment building to optimize wastewater reduction. The remaining sustaining capital is for the replacement of equipment that will be used in future operations of the plant and the wellfields. In addition, costs are included in the wellfield development portion of this analysis for the installation of one additional Underground Injection Control (UIC) Class I deep disposal well (DDW) which is currently being installed. The sustaining capital estimate is based on the actual previous purchases of the same equipment and/or vendor prices, thus the predicted level of accuracy of the sustaining capital estimate is +/- 10 percent.
URE purchased and paid for the processing plant and much of the first mine unit prior to the commencement of operations in 2013. In addition, prior to this economic analysis additional wellfield and plant upgrades have been completed. Those initial capital costs totaled approximately $46.5 million and are not included in this economic analysis because they were previously incurred.
OPEX cost estimates were developed by evaluating each process unit operation and associated operating services (power, water, air, waste disposal), infrastructure (offices, shops), salary plus burden, and environmental control (heat, air conditioning, monitoring). The OPEX estimate is based on URE’s current operating costs, budgets, development plan, deliverables, process flow sheets, process design, materials balance and project manpower schedule. The annual OPEX is provided in Chapter 18.
Construction of the plant and MU1 began in October 2012. Plant construction was completed in the third quarter of 2013. Wellfield drilling and construction activities have been completed to various levels with the majority of the work occurring in the MU1 and the areas of the first five HHs in MU2, two of which came online in 2023.
Subsequent to initial capital purchases, all other installation costs have been expensed. These include additional construction in MU1, installation of the monitor well ring in MU2 and drilling and construction of a DDW. The Net Present Value (NPV) calculations assume that cash flows occur in the middle of the accounting periods. The NPV is calculated from the discounted cash flow model and is based on the CAPEX, OPEX and closure cost estimates, a variable future uranium price and the anticipated production schedule. Payback of the initial capital investments, including $18.2 million in sunk costs which occurred prior to the beginning of this analysis, is estimated during the third quarter of 2026. A summary of the current project economics is presented below in Table 3 and is discussed in more detail in Chapter 19.
| Ur-Energy – Lost Creek ISR Uranium Property Technical Report Summary – March 4, 2024 | Page 6 |
|
|
|
Approximately 26.7 percent of the resources in the economic analysis were inferred resources. Inferred resources are resources that are considered too speculative geologically to have modifying factors applied to them that would enable them to be categorized as mineral reserves, and there is no certainty that this economic assessment will be realized. To account for the chance that the inferred resources are not upgraded as mining progresses and URE collects additional drilling data, a second economic analysis was prepared which excluded the inferred resources. The estimated recovery excluding the inferred resources was 8.8 million pounds. Without the inferred resources the Property is estimated to generate net cash flow over its life, before income tax, of $271.7 million and $204.6 million after income tax. Without the inferred resources the calculated before tax IRR is 80.8 percent and a before tax NPV of $162.2 million applying an eight percent discount rate. When income taxes are included in the calculation without inferred resources, the after-tax IRR is 76.8 percent and the after tax NPV is $125.5 million applying an eight percent discount rate. Without the inferred resources LoM total costs are estimated at approximately $42.30 per pound of U3O8 produced including royalties and local taxes. Income taxes are estimated to be $7.54 per pound.
Table 3. Cash Flow Summary
| Cash Flow Line Items |
| Units |
| Total |
|
| US$ per Pound |
| ||
| Pounds produced |
| Lbs |
|
| 11,663,878 |
|
|
|
| |
| Pounds sold |
| Lbs |
|
| 11,729,946 |
|
|
|
| |
| Sales |
| US$ 000s |
| $ | 891,072 |
|
| $ | 75.97 |
|
| Royalties |
| US$ 000s |
| $ | (637 | ) |
| $ | (0.05 | ) |
| Net sales |
| US$ 000s |
| $ | 890,435 |
|
| $ | 75.92 |
|
| Wyoming severance tax |
| US$ 000s |
| $ | (22,318 | ) |
| $ | (1.90 | ) |
| Sweetwater ad valorem tax |
| US$ 000s |
| $ | (29,997 | ) |
| $ | (2.56 | ) |
| Operating costs (see Table 9) |
| US$ 000s |
| $ | (196,431 | ) |
| $ | (16.73 | ) |
| Wellfield development |
| US$ 000s |
| $ | (190,558 | ) |
| $ | (16.25 | ) |
| Exploration cost |
| US$ 000s |
| $ | - |
|
| $ | - |
|
| Sweetwater County property tax |
| US$ 000s |
| $ | (732 | ) |
| $ | (0.06 | ) |
| Working capital changes |
| US$ 000s |
| $ | - |
|
| $ | - |
|
| Project cash flow |
| US$ 000s |
| $ | 450,399 |
|
| $ | 38.42 |
|
| Initial capital |
| US$ 000s |
| $ | - |
|
| $ | - |
|
| Sustaining capital |
| US$ 000s |
| $ | (25,965 | ) |
| $ | (2.21 | ) |
| Net cash flow before tax |
| US$ 000s |
| $ | 424,434 |
|
| $ | 36.21 |
|
| Federal income tax |
| US$ 000s |
| $ | (84,267 | ) |
| $ | (7.18 | ) |
| State income tax |
| US$ 000s |
| $ | (36,581 | ) |
| $ | (3.12 | ) |
| Net cash flow after tax |
| US$ 000s |
| $ | 303,586 |
|
| $ | 25.91 |
|
| 1. | Production is based on an 80% recovery of the total of Measured, Indicated and Inferred resources in the 12 RAs of the MMT and EMT. |
| 2. | Where known, uranium price is based on pricing for expected sales under existing and negotiated sales contracts. Pricing assumptions are then supplemented by calculating a simple average of (a) the annual average of the projections of Cantor Fitzgerald Canada Corporation, September 26, 2023; Roth MKM, October 10, 2023; PI Financial Corp. October 6, 2023 and (b) UxC, LLC Q4 2023. See also Chapter 16. |
| 3. | Wellfield development includes wellfield drilling and wellfield construction costs. |
| 4. | Working capital changes are primarily related to annual cash flow timing differences in accounts receivable and accounts payable and totals to zero. |
| 5. | Pounds sold exceeds pounds produced due to existing inventories. |
| Ur-Energy – Lost Creek ISR Uranium Property Technical Report Summary – March 4, 2024 | Page 7 |
|
|
|
The QP finds the Property is potentially viable based upon the assumptions contained herein. There is no certainty that the mineral recovery or the economic analyses presented in this Report will be realized. In order to realize the full potential benefits described in this Report, the following activities, as discussed in Chapter 23 (Recommendations), are suggested:
|
| · | Continue development and drilling in future mine units to maintain the production pipeline and ensure uninterrupted production. |
|
| · | Complete the permit amendment process for the required permits and approvals for additional HJ production at Lost Creek and production from the HJ and KM Horizons at LC East. |
|
| · | URE should continue permitting efforts for the KM Horizon at Lost Creek and should also consider initiating the permitting process for the FG Horizon at the Property. |
|
| · | Renew exploration activities to test resource expansion potential across additional geographical areas of the Property and for all horizons, including the deeper horizons. |
|
| · | Continue with delineation and development drilling and related regulatory actions necessary to add additional horizons at Lost Creek and LC East and advance the Adjoining Projects to prepare for development of future wellfields to recover uranium at the Property. |
|
| · | URE should complete its pre-construction design, engineering work, and installation of wastewater management processes and procedures with the goal of concentrating and minimizing RO brine production and maximizing permeate output. |
|
| · | URE has a history of innovative research and development (R&D) projects that lower costs, improve operations, and minimize impacts of ISR operations. URE should continue evaluating opportunities to decrease costs and increase efficiencies, including related to its well installation technology. |
| Ur-Energy – Lost Creek ISR Uranium Property Technical Report Summary – March 4, 2024 | Page 8 |
|
|
|
2.0 INTRODUCTION
2.1 Registrant
WWC has been retained by URE to prepare this Report for the Property, which includes the Lost Creek Project and the Adjoining Projects located in northeastern Sweetwater County in south-central Wyoming, USA. This Report has been prepared in accordance with the guidelines set forth under S-K 1300 for the submission of technical reports on mineral properties. This Report also presents a validation of the estimate of Measured, Indicated and Inferred Mineral Resources as defined in S-K 1300 (17 CFR §229.1300). Estimates of Mineral Reserves were not prepared. Property economics and related analyses were also updated from earlier such analyses.
URE was incorporated on March 22, 2004 and is engaged in the identification, acquisition, evaluation, exploration, development and operation of uranium properties in the United States. URE is incorporated in Canada with principal executive offices located at 10758 West Centennial Road, Suite 200, Littleton, CO 80127. URE’s uranium mineral property portfolio includes properties in the Great Divide Basin, the Shirley Basin, and the Gas Hills mining districts of Wyoming.
2.2 Terms of Reference
This Report was prepared to disclose the updated results of mineral resource estimations for the Property prompted by development activities through December 31, 2023. Property economics and related analyses were also updated from earlier such analyses.
2.3 Information Sources and References
The information and data presented in this Report were gathered from various sources listed in Chapters 24 and 25. Technical information was provided to WWC by URE and includes data from other professional consultants and follows generally accepted uranium ISR practices. Mineral resource estimates are based on exploration, delineation and production drilling, and associated data, provided by URE and reviewed by WWC.
The wellfield design was provided by URE with associated numbers and locations of wells and HHs. It includes the as-built design in MU1 and MU2 as well as anticipated wellfield layout for future development. The cost estimates presented here are based on wellfield layouts, process flow diagrams, tank and process equipment and buildings currently installed at the Property, personnel and capital equipment requirements provided by URE.
Units of measurement, unless otherwise indicated, are feet (ft.), miles, acres, pounds avoirdupois (lbs.), and short tons (2,000 lbs.). Uranium is expressed as pounds U3O8, the standard market unit. All references to dollars ($) are in U.S. dollars. Grades reported for historical resources and the mineral resources reported and used herein are percent eU3O8 (equivalent U3O8 by calibrated gamma geophysical logging unit). ISR refers to in situ recovery, sometimes also termed ISL or in situ leach. A complete list of abbreviations is provided on pages vii-viii.
| Ur-Energy – Lost Creek ISR Uranium Property Technical Report Summary – March 4, 2024 | Page 9 |
|
|
|
2.4 QP Inspection of the Property
WWC professionals have most recently visited the site on January 23, 2024. The purpose of the site visit was to observe the geography and geology of the Project site, verify work done at the site by URE, observe the potential locations of Project components; confirmation drilling and other site activities and renewed production operations; and to confirm existing site infrastructure including installed wellfields, plant facilities and equipment.
2.4.1 QP Qualifications
Completion of this Report was under the direction and supervision of WWC. WWC is a third-party QP as defined by Regulation S-K 1300. Additionally, WWC has approved the technical disclosure contained in this Report.
2.5 Previous Technical Report Summaries
A previous Amended Technical Report Summary current as of December 31, 2021 and dated September 19, 2022 was completed for the Property. Additionally reports meeting Canadian National Instrument 43-101 (NI 43-101) standards were previously prepared by and for URE and are referenced in this report.
| Ur-Energy – Lost Creek ISR Uranium Property Technical Report Summary – March 4, 2024 | Page 10 |
|
|
|
3.0 PROPERTY DESCRIPTION AND LOCATION
3.1 Location and Size
The Property is located in the northeastern corner of Sweetwater County in south-central Wyoming. As shown on Figure 1, the Property is in an unpopulated area located approximately 15 miles southwest of Bairoil, Wyoming, about 38 miles northwest of Rawlins, Wyoming and about 90 miles southwest of Casper, Wyoming. It is centered at approximately 42 degrees, 8.06 minutes North latitude and 107 degrees, 51.7 minutes West longitude. All references herein to Township and Range occur within the 6th Prime Meridian.
The Lost Creek plant is constructed and operating. Production well installation for the originally designed 13 HHs in MU1 is complete and production operations have occurred in all 13 HHs. Additionally, the first five HHs of MU2 have been constructed and are operational. Additional HHs will be developed in both mine units and additional recovery areas, as production requirements warrant. Five DDWs are permitted for the Lost Creek Project, of which four have been drilled to date. Two remain operational after one DDW was plugged and abandoned, and the fourth, drilled in 2023, is being completed at the date of this report. Shallow UIC Class V wells for water recycling were permitted, drilled and have been in operation since 2017. Associated access roads have been constructed. URE has also installed numerous monitoring and other wells in support of its permit and license applications and to further mine planning. Various other infrastructure, including wells, water tanks, ponds, a meteorological station, and other equipment, has been placed on the Property by URE in support of its mining, development, exploration, and permit/license activities.
The Property currently comprises six individual Projects named the Lost Creek, LC East, LC North, LC South, LC West, and EN Projects (Figure 2) located over approximately 35,400 acres. The Lost Creek Project is considered the core project, with current production occurring in MU1 and MU2. The other five Projects, collectively referred to as the Adjoining Projects, are extension and exploration properties targeted as possible sources of additional feed to the Lost Creek Project production facilities. All Projects within the Property consist mostly or entirely of federal unpatented lode mining claims. Three of the Projects also have state mineral leases. URE does not hold any private (fee) mineral leases within the Property. Land holdings within the six Projects of the Property are summarized below. With the exception of the Lost Creek Project, acreage estimates are rounded to the nearest 10s.
Lost Creek Project: is in Sections 13, 24 and 25 of T25N, R93W, and Sections 16 through 20 and 29 through 31 of T25N, R92W (Figure 3a). The Project is approximately 4,194 acres in size, including 3,554 acres in 201 federal unpatented lode mining claims and 640 acres in one state of Wyoming mineral lease.
Adjoining Company Projects:
LC East Project: is a block of 324 federal mineral claims (Figure 3b) which are adjoining to the east and northeast of the Lost Creek Project, within Sections 1 through 3, 10 through 15, 20 through 23, 27 through 29 of T25N, R92W. The LC East Project encompasses approximately 5,750 acres.
LC North Project: is adjoining to the north and west of the Lost Creek Project in Sections 4 through 10, 17, and 18 of T25N, R92W, Sections 1, 11 through 15, 22, 23, 26, and 27 of T25N, R93W and Sections 33 through 34 of T26N, R92W (Figure 3c). The LC North Project includes 338 federal unpatented lode mining claims totaling approximately 6,260 acres.
LC South Project: is an adjoining project to the south and east of the Lost Creek Project in Sections 22 through 35 of T25N, R92W, Sections 3 through 6, and 8 through 11, 14, and 15 of T24N, R92W, and Section 1 of T24N, R93W (Figure 3d). The LC South Project encompasses 546 federal unpatented lode mining claims totaling approximately 10,200 acres.
LC West Project: consists of a block of mining claims plus one state lease in two parcels (Figure 3e). Most of LC West adjoins the Lost Creek, LC North and LC South Projects within Sections 16, 21, 22, 25 through 28, 33 through 36 of T25N, R93W, and Sections 2 through 5 of T24N, R93W. One of the state mineral lease parcels lies as a disconnected parcel approximately a mile north from the LC West mining claims. LC West Project encompasses a total of approximately 3,840 acres, including 2,800 acres in 142 federal unpatented lode mining claims and 1,040 acres in the state of Wyoming mineral lease.
EN Project: is the adjoining project to the east of the LC South Project in Sections 31 through 34 of T25N, R91W, Sections 5 through 7 of T24N, R91W, Sections 35 and 36 of T25N, R92W, and Sections 1 through 3 and 10 through 12 of T24N, R92W (Figure 3f). The current EN Project encompasses approximately 5,160 acres, including approximately 4,520 acres in 234 federal unpatented lode mining claims and 640 acres in the state of Wyoming mineral lease.
| Ur-Energy – Lost Creek ISR Uranium Property Technical Report Summary – March 4, 2024 | Page 11 |
|
|
|

| Ur-Energy – Lost Creek ISR Uranium Property Technical Report Summary – March 4, 2024 | Page 12 |
|
|
|

| Ur-Energy – Lost Creek ISR Uranium Property Technical Report Summary – March 4, 2024 | Page 13 |
|
|
|

| Ur-Energy – Lost Creek ISR Uranium Property Technical Report Summary – March 4, 2024 | Page 14 |
|
|
|

| Ur-Energy – Lost Creek ISR Uranium Property Technical Report Summary – March 4, 2024 | Page 15 |
|
|
|
3.2 Mining Claims, Mineral Leases and Surface Use Agreements
Collectively the Property currently consists of a total of 1,785 federal unpatented lode mining claims and three state of Wyoming leases for uranium and associated minerals. The land status of each project is illustrated in Figures 3a-f and described below.
The surface of all the mining claims is controlled by the BLM, with URE possessing the right to use as much of the surface as is necessary for exploration and mining of the claims, subject to compliance with all federal, state and local laws and regulations. Surface use on BLM lands is administered under federal regulations.
The Lost Creek and other projects currently held by LC are subject to a mortgage securing a bond loan with Sweetwater County, Wyoming, through the State of Wyoming Taxable Industrial Development Revenue Bond program, and the related State bond which was issued for this loan in October 2013. The mortgage, as amended, is recorded in Sweetwater County, Wyoming (October 23, 2013, Rec. 1630230 Bk. 1202, pg. 5867; December 28, 2015, Rec. 1646033 Bk. 1212, pg. 4611); October 1, 2019, Rec. 1669974, Bk. 1228, pg. 5759; and October 7, 2020, Rec. 1677345, Bk. 1235, Pg. 976).
| Ur-Energy – Lost Creek ISR Uranium Property Technical Report Summary – March 4, 2024 | Page 16 |
|
|
|

| Ur-Energy – Lost Creek ISR Uranium Property Technical Report Summary – March 4, 2024 | Page 17 |
|
|
|

| Ur-Energy – Lost Creek ISR Uranium Property Technical Report Summary – March 4, 2024 | Page 18 |
|
|
|

| Ur-Energy – Lost Creek ISR Uranium Property Technical Report Summary – March 4, 2024 | Page 19 |
|
|
|
Similarly, access to state-controlled land is largely inherent within the state of Wyoming mineral leases. The state lease within the Lost Creek Project requires a nominal surface impact fee to be paid as may the other state mineral leases from time to time. Various Temporary Use Permits are in place at the Property, including one which allows for the use and maintenance of an improved road on the leased state section within the Lost Creek Project.
3.3 Title to Property
URE, through its wholly owned subsidiaries Lost Creek ISR, LLC and NFU Wyoming, LLC controls the federal unpatented lode mining claims and state of Wyoming mineral leases which comprise the Property. Currently, NFU Wyoming, LLC controls the mining claims and state lease at the EN Project. Lost Creek ISR, LLC controls the lands at the other five projects within the Property, including Lost Creek Project. Title to the mining claims is subject to rights of pedis possessio against all third-party claimants as long as the claims are maintained. The mining claims do not have an expiration date. Affidavits have been timely filed with the BLM and recorded with the Sweetwater County Recorder attesting to the payment of annual maintenance fees to the BLM as established by law. The state leases have a ten-year term, subject to renewal for successive ten-year terms. From time to time, formal mineral title reports are prepared for URE by mineral title attorneys.
3.3.1 Property Boundaries
A professional legal survey of the permit area boundary of the Lost Creek Project was completed in advance of the submission of applications for permits and licenses on the Project. Similarly, a professional legal survey was conducted for the permit area for the LC East Project permit amendments. Legal surveys of individual mining claims are not required, and otherwise have not been completed. The area covered by the state leases is based on the legal subdivision descriptions as set forth by the U.S. Cadastral Survey and has not been verified by legal surveys.
3.4 Royalties, Taxes and Fees
URE is required to pay various state and local taxes related to production and the ownership of property. These taxes are in the form of severance, ad valorem, gross products, personal, and real property taxes. There is no state income tax in Wyoming. Royalties based on sales of uranium will be paid to the state under the state mineral leases at the Property. The state mineral leases carry the standard five percent royalty required by law. There are no royalties owed on the mining claims held at the Lost Creek Project. Various royalties exist on portions of the Adjoining Projects, including on a portion of LC East Project. Those royalties, as they pertain to currently anticipated production, have been included in the analysis but are relatively insignificant, affecting only three future HHs at a rate of one percent of production sales. Additionally, maintenance fees will be paid to the BLM, and payments made to the state for the state mineral leases. While current annual maintenance fees to the BLM are $165/claim, it is anticipated that this fee will be adjusted in the normal course pursuant to regulations. There is also a nominal recording fee paid to Sweetwater County (i.e., <$200, annually). Annual payments of the three state mineral leases in the Property are currently $3.00/acre (Lost Creek lease, $1,920; EN lease, $1,920; LC West lease, $3,120).
| Ur-Energy – Lost Creek ISR Uranium Property Technical Report Summary – March 4, 2024 | Page 20 |
|
|
|
The Property economic analysis includes tax estimates for state severance taxes, county ad valorem taxes and property taxes, all of which are directly attributable to the Property. The economic analyses presented herein also provide the results of the analyses for pre-income tax and post-income tax, which includes U.S. federal and Illinois state income taxes. There is no State of Wyoming income tax, and all sales are assumed to take place in Illinois where the conversion facility is located. The only difference between the two scenarios is the value of the estimated income taxes. All other sales, property, use, severance and conservations taxes as well as royalties are included in both scenarios. Both economic analyses presented herein assume no escalation and no debt, interest or capital repayments. Ur-Energy USA Inc. files consolidated federal tax returns in the United States and had approximately $110.7 million in tax loss carry forwards as of December 31, 2023. URE does not anticipate paying any significant federal income taxes until the existing, and any future, tax loss carry forwards are utilized. In addition, reclamation costs can be deducted in the early years of the project, thus also pushing out the tax liability.
3.5 Significant Encumbrances or Risks to Perform Work on the Property
3.5.1 Environmental Liabilities
There were no pre-existing mineral processing facilities or related tailings ponds or waste deposits within the Property prior to the initiation of the construction of Lost Creek’s ISR facilities and wellfields. Surface disturbance included in the economic analysis is associated with drilling, well installation, wellfield construction, plant construction and installation of the DDWs. Likewise, subsurface disturbance is associated with the injection and production operations in MU1 and MU2. Other than the foregoing, there are no known environmental liabilities on the Property. The current cost estimate to reclaim work completed and planned through October 2024 at Lost Creek is $29.8 million.
3.5.2 Existing and Required Permits
All permits and authorizations required to operate the Lost Creek Mine, as currently operating, are in place and include the following:
|
| · | The BLM issued a Record of Decision on the Lost Creek Plan of Operations in October 2012. |
|
|
|
|
|
| · | The BLM issued a Record of Decision on the LC East and KM Amendment in March 2019. |
|
|
|
|
|
| · | Application has been made to the BLM for a right-of-way for use of portions of an existing regional road. |
|
|
|
|
|
| · | The U.S. Nuclear Regulatory Commission (NRC) issued a Source and Byproduct Material License SUA-1598 in August 2011. The NRC subsequently performed pre-operational inspections and granted permission to begin mining on August 2, 2013, and permission to operate the yellowcake dryer on October 3, 2013. |
|
|
|
|
|
| · | The URP issued Source and Byproduct Material License WYSUA-1598 Amendment No. 8 in August 2021. |
|
|
|
|
|
| · | In addition to the URP license for LC East, WDEQ has issued several permits including: |
|
| o | Permit 788, which includes an aquifer exemption for the three Lost Creek HJ mine units and approval to begin injection in MU1, was granted in October 2011. A hydrologic package must be submitted for review and approval for each subsequent Mine Unit. Approval of the MU2 hydrologic package was granted in 2017. |
|
|
|
|
|
| o | Permit 788 was granted after consultation with the Wyoming Game and Fish Department (WGFD) and the U.S. Fish and Wildlife Service (USFWS). Special consideration was given to greater sage grouse protection. |
|
|
|
|
|
| o | Air Quality Permit CGT-13201 was issued in May 2012. In March 2021, the WDEQ-Air Quality Division (AQD) issued a determination that a further permit for LC East was not required. |
| Ur-Energy – Lost Creek ISR Uranium Property Technical Report Summary – March 4, 2024 | Page 21 |
|
|
|
|
| o | Storm Water Discharge General Permit authorization WYR103695 was approved in June 2011 (renewed in November 2023) and includes the Lost Creek and LC East Projects. |
|
|
|
|
|
| o | Class I UIC Permit 09-586, granting permission to install up to five DDWs, was granted in May 2010. An aquifer exemption for LC DW #4 was subsequently granted in December 2013. The U.S. Environmental Protection Agency (EPA) granted an aquifer exemption for LC DW#3 in October 2014. Additional aquifer exemptions may be required if other deep wells are drilled and encounter water quality less than 10,000 mg/l total dissolved solids. An aquifer exemption was not required for LC DW #1 since the water contains greater than 10,000 mg/l total dissolved solids. |
|
|
|
|
|
| o | Class V UIC Permit 15-081, granting permission to operate two injection wells was issued in June 2016. |
|
| · | The two holding ponds at the facility were approved by EPA Permit 8P-AR in December 2011 and by State Engineer Permit 13595R in May 2010. |
|
|
|
|
|
| · | Sweetwater County rezoned the land per Resolution 08-03-ZO-07 in March 2008. The county later approved the Development Plan in December 2009. Septic Permit 11‑082 was issued in April 2011. The county has also signed a Road Maintenance Agreement allowing the company to remove snow from local county roads as needed. |
|
|
|
|
|
| · | Sweetwater County rezoned the land for LC East per Resolution 21-05-ZO-01 in May 2021. No further approval is required with respect to a development plan. |
|
|
|
|
|
| · | Numerous well installation permits have been applied for and received through the State Engineer’s Office. Additional permits will be sought as needed. |
|
|
|
|
|
| · | Exploration activities on the Adjoining Projects are carried out under Drill Notices issued by the WDEQ and Notices of Operations issued by the BLM. These permits are obtained and managed as necessary to continue exploration work. |
The following permits will be required before beginning recovery at LC East and within the additional HJ Horizon Mine Units at Lost Creek.
|
| · | Approval from WDEQ LQD for the major modification to Permit 788 to allow mining in the KM and HJ Horizons at LC East. The approval will include an aquifer exemption for both horizons. |
|
|
|
|
|
| · | Approval from WDEQ-LQD for the major modification to Permit 788 to allow mining in additional HJ Mine Units at Lost Creek. The approval will include an aquifer exemption for additional HJ Horizons. |
|
|
|
|
|
| · | Block permits for UIC Class III wells will be submitted to the State Engineer’s Office closer to the time of production operations. |
3.5.3 Significant Risks that May affect Access, Title, or Right to Perform Work
The Lost Creek plant has been constructed and is operating. Production well installation in MU1 is complete for all 13 originally designed HHs and the first five planned HHs in MU2. HHs 1-1 through 1-13 and HHs 2-1 through 2-3 were operational prior to the reduction in operations, and HH 2-4 and 2-5 were brought online in May and October 2023 with the return to commercial production operations in 2023. The plant is currently operating at increasing levels as it is recommissioned and wellfield operations ramp up. Three DDWs were drilled at the Property at the time of the prior Lost Creek TRS, of which one was plugged and abandoned; the other two deep wells remain operational. A fourth DDW was drilled in 2023; its construction and completion will advance in 2024 and it is expected to be operational in 2024. Two UIC Class V wells were installed and are operational. The radium treatment portion of the Class V system is currently undergoing maintenance and will be put back into service soon. The plant and associated access roads have been constructed. URE has also installed numerous monitoring and other wells in support of its permit and license applications and to further its mine planning. Various other infrastructure, including wells, water tanks, a meteorological station, and other equipment, has been placed on the Property by URE in support of its mining, development, exploration, and permit/license activities.
The QP is aware of no significant factors that contribute to operational risks for the Property.
| Ur-Energy – Lost Creek ISR Uranium Property Technical Report Summary – March 4, 2024 | Page 22 |
|
|
|
4.0 ACCESSIBILITY, CLIMATE, LOCAL RESOURCES, INFRASTRUCTURE AND PHYSIOGRAPHY
4.1 Physiography
The Property is located near the northeastern part of the Great Divide Basin (GDB) and occurs at an elevation of approximately 7,000 ft. above mean sea level. The GDB is an oval-shaped structural depression encompassing some 3,500 square miles in south-central Wyoming. The GDB is bounded on the north by the Wind River Range and Granite Mountains, on the east by the Rawlins Uplift, on the south by the Wamsutter Arch, and on the west by the Rock Springs Uplift.
Most of the Property consists of flat upland areas and gentle south facing slopes that are dissected by southerly-flowing ephemeral washes. There are no perennial streams on the Property. The vegetation on the Property is dominated by sagebrush (Artemisia tridentata) which occurs throughout both upland and lowland environmental settings. Sagebrush is well adapted to the cold winter temperatures and limited precipitation that characterize the Property. Other vegetation identified at the Property includes native cool season perennial grasses, perennial forbs, cushion plants, semi-shrubs, cacti, shrubs and lichens.
4.2 Means of Access
Regional access to the Property relies almost exclusively on existing public roads and highways. The local and regional transportation network relevant to the Property consists of primary, secondary, local and unimproved roads (Figures 1 and 2). Direct access to the Property relies mainly on two crown-and-ditched gravel paved access roads to the processing plant. One enters from the west off Sweetwater County Road 23N (Wamsutter-Crooks Gap Road). The other enters from the east off of BLM Sooner Road. In addition to the designated routes, there are a number of four-wheel-drive “two-track” roads that traverse the area for recreation and grazing access, as well as various other uses, including uranium exploration. On a wider basis, from population centers, the Property area is served by an Interstate Highway (Interstate 80), a U.S. Highway (US 287), Wyoming state routes (SR 220 and 73 to Bairoil), local county roads, and BLM roads.
4.3 Proximity to Population Centers
The Property is in a remote area of south-central Wyoming. The nearest town, Bairoil, with a population of less than 100, is about 17 miles northeast of the Lost Creek plant. The Wyoming towns of Rawlins, Rock Springs and Casper are approximately 36, 82 and 90 miles from the Property, respectively. Figures 1 and 2 show the locations of population centers with respect to the Property.
Sweetwater County, in which the Property is located, was estimated to have a population of 41,345 in 2022. This represents a 2.2 percent decrease in Sweetwater County’s population since the 2020 census (U.S. Census Bureau 2024 Report on Sweetwater County, WY). Sweetwater County has a population density of 4.0 people per square mile. Carbon County, which is south and west of the Property, was estimated to have a population of 14,542 in 2022, which was primarily located in the town of Rawlins. This represents a negligible decrease (0.03 percent) in Carbon County’s population since the 2020 census (U.S. Census Bureau 2024 Report on Carbon County, WY).
Personnel required for management, construction, development, and operation of the Property are drawn from Rawlins, Bairoil, Jeffrey City, Lander, Riverton, Rock Springs and Casper, Wyoming.
| Ur-Energy – Lost Creek ISR Uranium Property Technical Report Summary – March 4, 2024 | Page 23 |
|
|
|
4.4 Climate and Operating Season
The Property is located in the intermountain semi-desert eco-region (Curtis and Grimes, 2004), which has cold winters and short, hot summers (Bailey, 1995). The average annual temperatures range from 40 to 52 degrees Fahrenheit. The average annual precipitation ranges from five to 14 inches (Bailey, 1995). Winter weather may limit the time periods for certain portions of wellfield drilling and construction at the Property, as it did during the winter of 2022-2023, but to date has not significantly affected operation of the ISR facility. ISR operations at the Property are conducted year-round.
The state of Wyoming has developed a Core Area Strategy to help protect the greater sage-grouse species within certain core areas of Wyoming. Exploration areas of the Property are all within the Greater South Pass core area and are thus subject to work activity restrictions from March 1 to July 15 of each year. The timing restriction precludes exploration drilling and other non-operational based activities that may disturb the greater sage-grouse. The timing of drilling activity is not restricted outside this period.
The greater sage-grouse timing restrictions relevant to ISR production activities at the Lost Creek Project are somewhat different because the state of Wyoming has recognized that mines within core areas must be allowed to operate year-round. Therefore, since construction at the Lost Creek Project began, there have been no timing restrictions on drilling, construction, or operational activities within pre-approved disturbed areas as shown in the Permit to Mine. These disturbed areas include the processing plant, holding ponds, roads, power lines, wellfields, and DDWs. Any exploration drilling within the Property but outside the pre-defined disturbed area of the Permit to Mine will continue to be subject to greater sage-grouse timing restrictions.
The Core Area Strategy also places limitations on the amount of disturbance within an area. Planned disturbance is limited and therefore is unlikely to result in limitations on exploration drilling. For the Property, there is a five percent cap on anthropogenic disturbance in the area. Analyses of the planned disturbance on the Property, including those areas which are permitted, or for which permits will be sought, will be conducted to be consistent with the Wyoming regulatory scheme, and will be reviewed on a time-to-time basis by WGFD. The WGFD has also approved the Lost Creek Sage Grouse Protection Plan for the Lost Creek Project.
4.5 Property Infrastructure
The Property currently contains an operational ISR processing plant, wellfields, water disposal infrastructure, and necessary equipment to support ISR operations. The basic infrastructure (power, water, and transportation) necessary to support an ISR mining operation is located within reasonable proximity of the Property. Generally, the proximity of the Property to paved roads is beneficial with respect to transportation of equipment, supplies, personnel and product to and from the Property. Improved gravel surfaced access roads have been constructed to the Property from adjacent county roads. Existing regional overhead electrical service is aligned in a north-to-south direction along the western boundary of the Lost Creek Project. An overhead raptor resistant power line, approximately two miles in length, was constructed in 2012 to bring power from the existing Pacific Power line to the Lost Creek plant. Power drops have been made to the Project and distributed to the plant, offices, wellfields, and other facilities.
| Ur-Energy – Lost Creek ISR Uranium Property Technical Report Summary – March 4, 2024 | Page 24 |
|
|
|
Previous infrastructure near the Property is predominantly related to oil and gas development, past and present uranium exploration and beneficiation, and recreation. There have been several historical conventional uranium mills and mines and one historical ISR project (Bison Basin Project) in the vicinity of the Property (Figure 2). The closest mining facility to the Property is the Sweetwater Mine and Mill, a conventional uranium mine and mill that is not currently operational. The facility lies about three and one-half miles south of the southwestern-most boundary of URE’s Lost Creek Project, with less than one mile separating the respective property boundaries.
Lost Creek operations require disposal into DDWs of limited quantities of fluids that cannot be returned to the production aquifers. Five DDWs are permitted for the Lost Creek Project, of which four have been drilled to date. Two remain operational after one DDW was plugged and abandoned, and the fourth, drilled in 2023, is being completed at the date of this report. The fourth DDW is expected to be operational in 2024. Three additional deep wells are proposed for LC East. Two UIC Class V injection wells have been completed and have been in operation since 2017 as a part of the water recycling systems. Two storage ponds, permitted by state and federal regulators, are located adjacent to the plant and are used to temporarily store the water that will ultimately be disposed of in the DDWs.
The first DDW (LC DW #1) was installed in 2008 and is in the extreme southwest corner of the Lost Creek Project. The second DDW (LC DW #4) was drilled in 2012 immediately south of the plant building. A third DDW (LC DW #3) was drilled and installed in the SW quarter of Section 13, T25N, R92W in 2014. The fourth DDW for Lost Creek is the SE quarter of Section 17, T25N, R92W. An additional permitted option is in the SE quarter of Section 19, T25N, R92W.
Three additional DDWs proposed by the amendments for LC East would be in T25N, R92W in the SW quarter of Section 22, NW quarter of Section 23 and the SE quarter of Section 10. For a further discussion of the wastewater disposal and related infrastructure, see Chapter 14.3 (Liquid Disposal). Ponds, outdoor tank storage, and the Class V disposal wells are located proximate to the plant and office building location (see Figures 2 and 12).
Tailings storage areas, solid waste disposal areas, and heap leach pad(s) will not be a part of the infrastructure for the Property as ISR operations do not require these types of facilities.
4.5.1 Water Supply
Most of the non-potable water for ISR operations is obtained from the mining operation, i.e., from extracted groundwater. Except for a 0.5 percent to 1.5 percent bleed, the groundwater extracted by the production wells will continue to be recycled through the system.
Water for activities within the Property is currently supplied by 12 water wells drilled by URE. Eight of these are located within the Lost Creek Project, one is in the LC North Project, one is in the LC South Project, and one is in the EN Project. All but one of the active wells produces water in excess of 25 gallons per minute. Water usage in the past has been mostly for drilling, casing wells, and abandonment of exploration and delineation holes. Two of the eight wells in the Lost Creek Project are adjacent to the plant site. One of those is being used as a source of fire suppression water and the other as a source of fresh water. Additional wells may be necessary as exploration and production activities extend further from the plant.
| Ur-Energy – Lost Creek ISR Uranium Property Technical Report Summary – March 4, 2024 | Page 25 |
|
|
|
5.0 HISTORY
Uranium was discovered in the GDB in 1936. Exploration activity increased in the early 1950s after the Gas Hills District discoveries, and continued to increase in the 1960s, with the discovery of numerous additional occurrences of uranium. Wolf Land and Exploration (a private corporation which later became publicly traded as Inexco), Climax (Amax) and Conoco Minerals were the earliest operators in the area of what is now the Property and made the initial discoveries of low-grade uranium mineralization in the Battle Spring Formation in 1968.
Conoco entered into a joint venture with Inexco in 1969. Conoco gained sole control of the properties in 1970 and continued to explore their large land position in the region as what they called “Project A”. In doing so, they identified the eastern half of what is now referred to as the MMT in the Lost Creek Project and also what is known as the EMT in the LC East Project. Conoco’s “Project A” also included large portions of what are now the LC North, LC South and EN Projects.
Kerr-McGee, Humble Oil (Exxon), and Valley Development, Inc. were also active early in the region.
5.1 Ownership History
5.1.1 Ownership History of Lost Creek Project
Inexco, Conoco, Climax and Valley Development, Inc. obtained the initial land positions in the Lost Creek Project area in the late 1960s. Conoco took over Inexco’s land position in 1970.
Texasgulf entered the area in 1976 by acquiring the western half of what is now the Lost Creek Project through a joint venture with Climax. Also in 1976, Texasgulf entered into a joint venture with Valley Development, Inc. and initiated a major exploration program that resulted in the identification of the western half of the MMT. In 1978, Texasgulf joined with Conoco as operator in a joint venture to continue exploring the MMT. Texasgulf acquired a 100 percent interest in Valley Development, Inc. property in 1979 and continued with extensive exploration efforts and, by the early 1980s, had fully identified the MMT. They subsequently dropped the property in 1983 due to the declining uranium market.
The property was subsequently acquired by Cherokee Exploration, Inc., which conducted no field activities. In 1987, Power Nuclear Corporation (also known as PNC Exploration) acquired 100 percent interest in the project from Cherokee Exploration, Inc. PNC Exploration carried out a limited exploration program as well as geologic investigations and an evaluation of previous in situ leach testing by Texasgulf.
In 2000, New Frontiers Uranium, LLC acquired the property and related database from PNC Exploration but conducted no drilling or geologic studies. New Frontiers Uranium, LLC later transferred the Lost Creek Project-area property, along with its other Wyoming properties, to NFU Wyoming, LLC.
In 2005, Ur-Energy USA Inc., a wholly owned subsidiary of URE, purchased 100 percent ownership of NFU Wyoming, LLC. Within the first year of ownership, URE initiated drilling, and preparations for mining permit applications. Toward that goal, it conducted engineering studies, core drilling for metallurgical studies, and delineation drilling to outline and define the uranium resources. In addition, comprehensive baseline studies were initiated, including installation of additional monitor wells for hydrological testing and water-quality sampling and a meteorological station within the Property area. Figure 3a shows the current Lost Creek Project boundary and claims.
| Ur-Energy – Lost Creek ISR Uranium Property Technical Report Summary – March 4, 2024 | Page 26 |
|
|
|
In 2007, NFU Wyoming, LLC transferred the Lost Creek Project to Lost Creek ISR, LLC, a wholly owned subsidiary of Ur-Energy USA Inc. formed for the purpose of owning and developing the Project through the permitting process and into operations as an ISR mine. In 2012 the LC East Project was transferred into Lost Creek ISR, LLC. The LC South, LC West and LC North Projects were transferred to Lost Creek ISR, LLC in 2013. EN Project remains an asset of NFU Wyoming, LLC.
5.1.2 Ownership History of Adjoining Projects
The Adjoining Projects share a history of ownership similar to that of the Lost Creek Project because over the years they were operated by many of the same companies which maintained large property holdings in the vicinity. The Adjoining Projects have been acquired by URE since 2006 through the location of federal unpatented lode mining claims, purchase agreements made with individuals and companies, and through leases with the state of Wyoming. Additions which resulted in the formation of LC East and LC West were made through an asset exchange with Uranium One Americas, Inc. (U1) in 2012 and by staking of additional mining claims in 2011 and 2012, and 2014. The individual Projects originally were stand-alone exploration projects, but expanded over time such that now, along with the Lost Creek Project, they collectively represent a largely contiguous land position known as the Lost Creek Property.
5.1.2.1 LC East
LC East is drawn in part from two large blocks of claims (RD and PN claims) obtained in 2012 from U1, and additional mining claims located in 2011 and 2012, and 2014 by URE.
Similar to the other projects, the earliest historical ownership within what is now the LC East Project was by Wolf Land and Exploration in 1967. In 1969 Conoco entered into a joint venture with Wolf Land and Exploration, with Conoco acting as the operator. The next year Conoco took over the project and continued to explore the area as part of its “Project A”.
In 1978 Texasgulf continued the activity as the operator of “Project A” in a joint venture with Conoco until 1983. PNC Exploration later acquired some of the ground in 1987 and held it until 2000.
With the resurgence of the uranium industry, High Plains Uranium, Inc. (HPU) and Energy Metals Corporation (EMC) both staked claims within the current LC East Project boundaries in 2004. The HPU controlled claims subsequently were transferred to EMC in 2007 when that company acquired HPU. Later that year EMC was acquired by U1. U1 maintained the claims until they were acquired in 2012 by URE. Figure 3b shows the current LC East Project boundary and claims.
5.1.2.2 LC North
Early historical ownership of claims within what is now the LC North Project began in 1967 and continued into the mid-1970s. Activity was dominated by Conoco, at times in a joint venture with Inexco. Climax also held property in the late 1960s but to a much lesser extent. In the mid- to late-1970s Texasgulf continued as the primary operator until 1983 when they discontinued operations in the GDB.
Initial claim staking by URE in the LC North Project commenced in 2007 and various changes to the land position have occurred since. Figure 3c shows the current LC North Project boundary and claims.
| Ur-Energy – Lost Creek ISR Uranium Property Technical Report Summary – March 4, 2024 | Page 27 |
|
|
|
5.1.2.3 LC South
Wolf Land and Exploration was the earliest operator within what is now the LC South Project and was active from 1967 to 1968. Conoco then became the dominant operator through the mid-1970s, exploring the ground as part of their “Project A”. They were replaced by Texasgulf in 1978 when it took over operatorship of the “Project A” joint venture until 1983.
Acquisition by URE of the LC South Project began in 2007 and was expanded thereafter through location of claims and acquisitions of claims from third parties. Figure 3d shows the current LC South Project boundary and claims.
5.1.2.4 LC West
The earliest known operator on this ground was Wolf Land and Exploration who drilled only a few holes in 1967. Conoco controlled most of the ground in the early 1970s within its “Project A” and was later succeeded by Texasgulf in the mid-1970s to early 1980s when they took control of the “Project A” joint venture. Minerals Exploration Corporation also held portions of this ground in the early 1970s as part of their Sweetwater exploration activities. LC West, as currently known, was created from portions of the U1 asset exchange and through location of additional claims. Figure 3e shows the current LC West boundary and claims.
5.1.2.5 EN
The earliest operator in the EN area was Wolf Land and Exploration, which held portions of the current EN ground in the late 1960s. Humble (Exxon) also controlled portions of the land through 1970. Conoco entered into a joint venture with Wolf in 1969 and eventually assumed full control through 1974 as part of their “Project A”. Other operators who held portions of the ground during the 1970s include Teton Exploration, Kerr-McGee, and Climax (Amax). The last historical operator was Texasgulf who held the property in the late 1970s.
URE’s original land position arose through acquisition of claims from a private party in 2006. This was augmented with the staking of additional claims by NFU Wyoming, LLC and claims obtained through another acquisition. Figure 3f shows the current EN Project boundary and claims.
5.2 Exploration History
Significant exploration of the property began in the 1960s and has continued off and on by various operators since then. No significant uranium development work was conducted within the Property by previous operators. A summary of all historical and URE drill holes is presented in Table 4.
| Ur-Energy – Lost Creek ISR Uranium Property Technical Report Summary – March 4, 2024 | Page 28 |
|
|
|
Table 4. Drill Hole Summary – Historical and Recent
|
| Plug Holes | Wells | Total | ||||
| Exploration | Delineation | Monitor/Pump Test Wells | Water Wells | Production Pattern Wells | # Holes | Footage | |
| Lost Creek Project | |||||||
| Historical Drilling | 552 |
| 11 |
|
| 563 | 360,388 |
| URE Drilling (Since 2005) | 244 | 1,549 | 293 | 9 | 1,754 | 3,849 | 2,177,403 |
| Drill Hole Totals | 796 | 1,549 | 304 | 9 | 1,754 | 4,412 | 2,537,791 |
| LC East Project | |||||||
| Historical Drilling | 1,063 |
|
|
|
| 1,063 | 472,994 |
| URE Drilling (Since 2011) | 22 | 176 | 29 |
|
| 227 | 135,237 |
| Drill Hole Totals | 1,085 | 176 | 29 |
|
| 1,290 | 608,231 |
| LC North Project | |||||||
| Historical Drilling | 175 |
|
|
|
| 175 | 117,947 |
| URE Drilling (Since 2007) | 131 |
|
| 1 |
| 132 | 132,455 |
| Drill Hole Totals | 306 |
|
| 1 |
| 307 | 250,402 |
| LC South Project | |||||||
| Historical Drilling | 488 |
|
|
|
| 488 | 229,166 |
| URE Drilling (Since 2007) | 159 |
|
| 1 |
| 160 | 101,950 |
| Drill Hole Totals | 647 |
|
| 1 |
| 648 | 331,116 |
| LC West Project | |||||||
| Historical Drilling | 68 |
|
|
|
| 68 | 44,480 |
| URE Drilling (Since 2011) |
|
|
|
|
|
|
|
| Drill Hole Totals | 68 |
|
|
|
| 68 | 44,480 |
| EN Project | |||||||
| Historical Drilling | 67 |
|
|
|
| 67 | 55,857 |
| URE Drilling (Since 2007) | 14 |
|
| 1 |
| 15 | 19,960 |
| Drill Hole Totals | 81 |
|
| 1 |
| 82 | 75,817 |
| Grand Totals - Lost Creek Property (All Projects) | |||||||
| Historical Drilling | 2,413 |
| 11 |
|
| 2,424 | 1,280,832 |
| URE Drilling (Since 2005) | 570 | 1,725 | 322 | 12 | 1,754 | 4,383 | 2,567,005 |
| Drill Hole Totals | 2,983 | 1,725 | 333 | 12 | 1,754 | 6,807 | 3,847,837 |
| Ur-Energy – Lost Creek ISR Uranium Property Technical Report Summary – March 4, 2024 | Page 29 |
|
|
|
5.3 Previous Mineral Resource Estimates and Their Reliability
Several historical estimates of uranium mineral resources by previous operators have been made within the current Property. Most focused on what is now referred to as the MMT and EMT. However, because historical project boundaries varied considerably from the current project boundaries, direct comparison of historical estimates to current estimates is not possible.
Table 5 outlines various historical resource estimates covering areas within the Property that were conducted by several organizations since 1978. It also lists mineral resource estimates for the Lost Creek Project/Property completed by URE from 2006 through the 2022 Lost Creek TRS, as amended. The historical resource estimates address diverse geographical areas, various host sand horizons, and utilize different and, in some instances, unknown resource determination methods. URE has not treated these historical estimates (Table 5) as current mineral resources or reserves and they are superseded by the current mineral resource estimate. Most of the earlier resource estimates did not differentiate resources in terms of currently recognized resource categories (Measured, Indicated, and Inferred). Mineral resource estimates in Table 5 are superseded by the resource estimates presented in this Report.
5.4 Production History
Regionally, historical production activities have been from the production of numerous underground and surface mines in the Crooks Gap / Sheep Mountain District approximately 25 miles to the north; at the Sweetwater Mine and Mill approximately three and one-half miles to the south; and limited ISR production in the Bison Basin approximately 27 miles to the northwest (Figure 2). All of these mining activities had ceased by the mid-1980s. Production at the Lost Creek Project commenced on August 2, 2013, and 2.838 million pounds of U3O8 have been produced up to December 31, 2023, from the Project. Elsewhere within the Property area, there has been no conventional or ISR production of uranium nor any pilot plant activities.
| Ur-Energy – Lost Creek ISR Uranium Property Technical Report Summary – March 4, 2024 | Page 30 |
|
|
|
Table 5. Previous Resource Estimates
| Date | Company | Total Resource | Avg. Grade | Cutoffs | Tonnage Factor | Comments | LEVEL OF CONFIDENCE | ||||||
| Measured | Avg. Grade | Indicated | Avg. Grade | Inferred | Avg. Grade | ||||||||
| 10/4/1978 | Texasgulf (Freeman, Limbach) 1 | 8,246,876 | 0.045% | 10’-0.025% |
|
| — | — | 6,468,515 | 0.047% | 1,778,361 | 0.039% | |
| 2/1/1981 | DOE 4 | 6,378,000 | 0.057% | 0.03% |
| p. 31, in-place resources | Not differentiated | ||||||
| 2/1/1981 | DOE 4 | 8,908,571 | 0.041% | 0.02% |
| p. 31, in-place resources | Not differentiated | ||||||
| 2/9/1981 | Wyoming Minerals 2,5,4 | 11,008,893 | 0.073% | 5’-0.05% |
|
| Not differentiated | ||||||
| 6/5/1981 | Texasgulf 4 | 9,072,333 | 0.061% | 5’-0.03% |
| Polygon method | Not differentiated | ||||||
| April,1982 | Texasgulf (Mouillac & Stewart) 3, 8 | 5,715,413 | 0.062% | 5’-0.03% | 16.0 | Polygon method | Not differentiated | ||||||
| 3/31/1989 | PNC Exploration-Halliwell 5 | 8,072,334 | 0.061% | 5’-0.05% | 16.0 | Polygon method | Not differentiated | ||||||
| Jan. 1996 | PNC Exploration (F. Groth) 6 | 7,908,605 |
| 0.05% |
|
| Not differentiated | ||||||
| 5/31/2005 | URE (Douglas) 7 | 9,021,371 | 0.055% | .03%, GT.30 | 16.0 | Cumulative GT/hole | — | — | 8,122,287 | 0.055% | 900,000 | 0.055% | |
| 6/15/2006 | URE-NI 43-101 (Roscoe-Postle) 8,9 | See totals to right | 0.059% | 3’-.03%, GT.30 | 16.0 | Cumulative GT/hole (Ind + Inf) | — | — | 9,822,356 | 0.058% | 1,111,380 | 0.076% | |
| 10/30/2006 | URE (Douglas) 10 | 6,787,000 | 0.059% | .03%, GT.30 | 16.0 | Cumulative GT/horizon | Not differentiated | ||||||
| 4/2/2008 | URE-Amended NI 43-101 (Lyntek) 11 | See totals to right | 0.054% | .03%, GT.30 | 16.6 | Cumulative GT/hole (Ind + Inf) | — | — | 9,200,000 | 0.053% | 700,000 | 0.066% | |
| 3/16/2011 | URE -Prelim Assessment12 | See totals to right | 0.055% | .02%, GT.30 | 16.6 | GT Contour/horizon [HJ, KM only] | 2,655,000 | 0.052% | 2,568,000 | 0.060% | 783,000 | 0.051% | |
| 2/29/2012 | URE -Prelim Economic Assessment-(Cooper & Bull)13 | See totals to right | 0.055% | .02%, GT.30 | 16.6 | GT Contour/horizon [All Horizons] | 2,942,900 | 0.055% | 2,822,400 | 0.058% | 2,017,800 | 0.049% | |
| 4/30/2012 | URE -Prelim Economic Assessment-(Cooper & Bull)14 | See totals to right | 0.053% | .02%, GT.30 | 16.6 | GT Contour/horizon [All Horizons] | 4,198,800 | 0.055% | 4,149,400 | 0.053% | 2,869,100 | 0.049% | |
| 12/30/2013 | URE-Prelim Economic Assessment – (Roughstock) 15 | See totals to right | 0.051% | .02%, GT .30 | 16.6 | GT Contour/horizon [All Horizons] | 4,850,000 | 0.057% | 3,805,000 | 0.048 | 4,740,000 | 0.051% | |
| 6/17/2015 | URE-Technical Report – (Roughstock) 16 | See totals to right | 0.049% | .02%, GT .30 & .20 | 16.6 | GT Contour/horizon [All Horizons] | 6,196,000 | 0.049% | 3,909,000 | 0.047% | 5,037,000 | 0.049% | |
| 2/8/2016 | URE Amended Preliminary Economic Assessment 17 | See totals to right | 0.048% | .02%, GT .20 | 16.6 | GT Contour/horizon [All Horizons] | 8,028,000 | 0.048% | 6,223,000 | 0.044% | 7,368,000 | 0.044% | |
| 9/19/2022 | URE Lost Creek ISR Uranium Property Amended Technical Report Summary18 | See totals to right | See totals to right | .02%, GT .20 | 16.6 | GT Contour/horizon [All Horizons] | 6,887,000 | 0.048% | 5,027,000 | 0.046% | 6,607,000 | 0.044% | |
| 1. | Lost Creek- Conoco Reserves; P. Freeman, F. Limbach; October 4, 1978; Texasgulf internal report. |
| 2. | Appendix C, Resource Update as of 2/9/81; Unattached document, Texasgulf. |
| 3. | Geology and Control of the Uranium Mineralization on the “Main Mineral Trend” – Recommendations for the 1982 Program; J. Mouillac and M. Stewart, April 1982; Texasgulf internal report. |
| 4. | Lost Creek and Conoco Uranium Projects, Texasgulf Minerals and Metals, Inc.; January 1984, p. 31. |
| 5. | PNC Exploration (USA), Red Desert Project, D. Halliwell, March 31, 1989, p. 17. |
| 6. | ISL Addressable Reserve Estimate for PNC’s Red Desert Uranium Project, F. Groth; January 29, 1996; Internal report for PNC. |
| 7. | Evaluation of Resources, Lost Creek Uranium Deposit; Richard Douglas, May 31, 2005; Ur-Energy USA, internal report. |
| 8. | Technical Report on the Great Divide Basin Uranium Properties, Wyoming Prepared for Ur-Energy Inc.; Stewart Wallis, P. Geo, Roscoe Postle, June 15, 2005, Revised October 15, 2005. |
| 9. | Technical Report on the Lost Creek Project, Wyoming, NI 43-101 Prepared for Ur-Energy Inc.; Stewart Wallis, P. Geo, Roscoe Postle, June 15, 2006. |
| 10. | Geological Report on the Lost Creek Uranium Deposit; Richard Douglas, October 30, 2006, Ur-Energy Inc., internal report. |
| 11. | Amended NI 43-101 Preliminary Assessment for the Lost Creek Project, April 2, 2008, as amended February 25, 2011: J. Kyle, PE, D. Maxwell, PE, Lyntek, Inc. and Stewart Wallis, P. Geo. |
| 12. | Preliminary Assessment Lost Creek Property Sweetwater County, Wyoming; D. Graves, PE, M. Yovich, PE, TREC, Inc., and R. Maxwell, CPG, Behre Dolbear & Company (USA), Inc.; March 16, 2011 |
| 13. | Preliminary Economic Assessment of the Lost Creek Property, Sweetwater County, Wyoming; J. K. Cooper, SME Registered Member & C. L. Bull, PE, Ur-Energy Inc., February 29, 2012 |
| 14. | Preliminary Economic Assessment of the Lost Creek Property, Sweetwater County, Wyoming; J. K. Cooper, SME Registered Member & C. L. Bull, PE, Ur-Energy Inc., April 30, 2012 |
| 15. | Preliminary Economic Assessment of the Lost Creek Property, Sweetwater County, Wyoming; Douglass H. Graves, P.E. & Steve E. Cutler, C.P.G., December 30, 2013 |
| 16. | Technical Report on the Lost Creek Property, Sweetwater County, Wyoming, Douglass H. Graves, P.E. & Steve E. Cutler, C.P.G., June 17, 2015 |
| 17. | Amended Preliminary Economic Assessment of the Lost Creek Property, Sweetwater County, Wyoming; Douglass H. Graves, P.E. & James A. Bonner, C.P.G., February 8, 2016 |
| 18. | Amended S-K 1300 Technical Report Summary Lost Creek ISR Uranium Property, Sweetwater County, Wyoming, USA . WWC Engineering September 19, 2022. |
| Ur-Energy – Lost Creek ISR Uranium Property Technical Report Summary – March 4, 2024 | Page 31 |
|
|
|
6.0 GEOLOGICAL SETTING AND MINERALIZATION
6.1 Regional Geology
The Property is situated in the northeastern part of the GDB, which is underlain by up to 25,000 ft. of Paleozoic to Quaternary sediments (Figures 4 and 5). The GDB together with the Washakie Basin to the south comprise the eastern half of the greater Green River Basin, which occupies much of southwestern Wyoming. The GDB lies within a unique divergence of the Continental Divide and is bounded by structural uplifts or fault displaced Precambrian rocks, resulting in internal drainage and an independent hydrogeologic system.
GDB geology is dominated by the Eocene age Battle Spring Formation. Dominant Battle Spring Formation lithology is coarse arkosic sandstone, interbedded with intermittent mudstone, claystone and siltstone. Deposition occurred as alluvial-fluvial fan deposits within a south-southwest flowing paleo-drainage. The Granite Mountains approximately 30 miles to the north are the assumed sedimentary source, with possible minor contributions from volcanic sources. Maximum thickness of the Battle Spring Formation sediments within the GDB is 6,000 ft.
Approximately six miles west of the Property, the Battle Spring Formation interfingers with the Wasatch and Green River Formations of equivalent age (Eocene) within a belt roughly 15 miles wide, as shown in Figure 4. The Wasatch and Green River together represent low-energy fluvial, lacustrine and paludal depositional environments, which are time-equivalents of the alluvial fan deposits of the Battle Spring Formation.
Deep-seated regional thrust faulting associated with the Wind River thrusting occurred at depth in the central portions of the GDB. The horizontal component of displacement is possibly greater than nine miles. However, displacement does not extend to the surface. In addition, shallow normal faulting is also common throughout the GDB, having a preferential orientation generally east to west. These faults are relatively local and appear to be late-stage events in the structural history of the basin. Throws are generally less than 200 ft. and typically on the order of 25 to 50 ft. as illustrated by the Lost Creek Fault, discussed below. Strata within the GDB generally exhibit gentle dips of one to three degrees to the west and southwest, increasing to as much as 20 degrees in some locations along the basin margin. Gentle folding during late Eocene accompanied late-stage regional thrusting; therefore, broad anticlinal and synclinal folds are present within the Battle Spring Formation. Similar to the shallow normal faulting, the fold axes generally are oriented east-west.
6.2 Project Geology
Uranium deposits in the GDB are found principally in the Battle Spring Formation, which hosts the Property resources. Lithology within the Lost Creek deposit consists of approximately 60 percent to 80 percent poorly consolidated, medium to coarse arkosic sand beds up to 50 ft. thick, and 20 percent to 40 percent interbedded mudstone, siltstone, claystone and fine sandstone, each generally less than 25 ft. thick. This lithological assemblage remains consistent throughout the entire vertical section of interest in the Battle Spring Formation. Figure 7 illustrates a Type Log for the Lost Creek Project and is representative of the entire Property.
Outcrop within the Property is exclusively the Battle Spring Formation. Due to the friable nature of the formation, this occurs largely as sub-crop beneath the soil. The alluvial fan origin of the formation yields a complex stratigraphic regime subdivided throughout the Property into several thick horizons dominated by sands, with intervening named mudstones (Figure 7).
| Ur-Energy – Lost Creek ISR Uranium Property Technical Report Summary – March 4, 2024 | Page 32 |
|
|
|

| Ur-Energy – Lost Creek ISR Uranium Property Technical Report Summary – March 4, 2024 | Page 33 |
|
|
|

| Ur-Energy – Lost Creek ISR Uranium Property Technical Report Summary – March 4, 2024 | Page 34 |
|
|
|

| Ur-Energy – Lost Creek ISR Uranium Property Technical Report Summary – March 4, 2024 | Page 35 |
|
|
|

| Ur-Energy – Lost Creek ISR Uranium Property Technical Report Summary – March 4, 2024 | Page 36 |
|
|
|
6.3 Stratigraphy
Provided below is a brief description of each named stratigraphic unit or “horizon” for the Property. Descriptions of lithology and thickness should be considered generalizations, and depths below ground surface (bgs) at which a given horizon can be encountered may vary considerably due to regional stratigraphic dip and displacement due to normal faulting. Figures 8a and 8b present cross-sectional views of this stratigraphic sequence within the MMT and EMT. The locations of these cross sections are shown on Figure 9.
DE Horizon - The DE Horizon is locally absent in the northern and southern portions of the Property, having been removed by erosion. This horizon consists of a sequence of sands and discontinuous clay/shale units. In portions of the Lost Creek Project, the lower shale boundary is absent such that the sands of the DE Horizon coalesce vertically with sands of the underlying FG Horizon. In the Lost Creek Project, the top of the unit ranges from 80 to 200 ft. bgs and is approximately 80 ft. thick where the entire section is present.
EF Shale - Underlying the DE is the EF Shale interval. It can be characterized as mudstone or claystone, interbedded commonly with silt and sand. This unit is not always present due to the coalescing nature of the DE and FG sands.
FG Horizon - In the Lost Creek Project, the top of the FG Horizon occurs at depths of approximately 150 to 300 ft. bgs. The total thickness of the FG Horizon is approximately 160 ft. The FG is generally composed of fine to coarse-grained arkosic sands with thin discontinuous intervals of fine sand, mudstone and siltstone. Stratigraphically, the FG Horizon is subdivided into the Upper FG (UFG), Middle FG (MFG) and the Lower FG (LFG). The FG contains significant measurable uranium mineralization in both the Lost Creek and LC East Projects.
Lost Creek Shale (LCS) - Underlying the FG Sands is the LCS. The LCS is continuous across the Property, ranging from 5 to 45 ft. in thickness. Typically, this unit has a thickness of 10 to 25 ft. Its lithology is dominated by silty mudstone and dense claystone. It commonly includes siltstone and may locally be sandy or contain thin lenticular sands.
HJ Horizon - The HJ Horizon is the primary target for uranium production at the Lost Creek Project and is the dominant host for uranium in the MMT and EMT. The HJ Horizon has been subdivided into four sub-units: Upper HJ (UHJ), Middle HJ1 (MHJ1), Middle HJ2 (MHJ2) and the Lower HJ (LHJ). These sub-units are generally composed of course- grained arkosic sands, locally with thin discontinuous intervals of fine sand, siltstone and mudstone. Likewise, the four sub-units are separated by locally continuous mudstone and siltstone. The bulk of the uranium mineralization is present in the two MHJ sub-units. The total thickness of the HJ Horizon ranges from 120 to 140 ft., averaging approximately 130 ft. The top of the HJ Horizon ranges from approximately 300 to 450 ft. bgs within the MMT at the Lost Creek Project. The horizon shallows considerably to the north within the EMT in the LC East Project.
Sage Brush Shale (SBS) - Beneath the HJ Horizon is the SBS. Within the Lost Creek Project, the top of this shale ranges from 450 to 550 ft. bgs. The SBS is laterally extensive and ranges from 5 to 75 ft. in thickness. Lithology of the SBS is typically that of claystone and mudstone with interbedded silts and thin sands.
| Ur-Energy – Lost Creek ISR Uranium Property Technical Report Summary – March 4, 2024 | Page 37 |
|
|
|
KM Horizon - The KM Horizon is present beneath the SBS. The KM Horizon is generally coarse sandstone with discontinuous fine sandstone and mudstone intervals. The KM has also been further subdivided into the Upper KM (UKM) and the Lower KM (LKM). The KM Horizon is host to a significant portion of mineralization within the Lost Creek Project and therefore is a potential production aquifer. It also hosts resources in the LC East Project within the EMT. The top of the KM Horizon is usually between 450 and 600 ft. bgs within the Lost Creek Project, but only approximately 300 feet bgs in the northern portions of the LC East Project.
L, M, and N Horizons - These horizons are collectively referred to by URE as the “Deep Horizons” and occur immediately below the KM Horizon within a 300 to 350 ft. interval. They consist of lithologies identical to that of the HJ and KM Horizons. They remain targets of exploration. Individually, each is approximately 100 ft. thick and is composed of multiple, stacked, coarse sands, which are commonly separated by relatively thin, discontinuous shaley zones.
East-west oriented normal faulting is common within the central portions of the GDB. These appear to be the product of relatively late-stage structural adjustments. The last displacement of these faults is post-mineralization and has offset the uranium deposits. The MMT within the Lost Creek Project is bisected by a normal fault system, referred to as the Lost Creek Fault, consisting of two faults, roughly parallel, trending east-northeast to west-southwest. The easternmost main fault is downthrown to the south with a maximum displacement of approximately 80 ft. A secondary fault is positioned along the western portion of the MMT and is located 800 to 1,600 feet south of the easternmost fault to which it is sub-parallel. This westernmost fault displays opposite displacement, downthrown to the north, with a maximum displacement of approximately 50 ft. Pump-testing and monitoring on both sides of both faults have demonstrated that the fault planes are effectively sealed within the HJ Horizon and thus represent hydrologic barriers or boundary conditions. The Lost Creek Fault is taken into consideration by wellfield planning and to date has not had a significant impact on production.
Faults have also been identified in the southern portions of LC East Project, which exhibit displacement of from 40 ft. to 80 ft. and may be systemically related to the Lost Creek Fault. The resulting opposing displacements on many of these faults produce horst and graben features that are local to portions of the Property. The presence of these faults will be a matter of consideration for production planning at LC East but, like the Lost Creek Fault, they are not considered to be significant obstacles. Additional significant faults have been identified within the Property but are sufficiently distant as to have minimal effect on planned production.
| Ur-Energy – Lost Creek ISR Uranium Property Technical Report Summary – March 4, 2024 | Page 38 |
|
|
|

| Ur-Energy – Lost Creek ISR Uranium Property Technical Report Summary – March 4, 2024 | Page 39 |
|
|
|

| Ur-Energy – Lost Creek ISR Uranium Property Technical Report Summary – March 4, 2024 | Page 40 |
|
|
|
6.4 Mineralization of the Lost Creek Property
Mineralization at the Lost Creek Project and Adjoining Projects occurs as roll front type uranium deposits.
Mineralization occurs in sand horizons within the Eocene-age Battle Spring Formation. The most significant mineral resources in the Property occur within two major stratigraphic horizons, the HJ and the KM Horizons. The HJ Horizon contains most of the currently defined mineral resources and hosts the current production zones. As discussed earlier, the HJ Horizon is subdivided into four stratigraphic sub-horizons that are also used for resource reporting. The highest abundance of uranium mineralization occurs in the MHJ1 and MHJ2 sub-horizons. Each sub-horizon, in turn, may consist of multiple mineralized roll fronts. The HJ Horizon, as a whole, contains up to 11 individual roll fronts within a stratigraphic interval of approximately 130 ft.
The KM Horizon underlies the HJ Horizon and contains additional significant mineralization that will be targeted for future production later in the Lost Creek mine plan. Mine approvals for the KM Horizon have and will be addressed by amendments to the mine license and permits. To date, a total of nine individual roll fronts have been identified in the KM Horizon within a stratigraphic interval of approximately 100 ft.
Mineral resources that are currently targeted for mining in the Property occur within two major trends. In the Lost Creek Project, resources are focused in the east-west oriented MMT that is approximately three miles long and 500 to 2,000 ft. wide (Figure 9). Mineralization targeted for mining has also been identified within the underlying KM Horizon and the overlying FG Horizon.
A second mineralized trend of significance, the EMT, was identified by historical drilling within the LC East Project (Figure 9). Although geologically similar, it appears to be a separate and independent trend from the MMT and is believed to be the product of a different mineralization system. The EMT assumes a generalized northeast-southwest orientation extending for approximately six and one-half miles with a width of 500 to 1,500 ft. As in the MMT, the known mineralization occurs mainly in the HJ and KM Horizons. Significant occurrences have also been identified in the FG Horizon.
Geological evaluations of historical and URE drill data have resulted in the recognition of numerous additional uranium occurrences within the Property. Historical exploration drilling by previous operators was conducted within all project areas. In addition, URE has conducted exploration drilling in the LC North, LC South, and EN Projects plus limited exploration drilling in LC East.
Mineralization has also been recognized throughout the Property in horizons deeper than the KM, in what are referred to as the Deep Horizons (L, M and N). Recent and historical drill hole data confirm multiple roll fronts with locally identified Inferred resources in these horizons. URE anticipates conducting future exploration drilling to further define the resource potential of these stratigraphic horizons.
| Ur-Energy – Lost Creek ISR Uranium Property Technical Report Summary – March 4, 2024 | Page 41 |
|
|
|

| Ur-Energy – Lost Creek ISR Uranium Property Technical Report Summary – March 4, 2024 | Page 42 |
|
|
|
Mineralogy of the zones of interest has been studied in thin section and by x-ray diffraction analysis. Mineralogical analyses were conducted in 1979 by Russell Honea (Honea, 1979a and b), and in 2007 by Hazen Research, Inc. (Hazen Research) (Hazen, 2007) on samples derived from core. Results indicate that the uranium occurs primarily as the mineral coffinite (uranium silicate) in the form of micron- to submicron-size inclusions disseminated in and on interstitial clay, possibly absorbed by cation exchange; also intimately interspersed through some of the pyrite and as partial coatings on quartz and biotite. Minor amounts of uraninite (uranium oxide) and brannerite (uranium-titanium oxide) have also been identified. Clay rich fractions are predominantly smectite (montmorillonite), with minor kaolinite.
The Hazen Research analysis concluded that uranium should be recoverable by an ISR operation because of the unconsolidated nature of the sandstone and expected diffusion of the lixiviant through the smectite clays. Recoverability has been confirmed by leach testing and by production results in the first ten years of production.
6.5 DEPOSIT TYPE
Uranium mineralization identified throughout the Property occurs as roll front type deposits, typical in most respects of those observed in other Tertiary Basins in Wyoming. Figure 10 schematically illustrates the geometry and mineralogical model of a typical roll front uranium deposit. The formation of roll front deposits is largely a groundwater process that occurs under favorable geochemical conditions. The most favorable host rocks for roll fronts are permeable sandstones within large aquifer systems. Interbedded mudstone, claystone and siltstone are often present and aid in the formation process by focusing groundwater flow.
The geometry of mineralization is dominated by the classic roll front “C” shape or crescent configuration at the alteration interface. The highest-grade portion of the front occurs in a zone termed the “Nose” within reduced ground just ahead of the alteration front. Ahead of the Nose, at the leading edge of the solution front, uranium quantity gradually diminishes to barren within the “Seepage” zone. Trailing behind the “Nose,” in oxidized (altered) ground, are weak remnants of mineralization referred to as “Tails” which have resisted re-mobilization to the Nose due to association with shale or other lithology of lower permeability. Tails are generally not amenable to in situ recovery because the uranium is typically within strongly reduced or impermeable strata, therefore making it difficult to leach.
The source of the uranium within the Property is speculative. Boberg (2010) suggests that the source within this portion of the Wyoming Uranium Province is a combination of leaching of uraniferous Oligocene volcaniclastics that once covered the basins and the weathering and leaching of uraniferous Archean granite of the Granite Mountains (north of the GDB) which also represent the provenance of the arkosic sands comprising the Battle Spring Formation.
Oxygenated surface water passing through the overlying thick sequences of volcaniclastic material may have leached metals, including uranium. These metal-enriched fluids may have also leached additional uranium from the arkosic sands that compose the aquifers. The enriched, oxidizing fluids subsequently entered the regional groundwater systems within the basin and migrated down-dip through the aquifers as large oxidizing geochemical cells referred to as solution fronts.
| Ur-Energy – Lost Creek ISR Uranium Property Technical Report Summary – March 4, 2024 | Page 43 |
|
|
|
Uranium precipitated in the form of roll front deposits at the leading edge of the geochemical cells where the transporting water encountered reducing geochemical environments within the host sands. Uranium quantity was enhanced where groundwater flux was focused horizontally by paleochannels or vertically by aquitards. Continuity of these conditions produced a significant accumulation of uranium at the reduction-oxidation (redox front) interface. In addition, the continued supply of oxygen to the interface leads to degradation of the reduced strata and resulted in migration down-gradient of the redox interface, thus remobilizing the associated uranium with it. In this manner the uranium deposit slowly migrated down-dip over geologic time.
The reducing environment in the host sand is generally induced by carbonaceous material within the formation or leaked reductant gases originating from deep hydrocarbon sources. Pyrite is inherently associated with both and is a significant indicator of a reducing environment. Reduced sands are typically some shade of gray and represent the regional framework prior to mineralization. The reducing environment is subsequently altered by the passage of the oxidizing solution front. Alteration typically involves oxidation of pyrite and other iron bearing minerals to hematite or limonite/goethite and destruction of carbonaceous material. As a result, altered (oxidized) sands are typically reddish or yellowish in color. Mineralized zones within a roll front vary considerably in size and shape, but are generally long, narrow, and sinuous in map view. The total length of a mineralization trend may extend for several miles. Commonly, a deposit or mineralized trend will consist of a composite of multiple, vertically stacked roll fronts.
Typical width of an individual roll front is generally 25 to 100 ft. However, in the case of multiple stacked fronts, the composite width may be several hundred feet across. Typical thickness of an individual roll front is roughly 5 to 25 ft., and the composite thickness of multiple, vertically stacked fronts may occupy as much as 200 ft.
As described above, the MMT, EMT and extension trends throughout the Property are the product of large regional geochemical alteration systems which resulted in a complex composite of multiple, stacked roll fronts at the reduction-oxidation interface. The roll front model and associated mineralized trends are the basis upon which the exploration and development programs are planned.
| Ur-Energy – Lost Creek ISR Uranium Property Technical Report Summary – March 4, 2024 | Page 44 |
|
|
|

| Ur-Energy – Lost Creek ISR Uranium Property Technical Report Summary – March 4, 2024 | Page 45 |
|
|
|
7.0 EXPLORATION
No non-drilling exploration surveys have been conducted by URE on the Property. However, an extensive listing of historical and URE exploration, delineation and development drilling is shown in Table 4 and depicted on Figure 9. Existing uranium resources within the property boundaries were estimated using data from this table, including the use of historical down-hole electric logs, lithology logs, drill hole location maps, summaries of mineralized drill hole intercepts and survey coordinates for drill holes. Procedures used in the verification and utilization of these historical data, as well as results of this evaluation, are described in Chapter 9 Data Verification and Chapter 11 Mineral Resource Estimate.
7.1 Drilling
7.1.1 Historical Drilling
Significant uranium exploration within the general area that comprises the Property began in the mid-1960s. In the late 1960s, several companies conducted early regional drilling operations, including Climax, Wolf Land and Exploration (Inexco), Humble Oil and Conoco Minerals. Climax held claims west of Conoco’s “Project A” but conducted only cursory exploration on them during the early 1970s. By the mid-1970s, exploration drilling was conducted primarily by Texasgulf and Conoco Minerals.
PNC Exploration carried out limited in-fill exploration drilling and geological evaluations in the area of the MMT until 1996, before selling the property in 2000. No other exploration activities were conducted until acquisition of the Lost Creek Project by URE in 2005.
URE is in possession of all known historical drilling data, maps, and reports from Conoco, Texasgulf and PNC Exploration activities. This includes:
|
| · | Geophysical logs (including gamma logs), |
|
|
|
|
|
| · | Cutting sample and core descriptions for most holes, uranium intercept databases, |
|
|
|
|
|
| · | Location maps and drill location coordinates, geological interpretation maps, |
|
|
|
|
|
| · | Geological and resource estimation reports, metallurgical reports, and |
|
|
|
|
|
| · | Chemical analyses. |
7.1.1.1 Lost Creek Project: Drilling History
The Lost Creek Project is now in production. Additionally, varying stages of late-stage exploration and development work will continue.
|
| · | Drilling within the current Lost Creek Project area during the period from 1966 to 1976 consisted of approximately 115 wide-spaced exploration holes by several companies including Conoco, Climax and Inexco. |
|
|
|
|
|
| · | Texasgulf conducted extensive exploration operations from 1976 through 1982, including 412 drill holes, of which 401 were exploration holes and 11 were monitor and pump test wells. |
|
|
|
|
|
| · | PNC Exploration explored the Lost Creek Project area from 1987 through 1992, completing 36 drill holes. |
|
|
|
|
|
| · | PNC sold the properties to New Frontiers Uranium, LLC in 2000. At the time URE acquired the Project in 2005, a total of 552 exploration holes and 11 monitor and pump-test wells had been drilled. The pump-test wells were subsequently plugged and abandoned prior to acquisition by URE. The MMT was well identified and drilled-out to varying degrees of confidence. |
| Ur-Energy – Lost Creek ISR Uranium Property Technical Report Summary – March 4, 2024 | Page 46 |
|
|
|
7.1.1.2 LC East Project: Drilling History
The LC East Project has been extensively drilled in the past and can be considered to be in the mid- to late-stage of exploration in the northern portions to pre-development in the southern portions.
|
| · | The earliest drilling was started in 1967 by Inexco who was later joined in a joint venture by Conoco in 1969. Also, in 1967 Hecla Mining drilled one exploration hole on what is currently the LC East Project. |
|
|
|
|
|
| · | Conoco continued to drill the property through 1977. By that time, approximately 916 exploration holes had been drilled, including 13 core holes. Abundant significant uranium mineralization had been found and a well-defined mineralized trend identified, which is currently referred to as the EMT. |
|
|
|
|
|
| · | In 1978 Texasgulf continued defining the trend by drilling an additional 126 exploration holes through 1981, including three core holes of very shallow targets (less than 150 ft.). |
|
|
|
|
|
| · | Portions of the current LC East Project were explored by PNC Exploration from 1987 to 1990. They drilled 21 holes within the current LC East Project in conjunction with their activities on the MMT in the Lost Creek Project. |
|
|
|
|
|
| · | Prior to acquisition by URE in 2005, a total of 1,063 exploration holes, for a total of 474,582 ft. of drilling, had been drilled within the currently defined LC East Project, including one water well which has since been abandoned. Drilled depths average 446 ft. |
7.1.1.3 LC North Project: Drilling History
The LC North Project is currently in the early to middle stage of exploration.
|
| · | The earliest exploration on record was several wide-spaced ‘wildcat’ drill holes in 1967 by Hecla Mining and Wolf Land and Exploration. This was followed in the late 1960s and early 1970s by more ‘wildcat’ drilling by Conoco, Inexco and Climax. Conoco also conducted some wide-spaced fence-line drilling in a few areas of interest. In the late 1970s and early 1980s Texasgulf conducted some medium to wide-spaced drilling as part of their program. A minor amount of drilling was also conducted on the Property in this time frame by Minerals Exploration Company and Wold Nuclear. |
|
|
|
|
|
| · | 175 exploration holes had been drilled within the Project prior to acquisition by URE. Drilled depths ranged from 100 ft. to 1,200 ft., with an average of 600 ft. |
| Ur-Energy – Lost Creek ISR Uranium Property Technical Report Summary – March 4, 2024 | Page 47 |
|
|
|
7.1.1.4 LC South Project: Drilling History
The LC South Project is currently in the middle stage of exploration.
|
| · | The earliest exploration on record was several wide-spaced ‘wildcat’ drill holes in 1967 by Wolf Land and Exploration. Between 1970 and 1975 Conoco drilled a few hundred holes within the current LC South Project. Minerals Exploration Company also drilled a few holes in 1969 within portions of land they controlled. In 1980 and 1981, Texasgulf extended drilling activities into the current LC South Project area with approximately 150 drill holes. |
|
|
|
|
|
| · | The southern portions of LC South were extensively drilled by Minerals Exploration Company in 1982. Approximately 101 holes were drilled to an average depth of 230 ft. |
|
|
|
|
|
| · | 488 exploration holes were drilled within the current LC South Project prior to acquisition by URE. Historical drilling encountered numerous mineralized trends that were investigated mainly by fence-line drilling. |
7.1.1.5 LC West Project: Drilling History
The LC West Project has only limited historical drilling and remains in the early stage of exploration.
|
| · | A total of 68 historical drill holes (approximately 44,564 ft.) are present within the Project. Wolf Land and Exploration drilled a few wide spaced holes in 1967, followed by several holes drilled by Conoco in the early 1970s. Texasgulf drilled approximately 33 exploration holes in portions of the Project between 1976 and 1981. Finally, Minerals Exploration Company drilled approximately 20 holes. |
7.1.1.6 EN Project: Drilling History
The EN Project is currently in the early stage of exploration.
|
| · | Prior to acquisition by NFU Wyoming, LLC, exploration within what is now the EN Project consisted entirely of wide-spaced historical drilling. Between the late-1960s and mid-1970s, approximately 67 holes were drilled and logged by several companies, primarily Conoco, and Humble Oil (Exxon); with minor contributions by Kerr-McGee and Teton Exploration. The earliest known exploration was conducted by Wolf Land and Exploration in 1967. Virtually no activity occurred after the late 1970s. URE has drilled 14 exploration holes at the EN Project. |
7.1.2 Drilling By URE
URE and earlier owners have conducted extensive drill programs on the Property, as demonstrated in Table 4. Data from this drilling forms the basis of much of the present mineral resource estimation.
| Ur-Energy – Lost Creek ISR Uranium Property Technical Report Summary – March 4, 2024 | Page 48 |
|
|
|
In December 2022, having secured three new sales contracts and in response to increasingly positive developments in the market, URE announced its decision to return to commercial production operations at Lost Creek. Work since then has focused on the continued development of MU2 including final delineation drilling, and the drilling and installation of pattern wells for the remaining ten anticipated header houses within the mine unit. Since December 31, 2021, a total of 411 holes were drilled as a part of the ongoing MU2 delineation program to facilitate resource mapping and final pattern design. In parallel with delineation drilling, well field development work has continued. Development and construction of HHs 2-4 and 2-5 were completed and came online in May and October 2023. HHs 2-6 through 2-10 (of a total of 14 planned HHs in MU2) are in various stages of installation with 609 injection and production wells drilled since the Lost Creek TRS. Additionally, three monitoring wells were installed in MU1 to enhance monitoring coverage in the overlying aquifer. As of December 31, 2023, 3,849 holes have been drilled by URE within the Lost Creek Project. URE has now drilled a total of 4,383 holes and wells at the Property for a total of 2,567,005 ft. (Table 4).
The QP did not identify any drilling, sampling or recovery factors that could materially impact the accuracy and reliability of the resource estimates presented in this Report.
7.2 Hydrogeology
Due to a divergence in the Continental Divide, within the northeastern portion of the GDB, the basin is hydrologically closed, with all surface water draining to the interior of the basin. Available data suggest that groundwater flow within the basin is predominately toward the interior of the basin (Collentine, et al., 1981 and Welder, G.E. and McGreevey L.J, 1966).
Most of the surface water is runoff from precipitation or snowmelt. It quickly infiltrates the vadose zone and recharges the shallow groundwater, evaporates, or is consumed by plants through evapotranspiration. The shallowest aquifer within the Battle Spring Formation underlying the Property area is unconfined, poorly consolidated, and poorly stratified. The shallow water table is typically 80 to 150 ft. bgs.
Green Mountain, which is approximately 15 miles north of the Property, is a major recharge area for aquifers within the northeastern portion of the GDB (Fisk, 1967). The Rawlins Uplift, Rock Springs Uplift, and Wamsutter Arch, located east, southwest, and southeast, respectively, from the Property, are also identified as major recharge areas for aquifers within the GDB (Fisk, 1967). The main discharge area for the Battle Spring/Wasatch aquifer system is a series of lakes, springs and playa lake beds near the center of the basin. Groundwater potentiometric elevations within the Tertiary aquifer system in that portion of the basin are generally near the land surface.
The Battle Spring Formation crops out over most of the northeastern portion of the GDB, including all of the Property. It is considered part of the Tertiary aquifer system by Collentine (Collentine, et al., 1981), which is viewed as a hydrogeologic sequence of interest within the GDB. This regional aquifer system includes the laterally equivalent Wasatch Formation (to the west and south) and the underlying Fort Union and Lance Formations (Figure 5). The base of the Tertiary aquifer system is marked by the top of the Lewis Shale. The Lewis Shale is generally considered a regional aquitard, although this unit does produce limited amounts of water from sandstone lenses at various locations within the GDB and to the south in the Washakie Basin. Units deeper than the Lewis Shale are generally too deep to economically develop for water supply or have elevated total dissolved solid concentrations that render them unusable for human consumption. Exceptions to this can be found along the very eastern edge of the basin, tens of miles from the Property, where some Lower Cretaceous and older units provide relatively good quality water from shallow depths.
Shallower aquifer systems that can be significant water supply aquifers within the GDB include the Quaternary and Upper Tertiary aquifer systems. The shallower aquifer systems are important sources of groundwater only in localized areas, typically along the margin of the basin where the Battle Spring Formation is absent. Aquifer systems beneath the Tertiary include the Mesaverde, Frontier, Cloverly, Sundance-Nugget and Paleozoic aquifer systems (Collentine, et al., 1981). In the northeast GDB, these aquifer systems are important sources of water only in the vicinity of their outcrops near structural highs such as the Rawlins Uplift; elsewhere they are too deep.
| Ur-Energy – Lost Creek ISR Uranium Property Technical Report Summary – March 4, 2024 | Page 49 |
|
|
|
Regional hydrologic units of interest within the northeast GDB from deepest to shallowest (see Figure 5) include the following:
|
| · | Lewis Shale (aquitard between Tertiary aquifer system and Cretaceous Mesaverde aquifer system). |
|
|
|
|
|
| · | Fox Hills Formation (Cretaceous). |
|
|
|
|
|
| · | Lance Formation (Tertiary aquifer system). |
|
|
|
|
|
| · | Fort Union Formation (Tertiary aquifer system). |
|
|
|
|
|
| · | Battle Spring Formation-Wasatch Formation (Tertiary aquifer system). |
|
|
|
|
|
| · | Undifferentiated Tertiary Formations (Upper Tertiary aquifer system, including Bridger, Uinta, Bishop Conglomerate, Browns Park, and South Pass). These units are not present within the Property. |
|
|
|
|
|
| · | Undifferentiated Quaternary Deposits (Quaternary aquifer system). |
Nomenclature for the hydro-stratigraphic units of interest within the Property is synonymous with the Property’s stratigraphic horizon names (Figure 6). The shallowest occurrence of groundwater within the Lost Creek Project area occurs near the base of the DE Horizon. The DE Horizon, however, is not saturated in all portions of the Property and is not defined as a groundwater unit. Below the DE is the FG Horizon, which is the first major saturated unit. The basal sand unit of the FG Horizon is designated as the overlying aquifer for the underlying HJ Horizon.
7.2.1 Hydraulic Properties
Numerous hydrogeologic tests have been performed within the Lost Creek and LC East Projects to demonstrate that the HJ and KM Horizons are sufficiently transmissive to allow the lixiviant to flow through the production zone and dissolve the uranium mineral.
|
| · | A long-term pump test and several shorter-term pump tests (Petrotek Engineering Corporation, 2007, 2009, 2013) (Hydro-Engineering, 2007), plus the pump tests conducted for Texasgulf (Hydro-Search, Inc., 1982), were used to evaluate hydrologic properties of the aquifers of interest, to assess hydraulic characteristics of the confining units, and to evaluate impacts to the hydrologic system of the Lost Creek Fault through the Lost Creek Project. |
|
|
|
|
|
| · | In 2011, hydrologic investigations were conducted to provide support for a proposed amendment application to include the KM Horizon within RA3 in current state and federal permits. A regional pump test was completed in the KM Horizon in RA3 at a pumping well located south of the Lost Creek Fault. The testing objectives were to: 1) evaluate the hydrologic aquifer characteristics, 2) demonstrate hydrologic communication between the KM Horizon pumping well and the surrounding monitor wells, 3) evaluate the presence of hydrologic boundaries, and 4) demonstrate isolation between the KM Horizon and the overlying and underlying horizons sufficient for the purposes of ISR mining. The test results indicated: 1) varying amounts of hydraulic communication between the two underlying L and M Horizons, thus indicating that the KM Horizon is hydraulically connected, 2) drawdown responses in the overlying HJ Horizon and the lowermost N Horizon were minor, and 3) the Lost Creek Fault acts as a partial barrier to flow as a zone of lower permeability. |
| Ur-Energy – Lost Creek ISR Uranium Property Technical Report Summary – March 4, 2024 | Page 50 |
|
|
|
|
| · | In 2012, “5-spot” hydrologic testing was completed in the KM Horizon in RA3, which supplemented the regional pump test conducted in 2011. The purpose of the testing was to assess the level of hydraulic communication between the KM Horizon (potential production zone) and the underlying L, M and N Horizons and also the overlying HJ Horizon within a pattern of wells simulating a typical commercial scale five-spot production pattern. Hydrologic testing conducted in the KM Horizon indicated varying amounts of hydraulic communication between the two underlying L and M Horizons confirming that these horizons are hydraulically connected. Based on hydrologic testing results to date, it is anticipated that the minor communication between the KM Horizon and the overlying and underlying horizons can be managed through operational practices, detailed monitoring, and engineering operations. |
|
|
|
|
|
| · | In 2013, a mini-pump test was conducted in MU2 for the purpose of assessing the level of hydraulic communication between the HJ Horizon and the overlying and underlying horizons, with the focus on the role that historical exploration drill holes might play in cross-aquifer communication. Based on the minimal or lack of response observed in the overlying and underlying horizon observation wells, the abandoned historical exploration drill holes appear sealed and are not providing a flow conduit between the horizons in the tested area. |
|
|
|
|
|
| · | In the LC East Project area, URE installed 26 monitoring wells into the various FG, HJ, KM and N Horizons. In 2013, regional hydraulic pump tests were conducted using these wells. To evaluate aquifer characteristics, two pump tests were conducted in the HJ Horizon and three tests were conducted in the KM Horizon. Results demonstrated there was no measurable hydraulic communication between the HJ and KM Horizons, as well as no measurable hydraulic conductivity with the underlying N Horizon. Preliminary findings indicate that the mapped faults are not sealed but act as low-flow boundaries. The pump tests results demonstrate that the HJ and KM Horizons have sufficient transmissivity for ISR operations. |
The hydraulic properties are consistent with those at other successful ISR operations. While production well flow rates observed to date confirm very good aquifer characteristics, injection capacity is the limiting factor in the final wellfield production rates. LC has been successfully operating the Lost Creek Mine since August 2013. This further demonstrates that the aquifers are amenable to ISR production.
In addition, several lab tests have been carried out on core samples from the Lost Creek Project to ensure leachability with an acceptable lixiviant. Test results demonstrate leach amenability as well as minimal presence of product contaminants in the leachate. At the LC East Project additional baseline monitor well installations were completed in 2012. These have demonstrated that the static water table and hydrogeological conditions in the southern portions of LC East are similar to those at the Lost Creek Project and amenable to ISR extraction. However, in the northern extremes of the Property the strata shallow considerably such that mineralization within the HJ Horizon is present under unconfined water table conditions which may make ISR extraction difficult. Potential mining activity in this area is focused on the KM Horizon, which remains under suitably confined groundwater conditions.
| Ur-Energy – Lost Creek ISR Uranium Property Technical Report Summary – March 4, 2024 | Page 51 |
|
|
|
7.2.2 QP Comment on Results
The pump test results provide sufficient characterization of Project hydrogeology to demonstrate that the Property has sufficient geologic confinement and transmissivity for ISR operations in the permitted wellfields. In the opinion of the QP, adequate aquifer testing has been conducted to characterize the Property for regulatory and high-level operational purposes. Both the permit to mine and material license require additional, mine unit scale aquifer tests to confirm past work and help with future wellfield design.
7.3 Geotechnical Data, Testing, and Analysis
Because no actual excavation of overburden is required for successful ISR operations, no geotechnical work has been completed by URE to further mining operations. The only geotechnical analysis that has been completed was subsidiary to installation of the processing plant and wastewater containment ponds. The results of this study concluded that construction of the processing plant and wastewater containment ponds could proceed, and these facilities have since been constructed.
7.4 Disequilibrium
Uranium values derived from gamma data are termed “radiometric” values and are assumed to be equivalent (eU3O8) to true uranium values if equilibrium is present. In other words, equilibrium exists when the ratio of radiometric eU3O8 to true chemical U3O8 is 1:1. This can be determined by obtaining physical samples of the mineralized formation and conducting laboratory analyses of their uranium content; or by modern logging methods, including Prompt Fission Neutron logging (PFN). The true uranium content thus derived is then compared to the radiometric values in terms of GT on a per-mineralized intercept basis and that ratio is considered the Disequilibrium Factor (DEF) for that uranium intercept.
The uranium content used by URE to develop the mineral resource estimates in Chapter 11 has been derived mainly from radiometric geophysical logs (gamma logs) from which the uranium content is interpreted assuming radiometric equilibrium. Justification for this interpretation method is described below.
Disequilibrium in roll front deposits becomes an issue largely because of the possibility of remobilization of uranium during the roll front formation process, or possible dispersion by modern shallow oxidizing groundwater. Each circumstance may lead to separation of uranium from its gamma-emitting daughter products, most significantly bismuth isotope 214 (214Bi), which is the isotope most strongly measured by gamma logging. Since the presence of uranium is traditionally detected using gamma measurements, disequilibrium conditions could result in erroneous estimation of uranium values.
Disequilibrium within the MMT in the Lost Creek Project has been studied extensively. Core of selected mineralized zones from historical drilling and drilling conducted by URE from 2005 through 2010 have been analyzed for chemical uranium on one-foot depth intervals. Detailed comparisons of laboratory results against mineralization values derived from gamma logs have been performed.
| Ur-Energy – Lost Creek ISR Uranium Property Technical Report Summary – March 4, 2024 | Page 52 |
|
|
|
In addition, PFN technology was available for use in the Lost Creek Project drilling campaigns for a decade. A PFN tool provides a direct down-hole analysis of uranium by means of in-place fission of 235U initiated by the emission of high energy neutrons. Output of the PFN logging is in much the same format as that from the gamma logging tool. Comparison of the mineralization reported by each method has been evaluated in detail on a per-uranium intercept basis. For any given intercept, GT values are derived from both the gamma and PFN data. A DEF is then reported as the ratio of GT values: PFN GT ÷ Gamma GT. Thus, a value greater than 1.0 indicates chemical enrichment compared to gamma, and a value less than 1.0 represents chemical depletion.
Uranium intercepts within virtually all stratigraphic horizons and roll front zones have been spot-tested by PFN-logging. PFN sampling methods are discussed in Chapter 8.1. Across the Property, approximately 13 percent of all holes drilled by URE have been logged using PFN technology.
Detailed evaluation of the core and PFN results indicates that the MMT in the Lost Creek Project as a whole is in equilibrium. A statistical analysis of the data revealed that the deposit exhibits disequilibrium characteristics consistent with a relatively stable roll front deposit, including slight chemical enrichment common in the reduced facies of the Nose and Seepage zones where the vast majority of resource resides. Conversely, a significant depletion is recognized in oxidized facies behind the front. A statistical average of all significant uranium intercepts analyzed with PFN in the MMT yielded an overall positive DEF, or moderately enriched. In spite of this fact, resource estimation methods employed by URE assume equilibrium (or DEF of 1.0) in order to maintain a conservative perspective.
| Ur-Energy – Lost Creek ISR Uranium Property Technical Report Summary – March 4, 2024 | Page 53 |
|
|
|
8.0 SAMPLE COLLECTION, PREPARATION, ANALYSIS AND SECURITY
No mineralization at the Property is found in outcrop, therefore, testing of the mineralization is accomplished solely by drilling. Similarly, virtually all measurement of uranium content, or “sampling,” is accomplished by one or more of three methods derived from the drilling activities:
|
| 1. | Down-Hole Gamma Logs: This method is the most common and provides information on mineralization. Every hole drilled on the Property is gamma logged. Gamma logging is an indirect measurement of uranium content. |
|
|
|
|
|
| 2. | PFN logging of selected mineralized intervals. This method provides a direct downhole measurement of uranium content as a supplement to, and confirmation of, gamma measurements. |
|
|
|
|
|
| 3. | Coring: Only a small percentage of drilled holes are cored. Laboratory analyses of core provide information on uranium content and physical, mineralogical and chemical properties of the host formation. |
8.1 Down-hole Geophysical Logging
Every hole completed on the Property by URE and its predecessors has been geophysically logged using a down-hole electronic probe. URE geophysical logging data have been obtained using a Company owned and operated logging unit that employs technology originally developed by GeoInstruments, Inc. of Nacogdoches, Texas, and also from a qualified independent contractor, Century Geophysical of Tulsa, Oklahoma. Down-hole measurements include gamma logs, single-point resistance, self-potential, and hole deviation.
Quality control on the logging units is performed by calibration of the logging unit at the Casper, Wyoming US Department of Energy (DOE) test pit (known source concentration) no less than once a month. Calibration is performed using industry established procedures. URE maintains detailed calibration records. Logging contractors employed by URE are required to calibrate in the same fashion and on a similar schedule. Additionally, the reliability of URE’s gamma tool has been tested by repeat logging of several holes multiple times; and by duplicate logging of several holes which were also logged by independent contractors.
Gamma logs provide data that is an indirect measurement of uranium content in the host rock. Gamma radiation measurements are collected in one-tenth foot depth intervals. A DOE algorithm is used by the logging unit software to convert the gamma ray readings, measured in counts per second (CPS), into grade reported as equivalent percent uranium (% eU3O8). The results are reported in one-half foot increments. Mineralized intervals (uranium intercepts) are then defined by applying pre-established grade cutoffs, to report:
|
| · | Thickness of each mineralized zone (ft.). Mineralized thickness from gamma logs is considered an accurate representation of the true thickness because the strata are essentially horizontal and drill holes are virtually vertical, |
|
| · | Average Grade within each thickness interval (% eU3O8), |
|
| · | Depth (bgs) to the top of the intercept (ft.), and |
|
| · | GT: Calculated as the average grade multiplied by thickness (%ft.) for each intercept interval (usually expressed without units). |
| Ur-Energy – Lost Creek ISR Uranium Property Technical Report Summary – March 4, 2024 | Page 54 |
|
|
|
PFN Logging: PFN is considered a direct measurement of true uranium concentration (% U3O8) and is used to verify the grades of uranium intercepts previously reported by gamma logging. PFN logging is accomplished by a down-hole probe in much the same manner as gamma logs, however only the mineralized interval plus a buffer interval above and below are logged. After reviewing the gamma log from each drill hole, the URE field geologists would determine if any intercepts warranted PFN logging, based on the GT of the gamma intercepts (GT ≥ 0.10). If selected by the field geologist and if the PFN tool was available within a reasonable time frame, the hole was logged by PFN. As such, the PFN results were employed only as a confirmation of gamma derived results, but not as a complete replacement or duplication of them. Approximately 13 percent of all holes drilled by URE on the Property through 2017 were PFN logged. Quality control for the PFN was performed at the DOE test pit in a manner similar to that described above for the gamma tool. Satisfied with the confirmatory results of the PFN logging over several drilling campaigns, URE made the decision to decommission the tool when the first term of the tool’s NRC license expired, as the expense and administrative effort to maintain the tool were not cost beneficial. The tool remains available for future licensing and recommissioning if the need arises.
8.2 Coring
Core samples have been obtained from approximately one percent of the holes drilled by URE at the Property. Core holes are located as close offsets of previously drilled holes, which showed uranium intercepts of interest. Select intervals within holes of interest are cored by means of a mud-rotary drill-rig employing a 15-ft. long, split-tube core barrel. Core recovery has been approximately 95 percent. Core is described in detail and photographed in the field. Additionally, the core is scanned in the field on one-half foot intervals with a hand-held scintillometer to identify sections of higher radioactivity for sampling. The scintillometer results are also employed to provide a detailed depth correlation and comparison between the gamma log and core depths provided by the driller. Depth correlation accuracy of less than one-half foot is normally obtained. The core is then vacuum sealed in plastic bags. Samples selected for laboratory analyses are later cut in one-foot intervals, split by hand longitudinally and bagged by URE employees for shipping. Analysis has been conducted by qualified laboratories for uranium content (discussed below). In addition, selected samples are tested for density, permeability and other physical features, as well as leach amenability. Samples for leach testing are vacuum sealed again immediately after selection and prior to shipping to the lab.
8.3 Drill Cuttings
During drilling of all holes, cuttings are collected at five-foot intervals. Detailed descriptions of each of these samples are then documented by the field geologists. Drill cutting samples are valuable for lithologic evaluation and also for description of redox conditions, based on sample color. However, these samples are not analyzed for uranium content because there is considerable dilution and mixing which occurs as the cuttings are flushed to the surface. In addition, the samples are not definitive with regard to depth due to variation in the lag time between cutting at the drill bit and when the sample is collected at the surface.
8.4 Analyses and Security
After collection and documentation in the field, cores and other physical samples derived from URE’s drilling activities at the Property were delivered to Energy Laboratories, Inc. (Energy Labs), an independent commercial laboratory in Casper, Wyoming which has been accredited by the National Environmental Laboratory Accreditation Council, the NRC, Multi-Agency Radiological Laboratory Analytical Protocols via the USEPA, U.S. Department of Defense, U.S. Geological Survey, U.S. Department of Energy, NRC, U.S. Food and Drug Administration, and the National Institute of Standards and Technology. Energy Labs has been performing uranium analyses and testing for over 30 years, holds numerous certifications from multiple organizations, and is considered by the QP to be qualified to secure, handle and analyze samples in accordance with industry standards. Energy Labs has an industry-standard internal QA/QC system including routine equipment calibration and the use of standards, blanks, duplicates and spikes. Testing of physical properties (porosity, permeability) have also been performed by Maxim Technologies of Billings, Montana and Weatherford Laboratories of Casper, Wyoming (Weatherford, 2010). Hazen Research and Assayers Canada LTD (now SGS) performed analyses of certain duplicate samples. These laboratories are all independent, certified commercial laboratories.
| Ur-Energy – Lost Creek ISR Uranium Property Technical Report Summary – March 4, 2024 | Page 55 |
|
|
|
Data from historical sampling, prior to URE, were derived by reputable exploration companies and are assumed to have been collected, secured, and analyzed in accordance with standard industry practices at the time. More recent data have been validated by calibration of down-hole gamma and PFN comparison against laboratory assay results, as described in the prior Chapter. The calibration confirmed the ability to appropriately use the down-hole data for resource estimate calculations.
8.5 Quality Control Summary
URE maintains quality control procedures associated with its coring program:
|
| · | Scanning the core with a scintillometer to provide a detailed depth correlation and comparison between the gamma log and driller’s core depths, |
|
|
|
|
|
| · | Vacuum sealing core in plastic bags to prevent contamination and oxidation, |
|
|
|
|
|
| · | Completing a Chain of Custody (COC) Record for all core samples sent to laboratories for analyses, |
|
|
|
|
|
| · | Obtaining a signature on the COC Record (along with instructions) from the URE employee who relinquished the samples to the laboratory, |
|
|
|
|
|
| · | Receiving a signed COC Record from the laboratory with the signature of the individual who received the samples, |
|
|
|
|
|
| · | Validation of laboratory quality control procedures which typically include method blanks of low metal concentrations and spikes of known metal concentrations, |
|
|
|
|
|
| · | Evaluation and comparison of results against previous analysis and other projects (outlier test or similar, i.e., “red face check”), and |
|
|
|
|
|
| · | Reference samples and subsequent analysis sent to other laboratories. |
Other quality control procedures included the detailed logging of drill cuttings by URE geologists to gain an understanding of redox conditions within host sandstones and also the consistent calibration of both the in-house gamma logging and, historically, PFN logging units at the Casper, Wyoming DOE test pit.
8.6 Opinion on Adequacy
The QP reviewed URE Standard Operating Procedure documents and guidelines and found them to be consistent with industry practice. He is of the opinion that the sampling, analyses, and security relevant to the data used in the present resource estimate have been performed to standard industry practices and are acceptable and appropriate for use in the resource estimate.
| Ur-Energy – Lost Creek ISR Uranium Property Technical Report Summary – March 4, 2024 | Page 56 |
|
|
|
9.0 DATA VERIFICATION
Data supporting this Report come almost exclusively in the form of drill data gained from historical drilling activities by previous operators and those conducted by URE since acquisition of the Property. Quality control of URE drill data has been discussed in Chapter 8. The tabulations of uranium intercepts compiled by URE have been confirmed by the QP to be consistent with the original down-hole electric logs and the geophysical operator’s uranium intercept calculations.
URE has verified historical drill data by conducting confirmation drilling and coring in the Lost Creek Project adjacent to selected historical exploration holes with results that validate the historical data. In addition, several historical drill holes have been re-entered and re-logged with the gamma tool for comparison to the initial historical gamma logs. In all cases the repeatability of the data was within approximately 10 percent. Furthermore, uranium intercept data of previous operators in all Projects have been evaluated and selectively checked for accuracy by re-calculation of grade and thickness using standard methods established by the U.S. Atomic Energy Commission (AEC). Review of these data has concluded that the historical uranium intercept data are valid and do not require re-calculation. The QP has compared the historical drill log uranium values to the URE tabulations and confirmed the validity and accuracy of the procedure.
The historical drill data supporting Adjoining Projects are derived from the same large regional historical drill database that covers the Lost Creek Project. That database was a part of the acquisition of NFU Wyoming, LLC in 2005, in which URE acquired the Lost Creek Project. Extensive drilling by URE in the Lost Creek Project over the years has confirmed the validity of the database within that Project, as discussed above. Therefore, it is reasonable to assume that the same historical data, derived from the same operators, are accurate and valid within the Adjoining Projects as well.
In the LC East Project, URE possesses gamma logs for virtually every historical drill hole (approximately 1,063 holes). Uranium data employed in the current LC East resource estimates have been collected from varied historical sources in URE’s data files, mainly 1) historical drill hole maps with uranium intercept values (most abundant source) and 2) grade calculation sheets within drill hole file folders. Where such information was not available, uranium intercept values were calculated from the gamma logs by URE geologists using the standard AEC calculation method mentioned above and employing a grade cutoff of 0.020 percent. In addition, numerous historical uranium intercepts were re-calculated by URE geologists for confirmation of that data. In total, approximately 17 percent of all uranium intercepts within the LC East Project have been calculated by URE geologists. A statistical comparison of URE calculated uranium intercept values to historical uranium intercept values yielded an average variance of 8.6 percent. The QP considers this to be adequate for a precise estimation of resources. Therefore, the current resource estimation remains based largely on historical uranium intercept data supplemented with recent data derived from URE drilling in 2012 and 2015. Where available, the values recently calculated by URE replaced the historical uranium intercept values. URE continues its analyses and recalculation of all uranium intercepts within the LC East Project.
The QP is of the opinion that the quality of the data is acceptable for use in this Report.
| Ur-Energy – Lost Creek ISR Uranium Property Technical Report Summary – March 4, 2024 | Page 57 |
|
|
|
10.0 MINERAL PROCESSING AND METALLURGICAL TESTING
Mineral processing tests were performed on core as early as 1979 by Texasgulf and 1981 by Wyoming Minerals Corporation (see Table 5). These tests, using bicarbonate lixiviant, resulted in extractions ranging up to 81 percent for agitation leach tests and 89 percent for column leach tests. In 2005 and 2007, URE conducted more leach tests on samples from the HJ Horizon, using Energy Labs. The 2005 tests demonstrated an average recovery of 82.8 percent while the 2007 testing concluded that a significant portion of the uranium, about 83 percent, can be leached from the samples. The purpose of these early leach tests was not to predict a percent recovery from planned ISR operations, but rather to demonstrate that the uranium ore was amenable to leaching by bicarbonate lixiviants.
Favorable uranium recoveries to date from production operations in MU1 support the positive pre- mining leach test results. Comparing recoveries against pore volumes circulated, production has exceeded expectations due to head grades averaging significantly higher than the originally forecasted level of 47 mg/l. For example, HH1-1 had a Measured Resource of 172,857 pounds U3O8 under-pattern. As of September 30, 2015, after circulation of 28.6 pore volumes of mining fluid, 164,490 net pounds U3O8 had been recovered. This represents a 95.2 percent recovery. HH1-1 has been operating for the longest period of time and would be expected to have one of the higher recovery factors with MU1. Similarly, HH1-2 has produced 141,070 net pounds U3O8 over 21.7 pore volumes for a 72.0 percent recovery factor and after 23.3 pore volumes HH1-3 has produced 206,288 net pounds U3O8 for a 92.5 percent recovery. The average recovery for the first three HHs in MU1, through September 30, 2015, was 86.5 percent.
To date, all uranium production from MU1 and MU2 has come from the HJ Horizon. In 2010, URE performed leach testing on samples from the deeper KM Horizon. Seven samples obtained from one-foot sections of core were tested by Energy Labs for mineral recovery. Table 6 presents the combination of lixiviants that were evaluated and are shown with the recovery results after 30 pore volumes, in five pore volume increments. The variables in the lixiviants were bicarbonate concentration and oxidant (peroxide) strength using ambient groundwater, except for one test conducted with laboratory grade water. The individual leach periods were 16 hours each. Twenty-five pore volumes of bicarbonate leach solution were passed through the samples. Uranium recovery ranged from 54.1 to 93.0 percent with an average uranium recovery of 80.6 percent.
Table 6. KM Horizon - Leach Test Results, 2010
| Sample ID |
| Solution Base |
| Bicarbonate (NaHCO3) (g/L) |
|
| Peroxide (H2O2) (g/L) |
|
| U Recovery % |
|
| Average Solution (mg/L U) |
| ||||
| LC46-01 |
| Groundwater |
| Natural Bicarb |
|
|
| 0.25 |
|
|
| 54.1 |
|
|
| 42.0 |
| |
| LC46-02 |
| Groundwater |
|
| 1.0 |
|
|
| 0.25 |
|
|
| 87.2 |
|
|
| 78.8 |
|
| LC46-03 |
| Groundwater |
|
| 1.5 |
|
|
| 0.25 |
|
|
| 87.7 |
|
|
| 84.6 |
|
| LC46-04 |
| Groundwater |
|
| 2.0 |
|
|
| 0.25 |
|
|
| 89.0 |
|
|
| 84.8 |
|
| LC46-05 |
| Groundwater |
|
| 2.0 |
|
|
| 0.50 |
|
|
| 93.0 |
|
|
| 92.6 |
|
| LC46-06 |
| Distilled Water |
|
| 0.5 |
|
|
| 0.50 |
|
|
| 74.0 |
|
|
| 66.3 |
|
| LC46-07 |
| Distilled Water |
|
| 1.0 |
|
|
| 0.50 |
|
|
| 88.0 |
|
|
| 81.0 |
|
The results of these KM tests are similar to those performed on earlier HJ samples and demonstrate the likely continued amenability to in situ recovery of mineralized zones within the Battle Spring Formation for the entire Property.
The QP considers the metallurgical and physical test work and results to date to be adequate to support general process design and selection. Pump testing and core analysis demonstrates that the aquifers have sufficient porosity, permeability and transmissivity to support ISR operations. Equilibrium testing demonstrates that, in general, positive equilibrium exists which indicates that uranium is present where gamma data suggest it is present and at the grade indicated by the probe data. Laboratory leach testing demonstrates that the uranium can be solubilized using a carbonate and oxygen based lixiviant. Successful ISR mining activities observed thus far at the Property further demonstrate amenability to ISR mining.
| Ur-Energy – Lost Creek ISR Uranium Property Technical Report Summary – March 4, 2024 | Page 58 |
|
|
|
11.0 MINERAL RESOURCE ESTIMATES
The mineral resources for the Property reported here have been estimated utilizing the GT contour method. The GT contour method is well accepted within the uranium ISR industry and is suited to guide detailed mine planning and estimates of recoverable resources for roll front type deposits such as the Property. A discussion of the methodology is presented below.
Resource estimation for the Property does not include mineralization above the static water table as such mineralization is not amenable to in-situ recovery.
11.1 Assumptions
Resources within the Property are identified recognizing that roll front mineralization occurs in long, narrow, sinuous bodies, which are found adjacent and parallel to alteration (redox) fronts. These commonly occur in multiple, vertically stacked horizons, each of which represents a unique resource entity. Resource classification requires horizontal continuity within individual horizons. Accumulation of resources in a vertical sense (i.e., accumulating multiple intercepts per drill hole) is not valid in ISR applications. Individual roll fronts within mineralized horizons are assumed to be 50 ft. wide (based on project experience) unless sufficient information is available to establish otherwise.
In addition, certain assumptions were incorporated throughout all calculations:
|
| 1. | No disequilibrium. Therefore, the DEF is 1.0. |
|
| 2. | The unit density of mineralized rock is 16.6 cubic ft. per ton, based on numerous core density measurement results (Maxim Technologies Inc. / Tetra Tech, Inc., 2005a, 2005b, 2006). |
|
| 3. | All geophysical logs are assumed to be calibrated per normal accepted protocols, and grade calculations are accurate. |
|
| 4. | All mineralization classified as a resource occurs below the static water table. |
11.2 Mineral Resource Estimates
All resource calculations provided are based on accurate drill hole data and use the correct methods to calculate total pounds. Using a GT cutoff of 0.20 mineral resources were classified as Measured, Indicated, and Inferred based on drill spacing. Only areas with mineralized drill holes within 100 feet of each other and in the same roll front were classified as Measured, those within 200 feet of each other were classified as Indicated and those within 400 feet were Inferred. All relevant data were used in the calculation of this uranium resource. The review, validation and updating of the mineral resource estimate, was supervised by the Qualified Person.
Through December 31, 2023, 2.838 million pounds of U3O8 have been captured within the plant at the Lost Creek Project since mining operations commenced. This production has come from Measured Resources from the HJ Horizon. Table 7 illustrates the impact of this production on Lost Creek Project resources.
| Ur-Energy – Lost Creek ISR Uranium Property Technical Report Summary – March 4, 2024 | Page 59 |
|
|
|
11.2.1 Cutoff Selection
Throughout the history of the Property, various minimum grade cutoffs have been applied to define uranium intercepts for resource estimation. Historical activities targeted resources for conventional mining techniques and generally used a 0.030 percent or 0.025 percent grade cutoff. Earlier URE resource estimates also used a 0.030 percent cutoff. However, resource estimates beginning with the March 2011 Lost Creek Property PEA (TREC, 2011) pursuant to NI 43-101 have employed uranium intercepts reported at the 0.020 percent grade cutoff, recognizing that ISR mining is much less sensitive to grade than conventional mining. The cutoffs used in this Report are typical of ISR industry practice and represent appropriate values relative to current ISR operations. Experience at other ISR operations has demonstrated that grades below 0.020 percent can technologically be successfully leached and recovered, given supporting economics. Due to the nature of roll front deposits and production well designs, the incremental cost of addressing low grades is minimal (given the presence of higher grades).
More than ten years of ISR production operations at the Lost Creek Project has provided URE a unique insight into the uranium roll front deposits of the Property. Uranium recovery in MU1 has been noteworthy. As described in the June 2015 Technical Report for the Property prepared pursuant to NI 43-101, and reiterated in the 2022 Lost Creek TRS, in order to reconcile higher-than-expected uranium recoveries from production operations in MU1, the GT cutoff for uranium intercepts used in resource estimation was lowered from 0.30 to 0.20. Mining fluids have obviously been contacting and taking into solution some of this lower GT material and lowering the cutoff grade to 0.20 GT better represents the in-situ uranium resources.
In summary, mineralization reportable as resources must be below the static water level and meet the following cutoff criteria:
Minimum Grade: 0.020 percent eU3O8. Grade measured below this cutoff is considered as zero value.
Minimum GT (Grade x Thickness): 0.20 GT. Intercepts with GT values below this cutoff are mapped exterior to the GT contours employed for resource estimation, given zero resource value and therefore are excluded from reported resources.
Minimum Thickness: No minimum thickness is applied but is inherent within the definition of GT (Grade Thickness).
Based on the depths of mineralization, average grade, thickness, GT, and selected cutoffs, it is the QP’s opinion that the mineral resources at the Property have a reasonable prospect of economic extraction by ISR methods using the contract sales prices and pricing assumptions discussed in this report. Namely, the uranium pricing is based upon known pricing for expected sales under existing and negotiated sales contracts, supplemented using a simple average of (a) the annual average of the projections of Cantor Fitzgerald Canada Corporation, September 26, 2023; Roth MKM, October 10, 2023; PI Financial Corp. October 6, 2023 and (b) UxC, LLC Q4 2023, as further discussed in Chapters 16 and 24.
11.2.2 Resource Classification
Resource estimates were prepared using parameters relevant to the proposed mining of the deposit by ISR methods. The methodology relies on detailed mapping of uranium mineralization to establish continuity of intercepts within individual sandstone host units.
| Ur-Energy – Lost Creek ISR Uranium Property Technical Report Summary – March 4, 2024 | Page 60 |
|
|
|
URE employs a conservative resource classification system that is consistent with professional standards. Mineral resources are identified as Measured, Indicated and Inferred based ultimately on the density of drill hole spacing, both historical and recent; and continuity of mineralization within the same mineralized horizon (roll front).
In simplest terms, to conform to each classification, resources determined using the GT contour method must meet the following criteria:
|
| 1. | Meet the 0.02 percent grade cutoff, |
|
| 2. | Occur within a single, discrete mineralized horizon (roll front), |
|
| 3. | Fall within the 0.20 GT contour, and |
|
| 4. | Extend no farther from the drill hole than the radius of influence specified below for each category. |
Employing these considerations, mineralization that meets the above criteria is classified as a resource and assigned a level of confidence via the following drill spacing guidelines:
Measured:
≤100 ft. (i.e., mineralization on trend, within the 0.20 GT contour, and which does not extend beyond 100 ft. from any given drill hole with a uranium intercept ≥ to the minimum GT cutoff).
Indicated:
100 – 200 ft. (i.e., mineralization on trend, within the 0.20 GT contour, and which extends from 100 ft. to 200 ft. from any given drill hole with a uranium intercept ≥ to the minimum GT cutoff).
Inferred:
200 – 400 ft. (i.e., mineralization on trend, within the 0.20 GT contour, and which extends from 200 ft. to 400 ft. from any given drill hole with a uranium intercept ≥ to the minimum GT cutoff).
There are several reasons mineralization was interpreted as Measured Resources at the Property. First, drill spacing used to categorize the Measured Resource is less than or equal to the well spacing in a 5-spot production pattern (100 ft. spacing from injector to injector) which enables a detailed wellfield design to be completed. Second, as shown on the geologic cross sections (Figures 8a & 8b), the sub-surface geology at the Property is well known with correlatable aquifers, consistent host sandstone intervals and reliable aquitards across the Property. Third, the roll front deposit model has been studied extensively and is well known geologically. Finally, the Property is in operation and has a history of producing uranium from areas that have been classified as Measured Resources which verifies the drill spacing and cutoff criteria used in the resource estimation. This combination of drillhole spacing, well known subsurface geology, well understood deposit model, and history of production at the Property lead the QP to conclude the mineralization in areas with drillhole spacing of less than or equal to 100 ft. fit the definition for Measured Resources.
All available drill hole data near and adjacent to mapped resources are considered during categorization. Details such as gamma character and GT values of less than 0.20 exhibited by nearby holes, though not included in the resource, can be important information when establishing confidence levels of a projected resource. URE geologists can rely on this data peripheral to the resource to sometimes extend or truncate the mineral resource category where warranted.
Isolated occurrences of mineralization meeting the GT cutoff criteria (i.e., single isolated mineralized drill holes) are classified as Inferred, and are defined as mineralization which occurs within the qualifying GT contour for the given uranium horizon and extending no more than 400 ft. beyond the sample point (drill hole).
11.2.3 Methodology
11.2.3.1 Fundamentals
The Property resources are defined by utilizing both historical and recent drilling information. The basic unit of uranium mineralization is the mineral intercept and the basic unit of a uranium resource is the mineralized horizon, which is generally synonymous to a roll front. Mineral intercepts are assigned to named mineralized horizons based on geological interpretation by URE geologists founded on knowledge of stratigraphy, redox, and roll front geometry and zonation characteristics. Resources are derived and reported per mineralized horizon (i.e., per roll front). In any given geographic area, an accumulation of resources in a particular mineralized horizon may be combined into a resource area.
| Ur-Energy – Lost Creek ISR Uranium Property Technical Report Summary – March 4, 2024 | Page 61 |
|
|
|
11.2.3.2 Mineral Intercepts
Mineral intercepts are derived from drill hole gamma logs and represent where the drill hole has intersected a mineralized zone. Calculation of the uranium content detected by gamma logs is traditionally reported in terms of uranium grade as eU3O8% (equivalent uranium) on one-half foot depth increments. A uranium intercept is defined as a continuous thickness interval in which uranium concentration meets or exceeds the grade cutoff value, which is 0.020 eU3O8% for the Property. Mineralization below the cutoff grade is treated as zero value with regard to resource estimation. A uranium intercept is defined in terms of:
|
| · | Thickness of the mineralized interval that meets cutoff criteria |
|
|
|
|
|
| · | Average Grade of uranium within that interval |
|
|
|
|
|
| · | Depth (bgs) to the top of that interval |
In addition, a GT value is assigned to each uranium intercept, defined as the average grade of the intercept times the thickness of the intercept. GT is a convenient and functional single term used to represent the overall quality of the uranium intercept. It is employed as the basic criterion to characterize uranium intercepts for use in the resource estimation process, which at the Property has been defined as GT ≥ 0.20. Intercepts, with GTs < 0.20, are excluded from the resource calculation, but may be taken into consideration when drawing GT contours.
Each uranium intercept is assigned to a stratigraphic and mineralized horizon by means of geological evaluation. The primary criterion employed in assignment of uranium intercepts to mineralized horizons is roll front correlation. Depth and elevation of intercepts are secondary criteria that support correlation. The evaluation also involves interpretation of roll front zonation (position within the roll front) by means of gamma curve signature, redox state, lithology and relative uranium content (Figure 10). Uranium intercept data and associated interpretations are stored in a database inventoried per drill hole and mineralized horizon. Using geographic information system (GIS) software, this database is employed to generate map plots displaying GT values and interpretive data for each mineralized horizon of interest. These maps become the basis for GT contouring as described below.
11.2.3.3 GT Contouring and Resource Estimation
For the map plots of GT values mentioned above, the GT contour lines are drawn honoring all GT values. Contours may be carefully modified by URE geologists where justified to reflect knowledge of roll front geology and geometry. The GT contour maps thus generated for each mineralized horizon form the foundation for resource calculation. In terms of geometry, the final product of a GT contoured mineralized horizon typically represents a mineralized body that is long, narrow, sinuous, and which closely parallels the redox front boundary. Parameters used to characterize the mineralized body are:
|
| Thickness: | Average thickness of uranium intercepts assigned to the mineralized horizon (inherent in GT values) |
|
|
|
|
|
| Grade: | Average grade of uranium intercepts assigned to the mineralized horizon (inherent in GT values) |
|
|
|
|
|
| Depth: | Average depth of uranium intercepts assigned to the mineralized horizon |
| Ur-Energy – Lost Creek ISR Uranium Property Technical Report Summary – March 4, 2024 | Page 62 |
|
|
|
|
| Area: | Defined as the area interior to the 0.20 GT contour lines, more specifically: |
|
| Width: | Defined by the breadth of the 0.20 GT contour boundaries. Where sufficient data are unavailable, (i.e., wide-spaced drilling), the width is assumed to be no greater than 50 ft. |
|
|
|
|
|
| Length: | Defined by the endpoints of the 0.20 GT contour boundaries. Where sufficient data is unavailable, length is limited to 800 ft. (i.e., 400 ft. on either side of an isolated drill hole – Inferred resource category). |
For resource estimation, the area of a mineral horizon is further partitioned into banded intervals between GT contours, to which the mean GT of the given contour interval is applied. Area values for each contour interval are then determined by GIS software and resources are then calculated for each contour interval using the following equation.
POUNDS = AREA x GT x 20 x DEF
TF
|
| Where: |
|
|
|
|
|
|
| POUNDS | = Resources (lbs.) |
|
|
|
|
|
| AREA | = Area measured within any given GT contour interval (ft.2) |
|
|
|
|
|
| GT | = Mean GT within any given contour interval (%-ft.) |
|
|
|
|
|
| 20 | = Conversion constant: grade percent and tons to unit lbs. (1% of a ton) |
|
|
|
|
|
| DEF | = Disequilibrium factor (=1.0, no disequilibrium) |
|
|
|
|
|
| TF | = Tonnage Factor: Rock density, a constant (=16.6 ft.3/ton). (Enables conversion from volume to weight) |
In map-view, resources for any given mineralized horizon often occur in multiple ‘pods’ rather than a single continuous body. Individual pods are then compiled per mineralized horizon, summed and categorized by level of confidence (Measured, Indicated, or Inferred) using the criteria discussed previously. The resource calculation process is streamlined using the same GIS software in which the mapping and GT contouring took place. Figure 11 is an example of a GT Contoured Resource Polygon generated by URE geologists for an individual mineralized pod. This resource was developed in the MHJ2 Sub Horizon within RA7 (LC East Project). This figure illustrates how GT contour mapping (based on a 0.20 GT cut-off) can delineate a continuous mineral resource where mapped in conjunction with the oxidation/reduction boundary.
| Ur-Energy – Lost Creek ISR Uranium Property Technical Report Summary – March 4, 2024 | Page 63 |
|
|
|
Figure 11. GT Contour Resource Polygon

11.2.4 Summary of Resources
Mineral resources are summarized in Table 1 and in Table 7 where they are listed by project and resource horizon. Figure 9 illustrates the location of resources as defined by outlines of the 0.20 GT contour mineralized pods and trends for the Property. The current mineral resource estimate for the Property (after adjustment for MU1 and MU 2 production) is identified in Table 7.
At the Lost Creek Project, MU2 wellfield development and delineation efforts between December 31, 2021, and December 31, 2023, have contributed to a revised resource that reflects a net increase (after accounting for production). An increase in drilling density resulted in significant portions of the Indicated and Inferred resource categories being elevated into the Measured category. This is illustrated by respective decreases in the Indicated and Inferred categories of 0.792 and 0.486 million pounds. Accordingly, the Measured category increased by 1.543 million pounds resulting in an overall net increase of 0.265 million pounds for the Project.
The HJ Horizon being the production target for MU2 was the focus of recent delineation and development drilling, however, additional data for the overlying FG and underlying KM Horizons was also collected and adjustments to the resource were made. Most notably, mineralization in the KM, which is associated with Resource Area 12 and underlies MU2, was routinely intersected. As result, an increase of 0.298 million pounds in the Measured plus Indicated categories, along with a minor decrease of 0.042 million pounds in the Inferred category, were reported for the KM within the Lost Creek Project.
As work and preparations continued for ramp-up back into commercial production, adjustments to GT contouring and associated resources were made as a part of ongoing geologic evaluation at the Lost Creek Project and across the Property.
| Ur-Energy – Lost Creek ISR Uranium Property Technical Report Summary – March 4, 2024 | Page 64 |
|
|
|
Table 7. Lost Creek Property Resources, by Project
|
|
| MEASURED |
|
| INDICATED |
|
| INFERRED |
| |||||||||||||||||||||||||||
| HORIZON | AVG GRADE % eU3O8 |
|
| SHORT TONS (X 1,000) |
|
| POUNDS (X 1,000) |
|
| AVG GRADE %eU3O8 |
|
| SHORT TONS (X 1,000) |
|
| POUNDS (X 1,000) |
|
| AVG GRADE %eU3O8 |
|
| SHORT TONS (X 1000) |
|
| POUNDS (X 1000) |
| ||||||||||
|
|
| |||||||||||||||||||||||||||||||||||
| LOST CREEK PROJECT |
| |||||||||||||||||||||||||||||||||||
| FG Horizon |
|
| 0.047 |
|
|
| 1,507 |
|
|
| 1,430 |
|
|
| 0.049 |
|
|
| 268 |
|
|
| 265 |
|
|
| 0.038 |
|
|
| 136 |
|
|
| 103 |
|
| HJ Horizon |
|
| 0.049 |
|
|
| 7,609 |
|
|
| 7,500 |
|
|
| 0.047 |
|
|
| 1,443 |
|
|
| 1,356 |
|
|
| 0.043 |
|
|
| 1,364 |
|
|
| 1,184 |
|
| HJ Production Through 09/30/2015 |
|
| 0.049 |
|
|
| -2,896 |
|
|
| -2,838 |
|
|
|
|
|
|
|
|
|
|
|
|
|
|
|
|
|
|
|
|
|
|
|
|
|
| Total HJ - Post Production |
|
| 0.049 |
|
|
| 4,713 |
|
|
| 4,662 |
|
|
|
|
|
|
|
|
|
|
|
|
|
|
|
|
|
|
|
|
|
|
|
|
|
| KM Horizon |
|
| 0.049 |
|
|
| 916 |
|
|
| 889 |
|
|
| 0.045 |
|
|
| 988 |
|
|
| 882 |
|
|
| 0.047 |
|
|
| 1,083 |
|
|
| 1,012 |
|
| L Horizon |
| — |
|
| — |
|
| — |
|
| — |
|
| — |
|
| — |
|
| 0.050 |
|
| 8 |
|
| 8 |
| |||||||||
| M Horizon |
| — |
|
| — |
|
| — |
|
| — |
|
| — |
|
| — |
|
|
| 0.042 |
|
|
| 221 |
|
|
| 186 |
| ||||||
| N Horizon |
| — |
|
| — |
|
| — |
|
| — |
|
| — |
|
| — |
|
|
| 0.077 |
|
|
| 22 |
|
|
| 33 |
| ||||||
| Total - LOST CREEK |
|
| 0.049 |
|
|
| 7,136 |
|
|
| 6,981 |
|
|
| 0.046 |
|
|
| 2,699 |
|
|
| 2,503 |
|
|
| 0.045 |
|
|
| 2,834 |
|
|
| 2,527 |
|
| MEASURED + INDICATED = |
|
|
| 9,835 |
|
|
| 9,484 |
|
|
|
|
|
|
|
|
|
|
|
|
| |||||||||||||||
| LC EAST PROJECT |
| |||||||||||||||||||||||||||||||||||
| FG Horizon |
|
| 0.116 |
|
|
| 37 |
|
|
| 86 |
|
|
| 0.055 |
|
|
| 181 |
|
|
| 199 |
|
|
| 0.042 |
|
|
| 529 |
|
|
| 444 |
|
| HJ Horizon |
|
| 0.051 |
|
|
| 1,059 |
|
|
| 1,080 |
|
|
| 0.040 |
|
|
| 1,083 |
|
|
| 866 |
|
|
| 0.043 |
|
|
| 1,223 |
|
|
| 1,052 |
|
| KM Horizon |
|
| 0.049 |
|
|
| 305 |
|
|
| 299 |
|
|
| 0.041 |
|
|
| 587 |
|
|
| 481 |
|
|
| 0.041 |
|
|
| 1,173 |
|
|
| 962 |
|
| L Horizon |
|
| — |
|
|
| — |
|
|
| — |
|
|
| 0.029 |
|
|
| 24 |
|
|
| 14 |
|
|
| 0.029 |
|
|
| 9 |
|
|
| 5 |
|
| M Horizon |
|
| — |
|
|
| — |
|
|
| — |
|
|
| 0.046 |
|
|
| 9 |
|
|
| 8 |
|
|
| 0.044 |
|
|
| 20 |
|
|
| 18 |
|
| N Horizon |
|
| — |
|
|
| — |
|
|
| — |
|
|
| — |
|
|
| — |
|
|
| — |
|
|
| — |
|
|
| — |
|
|
| — |
|
| Total – LC EAST |
|
| 0.052 |
|
|
| 1,401 |
|
|
| 1,465 |
|
|
| 0.041 |
|
|
| 1,883 |
|
|
| 1,568 |
|
|
| 0.042 |
|
|
| 2,954 |
|
|
| 2,481 |
|
| MEASURED + INDICATED = |
|
|
| 3,284 |
|
|
| 3,033 |
|
|
|
|
|
|
|
|
|
|
|
|
| |||||||||||||||
| LC NORTH PROJECT |
| |||||||||||||||||||||||||||||||||||
| FG Horizon |
|
| — |
|
|
| — |
|
|
| — |
|
|
| — |
|
|
| — |
|
|
| — |
|
|
| — |
|
|
| — |
|
|
| — |
|
| HJ Horizon |
|
| — |
|
|
| — |
|
|
| — |
|
|
| — |
|
|
| — |
|
|
| — |
|
|
| 0.045 |
|
|
| 216 |
|
|
| 193 |
|
| KM Horizon |
|
| — |
|
|
| — |
|
|
| — |
|
|
| — |
|
|
| — |
|
|
| — |
|
|
| 0.052 |
|
|
| 174 |
|
|
| 180 |
|
| L Horizon |
|
| — |
|
|
| — |
|
|
| — |
|
|
| — |
|
|
| — |
|
|
| — |
|
|
| 0.032 |
|
|
| 163 |
|
|
| 104 |
|
| M Horizon |
|
| — |
|
|
| — |
|
|
| — |
|
|
| — |
|
|
| — |
|
|
| — |
|
|
| 0.061 |
|
|
| 77 |
|
|
| 94 |
|
| N Horizon |
|
| — |
|
|
| — |
|
|
| — |
|
|
| — |
|
|
| — |
|
|
| — |
|
|
| 0.031 |
|
|
| 14 |
|
|
| 9 |
|
| Total - LC NORTH |
|
| 0 |
|
|
| 0 |
|
|
| 0 |
|
|
| 0 |
|
|
| 0 |
|
|
| 0 |
|
|
| 0.045 |
|
|
| 644 |
|
|
| 581 |
|
| LC SOUTH PROJECT |
| |||||||||||||||||||||||||||||||||||
| FG Horizon |
|
| — |
|
|
| — |
|
|
| — |
|
|
| 0.054 |
|
|
| 73 |
|
|
| 80 |
|
|
| 0.046 |
|
|
| 332 |
|
|
| 304 |
|
| HJ Horizon |
|
| — |
|
|
| — |
|
|
| — |
|
|
| 0.029 |
|
|
| 148 |
|
|
| 85 |
|
|
| 0.031 |
|
|
| 251 |
|
|
| 154 |
|
| KM Horizon |
|
| — |
|
|
| — |
|
|
| — |
|
|
| — |
|
|
| — |
|
|
| — |
|
|
| 0.036 |
|
|
| 54 |
|
|
| 38 |
|
| L Horizon |
|
| — |
|
|
| — |
|
|
| — |
|
|
| — |
|
|
| — |
|
|
| — |
|
|
| — |
|
|
| — |
|
|
| — |
|
| M Horizon |
|
| — |
|
|
| — |
|
|
| — |
|
|
| — |
|
|
| — |
|
|
| — |
|
|
| — |
|
|
| — |
|
|
| — |
|
| N Horizon |
|
| — |
|
|
| — |
|
|
| — |
|
|
| — |
|
|
| — |
|
|
| — |
|
|
| — |
|
|
| — |
|
|
| — |
|
| Total - LC SOUTH |
|
| 0 |
|
|
| 0 |
|
|
| 0 |
|
|
| 0.037 |
|
|
| 221 |
|
|
| 165 |
|
|
| 0.039 |
|
|
| 637 |
|
|
| 496 |
|
| LC WEST PROJECT |
| |||||||||||||||||||||||||||||||||||
| FG Horizon |
|
| — |
|
|
| — |
|
|
| — |
|
|
| — |
|
|
| — |
|
|
| — |
|
|
| — |
|
|
| — |
|
|
| — |
|
| HJ Horizon |
|
| — |
|
|
| — |
|
|
| — |
|
|
| — |
|
|
| — |
|
|
| — |
|
|
| — |
|
|
| — |
|
|
| — |
|
| KM Horizon |
|
| — |
|
|
| — |
|
|
| — |
|
|
| — |
|
|
| — |
|
|
| — |
|
|
| 0.109 |
|
|
| 16 |
|
|
| 34 |
|
| L Horizon |
|
| — |
|
|
| — |
|
|
| — |
|
|
| — |
|
|
| — |
|
|
| — |
|
|
| — |
|
|
| — |
|
|
| — |
|
| M Horizon |
|
| — |
|
|
| — |
|
|
| — |
|
|
| — |
|
|
| — |
|
|
| — |
|
|
| — |
|
|
| — |
|
|
| — |
|
| N Horizon |
|
| — |
|
|
| — |
|
|
| — |
|
|
| — |
|
|
| — |
|
|
| — |
|
|
| — |
|
|
| — |
|
|
| — |
|
| Total - LC WEST |
|
| 0 |
|
|
| 0 |
|
|
| 0 |
|
|
| 0 |
|
|
| 0 |
|
|
| 0 |
|
|
| 0.109 |
|
|
| 16 |
|
|
| 34 |
|
(Continued on next page)
| Ur-Energy – Lost Creek ISR Uranium Property Technical Report Summary – March 4, 2024 | Page 65 |
|
|
|
Table 7. Lost Creek Property Resources, by Project (continued)
SUMMARY
|
|
| MEASURED |
|
| INDICATED |
|
| INFERRED |
| |||||||||||||||||||||||||||
|
|
| AVG GRADE % |
|
| SHORT TONS |
|
| POUNDS |
|
| AVG GRADE % |
|
| SHORT TONS |
|
| POUNDS |
|
| AVG GRADE |
|
| SHORT TONS |
|
| POUNDS |
| |||||||||
| PROJECT |
| eU3O8 |
|
| (X 1000) |
|
| (X 1000) |
|
| eU3O8 |
|
| (X 1000) |
|
| (X 1000) |
|
| %eU3O8 |
|
| (X 1000) |
|
| (X 1000) |
| |||||||||
| LOST CREEK |
|
| 0.049 |
|
|
| 7,136 |
|
|
| 6,981 |
|
|
| 0.046 |
|
|
| 2,699 |
|
|
| 2,503 |
|
|
| 0.045 |
|
|
| 2,834 |
|
|
| 2,527 |
|
| LC EAST |
|
| 0.052 |
|
|
| 1,401 |
|
|
| 1,465 |
|
|
| 0.042 |
|
|
| 1,883 |
|
|
| 1,568 |
|
|
| 0.042 |
|
|
| 2,954 |
|
|
| 2,481 |
|
| LC NORTH |
|
| — |
|
|
| — |
|
|
| — |
|
|
| — |
|
|
| — |
|
|
| — |
|
|
| 0.045 |
|
|
| 644 |
|
|
| 581 |
|
| LC SOUTH |
|
| — |
|
|
| — |
|
|
| — |
|
|
| 0.037 |
|
|
| 221 |
|
|
| 165 |
|
|
| 0.039 |
|
|
| 637 |
|
|
| 496 |
|
| LC WEST |
|
| — |
|
|
| — |
|
|
| — |
|
|
| — |
|
|
| — |
|
|
| — |
|
|
| 0.109 |
|
|
| 16 |
|
|
| 34 |
|
| EN |
|
| — |
|
|
| — |
|
|
| — |
|
|
| — |
|
|
| — |
|
|
| — |
|
|
| — |
|
|
| — |
|
|
| — |
|
| GRAND TOTAL |
|
| 0.049 |
|
|
| 8,537 |
|
|
| 8,446 |
|
|
| 0.044 |
|
|
| 4,803 |
|
|
| 4,236 |
|
|
| 0.043 |
|
|
| 7,085 |
|
|
| 6,119 |
|
| MEASURED + INDICATED = |
|
|
| 13,340 |
|
|
| 12,682 |
|
|
|
|
|
|
|
|
|
|
|
|
| |||||||||||||||
Notes
|
| 1. | Sum of Measured and Indicated tons and pounds may not add to the reported total due to rounding. |
|
| 2. | % eU3O8 is a measure of gamma intensity from a decay product of uranium and is not a direct measurement of uranium. Numerous comparisons of eU3O8 and chemical assays of Lost Creek rock samples, as well as PFN logging, indicate that eU3O8 is a reasonable indicator of the chemical concentration of uranium. |
|
| 3. | Table shows resources based on grade cutoff of 0.02 % eU3O8 and a GT cutoff of 0.20. |
|
| 4. | Measured, Indicated, and Inferred Mineral Resources as defined in 17 CFR § 229.1300. |
|
| 5. | Resources are reported through December 31, 2023. |
|
| 6. | All reported resources occur below the static water table. |
|
| 7. | 2.838 million lbs. of U3O8 have been produced from the HJ Horizon in the Lost Creek Project as of December 31, 2023. |
|
| 8. | Mineral resources that are not mineral reserves do not have demonstrated economic viability. |
|
| 9. | The point of reference for resources is in situ at the Property. |
11.2.5 Resource Estimation Auditing
The resource estimate detailed herein was evaluated for quality control and assurance using the following methods.
|
| 1. | Random historical log files were examined in detail to confirm gamma interpretations as well as grade calculations. |
|
|
|
|
|
| 2. | Multiple historical logs were reviewed to confirm geologic and grade continuity. |
|
|
|
|
|
| 3. | Drilling density as depicted on maps and observed in the field was evaluated to demonstrate that the uranium mineralization at the Property was consistent with resource definitions. |
|
|
|
|
|
| 4. | Gamma and PFN probe calibration logs were reviewed. |
|
|
|
|
|
| 5. | Detailed examination of significant resource bearing roll front systems was conducted in collaboration with URE geologists to confirm log interpretations, continuity of mineralization and nature of GT contour development. |
|
|
|
|
|
| 6. | Random mineralized pods within the resource model were evaluated to confirm the area assigned to the particular GT contour. |
|
|
|
|
|
| 7. | Resource classification methods and results were reviewed against standard industry practices for at least 25 pods of mineralization. |
In summary, the QP accepts URE interpretations as having been properly done and as reasonable representations of the mineral present. These interpretations provide a reasonable basis for the calculation of uranium mineral resources at the Property.
| Ur-Energy – Lost Creek ISR Uranium Property Technical Report Summary – March 4, 2024 | Page 66 |
|
|
|
11.2.6 Mineral Resource Estimate Risk
To the extent known, the QP is unaware of any current environmental, permitting, legal, title, taxation, socio-economic, marketing, or political factor which could materially affect the accessibility of estimated resources. Risks regarding the recovery of resources are addressed in Chapter 22.2.
Future potential legal risks to the accessibility of the estimated resource may include changes in the designation of the greater sage-grouse as an endangered species by the USFWS because the Property lies within a greater sage-grouse core area as defined by the state of Wyoming. In September 2015, the USFWS issued its finding that the greater sage-grouse does not warrant protection under the Endangered Species Act (ESA). The USFWS reached this determination after evaluating the species’ population status, along with the collective efforts by the BLM and U.S. Forest Service, state agencies, private landowners and other partners to conserve its habitat. After a thorough analysis of the best available scientific information and taking into account ongoing key conservation efforts and their projected benefits, the USFWS determined the species does not face the risk of extinction now or in the foreseeable future and therefore does not need protection under the ESA. Should future decisions vary, or state or federal agencies alter their management of the species, there could potentially be an impact on future expansion operations. However, URE continues to work closely with the WGFD and the BLM to mitigate impacts to the greater sage-grouse.
As is typical for mineral resource estimates, there is risk of improper interpretation of geological data such as grade or continuity. Improper geological data interpretation could impact the estimated resource estimate, either positively or negatively. URE has expended considerable effort to ensure the accuracy and validity of drilling and mineralized data used as the foundation of the resource estimates, as discussed in Chapters 6 (Geological Setting and Mineralization), 8 (Sample Collection, Preparation, Analysis and Security) and 9 (Data Verification). Additionally, geologists contributing to this Report are thoroughly trained and experienced in understanding the nature of roll front uranium deposits to ensure realistic and accurate interpretations of the extent of mineralization.
The mining industry is subject to extensive environmental and other laws and regulations, which may change at any time. Environmental legislation and regulation are evolving in a manner which is resulting in stricter standards and enforcement, increased fines and penalties for non- compliance, more stringent environmental assessments of proposed projects and a heightened degree of responsibility for companies and their officers, directors and employees. In addition to the ESA listing decision made, other rulemakings and proposed legislation are ongoing and may be anticipated from time to time. EPA rulemakings related to tailings facilities and holding ponds, which may also have an impact on ISR projects, including Lost Creek, are proposed from time to time. These are not the only laws and regulations which are under consideration and propose more restrictive changes.
| Ur-Energy – Lost Creek ISR Uranium Property Technical Report Summary – March 4, 2024 | Page 67 |
|
|
|
12.0 MINERAL RESERVE ESTIMATES
Mineral reserves were not estimated for this Report.
13.0 MINING METHODS
13.1 Mineral Deposit Amenability
URE is using ISR at the Property. ISR is employed because this technique allows for the low cost and effective recovery of roll front mineralization. An additional benefit is that ISR is relatively environmentally benign when compared to conventional open pit or underground recovery techniques. ISR does not require the installation of tailings facilities or significant surface disturbance.
This mining method utilizes injection wells to introduce a mining solution, called lixiviant, into the mineralized zone. The lixiviant is made of natural groundwater fortified with oxygen as an oxidizer, sodium bicarbonate as a complexing agent, and carbon dioxide for pH control. An alternative for lixiviant makeup is the omission of sodium bicarbonate while increasing the quantity of carbon dioxide. This version allows for the generation of natural sodium bicarbonate from the formation. The oxidizer converts the uranium compounds from a relatively insoluble +4 valance state to a soluble +6 valance state. The complexing agent bonds with the uranium to form uranyl carbonate which is highly soluble. The dissolved uranyl carbonate is then recovered through a series of production wells and piped to a processing plant where the uranyl carbonate is removed from the solution using IX. The groundwater is re-fortified with the oxidizer and complexing agent and sent back to the wellfield to recover additional uranium.
In order to use ISR, the mineralized body must be: saturated with groundwater; transmissive to water flow; and amenable to dissolution by an acceptable lixiviant. While not a requirement, it is beneficial if the production zone aquifer is relatively confined by overlying and underlying aquitards so it is easier to maintain control of the mining lixiviant. 293 monitor and pump-test wells have been completed within the Lost Creek Project (Table 4) in the various horizons to determine the elevation of the water tables. The natural hydrostatic pressure within each horizon causes the water table to rise in the well casing to approximately 170 to 200 ft. bgs. All horizons deeper than the DE are completely saturated at the Lost Creek Project.
URE has been collecting lithologic, water level, and pump test data as part of its ongoing evaluation of hydrologic conditions at the Lost Creek Project. In addition to URE’s data collection, historical hydrogeological data collected for Texasgulf (Hydro-Search, Inc., 1982) were used to support this hydrologic evaluation. Water level measurements, both historical and recent, provide data to assess potentiometric surfaces, hydraulic gradients and inferred groundwater flow directions for the aquifers of interest at the Property.
13.2 Mine Development
To aid in systematic development of resources, URE has designated several RAs within the Property which represent the accumulation of resources within a given horizon in a specific geographical area (Figure 12). Economic analyses in this Report are performed solely on these designated areas, due to the vertical and lateral continuity of the resources. In a general sense they are precursors to production wellfields, which may be derived from all or part of a RA. At the current time, approximately 78 percent of the total Property resources, as presented in Table 7, are contained within RAs.
| Ur-Energy – Lost Creek ISR Uranium Property Technical Report Summary – March 4, 2024 | Page 68 |
|
|
|
An RA is converted to a mine unit if the perimeter monitor ring for the mine unit is defined. (Note, however, that the number sequence of RAs may not coincide with the number sequence of proposed mine units.) Currently there are 12 RAs in the Property. RAs 1 to 6 and 12 lie within the Lost Creek Project. RAs 7 to 11 generally lie within the LC East Project. RAs commonly overlap where resources in both the HJ and KM Horizons are targeted for potential production. RAs 1 and 2 have been converted to MU1 and MU2, respectively.
The Lost Creek plant is designed to generate approximately 0.9 to 1.0 million pounds of production per year for several years. At full projected flow capacity and at an average uranium content of the lixiviant of 40 mg/L the originally calculated output would be approximately one million pounds annually. Contents in excess of 40 mg/L U will allow for reduced flowrates. Lower uranium contents would result in production of less than one million pounds at the projected maximum flow rate of approximately 6,000 gpm.
Production in 2024 is modeled to be 0.818 million pounds and to increase to a rate of approximately one million pounds per year beginning in 2025. Production is currently modeled to decrease slightly in 2035 based on current production estimates and complete in 2036. Total life of mine production of 11.7 million pounds is based on the resource estimate for the 12 RAs summarized in Table 8 and a future recovery rate of 80 percent. Market conditions and contract sales generally define the production rate for the Project.
Within a mine unit, the most fundamental component of mine development and production is the production pattern. A pattern consists of one recovery well and the injection wells which feed lixiviant to it. Injection wells are commonly shared by multiple recovery wells. HHs serve multiple patterns and function as both distribution points for injection flow and collection points for production flow from the recovery wells. The processing plant feeds injection lixiviant to the HHs for distribution to the injector wells, and also receives and processes production flow from the HHs.
In MU1 the first series of HHs was constructed simultaneously with the processing plant and the site infrastructure. The other HHs in MU1, as originally planned, were brought online sequentially. The proposed production rate has provided for lower than nominal plant flowrates. Additional mine units will be developed in such a way as to allow for production/plant capacity to be maintained. In other words, as the productivity or head grade from the initial HHs decreases below economic limits, replacement patterns from additional HHs will be placed into operation in order to maintain the desired flow rate and head grade at the plant.
The schedules for drilling, construction, production, and restoration activities for the current life of mine are detailed in Figure 13. The mine life sequence can be described as production followed by restoration, regulatory approval, and reclamation. Development activities, which include drilling, and surface construction, are planned to continue until the last quarter of 2034. Final wellfield production will occur in the third quarter of 2036. Restoration and reclamation activities are scheduled to start soon after production is completed in a mine unit or resource area. These are planned to occur in the third quarter 2026 through the fourth quarter 2038. Final decommissioning will occur simultaneous to the reclamation activities of the last mine unit.
| Ur-Energy – Lost Creek ISR Uranium Property Technical Report Summary – March 4, 2024 | Page 69 |
|
|
|

| Ur-Energy – Lost Creek ISR Uranium Property Technical Report Summary – March 4, 2024 | Page 70 |
|
|
|
Table 8. Development Summary by Resource Area
| Resource Area | Total Resource (lbs. x 1000) | Recoveries (lbs. x 1000) | Project | Horizon | Injection Wells | Production Wells | Header Houses | Monitor Wells | Area Under Pattern (acre) | Average Depth (ft.) |
| 1 (MU1) | 2,131 | 1,705 | Lost Cr | HJ | 1266 | 598 | 24 | 102 | 98.4 | 450 |
| 2 (MU2) | 1,621 | 1,297 | Lost Cr | HJ | 750 | 410 | 14 | 119 | 117.5 | 500 |
| 3 | 1,108 | 886 | Lost Cr | KM | 295 | 148 | 5 | 57 | 38.6 | 560 |
| 4 | 488 | 390 | Lost Cr | HJ | 130 | 65 | 3 | 49 | 30.0 | 580 |
| 5 | 1,125 | 900 | Lost Cr | HJ | 300 | 150 | 5 | 86 | 51.1 | 430 |
| 6 | 1,833 | 1,466 | Lost Cr | FG | 489 | 244 | 9 | 122 | 93.6 | 310 |
| 7 | 2,609 | 2,087 | LC East | HJ | 696 | 348 | 12 | 180 | 126.9 | 380 |
| 8 | 936 | 749 | LC East | KM | 250 | 125 | 5 | 118 | 61.7 | 480 |
| 9 | 619 | 495 | LC East | HJ | 165 | 83 | 3 | 116 | 83.3 | 380 |
| 10 | 486 | 389 | LC East | KM | 130 | 65 | 3 | 87 | 55.5 | 450 |
| 11 | 429 | 343 | LC East | KM | 114 | 57 | 2 | 77 | 42.7 | 350 |
| 12 | 1,327 | 1,062 | Lost Cr | KM | 354 | 177 | 6 | 95 | 73.8 | 620 |
| Total | 14,712 | 11,664 |
|
| 4,933 | 2,431 |
|
| 873.2 |
|
| 1. | Sum of pounds may not add to the reported total due to rounding. |
| 2. | For economic analyses in this Report, total resources include Measured, Indicated & Inferred Resources |
| 3. | This summary excludes resources recovered through December 31, 2023 (2,434,540 lbs. in MU1 and 403,921 lbs. in MU2). |
| 4. | Approximately 22% of the Property resources do not fall within existing Resource Areas and are therefore not considered for production in the economic analysis. |
| 5. | Resources reflect current estimates accounting for pounds recovered whereas well and header house counts reflect life of project totals. |
| Ur-Energy – Lost Creek ISR Uranium Property Technical Report Summary – March 4, 2024 | Page 71 |
|
|
|
Figure 13. Life of Mine Schedule

| Ur-Energy – Lost Creek ISR Uranium Property Technical Report Summary – March 4, 2024 | Page 72 |
|
|
|
13.3 Piping
Pipelines transport the wellfield solutions to and from the IX columns of the plant. The flow rates and pressures of the individual well lines are monitored in the HHs. Flow and pressure of the field production systems are also monitored and controlled as appropriate at the HHs. High density polyethylene (HDPE), PVC, stainless steel, or equivalent piping is used in the wellfields and has been designed and selected to meet design operating conditions. The lines from the plant, HHs, and individual well lines are buried for freeze protection and to minimize pipe movement.
13.4 Header Houses
HHs are used to distribute lixiviant injection fluid to injection wells and collect pregnant solution from production wells. Each header house is connected to two trunk lines, one for receiving barren lixiviant from the plant and one for conveying pregnant solutions to the plant. The HHs include manifolds, valves, flow meters, pressure gauges, instrumentation and oxygen for incorporation into the injection lixiviant, as required. Each header house may service up to 90 wells (injection and recovery) depending on pattern geometry.
13.5 Wellfield Reagents, Electricity
The evaluation presented in this Report assumes, based on a nominal 6,000 gpm flowrate, annually, the use of the following reagents and electricity in the wellfield on an annual basis:
| Oxygen |
| 59 |
| million standard cubic ft. |
| Carbon dioxide |
| 931 |
| tons |
| Corrosion inhibitor |
| 16.5 |
| barrels |
| Electricity |
| 9.6 |
| million kilowatt-hours (kWh) |
13.6 Mining Fleet Equipment and Machinery
This evaluation includes the cost of the required equipment and machinery to support the installation and operation of wellfields, the plant, and post-mining reclamation activities. A summary listing of this equipment and machinery includes: two (2) 1-ton pickup trucks; two (2) pulling units; four (4) trailers; six (6) cementers; one (1) front end loader; four (4) telehandlers; three (3) backhoes; one (1) motor grader; one (1) forklift; two (2) logging trucks; two (2) MIT trucks; one (1) pipe chipper; two (2) hose reels; two (2) flat reels; four (4) HDPE fusion tools; and a number of portable generators, welders, storage pads, a truck scale, various hand tools, and radios and computers.
13.7 Mining Personnel
This evaluation includes the cost of the personnel required to operate the wellfield, plant, and mine administration. The maximum number of FTE positions at any one time is projected to be 84.5. The wellfield department will have up to 54 full time equivalent (FTE) positions which include all personnel required for drilling, casing, logging, operations, and reclamation. The plant department will have up to 12 FTE positions which would include personnel required to operate and maintain the satellite plant. The mine administration will require up to 10.5 FTE positions to oversee mine operations, safety, and technical support staff. The maintenance department will have up to eight (8) positions. The actual number of FTE positions will vary depending on production and wellfield development needs.
| Ur-Energy – Lost Creek ISR Uranium Property Technical Report Summary – March 4, 2024 | Page 73 |
|
|
|
14.0 PROCESSING AND RECOVERY METHODS
The plant, which has been in operation since August 2013, consists of four major solution circuits:
|
| 1. | Uranium recovery/extraction circuit (IX); |
|
| 2. | Elution circuit to remove the uranium from the IX resin; |
|
| 3. | Yellowcake precipitation circuit; and the |
|
| 4. | Dewatering, drying and packaging circuit. |
Figure 14 presents a simplified typical process flow diagram. The system recycles and reuses most of the solutions inside each circuit. A low-volume bleed is permanently removed from the water-based leaching solution flow to create a “cone of depression” in the wellfield’s static water level, to ensure that the leaching solution in the target mineralized zone is contained within the designated recovery area by the inward movement of regional groundwater. This bleed solution is routed to DDWs after minimizing volumes through treatment and recycling.
14.1 Plant Processing
The plant houses most of the process equipment in an approximate 160 ft. by 260 ft. metal building. However, hydrochloric acid, propane and soda ash are stored in tanks and silos outside of the process building. The water treatment system (reverse osmosis) used for treating the bleed and for aquifer restoration is currently located in the plant as well. The Project plans to install a separate wastewater treatment building adjacent to the existing plant to enhance current capabilities by adding additional levels of RO and fines removal. The costs are included in the modeled sustaining capital. A partial analytical laboratory and the offices are located in the same building as the plant, although the primary lab equipment was moved into Casper in 2023 to commission the new chemistry lab. Basic laboratory equipment remains at site for spot sample testing as required. In addition to office space for professional staff, the building includes the computer server room, lunchroom, and restroom/change room facilities. A shop building is located immediately north of the plant. That building contains the warehouse, maintenance and construction shop areas and the drilling shop with all the required equipment and supplies to perform maintenance and construction of wellfield systems.
Production fluid containing dissolved uranyl carbonate from the wellfields is pumped to the plant for beneficiation as described below:
IX Circuit Uranium liberated from the underground deposits is extracted from the pregnant solution in the IX circuit onto resin. Subsequently, the barren lixiviant is reconstituted to the proper bicarbonate strength, as needed via the addition of sodium bicarbonate or carbon dioxide which generates bicarbonate in the mine horizon, and pH is corrected using carbon dioxide prior to being pumped back to the wellfield for reinjection. A low-volume bleed is permanently removed from the lixiviant flow. The bleed is either disposed of directly or treated by reverse osmosis and the clean permeate is reused in the process or injected in a Class V well, as needed. Brine and excess bleed are disposed of by means of injection into DDWs.
Elution Circuit When it is fully loaded with uranyl carbonate, the IX resin is subjected to elution. The elution process reverses the loading reactions for the IX resin and strips the uranium from the resin. The resulting rich eluate is an aqueous solution containing uranyl carbonate, salt and sodium carbonate and/or sodium bicarbonate.
| Ur-Energy – Lost Creek ISR Uranium Property Technical Report Summary – March 4, 2024 | Page 74 |
|
|
|
Figure 14. Process Flow Diagram

| Ur-Energy – Lost Creek ISR Uranium Property Technical Report Summary – March 4, 2024 | Page 75 |
|
|
|
Yellowcake Precipitation Circuit Yellowcake is produced from the rich eluate. The eluate from the elution circuit is de-carbonated in tanks by lowering the pH to approximately two standard units with hydrochloric acid. The uranium is then precipitated with hydrogen peroxide using sodium hydroxide for pH control.
Yellowcake Dewatering, Drying and Packaging Circuit The precipitated yellowcake slurry is transferred to a filter press where excess liquid is removed. Following a freshwater wash step that flushes any remaining dissolved chlorides, the resulting product cake is transferred to a yellowcake dryer, which will further reduce the moisture content, yielding the final dried free-flowing product. Refined yellowcake is packaged in 55-gallon steel drums.
For the purposes of the economic analyses, it was assumed that all drummed yellowcake will be shipped via truck approximately 1,270 miles to the conversion facility in Metropolis, Illinois. This conversion facility is the first manufacturing step in converting the yellowcake into reactor fuel.
14.2 Energy, Water and Process Materials
Estimates used in the evaluation presented in this Report assume the annual consumption of approximately 69,000 gallons of propane and 13.5 million kWh of electricity to heat and light the plant and operate the process equipment.
The consumptive use of groundwater at the Property is related to plant processes, maintenance of a hydrologic cone of depression (bleed) in the operating wellfields and wastewater associated with restoration groundwater sweep and reverse osmosis. The use of primary and secondary reverse osmosis along with radium treatment allows for a portion of the water to be recycled for operational purposes as well as being disposed in UIC Class V wells adjacent to the plant. The Class V permit for this activity was received in 2016. At full operating capacity, the processing plant utilizes approximately 10 gpm of water. In addition, the hydrologic bleed requirements for the wellfields are 0.5 percent to 1.5 percent of the production flowrate. The total expected wastewater output is planned from 10 gpm to 15 gpm at peak production in conjunction with all restoration activities, utilizing a multi-tier RO process in the proposed wastewater building. Chemicals that are anticipated to be used in the plant processes and the assumed annual consumption rates include:
| Hydrochloric acid |
| 4.00 |
| million lbs./year |
| Caustic soda |
| 1.02 |
| million lbs./year |
| Peroxide |
| 0.35 |
| million lbs./year |
| Salt |
| 1.56 |
| million lbs./year |
| Diatomaceous Earth |
| 0.16 |
| million lbs./year |
| Resin (make-up/replacement) |
| 100 |
| cubic ft./year |
| Ur-Energy – Lost Creek ISR Uranium Property Technical Report Summary – March 4, 2024 | Page 76 |
|
|
|
The above annual chemical usage is based on an average daily flow rate of 6,000 gpm and a production rate of one million pounds U3O8 per year.
The different types of chemicals are stored, used and managed to ensure worker and environmental safety in accordance with standards developed by regulatory agencies and vendors. The hydrochloric acid and hydrogen peroxide, salt and sodium hydroxide storage areas include secondary containment. Sodium hydroxide and the various acid and caustic chemicals are of potential concern and are stored and handled with care. To prevent unintentional releases of hazardous chemicals and limit potential impacts to workers, the public and the environment, URE is implementing and maintaining internal operating procedures consistent with federal, state and local requirements.
14.3 Liquid Disposal
Typical ISR mining operations require one or more disposal wells for limited quantities of fluids that cannot be returned to the production aquifers. Five DDWs are permitted at Lost Creek of which three have been installed. One of the wells was subsequently abandoned and the other two operate intermittently as needed. A fourth permitted DDW was drilled in 2023 and, following construction and completion, is expected to become operational in 2024. The existing CAPEX and OPEX estimates for this Report assume that the two DDWs currently installed will be supplemented by the additional DDW which is under construction. The maximum volume of liquid wastes sent to the deep wells will be from 10 gpm to 15 gpm depending on the required bleed level. This is based on plans to install a separate wastewater treatment building adjacent to the existing plant to enhance current capabilities by adding additional levels of RO and fines removal. The costs are included in the modeled sustaining capital.
In addition to these DDWs and the water treatment plant, URE has obtained regulatory authorization from WDEQ and the NRC to operate UIC Class V wells which will allow for the onsite disposal of fresh permeate (i.e., clean water). Operators use the reverse osmosis circuits and a radium treatment process to treat process wastewater into brine and permeate streams. The brine stream will continue to be disposed of in the DDWs while the clean, permeate stream will be injected into the UIC Class V wells. As expected, these operational procedures have significantly enhanced wastewater disposal capacity at the site.
14.4 Solid Waste Disposal
Solid wastes consist of spent resin, filtered fines from the wellfield and wastewater, empty packaging, miscellaneous pipes and fittings, tank sediments, used personal protective equipment and domestic trash. These materials are classified as contaminated or non-contaminated based on their radiological characteristics.
Non-contaminated solid waste is waste which is not contaminated with radioactive material, or which can be decontaminated and re-classified as non-contaminated waste. This type of waste may include trash, piping, valves, instrumentation, equipment and any other items which are not contaminated, or which may be successfully decontaminated. Current estimates are that the site will produce approximately 700 cubic yards of non-contaminated solid waste per year. Non- contaminated solid waste is collected in designated areas at the Property site and disposed of in the nearest permitted sanitary landfill.
Contaminated solid waste consists of solid waste contaminated with radioactive material that cannot be decontaminated. This waste will be classified as 11e.(2) by-product material as defined by federal and state regulations. This by-product material consists of filters, filtered fines from the wellfield and wastewater, personal protective equipment, spent resin, piping, etc. These materials are temporarily stored on-site and periodically transported for disposal. Another subsidiary of URE owns a licensed disposal facility for 11e.(2) by-product material waste. It is estimated that the Lost Creek site will produce approximately 270 cubic yards of 11e.(2) by-product material as waste per year. This estimate is based on the waste generation rates of similar in situ uranium recovery facilities.
14.5 Plant Personnel
A discussion of the personnel requirements for the Property is located in Chapter 13.7.
| Ur-Energy – Lost Creek ISR Uranium Property Technical Report Summary – March 4, 2024 | Page 77 |
|
|
|
15.0 PROJECT INFRASTRUCTURE
The infrastructure for the Lost Creek wellfield and plant is described above and depicted in Figure 15. All necessary components for the plant and the first wellfield have been constructed and are in use.
15.1 Roads
There are four types of roads being used for access to the Property. They include primary access roads, secondary access roads, temporary wellfield access roads, and well access roads. Access to the Property is from the west via Wamsutter-Crooks Gap Road or from the east via BLM Sooner Road (Figure 2).
Primary access roads are used for routine access to the main processing facility at the Property. URE has constructed approximately 50,000 ft. of new road to serve as Project access.
The main access roads average 20 ft. wide and are surfaced with gravel. Snow removal and periodic surface maintenance are performed as needed. The secondary access roads are used at the Property to provide access to the wellfield HHs. The secondary access roads are constructed with limited cut and fill construction and may be surfaced with small sized aggregate or other appropriate material.
The temporary wellfield access roads are for access to drilling sites, wellfield development, or ancillary areas assisting in wellfield development. When possible, URE will use existing two-track trails or designate two-track trails where the land surface is not typically modified to accommodate the road. The temporary wellfield access roads will be used throughout the mining areas and will be reclaimed at the end of mining.
15.2 Laboratory Equipment
As discussed above, the primary laboratory equipment was moved to the Casper operations facility in 2023. That lab consists of inductively coupled plasma (ICP) emission spectrometers for analyses of uranium and metals, an auto-titrator for alkalinity and chloride measurements, specific conductance meter and other equipment, materials and supplies required to efficiently operate the mine and plant. The laboratory also has a fume hood, reagent storage cabinets and other safety equipment. The Casper lab is expected to serve Lost Creek and, when constructed, the Shirley Basin Project mine.
15.3 Electricity
A pre-existing 34,500-volt power line owned by Pacific Power Corp. extends north-south along the western edge of the Lost Creek Project. The line was originally installed to serve the Sweetwater Mine and Mill which is south of the Property. Pacific Power Corp. performed a power study and determined that the line has capacity to serve the Property without any upgrades. A new overhead raptor resistant power line, approximately two miles in length, was constructed to bring power from the existing Pacific Power line to the Lost Creek plant. Line drops have been made to the existing HHs, plant, and other buildings where the power is transformed to three phase 480 volts. Power lines from HHs to recovery wells are placed underground using direct burial wire.
| Ur-Energy – Lost Creek ISR Uranium Property Technical Report Summary – March 4, 2024 | Page 78 |
|
|
|

| Ur-Energy – Lost Creek ISR Uranium Property Technical Report Summary – March 4, 2024 | Page 79 |
|
|
|
15.4 Water
URE has drilled 12 shallow water wells to provide water for the facility. The water supply is described in more detail within Chapter 4.5.1.
15.5 Holding Ponds
Two holding ponds have been installed for the facility and are currently in use. The holding ponds, which are located immediately east of the plant, are used to contain process wastewater as needed in relation to wastewater disposal capacity. The earthen banked ponds each are approximately 155 by 260 ft. as measured from crest to crest. The ponds have a double lined containment system with leak detection between the liners. Rigorous procedures have been established to ensure proper inspection, operation, and maintenance of the holding ponds.
| Ur-Energy – Lost Creek ISR Uranium Property Technical Report Summary – March 4, 2024 | Page 80 |
|
|
|
16.0 MARKET STUDIES AND CONTRACTS
This Report serves to replace the most recent assessment of the Property (WWC, 2022) as amended, dated September 2022, including updating the economic analyses, and covers activities conducted through December 31, 2023, as described.
Unlike other commodities, uranium does not trade on an open market. Contracts are negotiated privately by buyers and sellers. The economic analysis assumes a variable price per pound for U3O8 over the life of the Property as discussed in Chapter 19.
Uranium price assumptions in this report are based on URE’s current and negotiated uranium sales agreements where applicable. Additionally, the future uranium price assumptions are based upon projections provided by three independent financial firms and a recognized industry trade group analyzing uranium markets: Roth MKM, Cantor Fitzgerald Canada Corporation, PI Financial Corp. and UxC, LLC. Each of the projections was independently prepared and reflects the individual, proprietary projections of each firm regarding future uranium prices. The projections were prepared by the firm as of the date of the specific reports/communications (Roth MKM, October 10, 2023; Cantor Fitzgerald Canada Corporation, September 26, 2023; PI Financial Corp., October 6; and UxC, LLC Q4 2023. See also Chapter 24 References).
The price projections which supplement the known and assumed contract pricing were calculated using a simple average of (a) the annual average of the projections of Cantor Fitzgerald Canada Corporation, September 26, 2023; Roth MKM, October 10, 2023; PI Financial Corp. October 6, 2023 and (b) UxC, LLC Q4 2023. In certain cases, the price projections provided by the firms did not extend through 2036, which is the final year used for sales in the economic analysis. In that circumstance, the final year of that firm’s price projection was used in calculating the average for all subsequent years, ensuring that the three analysts’ values were averaged for each year in the economic analysis. The QP believes these estimates are appropriate for use in the evaluation, and the results support the assumptions herein.
The marketability of uranium and acceptance of uranium mining is subject to numerous factors beyond the control of URE. The price of uranium may experience volatile and significant price movements over short periods of time. Factors beyond the control of URE affect the market, including demand for nuclear power; changes in public acceptance of nuclear power generation; political and economic conditions in uranium mining, producing and consuming countries; costs and availability of financing of nuclear plants; changes in governmental regulations; global or regional consumption patterns; speculative activities and increased production due to new extraction developments and improved production methods; the future viability and acceptance of small modular reactors or micro-reactors and the related fuel requirements for this new technology; reprocessing of spent fuel and the re-enrichment of depleted uranium tails or waste; and global economics, including currency exchange rates, interest rates and expectations of inflation. Any future accidents, or threats of or incidents of war, civil unrest or terrorism, at nuclear facilities are likely to also impact the conditions of uranium mining and the use and acceptance of nuclear energy. The economic analysis and associated sensitivities are within the range of current market variability.
Operational purchasing agreements exist with the primary chemical suppliers. The terms of these agreements vary in duration and volume. Finally, contracts or agreements are in place with RSB Logistics Inc. for transporting yellowcake from the Property; ConverDyn for processing of yellowcake concentrates; and Pathfinder Mines (a wholly owned subsidiary of Ur-Energy USA Inc.) for disposal of 11e.(2) byproduct material waste.
| Ur-Energy – Lost Creek ISR Uranium Property Technical Report Summary – March 4, 2024 | Page 81 |
|
|
|
17.0 ENVIRONMENTAL STUDIES, PERMITTING, SOCIAL OR COMMUNITY IMPACT
Extensive environmental studies have been performed in support of the Lost Creek Permit to Mine Application submitted to the WDEQ, the License Application submitted to the NRC, and the BLM Plan of Operations (Ur-Energy Inc., 2007a and Ur-Energy Inc., 2007b). Additional, similar environmental studies were completed with respect to the applications to amend those permits, licenses and authorizations for the recovery of uranium from the LC East Project and the KM Horizon at the Lost Creek Project (Lost Creek 2014a and Lost Creek 2014b). These studies include: geology, surface hydrology, sub-surface hydrology, geochemistry, wetlands, air quality, vegetation, wildlife, archeology, meteorology, background radiometrics, and soils. Upon receipt of the applications for the Lost Creek Project, the WDEQ and NRC spent several years reviewing the environmental studies with internal and third-party experts and ultimately concluded that the mining activity as proposed was protective of the environment. After their technical reviews, including numerous opportunities for public comment, all necessary permits and licenses to operate the mine were issued.
The amendment to the LQD authorized permit to mine to allow mining in the HJ and KM Horizons at the LC East Project is the only remaining major authorization before operations may proceed at LC East. Approval will include an aquifer exemption. Additional approval from LQD to expand mining into additional HJ Horizon mine units at the Lost Creek Project must also be obtained.
17.1 Environmental Studies
The license and mine permit applications were developed to define and evaluate the potential for impacts to other environmental resources and were submitted to and approved by the NRC, WDEQ and BLM. Evaluation subjects included: existing and anticipated land use, transportation, geology, soils, seismic risk, water resources, climate/meteorology, vegetation, wetlands, wildlife, air quality, noise, and historic and cultural resources. Additionally, socioeconomic characteristics in the vicinity of the Property were evaluated. In these evaluations, no impacts from Property development were identified that could not be mitigated (Ur-Energy Inc., 2007a, 2007b). The NRC and WDEQ issued final approvals for the Lost Creek Project in 2011. The BLM issued its Record of Decision for approval of the Environmental Impact Statement in October 2012. The BLM issued its Record of Decision for LC East and the KM amendment in March 2019. The WDEQ URP issued final approval of LC East in 2021. Discussion of the results of site-specific environmental studies is given below.
17.1.1 Background Radiological Characteristics
Background radiological characteristics for the Lost Creek Project were evaluated in 2006 and 2007 and between 2012 and 2016 in the LC East area to establish radiological baseline conditions and document the pre-operational radiological environment. The evaluations were performed for surface soils, subsurface soils, sediment and flora. In addition, a baseline gamma survey was performed, and Radon-222 and direct gamma exposure rates were measured.
The results of the studies are presented in detail in the Ur-Energy, Lost Creek ISR Project, Wyoming DEQ Permit to Mine Application (Ur-Energy, 2007a), Ur-Energy, KM and LC East Amendments, 2014, (Ur-Energy, 2014a and Ur-Energy, 2014b), the Ur-Energy, Lost Creek, NRC Source Material License Application, 2007 (Ur-Energy, 2007b) and the Ur-Energy, KM and LC East Amendment Source Material License Application, 2017 (ref. Ur-Energy, 2017). In general, the baseline study indicates that most site radiological properties are in normal ranges. (Lost Creek 2014a, 2014b and BLM 2018).
| Ur-Energy – Lost Creek ISR Uranium Property Technical Report Summary – March 4, 2024 | Page 82 |
|
|
|
17.1.2 Threatened, Endangered, or Candidate Species
As defined by WDEQ-LQD Guideline No. 2, a literature review was conducted to identify species of special concern, prohibited and restricted noxious weeds, and selenium indicators that could be present within the Lost Creek Project permit area and again for permitting of the LC East Project amendments. The reviews identified several species that occur within the general region.
Threatened and endangered (T&E) species of the greater region include the blowout penstemon (Penstemon haydenii) and the desert yellowhead (Yermo xanthocephalus). Blowout penstemon is the only endangered plant species in Wyoming. While the species is known to occur on a site approximately 32 miles east-northeast of the Lost Creek Project, it has not been observed in the area of the properties and is unlikely to occur in the area. Blowout penstemon grows exclusively in sand blowout areas, a habitat type which is absent in the Property. Desert yellowhead is a threatened species in Wyoming, occurring in southern Fremont County in the Beaver Rim Area, approximately 45 miles northeast of Lost Creek. The only known population occurs in the Beaver Rim Area.
A similar analysis was conducted within the LC East Project area. According to the USFWS, T&E species known to occur within Sweetwater County include Ute ladies’-tresses (Spiranthes diluvialis) and the western prairie fringed orchid (Platanthera praeclara) (USFWS 2015b). A more refined search area that included just the immediate vicinity of the Property area identified only the potential for Ute ladies’-tresses (USFWS 2017). The field evaluations conducted during the appropriate time frame indicated that late season perennial water sources were not present within the LC East Project area. No individuals or populations of Ute ladies’-tresses were found during field surveys and based on the lack of suitable habitat characteristics, local habitat was confirmed unsuitable for Ute ladies'-tresses.
An additional 12 rare plant species are known to occur in Sweetwater County. During the vegetation surveys, special consideration was given to these species of special concern and micro-environments capable of supporting these species. However, no species of special concern were observed within the Lost Creek Project.
As discussed above, the USFWS issued a determination in 2015 that the greater sage grouse, which is indigenous to the area, does not warrant protection under the ESA. Management of the species will continue under the Wyoming Core Area Strategy, and certain federal, resource management plans. In addition, for the LC East Amendment the WGFD was consulted regarding greater sage-grouse since the Property area is within a BLM Priority Habitat Management Area. The Density Disturbance Calculation Tool (DDCT) prepared for the existing Lost Creek Project was updated to ensure that the LC East Project would be in compliance with the maximum disturbance process, as outlined in Wyoming EO 2015-4 (Office of the Governor 2015). WGFD reviewed the revised DDCT and concluded that the LC East project complies with the 5 percent and 1/640 thresholds (WGFD 2018).
| Ur-Energy – Lost Creek ISR Uranium Property Technical Report Summary – March 4, 2024 | Page 83 |
|
|
|
17.1.3 Cultural and Historic Resources
Pursuant to applicable law, the cultural and historic resources are not publicly disclosed.
17.1.4 Visual and Scenic Resources
During construction and operations, visual resources will be impacted to some extent by vegetative disturbance, road building, drilling, piping, and facility construction. A maximum of approximately 165 acres of vegetation will be disturbed at any one time. This estimate includes all on-site roads, operating mine units, mud pits for resource and delineation and monitor wells, and pipelines. The total footprint of the plant compound is approximately 10 acres, and the maximum height of any building is 45 feet. Mine unit development will occur sequentially, with reclamation in the MU1 concurrent with construction and operations in later mine units. No more than four percent of the Lost Creek Project permit area should be disturbed at any time.
Most of these modifications will not be visible from the public road network, which is lightly traveled. The plant is located 4.5 miles from the nearest county road, and the rolling topography will hide the facilities from travelers, except from a limited number of vantage points. There are no locally important or high-quality views that are affected by the Property. Facilities are discernable but are not a dominant landscape feature to observers outside the Lost Creek permit area.
Impacts are temporary, since buildings and roads will be decommissioned and removed at the Property’s end and vegetation will be restored to its previous condition. ISR operations cause no modifications to scenery or topography that will persist after restoration and reclamation.
17.1.5 Byproduct Disposal
11e.(2) or non-11e.(2) byproduct disposal methods are discussed in detail in Chapter 14 (Processing and Recovery Methods). DDWs, landfills, and licensed 11e.(2) facilities will be used depending on the level of contamination for the given waste product.
17.2 Permitting Requirements, Permit Status, Financial Assurance
Permitting requirements and status are also discussed in Chapter 3.5.2.
17.2.1 Financial Assurance
Financial surety is required by the State of Wyoming and the BLM. Through an MOU between BLM and WDEQ-LQD (BLM 2003), BLM has given WDEQ-LQD primacy for establishing the financial assurance amount for operations covered under 43 CFR § 3809.500. However, BLM reviews financial assurance estimates and retains the authority to require additional financial assurance if it determines that the reclamation cost estimate is inadequate. The Property currently has in place financial assurance to cover costs of reclaiming lands and groundwater currently disturbed at the Lost Creek Project. Reclamation costs for additional disturbance would be added to the financial assurance prior to constructing facilities in the LC East Project. As required by WDEQ-LQD Permit to Mine PT788 and URP License WYSUA-1598, the financial assurance would be reevaluated, and the amount updated annually to reflect any approved expansions or additional disturbance planned for the upcoming year, as well as any reclamation completed during the preceding year. Updates to the financial assurance estimate would be reviewed and approved by URP and WDEQ-LQD. Under the MOU between BLM and WDEQ-LQD, BLM would also review the annual financial assurance updates and concur with the proposed updates or recommend modifications to WDEQ-LQD (BLM 2003). The financial assurance instrument would be redeemable by both the State of Wyoming and the U.S. Secretary of the Interior (BLM).
| Ur-Energy – Lost Creek ISR Uranium Property Technical Report Summary – March 4, 2024 | Page 84 |
|
|
|
17.2.2 Site Monitoring
URE conducts considerable site monitoring to ensure protection of the environment and also protection of employees and the public from radionuclide effluent. Each mine unit is or will be surrounded laterally and vertically with a series of monitor wells to ensure mining solutions do not migrate out of the mining zone. The wells will be sampled twice per month with the results compared against pre-determined upper control limits.
Significant environmental monitoring for radionuclide effluents is also occurring and will continue up until reclamation. Selected sites are monitored for gamma radiation and radon levels. Sampling devices are replaced each quarter during operations and continue through groundwater restoration. Additionally, some sites are monitored to determine the concentration of airborne radionuclides. The air filters in the devices are changed out approximately monthly and quarterly composites are submitted to a contract laboratory for analysis. The laboratory results will be compared against baseline values to determine if any upward trend is occurring. The radionuclide concentration in local soils, surface water and vegetation will also be monitored to determine if mine effluent is causing impacts.
Finally, wildlife monitoring will continue throughout the life of the mine and will cover a variety of species including greater sage-grouse, big game, migratory birds, lagomorphs, songbirds and other species deemed to be of concern by permitting agencies. Third-party contractors will be utilized to perform wildlife monitoring.
17.3 Community Affairs
The Property is proximate to the communities of Bairoil, Jeffrey City, Wamsutter, Riverton, Lander and Rawlins, Wyoming. Lost Creek personnel have been hired from these communities as well as from Hanna, Rock Springs, and Casper, Wyoming. Employment has had a positive impact to these communities not only through direct payroll, but through primary and secondary purchases of goods and services.
URE maintains routine contacts with landowners, the BLM, and the general public through direct calls and attending various local meetings. The operational managers and Radiation Safety Officer are on site at the facility and are included in the administrative support labor costs in operating costs.
The NRC, WDEQ and BLM evaluated socioeconomic characteristics in the vicinity of the Property. No impacts from Property development were identified that could not be mitigated (Ur-Energy, 2007a, 2007b; Lost Creek, 2014a, 2014b). The NRC and WDEQ issued final approvals for the Lost Creek Project in 2011; URP issued its license approval in March 2021 for the LC East Project. The BLM issued its Record of Decision for approval of the Environmental Impact Statement in October 2012 and the LC East and KM Amendments in March 2019.
| Ur-Energy – Lost Creek ISR Uranium Property Technical Report Summary – March 4, 2024 | Page 85 |
|
|
|
17.4 Project Closure
Project closure entails multiple activities including groundwater and surface reclamation which will commence while recovery operations are continuing. The timeline for these closure-related activities is included in Figure 13 (Life of Mine Schedule) and the costs are included in the discussion of OPEX (see Chapter 18).
17.4.1 Well Abandonment / Groundwater Restoration
Groundwater restoration will begin as soon as practicable after uranium recovery in each wellfield is completed (as determined by project economics). If a depleted wellfield is near an area that is being recovered, a portion of the depleted area’s restoration may be delayed to limit interference with the ongoing recovery operations.
Restoration completion assumes up to six pore volumes of groundwater will be extracted and treated by reverse osmosis. Following completion of successful restoration activities, the injection and recovery wells will be plugged and abandoned in accordance with WDEQ regulations. Monitor wells will also be abandoned following verification of successful groundwater restoration.
17.4.2 Demolition and Removal of Infrastructure
Simultaneous with well abandonment operations, the trunk and feeder pipelines will be removed, tested for radiological contamination, segregated as either solid 11e.(2) or non-11e.(2) byproduct material, then chipped and transported to appropriate disposal facilities. The HHs will be disconnected from their foundations, decontaminated, segregated as either solid 11e.(2) or non-11e.(2), and transported to appropriate disposal facilities or recycled. The processing equipment and ancillary structures will be demolished, tested for radiological properties, segregated and either scrapped or disposed of in appropriate disposal facilities based on their radiological properties.
17.4.3 Site Grading and Revegetation
Following the removal of wellfield and plant infrastructure, site roads will likely be removed and the site will be re-graded to approximate pre-development contours and the stockpiled topsoil placed over disturbed areas. The disturbed areas will then be seeded.
17.5 Adequacy of Current Plans
The QP has reviewed the current permit status of the Property and have noted that the Project is fully permitted for ISR mining operations. The QPs’ opinion is that URE’s plans are adequate to allow for realization of the mining plans discussed in this Report.
| Ur-Energy – Lost Creek ISR Uranium Property Technical Report Summary – March 4, 2024 | Page 86 |
|
|
|
18.0 CAPITAL AND OPERATING COSTS
Capital Costs (CAPEX) and Operating Costs (OPEX) are based on actual and estimated costs for the Lost Creek Project as of December 31, 2023. The included analysis is based on the Measured and Indicated plus Inferred mineral resources in the Lost Creek and LC East Projects, as of December 31, 2023. The majority of the CAPEX costs, including the installation of the processing plant, disposal wells and a portion of the drilling and installation of MU1, were incurred prior to the commencement of operations in 2013. In addition, prior to this economic analysis additional wellfield and plant upgrades have been completed. OPEX costs include the remaining drilling and installation of the mine units as well as all operating costs such as chemicals, labor, utilities and maintenance. OPEX costs are most sensitive to wellfield costs which may increase if well spacing needs to be reduced or additional injection/recovery wells are required.
18.1 Capital Cost Estimation (CAPEX)
The majority of the CAPEX occurred prior to the start of operations in 2013 and is herein referred to as “initial capital” (initial capital costs of plant and wellfields total $46.5 million including initial wellfield costs of $12.3 million). Subsequent mine unit drilling and development costs are considered in the OPEX category after the start of production. The only remaining items in the CAPEX category for the remainder of the mine life are in the sustaining capital category.
Remaining CAPEX costs are for sustaining capital requirements at the mine-site and are primarily for the installation of a wastewater treatment building to optimize wastewater reduction. The remaining sustaining capital is for the replacement of equipment that will be used in the future operations of the plant and the wellfields. The LoM sustaining capital cost is estimated to be $26.0 million (Table 11). In addition, costs are included in wellfield development portion of this analysis for the installation of one additional DDW at an estimated cost of $5.2 million of which more than half has been spent prior to this analysis. The sustaining capital and future disposal well cost estimates are based on the actual previous purchases of the same equipment and/or vendor prices, thus the estimates contain contingencies of 10 percent and are considered to have a predicted level of accuracy of +/- 10 percent.
18.2 Operating Cost Estimation (OPEX)
The OPEX costs have been developed by evaluating each process unit operation and the associated required services (power, water, air, waste disposal), infrastructure (offices, change rooms shop), salary and burden, and environmental control (heat, air conditioning, monitoring). In addition, OPEX costs also include the remaining construction of the mine unit surface facilities and wells to mine the MMT and EMT. The Annual OPEX and the Closure Cost Summary for the Property are provided in Table 9. Additional annualized OPEX detail is provided in Table 10. Total OPEX costs, including selling, production and operating costs, have been estimated at $196.4 million, or approximately $16.73 per pound. The predicted level of accuracy of the OPEX and Closure estimates is approximately +/- 20 percent. The prices for the major items identified in this Report have been sourced in the United States and are based upon operational experience and data. Major cost categories considered when developing OPEX costs include wellfield, plant and site administration costs as detailed in Tables 9 and 10.
| Ur-Energy – Lost Creek ISR Uranium Property Technical Report Summary – March 4, 2024 | Page 87 |
|
|
|
Table 9. Annual Operating Costs (OPEX) Summary
| Operating Costs Summary | Units | Total | US$ per Pound |
| Salaries and Wages (Plant) | US$ 000s | $28,298 | $2.41 |
| Salaries and Wages (Wellfield) | US$ 000s | $43,300 | $3.69 |
| Wellfield costs (excludes closure related) | US$ 000s | $26,977 | $2.30 |
| Processing Plant Costs (excludes closure related) | US$ 000s | $52,539 | $4.48 |
| Product Shipping Costs & Conversion Facility Fees | US$ 000s | $4,481 | $0.38 |
| BLM & State Land Holding & Surface Impact Costs | US$ 000s | $1,818 | $0.15 |
| URP Fees | US$ 000s | $2,574 | $0.22 |
| Insurance & Bonding | US$ 000s | $3,435 | $0.29 |
| Subtotal | US$ 000s | $163,422 | $13.92 |
| Closure costs (less wages) | US$ 000s | $22,768 | $1.94 |
| Home Office Support and Allocated Overhead | US$ 000s | $10,241 | $0.87 |
| Subtotal |
| $33,009 | $2.81 |
| Total | US$ 000s | $196,431 | $16.73 |
|
| 1. | Wellfield operating costs include power, maintenance, chemicals and other wellfield operating costs. |
|
| 2. | Closure costs assume no salvage value for materials and equipment. |
|
| 3. | BLM land holding cost assumes an annual assessment of $200 on each claim (469 total). State fees include $1,920 annual lease ($3/acre) plus surface impact. |
|
| 4. | NRC fees include permitting cost recovery estimates for URP. |
|
| 5. | Shipping costs are based on 35,000 lbs. yellowcake shipments to the conversion facility in Metropolis, Illinois. |
|
| 6. | Bonding requires a 2.5% premium to be paid and approximately 30% collateral to be posted. The posted collateral is returned as closure work is completed and the bonding requirement is reduced. |
|
| 7. | Closure costs are based on WDEQ approved unit costs and detailed engineering work. |
| Ur-Energy – Lost Creek ISR Uranium Property Technical Report Summary – March 4, 2024 | Page 88 |
|
|
|
Table 10. Annual Operating Costs (OPEX) Details
| Operating Costs Summary |
| Units |
| Total |
|
| US$ per Pound |
|
| 2024 |
|
| 2025 |
|
| 2026 |
|
| 2027 |
|
| 2028 |
|
| 2029 |
|
| 2030 |
|
| 2031 |
|
| 2032 |
|
| 2033 |
|
| 2034 |
|
| 2035 |
|
| 2036 |
|
| 2037 |
|
| 2038 |
|
| 2039 |
|
| 2040 |
|
| 2041 |
| ||||||||||||||||||||
|
|
|
|
|
|
|
|
|
|
|
|
|
|
|
|
|
|
|
|
|
|
|
|
|
|
|
|
|
|
|
|
|
|
|
|
|
|
|
|
|
|
|
|
|
|
|
|
|
|
|
|
|
|
|
|
|
|
|
|
|
|
|
| ||||||||||||||||||||
| Salaries and Wages (Plant) |
| US$ 000s |
| $ | 28,298 |
|
| $ | 2.41 |
|
| $ | 2,007 |
|
| $ | 2,050 |
|
| $ | 1,948 |
|
| $ | 1,948 |
|
| $ | 1,948 |
|
| $ | 1,948 |
|
| $ | 1,953 |
|
| $ | 1,948 |
|
| $ | 1,948 |
|
| $ | 1,948 |
|
| $ | 1,948 |
|
| $ | 1,733 |
|
| $ | 1,606 |
|
| $ | 1,121 |
|
| $ | 1,102 |
|
| $ | 664 |
|
| $ | 350 |
|
| $ | 131 |
|
| Salaries and Wages (Wellfield) |
| US$ 000s |
| $ | 43,300 |
|
| $ | 3.69 |
|
| $ | 4,676 |
|
| $ | 3,685 |
|
| $ | 3,225 |
|
| $ | 3,225 |
|
| $ | 3,225 |
|
| $ | 3,225 |
|
| $ | 3,229 |
|
| $ | 3,225 |
|
| $ | 3,225 |
|
| $ | 3,225 |
|
| $ | 3,225 |
|
| $ | 1,670 |
|
| $ | 1,062 |
|
| $ | 1,062 |
|
| $ | 1,062 |
|
| $ | 657 |
|
| $ | 261 |
|
| $ | 145 |
|
| Wellfield costs (excludes closure related) |
| US$ 000s |
| $ | 26,977 |
|
| $ | 2.30 |
|
| $ | 1,937 |
|
| $ | 2,527 |
|
| $ | 2,084 |
|
| $ | 2,177 |
|
| $ | 1,972 |
|
| $ | 2,288 |
|
| $ | 2,004 |
|
| $ | 2,204 |
|
| $ | 2,064 |
|
| $ | 2,145 |
|
| $ | 2,113 |
|
| $ | 1,863 |
|
| $ | 714 |
|
| $ | 484 |
|
| $ | 403 |
|
| $ | - |
|
| $ | - |
|
| $ | - |
|
| Processing Plant Costs (excludes closure related) |
| US$ 000s |
| $ | 52,539 |
|
| $ | 4.48 |
|
| $ | 3,906 |
|
| $ | 4,431 |
|
| $ | 4,387 |
|
| $ | 4,394 |
|
| $ | 4,377 |
|
| $ | 4,397 |
|
| $ | 4,378 |
|
| $ | 4,401 |
|
| $ | 4,369 |
|
| $ | 4,395 |
|
| $ | 4,375 |
|
| $ | 3,291 |
|
| $ | 827 |
|
| $ | 214 |
|
| $ | 211 |
|
| $ | 119 |
|
| $ | 41 |
|
| $ | 28 |
|
| Product Shipping Costs & Conversion Facility Fees |
| US$ 000s |
| $ | 4,481 |
|
| $ | 0.38 |
|
| $ | 273 |
|
| $ | 385 |
|
| $ | 387 |
|
| $ | 372 |
|
| $ | 355 |
|
| $ | 390 |
|
| $ | 374 |
|
| $ | 415 |
|
| $ | 395 |
|
| $ | 397 |
|
| $ | 397 |
|
| $ | 300 |
|
| $ | 42 |
|
| $ | - |
|
| $ | - |
|
| $ | - |
|
| $ | - |
|
| $ | - |
|
| BLM & State Land Holding & Surface Impact Costs |
| US$ 000s |
| $ | 1,818 |
|
| $ | 0.15 |
|
| $ | 107 |
|
| $ | 107 |
|
| $ | 107 |
|
| $ | 107 |
|
| $ | 107 |
|
| $ | 107 |
|
| $ | 112 |
|
| $ | 107 |
|
| $ | 107 |
|
| $ | 107 |
|
| $ | 107 |
|
| $ | 107 |
|
| $ | 107 |
|
| $ | 107 |
|
| $ | 107 |
|
| $ | 107 |
|
| $ | 107 |
|
| $ | - |
|
| URP Fees |
| US$ 000s |
| $ | 2,574 |
|
| $ | 0.22 |
|
| $ | 143 |
|
| $ | 143 |
|
| $ | 143 |
|
| $ | 143 |
|
| $ | 143 |
|
| $ | 143 |
|
| $ | 143 |
|
| $ | 143 |
|
| $ | 143 |
|
| $ | 143 |
|
| $ | 143 |
|
| $ | 143 |
|
| $ | 143 |
|
| $ | 143 |
|
| $ | 143 |
|
| $ | 143 |
|
| $ | 143 |
|
| $ | 143 |
|
| Insurance & Bonding |
| US$ 000s |
| $ | 3,435 |
|
| $ | 0.29 |
|
| $ | 742 |
|
| $ | 1,527 |
|
| $ | 1,490 |
|
| $ | 759 |
|
| $ | 1,500 |
|
| $ | 1,033 |
|
| $ | 722 |
|
| $ | 799 |
|
| $ | 1,152 |
|
| $ | 1,112 |
|
| $ | 432 |
|
| $ | (865 | ) |
| $ | (663 | ) |
| $ | (831 | ) |
| $ | (804 | ) |
| $ | (839 | ) |
| $ | (866 | ) |
| $ | (2,963 | ) |
| Subtotal |
| US$ 000s |
| $ | 163,422 |
|
| $ | 13.92 |
|
| $ | 13,791 |
|
| $ | 14,855 |
|
| $ | 13,771 |
|
| $ | 13,125 |
|
| $ | 13,627 |
|
| $ | 13,531 |
|
| $ | 12,915 |
|
| $ | 13,242 |
|
| $ | 13,403 |
|
| $ | 13,472 |
|
| $ | 12,740 |
|
| $ | 8,242 |
|
| $ | 3,838 |
|
| $ | 2,300 |
|
| $ | 2,224 |
|
| $ | 851 |
|
| $ | 36 |
|
| $ | (2,516 | ) |
|
|
|
|
|
|
|
|
|
|
|
|
|
|
|
|
|
|
|
|
|
|
|
|
|
|
|
|
|
|
|
|
|
|
|
|
|
|
|
|
|
|
|
|
|
|
|
|
|
|
|
|
|
|
|
|
|
|
|
|
|
|
|
|
|
|
|
|
|
|
|
|
|
|
|
|
|
|
|
|
|
|
|
|
| Closure costs (less wages) |
| US$ 000s |
| $ | 22,768 |
|
| $ | 1.94 |
|
| $ | - |
|
| $ | 315 |
|
| $ | 843 |
|
| $ | 898 |
|
| $ | 843 |
|
| $ | 1,679 |
|
| $ | 1,122 |
|
| $ | 942 |
|
| $ | 1,488 |
|
| $ | 2,404 |
|
| $ | 1,228 |
|
| $ | 1,586 |
|
| $ | 950 |
|
| $ | 1,876 |
|
| $ | 1,061 |
|
| $ | 537 |
|
| $ | 2,923 |
|
| $ | 2,074 |
|
| Home Office Support and Allocated Overhead |
| US$ 000s |
| $ | 10,241 |
|
| $ | 0.87 |
|
| $ | 588 |
|
| $ | 588 |
|
| $ | 588 |
|
| $ | 588 |
|
| $ | 588 |
|
| $ | 588 |
|
| $ | 588 |
|
| $ | 588 |
|
| $ | 588 |
|
| $ | 588 |
|
| $ | 588 |
|
| $ | 588 |
|
| $ | 588 |
|
| $ | 588 |
|
| $ | 588 |
|
| $ | 588 |
|
| $ | 588 |
|
| $ | 245 |
|
| Subtotal |
|
|
| $ | 33,009 |
|
| $ | 2.81 |
|
| $ | 588 |
|
| $ | 903 |
|
| $ | 1,431 |
|
| $ | 1,486 |
|
| $ | 1,431 |
|
| $ | 2,267 |
|
| $ | 1,710 |
|
| $ | 1,530 |
|
| $ | 2,076 |
|
| $ | 2,992 |
|
| $ | 1,816 |
|
| $ | 2,174 |
|
| $ | 1,538 |
|
| $ | 2,464 |
|
| $ | 1,649 |
|
| $ | 1,125 |
|
| $ | 3,511 |
|
| $ | 2,319 |
|
|
|
|
|
|
|
|
|
|
|
|
|
|
|
|
|
|
|
|
|
|
|
|
|
|
|
|
|
|
|
|
|
|
|
|
|
|
|
|
|
|
|
|
|
|
|
|
|
|
|
|
|
|
|
|
|
|
|
|
|
|
|
|
|
|
|
|
|
|
|
|
|
|
|
|
|
|
|
|
|
|
|
|
|
| Total |
| US$ 000s |
| $ | 196,431 |
|
| $ | 16.73 |
|
| $ | 14,379 |
|
| $ | 15,758 |
|
| $ | 15,202 |
|
| $ | 14,611 |
|
| $ | 15,058 |
|
| $ | 15,798 |
|
| $ | 14,625 |
|
| $ | 14,772 |
|
| $ | 15,479 |
|
| $ | 16,464 |
|
| $ | 14,556 |
|
| $ | 10,416 |
|
| $ | 5,376 |
|
| $ | 4,764 |
|
| $ | 3,873 |
|
| $ | 1,976 |
|
| $ | 3,547 |
|
| $ | (197 | ) |
|
| 1. | Wellfield operating costs include power, maintenance, chemicals and other wellfield operating costs. |
|
| 2. | Closure costs assume no salvage value for materials and equipment. |
|
| 3. | BLM land holding cost assumes an annual assessment of $200 on each claim. State fees include $1,920 annual lease ($3/acre) plus surface impact. |
|
| 4. | URP fees include permitting costs and annual inspections. |
|
| 5. | Shipping costs are based on 35,000 lbs. yellowcake shipments to the conversion facility in Metropolis, Illinois. |
|
| 6. | Bonding requires a 2.5% premium to be paid and approximately 30% collateral to be posted. The posted collateral is returned as closure work is completed and the bonding requirement is reduced. |
|
| 7. | Closure costs are based on WDEQ approved unit costs and detailed engineering work. |
| Ur-Energy – Lost Creek ISR Uranium Property Technical Report Summary – March 4, 2024 | Page 89 |
|
|
|
The OPEX estimate above is based on the current resource estimate for the MMT and EMT on the Property which takes into account the produced pounds.
18.3 Adequacy of Cost Estimates
The cost estimates used for this analysis are based on actual costs encountered at the Lost Creek facility. Since the mine is currently in operation and actual operational costs were used in the analysis, it is the QP’s opinion that the costs used for this analysis are very representative of actual costs that will be encountered. The QP has noted that the labor costs used for this analysis are current and the mine is already competing for labor in a relatively tight labor market. As a result, significantly underestimating the labor costs is not expected to be a large risk following the pandemic. As noted in this Chapter, the costs were escalated against current inflation estimates to account for inflation concerns. The QP believes that the costs included here are reasonable and represent the best estimate of costs available.
18.4 Wellfield Development Costs
The first series of MU1 HHs were constructed simultaneously with the processing plant and the site infrastructure in 2012 and 2013. Since that time, all originally planned HHs in MU1 and the first five HHs in MU2 have been brought into production. Throughout operations at Lost Creek to date, the production rate has been maintained at lower than design plant flowrate. The nominal plant throughput is modeled at approximately 5,500 to 6,000 gpm for the purposes of development costs for this Report. As the productivity or head grade from the initial HHs decreases below economic limits, replacement patterns from additional HHs will be placed into operation in order to maintain the desired flow rate and head grade at the plant.
The wellfield development costs include both wellfield drilling and wellfield construction activities and were estimated based on current and preliminary future wellfield designs including the number, location, depth, and construction material specifications for wells and HHs and the hydraulic conveyance (piping) system associated with the wellfields. Additionally, trunk and feeder pipelines, electrical service, roads, and wellfield fencing are included in the cost estimates. The wellfield development estimate is based on actual costs from vendors, contractors, labor wages and equipment rates used to drill and construct the constructed portions of MU1 and MU2 and includes a 10 percent contingency. The estimated wellfield development cost for the remainder of the Property is identified in Table 11.
| Ur-Energy – Lost Creek ISR Uranium Property Technical Report Summary – March 4, 2024 | Page 90 |
|
|
|
19.0 ECONOMIC ANALYSIS
Cautionary statement: This Report is preliminary in nature, and includes inferred mineral resources that are considered too speculative geologically to have the economic considerations applied to them that would enable them to be categorized as mineral reserves. Mineral resources that are not mineral reserves do not have demonstrated economic viability. There is increased risk and uncertainty to commencing and conducting production without established mineral reserves that may result in economic and technical failure which may adversely impact future profitability. The estimated mineral recovery used in this Report is based on recovery data from wellfield operations to date, as well as Ur-Energy personnel and industry experience at similar facilities. There can be no assurance that recovery at this level will be achieved.
This Report serves to evaluate the economic impact of continued operations and replaces the most recent economic analysis for the Property. Since the 2022 analyses, additional development and construction in MU2 has occurred with additional mineral resources identified, and two additional header houses brought online as the Project is returned to commercial production operations.
The economic analyses is based upon an 80 percent recovery of the total resources (Measured, Indicated and Inferred) from the twelve RAs. These 12 designated RAs (Figure 12) represent the accumulation of resources within a given horizon in a given area. Economic analyses are performed solely on these designated areas, due to the vertical and lateral continuity of the resources. To date, RAs 1 and 2 have been converted to MU1 and MU2, respectively. Currently, approximately 85 percent of the total Property resources, as presented in Tables 1 and 7, are contained within RAs.
Finally, the economic analyses here are conducted based upon actual capital costs incurred in the 2012-2013 construction of Lost Creek facilities, ten years of operational data and production costs, and an update of inflation and other economic and market conditions.
19.1 Assumptions
The economic assessment presented in this Report is based on approximately 80 percent recovery of the following total resources defined within the 12 RAs:
|
| Measured: | 6.900 million lbs. |
|
|
|
|
|
| Indicated: | 3.878 million lbs. |
|
|
|
|
|
| Inferred: | 3.934 million lbs. |
Note that MU1 and MU2 are in the advanced planning stages and a small portion of the resource is not included within the currently planned, or actual, pattern layouts. The resources not included in the patterns were excluded from the cost analysis and as a result the total quantity of resources in the economic analysis is slightly lower than 80 percent of the resources summarized above. A cash flow statement has been developed based on the CAPEX, OPEX and closure cost estimates and the production schedule. The sale price for the produced uranium is assumed at a variable price per pound for the life of the Property ranging from $55.00 to $87.20 per pound. Where known, uranium price is based on pricing for expected sales under existing and negotiated sales contracts. Pricing assumptions are then supplemented by calculating a simple average of (a) the annual average of the projections of Cantor Fitzgerald Canada Corporation, September 26, 2023; Roth MKM, October 10, 2023; PI Financial Corp. October 6, 2023 and (b) UxC, LLC Q4 2023 (See Chapter 16).
| Ur-Energy – Lost Creek ISR Uranium Property Technical Report Summary – March 4, 2024 | Page 91 |
|
|
|
Uranium recovery from the mineral resource is assumed based on an estimated wellfield recovery factor of 80 percent. The production flow rate, grade and ultimate recovery are based on experience to date at the Property as well as designed plant capacities for flow and production. The sales for the cash flow utilize the production models for each of the mine units and RAs. The future uranium production over the life of the Property is estimated to be 11.7 million pounds.
19.2 Cash Flow Forecast and Production Schedule
This Report contemplates Lost Creek’s start date of August 2, 2013 and incorporates production up to the cutoff time for the economics portion of the Report (December 31, 2023). The NPV assumes cash flows take place in the middle of the periods and is calculated based on a discounted cash flow. The production estimates and OPEX cost distribution (Tables 9 and 10) used to develop the cash flow are based on the production and restoration models developed by URE and incorporated in the cash flow (Tables 11 and 12). The cash flow assumes no escalation, no debt, interest or capital repayment. It should be noted that Lost Creek ISR, LLC is the recipient of the State Bond Loan. Debt interest and repayment of this loan is not included in the economic analysis. It also does not include depreciation. The initial capitalized Project construction was completed prior to start of operations in 2013. Accounting for a sunk cost balance of 46.5 million as of December 31, 2023, the estimated payback of the initial capital investment is estimated during the third quarter of 2026. The NPV for three discount rates has been calculated (pre- and post-income tax) and is presented in Table 13. The estimated IRR is also presented in Table 13.
Approximately 26.7% percent of the resources in the economic analysis are inferred resources. Inferred resources are resources that are considered too speculative geologically to have modifying factors applied to them that would enable them to be categorized as mineral reserves, and there is no certainty that this economic assessment will be realized. To account for the chance that the inferred resources are not upgraded as mining progresses and URE collects additional drilling data, a second economic analysis was prepared which excluded the inferred resources. The estimated recovery excluding the inferred resources was 8.8 million pounds. Without the inferred resources, the Property is estimated to generate net cash flow over its life, before income tax, of $271.7 million and $204.6 million after income tax. Without the inferred resources, the calculated before tax IRR is 80.8% percent and a before tax NPV of $162.2 million applying an eight percent discount rate. When income taxes are included in the calculation without inferred resources, the after-tax IRR is 76.8% percent and the after tax NPV is $125.5 million applying an eight percent discount rate. Without the inferred resources, LoM total costs per pound are estimated at approximately $42.30 per pound of U3O8 produced including royalties and local taxes. Income taxes are estimated to be $7.54 per pound.
| Ur-Energy – Lost Creek ISR Uranium Property Technical Report Summary – March 4, 2024 | Page 92 |
|
|
|
Table 11. Cash Flow Statement ($US 000s)
| Cash Flow Line Items |
| Units |
| Total |
|
| US$ per Pound |
| ||
| Pounds produced |
| Lbs |
|
| 11,663,878 |
|
|
|
| |
| Pounds sold |
| Lbs |
|
| 11,729,946 |
|
|
|
| |
| Sales |
| US$ 000s |
| $ | 891,072 |
|
| $ | 75.97 |
|
| Royalties |
| US$ 000s |
| $ | (637 | ) |
| $ | (0.05 | ) |
| Net sales |
| US$ 000s |
| $ | 890,435 |
|
| $ | 75.92 |
|
| Wyoming severance tax |
| US$ 000s |
| $ | (22,318 | ) |
| $ | (1.90 | ) |
| Sweetwater ad valorem tax |
| US$ 000s |
| $ | (29,997 | ) |
| $ | (2.56 | ) |
| Operating costs (see Table 9) |
| US$ 000s |
| $ | (196,431 | ) |
| $ | (16.73 | ) |
| Wellfield Development |
| US$ 000s |
| $ | (190,558 | ) |
| $ | (16.25 | ) |
| Exploration cost |
| US$ 000s |
| $ | - |
|
| $ | - |
|
| Sweetwater property tax |
| US$ 000s |
| $ | (732 | ) |
| $ | (0.06 | ) |
| Working capital changes |
| US$ 000s |
| $ | - |
|
| $ | - |
|
| Project cash flow |
| US$ 000s |
| $ | 450,399 |
|
| $ | 38.42 |
|
| Initial capital |
| US$ 000s |
| $ | - |
|
| $ | - |
|
| Sustaining capital |
| US$ 000s |
| $ | (25,965 | ) |
| $ | (2.21 | ) |
| Net cash flow before tax |
| US$ 000s |
| $ | 424,434 |
|
| $ | 36.21 |
|
| Federal income tax |
| US$ 000s |
| $ | (84,267 | ) |
| $ | (7.18 | ) |
| State income tax |
| US$ 000s |
| $ | (36,581 | ) |
| $ | (3.12 | ) |
| Net cash flow after tax |
| US$ 000s |
| $ | 303,586 |
|
| $ | 25.91 |
|
|
| 1. | Production is based on an 80% recovery of the total of Measured, Indicated and Inferred resources (per 17 CFR §229.1300, as well as NI 43-101 Section 2.3(3)) in the 12 RAs of the MMT and EMT. |
|
| 2. | Where known, uranium price is based on pricing for expected sales under existing and negotiated sales contracts. Pricing assumptions are then supplemented by calculating a simple average of (a) the annual average of the projections of Cantor Fitzgerald Canada Corporation, September 26, 2023; Roth MKM, October 10, 2023; PI Financial Corp. October 6, 2023 and (b) UxC, LLC Q4 2023. (See Chapter 16). |
|
| 3. | All amounts in US $ 000s. |
|
| 4. | Wellfield Development includes wellfield drilling, wellfield construction costs, and costs for installing one proposed disposal well. |
|
| 5. | Pounds sold exceeds pounds produced due to existing inventories. |
| Ur-Energy – Lost Creek ISR Uranium Property Technical Report Summary – March 4, 2024 | Page 93 |
|
|
|
Table 12. Cash Flow Detail ($US 000s)
| Cash Flow Line Items |
| Units |
| Total |
|
| US$ per Pound |
|
| 2024 |
|
| 2025 |
|
| 2026 |
|
| 2027 |
|
| 2028 |
|
| 2029 |
|
| 2030 |
|
| 2031 |
|
| 2032 |
|
| 2033 |
|
| 2034 |
|
| 2035 |
|
| 2036 |
|
| 2037 |
|
| 2038 |
|
| 2039 |
|
| 2040 |
|
| 2041 |
| ||||||||||||||||||||
|
|
|
|
|
|
|
|
|
|
|
|
|
|
|
|
|
|
|
|
|
|
|
|
|
|
|
|
|
|
|
|
|
|
|
|
|
|
|
|
|
|
|
|
|
|
|
|
|
|
|
|
|
|
|
|
|
|
|
|
|
|
|
| ||||||||||||||||||||
| Pounds produced |
| Lbs |
|
| 11,663,878 |
|
|
|
|
|
| 817,910 |
|
|
| 1,005,273 |
|
|
| 1,008,247 |
|
|
| 1,010,490 |
|
|
| 1,005,215 |
|
|
| 1,011,396 |
|
|
| 1,005,316 |
|
|
| 1,012,615 |
|
|
| 1,002,753 |
|
|
| 1,010,933 |
|
|
| 1,004,785 |
|
|
| 710,315 |
|
|
| 58,629 |
|
|
| - |
|
|
| - |
|
|
| - |
|
|
| - |
|
|
| - |
| |
| Pounds sold |
| Lbs |
|
| 11,729,946 |
|
|
|
|
|
| 570,000 |
|
|
| 700,000 |
|
|
| 1,150,000 |
|
|
| 1,050,000 |
|
|
| 1,100,000 |
|
|
| 1,000,000 |
|
|
| 950,000 |
|
|
| 1,100,000 |
|
|
| 1,000,000 |
|
|
| 1,000,000 |
|
|
| 1,000,000 |
|
|
| 800,000 |
|
|
| 309,946 |
|
|
| - |
|
|
| - |
|
|
| - |
|
|
| - |
|
|
| - |
| |
|
|
|
|
|
|
|
|
|
|
|
|
|
|
|
|
|
|
|
|
|
|
|
|
|
|
|
|
|
|
|
|
|
|
|
|
|
|
|
|
|
|
|
|
|
|
|
|
|
|
|
|
|
|
|
|
|
|
|
|
|
|
|
|
|
|
|
|
|
|
|
|
|
|
|
|
|
|
|
|
|
|
| |
| Sales |
| US$ 000s |
| $ | 891,072 |
|
| $ | 75.97 |
|
| $ | 33,146 |
|
| $ | 41,875 |
|
| $ | 79,813 |
|
| $ | 70,199 |
|
| $ | 76,572 |
|
| $ | 74,203 |
|
| $ | 74,594 |
|
| $ | 91,058 |
|
| $ | 83,530 |
|
| $ | 84,440 |
|
| $ | 85,400 |
|
| $ | 69,216 |
|
| $ | 27,027 |
|
| $ | - |
|
| $ | - |
|
| $ | - |
|
| $ | - |
|
| $ | - |
|
| Royalties |
| US$ 000s |
| ($637) |
|
| $ | (0.05 | ) |
| $ | - |
|
| $ | - |
|
| $ | - |
|
| $ | - |
|
| $ | - |
|
| $ | (457 | ) |
| $ | (178 | ) |
| $ | (2 | ) |
| $ | (1 | ) |
| $ | - |
|
| $ | - |
|
| $ | - |
|
| $ | - |
|
| $ | - |
|
| $ | - |
|
| $ | - |
|
| $ | - |
|
| $ | - |
| |
| Net sales |
| US$ 000s |
| $ | 890,435 |
|
| $ | 75.92 |
|
| $ | 33,146 |
|
| $ | 41,875 |
|
| $ | 79,813 |
|
| $ | 70,199 |
|
| $ | 76,572 |
|
| $ | 73,746 |
|
| $ | 74,416 |
|
| $ | 91,056 |
|
| $ | 83,529 |
|
| $ | 84,440 |
|
| $ | 85,400 |
|
| $ | 69,216 |
|
| $ | 27,027 |
|
| $ | - |
|
| $ | - |
|
| $ | - |
|
| $ | - |
|
| $ | - |
|
|
|
|
|
|
|
|
|
|
|
|
|
|
|
|
|
|
|
|
|
|
|
|
|
|
|
|
|
|
|
|
|
|
|
|
|
|
|
|
|
|
|
|
|
|
|
|
|
|
|
|
|
|
|
|
|
|
|
|
|
|
|
|
|
|
|
|
|
|
|
|
|
|
|
|
|
|
|
|
|
|
|
|
|
| Wyoming severance tax |
| US$ 000s |
| ($22,318) |
|
| $ | (1.90 | ) |
| $ | (1,025 | ) |
| $ | (1,189 | ) |
| $ | (2,063 | ) |
| $ | (1,499 | ) |
| $ | (1,238 | ) |
| $ | (2,802 | ) |
| $ | (1,931 | ) |
| $ | (2,334 | ) |
| $ | (2,140 | ) |
| $ | (2,201 | ) |
| $ | (2,212 | ) |
| $ | (1,557 | ) |
| $ | (125 | ) |
| $ | - |
|
| $ | - |
|
| $ | - |
|
| $ | - |
|
| $ | - |
| |
| Sweetwater ad valorem tax |
| US$ 000s |
| ($29,997) |
|
| $ | (2.56 | ) |
| $ | (1,378 | ) |
| $ | (1,598 | ) |
| $ | (2,773 | ) |
| $ | (2,014 | ) |
| $ | (1,665 | ) |
| $ | (3,767 | ) |
| $ | (2,597 | ) |
| $ | (3,137 | ) |
| $ | (2,877 | ) |
| $ | (2,959 | ) |
| $ | (2,973 | ) |
| $ | (2,092 | ) |
| $ | (169 | ) |
| $ | - |
|
| $ | - |
|
| $ | - |
|
| $ | - |
|
| $ | - |
| |
| Operating costs (see Table 11) |
| US$ 000s |
| ($196,431) |
|
| $ | (16.73 | ) |
| $ | (14,378 | ) |
| $ | (15,757 | ) |
| $ | (15,202 | ) |
| $ | (14,611 | ) |
| $ | (15,057 | ) |
| $ | (15,796 | ) |
| $ | (14,606 | ) |
| $ | (14,771 | ) |
| $ | (15,479 | ) |
| $ | (16,465 | ) |
| $ | (14,556 | ) |
| $ | (10,416 | ) |
| $ | (5,376 | ) |
| $ | (4,763 | ) |
| $ | (3,873 | ) |
| $ | (1,975 | ) |
| $ | (3,547 | ) |
| $ | 197 |
| |
| Wellfield Development |
| US$ 000s |
| ($190,558) |
|
| $ | (16.25 | ) |
| $ | (23,028 | ) |
| $ | (15,893 | ) |
| $ | (21,212 | ) |
| $ | (16,970 | ) |
| $ | (22,197 | ) |
| $ | (14,803 | ) |
| $ | (14,468 | ) |
| $ | (20,156 | ) |
| $ | (17,475 | ) |
| $ | (14,337 | ) |
| $ | (9,903 | ) |
| $ | (114 | ) |
| $ | - |
|
| $ | - |
|
| $ | - |
|
| $ | - |
|
| $ | - |
|
| $ | - |
| |
| Exploration cost |
| US$ 000s |
| $ | 0 |
|
| $ | - |
|
| $ | - |
|
| $ | - |
|
| $ | - |
|
| $ | - |
|
| $ | - |
|
| $ | - |
|
| $ | - |
|
| $ | - |
|
| $ | - |
|
| $ | - |
|
| $ | - |
|
| $ | - |
|
| $ | - |
|
| $ | - |
|
| $ | - |
|
| $ | - |
|
| $ | - |
|
| $ | - |
|
| Sweetwater property tax |
| US$ 000s |
| ($732) |
|
| $ | (0.06 | ) |
| $ | (123 | ) |
| $ | (111 | ) |
| $ | (100 | ) |
| $ | (88 | ) |
| $ | (78 | ) |
| $ | (66 | ) |
| $ | (56 | ) |
| $ | (44 | ) |
| $ | (33 | ) |
| $ | (21 | ) |
| $ | (10 | ) |
| $ | (1 | ) |
| $ | - |
|
| $ | - |
|
| $ | - |
|
| $ | - |
|
| $ | - |
|
| $ | - |
| |
| Working capital changes |
| US$ 000s |
| $ | 0 |
|
| $ | - |
|
| $ | - |
|
| $ | - |
|
| $ | - |
|
| $ | - |
|
| $ | - |
|
| $ | - |
|
| $ | (1 | ) |
| $ | (8,278 | ) |
| $ | (75 | ) |
| $ | (91 | ) |
| $ | (96 | ) |
| $ | (112 | ) |
| $ | 8,652 |
|
| $ | - |
|
| $ | - |
|
| $ | - |
|
| $ | - |
|
| $ | - |
|
| Project cash flow |
| US$ 000s |
| $ | 450,399 |
|
| $ | 38.42 |
|
| $ | (6,786 | ) |
| $ | 7,327 |
|
| $ | 38,463 |
|
| $ | 35,017 |
|
| $ | 36,337 |
|
| $ | 36,512 |
|
| $ | 40,757 |
|
| $ | 42,336 |
|
| $ | 45,450 |
|
| $ | 48,366 |
|
| $ | 55,650 |
|
| $ | 54,924 |
|
| $ | 30,009 |
|
| $ | (4,763 | ) |
| $ | (3,873 | ) |
| $ | (1,975 | ) |
| $ | (3,547 | ) |
| $ | 197 |
|
|
|
|
|
|
|
|
|
|
|
|
|
|
|
|
|
|
|
|
|
|
|
|
|
|
|
|
|
|
|
|
|
|
|
|
|
|
|
|
|
|
|
|
|
|
|
|
|
|
|
|
|
|
|
|
|
|
|
|
|
|
|
|
|
|
|
|
|
|
|
|
|
|
|
|
|
|
|
|
|
|
|
|
|
| Initial capital |
| US$ 000s |
| $ | 0 |
|
| $ | - |
|
| $ | - |
|
| $ | - |
|
| $ | - |
|
| $ | - |
|
| $ | - |
|
| $ | - |
|
| $ | - |
|
| $ | - |
|
| $ | - |
|
| $ | - |
|
| $ | - |
|
| $ | - |
|
| $ | - |
|
| $ | - |
|
| $ | - |
|
| $ | - |
|
| $ | - |
|
| $ | - |
|
| Sustaining capital |
| US$ 000s |
| ($25,965) |
|
| $ | (2.21 | ) |
| $ | (22,151 | ) |
| $ | (364 | ) |
| $ | (188 | ) |
| $ | (2 | ) |
| $ | (129 | ) |
| $ | (415 | ) |
| $ | (888 | ) |
| $ | (394 | ) |
| $ | (329 | ) |
| $ | (85 | ) |
| $ | (509 | ) |
| $ | (310 | ) |
| $ | (18 | ) |
| $ | (2 | ) |
| $ | (30 | ) |
| $ | (112 | ) |
| $ | (36 | ) |
| $ | - |
| |
| Net cash flow before tax |
| US$ 000s |
| $ | 424,434 |
|
| $ | 36.21 |
|
| $ | (28,937 | ) |
| $ | 6,963 |
|
| $ | 38,275 |
|
| $ | 35,015 |
|
| $ | 36,208 |
|
| $ | 36,097 |
|
| $ | 39,869 |
|
| $ | 41,942 |
|
| $ | 45,121 |
|
| $ | 48,281 |
|
| $ | 55,141 |
|
| $ | 54,614 |
|
| $ | 29,991 |
|
| $ | (4,765 | ) |
| $ | (3,903 | ) |
| $ | (2,087 | ) |
| $ | (3,583 | ) |
| $ | 197 |
|
|
|
|
|
|
|
|
|
|
|
|
|
|
|
|
|
|
|
|
|
|
|
|
|
|
|
|
|
|
|
|
|
|
|
|
|
|
|
|
|
|
|
|
|
|
|
|
|
|
|
|
|
|
|
|
|
|
|
|
|
|
|
|
|
|
|
|
|
|
|
|
|
|
|
|
|
|
|
|
|
|
|
|
|
| Federal income tax |
| US$ 000s |
| ($84,267) |
|
| $ | (7.18 | ) |
| $ | - |
|
| $ | - |
|
| $ | - |
|
| $ | - |
|
| $ | - |
|
| $ | (6,383 | ) |
| $ | (9,982 | ) |
| $ | (12,393 | ) |
| $ | (11,445 | ) |
| $ | (12,521 | ) |
| $ | (13,885 | ) |
| $ | (13,445 | ) |
| $ | (4,211 | ) |
| $ | - |
|
| $ | - |
|
| $ | - |
|
| $ | - |
|
| $ | - |
| |
| State income tax |
| US$ 000s |
| ($36,581) |
|
| $ | (3.12 | ) |
| $ | - |
|
| $ | - |
|
| $ | - |
|
| $ | (2,114 | ) |
| $ | (2,746 | ) |
| $ | (3,801 | ) |
| $ | (3,578 | ) |
| $ | (4,443 | ) |
| $ | (4,103 | ) |
| $ | (4,489 | ) |
| $ | (4,978 | ) |
| $ | (4,820 | ) |
| $ | (1,510 | ) |
| $ | - |
|
| $ | - |
|
| $ | - |
|
| $ | - |
|
| $ | - |
| |
| Net cash flow after tax |
| US$ 000s |
| $ | 303,586 |
|
| $ | 25.91 |
|
| $ | (28,937 | ) |
| $ | 6,963 |
|
| $ | 38,275 |
|
| $ | 32,901 |
|
| $ | 33,462 |
|
| $ | 25,913 |
|
| $ | 26,309 |
|
| $ | 25,106 |
|
| $ | 29,573 |
|
| $ | 31,271 |
|
| $ | 36,278 |
|
| $ | 36,349 |
|
| $ | 24,270 |
|
| $ | (4,765 | ) |
| $ | (3,903 | ) |
| $ | (2,087 | ) |
| $ | (3,583 | ) |
| $ | 197 |
|
|
| 1. | Production is based on an approximate 80% recovery of the total of Measured, Indicated and Inferred resources (per 17 CFR §229.1300, as well as NI 43-101 Section 2.3(3)) in the 12 RAs of the MMT and EMT. |
|
| 2. | Where known, uranium price is based on pricing for expected sales under existing and negotiated sales contracts. Pricing assumptions are then supplemented by calculating a simple average of (a) the annual average of the projections of Cantor Fitzgerald Canada Corporation, September 26, 2023; Roth MKM, October 10, 2023; PI Financial Corp. October 6, 2023 and (b) UxC, LLC Q4 2023 (See Chapter 16). |
|
| 3. | All amounts in US $ 000s. |
|
| 4. | Wellfield Development includes wellfield drilling, wellfield construction costs, and costs for installing one proposed disposal well. |
|
| 5. | Working capital changes are primarily related to annual cash flow timing differences in accounts receivable and accounts payable and totals to zero. |
|
| 6. | Pounds sold exceeds pounds produced due to existing inventories. |
| Ur-Energy – Lost Creek ISR Uranium Property Technical Report Summary – March 4, 2024 | Page 94 |
|
|
|
Table 13. Net Present Value Discount Rate Sensitivity and IRR
| NPV Discount Rates and IRR |
| Units |
| Pre-income Tax |
|
| Post-income Tax |
| ||
| NPV @ 5% |
| US$ 000s |
| $ | 283,211 |
|
| $ | 205,990 |
|
| NPV @ 8% |
| US$ 000s |
| $ | 225,526 |
|
| $ | 165,573 |
|
| NPV @ 10% |
| US$ 000s |
| $ | 194,850 |
|
| $ | 143,899 |
|
| IRR (adjusted for Undepreciated Initial Capital) 1 |
| % |
|
| 81.8 | % |
|
| 77.1 | % |
|
| 1. | As of December 31, 2023, Lost Creek had $26 million of undepreciated, initial capital assets that will be charged against operations over time. By including the undepreciated, initial capital assets, an IRR can be calculated. Without these costs, an IRR cannot be calculated. |
|
| 2. | The NPV and IRR calculations are based on Year 2024 to Year 2041 and excludes any sunk costs which occurred prior to 2024. |
19.3 Taxation
The economic analyses presented herein provide the results of the analyses for pre-income tax and post-income tax, which includes U.S. federal and Illinois state income taxes. There is no State of Wyoming income tax and all sales are assumed to take place in Illinois where the conversion facility is located. The only difference between the two scenarios is the value of the estimated income taxes. All other sales, property, use, severance and conservations taxes as well as royalties are included in both scenarios. The current Wyoming severance tax rate for uranium is 4 percent, but after the well head deduction it is approximately 2.0 percent of gross sales. The current ad valorem tax rate for uranium is about 6.8 percent but after the well head deduction is approximately 3.5 percent of gross sales. In aggregate and based on the taxable portion of the product, the total tax averages approximately 5.5 percent of gross sales. At the federal level, profit from mining ventures is taxable at corporate income tax rates. For mineral properties, depletion tax credits are available on a cost or percentage basis, whichever is greater.
The Property economic analysis includes tax estimates for state severance taxes, county ad valorem taxes and property taxes, all of which are directly attributable to the Property. Ur-Energy USA Inc. files consolidated federal tax returns in the U.S. and had approximately $110.7 million in tax loss carry forwards as of December 31, 2023. URE does not anticipate paying any significant federal income taxes until the existing, and any future, tax loss carry forwards are utilized. In addition, reclamation costs can be deducted in the early years of the Property, thus also pushing out the tax liability.
19.4 Sensitivity Analysis
The Property is sensitive to changes in the price of uranium as shown in Figures 16 and 17. A five percent change in the spot commodity price results in a $11.9 million change to the pre-tax NPV and $7.6 Million to the post tax NPV at a discount rate of eight percent. This analysis is based on a variable commodity price per pound. The Property is also slightly sensitive to changes in OPEX costs. A five percent variation in OPEX results in a $5.9 million variation in pre-tax NPV and $3.9 million to the post-tax NPV. A five percent variation in CAPEX results in a $2.0 million variation the pre-tax NPV and $1.8 million to the post-tax NPV. This analysis is based on an eight percent discount rate and a variable commodity price per pound.
| Ur-Energy – Lost Creek ISR Uranium Property Technical Report Summary – March 4, 2024 | Page 95 |
|
|
|
Figure 16. Pre-tax NPV Sensitivity to Price, OPEX and CAPEX

Figure 17. Post-Tax NPV Sensitivity to Price, OPEX and CAPEX

| Ur-Energy – Lost Creek ISR Uranium Property Technical Report Summary – March 4, 2024 | Page 96 |
|
|
|
20.0 ADJACENT PROPERTIES
Adjacent Properties refers to non-URE uranium properties of interest in close proximity to the Property and should not be confused with the term Adjoining Projects referring to projects which are a part of the Property. There have been several historical conventional uranium mills and mines and one historical ISR project (Bison Basin Project) in the Great Divide Basin (Figure 2). Most significant of these is the Sweetwater Mine and Mill, now owned by Rio Tinto Americas, Inc. (Figure 2). The facility lies about three and one-half miles south of the southwestern-most boundary of the Lost Creek Project and consists of a conventional uranium mill and reclaimed open-pit mine, both of which are currently non-operational. The deposit was discovered in the 1970s by Minerals Exploration Company. Original estimates of resources were as much as 15 million pounds at an average grade of 0.046 percent eU3O8 (Sherborne, et al., 1981). This is an historical estimate derived before Committee for Mineral Reserves International Reporting Standards were developed, including under NI 43-101, and reliability of the estimate has not been independently verified. Production ceased in approximately 1982 after yielding 1.29 million pounds of U3O8.
Uranium Energy Corporation’s Jab/West Jab Project is located north of the Lost Creek Property and has a publicly disclosed resource estimate of 2.727 million pounds of Measured and Indicated resource and 1.677 million pounds of Inferred resources (UEC, 2024). GTI Energy Ltd.’s Great Divide Basin projects are located within 15 miles of the Lost Creek Property and have a publicly disclosed resource estimate of 1.66 million pounds of Inferred resources (GTI, 2024).
21.0 OTHER RELEVANT DATA AND INFORMATION
There is no other relevant data or information to include.
| Ur-Energy – Lost Creek ISR Uranium Property Technical Report Summary – March 4, 2024 | Page 97 |
|
|
|
22.0 INTERPRETATION AND CONCLUSIONS
This Report for the Property has been prepared for URE and its subsidiary, LC, by WWC, in accordance with the guidelines set forth in S-K 1300. Its objective is to disclose current mineral resources for the Property, and to evaluate the possible economic viability of the Property.
The Lost Creek Project returned to commercial production operations in 2023. Construction of the Lost Creek plant and installation of MU1 was initiated in October 2012. Production operations in MU1 within the HJ Horizon began on August 2, 2013 and in MU 2 on August 29, 2017. From the beginning of operations through December 31, 2023, 2.838 million pounds U3O8 have been produced and captured. All the wells to support 13 HHs of MU1 and the first five HHs of MU2 have been completed.
Additionally, amendments to the license and permits have been obtained or are expected to be obtained in 2024 for authorization to commence production operations at the LC East Project and recover uranium from that Project and additional HJ horizon mine units at the Lost Creek Project.
22.1 Conclusions
The QP has weighed the potential benefits and risks presented in this Report and have found the Property to be potentially viable and meriting further operations, production, evaluation, and exploration.
22.2 Risk Assessment
22.2.1 Resource and Recovery
The QP finds the Project is potentially viable based on the assumptions contained herein. Bench-scale tests have been performed on various core samples from the Property and production in MU1 began in August 2013 and continues to date in MU1 and MU2. The most significant potential risks to meeting the production results presented in this Report will be associated with the success of the wellfield operation, recovery of uranium from the targeted host sands, and disposal of wastewater.
The estimated quantity of recovered uranium used in this Report is based primarily on the recovery data from wellfield operations to date. The recovery factor of 80 percent, used here, is also relatively typical of industry experience for wellfield recovery. As stated earlier, recoveries in some of the production units have exceeded resource estimates. The QP can provide no assurance that recovery of the resources seen in early production will be demonstrated in future mine units. This Report is based on the assumptions and information presented herein.
Another potential concern is reduced hydraulic conductivity in the formation due to chemical precipitation, fines migration, or lower hydraulic conductivities than estimated. Early production data supports lower-than-anticipated injection rates that are offset by higher-than-expected production grades. The risks associated with these potential issues have been minimized to the extent possible by well development and installation techniques, site hydraulic studies, and permitting of future wastewater capacity.
| Ur-Energy – Lost Creek ISR Uranium Property Technical Report Summary – March 4, 2024 | Page 98 |
|
|
|
Production rates may also be limited by wastewater disposal capacity. URE has worked to mitigate this concern: the DDWs installed to date are operated intermittently to support production operations, and an additional DDW is expected to become operational in 2024. Additional DDWs have been permitted and may be installed if needed to support future operations. Also, to alleviate disposal capacity risks URE has been treating bleed water with reverse osmosis and subjected the resultant permeate to a radium removal process prior to re-injection in UIC Class V wells. This disposal method, initiated in 2017, has been successful thus far and has increased URE’s disposal capacity. Finally, URE is completing final detailed engineering and design plans to construct a wastewater treatment facility at Lost Creek. These plans and related procurement of all components are expected to be complete in 2024. This planned facility will also mitigate the risk posed by limited wastewater disposal capacity.
The resources contained within the HJ horizon in the northern extremes of the LC East Project are shallow and portions of the aquifer is unconfined. The limited hydraulic head over the resources may make ISR extraction of HJ mineralization difficult in this area. As shown on Figure 9, only a very small portion of the HJ resources is located in the northern portion of LC East. The reduced head above the resource only affects a very small percentage of the LC East resources and is not expected to significantly impact total recoveries. Furthermore, there is currently no planned HJ RA in this portion of LC East and potential mining activity here will be focused in the KM Horizon, which remains under suitably confined groundwater conditions.
22.2.2 Markets and Contracts
The marketability of uranium and acceptance of uranium mining are subject to numerous factors beyond the control of URE. The price of uranium may experience volatile and significant price movements over short periods of time. Factors beyond the control of URE affect the market, including demand for nuclear power; changes in public acceptance of nuclear power generation; political and economic conditions in uranium mining, producing and consuming countries; costs and availability of financing of nuclear plants; changes in governmental regulations; global or regional consumption patterns; speculative activities and increased production due to new extraction developments and improved production methods; the future viability and acceptance of small modular reactors or micro-reactors and the related fuel requirements for this new technology; reprocessing of spent fuel and the re-enrichment of depleted uranium tails or waste; and global economics, including currency exchange rates, interest rates and expectations of inflation. Any future accidents, or threats of or incidents of war, civil unrest or terrorism, at nuclear facilities may also impact the conditions of uranium mining and the use and acceptance of nuclear energy.
Unlike other commodities, most uranium does not trade on an open market. Contracts are negotiated privately by buyers and sellers. Changes in the price of uranium can have a significant impact on the economic performance of the Property as shown in Figures 16 and 17. This economic analysis assumes U3O8 production is sold at a variable price per pound for the life of the Property ranging from $55.00 to $87.20 per pound. Where known, uranium price is based on pricing for expected sales under existing and negotiated sales contracts. Pricing assumptions are then supplemented by calculating a simple average of (a) the annual average of the projections of Cantor Fitzgerald Canada Corporation, September 26, 2023; Roth MKM, October 10, 2023; PI Financial Corp. October 6, 2023 and (b) UxC, LLC Q4 2023 as described in Chapter 16.0. The QP believes these estimates were appropriate for use in the evaluation. Review of continued strengthening in the spot and term markets toward year-end 2023 and in January 2024 reinforces that the price projections of the market experts are reasonable.
| Ur-Energy – Lost Creek ISR Uranium Property Technical Report Summary – March 4, 2024 | Page 99 |
|
|
|
22.2.3 Operations
Some operational risks such as reagents, power, labor and/or material cost fluctuations exist in the Property operation and could impact the OPEX and Property economic performance. These potential risks are generally considered to be addressable either through wellfield modifications or plant optimization. The plant has been constructed as a batch precipitation and drying operation, which allows for process variations and enhanced control.
The IX and elution processes have been, and are being used not only at Lost Creek, but at other ISR facilities in Wyoming, Texas, and Nebraska. The process does not use any unusual methods and the reagents for the process are readily available from regional sources. Process optimization to minimize the use of reagents, minimize loss of product and ensure proper product quality is ongoing.
Health and safety programs have been implemented to control the risk of on- and off-site exposures to radionuclides, operational incidents and/or process chemicals. Standard industry practices exist for this type of operation so novel approaches to risk control and management are not required.
As demonstrated during the winter of 2022 - 2023, extreme winter weather can pose a risk. To mitigate the risk of extreme weather, URE has hardened the site by adding additional propane storage and emergency shelter facilities for employees. These changes increase the climate resilience of the Property and ensure that operations continue in nearly all weather conditions.
| Ur-Energy – Lost Creek ISR Uranium Property Technical Report Summary – March 4, 2024 | Page 100 |
|
|
|
23.0 RECOMMENDATIONS
The QP finds the Property is potentially viable on the assumptions contained herein. There is no certainty that the mineral recovery or the economics presented here will be realized. The following recommendations are limited due to the fact that this Report describes the Property which, at this time, is primarily focused on production and development activities, including the final aspects of permitting for the LC East Project. Additional operational refinements are ongoing as part of routine operation activities. Wellfield development, exploration and permitting activities, below, are not conditional on one another and should continue concurrently.
23.1 Continued Wellfield Development and Exploration
To realize the full potential benefits described in this Report, all aspects of operations and further wellfield development should be continued as market conditions warrant. Wellfields must be developed in advance of future production including further development of MU2 and MU1 as well as future wellfields in other RAs. Data obtained from wellfield development should be used to continue to reconcile and improve the Property mineral resource estimate. Wellfield development costs are based upon operations to date and are included in the OPEX and CAPEX estimates and financial projections presented herein.
There are areas across the Property that are under drilled or undrilled that may hold significant exploration potential. URE should take the opportunity to expand the mineral resource into other project areas and in the variety of horizons, including deeper horizons. It is recommended that URE conduct exploration drilling programs to test these targets for resource expansion potential.
Continue exploration development drilling and related regulatory actions necessary to add additional resource areas and resource horizons at Lost Creek and LC East and to advance Adjoining Projects as necessary to prepare for development of future wellfields to recover uranium at the Property.
URE should complete its pre-construction design, engineering work, and installation of wastewater management processes with the goal of concentrating and minimizing RO brine production and maximizing permeate output.
URE has a history of innovative R&D projects that lower costs, improve operations, and minimize impacts of ISR operations. URE should continue evaluating opportunities to decrease costs and increase efficiencies, including related to its new well installation technology.
23.2 Continued Permitting
URE should complete the permit amendment process for the remaining required permit and approvals for additional HJ production at Lost Creek and production from the HJ and KM horizons at LC East. URE should continue permitting efforts to obtain approvals to include the KM Horizon at Lost Creek and should consider initiating the permitting process for the FG Horizon at the Property.
| Ur-Energy – Lost Creek ISR Uranium Property Technical Report Summary – March 4, 2024 | Page 101 |
|
|
|
24.0 REFERENCES
Bailey R.G., 1995, Descriptions of the Ecoregions of the United States. USDA Forest Service Miscellaneous Publication 1391: 108.
Bureau of Land Management (BLM), 2003, Supplement to Memorandum of Understanding No. WY 19 between the United States Department of the Interior Bureau of Land Management and the Wyoming Department of Environmental Quality Land Quality Division for Management of Surface Mining and Exploration for Locatable Minerals on Public Lands, November 10, 2003. Electronic copy only, available on request from BLM.
Bureau of Land Management (BLM), 2018, Lost Creek Uranium In-Situ Recovery Project Modifications, Draft Environmental Impact Statement, Rawlins Bureau of Land Management Field Office, August 2018.
Boberg W.W., 2010, The Nature and Development of the Wyoming Uranium Province. SEG Special Publication 15, pp. 653-674.
Cantor Fitzgerald Canada Corporation (2023) Email communication regarding uranium price forecasts, September 26, 2023.
Collentine M., Libra R., Feathers K., Hamden L., 1981, Occurrence and characteristics of ground water in the Great Divide and Washakie Basins, Wyoming. Wyoming Water Research Institute. Technical Report Vol. VI-A.
Curtis J.C. and Grimes K., 2004, Wyoming Climate Atlas. Wyoming State Climate Office. No. 1.2.1 http://www.wrds.uwyo.edu/sco/climateatlas/title_page.html [website]. Last accessed February 2024.
Fisk E.P., 1967, Groundwater geology and hydrology of the Great Divide and Washakie Basins, south-central Wyoming [master’s thesis]. [Los Angeles (CA)]: University of Southern California.
GTI Energy, 2024, Projects, Great Divide Basin, Wyoming. https://www.gtienergy.au/projects/great-divide-basin/ [website]. Last accessed February 2024.
Hazen, 2007, Characterization of Uranium Occurrence in Sandstone Samples [Ur-Energy], Hazen Project 10619. August 24, 2007.
Honea R., 1979a, TT-147 Petrographic Report. Report ID: URLC4.
| Ur-Energy – Lost Creek ISR Uranium Property Technical Report Summary – March 4, 2024 | Page 102 |
|
|
|
Honea R., 1979b, Lost Creek – Honea Petrographic Description TT-152. Report ID: NF LC-1121. Hydro-Engineering, LLC, 2007, Lost Creek aquifer test analyses. Prepared for Ur-Energy USA Inc. March 2007.
Hydro-Search, Inc. 1982, 1982 Hydrogeology program for the Conoco/Lost Creek uranium project. Golden (CO). Prepared for Texasgulf, Inc.
Lyntek, Inc., 2008, Amended NI-43-101 Preliminary Assessment for the Lost Creek Project Sweetwater County, Wyoming. John I Kyle P.E., Douglas K. Maxwell P.E., April 2nd, 2008, as amended February 25, 2011 (As amended, with C. Stewart Wallis, P.Geo., co-author).
Maxim Technologies, Inc. / Tetra Tech Inc. 2005a, Geotechnical Test Summary. Prepared for Ur- Energy by Energy Laboratories, Inc. Project Number 6550913. Report Number 8468. October 24, 2005.
Maxim Technologies, Inc. / Tetra Tech Inc. 2005b, Geotechnical Test Summary. Prepared for Ur- Energy Inc. by Energy Laboratories, Inc. Project Number 6550913. Report Number 8519. December 8, 2005.
Maxim Technologies, Inc. / Tetra Tech Inc. 2006, Geotechnical Test Summary. Prepared for Ur- Energy Inc. by Energy Laboratories, Inc. Project Number 6550913. Report Number 8547. January 5, 2006.
Office of the Governor, 2015, State of Wyoming Executive Department Executive Order 2015-4, Greater Sage-Grouse Core Area Protection, July 29, 2015, Available on the Internet as of January 2017: http://governor.wyo.gov/documents/executive-orders.
Petrotek Engineering Corporation, 2007, “Lost Creek Regional Hydrologic Testing Report – Lost Creek Project Sweetwater County, Wyoming.” Report by Petrotek Engineering Corporation, October 2007.
Petrotek Engineering Corporation, 2009, Lost Creek Regional Hydrologic Testing Report – Mine Unit 1, North and South Tests; prepared for Lost Creek ISR, LLC, October 2009.
Petrotek Engineering Corporation, 2013, Lost Creek Hydrologic Test, Composite KLM Horizon 5- Spot Testing, October 2012; prepared for Lost Creek ISR, LLC, April 2013.
PI Financial Corp., 2023, Mining sector update, October 6, 2023.
Roscoe Postle Associates (RPA), 2005, Technical Report on the Great Divide Basin Uranium Properties, Wyoming, Prepared for Ur-Energy Inc.; Stewart Wallis, June 15, 2005, Revised October 15, 2005.
Roscoe Postle Associates (RPA), 2006, Technical Report on the Lost Creek Project, Wyoming, NI 43-101 Prepared for Ur-Energy Inc.; Stewart Wallis, June 15, 2006.
Roth MKM, 2023, URG: Uranium Forecast Update; Increasing PT, October 10, 2023.
Rubin, B., 1970, Uranium Roll-Front Zonation in the Southern Powder River Basin, Wyoming: Wyoming Geological Society Earth Science Bull., Vol. 3, No. 4.
Sherborne, J.E., Jr.; Pavlak, S.J.; Peterson, C.H.; and Buckovic, W.A. 1981, Uranium Deposits of the Sweetwater Mine Area, Great Divide Basin, Wyoming: Third Annual Uranium Seminar, AIME, pp.27-37].
TREC, Inc., March 16, 2011, Preliminary Economic Assessment, Lost Creek Property, Sweetwater County, Wyoming.
TREC, Inc., December 31, 2013, Preliminary Economic Assessment, Lost Creek Property, Sweetwater County, Wyoming.
| Ur-Energy – Lost Creek ISR Uranium Property Technical Report Summary – March 4, 2024 | Page 103 |
|
|
|
TREC, Inc., June 17, 2015, Technical Report, Lost Creek Property, Sweetwater County, Wyoming
TREC, Inc., February 8, 2016 Amended Preliminary Economic Assessment of the Lost Creek Property Sweetwater County, Wyoming.
Ur-Energy Inc., 2007a, Lost Creek ISR, LLC, Lost Creek ISR Project, Wyoming DEQ Permit to Mine.
Mine Application, December, 2007.Ur-Energy Inc., 2007b, Lost Creek ISR, LLC, Application for US NRC Source and Byproduct Material License (Docket No. 40-9068), Technical Report, October, 2007.
Uranium Energy Corporation, 2024, Projects, Wyoming, Resource Disclosure. https://www.uraniumenergy.com/projects/wyoming/ [Website]. Last accessed February 2024.
Ur-Energy Inc., 2012a, Preliminary Economic Assessment of the Lost Creek Property, Sweetwater County, Wyoming, February 29, 2012.
Ur-Energy Inc., 2012b Preliminary Economic Assessment of the Lost Creek Property, Sweetwater County, Wyoming, April 30, 2012.
Ur-Energy Inc., 2014a, Lost Creek ISR, LLC, Permit amendment for LC East Project, Wyoming DEQ Permit to Mine Application, September 2014.
Ur-Energy Inc., 2014b, Lost Creek ISR, LLC, Permit amendment for the KM Horizon at the Lost Creek ISR Project, Wyoming DEQ Permit to Mine Application, September 2014.
Ur-Energy Inc., 2017, KM and LC East Amendment Source Material License Application NRC License SUA-1598, Docket 040-09068, BLM WYW-166318, February 27, 2017.
U.S. Census Bureau 2024 Report (updated through 2022) on Carbon County, WY https://www.census.gov/quickfacts/fact/table/carboncountywyoming/PST045222 [website]. Last accessed February 2024.
U.S. Census Bureau 2024 (updated through 2022) Report on Sweetwater County, WY https://www.census.gov/quickfacts/fact/table/sweetwatercountywyoming/ PST045222 [website]. Last accessed February 2024.
U.S. Fish and Wildlife Service (USFWS), 2015, IPaC Trust Resource Report – Sweetwater County. Electronic Copy Only. Available on request from BLM.
U.S. Fish and Wildlife Service (USFWS), 2017, List of Threatened and Endangered Species for the Lost Creek ISR Project Area, Letter dated September 25, 2017. Electronic copy only, available on request from BLM.
UxC, LLC Uranium Market Outlook Q4 2023. December 2023.
Weatherford, 2010, Summary of Routine Core Analysis Results. Prepared for Ur-Energy USA Inc. by Energy Laboratories, Inc. Report Number C10010037. March 1, 2010.
Welder, G.E. and McGreevey L.J., 1966, Groundwater Reconnaissance of the Great Divide and Washakie Basins and Some Adjacent Areas, Southwestern Wyoming: U.S. Geol. Survey Hydro. Investigations Atlas HA-219, 10 pages, 3 Sheets.
Wyoming Game and Fish Department (WGFD), 2018, Letter to John Cash (Lost Creek ISR, LLC) from Angi Bruce (WGFD), August 20, 2018. WER 2792.08b State of Wyoming’s Sage Grouse Executive Order 2015-4 Density Disturbance Calculation Tool. Electronic copy only, available on request from BLM.
WWC Engineering (WWC), 2022. Amended S-K 1300 Technical Report Summary Lost Creek ISR Uranium Property, Sweetwater County, Wyoming, USA. September 19, 2022.
25.0 RELIANCE ON INFORMATION PROVIDED BY THE REGISTRANT
For this Report, the QP has relied on information provided by URE regarding property ownership, title and mineral rights in light of reviews by mineral title specialists retained from time to time by URE, regulatory and environmental information, capital expenditures, operating expenditures and estimated commodity sales prices. Additionally, this Report was prepared by the QP with reliance on reports and information from others as cited throughout this Report and as referenced in Chapter 16 (Market Studies) and Chapter 24 (References).
| Ur-Energy – Lost Creek ISR Uranium Property Technical Report Summary – March 4, 2024 | Page 104 |
|
|
|
26.0 DATE AND SIGNATURE PAGES
CERTIFICATE OF AUTHOR
Western Water Consultants, Inc., d/b/a WWC Engineering (WWC), of 1849 Terra Avenue, Sheridan, Wyoming, USA do hereby certify that:
|
| · | WWC is an independent, third-party engineering firm comprised of mining experts, such as professional geologists, professional mining engineers and certified environmental scientists. |
|
|
|
|
|
| · | WWC has read the definition of “qualified person” set out in S-K 1300 and certify that by reason of education, professional registration, and relevant work experience, WWC professionals fulfill the requirements to be a “qualified person” for the purposes of S-K 1300. |
Western Water Consultants, Inc., d/b/a WWC Engineering
(“Signed and Sealed”) Western Water Consultants, Inc.
March 4, 2024
| Ur-Energy – Lost Creek ISR Uranium Property Technical Report Summary – March 4, 2024 | Page 105 |
EXHIBIT 96.2

|
|
|
|
This Report titled “SHIRLEY BASIN ISR URANIUM PROJECT, CARBON COUNTY, WYOMING, USA,” dated March 4, 2024, has been prepared under the supervision of, and signed by, the following Qualified Persons:
Prepared under the Supervision of:
WWC Engineering
1849 Terra Avenue
Sheridan, WY 82801
USA
Report Prepared for:

10758 W. Centennial Road
Suite 200
Littleton, CO 80127
Cover Photo by Rob Koelling (2009)
|
|
|
|
TABLE OF CONTENTS
| 1.0 | Executive Summary | 1 |
| 2.0 | Introduction | 7 |
| 2.1 | Registrant | 7 |
| 2.2 | Terms of Reference | 7 |
| 2.3 | Information Sources and References | 7 |
| 2.4 | Inspection of the Property by Each Qualified Person | 7 |
| 2.4.1 | QP Qualifications | 7 |
| 2.5 | Previous Technical Report Summaries | 7 |
| 3.0 | Property Description and Location | 8 |
| 3.1 | Location and Size | 8 |
| 3.2 | Mineral Tenure | 8 |
| 3.3 | Title to Property | 9 |
| 3.4 | Royalties, Taxes and Fees | 11 |
| 3.5 | Significant Encumbrances or Risks to Perform Work on the Property | 11 |
| 3.5.1 | Environmental Liabilities | 11 |
| 3.5.2 | Existing and Required Permits | 11 |
| 3.5.3 | Significant Factors and Risks That May Affect Access, Title or Right to Perform Work | 13 |
| 4.0 | Accessibility, Climate, Local Resources, Infrastructure and Physiography | 14 |
| 4.1 | Physiography | 14 |
| 4.2 | Means of Access | 14 |
| 4.3 | Proximity to Population Centers | 14 |
| 4.4 | Climate and Operating Season | 15 |
| 4.5 | Property Infrastructure | 15 |
| 5.0 | History | 16 |
| 5.1 | Prior Ownership and Ownership Changes | 16 |
| 5.2 | Exploration and Development by Previous Owners and Operators | 16 |
| 5.3 | Significant Historical Mineral Resource and Mineral Reserve Estimates | 17 |
| 5.4 | Production | 18 |
| 6.0 | Geological Setting, Mineralization, and Deposit | 20 |
| 6.1 | Regional Geological Setting | 20 |
| 6.2 | Shirley Basin Stratigraphy | 20 |
| 6.3 | Project Geology | 22 |
| 6.4 | Significant Mineralization | 28 |
| 6.5 | Deposit | 30 |
| Ur-Energy – Shirley Basin ISR Uranium Project |
|
|
| Technical Report Summary – March 4, 2024 |
| Page i |
|
|
|
|
TABLE OF CONTENTS (Continued)
| 7.0 | Exploration | 34 |
| 7.1 | Drilling | 34 |
| 7.1.1 | Historic Drilling | 34 |
| 7.1.2 | Ur-Energy Confirmation Drillin | 34 |
| 7.1.3 | Geological Logging | 36 |
| 7.1.4 | Drill Holes Used in Mineral Resource Estimation | 36 |
| 7.1.5 | Material Results and Interpretation | 37 |
| 7.1.6 | QP Statements Concerning Drilling Results | 37 |
| 7.2 | Hydrogeology | 37 |
| 7.2.1 | Hydrogeology | 37 |
| 7.2.2 | Main Sand Hydraulic Properties | 38 |
| 7.2.3 | Historical Drill Holes | 39 |
| 7.2.4 | QP Comment on Results | 39 |
| 7.3 | Geotechnical Data, Testing, and Analysis | 39 |
| 8.0 | Sample Preparation, Analysis and Security | 40 |
| 8.1 | Down-hole Geophysical Logging | 40 |
| 8.2 | Coring | 41 |
| 8.3 | Drill Cuttings | 42 |
| 8.4 | Analyses and Security | 42 |
| 8.5 | Quality Control Summary | 43 |
| 8.6 | Opinion on Adequacy | 43 |
| 9.0 | Data Verification | 44 |
| 10.0 | Mineral Processing and Metallurgical Testing | 44 |
| 11.0 | Mineral Resource Estimate | 49 |
| 11.1 | Assumptions | 49 |
| 11.2 | Reasonable Prospects of Economic Extraction | 49 |
| 11.3 | Cutoff Selection | 49 |
| 11.4 | Resource Classification | 50 |
| 11.5 | Methodology | 51 |
| 11.6 | Resource Estimation Auditing | 53 |
| 11.7 | Summary of Resources | 53 |
| 11.8 | Mineral Resource Estimate Risk | 55 |
| 12.0 | Mineral Reserve Estimates | 58 |
| 13.0 | Mining Methods | 59 |
| 13.1 | Mineral Deposit Amenability | 59 |
| Ur-Energy – Shirley Basin ISR Uranium Project |
|
|
| Technical Report Summary – March 4, 2024 |
| Page ii |
|
|
|
|
TABLE OF CONTENTS (Continued)
| 13.2 | Wellfield Design | 59 |
| 13.2.1 | Revised Resources | 60 |
| 13.2.2 | Wellfield Patterns | 60 |
| 13.2.3 | Monitor Wells | 63 |
| 13.2.4 | Mining Schedule | 63 |
| 13.3 | Piping | 64 |
| 13.4 | Header Houses | 64 |
| 13.5 | Wellfield Reagents and Electricity | 64 |
| 13.6 | Mining Fleet Equipment and Machinery | 65 |
| 13.7 | Mining Fleet Personnel | 65 |
| 14.0 | Processing and Recovery Methods | 66 |
| 14.1 | Satellite Operations | 66 |
| 14.2 | Transportation | 66 |
| 14.3 | Energy, Water, Process Materials, and Personnel | 67 |
| 14.4 | Liquid Disposal | 69 |
| 14.5 | Solid Waste Disposal | 69 |
| 15.0 | Infrastructure | 70 |
| 15.1 | Roads | 70 |
| 15.2 | Electricity | 70 |
| 15.3 | Holding Ponds | 70 |
| 15.4 | Water | 70 |
| 16.0 | Market Studies | 71 |
| 17.0 | Environmental Studies, Permitting, and Plans, Negotiations, or Agreements with Local Individuals or Groups | 72 |
| 17.1 | Environmental Studies | 72 |
| 17.2 | Waste Disposal and Monitoring | 72 |
| 17.2.1 | Waste Disposal | 72 |
| 17.2.2 | Site Monitoring | 72 |
| 17.3 | Permitting | 73 |
| 17.4 | Social or Community Impact | 73 |
| 17.5 | Mine Closure Cost | 73 |
| 17.5.1 | Well Abandonment / Groundwater Restoration | 73 |
| 17.5.2 | Demolition and Removal of Infrastructure | 74 |
| 17.5.3 | Site Grading and Revegetation | 74 |
| 17.6 | Adequacy of Current Plans | 74 |
| Ur-Energy – Shirley Basin ISR Uranium Project |
|
|
| Technical Report Summary – March 4, 2024 |
| Page iii |
|
|
|
|
TABLE OF CONTENTS (Continued)
| 18.0 | Capital and Operating Costs | 75 |
| 18.1 | Capital Cost Estimation (CAPEX) | 75 |
| 18.2 | Operating Cost Estimation (OPEX) | 76 |
| 18.2.1 | Wellfield Development Costs | 76 |
| 18.3 | Accuracy of the CAPEX and OPEX Estimates | 76 |
| 18.4 | Risk | 77 |
| 19.0 | Economic Analysis | 79 |
| 19.1 | Assumptions | 79 |
| 19.2 | Cash Flow Forecast and Production Schedule | 79 |
| 19.3 | Taxation | 80 |
| 20.0 | Adjacent Properties | 81 |
| 21.0 | Other Relevant Data and Information | 82 |
| 22.0 | Interpretation and Conclusions | 83 |
| 22.1 | Conclusions | 83 |
| 22.2 | Sensitivity Analysis | 83 |
| 22.3 | Risk Assessment | 84 |
| 22.3.1 | Resource and Recovery | 84 |
| 22.3.2 | Markets and Contracts | 85 |
| 22.3.3 | Operations | 86 |
| 22.3.4 | Social and/or Political | 86 |
| 23.0 | Recommendations | 87 |
| 24.0 | References | 88 |
| 25.0 | Reliance On Information Provided by the Registrant | 89 |
| 26.0 | Date and Signature Page | 90 |
| Ur-Energy – Shirley Basin ISR Uranium Project |
|
|
| Technical Report Summary – March 4, 2024 |
| Page iv |
|
|
|
|
TABLE OF CONTENTS (Continued)
|
| LIST OF TABLES
|
|
|
|
|
|
| Table 1. | Shirley Basin Uranium Project Resource Summary | 3 |
| Table 2. | Shirley Basin Project Mineral Title Position | 9 |
| Table 3. | 2010 Historical PMC Shirley Basin Project Resource Summary | 18 |
| Table 4. | Shirley Basin Historical Uranium Production (1960-1992) | 18 |
| Table 5. | Summary of Select Analytical Results from Shirley Basin Core | 27 |
| Table 6. | Semi-quantitative Mineral Abundance Analysis | 28 |
| Table 7. | Summary of URE Confirmation Drilling Results | 35 |
| Table 8. | Summary of Mineralized Intercepts – URE Confirmation Drilling | 35 |
| Table 9. | Leach Test Results, 1980 – Area 5 | 45 |
| Table 10. | Core Composite Sample Geochemistry | 46 |
| Table 11. | Natural Groundwater – Chemistry | 46 |
| Table 12. | Bottle Roll Leach Test Results – 2014 | 47 |
| Table 13. | Shirley Basin Project – Resource Summary by Mineral Horizon | 54 |
| Table 14. | Development Summary by Mine Unit | 63 |
| Table 15. | Summary of CAPEX Cost Estimation | 75 |
| Table 16. | Annual Operating Costs (OPEX) Summary | 77 |
| Table 17. | Cash Flow Statement | 78 |
| Table 18. | NPV Versus Discount Rate and IRR | 80 |
|
| LIST OF FIGURES
|
|
|
|
|
|
| Figure 1. | Location Map | 2 |
| Figure 2. | Photo from FAB Trend Looking Northeast Over Reclaimed PMC Pit 3 | 8 |
| Figure 3. | Property, Access and Infrastructure Map | 10 |
| Figure 4. | Shirley Basin Project Resource Areas | 17 |
| Figure 5. | Stratigraphic Column | 21 |
| Figure 6. | Geology Map | 23 |
| Figure 7. | Type Log | 24 |
| Figure 8. | Cross Sections FAB Trend & Area 5 | 25 |
| Figure 9. | Backscatter Electron Photomicrograph – Uranium Mineralization (Bright) Associated with Clays Surrounding Quartz and Feldspar Grains | 29 |
| Figure 10. | Mineralized Trends | 30 |
| Figure 11. | Photo of Shirley Basin Roll Front | 31 |
| Figure 12. | Conceptual Uranium Roll Front Deposit | 32 |
| Figure 13. | Photo of URE Confirmation Drilling | 44 |
| Figure 14. | Uranium Recovery Curves % Recovery Comparison-Final | 48 |
| Figure 15. | Uranium Recovery Curves Head Grade Comparison | 48 |
| Figure 16. | FAB Trend Resources | 56 |
| Figure 17. | Area 5 Resources | 57 |
| Figure 18. | Planned Mine Units FAB Trend | 61 |
| Figure 19. | Planned Mine Unit Area 5 | 62 |
| Figure 20. | Life of Mine Schedule | 64 |
| Figure 21. | Process Flow Diagram | 68 |
| Figure 22. | Before Tax NPV Sensitivity to Price, OPEX and CAPEX | 83 |
| Figure 23. | After Tax NPV Sensitivity to Price, OPEX and CAPEX | 84 |
| Ur-Energy – Shirley Basin ISR Uranium Project |
|
|
| Technical Report Summary – March 4, 2024 |
| Page v |
|
|
|
|
LIST OF ABBREVIATIONS
| AEA | Atomic Energy Act |
| AEC | U.S. Atomic Energy Commission |
| ALARA | As Low As Reasonably Achievable |
| API | American Petroleum Institute |
| BGS | Below Ground Surface |
| BLM | U.S. Bureau of Land Management |
| CAPEX | Capital Expenditures |
| COC | Chain of Custody |
| COGEMA | COGEMA Mining, Inc. |
| CPS | Counts per Second |
| cu. | Cubic |
| DEF | Disequilibrium Factor |
| District | Shirley Basin Mining District |
| DOE | U.S. Department of Energy |
| e-log | Electric Log |
| EA | Environmental Assessment |
| EMP | Electron Microprobe |
| EPA | U.S. Environmental Protection Agency |
| eU3O8 | U3O8 Content from Gamma Log |
| Ft. | Feet |
| FTE | Full Time Equivalent |
| Getty | Getty Oil Company |
| gpm | Gallons per Minute |
| GT | Grade x Thickness |
| Hazen | Hazen Research, Inc. |
| HDPE | High Density Polyethylene |
| ICP-MS | Inductively Coupled Plasma Mass Spectrometry |
| IML | Inter-Mountain Labs, Inc. |
| IRR | Internal Rate of Return |
| ISL | In-situ Leach |
| ISR | In-Situ Recovery |
| IX | Ion Exchange |
| kV | Kilovolt |
| kWh | Kilowatt Hours |
| Lbs. | Pounds |
| MU | Mine Unit |
| NI | 43-101 National Instrument 43-101 |
| NPV | Net Present Value |
| NWS | National Weather Service |
| OPEX | Operating Expenditures |
| Petrotomics | Petrotomics Company |
| PFN | Prompt Fission Neutron |
| PMC | Pathfinder Mines Corporation |
| The | Project Shirley Basin ISR Uranium Project |
| PVs | Pore Volumes |
| QP | Third-Party QP Firm WWC Engineering |
| Redox | Reduction-Oxidation Interface |
| Report | Technical Report Summary |
| Ur-Energy – Shirley Basin ISR Uranium Project |
|
|
| Technical Report Summary – March 4, 2024 |
| Page vi |
|
|
|
|
LIST OF ABBREVIATIONS (Continued)
| S-K 1300 | Regulation S-K, Subpart 1300 “Modernization of Property Disclosures for Mining Registrants” |
| SEO | Wyoming State Engineer’s Office |
| SP | Spontaneous Potential |
| Teton | Teton Exploration |
| Tidewater | Tidewater Oil Company |
| Twdr | Tertiary Wind River Formation |
| Twr | Tertiary White River Formation |
| U3O8 | Uranium Oxide or Yellowcake |
| UIC | Underground Injection Control |
| UII | Utah International Inc. |
| URE | Ur-Energy Inc. |
| Utah | Utah Mining Corporation |
| Utah CM | Utah Construction and Mining Company |
| WDEQ | Wyoming Department of Environmental Quality |
| WDEQ-AQD | Wyoming Department of Environmental Quality Air Quality Division |
| WDEQ-LQD | Wyoming Department of Environmental Quality Land Quality Division |
| WDEQ-URP | Wyoming Department of Environmental Quality Uranium Recovery Program |
| WWC | Western Water Consultants, Inc. d/b/a/ WWC Engineering |
| XRD | X-ray Diffraction |
| Ur-Energy – Shirley Basin ISR Uranium Project |
|
|
| Technical Report Summary – March 4, 2024 |
| Page vii |
|
|
|
|
1.0 EXECUTIVE SUMMARY
This independent Technical Report Summary (Report) for the Shirley Basin ISR Uranium Project (the Project) has been prepared for Ur-Energy Inc. (URE) and its subsidiary, Pathfinder Mines Corporation (PMC), under the supervision of Western Water Consultants, Inc., d/b/a WWC Engineering (WWC), pursuant to Regulation S-K Subpart 1300, “Modernization of Property Disclosures for Mining Registrants” (S-K 1300). This Report identifies and summarizes the scientific and technical information and conclusions reached concerning the initial assessment to support disclosure of mineral resources on the Project. The objective of this Report is to evaluate the technical and economic viability of the Project using the most current scientific, engineering and cost information available.
This Report analyzes the planned development of a commercial uranium satellite in-situ recovery (ISR) operation at the Project, combined with existing processing operations at URE’s Lost Creek Mine in Sweetwater County, Wyoming. The evaluation uses current operational information to develop capital (CAPEX) and operating (OPEX) cost estimates for the proposed wellfields, the satellite ion exchange (IX) plant and associated infrastructure. CAPEX and OPEX estimates are provided in this Report along with an economic analysis based on these costs and projected revenue from the recovery and sale of uranium.
The Project area geology is well understood. Shirley Basin is a small structural basin formed during the Laramide Orogeny of Late Cretaceous to Early Paleogene age. During this orogeny, basement uplifting within the surrounding Granite and Shirley Mountains to the west and southwest and within the Laramie Mountains to the east and northeast formed a broad, shallow, southward-plunging basin. Within this basin, post-Laramide Paleogene sediments were unconformably deposited onto an eroded surface of mid Cretaceous strata. These Cretaceous sediments dip approximately 2-12° to the southwest. The Paleogene sediments dip approximately 1° to the north. Coarse-grained arkosic sandstones of the Eocene-age Wind River Formation are the primary host rocks for uranium deposits in Shirley Basin. The uranium mineralization occurs as roll front type deposits formed where uranium precipitated from oxidizing groundwater when it contacted reduced host rock.
URE currently controls approximately 3,536 acres of property interests in the general area of the Project in central southeast Wyoming, approximately 40 miles south of the city of Casper (Figure 1). The fully permitted area (2,605 acres) of the Project consists of 1,770 acres of mineral lands controlled by URE. Together with the mineral rights held by URE, described in greater detail below, the Company controls 280 acres of additional surface access rights necessary to develop the Project. The Project lies within the northern portion of the historic Shirley Basin Mining District (District), the second largest uranium producing district in Wyoming with over 51 million pounds of U3O8 production from 1960 through 1992. The initial uranium discovery within this remote basin was made by Teton Exploration in 1955. URE’s Shirley Basin land holdings were largely established by Utah Mining Corporation in 1957 by staking unpatented mining claims and leasing State of Wyoming and private mineral rights. After several mergers and corporate name changes, all interests were conveyed to what is now PMC in 1976. PMC was purchased by COGEMA Mining, Inc. (COGEMA) in the 1980s. URE, through a U.S. subsidiary, acquired PMC in 2013.
| Ur-Energy – Shirley Basin ISR Uranium Project |
|
|
| Technical Report Summary – March 4, 2024 |
| Page 1 |
|
|
|
|
After the cessation of open pit uranium mining operations at Shirley Basin in 1992, two historical resource areas on the Project were identified as potentially suitable for ISR mining. These two areas are the FAB Resource Area or FAB Trend and the Area 5 Resource Area.
| Ur-Energy – Shirley Basin ISR Uranium Project |
|
|
| Technical Report Summary – March 4, 2024 |
| Page 2 |
|
|
|
|
PMC had completed over 3,200 drill holes (1.2 million ft. of drilling) in the delineation of these two resource areas, resulting in an approximate 100-ft. grid of drill holes throughout. These resources are primarily located within the “Main” and “Lower” Sands of the Eocene-age Wind River Formation.
In 2014, URE completed a confirmation drilling campaign within the FAB and Area 5 Resource Areas. The primary goals of the program were:
|
| · | Confirmation of the location and nature of mineralization as reported by historical PMC data; |
|
|
|
|
|
| · | Stratigraphic investigation to confirm lithology and to confirm overlying and underlying hydrogeological confinement; and |
|
|
|
|
|
| · | Collection of core for leach testing and analysis of uranium, mineralogy, trace metals, disequilibrium, permeability, porosity and density. |
Based upon data from the above-described historical and confirmation drilling, a Technical Report on Resources and a Preliminary Economic Assessment were prepared (Shirley Basin Uranium Project, Carbon County, Wyoming, USA, dated August 27, 2014 and Preliminary Economic Assessment Shirley Basin ISR Project, Carbon County, Wyoming, USA, dated January 27, 2015) pursuant to Canadian National Instrument 43-101 (NI 43-101). Subsequently, a Technical Report Summary pursuant to S-K 1300, as amended, was prepared and filed in 2022.
Due to the high density drilling at the Project, all resources were classified as Measured or Indicated. There are no resources in the Inferred category. The current mineral resources at the Project are listed in Table 1.
Table 1. Shirley Basin Uranium Project Resource Summary
| RESOURCE AREA | MEASURED | INDICATED | ||||
| AVG GRADE % eU3O8 | SHORT TONS (X 1000) | POUNDS U3O8 (X 1000) | AVG GRADE % eU3O8 | SHORT TONS (X 1000) | POUNDS U3O8 (X 1000) | |
| FAB TREND | 0.280 | 1,172 | 6,574 | 0.119 | 456 | 1,081 |
| AREA 5 | 0.243 | 195 | 947 | 0.115 | 93 | 214 |
| TOTAL | 0.275 | 1,367 | 7,521 | 0.118 | 549 | 1,295 |
| MEASURED & INDICATED | 0.230 | 1,915 | 8,816 | |||
Notes:
| 1. | Sum of Measured and Indicated tons and pounds may not add to the reported total due to rounding. |
| 2. | Based on grade cutoff of 0.020 % eU3O8 and a grade x thickness (GT) cutoff of 0.25 GT. |
| 3. | Measured and Indicated mineral resources as defined in 17 CFR § 229.1300. |
| 4. | All reported resources occur below the historical, pre-mining static water table. |
| 5. | Average grades are calculated as weighted averages. |
| 6. | The point of reference for mineral resources is in-situ at the Project. |
| 7. | Mineral resources that are not mineral reserves do not have demonstrated economic viability. |
To develop the above-described uranium resources, infrastructure, including wellfields, a satellite IX plant and liquid waste disposal facilities, will need to be constructed at the Project. Three mine units (MU) are planned. Within a production wellfield, the most fundamental component of mine development and production is the production pattern. A pattern consists of one production well and injection wells which feed lixiviant to it. Injection wells are commonly shared by multiple production wells. Header houses serve multiple patterns and function as both distribution points for injection flow and collection points for production flow from the production wells. The satellite IX plant feeds injection lixiviant to the header houses for distribution to the injection wells and receives and processes production flow from the header houses.
| Ur-Energy – Shirley Basin ISR Uranium Project |
|
|
| Technical Report Summary – March 4, 2024 |
| Page 3 |
|
|
|
|
The economic analysis presented in this Report is based on a detailed wellfield design prepared as the company advances toward wellfield construction and operations. The design primarily utilizes 5-spot pattern configurations. Pattern sizing is based on consistent injection to production well spacing of approximately 70 ft., which is the distance the lixiviant will flow between wells. Based on detailed wellfield design it is estimated that there will be a total of 1,675 patterns project wide which are divided into three mining units: MU1, MU2 and MU3. The total cumulative pattern area accounting for the stacked nature of the roll fronts for the Project is approximately 283 acres. This wellfield design requires 2,945 injection wells and 1,675 production wells for a total of 4,620 wells. In addition, 271 monitor wells are required for the planned wellfield, including 121 perimeter monitor ring wells and 150 interior monitor wells. The average well depth for the Project is estimated to be 334 ft.
Using the estimated CAPEX, OPEX and closure costs presented herein, a cash flow statement is provided in Table 17. The statement assumes no escalation, no debt, no debt interest or capital repayment and no depreciation.
This Report includes tax estimates for state severance taxes, county ad valorem taxes and property taxes, all of which are directly attributable to the Project. Wyoming has no state income tax, however, before and after federal income tax estimates are included. Ur-Energy USA Inc., the parent company of PMC, files consolidated federal tax returns in the United States. Ur-Energy USA Inc. does not anticipate paying federal income taxes until the existing, and any future, tax loss carry forwards are utilized. In addition, reclamation costs can be deducted in the early years of the Project, thus also pushing out any tax liability.
The sale price for the produced uranium is assumed to vary based on a calculation of a simple average of (a) the average of the annual projections of Cantor Fitzgerald Canada Corporation, September 26, 2023; Roth MKM, October 10, 2023; PI Financial Corp. October 6, 2023 and (b) UxC, LLC Q4 2023 Market Outlook (Mid Price Scenario Projection from 2023 to 2040) (UxC, LLC Q4 2023) (See Chapters 16 and 24). UxC is a leading independent nuclear industry market research and analysis company that publishes comprehensive market outlook reports for uranium which include future price projections. The revenue for the cash flow estimate was developed using the GT contour mineral resource estimate for the Project, and further assumes that, based on an 80% recovery factor of those pounds potentially under pattern, approximately 6.0 million pounds of U3O8 will be recovered from the Project’s currently identified Mineral Resources.
The CAPEX cost estimates presented herein are based on personnel and capital equipment requirements, as well as wellfield layouts, process flow diagrams, tank and process equipment and buildings at URE’s Lost Creek Mine which were used to estimate costs at the Project. The Project has pre-mining development and capital costs of $40.7 million including: total plant capital of $24.4 million, initial wellfield installation cost of $13.1 million, labor costs of $2.9 million, and operating costs of $0.3 million. Remaining CAPEX costs are for sustaining capital requirements at the mine site and are primarily associated with water treatment additions as needed and replacement equipment used in future operations of the plant and the wellfields. The sustaining capital cost is estimated to be $9.2 million. The sustaining capital estimate is based on the actual previous purchases of the same equipment and/or vendor prices. There is no contingency included in the capital estimates as they are based on purchases at URE’s Lost Creek Mine and current budgets for water treatment equipment.
| Ur-Energy – Shirley Basin ISR Uranium Project |
|
|
| Technical Report Summary – March 4, 2024 |
| Page 4 |
|
|
|
|
OPEX estimates were developed by evaluating each process unit operation and the associated required operating services (power, water, air, waste disposal), infrastructure (offices, shops and roads), salary plus benefit burden, and environmental control (heat, air conditioning, monitoring). The OPEX estimate is based on URE’s permitting and development plan, deliverables, process flow sheets, process design, materials balance and project manpower schedule. The annual OPEX and closure cost summary is provided in Table 16.
The Net Present Value (NPV) calculations assume that cash flows occur in the middle of the accounting periods. The NPV is calculated from the discounted cash flow model and is based on the CAPEX, OPEX and closure cost estimates, a variable future uranium price and the anticipated construction and production schedule. The Project is estimated to generate net cash flow over its life of $175.3 million before income tax and $119.0 million after income tax. Payback is estimated during the third quarter of 2027. The Project has a calculated before tax Internal Rate of Return (IRR) of 83.7 percent and a before tax NPV of $120.4 million applying an eight percent discount rate. When income taxes are included in the calculation, the after-tax IRR is 69.0 percent and the after tax NPV is $83.2 million applying an eight percent discount rate. The estimated cost of uranium produced is $54.89 per pound including severance taxes plus all operating and capital costs, with an estimated operating cost of $24.40 per pound.
URE utilized costing data for both CAPEX and OPEX available from the Lost Creek Mine, the costing numbers used in this analysis are therefore believed to be reliable. However, since the final detailed designs for the Project are not yet complete, and initial purchases and contracts have not been made for the project, the predicted level of accuracy of this Report is estimated at +/- 10 percent subject to the assumptions herein.
Cautionary Statement:
This Technical Report Summary is preliminary in nature and includes mineral resources. Mineral resources that are not mineral reserves do not have demonstrated economic viability. There is increased risk and uncertainty to commencing and conducting production without established mineral reserves that may result in economic and technical failure which may adversely impact future profitability. The estimated mineral recovery used in this Technical Report Summary is based on site-specific laboratory recovery data as well as URE personnel and industry experience at similar facilities. There can be no assurance that recovery of mineral resources at this level will be achieved. There is no certainty that the preliminary economic assessment will be realized.
WWC has assumed that URE’s operations at the Project will be conducted in conformance with applicable laws, regulations, and requirements of the various federal and state agencies. It is also assumed that organization and management controls have been and will continue to be established to ensure compliance with applicable regulations and implement URE’s policies for providing a safe working environment including the philosophy of maintaining radiation exposures as low as reasonably achievable (ALARA).
| Ur-Energy – Shirley Basin ISR Uranium Project |
|
|
| Technical Report Summary – March 4, 2024 |
| Page 5 |
|
|
|
|
WWC has weighed the potential benefits and risks presented in this Report and have found the Project to be potentially viable and meriting further evaluation and development. There is no certainty that the mineral recovery or the economic analysis presented in this Report will be realized. In order to advance the Project to the full potential benefits described in this Report, positive results are required on the following recommended activities as discussed in Chapter 23.0.
|
| · | URE should continue with its work on advancing the project toward construction of facilities and installation of wellfields. The pre-mining development and capital costs to construct facilities and install wellfields, included in Table 15, are estimated to be $40.7 million. These activities and related costs are assumed to occur in 2024, 2025 and 2026 for the purposes of the economic analysis included here. The costs for construction design and management are included in this amount. |
|
|
|
|
|
| · | URE should complete its pre-construction design, engineering work, and installation of the first monitoring ring followed soon after by construction of the satellite facility and the first wellfield. Satellite construction should include wastewater management processes and procedures with the goal of concentrating and minimizing RO brine production and maximizing permeate output. |
|
|
|
|
|
| · | URE has a history of innovative research and development (R&D) projects that lower costs, improve operations, and minimize impacts of ISR operations. URE should continue evaluating opportunities to decrease costs and increase efficiencies, including related to its new injection well installation technology. |
| Ur-Energy – Shirley Basin ISR Uranium Project |
|
|
| Technical Report Summary – March 4, 2024 |
| Page 6 |
|
|
|
|
2.0 INTRODUCTION
2.1 Registrant
This independent Report was prepared for URE by WWC. The Project is in Carbon County, Wyoming, USA. URE is incorporated in Canada with principal executive offices located at 10758 West Centennial Road, Suite 200, Littleton, Colorado 80127. The Report has been prepared for URE in accordance with the guidelines set forth under Regulation S-K, Subpart 1300 “Modernization of Property Disclosures for Mining Registrants” (S-K 1300). The purpose of this Report is to report mineral resources and assess the potential economic viability of ISR operations at the Project.
2.2 Terms of Reference
PMC is a wholly owned subsidiary of URE. The Project is operated by PMC and this Report has been prepared for URE to report mineral resources and assess the potential economic viability of ISR operations at the Project.
2.3 Information Sources and References
The information and data presented in this Report was gathered from various sources listed in Chapters 24 and 25. Technical information was provided to WWC by URE and includes data from other professional consultants and follows generally accepted uranium ISR practices. Mineral resource estimates are based on information presented in the Technical Report on Resources, Shirley Basin Uranium Project, Carbon County, Wyoming, USA. That NI 43-101 report is dated August 27, 2014 and was prepared by WWC.
Units of measurement unless otherwise indicated are feet (ft.), miles, acres, pounds (lbs.), and short tons (2,000 lbs.). Uranium production is expressed as pounds U3O8, the standard market unit. ISR refers to in-situ recovery, sometimes also termed in-situ leach (ISL). Unless otherwise indicated, all references to dollars ($) refer to United States currency.
2.4 Inspection of the Property by Each Qualified Person
WWC professionals have visited the site following the completion of confirmation drilling by URE in 2014. WWC professionals visited the site on January 28, 2022, and on February 1, 2022. The purpose of these visits was to observe the geography and geology of the Project site, verify work done at the site by URE, observe the potential locations of Project components, confirmation drilling and other site activities, and confirm existing site infrastructure. WWC professionals reviewed areal imagery captured on October 23, 2023 to confirm current site conditions.
2.4.1 QP Qualifications
Completion of this Report was under the direction and supervision of WWC. WWC is a third-party QP Firm (QP) as defined by Regulation S-K 1300. Additionally, WWC has approved the technical disclosure contained in this Report.
2.5 Previous Technical Report Summaries
URE filed a Technical Report Summary on the Project under S-K 1300 regulations in March 2022, as amended in September 2022. Additionally, reports conforming to NI 43-101 were also prepared and filed.
| Ur-Energy – Shirley Basin ISR Uranium Project |
|
|
| Technical Report Summary – March 4, 2024 |
| Page 7 |
|
|
|
|
3.0 PROPERTY DESCRIPTION AND LOCATION
3.1 Location and Size
URE controls approximately 3,536 acres of property interests in the area of the Project in central southeast Wyoming, approximately 40 miles south of the city of Casper. Within the Project, the fully permitted area (2,605 acres) consists of 1,770 acres of mineral lands controlled by URE. Together with the mineral rights held by URE, described in greater detail below, the Company controls 280 acres of additional surface access rights necessary to develop the Project. As shown in Figure 1, the Project is in an unpopulated area located in the northeastern portion of Carbon County, Wyoming USA. It is centered at approximately 42 degrees, 22 minutes north latitude and 106 degrees, 11 minutes west longitude, in Township 28 North, Range 78 West, within the 6th principal meridian.
3.2 Mineral Tenure
The Project is in the northern portion of the second largest uranium producing district in Wyoming, with over 51 million pounds of U3O8 production from 1960 through 1992. Surface mining ceased in 1992 and the mined areas underwent extensive reclamation activities (i.e., backfilling of pits, re-contouring of overburden piles, re-vegetation, etc.). Figure 2 illustrates the results of this reclamation. Most of the old mine areas are now rolling grasslands, with five pit lakes occupying the lowlands.

Figure 2. Photo from FAB Trend Looking Northeast Over Reclaimed PMC Pit 3
The permitted Project area includes 1,770 acres of mineral rights to locatable minerals held by the Company. This total consists of 1,330 acres of U.S. lode mining patents (nine patents), 370 acres of federal unpatented lode mining claims (29 claims), and 70 acres (two tracts) of fee minerals. Table 2 summarizes the relevant mineral title position of URE within the permitted Project area.
| Ur-Energy – Shirley Basin ISR Uranium Project |
|
|
| Technical Report Summary – March 4, 2024 |
| Page 8 |
|
|
|
|
The surface of all unpatented lode mining claims is controlled by the U.S. Bureau of Land Management (BLM), with URE possessing the right to use as much of the surface as is necessary for exploration and mining of the claims, subject to compliance with all federal, state and local laws and regulations. Surface use on BLM-administered federal lands is governed by federal regulations.
Table 2. Shirley Basin Project Mineral Title Position
| Property | US Patent Number, Claim Name or Legal Location | Acres |
| 9 Lode Mining Patents | 1198523, 1207111, 1207112, 1231199, 49-69-0017, 49-69-0020, 49-69-0025, 49-73-0072, and 49-73-0073 | 1,330 acres |
| 29 Unpatented Lode Mining Claims | DOE 1, DOE 2, DOE 14, DOE 15, DOE 16, DOE 17, DOE 26, DOE 27 and DOE 28; LMB 8, LMB 10, LMB 12, LMB 160 and LMB 162; COKE 1, COKE 3, COKE 4 and COKE 5; A5-1, A5‑2, A5-3, A5-4 and A5-5; FGAP 1, FGAP 2 and FGAP 3; LMB 234, LMB 235 and LMB 236 | 370 acres |
| Fee Minerals (2 tracts) | Portions of Sections 20, Township 28 North, Range 78 West, 6th Principal Meridian (e.g., SENE, Section 20; N1/2NWSE and NWNESE Section 20) | 70 acres |
| Total Mineral Acres: 1,770 acres | ||
3.3 Title to Property
URE, through its wholly owned subsidiary PMC, owns the patented lands at the Project and controls the federal unpatented lode mining claims, and other real property interests which make up the balance of the Project (Figure 3), and through which legal access to the Project is provided. The mineral interests for the lands on which reported resources are located are 100% owned or controlled by URE, subject to the royalty interests described below.
| Ur-Energy – Shirley Basin ISR Uranium Project |
|
|
| Technical Report Summary – March 4, 2024 |
| Page 9 |
|
|
|
|
Title to the unpatented mining claims is subject to rights of pedis possessio against all third-party claimants as long as the claims are maintained. The unpatented mining claims do not have an expiration date. Affidavits have been timely filed with the BLM and recorded with the Carbon County Clerk’s Office attesting to the payment of annual maintenance fees to the BLM as those fees are established by law from time to time. In addition to routine periodic land status reviews by company personnel, formal mineral title reports are prepared from time-to-time for URE by mineral title attorneys.

| Ur-Energy – Shirley Basin ISR Uranium Project |
|
|
| Technical Report Summary – March 4, 2024 |
| Page 10 |
|
|
|
|
3.4 Royalties, Taxes and Fees
There are no production royalties at the FAB Resource Area where the majority of the defined resources are located.
Within Area 5, approximately 202 acres are subject to a formulaic royalty interest which totals approximately 0.5%. On two other tracts at Area 5 (30 acres in the southern portion and 40 acres in the southeastern portion), uranium and associated minerals are subject to different formulaic royalties which are approximately 1%. Currently, there is no known mineral resource on these 70 acres. A 0.5% royalty was included for the resources in Area 5. Additionally, certain use fees are in place on some lands in Area 5, based upon an annual disturbance-level calculation.
URE is also required to pay various state and local taxes related to production and the assessed value of the property. These taxes are in the form of severance, ad valorem gross products, and personal and real property taxes. The economic analyses presented herein also provide the results of the analyses for before income tax and after income tax, which includes U.S. federal and Illinois state income taxes. There is no State of Wyoming income tax, and all sales are assumed to take place in Illinois where the conversion facility is located. There is no state income tax in Wyoming. Maintenance fees will be paid to the BLM on an annual basis, pursuant to the existing regulations, for the unpatented mining claims held at the Project.
3.5 Significant Encumbrances or Risks to Perform Work on the Property
3.5.1 Environmental Liabilities
The environmental liability for the Project falls under the jurisdiction of the State of Wyoming, Department of Environmental Quality (WDEQ) Land Quality Division (LQD).
The current cost estimate to reclaim the work that has been completed at the Shirley Basin ISR Mine to date is $91,900.
URE maintains separate reclamation bonds to reclaim disturbance resulting from historical conventional mining and the adjacent licensed tailings facility. The tailings facility is operated independently from the Project. Likewise, the reclamation of the historical mining is not dependent on the Project. These reclamation bonds are separate from the Project and are not included in the economic analysis in this Report.
3.5.2 Existing and Required Permits
In May 2021, the URP granted a Source and Byproduct Materials License (WYSUA-2010) and the LQD issued a Permit to Mine (PT0846) to recover uranium at the Project. These two authorizations, together with the U.S. Environmental Protection Agency (EPA) aquifer exemption for the Class III Underground Injection Control (UIC) area, were the final major authorizations required at Shirley Basin to be approved to construct and commence production operations at the Project. In April 2020, the BLM issued its final decision regarding an Environmental Assessment (EA) on the Project and approving the Plan of Operations for the Project. Accordingly, all major permits and authorizations required to operate the Project, are in place and include the following:
|
| · | BLM issued a Record of Decision on April 27, 2020. |
| Ur-Energy – Shirley Basin ISR Uranium Project |
|
|
| Technical Report Summary – March 4, 2024 |
| Page 11 |
|
|
|
|
|
| · | WDEQ has issued several permits including: | |
|
|
|
|
|
|
|
| · | Permit PT0846, which includes an aquifer exemption, was granted on May 4, 2021. (EPA aquifer exemption received April 2021.) |
|
|
|
|
|
|
|
| · | URP issued a Source and Byproduct Material License WYSUA-2020 on May 4, 2021 which authorizes up to 6,500 gallons per minute from wellfield production and up to 2,000,000 pounds of dried U3O8 product though no CPP is proposed for the Project at this time. |
|
|
|
|
|
|
|
| · | Air Quality Permit P0027097 was issued on November 24, 2020. |
|
|
|
|
|
|
|
| · | WYPDES Permit WY0096466 was granted on December 31, 2019. |
Additional minor permits/authorizations that will be required before operations begin include the following. Each of these is routine, and may commonly be obtained in days or weeks:
|
| · | Approval by WDEQ-LQD of the Hydrologic Test Report assessing: aquifer conditions, monitor well locations and depths, pattern areas and depths, soil survey results, road and topsoil locations, baseline water quality data and potential between adjacent mine units; |
|
|
|
|
|
| · | Construction Storm Water NPDES Permits (WDEQ Title 35-11) are obtained under a general permit based on projected construction activities; |
|
|
|
|
|
| · | Industrial Stormwater NPDES Permit (WDEQ Title 35-11) - An Industrial Stormwater NPDES will be required for the plant area; |
|
|
|
|
|
| · | A Class V UIC permit (WDEQ Title 35-11) will be applied for following installation of an approved site septic system during facility construction; and |
|
|
|
|
|
| · | Wyoming State Engineer’s Office (SEO) groundwater appropriations will be applied for prior to the installation of water supply wells at the Project. |
The Project lies within Carbon County, Wyoming. Carbon County regulates certain land use and aspects of proposed operations including the septic system and building. Carbon County issued a letter on August 14, 2020, stating the in situ project is in accordance with the current zoning resolution. Therefore, no zoning amendment will need to be pursued.
| Ur-Energy – Shirley Basin ISR Uranium Project |
|
|
| Technical Report Summary – March 4, 2024 |
| Page 12 |
|
|
|
|
3.5.3 Significant Factors and Risks That May Affect Access, Title or Right to Perform Work
There are ongoing reclamation and surface stabilization activities associated with historical mining. Although the Project does not lie within designated sage-grouse core area, there is a sage-grouse lek within two miles of the Area 5 Resource Area which will continue to be monitored.
Wind turbines, if built on top of a mineralized area, have the potential to limit the mineral owner’s ability to access a mineral resource. While there is ongoing wind energy development in Wyoming, there is likely only a slight risk of wind development in Shirley Basin moving north towards the Project. The nearest wind turbine is approximately seven miles to the south of the Project (U.S. Geological Survey 2024). The annual average wind speed at 80 meters at the Project would be suitable for commercial wind development (U.S. Department of Energy 2022). However, given the historical mining areas and the general topography of the area, it seems unlikely commercial wind development would seek to encroach on the Project area. This risk is non-existent on property owned by PMC. While such development could pose an issue on BLM managed lands, it is noted that there is a smaller amount of the mineral acreage directly involved in recovery areas at the Project which is BLM mining claims and, therefore, again, such a risk is viewed to be extremely slight. Furthermore, the current BLM Wind Energy Program Policies and Best Management Practices (Amendment 1) specifies that “[t]o the extent possible, wind energy projects shall be developed in a manner that will not prevent other land uses, including mineral extraction, livestock grazing, recreational use, and other ROW uses.” (BLM, 2005).
No other significant factors and risks have been identified that may affect access, title, or the right or ability to perform work on the Project.
| Ur-Energy – Shirley Basin ISR Uranium Project |
|
|
| Technical Report Summary – March 4, 2024 |
| Page 13 |
|
|
|
|
4.0 ACCESSIBILITY, CLIMATE, LOCAL RESOURCES, INFRASTRUCTURE AND PHYSIOGRAPHY
4.1 Physiography
The Project is in the northeastern portion of the Shirley Basin, which is a high, intermontane basin encompassing approximately 500 square miles in south-central Wyoming. The Basin lies within the Wyoming Basin Physiographic Province within the Rocky Mountain System and is situated between the Central and Southern Rocky Mountain Provinces (Dyman et al. 2005). It is bounded on the north and east by the Laramie Range, on the west by the Granite Mountains and on the southwest by the Shirley Mountains.
Elevations in the District range from approximately 6,900 to 7,300 ft. Topography is dominated by low rolling hills mildly dissected by minor ephemeral drainages. This is locally modified by overburden dumps and mine pits from past operations which may diverge from natural ground level by as much as 250 ft. Most pits and dumps in the District have been re-contoured and re-vegetated.
Vegetation in the Project is dominated by cool season perennial grasses and sagebrush. The grasses are a combination of native species and re-vegetated species in reclaimed areas of historical mining. The sagebrush (Artemisia tridentata) is generally short and stunted but is well adapted to the cold winter temperatures and limited precipitation that characterize the Shirley Basin. Other vegetation identified at the Project includes perennial forbs, cushion plants, semi-shrubs, cacti, shrubs, and lichens.
4.2 Means of Access
The Project area is served by Wyoming Highway 487 as depicted on Figure 1. Wyoming Highway 487 is a state maintained, two-lane, sealed asphalt road providing year around access. Access to this highway from the north (Casper) is via Wyoming Highway 220, and access from the south (Laramie or Rawlins) is via US Highway 30/287. Once on the Project, there is a crown-and-ditched gravel access road to the former mill site area. The proposed access to the ISR production areas will require upgrading approximately 1.9 miles of an existing graded access road which is reached by Carbon County Road 2 (Shirley Ridge Road). In addition to the designated routes, there are a number of tertiary or “two-track” roads that traverse the area for recreation and grazing access, as well as various other uses, including mineral exploration. The nearest airport to the Project is Casper-Natrona County International Airport located just north and west of Casper, Wyoming. Both Laramie and Rawlins also have smaller regional airports. The BNSF Railroad runs through Casper, and the Union Pacific railroad runs through Medicine Bow.
4.3 Proximity to Population Centers
The Project is in a remote area. The nearest town is Medicine Bow with a population of 245 people (U.S. Census 2024), located about 32 miles south of the Project. Casper is approximately 40 miles north of the Project. Casper, with a population of 59,038 (U.S. Census 2024), has well-established infrastructure and service industry capabilities and is a source of experienced mining personnel. The city of Laramie with a population of 31,407 (U.S. Census 2024) is located approximately 78 miles south-southeast of the Project. Rawlins, Wyoming, with a population of 8,221 (U.S. Census 2024) is located approximately 66 miles to the southwest. Federal and Wyoming highways connect all these cities and towns to the Project (see Figure 1).
| Ur-Energy – Shirley Basin ISR Uranium Project |
|
|
| Technical Report Summary – March 4, 2024 |
| Page 14 |
|
|
|
|
4.4 Climate and Operating Season
The climate of the Shirley Basin ranges from arid in the central portions to semi-arid along the flanks. There is a National Weather Service (NWS) meteorological station (Shirley Basin station number 488192) approximately one mile from the Permit Area that collected data for the period of record from 1978 to 2016. The average annual precipitation measured at this station was 10.57 inches. Temperatures range from moderate in the summer to harsh in the winter. As recorded at the Shirley Basin station, average maximum temperatures in the summer (June, July and August) range from 71.8° to 80.1° Fahrenheit (F), while average minimum temperatures in the winter (December, January and February) range from 1.6° to 3.3° F. Additionally, a meteorological station was installed within the Permit Area in 2014 which collected temperature, humidity, incoming solar radiation, wind speed, and wind direction. The data collected by this station are generally within range of the long term averages at the NWS station. Due to the high elevation of Shirley Basin, summers are short, but the weather is favorable for working throughout the year. However, there can be periods of time when exploration and drilling activities on the Project will be affected by winter weather, spring storms or adverse ground conditions.
4.5 Property Infrastructure
Site infrastructure is excellent. A well-graded road traverses the Project and provides access from the south and will be upgraded. The former mill facility has been dismantled and disposed of; however, several support facilities remain, including a modular field office building and a large, heated wash and lubrication bay which is currently used for storage and equipment maintenance. A regional power transmission line (69 kV) passes through the northern portions of the Project. Also, an existing energized power line leads to a substation near the field office, and from there a currently inactive powerline (power poles only) extends to the FAB Trend. A licensed active waste disposal site for 11e.(2) byproduct material is currently operating adjacent to the fully reclaimed tailings complex. Heavy equipment on site for that operation includes a D-9 bulldozer and a medium sized backhoe.
Water supply needs are currently limited to drilling water, supplied by well WW22 which is capable of producing over 25 gallons per minute (gpm). Several backup water wells are also present but have not been utilized to date. The existing water wells currently installed at the Project are capable of providing sufficient supply for domestic and other potential operational requirements. Additional new and appropriately sited water source wells will be considered for future site use. Also, water impounded in the reclaimed mine pits is suitable for use in drilling and other non-potable uses would be available pending construction of approach ramps.
| Ur-Energy – Shirley Basin ISR Uranium Project |
|
|
| Technical Report Summary – March 4, 2024 |
| Page 15 |
|
|
|
|
5.0 HISTORY
The District is the second largest uranium producing district in Wyoming. It has a rich mining history that includes the first commercial uranium ISR operation in the United States and the earliest development of roll front geologic concepts. Over 51 million pounds of uranium were produced from this District from 1960-1992, including over 28 million pounds produced from the lands currently controlled by URE.
The initial uranium exploration and early discoveries within this remote basin were made by Teton Exploration (Teton) in 1954 - 1955. However, this remained largely unknown to the public until 1957 when a land rush swept the region. Utah Mining Corporation (Utah) acquired a large land position in search of additional resources to feed its Lucky Mc mill in the Gas Hills Uranium District. Utah’s position focused on the northern portions of the District.
Other significant early operators in the District were Tidewater Oil Company (Tidewater) later, Getty Oil Company (Getty), Petrotomics Company (Petrotomics) and Kerr-McGee Nuclear. These companies focused primarily on the southern portions of the District. Petrotomics started an open pit mine/mill operation in 1962 just south of the Utah property and operated through 1985. All of Kerr-McGee Nuclear’s production was processed through the Petrotomics mill. In addition, ore from the Jenkins Mine operated by the Uranium Supply Services Corporation in the southern portion of the District was processed at the Petrotomics mill.
5.1 Prior Ownership and Ownership Changes
Most of the initial land acquisition throughout what is now the Project was conducted by Utah and Tidewater (particularly Tidewater in the western FAB Resource Area) in the late 1950s. Area 5 and the eastern FAB Resource Area were initially acquired by Utah from third parties who had located unpatented lode claims. By 1963, Utah had acquired title and interest to the unpatented lode claims from various third parties, and after doing so, merged with Utah Construction and Mining Company (Utah CM). In 1968, Utah CM patented the lode claims, which make up the majority of the Area 5 and eastern FAB Resource Areas. In 1973, Utah CM conveyed its interests to Utah International Inc. (UII). In 1976, UII conveyed its interest to Lucky Mc Uranium Corporation, which subsequently changed its name to Pathfinder Mines Corporation (PMC). PMC was purchased by COGEMA in the 1980s, and, in 2013, URE acquired PMC.
With respect to portions of the FAB Resource Area, Tidewater initially located unpatented lode claims, then sought and received patents (early 1960s). Tidewater then merged with Getty, who received additional patents for lode and mill site claims (1973), which completes the interests in the western FAB Resource Area. In 1984, Getty conveyed its interest to Getty Mining Company, which subsequently conveyed the interest to Petrotomics. In 1985, Petrotomics deeded all its interest in what is now the FAB Resource Area to PMC. Additionally, PMC controls 29 unpatented lode mining claims within the FAB and Area Five Resource Areas. In 2005, PMC acquired a 100% interest on 70 contiguous acres from two mineral and surface fee owners southeast of, and contiguous to, the Area 5 Resource Area.
5.2 Exploration and Development by Previous Owners and Operators
Utah’s exploration operations at Shirley Basin were well managed and extremely efficient. After staking mining claims, Utah immediately commenced a successful exploratory drilling program in July 1957. Utah’s first ore-hole was drilled in August 1957 in what is now Pit 3, followed by an extensive exploration drilling program. Sufficient resources were soon discovered to warrant development, and in June 1959 underground mine construction was started in what is now the northern portions of Pit 2. Production by Utah/PMC over the years was by three different methods. Initial mining was by underground methods, with the ore shipped to Utah’s Lucky Mc mill in the Gas Hills. However, underground mine dewatering proved difficult. Consequently, underground activities were abandoned in 1963 and replaced by the first successful commercial ISR operation in the U.S., employing acid leach methods. In 1970, production demands caused Utah to switch to open pit mining. All mining past that point was by open pit mining. A mill to process the ore on site was commissioned in 1971.
| Ur-Energy – Shirley Basin ISR Uranium Project |
|
|
| Technical Report Summary – March 4, 2024 |
| Page 16 |
|
|
|
|
Prior to acquisition by URE more than 9,400 exploration and development rotary drilled holes were drilled and logged by Utah/PMC and Petrotomics within or near the current Project area. Most had been drilled prior to 1984 as delineation holes for past mined open pits and as regional exploration holes; however, more than 3,200 holes were drilled within the current FAB Trend and Area 5. Pre-stripping of portions of the FAB Trend had been initiated adjacent to Pit 8, and at the east end of the trend adjacent to Pit 3. Pre-stripping had progressed to approximately 50-75 ft. in depth by the time mining ceased.
5.3 Significant Historical Mineral Resource and Mineral Reserve Estimates
When PMC open pit operations in the District ceased in 1992, substantial mineral resources remained in the ground. COGEMA formed an ISL Resource Assessment Group in 1994 to evaluate remaining resources in the Project and their suitability for ISR. The primary resource area was identified as the FAB Resource Area or FAB Trend, which is primarily located in the southern portions of Sections 33, 34 & 35, Township 28 North, Range 78 West (Figure 4). This resource represents the connecting mineral trend within the Main Sand between past production in the Pit 2/8 complex and Pit 3. The Pit 2/8 complex produced approximately 18 million lbs. of U3O8 and Pit 3 produced approximately 7 million lbs. U3O8. A second area (Area 5 Resource Area), in the northwest portion of the Project (Figure 4), was also evaluated by the ISL Resource Assessment Group.
In annual uranium reserve summary reports from 1994 to 1998, COGEMA identified approximately 7 million lbs. of U3O8 in the FAB Trend and Area 5 as resources that could potentially be mined by solution methods. These earlier resource estimates are relevant as they provide an indication of the mineralization in the area; however, they do not differentiate resources in terms of currently recognized resource categories (Measured, Indicated and Inferred), and they do not meet the professional definition standards and guidelines for the reporting of exploration information, mineral resources and mineral reserves for the purpose of S-K 1300. URE has not treated this historical estimate as current mineral resources or mineral reserves, and it is superseded by the current mineral resource estimate in this Report.
In 2010, AREVA (formerly COGEMA) completed a more comprehensive resource evaluation for the FAB Trend and Area 5. Termed a “GT Layer Resource Model,” it was largely a geostatistical approach based on mineralized intercept data from historical delineation drill holes completed in the two resource areas. GT values for mineralized holes were accumulated per each 10-ft. elevation slice. The resulting GT values were contoured for each elevation slice using a kriged or distance-weighted average GT contour method, and the sub-total resources for each slice were calculated. The totals listed in Table 3 represent the total of all slices and include some mineralization in the White River Formation. No geological interpretation was involved.

Figure 4. Shirley Basin Project Resource Areas
| Ur-Energy – Shirley Basin ISR Uranium Project |
|
|
| Technical Report Summary – March 4, 2024 |
| Page 17 |
|
|
|
|
Table 3. 2010 Historical PMC Shirley Basin Project Resource Summary
| GT Cutoff | 0.01 | 0.10 | 0.25 | 0.50 | 1.00 | |
| FAB Area | lbs U3O8 Avg GT Avg Grade | 15.81M 0.025 0.030% | 12.43M 0.359 0.138% | 9.28M 0.631 0.218% | 6.25M 1.035 0.322% | 3.43M 1.784 0.493% |
| Area 5 | lbs U3O8 Avg GT Avg Grade | 2.58 M 0.022 0.016% | 1.47M 0.239 0.106% | 0.80M 0.450 0.188% | 0.35M 0.772 0.275% | 0.10M 1.334 0.461% |
| Total Resource | lbs. U3O8 | 18.39M | 13.90M | 10.08M | 6.60M | 3.53M |
Note: These resources were not modeled using GT contouring methods. URE believes that the kriging methods used to develop these resources were not appropriate and may have inflated the resources. This data is provided for informational purposes only and URE does not treat these estimates as mineral resources or mineral reserves.
The estimation was done using multiple GT cutoffs for both the FAB and Area 5 Resource Areas.
This historical resource estimate is relevant as it provides an indication of the magnitude of remaining resources in the FAB and Area 5 Resource Areas. However, not all the resources in this historical estimate should be considered as suitable for ISR production. Also, this historical resource estimate does not differentiate resources in terms of currently recognized resource categories (Measured, Indicated and Inferred), and does not meet the professional definition standards and guidelines for the reporting of exploration information, mineral resources and mineral reserves for the purpose of S-K 1300. URE has not treated this historical estimate (Table 3) as current mineral resources or mineral reserves, and it is superseded by the current mineral resource estimate in this Report.
5.4 Production
No production has taken place within the District since 1992. Prior to that time, based on internal PMC reports, a combined 51,263,100 lbs. U3O8 were mined from the District. Of this total, PMC (and its predecessor company - Utah) produced 28,263,100 lbs. U3O8. PMC’s total production was the result of a combination of underground mining, ISR operations and open pit mining within property currently controlled by URE. Historical production within the District is shown in Table 4.
Table 4. Shirley Basin Historical Uranium Production (1960-1992)
| Company | Method | Pounds U3O8 |
| Utah | Underground | 1,200,000 |
| Utah | ISR | 1,500,000 |
| Utah/PMC | Open Pit | 25,563,100 |
| Petrotomics | Open Pit | 22,000,000 |
| Homestake/Others | Open Pit | 1,000,000 |
|
| Total | 51,263,100 |
| Ur-Energy – Shirley Basin ISR Uranium Project |
|
|
| Technical Report Summary – March 4, 2024 |
| Page 18 |
|
|
|
|
Underground Mining – Utah began underground mine construction in June 1959. Underground methods were selected because portions of the reserves were too deep for open pit mining under the small production quotas allocated at the time by the U.S. Atomic Energy Commission (AEC). The first ore was produced in March 1960. The ore was transported to Utah’s Lucky Mc mill in the Gas Hills Uranium District for processing. Unstable mining conditions, attributed to the unconsolidated nature of the ore sands and high flow of groundwater, resulted in high mining costs. Near the end of this mining phase, 4,000-5,000 gpm had to be pumped from the mine to maintain the operation. Underground drifting stopped in November 1963 when the decision was made to switch to solution mining. A total of 110,000 tons of ore were mined from underground operations containing 1.2 million lbs. U3O8.
ISR Operations – It was recognized early in the underground mining phase that the troublesome issues related to poorly consolidated permeable host sands and high groundwater flow could be positive factors for ISR. For this reason, research into ISR began in 1961. This research focused on the site hydrological conditions, optimum geometry of wellfield patterns and production/injection well designs.
Commercial ISR operations commenced in 1963 and continued into 1970, when dewatering associated with open pit mining stopped operations. These were the first commercial ISR operations in the U.S. and were considered technologically and economically successful. Produced mining solutions were pumped to a uranium recovery plant on the property, containing ion exchange, elution and stripping columns. A uranium slurry from this plant was concentrated and shipped to the Lucky Mc mill for final processing. A total of 1.5 million lbs. U3O8 were produced through ISR methods.
Open Pit Mining – In November 1968, Utah announced plans to initiate large-scale open pit mining operations and to construct an 1,800 ton/day mill on its Shirley Basin property. Overburden stripping began in 1969 and, in July 1970, ISR production was halted. The mill first began processing ore from open pit operations in 1971. Production came from three large open pits: Pits 2, 3 and 8. Pit 3 and most of Pit 2 were on ground initially acquired by Utah. Pit 8 was on ground acquired from Petrotomics. All historical underground workings and the area mined by ISR were eventually removed by open pit mining within Pit 2. PMC’s open pit mining operations were terminated in 1992 and produced a total of 25,563,100 lbs. U3O8.
| Ur-Energy – Shirley Basin ISR Uranium Project |
|
|
| Technical Report Summary – March 4, 2024 |
| Page 19 |
|
|
|
|
6.0 GEOLOGICAL SETTING, MINERALIZATION, AND DEPOSIT
6.1 Regional Geological Setting
The Shirley Basin is a small structural basin with a complex structural history. The latest and most prominent structural events were associated with the Laramide Orogeny of Late Cretaceous to Early Paleogene age. During this orogeny, basement uplifting within the surrounding Granite and Shirley Mountains to the west and southwest and within the Laramie Mountains to the east and northeast formed a broad, shallow, southward-plunging basin. Within this basin, post-Laramide Tertiary sediments were unconformably deposited on an eroded surface of mid Cretaceous strata. These Cretaceous sediments dip approximately 2-12° to the southwest.
6.2 Shirley Basin Stratigraphy
Cenozoic and Mesozoic sediments present on the surface and in the sub-surface at Shirley Basin are illustrated stratigraphically on Figure 5. The following summarizes the geologic formations, from shallowest to deepest, below, above and including the host sandstones of the Eocene-age Wind River Formation.
Quaternary – Thin sequences of alluvial sediments occur along intermittent and perennial stream drainage systems. These fine-grained sediments have been eroded from Tertiary and Cretaceous rocks.
Arikaree Formation (Miocene), fluvial and lacustrine – This formation consists of alternating beds of fine to medium-grained, calcareous, light-gray, tuffaceous sandstones; lenticular conglomerates; and fresh-water limestones. The maximum thickness of this formation is 180 ft. While the Arikaree is not present within the District, exposures on the periphery of the structural basin have been described by Harshman, 1972.
White River Formation (Oligocene), fluvial and lacustrine – This thick sequence of tuffaceous sediments has a maximum thickness of 750 ft. An upper member consists of tuffaceous siltstones, interbedded with coarse-grained sandstone and boulder conglomerates. A lower member is predominately tuffaceous siltstones, but contains sequences of claystones, sandstones, conglomerates and fresh-water limestone. Locally, the White River Formation contains small concentrations of uranium mineralization.
Wagon Bed Formation (Eocene), fluvial and lacustrine – Where present, it consists of interbedded coarse-grained arkosic sandstones, silicified siltstones and claystones, and fresh-water limestones. The maximum observed thickness of this formation is 155 ft. It is not present in the Project area, having been removed by erosion prior to deposition of the White River Formation.
| Ur-Energy – Shirley Basin ISR Uranium Project |
|
|
| Technical Report Summary – March 4, 2024 |
| Page 20 |
|
|
|
|
Figure 5. Stratigraphic Column

| Ur-Energy – Shirley Basin ISR Uranium Project |
|
|
| Technical Report Summary – March 4, 2024 |
| Page 21 |
|
|
|
|
Wind River Formation (Eocene), fluvial – This formation is the primary host for uranium deposits in the Shirley Basin and consists of sequences of medium to coarse-grained arkosic sandstones, interbedded with claystone shale, clayey siltstones and thin lignites. Locally, there are intervals of boulder conglomerates, although these have not been observed within the Project area. The maximum thickness of this formation ranges from 450-550 ft.
Steele Shale (Cretaceous), marine – This is the youngest Cretaceous formation recognized in the Shirley Basin. This formation consists of thin-bedded, dark gray clay shale and some siliceous, medium-grained, light-gray sandstones. The Steele Shale is soft and easily eroded. It has an estimated thickness of 1,500-2,000 ft. This formation has been removed by pre-Tertiary erosion in the Project area and is present only in the far northeastern portion of the District.
Niobrara Formation (Cretaceous), marine – This formation consists of dark gray to black locally calcareous shale, interbedded with thin limey sandstones. Total estimated thickness of this formation is 900 ft.
Frontier Formation (Cretaceous), marine – The majority of the formation consists of gray to dark gray, thin-bedded carbonaceous shale. The top of the Frontier Formation is represented by the Wall Creek Sandstone member. This member consists of a series of fine to medium-grained sandstones, interbedded with dark gray shale. The sands are cemented with calcium carbonate and are very resistive to erosion. They have also been a prolific oil producer throughout Wyoming. Thickness is approximately 110 ft. Total estimated thickness of the Frontier Formation (including the Wall Creek Sandstone) is 900 ft.
6.3 Project Geology
In the Project area, the primary hosts for uranium mineralization are arkosic sandstones of the Eocene-age Wind River Formation. This formation was unconformably deposited on gently-dipping shales and sandstones of the Cretaceous-age Niobrara and Frontier Formations. The White River Formation unconformably overlies the Wind River Formation and outcrops on the surface throughout most of the Project, with thicknesses ranging from a thin veneer in the FAB Resource Area to over 250 ft. in Area 5 (see Figure 6).
The Wind River sediments in the Project area were deposited as part of a large fluvial depositional system. The lithology of the Wind River Formation is characterized by thick, medium to coarse-grained, arkosic sandstones separated by thick claystone units. Sandstones and claystones are typically 20 - 75 ft. thick. Minor thin lignite and very carbonaceous shale beds occur locally. These fluvial sediments are located within a large northwest-trending paleochannel system with a gentle 1° dip to the north (Bailey and Gregory 2011).
The average thickness of the Wind River Formation within the Project area is approximately 230 ft. (see Figure 7). The two most dominant sandstones are named the Main and Lower Sands as shown on Figure 8 (cross section locations are shown on Figures 6, 16 & 17).
| Ur-Energy – Shirley Basin ISR Uranium Project |
|
|
| Technical Report Summary – March 4, 2024 |
| Page 22 |
|
|
|
|
Figure 6. Geology Map

| Ur-Energy – Shirley Basin ISR Uranium Project |
|
|
| Technical Report Summary – March 4, 2024 |
| Page 23 |
|
|
|
|
Figure 7. Type Log

| Ur-Energy – Shirley Basin ISR Uranium Project |
|
|
| Technical Report Summary – March 4, 2024 |
| Page 24 |
|
|
|
|
Figure 8. Cross Sections FAB Trend & Area 5

| Ur-Energy – Shirley Basin ISR Uranium Project |
|
|
| Technical Report Summary – March 4, 2024 |
| Page 25 |
|
|
|
|
The Lower Sand represents the basal sand unit of the Wind River Formation and in places lies directly above the underlying Cretaceous formations. The Main Sand typically lies approximately 15 - 25 ft. above the Lower Sand. Locally, the two sands merge where the intervening claystone unit is absent. Typical thickness of the Lower Sand ranges from 25 - 50 ft. and that of the Main Sand from 40 - 75 ft. Less dominant sands are common within the Wind River Formation. One in particular has been referred to as the Upper Sand and is present within much of the FAB Trend, lying approximately 25 ft. above the Main Sand. Claystone units are normally at least 10 ft. thick and commonly are 20 - 50 ft. thick.
The average depth to the top of the Main Sand in the FAB Trend is approximately 270 ft. and the average depth to the base of the Lower Sand is 400 ft. Area 5 is down-dip; therefore, the units are slightly deeper. The average depth to the top of the Main Sand in Area 5 is approximately 360 ft. and the average depth to the base of the Lower Sand is 490 ft.
Regional alteration systems related to roll front development followed the Wind River Formation depositional patterns. Two major alteration systems developed, one in the Lower Sand and one in the Main Sand. Major historical ore bodies in the southern portions of the District were mainly in the Lower Sand and lower alteration system, while those in the central and northern portions of the District were in both the Lower and Main Sands. PMC’s Pit 3 was mined only in the Main Sand. Pits 2 and 8 were mined in both sands and both alteration systems.
Mineralized core of the Main Sand, collected during URE’s 2014 confirmation drilling program, was described by geologists as medium- to coarse-grained, friable sandstone, clean, uncemented but weakly to moderately compacted. Laboratory testing of physical parameters of these core samples yielded an average horizontal permeability (to air) of 3,319 millidarcies, and an average porosity of 26.8%. In addition, similar testing of an overlying claystone unit yielded a vertical permeability of 4.56 millidarcies, and a sample from the underlying claystone unit had a vertical permeability of 0.93 millidarcy. The results of these initial tests indicate conditions are suitable for uranium ISR, a high permeability host aquifer confined by low permeability aquitards.
Bulk density analyses were also conducted on two core samples from the Main Sand. These analyses yielded an average tonnage factor (density) of 15.7 cubic (cu.) ft. per ton for the host sandstone. This compares favorably to the historical PMC tonnage factor of 16.0 cu. ft. per ton, which was used in URE’s current resource estimate.
Chemical analyses for trace metals and accessory minerals of 33 samples collected from the two 2014 core holes were performed by Inter-Mountain Labs, Inc. (IML) now Pace Analytical. Trace metal analysis was done using inductively coupled plasma mass spectrometry (ICP-MS) methods employing 3-acid digestion (nitric, hydrochloric and hydrogen peroxide: EPA Method 3050). All samples represent approximately one-foot intervals and were collected from within, or adjacent to, mineralized intervals. Results for selected analytes which could potentially impact uranium ISR or processing are listed Table 5 below.
| Ur-Energy – Shirley Basin ISR Uranium Project |
|
|
| Technical Report Summary – March 4, 2024 |
| Page 26 |
|
|
|
|
Table 5. Summary of Select Analytical Results from Shirley Basin Core
| Analyte | Average Concentration |
| As | 9.5 ppm |
| Mo | 10.4 ppm |
| Pb | 15.8 ppm |
| Se | 2.9 ppm |
| V | 71.0 ppm |
| C(org) | 0.17% |
| CaCO3 | 1.88% |
None of the analytes shows contents which would impede uranium recovery. Vanadium values are elevated; however, vanadium recovery during bottle roll leach tests was very low.
Petrographic and mineralogical analyses were conducted by Hazen Research, Inc. (Hazen) on behalf of PMC in 2014 on two mineralized core samples. The samples were selected from two core holes, each testing the “nose” environment of separate roll fronts in the Main Sand within the FAB Trend. Uranium analysis by Hazen showed the grade of sample FAB-8C 248.5 to be 0.26% U3O8, near the average grade for the FAB Trend. Sample FAB-9C 344.4 is of higher grade at 0.70% U3O8. Mineralogical analysis was performed on polished sections using QEMSCAN technology. Selected portions of the samples were also analyzed by x-ray diffraction (XRD).
Table 6 lists the semi-quantitative abundance analysis of the minerals identified in the two samples. The results are consistent with that of a clean uranium bearing arkosic sandstone. The main minerals are quartz, potassium-rich feldspar, and clay minerals (possibly swelling). The clay fraction varied from 9% to 14% (by mass). Clay mineralogy was not identified but is likely mostly smectite with some kaolin. Pyrite content is lower than expected, at 0.9% to 1.5%. Carbonate (calcite) content is variable. Sample FAB-8C 248.5 contained very little carbonate, while FAB-9C 344.4 was locally calcite cemented, showing a total of 6.1% carbonate. Uranium mineralization is not prevalent in calcite-rich zones. Microscopic estimation of porosity for both samples is 25%.
Other minerals identified in the sand include mica or clinochlore (or both) and trace levels of zircon, epidote, titanite (sphene), and calcium sulfate (probably gypsum). The “miscellaneous” and “unidentified” categories in Table 6 include minerals that occur at very low levels or analysis points that could not be positively identified.
Uranium mineralogy was identified as uraninite [UO2], possibly with coffinite [U(SiO4)1-x(OH)4x], occurring in an undiscernible crystal morphology smaller than 1µm. The uranium minerals are mainly finely disseminated and adhered to clays that occur in the interstitial spaces between quartz and feldspar grains. They also occur in clay-rich coatings on quartz and feldspar grains, as fracture fillings in the sand grains, in weathered or altered grains of feldspar, and locally as inclusions within pyrite grains.
| Ur-Energy – Shirley Basin ISR Uranium Project |
|
|
| Technical Report Summary – March 4, 2024 |
| Page 27 |
|
|
|
|
Table 6. Semi-quantitative Mineral Abundance Analysis
| Sample | FAB-8C 248.5 | FAB-9C 344.4 |
| Mineral | Analysis, mass% | |
| Uraninite | 0.001 | 0.09 |
| Uraninite or coffinite with clay | 3.9 | 9.3 |
| Quartz | 47 | 38 |
| Feldspar | 31 | 32 |
| Mica or clinochlore | 2.1 | 2.8 |
| Clay (Mg–Ca–K–Fe–Al silicate) | 14 | 9 |
| Pyrite | 0.9 | 1.5 |
| Carbonate | 0.1 | 6.1 |
| Zircon | 0.03 | 0.01 |
| Epidote | 0.4 | 0.1 |
| Titanite | 0.02 | 0.03 |
| Ca-sulfate | 0.001 | 0.2 |
| Miscellaneous | 0.3 | 0.8 |
| Unidentified | 0.1 | 0.1 |
| Total | 100 | 100 |
Figure 9 is a backscatter electron photomicrograph of a polished section from sample FAB-9C 344.4. It illustrates the presence of uranium associated with interstitial clay and with clay-rich coatings on sand grains.
The results of the Hazen petrographic analyses indicate that the mineralogical characteristics of the FAB Trend should be amenable to uranium ISR and are similar in most respects to those of other Wyoming deposits which have been successfully mined by ISR methods.
6.4 Significant Mineralization
All uranium mineralization at the Project occurs as roll front deposits. Virtually all significant mineralization, including the past production, is hosted by the Main Sand or the Lower Sand. Limited uranium mineralization has also been encountered in the less pervasive upper Wind River Formation sandstones and in sandstones of the overlying White River Formation. These upper sandstones, however, are viewed as marginal targets and evaluation to date has been limited.
Each of the primary host sands is occupied by a regional roll front alteration system which closely follows the depositional patterns established by Wind River-age fluvial paleo channels. The alteration systems, in turn, develop multiple stacked roll fronts at their terminal ends or lateral edges, such that the Main Sand has as many as ten distinct roll fronts and the Lower Sand up to five roll fronts.
| Ur-Energy – Shirley Basin ISR Uranium Project |
|
|
| Technical Report Summary – March 4, 2024 |
| Page 28 |
|
|
|
|

Figure 9. Backscatter Electron Photomicrograph – Uranium Mineralization (Bright) Associated with Clays Surrounding Quartz and Feldspar Grains
The FAB Trend is the primary target for potential uranium ISR. Mineralization occurs primarily in the Main Sand and represents an arcuate trend which links past Main Sand production in Pits 2/8 to that in Pit 3. (see Figure 10). The trend represents a composite of multiple stacked roll front mineral horizons spanning a length of approximately 11,000 ft. (2 miles) and varying in width from 250-1,000 ft. Mineralization occurs within a 200-ft. depth interval, ranging from 200-400 ft. Within a given roll front, mineralization exhibits strong horizontal continuity parallel to the orientation of the reduction-oxidation (redox) interface.
Mineralization in Area 5 is also a target for ISR. Mineralization in Area 5 is hosted in both the Main and Lower Sands near the northern terminus of those regional alteration tongues. Resources occur in two loosely defined, north-south oriented trends which are located along the lateral flanks of the alteration tongues. The western flank contains the highest occurrences of mineralization. The eastern trend is less defined and holds fewer resources. The western trend is approximately 3,000 ft. long by 1,000 ft. wide, and the eastern trend is approximately 2,500 ft. long by 500 ft. wide. Together, the two trends represent a resource area approximately 3,000 ft. long by 2,000 ft. wide. Similar to the FAB Trend, each sand hosts multiple stacked roll fronts. Depth to mineralization in the Main Sand in Area 5 ranges from 380-500 ft. and from 470-530 ft. in the Lower Sand. Geometry of the individual roll fronts in this area is very similar to that described above for the FAB Trend.
| Ur-Energy – Shirley Basin ISR Uranium Project |
|
|
| Technical Report Summary – March 4, 2024 |
| Page 29 |
|
|
|
|

Figure 10. Mineralized Trends
6.5 Deposit
Uranium mineralization identified throughout the District occurs as roll front-type deposits. Because of the extensive uranium exploration activities conducted in the Shirley Basin during the early years of the U.S. uranium industry (the late 1950s through early 1960s), many of the fundamental concepts of the roll front model were developed by early Shirley Basin geologists studying the underground and open pit workings. Harshman, 1972, provides a detailed analysis of the geology and uranium deposits of the Shirley Basin area.
The photograph shown in Figure 11 was taken in one of the Shirley Basin open pits and illustrates a cross sectional view of a roll front. In this case, the roll front has migrated from left to right. The crescent shape configuration of the mineralization within the sand is clearly evident. Oxidized sand is observed to the left of the roll. Colors in this photo are distorted due to the age of the photo.
| Ur-Energy – Shirley Basin ISR Uranium Project |
|
|
| Technical Report Summary – March 4, 2024 |
| Page 30 |
|
|
|
|
| In the western U.S. and south Texas, roll front-type deposits have been successfully produced through ISR mining for nearly 60 years. The formation of roll front deposits is largely a groundwater process that occurs when uranium-rich, oxygenated groundwater interacts with a reducing environment in the subsurface and precipitates uranium. The most favorable host rocks for roll fronts are permeable sandstones within large aquifer systems. Interbedded mudstone, claystone and siltstone are commonly present and aid in the formation process by focusing groundwater flux. The geometry of mineralization is dominated by the classic roll front “C” shape or crescent configuration at the alteration interface as shown conceptually in Figure 12. The highest grade portion of the front occurs in a zone termed the “nose” within reduced ground just ahead of the alteration front. Ahead of the nose, at the leading edge of the solution front, mineral quality gradually diminishes to barren within the “seepage” zone. Trailing behind the nose, in oxidized (altered) ground, are weak remnants of mineralization referred to as “tails” which have resisted re-mobilization to the nose due to association with shale, carbonaceous material or other lithologies of lower permeability. Tails are generally not amenable to ISR because the uranium is typically found within strongly reduced or impermeable strata, therefore making it difficult to leach.
|
|
Figure 11. Photo of Shirley Basin Roll Front |
There are two potential sources of the uranium for the District: (1) leaching of uraniferous Oligocene volcaniclastics which once covered the region and (2) weathering and leaching of uraniferous Archean granite of the Laramie and Shirley Mountains (north, east and southwest of the District) which also represent the provenance of the arkosic sands within the Wind River Formation in the District.
Oxygenated surface water passing through the overlying thick sequences of volcaniclastic material may have leached metals, including uranium. These metal-enriched fluids may have also leached additional uranium from the granitic content of the arkosic sands which compose the aquifers. The enriched, oxidizing fluids subsequently entered the regional groundwater systems within the basin and migrated down-gradient through the aquifers as large oxidizing geochemical cells referred to as solution fronts.
Uranium precipitated in the form of roll front deposits at the leading edge of the geochemical cells where it encountered reducing geochemical environments within the host sands. Mineral quality was enhanced where groundwater flux was focused horizontally by paleochannels or vertically by aquitards. Continuity of these conditions produced a significant accumulation of uranium at the redox interface. Renewed supply of oxygen to the system allowed slow migration of the uranium deposit down-dip over geologic time.
| Ur-Energy – Shirley Basin ISR Uranium Project |
|
|
| Technical Report Summary – March 4, 2024 |
| Page 31 |
|
|
|
|
Figure 12. Conceptual Uranium Roll Front Deposit

| Ur-Energy – Shirley Basin ISR Uranium Project |
|
|
| Technical Report Summary – March 4, 2024 |
| Page 32 |
|
|
|
|
The oxidized mineralizing solutions typically carry and precipitate other metals in addition to uranium. At Shirley Basin, Harshman (1974) documented the deposition of vanadium, selenium and epigenetic iron as pyrite in close association with the uranium roll front.
The reducing environment in the host sand is generally the result of carbonaceous material within the formation or leaked reductant gases originating from deep hydrocarbon sources. Pyrite is inherently associated with both and is a significant indicator of a reducing environment. Reduced sands are typically light to medium gray and represent the regional framework prior to mineralization. The reducing environment is subsequently altered by the passage of the oxidizing solution front. Alteration typically involves oxidation of pyrite and other iron-bearing minerals to limonite/goethite, or locally hematite, and destruction of carbonaceous material. As a result, altered (oxidized) sands in Shirley Basin are typically yellowish green, pale yellow, tan and, less commonly, reddish brown in color.
Mineralization within a roll front varies considerably in size and shape, but is generally long, narrow and sinuous in map view. The total length of a mineral trend may extend for several miles. Commonly, a deposit or mineral trend will consist of a composite of multiple roll fronts. Typical width of an individual roll front is generally 25-50 ft. However, in the case of multiple fronts, the composite width may be several hundred feet across. Typical thickness of an individual roll front is roughly 5-25 ft. and the composite thickness of multiple fronts may be as much as 70 ft.
Roll front development in the District was the product of two large, regional geochemical alteration systems, or tongues, each occupying either the Main Sand or the Lower Sand of the Wind River Formation. Multiple individual roll fronts developed at the terminal ends and also along the lateral perimeters of these regional tongues.
| Ur-Energy – Shirley Basin ISR Uranium Project |
|
|
| Technical Report Summary – March 4, 2024 |
| Page 33 |
|
|
|
|
7.0 EXPLORATION
Since acquiring the Project, URE performed no exploration, other than the confirmatory drilling program and pump tests described below. An extensive review of historical PMC drill hole data, however, was undertaken by URE in order to estimate existing uranium resources within the property boundaries. Over 3,200 drill holes in the FAB and Area 5 Resource Areas were evaluated.
This evaluation included the use of historical down-hole electric logs, lithology logs, drill hole location maps, summaries of mineralized drill hole intercepts and survey coordinates for drill holes.
7.1 Drilling
7.1.1 Historic Drilling
Prior to acquisition by URE more than 9,400 exploration and development rotary drilled holes were drilled and logged by Utah/PMC and Petrotomics within or near the current Project area. Most had been drilled prior to 1984 as delineation holes for past mined open pits and as regional exploration holes; however, more than 3,200 holes were drilled within the current FAB Trend and Area 5.
7.1.2 Ur-Energy Confirmation Drilling
In 2014 URE completed a limited confirmation drilling program within the FAB and Area 5 Resource Areas. The primary goals of the program were:
|
| · | Confirmation of the location and nature of mineralization as reported by historical PMC data; |
|
|
|
|
|
| · | Stratigraphic investigation to confirm lithology and to confirm overlying and underlying hydrogeological confinement; and |
|
|
|
|
|
| · | Collection of core for leach testing and analyses of uranium, mineralogy, trace metals, disequilibrium, permeability, porosity and density. |
The confirmation drilling program consisted of 14 near-vertical rotary drill holes, including two core holes for a total drilling footage of 6,588 ft. (see Table 7). In the FAB Trend, drilling consisted of eight rotary holes and the two core holes (see Figure 16). The remaining four rotary holes were drilled in Area 5 (see Figure 17). All drilling was mud-rotary type conducted by contracted drill rigs. The drill rigs were truck-mounted, water well-style rigs rated to depths of 1,000-1,500 ft. The non-core holes served a dual purpose of mineral confirmation and stratigraphic investigation. All were positioned in locations intended to approximate that of selected historical drill holes with the goal of replicating reported mineralization. In addition, the lithology of overlying and underlying clay units was evaluated as potential aquitards for ISR. The total depth of these holes extended at least 60 ft. below the mineralized zones to evaluate the lithology and hydrogeological characteristics of underlying Wind River claystones and Cretaceous shales.
| Ur-Energy – Shirley Basin ISR Uranium Project |
|
|
| Technical Report Summary – March 4, 2024 |
| Page 34 |
|
|
|
|
Table 7. Summary of URE Confirmation Drilling Results
| Resource Area | # Holes | Total Drilled Depth (ft.) | Avg Depth (ft.) | # Holes with Potentially Economic Mineral | # Mineral Intercepts (gamma) | # PFN Logged Holes | # PFN Logged Intercepts |
| FAB | 10 | 4,260 | 426 | 8 | 9 | 6 | 8 |
| Area 5 | 4 | 2,328 | 582 | 2 | 4 | 1 | 2 |
| Total | 14 | 6,588 | 10 | 13 | 7 | 10 |
The rotary drill hole data confirmed the presence and nature of the uranium mineralization and substantiated the validity of historical PMC data. Open-hole gamma and prompt fission neutron (PFN) logging of the confirmation drill holes verified the presence of high-grade roll front uranium mineralization in locations identified by historical PMC data and exhibited similar grade and thickness values. The majority of the mineral intercepts were interpreted as encountering the “nose” portion of the roll front system within the targeted sandstone. Deviation surveys were conducted on these near-vertical drill holes, revealing an average bottom-hole deviation of only 3.19 ft. As shown in Table 8, the gamma results include a total of 13 intercepts containing mineralization which meets or exceeds criteria defined by URE as potentially economic for the Project (i.e., GT ≥ 0.25 with a minimum grade cutoff of 0.020% eU3O8). The PFN results on 10 of these logged gamma intercepts show an average Disequilibrium Factor (DEF) of 1.03, indicating that the uranium mineralization is at or near chemical equilibrium and confirms that measurement of mineralization by gamma methods is a valid tool at the Project.
Table 8. Summary of Mineralized Intercepts – URE Confirmation Drilling
| Hole No. | Depth (ft.) | Thickness (ft.) | Grade (eU3O8(1)) | GT (gamma) | GT (PFN) |
| A5-002 | 427.5 | 9.5 | 0.067% | 0.64 | --- |
| A5-004 | 403.0 | 6.5 | 0.147% | 0.96 | 1.03 |
| A5-004 | 415.0 | 6.5 | 0.059% | 0.39 | 0.38 |
| A5-004 | 528.5 | 11.0 | 0.039% | 0.43 | --- |
| FAB-002 | 311.5 | 8.0 | 0.502% | 4.02 | 3.27 |
| FAB-004 | 223.5 | 6.0 | 0.056% | 0.34 | 0.33 |
| FAB-004 | 255.0 | 12.0 | 0.230% | 2.76 | 2.30 |
| FAB-005 | 242.0 | 12.5 | 0.321% | 4.01 | 4.51 |
| FAB-006 | 331.0 | 19.0 | 0.160% | 3.04 | --- |
| FAB-007 | 312.0 | 9.0 | 0.224% | 2.02 | 2.01 |
| FAB-007 | 322.0 | 7.0 | 0.076% | 0.53 | 0.62 |
| FAB-008C | 242.0 | 13.0 | 0.225% | 2.93 | 3.32 |
| FAB-009C | 331.0 | 19.0 | 0.189% | 3.59 | 4.02 |
(1) % eU3O8 is a measure of gamma intensity from a decay product of uranium and is not a direct measurement of uranium. Numerous comparisons of eU3O8 and chemical assays of Shirley Basin core samples, along with historical mining experience, indicate that eU3O8 is a reasonable indicator of the chemical concentration of uranium.
| Ur-Energy – Shirley Basin ISR Uranium Project |
|
|
| Technical Report Summary – March 4, 2024 |
| Page 35 |
|
|
|
|
The drilling results also provided valuable information regarding the distribution and character of the Main and Lower Sands of the Wind River Formation. Hydrogeological confinement above the host sandstones is provided by competent overlying Wind River Formation shale, generally in excess of 20 ft. thick, and underlying confinement is provided by both Wind River and Cretaceous shales, which, in combination, are typically in excess of 800 ft. thick.
The seven best intercepts had GTs ranging from 2.02 to 4.01, with an average grade of 0.24% eU3O8. Included within these mineralized intercepts are several significantly higher grade intervals:
2.5 ft. of 1.02% eU3O8 (hole FAB‐002)
2.5 ft. of 0.74% eU3O8 (hole FAB‐004)
2.5 ft. of 0.67% eU3O8 (hole FAB‐005)
The two core holes were approximately 10 ft. offsets of two URE non-core holes which were representative of the mineral character in the FAB Trend. Mineralization in the two core holes exhibited continuity of grade and thickness with mineralization encountered in the offset rotary drill holes. Coring was done only in selected intervals for the purpose of collecting undisturbed samples for various types of analyses. A total of 64.9 ft. was cored. Average core recovery for the two holes was 80.3%. All holes were logged from surface to total depth by a geophysical logging unit owned and operated by URE. Both core holes were PFN logged in addition to gamma logging. Coring provided 33 samples on one-foot intervals which were sent to laboratories for various chemical analyses and testing of physical properties.
All 14 drill holes and core holes were plugged and abandoned in accordance with LQD regulations. The holes were cemented from the bottom of the hole to the surface. After the cement dried and settled, the holes were topped-off with bentonite chips to within 10 ft. of the surface. A cement cap was placed from a depth of 10 ft. to 2 ft. from the surface. The remaining 2 ft. of hole was filled with soil.
No drilling, sampling or recovery factors were recognized that could materially impact the accuracy and reliability of the resource estimates presented in this Report.
7.1.3 Geological Logging
Standard operating procedure for all previous operators was for the driller or his helper to collect cuttings samples on 5-ft intervals and lay those samples out on the ground in rows of 20 samples (100 ft). The site geologist examined the cuttings in the field and recorded lithology and geochemical alteration (redox state), which assists in roll front mapping.
Geological logging of uranium exploration holes relies heavily on interpretation of gamma and electrical logs. All holes, by all operators, were probed using a calibrated downhole gamma ray detector to determine eU3O8 as well as provide lithological information. Most holes had electrical logs that provided, resistivity, gamma, SP (spontaneous potential), single point resistance, and neutron logs, all of which are useful for either grade estimation (gamma) or lithology correlation (all logs). Neutron logs are used primarily for porosity estimation. Hard and electronic copies of lithological and geophysical logs are stored by URE in their Casper, Wyoming office.
7.1.4 Drill Holes Used in Mineral Resource Estimation
All drillholes in URE’s database that had geological or geophysical logs were used to support modeling the redox front and the mineral resource estimate.
Drill holes for which no, or questionable, geological or geophysical data were available were excluded from the mineral resource estimate.
| Ur-Energy – Shirley Basin ISR Uranium Project |
|
|
| Technical Report Summary – March 4, 2024 |
| Page 36 |
|
|
|
|
7.1.5 Material Results and Interpretation
Drilling was done using methods that were common to the industry at the time the holes were drilled and are still widely used for uranium exploration. Samples of drill cuttings are not sampled for any type of analysis so no factors relating to sampling of cuttings impact the mineral resource estimate.
Core was sampled for disequilibrium, metallurgical, geochemical and hydrogeological studies. Core drilling methods were and are consistent with industry practices at the time the program was conducted. Sampling was consistent with best practices in the uranium industry. There are no factors relating to core sampling that might impact the mineral resource estimate.
The mineralization is nearly flat lying with dips of approximately 1°. Drill intercept thicknesses are thus essentially equivalent to true thickness.
7.1.6 QP Statements Concerning Drilling Results
Considering the number of drill holes and associated data, the QP did not review all of the drilling information relative to the Project. Rather, the QP reviewed select logs from the FAB Trend and Area 5 and evaluated the quality and nature of the work done by URE and previous owners. In the opinion of the QP, work was conducted using standard industry practices and procedures meeting regulatory requirements in place at the time the work was conducted.
7.2 Hydrogeology
7.2.1 Hydrogeology
Within the Project area, groundwater occurs in three different geologic strata: the surficial alluvial sediments along Spring Creek, the underlying White River Formation and the underlying Wind River Formation. Only the White River and Wind River Formations are present in the proposed ISR mining areas.
The White River Formation consists of a series of arkosic sand and clay layers aggregating to 150 to 200 ft. in thickness. This formation is exposed at the surface across most of the project area and receives direct aquifer recharge via precipitation. Within the Project area, the White River Formation shields the underlying Wind River Formation from direct recharge. However, due to the Wind River Formation’s shallow northeasterly dip, the formation outcrops about 0.75 mile south of the FAB Trend where direct recharge occurs.
Underlying the White River Formation, the uppermost Wind River Formation is characterized by a 50 to 80 ft. thick silt and clay sequence containing scattered lenses of arkosic sands and thin limestone beds. As cited by Jacob and Fisk (1961), Robert E. Melin comments, and the drill data confirm, that these arkosic sands are “discrete channel deposits rather than extensive sheets” and therefore, hydraulically separate.
The 50 to 80 ft. thick silty clay layer acts as an aquitard between the White River Formation and underlying Wind River Formation sands.
| Ur-Energy – Shirley Basin ISR Uranium Project |
|
|
| Technical Report Summary – March 4, 2024 |
| Page 37 |
|
|
|
|
For hydrogeologic discussion purposes, the Wind River Formation is subdivided into three zones: the Lower Sand, Main Sand and Upper Sand. Uranium mineralization is found in all three zones. Melin again states that “the bottom most member of the Wind River Formation is a clay lying on an eroded Cretaceous surface overlain by as much as 100 ft. of conglomeratic arkose,” which is commonly called the “Lower or Basal Sand.” (as cited by Jacob, 1961). This is overlain by up to 50 ft. of clay, which is overlain by another conglomeratic arkosic sand as much as 75 ft. thick (commonly called the “Main Sand”). Quoting Melin, “In much of Section 28, south of the Utah shaft, the ore-bearing unit is medium to very coarse-grained, and is locally pebbly, and locally contains carbonized wood. The unit becomes silty west, and it wedges out against Cretaceous formations to the northeast. Near the shaft (Pit 2 area) the lower part is conglomeratic and uncommonly clean and is highly permeable. The upper part is medium-grained and silty, carbonaceous in places, moderately to heavily cross-bedded, and affected locally by slumping shortly after deposition.” Jacob and Fisk (1961).
Jacob and Fisk (1961) state that “the Main Sand is overlain by a silty clay layer approximately 15 ft. thick that has been eroded through in places before deposition of the overlying arkose layer, which is up to 30 ft. thick.” This arkosic layer is called the “Upper Sand.”
Pump test results (1980s) indicated that the surficial aquifer is hydraulically separate from the underlying White River Formation. Various historical hydrologic studies as well as URE’s pump tests have demonstrated that the White River and underlying Wind River Formations are also hydrologically separated. Further confirmation of this separation is evident by the measured head differences whereby the static water level in the Wind River is lower than the level in the overlying White River Formation, thus creating a vertical downward gradient. The 2014 static water level in the Main Sand is 57 to 105 ft. above the top of the sand in the FAB Resource Area and 188 to 211 ft. above the mineralized sand in the Area 5 Resource Area. A limited amount of mineralization occurs in the Upper Sand within the FAB Resource Area where the static water level is approximately 20 ft. above the top of the sand.
Within the mineralized horizons in the Wind River Formation, the Upper, Main and Lower Sand horizons are all in direct contact one place or another in Area 5 and the FAB Trend, thus in direct hydrologic communication in these areas.
According to Harshman (1972), the groundwater flow direction in the White River and Wind River Formations was to the southeast prior to the commencement of open pit mining. However, as the result of years of open pit mining, pit lakes at the Sullivan/Walker, Jenkins, Petrotomics and Pathfinder properties were created. The pit lakes have altered the natural groundwater flow direction and gradient as they continue to fill and equilibrate with the surrounding aquifers.
7.2.2 Main Sand Hydraulic Properties
Numerous hydrogeologic investigations of the Project have been conducted over the years that generated an abundance of aquifer characteristics data. Between 1959 and 1991, consultants for PMC performed 24 single and/or multiple well pump tests throughout the Project. Pump test results indicated that flow characteristics of the Main Sand vary considerably across the FAB Resource Area. Transmissivity values ranged from 2,000 to 5,200 gpd/ft. in the Pit 3 area, increasing westward from 5,000 to 10,000 gpd/ft. in the Pit 2/8 area. Typical storage coefficient values range from 2 x 10-2 to 1 x 10-4. The transmissivity variability is likely attributable to different fluvial depositional environments: one that created a deeper, coarser-grained primary paleo-stream channel traversing through what is now Pit 2/8, versus a secondary paleo-side tributary comprised of finer-grained sediments that traversed through the Pit 3 area.
| Ur-Energy – Shirley Basin ISR Uranium Project |
|
|
| Technical Report Summary – March 4, 2024 |
| Page 38 |
|
|
|
|
In 2014, URE conducted five Main Sand pump tests: four located in the FAB Trend and one in Area 5. The test durations ranged from four hours for a single well test to 51 hours for multiple well tests. Transmissivity values ranged from 2,500 to 3,500 gpd/ft. in the eastern FAB resource area, increasing westward from 5,500 to 8,300 gpd/ft. in the Pit 2/8 area (western FAB). Area 5 transmissivity values were less variable, ranging from 2,460 to 2,560 gpd/ft. Storage coefficient values ranged from 1.53 x 10-4 to 1.17 x 10-3. A representative storage coefficient for both Resource Areas is 1.8 x 10-4.
In summary, current pump test results are consistent with and validate historical test results. Utah successfully operated an ISR mine from 1963 to 1970 in the Pit 2 area. The hydrogeological data obtained by URE also indicate that the FAB and Area 5 Resource Areas are amenable to solution mining. Furthermore, sufficient head is available within the Main Sand to conduct ISR operations.
7.2.3 Historical Drill Holes
The five pump tests conducted in 2014 were all completed in areas with extensive historical drilling activities which could represent potential avenues of leakage between aquifers. However, there was no observed communication between the Wind River sandstones and the overlying White River Formation during the URE pump tests. This is due to the presence of a thick (up to 80 ft.) Wind River Formation claystone, which overlies the Wind River host sandstones.
There is a high content of bentonite clay in this claystone unit, causing it to swell and quickly create a natural seal. During the 2014 drilling program, down-hole electric logs of the drill holes had to be conducted within one to two hours of drilling completion or the bore hole would swell to the point that the hole could not be re-entered without additional washing with a drill rig. This swelling characteristic has created an effective barrier to groundwater migration between the Wind River and White River Formations. This natural sealing of historical drill holes, in combination with historic hole abandonment, will eliminate intra-formational groundwater movement during pump testing and planned ISR mining on the Project.
7.2.4 QP Comment on Results
The numerous historic and modern pump test results provide sufficient characterization of Project hydrogeology to demonstrate that the Project has sufficient geologic confinement and transmissivity for ISR operations.
In the opinion of the QP, adequate aquifer testing has been conducted to characterize the Project for regulatory and high-level operational purposes. The permit to mine requires additional, mine unit scale aquifer tests to confirm past work and demonstrate communication to perimeter monitor wells along with production zone confinement.
7.3 Geotechnical Data, Testing, and Analysis
In 2021, URE contracted with Inberg-Miller Engineers, a well-respected engineering and surveying company with greater than 50 years’ experience in Wyoming to complete geotechnical drilling, testing, and analysis for the proposed plant foundation and two westernmost proposed holding ponds. The final report, issued in September 2021, indicated the “proposed uranium processing facility can be constructed at the site.” The report further stated that “the proposed two-story office building connected with the maintenance shop, and the plant building can be supported on conventional shallow foundations….” Additional geotechnical work will be required after operations begin if it becomes necessary to construct additional holding ponds.
| Ur-Energy – Shirley Basin ISR Uranium Project |
|
|
| Technical Report Summary – March 4, 2024 |
| Page 39 |
|
|
|
|
8.0 SAMPLE PREPARATION, ANALYSIS AND SECURITY
All mineralization at the Project occurs at depth and does not outcrop. Therefore, investigation of the mineralization is accomplished solely by means of drilling. Similarly, “sampling” of mineralization is accomplished by one or more of three methods derived from the drilling activities, including: down-hole geophysical logging, coring, and drill cuttings. These are described in the following subsections.
8.1 Down-hole Geophysical Logging
All holes drilled on the Project by URE, and its predecessors have been geophysically logged using a down-hole electronic probe. This is standard practice for the U.S. uranium industry. There are two basic types of logs for uranium measurement, gamma logs and PFN logs. A discussion of these follows.
Gamma Logs:
Gamma logs provide an indirect measurement of uranium content in the host rock. They detect the gamma irradiated by a daughter product of uranium decay (214 Bi) under the presumption that chemical equilibrium exists between the source uranium and its progeny. A vehicle-mounted electronic probe is lowered down the hole to total depth and then the natural gamma radiation of the formation is measured as the probe is drawn to the surface. Modern logging instruments collect gamma radiation measurements on 0.1-ft. depth intervals. An industry standard U.S. Department of Energy (DOE) algorithm is used by the logging unit software to convert the gamma ray readings, measured in counts per second (cps), into mineral grade reported as equivalent percent uranium (% eU3O8). The results are reported in 0.5-ft. increments. Mineralized thickness from gamma logs is considered an accurate representation of the true thickness because the strata are essentially horizontal and drill holes are nearly vertical. Mineralized intervals (intercepts) are then defined by applying these pre-established grade cutoffs to the report:
|
| · | Thickness of each mineralized zone (ft.) exceeding grade cutoff; |
|
|
|
|
|
| · | Average grade within the thickness interval (% eU3O8); |
|
|
|
|
|
| · | Depth (below ground surface [bgs]) to the top of the intercept (ft.); and |
|
|
|
|
|
| · | GT (Grade x Thickness) Calculated as the average grade multiplied by thickness for each intercept interval (%-ft., but usually expressed without units). |
Gamma logs are customarily accompanied by SP and Single-Point Resistance (Res) or multi-point resistivity curves. In combination, SP and Resistance curves are commonly referred to as an electric log (E-Log) and are used to interpret formation lithology.
Historical logging by Utah/PMC was done by company-owned and operated units. Log formats that were employed by Utah/PMC varied considerably over the years. Despite the variation in this historical down-hole gamma data, the overall quality of the data was sufficient to successfully guide PMC mining efforts for over 30 years and to allow consistent mapping of subsurface sandstones and mineralized intervals.
| Ur-Energy – Shirley Basin ISR Uranium Project |
|
|
| Technical Report Summary – March 4, 2024 |
| Page 40 |
|
|
|
|
URE geophysical logging data were obtained using a Company-owned and operated logging unit which employs technology originally developed by GeoInstruments, Inc. of Nacogdoches, Texas. Down-hole measurements include gamma logs, Res, SP, and hole deviation. Quality control on the logging unit is performed by calibration of the logging unit at the Casper, Wyoming DOE test pit (a known source concentration) no less than once a month during periods of drilling activity. Calibration is performed using industry established procedures. URE maintains detailed calibration records. When retained by URE, logging contractors are required to calibrate using the same test pit and method and on a similar schedule.
PFN Logs:
The PFN tool provides a direct down-hole analysis of true uranium content by means of in-place fission of 235U initiated by the emission of high energy neutrons. It was used by URE to verify the grades of mineral intercepts previously reported by gamma logging. PFN logging is accomplished by a down-hole probe in much the same manner as gamma logs; however, only the mineralized interval plus a buffer interval above and below are logged. After review of the gamma log from each drill hole, the URE field geologists would determine if any intercepts warranted PFN logging based on the GT of the gamma intercepts (GT ≥ 0.10). Quality control for the PFN is performed at the DOE test pit in a manner similar to that described previously for the gamma tool and records are maintained by URE. Satisfied with the confirmatory results of the PFN logging at Shirley Basin and other projects, URE made the decision to decommission the tool when the first term of the tool’s NRC license expired, as the expense and administrative effort to maintain the tool were not cost beneficial. The tool remains available for future licensing and recommissioning if the need were to arise.
Comparison of the gamma and PFN values yields a DEF reported as the ratio of GT values: PFN GT ÷ Gamma GT. Thus, a value greater than 1.0 indicates chemical enrichment compared to gamma, and a value less than 1.0 represents chemical depletion (Rosholt, 1959).
8.2 Coring
In the U.S. uranium industry, coring is typically performed on only a small percentage of drill holes. The primary purposes for collecting core have been to provide relatively undisturbed samples for chemical analyses and host rock physical properties. Chemical analyses typically are conducted to evaluate uranium disequilibrium as well as to evaluate trace elements and constituents of interest. Physical properties of interest are typically permeability, porosity and density. Cored intervals are normally limited to geologically selected intervals. Rarely are holes cored from surface to total depth.
Utah/PMC drilled more than 58 core holes within the FAB Trend, Area 5 and the mined open pits. Some evaluation reports and memos are in the historical files, but complete records of these activities are not available; however, it is understood that most of the chemical analyses were conducted by in-house laboratories at either the Lucky Mc or Shirley Basin mill sites. Records indicate that, based on the results of these coring studies, a DEF of 1.066 (slightly enriched with respect to chemical uranium) was uniformly applied to all down-hole gamma logging intervals by Utah/PMC.
| Ur-Energy – Shirley Basin ISR Uranium Project |
|
|
| Technical Report Summary – March 4, 2024 |
| Page 41 |
|
|
|
|
Core samples were obtained from two core holes drilled by URE within the FAB Trend in 2014. Core holes were located as close offsets of URE confirmation holes that showed mineral intercepts of interest. Select intervals within the holes were cored by means of a mud-rotary drilling rig employing a 10-ft. long, split-tube core barrel. Core recovery for the two holes was 80.3%. URE-specified field procedures for handling of core included:
|
| · | Core was measured after removal from core barrel to determine percentage of core recovery; |
|
|
|
|
|
| · | Core was described in detail by URE geologists; |
|
|
|
|
|
| · | Core was photographed in the field; |
|
|
|
|
|
| · | Core was scanned in the field on 0.5-ft. intervals with a hand-held scintillometer to identify sections of higher radioactivity for sampling. The scintillometer results were also employed at a later date to provide a detailed depth correlation and comparison between the gamma log and driller’s core depths. Depth correlation accuracy of approximately 0.5 ft. is normally obtained; and |
|
|
|
|
|
| · | Core was then vacuum sealed in plastic bags. |
Samples selected for laboratory chemical analyses were later cut in 1-ft. intervals, split by hand longitudinally and bagged by URE employees for shipping. In addition, selected samples were tested for specific gravity, permeability and other physical features, as well as leach amenability. Samples for leach testing were vacuum sealed again immediately after selection and prior to shipping to the lab.
8.3 Drill Cuttings
During drilling of all holes, cuttings are collected at 5-ft. depth intervals. Detailed descriptions of each of these samples are then documented by the Company’s field geologists. Drill cutting samples are valuable for lithologic evaluation, confirmation of E-Log interpretation, and for description of redox conditions based on sample color. Identifying redox conditions in the host formation is critical for the interpretation and mapping of roll fronts. Note, however, that cuttings samples are not analyzed for uranium content because there is considerable dilution and mixing that occurs as the cuttings are flushed to the surface. In addition, the samples are not definitive with regard to depth due to variation in the lag time between cutting at the drill bit and when the sample is collected at the surface.
8.4 Analyses and Security
After collection and documentation in the field, core samples derived from URE’s drilling at the Project were delivered to IML (now Pace Analytical) for chemical and gamma analyses for uranium, as well as analyses for associated elements. At the time of sample analysis, IML was, and continues to be under their new ownership, an independent, commercial laboratory in Sheridan, Wyoming and considered to be qualified to secure, handle and analyze samples in accordance with industry standards. IML has an industry-standard, internal QA/QC system including routine equipment calibration and the use of standards, blanks, duplicates and spikes. The lab is licensed by the NRC, is EPA-certified and accredited by the National Environmental Laboratory Accreditation Program. EPA Method 200.8 was used for radionuclide analyses and EPA Method ASA9 29-2.2 was used for the analyses of organic compounds. For multi-element analysis, results were obtained using ICP-MS using EPA Method 6010C. For these analyses, core samples were subjected to a three-acid digestion (EPA Method 3050).
Physical properties of the core (porosity, permeability and density) were measured by Weatherford Laboratories of Casper, Wyoming (now Stratum Reservoir). Weatherford Laboratories is an independent lab that provides rock property analyses, geochemical testing and specialized core testing services to the oil and gas industry worldwide. Testing procedures were performed in accordance with standards presented in the American Petroleum Institute (API) Report 40 – Recommended Practices for Core Analysis. Two samples from the mineralized Main Sand of the Wind River Formation (the primary host rock for the Project) were submitted for analyses, along with a core sample from the overlying and underlying clay horizons.
| Ur-Energy – Shirley Basin ISR Uranium Project |
|
|
| Technical Report Summary – March 4, 2024 |
| Page 42 |
|
|
|
|
Hazen was contracted to perform mineralogical studies on two selected core samples. This work consisted of three separate analyses:
|
| · | X-Ray Diffraction (XRD) analysis - Each sample was analyzed by XRD to determine the major mineral constituents. |
|
|
|
|
|
| · | Electron Microprobe (EMP) analysis - Each as-received sample was mounted in a polished section for EMP analysis to characterize the uranium minerals in terms of their mode of occurrence, textural features, specific associations, and intergrowth relationships. |
|
|
|
|
|
| · | QEMSCAN analysis - For quantitative mineralogy, each polished section was subjected to QEMSCAN analysis, which provides a detailed mineral abundance analysis. |
Data from historical sampling were obtained from Utah/PMC records. Procedural details are unavailable, but because these companies were considered to be reputable exploration/production companies, previous samples are assumed to have been collected, secured and analyzed in accordance with standard industry practices at the time.
8.5 Quality Control Summary
URE maintains quality control procedures associated with its coring program:
|
| · | Scanning the core with a scintillometer to provide a detailed depth correlation and comparison between the gamma log and driller’s core depths; |
|
|
|
|
|
| · | Vacuum sealing core in plastic bags to prevent contamination and oxidation; |
|
|
|
|
|
| · | Completing a Chain of Custody (COC) Record for all core samples sent to laboratories for analyses; |
|
|
|
|
|
| · | Obtaining a signature on the COC Record (along with instructions) from the URE employee who relinquished the samples to the laboratory; |
|
|
|
|
|
| · | Receiving a signed COC Record from the laboratory with the signature of the individual who received the samples; |
|
|
|
|
|
| · | Validation of laboratory quality control procedures which typically include method blanks of low metal concentrations and spikes of known metal concentrations; |
|
|
|
|
|
| · | Evaluation and comparison of results against previous analysis and other projects (outlier test or similar, i.e., “straight face check”); and |
|
|
|
|
|
| · | Reference samples and subsequent analysis sent to other laboratories. |
Other quality control procedures included the detailed logging of drill cuttings by URE geologists to gain an understanding of redox conditions within host sandstones and the consistent calibration of both the in-house gamma logging and PFN logging units at the Casper, Wyoming DOE test pit.
8.6 Opinion on Adequacy
In the opinion of the QP, URE sample collection methods, preparation, security and analytical procedures used by contract laboratories are adequate and typical of the U.S. uranium industry.
| Ur-Energy – Shirley Basin ISR Uranium Project |
|
|
| Technical Report Summary – March 4, 2024 |
| Page 43 |
|
|
|
|
9.0 DATA VERIFICATION
Drilling data used to support this Report come from historical drilling activities by previous operators and those conducted by URE since acquisition of the Project. The tabulations of mineral intercepts compiled by URE are consistent with the original down-hole gamma logs and the geophysical operator’s mineral intercept calculations. URE has verified historical drill data by conducting confirmation drilling and coring in the Project adjacent to historical exploration holes with results which validate the historical data (see Figure 13). The tabulations of mineral intercepts compiled by URE have been confirmed by the QP to be consistent with the original down-hole E-Logs and the geophysical operator’s mineral intercept estimates.
| Furthermore, historical mineral intercept data collected by previous operators on the Project have been evaluated and selectively checked for accuracy. For those historical drill holes with gamma log interpretation sheets and down-hole probe K-factors (calibration factors), a selective confirmation of uranium intercept grade and thickness was performed by re-calculation, using standard methods established by the AEC. For those historical drill holes with gamma log interpretation sheets and no K-factors, a selective review of the process used for conversion from cps on gamma logs to percentage eU3O8 was made. In these cases, the previous operators had developed a conversion factor, which included dead time correction, a water factor, a DEF and a K-factor that were applied to the cps values from the gamma log in order to derive a percentage of eU3O8.
After a review of that data, it is the QP’s opinion that the historical mineral intercept data are valid, do not require re-calculation and are suitable for resource estimation in this Report. |
|
Figure 13. Photo of URE Confirmation Drilling |
10.0 MINERAL PROCESSING AND METALLURGICAL TESTING
Previous mineralogical studies by Utah/PMC and Harshman (1972), consisting of thin sections and polished sections of Shirley Basin mineralization, show the primary uranium mineral in these deposits to be uraninite (UO2). It is found coating sand grains, filling interstitial spaces between sand grains and filling fractures within sand grains. Uraninite is a common uranium mineral in sedimentary-hosted roll front deposits and is soluble in the bicarbonate lixiviants used in modern ISR operations. As previously discussed URE collected core samples from uranium mineralization for additional mineralogical studies.
Preliminary analyses using a down-hole PFN logging tool indicate that the uranium mineralization from URE’s confirmation drilling program is at or near chemical equilibrium. PFN logging provides a direct measurement of chemical uranium, and a positive DEF of 1.03 was determined for the 2014 confirmation drill holes that were logged with this method. Utah/PMC analyzed sufficient uranium mineralization at its Shirley Basin mining operation to assign a positive DEF to its historical ore reserve calculations. This DEF, as shown on many down-hole gamma logs, was 1.066 as discussed in Chapter 8.2. A complete and meaningful comparison between PFN results and ICP-MS analyses was not possible due to the 20% core loss on URE’s confirmation drilling program.
There is a suite of trace metals that is commonly precipitated along with uranium in roll front deposits. Harshman (1974) published diagrams showing the relationship between various trace metals and uranium at several uranium mining districts, including the District. These diagrams show a strong correlation between uranium and pyrite (FeS2), along with minor correlations between uranium and vanadium, arsenic and selenium. As expected, ICP-MS analytical results on 33 individual samples for iron (Fe) and sulfur (S) were high, confirming the strong relationship between uranium and FeS2. Iron values averaged 1.2% and sulfur values averaged 1.1%. The minor relationships were also confirmed with vanadium averaging 71 mg/kg, arsenic averaging 9.5 mg/kg and selenium being detected in only one sample with a value of 18 mg/kg. These trace metals are common and expected in sedimentary roll front deposits and should not have a significant effect on potential economic extraction.
Energy Laboratories of Casper, Wyoming performed duplicate analyses for chemical uranium and 11 other analytes on four randomly selected core samples using the same analytical testing methodologies. The results from Energy Laboratories compared favorably with those from IML. Not surprisingly, there were variations seen in analytes with very low concentrations; however, average chemical uranium values were very close. On a composite basis, the relative percent difference in uranium values between the two labs was only 3.6%.
Energy Laboratories is independent of PMC and URE and has been accredited by the National Environmental Laboratory Accreditation Council, the NRC, Multi-Agency Radiological Laboratory Analytical Protocols via the USEPA, U.S. Department of Defense, U.S. Geological Survey, U.S. Department of Energy, NRC, U.S. Food and Drug Administration, and the National Institute of Standards and Technology.
Historical metallurgical testing was performed in 1980 by In-situ Consulting, Inc. on behalf of PMC on sandstone core samples collected in the northwestern portion of Area 5. Core was gathered from two mineralized intervals, one in the Main Sand and the other from the Lower Sand. A composite of these intervals was then compiled and used for metallurgical testing. The average uranium grade of the composite sample was not recorded. No historical metallurgical testing was performed on mineralization within the FAB Trend.
| Ur-Energy – Shirley Basin ISR Uranium Project |
|
|
| Technical Report Summary – March 4, 2024 |
| Page 44 |
|
|
|
|
Six sealed bottle-roll tests were conducted by PMC on splits of the composite sample. Four of the tests employed an ammonium carbonate lixiviant and are therefore not currently considered of relevance. The other two tests used a sodium carbonate lixiviant with either oxygen or hydrogen peroxide as the oxidant. The results of these tests are shown in Table 9. Uranium extraction rates ranged from 91.8% to 93.5%; however, tabulation of these test results were related to hours of leaching rather than to pore volumes, as is currently standard. The QP did note that the testing period represented the equivalent of approximately 50 pore volumes (PVs).
Table 9. Leach Test Results, 1980 – Area 5
| Sample ID | Sodium Carbonate (Na2CO3) Concentration | Oxidant Concentration or Pressure | pH | Uranium Recovery |
| SX-816C | 3,000 mg/L | O2 100 psi | 10.4 | 91.8 % |
| SX-816C | 3,000 mg/L | H2O2 1,000 mg/L | 10.4 | 93.5 % |
In 2014 URE submitted ten core samples to IML for agitation leach (bottle-roll) testing. The samples were obtained from core-hole FAB-8C located in the eastern portion of the FAB Trend. The core samples were from mineralized sand in the Main Sand occurring in a “nose” roll front environment. The samples consisted primarily of gray, medium to coarse-grained sandstone, locally with minor to moderate amounts of carbonaceous fragments and minor to abundant fresh pyrite. All of the samples represented a reduced geochemical environment. Core recovery within this interval was 87%. Some of the mineral intercept was not recovered.
The gamma log of FAB-8C showed the target mineral intercept to be:
|
| · | 13.0 ft. of 0.225% eU3O8 at 242.0 ft. / GT 2.93 |
The PFN log for the same intercept showed:
|
| · | 14.0 ft. of 0.237% U3O8 at 241.5 ft. / GT 3.32 |
The 10 one-foot interval core samples were composited and homogenized by IML to create a composite representative of a 12 ft. mineralized depth interval (driller’s depths 242ft.-254ft.). The chemical analysis of the composite sample is shown in Table 10. Core samples from the mineralized interval showed an average dry bulk density of 2.07 grams per cubic centimeter and 27% porosity. The uranium content of the composite sample was determined to be 0.266% which corresponds closely to the average grade (0.23%) of Measured plus Indicated Resources within the Project. Trace metal contents (As, Mo, Se, V) are low to very low. Sulfur and SO4 contents are noticeably higher.
| Ur-Energy – Shirley Basin ISR Uranium Project |
|
|
| Technical Report Summary – March 4, 2024 |
| Page 45 |
|
|
|
|
Table 10. Core Composite Sample Geochemistry
| Analyte | Concentration in mg/kg |
| Uranium (ICP-MS) | 2,660 |
| Arsenic | 9.0 |
| Molybdenum | 15.4 |
| Selenium | <5 |
| Thorium | 8 |
| Vanadium | 80 |
| Sulfate | 26,130 |
| Sulfur | 8710 |
| Moisture | 14.4% |
Native groundwater for the testing was drawn from well WI-3, which is completed in the Main Sand in the south-central portion of the FAB Trend. Analysis of the groundwater is shown in Table 11.
Table 11. Natural Groundwater – Chemistry
| Analyte | Result | Units |
| pH | 6.9 | s.u. |
| Electrical Conductivity | 247 | µmho/cm |
| Alkalinity | 45 | mg/L |
| Bicarbonate | 55 | mg/L |
| Calcium | 21 | mg/L |
| Arsenic | <0.005 | mg/L |
| Molybdenum | <0.005 | mg/L |
| Selenium | <0.005 | mg/L |
| Sulfur | 20.7 | mg/L |
| Sulfate | 62.1 | mg/L |
| Uranium (ICP-MS) | 0.0068 | mg/L |
| Vanadium | 0.016 | mg/L |
Seven bottle roll leach tests were performed at ambient pressure on splits of the composite. The objective of the testing was to analyze several chemical lixiviant combinations to provide information on uranium recovery relative to the various lixiviants. The testing was not designed to approximate in situ conditions but intended only to provide indications of the reaction rates. Three variables were evaluated during the tests:
| Water character: | Natural groundwater or distilled |
| Concentration of HCO3: | 500, 1,000 mg/L, 1,500 or 2,000 mg/L |
| Strength of Oxidant (H2O2): | 250 or 500 mg/L |
The initial plan called for testing to proceed to 30 PVs. At 30 PVs the testing was extended to 60 PVs, and then once again to 90 PVs. Testing was halted at 90 PVs. The final test results after tails analyses of the tested material are shown in Table 12 and in the recovery curves illustrated in Figures 14 and 15. Bumps in the head grade curves in Figure 15 at 35 PVs and 65 PVs are due to short delays between the testing stages (at 30 PVs and 60 PVs), which allowed for greater reaction time relative to the next subsequent sampling.
| Ur-Energy – Shirley Basin ISR Uranium Project |
|
|
| Technical Report Summary – March 4, 2024 |
| Page 46 |
|
|
|
|
Table 12. Bottle Roll Leach Test Results – 2014
| Sample ID | Solution Base | Bicarbonate (NaHCO3) (mg/L) | Peroxide (H2O2) (mg/L) | Uranium Recovery* % | Average Solution Concentration ppm |
| FAB-8C Test #1 | Native Groundwater | Natural | 250 | 8.1% | 20.3 |
| FAB-8C Test #2 | Native Groundwater | 1,000 | 250 | 78.3% | 210.5 |
| FAB-8C Test #3 | Native Groundwater | 1,500 | 250 | 86.9% | 261.4 |
| FAB-8C Test #4 | Native Groundwater | 2,000 | 250 | 89.6% | 264.3 |
| FAB-8C Test #5 | Native Groundwater | 2,000 | 500 | 90.0% | 257.5 |
| FAB-8C Test #6 | Distilled Water | 500 | 500 | 28.8% | 87.3 |
| FAB-8C Test #7 | Distilled Water | 1,000 | 500 | 66.0% | 192.0 |
*Uranium recovery after 90 PVs except for Test 4, which was terminated after 85 PVs.
These results show that the core is leachable under ambient laboratory conditions using native groundwater from the host sandstones. Bicarbonate content appears to be the most significant parameter. Reasonable recoveries can be achieved with lixiviant concentrations equal to or greater than 1,000 mg/L bicarbonate and 250 mg/L peroxide, and optimum recoveries can be achieved with a higher bicarbonate concentration of 2,000 mg/L. The percent recovery of uranium shown in Table 12 is based on 90 PVs. The recovery of arsenic, selenium and vanadium from these solutions was very low.
In the economic analysis of this Report, uranium production is based on an average wellfield head grade of 37 mg/L (ppm). This estimated head grade is conservatively lower than the average solution concentration encountered in the agitation leach (bottle-roll) testing (Table 12).
The QP considers the metallurgical and physical test work and results to date to be adequate to support general process design and selection. Pump testing and core analysis demonstrates that the aquifers have sufficient porosity, permeability and transmissivity to support ISR operations. Equilibrium testing demonstrates that, in general, positive equilibrium exists which indicates that uranium is present where gamma data suggest it is present and at the grade indicated by the probe data. Laboratory leach testing demonstrates that the uranium can be solubilized using a carbonate and oxygen based lixiviant.
| Ur-Energy – Shirley Basin ISR Uranium Project |
|
|
| Technical Report Summary – March 4, 2024 |
| Page 47 |
|
|
|
|
Figure 15. Uranium Recovery Curves Head Grade Comparison

| Ur-Energy – Shirley Basin ISR Uranium Project |
|
|
| Technical Report Summary – March 4, 2024 |
| Page 48 |
|
|
|
|
11.0 MINERAL RESOURCE ESTIMATE
The mineral resources for the Project reported in this section have been estimated utilizing the GT contour method. The GT contour method is well accepted within the uranium ISR industry and is suited to guide detailed mine planning and estimates of recoverable mineral resources for roll front-type deposits such as those found in the Project.
11.1 Assumptions
Resources within the Project are identified recognizing that roll front mineralization occurs in long, narrow, sinuous bodies which are found adjacent and parallel to alteration (redox) fronts. These commonly occur in multiple, vertically stacked horizons, each of which represents a unique resource entity. Resource classification requires horizontal continuity within individual horizons. Accumulation of resources in a vertical sense (i.e., accumulating multiple intercepts per drill hole) is not valid in ISR applications. Individual roll front mineral horizons are assumed to be no wider than 50 ft. unless sufficient information is available to establish otherwise.
In addition, certain assumptions were incorporated throughout all estimates:
|
| · | The unit density of mineralized rock is 16.0 cu. ft. per ton, based on numerous core density measurements by PMC. |
|
|
|
|
|
| · | All geophysical logs are assumed to be calibrated per normally accepted protocols, and grade calculations are accurate. |
|
|
|
|
|
| · | All mineral classified as a resource occurs below the historical, pre-mining static water table. |
11.2 Reasonable Prospects of Economic Extraction
Based on the depths of mineralization, average grade, thickness, GT, and selected cutoffs below, it is the QP’s opinion that the mineral resources at the Project have a reasonable prospect of economic extraction by ISR methods using a variable long-term price as discussed in Chapter 16.
11.3 Cutoff Selection
Mineral reportable as resources must be below the historical, pre-mining static water level and meet the following cutoff criteria:
Minimum Grade: 0.020% eU3O8.
Grade measured below this cutoff is considered as zero value.
Minimum GT (Grade × Thickness): 0.25.
Intercepts with GT values below this cutoff are mapped exterior to the GT contours employed for resource estimation, given zero resource value and, therefore, excluded from reported resources.
Minimum Thickness: No minimum thickness is applied but is inherent within the definition of GT (Grade × Thickness).
| Ur-Energy – Shirley Basin ISR Uranium Project |
|
|
| Technical Report Summary – March 4, 2024 |
| Page 49 |
|
|
|
|
The cutoffs used in this Report are typical of ISR industry standard practice and represent appropriate values relative to current ISR operations. Experience at other ISR operations including URE’s experience at its Lost Creek Mine have demonstrated that grades below 0.020% can technologically be successfully leached and recovered, given supporting economics. Due to the nature of roll front deposits and production well designs, the incremental cost of addressing low grades is minimal (given the presence of higher grades). Furthermore, a GT cutoff of 0.25 is representative of past ISR operations in similar geologic and economic conditions. Definition of the term potentially economic as applied by URE is subjective and employed simply to identify higher quality mineralization which could potentially be pursued for production.
11.4 Resource Classification
Resource estimates were prepared using parameters relevant to the proposed mining of the deposit by ISR methods. The methodology relies on detailed mapping of mineral occurrences to establish continuity of intercepts within individual host sandstone units. The mineral resource estimates in this Report were reviewed and accepted by the QP.
URE employs a conservative resource classification system which is consistent with established professional standards and guidelines for reporting mineral resources for the purposes of S-K 1300. Mineral resources are identified as Measured, Indicated and Inferred based on the density of drill hole spacing, both historical and recent, and continuity of mineralization within the same mineral horizon (roll front).
In simplest terms, to conform to each classification, resources determined using the GT contour method must meet the following criteria:
|
| · | Meet the 0.020% grade cutoff; |
|
|
|
|
|
| · | Occur within a singular mineral horizon (roll front); |
|
|
|
|
|
| · | Fall within the mapped 0.25 GT contour; and |
|
|
|
|
|
| · | Extend no farther from the drill hole than the radius of influence specified below for each category. |
Employing these considerations, mineral which meets the above criteria is classified as a resource and assigned a level of confidence based on the following drill spacing guidelines:
|
| Measured: |
|
|
| ≤100 ft. | (i.e., mineral on trend, within the 0.25 GT contour, and which does not extend beyond 100 ft. from any given drill hole with potentially economic mineralization) |
|
|
|
|
|
| Indicated: |
|
|
| 100 - 200 ft. | (i.e., mineral on trend, within the 0.25 GT contour, and which extends from 100-200 ft. from any given drill hole with potentially economic mineralization) |
|
|
|
|
|
| Inferred: |
|
|
| 200 - 400 ft. | (i.e., mineral on trend, within the 0.25 GT contour, and which extends from 200-400 ft. from any given drill hole with potentially economic mineralization) |
URE’s mineral resources are contained in the designated FAB and Area 5 Resource Areas. PMC’s historical drilling had focused on these designated resource areas to support future open pit mining operations. This drilling consisted of a 100-ft. grid throughout the FAB and most of Area 5 Resource Areas and included multiple drill hole fences at 10-ft. to 50-ft. spacing. Due to the very high density drilling within the resource areas, all resources were classified as Measured or Indicated. There are no mineral resources estimated in the Inferred category.
| Ur-Energy – Shirley Basin ISR Uranium Project |
|
|
| Technical Report Summary – March 4, 2024 |
| Page 50 |
|
|
|
|
11.5 Methodology
Fundamentals
The Project resources are defined by utilizing both historical and URE drilling information. The basic unit of mineral identity is the mineral intercept, and the basic unit of a mineral resource is the mineral horizon, which is generally synonymous to a roll front. Mineral intercepts are assigned to named mineral horizons based on geological interpretation by URE geologists founded on knowledge of stratigraphy, redox, and roll front geometry and zonation characteristics. Resources are derived and reported per mineral horizon (i.e., per roll front). In any given geographic area, resources in multiple mineral horizons may be combined into a resource area.
Mineral Intercepts
Uranium intercepts are derived from drill hole gamma logs and represent where the drill hole has intersected a mineralized zone. Calculation of uranium content detected by gamma logs is traditionally reported in terms of mineral grade as eU3O8% on 0.5-ft. depth increments. A mineral intercept is defined as a continuous thickness interval in which the uranium concentration meets or exceeds the grade cutoff value, which is 0.020% for the Project. Uranium values below the cutoff grade are treated as zero value with regard to resource estimation. A mineral intercept is defined in the following terms:
|
| · | Thickness of the mineralized interval that meets cutoff criteria; |
|
|
|
|
|
| · | Average Grade of mineral within that interval; and |
|
|
|
|
|
| · | Depth below ground surface (bgs) to the top of that interval. |
In addition, a GT value is assigned to each mineral intercept. GT is a convenient and functional single term used to represent the overall quality of the mineral intercept. It is employed as the basic criterion to characterize a potentially economic intercept, which at the Project is defined as GT ≥ 0.25. Intercepts which do not make the potentially economic GT cutoff are excluded from the resource calculation but may be taken into consideration when drawing GT contours. As noted above, use of the term “potentially economic” by URE is applied in a generic sense and has no direct relation to any associated commodity price.
Each intercept is assigned to a stratigraphic and mineral horizon by means of geological evaluation. The primary criterion employed in assignment of mineral intercepts to mineral horizons is roll front correlation. Depth and elevation of intercepts are secondary criteria which support correlation. The evaluation also involves interpretation of roll front zonation (position within the roll front) by means of gamma curve signature, redox state, lithology, stratigraphic relationship and relative mineral quality. Mineral intercept data and associated interpretations are stored in a drill hole database inventoried per drill hole and mineralized horizon. This database includes mineral intercept data from approximately 2,482 historic and current drill holes. Using GIS software, this database is employed to generate map plots displaying GT values and interpretive data for each mineral horizon of interest. These maps become the basis for GT contouring as described below.
| Ur-Energy – Shirley Basin ISR Uranium Project |
|
|
| Technical Report Summary – March 4, 2024 |
| Page 51 |
|
|
|
|
GT Contouring and Resource Estimation
For the map plots of GT values mentioned above, the GT contour lines are drafted honoring all GT values. Contours are carefully drawn by URE geologists to reflect knowledge of roll front geology and geometry. The GT contour maps thus generated for each mineral horizon form the foundation for resource calculation. In terms of geometry, the final product of a GT-contoured mineral horizon typically represents a mineral body that is fairly long, narrow, sinuous, and which closely parallels the redox front boundary. The following parameters are employed to characterize the mineral body:
|
| Thickness: | Average thickness of intercepts assigned to the mineral horizon (inherent in GT values) |
|
|
|
|
|
| Grade: | Average grade of mineral intercepts assigned to the mineral horizon (inherent in GT values) |
|
|
|
|
|
| Depth: | Average depth of mineral intercepts below surface assigned to the top of the mineral horizon |
|
|
|
|
|
| Area: | Defined as the area interior to the 0.25 GT contour lines, more specifically: |
|
|
|
|
|
|
| Width: Defined by the plan-view breadth of the 0.25 GT contour boundaries. Where sufficient data are unavailable (i.e., wide-spaced drilling) the width is assumed to be no greater than 50 ft. |
|
|
|
|
|
|
| Length: Defined by the endpoints of the 0.25 GT contour boundaries. Where sufficient data are unavailable, length is limited to 400 ft. (i.e., 200 ft. on either side of a drill hole containing potentially economic intercept(s) – Indicated Resource category). |
For resource estimation, the area of a mineral horizon is further partitioned into banded intervals between GT contours, to which the mean GT of the given contour interval is applied. Area values for each contour interval are then determined by GIS software and resources are then calculated for each contour interval employing the following equation.
|
| POUNDS = | AREA x GT x 20 |
|
|
|
| TF |
|
| Where: | ||
| POUNDS | = Resources (lbs.) | |
| AREA | = Area measured within any given GT contour interval (ft.2) | |
| GT | = Mean GT within any given contour interval (%-ft.) | |
| 20 | = Conversion constant: grade percent and tons to unit lbs. | |
| (1% of a ton) | ||
| TF | = Tonnage Factor: Rock density, a constant (=16.0 cu. Ft./ton) | |
| (enables conversion from volume to weight) |
In map-view, resources for any given mineral horizon commonly occur in multiple “pods” rather than as a single, continuous body. Individual pods are then compiled per mineral horizon, summed and categorized by level of confidence (Measured or Indicated). The resource calculation process is streamlined using the same GIS software in which the mapping and GT contouring took place.
| Ur-Energy – Shirley Basin ISR Uranium Project |
|
|
| Technical Report Summary – March 4, 2024 |
| Page 52 |
|
|
|
|
As is evident, the GT contour method for resource estimation is dependent on competent roll front geologists for accurate correlation and accurate contour depiction of the mineral body. Uranium industry experience has shown that the GT contour method remains the most dependable for reliable estimation of resources for roll front uranium deposits.
11.6 Resource Estimation Auditing
The resource estimate detailed herein was evaluated for quality control and assurance using the following methods.
|
| 1. | Random historical log files from PMC and others within the FAB and Area 5 Resource Areas were examined in detail to confirm gamma interpretations as well as grade calculations. |
|
|
|
|
|
| 2. | Multiple historical logs were reviewed to confirm geologic and grade continuity in both the FAB Trend and Area 5 Resource Areas. |
|
|
|
|
|
| 3. | Drilling density as depicted on maps and observed in the field was evaluated to demonstrate that the uranium mineralization at the Project was consistent with resource definitions. |
|
|
|
|
|
| 4. | Gamma and PFN probe calibration logs were reviewed. |
|
|
|
|
|
| 5. | Detailed examination of significant resource bearing roll front systems was conducted in collaboration with URE geologists to confirm log interpretations, continuity of mineralization and nature of GT contour development. |
|
|
|
|
|
| 6. | Random mineralized pods within the resource model were evaluated to confirm the area assigned to the particular GT contour. |
|
|
|
|
|
| 7. | Resource classification methods and results were reviewed against standard industry practices and professional standards, including CIM resource definitions (Canadian Institute of Mining, Metallurgy and Petroleum (Definition Standards, 2014)), for at least 25 pods of mineralization. |
In summary, the QP accepts PMC and URE interpretations as having been properly done and as reasonable representations of the mineral present. These interpretations provide a reasonable basis for the calculation of uranium mineral resources at the Project.
11.7 Summary of Resources
Mineral resources are summarized in Table 1 and also in Table 13. In the latter table, the estimated mineral resources are listed by Resource Area and mineral horizon. Individual mineral horizons are related to the stratigraphy at the Project as illustrated in Figure 7 and consist of mineralized trends (roll fronts) in the 1) White River Formation (Twr) sandstones and 2) Wind River Formation (Twdr) sandstones. The Wind River sandstones are further split into the Upper, Main and Lower sand units.
| Ur-Energy – Shirley Basin ISR Uranium Project |
|
|
| Technical Report Summary – March 4, 2024 |
| Page 53 |
|
|
|
|
Table 13. Shirley Basin Project – Resource Summary by Mineral Horizon
| FAB | ||||||||||
| Measured | Indicated | Measured+Indicated | ||||||||
| Mineral Interval | Avg. Grade (%e U3O8) | Short Tons | Pounds U3O8 | Avg. Grade (%e U3O8) | Short Tons | Pounds U3O8 | Avg. Grade (%e U3O8) | Short Tons | Pounds U3O8 | |
| Twr | 0.101 | 71,273 | 143,818 | 0.060 | 10,940 | 13,156 | 0.095 | 82,214 | 156,975 | |
| Twdr | Upper | 0.180 | 44,434 | 159,761 | 0.136 | 30,461 | 82,768 | 0.162 | 74,895 | 242,529 |
| Main | 0.297 | 972,857 | 5,779,880 | 0.115 | 374,445 | 859,718 | 0.246 | 1,347,302 | 6,639,598 | |
| Lower | 0.294 | 83,288 | 490,433 | 0.158 | 39,845 | 125,834 | 0.250 | 123,133 | 616,266 | |
| 0.280 | 1,171,853 | 6,573,891 | 0.119 | 455,691 | 1,081,476 | 0.235 | 1,627,544 | 7,655,368 | ||
| Area 5 | ||||||||||
| Measured | Indicated | Measured+Indicated | ||||||||
| Mineral Interval | Avg. Grade (%e U3O8) | Short Tons | Pounds U3O8 | Avg. Grade (%e U3O8) | Short Tons | Pounds U3O8 | Avg. Grade (%e U3O8) | Short Tons | Pounds U3O8 | |
| Twr | --- | --- | --- | --- | --- | --- | --- | --- | --- | |
| Twdr | Upper | --- | --- | --- | --- | --- | --- | --- | --- | --- |
| Main | 0.250 | 152,128 | 762,143 | 0.116 | 71,084 | 164,769 | 0.208 | 223,212 | 926,912 | |
| Lower | 0.217 | 42,591 | 184,647 | 0.112 | 21,830 | 48,791 | 0.181 | 64,421 | 233,438 | |
| 0.243 | 194,719 | 946,790 | 0.115 | 92,914 | 213,559 | 0.202 | 287,633 | 1,160,350 | ||
| Project Total | ||||||||||
| Measured | Indicated | Measured+Indicated | ||||||||
| Mineral Interval | Avg. Grade (%e U3O8) | Short Tons | Pounds U3O8 | Avg. Grade (%e U3O8) | Short Tons | Pounds U3O8 | Avg. Grade (%e U3O8) | Short Tons | Pounds U3O8 | |
| Twr | 0.101 | 71,273 | 143,818 | 0.060 | 10,940 | 13,156 | 0.095 | 82,214 | 156,975 | |
| Twdr | Upper | 0.180 | 44,434 | 159,761 | 0.136 | 30,461 | 82,768 | 0.162 | 74,895 | 242,529 |
| Main | 0.291 | 1,124,986 | 6,542,023 | 0.115 | 445,528 | 1,024,48 | 0.241 | 1,570,514 | 7,566,509 | |
| Lower | 0.268 | 125,878 | 675,080 | 0.142 | 61,676 | 174,624 | 0.227 | 187,554 | 849,704 | |
| 0.275 | 1,366,572 | 7,520,682 | 0.118 | 548,606 | 1,295,036 | 0.230 | 1,915,177 | 8,815,717 | ||
Notes:
|
| 1. | Twr – Tertiary White River Formation |
|
| 2. | Twdr – Tertiary Wind River Formation |
|
| 3. | Sum of Measured and Indicated tons and pounds may not add to the reported total due to rounding. |
|
| 4. | Based on grade cutoff of 0.020% eU3O8 and a grade x thickness cutoff of 0.25 GT. |
|
| 5. | Measured and Indicated Mineral Resources as defined in 17 CFR § 229.1300. |
|
| 6. | Resources are reported as of December 31, 2023 (there is no change since December 31, 2021). |
|
| 7. | All reported resources occur below the historical, pre-mining static water table. |
|
| 8. | Sandstone density is 16.0 cu. ft./ton. |
|
| 9. | The point of reference for mineral resources is in-situ at the Project. |
|
| 10. | Mineral resources that are not mineral reserves do not have demonstrated economic viability. |
| Ur-Energy – Shirley Basin ISR Uranium Project |
|
|
| Technical Report Summary – March 4, 2024 |
| Page 54 |
|
|
|
|
The current mineral resource estimate for the Project has a total of 8.816 million lbs. in the Measured and Indicated categories. This total consists of 7.521 million lbs. of Measured Resources and 1.295 million lbs. of Indicated Resources. There are no reported Inferred Resources because of the high drilling density at the site. Historical delineation drilling was conducted on a 100-ft. grid, including multiple drill hole fences with drill holes spaced as close as 10-50 ft. The average depth to the top of these resources is 312 ft. bgs.
There are numerous reasons that mineralization was interpreted as Measured Resources at the Project. First, the drill spacing used to categorize the Measured Resource category is less than or equal to the well spacing in a typical 5-spot production pattern (100 ft. spacing from injector to injector) described in Chapter 13.2.2 which enabled a detailed wellfield design to be completed. Second, as shown on the geologic cross sections, (Figure 8) the sub-surface geology at the Project is very well known with correlatable aquifers, consistent host sandstone intervals and reliable aquitards across the resource areas. Third, as shown in the map of mineralized trends, roll front picture, and roll front conceptual model (Figures 10, 11, and 12) mineralization occurs along the redox interface and the oxidized sands have different coloration than the reduced sands. These color variations are visible in drill cuttings and are used to map the redox interface and to guide drilling and wellfield design. Finally, the roll front deposit model used globally was developed at the Shirley Basin Mine in the early 1960s (Bailey & Gregory, 2011). This combination of drillhole spacing, well known subsurface geology, well understood deposit model, and the variety of data collected lead WWC to conclude that the mineralization in areas with drillhole spacing of less than or equal to 100 ft. fit the definition for Measured Resources.
Figure 16 illustrates the location of resources as defined by outlines of the 0.25 GT contour mineral pods and trends for the FAB Trend, and Figure 17 shows the same for Area 5. Figure 8 is a pair of cross sections that illustrates the mineralization and strata in both the FAB and Area 5 Resource Areas. Note the change in the original topography, due to pre-stripping in areas adjacent to historical open pit mining operations.
11.8 Mineral Resource Estimate Risk
To the extent known, there are no current environmental, permitting, legal, title, taxation, socio-economic, marketing, or political factors which could materially affect the accessibility of the estimated resources.
Potential future risks to the accessibility of the estimated resource may include further consideration of the designation of the greater sage-grouse as an endangered species by the U.S. Fish and Wildlife Service. The Project is not within a greater sage-grouse core area as defined by the State of Wyoming, (Governor’s Executive Orders 2019-3 and 2020-1) and therefore there are no stipulations or restrictions on the Project. However, URE intends to work closely with the Wyoming Game and Fish Department and the BLM to mitigate any potential impacts on greater sage-grouse in adjacent areas.
As is typical for mineral resource estimates, there is risk of improper interpretation of geological data such as grade or continuity. Improper geological data interpretation could impact the estimated resource estimate, either positively or negatively. URE has expended considerable effort to ensure the accuracy and validity of drilling and mineral data used as the foundation of the resource estimates. Additionally, geologists contributing to this Report are thoroughly trained and experienced in understanding the nature of roll front uranium deposits to ensure realistic and accurate interpretations of the extent of mineralization.
| Ur-Energy – Shirley Basin ISR Uranium Project |
|
|
| Technical Report Summary – March 4, 2024 |
| Page 55 |
|
|
|
|
Figure 16. FAB Trend Resources

| Ur-Energy – Shirley Basin ISR Uranium Project |
|
|
| Technical Report Summary – March 4, 2024 |
| Page 56 |
|
|
|
|
Figure 17. Area 5 Resources

| Ur-Energy – Shirley Basin ISR Uranium Project |
|
|
| Technical Report Summary – March 4, 2024 |
| Page 57 |
|
|
|
|
12.0 MINERAL RESERVE ESTIMATES
There are no current mineral reserves on the Project.
| Ur-Energy – Shirley Basin ISR Uranium Project |
|
|
| Technical Report Summary – March 4, 2024 |
| Page 58 |
|
|
|
|
13.0 MINING METHODS
The mining method addressed in this Report is ISR. There is no excavation of ore and no mining dilution with this method. Only minerals that can be taken into solution are recovered.
13.1 Mineral Deposit Amenability
URE plans to use the ISR mining technique at the Project. The District was the site of the first successful, commercial ISR operations in the U.S. From 1963-1970, 1.5 million lbs. U3O8 were produced through ISR methods. This historical production demonstrated the host Wind River Formation sandstones and the hydrological conditions of the site to be suitable for ISR production.
ISR is employed because this technique allows for the low cost and effective recovery of roll front mineralization. An additional benefit is that ISR is relatively environmentally benign when compared to conventional open pit or underground recovery techniques. ISR does not require the installation of tailings facilities or significant surface disturbance.
This mining method utilizes injection wells to introduce a lixiviant into the mineralized zone. The lixiviant is made of native groundwater fortified with oxygen as an oxidizer, sodium bicarbonate as a complexing agent, and carbon dioxide for pH control. The oxidizer converts the uranium compounds from a relatively insoluble +4 valence state to a soluble +6 valence state. The complexing agent bonds with the uranium to form uranyl carbonate, which is highly soluble. The dissolved uranyl carbonate is then recovered through a series of new production wells and piped to a processing plant where the uranyl carbonate is removed from the solution using ion exchange. The groundwater is re-fortified with the oxidizer and complexing agent and sent back to the wellfield to recover additional uranium.
In order to use the ISR technique, the mineralized body must be saturated with groundwater, transmissive to water flow, and amenable to dissolution by an acceptable lixiviant. While not a requirement, it is beneficial if the production zone aquifer is relatively confined by overlying and underlying aquitards so it is easier to maintain control of the mining lixiviant. In addition to numerous historical monitor wells, URE completed 13 monitor wells at the Project in 2014 to determine the elevation of the water tables. The natural hydrostatic pressure within the Main and Lower Sands causes the water to rise in the well casing to approximately 145 to 240 ft. bgs. The Main and Lower Sands are completely saturated at the Project. Five hydrogeologic pump tests were performed within the Project in 2014 to demonstrate that the Main and Lower Sands are sufficiently transmissive to allow the lixiviant to flow through the production zone and dissolve the uranium mineral. The transmissivity of these sands measured during these pump tests ranged from 2,460 to 8,300 gpd/ft. This range of transmissivities is consistent with the rates at other successful ISR operations. Production well flow rates observed to date confirm aquifer characteristics are suitable for ISR.
Several agitation leach (bottle-roll) tests have been carried out on core samples from the Project to ensure leachability with an acceptable lixiviant. Test results show that recoveries of approximately 80% can be expected.
13.2 Wellfield Design
The most fundamental component of ISR mine development and production is the production pattern. A pattern consists of one production well and the injection wells which feed lixiviant to it. Injection wells are commonly shared by multiple production wells. Header houses serve multiple patterns and function as both distribution points for injection flow and collection points for production flow from the production wells. The processing plant feeds injection lixiviant to the header houses for distribution to the injection wells and receives and processes production flow from the header houses.
| Ur-Energy – Shirley Basin ISR Uranium Project |
|
|
| Technical Report Summary – March 4, 2024 |
| Page 59 |
|
|
|
|
13.2.1 Revised Resources
The total resource base was evaluated based on physiographic and depth criteria to judge whether it can be addressed with current ISR methods. The evaluation determined that portions of the total mineral resource are not able to be addressed using current ISR methods. For purposes of this Report, those portions of the mineral resource were excluded from economic consideration. These excluded resources may still be available to non-conventional ISR techniques and other mining methods.
Groundwater Table
For ISR operations, it is necessary that the uranium resources are located below the static water table. Within the Project, all resources within the Wind River Formation meet this important criterion, being at least 20-40 ft. below the water table. However, some of the resources within the overlying White River Formation are located at or very near the static water table and therefore have insufficient hydraulic head for ISR production. This was identified by evaluating monitoring results from 13 monitor wells drilled by URE throughout the Project area for the purpose of measuring water levels and conducting pump tests. As a result, all the White River resources, totaling 156,975 lbs., have been removed from consideration as economically mineable resources.
Topography
Some resources have been removed from consideration as economically mineable resources due to adverse topographic conditions. Reclamation of the historical open pit mines did not involve complete backfilling. Rather, the pit walls were sloped and partially backfilled and the pit floors were allowed to flood, creating pit lakes as exist today. Locally the pit walls remain quite steep. Portions of the mineral resource in the western regions of the FAB Trend extend too close to pit lakes or occur on pit slopes too steep to efficiently construct ISR production patterns. Resources in these areas totaling 710,821 lbs. consequently have been removed from consideration as economically mineable resources.
The total resource base has been reduced by 867,796 lbs. due the above factors to yield a resource estimate of 7,947,921 lbs that is addressable by ISR wellfield patterns.
13.2.2 Wellfield Patterns
Traditionally, the industry standard wellfield pattern is a 5-spot configuration consisting of four injection wells 100 ft. apart squarely placed around a central production well, resulting in a pattern of approximately 10,000 sq./ft. in area with an injection to production well distance of approximately 70 ft. However, in practice, patterns are designed to best fit the sinuosity of the target mineral trends, and thus in most cases are not perfectly square. Based on resource mapping and its geometry, it is sometimes prudent to combine 5-spots with other pattern configurations such as “line-drives” or 6-spots for maximum layout efficiency. A line-drive pattern is a sequence of two injection wells feeding a single production well. A 6-spot is a 5-spot pattern modified to include an additional injection well for added sweep efficiency. The wellfield design presented in this report is dominantly composed of 5-spot patterns with the occasional 6-spot.
| Ur-Energy – Shirley Basin ISR Uranium Project |
|
|
| Technical Report Summary – March 4, 2024 |
| Page 60 |
|
|
|
|
In plan-view, patterns have been designed to overlay mapped roll fronts. Well completion intervals in each pattern will be carefully evaluated using available data to optimize lixiviant flow paths through targeted resources. Typically, patterns are planned to target up to two or three individually mapped and vertically stacked roll fronts. Targeting more would result in an undesirably thick and inefficient well completion interval. Operational experience has demonstrated the optimum injection/production well completion thickness to be between 10 and 25 ft. Consequently, to maintain desirable completion thicknesses, overlapping patterns have been planned in certain areas and occur when two or more mining completions are required to address multiple mineralized horizons or the presence of more mineralized thickness than can be efficiently mined with a single well completion.
The Project-wide wellfield areas have been divided into three mine units: MU1 and MU2 in the FAB Trend and MU3 in Area 5. Figures 18 and 19 illustrate the pattern layout for each of the mine units. A general description of the dimensions of each mine unit follows. MU1 is approximately 5,500 ft. long, varies in width from 500 to 1,800 ft. and has a composite wellfield area of approximately 108 acres. MU2 is approximately 5,400 ft. long, varies in width from 300 to 3,000 ft. and has a composite wellfield area of approximately 122 acres. MU3 is approximately 3,300 ft. long and 1,800 ft. wide with a composite wellfield area of approximately 53 acres. These mine units contain a planned 2,945 injection wells, 1,675 production wells, for a total of 4,620 wells (Table 14). The average estimated well depth and completion thickness for the Project are approximately 334 ft. and 16 ft., respectively. In some areas of MU1 and MU2, partial stripping of overburden by past mining operations will result in significant reduction of total well depths and subsequently a reduction in development costs.
It should be noted that due to the location of the existing permit boundary along the southern border of Section 33, T28N, R78W there would be a reduction of approximately 398,500 lbs. of mineral resource that would be unable to be recovered due to the 250 ft. buffer required between mining wells and perimeter monitor wells. A permit revision that moves the permit boundary to the south, would enable the installation of perimeter monitor wells with a sufficient buffer to prevent loss of mineral resource. URE will pursue negotiations with the surface owner to the south to revise the permit boundary. The mineral resource estimate in this Report assumes that these pounds are recovered as there is little risk that the permit revision would be denied by WDEQ-LQD. The number of patterns estimated for each mine unit is then used to calculate an average resource per pattern and an average recoverable resource per pattern, as shown in Table 14. The Project is estimated to have an overall average under pattern resource of 4,455 lbs./pattern and an average recoverable resource of 3,564 lbs./pattern.
Figure 18. Planned Mine Units FAB Trend

| Ur-Energy – Shirley Basin ISR Uranium Project |
|
|
| Technical Report Summary – March 4, 2024 |
| Page 61 |
|
|
|
|
Figure 19. Planned Mine Unit Area 5

| Ur-Energy – Shirley Basin ISR Uranium Project |
|
|
| Technical Report Summary – March 4, 2024 |
| Page 62 |
|
|
|
|
Table 14. Development Summary by Mine Unit
| Mine Unit | Resource Area | Resource (lbs. x 1000)1 | Recoverable Resource (lbs. x 1000) | Average lbs./Pattern | Average Recoverable lbs./Pattern | Injection Wells | Production Wells | Header Houses | Average Well Depth (ft.)2 | Monitor Wells |
| MU1 | FAB Trend | 3,070 | 2,455 | 5,357 | 4,286 | 854 | 573 | 19 | 283 | 100 |
| MU2 | FAB Trend | 3,324 | 2,659 | 4,649 | 3,719 | 1,323 | 715 | 24 | 306 | 120 |
| MU3 | Area 5 | 1,050 | 840 | 2,741 | 2,193 | 768 | 387 | 13 | 461 | 51 |
| Project Total |
| 7,444 | 5,955 | 4,455 | 3,564 | 2,945 | 1,675 | 56 | 334 | 271 |
1 Sum of pounds may not add to the reported total due to rounding.
2 Project totals reflect weighted average.
13.2.3 Monitor Wells
The planned monitor well network associated with the mine units is based on applicable regulatory requirements and guidance set forth by the WDEQ and the URP. In total, 271 monitor wells are planned, including 121 perimeter monitor ring wells and 150 interior monitor wells.
Perimeter monitor wells will surround each mine unit at an estimated spacing of 500 ft. from each other and 500 ft. from the nearest production pattern (Figures 18 and 19). Locally, an alternative closer spacing of perimeter monitor wells is assumed in areas where production patterns are planned near existing pit lakes or backfill, both resulting from past mining operations. These areas exhibit hydrologic conditions that are anticipated to require a more robust monitor well network with spacing of 250 ft. from each other and 250 ft. from the nearest production pattern.
Monitor wells interior to the wellfield are also required for every four acres of pattern area. These interior wells typically consist of a suite of three monitor wells: one completed in the overlying aquifer, one in the underlying aquifer and one in the production zone. However, in the Project area the Wind River production zone is underlain by thick Cretaceous marine shales and consequently no underlying aquifer has been identified. Therefore, the interior monitor wells are assumed to consist of only overlying and production zone monitor wells. These wells will be placed in pairs evenly distributed through each mine unit, with each pair composed of one of each type of well.
13.2.4 Mining Schedule
The mine life sequence can be described as development, production and groundwater restoration followed by surface reclamation (Figure 20). Construction activities which include development drilling, wellfield construction, and the installation of initial monitor wells will occur first and is anticipated to take approximately nine months. Annual production is estimated to be approximately one million pounds per year. Restoration and reclamation activities are scheduled to start soon after production is completed in a given mine unit. Final decommissioning will occur simultaneously with reclamation of the last production area. The schedule shown below has been prepared for the purpose of facilitating the preparation of the accompanying economic analysis. The actual timing on which URE decides to commence construction will be dependent on a variety of market factors.
| Ur-Energy – Shirley Basin ISR Uranium Project |
|
|
| Technical Report Summary – March 4, 2024 |
| Page 63 |
|
|
|
|
Figure 20. Life of Mine Schedule

13.3 Piping
Pipelines transport the wellfield solutions to and from the planned satellite IX plant. The flow rates and pressures of the individual well lines are monitored in the header houses. Flow and pressure of the field production systems are also monitored and controlled as appropriate at the header houses. High density polyethylene (HDPE), PVC, stainless steel, or equivalent piping is used in the wellfields and will be designed and selected to meet design operating conditions. The lines from the satellite IX plant, header houses, and individual well lines will be buried for freeze protection and to minimize pipe movement.
13.4 Header Houses
Header houses are used to distribute lixiviant injection fluid to injection wells and collect pregnant solution from production wells. Each header house is connected to two trunk lines, one for receiving barren lixiviant from the satellite IX plant and one for conveying pregnant solutions to the satellite plant. The header houses include manifolds, valves, flow meters, pressure gauges, instrumentation and oxygen for incorporation into the injection fluid, as required. Each header house may service up to 90 wells (injection and production) depending on pattern geometry.
13.5 Wellfield Reagents and Electricity
The evaluation presented in this Report assumes, based on the production schedule and plan at full satellite flow, the use of the following reagents and electricity in the wellfields and satellite plant on an annual basis:
|
| Oxygen | 59 | million standard cu. ft. |
|
| Carbon dioxide | 657 | tons |
|
| Electricity | 8.4 | million kilowatt-hours (kWh) |
| Ur-Energy – Shirley Basin ISR Uranium Project |
|
|
| Technical Report Summary – March 4, 2024 |
| Page 64 |
|
|
|
|
13.6 Mining Fleet Equipment and Machinery
This evaluation includes the cost of the required equipment and machinery to support the installation and operation of wellfields, a 6,000 gpm satellite IX plant and post-mining reclamation activities. A summary listing of this initial equipment and machinery includes: two (2) ½-ton pickup trucks; 14 ¾-ton pickup trucks; one (1) ¾ ton electrician pickup truck; five (5) 1 ton trucks; one (1) 1 ton welding pickup truck; two (2) logging trucks; one (1) well testing truck; two (2) pulling units; two (2) vacuum trucks; two (2) resin trailers; two (2) flatbed trailers; six (6) cementers; (5) backhoes; one (1) motor grader; one (1) wheel loader; four (4) forklifts; one (1) tractor with various implements; two (2) hose reels; Fusion equipment; two (2) portable generators; and various hand tools, radios and computers.
13.7 Mining Fleet Personnel
This evaluation includes the cost of the personnel required to operate the wellfield, satellite IX plant, and mine administration. The wellfield department will have up to 35 full time equivalent (FTE) positions which include all personnel required for drilling, casing, logging, operations, and reclamation. The satellite plant department will have up to 11 FTE positions which would include personnel required to operate and maintain the satellite plant. The mine administration will require seven FTE positions to oversee mine operations, safety, and technical support staff. These FTE positions represent the total over the life of the Project and will not occur simultaneously. The maximum number of FTE positions at any one time is anticipated to be 48.
| Ur-Energy – Shirley Basin ISR Uranium Project |
|
|
| Technical Report Summary – March 4, 2024 |
| Page 65 |
|
|
|
|
14.0 PROCESSING AND RECOVERY METHODS
ISR operations consist of four major solution circuits, and because the Project is anticipated to be a satellite to URE’s Lost Creek Mine, only the first major solution circuit will be located at the Project. Loaded resin will be contract transported to the Lost Creek Mine, where the remainder of the processing will be completed. The four major solution circuits are:
|
| 1. | Uranium recovery/extraction circuit (IX); |
|
|
|
|
|
| 2. | Elution circuit to remove the uranium from the IX resin; |
|
|
|
|
|
| 3. | Yellowcake precipitation circuit; and the |
|
|
|
|
|
| 4. | Dewatering, drying and packaging circuit. |
Figure 21 presents a simplified process flow diagram illustrating the relationship between the Project satellite facility and the Lost Creek Mine.
14.1 Satellite Operations
Production fluid containing dissolved uranyl carbonate from the wellfields is pumped to the satellite IX plant for beneficiation as described below.
IX Circuit – The IX circuit will be housed in a metal building which will also house the resin transfer equipment as well as the restoration circuit. Uranium liberated from the underground deposits is extracted from the pregnant solution in the 6,000 gpm IX circuit. Subsequently, the barren lixiviant is reconstituted to the proper bicarbonate strength, as needed, and pH is corrected using carbon dioxide prior to being pumped back to the wellfield for reinjection. A low-volume bleed is permanently removed from the lixiviant flow in order to maintain an inward hydraulic gradient to the wellfields. The bleed is treated by RO to remove metals and salts (e.g., calcium, sodium, sulfate) and the clean permeate is either reused in the process or recycled to suitable aquifers. This clean permeate is of better quality than the native groundwater. Brine will be disposed of in evaporation ponds and excess permeate will be disposed of in historical pit lakes at the site.
Associated with the satellite operations will be office, construction, maintenance, warehouse and drilling support buildings.
14.2 Transportation
Once the IX resin is loaded to a point where it is no longer economically capturing uranium from the production solution, the IX resin column is taken offline and the loaded resin is moved to a trailer. The resin typically will be shipped in 500 cu. ft. loads and will have the majority of the water drained off prior to shipping. Bulk pneumatic trailers are planned to transport the resin to and from the Lost Creek Mine processing plant approximately 32 miles north of Wamsutter, Wyoming. The mode of hauling is proposed to be a contract carrier licensed to haul radioactive materials in the State of Wyoming. An example of such a carrier would be RSB Logistics who is currently contracted to haul the end product, yellowcake, from the Lost Creek Mine to Metropolis, Illinois for final processing.
| Ur-Energy – Shirley Basin ISR Uranium Project |
|
|
| Technical Report Summary – March 4, 2024 |
| Page 66 |
|
|
|
|
There are two possible routes from the Project to the Lost Creek Mine. The preferred route is south on Wyoming Highway 487, west on U.S. Highway 30/287 continuing west on Interstate 80, then north on the Wamsutter – Crooks Gap road to the Lost Creek Mine. The total length for this route is approximately 175 miles. The alternate route is north on Wyoming Highway 487, west on Wyoming Highway 220, continuing northwest on Wyoming Highway 287 then south on the Wamsutter – Crooks Gap road. The total length for this route is approximately 160 miles. While this route is shorter by 15 miles, it is the lesser traveled trucking route of the two.
Once the truck delivers the loaded trailer to Lost Creek Mine, a trailer with barren resin will be immediately returned to the Project satellite facility.
14.3 Energy, Water, Process Materials, and Personnel
Estimates used in the evaluation presented in this Report assume the annual consumption of approximately 46,200 gallons of propane and 10.7 million kWh of electricity to heat and light the satellite plant and operate the process equipment and wellfields.
Chemicals that are anticipated to be used in the plant processes at the full design flow rate and the assumed annual consumption rates include:
|
| Hydrochloric acid (37.5%) | 773 tons/year |
|
| WL-2000 (anti-scalent) | 12.5 tons/year |
|
| Diatomaceous Earth | 580 tons/year |
|
| Resin (make-up/replacement) | 100 cu. ft./year or less |
The chemicals will be stored, used and managed to ensure worker and environmental safety in accordance with standards developed by regulatory agencies and vendors. Additional resin will only be purchased and added as necessary if resin is lost or damaged during normal operating processes. Under normal operating conditions, the resin is anticipated to last the life of the project or longer. For this Report, due to the potential wear associated with the trucking of resin, the cost of an additional resin each year was factored into the analysis.
Consumptive water usage for the satellite plant is based on the wellfield bleed and RO plant brine production rates which are described in more detail in Chapter 14.4.
Personnel requirements are described in Chapter 13.7.
| Ur-Energy – Shirley Basin ISR Uranium Project |
|
|
| Technical Report Summary – March 4, 2024 |
| Page 67 |
|
|
|
|
Figure 21. Process Flow Diagram

| Ur-Energy – Shirley Basin ISR Uranium Project |
|
|
| Technical Report Summary – March 4, 2024 |
| Page 68 |
|
|
|
|
14.4 Liquid Disposal
Typical ISR and restoration operations generate limited quantities of wastewater that cannot be returned to the production aquifers. The wastewater will be derived from: wellfield production bleed, satellite processes and wastewater treatment reject. The production bleed is a net withdrawal of water that generates an area of low hydrostatic pressure within the mining zone. Water surrounding the mining zone flows toward the area of low pressure thereby preventing mining solutions from migrating away from the mining zone toward protected waters. The wellfield production bleed rate is estimated at 0.5 to 1.5% of the total mine unit flow rate. The wastewater flow rate from the satellite plant will be minimal, on the order of 1 gpm, because the facility will house only the IX circuit without the elution, precipitation, filtration or drying circuits. The wastewater from restoration is related to initial purging of the production area (known as groundwater sweep, or GWS) and the untreatable brine related to multiple volumes of groundwater treated using RO where the permeate is reinjected. Because of the various degrees of wastewater treatment and concentration planned at the satellite facility, the rate of brine generated will average approximately 6 gpm, all of which will be evaporated in the two (2) onsite ponds. The permeate generated from all these operations will pass through a radium IX resin before being disposed in the historic pit lakes pursuant to URE’s WYPDES permit (WY0096466). An average of 48 gpm of permeate recycling is expected over the production and restoration life of the project.
14.5 Solid Waste Disposal
Solid wastes consist of empty packaging, miscellaneous pipes and fittings, tank sediments, solids related to wastewater concentration, used personal protective equipment and domestic trash. These materials are classified as contaminated or non-contaminated based on their radiological characteristics.
Non-contaminated solid waste is waste which is not contaminated with radioactive material or contaminated waste which can be decontaminated and re-classified as non-contaminated waste. This type of waste may include trash, piping, valves, instrumentation, equipment and any other items which are not contaminated or which may be successfully decontaminated. Current estimates are that the site will produce approximately 400 cubic yards of non-contaminated solid waste per year. Non-contaminated solid industrial waste will be collected in designated areas at the Project site and disposed of within the permitted, on-site industrial solid waste land fill. Non-contaminated solid household waste will be shipped by a contractor to a local land fill.
Contaminated solid waste consists of solid waste contaminated with radioactive material that cannot be decontaminated. This waste will be classified as 11e.(2) byproduct material as defined by federal and state regulations. This byproduct material consists of solids generated through concentration of wastewater, filters, personal protective equipment, spent resin, piping, etc. URE owns a licensed, 11e.(2) byproduct material disposal site at Shirley Basin which can receive these materials. It is estimated that the Project will produce approximately 90 cubic yards of 11e.(2) byproduct material as waste per year. This estimate is based on the waste generation rates of similar uranium ISR facilities.
| Ur-Energy – Shirley Basin ISR Uranium Project |
|
|
| Technical Report Summary – March 4, 2024 |
| Page 69 |
|
|
|
|
15.0 INFRASTRUCTURE
15.1 Roads
Four types of roads will be used for access to the Project and its production areas. They include primary access roads, secondary access roads, temporary wellfield access roads, and well access roads. The Project area is served by Wyoming Highway 487 as depicted on Figure 1. Wyoming Highway 487 is a state maintained, two-lane, sealed, asphalt road providing year around access. Access to this highway from the north (Casper) is via Wyoming Highway 220, and access from the south (Laramie or Rawlins) is via US Highway 30/287. Once on the Project, there is a crown-and-ditched gravel access road to the former mill site area (Figure 3). The proposed access to the ISR production area will require upgrading approximately 1.9 miles of an existing graded access road which is reached by Carbon County Road 2, Shirley Ridge Road. In addition to the designated routes, there are a number of tertiary or “two-track” roads that traverse the area for recreation and grazing access, as well as various other uses, including mineral exploration and access to monitor wells.
Snow removal and periodic surface maintenance will be performed as needed. The secondary access roads are used at the Project to provide access to the wellfield header houses. The secondary access roads are constructed with limited cut and fill construction and may be surfaced with small sized aggregate or other appropriate material.
The temporary wellfield access roads are for access to drilling sites, wellfield development, or ancillary areas assisting in wellfield development. When possible, URE will use existing two-track trails or designate two-track trails where the land surface is not typically modified to accommodate the road. The temporary wellfield access roads will be used throughout the mining areas and will be reclaimed at the end of mining and restoration.
15.2 Electricity
A regional power transmission line (69 kV) passes through the northern portions of the Project. Also, an existing energized power line leads to a substation with transformer bank near the field office, and from there a currently inactive power line (poles only) extends to the FAB Trend. The line was originally installed to serve the Pathfinder Mine. Service to the area is through High Plains Electric. On-site power will be owned by PMC and will be constructed by contract overhead power electricians. Prior to operation of the Project, the substation will be upgraded and new lines run to the proposed satellite plant and wellfields. Power lines from header houses to production wells will be placed underground using direct burial wire.
15.3 Holding Ponds
Up to six holding ponds will be used to contain process wastewater and brine, however only two are initially estimated for construction. It is anticipated the ponds will be built immediately east of the planned plant site (shown on Figure 18). Each of the earthen banked ponds will be designed to be approximately 295 by 385 ft., as measured from centerline, crest to crest. The ponds will have a triple lined containment system, two synthetic liners and a single clay liner, with leak detection between the synthetic liners. The rigorous procedures established at the Lost Creek Mine to ensure proper inspection, operation, and maintenance of the holding ponds will be employed at the Project.
15.4 Water
There are existing water wells located at the Project capable of providing sufficient supply for domestic and other potential operational requirements. Well WW22 is currently used as a supply well and is capable of producing over 25 gpm. There are several backup water wells that are installed but have not been utilized to date. Additional new and appropriately sited water source wells will be considered for future site use. Water impounded in the reclaimed mine pits is also suitable for use in drilling and would be available pending construction of approach ramps.
| Ur-Energy – Shirley Basin ISR Uranium Project |
|
|
| Technical Report Summary – March 4, 2024 |
| Page 70 |
|
|
|
|
16.0 MARKET STUDIES
Unlike other commodities, uranium does not trade on an open market. Contracts are negotiated privately between buyers and sellers. Sales contracts vary in quantity and duration from spot market transactions, typically one-time, near-term deliveries involving as little as 25,000 lbs. U3O8, to long term sales agreements covering deliveries over multiple future years with quantities in the hundreds of thousands to millions of pounds of U3O8. This economic analysis assumes a variable price per pound for U3O8 over the life of the Project ranging from a high of $86.21 in 2026 to a low of $82.46 in 2030.
The sale price for the produced uranium is assumed to vary based on a calculation of a simple average of (a) the annual average of the projections of Cantor Fitzgerald Canada Corporation, September 26, 2023; Roth MKM, October 10, 2023; PI Financial Corp. October 6, 2023 and (b) UxC, LLC Q4 2023.
The QP believes these estimates are appropriate for use in the evaluation, and the results support the assumptions herein.
URE has not entered into uranium supply contracts that are tied to production from the Project. The price projection model includes components reflective of URE’s market strategy of blending term and spot market pricing mechanisms within contracts. The anticipated sales prices are considered within the sensitivities in this Report. The income from the estimated production at the anticipated sales price is included in the cash flow estimate.
The marketability of uranium and acceptance of uranium mining is subject to numerous factors beyond the control of URE. The price of uranium may experience volatile and significant price movements over short periods of time. Factors beyond URE’s control affect the market, including demand for nuclear power; changes in public acceptance of nuclear power generation; political and economic conditions in uranium mining, producing and consuming countries; costs and availability of financing of nuclear plants; changes in governmental regulations; global or regional consumption patterns; speculative activities and increased production due to new extraction developments and improved production methods; the future viability and acceptance of small modular reactors or micro-reactors and the related fuel requirements for this new technology; reprocessing of spent fuel and the re-enrichment of depleted uranium tails or waste; and global economics, including currency exchange rates, interest rates and expectations of inflation. Any future accidents, or threats of or incidents of war, civil unrest or terrorism, at nuclear facilities are likely to also impact the conditions of uranium mining and the use and acceptance of nuclear energy. The economic analysis and associated sensitivities are within the range of current market variability.
During the construction phase of the plant, several contracts will be required with various construction related venders. No construction contracts have been entered into at the date of this Report. Operational purchasing agreements will be required with the primary chemical suppliers. None of these agreements has been entered into. Finally, agreements will be required with a transportation company for the transport of loaded resin from the Project to the Lost Creek Mine for processing of yellowcake and transport of the yellowcake to the conversion facility.
| Ur-Energy – Shirley Basin ISR Uranium Project |
|
|
| Technical Report Summary – March 4, 2024 |
| Page 71 |
|
|
|
|
17.0 ENVIRONMENTAL STUDIES, PERMITTING, AND PLANS, NEGOTIATIONS, OR AGREEMENTS WITH LOCAL INDIVIDUALS OR GROUPS
17.1 Environmental Studies
Extensive environmental studies, including geology, surface hydrology, sub-surface hydrology, geochemistry, fisheries, wetlands, air quality, vegetation, wildlife, archeology, meteorology, background radiometrics, and soils were conducted for various permitting actions. The geology, hydrology, meteorology, and radiometric studies were performed by URE professionals and staff, while the remaining studies were performed by contracted experts. Permitting commenced following the completion of all baseline field work. All major authorizations to construct and operate the Project have been received. At this time, there are no known environmental factors which could materially impact the ability to recover uranium resources and to maintain permitted authorizations.
17.2 Waste Disposal and Monitoring
17.2.1 Waste Disposal
Non-household waste generated from an ISR facility generally consists of water from the wellfield and processing plant and solid waste generated from the plant. Both types of waste are classified as 11e.(2) byproduct material pursuant to the Atomic Energy Act (AEA). During production, the wastewater will be treated by RO and radium IX resin. The brine will be disposed of in evaporation ponds, while the excess permeate will be disposed of into the historic pit lakes pursuant to the WYPDES permit (WY0096466).
The solid 11e.(2) waste generated on-site will consist of solids related to wastewater concentration, personal protective equipment, filters, and used process equipment. The 11e.(2) byproduct material will be disposed of in the on-site tailings facility, which is operated under a URP license as a commercial disposal facility.
17.2.2 Site Monitoring
Once mining begins there will be considerable site monitoring to ensure protection of the environment and protection of employees and the public from radionuclide effluent. Each mine unit will be surrounded laterally and vertically with a series of monitor wells to ensure mining solutions do not migrate out of the mining zone. The wells will be sampled twice per month with the results compared against pre-determined upper control limits.
Significant environmental monitoring for radionuclide effluents will also take place during mining and reclamation. Nine sites have been pre-selected for monitoring gamma radiation and radon levels. Sampling devices will be replaced each quarter during operations and continue through groundwater restoration. Additionally, five sites have been selected for monitoring the concentration of airborne radionuclides. The air filters in the devices are changed out about every two weeks and quarterly composites are submitted to a contract laboratory for analysis. The laboratory results will be compared against baseline values to determine if any upward trending is occurring. The radionuclide concentration in local soils, surface water and vegetation will also be monitored to determine if mine effluent is causing impacts.
| Ur-Energy – Shirley Basin ISR Uranium Project |
|
|
| Technical Report Summary – March 4, 2024 |
| Page 72 |
|
|
|
|
Finally, wildlife monitoring will continue throughout the life of the mine and will cover a variety of species including greater sage-grouse, big game, migratory birds, fish, lagomorphs, songbirds and other species deemed to be of concern by permitting agencies. Third-party contractors will be utilized to perform wildlife monitoring.
17.3 Permitting
Several significant federal, state, and county authorizations must be obtained prior to construction and operation of an ISR project. The Project has received all major environmental permits. See Chapter 3.5.2 for a description of the permits that have been received or are in process.
17.4 Social or Community Impact
The Project is proximate to the communities of Casper and Medicine Bow. Casper is approximately 40 miles north of the Project and has a population of 59,038 people according to the 2020 census. Medicine Bow is located 32 miles south of the site and has a population of 245 people (U.S. Census 2024). URE expects to hire site personnel from these communities as well as from other small, more distant communities. Employment will likely have a positive impact on these communities not only through direct payroll, but through primary and secondary purchases of goods and services.
The immediate area around the facility is very sparsely populated. The nearest home is approximately 2.7 miles from the Project. The next nearest home is greater than nine miles away.
URE has committed to significant monitoring and regulatory oversight in support of its mining activities. These commitments assist in protecting the mining area and its surrounding resources. In addition, a surety bond is in place to ensure the proper restoration and reclamation of existing infrastructure. The surety will be updated annually during the life of the Project to account for changes in reclamation liability. Nuisance and hazardous conditions which could affect local communities are not expected to be generated by the facility. The level of traffic in the region will increase slightly but the impact to local roads is expected to be minor.
17.5 Mine Closure Cost
Throughout the life of the mine URE will be required to annually assess the reclamation liability and submit the estimate to the URP, BLM, and LQD for review and approval. Upon approval by the agencies, a surety instrument sufficient to cover the reclamation liability must be established and maintained. Upon complete facility reclamation, the remaining surety would be returned to URE. The current facility surety amounts, which are intended to cover the cost of reclaiming historical activities, are presented in Chapter 3.5.1.
17.5.1 Well Abandonment / Groundwater Restoration
Groundwater restoration will begin as soon as practicable after uranium recovery in each wellfield is completed (as determined by project economics). If a depleted wellfield is near an area that is being actively mined, a portion of the depleted area’s restoration may be delayed to limit interference with the ongoing recovery operations.
Restoration completion assumes up to six PVs of groundwater will be extracted and treated by RO. Following completion of successful restoration activities, the injection and production wells will be plugged and abandoned in accordance with LQD regulations. Monitor wells will also be abandoned following verification of successful groundwater restoration.
| Ur-Energy – Shirley Basin ISR Uranium Project |
|
|
| Technical Report Summary – March 4, 2024 |
| Page 73 |
|
|
|
|
17.5.2 Demolition and Removal of Infrastructure
Simultaneous with well abandonment operations, the trunk and feeder pipelines will be removed, tested for radiological contamination, segregated as either solid 11e.(2) or non-11e.(2) byproduct material, then chipped and disposed of in the appropriate on-site disposal facilities. The header houses will be disconnected from their foundations, decontaminated, segregated as either solid 11e.(2) or non-11e.(2) byproduct material, and disposed of on-site in the appropriate disposal facilities or recycled. The processing equipment and ancillary structures will be demolished, tested for radiological properties, segregated and either scrapped or disposed of on-site in the appropriate disposal facilities based on their radiological properties.
17.5.3 Site Grading and Revegetation
Following the removal of wellfield and plant infrastructure, site roads will be removed, and the site will be re-graded to approximate pre-development contours and the stockpiled topsoil placed over disturbed areas. The disturbed areas will then be seeded.
17.6 Adequacy of Current Plans
In the QP’s opinion the current plans to address any environmental compliance, permitting, or local individual or group issues meet the requirements set forth by regulatory agencies are adequate.
| Ur-Energy – Shirley Basin ISR Uranium Project |
|
|
| Technical Report Summary – March 4, 2024 |
| Page 74 |
|
|
|
|
18.0 CAPITAL AND OPERATING COSTS
Capital Costs (CAPEX) and Operating Costs (OPEX) are based on the geological evaluation of the resource as described in Chapter 11.0 and the installation of conceptual production patterns, header houses, pipelines, powerlines, fences, roads, and other infrastructure to produce 80% of the resource as described in Chapter 13.1. The estimated costs for the Project are based on the costs for materials and services at the operating Lost Creek Mine. OPEX costs include the drilling and installation of the mine units as well as all operating costs such as chemicals, labor, utilities and maintenance. OPEX costs are most sensitive to wellfield costs – which may increase if well spacing needs to be reduced or additional injection/production wells are required. In addition, a shortage of drilling rigs and the increasing costs of well and piping materials (PVC, HDPE) could also lead to increased OPEX costs.
18.1 Capital Cost Estimation (CAPEX)
CAPEX costs were developed based on the current designs, quantities and unit costs. The cost estimates presented herein are based on personnel and capital equipment requirements, as well as wellfield layouts, process flow diagrams, tank and process equipment and buildings at URE’s Lost Creek Mine in Sweetwater County, Wyoming. The Project has pre-mining development and capital costs of $40.7 million, which are detailed on Table 15.
Table 15. Summary of CAPEX Cost Estimation
| Initial Capital ($ million) | |
| Rolling Stock | $5.14 |
| General Site Equipment & Utilities | $0.74 |
| Plant Equipment & Engineering | $10.27 |
| Plant and General Shop Buildings | $8.06 |
| Access Road | $0.23 |
| Total | $24.44 |
| Pre-Mining Development ($ million) | |
| Labor | $ 2.89 |
| Wellfield Drilling | $ 7.63 |
| Wellfield Construction | $ 5.45 |
| Operating Cost | $ 0.33 |
| Total | $16.30 |
| Sustaining Capital ($ million) | |
| Sustaining Capital | $9.22 |
|
| Total CAPEX $ 50.0 million |
After the start of mining, subsequent mine unit drilling and installation costs are considered in the OPEX category. The only items in the CAPEX category for the remainder of the mine life are in the sustaining capital category. These will include construction of the RO treatment system, replacement of pickup trucks, resin trailers, a backhoe, a forklift and routine replacement of hand tools, 2-way radios, computers and generators used in sampling. The sustaining capital estimate is based on purchases of the same equipment and/or vendor pricing. Since costs from Lost Creek Mine are current and wellfield and satellite plant designs at the Project are expected to be similar to Lost Creek Mine, no additional contingency was applied to the CAPEX costs for the purposes of this Report.
| Ur-Energy – Shirley Basin ISR Uranium Project |
|
|
| Technical Report Summary – March 4, 2024 |
| Page 75 |
|
|
|
|
18.2 Operating Cost Estimation (OPEX)
The OPEX costs have been developed by evaluating and including each process unit operation and the associated required operating services (power, water, air, waste disposal), infrastructure (offices, shops and roads), salary and benefit burden, and environmental control (heat, air conditioning, monitoring). Also included are the wells to mine MUs 1, 2 and 3. The annual OPEX and the closure cost summary for the plant is provided in Table 16. Total OPEX costs, including selling, production and operating costs have been estimated at $145.5 million, or approximately $24.40 per pound. The costs are based on the current agreements, contracts and costs at the operating Lost Creek Mine and therefore have no contingency attached. The prices for the major items identified in this Report have been sourced in the U.S. Major cost categories considered when developing OPEX costs include wellfield, plant and site administration costs as detailed in Table 16.
18.2.1 Wellfield Development Costs
The first series of header houses will be brought online sequentially until the nominal plant throughput (approximately 5,500 to 6,000 gpm), or such other targeted production level as may be determined from time to time is attained. The remainder of MU1 and additional areas will be developed in such a way as to allow for plant capacity to be maintained.
The wellfield development costs include both wellfield drilling and wellfield construction activities and were estimated based on current wellfield designs including the number, location, depth and construction material specifications for wells and header houses and the hydraulic conveyance (piping) system associated with the wellfields. Additionally, trunk and feeder pipelines, electrical service, roads and wellfield fencing are included in the cost estimates. The wellfield development estimate is based on costs from vendors, contractors, labor wages and equipment rates used to drill and construct at the Lost Creek Mine. No contingency is included given that wellfield development is ongoing at Lost Creek Mine and all the costs are current. The estimated wellfield development cost of the Project is $103.5 million or $17.36 per pound and is contained annually in the Cash Flow Statement provided in Table 17.
18.3 Accuracy of the CAPEX and OPEX Estimates
The CAPEX and OPEX costs described herein are based on actual costs incurred by URE at the operating Lost Creek Mine; weather, labor, and general operating conditions at the Lost Creek Mine are similar enough to conditions at Shirley Basin that the costs are not expected to vary significantly between the sites. As such, no contingency was applied for this analysis. Given the advanced level of drilling data available and detailed planning completed to date, the accuracy of this analysis is estimated at +/- 10%.
| Ur-Energy – Shirley Basin ISR Uranium Project |
|
|
| Technical Report Summary – March 4, 2024 |
| Page 76 |
|
|
|
|
18.4 Risk
There are a number of risks associated with the assumptions made to develop these estimates which are described in more detail within Chapter 22.3. The estimates included in this analysis are based on actual costs from operations at the Lost Creek Mine, which to some degree de-risks the estimates.
Table 16. Annual Operating Costs (OPEX) Summary
| Life of Mine Operating Costs |
| 2024 |
|
| 2025 |
|
| 2026 |
|
| 2027 |
|
| 2028 |
|
| 2029 |
|
| 2030 |
|
| 2031 |
|
| 2032 |
|
| 2033 |
|
| 2034 |
|
| 2035 |
|
| 2036 |
|
| 2037 |
|
| 2038 |
|
| 2039 |
|
| 2040 |
|
| Totals |
|
| $ / Pound |
| |||||||||||||||||||
|
|
| ($000s except cost per pound data) |
| |||||||||||||||||||||||||||||||||||||||||||||||||||||||||||||||||||||||||
| Salaries and Wages (Plant) |
| $ | - |
|
| $ | - |
|
| $ | - |
|
| $ | - |
|
| $ | - |
|
| $ | - |
|
| $ | - |
|
| $ | - |
|
| $ | - |
|
| $ | - |
|
| $ | - |
|
| $ | - |
|
| $ | - |
|
| $ | - |
|
| $ | - |
|
| $ | - |
|
| $ | - |
|
| $ | - |
|
| $ | - |
|
| Salaries and Wages (Wellfield) |
| $ | - |
|
| $ | - |
|
| $ | - |
|
| $ | - |
|
| $ | - |
|
| $ | - |
|
| $ | - |
|
| $ | - |
|
| $ | - |
|
| $ | - |
|
| $ | - |
|
| $ | - |
|
| $ | - |
|
| $ | - |
|
| $ | - |
|
| $ | - |
|
| $ | - |
|
| $ | - |
|
| $ | - |
|
| Wellfield costs (excludes closure related) |
| $ | - |
|
| $ | - |
|
| $ | (1,391.4 | ) |
| $ | (1,517.9 | ) |
| $ | (1,517.9 | ) |
| $ | (1,517.9 | ) |
| $ | (1,517.9 | ) |
| $ | (1,517.9 | ) |
| $ | (1,517.9 | ) |
| $ | (1,471.4 | ) |
| $ | (1,362.4 | ) |
| $ | (1,204.7 | ) |
| $ | (1,204.7 | ) |
| $ | (1,204.7 | ) |
| $ | (810.1 | ) |
| $ | (538.2 | ) |
| $ | (417.3 | ) |
| $ | (18,712.2 | ) |
| $ | (3.14 | ) |
| Processing Plant Costs (excludes closure related) |
| $ | - |
|
| $ | - |
|
| $ | (1,999.9 | ) |
| $ | (2,181.8 | ) |
| $ | (2,181.8 | ) |
| $ | (2,181.8 | ) |
| $ | (2,113.5 | ) |
| $ | (2,090.8 | ) |
| $ | (2,090.8 | ) |
| $ | (1,562.0 | ) |
| $ | (762.4 | ) |
| $ | (613.7 | ) |
| $ | (613.7 | ) |
| $ | (613.7 | ) |
| $ | (327.1 | ) |
| $ | (108.6 | ) |
| $ | (236.6 | ) |
| $ | (19,678.1 | ) |
| $ | (3.30 | ) |
| Product Shipping Costs & Conversion Facility Fees |
| $ | - |
|
| $ | - |
|
| $ | (2,049.3 | ) |
| $ | (2,483.0 | ) |
| $ | (2,578.3 | ) |
| $ | (2,498.6 | ) |
| $ | (2,520.0 | ) |
| $ | (2,608.1 | ) |
| $ | (2,557.8 | ) |
| $ | (2,507.7 | ) |
| $ | (1,124.6 | ) |
| $ | (497.6 | ) |
| $ | (684.8 | ) |
| $ | (499.1 | ) |
| $ | (225.3 | ) |
| $ | - |
|
| $ | - |
|
| $ | (22,834.3 | ) |
| $ | (3.83 | ) |
| Land Holding & Surface Impact Costs |
| $ | - |
|
| $ | - |
|
| $ | (2,974.9 | ) |
| $ | (3,361.9 | ) |
| $ | (4,047.6 | ) |
| $ | (3,851.3 | ) |
| $ | (3,962.5 | ) |
| $ | (3,870.2 | ) |
| $ | (3,493.1 | ) |
| $ | (3,223.8 | ) |
| $ | (1,790.7 | ) |
| $ | (1,274.3 | ) |
| $ | (1,297.3 | ) |
| $ | (1,305.6 | ) |
| $ | (415.1 | ) |
| $ | (16.5 | ) |
| $ | (82.5 | ) |
| $ | (34,967.3 | ) |
| $ | (5.86 | ) |
| Wyoming URP Fees |
| $ | - |
|
| $ | - |
|
| $ | (332.7 | ) |
| $ | (349.9 | ) |
| $ | (344.9 | ) |
| $ | (296.1 | ) |
| $ | (303.3 | ) |
| $ | (296.1 | ) |
| $ | (220.1 | ) |
| $ | (183.5 | ) |
| $ | (51.3 | ) |
| $ | - |
|
| $ | - |
|
| $ | - |
|
| $ | - |
|
| $ | - |
|
| $ | - |
|
| $ | (2,378.0 | ) |
| $ | (0.40 | ) |
| Insurance & Bonding |
| $ | (13.4 | ) |
| $ | (13.4 | ) |
| $ | (13.4 | ) |
| $ | (13.4 | ) |
| $ | (13.4 | ) |
| $ | (13.4 | ) |
| $ | (13.4 | ) |
| $ | (19.4 | ) |
| $ | (19.4 | ) |
| $ | (19.4 | ) |
| $ | (19.4 | ) |
| $ | (19.4 | ) |
| $ | (19.4 | ) |
| $ | (19.4 | ) |
| $ | (19.4 | ) |
| $ | (19.4 | ) |
| $ | (13.4 | ) |
| $ | (281.8 | ) |
| $ | (0.05 | ) |
| Subtotal |
| $ | (13.4 | ) |
| $ | (13.4 | ) |
| $ | (8,761.7 | ) |
| $ | (9,907.8 | ) |
| $ | (10,683.9 | ) |
| $ | (10,359.1 | ) |
| $ | (10,430.6 | ) |
| $ | (10,402.5 | ) |
| $ | (9,899.1 | ) |
| $ | (8,967.9 | ) |
| $ | (5,110.8 | ) |
| $ | (3,609.7 | ) |
| $ | (3,819.9 | ) |
| $ | (3,642.4 | ) |
| $ | (1,797.1 | ) |
| $ | (682.7 | ) |
| $ | (749.8 | ) |
| $ | (2,040.0 | ) |
| $ | (0.34 | ) |
|
|
|
|
|
|
|
|
|
|
|
|
|
|
|
|
|
|
|
|
|
|
|
|
|
|
|
|
|
|
|
|
|
|
|
|
|
|
|
|
|
|
|
|
|
|
|
|
|
|
|
|
|
|
|
|
|
|
|
|
|
|
|
|
|
|
|
|
|
|
|
|
|
|
|
|
|
|
| Closure costs (less wages) |
| $ | (135.7 | ) |
| $ | (1,865.0 | ) |
| $ | (9,822.4 | ) |
| $ | (11,595.6 | ) |
| $ | (12,069.2 | ) |
| $ | (11,188.9 | ) |
| $ | (11,291.1 | ) |
| $ | (11,115.1 | ) |
| $ | (10,822.9 | ) |
| $ | (9,464.8 | ) |
| $ | (4,799.0 | ) |
| $ | (3,692.1 | ) |
| $ | (3,511.1 | ) |
| $ | (3,352.6 | ) |
| $ | (1,499.2 | ) |
| $ | 395.0 |
|
| $ | 191.5 |
|
| $ | (105,638.1 | ) |
| $ | (17.71 | ) |
| Home Office Support and Allocated Overhead |
| $ | - |
|
| $ | - |
|
| $ | - |
|
| $ | - |
|
| $ | - |
|
| $ | - |
|
| $ | - |
|
| $ | - |
|
| $ | - |
|
| $ | - |
|
| $ | - |
|
| $ | - |
|
| $ | - |
|
| $ | - |
|
| $ | - |
|
| $ | - |
|
| $ | - |
|
| $ | - |
|
| $ | - |
|
| Subtotal |
| $ | - |
|
| $ | - |
|
| $ | - |
|
| $ | (88.4 | ) |
| $ | (1,132.7 | ) |
| $ | (1,321.9 | ) |
| $ | (1,351.3 | ) |
| $ | (1,922.8 | ) |
| $ | (1,321.9 | ) |
| $ | (2,372.5 | ) |
| $ | (2,128.5 | ) |
| $ | (1,262.9 | ) |
| $ | (1,966.1 | ) |
| $ | (1,434.9 | ) |
| $ | (2,698.9 | ) |
| $ | (1,681.4 | ) |
| $ | (8,406.8 | ) |
| $ | (29,091.0 | ) |
| $ | (4.88 | ) |
|
|
|
|
|
|
|
|
|
|
|
|
|
|
|
|
|
|
|
|
|
|
|
|
|
|
|
|
|
|
|
|
|
|
|
|
|
|
|
|
|
|
|
|
|
|
|
|
|
|
|
|
|
|
|
|
|
|
|
|
|
|
|
|
|
|
|
|
|
|
|
|
|
|
|
|
|
|
| Total |
| $ | (638.0 | ) |
| $ | (638.0 | ) |
| $ | (638.0 | ) |
| $ | (726.4 | ) |
| $ | (1,770.7 | ) |
| $ | (1,959.9 | ) |
| $ | (1,989.3 | ) |
| $ | (2,560.8 | ) |
| $ | (1,959.9 | ) |
| $ | (3,010.5 | ) |
| $ | (2,766.5 | ) |
| $ | (1,900.9 | ) |
| $ | (2,604.1 | ) |
| $ | (2,072.9 | ) |
| $ | (3,336.9 | ) |
| $ | (2,319.4 | ) |
| $ | (8,981.8 | ) |
| $ | (39,874.0 | ) |
| $ | (6.69 | ) |
|
|
| 1. | For the purposes of this economic analysis, development activities and related costs are assumed to begin in year 2024 followed by operations and related costs. The actual timing on which URE makes a decision to commence construction will be dependent on a variety of market factors. |
|
|
| 2. | Wellfield operating costs include power, maintenance, chemicals and other wellfield operating costs. |
|
|
| 3. | Closure costs assume no salvage value for materials and equipment. |
|
|
| 4. | Land holding costs include 62 claims at $200 each annually. |
|
|
| 5. | Regulatory fees are now handled through the State of Wyoming Uranium Recovery Program at an assumed average rate of $120,000 per year. |
|
|
| 6. | Shipping costs are based on 35,000 pounds U3O8 per truckload and shipments from Lost Creek to Metropolis, Illinois. |
|
|
| 7. | Bonding requires a 2.5% premium to be paid and 30% collateral to be posted. The posted collateral is returned as closure work is completed and the bonding requirement is reduced. |
|
|
| 8. | Closure costs are based on WDEQ approved formulas and previously approved surety submittals. |
| Ur-Energy – Shirley Basin ISR Uranium Project |
|
|
| Technical Report Summary – March 4, 2024 |
| Page 77 |
|
|
|
|
Table 17. Cash Flow Statement
| Description | 2024 | 2025 | 2026 | 2027 | 2028 | 2029 | 2030 | 2031 | 2032 | 2033 | 2034 | 2035 | 2036 | 2037 | 2038 | 2039 | 2040 | Totals | $ / Pound | |||||||||||||||||||||||||||||||||||||||||||||||||||||||||
| Pounds produced | - | 6,150 | 891,712 | 912,007 | 863,815 | 728,112 | 764,052 | 733,924 | 551,421 | 441,340 | 71,057 | - | - | - | - | - | - | 5,963,590 | ||||||||||||||||||||||||||||||||||||||||||||||||||||||||||
| Pounds sold | - | - | 800,000 | 900,000 | 800,000 | 800,000 | 700,000 | 800,000 | 500,000 | 500,000 | 163,590 | - | - | - | - | - | - | 5,963,590 | ||||||||||||||||||||||||||||||||||||||||||||||||||||||||||
| Average price per pound sold | $ | - | $ | - | $ | 86.21 | $ | 85.79 | $ | 84.91 | $ | 83.33 | $ | 82.46 | $ | 82.78 | $ | 83.53 | $ | 84.44 | $ | 85.40 | $ | - | $ | - | $ | - | $ | - | $ | - | $ | - | $ | 84.29 | ||||||||||||||||||||||||||||||||||||||||
| Sales | $ | - | $ | - | $ | 68,968.0 | $ | 77,211.0 | $ | 67,928.0 | $ | 66,664.0 | $ | 57,722.0 | $ | 66,224.0 | $ | 41,765.0 | $ | 42,220.0 | $ | 13,970.6 | $ | - | $ | - | $ | - | $ | - | $ | - | $ | - | $ | 502,672.6 | $ | 84.29 | ||||||||||||||||||||||||||||||||||||||
| Royalties | $ | - | $ | - | $ | - | $ | - | $ | - | $ | - | $ | - | $ | - | $ | (94.7 | ) | $ | (194.8 | ) | $ | (26.9 | ) | $ | - | $ | - | $ | - | $ | - | $ | - | $ | - | $ | (316.4 | ) | $ | (0.05 | ) | |||||||||||||||||||||||||||||||||
| Net sales | $ | - | $ | - | $ | 68,968.0 | $ | 77,211.0 | $ | 67,928.0 | $ | 66,664.0 | $ | 57,722.0 | $ | 66,224.0 | $ | 41,670.3 | $ | 42,025.2 | $ | 13,943.7 | $ | - | $ | - | $ | - | $ | - | $ | - | $ | - | $ | 502,356.2 | $ | 84.24 | ||||||||||||||||||||||||||||||||||||||
| Operating costs (see Table 12) | $ | (773.7 | ) | $ | (2,503.0 | ) | $ | (10,460.4 | ) | $ | (12,322.0 | ) | $ | (13,839.8 | ) | $ | (13,148.7 | ) | $ | (13,280.5 | ) | $ | (13,675.8 | ) | $ | (12,782.8 | ) | $ | (12,475.3 | ) | $ | (7,565.5 | ) | $ | (5,593.0 | ) | $ | (6,115.3 | ) | $ | (5,425.5 | ) | $ | (4,836.2 | ) | $ | (1,924.4 | ) | $ | (8,790.3 | ) | $ | (145,512.1 | ) | $ | (24.40 | ) | |||||||||||||||||||
| Wyoming severance tax | $ | - | $ | - | $ | (1,574.1 | ) | $ | (1,588.7 | ) | $ | (1,350.1 | ) | $ | (1,357.1 | ) | $ | (1,162.6 | ) | $ | (1,331.6 | ) | $ | (784.8 | ) | $ | (885.3 | ) | $ | (121.5 | ) | $ | - | $ | - | $ | - | $ | - | $ | - | $ | - | $ | (10,155.8 | ) | $ | (1.70 | ) | |||||||||||||||||||||||||||
| Carbon County ad valorem tax | $ | - | $ | - | $ | (2,521.5 | ) | $ | (2,544.9 | ) | $ | (2,162.8 | ) | $ | (2,173.9 | ) | $ | (1,862.4 | ) | $ | (2,133.1 | ) | $ | (1,257.3 | ) | $ | (1,418.2 | ) | $ | (194.7 | ) | $ | - | $ | - | $ | - | $ | - | $ | - | $ | - | $ | (16,268.9 | ) | $ | (2.73 | ) | |||||||||||||||||||||||||||
| Wellfield development | $ | - | $ | - | $ | (9,775.8 | ) | $ | (14,487.2 | ) | $ | (13,275.6 | ) | $ | (12,167.8 | ) | $ | (14,334.7 | ) | $ | (15,682.9 | ) | $ | (16,194.6 | ) | $ | (7,591.0 | ) | $ | - | $ | - | $ | - | $ | - | $ | - | $ | - | $ | - | $ | (103,509.6 | ) | $ | (17.36 | ) | ||||||||||||||||||||||||||||
| County property tax | $ | - | $ | (70.9 | ) | $ | (323.1 | ) | $ | (287.2 | ) | $ | (286.3 | ) | $ | (226.8 | ) | $ | (178.4 | ) | $ | (125.9 | ) | $ | (76.0 | ) | $ | (36.9 | ) | $ | (5.1 | ) | $ | (0.0 | ) | $ | (0.1 | ) | $ | (0.1 | ) | $ | (0.1 | ) | $ | (0.1 | ) | $ | (0.1 | ) | $ | (1,617.4 | ) | $ | (0.27 | ) | ||||||||||||||||||||
| Working capital changes | $ | - | $ | - | $ | (8,621.0 | ) | $ | 42.0 | $ | 8,579.0 | $ | (8,333.0 | ) | $ | 8,333.0 | $ | (8,278.0 | ) | $ | 8,278.0 | $ | (8,407.2 | ) | $ | 8,407.2 | $ | - | $ | - | $ | - | $ | - | $ | - | $ | - | $ | - | $ | - | ||||||||||||||||||||||||||||||||||
| Project cash flow | $ | (773.7 | ) | $ | (2,573.9 | ) | $ | 35,692.1 | $ | 46,023.0 | $ | 45,592.4 | $ | 29,256.6 | $ | 35,236.5 | $ | 24,996.7 | $ | 18,852.8 | $ | 11,211.2 | $ | 14,464.1 | $ | (5,593.0 | ) | $ | (6,115.4 | ) | $ | (5,425.6 | ) | $ | (4,836.3 | ) | $ | (1,924.5 | ) | $ | (8,790.5 | ) | $ | 225,292.4 | $ | 37.78 | ||||||||||||||||||||||||||||||
| Pre-mine development | $ | (2,078.8 | ) | $ | (12,251.0 | ) | $ | (1,969.0 | ) | $ | - | $ | - | $ | - | $ | - | $ | - | $ | - | $ | - | $ | - | $ | - | $ | - | $ | - | $ | - | $ | - | $ | - | $ | (16,298.8 | ) | $ | (2.73 | ) | |||||||||||||||||||||||||||||||||
| Initial capital | $ | (2,441 | ) | $ | (22,000 | ) | $ | - | $ | - | $ | - | $ | - | $ | - | $ | - | $ | - | $ | - | $ | - | $ | - | $ | - | $ | - | $ | - | $ | - | $ | - | $ | (24,440.6 | ) | $ | (4.10 | ) | ||||||||||||||||||||||||||||||||||
| Sustaining capital | $ | - | $ | (15.0 | ) | $ | (17.2 | ) | $ | (8,250.1 | ) | $ | (10.0 | ) | $ | (282.0 | ) | $ | (134.0 | ) | $ | (304.0 | ) | $ | (75.0 | ) | $ | (9.5 | ) | $ | (102.0 | ) | $ | (19.5 | ) | $ | - | $ | - | $ | - | $ | - | $ | - | $ | (9,218.3 | ) | $ | (1.55 | ) | |||||||||||||||||||||||||
| Net cash flow before tax | $ | (5,293.1 | ) | $ | (36,839.9 | ) | $ | 33,705.9 | $ | 37,772.8 | $ | 45,582.4 | $ | 28,974.6 | $ | 35,102.5 | $ | 24,692.7 | $ | 18,777.8 | $ | 11,201.7 | $ | 14,362.1 | $ | (5,612.5 | ) | $ | (6,115.4 | ) | $ | (5,425.6 | ) | $ | (4,836.3 | ) | $ | (1,924.5 | ) | $ | (8,790.5 | ) | $ | 175,334.7 | $ | 29.40 | ||||||||||||||||||||||||||||||
| Federal income tax | $ | - | $ | - | $ | - | $ | (7,632 | ) | $ | (8,335 | ) | $ | (4,847 | ) | $ | (6,134 | ) | $ | (3,948 | ) | $ | (2,706 | ) | $ | (2,229 | ) | $ | (2,931 | ) | $ | - | $ | - | $ | - | $ | - | $ | - | $ | - | $ | (38,762.5 | ) | $ | (6.50 | ) | ||||||||||||||||||||||||||||
| State income tax | $ | - | $ | - | $ | - | $ | (3,453 | ) | $ | (3,771 | ) | $ | (2,193 | ) | $ | (2,775 | ) | $ | (1,786 | ) | $ | (1,224 | ) | $ | (1,008 | ) | $ | (1,326 | ) | $ | - | $ | - | $ | - | $ | - | $ | - | $ | - | $ | (17,535.4 | ) | $ | (2.94 | ) | ||||||||||||||||||||||||||||
| Net cash flow after tax | $ | (5,293.1 | ) | $ | (36,839.9 | ) | $ | 33,705.9 | $ | 26,687.7 | $ | 33,476.8 | $ | 21,934.3 | $ | 26,193.2 | $ | 18,958.4 | $ | 14,847.5 | $ | 7,964.9 | $ | 10,105.9 | $ | (5,612.5 | ) | $ | (6,115.4 | ) | $ | (5,425.6 | ) | $ | (4,836.3 | ) | $ | (1,924.5 | ) | $ | (8,790.5 | ) | $ | 119,036.8 | $ | 19.96 | ||||||||||||||||||||||||||||||
|
|
| 1. | For the purposes of this economic analysis, development activities and related costs are assumed to begin in year 2024 followed by operations and related costs. The actual timing on which URE makes a decision to commence construction will be dependent on a variety of market factors. |
|
|
| 2. | Production is based on an 80% recovery of the under-pattern resource. |
|
|
| 3. | Uranium sales price is the annual average of the projections of Cantor Fitzgerald Canada Corporation, September 26, 2023; Pi Financial Corp., October 6, 2023, and Roth Capital Partners, October 10, 2023 averaged with UxC's Mid Price Scenario, Q4 2023 Uranium Market Outlook as further discussed in Chapter 16. |
|
|
| 4. | Wellfield development includes wellfield drilling and wellfield construction costs. |
|
|
| 5. | Working capital changes are primarily related to annual cash flow timing differences in accounts receivable and accounts payable and totals to zero. |
|
|
| 6. | The NPV and IRR calculations are based on Year 2025 to Year 2040. |
|
|
| 7. | Due to extensive drilling on the project prior to purchase, no exploration drilling is planned. |
| Ur-Energy – Shirley Basin ISR Uranium Project |
|
|
| Technical Report Summary – March 4, 2024 |
| Page 78 |
|
|
|
|
19.0 ECONOMIC ANALYSIS
Cautionary Statement: This Preliminary Economic Assessment and Technical Report Summary is preliminary in nature and includes mineral resources. Mineral resources that are not mineral reserves do not have demonstrated economic viability. There is increased risk and uncertainty to commencing and conducting production without established mineral reserves that may result in economic and technical failure which may adversely impact future profitability. The estimated mineral recovery used in this Preliminary Economic Assessment and Technical Report Summary is based on site-specific laboratory recovery data as well as URE personnel and industry experience at similar facilities. There can be no assurance that recovery of mineral resources at this level will be achieved. There is no certainty that the preliminary economic assessment will be realized.
19.1 Assumptions
The economic assessment presented in this Report is based on geological evaluation and mapping of production areas, determining which areas are not viable for production activities due to hydrologic or topographic features and obtaining an 80% recovery of the remaining resources, as described in Chapter 16.3.1, within the FAB and Area 5 Resource Areas.
A cash flow statement has been developed based on the CAPEX, OPEX and closure cost estimates and the production schedule. The sales price for the produced uranium is assumed at a variable price per pound for the life of the Project ranging from $82.46 to $86.21 per pound. The sale price for the produced uranium is assumed to vary based on a calculation of a simple average of (a) the annual average of the projections of Cantor Fitzgerald Canada Corporation, September 26, 2023; Roth MKM, October 10, 2023; PI Financial Corp. October 6, 2023 and (b) UxC, LLC Q4 2023 (See Chapter 16).
Uranium recovery from the mineral resource is assumed based on an estimated wellfield recovery factor of 80 percent of the resource, as described in Chapter 16.3.1. The production rate assumes an average solution uranium grade (head grade) of approximately 37 mg/L. The sales for the cash flow are developed by applying the recovery factor to the resource estimate for the Project. The total production over the life of the Project is estimated to be 5.96 million lbs. U3O8.
19.2 Cash Flow Forecast and Production Schedule
The NPV assumes cash flows take place in the middle of the periods and is calculated based on a discounted cash flow. The production estimates and OPEX distribution used to develop the cash flow are based on the production and restoration models developed by URE and incorporated in the cash flow (Table 17). The cash flow assumes no escalation, no debt interest or capital repayment. It also does not include depreciation. Assuming URE pursues the schedule shown in Chapter 13.2.4 above, the estimated payback is in the third quarter of 2027, with net cash flow before income tax over the life of the Project estimated to be $175.3 million and $119.0 million after tax. It is estimated that the Project has a before tax IRR of 83.7 percent and an NPV of $120.4 million applying an eight percent discount rate (Table 17). When income taxes are included in the calculation, the after-tax IRR is 69.0 percent and the after tax NPV is $83.2 million applying an eight percent discount rate. The estimated cost of uranium produced is $54.89 per pound including severance taxes plus all operating and capital costs. The NPV for three discount rates has been calculated and is presented in Table 18. The estimated IRR is also presented.
| Ur-Energy – Shirley Basin ISR Uranium Project |
|
|
| Technical Report Summary – March 4, 2024 |
| Page 79 |
|
|
|
|
19.3 Taxation
The current Wyoming severance tax rate for uranium is 4.0 percent, but after the well head deduction it is approximately 2.0 percent of gross sales. The ad valorem tax rate for uranium is approximately eight percent, but after the well head deduction it is approximately 3.2 percent of gross sales. In aggregate and based on the taxable portion of the product, the total tax averages approximately 5.3 percent of gross sales. At the federal level, profit from mining ventures is taxable at corporate income tax rates. For mineral properties, depletion tax credits are available on a cost or percentage basis, whichever is greater.
Table 18. NPV Versus Discount Rate and IRR
| Discount Rates and IRR | Units | Before Income Tax | After Income Tax |
| 5% | US$ 000s | $138,809 | $95,674 |
| 8% | US$ 000s | $120,375 | $83,211 |
| 10% | US$ 000s | $109,456 | $75,669 |
|
|
| ||
| IRR | % | 83.7% | 69.0% |
The Project economic analysis includes tax estimates for state severance taxes, county ad valorem taxes and property taxes, all of which are directly attributable to the Project. Wyoming has no state income tax. Calculations are included for both before and after federal income tax estimates. Ur-Energy USA Inc. does not anticipate paying federal income taxes until the estimated tax losses carried forward are utilized. In addition, reclamation costs can be deducted in the early years of the Project, thus also extending the time before any possible tax liability.
| Ur-Energy – Shirley Basin ISR Uranium Project |
|
|
| Technical Report Summary – March 4, 2024 |
| Page 80 |
|
|
|
|
20.0 ADJACENT PROPERTIES
Adjacent Properties refers to non-URE both historic and currently held mineral properties in close proximity to the Project. Several mineral properties adjacent to or in close proximity to the Project contain unconfirmed uranium resources. Additionally, there are several past producing properties in the Shirley Basin. The three distinct portions of the Shirley Basin can be identified as follows: East Shirley Basin, Central Shirley Basin and West Shirley Basin. All past production has taken place in the East Shirley Basin region. URE’s Project is in the northern portion of the East Shirley Basin area. The historical Petrotomics mine and mill complex, now in perpetual care with the U.S. Department of Energy, is immediately south of the Project. Uranium One Americas, Inc. (now owned by Uranium Energy Corporation) controls a large exploration project, consisting of unpatented mining claims and State of Wyoming leases, in the southern portion of this area.
Cameco controls the majority of the Central Shirley Basin area through unpatented mining claims and a State of Wyoming lease. On its website, Cameco identifies 4.4 million lbs. of Measured and Indicated Resources and 1.1 million lbs of Inferred Resources on this property (Cameco 2023). Uranium Energy Corporation also holds some unpatented mining claims in this area and controls a small exploration project in the West Shirley Basin, consisting of unpatented mining claims.
This Report addresses only property and deposits controlled by URE and not the described Adjacent Properties. The QP believes that any information available on resources on the Adjacent Properties would not necessarily be indicative of the mineralization present at the Project.
| Ur-Energy – Shirley Basin ISR Uranium Project |
|
|
| Technical Report Summary – March 4, 2024 |
| Page 81 |
|
|
|
|
21.0 OTHER RELEVANT DATA AND INFORMATION
There is no other relevant data or information to include.
| Ur-Energy – Shirley Basin ISR Uranium Project |
|
|
| Technical Report Summary – March 4, 2024 |
| Page 82 |
|
|
|
|
22.0 INTERPRETATION AND CONCLUSIONS
This independent Report for the Project has been prepared in accordance with the guidelines set forth in S-K 1300. Its objective is to disclose the mineral resources estimate and the potential viability of ISR operations at the Project.
22.1 Conclusions
The QP has weighed the potential benefits and risks presented in this Report and have found the Project to be potentially viable and meriting further evaluation and development.
22.2 Sensitivity Analysis
The Project is sensitive to changes in the price of uranium as shown in Figures 22 and 23. A five percent change in the estimated commodity price results in a $16.0 million change to the before tax NPV and $11.2 million to the after tax NPV at a discount rate of eight percent. This analysis is based on a variable commodity price per pound. The Project is also somewhat sensitive to changes in OPEX costs. A five percent variation in OPEX results in a $7.7 million variation in the before tax NPV and $4.0 million to the after tax NPV. The Project is least sensitive to changes in CAPEX. A five percent variation in CAPEX results in a $1.9 million variation in the before tax NPV and a $2.2 million variation in the after tax NPV.
Figure 22. Before Tax NPV Sensitivity to Price, OPEX and CAPEX

| Ur-Energy – Shirley Basin ISR Uranium Project |
|
|
| Technical Report Summary – March 4, 2024 |
| Page 83 |
|
|
|
|
Figure 23. After Tax NPV Sensitivity to Price, OPEX and CAPEX

22.3 Risk Assessment
22.3.1 Resource and Recovery
This Report is based on the assumptions and information presented herein. The QP can provide no assurance that recovery of the resources presented herein will be achieved. Bench-scale tests have been performed on various core samples from the Project. The most significant potential risks to meeting the production results presented in this Report will be associated with the success of the wellfield operation and recovery of uranium from the targeted host sands. The estimated quantity of recovered uranium used in this Report is based primarily on the recovery data from site-specific, bench-scale testing of mineralized samples. The recovery factor of 80%, used herein, is relatively typical of industry experience for wellfield recovery. A potential problem that could occur in the wellfield recovery process is unknown or variable geochemical conditions resulting in uranium recovery rates from the mineralized zones that are significantly different from previous bench-scale tests.
The Upper Sand has approximately 20 ft. of hydraulic head above the top of the sand, which may present a challenge for recovery of a small portion of the resources in the planned Mine Unit 2 area. It should be noted that less than three percent of the overall resource base targeted for recovery is hosted within the Upper Sand. An alternate oxidant, such as hydrogen peroxide, which was approved in the permit and license, may need to be considered with shallower resource recovery within the Upper Sand. The costs associated with alternative oxidants are not currently included in this Report.
| Ur-Energy – Shirley Basin ISR Uranium Project |
|
|
| Technical Report Summary – March 4, 2024 |
| Page 84 |
|
|
|
|
The proposed perimeter monitor well rings surrounding some of the planned mine units have monitor wells located on adjoining lands. As wellfield development progresses, adjustments to pattern layouts and/or resources under pattern may be required.
Other potential concerns are reduced hydraulic conductivity in the formation due to chemical precipitation during production, lower natural hydraulic conductivities than estimated, high flare and/or recovery of significant amounts of groundwater, the need for additional injection wells to increase uranium recovery rates, variability in the uranium concentration in the host sands and discontinuity of the mineralized zone confining layers. The risks associated with these potential issues have been minimized to the extent possible by extensive delineation and hydraulic studies of the site.
Adequate disposal capacity for wastewater is always a risk to be considered when planning a uranium ISR facility. Use of the three-stage RO facility and holding ponds, and the disposal of permeate into the historic pit lakes is planned to address the disposal of wastewater and brine at the Project. The Project may also dispose of sludge in the on-site 11e.(2) byproduct disposal facility.
Project development and operations may encounter occasional delays due to harsh weather conditions. However, the Project is close to paved roads maintained by the state of Wyoming throughout the winter, so delays are expected to be infrequent and short in duration. Also related to weather is the potential for extremely muddy conditions due to the high bentonite content of the soils. Main site access roads and secondary site roads will be graveled so they hold up to minesite traffic..
22.3.2 Markets and Contracts
The marketability of uranium and acceptance of uranium mining are subject to numerous factors beyond the control of URE. The price of uranium may experience volatile and significant price movements over short periods of time. Factors beyond URE’s control affect the market, including demand for nuclear power; changes in public acceptance of nuclear power generation; political and economic conditions in uranium mining, producing and consuming countries; costs and availability of financing of nuclear plants; changes in governmental regulations; global or regional consumption patterns; speculative activities and increased production due to new extraction developments and improved production methods; the future viability and acceptance of small modular reactors or micro-reactors and the related fuel requirements for this new technology; reprocessing of spent fuel and the re-enrichment of depleted uranium tails or waste; and global economics, including currency exchange rates, interest rates and expectations of inflation. Any future accidents, or threats of or incidents of war, civil unrest or terrorism, at nuclear facilities may also impact the conditions of uranium mining and the use and acceptance of nuclear energy.
Unlike other commodities, uranium does not trade on an open market. Contracts are negotiated privately by buyers and sellers. Changes in the price of uranium can have a significant impact on the economic performance of the Project as shown in Chapter 22.2
| Ur-Energy – Shirley Basin ISR Uranium Project |
|
|
| Technical Report Summary – March 4, 2024 |
| Page 85 |
|
|
|
|
This Report assumes U3O8 production is sold at a variable price per pound for the life of the Project ranging from $82.46 to $86.21. The sale price for the produced uranium is assumed to vary based on a calculation of a simple average of (a) the annual average of the projections of Cantor Fitzgerald Canada Corporation, September 26, 2023; Roth MKM, October 10, 2023; PI Financial Corp. October 6, 2023 and (b) UxC, LLC Q4 2023 (See Chapter 16). The QP believes these estimates were appropriate for use in this Report, current to December 31, 2023. Review of continued strengthening in the spot and term markets toward year-end 2023 and in early 2024 reinforces that these price projections are reasonable.
22.3.3 Operations
Some operational risks such as reagents, power, labor and/or material cost fluctuations exist in the Project implementation and could impact the OPEX and Project economic performance. These potential risks are generally considered to be addressable either though wellfield modifications or plant optimization. The satellite plant risk is minimized in that it is only an IX plant used to capture the uranium on IX resin. Any issue with precipitation and drying can be dealt with at the Lost Creek Mine, which was constructed as a batch precipitation and drying operation, which allows for process variations and enhanced control. Furthermore, the Lost Creek Mine is a proven production facility with more than ten years of operation, so there is little risk that the Lost Creek plant cannot successfully process loaded IX resin from the Project.
The IX capture, trucking of resin and elution processes have been, and are being used at other ISR facilities in Wyoming and Texas. The process does not use any unusual methods and the reagents for the process are readily available from regional sources. Initial process optimization will be required to minimize the use of reagents, minimize loss of product and ensure proper product quality.
Health and safety programs will be implemented to control the risk of on-site and off-site exposures to radionuclides, operational incidents and/or process chemicals. Standard industry practices exist for this type of operation and novel approaches to risk control and management will not be required.
The continuing political and legal issues surrounding the 2015 decision to not list the greater sage-grouse as endangered and the BLM Resource Management Plans regarding the species are complex. At this time, it is unknown whether greater geographic restrictions related to the species will be introduced and implemented, but it is not anticipated any such restrictions would impede operations at the Project which is not in designated core area. This is particularly true because approved operations typically continue to have the right to mine when such additional regulatory controls are implemented. It is possible that additional stipulations may be introduced by state or federal agencies.
22.3.4 Social and/or Political
As with any uranium project in the USA, there will undoubtedly be some social/political/environmental opposition to development of the Project. The Shirley Basin is relatively remote. As such, there are very few people that could be directly impacted by the Project. In addition, the Project is the site of extensive historical uranium mining with significant long-term impacts. Wyoming is known to be friendly to mining and has a well-established, robust regulatory framework. The Shirley Basin permitting process concluded following three opportunities for public comment and received no substantive negative comments. The Project has strong local support, including from local ranchers. While ever present with permitting projects, social, political, or environmental opposition to the Project is not likely to be a major risk.
| Ur-Energy – Shirley Basin ISR Uranium Project |
|
|
| Technical Report Summary – March 4, 2024 |
| Page 86 |
|
|
|
|
23.0 RECOMMENDATIONS
The QP finds the Project is potentially viable based on the assumptions contained herein. The Project is located in an area of extensive historical mining and the scale and quality of the ISR Mineral Resources indicate favorable conditions for future extraction from the Project. There is no certainty that the mineral recovery or the economic analyses presented in this Report will be realized. In order to realize the full potential benefits described in this Report, the following activities are recommended, at a minimum, and as market conditions warrant.
URE should continue with its work on advancing the project toward construction of facilities and installation of wellfields. The pre-mining development and capital costs to construct facilities and install wellfields, included in Table 15, are estimated to be $40.7 million. For the purpose of the economic analysis included in this Report, these activities and related costs are assumed to occur in 2024, 2025 and 2026. The costs for construction design and management are included in this amount.
URE should complete its pre-construction design, engineering work, and installation of the first monitoring ring followed soon after by construction of the satellite facility and the first wellfield. Satellite construction should include wastewater management processes and procedures with the goal of concentrating and minimizing RO brine production and maximizing permeate output.
URE has a history of innovative R&D projects that lower costs, improve operations, and minimize impacts of ISR operations. URE should continue evaluating opportunities to decrease costs and increase efficiencies, including related to its new injection well installation technology.
| Ur-Energy – Shirley Basin ISR Uranium Project |
|
|
| Technical Report Summary – March 4, 2024 |
| Page 87 |
|
|
|
|
24.0 REFERENCES
Bailey, R.V. and Gregory, Robert W., The Shirley Basin Mine and the Development of the Roll-Front Model of Uranium Ore Deposits: A Historical Perspective, Wyoming State Geological Survey Memoir 6, 2011.
BLM, 2005, Record of Decision Implementation of a Wind Energy Development Program and Associate Land Use Plan Amendments. Department of the Interior Bureau of Land Management. Washington, D.C.
Cameco, 2023, 2023 Mineral Reserves and Resources https://s3-us-west-2.amazonaws.com/assets-us-west-2/annual/2023-mineral-reserves-and-resources.pdf. Available as of February 2024
Cantor Fitzgerald Canada Corporation 2023. Email communication regarding uranium price forecasts, September 26, 2023.
Dyman, Thaddeus S. and Condon, Steven M., U.S.G.S., Geologic Assessment of Undiscovered Oil and Gas Resources, Hanna, Laramie and Shirley Basins Province, Wyoming, 2005.
Harshman, E.N., USGS Professional Paper 745, Geology and Uranium Deposits, Shirley Basin Area, Wyoming, 1972.
Harshman, E.N., Formation of Uranium Ore Deposits, Proceedings of a Symposium, Athens, International Atomic Energy Agency, 1974, pp. 169-183.
Jacob, C.E. and E.P. Fisk, Report on Groundwater and Mine Drainage, Shirley Basin Operation, Carbon County, Wyoming, May 1961.
Melin, Robert E., Uranium Deposits in Shirley Basin, Wyoming, Utah Mining Corporation, February 21, 1961
PI Financial Corp., 2023, Mining sector update, October 6, 2023
Rosholt, John N. Jr., USGS Professional Paper 1084-A, Natural Radioactive Disequilibrium of the Uranium Series, 1959.
Roth MKM, 2023, URG: Uranium Forecast Update; Increasing PT, October 10, 2023
Rubin, Bruce, WGA Earth Science Bulletin, Uranium Roll Front Zonation in the Southern Powder River Basin, Wyoming, December 1970.
U.S. Census Bureau, 2024. https://data.census.gov available as of February 2024.
U.S. Department of Energy, 2022 Wyoming 80-Meter Wind Resource Map. https://windexchange.energy.gov/maps-data/142 as of February 2022.
U.S. Geological Survey, 2024, The U.S. Wind Turbine Database. https://eerscmap.usgs.gov/uswtdb/ as of February 2024.
UxC, LLC. 2023 Uranium Market Outlook Q4 2023. December 2023.
WWC Engineering 2022, Amended S-K 1300 Technical Report Summary Shirley Basin ISR Project Carbon County, Wyoming, USA. September 2022.
| Ur-Energy – Shirley Basin ISR Uranium Project |
|
|
| Technical Report Summary – March 4, 2024 |
| Page 88 |
|
|
|
|
25.0 RELIANCE ON INFORMATION PROVIDED BY THE REGISTRANT
For this Report, the QP has relied on information provided by URE regarding property ownership, title and mineral rights in light of reviews by mineral title specialists retained from time to time by URE; regulatory status and environmental information including liabilities on the Project; capital expenditures and operating expenditures (including utilizing operational and financial analyses based upon URE’s operating Lost Creek Mine); and estimated commodity sales prices. Additionally, this Report was prepared by the QP with reliance on reports and information from others as cited throughout this Report and as referenced in Chapter 16.0 and Chapter 24.0.
| Ur-Energy – Shirley Basin ISR Uranium Project |
|
|
| Technical Report Summary – March 4, 2024 |
| Page 89 |
|
|
|
|
26.0 DATE AND SIGNATURE PAGE
CERTIFICATE OF AUTHOR
Western Water Consultants, Inc., d/b/a WWC Engineering (WWC), of 1849 Terra Avenue, Sheridan, Wyoming, USA do hereby certify that:
|
| · | WWC is an independent, third-party engineering firm comprised of mining experts, such as professional geologists, professional mining engineers and certified environmental scientists. |
|
|
|
|
|
| · | WWC has read the definition of “qualified person” set out in S-K 1300 and certify that by reason of education, professional registration, and relevant work experience, WWC professionals fulfill the requirements to be a “qualified person” for the purposes of S-K 1300. |
Western Water Consultants, Inc., d/b/a WWC Engineering
(“Signed and Sealed”) Western Water Consultants, Inc.
March 4, 2024
| Ur-Energy – Shirley Basin ISR Uranium Project |
|
|
| Technical Report Summary – March 4, 2024 |
| Page 90 |