UNITED STATES
SECURITIES AND EXCHANGE COMMISSION
Washington, D.C. 20549

FORM 6-K

REPORT OF FOREIGN PRIVATE ISSUER PURSUANT TO RULE 13a-16 OR 15d-16 UNDER
THE SECURITIES EXCHANGE ACT OF 1934

For the month of January 2024

Commission File Number 1-32135

SEABRIDGE GOLD INC.
(Name of Registrant)

106 Front Street East, Suite 400, Toronto, Ontario, Canada M5A 1E1
(Address of Principal Executive Office)

Indicate by check mark whether the registrant files or will file annual reports under cover of Form 20-F or Form 40-F.

Form 20-F [   ]          Form 40-F [X]


SIGNATURE

Pursuant to the requirements of the Securities Exchange Act of 1934, the registrant has duly caused this report to be signed on its behalf by the undersigned, thereunto duly authorized.

  Seabridge Gold Inc.
  (Registrant)
     
  By:  /s/ Chris Reynolds
  Name: Chris Reynolds
  Title: VP Finance and CFO
     
     
     
Date: January 16, 2024    


EXHIBITS

Exhibit   Description
   
99.1   News Release dated January 16, 2024


Seabridge Gold Inc.: Exhibit 99.1 - Filed by newsfilecorp.com

News Release

Trading Symbols:  TSX: SEA
                                 NYSE: SA
  For Immediate Release
January 16, 2024

Seabridge Gold's Updated PFS for Courageous Lake

Confirms Significantly Improved Project

M&I GOLD RESOURCE INCREASES 38% TO 11 MILLION OZ

AFTER-TAX NPV (5%) OF US$523 MILLION, 20.6% IRR AND 2.8 YEAR PAYBACK

AISC OF US$999/OZ IN LOWEST QUARTILE OF WORLD GOLD COUNCIL COST CURVE

12.6 YEAR MINE LIFE AVERAGING 201,000 OZS OF GOLD PRODUCTION PER YEAR

Toronto, Canada … Seabridge Gold (TSX: SEA) (NYSE: SA) announced today the results of an updated Preliminary Feasibility Study (the "2024 PFS") for its 100%-owned Courageous Lake project located in Canada's Northwest Territories. The 2024 PFS all open pit mine plan shows a considerably more sustainable and profitable mining operation than its 2012 predecessor, with reduced initial capital, lower strip ratio, higher grade and smaller mine footprint.

The 2024 PFS led by Ausenco demonstrates the production of 2.5 million ounces of gold over the initial 12.6 year life of mine. A stand-alone analysis of the potential expansion below the 2024 PFS mine plan will be included as a Preliminary Economic Assessment ("2024 PEA") forming a separate part of Technical Report (the "Report") prepared in accordance with NI 43-101, and which includes evaluating the potential extension of the mine. The Report will be filed within the next 45 days.

Commenting on the study, Seabridge Chairman and CEO Rudi Fronk said: "We now have a second valuable 10 million plus ounce gold resource project in a safe jurisdiction. The project consists of an entire greenstone belt which has prospective shallow drill results and gold showings along its 54 km length. As we move towards a joint venture on our KSM project, we will be shifting our attention to Courageous Lake's potential to generate considerable additional shareholder value."

Mr. Fronk noted that the PEA establishes the potential for a much longer mine life. "The PFS uses less than 30% of the estimated M&I gold resource. The PEA includes inferred resource requiring more drilling as well as additional engineering work to qualify as a PFS. However, we are confident that the PEA reflects the potential for a greatly extended mine life and that the entire estimated M&I resource represents a meaningful call on gold for our shareholders."

Notable improvements in the 2024 PFS compared to the 2012 PFS include:



2024 PFS

The 2024 PFS was led by Ausenco Engineering Canada ULC ("Ausenco"), together with the support of Moose Mountain Technical Services ("MMTS"), SRK Consulting (Canada) Inc. ("SRK"), ERM Consultants Canada Ltd. ("ERM"), Tetra Tech Canada Inc. ("Tetra Tech"), and WN Brazier Associates Inc. ("Brazier"), all of which are independent of Seabridge Gold.

The 2024 PFS open pit mine plan produces 2.5 million ounces of gold over 12.6 years with a Base Case after-tax NPV5% of US$523 million using the 3-year trailing average gold price of US$1,850/oz and consensus long term forecast forex of 0.74 US$/C$. Sensitivity of the economic results to the gold price assumption is shown in Table 1.

Table 1 After Tax Economic sensitivity to gold price assumption

    Lower
Case
Base Case Recent High
Spot Case

(03 Dec 2024)
High Case
Gold Price US$/Oz $1,750 $1,850 $2,130 $2,500
NPV (5%) US$ Millions $410 $523 $836 $1,134
IRR % 17.5% 20.6% 28.5% 38.2%
Payback years 3.2 2.8 2.0 1.6

The 2024 PFS mines 33.9 million tonnes of proven and probable reserves at an average grade of 2.61 grams of gold per tonne feeding a 7.5 ktonnes per day processing plant (2.7 million tonnes per year).  The 12.6-year mine life produces 2.5 million ounces at an average annual rate of 201 koz of payable gold per year. Average life of mine cash operating costs are US$863 per ounce, and all-in sustaining costs (AISC) are US$999/Oz (lowest quartile of the World Gold Council AISC cost curve).

2024 PFS annual gold production profile is shown in Figure 1.

Figure 1 2024 PFS Annual Gold Production



A summary of the 2024 PFS results are shown in Table 2.

Table 2 2024 PFS Summary of Base Case Results

Production   2024 PFS
Mine Life yr 12.6 years
Total Mill Feed mt 33.9
Average Grade g/t 2.61
Waste Mined mt 257
Strip Ratio t:t 7.6
Average Annual Mill Feed ktpa 2,690
Total Payable Au koz 2,536
Average Annual Payable Au koz 201
Revenue and EBITDA    
Total Revenue US$ million $4,691
Average Annual Revenue US$ million $372
EBITDA US$ million $2,502
Average Annual EBITDA US$ million $198
Operating Costs per Ounce    
Cash Costs per Ounce* US$/oz Au $863
All-In Sustaining Cost per Ounce** US$/oz Au $999
Capital Cost    
Initial Capex US$ million $747
Sustaining Capex US$ million $293
Closure Cost US$ million $72
Pre-Tax Economics    
Base Case Gold Price US$/Oz $1,850
Exchange Rate US$/C$ 0.74
NPV (5%) US$ million $843
IRR % 27.1%
Payback yr 2.2
Post-Tax Economics    
NPV (5%) US$ million $523
IRR % 20.6%
Payback yr 2.8
* Cash Costs consist of mining costs, processing costs, mine-level G&A, offsite charges, and royalties.
** All-In Sustaining Costs includes cash costs plus sustaining capital, closure costs, and salvage credits.
     

The Courageous Lake property is located 240 km northeast of Yellowknife NWT, Canada and is situated within the Courageous Lake greenstone belt (CLGB) in the Slave Structural Province. The property is a collection of mineral leases and mining claims that trend north-south along the approximately 54 km length of the CLGB. The property includes the past gold producing properties of the Salmita mine operated by Giant Yellowknife Mines, and the Tundra mine operated by Royal Oak Mines.

The project site will be accessed via spur winter road connecting to the Tibbitt to Contwoyto Winter Road (TCWR) that is normally open from late January/early February until the end of March of each year and services the nearby Ekati and Diavik mines.


The 2024 PFS mine plan uses an open pit truck and shovel operation. Mill feed is processed onsite by crushing, grinding and flotation. Flotation concentrate is pressure oxidized and cyanide leached to produce a gold doré. Waste rock will be generated during the mining of economical ore and will be directly hauled to the co-placement storage facility (CPSF) along with flotation tailings. Flotation tailings will be co-placed with waste rock while neutralized leach tailings will be placed in a separate facility. The 2024 PFS layout is shown in Figure 2.

Figure 2- 2024 PFS Layout

2024 Mineral Resource Estimate

The Courageous Lake Project includes two deposits: the Courageous Lake deposit, and the Walsh Lake deposit. Only the Courageous Lake deposit is used in the 2024 PFS.

The Courageous Lake Mineral Resource estimate is derived from a database containing 616 drill holes with assays collected from 127,168.61 m of drillcore. Courageous Lake grade interpolation was carried out using both indicator probabilities and relative elevations within 13 mineralized domains to constrain the inverse distance squared interpolations within blocks with dimensions of 5m x 5 m x 5 m.

Measured and indicated resources are estimated at 145.2 million tonnes at an average grade of 2.36 grams per tonne containing 11.0 million ounces. For comparison, the 2012 PFS reported measured and indicated gold resources of 8.0 million ounces contained in 107.3 million tonnes at an average grade of 2.31 grams per tonne. The increase in contained tonnes and grade is a result of the incorporation of drilling completed after the 2012 Mineral Resource Estimate, as well as refinement to the modelling methodology.


The Walsh Lake Mineral Resource estimate uses a database containing 92 drill holes with 17,533.7 m of assayed length. Walsh Lake grade uses Indicator probabilities and inverse distance squared interpolation to estimate the gold grades into blocks with dimensions of 3 m x 3 m x 3 m.

Mineral Resource estimates for each of the deposits that comprise the Courageous Lake Project are summarized in Table 3 and Table 4.

Table 3 Mineral Resource Estimate for the Courageous Lake Deposit at a 0.8 g/t Au Cut-off Grade

Class Tonnage
(ktonnes)
Au Grade (g/t) Au Metal (koz)
Measured 6,007 2.84 548
Indicated 139,167 2.34 10,449
Measured + Indicated 145,174 2.36 10,997
Inferred 40,603 2.52 3,286

Notes to the 2024 Courageous Lake Resource Table:

  1. Resources are prepared by Sue Bird P.Eng. using the 2014 CIM Definition Standards and were estimated using the 2019 CIM Best Practices Guidelines, as required by NI43-101 .
  2. Mineral resources include mineral reserves. Mineral resources which are not mineral reserves do not have demonstrated economic viability.
  3. The base case Mineral Resource has been confined by "reasonable prospects of eventual economic extraction" shape using the following assumptions:
  1. The resulting NSR = Au*US$ 44.90/g * Recovery%, with recovery varied as shown in the table below:
Au Grade Range (g/t) Recovery (%)
<0.3 0
0.3-0.5 40
0.5-0.75 65
0.75-3.0 = -0.1423 x AU 5 + 0.2604 x AU 4 + 5.593 x AU 3 - 30.217 x AU 2 + 60.566 x AU + 44.935
3.0-5.0 93
5.0-8.0 94
>8.0 96

  1. The specific gravity (SG) is 2.72 except for the diabase dykes which have an SG of 2.85 and the overburden with an SG of 2.0.
  2. Numbers may not add due to rounding.


Table 4 Mineral Resource Estimate for the Walsh Lake Deposit at a 0.8 g/t Au Cut-off Grade

Classification Tonnes
(ktonnes)
Au Grade
(g/t)
Au Metal
(koz)
Inferred 4,134 4.18 554.8

Notes to the 2024 Walsh Lake Resource Tables:

  1. Resources are prepared by Sue Bird P.Eng. using the 2014 CIM Definition Standards and were estimated using the 2019 CIM Best Practices Guidelines, as required by NI43-101 .
  2. Mineral resources include mineral reserves. Mineral resources which are not mineral reserves do not have demonstrated economic viability.
  3. The base case Mineral Resource has been confined by "reasonable prospects of eventual economic extraction" shape using the following assumptions:
  1. The resulting NSR = Au*US$ 44.90 /g * Recovery%, with recovery varied as shown in the table below:
Au Grade Range (g/t) Recovery (%)
<0.3 0
0.3-0.5 40
0.5-0.75 65
0.75-3.0 = -0.1423 x AU 5 + 0.2604 x AU 4 + 5.593 x AU 3 - 30.217 x AU 2 + 60.566 x AU + 44.935
3.0-5.0 93
5.0-8.0 94
>8.0 96
  1. The specific gravity is 2.90 in the metavolcanics and 2.84 in the metasediments.
  2. Numbers may not add due to rounding.

Mine Planning


Lerchs-Grossman ("LG") pit shell optimizations were used to define the mine plans in the 2024 PFS. The pit optimizations incorporated estimated costs for mining, processing, tailings management, general and administrative and process recoveries. Waste to ore cut-offs were determined using a gold price of US$1,400 per ounce. The 2024 PFS pit was restricted from mining below the base of the permafrost to minimize the ingress of saline groundwater.

Estimated proven and probable Mineral Reserves, including mining dilution within the ultimate pit limit uses a Net Smelter Return (NSR) cut-off grade of C$49.66/t milled.


Table 5 Courageous Lake Mineral Reserve Estimate

Classification Ore Diluted Au Grade Contained Gold
(Mt) (g/t) (Moz)
Proven 2.0 3.5 0.2
Probable 31.9 2.6 2.6
Proven + Probable 33.9 2.6 2.8

Notes:

1. The Mineral Reserve estimates were prepared by Jesse Aarsen, P.Eng. (who is also the independent QP for these Mineral Reserve estimates), reported using the 2014 CIM Definition Standards and 2019 CIM Best Practices Guidelines, and have an effective date of January 5, 2024.

2. Mineral Reserves are based on the 2024 PFS open pit Life of Mine plan.

3. Mineral Reserves are mined tonnes and grade; the reference point is at the primary crusher and includes consideration for operational modifying factors.

4. Mineral Reserves are reported at NSR cut-off grade C$49.66/t: metal price of US$1,400/oz Au, at a currency exchange rate of US$0.77 per C$; Off-site costs (smelting, refining, transport, and insurance) doré terms are US$3.5/oz off-site costs (refining, transport and insurance), 100% Au payable; metallurgical recovery projections vary depending on metallurgical domain and metal grades and are based on metallurgical test work.

5. Mineral Reserves account for mining loss and dilution.

6. Mineral Reserves are a subset of the Mineral Resource 

7. Numbers have been rounded.

The 2024 PFS produces an average of 250,000 ounces of gold per year in the first five years of operation and an average of 201,000 ounces per year over the life of mine. High grade ore is exposed with minimal pre-stripping.

Figure 3 2024 PFS Mill Feed Profile


Mineral Processing

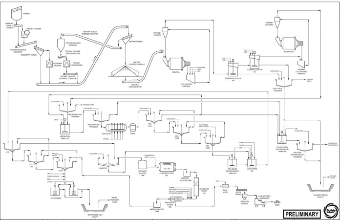
Seabridge has conducted seven metallurgical testing programs since 2003. The selected flowsheet includes a three-stage crushing circuit with the crushed product reporting to the crushed material stockpile. Mineralized material is reclaimed to a grinding circuit consisting of a ball mill circuit operating in closed circuit with a cyclone cluster. Classified material reports sequential stages of rougher flotation, where concentrate is separated from the gangue material and fed to cleaner flotation. In the cleaning circuit, the concentrate grades are upgraded prior to further size reduction in a regrind ball mill operating in closed circuit with a cyclone cluster. Cleaner tailings combine with rougher tailings for thickening before being discharged to the CPSF.

Overflow from regrind cyclones undergoes acidulation and pre-oxidation stages followed by the pressure oxidation circuit to oxidize the concentrate. The oxidized slurry is leached with cyanide and then washed in six stages through a CCD circuit. The resulting pregnant solution is processed using a Merrill-Crowe treatment by adding zinc powder to precipitate gold and silver. The precious metals precipitate will be smelted on site to produce gold-silver doré bars. Overall gold recovery is projected at 89.3%.

The simplified process flow diagram for the Courageous Lake Project is shown in Figure 4.

Figure 4 Courageous Lake Process Flowsheet


Capital Costs

The 2024 PFS initial capital cost estimate is US$747 million. Sustaining capital is estimated at US$293 million, and closure capital is estimated to be US$72 million.

Table 6 Courageous Lake 2024 PFS Capital Costs

Description Initial Sustaining Total Cost
  (US$M) (US$M) (US$M)
DIRECTS      
Mining 89 156 245
Process Plant 204 48 252
Tailings Facility 35 21 56
On-Site Infrastructure 98 11 109
Off-Site Infrastructure 45 37 82
Subtotal Direct Costs 471 273 744
Project Indirects 146 7 153
Owner's Costs 25 - 25
Contingency 105 13 118
Project Total 747 293 1040

Operating Costs

Average mine, process, G&A and water treatment operating costs over the project's life are estimated at US$61.0 per tonne milled. A breakdown of estimated unit operating costs is as follows:

Table 7 Courageous Lake 2024 PFS Operating Costs

Overall Site Operating Cost
(Excl. Closure Bond Premium)
Annual LOM
(US$ Million/year)
Per Tonne Milled LOM
(US$/t milled)
Mining 68.2 25.4
Processing 72.2 26.9
G&A 20.9 7.9
Water Treatment 2.1 0.8
Total 163.5 61.0

The LOM Cash Cost is US$863/oz of payable gold, and the LOM AISC is US$999/oz of payable gold.

2024 PEA Expansion

The 2024 PEA is a standalone mine plan that evaluates a conceptual expansion of the Courageous Lake open pit below the base of the permafrost after the 2024 PFS reserve has been completely mined out. None of the Mineral Resources used in the 2024 PEA mine plan have been used in the 2024 PFS.

The PEA is preliminary in nature and includes Inferred Mineral Resources that are considered too speculative geologically to have the economic considerations applied to them that would enable them to be categorized as Mineral Reserves, and there is no certainty that the results of the PEA will be realized. Mineral Resources in the PEA mine plan are not Mineral Reserves and do not have demonstrated economic viability.


The 2024 PEA results summarized in Table 8 show 3.26 million ounces of payable gold are produced over a 15.9-year mine plan at an average annual rate of 205,000 ounces of gold per year with an NPV5% of US$194 million and an AISC of US$ 1,316/Oz. Table 9 shows the sensitivity of the 2024 PEA economic results to gold price assumptions.

Table 8 2024 PEA Summary of Results

Production   2024 PEA
Expansion
Mine Life yr 15.9 years
Total Mill Feed mt 43.5
Au Grade g/t 2.62
Waste Mined mt 719.2
Strip Ratio t:t 16.6
Average Annual Mill Feed ktpa 2,739
Total Payable Au koz 3,261
Average Annual Payable Au koz 205
Other    
Total Revenue US$ million $6,032
Average Annual Revenue US$ million $379
EBITDA US$ million $2,248
Average Annual EBITDA US$ million $141
Operating Costs per Ounce    
Cash Costs per Ounce* US$/oz Au $1,161
All-In Sustaining Cost per Ounce** US$/oz Au $1,323
Capital Cost    
Initial Capex US$ million $529
Sustaining Capex US$ million $450
Closure Cost US$ million $105
Post-Tax Economics    
NPV (5%) *** US$ million $104
IRR % 7.8%

* Cash Costs consist of mining costs, processing costs, mine-level G&A, offsite charges, and royalties.

** All-In Sustaining Costs includes cash costs plus sustaining capital, closure costs, and salvage credits.

*** Discounted to start of PFS mine construction

Table 9 2024 PEA Economic sensitivity to price assumption

    Lower Case  Base Case  Spot Case
(03 Dec 2024) 
High Case 
Gold Price US$/Oz $1,750 $1,850 $2,130 $2,500
NPV (5%)* US$ Millions $23 $104 $324 $604
IRR % 5.6% 7.8% 14.2% 22.3%

* Discounted to start of PFS mine construction


Qualified Persons

A team of the Qualified Persons has reviewed and verified the technical information contained in this press release in their area of expertise and are independent of the Company, including: 

 Kevin Murray, P.Eng., of Ausenco is an independent QP for the metallurgical test work and recovery model, process and infrastructure capital and operating cost estimation, and project financials.

 Jonathan Cooper, P.Eng., of Ausenco, is an independent QP for hydrology.

 Aleksandar Spasojevic, P.Eng., of Ausenco, is an independent QP for the co-placement storage facility and leach residue tailings facility. 

 Allan Strandberg, P.Eng., of Ausenco, is an independent QP for site access and ice road.

 Harold Rolf Schmitt, P.Geo., of ERM, is an independent QP for environmental and permitting studies.

 Jesse Aarsen, P.Eng., of MMTS is an independent QP for the mineral reserve estimate, mine planning and mining cost estimation.

 Sue Bird, P.Eng., of MMTS is an independent QP for the geology and mineral resource estimate.

 Neil Brazier, P.Eng., of Brazier is an independent QP for power generation. 

 Hassan Ghafari, P.Eng., of Tetra Tech is an independent QP for airstrip.

 Cameron Clayton, P.Eng., P.Geo., of Tetra Tech is an independent QP for pit dimensions and slope design.

 Soren Jensen, P.Eng., of SRK is an independent QP for water quality and water treatment.

 Tracey Meintjes, P.Eng., Seabridge's Senior Vice President, Technical Services, is a Qualified Person and has reviewed and approved the technical and scientific content of this news release outside the information for which the QPs listed above are responsible.

About Seabridge Gold

Seabridge holds a 100% interest in several North American gold projects. Seabridge's principal asset, the KSM project, and its Iskut projects are located in Northwest British Columbia, Canada's "Golden Triangle", the Courageous Lake project is in Canada's Northwest Territories, the Snowstorm project in the Getchell Gold Belt of Northern Nevada and the 3 Aces project is in the Yukon Territory. For a full breakdown of Seabridge's Mineral Reserves and Mineral Resources by category please visit the Seabridge's website at http://www.seabridgegold.com.

About Ausenco

Ausenco is a global company redefining what's possible. Its team is based across 26 offices in 15 countries, with projects in over 80 locations worldwide. Combining their deep technical expertise with a 30-year track record, Ausenco provides innovative, value-add consulting studies, project delivery, asset operations and maintenance solutions to the mining & metals and industrial sectors.


Cautionary note to U.S. Investors concerning estimates of Mineral Reserves and Mineral Resources

All reserve and resource estimates reported by Seabridge were estimated in accordance with the Canadian National Instrument 43-101 and the Canadian Institute of Mining, Metallurgy and Petroleum ("CIM") Definition Standards. The U.S. Securities and Exchange Commission ("SEC") now recognizes estimates of "measured mineral resources," "indicated mineral resources" and "inferred mineral resources" and uses new definitions of "proven mineral reserves" and "probable mineral reserves" that are substantially similar to the corresponding CIM Definition Standards. However, the CIM Definition Standards differ from the requirements applicable to US domestic issuers. US investors are cautioned not to assume that any "measured mineral resources," "indicated mineral resources," or "inferred mineral resources" that the Issuer reports are or will be economically or legally mineable. Further, "inferred mineral resources" are that part of a mineral resource for which quantity and grade are estimated on the basis of limited geologic evidence and sampling. Mineral resources which are not mineral reserves do not have demonstrated economic viability.

Cautionary Note Regarding Forward-Looking Information

This document contains "forward-looking information" within the meaning of Canadian securities legislation and "forward-looking statements" within the meaning of the United States Private Securities Litigation Reform Act of 1995. This information and these statements, referred to herein as "forward-looking statements" are made as of the date of this document. Forward-looking statements relate to future events or future performance and reflect current estimates, predictions, expectations or beliefs regarding future events and include, but are not limited to, statements with respect to: (i) the estimated amount and grade of mineral reserves and mineral resources, including the cut-off grade; (ii) estimates of the capital costs of constructing mine facilities and bringing a mine into production, of operating the mine, of sustaining capital, of strip ratios and the duration of financing payback periods; (iii) the estimated amount of future production, both ore processed and metal recovered and recovery rates; (iv) estimates of operating costs, life of mine costs, net cash flow, net present value (NPV) and economic returns from an operating mine; and (v) the completion of the full Technical Report, including a Preliminary Economic Assessment, and its timing. Any statements that express or involve discussions with respect to predictions, expectations, beliefs, plans, projections, objectives or future events or performance (often, but not always, using words or phrases such as "expects", "anticipates", "plans", "projects", "estimates", "envisages", "assumes", "intends", "strategy", "goals", "objectives" or variations thereof or stating that certain actions, events or results "may", "could", "would", "might" or "will" be taken, occur or be achieved, or the negative of any of these terms and similar expressions) are not statements of historical fact and may be forward-looking statements.

All forward-looking statements are based on Seabridge's or its consultants' current beliefs as well as various assumptions made by them and information currently available to them. The most significant assumptions are set forth above, but other assumptions include: (i) the presence of and continuity of metals at the Project at estimated grades; (ii) the geotechnical and metallurgical characteristics of rock conforming to sampled results; (iii) the quantities of water and the quality of the water that must be diverted or treated during mining operations; (iv) the capacities and durability of various machinery and equipment; (v) the availability of personnel, machinery, equipment at estimated prices and within the estimated delivery times; (v) currency exchange rates; (vi) metals sales prices; (vii) appropriate discount rates applied to the cash flows in the economic analysis; (viii) tax rates and royalty rates applicable to the proposed mining operation; (ix) the availability of acceptable financing under assumed structure and costs; (ix) anticipated mining losses and dilution; (x) metallurgical performance; (xi) reasonable contingency requirements; (xii)success in realizing proposed operations; (xiii) receipt of permits and other regulatory approvals on acceptable terms; and (xiv) the successful conclusion of consultation with impacted indigenous groups. Although management considers these assumptions to be reasonable based on information currently available to it, they may prove to be incorrect. Many forward-looking statements are made assuming the correctness of other forward-looking statements, such as statements of net present value and internal rates of return, which are based on most of the other forward-looking statements and assumptions herein. The cost information is also prepared using current values, but the time for incurring the costs will be in the future and it is assumed costs (and metals prices) will remain stable over the relevant period.

By their very nature, forward-looking statements involve inherent risks and uncertainties, both general and specific, and risks exist that estimates, forecasts, projections and other forward-looking statements will not be achieved or that assumptions do not reflect future experience. We caution readers not to place undue reliance on these forward-looking statements as a number of important factors could cause the actual outcomes to differ materially from the beliefs, plans, objectives, expectations, anticipations, estimates assumptions and intentions expressed in such forward-looking statements. These risk factors may be generally stated as the risk that the assumptions and estimates expressed above do not occur as forecast, but specifically include, without limitation: risks relating to variations in the mineral content within the material identified as mineral reserves or mineral resources from that predicted; variations in rates of recovery and extraction; the geotechnical characteristics of the rock mined or through which infrastructure is built differing from that predicted, the quantity of water that will need to be diverted or treated during mining operations being different from what is expected to be encountered during mining operations or post closure, or the rate of flow of the water being different; developments in world metals markets; risks relating to fluctuations in the Canadian dollar relative to the US dollar; increases in the estimated capital and operating costs or unanticipated costs; difficulties attracting the necessary work force; and risks relating to the costs of other energy sources; increases in financing costs or adverse changes to the terms of available financing, if any; tax rates or royalties being greater than assumed; changes in development or mining plans due to changes in logistical, technical or other factors; changes in project parameters as plans continue to be refined; risks relating to receipt of regulatory approvals or the conclusion of successful consultation with impacted indigenous groups; changes in regulations applying to the development, operation, and closure of mining operations from what currently exists; the effects of competition in the markets in which Seabridge operates; operational and infrastructure risks and the additional risks described in Seabridge's Annual Information Form filed with SEDAR in Canada (available at www.sedar.com ) for the year ended December 31, 2022 and in Seabridge's Annual Report Form 40-F filed with the U.S. Securities and Exchange Commission on EDGAR(available at www.sec.gov/edgar.shtml). Seabridge cautions that the foregoing list of factors that may affect future results is not exhaustive.


When relying on our forward-looking statements to make decisions with respect to Seabridge, investors and others should carefully consider the foregoing factors and other uncertainties and potential events. Seabridge does not undertake to update any forward-looking statement, whether written or oral, that may be made from time to time by Seabridge or on our behalf, except as required by law.

None of the Toronto Stock Exchange, New York Stock Exchange, or their Regulation Services Providers accepts responsibility for the adequacy or accuracy of this release.

  ON BEHALF OF THE BOARD
  "Rudi Fronk"
  Chairman & C.E.O.

For further information please contact:

Rudi P. Fronk, Chairman and C.E.O.

Tel: (416) 367-9292  •  Fax: (416) 367-2711

Email:  info@seabridgegold.com