UNITED STATES 

SECURITIES AND EXCHANGE COMMISSION 

Washington, D.C. 20549

 

FORM 6-K

 

REPORT OF FOREIGN PRIVATE ISSUER PURSUANT TO RULE 13a-16 OR 15d-16 

UNDER THE SECURITIES EXCHANGE ACT OF 1934

 

Date: August 9, 2023

 

Commission File Number:  001-33414

 

Denison Mines Corp. 

(Translation of registrant’s name into English)

 

1100-40 University Avenue 

Toronto, Ontario 

M5J 1T1, Canada 

(Address of principal executive office)

 

Indicate by check mark whether the registrant files or will file annual reports under cover of Form 20-F or Form 40-F.

 

  o    Form 20-F x     Form 40-F  

 

 

 

 

 

 

INCORPORATION BY REFERENCE

 

Exhibits 99.2 through 99.13 (Consents of Qualified Persons) to this Report on Form 6-K of Denison Mines Corp. are hereby incorporated by reference into its Registration Statement on Form F-10 (File No. 333-258939), as amended or supplemented, to the extent not superseded by documents or reports subsequently filed or furnished by us under the Securities Act of 1933, as amended, or the Securities Exchange Act of 1934, as amended.

 

 

 

 

SIGNATURES

 

Pursuant to the requirements of the Securities Exchange Act of 1934, as amended, the registrant has duly caused this report to be signed on its behalf by the undersigned, thereunto duly authorized.

 

  Denison Mines Corp.
  (Registrant)
     
Date: August 9, 2023 By: /s/ Amanda Willett
    Name: Amanda Willett
    Title: Vice President Legal and Corporate Secretary
     

 

 

 

 

Form 6-K Exhibit Index

 

Exhibit
Number
  Document Description
     
99.1   NI 43-101 Technical Report on the Wheeler River Project Athabasca Basin, Saskatchewan, Canada, dated August 8, 2023 with an effective date of June 23, 2023
99.2   Consent of Qualified Person – Gordon Graham
99.3   Consent of Qualified Person – Mark Hatton
99.4   Consent of Qualified Person – Dan Johnson
99.5   Consent of Qualified Person – Jeffrey Martin
99.6   Consent of Qualified Person – Mark Mathisen
99.7   Consent of Qualified Person – William McCombe
99.8   Consent of Qualified Person – David Myers
99.9   Consent of Qualified Person – Gregory Newman
99.10   Consent of Qualified Person – Paul O’Hara
99.11   Consent of Qualified Person – Cliff Revering
99.12   Consent of Qualified Person – Lorne Schwartz
99.13   Consent of Qualified Person – Geoff Wilkie

 

 

 

 

 

Exhibit 99.1

 

 

 

NI 43-101 Technical Report on the

Wheeler River Project

Athabasca Basin, Saskatchewan, Canada

 

 

Prepared for: Denison Mines Corp.  
       
Prepared by: Gordon Graham P.Eng. Encomp Engineering and Computing Professionals Inc.
  Mark Hatton P.Eng. Stantec Consulting Ltd.
  Dan Johnson P.E., RM SME WSP USA Environment and Infrastructure Inc.
  Gregory Newman P.Eng. Newmans Geotechnique Inc.
  Jeffrey Martin P.Eng. Ecometrix Incorporated
  Mark Mathisen C.P.G. SLR International Corporation
  William McCombe P.Eng. Hatch Ltd.
  David Myers P.Eng. Wood Canada Limited
  Paul O’Hara P.Eng. Wood Canada Limited
  Cliff Revering P.Eng. SRK Consulting (Canada) Inc.
  Lorne Schwartz P.Eng. Wood Canada Limited
  Geoff Wilkie P.Eng. CanCost Consulting Inc.

 

Effective Date: 23 June 2023

Project No.: 251208

 

 

 

 

Important Notice

 

This Report was prepared for Denison Mines Corp. (Denison) by Wood Canada Limited (Wood), WSP USA Environment and Infrastructure Inc. (WSP), SRK Consulting (Canada) Inc. (SRK), Newmans Geotechnique Inc. (Newmans), Ecometrix Incorporated (Ecometrix), SLR International Corporation (SLR), Engcomp Engineering and Computing Professionals Inc. (Engcomp), Stantec Consulting Ltd. (Stantec), CanCost Consulting Inc. (CanCost) and Hatch Ltd. (Hatch), (collectively the Consultants). The quality of information, conclusions and estimates contained herein is consistent with the level of effort involved in the Consultants’ services and based on: i) information available at the time of preparation, ii) data supplied by outside sources, and iii) the assumptions, conditions and qualifications set forth in this Report. This Report is intended to be used by Denison, subject to the terms and conditions of its contracts with each of the Consultants. Except for the purposes legislated under Canadian provincial and territorial securities law, any use of, or reliance on, this Report by any third party is at that party’s sole risk.

 

 

 

 

Wheeler River Project
Athabasca Basin, Saskatchewan
NI 43-101 Technical Report

 

Contents

 

1.0 Summary 1-1
  1.1 Introduction 1-1
  1.2 Terms of Reference 1-1
  1.3 Mineral Tenure, Surface Rights and Royalties 1-3
  1.4 History 1-3
  1.5 Geology and Mineralization 1-3
  1.6 Exploration, Drilling and Sampling 1-5
  1.7 Phoenix 1-7
    1.7.1 Key Project Outcomes 1-7
    1.7.2 Drilling and Data Verification 1-8
    1.7.3 Metallurgical Testwork 1-8
    1.7.4 Mineral Resource Estimate 1-9
    1.7.5 Mineral Reserve Estimate 1-10
    1.7.6 Mining Methods 1-12
    1.7.7 Hydrogeological 1-12
    1.7.8 Wellfield 1-13
    1.7.9 Recovery Methods 1-14
    1.7.10 Project Infrastructure 1-16
    1.7.11 Market Studies and Contracts 1-18
    1.7.12 Environment, Permitting and Social Considerations 1-18
    1.7.13 Capital Costs 1-19
    1.7.14 Operating Costs 1-21
    1.7.15 Economic Analysis 1-21
    1.7.16 Conclusions 1-22
    1.7.17 Opportunities and Risk 1-22
  1.7.18 Recommendations 1-25
  1.8 Gryphon 1-26
    1.8.1 Key Project Outcomes 1-26
    1.8.2 Drilling and Data Verification 1-27
    1.8.3 Metallurgical Testwork 1-27
    1.8.4 Mineral Resource Estimate 1-28
    1.8.5 Mineral Reserve Estimate 1-28
    1.8.6 Mining Methods 1-30
      1.8.6.1 Geotechnical 1-30
      1.8.6.2 Hydrogeological 1-31
      1.8.6.3 Mining Method 1-31
    1.8.7 Recovery Methods 1-33
    1.8.8 Project Infrastructure 1-33
    1.8.9 Market Studies and Contracts 1-34

 

Project No.: 251208  
August 2023TOC i 

 

 

Wheeler River Project
Athabasca Basin, Saskatchewan
NI 43-101 Technical Report

 

    1.8.10 Environment, Permitting and Social Considerations 1-34
    1.8.11 Capital Costs 1-35
    1.8.12 Operating Costs 1-36
    1.8.13 Economic Analysis 1-36
    1.8.14 Conclusions 1-37
    1.8.15 Opportunities and Risk 1-37
    1.8.16 Recommendations 1-39
2.0 introduction 2-1
  2.1 Terms of Reference 2-1
  2.2 Qualified Persons 2-2
  2.3 Site Visits 2-4
  2.4 Effective Date 2-5
  2.5 Information Sources 2-5
3.0 Reliance on Other Experts 3-1
  3.1 Legal Status 3-1
  3.2 Marketing 3-1
  3.3 Taxation 3-2
4.0 Property Description and Location 4-1
  4.1 Property Location 4-1
  4.2 Land Tenure 4-1
  4.3 Mineral and Surface Rights 4-2
  4.4 Royalties and Other Encumbrances 4-4
  4.5 Environmental and Permitting Considerations 4-4
  4.6 Significant Factors and Risks 4-4
5.0 Accessibility, Climate, Local Resources, Infrastructure and Physiography 5-1
  5.1 Accessibility 5-1
  5.2 Climate 5-1
  5.3 Local Resources and Infrastructure 5-1
  5.4 Physiography 5-2
6.0 History 6-1
  6.1 Prior Ownership 6-1
  6.2 Exploration and Development History 6-2
  6.3 Past Production 6-5
7.0 Geological Setting and Mineralization 7-1
  7.1 Regional Geology 7-1
    7.1.1 General 7-1
    7.1.2 Metamorphosed Basement 7-1
    7.1.3 Athabasca Group 7-4
    7.1.4 Quaternary Deposits 7-4
  7.2 Local and Property Geology 7-5
    7.2.1 General 7-5
    7.2.2 Basement Geology 7-5

 

Project No.: 251208  
August 2023TOC ii 

 

 

Wheeler River Project
Athabasca Basin, Saskatchewan
NI 43-101 Technical Report

 

    7.2.3 Athabasca Group 7-6
    7.2.4 Quaternary Deposits 7-8
    7.2.5 Structural Geology 7-8
  7.3 Phoenix 7-9
    7.3.1 Mineralization 7-11
    7.3.2  Alteration 7-12
      7.3.2.1 Total Clay Content Estimation 7-14
      7.3.2.2 Paleoweathered Profile 7-14
      7.3.2.3 Desilicification and Friability 7-14
      7.3.2.4 Silicification 7-15
    7.3.3 Structural Geology 7-16
      7.3.3.1 Rock Quality Designation and Fracture Frequency 7-16
      7.3.3.2 Major Faults 7-18
    7.3.4 Hydrogeological Units 7-20
  7.4 Gryphon 7-24
    7.4.1 Mineralization 7-26
    7.4.2 Alteration 7-27
    7.4.3 Structural Geology 7-29
8.0 Deposit Types 8-1
  8.1 QP Comments on Section 8 8-5
9.0 Exploration 9-1
  9.1 Ground Geophysical Surveys 9-1
  9.2 Airborne Surveys 9-7
    9.2.1 2004 Airborne Magnetic and GEOTEM® Survey 9-7
    9.2.2 2005 FALCON® Airborne Gravity Gradiometer Survey 9-9
    9.2.3 2013 Versatile Time-domain Electromagnetic Survey 9-9
  9.3 Borehole Surveys 9-9
10.0 Drilling 10-1
  10.1 Summary 10-1
  10.2  Phoenix Deposit Drilling 10-2
    10.2.1 Recent Drilling (2019 to Present) 10-4
    10.2.2 Core Recovery and Use of Probe Data 10-9
  10.3 Gryphon Deposit Drilling 10-10
    10.3.1 Core Recovery and Use of Probe Data 10-11
  10.4 Drill Hole Surveying 10-12
  10.5 Radiometric Logging of Drill Holes 10-12
  10.6 Sampling Method and Approach 10-13
    10.6.1 Drill Core Handling and Logging Procedures 10-13
    10.6.2 Drill Core Sampling 10-13
      10.6.2.1 Assay Sampling 10-14
      10.6.2.2 Other Sampling 10-14
  10.7 QP Comments on Section 10 10-15

 

Project No.: 251208  
August 2023TOC iii 

 

 

Wheeler River Project
Athabasca Basin, Saskatchewan
NI 43-101 Technical Report

 

11.0 Sample Preparation, Analyses, and Security 11-1
  11.1 Geochemical Sample Preparation Procedures 11-1
    11.1.1 Sample Receiving 11-1
    11.1.2 Sample Sorting 11-1
    11.1.3 Sample Preparation 11-2
  11.2 Laboratory Certification 11-3
  11.3 Analytical Methods 11-3
    11.3.1 Method Summary: ICP1 11-3
    11.3.2 Method Summary: ICP-MS 11-4
    11.3.3 Method Summary: U3O8 wt% Assay by ICP-OES 11-5
    11.3.4 Method Summary: U3O8 wt% Assay by Delayed Neutron Counting 11-6
    11.3.5 Drill Core Bulk Density Analysis 11-6
  11.4 Quality Assurance Quality Control 11-7
    11.4.1 Sample Standards, Blanks and Field Duplicates 11-7
      11.4.1.1 Uranium Assay Standards 11-7
      11.4.1.2 Blanks 11-14
      11.4.1.3 Field Assay Duplicates 11-16
    11.4.2 SRC Geoanalytical Internal Quality Assurance Quality Control Program 11-18
    11.4.3 External Laboratory Check Analysis 11-22
    11.4.4 Security and Confidentiality 11-24
  11.5 Permeameter Analytical Methods 11-24
    11.5.1 Permeameter Quality Assurance Quality Control 11-25
  11.6 QP Comments on Section 11 11-28
12.0 Data Verification 12-1
  12.1 Phoenix Deposit 12-1
    12.1.1 Drill Hole Database and Geology 12-1
      12.1.1.1 Site Visit 12-1
      12.1.1.2 Denison Database Audits 12-1
      12.1.1.3 Radiometric Grade Correlation 12-3
      12.1.1.4 Triple Gamma Probe Field Checks 12-6
    12.1.2 QP Comments on Section 12 – Phoenix Deposit 12-7
      12.1.2.1 Geology and Resources 12-7
      12.1.2.2 Hydrogeological 12-7
      12.1.2.3 Metallurgical 12-8
  12.2 Gryphon Deposit 12-8
    12.2.1 Drill Hole Database and Geology 12-8
      12.2.1.1 Site Visit 12-8
      12.2.1.2 Database Validation 12-8
      12.2.1.3 Independent Verification of Assay Table 12-9
      12.2.1.4 Disequilibrium 12-9
    12.2.2 QP Comments on Section 12 – Gryphon Deposit 12-12
      12.2.2.1 Geology and Mineral Resources 12-12
      12.2.2.2 Rock Mechanics 12-12
      12.2.2.3 Hydrogeological 12-12
      12.2.2.4 Metallurgical 12-13

 

Project No.: 251208  
August 2023TOC iv 

 

 

Wheeler River Project
Athabasca Basin, Saskatchewan
NI 43-101 Technical Report

 

13.0 Mineral Processing and Metallurgical Testing 13-1
  13.1 Phoenix 13-1
    13.1.1 Summary of the Testwork 13-1
    13.1.2 Leachability and Mineralogy of the Phoenix Deposit 13-2
      13.1.2.1 Leaching Characteristics 13-2
      13.1.2.2 Mineralogy 13-2
    13.1.3 2014 Leaching Tests 13-7
    13.1.4 2017/2018 Leaching Tests 13-8
    13.1.5 2020 to 2022 Leaching Tests on Crushed/Ground Core 13-8
      13.1.5.1 2020 Leach Temperature Tests 13-8
      13.1.5.2 2021 UBS Column Tests 13-9
      13.1.5.3 2022 Column Leaching and Remediation Tests 13-11
    13.1.6 2018 to 2022 Leaching Tests on Intact Core 13-16
      13.1.6.1 2018 Jar Tests 13-17
      13.1.6.2 2018 to 2021 Coreflood Tests 13-17
      13.1.6.3 Coreflood 4 13-20
      13.1.6.4 Coreflood 5 13-24
    13.1.7 Feasibility Field Test Leaching Results 13-26
    13.1.8 Wellfield Leach Recovery Best Fit Curve Development 13-27
    13.1.9 Process Plant and Effluent Treatment Test Programs 13-30
      13.1.9.1 Pre-Feasibility Study Process Plant Tests 13-30
      13.1.9.2 Feasibility Study Process Plant and Effluent Treatment Tests 13-30
      13.1.9.3 Effluent Selenium Removal Options Test Programs 13-43
  13.2  Gryphon 13-44
    13.2.1 Summary 13-44
    13.2.2 Sample Selection 13-45
    13.2.3 Metallurgical Testing 13-47
      13.2.3.1 Grinding 13-48
      13.2.3.2 Leaching 13-48
      13.2.3.3 Settling and Filtration 13-50
      13.2.3.4 Solvent Extraction 13-51
      13.2.3.5 Precipitation 13-51
      13.2.3.6 Tailings Neutralization 13-52
14.0 Mineral Resource Estimates 14-1
  14.1 Phoenix 14-1
    14.1.1 Introduction 14-1
    14.1.2 Mineral Resource Estimation Database 14-3
    14.1.3 Geological Model 14-3
    14.1.4 Radiometric-Grade Correlation 14-5
    14.1.5 Density-Grade Correlation 14-8
    14.1.6 Compositing 14-10
    14.1.7 Capping 14-11

 

Project No.: 251208  
August 2023TOC v 

 

 

Wheeler River Project
Athabasca Basin, Saskatchewan
NI 43-101 Technical Report

 

    14.1.8 Variography 14-12
    14.1.9 Grade and Density Estimation 14-12
    14.1.10 Block Model Validation 14-14
    14.1.11 Classification 14-17
    14.1.12 Reasonable Prospects for Eventual Economic Extraction 14-18
    14.1.13 Mineral Resource Statement 14-19
    14.1.14 Factors that Could Affect the Mineral Resources 14-19
    14.1.15 Grade Sensitivity Analysis 14-20
    14.1.16 Reconciliation to Previous Mineral Resource Estimate 14-21
  14.2 Gryphon 14-22
    14.2.1 Mineral Resource Estimation Database 14-22
    14.2.2 Geological Model 14-23
    14.2.3 Radiometric-Grade Correlation 14-27
    14.2.4 Bulk Density 14-28
    14.2.5 Capping 14-29
    14.2.6 Composites 14-30
    14.2.7 Variography 14-33
    14.2.8 Grade and Density Estimation 14-33
    14.2.9 Block Model Validation 14-35
      14.2.9.1 Volume Comparison 14-35
      14.2.9.2 Visual Comparison 14-35
      14.2.9.3 Statistical Comparison 14-38
      14.2.9.1 Swath Plots 14-40
    14.2.10 Classification 14-40
    14.2.11 Reasonable Prospects for Eventual Economic Extraction 14-44
    14.2.12 Mineral Resource Statement 14-44
    14.2.13 Grade Sensitivity Analysis 14-46
    14.2.14 Factors that Could Affect the Mineral Resources 14-47
15.0 Mineral Reserve Estimates 15-1
  15.1 Phoenix 15-1
    15.1.1 Summary 15-1
    15.1.2 Factors that Could Affect the Mineral Reserves 15-2
    15.1.3 Mining Recovery 15-3
      15.1.3.1 Recovery Curve 15-3
      15.1.3.2 Hydrogeological Modelling 15-3
      15.1.3.3 Wellfield Production Modelling 15-4
    15.1.4 Cut-off Grade and Economic Limits 15-5
  15.2 Gryphon 15-7
    15.2.1 Summary 15-7
    15.2.2  Factors that Could Affect the Mineral Reserves 15-7
    15.2.3 Mining Recovery 15-8
    15.2.4 Mining Dilution 15-8
    15.2.5 Cut-off Grades 15-9
    15.2.6 Mining Block Shapes 15-9

 

Project No.: 251208  
August 2023TOC vi 

 

 

Wheeler River Project
Athabasca Basin, Saskatchewan
NI 43-101 Technical Report

 

16.0 Mining Methods 16-1
  16.1 Phoenix 16-1
    16.1.1 Hydrogeology 16-1
      16.1.1.1 Field and Laboratory Testwork 16-1
      16.1.1.2 Hydrogeological Properties 16-2
      16.1.1.3 Hydrogeological Modelling 16-4
    16.1.2 Geotechnical 16-5
    16.1.3 ISR Mining Method 16-8
      16.1.3.1 Wellfields 16-8
    16.1.4 Freeze Wall 16-10
      16.1.4.1 Freeze Design 16-16
    16.1.5 Mechanical Permeability Enhancement 16-17
    16.1.6 Production 16-17
    16.1.7 Wellfield Piping 16-18
      16.1.7.1 Header Houses and Mechanical Equipment 16-19
    16.1.8 Power Requirements 16-19
    16.1.9 Mining Unit Design, Production Rates, and Mine Life 16-20
    16.1.10 Mine Development 16-22
    16.1.11 Mine Equipment 16-22
  16.2 Gryphon 16-23
    16.2.1 Hydrogeology 16-23
      16.2.1.1 Testwork and Numerical Modelling 16-23
      16.2.1.2 Uncontrolled Inflow 16-24
    16.2.2 Geotechnical 16-24
      16.2.2.1 Geological, Structural and Alteration Models 16-25
      16.2.2.2 Rock Mass Classification 16-26
      16.2.2.3 Ground Support 16-29
      16.2.2.4 Stope Stability 16-30
      16.2.2.5 Numerical Simulations 16-31
    16.2.3 Mining Method 16-32
      16.2.3.1 Mine Development and Contract Strategy 16-33
      16.2.3.2 Underground Mine Model 16-33
      16.2.3.3 Mine Development 16-37
      16.2.3.4 Mine Production 16-38
      16.2.3.5 Mine Backfill 16-40
      16.2.3.6 Ore and Waste Handling 16-41
      16.2.3.7 Mine Ventilation and Heating 16-42
      16.2.3.8 Mine Dewatering 16-45
      16.2.3.9 Other Underground Mine Infrastructure 16-48
      16.2.3.10 Mine Services 16-49
      16.2.3.11 Definition Drilling 16-50
      16.2.3.12 Underground Mobile Equipment 16-50

 

Project No.: 251208  
August 2023TOC vii 

 

 

Wheeler River Project
Athabasca Basin, Saskatchewan
NI 43-101 Technical Report

 

17.0 Recovery Methods 17-1
  17.1 Phoenix 17-1
    17.1.1 Process Design Basis and Criteria 17-1
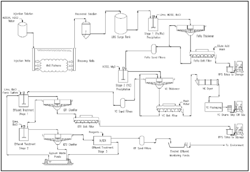
    17.1.2 Process Plant Description 17-1
      17.1.2.1 Injection and Recovered Solutions 17-5
      17.1.2.2 UBS Surge Tank 17-5
      17.1.2.3 Stage 1 (Fe/Ra) Precipitation Circuit 17-5
      17.1.2.4 Stage 2 (YC) Precipitation Circuit 17-7
      17.1.2.5 Yellowcake Drying and Packaging Circuit 17-9
      17.1.2.6 Effluent Treatment 17-10
    17.1.3 Reagents 17-13
    17.1.4 Utilities 17-17
      17.1.4.1 Water 17-17
      17.1.4.2 Propane 17-17
      17.1.4.3 Electricity 17-17
    17.1.5 Phoenix Recovery 17-18
  17.2 Gryphon 17-18
    17.2.1 Summary 17-18
    17.2.2 Mill History 17-19
    17.2.3 Current Mill Configuration and General Process Description 17-21
    17.2.4 Production Design Basis 17-23
      17.2.4.1 Production Plan and Mill Feed Rate 17-23
    17.2.5 Process Design Criteria 17-24
    17.2.6 Process Modifications 17-25
      17.2.6.1 Ore Storage and Receiving 17-26
      17.2.6.2 Leaching 17-26
      17.2.6.3 Solid/Liquid Separation 17-27
      17.2.6.4 Tailings Neutralization 17-27
      17.2.6.5 Clarification 17-27
      17.2.6.6 Solvent Extraction 17-27
      17.2.6.7 Precipitation 17-28
      17.2.6.8 Calcining 17-28
    17.2.7 Reagent and Support Plants 17-28
      17.2.7.1 Ammonium Sulphate Plant 17-28
      17.2.7.2 Acid Plant 17-28
      17.2.7.3 Ferric Sulphate Plant 17-29
    17.2.8 Utilities 17-29
  17.3 QP Comments on Section 17 17-29
    17.3.1 Phoenix 17-29
    17.3.2 Gryphon 17-30

 

Project No.: 251208  
August 2023TOC viii 

 

 

Wheeler River Project
Athabasca Basin, Saskatchewan
NI 43-101 Technical Report

 

18.0 Project Infrastructure 18-1
  18.1 Phoenix 18-1
    18.1.1 Site Layout 18-1
    18.1.2 Site Access 18-3
      18.1.2.1 Roads 18-3
      18.1.2.2 Airstrip 18-3
    18.1.3 Onsite Roads 18-3
    18.1.4 ISR Wellfield 18-3
    18.1.5 ISR Process Plant 18-3
    18.1.6 Freeze Plant 18-4
    18.1.7 Storage Pads 18-4
    18.1.8 Power Supply and Distribution 18-5
    18.1.9 Fuel Storage and Distribution 18-6
    18.1.10 Propane Storage and Distribution 18-6
    18.1.11 Water Management 18-6
    18.1.12 Potable Water Treatment Facility 18-7
    18.1.13 Fresh and Fire Water Distribution 18-7
    18.1.14 Sewage 18-8
    18.1.15 Operations Centre 18-8
    18.1.16 Wash Bay/Scanning 18-8
    18.1.17 Camp 18-8
    18.1.18 Communications 18-8
  18.2 Gryphon 18-9
    18.2.1 Site Layout 18-9
    18.2.2 Site Access 18-11
    18.2.3 Production Shaft 18-11
    18.2.4 Ventilation Fans and Mine Air Heaters 18-12
    18.2.5 Waste Rock Management 18-12
    18.2.6 Backfill Plant 18-13
    18.2.7 Power Supply and Distribution 18-13
      18.2.7.1 Back-up Electrical Power 18-14
    18.2.8 Fuel Storage and Distribution 18-15
    18.2.9 Propane Storage and Distribution 18-15
    18.2.10 Water Management 18-15
    18.2.11 Water Treatment Plant 18-16
    18.2.12 Fresh and Fire Water Distribution 18-16
    18.2.13 Potable Water Treatment Distribution 18-17
    18.2.14 Sewage 18-17
    18.2.15 Mine Facilities 18-17
      18.2.15.1 Explosives Magazine 18-17
    18.2.16 Camp 18-18
    18.2.17 Offsite Infrastructure 18-18
      18.2.17.1 McClean Lake Tailings Management Facility 18-18

 

Project No.: 251208  
August 2023TOC ix 

 

 

Wheeler River Project
Athabasca Basin, Saskatchewan
NI 43-101 Technical Report

 

19.0 Market Studies and Contracts 19-1
  19.1 Uranium Market 19-1
    19.1.1 Background 19-1
    19.1.2 Market Fundamentals 19-2
    19.1.3 Uranium Demand 19-4
    19.1.4 Primary Uranium Supply 19-4
    19.1.5 Secondary Uranium Supply 19-5
    19.1.6 Uranium Prices 19-5
  19.2 Contracts 19-8
    19.2.1 Processing 19-8
    19.2.2 Storage and Transportation 19-8
    19.2.3 Sales 19-8
  19.3 QP Comments on Section 19 19-9
20.0 Environmental Studies, Permitting and Social or Community Impact 20-1
  20.1 Phoenix 20-1
    20.1.1 Environmental Studies 20-1
      20.1.1.1 Baseline Environmental Studies 20-1
      20.1.1.2 Draft Environmental Impact Statement 20-2
      20.1.1.3 Other Environmental Studies 20-4
    20.1.2 Site Management Programs for Operations and Closure 20-5
      20.1.2.1 Management System 20-5
    20.1.3 Project Permitting Requirements and Status 20-10
      20.1.3.1 Environmental Assessment 20-10
      20.1.3.2 Licensing and Permitting 20-12
    20.1.4 Social and Community Requirements and Status 20-15
      20.1.4.1 Engagement with Indigenous Groups 20-15
      20.1.4.2 Engagement with the General Public 20-16
      20.1.4.3 Engagement with the Regulatory Agencies 20-16
    20.1.5 Closure Requirements 20-16
      20.1.5.1 Decommissioning 20-18
      20.1.5.2 Reclamation 20-22
      20.1.5.3 Post Decommissioning 20-22
      20.1.5.4 Closure Costs 20-23
  20.2 Gryphon 20-23
    20.2.1 Environmental Studies 20-23
    20.2.2 Management System 20-24
    20.2.3 Environmental Assessment 20-24
      20.2.3.1 Federal Environmental Assessment 20-24
      20.2.3.2 Provincial Environmental Impact Assessment 20-24
    20.2.4 Social and Community Requirements and Status 20-25
    20.2.5 Closure Requirements and Closure Cost 20-26

 

Project No.: 251208  
August 2023TOC x 

 

 

Wheeler River Project
Athabasca Basin, Saskatchewan
NI 43-101 Technical Report

 

21.0 Capital and Operating Costs 21-1
  21.1 Phoenix 21-1
    21.1.1 Summary 21-1
    21.1.2 Capital Cost Estimate 21-2
      21.1.2.1 Basis of Estimate 21-2
      21.1.2.2 Direct Costs 21-3
      21.1.2.3 Indirect Costs 21-6
      21.1.2.4 Contingency 21-7
    21.1.3 Sustaining Capital Costs 21-7
    21.1.4 Closure Costs 21-9
    21.1.5 Operating Costs 21-9
      21.1.5.1 Summary 21-9
      21.1.5.2 Mine Operating Costs 21-9
      21.1.5.3 Process Operating Costs 21-10
      21.1.5.4 Transport to Converter 21-10
      21.1.5.5 Site Support and General and Administrative Costs 21-11
  21.2 Gryphon 21-12
    21.2.1 Summary 21-12
    21.2.2 Capital Cost Estimates 21-13
      21.2.2.1 Basis of Estimate 21-13
      21.2.2.2 Direct Costs 21-13
      21.2.2.3 Indirect Costs 21-19
      21.2.2.4 Contingency 21-20
    21.2.3 Sustaining Capital Costs 21-20
    21.2.4 Closure Costs 21-20
    21.2.5 Operating Costs 21-21
      21.2.5.1 Summary 21-21
      21.2.5.2 Mine Operating Costs 21-21
      21.2.5.3 McClean Lake Mill Operating Costs 21-22
      21.2.5.4 Transport to Converter 21-23
      21.2.5.5 Site Support and General and Administrative Costs 21-23
22.0 economic analysis 22-1
  22.1 Cautionary Statement 22-1
  22.2 Methodology Used 22-1
  22.3 Phoenix Financial Model Parameters 22-2
    22.3.1 Uranium Recovery 22-2
    22.3.2 Uranium Price 22-2
    22.3.3 Transport to Converter 22-3
    22.3.4 Capital Costs 22-3
    22.3.5 Operating Costs 22-3
    22.3.6 Royalties 22-3
    22.3.7 Taxes 22-3
    22.3.8 Working Capital 22-6
    22.3.9 Closure Costs 22-7
    22.3.10 Salvage Value 22-7
    22.3.11 Inflation 22-7
    22.3.12 Financing 22-7

 

Project No.: 251208  
August 2023TOC xi 

 

 

Wheeler River Project
Athabasca Basin, Saskatchewan
NI 43-101 Technical Report

 

  22.4 Phoenix Economic Analysis 22-7
    22.4.1 Phoenix Base Case Economic Analysis 22-8
    22.4.2 Phoenix PFS Reference Case Economic Results 22-11
    22.4.3 Phoenix Adjusted After-Tax Economic Results 22-11
    22.4.4 Sensitivity Analysis 22-14
  22.5 Gryphon Financial Model Parameters 22-15
    22.5.1 Uranium Recovery 22-15
    22.5.2 Uranium Price 22-15
    22.5.3 Transport to Converter 22-16
    22.5.4 Capital Costs 22-16
    22.5.5 Operating Costs 22-16
    22.5.6 Royalties 22-16
    22.5.7 Taxes 22-17
    22.5.8 Working Capital 22-17
    22.5.9 Closure Costs 22-17
    22.5.10 Salvage Value 22-18
    22.5.11 Inflation 22-18
    22.5.12 Financing 22-18
  22.6 Gryphon Economic Analysis 22-18
    22.6.1 Gryphon Base Case Economic Analysis 22-18
    22.6.2 Gryphon 2018 PFS Reference Case Economic Results 22-20
    22.6.3 Sensitivity Analysis 22-20
23.0 adjacent properties 23-1
24.0 Other Relevant Data and Information 24-1
25.0 Interpretation and Conclusions 25-1
  25.1 Summary 25-1
  25.2 Mineral Tenure, Surface Rights, Royalties 25-1
  25.3 Phoenix 25-1
    25.3.1 Geology and Mineral Resources 25-1
    25.3.2 Metallurgical Testwork 25-2
    25.3.3 Hydrogeology 25-3
    25.3.4 Wellfield 25-3
    25.3.5 Mining 25-4
    25.3.6 Recovery Methods 25-5
    25.3.7 Wellfield Reclamation 25-6
    25.3.8 Infrastructure 25-6
    25.3.9 Markets and Contracts 25-6
    25.3.10 Capital and Operating Costs 25-6
    25.3.11 Economic Analysis 25-7
    25.3.12 Environmental, Permitting and Social Considerations 25-8

 

Project No.: 251208  
August 2023TOC xii 

 

 

Wheeler River Project
Athabasca Basin, Saskatchewan
NI 43-101 Technical Report

 

    25.3.13 Opportunities 25-8
      25.3.13.1 Metallurgical Testwork and Recovery Methods 25-8
      25.3.13.2 Wellfield 25-9
      25.3.13.3 Mining 25-10
      25.3.13.4 Wellfield Reclamation 25-10
      25.3.13.5 Infrastructure 25-10
    25.3.14 Risks 25-10
      25.3.14.1 Overall Project 25-10
      25.3.14.2 Metallurgical Testwork and Recovery Methods 25-11
      25.3.14.3 Wellfield 25-11
      25.3.14.4 Mining 25-12
  25.4 Gryphon 25-12
    25.4.1 Geology and Mineral Resources 25-12
    25.4.2 Metallurgical Testwork 25-13
    25.4.3 Hydrogeology 25-13
    25.4.4 Geotechnical 25-14
    25.4.5 Mining 25-15
    25.4.6 Recovery Methods 25-16
    25.4.7 Markets and Contracts 25-16
    25.4.8 Capital and Operating Costs 25-16
    25.4.9 Economic Analysis 25-17
    25.4.10 Environmental, Permitting and Social Considerations 25-18
    25.4.11 Opportunities 25-18
      25.4.11.1 Geology and Mineral Resources 25-18
      25.4.11.2 Metallurgical Testwork and Recovery Methods 25-18
      25.4.11.3 Mining 25-19
    25.4.12 Risks 25-19
      25.4.12.1 Metallurgical Testwork and Recovery Methods 25-19
      25.4.12.2 Mining 25-20
26.0 Recommendations 26-1
  26.1 Phoenix 26-1
    26.1.1 Summary 26-1
    26.1.2 Geology and Mineral Resources 26-1
    26.1.3 Metallurgical Testwork 26-2
    26.1.4 Hydrogeology 26-2
    26.1.5 Wellfield 26-3
    26.1.6 Mining 26-3
    26.1.7 Wellfield Reclamation 26-4
    26.1.8 Environmental, Regulatory and Community Relations 26-4
    26.1.9 Front End Engineering and Design / Detailed Design 26-4
    26.1.10 Summary of Costs 26-5
  26.2 Gryphon 26-6
    26.2.1 Summary 26-6
    26.2.2 Field and Testwork 26-6
      26.2.2.1 Geology and Mineral Resources 26-6
      26.2.2.2 Metallurgical Testwork 26-7
      26.2.2.3 Mine Geotechnical 26-8
      26.2.2.4 Hydrogeological 26-9
    26.2.3 Environmental, Regulatory and Community Relations 26-9
    26.2.4 Feasibility Study 26-10
      26.2.4.1 Summary 26-10
      26.2.4.2 Mining 26-10
      26.2.4.3 Metallurgical Design and Implementation 26-11
    26.2.5 Summary of Costs 26-11
27.0 References 27-1

 

Project No.: 251208  
August 2023TOC xiii 

 

 

Wheeler River Project
Athabasca Basin, Saskatchewan
NI 43-101 Technical Report

 

Tables

 

Table 1-1: Key Phoenix Project Parameters and Outcomes 1-7
Table 1-2: Phoenix Mineral Resource Statement, Effective Date June 23, 2023 1-10
Table 1-3: Phoenix Mineral Reserve Statement, Effective Date June 23, 2023 1-11
Table 1-4: Extraction and Injection Wells by Phase 1-14
Table 1-5: Phoenix Process Plant Steady State Recovery 1-15
Table 1-6: Phoenix Life of Mine Recovery 1-15
Table 1-7: Phoenix Initial Capital Cost Estimate 1-20
Table 1-8: Phoenix Operating Costs 1-21
Table 1-9: Key Gryphon Project Parameters and Outcomes 1-26
Table 1-10: Gryphon Mineral Resource Statement, Effective Date August 7, 2018 1-29
Table 1-11: Gryphon Mineral Reserve Statement, Effective Date September 1, 2018 1-30
Table 1-12: Gryphon Initial Capital Cost Estimate 1-35
Table 1-13: Gryphon Operating Costs 1-36
Table 4-1: Land Tenure Details 4-2
Table 10-1: Wheeler River Property Drilling Statistics 10-1
Table 10-2: Phoenix Drilling Completed by Denison 10-3
Table 10-3: Gryphon Drilling Summary 10-10
Table 11-1: Quality Control Sample Allocations 11-22
Table 13-1: Summary of Samples for Column Test 1 to 4 13-9
Table 13-2: Summary of UBS Produced from Columns 1 to 4 13-10
Table 13-3: Summary of Moisture Between Sections 13-23
Table 13-4: Gryphon Deposit Grade Variability 13-45
Table 13-5: SRC – Gryphon Composite Sample Assay Results 13-46
Table 13-6: SRC – Gryphon Composite Mineralogy 13-46
Table 13-7: Gryphon Metallurgical Testwork Summary 13-47
Table 13-8: Gryphon Calcined Yellowcake Assay vs. Commercial Limits 13-52
Table 13-9: SRC – Results of Neutralized Gryphon Filtrate Samples with CNSC and SK Limits 13-53
Table 14-1: Drill Hole Database Summary 14-3
Table 14-2: Mineralized Domain Volume Summary 14-5
Table 14-3: Grade-Thickness Intervals Selected for Radiometric-Grade Correlation 14-7

 

Project No.: 251208  
August 2023TOC xiv 

 

 

Wheeler River Project
Athabasca Basin, Saskatchewan
NI 43-101 Technical Report

 

Table 14-4: Phoenix Deposit Drill Hole Raw Sample Interval Uranium Grade Data (%U3O8) Summary Statistics (length-weighted, by mineralized domain) 14-11
Table 14-5: Phoenix Deposit Drill Hole Composited (uncapped) Uranium Grade Data (%U3O8) Summary Statistics (by mineralized domain) 14-11
Table 14-6: Phoenix Deposit Grade Capping Thresholds and Capped Uranium Grade (%U3O8) Summary Statistics 14-12
Table 14-7: Phoenix Deposit Variogram Parameters (by mineralized domain) 14-12
Table 14-8: Phoenix Deposit Estimation Parameters 14-13
Table 14-9: Phoenix Mineral Resource Statement, Effective Date June 23, 2023 14-19
Table 14-10: Summary Comparison of the Current and Previous Phoenix Mineral Resource Estimate 14-22
Table 14-11: Vulcan Database Records used in Gryphon Mineral Resource Estimation 14-23
Table 14-12: Uranium Grade (%U3O8) Statistics of Gryphon Capped Assays by Domain 14-32
Table 14-13: Descriptive Statistics of Gryphon Deposit Composite Uranium Assay by Domain 14-33
Table 14-14: Statistics of Block Grades Compared to Composite Grades by Domain 14-39
Table 14-15: Gryphon Deposit Cut-off Grade Calculation 14-44
Table 14-16: Gryphon Mineral Resource Statement, Effective Date August 7, 2018 14-45
Table 14-17: Gryphon Indicated Grade versus Tonnage, Effective Date August 7, 2018 14-46
Table 15-1: Phoenix Mineral Reserves Statement, Effective Date June 23, 2023 15-2
Table 15-2: Percent Recovery of U3O8 by HGU and Phase 15-5
Table 15-3: Cut-off Grade Analysis 15-5
Table 15-4: Well Shut-off Grade Analysis 15-6
Table 15-5: Gryphon Mineral Reserve Statement, Effective Date September 1, 2018 15-7
Table 15-6: Gryphon Mineral Reserve Cut-off Grade Estimation 15-9
Table 15-7: Stope Design Parameters – Gryphon 15-10
Table 16-1: Hydraulic Conductivity Related Data Set from Phoenix and Regional Wells 16-2
Table 16-2: Extraction and Injection Wells by Phase 16-9
Table 16-3: ISR Wellfield Production Pumping Rates by Mining Phase 16-21
Table 16-4: Production Schedule 16-21
Table 16-5: Hydraulic Conductivity Related Data Set from Gryphon 16-23
Table 16-6: Estimated Mine Inflow Rates at Gryphon 16-24
Table 16-7: Rock Mass Classification Design Inputs 16-28
Table 16-8 Total Tonnes Hoisted per Year 16-37
Table 16-9: Mine Production Plan 16-39
Table 16-10: Waste Rock Broken, Backfill, and Ballast Quantities 16-42
Table 16-11: Backfill Required and Ratio of Waste Rock to Hydraulic Fill 16-42
Table 16-12: Ventilation Fan Power Requirements 16-45
Table 16-13: Mobile Equipment List 16-51
Table 17-1: Key Process Design Criteria 17-2
Table 17-2: Yellowcake Product Design Criteria 17-3
Table 17-3: Nominal ISR Wellfield Reagent Consumptions 17-16
Table 17-4: Nominal Process Plant and Effluent Treatment Reagent Consumptions 17-16
Table 17-5: Phoenix Process Plant Steady State Recovery 17-18

 

Project No.: 251208  
August 2023TOC xv 

 

 

Wheeler River Project
Athabasca Basin, Saskatchewan
NI 43-101 Technical Report

 

Table 17-6: Phoenix Life of Mine Recovery 17-18
Table 17-7: Mill Key Processing Criteria 17-24
Table 17-8: Gryphon Process Design Criteria 17-25
Table 18-1: Summary of Process Pads 18-4
Table 18-2: Summary of Process Ponds 18-7
Table 18-3: Emergency Related Electrical Power Load Summary 18-14
Table 18-4: Water Production Rates for Gryphon Site 18-16
Table 20-1: Phoenix Decommissioning and Reclamation Cost Estimate 20-23
Table 20-2: Gryphon Decommissioning Cost Estimate 20-26
Table 21-1: Currency Exchange Rates 21-1
Table 21-2: Initial Capital Cost Estimate for Phoenix 21-2
Table 21-3: Phoenix Mining Capital Cost Breakdown 21-3
Table 21-4: Phoenix In Situ Leach Process Plant Capital Cost Breakdown 21-4
Table 21-5: Phoenix Surface Facilities Capital Cost Breakdown 21-4
Table 21-6: Phoenix Utilities Capital Cost Breakdown 21-5
Table 21-7: Phoenix Electrical Capital Cost Breakdown 21-5
Table 21-8: Phoenix Civil and Earthworks Capital Cost Breakdown 21-6
Table 21-9 : Sustaining Capital Cost Schedule 21-8
Table 21-10: Phoenix Operating Costs 21-9
Table 21-11: Phoenix Mine Operating Costs 21-9
Table 21-12: Phoenix Process Operating Costs 21-10
Table 21-13: Transport to Converter Costs 21-10
Table 21-14: Phoenix Site Support and General and Administrative Operating Costs 21-11
Table 21-15: Initial Capital Cost Estimate for Gryphon 21-12
Table 21-16: Gryphon Shaft Works Capital Cost Breakdown 21-15
Table 21-17: Gryphon Surface Facilities Capital Cost Breakdown 21-16
Table 21-18: Gryphon Underground Capital Cost Breakdown 21-17
Table 21-19: Gryphon Underground Mobile Equipment Capital Cost Details 21-17
Table 21-20: Gryphon Utilities Capital Cost Breakdown 21-18
Table 21-21: McClean Lake Mill Upgrade Capital Cost Breakdown 21-19
Table 21-22: Sustaining Capital Cost Schedule 21-20
Table 21-23: Gryphon Operating Costs 21-21
Table 21-24: Gryphon Mine Operating Cost Details 21-22
Table 21-25: McClean Lake Mill Operating Cost Details 21-23
Table 21-26: Transport to Converter Costs 21-23
Table 21-27: General and Administrative Operating Cost Details 21-23
Table 22-1: Forecast Uranium Recoveries over the LOM 22-2
Table 22-2: Profit Royalty Expiry Provisions 22-5
Table 22-3: Profit Royalty and Opening Bank Balances for the Adjusted Profit Royalty Calculation 22-5
Table 22-4: Income Tax Allowances Rates 22-5
Table 22-5: Opening Balances for the Adjusted Canadian Income Tax 22-6
Table 22-6: Phoenix Summary of Economic Inputs 22-7
Table 22-7: Phoenix Summary of Economic Results 22-8

 

Project No.: 251208  
August 2023TOC xvi 

 

 

Wheeler River Project
Athabasca Basin, Saskatchewan
NI 43-101 Technical Report

 

Table 22-8: Phoenix Cash Flow Summary (100% Project Basis) Base Case 22-9
Table 22-9: Summary of PFS Reference Case Economic Results 22-11
Table 22-10: Summary of the Adjusted Base Case Scenario and the PFS Reference Case 22-12
Table 22-11: Difference in Forecasted Cash Taxes Paid Between the Base Case Basic and Adjusted After-Tax Scenarios 22-13
Table 22-12: Gryphon Summary of Economic Inputs 22-18
Table 22-13: Gryphon Summary of Economic Results 22-19
Table 22-14: Gryphon Cash Flow Summary (100% Project Basis) 22-19
Table 22-15: Summary of 2018 PFS Reference Case Economic Results 22-20
Table 25-1: Phoenix Mineral Reserves Statement, Effective Date June 23, 2023 25-5
Table 25-2: Summary of Phoenix Capital Costs 25-7
Table 25-3: Phoenix Operating Costs 25-7
Table 25-4: Phoenix Summary of Base Case Economic Results 25-7
Table 25-5: Gryphon Mineral Reserve Statement, Effective Date September 1, 2018 25-15
Table 25-6: Summary of Gryphon Capital Costs 25-17
Table 25-7: Gryphon Operating Costs 25-17
Table 25-8: Gryphon Summary of Base Case Economic Results 25-17
Table 26-1: Phoenix Summary of Costs for Recommended Work 26-6
Table 26-2: Summary of Costs for Recommended Work Program 26-12

 

Figures

 

Figure 1-1: Wheeler River Uranium Project Location Map 1-2
Figure 1-2: Phoenix Site Plan 1-17
Figure 1-3: Gryphon Production Profile 1-32
Figure 1-4: Gryphon Site Conceptual Layout 1-34
Figure 4-1: Wheeler River Property Location Map 4-2
Figure 4-2: Wheeler River Property Map 4-1
Figure 6-1: Wheeler River Property Historical Work Overview and Exploration Target Areas 6-3
Figure 7-1: Regional Geology and Uranium Deposits 7-2
Figure 7-2: Simplified Geological Map of Athabasca Basin 7-3
Figure 7-3: Wheeler River Property Basement Geology 7-6
Figure 7-4: Schematic Cross-section of Wheeler River Athabasca and Basement Rock Types and the Phoenix and Gryphon Deposits 7-7
Figure 7-5: 3D View of the Phoenix Mineralized Zones and the WS Shear (looking northeast) Projected onto the Basement Geology 7-10
Figure 7-6: Intense Clay Alteration Straddling the Unconformity in WR-535 7-11
Figure 7-7: Type Cross-section View of Zone a Low-grade and High-grade Mineralization with the Interpreted Basement Roots 7-12
Figure 7-8: Schematic Cross-section Illustrating Typical Unconformity-associated Alteration at the Phoenix Deposit 7-13
Figure 7-9: Examples of Rock Mass Friability Classification 7-15

 

Project No.: 251208  
August 2023TOC xvii 

 

 

Wheeler River Project
Athabasca Basin, Saskatchewan
NI 43-101 Technical Report

 

Figure 7-10: Core Photograph Examples of 0.5 m Intervals of RQD Categories in the Mineralized Zone 7-17
Figure 7-11: Cross-section View Showing the WS Shear, Hangingwall Fault, Basement Units and the Zone A Mineralized Zone 7-19
Figure 7-12: Example Core Photos of Each Hydrogeological Unit Defined at the Phoenix Deposit 7-21
Figure 7-13: Plan View of Hydrogeological Units at Phoenix along with the Planned Mining Phases and Location/Orientation of Type Cross-sections) 7-22
Figure 7-14: Type Cross-sections in Zone A Mining Phase Showing Hydrogeological Units and Drill Traces 7-23
Figure 7-15: Zone A Long Section Showing Hydrogeological Units and Mining Phases 7-23
Figure 7-16: Gryphon Representative Cross-section 7-25
Figure 7-17: 3D Isometric Longitudinal View of the Gryphon Deposit with Drill Hole Traces and %U3O8 Values 7-27
Figure 8-1: Schematic of Unconformity Type Uranium Deposit 8-3
Figure 8-2: Various Models for Unconformity Type Deposits of the Athabasca Basin 8-4
Figure 9-1: Ground Resistivity and IP Survey Coverage 9-2
Figure 9-2: Stepwise Moving Loop TDEM Coverage 9-3
Figure 9-3: Fixed Loop TDEM and Ground Gravity Coverage 9-4
Figure 9-4: Wheeler North Grid DC Resistivity Depth Slice (400 m) with Proposed Drill Targets in the Phoenix Zone 9-5
Figure 9-5: Wheeler North Grid L43+00N DC Resistivity Cross-section – Target A 9-6
Figure 9-6: Airborne Geophysical Survey Outlines 9-8
Figure 10-1: Phoenix Deposit Drill Hole Location Plan Map 10-5
Figure 10-2: Phoenix Deposit Mining Phases 1 to 5 Planview Map 10-6
Figure 10-3: Phoenix Zone A - Mining Phase 1 Planview Map 10-7
Figure 10-4: Phoenix Zone A - Mining Phase 2 Planview Map 10-8
Figure 10-5: Phoenix Zone A - Mining Phase 4 Planview Map 10-8
Figure 10-6: Assay, Probe grades, and Core Recovery Data from Drill Hole WR-376 (Zone A) 10-9
Figure 10-7: Gryphon Deposit Drill Hole Location Map 10-11
Figure 11-1: Phoenix Standard Control Chart – USTD1 (Low-Grade) 11-8
Figure 11-2: Phoenix Standard Control Chart – USTD2 (Low-Grade) 11-8
Figure 11-3: Phoenix Standard Control Chart – USTD3 (Medium-Grade) 11-9
Figure 11-4: Phoenix Standard Control Chart – USTD4 (High-Grade) 11-9
Figure 11-5: Phoenix Standard Control Chart – USTD5 (High-Grade) 11-10
Figure 11-6: Phoenix Standard Control Chart – USTD6 (High-Grade) 11-10
Figure 11-7: Gryphon Standard Control Chart – USTD1 (Low-Grade) 11-11
Figure 11-8: Gryphon Standard Control Chart – USTD2 (Low-Grade) 11-11
Figure 11-9: Gryphon Standard Control Chart – USTD3 (Medium-Grade) 11-12
Figure 11-10: Gryphon Standard Control Chart – USTD4 (Medium-Grade) 11-12
Figure 11-11: Gryphon Standard Control Chart – USTD5 (High-Grade) 11-13
Figure 11-12: Gryphon Standard Control Chart – USTD6 (High-Grade) 11-13
Figure 11-13: Phoenix Blank Material Control Chart 11-15
Figure 11-14: Gryphon Blank Material Control Chart 11-15

 

Project No.: 251208  
August 2023TOC xviii 

 

 

Wheeler River Project
Athabasca Basin, Saskatchewan
NI 43-101 Technical Report

 

Figure 11-15: Phoenix Field Duplicate Control Chart 11-17
Figure 11-16: Gryphon Field Duplicate Control Chart 11-17
Figure 11-17: Phoenix Standard Control Chart – BL4A (Low-Grade) 11-19
Figure 11-18: Phoenix Standard Control Chart – BL5 (High-Grade) 11-19
Figure 11-19: Phoenix SRC Geoanalytical Duplicate Analysis Control Chart 11-20
Figure 11-20: Gryphon Standard Control Chart – BL4A (Low-Grade) 11-20
Figure 11-21: Gryphon Standard Control Chart – BL5 (High-Grade) 11-21
Figure 11-22: Gryphon SRC Geoanalytical Duplicate Analysis Control Chart 11-21
Figure 11-23: Phoenix External Laboratory Check Analysis Control Chart 11-23
Figure 11-24: Gryphon External Laboratory Check Analysis Control Chart 11-23
Figure 11-25: K Values Obtained for Select Samples using the Denison P-decay Permeameter and Kyoto University’s P-decay Permeameter 11-26
Figure 11-26: Log K Values Obtained for Samples using a P-decay Permeameter and TEMCO Model MP-401 Steady-flow Gas Permeameter 11-27
Figure 11-27: K values for WR-666 MFd Reference Material obtained in 2021 and 2022 Permeameter Tests 11-28
Figure 12-1: WR-525 Uranium Grade Review 12-3
Figure 12-2: WR-273 Radiometric vs. Assay % U3O8 Values 12-4
Figure 12-3: WR-435 Radiometric vs. Assay % U3O8 Values 12-5
Figure 12-4: WR-548 Radiometric vs. Assay % U3O8 Values 12-5
Figure 12-5: GWR-044 Probe Data from Triple-Gamma Probes SN 3819 and SN 3821 12-6
Figure 12-6: GWR-059 Probe Data from Triple-Gamma Probes SN 3819 and SN 3820 12-7
Figure 12-7: WR-560 Radiometric vs. Assay % U3O8 Values (Gryphon) 12-10
Figure 12-8: WR-573D1 Radiometric vs. Assay % U3O8 Values (Gryphon) 12-11
Figure 12-9: WR-582 Radiometric vs. Assay % U3O8 Values (Gryphon) 12-11
Figure 12-10: WR-584B Radiometric vs. Assay % U3O8 Values (Gryphon) 12-12
Figure 13-1: HGU 2a:  GWR-022, 404.40 to 405.90 m – Soft, Friable, Altered Grey Clay, Pockets of Uranium Mineralization Disseminated 13-4
Figure 13-2: HGU 2b:  Column Leach Test Composite.  Moderately Friable, Black with Red Redox Fronts 13-4
Figure 13-3: HGU 2c:  GWR-016, 405.50 to 407.00 m – Rubble, Friable, Red Redox Fronts, Yellow and Grey Pockets 13-5
Figure 13-4: HGU 2d:  Column Leach Test Composite. Prior to Crushing and Screening.  Dense, Moderately Friable, Hematite Cement 13-5
Figure 13-5: HGU 2e:  GWR-024, 407.50 to 407.70 m – Lower Clay Zone Moderately Friable, Altered Grey Clay, Some Hematite 13-6
Figure 13-6: Drill Hole Locations of Samples used for Metallurgical Testing 13-7
Figure 13-7: Metallurgical Hole Locations for 2022 Column Leach Testing 13-12
Figure 13-8: Remediation Column Tests - Grade vs. Column PVs by HGU 13-13
Figure 13-9: Groundwater Flush, Day 1 13-14
Figure 13-10: Ramp up – Day 16 13-14
Figure 13-11: Day 21 13-14
Figure 13-12: Day 65 13-15

 

Project No.: 251208  
August 2023TOC xix 

 

 

Wheeler River Project
Athabasca Basin, Saskatchewan
NI 43-101 Technical Report

 

Figure 13-13: Jar Test 1 at 24, 504, and 1,138 Hours 13-17
Figure 13-14: Schematic of the CTM 13-18
Figure 13-15: Coreflood 4 Feed Sample Side View, Prior to Placement in Coreflood Machine 13-20
Figure 13-16: Coreflood 4 Cut Sections and Direction of Flow 13-21
Figure 13-17: Coreflood 4 Feed Side Puck (Section 4), Inlet Face View 13-22
Figure 13-18: Coreflood 4 Middle (Section 2), Centre Longitudinal Cut Face View 13-22
Figure 13-19: Coreflood 4 Discharge End Puck (Section 1), Inlet Face View, Dried 13-23
Figure 13-20: Coreflood Tests Comparison 13-25
Figure 13-21: Recovered Solution Samples Collected Near End of Acid Injection Phase 13-27
Figure 13-22: Leach Recovery Best Fit Curve 13-29
Figure 13-23: SRC – 2017 Gryphon Leaching Results – Uranium Recovery vs Time 13-49
Figure 13-24: SEPA – Leaching Testwork – Gryphon Low-Grade Hydrogen Evolution 13-50
Figure 14-1: Phoenix Deposit Mineralized Domains 14-2
Figure 14-2: Phoenix Deposit Geological Model 14-4
Figure 14-3: WR-273 - Comparison of Core Recovery, Assay Results and Raw Gamma Profiles 14-6
Figure 14-4: WR-287 - Comparison of Core Recovery, Assay Results and Raw Gamma Profiles 14-6
Figure 14-5: Radiometric-Grade Correlation for the Phoenix Deposit 14-8
Figure 14-6: Dry Bulk Density Comparison between Wax and Wet/Dry Methods 14-9
Figure 14-7: Dry Density – Uranium Grade Correlation for the Phoenix Deposit 14-10
Figure 14-8: Cross-section Comparison of Interpolated U3O8 Grades vs. U3O8 Composites in ZoneA of the Phoenix Deposit (looking Northeast) 14-14
Figure 14-9: Cross-section Comparison of Interpolated U3O8 Grades vs. U3O8 Composites in Zone B of the Phoenix Deposit (looking northeast) 14-15
Figure 14-10: Global Average Grade (%U3O8, not density-weighted) Comparison between OK and NN Estimated Grades by Mineralized Domain 14-16
Figure 14-11: Phoenix Deposit – ZoneA_HG Swath Plot Comparison of U3O8 (%) Grade for OK, ID2 and NN Block Model Estimates 14-17
Figure 14-12: Grade-Tonnage Curve for the Phoenix Deposit (Total M&I Mineral Resource) 14-20
Figure 14-13: Grade-Metal Content Curve for the Phoenix Deposit (Total M&I Mineral Resource) 14-21
Figure 14-14: Gryphon Deposit Geologic Cross-section Schematic of Mineralization (looking northeast) 14-25
Figure 14-15: Gryphon Deposit Wireframes at Drill Index Line 5000 Cross-section (looking northeast) 14-26
Figure 14-16: Calibration Curve for Geiger-Mueller SN 3818 Probe 14-28
Figure 14-17: Dry Bulk Density – Uranium Grade Correlation for the Gryphon Deposit 14-29
Figure 14-18: Zone A1-HG Log Normal Probability and Histogram Plot 14-31
Figure 14-19: Gryphon Deposit Block Model Latitudinal Section (looking northeast – 30 m window) 14-36
Figure 14-20: Gryphon Deposit Block Model Longitudinal Section (looking northwest – 30 m window) 14-37
Figure 14-21: Gryphon Deposit Block Model (looking northwest) 14-38
Figure 14-22: Gryphon Deposit Easting Swath Plots Comparing OK with NN and ID2 Estimates 14-41
Figure 14-23: Gryphon Deposit Northing Swath Plots Comparing OK with NN and ID2 Estimates 14-42
Figure 14-24: Gryphon Deposit Vertical Swath Plots Comparing OK with NN and ID2 Estimates 14-43

 

Project No.: 251208  
August 2023TOC xx 

 

 

Wheeler River Project
Athabasca Basin, Saskatchewan
NI 43-101 Technical Report

 

Figure 14-25: Gryphon Deposit Indicated Grade vs. Tonnage Plot 14-46
Figure 14-26: Gryphon Deposit Indicated Grade vs. Contained Metal (Indicated) 14-47
Figure 15-1: Phoenix Grade x Thickness 15-6
Figure 16-1: Open Hole Groundwater Levels Compared to Regional Lakes 16-3
Figure 16-2: Effect of Acid Leach on Permeability 16-6
Figure 16-3: Proposed ISR Wellfield Layout for Mining Phase 1 16-11
Figure 16-4: Proposed ISR Wellfield Layout for Mining Phase 2 16-12
Figure 16-5: Proposed ISR Wellfield Layout for Mining Phase 3 16-13
Figure 16-6: Proposed ISR Wellfield Layout for Mining Phase 4 16-14
Figure 16-7: Proposed ISR Wellfield Layout for Mining Phase 5 16-15
Figure 16-8: Freeze Pipes and Freeze Wall Monitoring Pipes 16-16
Figure 16-9: Plan of Cross-cutting Fault Zones 16-26
Figure 16-10: Empirical Ground Support Recommendations 16-30
Figure 16-11: Isometric View – Gryphon 3D Mine Model – Looking North 16-34
Figure 16-12: 500 Level and Related Infrastructure 16-36
Figure 16-13: Typical Production Level 16-40
Figure 16-14: Full Production Ventilation Schematic 16-44
Figure 16-15: Dewatering Schematic 16-46
Figure 17-1: Phoenix Simplified Flowsheet 17-4
Figure 17-2: Mill Process Overview 17-20
Figure 18-1: Phoenix Site Layout 18-2
Figure 18-2: Gryphon Site Layout 18-10
Figure 20-1: Key Post-Environmental Impact Statement Project Licences and Approvals for the Provincial and Federal Governments 20-12
Figure 22-1: Phoenix Sensitivity of After-Tax NPV Discounted at 8% - Base Case 22-14
Figure 22-2: Phoenix Sensitivity of After-Tax IRR - Base Case 22-15
Figure 22-3: Gryphon Sensitivity of After-Tax NPV Discounted at 8% 22-21
Figure 22-4: Gryphon Sensitivity of After-Tax IRR 22-21
Figure 26-1: 2018 Planned Gryphon Expansion Drilling Locations 26-7

 

Project No.: 251208  
August 2023TOC xxi 

 

 

Wheeler River Project
Athabasca Basin, Saskatchewan
NI 43-101 Technical Report

 

1.0Summary

 

1.1Introduction

 

Wood Canada Limited (Wood), WSP USA Environment and Infrastructure Inc. (WSP), SRK Consulting (Canada) Inc. (SRK), Newmans Geotechnique Inc. (Newmans), Ecometrix Incorporated (Ecometrix), SLR International Corporation (SLR), Engcomp Engineering and Computing Professionals Inc. (Engcomp), Stantec Consulting Ltd. (Stantec), CanCost Consulting Inc. (CanCost) and Hatch Ltd. (Hatch) were retained by Denison Mines Corp. (DMC) to prepare a technical report (Report) under National Instrument 43-101 Standards of Disclosure for Mineral Projects (NI 43-101) for the Wheeler River Project (Project) disclosing the results of a current feasibility study (FS) of the Phoenix deposit (Phoenix Project) and a cost and economic analysis update to the 2018 pre-feasibility study (PFS) of the Gryphon deposit (Gryphon Project).

 

The Project is a greenfield site located in the eastern Athabasca Basin approximately 600 km north of Saskatoon, 260 km north of La Ronge and 100 km southwest of Points North landing in northern Saskatchewan (Figure 1-1). The centre of the property is located approximately 35 km northeast of the Key Lake mill and 35 km southwest of the McArthur River mine along Provincial Highway 914.

 

1.2Terms of Reference

 

The Report was prepared to support the disclosure in the news release dated June 26, 2023 entitled “Denison Reports Significant Increase in Economic Results for Wheeler River”.

 

Mineral resource and mineral reserve estimates were prepared in accordance with the Canadian Institute of Mining, Metallurgy and Petroleum (CIM) Estimation of Mineral Resources and Mineral Reserves Best Practice Guidelines (CIM, 2019) and reported in accordance with the CIM Definition Standards for Mineral Resources and Mineral Reserves (CIM Definition Standards, 2014).

 

All units of measure in this Report are metric, unless otherwise stated.

 

All amounts are in Canadian dollars (CA$) unless otherwise stated.

 

Project No.: 251208Summary 
August 2023Page 1-1 

 

 

Wheeler River Project
Athabasca Basin, Saskatchewan
NI 43-101 Technical Report

 

Figure 1-1: Wheeler River Uranium Project Location Map

 

 

 

(Source: Denison, 2022)

 

Project No.: 251208Summary 
August 2023Page 1-2 

 

 

Wheeler River Project
Athabasca Basin, Saskatchewan
NI 43-101 Technical Report

 

1.3Mineral Tenure, Surface Rights and Royalties

 

A total of 19 contiguous mineral claims covering 11,720 ha (Property) is held as a joint venture among DMC, Denison Mines Inc. (DMI) and JCU (Canada) Exploration Company, Limited (JCU), otherwise known as the Wheeler River Joint Venture (WRJV). DMC and DMI (together, Denison) have an aggregate ownership in the joint venture of 90%, whereas JCU owns 10%. Denison also owns 50% of JCU and has been the operator of the Property since November 2004.

 

Mineral rights in Saskatchewan are owned by the Crown and are distinct from surface rights. A Saskatchewan mineral claim in good standing can be converted to a lease (Crown Lease) upon application. The right to use and occupy lands is acquired under a surface lease from the Province of Saskatchewan.

 

The Property is subject to royalties on mineral sales and profits levied by the Province of Saskatchewan and a private 10% net profit interest (NPI).

 

1.4History

 

In 2004 Denison entered into an agreement with the Wheeler River Joint Venture (WRJV) parties to earn a majority 60% interest and become operator of the joint venture (JV). Denison currently has an effective 95% ownership interest in the Project (90% directly and 5% indirectly through its 50% ownership in JCU).

 

Excluding the years 1990 to 1994, exploration activities comprising airborne and ground geophysical surveys, geochemical surveys, prospecting, and diamond drilling have continuously been carried out on the Property from 1978 to present.

 

1.5Geology and Mineralization

 

The Property is located near the southeastern margin of the Athabasca Basin in the southwest part of the Churchill Structural Province of the Canadian Shield. The Athabasca Basin is a broad, closed, and elliptically shaped cratonic basin with an area of 425 km east-west by 225 km north-south. The bedrock geology of the Athabasca basin area consists of Archean and Paleoproterozoic gneisses unconformably overlain by up to 1,500 m of flat-lying unmetamorphosed sandstones and conglomerates of the mid-Proterozoic Athabasca Group.

 

Project No.: 251208Summary 
August 2023Page 1-3 

 

 

Wheeler River Project
Athabasca Basin, Saskatchewan
NI 43-101 Technical Report

 

The Property is located near the transition zone between two prominent litho-structural domains within the Precambrian basement, namely the Mudjatik Domain to the west and the Wollaston Domain to the east. The Mudjatik Domain is characterized by elliptical domes of Archean granitoid orthogenesis separated by keels of metavolcanic and metasedimentary rocks. The Wollaston Domain is characterized by tight to isoclinal, northeasterly trending, doubly plunging folds developed in Paleoproterozoic metasedimentary rocks of the Wollaston Supergroup, which overlie Archean granitoid orthogenesis identical to those of the Mudjatik Domain. The area is cut by a major northeast-striking fault system of Hudsonian Age. The faults occur predominantly in the basement rocks but often extend up into the Athabasca Group due to several periods of post-depositional movement.

 

Local geology is very much consistent with the regional geology.

 

The Phoenix uranium deposit was discovered in 2008 and can be classified as an unconformity-associated deposit of the unconformity-hosted variety. The deposit straddles the sub-Athabasca unconformity approximately 400 m below surface and comprises three zones (A, B, C and D) which cover a strike length of about 1.1 km. No mineral resources have been estimated for either Zone C or Zone D.

 

The Phoenix deposit is interpreted to be structurally controlled by the WS Shear, a prominent basement thrust fault which occurs footwall to a graphitic-pelite and hanging wall to a garnetiferous pelite and quartzite unit. A minor amount of basement, fracture-hosted mineralization occurs within local dilation zones near both ends of the deposit associated with the interpreted cross faults. The mineralization within the Phoenix deposit is dominated by massive to semi-massive uraninite associated with an alteration assemblage comprising hematite, dravitic tourmaline, illite and chlorite. Secondary uranium minerals, including uranophane and sulphides, are trace in quantity. Average nickel, cobalt, and arsenic concentrations are at the low end of the range found in other uranium deposits in the Athabasca basin.

 

The Gryphon deposit was discovered in 2014 and can be classified as an unconformity-related deposit of the basement-hosted variety. The deposit occurs within southeasterly dipping crystalline basement rocks of the Wollaston Supergroup below the regional sub-Athabasca Basin unconformity. The deposit is located from 520 to 850 m below surface, has an overall strike length of 610 m and dip length of 390 m, and varies in thickness between 2 and 70 m, depending on the number of mineralized lenses present. A series of 24 stacked lenses referred to as the A, B, C, D and E-series are controlled by reverse fault structures, which are largely conformable to the basement stratigraphy and dominant foliation. Mineralization within the Gryphon deposit lenses is dominated by massive, semi-massive, or fracture-hosted uraninite associated with an alteration assemblage comprising hematite, dravitic tourmaline, illite, chlorite, and kaolinite. Secondary uranium minerals (including uranophane and carnotite) and sulphides are trace in quantity.

 

Project No.: 251208Summary 
August 2023Page 1-4 

 

 

Wheeler River Project
Athabasca Basin, Saskatchewan
NI 43-101 Technical Report

 

1.6Exploration, Drilling and Sampling

 

Since 2004, Denison has completed ground geophysical surveys over the Property including the surveys that identified the drilling target that led to the discovery of the Phoenix deposit in 2008. In 2004, an airborne survey GEOTEM electromagnetic (EM) and magnetic survey collected data covering the entire Property while a FALCON airborne gravity gradiometer survey in 2005 targeted the unconformity uranium mineralization. A helicopter-borne versatile time-domain electromagnetic (VTEM) magnetic-radiometric survey was conducted over the Property in 2013 in attempt to remove noise in the interpretation of a previous survey.

 

A total of 1,026 diamond drill holes and 84 reverse circulation (RC) holes totalling 491,158 m have been drilled on the Property since 1979. Drill campaigns before Denison became the operator of the WRJV comprise 166 diamond drill holes and all RC drilling totalling 68,462 m.

 

Drill core handling, logging and sampling procedures conducted by Denison is consistent for both Phoenix and Gryphon drill holes. Core is logged at the onsite Denison Wheeler River camp for lithology, structure, alteration, mineralization, geotechnical characteristics, surveyed with a hand-held scintillometer for radioactivity and marked for sampling. The sampling of the holes for assay is guided by the observed geology, radiometric logs, and readings from a hand-held scintillometer. All cored sections through mineralized intervals are submitted for geochemical analysis through mineralized intervals, where core recovery permits. Any core registering over 500 counts per second (cps) with the scintillometer is split using a hand splitter. Holes prior to 2008 were sampled using variable intervals (0.2 to 1.0 m) and 0.5 m post-2008. Barren samples at least 0.5 m in length are taken to flank both ends of mineralized intersections.

 

Drill hole collars are surveyed by differential base station global positioning system (GPS) using the NAD83 UTM zone 13N reference datum. Down-hole surveys were completed with a Reflex instrument in single point mode measuring dip and azimuth at 50 m intervals.

 

Denison has routinely used Saskatchewan Research Council (SRC) Geoanalytical Laboratories (SRC Geoanalytical) in Saskatoon, Saskatchewan for their geochemical analyses for the Project. Check assays were sent to SRC’s Delayed Neutron Counting laboratory (SRC DNC). SRC Geoanalytical’s management system operates in accordance with ISO/IEC 17025:2017 (CAN-P-4E). General requirements for the Competence of Mineral Testing and Calibration Laboratories, is compliant with CAN-P-1579 Guidelines for Mineral Analysis Testing Laboratories and is also accredited ISO/IEC 17025:2005 for the analysis of U3O8. SRC DNC follows ISO/IES17025:2017. All laboratories are independent of Denison.

 

Project No.: 251208Summary 
August 2023Page 1-5 

 

 

Wheeler River Project
Athabasca Basin, Saskatchewan
NI 43-101 Technical Report

 

Prior to 2009, all assay core samples were analyzed by the ICP1 package offered by SRC Geoanalytical. In 2009 the method was changed to ICP-MS1 in favour of a lower detection limit. Bulk density measurements were primarily determined using the water submersion/ displacement method after being coated in wax.

 

Denison’s quality assurance (QA) and quality control (QC) program includes standards, field duplicates and blanks which are routinely inserted into the sample stream to monitor analytical accuracy, precision, and contamination. Additionally, check assays were submitted to an external laboratory (SRC DNC) to independently monitor laboratory performance.

 

Denison has performed onsite permeameter analyses since 2019 using a portable gas probe permeameter where the permeability of the rock matrix is measured from the pressure decay rate of nitrogen gas. Prior to 2021, QAQC checks were performed by the University of Kyoto, Japan using a pressure decay permeameter and a TEMCO model MP-401 steady-flow gas permeameter. Results were consistent between the datasets. Samples were also sent to SNC Lavalin Geoscience and Materials laboratory (SNC laboratory) in Saskatoon for permeability analysis using water, the results of which were within one order of magnitude of pressure decay tests.

 

All laboratories are independent of Denison.

 

Since 2021, Denison has introduced QA tests before every set of permeameter tests based on the laboratory tests performed on previous years. A blank metal plate is measured as a leak check, and two reference materials are measured to ensure accuracy. The probe’s lower permeability detection limit is 10 -13 m/s.

 

Project No.: 251208Summary 
August 2023Page 1-6 

 

 

Wheeler River Project
Athabasca Basin, Saskatchewan
NI 43-101 Technical Report

 

1.7Phoenix

 

1.7.1Key Project Outcomes

 

Key Phoenix project outcomes are presented in Table 1-1.

 

Table 1-1: Key Phoenix Project Parameters and Outcomes

 

Parameter Unit Value
Production    
Mine life years 10
Average mining recovery % 80.6
Uranium feed grade g/L 22.5
Wellfield flow rate m3/h 22.5
Processing    
Uranium feed content Mlb U3O8 56.7
Uranium recovered at Phoenix process plant Mlb U3O8 54.7
Uranium recovered PPS reprocessing Mlb U3O8 1.5
Total uranium recovered Mlb U3O8 56.2
Capital Cost    
Initial capital $M 419.4
Sustaining capital $M 234.1
Total Capital Cost1 $M 653.5
Closure cost $M 88.8
Operating Cost    
Wellfield and freeze plant $/lb product 0.79
Processing $/lb product 5.25
General and administrative $/lb product 2.23
Transport to converter $/lb product 0.24
Total Operating Cost $/lb product 8.51
Taxes and Royalties – LOM    
Saskatchewan resource surcharge $M 156.6
Saskatchewan (net) basic royalty $M 221.9
Saskatchewan profit royalty $M 562.9
Federal and provincial income tax $M 821.2
Total Taxes and Royalties $M 1,762.5
Financial (After-tax)    
Discount rate % 8.0
NPV $B 1.43
IRR % 82.3
Payback period months 11

 

Note: Figures may not sum due to rounding.

PPS = process precipitate solids; FID = final investment decision; LOM = life of mine;

Product is U3O8 equivalent.

(1) Total capital costs excludes $67.4 million in pre-commitment costs

 

Project No.: 251208Summary 
August 2023Page 1-7 

 

 

Wheeler River Project
Athabasca Basin, Saskatchewan
NI 43-101 Technical Report

 

1.7.2Drilling and Data Verification

 

Since 2008, 315 drill holes totalling 145,982 m have delineated the Phoenix deposit primarily with NQ and HQ sized core. The overall core recovery is generally 80%. Where core recovery is less than 80% and no geochemical sampling has occurred, radiometric equivalent U3O8 (eU3O8) grades are used.

 

In verifying the geological information used to support mineral resource estimation of the Phoenix deposit, Mr. Revering of SRK visited the site, verified assay certificates against the data assay table, performed standard database validation tests, reviewed database audit reports, checked the digital probe database used for resource estimation against the original assay data and reviewed the QAQC methods and results.

 

In verifying the hydrogeological information used for groundwater modelling in support of the FS, Mr. Johnson reviewed all hydraulic parameter and permeameter data, tracer testing results, feasibility field test (FFT) data, previous groundwater models, and evaluated the hydraulic tomography and well enhancement studies.

 

In verifying the metallurgical information used to support the FS, Mr. Schwartz reviewed the composite samples that were selected for metallurgical testing and the metallurgical test results.

 

1.7.3Metallurgical Testwork

 

Test programs included various forms of leaching tests, process plant circuit tests, and effluent and solid waste streams treatment steps conducted before and during the FS.

 

The following leaching testwork has been conducted on the Phoenix deposit. The results indicate the ability to leach uranium using in situ techniques, allow a representative recovery curve to be assembled, and indicate geochemistry requirements for subsurface remediation.

 

·Grinding, leaching and conventional downstream milling tests in 2014 conducted by (SRC), Saskatoon, Saskatchewan

 

·Batch leach tests and bottle roll/agitation leach tests in 2017 conducted by Inter-Mountain Laboratories Inc. (IML) with alkaline and acidic based lixiviants

 

·Leach temperature tests on crushed core in 2020 conducted by SRC

 

·Column leach tests on blended crushed core in 2021 conducted by SRC

 

·Column leach and remediation tests on crushed and screened core from individual hydrogeologic units (variability) conducted by SRC in 2022

 

·Static uranium ore dissolution (jar) test on intact core in 2018 conducted by SRC

 

·Coreflood tests on intact core in 2018 to 2022 conducted by SRC

 

·Feasibility field test (FFT) leaching and remediation in 2022 conducted by Denison.

 

Project No.: 251208Summary 
August 2023Page 1-8 

 

 

Wheeler River Project
Athabasca Basin, Saskatchewan
NI 43-101 Technical Report

 

The following process plant testwork has been conducted on the Phoenix deposit. The results informed the criteria and design of the process plant with in situ feed solution. Specific attention to environmental requirements for waste streams and to end-product quality.

 

·Four batch testing campaigns of the following circuits: stage 1 (Fe/Ra) precipitation (using NaOH and lime), stage 2 yellowcake (YC)) precipitation, YC drying/calcining, and two stages of effluent treatment. Conducted in 2021 to 2022 by SRC.

 

·Five zero valent iron (ZVI) tests using fixed bed columns, for selenium removal as option for third statge of the effluent treatment. Conducted in 2022 by SRC.

 

·Vendor tests as option for third statge of the effluent treatment for selenium removal from treated effluent, using third-party proprietary ion exchange and electroreduction (IX/ER) technology. Conducted in 2022.

 

1.7.4Mineral Resource Estimate

 

The mineral resource statement for the Phoenix deposit is presented in Table 1-2, assuming in situ recovery (ISR) extraction, and is reported in accordance with the CIM Definition Standards (CIM, 2014).

 

Due to the high-grade nature of the Phoenix deposit, additional infill drilling related to installation of an ISR well field will provide further definition of the high-grade uranium mineralization within the deposit footprint, leading to possible changes in the estimated uranium content. However, Mr. Revering is of the opinion that, given the current drill density within the deposit, possible changes to the estimated uranium content would not be material based on the current geological understanding of the deposit.

 

Mr. Revering is not aware of any environmental, permitting, legal, title, taxation, socio-economic, marketing, political, or other relevant factors that could materially affect the Mineral Resource estimate, other than what is described in this Report.

 

Project No.: 251208Summary 
August 2023Page 1-9 

 

 

 

Wheeler River Project
Athabasca Basin, Saskatchewan
NI 43-101 Technical Report

 

Table 1-2: Phoenix Mineral Resource Statement, Effective Date June 23, 2023

 

Confidence Category Domain Volume
(km³)
Density
(g/cm³)
Tonnes
(kt)
Average
Grade
(%U3O8)
Contained U3O8
(Mlb)
Measured ZoneA_HG 6.7 3.84 25.9 50.7 28.9
ZoneA_LG 16.5 2.33 38.3 2.3 2.0
Total 23.2 2.77 64.2 21.8 30.9
Indicated ZoneA_HG 8.8 3.37 29.6 42.0 27.4
ZoneA_LG 57.9 2.33 134.8 2.0 5.8
ZoneB_HG 4.3 2.66 11.5 22.3 5.7
ZoneB_LG 17.1 2.34 40.1 0.9 0.8
Total 88.1 2.45 216.0 8.3 39.7
Total Measured and Indicated   111.3 2.52 280.2 11.4 70.5
Inferred ZoneA_Bsmt 2.4 2.34 5.6 2.6 0.3

 

Note: (1) The effective date of the mineral resource is June 23, 2023. The QP for the estimate is Mr. Cliff Revering, P.Eng., an employee of SRK.
  (2) Mineral resources are reported in accordance with CIM Definition Standards (CIM, 2014) and prepared in accordance with the CIM Estimation of Mineral Resources and Mineral Reserves Best Practice Guidelines (CIM, 2019).
  (3) Mineral resources are reported at a cut-off grade of 0.1% U3O8.
  (4) Mineral resources are reported using a uranium price of US$55/lb U3O8 and total combined mining, processing and G&A operating costs of US$5.85/lb U3O8.
  (5) All figures have been rounded to reflect the relative accuracy of the estimate and may not sum due to rounding.

 

1.7.5Mineral Reserve Estimate

 

The aggregate mine feed to the plant has been estimated to contain 56.7 Mlb U3O8. This represents 80.6% recovery of the measured and indicated mineral resource available for in situ recovery and is the mineral reserve estimate determined from this study.

 

The FS analysed the varying recovery rates amongst hydrogeological units (HGUs) and was a significant step in the definition of ISR efficacy for this deposit. Recovery varies based on the permeability and geochemistry of the HGUs and their interaction with adjoining units. To characterize the behaviour of ISR, a hydraulic tomography model was developed to estimate permeabilities in three dimensions throughout the deposit. These values were used in a hydrogeologic simulation to calculate in situ flows between injection and recovery wells through the HGUs. The resulting flow field was input to a geochemical model to simulate recovery per well, per HGU. This recovery result was used to revise the well layout and individual flows in the hydrogeologic model. Several iterations of this modelling system were run to realize the optimized result.

 

Project No.: 251208Summary
August 2023Page 1-10

 

 

Wheeler River Project
Athabasca Basin, Saskatchewan
NI 43-101 Technical Report

 

The recovery curve used as a basis for the geochemical model was obtained empirically from metallurgical testing described in Section 1.7.3.

 

In determining the conversion of mineral resources to mineral reserves for the application of the novel ISR mining method of a heterogeneous unconformity style deposit several modifying factors were considered. These include, but were not restricted to, mining, processing, metallurgical, infrastructure, economic, marketing, legal, environmental, social, and government factors. While a significant portion of the Phoenix deposit mineral resource is classified as measured, demonstrating the highest degree of confidence in relation to geologic parameters, the cumulative assessment of all modifying factors supports the classification of probable mineral reserves for a large portion of the deposit, with a requirement of higher confidence in the modifying factors achieved through operating experience. The proven mineral reserve quantity shown in Table 1-3 is based on results obtained during the feasibility field test (FFT) in 2022. The QP considers this significant report as clear proof of ISR efficiency. The FFT performed as expected but was limited in scope for practical reasons.

 

  Table 1-3: Phoenix Mineral Reserve Statement, Effective Date June 23, 2023

 

Confidence Category Tonnes
(kt)
Grade
(% U3O8)
Recoverable U3O8
(Mlb)
Proven    
Phase 1 6.3 24.5 3.4
Subtotal Proven 6.3 24.5 3.4
Probable      
Phase 1 41.3 20.2 18.4
Phase 2 45.2 13.8 13.7
Phase 3 20.3 11.0 4.9
Phase 4 68.9 7.2 10.9
Phase 5 37.0 6.6 5.4
Subtotal Probable 212.7 1.4 53.3
Total Proven and Probable 219.0 11.7 56.7

 

  Note: (1) The effective date of the mineral reserve estimate is June 23, 2023. The QP for the estimate is Mr. Dan Johnson, P.E., an employee of WSP.
    (2) Mineral reserves are estimated at a cut-off grade of 0.5% U3O8 based on the ISR mining method, using a long-term uranium price of US$50/lb U3O8 and a CA$/US$ exchange rate of 1.33. The mineral reserves are based on a mine operating cost of $0.78/lb U3O8, process operating cost of $5.20/lb U3O8, and process recovery of 99%.
    (3) A mine recovery of 80.6% has been applied to convert the mineral resources to mineral reserves. Recoverable U3O8 refers to ISR recoverable and does not account for process losses.

 

Project No.: 251208Summary
August 2023Page 1-11

 

 

Wheeler River Project
Athabasca Basin, Saskatchewan
NI 43-101 Technical Report

 

1.7.6Mining Methods

 

The uranium ISR process involves the dissolution of uranium compounds from the mineralized host sands at low pH ranges using acidic solutions. The acidic solution will dissolve and mobilize the uranium, allowing the dissolved uranium to be pumped to the surface. The uranium bearing solution (UBS) will be transferred to the nearby process plant for uranium precipitation, drying, and packaging.

 

The Phoenix deposit is amenable to the ISR of uranium with the introduction of an acidic solution. ISR is defined as the extraction of a mineral from the host rock by chemical solutions and the recovery of that mineral at the surface. ISR extraction is conducted by injecting a suitable leach solution (acidic solution) into the mineralized zone below the water table; oxidizing, complexing, and mobilizing the uranium; recovering the pregnant solution using pumping wells; and, finally, pumping the mineral bearing solution to the surface for processing (International Atomic Energy Agency, 2001).

 

Containment of the solution is a requirement in ISR operations to ensure recovery of the uranium and to minimize regional groundwater infiltration into the mineralized zone and associated dilution of the mining solution. As a result, artificial ground freezing around the perimeter of the mineralized zone ISR pad will be implemented creating a vertical hydraulic barrier between the ISR zone and the external natural hydrogeology. The freeze wall will be established by drilling a series of vertical cased holes from surface and across the deposit, and keying them into the basement rock. Circulation of a low temperature brine solution in the holes will remove heat from the ground, freezing the natural groundwater, and establishing an impermeable frozen wall encapsulating the deposit.

 

1.7.7Hydrogeological

 

Categorization of HGUs at the Phoenix deposit was initially undertaken from drill core logging during the 2019 well drilling campaign and then revisited for re-logging in 2020 and 2021 to further categorize the extents and distribution of the distinctively identifiable nine HGUs. The purpose of mapping of these HGUs was to understand the distribution of permeability and porosity of the different lithologies (and related hydraulic properties such as hydraulic conductivity and storativity). This effort assisted with planning and interpreting testwork and preparing an appropriate approach for efficient ISR mining.

 

Understanding the HGUs for ISR mining is critical as the fluid flow and sweep efficiency will be controlled by these lithologic units and not necessarily by the defined mineralized zones.

 

Project No.: 251208Summary
August 2023Page 1-12

 

 

Wheeler River Project
Athabasca Basin, Saskatchewan
NI 43-101 Technical Report

 

Structural data such as rock quality designation (RQD), major fault structures, and fracture frequency counts are critical to complement the HGUs, as the structural characteristics will control any secondary permeability due to fracture flow. The characteristics of each HGU are similar across the Phoenix deposit and are independent of the mining phase. While a significant amount of effort was expended to map these HGUs it should be noted that there is still significant hydrogeological variation within these HGUs.

 

1.7.8Wellfield

 

The simulated ISR wellfield was developed by applying alternating generalized 5-spot injection/extraction well patterns across mining Phases 1 through 5 within the footprint of the mineralized zone. Well placement and spacing were designed to take advantage of, wherever possible, pre-existing exploration boreholes that could be re-entered and used as injection well locations, to maximize use of existing site infrastructure in the wellfield design. After considering the existing exploration boreholes, wells were generally placed in a 5-spot pattern with a central extraction or pumping well surrounded by four or more injection wells.

 

Potential extraction well locations were selected to achieve a roughly 10-m spacing between injection wells to the neighbouring extraction well given the pre-defined locations of the exploration boreholes and existing site infrastructure. This spacing was based on modelling work carried out by Petrotek (2021) and the results of the 2022 FFT to achieve adequate uranium recovery.

 

Based on this design criteria, the initial ISR wellfield design across all phases was simulated in the FEFLOW groundwater flow model, run in steady state mode. Steady state is considered reasonable as testing to date has indicated that groundwater levels stabilize quickly after pumping begins. The estimated number of wells by phase are detailed in Table 1-4.

 

Project No.: 251208Summary
August 2023Page 1-13

 

 

Wheeler River Project
Athabasca Basin, Saskatchewan
NI 43-101 Technical Report

 

Table 1-4: Extraction and Injection Wells by Phase

 

Mining
Phase
Extraction Wells   Injection Wells  
Large
Diameter
(139.7 mm)
  Large
Diameter
(139.7 mm)
Narrow
Diameter
(63.5 mm)
Re-Entered
Exploration
Boreholes
Monitoring Wells
Associated with Phase1
1 13 (1)   13 (4) 4 15 6
Total 14   36  
2 12   14(1) 7 8 4
Total 12   30  
3 13   12 1 19 4
Total 13   32  
4 23   15 (1) 28 4
Total 23   44  
5 16   12 2 16 6
Total 16   30  
Overall 74     172   22

 

Note: Numbers in brackets denote exploration wells that are re-entered.
  (1) Monitoring wells are the same as narrow diameter injection wells.

 

1.7.9Recovery Methods

 

The process design was developed from the process plant testing campaigns, using UBS column leach tests.

 

Acidic lixiviant solution is prepared in the process plant and transferred to the injection solution handling system at the wellfield. Uranium bearing solution is recovered and transferred to the process plant.

 

In the process plant, the first step is removal of impurities such as iron and radium from the UBS as solids in the stage 1 (Fe/Ra) precipitation circuit. The solids are placed as filter cake in totes on a storage pad, for shipment offsite. Next, the purified leach solution (PLS) feeds the stage 2 (YC) precipitation circuit. Finally, uranyl peroxide YC product solids are dried and packaged for shipment.

 

The barren leach solution (BLS) from stage 2 (YC) precipitation feeds the effluent treatment circuit, comprised of three stages. The first stage (ET stage 1) neutralization precipitates most of the remaining radionuclides, so the resulting solids are placed as filter cake in totes along with the Fe/Ra cake. The second stage (ET stage 2) neutralization removes most of the remaining dissolved solids, forming a waste solids stream composed mainly of gypsum. This is pumped as slurry to a disposal pond for consolidation. The third stage (ET stage 3) is an IX/ER circuit that targets selenium removal. A small selenium-bearing waste solids stream is blended with the gypsum waste for disposal.

 

Project No.: 251208Summary
August 2023Page 1-14

 

 

Wheeler River Project
Athabasca Basin, Saskatchewan
NI 43-101 Technical Report

 

Reagents used to make ISR lixiviant, in the stage 1 (Fe/Ra) precipitation, stage 2 (YC) precipitation and effluent treatment stages are stored onsite. The estimated connected electrical load in the plant is 2.2 MW/2.8 MVA, and the running load is 1.6 MW/2.0 MVA.

 

Uranium recovery was estimated by evaluating the losses of the individual circuits and combining into an overall steady state recovery. The final mass balance recovery basis is 96.5% as shown in Table 1-5.

 

  Table 1-5: Phoenix Process Plant Steady State Recovery

 

Item Uranium Content
(%)
Process plant feed 100.0
Fe/Ra losses 3.0
ET losses 0.5
Process plant recovery 96.5

 

During the ramp-up period recovery is lower resulting in a Year 1 recovery of 93.4% and a life of mine process plant recovery of 96.3%.

 

The majority of the Fe/Ra and ET losses end up in the process precipitate solids (PPS). Preliminary estimate for recovery of uranium from the PPS is 90%. The recovery from the PPS increases the overall Phoenix recovery by 2.7%. The life of mine recovery is summarized in Table 1-6.

 

  Table 1-6: Phoenix Life of Mine Recovery

 

Item Uranium Recovery
(%)
Process plant recovery 96.3
Process precipitate solids recovery 2.7
Overall Phoenix recovery 99.0

 

Project No.: 251208Summary
August 2023Page 1-15

 

 

Wheeler River Project
Athabasca Basin, Saskatchewan
NI 43-101 Technical Report

 

1.7.10Project Infrastructure

 

The Phoenix site layout is shown in Figure 1-2. The layout is reasonably compact around the deposit in order to limit environmental disturbance. The natural terrain of the area is used to advantage where practical, also reducing the impact of the project. Modular or temporary facilities are used where practical to reduce impact and simplify site closure.

 

The site is organized into radiological areas for control purposes. The wellfield, plant and nearest ponds are considered radiation areas. Radiation areas are areas that potentially contribute significantly to the dose of a worker. These areas include site locations where radioactive materials may be used or stored. Unauthorized persons are prohibited from entering radiation areas. The main site road borders this zone to the south- and north-east forming a tertiary barrier downhill of the production area. Monitoring ponds, gypsum pads and clean mine waste pads are located outside the road to the northeast. The camp and operations facilities south of the production area are deemed non-radiation areas. Non-Radiation areas are areas where no radioactive materials are used or stored.

 

The infrastructure includes a gravel road from Highway 914 to site and an electrical power line from existing SaskPower distribution. A new airstrip and domestic and construction waste management areas are also included in site infrastructure plans. These features are shown on the key plan in Figure 1-2.

 

Water is drawn from Whitefish Lake to the east. Well water is also available which will be used to prepare potable water in the treatment plant near the camp. Domestic wastewater is sent to a mechanical treatment plant which produces water usable in the wellfield, and solids that are disposed in the industrial landfill.

 

A 12/16 MVA substation is located at the highest point west of the wellfield. The total estimated connected load is 11.8 MW/14.4 MVA, and running load is 7.8 MW/9.6 MVA. Propane storage is included for building and process heating.

 

The camp is designed for 100 occupants and for expansion to 150.

 

Project No.: 251208Summary
August 2023Page 1-16

 

 

Wheeler River Project
Athabasca Basin, Saskatchewan
NI 43-101 Technical Report

 

Figure 1-2: Phoenix Site Plan

 

A map of a site

Description automatically generated

 

(Source: Wood, 2023)

 

Project No.: 251208Summary
August 2023Page 1-17

 

 

Wheeler River Project
Athabasca Basin, Saskatchewan
NI 43-101 Technical Report

 

1.7.11Market Studies and Contracts

 

Denison's view of the market is based on information reasonably available regarding the uranium industry, as provided by price reporter UxC, LLC’s (UxC) Uranium Market Outlook for Second-Quarter 2023 (Q2 2023 Uranium Market Outlook). UxC estimates that annual uranium demand could grow from 195 Mlb U3O8 in 2023 to 263 Mlb U3O8 under their base case by 2040 and to 356 Mlb U3O8 in their high case for the same period. UxC also estimates that existing mine production, plus new planned and potential mine production under its base case, will reach a peak of 186 Mlb U3O8 by 2029, before declining to 106 Mlb U3O8 by 2040. For other projects to move forward and increase production forecasts, UxC believes uranium prices will need to increase appreciably to support higher cost production profiles and the significant capital expenditures that will be required.

 

Spot price projection information from the Q2 2023 Outlook has been used to inform the pricing assumptions for the Phoenix Project. The financial model for Phoenix uses the long-term composite midpoint spot price projection from UxC’s Q2 2023 Outlook ranging from US$66.53 to US$70.11/lb U3O8 during the Phoenix mine production period.

 

There is no current contract or sales agreement in place for mining, concentrating, refining, transportation handling, sales or hedging. Denison does have existing storage contracts that are in line with industry norms allowing for delivery to, and storage of uranium concentrates at licensed facilities in Canada and the United States.

 

1.7.12Environment, Permitting and Social Considerations

 

Environmental studies associated with the Project for the Phoenix ISR operation are significantly advanced. Baseline environmental studies have been completed with sufficient rigor to support development and submission of a Draft Environmental Impact Statement (EIS), and associated technical documents, to the provincial and federal regulators. Based on the information and related evaluation and assessment of effects, Denison believes that the ISR operation can be constructed, operated, and decommissioned in a manner that is not likely to cause significant residual adverse effects to the biophysical or human environments either individually or cumulatively. Importantly, the FS has accounted for engineering design and mitigation measures identified through the environmental assessment (EA) process.

 

In addition to the EA process, Denison will be required to obtain a permit from the Saskatchewan Ministry of Environment and a Licence from the Canadian Nuclear Safety Commission (CNSC). While some overlap between the EA process and licensing/ permitting is possible, generally licensing and permitting is expected to be competed following the EA process.

 

Project No.: 251208Summary
August 2023Page 1-18

 

 

Wheeler River Project
Athabasca Basin, Saskatchewan
NI 43-101 Technical Report

 

In 2021, Denison announced the adoption of the Indigenous Peoples policy (IPP). The IPP reflects Denison's recognition of the important role of Canadian business in the process of reconciliation with Indigenous Peoples in Canada and outlines Denison's commitment to take action towards advancing reconciliation. The IPP was developed based on Denison's experiences with, as well as feedback and guidance from, Indigenous communities with whom Denison is actively engaged. This approach was designed to ensure the IPP appropriately captures a mutual vision for reconciliation. The IPP identifies five key areas of action that support the ongoing development of a continuously evolving reconciliation action plan (RAP): Engagement; Empowerment; Environment; Employment; and Education. Through the RAP, Denison is striving to interweave the principles of reconciliation throughout all areas of the company's operations.

 

Since 2016, Denison has engaged with Interested Parties to develop meaningful relationships and facilitate a collaborative approach to engagement and the advancement of the Project. Denison has developed and implemented an engagement plan to guide and structure such engagement activities. Engagement activities for Interested Parties are tailored to comply with both federal and provincial regulatory legislation and, importantly, meet the expectations of the parties. While the engagement to date has focused on the Phoenix Project, the activities are also generally relevant to the Gryphon Project. Engagement to date has been extensive, and Denison’s approach with respect to consultation has been thorough and responsive to the requests of the public, Indigenous groups, and regulatory agencies.

 

To formalize Denison’s early commitment to work together, Memoranda of Understanding were signed with several groups in 2018. More recently, various funding agreements have been reached with Indigenous communities and organizations to provide capacity for Interested Parties to actively participate in the environmental assessment process. Through these engagement commitments and processes Denison is able to identify key concerns from Interested Parties and develop plans to respond to and/or to resolve them.

 

Denison has also been working towards the finalization of impact-benefit type agreements with certain Indigenous groups to further formalize support for the planned activities at site. These agreements focus on a number of areas, such as financial arrangements, business and procurement, environmental considerations, future regulatory processes, and employment considerations.

 

1.7.13Capital Costs

 

The estimated initial capital cost for the Phoenix Project (Table 1-7) is $419.4 million expressed in first-quarter 2023 Canadian dollars. This estimate falls under the AACE International Recommended Practice No. 47R-11 Class 3 Classification Guideline, with an expected accuracy to be within -15%/+25% of the Phoenix Project’s final cost, including contingency. The costs include construction of the initial ground freezing plant and wells, the first phase of production wells, and the ISR process plant and infrastructure required for first production.

 

Project No.: 251208Summary
August 2023Page 1-19

 

 

Wheeler River Project
Athabasca Basin, Saskatchewan
NI 43-101 Technical Report

 

Additional pre-commitment costs of $67.4 million are necessary following this FS to advance the Phoenix Project definition for regulatory purposes, and specifically to support a licence to construct satisfying the Canadian Uranium Mines and Mills Regulations SOR/2000-206. Once a licence to construct has been obtained the Phoenix Project will be considered de-risked sufficiently to enable the final investment decision (FID). The pre-commitment work includes engineering advancement, additional testwork, early procurement items, grid power design and execution, and management of these activities. Some of this work is in progress.

 

Sustaining capital is estimated to be $234.1 million and considers expansion of the wellfield and ground freezing system, and development of the injection solution system as the wellfield advances, expansion of the gypsum storage pad and modification to the process plant to accommodate well remediation.

 

  Table 1-7: Phoenix Initial Capital Cost Estimate

 

Area Description Cost
($M)
Direct Cost    
  Mining 63.0
  In situ leach process plant 102.6
  Surface facilities 14.7
  Utilities 34.8
  Electrical 19.1
  Civil and earthworks 39.6
Total Direct Cost   273.8
Indirect Cost    
  Indirect costs 70.5
  Owner’s costs 32.7
Total Indirect Cost   103.2
  Contingency 42.6
Total Capital Costs   419.4

 

Note: Figures may not sum due to rounding.

 

Project No.: 251208Summary
August 2023Page 1-20

 

 

Wheeler River Project
Athabasca Basin, Saskatchewan
NI 43-101 Technical Report

 

1.7.14Operating Costs

 

The operating costs over the life of mine (LOM) is estimated at $478.1 million. Average operating costs are estimated at $8.51/lb U3O8 produced and summarized in Table 1-8.

 

  Table 1-8: Phoenix Operating Costs

 

Cost Area Total Cost
($M)
Cost
($/lb
U3O8)
Percentage
of Total
(%)
Mining 44.4 0.79 9
Processing 294.8 5.25 62
Transport to converter 13.7 0.24 3
Site support / G&A 125.1 2.23 26
Total 478.1 8.51 100
Total US$   6.28  
U3O8 Sales (Mlb)   56.1  

 

Note: Figures may not sum due to rounding.

 

1.7.15Economic Analysis

 

Certain information and statements contained in this section are forward-looking in nature and are subject to known and unknown risks, uncertainties, and other factors, many of which cannot be controlled or predicted and may cause actual results to differ materially from those presented here. Forward-looking statements include, but are not limited to, statements with respect to the economic and study parameters of the Phoenix Project; mineral reserves; the cost and timing of any development of the Phoenix Project; the proposed mine plan and mining strategy; processing method and rates and production rates; projected metallurgical recovery rates; infrastructure requirements; capital, operating and sustaining cost estimates; uranium marketability and commercial terms; the projected LOM and other expected attributes of the Phoenix Project; the net present value (NPV), internal rate of return (IRR) and payback period of capital; future uranium prices and currency exchange rates; government regulations and permitting timelines; estimates of reclamation obligations; requirements for additional capital; environmental risks; and general business and economic conditions.

 

The financial analysis was carried out using a discounted cash flow (DCF) methodology. Net annual cash flows were estimated to project yearly cash inflows (or revenues) and subtract projected cash outflows (such as capital and operating costs, royalties, and taxes). These annual cash flows were assumed to occur at mid-year and were discounted back to mid Year -2, date of FID to proceed with construction. Discounted cash flows were totalled to determine the NPV of the Phoenix Project at a discount rate of 8%.

 

Project No.: 251208Summary
August 2023Page 1-21

 

 

Wheeler River Project
Athabasca Basin, Saskatchewan
NI 43-101 Technical Report

 

The financial evaluation of Phoenix generates positive before and after-tax results. The results show an after-tax NPV of $1.43 billion at a 8% discount rate, an IRR of 82.3% and a payback period 11 months.

 

The Phoenix Project is most sensitive to fluctuations in the U3O8 price and feed grades and less sensitive to changes in capital costs and least sensitive to changes in operating costs.

 

1.7.16Conclusions

 

The study has demonstrated a technically feasible ISR mining method with robust economic results.

 

1.7.17Opportunities and Risk

 

The following opportunities have been defined for the Phoenix Project:

 

·Additional leach test programs, whether in the laboratory or field, would increase assurance and accuracy of ISR recovery estimation.

 

·All circuits would benefit from improved solid/liquid separation characteristics such as settling rate, underflow density, belt filter flux and cake moisture. Opportunities include:

 

-Stage 1 (Fe/Ra) precipitation: Reduce the thickener and belt filter sizes, lower soluble uranium entrainment loss in Fe/Ra cake, and reduce the mass of water in PPS cake to be shipped offsite.

 

-Stage 2 (YC) precipitation: Reduce the thickener and belt filter sizes, reduce soluble impurities entrainment in YC, and reduce energy input to the dryer.

 

-ET stage 1: Reduce the mass of water in PPS cake to be shipped offsite.

 

-ET stage 2: Reduce the volume of slurry to be pumped to the gypsum waste storage ponds.

 

·Optimization of process plant operating parameters could improve uranium recovery.

 

·Investigation of alternative equipment designs, particularly for filtering and YC drying, could identify more cost-effective options.

 

·Investigation of other selenium removal technology options could identify a more cost-effective and/or environmentally advantageous method than what was selected for the FS.

 

Project No.: 251208Summary
August 2023Page 1-22

 

 

Wheeler River Project
Athabasca Basin, Saskatchewan
NI 43-101 Technical Report

 

·Improvements in the techniques used to drill, install and develop wells could reduce the cost of well installation over the life of the project. Well installation costs amount to approximately 26% of the projected capital costs.

 

·Further investigation and use of permeability enhancement techniques may provide noticeable recovery improvements in lower permeability HGUs.

 

·Optimization of the well spacing can be further evaluated with geophysical and well development data from the progression of well field development. Increased well spacing would mean fewer or smaller diameter wells consequently lowering the sustaining capital cost for the project.

 

·As demonstrated in the testing programs, the dissolution of uranium may improve the permeability in the ore zone.

 

·Electrically powered drilling equipment will have a reduced carbon emissions level than diesel equipment and may have a lower operating cost.

 

·Further modelling work may identify a more cost-effective well layout, well timing and associated ground freezing plan.

 

·Localized subsurface collapses could improve lixiviant contact and recovery.

 

·Wellfield materials of construction for piping and well components could be further assessed to optimize costs.

 

·Elimination of uneconomic wells in the mine development plan by refining the economic boundary of the deposit.

 

·Optimization of wellfield design and operations to improve consistency of feed to the plant and operational sequencing, logistics, and infrastructure to minimize operational expenditures associated with ore zone development.

 

·Optimization of freeze wall concept, design, and timing. This may require integration with the FEFLOW and GoldSim workflows to streamline operations, minimize cost, and still meet production and environmental targets.

 

·Varying well flows during operation may improve recovery. This could include a no-flow/sit-and-soak method to raise concentrations in later stage of well life.

 

·Improved reliability of uranium recovery calculations by additional, systematic testing of ore leaching/recovery specifically by HGU, by uranium grade, mineralogy, lixiviant recipe, and other factors/variables.

 

·Refine GoldSim to further optimize wellfield operations, further confirm environmental protection, support strategic planning and perform further risk analyses.

 

Project No.: 251208Summary
August 2023Page 1-23

 

 

Wheeler River Project
Athabasca Basin, Saskatchewan
NI 43-101 Technical Report

 

·Optimize water/solution management on the surface (wastewater treatment, disposal, solution storage and discharge, etc.).

 

·Minimize timing and cost of concurrent reclamation.

 

·The metallurgical opportunities noted above could optimize the size of storage pads and ponds for solids streams including gypsum waste and PPS cake.

 

·Process flow recycling could reduce the quantity of fresh water and the supporting infrastructure for water sourcing and distribution.

 

·Further engineering may identify additional facilities that can be modularized and fabricated offsite, reducing cost and onsite labour.

 

The following risks have been defined for Phoenix Project:

 

·Obtaining federal and provincial regulatory approvals in a timeframe aligned with project execution.

 

·Blended labour rates for construction could be higher depending on the availability of local labour resources and additional dependence on non-local workforce.

 

·Global supply chain issues could cause unexpected escalation of material and equipment costs.

 

·Increased risk of upset conditions if UBS plant feed grade and flow is highly variable, particularly from well patterns that are early in their operational life.

 

·Risk of clay mobilization could manifest in potential plugging of well patterns underground and/or difficult-to-settle solids accumulation on surface, particularly with HGU 2A.

 

·Uranium recovery loss and off-specification YC product quality under non-ideal operating conditions in the stage 1 (Fe/Ra) and stage 2 (YC) precipitation circuits. These risks are not yet well characterized through testing of varying feed and operating conditions.

 

·Insufficient size of gypsum waste pond if commercial agreement for use of proprietary IX/ER technology cannot be reached and alternative solutions are required.

 

·Untested amenability of mixing the iron oxide anode residue from ER in the IX/ER selenium removal method, with gypsum from ET stage 2.

 

·Should the offtake agreement with the licensed regional receiving facility not be executed, other alternatives to assure the final destination of the PPS will need to be evaluated.

 

·Assumed approval of transportation method and route of PPS to the licensed facility has not been validated.

 

Project No.: 251208Summary
August 2023Page 1-24

 

 

Wheeler River Project
Athabasca Basin, Saskatchewan
NI 43-101 Technical Report

 

·Recovery assumption of 90% from PPS is not validated as a PPS re-processing flowsheet and operating parameters have not yet been established.

 

·Increased quantity of solids in the recovered UBS to the plant disrupting the process and potentially requiring extra settling equipment. The UBS settling pond is included in the FS design to mitigate this risk, in particular for initial well startups when higher solids are anticipated.

 

·Phoenix may not operate as a typical ISR operation due to the complexities of the nine distinct HGUs. Typical uranium deposits where ISR is being used are low-grade and in relatively thick high permeability zones whereas the Phoenix deposit is a high-grade heterogeneous unconformity-type deposit.

 

·Variation in recovery (both high and low) of higher clay, low permeability zones as the recovery curve is more representative of higher permeability HGUs.

 

·Reduction in hydraulic sweep efficiency in cases of low hydraulic conductivity in one or more of the HGUs requiring a tighter well spacing.

 

·In situ plugging due to lixiviant makeup interrupting production from the well. Hydraulic properties of the Phoenix deposit are highly variable, both laterally and vertically, whereas in other ISR operations the permeability is generally high and uniform.

 

·Potential for decrease in permeability in the ore zone due to unwanted precipitation of gangue minerals if not monitored and managed properly.

 

·Hydraulic sweep efficiencies as predicted by the groundwater flow model will vary throughout the wellfield because of the model’s limitation in simulating density dependent flow and rate of dissolution caused by the injected lixiviant.

 

·Localized subsurface collapses causing blockages and reduced recovery.

 

·Remediation of in situ chemistry could take longer than predicted, extending the duration and cost of ore zone reclamation.

 

1.7.18Recommendations

 

The recommended development path for Phoenix Project is to continue working with regulators and communities for the environmental assessment and licensing efforts while concurrently advancing key activities that will provide further project definition and reduce project execution timeline risks. Recommendations to advance the Phoenix Project include front end engineering and design and detailed design and associated procurement. The recommended cost aligns with the pre-commitment cost of $67.4 million.

 

Project No.: 251208Summary
August 2023Page 1-25

 

 

Wheeler River Project
Athabasca Basin, Saskatchewan
NI 43-101 Technical Report

 

1.8Gryphon

 

1.8.1Key Project Outcomes

 

Key Gryphon Project outcomes are presented in Table 1-9.

 

  Table 1-9: Key Gryphon Project Parameters and Outcomes

 

Parameter Unit Value
Production    
Mine life years 6.5
Uranium feed grade % 1.8
Mill feed quantity tonnes 1,257,000
Processing    
Uranium feed content lb 49,712,000
Uranium recovered content lb 48,817,000
McClean Lake plant recovery % 98.2
Stored waste solids m3/a 6,700
Capital Cost    
Initial capital $M 737.4
Sustaining capital $M 98.7
Total Capital Cost1 $M 836.1
Closure cost $M 5.0
Operating Cost    
Mining $/lb product 6.85
Processing $/lb product 8.76
General and administrative $/lb product 1.40
Transport to converter $/lb product 0.27
Total Operating Cost $/lb product 17.27
Taxes and Royalties – LOM    
Saskatchewan resource surcharge $M 148.4
Saskatchewan (net) basic royalty $M 210.2
Saskatchewan profit royalty $M 459.3
Federal and provincial income tax $M 659.4
Total Taxes and Royalties $M 1,477.4
Financial (After-tax)    
Discount rate % 8.0
NPV $M 864.2
IRR % 37.6
Payback period months 22

 

Note: (1) Total capital cost excludes $56.5 million in pre-commitiment costs.

Product is U3O8 equivalent

 

Project No.: 251208Summary
August 2023Page 1-26

 

 

Wheeler River Project
Athabasca Basin, Saskatchewan
NI 43-101 Technical Report

 

1.8.2Drilling and Data Verification

 

From 1985 to date, Denison and predecessor companies have drilled 274 diamond drill holes totalling 157,362 m with the Gryphon deposit area of which 214 drill holes (120,351 m) have delineated the Gryphon deposit. Core recovery is typically 100% reducing the need to rely on radiometric equivalent U3O8 (eU3O8) grades as a substitute for chemical U3O8 assays.

 

In verifying the geological information used to support mineral resource estimation of the Gryphon deposit, Mr. Mathisen of SLR visited the site, verified assay certificates against the data assay table, performed standard database validation tests, checked the digital probe database used for resource estimation against the original assay data and reviewed the QAQC methods and results.

 

Mr. Graham reviewed the geotechnical information gathered for the Gryphon deposit and considers the information suitable to support pre-feasibility level of study.

 

In verifying the hydrogeological information used to support the PFS, Mr. Graham reviewed the hydraulic parameters considered for the groundwater assessment to define the mine dewatering effort.

 

In verying the metallurgical information used to support the PFS, Mr. McCombe reviewed the samples that were selected for metallurgical testing and the metallurgical test results.

 

1.8.3Metallurgical Testwork

 

In 2017, Denison undertook a metallurgical testwork program at the SRC Geoanalytical Laboratories in Saskatoon. SRC is recognized as Accredited Testing Laboratories by the Standards Council of Canada under ISO 17025:2005 and is certified under ISO 9001:2008 for Quality Management Systems. The program was directly managed by Denison. Denison also completed a parallel test program at the Orano Service d’Études de Procédés et Analyses (SEPA) laboratories at Bessines-sur-Gartempe, France. SEPA is ISO 17025 certified. The objectives of the testwork programs were to further develop the optimum processing conditions and collect additional data to support engineering design. The 2017 Metallurgical test program included the following to confirm adequacy of the McClean Lake mill for processing Gryphon Ore:

 

·Grinding test

 

·Leaching tests on three composite samples to validate leaching characteristics

 

·Settling and filtration tests

 

·Solvent extraction tests

 

·Yellowcake Precipitation tests

 

·Tailings neutralization test.

 

Project No.: 251208Summary
August 2023Page 1-27

 

 

Wheeler River Project
Athabasca Basin, Saskatchewan
NI 43-101 Technical Report

 

1.8.4Mineral Resource Estimate

 

Table 1-10 presents the mineral resource estimate for Gryphon by domain and confidence category, assuming underground mining methods and reported in accordance with CIM Definition Standards (CIM, 2014). A cut-off grade of 0.2% U3O8 for Gryphon is determined using assumptions based on historical and known mining costs of underground mines operating in the Athabasca Basin at a price of US$55/lb U3O8.

 

Mr. Mathisen is not aware of any environmental, permitting, legal, title, taxation, socio-economic, marketing, political, or other relevant factors that could materially affect the mineral resource estimate, other than what is described in this Report.

 

1.8.5Mineral Reserve Estimate

 

The Gryphon mine production plan is based on using longhole mining methods to recover the ore located between approximately -30 and -280 metres above sea level (masl). The mineral reserve for Gryphon is estimated at 49.7 Mlb U3O8 (1.2 Mt grading at 1.8% U3O8) as summarized in Table 1-11. The mineral reserve has been estimated by Stantec based on the resource block model prepared by RPA.

 

The mine design and mineral reserve estimate have been completed to a level appropriate for a PFS. The mineral reserve have been classified in accordance with the CIM Definition Standards (CIM, 2014). The Gryphon block model did not include any measured mineral resource material. All mineral reserves were converted from Indicated mineral resources and are classified as probable mineral reserves. The inferred mineral resources contained within the mine design are considered as waste.

 

Project No.: 251208Summary
August 2023Page 1-28

 

 

Wheeler River Project
Athabasca Basin, Saskatchewan
NI 43-101 Technical Report

 

  Table 1-10: Gryphon Mineral Resource Statement, Effective Date August 7, 2018

 

Confidence Category Mineralized Domain Tonnes
(kt)
Grade
(%U3O8)
Contained U3O8
(Mlb)
Indicated Gryphon A1HG 148 7.6 24.7
  Gryphon A1LG 365 0.8 6.7
  Gryphon A2 262 1.0 5.5
  Gryphon A3 36 0.4 0.3
  Gryphon B1 161 1.1 3.7
  Gryphon B2 158 1.5 5.2
  Gryphon B3 59 1.3 1.7
  Gryphon C1 105 1.2 2.7
  Gryphon D1HG_HW 17 5.0 1.8
  Gryphon D1HG_MD 11 7.4 1.8
  Gryphon D1HG_FW 15 7.5 2.5
  Gryphon D1LG 153 0.6 1.9
  Gryphon D4 89 0.7 1.4
  Gryphon E2 65 1.1 1.7
Total Indicated Gryphon 1,643 1.7 61.9
Inferred Gryphon A4 2 0.3 0.0
  Gryphon B5 10 0.3 0.1
  Gryphon D2 5 0.4 0.0
  Gryphon D3 13 1.2 0.4
  Gryphon E1 31 1.3 0.9
  Gryphon E2 12 2.0 0.5
Total Inferred Gryphon 73 1.2 1.9

 

  Note: (1) The effective date of the mineral resource is August 7, 2018. The QP for the estimate is Mr. Mark Mathisen, C.P.G., an employee of SLR.
    (2) Mineral resources are reported in accordance with CIM Definition Standards (CIM, 2014) and prepared in accordance with CIM Estimation of Mineral Resources and Mineral Reserves Best Practice Guidelines (CIM, 2019).
    (3) Mineral resources for the Gryphon deposit are constrained by underground mining shapes using a minimum mining width of 2 m and an incremental cut-off grade of 0.2% U3O8. The cut-off grade include considerations of a long-term uranium price of US$55/lb, US$/CA$ exchange rate of 0.75, process recovery of 97%, an underground mine operating cost of $130/t, haulage cost of $32/t, process operating cost of $280/t, G&A cost of $104/t and incremental operating cost component of $260/t for low-grade material.
    (4) High-grade mineralization was capped at 30% U3O8 and restricted at 20% U3O8 for the A1HG and capped at 20% U3O8 for the D1HG with no search restrictions.
    (5) Low-grade mineralization was capped at 20% U3O8 for the C1 domain with search restrictions applied to U3O8 grades greater than or equal to 10.0% U3O8.
    (6) Low-grade mineralization was capped at 15% U3O8 for the B1, B2, E1, and E2 domains with search restrictions applied to U3O8 grades greater than or equal to 10.0% U3O8 for the B1 domain and 5.0% U3O8 for the E2 domain.
    (7) Low-grade mineralization was capped at 10% U3O8 for the A1-A4, B3-B7, C4-C5, and D2-D4 domains with no search restrictions.
    (8) Low-grade mineralization was capped at 5% U3O8 for the D1 domain with no search restriction.
    (9) Bulk density is derived from grade using a formula based on 279 measurements from Gryphon.
    (10) Mineral resources are reported inclusive of mineral reserves
    (11) Figures may not sum due to rounding.

 

Project No.: 251208Summary
August 2023Page 1-29

 

 

Wheeler River Project
Athabasca Basin, Saskatchewan
NI 43-101 Technical Report

 

  Table 1-11: Gryphon Mineral Reserve Statement, Effective Date September 1, 2018

 

Confidence Category Tonnes
(Mt)
Grade
(% U3O8)
Contained U3O8
(Mlb)
Probable 1.257 1.8 49.7
Total 1.257 1.8 49.7

 

  Note: (1) The effective date of the mineral reserves is September 1, 2018. The QP for the estimate is Mr. Mark Hatton, P.Eng., an employee of Stantec.
    (2) The mineral reserve estimate was prepared in accordance with the CIM Definition Standards (CIM, 2014).
    (3) Mineral reserves are stated at a processing plant feed reference point.
    (4) Mineral reserves for the Gryphon deposit are estimated at a cut-off grade of 0.58% U3O8 based on longhole mining using a long-term uranium price of US$50/lb and a US$/CA$ exchange rate of 0.8. The mineral reserves are based on a mine operating cost of $150/t, mill operating cost of $275/t, G&A cost of $99/t, transportation cost of $50/t, milling recovery of 97%, and 7.25% fee for Saskatchewan royalties. Mineral reserves include diluting material and mining losses.

 

1.8.6Mining Methods

 

1.8.6.1Geotechnical

 

The mine plan proposes two underground mining methods, longitudinal and transverse long hole stoping with cemented rock backfill (CRF) or hydraulic fill. A 15 m level spacing is proposed with longitudinal stopes averaging 5.9 m wide and 17 m along strike. Stope dimensions were analyzed and defined using the empirical open stope design methodology known as Mathews-Potvin or the Stability Graph Method (Hutchinson and Diederichs, 1996). Application of the method indicates the deposit is amenable to the planned longitudinal and transverse long hole stoping.

 

Rock mass quality throughout the Gryphon deposit typically ranges from predominantly fair to good using established rock mass classification terminology (rock mass rating (RMR) and Q-systems). Within the basement units the intact rock strength can vary between R0 (very weak) to R5 (very strong). Typical fresh basement rock is classified as R3 (strong rock, 50 to 100 MPa). In the mine plan a standard ground support pattern of bolts and screen has been designed to control rock movement during operations. However, during operations there will likely be localized areas that may be subject to mining-induced deterioration of ground conditions which could require additional ground support.

 

Project No.: 251208Summary
August 2023Page 1-30

 

 

Wheeler River Project
Athabasca Basin, Saskatchewan
NI 43-101 Technical Report

 

1.8.6.2Hydrogeological

 

Hydrogeological conditions at Gryphon were assessed during drilling programs in 2014 through 2018. Data from the hydraulic testing, pressure transducer systems, water levels surveys, water chemistry, and laboratory testing of core samples were combined with geological modelling and structural interpretation to build an understanding of the hydrogeological system.

 

The Gryphon deposit has an extensive data set covering the overlying Athabasca formations, the regional unconformity, and the basement complex. This data was used to model potential inflows to the basement-hosted deposit and underground workings, with results comparing very closely to similar mines in the Athabasca Basin.

 

The natural groundwater elevation is at or close to surface and is hydraulically connected to the unconformity located at approximately 465 m below surface. The sandstone above the unconformity features a smaller alteration signature with generally competent sandstone with lower permeability features. With the exception of the shafts, no mine development occurs in the sandstone, thus no geotechnical assessments were completed in this unit. The excavation method and liner for both the production and ventilation shafts were designed considering the results of the shaft test hole program completed in 2017.

 

Potential for inflow of water from the overlying unconformity and Athabasca formations was assessed both numerically and benchmarked against other mines in the Athabasca Basin. Based on the low hydraulic conductivity of the unconformity in all tests to date at Gryphon and the lack of identified hydraulic connection between the unconformity and the mining zones, the risk of inflow in this geological zone is considered to be lower than at other Athabasca Basin operations. Inflow control and risk mitigation from the overlying sedimentary units are considered to be feasible through a combination of mine design and mining practice, e.g. in potential areas of suspected steep angle structure, avoidance of thin crown pillar in the mine’s design and assessment and mitigation through probe and grout practices.

 

1.8.6.3Mining Method

 

The mine plan allows Gryphon to be accessed from surface via the production shaft and the ventilation shaft, to support underground development and production. Heated fresh air will be delivered via the production shaft, with return air exhausted up the ventilation shaft.

 

Access from the production shaft to the mine workings will be via a single ramp located on the hangingwall. Stope overcut and undercut drifts will include 100% shotcrete coverage and 150 mm of ballast on the floor to reduce the potential for radiation exposure.

 

Project No.: 251208Summary
August 2023Page 1-31

 

 

Wheeler River Project
Athabasca Basin, Saskatchewan
NI 43-101 Technical Report

 

Underground production will be from the longhole stoping mining method, primarily longitudinal retreat. Mined stopes will be backfilled using a combination of rockfill, CRF, and hydraulic fill. A minimum 25 m permanent pillar will be left below the unconformity. The mine has been divided into five mining blocks, E Zone, Lower D, Upper and Lower Main, and Upper SW. Each mining block will be mined from the bottom up. Ore will be truck hauled to a rockbreaker/grizzly station and hoisted to surface. The mine is expected to produce approximately 605 t/d of ore and an average of 330 t/d of waste rock during the steady-state operating period.

 

The main mine dewatering system will consist of a clean water pumping system that will pump decanted water to surface via piping in the ventilation shaft.

 

The Gryphon Project schedule includes approximately six years of pre-production and six years of production at an average mining rate of ~600 t/d ore and 330 t/d waste rock equating to an average of~9 Mlb/a U3O8. Figure 1-3 shows the Gryphon mine summary production schedule. Estimated LOM production totals 1.257 Mt of mill feed at an average grade of 1.8% U3O8 containing 49.7 Mlb of U3O8.

 

  Figure 1-3: Gryphon Production Profile

 

 

(Source: Denison, 2023)

 

Project No.: 251208Summary
August 2023Page 1-32

 

 

Wheeler River Project
Athabasca Basin, Saskatchewan
NI 43-101 Technical Report

 

1.8.7Recovery Methods

 

The PFS plan assumes that Gryphon ore will be transported to the McClean Lake mill for processing. The mill is currently processing material from the Cigar Lake mine; however, it has additional licensed processing capacity to a total annual production of up to 24 Mlb U3O8.

 

The Project’s mine plan for Gryphon aligns well with expected available capacity at the McClean Lake mill. Proposed Gryphon deposit production scenarios do not exceed McClean Lake’s production capacity given certain assumptions regarding future production from the Cigar Lake mine. Gryphon ore is expected to be milled in parallel to Cigar Lake Phase 2 production, assumed to be up to 15 Mlb/a U3O8, allowing for Gryphon ore processing at a peak of 9 Mlb/a U3O8.

 

Processing the Gryphon deposit will require certain modifications to the McClean Lake mill. These modifications include expansion of the leaching circuit, the addition of a filtration system to complement the counter current decantation (CCD) circuit capacity, the installation of an additional tailings thickener, and expansion of the acid plant. Various other upgrades will also be required throughout the mill to permit production at the full 24 Mlb/a U3O8 licensed capacity.

 

1.8.8Project Infrastructure

 

Gryphon is approximately 3 km northwest of the Phoenix deposit. Access to the Gryphon site will be via a 2 km road extension from the Phoenix site development. It will also be accessible by the airstrip northeast of the Phoenix deposit. Production from the Gryphon site will be trucked to the existing McClean Lake mill to the northeast, via existing Provincial Highway 914, including approximately 50 km of new road between the McArthur River mine and the Cigar Lake mine.

 

Figure 1-4 is a conceptual layout of the plan view of the Gryphon site surface facilities, showing the relative scale and nominal footprint size of major infrastructure items, including shafts, ore stockpile, waste rock storage, backfill plant, water treatment plant, water treatment and management ponds, fuel and propane storage, explosive storage and operations centre. It is assumed the Phoenix camp will be used during Gryphon mine development and production.

 

Project No.: 251208Summary
August 2023Page 1-33

 

 

Wheeler River Project
Athabasca Basin, Saskatchewan
NI 43-101 Technical Report

 

Figure 1-4: Gryphon Site Conceptual Layout

 

 

(Source: Denison, 2018)

 

1.8.9Market Studies and Contracts

 

In their Q2 2023 Outlook, UxC provides long-term price projection information which has been used to inform the pricing assumptions for the Gryphon Project. The financial model for Gryphon uses the average of the forecasted annual composite long-term uranium price projected from UxC’s Q2 2023 Outlook of US$75/lb U3O8.

 

1.8.10Environment, Permitting and Social Considerations

 

Although the current EIS and licensing efforts are not focused on the Gryphon Project, significant baseline information has been gathered through the environmental programs completed since 2016. It is likely that additional and confirmatory baseline data collection will be required to complete the environmental approval process for the Gryphon Project. As a result of a change in Federal legislation in 2019, the Gryphon Project will undergo an EA to meet the requirements of the Saskatchewan Environmental Assessment Act; however, no Federal EA will be required. Additional regulatory approvals will be similar to those of the Phoenix ISR operation whereby a Provincial permit and a CNSC licence will be prerequisites ahead of Gryphon Project construction and operation.

 

Project No.: 251208Summary
August 2023Page 1-34

 

 

Wheeler River Project
Athabasca Basin, Saskatchewan
NI 43-101 Technical Report

 

1.8.11Capital Costs

 

The estimated initial capital cost for the Gryphon Project (Table 1-12) is $737.4 million expressed in third-quarter 2022 Canadian dollars. Costs developed from first principles in the 2018 study were escalated by 36% based on the Chemical Engineering Plant Cost Index for equipment and materials. Labour, subcontract, equipment rental and contractor indirects were escalated by 10%, and other materials were escalated by 20%.

 

This estimate falls under the AACE International Recommended Practice No. 47R-11 Class 4 Classification Guideline, with an expected accuracy to be within -15% to -30% and +20% to +50% of Gryphon Project’s final cost including contingency. The costs include shaft construction, underground development and mobile equipment, and McClean Lake mill upgrades.

 

  Table 1-12: Gryphon Initial Capital Cost Estimate

 

Area Area Description Cost
($M)
Direct Cost    
  Shafts 222.4
  Surface facilities 63.0
  Underground 63.9
  Utilities 5.3
  Electrical 5.4
  Civil and earthworks 16.0
  McClean Lake mill upgrade 67.9
  Off-site infrastructure 43.7
Total Direct Cost   487.6
Indirect Cost    
  Indirect costs 76.5
  Owner’s costs 25.6
Total Indirect Cost   102.1
  Contingency 147.7
Total Capital Cost   737.4

 

Note: Figures may not sum due to rounding.

 

Project No.: 251208Summary
August 2023Page 1-35

 

 

Wheeler River Project
Athabasca Basin, Saskatchewan
NI 43-101 Technical Report

 

Additional pre-commitment costs of $56.5 million are necessary to advance the Gryphon project definition for regulatory purposes, and specifically to support a licence to construct satisfying the Canadian Uranium Mines and Mills Regulations SOR/2000-206. Upon receipt of licence to construct, Gryphon will be considered de-risked sufficiently to enable the FID. The pre-commitment work includes an FS and environmental assessment, engineering advancement including recommended activities in Section 26, additional testwork, early procurement items, grid power design and execution, and management of these activities.

 

Sustaining capital is estimated to be $98.7 million and considers underground development, construction and equipment.

 

1.8.12Operating Costs

 

The operating costs over the LOM is estimated at $843.2 million. Average operating costs are estimated at $17.27/lb U3O8 produced and are summarized in Table 1-13.

 

  Table 1-13: Gryphon Operating Costs

 

Cost Area Total Cost
($M)
Cost
($/lb U3O8)
$/t Processed
Mining 334.3 6.85 265.85
McClean Lake mill 427.6 8.76 340.08
Transport to converter 12.9 0.27 10.30
Site Support / G&A 68.3 1.40 54.32
Total 843.2 17.27 670.55
Total US$   12.75  
U3O8 Sales (Mlb) 48.8

 

Note: Figures may not sum due to rounding

 

1.8.13Economic Analysis

 

Certain information and statements contained in this section are forward-looking in nature and are subject to known and unknown risks, uncertainties, and other factors, many of which cannot be controlled or predicted and may cause actual results to differ materially from those presented here. Forward-looking statements include, but are not limited to, statements with respect to the economic and study parameters of the Gryphon Project; mineral reserves; the cost and timing of any development of the Gryphon Project; the proposed mine plan and mining strategy; processing method and rates and production rates; projected metallurgical recovery rates; infrastructure requirements; capital, operating and sustaining cost estimates; uranium marketability and commercial terms; the projected LOM and other expected attributes of the Gryphon Project; the NPV, IRR and payback period of capital; future uranium prices and currency exchange rates; government regulations and permitting timelines; estimates of reclamation obligations; requirements for additional capital; environmental risks; and general business and economic conditions.

 

Project No.: 251208Summary
August 2023Page 1-36

 

 

Wheeler River Project
Athabasca Basin, Saskatchewan
NI 43-101 Technical Report

 

The financial analysis was carried out using a DCF methodology. Net annual cash flows were estimated to project yearly cash inflows (or revenues) and subtract projected cash outflows (such as capital and operating costs, royalties, and taxes). These annual cash flows were assumed to occur at mid-year and were discounted back to mid Year -4, date of FID to proceed with construction. Discounted cash flows were totalled to determine the NPV of the Gryphon Project at a discount rate of 8%.

 

The financial evaluation of the Gryphon Project using the updated cost estimate generates positive before and after-tax results. The results show an after-tax NPV of $864.2 million at a 8% discount rate, an IRR of 37.6% and a payback period of 22 months.

 

The Gryphon Project is most sensitive to fluctuations in the U3O8 price and feed grades and less sensitive to changes in capital costs and least sensitive to changes in operating costs.

 

1.8.14Conclusions

 

The results of the PFS indicate that the Gryphon Project is expected to produce positive economic results under the base case assumptions considered. The results should be considered reliable to guide further decision making by Denison on future steps in the development of the Gryphon Project, which may include the completion of a feasibility study.

 

1.8.15Opportunities and Risk

 

The following opportunities have been defined for the Gryphon Project:

 

·Expanding mineral resources by further exploring several high priority exploration target areas, the most important of which consist of unconformity and basement targets in the Gryphon area. During the 2016 winter program, drill testing within 200 m north and northwest of the Gryphon deposit returned numerous high-grade intersections.

 

·The use of radiometric ore sorting could significantly reduce the quantity of ore transported to the mill for processing resulting in material reductions in transportation costs, milling costs and tailings storage requirements.

 

Project No.: 251208Summary
August 2023Page 1-37

 

 

Wheeler River Project
Athabasca Basin, Saskatchewan
NI 43-101 Technical Report

 

·Constructing additional front end processing circuits to the Phoenix ISR processing plant (i.e., grinding, leach and solid/liquid separation circuits and tailings management) to process Gryphon ore onsite and potentially reduce capital and operating costs required to modify the McClean Lake mill and extend and maintain Highway 914.

 

·Optimization of ground support may allow for the elimination of ground support duplication (bolts and screens in ore sills and shotcrete in development), potentially saving significant time and money during sill development phases.

 

·Conventional shaft sinking methods may allow for improved construction and ramp up schedules.

 

·Deepening the production shaft may allow for improved construction and ramp up schedules.

 

·Mine production is restricted by the surface processing facility. Mine life could be shortened with surface debottlenecking activities.

 

The following risks have been defined for the Gryphon Project:

 

·Insufficient plant or tailings capacity at the McClean Lake mill available for the Gryphon ore feed, delaying the project or requiring additional capital to fund further modifications to the existing plant or the construction of a new processing plant.

 

·Composite samples used for the metallurgical testing not reflecting the potential variability of the processing plant feed, resulting in inconsistent uranium milling recoveries.

 

·Ability to execute a toll milling agreement with the McClean Lake Joint Venture (MLJV) with terms that have been assumed within the PFS including toll milling capacities and fees.

 

·Impact of future Cigar Lake grades on process design could have a material impact on the results of the QP’s analysis.

 

·Insufficient testwork on co-mingled samples could have an impact on recovery (i.e., if a metallurgical interaction were to be observed in comingled leaching, resulting in lower recovery), capital costs (i.e., if an increased residence time were to be required to maintain recovery in a comingled circuit, and in turn a larger circuit is required), and operating costs (i.e., if higher acid addition were to be required in a comingled circuit).

 

·McClean Lake mill not receiving or delay in receiving future licences, permits and approvals impacting the ability to process Gryphon ore.

 

Project No.: 251208Summary
August 2023Page 1-38

 

 

Wheeler River Project
Athabasca Basin, Saskatchewan
NI 43-101 Technical Report

 

·Not meeting project schedule and cost if the execution of the McClean Lake mill upgrades is not carefully completed and managed. The McClean Lake mill is an operating facility. Completing the required modifications to process Gryphon ore will require detailed execution planning and construction planning. Construction may need to occur over multiple years in order to utilize planned mill shutdowns to complete tie-ins and other critical tasks.

 

·Not meeting the level of accuracy required to ensure conveyances are able to travel through the shaft. Traditional blind boring technology may not be able to produce a vertical shaft within specifications. A pilot hole or other measures may be required to guide the blind boring to the end target.

 

1.8.16Recommendations

 

The QPs recommend the Gryphon Project be advanced to the feasibility study stage, which is projected to require further investment of approximately $12.1 and $13.3 million to complete the recommended work.

 

Project No.: 251208Summary
August 2023Page 1-39

 

 

Wheeler River Project
Athabasca Basin, Saskatchewan
NI 43-101 Technical Report

 

2.0introduction

 

Wood, WSP, SRK, Newmans and Ecometrix were retained to prepare a feasibility study for the Phoenix deposit and SLR, EngComp, Stantec, CanCost, Hatch and Ecometrix to update the costs and economic analysis of the 2018 Gryphon PFS all contributors to prepare a NI 43-101 Technical Report for the Project.

 

The Project is owned as a joint venture between Denison (90%) and JCU (10%).

 

Denison is a uranium exploration and development company with interests focused in the Athabasca Basin region of northern Saskatchewan, Canada. In addition to Wheeler River, Denison’s interests in Saskatchewan include a 22.5% ownership interest in the McClean Lake Joint Venture, comprising several uranium deposits and the McClean Lake uranium mill contracted to process the ore from the Cigar Lake mine under a toll milling agreement, plus a 25.17% interest in the Midwest Main and Midwest A deposits and a 67.41% interest in the Heldeth Túé (THT, formerly J Zone) and Huskie deposits on the Waterbury Lake property. The Midwest Main, Midwest A, THT and Huskie deposits are located within 20 km of the McClean Lake mill.

 

Denison’s exploration portfolio includes further interests in properties covering ~300,000 ha in the Athabasca Basin region.

 

Denison is also engaged in post-closure mine care and maintenance services through its Closed Mines group, which manages Denison’s reclaimed mine sites in the Elliot Lake region and provides related services to certain third-party projects.

 

JCU, of which Denison owns 50%, holds additional interests in various uranium project joint ventures in Canada, including the Millennium project (JCU, 30.099%), the Kiggavik project (JCU, 33.8118%) and Christie Lake (JCU, 34.4508%).

 

2.1Terms of Reference

 

The Report was prepared to support the disclosure in the news release dated June 26, 2023 entitled “Denison Reports Significant Increase in Economic Results for Wheeler River”. The Report also summarizes the results of the Phoenix FS and the Gryphon PFS.

 

Mineral resource and reserve estimates were prepared in accordance with the CIM Estimation of Mineral Resources and Mineral Reserves Best Practice Guidelines (CIM, 2019) and reported in accordance with the CIM Definition Standards (CIM, 2014).

 

Project No.: 251208Introduction
August 2023Page 2-1

 

 

Wheeler River Project
Athabasca Basin, Saskatchewan
NI 43-101 Technical Report

 

All units of measure in this Report are metric, unless otherwise stated.

 

All amounts are in Canadian dollars (CA$) unless otherwise stated.

 

2.2Qualified Persons

 

The following individuals are QPs for their content in the Report and meet the definition as required by the NI 43-101, Standards of Disclosure for Mineral Projects.

 

Phoenix

 

·Mr. Dan Johnson, P.E., SME-RM, Principal Hydrogeologist, WSP

 

·Mr. David Myers, P.Eng., Technical Director Mining, and Minerals (Saskatoon), Wood

 

·Mr. Gregory Newman, P.Eng., President, Newmans

 

·Mr. Cliff Revering, P.Eng., Principal Geological Engineer, SRK

 

·Mr. Lorne Schwartz, P.Eng., Senior Process Engineer, Wood

 

Gryphon

 

·Mr. Gordon Graham, P.Eng., VP Mining, Engcomp

 

·Mr. Mark Hatton, P.Eng., Senior Mining Engineer, Stantec

 

·Mr. William McCombe, P.Eng., Principal Metallurgist, Hatch

 

·Mr. Mark Mathisen, C.P.G., Principal Geologist, SLR

 

·Mr. Geoffrey Wilkie, P.Eng., Senior Cost Engineer, CanCost

 

Both Phoenix and Gryphon

 

·Mr. Jeffrey Martin, P.Eng., Senior Geological and Environmental Engineer, Ecometrix

 

·Mr. Paul O’Hara, P.Eng., Manager Process, Wood

 

Mr. Johnson takes responsibility for the Phoenix FS sections relating to hydrogeology in geology and mineralization, sample preparation, analyses and security, data verification sections, mineral reserve estimation, mining methods, mining operating costs and the parts of the summary, introduction, interpretation and conclusions, and recommendations relating to those areas.

 

Mr. Myers takes responsibility for the Phoenix FS sections relating to infrastructure, capital costs and the parts of the summary, introduction, interpretation and conclusions, and recommendations relating to those areas.

 

Project No.: 251208Introduction
August 2023Page 2-2

 

 

Wheeler River Project
Athabasca Basin, Saskatchewan
NI 43-101 Technical Report

 

Mr. Newman takes responsibility for the Phoenix FS sections relating to mining methods specifically relating to the freeze wall design and the parts of the summary, introduction, interpretation and conclusions, and recommendations relating to that area.

 

Mr. Revering takes responsibility for the Phoenix FS sections relating to geology and mineral resource estimation specifically geology and mineralization, deposit types, exploration, drilling, sample preparation, analyses and security, data verification, mineral resource estimates property description and location, accessibility, climate, local resources, infrastructure and physiography, history and the parts of the summary, introduction, interpretation and conclusions, and recommendations relating to those areas.

 

Mr. Schwartz takes responsibility for the Phoenix FS sections relating to data verification (metallurgical testwork), mineral processing and metallurgical testwork, recovery methods, process operating cost and the parts of the summary, introduction, interpretation and conclusions, and recommendations relating to those areas.

 

Mr. Graham takes responsibility for the Gryphon PFS sections relating to geotechnical and hydrogeological aspects of data verification and mining methods, infrastructure and the parts of the summary, introduction, interpretation and conclusions, and recommendations relating to those areas.

 

Mr. Hatton takes responsibility for the Gryphon PFS sections relating to mineral reserve estimation, mining methods, mine infrastructure, and the parts of the summary, introduction, interpretation and conclusions, and recommendations relating to those areas.

 

Mr. McCombe takes responsibility for the Gryphon PFS sections relating to data verification (metallurgical testwork), mineral processing and metallurgical testwork, recovery methods, and the parts of the summary, introduction, interpretation and conclusions, and recommendations relating to those areas.

 

Mr. Mathisen takes responsibility for the Gryphon PFS sections relating to geology and mineral resource estimation, specifically geology and mineralization deposit types, exploration, drilling, sample preparation, analyses and security, data verification, mineral resource estimates and the parts of the summary, introduction, interpretation and conclusions, and recommendations relating to those areas.

 

Mr. Wilkie takes responsibility for the Gryphon PFS sections relating to capital costs and operating costs, and the parts of the summary, introduction, interpretation and conclusions, and recommendations relating to those areas.

 

Project No.: 251208Introduction
August 2023Page 2-3

 

 

Wheeler River Project
Athabasca Basin, Saskatchewan
NI 43-101 Technical Report

 

Mr. Martin takes responsibility for the environmental studies, permitting and social or community impact section for the Project and the parts of the summary, introduction, interpretation and conclusions, and recommendations relating to those areas.

 

Mr. O’Hara takes responsibility for the Phoenix FS process, G&A and transport operating costs, economic analysis section for the Project and the parts of the summary, introduction, interpretation and conclusions, and recommendations relating to those areas.

 

2.3Site Visits

 

Mr. Johnson visited the Property from July 25 to July 29, 2022. While on the Property, Mr. Johnson visited core logging and storage facilities at the Wheeler River camp, where he reviewed drill core and core permeameter testing laboratory. Mr. Johnson examined the core from several personally selected drill holes and compared observations with permeameter test results and descriptive log records made by Denison geologists. As part of his review, Mr. Johnson visually verified hydrogeologic characteristics of the different mineralized HGUs. Mr. Johnson also walked the surface of all five phases of the Phoenix deposit and witnessed the installation and testing of the Phase 1 FFT well field downhole packer systems.

 

Mr. Myers visited the Property on September 14, 2022, arriving by aircraft which afforded an aerial view of the site, camp, existing roads and nearby highway and utility power line. Mr. Myers inspected the wellfield area and visually verified the general topography and surface conditions of the proposed construction site. He also observed the field test installation and systems in operation.

 

Mr. Schwartz visited the Property on September 14, 2022, and visited core logging and sampling facilities at the Wheeler River camp, where he examined drill core. Mr. Schwartz inspected the wellfield area and visually verified the general layout of the field test. He also inspected the onsite laboratory facilities for conducting field test sample measurements and sample preparation, and was given an overview of the process control system. Mr. Schwartz observed the field test solution injection and recovery equipment in operation. At the time of the visit, water was being injected into the test pattern and recovered water pumped to surface.

 

Mr. Revering visited the Property on September 14, 2022. Mr. Revering visited core logging and sampling facilities at the Wheeler River camp, where he reviewed drill core, and core handling, logging, sampling and storage procedures. Mr. Revering examined the core from several drill holes and compared observations with probe results and descriptive log records made by Denison geologists. As part of the review, Mr. Revering visually verified mineralization occurrences.

 

Project No.: 251208Introduction
August 2023Page 2-4

 

 

Wheeler River Project
Athabasca Basin, Saskatchewan
NI 43-101 Technical Report

 

Mr. Mathisen visited the Property on March 23 to 25, 2015, during the winter drill program in connection with the initial Gryphon mineral resource estimate, and again from September 21 to 22, 2017, during the summer drill program in relation to the current Gryphon resource estimate. Mr. Mathisen visited several drill sites and reviewed all core handling, logging, sampling, and storage procedures. Mr. Mathisen examined core from several drill holes and compared observations with assay results and descriptive log records made by Denison geologists. As part of the review, Mr. Mathisen verified the occurrences of mineralization visually and by way of a hand-held scintillometer.

 

Mr. McCombe visited the McClean Lake mill between June 5 and 6, 2018 and more recently on December 20 and 21, 2022. During his 2022 visit, he toured the McClean Lake mill operation to validate the scope of work required to process Gryphon ore at the McClean Lake mill and met with key McClean Lake mill staff.

 

Messrs. Graham, Hatton, Martin, Newman, Wilkie and O’Hara did not visit the Property because it is a greenfield site with no infrastructure or mineral processing facilities or other relevant items to be observed.

 

2.4Effective Date

 

This Report has the following effective dates:

 

·Phoenix mineral resource estimate – June 23, 2023

 

·Gryphon mineral resource estimate – August 7, 2018

 

·Phoenix mineral reserve estimate – June 23, 2023

 

·Gryphon mineral reserve estimate – September 1, 2018

 

The overall effective date for this Report is June 23, 2023.

 

2.5Information Sources

 

Reports and documents listed in Section 27 were used to support the preparation of this Report. Additional information was requested from Denison personnel where required with expert documentation referenced in Section 3.

 

Key sources of information for this Report include the following technical report:

 

Liskowich, M., Hatton, M., McCombe, M., Graves, D., Mathisen, M.B., Roscoe, W.E., Graham, G., Wilkie, G., Newman, G., Tosney, R., Royle, M., Selby, M., 2018. Prefeasibility Study Report for the Wheeler River Uranium Project Saskatchewan, Canada, effective date September 24, 2018.

 

Project No.: 251208Introduction
August 2023Page 2-5

 

 

Wheeler River Project
Athabasca Basin, Saskatchewan
NI 43-101 Technical Report

 

3.0Reliance on Other Experts

 

The QPs have relied upon Denison for information regarding legal status, marketing, and taxation. The QPs find it reasonable to rely on Denison for this expert information as they are a producing issuer of uranium in Saskatchewan.

 

3.1Legal Status

 

The QPs have not independently reviewed the legal status of the Project. They have fully relied upon, and disclaim responsibility for, information derived from Denison for the legal status of the Property in correspondence from Denison dated July 27, 2023 “Wheeler Technical Report – Section 4”.

 

This information is used in support of the property description and mineral tenure, surface and water rights, property agreements, royalties, any obligations that must be met to retain the property, and encumbrances described in Section 4, and in support of assessing reasonable prospects of eventual economic extraction of the mineral resource estimates in Section 14, and demonstrating economic viability of the mineral reserve estimates in Section 15 and in support of assumptions used in the economic analysis in Section 22.

 

3.2Marketing

 

The QPs have not independently reviewed the marketing and commodity pricing information for U3O8. The QPs have fully relied upon, and disclaim responsibility for information supplied by Denison related to marketing, including market entry strategy, and for U3O8 pricing information, which is based on the UxC, LLC (UxC) Q2 2023 Uranium Market Outlook (UxC, 2023) report.

 

This information is the basis of the U3O8 prices used in the economic analysis in Section 22 and supports the U3O8 prices and market assumptions used in the mineral resource estimates presented in Section 14 and mineral reserve estimates in Section 15.

 

Project No.: 251208Reliance on Other Experts
August 2023Page 3-1

 

 

Wheeler River Project
Athabasca Basin, Saskatchewan
NI 43-101 Technical Report

 

3.3Taxation

 

The QPs have not independently reviewed the taxation information. The QPs have fully relied upon, and disclaim responsibility for, information supplied by Denison related to taxation contained in a letter from Denison dated July 20, 2023, Re: Taxation Consideration and Tax Inputs used in the NI 43-101 Technical Report on the Wheeler River Uranium Project Athabasca Basin, Saskatchewan, Canada.

 

This company information is used in support of the sub-section on tax information and the tax inputs to the financial model that provides the after-tax analysis in Section 22 of the Report.

 

Project No.: 251208Reliance on Other Experts
August 2023Page 3-2

 

 

Wheeler River Project
Athabasca Basin, Saskatchewan
NI 43-101 Technical Report

 

4.0Property Description and Location

 

4.1Property Location

 

The Property is located in the eastern Athabasca Basin, approximately 600 km north of Saskatoon, 260 km north of La Ronge, and 110 km southwest of Points North Landing, in northern Saskatchewan (Figure 4-1). The centre of the Property is located approximately 35 km northeast of the Key Lake mill and 35 km southwest of the McArthur River mine along provincial highway 914. The Property straddles the boundaries of NTS map sheets 74H-5, 6, 11, and 12. The UTM coordinates of the approximate centre of the Property are 475,000E and 6,370,000N (NAD83, Zone 13N).

 

The Property hosts the Phoenix and Gryphon uranium deposits (Figure 4-2). The Gryphon deposit is located approximately 3 km northwest of the Phoenix deposit.

 

4.2Land Tenure

 

The Property comprises 19 contiguous mineral claims covering 11,720 ha (Claims). The Claims are held as a joint venture among Denison (DMC and DMI, 90%) and JCU (10%). The annual requirement of $293,000 in either work or cash to maintain title has been approved by the Province of Saskatchewan with the title secure until 2042 for all Claims excluding S- 98341 which is secure to 2041. The Claims are shown in Figure 4-2 and listed in Table 4-1.

 

Project No.: 251208Property Description and Location
August 2023Page 4-1

 

 

Wheeler River Project
Athabasca Basin, Saskatchewan
NI 43-101 Technical Report

 

Figure 4-1:       Wheeler River Property Location Map

 

 

 

(Source: Denison, 2022)

 

Project No.: 251208Property Description and Location
August 2023Page 4-2

 

 

Wheeler River Project
Athabasca Basin, Saskatchewan
NI 43-101 Technical Report

 

Figure 4-2:          Wheeler River Property Map

 

 

 

(Source: Denison, 2022)

 

Project No.: 251208Property Description and Location
August 2023Page 4-1

 

 

Wheeler River Project
Athabasca Basin, Saskatchewan
NI 43-101 Technical Report

 

Table 4-1:      Land Tenure Details

 

Disposition No. Area
(ha)
Annual Assessment
($)
Excess Credit
($)
Anniversary
Date
Protected
Until
S- 97677    322  8,050 152,950 7/5/2023 10/3/2042
S- 97678    335  8,375 159,125 7/5/2023 10/3/2042
S- 97690 1,087 27,175 516,325 7/5/2023 10/3/2042
S- 97894    246  6,150 116,850 7/5/2023 10/3/2042
S- 97895    314  7,850 149,150 7/5/2023 10/3/2042
S- 97896    356  8,900 169,100 7/5/2023 10/3/2042
S- 97897    524 13,100 248,900 7/5/2023 10/3/2042
S- 97907    352  8,800 167,200 7/5/2023 10/3/2042
S- 97908 1,619 40,475 769,025 7/5/2023 10/3/2042
S- 97909 1,036 25,900 492,100 7/5/2023 10/3/2042
S- 98339    362  9,050 171,950 7/5/2023 10/3/2042
S- 98340    250  6,250 118,750 7/5/2023 10/3/2042
S- 98341    802 20,050 380,948 7/5/2023 10/3/2041
S- 98342 1,016 25,400 482,600 7/5/2023 10/3/2042
S- 98343    362  9,050 171,950 7/5/2023 10/3/2042
S- 98347    939 23,475 446,025 7/5/2023 10/3/2042
S- 98348    951 23,775 451,725 7/5/2023 10/3/2042
S- 98349    540 13,500 256,500 7/5/2023 10/3/2042
S- 98350    307  7,675 145,825 7/5/2023 10/3/2042
Total 11,720   293,000    5,566,998        

 

4.3Mineral and Surface Rights

 

In the Province of Saskatchewan, mineral rights are owned and dealt with separately from surface rights.

 

The majority of mineral rights in the Province of Saskatchewan are owned by the Crown in right of Saskatchewan (Crown). In Canada, the provinces have exclusive power to make laws in relation to the development and management of non-renewable natural resources. In Saskatchewan, Crown-owned minerals are administered under The Crown Minerals Act (Crown Minerals Act) by the Saskatchewan Ministry of Energy and Resources (Ministry). Rights or interests in Crown-owned minerals may only be acquired through Crown dispositions made under the Crown Minerals Act. Crown dispositions are administered by the Ministry under various regulations depending on the nature of the mineral. The Mineral Tenure Registry Regulations (Saskatchewan) (MTR Regulations), made under the Crown Minerals Act, apply to all Crown minerals except those that are specifically excepted and, for clarity the MTR Regulations apply to uranium.

 

Project No.: 251208Property Description and Location
August 2023Page 4-2

 

 

Wheeler River Project
Athabasca Basin, Saskatchewan
NI 43-101 Technical Report

 

All of the Claims comprising the Property are mineral claims granted by the Ministry under the MTR Regulations. A mineral claim grants to the holder the exclusive right to explore for any Crown minerals that are subject to the MTR Regulations within the claim lands. A claim does not grant the holder the right to extract, recover, remove, or produce minerals from the permit lands except for the purposes of assaying and testing and for metallurgical, mineralogical, or other scientific studies. The term of a claim is one year and, subject to the holder's compliance with the Crown Minerals Act and the MTR Regulations, is continued from year to year after the initial term. The holder of a claim must satisfy certain expenditure requirements and assessment work reporting as set forth in the MTR Regulations.

 

A mineral claim that is in good standing may be converted to a mineral lease under the MTR Regulations. A mineral lease grants to the holder the exclusive right to explore for, mine, work, recover, procure, remove, carry away and dispose of any Crown minerals that are subject to the MTR Regulations within the lease lands. The term of a mineral lease is ten years and, subject to the holder's compliance with the Crown Minerals Act and the MTR Regulations, may be renewed for a further subsequent periods of ten years. The holder of a claim must satisfy certain expenditure requirements and assessment work reporting as set forth in the MTR Regulations and, in addition, the holder of a lease shall pay an annual rental fee as set forth in the MTR Regulations.

 

A mineral claim granted pursuant to the Crown Minerals Act does not grant the holder a right to enter upon or use the surface of the lands described or referred to in the mineral claim. The holder of a mineral claim is required to obtain further rights from the owner of the surface lands to access the surface lands, if such access is required by the holder.

 

Most surface rights in the area of the Province of Saskatchewan in which the Property is located are vested in the Crown. Subject to certain exceptions, surface rights vested in the Crown are administered under The Provincial Lands Act, 2016 (Provincial Lands Act) by the Ministry of the Environment (MOE). In particular, resource land dispositions (including mineral surface lease agreements) may be granted by the MOE under The Crown Resource Land Regulations, 2019 (made under the Provincial Lands Act). Resource land dispositions may be issued for a maximum term of 33 years and are subject to all of the terms and conditions set forth in the Provincial Lands Act and the Regulations (including conditions addressing rent, impact mitigation plans and reclamation and restoration obligations).

 

Project No.: 251208Property Description and Location
August 2023Page 4-3

 

 

Wheeler River Project
Athabasca Basin, Saskatchewan
NI 43-101 Technical Report

 

4.4Royalties and Other Encumbrances

 

The Property is subject to royalties on mineral sales and profits levied by the Province of Saskatchewan (refer to Section 22).

 

The joint venture is also subject to a 10% net profit interest (NPI) associated with selling mineral concentrates derived from ore mined from the Property. The obligation to pay the NPI is borne by the joint venture participants in proportion to their respective participating interests. The joint venture participants also share the benefit of receiving the NPI in a proportion that may be slightly different from their respective participating interests. The NPI does not affect the economics of the Project on a 100% basis.

 

4.5Environmental and Permitting Considerations

 

Denison has recognized certain environmental liabilities associated with the Property in connection with historical and current operations, including without limitation, exploration activities, camp facilities and the FFT.

 

For the conduct of its work on the Property to-date, Denison has obtained all permits known to be required. The advancement of the Property will be subject to comprehensive permitting, approvals and licensing processes. Environmental and permitting considerations for future work are discussed in detail in Section 20.

 

4.6Significant Factors and Risks

 

According to the investment attractiveness index discussed in the 2022 Fraser Institute Annual Survey of Mining Companies (Mejia and Aliakbari, 2023), Saskatchewan is ranked number three out of 62 jurisdictions in the world ranking of investment attractiveness index for favourable mining jurisdictions for investment.

 

Messrs. Revering and Mathisen are not aware of any significant factors and risks that may affect access, title, or the right or ability to perform the proposed work program on the Property other than what is discussed in this Report.

 

Project No.: 251208Property Description and Location
August 2023Page 4-4

 

 

Wheeler River Project
Athabasca Basin, Saskatchewan
NI 43-101 Technical Report

 

5.0Accessibility, Climate, Local Resources, Infrastructure and Physiography

 

5.1Accessibility

 

Access to the Property and deposits is by road, helicopter, or fixed-wing aircraft from Saskatoon. Vehicle access to the Property is by Highway 914, which terminates at the Key Lake mill. The haul road between the Key Lake and McArthur River operations lies within the eastern part of the Property.

 

In 2021, Denison resurfaced the 7.2 km access road (highlighted in yellow in Figure 4-2) from km36 (turn off from Highway 914) to the Phoenix site to facilitate regular vehicle travel and heavy equipment mobilization and demobilization from the site. The sand and gravel used to resurface the road were sourced in very close proximity to the Property. The Fox Lake Road (Figure 4-2) between Key Lake and McArthur River provides access to most of the northwestern side of the Property. Gravel and sand roads and drill trails provide access by either four-wheel-drive or all-terrain vehicles to the rest of the Property.

 

5.2Climate

 

The climate is typical of the continental sub-arctic region of northern Saskatchewan, with temperatures ranging from +32°C in summer to -50°C in winter. Winters are long and cold, with mean monthly temperatures below freezing for seven months of the year. Winter snowpack averages 70 to 90 cm. Field operations are possible year-round, except for limitations imposed by lakes and swamps and the periods of break-up and freeze-up. Freezing of surrounding lakes, in most years, begins in November, and break-up occurs around the middle of May. The average frost-free period is approximately 90 days.

 

The average annual precipitation for the region is approximately 450 mm, of which 70% falls as rain, with more than half occurring from June to September. Snow may occur in all months but rarely falls in July or August. The prevailing annual wind direction is from the west, with a mean speed of 12 km/h.

 

5.3Local Resources and Infrastructure

 

La Ronge is the nearest commercial and urban locality where most exploration supplies and services can be obtained. Rise Air offers daily, scheduled flight services between Saskatoon and La Ronge, located approximately 600 km and 260 km, respectively, south of the Property. Most company employees work on a two-week rotation schedule.

 

Project No.: 251208Accessibility, Climate, Local Resources, Infrastructure and Physiography
August 2023Page 5-1

 

 

Wheeler River Project
Athabasca Basin, Saskatchewan
NI 43-101 Technical Report

 

To support the local economy, Denison has made a commitment to utilize local businesses whenever possible. Many of these local businesses are also Indigenous-owned. However, given the nature of Denison’s remote operations mining supplies and labour will need to be sourced from major centres such as Saskatoon, Regina, and possibly others.

 

The Property is well located with respect to all-weather roads and the provincial power grid. Most significantly, the operating Key Lake mill complex is approximately 35 km south of the Property.

 

Field operations are currently conducted from Denison’s Wheeler River camp, 4 km south of Gryphon and 3 km southwest of Phoenix (Figure 4-2) and operate year-round. The camp provides accommodation for up to 40 exploration personnel. Fuel and miscellaneous supplies are stored in the existing warehouse and tank facilities at the camp. The site generates its own power. Abundant water is available from the numerous lakes and rivers in the area. It is expected that any future mining operations will operate year-round.

 

There are sufficient surface rights for the planned future mining operations, including sufficient land to construct various facilities including potential waste disposal areas and the process plant.

 

5.4Physiography

 

The Property is characterized by a relatively flat till plain with elevations ranging from 477 to 490 masl. Throughout the area, there is a distinctive north-easterly trend to landforms resulting from the passage of Pleistocene glacial ice from the northeast to the southwest. The topography and vegetation at the Property are typical of the taiga forest common to the Athabasca Basin area of northern Saskatchewan.

 

The area is covered with overburden from 0 to 119 m in thickness. The terrain is gently rolling and characterized by forested sand and dunes. Vegetation is dominated by black spruce and jack pine, with occasional small stands of white birch occurring in more productive and well-drained areas. Lowlands are generally well drained but can contain some muskeg and poorly drained bog areas with vegetation varying from wet, open, non-treed vistas to variable density stand of primarily black spruce and tamarack, depending on moisture and soil conditions. Lichen growth is common in this boreal landscape, mostly associated with mature coniferous stands and bogs.

 

Project No.: 251208Accessibility, Climate, Local Resources, Infrastructure and Physiography
August 2023Page 5-2

 

 

Wheeler River Project
Athabasca Basin, Saskatchewan
NI 43-101 Technical Report

 

6.0History

 

6.1Prior Ownership

 

The Property was staked on July 6, 1977, due to its proximity to the Key Lake uranium discoveries, and was vended into an agreement on December 28, 1978, among AGIP Canada Ltd. (AGIP), E&B Explorations Ltd. (E&B), and Saskatchewan Mining Development Corporation (SMDC), with each holding a one-third interest. On July 31, 1984, all parties divested a 13.3% interest and allowed Denison Mines Limited, a predecessor company to Denison, to earn a 40% interest. On December 1, 1986, E&B allowed PNC Exploration (Canada) Co. Ltd. (PNC) to earn a 10% interest from one-half of its 20% interest. In the early 1990s, AGIP sold its 20% interest to Cameco, a successor to SMDC. In 1996, Imperial Metals Corporation, a successor to E&B, sold an 8% interest to Cameco and a 2% interest to PNC. Participating interests in 2004 were Cameco 48%, JCU 12% (a successor to PNC), and Denison 40%.

 

In late 2004, Denison entered into an agreement to earn a further 20% interest by spending $7 million within six years. When the earn-in obligations were completed, the participating interests were Denison 60%, Cameco 30%, and JCU 10%. Since November 2004, Denison has been the operator of the WRJV.

 

In January 2017, Denison executed an agreement with the partners of the WRJV that could increase Denison’s ownership to approximately 66% by the end of 2018. Under the terms of the agreement, the joint venture parties had agreed to allow for a one-time election by Cameco to fund 50% of its ordinary share of joint venture expenses in 2017 and 2018. Denison funded the shortfall in Cameco's contribution in exchange for a transfer of a portion of Cameco's interest. Accordingly, Denison's share of joint venture expenses was 75% in 2017 and 2018, and Cameco and JCU's share of joint venture expenses was 15% and 10%, respectively.

 

On January 31, 2018, Denison announced that it had increased its interest in the Wheeler River project, based on spending during 2017, from 60% to 63.3% in accordance with this agreement.

 

In September 2018, Denison and Cameco entered into an agreement under which Denison would increase its ownership interest to 90% by acquiring 100% of Cameco’s minority interest in the Wheeler River project. Denison’s acquisition of Cameco’s interest was completed effective October 26, 2018. As a result, the Wheeler River project was held by Denison (90%) and JCU (10%).

 

Project No.: 251208History
August 2023Page 6-1

 

 

Wheeler River Project
Athabasca Basin, Saskatchewan
NI 43-101 Technical Report

 

In August 2021, Denison acquired an additional 5% indirect interest in the Wheeler River project through the acquisition of a 50% ownership interest in JCU. Denison currently has an effective 95% ownership interest in the Wheeler River project (90% directly and 5% indirectly through 50% ownership in JCU).

 

6.2Exploration and Development History

 

Excluding the years 1990 to 1994, exploration activities comprising airborne and ground geophysical surveys, geochemical surveys, prospecting, and diamond drilling have continuously been carried out on the Wheeler River property from 1978 to present (Figure 6-1).

 

After the discovery of the Key Lake mine in 1975/1976, the Key Lake exploration model (Dahlkamp and Tan, 1977) has emphasized the spatial association between uranium deposition at, immediately above, or immediately below the unconformity with graphitic pelitic gneiss units in the basement subcrop under the basal Athabasca sandstone. The graphitic pelitic gneiss units are commonly intensely sheared and are highly conductive in contrast to the physically more competent adjoining rock types that include semipelitic gneiss, psammite, meta-arkose, or granitoid gneiss. From the late 1970s to the present, the Key Lake model has helped discover blind uranium deposits throughout the Athabasca Basin (Jefferson et al., 2007), although it is worth noting that the vast majority of electromagnetic (EM) conductors are unmineralized.

 

Following the Key Lake exploration model, EM techniques were the early geophysical methods of choice for the Wheeler River property area from 1978 to 2004. More than 152-line km of EM conductors have been delineated on the Property to depths of 1,000 m through the quartz-rich Athabasca Group sandstones that are effectively transparent from an EM perspective. These conductors or conductor systems were assigned a unique designation, and follow-up exploration drilling successfully identified several zones of uranium mineralization.

 

In 1982, AGIP discovered the MAW Zone. This alteration system contains rare earth element (REE) mineralization in a structurally disrupted zone which extends from the unconformity to the present surface. There is no evidence of uranium mineralization. The REE mineralization contains yttrium values greater than 2.0%, boron values up to 2.5%, and total rare earth oxide (REO) up to 8.1%.

 

In 1985, SMDC drilled ZK-02 to test a moderate transient electromagnetic (UTEM) conductor axis in a previously unexplored area along the K-North conductor, which is now known as Gryphon. The drill hole intersected several zones of hydrothermal alteration in the sandstone indicating that the conductor was likely overshot and thus lay grid east of ZK-02.

 

Project No.: 251208History
August 2023Page 6-2

 

 

Wheeler River Project
Athabasca Basin, Saskatchewan
NI 43-101 Technical Report

 

Figure 6-1:         Wheeler River Property Historical Work Overview and Exploration Target Areas

 

 

 

(Source: Denison, 2023)

 

Project No.: 251208History
August 2023Page 6-3

 

 

Wheeler River Project
Athabasca Basin, Saskatchewan
NI 43-101 Technical Report

 

In 1986, SMDC intersected uranium mineralization associated with Ni-Co-As sulphides at the unconformity in the M Zone and also discovered uranium mineralization at the O Zone, which is associated with a 72 m vertical unconformity offset.

 

In 1988, Cameco drilled ZK-04 and ZK-06 on the same drill section as ZK-02 to test for the UTEM conductor and follow up on the sandstone alteration. Hole ZK-04 was drilled 120 m grid east of ZK-02, and hole ZK-06 was drilled 35 m grid west of ZK-04. In drill hole ZK-04, a major basement fault structure was intersected from 572.6 to 603.2 m, with associated strong hydrothermal alteration and a 9.8 m radioactive zone from 581.7 to 591.5 m. Moderate to strong hydrothermal alteration and associated fault gouges and fracturing continued to the end of the hole at 631 m (approximately 112 m below the unconformity surface).

 

Hole ZK-06 was drilled up-dip of ZK-04 in an attempt to locate the up-dip and unconformity extension of the mineralization intersected in drill hole ZK-04. Two significant zones of weak mineralization and elevated radioactivity were intersected within a 12.1 m zone, 11 to 50 m below the unconformity. Intense alteration, fracturing, and faulting in the sandstone were noted, as well as alteration and structure extending approximately 50 m into the basement rocks. Hole ZK-06 was thought to have intersected the unconformity target, and no follow-up was conducted for several years.

 

From 1995 to 1997, exploration by Cameco identified intense alteration and illitic and dravitic geochemical enrichment associated with major structures in both the sandstone and the basement and a significant unconformity offset associated with the quartzite ridge, which had been delineated as a result of drilling the Q conductor system.

 

In 1998, further drilling was carried out at the Q Zone and at the R Zone (the Phoenix deposit area). Two drill holes were abandoned in sandstone at the R Zone due to quartz dissolution (desilicification). The possibility that this sandstone alteration might be of significance was not emphasized at the time.

 

In 1999, a geological setting similar to McArthur River’s P2 trend was intersected at the WC Zone, where faulted graphite-pyrite pelitic gneiss overlay the quartzite ridge. Cameco noted extensive dravite (boron) alteration in the overlying sandstones.

 

In 2001, Cameco drilled ZK-23, testing the K1A stepwise moving loop (SWML) conductor approximately 250 m grid east of the ZK-02/ZK-04/ZK-06 drill fence in what is now the Gryphon area. The drill hole intersected a wide zone of structural disruption within the sandstone 40 m above the unconformity. The conductive response was explained by a wide zone of moderately graphitic-pyritic pelitic gneisses. No unconformity or basement mineralization was intersected, and no follow-up drill holes were recommended.

 

Project No.: 251208History
August 2023Page 6-4

 

 

Wheeler River Project
Athabasca Basin, Saskatchewan
NI 43-101 Technical Report

 

In 2002, drill hole WR-185 intersected a 175 m unconformity offset along the west contact of the quartzite ridge. This area was the initial focus of the WRJV after Denison became the operator in 2004.

 

In 2003, 61 shallow RC holes were drilled, targeting the sandstone/overburden interface exploring for alteration zones in the upper sandstone. No anomalies were detected. Drill hole WR-190A tested the WS UTEM conductor and was abandoned at 364 m due to deteriorating drilling conditions. This drill hole is located only 90 m from the eventual Phoenix discovery drill hole WR-249. Noticeable desilicification and bleaching of the sandstone were present, but no noteworthy geochemical anomalies were identified. A direct current (DC) resistivity survey was also completed to map trends of alteration within the Athabasca sandstones and underlying basement rocks that might be related to uranium mineralization.

 

6.3Past Production

 

To date, no production has occurred on the Property, and the Property is still at the advanced exploration stage.

 

Project No.: 251208History
August 2023Page 6-5

 

 

Wheeler River Project
Athabasca Basin, Saskatchewan
NI 43-101 Technical Report

 

7.0Geological Setting and Mineralization

 

7.1Regional Geology

 

7.1.1General

 

The Phoenix and Gryphon uranium deposits are located near the southeastern margin of the Athabasca Basin in the southwest part of the Churchill Structural Province of the Canadian Shield (Figure 7-1). The Athabasca Basin is a broad, closed, and elliptically shaped cratonic basin approximately 425 km east-west by 225 km north-south. The bedrock geology of the area consists of Archean and Paleoproterozoic gneisses unconformably overlain by up to 1,500 m of flat-lying, unmetamorphosed sandstones and conglomerates of the mid-Proterozoic Athabasca Group. The property is located near the transition zone between two prominent litho-structural domains within the Precambrian basement: the Mudjatik Domain to the west and the Wollaston Domain to the east.

 

The Mudjatik Domain is characterized by elliptical domes of Archean granitoid orthogenesis separated by keels of metavolcanic and metasedimentary rocks. In contrast, the Wollaston Domain is characterized by tight to isoclinal, north-easterly trending, doubly plunging folds developed in Paleoproterozoic metasedimentary rocks of the Wollaston Supergroup (Yeo and Delaney, 2007), which overlie Archean granitoid orthogenesis identical to those of the Mudjatik Domain.

 

A major northeast-striking fault system of the Hudsonian Age cuts the area. The faults occur predominantly in the basement rocks but often extend into the Athabasca Group due to several periods of post-depositional movement. Diabase sills and dykes up to 100 m in width have intruded into both the Athabasca rocks and the underlying basement. They are presumed to be part of the 1.27 Ga Mackenzie dyke swarm, which is relatively common in the Athabasca Basin (Quirt, 1995).

 

7.1.2Metamorphosed Basement

 

The basement rocks underlying the Athabasca Group have been divided into three tectonic domains: the Western Craton, the Cree Lake Mobile Zone, and the Rottenstone Complex (Figure 7-1 and Figure 7-2). The central Cree Lake Mobile Zone is bounded in the northwest by the Virgin River Shear and Black Lake fault and in the southeast by the Needle Falls Shear Zone.

 

Project No.: 251208Geological Setting and Mineralization
August 2023Page 7-1

 

 

Wheeler River Project
Athabasca Basin, Saskatchewan
NI 43-101 Technical Report

 

Figure 7-1:      Regional Geology and Uranium Deposits

 

 

 

(Source: modified after Saskatchewan Geological Survey, 2021)

 

Project No.: 251208Geological Setting and Mineralization
August 2023Page 7-2

 

 

Wheeler River Project
Athabasca Basin, Saskatchewan
NI 43-101 Technical Report

 

Figure 7-2:     Simplified Geological Map of Athabasca Basin

 

 

 

(Source: modified after Jefferson et al., 2007b)

 

The Cree Lake Mobile Zone has been further subdivided into the Mudjatik Domain in the west and the Wollaston Domain in the east. The lithostructural character of these domains is the result of the Hudsonian Orogeny, in which an intense thermo-tectonic period remobilized the Archean age rocks and led to intensive folding of the overlying Aphebian-age supracrustal metasedimentary units. The Mudjatik Domain represents the orogenic core and comprises non-linear, felsic, granitoid to gneissic rocks surrounded by subordinate thin gneissic supracrustal units. These rocks, which have reached granulite-facies metamorphic grades, usually occur as broad domal features. The adjacent Wollaston Domain consists of Archean granitoid gneisses overlain by an assemblage of aphebian pelitic, semipelitic, and arkosic gneisses, with minor interlayered calc-silicate rocks and quartzites. An upper assemblage of semipelitic and arkosic gneisses with magnetite-bearing units overlies these rocks.

 

The Wollaston Domain basement rocks are unconformably overlain by flat-lying, unmetamorphosed sandstones and conglomerates of the Helikian age Athabasca Group, a major aquifer in the area.

 

Project No.: 251208Geological Setting and Mineralization
August 2023Page 7-3

 

 

Wheeler River Project
Athabasca Basin, Saskatchewan
NI 43-101 Technical Report

 

7.1.3Athabasca Group

 

The Athabasca Group sediments consist of unmetamorphosed pink to maroon quartz-rich pebbly conglomerate and red siltstone of the Read Formation and maroon quartz-pebble conglomerate, maroon to white pebbly sandstone, sandstone and clay-clast-bearing sandstone belonging to the Manitou Falls Formation. The sandstone is poorly sorted near the base, where conglomerates form discontinuous layers of variable thickness. Minor shale and siltstone occur in the upper half of the succession. Locally, the rocks may be silicified and indurated or partly altered to clay and softened. Despite having a simple composition, their diagenetic history is complex (Jefferson et al., 2007a). The predominant regional background clay is dickite.

 

The basin is interpreted to have developed from a series of early northeast-trending fault-bounded sub-basins that coalesced. The topographic profile of the unconformity suggests a gentle inward slope in the east, moderate to steep slopes in the north and south, and a steeper slope in the west.

 

Subdivisions of the Athabasca Group in the eastern part of the basin (Figure 7-2) include four members from bottom to top:

 

·Read Formation (formerly the MFa Member) - a sequence of poorly sorted sandstone and minor conglomerate.

 

·Bird Member (MFb) - interbedded sandstone and conglomerate distinguished from the underlying Read Formation and overlying Collins Member (MFc) by the presence of at least 1% to 2% conglomerate in beds thicker than 2 cm.

 

·Collins Member (MFc) - a sandstone with rare clay intraclasts.

 

·Dunlop Member (MFd) - a fine-grained sandstone with abundant (>1%) clay intraclasts.

 

7.1.4Quaternary Deposits

 

In the eastern Athabasca Basin, Quaternary glacial deposits up to 130 m thick drape bedrock topography of ridges, typically associated with granitic gneiss domes and structurally controlled valleys (Campbell, 2007). At least three tills, locally separated by stratified gravel, sand, and silt, can be distinguished. The dominant ice-flow direction was southwesterly, but a late glacial re-advance was southerly in the eastern parts of the basin and westerly along its northern edge.

 

Project No.: 251208Geological Setting and Mineralization
August 2023Page 7-4

 

 

Wheeler River Project
Athabasca Basin, Saskatchewan
NI 43-101 Technical Report

 

7.2Local and Property Geology

 

7.2.1General

 

The Property lies in the eastern part of the Athabasca Basin, where undeformed, late Paleoproterozoic to Mesoproterozoic sandstone, conglomerate, and mudstone of the Athabasca Group unconformably overlie early Paleoproterozoic and Archean crystalline basement rocks, as described below. The local geology of the property is very much consistent with the regional geology described above.

 

7.2.2Basement Geology

 

Basement rocks beneath the Phoenix and Gryphon deposits are part of the Wollaston Domain and are comprised of metasedimentary and granitoid gneisses (Figure 7-3). The metasedimentary rocks belong to the Wollaston Supergroup and include graphitic and non-graphitic pelitic and semipelitic gneisses, meta-quartzite, and rare calc-silicate rocks together with felsic and quartz feldspathic granitoid gneisses. These metasedimentary rocks are interpreted to belong to the Daly Lake Group (Yeo and Delaney, 2007). Pegmatitic segregations and intrusions are common in all units, with garnet, cordierite, and sillimanite occurring in the pelitic strata, indicating an upper amphibolite grade of metamorphism.

 

Graphitic pelitic gneiss and quartzite units play essential roles in the genesis of Athabasca Basin unconformity-type deposits (Jefferson et al., 2007a). Thus, the presence of extensive subcrop of both units: 18 km of quartzite and 152 line-km of conductors (assumed to be graphitic pelitic gneiss), dramatically enhances the exploration potential of the Property.

 

All of these rock types have a low magnetic susceptibility. The metasedimentary rocks are flanked by and intercalated with granitoid gneisses, some of which have a relatively high magnetic susceptibility. Some of these granitoid gneisses are Archean (Card et al., 2007). Prior to extensive drilling, the interpretation of basement geology depends heavily on airborne magnetic data combined with airborne and ground EM interpretation.

 

A Paleoweathered Zone, generally from 3 to 10 m thick but locally up to 40 m thick along major fault structures, is superimposed on the crystalline basement rocks and occurs immediately below the unconformity. This zone is characterized by a red hematitic regolith downgrading through a green chloritic zone to fresh rock (Jefferson et al., 2007a).

 

Project No.: 251208Geological Setting and Mineralization
August 2023Page 7-5

 

 

Wheeler River Project
Athabasca Basin, Saskatchewan
NI 43-101 Technical Report

 

Figure 7-3:      Wheeler River Property Basement Geology

 

 

 

(Source: Denison, 2022)

 

7.2.3Athabasca Group

 

Mostly undeformed late Paleoproterozoic to Mesoproterozoic Athabasca Group strata comprised of Manitou Falls and Read Formation sandstones and conglomerates unconformably overlie the crystalline basement. They have a considerable range in thickness (Figure 7-4) from 170 m over the quartzite ridge to at least 560 m on the western side of the Property.

 

Project No.: 251208Geological Setting and Mineralization
August 2023Page 7-6

 

 

Wheeler River Project
Athabasca Basin, Saskatchewan
NI 43-101 Technical Report

 

Figure 7-4:     Schematic Cross-section of Wheeler River Athabasca and Basement Rock Types and the Phoenix and Gryphon Deposits

 

 

 

(Source: Denison, 2022)

 

The Manitou Falls Formation is locally separated from the underlying Read Formation by a paraconformity and comprises three units, the MFb, MFc, and MFd, which are differentiated based on conglomerates and clay intraclasts (Bosman and Korness, 2007; Ramaekers et al., 2007). The thickness of the Read Formation ranges from zero metres at the north end of the property and over parts of the quartzite ridge to 200 m west of the quartzite ridge. The thickness of the MFb, which is absent above the quartzite ridge, is as much as 210 m in the northeastern part of the property. The MFc unit is a relatively clean sandstone with locally scattered granules or pebbles and one-pebble-thick conglomerate layers interpreted as pebble lag deposits. The MFc ranges in thickness from 30 to 150 m. The MFd is distinguished from the underlying MFc sandstone by the presence of at least 0.6% clay intraclasts (Bosman and Korness, 2007). The MFd is up to 140 m thick and is typically buff-coloured, medium to coarse-grained, quartz-rich and cemented by silica, kaolinite, illite, sericite, or hematite. Alteration of the sandstone is noted along much of the Phoenix deposit trend.

 

Variations in the thickness of the Athabasca sub-units reflect syndepositional subsidence. In particular, the thinning of the Read Formation towards the quartzite ridge, and the absence of both the Read Formation and the MFb over much of the ridge, indicate syn-Read uplift of the latter along the thrust fault that bounds it to the west. This is supported by the Read Formation sedimentary breccia, interpreted as a fault-scarp talus deposit along the western margin of the ridge.

 

Project No.: 251208Geological Setting and Mineralization
August 2023Page 7-7

 

 

Wheeler River Project
Athabasca Basin, Saskatchewan
NI 43-101 Technical Report

 

Although the predominant regional background clay in the Athabasca Basin is dickite, the property lies within a broad illite anomaly trending north-easterly from Key Lake through the McArthur River area (Earle and Sopuck, 1989). Chlorite and dravite are also relatively common in sandstones within this zone.

 

The topography of the sub-Athabasca basement varies dramatically across the property. From elevations of 160 to 230 masl along its southeastern edge, the unconformity rises gently to a pronounced north-easterly trending ridge up to 350 masl, coincident with the subcrop of a quartzite unit in the crystalline basement. The unconformity surface drops steeply westward to as low as 30 m below sea level. The unconformity surface is less variable in the northern part of the property, ranging from 40 masl in the northeast to 200 masl in the northwest.

 

The west side of the quartzite unit forms a prominent topographic scarp, rising to 200 m above the sub-Athabasca unconformity lying to the west. The breccia of angular quartzite blocks, centimetres to metres in size, with a finely laminated sandstone matrix, have been intersected in numerous drill holes along the western margin (footwall) of the quartzite ridge. The quartzite breccia is often intimately associated with uranium mineralization that occurs at numerous locations along the footwall of the quartzite unit.

 

The Athabasca sandstones were deposited as a succession of sandy and gravelly braided river deposits in westward-flowing streams. The conglomerates typical of MFb indicate increased stream competence due to increased flow (i.e., higher precipitation) or increased subsidence. The mud chips typical of MFd are fragments of thin mud beds deposited from suspension during the late stages of a flood and reworked by the next one. Hence, they indicate intermittent, possibly seasonal, stream flow (Liu et al., 2011).

 

7.2.4Quaternary Deposits

 

The Property is partially covered by lakes and muskeg, which overlie a complex succession of glacial deposits up to 130 m in thickness. These include eskers and outwash sand plains, well-developed drumlins, till plains, and glaciofluvial plain deposits (Campbell, 2007). The orientation of the drumlins reflects southwesterly ice flow.

 

7.2.5Structural Geology

 

The Property lies in the Wollaston Domain, a northeast-trending fold and thrust belt with recumbently folded, early Paleoproterozoic, Wollaston Supergroup metasedimentary rocks intercalated with granitoid gneisses, some of which are of Archean age.

 

Project No.: 251208Geological Setting and Mineralization
August 2023Page 7-8

 

 

Wheeler River Project
Athabasca Basin, Saskatchewan
NI 43-101 Technical Report

 

Numerous hypothetical structural models have been proposed for the Property. The simplest model infers a southeast dipping homocline. The presence of mechanically competent quartzite units, as well as the bounding units of competent granitoid gneiss, together with the many kilometres of relatively incompetent graphitic pelitic gneiss, provides a situation for the extensive development of thrust and strike-slip/wrench fault tectonics, as well as later normal faults, at competent/incompetent interfaces (Liu et al., 2011). A northwesterly trending diabase dyke, probably part of the 1.27 Ga Mackenzie dyke swarm, cuts across the sandstones on the northern part of the Property.

 

7.3Phoenix

 

Uranium mineralization at Phoenix generally occurs at the Athabasca Basin unconformity at depths ranging from 390 m to 420 m. It is interpreted to be structurally controlled by the northeast-southwest trending (052° azimuth) WS Shear, which dips about -58° to the southeast on the east side of the quartzite ridge. Mineralization is separated into three zones (Zone A, B C and D), with Zone A hosting most of the mineralization (Figure 7-5). No mineral resources have been declared for Zones C and D to date.

 

The quartzite ridge forms an interpreted structural barrier and mineralizing fluid trap to the footwall of Phoenix and dominates the basement geology in the area. The basement units exhibit variable dips from -36° to -59° to the southeast, averaging -50°, with undulating azimuth between 028° to 048°. Immediately overlying the quartzite (QZIT) is a garnetiferous pelitic gneiss (GTPL), which varies from 7 to 60 m in thickness. This generally competent and unmineralized unit contains distinctive porphyroblastic garnets and acts as a marker horizon. Overlying the garnetiferous pelitic gneiss is a graphitic pelitic gneiss (GFPL) in which the graphite content varies from 1% to 40%. The graphitic pelitic gneiss is approximately 5 m wide in the southwest, increases to approximately 70 m at Zone A and is 50 m wide at the northeast extremity. Overlying the graphitic pelitic gneiss is a massive, non-graphitic pelitic gneiss unit (PELT) and semi-pelitic gneiss in the northeast (SMPL).

 

Project No.: 251208Geological Setting and Mineralization
August 2023Page 7-9

 

 

Wheeler River Project
Athabasca Basin, Saskatchewan
NI 43-101 Technical Report

 

Figure 7-5:      3D View of the Phoenix Mineralized Zones and the WS Shear (looking northeast) Projected onto the Basement Geology

 

 

 

(Source: Denison, 2022)

 

Note: Zone D is not shown.

 

The intensity of the uranium mineralization, along with the intense alteration associated with the mineralizing event, often makes it incredibly difficult to identify the unconformity in the drill core.

 

Project No.: 251208Geological Setting and Mineralization
August 2023Page 7-10

 

 

Wheeler River Project
Athabasca Basin, Saskatchewan
NI 43-101 Technical Report

 

The unconformity surface has been interpreted primarily using field logs. However, immobile element ratios (specifically ZrO2 / (TiO2)2) were used in some cases where it was difficult to distinguish the original lithologies due to intense mineralization and alteration (Figure 7-6). A property-wide review of geochemical and core logging data found that ratios were the most accurate in picking the location of the unconformity in both altered and unaltered drill core.

 

Figure 7-6:     Intense Clay Alteration Straddling the Unconformity in WR-535

 

 

 

(Source: Denison, 2013)

 

7.3.1Mineralization

 

The Phoenix uranium deposit can be classified as an unconformity-associated deposit of the unconformity-hosted variety. The deposit straddles the sub-Athabasca unconformity approximately 400 m below surface and comprises three zones (A, B, C) which cover a strike length of about 1.1 km. Zones A and B comprise an exceptionally high-grade core, averaging 46.0% and 22.3% U3O8, respectively. A lower-grade shell surrounds the high-grade core. The deposit is interpreted to be structurally controlled by the WS Shear, a prominent basement thrust fault which occurs footwall to a graphitic-pelite and hangingwall to a garnetiferous pelite and quartzite unit. A minor amount of basement, fracture-hosted mineralization is present, extending below the north part of Zone A (Figure 7-7). The basement mineralization at Zone A occurs within local dilation zones near both ends of the deposit associated with the interpreted cross faults.

 

The mineralization within the Phoenix deposit is dominated by massive to semi-massive uraninite associated with an alteration assemblage comprising hematite, dravitic tourmaline, illite and chlorite. Secondary uranium minerals, including uranophane and sulphides, are trace in quantity. Average nickel, cobalt, and arsenic concentrations are at the low end of the range found in other uranium deposits in the Athabasca basin.

 

Project No.: 251208Geological Setting and Mineralization
August 2023Page 7-11

 

 

Wheeler River Project
Athabasca Basin, Saskatchewan
NI 43-101 Technical Report

 

Phoenix Zones A and B exhibit elevated concentrations of certain rare earth elements (REEs). While there is a strong correlation between the REEs and uranium mineralization, the correlation between heavy rare earth elements (HREEs) and the high-grade uranium domains is comparatively stronger than the correlation between high-grade uranium mineralization and light rare earth elements (LREEs).

 

Figure 7-7:      Type Cross-section View of Zone a Low-grade and High-grade Mineralization with the Interpreted Basement Roots

 

 

 

(Source: Denison, 2023)

 

7.3.2Alteration

 

At Phoenix, typical unconformity-associated alteration is evident, with a form and nature similar to other Athabasca Basin unconformity-associated deposits. The sandstones are altered for as much as 250 m above the unconformity and exhibit varying degrees of silicification and desilicification, which causes many technical drilling problems, as well as dravitization, kaolinitization, chloritization, and illitization (Figure 7-8). In addition, hydrothermal hematite and druzy quartz are present in the sandstone and commonly in the basement rocks. Alteration is focused along structures propagating upward from the WS Shear and associated splays and generally does not exceed 100 m width across strike, making this a relatively narrow exploration target. The basement in the northeast part of the Phoenix deposit is much more extensively bleached and clay altered compared to the basement in the southwest.

 

Project No.: 251208Geological Setting and Mineralization
August 2023Page 7-12

 

 

Wheeler River Project
Athabasca Basin, Saskatchewan
NI 43-101 Technical Report

 

Sandstone alteration is typically much stronger and widely distributed above Zone A, associated with a reduced environment indicated by the strong presence of sooty pyrite. Alteration diminishes in intensity along strike to the southwest. In general, sandstone alteration above Zone B and Zone C is half the amplitude and intensity of Zone A, with a less pronounced damage zone above the unconformity. Zone B and Zone C also exhibit a prominent oxidized environment, as indicated by the strong presence of hydrothermal hematite, primarily overprinting the basement sequence directly underlying the unconformity.

 

Figure 7-8:      Schematic Cross-section Illustrating Typical Unconformity-associated Alteration at the Phoenix Deposit

 

 

 

(Source: Denison, 2022)

 

Project No.: 251208Geological Setting and Mineralization
August 2023Page 7-13

 

 

Wheeler River Project
Athabasca Basin, Saskatchewan
NI 43-101 Technical Report

 

7.3.2.1Total Clay Content Estimation

 

Understanding the extent and distribution of clay alteration within the Phoenix deposit is an integral component of ISR mine design and planning as it relates to the matrix permeability of the rock mass. The HGUs within the Phoenix mineralized zones have been defined based on the estimated total clay content within the deposit. The total clay content estimation within and surrounding the deposit was conducted using a normative clay mineralogy assessment technique (Quirt, 1995).

 

Normative clay mineralogy was calculated in weight percent from the sandstone lithogeochemical analyses based on major oxide elements and boron ratios in the clay minerals common at Phoenix. The Al2O3, Fe2O3, K2O, MgO, and B data from drill core samples located within the sandstone horizon were used to estimate clay contents as percent total clay. Total clay contents above 25% identify clay-rich portions of the Phoenix deposit that are anticipated to have lower matrix permeability. These areas correspond with clay-rich hydrogeological domains defined in the mineralized zone.

 

7.3.2.2Paleoweathered Profile

 

The paleoweathered profile, specifically the base of the paleoweathered zone, has been identified as significant for the application of ISR mining. Unaltered and unfractured basement rocks are typically impermeable; however, a zone (10 to 40 m thick) of the upper basement has been significantly altered and has higher permeability than the lower unaltered basement sequence. It is anticipated that mineralization hosted in the paleoweathered zone of the basement will be amenable to ISR mining. Mineralization in the paleoweathered zone is predominantly hosted in hydrogeological domain 2e (lower clay zone) and, to a lesser extent, the 3a (see Section 7.3.4). The paleoweathered profile forms a bowl-shaped profile below the Phoenix deposit.

 

7.3.2.3Desilicification and Friability

 

One of the characteristic alteration profiles within the sandstone above the mineralization at Phoenix is desilicification, which is the dissolution of the silica cement which makes up the matrix of the sandstone. Higher intensity of desilicification increases the overall friability of the rock mass surrounding the mineralized zones. The friability of the recovered drill core was logged as a numerical rating used to characterize the integrity of the rock mass (Figure 7-9). The friability of the rock mass has a significant impact on the permeability of the deposit, with increased friability corresponding to increased permeability. Therefore, the logged friability was used as a critical input into hydrogeological interpretation and modelling.

 

Project No.: 251208Geological Setting and Mineralization
August 2023Page 7-14

 

 

Wheeler River Project
Athabasca Basin, Saskatchewan
NI 43-101 Technical Report

 

Figure 7-9:Examples of Rock Mass Friability Classification

 

 

(Source: Denison, 2019)

 

7.3.2.4Silicification

 

Silicification is the alteration profile associated with areas of increased silica content cementing the sandstone. It is related to competent ground and a reduction in permeability. Silicification was modelled using the SiO2 content derived from both composite and assay geochemistry data. The MFd and Read formations show stratigraphically controlled silicification. An additional silicified cap above the Phoenix deposit associated with the hydrothermal alteration around the deposit can also be identified.

 

Project No.: 251208
August 2023
Geological Setting and Mineralization
Page 7-15
 

 

 

Wheeler River Project
Athabasca Basin, Saskatchewan
NI 43-101 Technical Report

 

7.3.3Structural Geology

 

The prominent structural feature at the Phoenix deposit is the northeast-southwest trending (052º azimuth) WS Shear, which dips 58° to the southeast and lies within or at the base of the graphitic pelitic gneiss unit along the east edge (hangingwall) of the quartzite ridge, which appears to have acted as a buttress for thrusting and reverse faulting (Kerr, 2010; Kerr et al., 2011). Deformation along the WS Shear has occurred partly by ductile shearing but mainly by fracturing. A progressive fracturing sequence is evident by variations in the strike and dip of slickensides. The principal stress directions responsible for early deformation were northwest southeast. A change in the principal stress to an east-west direction led to later strike-slip movement along the WS Shear. The later extension is indicated by northwest-striking normal faults, which dip steeply to the southwest.

 

Reverse fault displacements on the western edge of the quartzite ridge occurred primarily within the highly resistant quartzite unit. Within the Wheeler River area, vertical offset on the footwall of the quartzite unit can be as much as 60 m; however, at the Phoenix deposit, known vertical displacements in the hangingwall sequence are always less than 10 m (Figure 7-11 in Section 7.3.3.2).

 

Mineralization hosted in the lower 15 m of the Athabasca sandstone appears to have some relationship to the extensions of the WS Shear and its various hangingwall splays; hence, movement on these faults must have continued after the deposition of rocks of the Read Formation and probably the MFd of the Manitou Falls Formation. The WS Shear and its various interpreted hangingwall splays may have been the main conduit for the mineralizing fluids. Thus, determining favourable locations along the WS Shear, where zones of long-lived permeability are present, is critical. A series of east-west oriented cross faults or tear faults are also observed at Phoenix. These features are not well documented in drill core as most structures have been replaced by high-grade mineralization. They are inferred by changes in geologic strike or flexures in the geology underlying the deposit. These cross faults are believed to have enhanced the permeability of select portions of the deposit during deposition, subsequently allowing for the formation of thicker and high-grade uranium mineralization.

 

7.3.3.1Rock Quality Designation and Fracture Frequency

 

Rock quality designation (RQD) data was collected on all drill core recovered from Phoenix. It is a helpful reference for identifying zones within the deposit that may have higher secondary permeability. Zones with lower RQD values, due to weaker rock and increased fracturing, are more likely to have higher permeability.

 

Project No.: 251208
August 2023
Geological Setting and Mineralization
Page 7-16
 

 

 

Wheeler River Project
Athabasca Basin, Saskatchewan
NI 43-101 Technical Report

 

Fracture frequency (joint count) is also a valuable input for hydrogeological assessment of the Phoenix deposit as it accounts for the distribution of open joints/fractures (Figure 7-10) that contribute to the secondary permeability and porosity of the rock. Models of the sandstone and the basement rocks were created at thresholds of 0 to 10, 10 to 15, and >15 joints/fractures per meter. Zones with joint/fracture frequency of >15 generally represent major fault damage zones with anticipated higher permeability due to increased fracture flow.

 

Figure 7-10:Core Photograph Examples of 0.5 m Intervals of RQD Categories in the Mineralized Zone

 

 

(Source: Denison, 2019)

 

Note: Also shown are the logged open joints per metre.

 

Project No.: 251208
August 2023
Geological Setting and Mineralization
Page 7-17
 

 

 

Wheeler River Project
Athabasca Basin, Saskatchewan
NI 43-101 Technical Report

 

7.3.3.2Major Faults

 

The WS Shear occurs along the footwall contact of the graphitic pelite unit. It is typically characterized by structural features such as graphitic shears, minor faults, cm-scale graphitic gouges and, in some cases, associated with blocky, broken rock. The WS Shear was drilled consistently along the entire strike length of the Phoenix deposit. It is known to be a fluid flow conduit at the unconformity throughout the Phoenix area. This is supported by hydrogeological testwork (pump and injection tests) and the intersection of cement grout in the WS Shear from the previous grouting in nearby holes.

 

The data used to model the WS Shear included primarily the interval and oriented point structure data. It has been modelled both as a surface and a 3D volume (zone). The WS Shear has an average azimuth and dip of 052°/58°.

 

The Hangingwall Fault defines the contact between the graphitic pelite and the overlying pelite unit. The surface representing the fault was modelled using both interval structure and oriented point structure data. The average strike and dip of the Hangingwall Fault are 054°/64°.

 

Multiple cross faults at Phoenix were interpreted based mainly on offsets, jogs, increased fracturing, and breaks identified along the unconformity mineralization and in local geology. Some of the geotechnical logging data was also used to infer the location of these faults. Drilling in the area is unfavourably oriented to intersect the cross-faults, so they are rarely observed in the drill core (Figure 7-11).

 

Project No.: 251208
August 2023
Geological Setting and Mineralization
Page 7-18
 

 

 

Wheeler River Project
Athabasca Basin, Saskatchewan
NI 43-101 Technical Report

 

Figure 7-11:Cross-section View Showing the WS Shear, Hangingwall Fault, Basement Units and the Zone A Mineralized Zone

 

 

(Source: Denison, 2023)

 

Project No.: 251208
August 2023
Geological Setting and Mineralization
Page 7-19
 

 

 

Wheeler River Project
Athabasca Basin, Saskatchewan
NI 43-101 Technical Report

 

7.3.4Hydrogeological Units

 

Categorization of HGUs at the Phoenix deposit was initially undertaken from drill core logging during the 2019 well drilling campaign. The permeability and hydrogeological characteristics of each of the nine HGUs were identified and outlined in internal Denison reports. An extensive hydrogeological re-logging program of historical mineralized core was also conducted in 2020 and 2021 to further categorize the extents and distribution of these HGUs. Examples of each HGU are shown in Figure 7-12. The purpose of mapping these HGUs was to understand the distribution of permeability and porosity of the rocks (and related hydraulic properties such as hydraulic conductivity and storativity). This was to assist with planning and interpreting testwork and planning for ISR mining.

 

HGUs 1a, 3a, and 3b are regional domains and correspond with the sandstone, paleoweathered basement, and fresh basement, respectively; they follow the stratigraphic trend of the area. The remaining HGUs are defined mainly by the later replacement of the original rock by alteration minerals within and near the Phoenix deposit. Most of the mineralization at Phoenix is hosted in HGUs 1b, 2a, 2b, 2c, 2d, and 2e, but there are areas where mineralization is hosted in the regional stratigraphic HGUs. As the HGU model is independent of the resource model, it does not directly correspond to the mineralized wireframe. There are zones where some of the Phoenix-proximal domains are unmineralized. Understanding the HGUs for ISR mining is critical as the fluid flow and rate of solution dispersion will be controlled by these units and not necessarily by the defined mineralized zones.

 

Structural data such as RQD, major fault structures, and fracture frequency counts are critical to complement the HGUs, as the structural characteristics will control any secondary permeability due to fracture flow. The characteristics of each HGU are similar across the Phoenix deposit and are independent of the mining phase. While a significant amount of effort was expended to map these HGUs, it should be noted that there is still significant hydrogeological variation within these HGUs.

 

Project No.: 251208
August 2023
Geological Setting and Mineralization
Page 7-20
 

 

 

Wheeler River Project
Athabasca Basin, Saskatchewan
NI 43-101 Technical Report

 

Figure 7-12:Example Core Photos of Each Hydrogeological Unit Defined at the Phoenix Deposit

 

 

(Source: modified after Scibek, 2019)

 

Note: The permeable honeycomb texture of 2b unit under a microscope.

 

Detailed hydrogeological logging was used to create a comprehensive 3D model of the Phoenix deposit. The proximal HGUs generally follow the footprint of the Phoenix deposit in the planned mining phases (Figure 7-13). HGUs 1a, 3a, and 3b are present throughout the extent of the model boundary (not shown). The lower clay zone (2e) is continuous along the base of Zone A and Zone B, and the lower permeability sulphide-cemented (2d) is only present locally, primarily in Phases 2 and 5. The brown redox zone (2c), is present in all phases with increasing abundance along strike to the northeast. The most permeable domain, 2b, high-grade friable mineralization, is common in all mining phases but is most predominant in Phases 1, 2, and 4. The upper clay zone (2a) is semi-continuous through all phases but patchier in Zone A, especially in Phase 4; a plume of 2a extends above Phase 2. The sulphide-cemented sandstone (1b) has only been identified locally in Phases 1, 2, and 3.

 

Project No.: 251208
August 2023
Geological Setting and Mineralization
Page 7-21
 

 

 

Wheeler River Project
Athabasca Basin, Saskatchewan
NI 43-101 Technical Report

 

Figure 7-13:Plan View of Hydrogeological Units at Phoenix along with the Planned Mining Phases and Location/Orientation of Type Cross-sections)

 

 

(Source: Denison, 2022)

 

Type cross-sections and long sections through the mining phases show the HGUs' level of continuity and distribution (Figure 7-14 and Figure 7-15). HGU 2b unit thins out in Zone A to create discontinuities that align with the boundaries between mining phases. The mining phases at Phoenix were designed to cross the deposit in naturally occurring narrow zones that correspond to a series of interpreted cross faults.

 

Project No.: 251208
August 2023
Geological Setting and Mineralization
Page 7-22
 

 

 

Wheeler River Project
Athabasca Basin, Saskatchewan
NI 43-101 Technical Report

 

Figure 7-14:Type Cross-sections in Zone A Mining Phase Showing Hydrogeological Units and Drill Traces

 

 

(Source: Denison, 2022)

 

Figure 7-15:Zone A Long Section Showing Hydrogeological Units and Mining Phases

 

 

(Source: Denison, 2022)

 

Note: The discontinuity of 2b at mining phase boundaries.

 

Project No.: 251208
August 2023
Geological Setting and Mineralization
Page 7-23
 

 

 

Wheeler River Project
Athabasca Basin, Saskatchewan
NI 43-101 Technical Report

 

HGU (2e) tends to increase in thickness to the northeast and is thickest in Phase 4. This correlates with basement alteration and uranium mineralization plunging to the northeast. Phases 1 and 2 have the thickest intervals of 2b, highly permeable high-grade mineralization. This corresponds to the high-grade core of the Phoenix deposit, which carries much of the contained mineral resource. Phases 1 and 2 were selected as the first mining phases due to their high grade and permeability. Phases 3 and 4 have thinner intervals of 2b with significant zones of 2c, defined by intermediate permeability.

 

7.4Gryphon

 

The geology of the Gryphon deposit comprises highly deformed crystalline basement rocks overlain by the relatively undeformed Athabasca sandstone. At the Gryphon deposit, the thickness of the Athabasca sandstone cover ranges from 480 m in the southeast to 540 m in the northwest. The unconformity surface down-drops in a series of steps to the northwest. There is approximately 60 m of vertical displacement over 250 m across strike.

 

Four major basement lithological units have been defined at Gryphon which dip moderately to the southeast (Figure 7-16):

 

·Upper Graphite – The Upper Graphite is approximately 110 m thick, occurs furthest stratigraphically to the southeast, and is located hangingwall to the mineralization. The A and E series of mineralized lenses occur at the base of the unit along a major fault zone, the G-Fault. This pelitic gneiss unit averages 5% to 8% graphite in the upper portion of the unit grading to 10% to 15% in the lower portion of the unit. The unit is well foliated and strikes at 022° dipping at 50° to the southeast.

 

·Quartz-Pegmatite Assemblage – located stratigraphically below the Upper Graphite and interpreted to be a zone of silicification either pre- or syn-mineralization. This unit is approximately 55 m thick and consists of several smaller (5 to 9 m) discrete sub-units of alternating quartzite, quartz-rich pegmatite, pegmatite, and graphite-bearing pelitic gneisses. The unit hosts the B series of mineralized lenses which occur along foliation-parallel faults related to the G-Fault.

 

·Lower Graphite – located below the Quartz-Pegmatite Assemblage this pelitic gneiss unit is approximately 15 m thick and averages 10% to 15% graphite well-foliated striking approximately 022° and dipping 45° to the southeast. It is host to the C series of mineralized lenses, which are interpreted to occur along foliation-parallel faults related to the G-Fault or within tensional fractures.

 

·Basal Pegmatite – located stratigraphically below the Lower Graphite this pegmatite to coarse-grained granitic unit is competent and relatively unaltered. Within this unit, there are multiple minor (1 to 2 m) variably graphitic pelitic gneiss intervals. The pelitic gneiss intervals pinch and swell along strike and do not maintain a continuous thickness throughout the deposit area. The D series of mineralized lenses occur within the tensional fractures within the pegmatites/granites or concordant with the variably graphitic pelitic gneisses.

 

Project No.: 251208
August 2023
Geological Setting and Mineralization
Page 7-24
 

 

 

Wheeler River Project
Athabasca Basin, Saskatchewan
NI 43-101 Technical Report

 

Figure 7-16:Gryphon Representative Cross-section

 

 

(Source: Denison, 2022)

 

Project No.: 251208
August 2023
Geological Setting and Mineralization
Page 7-25
 

 

 

Wheeler River Project
Athabasca Basin, Saskatchewan
NI 43-101 Technical Report

 

7.4.1Mineralization

 

The Gryphon uranium deposit can be classified as an unconformity-associated deposit of the basement-hosted variety. The majority of the deposit occurs within southeasterly dipping crystalline basement rocks of the Wollaston Supergroup below the regional sub-Athabasca Basin unconformity. The deposit is located from 520 to 850 m below surface and has an overall strike length of 610 m, dip length of 390 m and varies in thickness between 2 and 70 m, depending on the number of mineralized lenses present. The mineralized lenses are controlled by reverse fault structures which are largely conformable to the basement stratigraphy and dominant foliation. The A, B and C series of lenses comprise stacked, parallel lenses which plunge to the northeast along the G-Fault which occurs between hangingwall graphite-rich pelitic gneisses and a more competent pegmatite-dominated footwall. A ubiquitous zone of silicification (Quartz-Pegmatite Assemblage) straddles the G-Fault and the A, B and C series of lenses occur in the hangingwall of, within, and in the footwall of the Quartz-Pegmatite Assemblage, respectively. The D series lenses occur within the pegmatite-dominated footwall along a secondary fault zone (Basal Fault) or within extensional relay faults which link to the G-Fault. The E series lenses occur along the G-Fault, up-dip and along strike to the northeast of the A and B series lenses, within the upper basement or at the sub-Athabasca unconformity. The E series of lenses differ from the remaining sets of lenses as they are the only ones to not follow the local scale plunge of the deposit, rather the mineralization is located planar to foliation and tight to the unconformity (Figure 7-17). To date, the E series lenses are the only lenses to host unconformity mineralization at Gryphon.

 

Mineralization within the Gryphon deposit lenses is dominated by massive, semi-massive or fracture-hosted uraninite associated with an alteration assemblage comprising hematite, dravitic tourmaline, illite, chlorite and kaolinite. Secondary uranium minerals, including uranophane and carnotite, are trace in quantity.

 

Gangue mineralogy is dominated by alteration clays (illite, kaolinite, chlorite), dravite and hematite with minor relict quartz, biotite, graphite, zircon, and ilmenite. Only trace concentrations of sulphides are noted, comprising galena, chalcopyrite, and pyrite. Notable concentrations of molybdenum and lithium are also noted within and around the mineralization, represented visually as lepidolite and molybdenite, respectively.

 

Project No.: 251208
August 2023
Geological Setting and Mineralization
Page 7-26
 

 

 

Wheeler River Project
Athabasca Basin, Saskatchewan
NI 43-101 Technical Report

 

  Figure 7-17:3D Isometric Longitudinal View of the Gryphon Deposit with Drill Hole Traces and %U3O8 Values

 

Chart

Description automatically generated

 

(Source, Denison, 2023)

 

Note: Mineralized wireframes using a 0.05% U3O8 cut-off and minimum thickness of 2 m.

 

7.4.2Alteration

 

At Gryphon, alteration in the Athabasca sandstone is quite variable relative to the basement-hosted mineralization. Directly above Gryphon, the typical alteration sequence above the unconformity (from surface to the unconformity) is described as follows:

 

·The upper 100 to 150 m of sandstone is typically weakly bleached and silicified (interpreted as a regional feature).

 

Project No.: 251208
August 2023
Geological Setting and Mineralization
Page 7-27
 

 

 

Wheeler River Project
Athabasca Basin, Saskatchewan
NI 43-101 Technical Report

 

·Approximately 150 to 440 m from surface, there is no significant alteration. Diagenetic hematite banding is predominant.

 

·Approximately 440 to 540 m from surface, variable amounts of alteration occur, which include:

 

-Moderate bleaching, irregular bands of hydrothermal hematite, and patchy silicification from 490 to 540 m

 

-Pervasive silicification and strong dravitic interstitial clays from 515to 540 m

 

-Alternating silicification and desilicification with strong grey alteration, pyrite development, and dravite rich breccias from 440 to 540 m.

 

Sandstone alteration is generally lacking in the hangingwall (southeast) to the Gryphon mineralization and exhibits a background dickitic signature, although drill holes that intersected an up-faulted basement exhibit moderate silicification with preserved diagenetic hematite.

 

Sandstone alteration in the footwall (northwest) to the Gryphon mineralization consists of isolated alteration zones with strong bleaching, grey alteration, silicification, and vuggy quartz that occur upwards of 60 m above the unconformity. Footwall sandstone is also dominated by a strong kaolinitic signature with moderate amounts of dravite, primarily controlled by basement structural splays propagating into the sandstone. Although sandstone alteration in the footwall area of the Gryphon deposit exhibits strong visual and clay alteration, its geochemical signature is much less pronounced with sandstone uranium partial values seldom exceeding 1 ppm. These isolated zones of alteration are assumed to be related to the up-dip projection of the offsetting basement reverse faults to the southeast, notably the G-Fault itself and associated hangingwall splays. The Gryphon E series of mineralized lenses occurs at the intersection of the G-Fault and the unconformity and directly underlies the structurally disrupted zone of sandstone alteration.

 

Directly below the unconformity and distal to basement structures, the typical paleoweathering profile is preserved. The basement paleoweathering profile is gradually overprinted by various forms and intensities of hydrothermal alteration proximal to the various structures associated with Gryphon.

 

Basement clay alteration exhibits a zoned sequence around mineralization associated with the various mapped structures. It varies in intensity in relation to each series of mineralized lenses and the host lithology. Notably, stronger and widely distributed alteration sequences are present around the A and B series lenses, with less intense and pronounced alteration noted in the vicinity of the C, D, and E series lenses. There is no direct correlation between the intensity of alteration and uranium grade.

 

Project No.: 251208
August 2023
Geological Setting and Mineralization
Page 7-28
 

 

 

Wheeler River Project
Athabasca Basin, Saskatchewan
NI 43-101 Technical Report

 

Distal alteration associated with Gryphon mineralization includes weak chlorite and sericite. A distinct halo of phengite is also present hangingwall to the G-Fault and footwall to the Basal Fault, essentially indicating an oxidized and relatively weak to unaltered envelope surrounding the Gryphon mineralizing system.

 

Proximal alteration signatures associated with the Gryphon series of lenses include various amounts of weak to strong bleaching, dravite and druzy quartz formation. There is a distinct zonation of cordierites with progressively stronger alteration proximal to mineralization. Distal to mineralization cordierites are weakly altered and exhibit a characteristic blue-green phengitic illite-chlorite clay partly replacing the cordierite itself. Proximal to mineralization the cordierites are replaced by brown muscovitic, illite and weak chlorite pseudomorphs, which are generally stretched and elongated along foliation. A distinct halo of paragonite surrounds the mineralization proximal to the G-Fault and Basal Faults, being indicative of a reducing environment. Quartz flooding and silicification is quite common proximal to high-grade mineralization. Intense pervasive silicification, which variably is destructive to basement rock textures, occurs within 2 to 10 m of mineralization and has a close spatial associated with the G-Fault and Basal Fault. Silicification is locally associated with pink silica and pink sericite which is interpreted to be a product of active beta decay, which produces visible spectral absorptions and changes in refractive index. Clay-sericite also exhibits a distinct zonation around mineralization at Gryphon. Distal to mineralization green sudoite generally replace subhedral feldspars. Medial to mineralization feldspars are replaced by a whispy paragonitic white sericite grading to an intense pervasive white dravite-illite-kaolinite alteration proximal to mineralization. The latter is especially prominent along the Basal Fault in proximity to the D series mineralized lenses.

 

7.4.3Structural Geology

 

On a property scale, the Gryphon deposit is situated within a dilation jog or releasing bend along the K-North trend, a highly prospective northeast striking metasedimentary corridor along the Property’s northwest boundary. Regionally the K-North trend geology strikes 035° to the northeast and dips moderately at -50° to the southeast. In the immediate vicinity of Gryphon, there is a prominent change in geologic strike from the regional 035° to 020°. The mineralization at Gryphon is interpreted to have formed from the mixing of oxidized basinal uraniferous fluids with reduced basement ferrous fluids resulting in the co-precipitation of uraninite and hematite. To facilitate this mixing of fluid within the basement, a dilational structural setting is required to allow for the ingress of basinal fluids. It is interpreted that the subtle change in strike, or jog, coupled with the regional northwest directed compression allowed for basement dilation at Gryphon. This is supported by core observations which support a reverse-sinistral sense of movement proximal to the deposit.

 

Project No.: 251208
August 2023
Geological Setting and Mineralization
Page 7-29
 

 

 

Wheeler River Project
Athabasca Basin, Saskatchewan
NI 43-101 Technical Report

 

On a deposit scale, the plunge of the deposit to the northeast is controlled by structural dilation as a result of reverse-sinistral faulting over shallower foliation dips. Higher grades and thicknesses tend to correspond with larger fault displacements. Five main fault groups are recognized, though several other minor faults are also present throughout the deposit area (Figure 7-16). These structures are generally located at the contact between the less competent graphitic pelitic gneisses and more competent quartz-pegmatites, pegmatites, and pelitic gneiss units. The faults are brittle in nature and can be described as a combination of cataclasites and gouges, and intervals of blocky and friable core.

 

·The Offset Fault and associated splays occur at the contact with the Upper Graphite and its overlying pelitic gneiss. It is interpreted to be conformable with the local geology having a strike of 020° and dip of -050°. The Offset Fault and its associated splays are responsible for over 60 m of known unconformity displacement. The unconformity is displaced downward to the northwest in a series of steps over a 100 m cross-strike distance. To date, no mineralization has been found to be associated with the Offset Fault.

 

·The G-Fault and associated splays occur at the lower contact of the Upper Graphite unit and its underlying Quartz-Pegmatite Assemblage. In general, its orientation is conformable to the geology with a strike of 020° and dip of -050°. However, mineralization generally occurs along the G-Fault and its associated fault strands, where a shallowing of stratigraphic foliation is observed between -30° and -50°. The shallowing of foliation, in combination with the reverse sinistral movement, has provided a zone of dilation amenable to fluid movement and uranium precipitation. Five to ten metres of unconformity displacement have been recorded along its strike. The G-Fault form the principal and most significant structure related to the Gryphon deposit.

 

·The Basal Fault, subordinate to but sharing many structural characteristics with the G-Fault, occurs over 200 m to the northwest of the G-Fault within the pegmatite-dominated footwall units with minor variably graphitic pelitic gneiss. Similar to the G-Fault, mineralization is associated with a shallowing of foliation, though it is less pronounced within the pegmatite-dominated sequence. No appreciable unconformity offset is associated with the subcrop of the Basal fault at the unconformity.

 

Project No.: 251208
August 2023
Geological Setting and Mineralization
Page 7-30
 

 

 

Wheeler River Project
Athabasca Basin, Saskatchewan
NI 43-101 Technical Report

 

·The Linkage Faults, representing tension fractures, occur within the Basal Pegmatite unit and, as the name suggests, link the Basal Fault and G-Fault through a network of fault splays occurring discordant to the deposit geology. It is interpreted that the Linkage Faults formed due to prominent reverse faulting along the G-Fault and subsequent tensional fracture development at high angles into the Basal Pegmatite unit (Riedel shear model). To date, three primary Linkage Faults (or fault zones) have been identified that vary in thickness from 2 to 20 m and have a minimum strike of 50 m. They follow the deposit strike of 020° but are generally much shallower in dip, ranging from -10° to -30° to the southeast. Higher grade uranium intersections are common where the Linkage Faults intersect the G-Fault and Basal Fault but are quite variable along the Linkage Faults themselves.

 

·Five cross-cutting fault zones have also been noted within the deposit area. These spatially defined zones are characterized by a high-frequency of west to northwest striking faults and fractures with steep dips of variable orientation. The zones are somewhat regularly spaced across the deposit every 100 to 150 m. The timing and kinematics of these fault zones is not well understood; however, they are interpreted to have been reactivated over time and most commonly display a normal sense of movement. The most northeastern and southwestern sub-vertical faults appear to play a role in the morphology of the mineralized lenses, primarily the A and B series lenses. Where mineralization occurs in proximity to these sub-vertical structures, its primary plunge of 030°, as observed from an inclined longitudinal section, shallows considerably to 010° to 015°, suggesting that the structures are pre- or syn-mineralization. Faults associated with these zones have also been interpreted to offset mineralization, compartmentalize mineralization, or in some cases, are mineralized themselves.

 

Project No.: 251208
August 2023
Geological Setting and Mineralization
Page 7-31
 

 

 

Wheeler River Project
Athabasca Basin, Saskatchewan
NI 43-101 Technical Report

 

8.0Deposit Types

 

The Phoenix and Gryphon deposits are classified as an Athabasca Basin unconformity-associated (also unconformity-related and -type) uranium deposit. Phoenix straddles the unconformity contact between the Athabasca sandstone and underlying basement, signifying the unconformity as a major fluid pathway for uranium mineralization. Gryphon is primarily hosted in the basement rocks, with minor portions of the deposit situated at the unconformity.

 

Jefferson et al. (2007) offered the following definition for the geological environment of this type of mineralization:

 

Unconformity-associated uranium deposits are pods, veins, and semi-massive replacements consisting of mainly uraninite, close to basal unconformities, in particular those between Proterozoic conglomeratic sandstone basins and metamorphosed basement rocks. Prospective basins in Canada are filled by thin, relatively flat-lying, and apparently unmetamorphosed but pervasively altered, Proterozoic (~1.8 to <1.55 Ga), mainly fluvial, red-bed quartzose conglomerate, sandstone, and mudstone. The basement gneiss was intensely weathered and deeply eroded with variably preserved thicknesses of reddened, clay-altered, hematitic regolith grading down through a green chloritic zone into fresh rock. The basement rocks typically comprise highly metamorphosed interleaved Archean to Paleoproterozoic granitoid and supracrustal gneiss, including graphitic metapelitic gneiss that hosts many of the uranium deposits. The bulk of the U-Pb isochron ages on uraninite are in the range of 1,600 to 1,350 Ma. Monometallic, generally basement-hosted uraninite fills veins, breccia fillings, and replacements in fault zones. Polymetallic, commonly sub-horizontal, semi-massive replacement uraninite forms lenses just above or straddling the unconformity, with variable amounts of uranium, nickel, cobalt, and arsenic, and traces of gold, platinum-group elements, copper, rare-earth elements, and iron.

 

The uranium deposits in the Athabasca Basin occur below, across, and immediately above the unconformity, which can lie within a few metres of surface at the rim of the Basin to over 1,000 m deep near its centre. The deposits are formed by extensive hydrothermal systems occurring at the unconformity's structural boundary between the older and younger rock units. Major deep-seated structures are also interpreted to have played an important role in the hydrothermal process, likely acting as conduits for hot mineralized fluids that eventually pooled and crystallized in the structural traps provided by the unconformity. One of the necessary reducing fluids originates in the basement and flows along basement faults. A second oxidizing fluid originates within the Athabasca sandstone stratigraphy and migrates through the inherent porosity. In appropriate circumstances, these two fluids mix and precipitate uranium in a structural trap at or near the basal Athabasca unconformity with basement rocks.

 

Project No.: 251208
August 2023
Deposit Types
Page 8-1
 

 

 

Wheeler River Project
Athabasca Basin, Saskatchewan
NI 43-101 Technical Report

 

Two end-members of the deposit model have been defined (Quirt, 2003). A sandstone-hosted egress-type model (i.e., Midwest A deposit) involved the mixing of oxidized, sandstone brine with relatively reduced fluids issuing from the basement into the sandstone. Basement-hosted, ingress-type deposits (i.e., Rabbit Lake deposit) formed by fluid-rock reactions between oxidizing sandstone brine entering basement fault zones and the local wall rock. Both types of mineralization and associated host-rock alteration occurred at sites of basement–sandstone fluid interaction where a spatially stable redox gradient/front was present.

 

Although either type of deposit can be high-grade, ranging in grade from a few percent to 20% U3O8, they are not volumetrically large and typically occur as narrow, linear lenses often at considerable depth. In plan view, the deposits can be 100 to 150 m long and a few metres to 30 m wide and/or thick. Egress-type deposits tend to be polymetallic (U-Ni-Co-Cu-As) and typically follow the trace of the underlying graphitic pelitic gneisses and associated faults, along the unconformity. Ingress-type, essentially monomineralic uranium deposits, can have more irregular geometry.

 

Unconformity-type uranium deposits are surrounded by extensive alteration envelopes. In the basement, these envelopes are generally relatively narrow but become broader where they extend upwards into the Athabasca Group for tens of metres to even 100 m or more above the unconformity. Hydrothermal alteration is variously marked by chloritization, tourmalinization (high boron, dravite), hematization (several episodes), illitization, silicification/desilicification, and dolomitization. Modern exploration for these types of deposits relies heavily on deep-penetrating geophysics and down-hole geochemistry.

 

Since the discovery of Key Lake in 1975/1976, the Key Lake exploration model has emphasized the occurrence of uranium mineralization proximal to the sub-Athabasca unconformity at locations where graphitic pelite units in the basement meet the basal Athabasca sandstone. The graphitic pelite units are commonly intensely sheared in contrast to the physically more competent rock types that include non-graphitic pelite, semi-pelite, psammite, meta-arkose, or granite gneiss. Airborne and ground electromagnetic systems are commonly used to map conductive graphitic pelite units versus the relatively resistive and non-conductive quartz-feldspathic rock types.

 

However, since the discovery of the McArthur River deposit in 1988, the McArthur River exploration model has emphasized the importance of basement quartzites occurring in proximity to uranium mineralization. Highly competent quartzites provide a strong rheological contrast to other metasediments and therefore control the sites of major thrust, reverse, and strike-slip faults. Although these faults are loci for mineralization, the poor conductivity, low magnetic susceptibilities, and specific gravity (density) values associated with quartzite, as well as other quartz-feldspathic rocks, limits the effectiveness of airborne and ground geophysical methods in mapping these basement units. This is particularly so when they are covered by hundreds of metres of Athabasca sandstone. Alteration haloes are typically larger than the deposit footprints and are characterized by changes in mineralogy and major and trace elements. Therefore, the detection of alteration halos through geophysics, primarily DC resistivity surveys, and drill core lithogeochemistry and reflectance spectrometry, have become increasingly important exploration methodologies.

 

Project No.: 251208
August 2023
Deposit Types
Page 8-2
 

 

 

Wheeler River Project
Athabasca Basin, Saskatchewan
NI 43-101 Technical Report

 

Recently, basement-hosted deposits have become more recognized as a viable exploration target through the development of Eagle Point mine and the discovery of deposits such as Millennium, Triple R, and Arrow. Exploration typically requires the recognition of significant fault zones within basement metasediments (often associated with graphite) with associated clay and geochemical alteration haloes.

 

Figure 8-1 and Figure 8-2 illustrate various models for unconformity-type uranium deposits of the Athabasca Basin.

 

Figure 8-1:Schematic of Unconformity Type Uranium Deposit

 

 

(Source: Denison, 2010)

 

Project No.: 251208
August 2023
Deposit Types
Page 8-3
 

 

 

Wheeler River Project
Athabasca Basin, Saskatchewan
NI 43-101 Technical Report

 

Figure 8-2:Various Models for Unconformity Type Deposits of the Athabasca Basin

 

 

(Source: after Jefferson et al., 2007)

 

Project No.: 251208
August 2023
Deposit Types
Page 8-4
 

 

 

Wheeler River Project
Athabasca Basin, Saskatchewan
NI 43-101 Technical Report

 

8.1QP Comments on Section 8

 

In Mr. Revering’s opinion, the geology of the Phoenix deposit and the controls on mineralization are sufficiently well understood for mineral resource estimation. In Mr. Mathisen’s opinion, the geology of the Gryphon deposit and the controls on mineralization are sufficiently well understood for mineral resource estimation.

 

Project No.: 251208
August 2023
Deposit Types
Page 8-5
 

 

 

Wheeler River Project
Athabasca Basin, Saskatchewan
NI 43-101 Technical Report

 

9.0Exploration

 

With the exception of drilling, exploration work performed on the Property by Denison since November 2004 is summarized in this section. Work completed on the Property and its immediate vicinity by other parties prior to 2004 is summarized in Section 6. Drilling completed on the Property is summarized in Section 10.

 

9.1Ground Geophysical Surveys

 

Denison carried out extensive ground geophysical surveys on the Property between 2005 and 2016. The ground geophysical work included primarily Titan-24 DC resistivity and induced polarization (DC/IP) surveys (Figure 9-1), SWML time domain electromagnetics (TDEM) surveys (Figure 9-2) and, to a lesser extent, fixed loop transient electromagnetic (TEM) and gravity surveys (Figure 9-3). Denison also completed an Orion3D DC/IP resistivity survey over a 2.1 km by 2.1 km block over the north end of the Phoenix deposit area in 2014 (Figure 9-1).

 

During March and April 2005, Quantec Geoscience Inc. (Quantec) carried out a SWML TEM survey on two grids, WR-05-G2 and G3, on the Property (Figure 9-2). The surveys identified and located specific conductors with sufficient precision for follow-up drilling.

 

A fixed loop TEM survey involving 123 km of line readings on grids D, E, F and G was carried out by Quantec between June 14, 2006, and December 12, 2006 (Figure 9-3). The survey identified both discrete conductive responses and responses that are interpreted to be caused by broad packages of low-resistivity graphic metasedimentary layers.

 

In 2007, Quantec carried out Titan-24 DC/IP surveys over the M-Zone and the Wheeler North (2007 Grid) grids. Interpretation of Titan-24 data collected elsewhere demonstrated a capability to map subsurface resistivity and resistivity contrasts to depths more than 750 m, and chargeability contrasts to depths more than 750 m. Resistivity and chargeability contrasts can possibly be related to geological structure. A total of 52 survey lines of Titan DC/IP data were collected in 2007.

 

During the winter and spring of 2008, the North Grid resistivity survey data was reinterpreted, and three drill targets, A, B, and C in the Phoenix zone were proposed (Figure 9-4). These targets represented clearly defined resistivity chimneys occurring on lines 37+00N, 43+00N and 52+00N. All of them were situated close to the hangingwall of the quartzite unit in areas where previous attempts to drill ground EM conductors had failed due to the drill holes being lost in the Athabasca sandstone. Target A (Figure 9-5) was subsequently drill tested the following season which led to the discovery of the Phoenix deposit.

 

Project No.: 251208
August 2023
Exploration
Page 9-1
 

 

 

Wheeler River Project
Athabasca Basin, Saskatchewan
NI 43-101 Technical Report

 

Figure 9-1:Ground Resistivity and IP Survey Coverage

 

 

(Source: Denison, 2023)

 

Project No.: 251208
August 2023
Exploration
Page 9-2
 

 

 

Wheeler River Project
Athabasca Basin, Saskatchewan
NI 43-101 Technical Report

 

Figure 9-2:Stepwise Moving Loop TDEM Coverage

 

 

(Source: Denison, 2023)

 

Project No.: 251208
August 2023
Exploration
Page 9-3
 

 

 

Wheeler River Project
Athabasca Basin, Saskatchewan
NI 43-101 Technical Report

 

Figure 9-3:Fixed Loop TDEM and Ground Gravity Coverage

 

 

(Source: Denison, 2023)

 

Project No.: 251208
August 2023
Exploration
Page 9-4
 

 

 

Wheeler River Project
Athabasca Basin, Saskatchewan
NI 43-101 Technical Report

 

Figure 9-4:Wheeler North Grid DC Resistivity Depth Slice (400 m) with Proposed Drill Targets in the Phoenix Zone

 

 

(Source: Denison, 2023)

 

Project No.: 251208
August 2023
Exploration
Page 9-5
 

 

 

Wheeler River Project
Athabasca Basin, Saskatchewan
NI 43-101 Technical Report

 

Figure 9-5:Wheeler North Grid L43+00N DC Resistivity Cross-section – Target A

 

 

(Source: Denison, 2008)

 

Between May and June 2008, a Titan-24 DC/IP resistivity survey comprising 62.2 km of line was completed on the WS-08 grid (Wheeler Grid). The survey was designed to extend the existing resistivity coverage on Wheeler North grid to the south. The survey highlighted a moderately conductive zone trending south to north in the central regions of the grid. This conductive zone was interpreted to be to a graphitic conductor.

 

Quantec completed 60.2 line-km of Titan-24 DC/IP resistivity survey on the RN-09 grid, covering an area north of the Phoenix deposit. The survey identified multiple drill targets located in the sandstone above the unconformity with the associated graphite faults.

 

During February and March 2010, a geophysical program consisting of 25.2 km of a fixed loop surface TEM survey and 51.0 km of a SWML TEM survey was completed on three lines of the previously established Wheeler North grid. Three lines of SWML TEM surveying were completed on previously defined resistivity anomalies in an attempt to better define any conductive axis associated with graphitic basement features that could act as conduits for mineralizing events.

 

The 2011 exploration program on the Property included a 120.6 line-km Titan-24 DC/IP resistivity survey on the KW-11-G1 grid, adjacent to the south of the WS-08 grid.

 

Additional Titan-24 surveying was completed in 2012. In total, 54.4 line-km of grids KW-11-G1 (KW-12-G1) and KQ-12-G2 were re-chained and re-picketed, and 48.2 km of Titan-24 DC/IP survey coverage was performed.

 

In 2013, a 127.0 line-km Titan 24 DC/IP survey was completed over two areas previously not covered (R North and K West areas).

 

Project No.: 251208
August 2023
Exploration
Page 9-6
 

 

 

Wheeler River Project
Athabasca Basin, Saskatchewan
NI 43-101 Technical Report

 

Geophysical exploration in 2014 consisted of the following work, with the primary focus being the K-North area and its close vicinity:

 

·46.05 line-km over three lines of infill SWML EM in the K-North area to complete areas previously not covered.

 

·43 line-km over two lines of SWML in the WS South area covering areas of interest from the 2013 Titan 24 DC/IP survey.

 

·48 line-km of ground gravity covering the O Zone, where historical drilling showed a large unconformity offset with weak uranium mineralization.

 

·A 52.0 line-km ground gravity survey was carried out in 2014 over the K-North area to test if the unconformity offset seen in drill core could be defined by this method.

 

·A 67.2 km extension of the 2007 North Titan 24 DC/IP survey to complete the coverage over the K-North area.

 

·A 3D DC/IP survey to attempt to resolve a 2 km x 2 km geologically and geophysically complex area north of Phoenix Zone A.

 

In 2015, a 149.5 line-km Titan 24 DC/IP survey was completed over two areas previously not covered (O Zone and the southern parts of the K and Q Zones).

 

In 2016, geophysical surveys were conducted as follows:

 

·42.0 km of infill gravity survey on WR-16-G2 grid by MWH Geo-Surveys Ltd. The objective of this work was to develop a density model that was consistent with physical property constraints including wireline density logs, a geological model built from large amounts of drilling data, and two types of gravity data with overlapping coverage. The work demonstrates a solution to a very complex constrained gravity inversion problem.

 

·83.3 km of DC-IP deep earth imaging survey on the WR-16-G1 grid by Quantec’s SPARTAN MT system. The exploration objectives were to map and detect alteration related to unconformity-type uranium mineralization within the project area for drill targeting, delineation and structural control identification.

 

9.2Airborne Surveys

 

9.2.12004 Airborne Magnetic and GEOTEM® Survey

 

In November 2004, an airborne GEOTEM® electromagnetic and magnetic survey carried out by Fugro Airborne Surveys involving 1,001 km of data collection, which covered the entire Property (Figure 9-6).

 

Project No.: 251208
August 2023
Exploration
Page 9-7
 

 

 

Wheeler River Project
Athabasca Basin, Saskatchewan
NI 43-101 Technical Report

 

Figure 9-6:Airborne Geophysical Survey Outlines

 

 

(Source: Denison, 2023)

 

Project No.: 251208
August 2023
Exploration
Page 9-8
 

 

 

Wheeler River Project
Athabasca Basin, Saskatchewan
NI 43-101 Technical Report

 

9.2.22005 FALCON® Airborne Gravity Gradiometer Survey

 

Between September 5 and October 30, a FALCON® airborne gravity gradiometer survey was flown by Sanders Geophysics Limited over the Property, covering approximately 1,711 line-km (Figure 9-6). The main target sought in the project area is unconformity-related uranium mineralization within the Middle Proterozoic Athabasca Basin. The survey area lies within the southeastern edge of the Athabasca Basin.

 

9.2.32013 Versatile Time-domain Electromagnetic Survey

 

In 2013, a helicopter-borne VTEM magnetic-radiometric survey was conducted over the Property (Figure 9-6). The survey comprised 990 line-km at a 300 m line spacing covering an area of approximately 249 km2. This survey used a larger loop than previously in an attempt to remove noise that caused difficulties in interpretation of a previous survey.

 

9.3Borehole Surveys

 

DGI Geoscience Inc. conducted downhole logging of physical properties in 2017, including density, acoustic velocity, magnetic susceptibility, natural gamma, fluid temperature, apparent resistivity, and neutron on 13 historical drill holes. The main objectives were to quantitatively domain boreholes using rock properties and geochemical data, to expand knowledge of geophysical rock properties to other boreholes where petrophysical data was not acquired, and to extract new value and insights from geophysical and geochemical data.

 

Project No.: 251208
August 2023
Exploration
Page 9-9
 

 

 

Wheeler River Project
Athabasca Basin, Saskatchewan
NI 43-101 Technical Report

 

10.0Drilling

 

10.1Summary

 

Diamond drilling on the Property is the principal method of exploration and delineation of uranium mineralization after initial geophysical surveys. Drilling can generally be conducted year-round.

 

Since 1979, a total of 1,006 diamond drill holes and 84 RC drill holes totalling 490,824 m have been completed on the Property (Table 10-1).

 

Table 10-1:Wheeler River Property Drilling Statistics

 

Year Company No. of Diamond
Drill Holes
No. of Rotary
Drill Holes
Total Drilled
(m)
1979 AGIP 6 0 2,110
1980 AGIP 6 0 1,917
1981 AGIP 14 0 5,352
1982 AGIP 14 0 5,473
1983 AGIP 9 0 2,255
1984 AGIP 14 0 3,276
1985 SMDC 13 0 3,350
1986 SMDC 11 0 4,266
1987 SMDC 12 23 6,245
1988 SMDC 15 0 7,456
1989 SMDC 6 0 3,087
1995 Cameco 4 0 1,890
1996 Cameco 9 0 4,376
1997 Cameco 7 0 3,148
1998 Cameco 7 0 3,074
1999 Cameco 7 0 3,285
2000 Cameco 1 0 626
2001 Cameco 2 0 1,213
2002 Cameco 4 0 2,099
2003 Cameco 4 61 3,470
2004 Cameco 1 0 494
2005 Denison 12 0 4,836
2006 Denison 24 0 10,513
2007 Denison 14 0 6,147
2008 Denison 13 0 6,104
2009 Denison 40 0 18,941
2010 Denison 59 0 28,362
2011 Denison 77 0 38,427
2012 Denison 55 0 26,807
2013 Denison 51 0 25,619
2014 Denison 48 0 29,587
2015 Denison 65 0 42,343
2016 Denison 75 0 47,191
2017 Denison 98 0 45,070
2018 Denison 63 0 39,556
2019 Denison 53 0 13,554
2020 Denison 36 0 12,602
2021 Denison 28 0 11,769
2022 Denison 29 0 14,935
Total   1,006 84 490,824

 

Project No.: 251208
August 2023
Drilling
Page 10-1
 

 

 

Wheeler River Project
Athabasca Basin, Saskatchewan
NI 43-101 Technical Report

  

10.2Phoenix Deposit Drilling

 

Since 2008, 315 drill holes totalling 145,982 m have delineated the Phoenix deposit (Table 10-2). To date, the Phoenix deposit area has been systematically drill tested over approximately 1 km of strike length at a nominal spacing of 25 to 50 m northeast-southwest by 10 m northwest-southeast (perpendicular to strike) (Figure 10-1).

 

Delineation diamond drilling at Phoenix was primarily done with NQ sized core (47.6 mm diameter) in holes WR-249 through WR-275 and HQ sized core (63.5 mm diameter) reducing to NQ at 350 m in holes thereafter, with most holes successfully penetrating into the basement. Some additional infill holes were drilled primarily to test the spatial continuity of the mineralization. The bulk of the flat-lying high-grade mineralization is positioned at and sub-parallel to the unconformity.

 

Project No.: 251208Drilling
August 2023Page 10-2

 

 

Wheeler River Project
Athabasca Basin, Saskatchewan
NI 43-101 Technical Report

 

Table 10-2: Phoenix Drilling Completed by Denison

 

Year No. of Holes Total Drilled
(m)
Comments
2008 6 2,704 Discovery hole WR-249 drilled to test resistivity Target A.  Hole WR-251 drilled to test Target B. Follow-up drilling testing mineralization to the southeast of WR-251.
2009 39 18,805 Drilling higher-grade mineralization with additional drilling testing the continuity of the high-grade portion of the mineralized zone.
2010 56 26,937 -
2011 66 32,553 -
2012 49 23,712 -
2013 22 11,064 Infill delineation drilling on Phoenix Zone A
2014 13 6,121 Drilling completed on Phoenix Zone A to extend high-grade portions
2015 2 1,557 -
2016 3 1,748 Diamond drilling completed in Phoenix Zone A to test ground conditions of proposed site infrastructure
2017 5 524 Drill holes completed in Phoenix Zone A to collect samples for metallurgical testing and further test ground conditions of proposed site infrastructure
2019 7 2,518 Drilling wells to test hydraulic connectivity of Phoenix Zone A and rock mass surrounding the deposit.
2020 22 7,571 PQ-sized environmental monitoring wells. Exploration drilling targeting the gap between Phoenix Zones A and B, and Phoenix Zones B and C.
2021 15 5,990 15 wells drilled within Mining Phase 1 and two exploration holes.
2022 10 4,177 PQ-sized monitoring wells in Mining Phase 1, 2 and 4.
Phoenix Total 315 145,982  
Phoenix Zones No. of Holes Total Drilled
(m)
 
Zone A 177 78,768  
Zone B 63 29,683  
Zone C 39 16,328  
Zone D 36 21,203  

 

Project No.: 251208Drilling
August 2023Page 10-3

 

 

Wheeler River Project
Athabasca Basin, Saskatchewan
NI 43-101 Technical Report

 

10.2.1Recent Drilling (2019 to Present)

 

In 2019 Denison drilled wells to test the hydraulic connectivity of Phoenix Zone A and the rock mass surrounding the Phoenix deposit on a regional scale. Fourteen holes were re-entered using historical exploration drill holes, and eighteen new holes were drilled from the surface. The program consisted of twelve regional monitoring wells, four pump/injection (P/I) wells, five observation wells, six local monitoring wells, two vibrating wire piezometers, one recharge well and two larger diameter commercial scale wells (CSWs) drilled with a mud rotary service rig. Installation of two large-diameter CSWs within the mineralized zone was completed. Both were designed to meet expected regulatory and environmental requirements to ultimately form part of the production ISR well field at Phoenix. The CSWs (GWR-031 and GWR-032) were directed with a directional driller and a measurement-while-drilling operator (MWD) from the surface to ensure the targets were successfully intersected.

 

The regional monitoring wells were used to establish baseline conditions within the local and regional groundwater systems. The data collected, including groundwater levels, flow and quality, formed key inputs to groundwater models for the environmental assessment. Upon completion, the P/I wells were used to pump water from or inject water into the mineralized zone to collect hydrogeological data and identify hydraulic connectivity between test wells – validating the ability to move water, and the existence of significant permeability, within the Phoenix mineralized zone.

 

In the spring of 2020, Denison drilled five PQ-sized environmental monitoring wells separated by two distinct locations on the Property. The additional monitoring wells allowed for the collection of groundwater flow information at locations further away from the Phoenix deposit than previously studied, providing additional data for the site groundwater model. The three-well cluster consisting of GWR-033, GWR-034, and GWR-035 targeted the MFd, MFb, and Read Formation, respectively. The two-well cluster consisting of GWR-036 and GWR-037 targeted MFc and MFd members.

 

In the fall of 2020, 20 drill holes were drilled at Zone A (464.8 m; 1 hole), Phoenix Zone B (2,413.5 m; 6 holes) and Zone C (4,570.2 m; 13 holes). Priority target areas included the A/B Gap (the gap between Zones A and B), and Zones Band C (Figure 10-1). Three of these drill holes at Zone C successfully extended the mineralized zone's strike length by approximately 20 m to the southwest and delineating a potential high-grade mineralized core.

 

Project No.: 251208Drilling
August 2023Page 10-4

 

 

Wheeler River Project
Athabasca Basin, Saskatchewan
NI 43-101 Technical Report

 

In 2021, Denison drilled wells within Mining Phase 1, in Zone A (Figure 10-2 and Figure 10-3). Five CSWs, GWR-038, GWR-039, GWR-040, GWR-041 and GWR-042 spaced 5 to 10 m were drilled utilizing a dual rotary drilling rig and could be retrofitted with acid-resistant casing for future lixiviant testing. To minimize deviation, the CSWs utilized a directional driller and a real-time MWD operator from the surface. Four monitoring wells, five vibrating wire piezometers and one recharge well were drilled with a diamond drilling rig. Monitoring wells GWR-044, GWR-045, GWR-047, GWR-048, GWR-049, and GWR-050 were drilled from surface, while GWR-051, GWR-052, GWR-053 were re-entries of historical exploration drill holes. The monitoring wells varied from PQ, HQ and NQ-sized holes. They were selectively placed within Mining Phase 1 for monitoring pressure changes during hydraulic testing in the sandstone, basement and mineralized horizon in support of the 2022 FFT. The recharge well, GWR-043 located to the northeast of Phoenix Zone A was designed to dispose of formation fluids. Well GWR-045 intersected significant mineralization located on the boundary of the high-grade mineralization in Mining Phase 1 and was followed up with two exploration drill holes, WR-784 and WR-787.

 

Figure 10-1: Phoenix Deposit Drill Hole Location Plan Map

 

Diagram

Description automatically generated

 

(Source: Denison, 2023)

 

Note: All holes presented have been drilled by Denison.

 

Project No.: 251208Drilling
August 2023Page 10-5

 

 

Wheeler River Project
Athabasca Basin, Saskatchewan
NI 43-101 Technical Report

 

Figure 10-2: Phoenix Deposit Mining Phases 1 to 5 Planview Map

 

A picture containing text, screenshot, plot, diagram

Description automatically generated

 

(Source: Denison, 2023)

 

Project No.: 251208Drilling
August 2023Page 10-6

 

 

Wheeler River Project
Athabasca Basin, Saskatchewan
NI 43-101 Technical Report

 

Figure 10-3: Phoenix Zone A - Mining Phase 1 Planview Map

 

A picture containing text, screenshot, diagram, map

Description automatically generated

 

(Source: Denison, 2023)

 

In 2022, Denison drilled ten PQ-sized monitor wells with a diamond drilling rig in Zone A. They were positioned in three-spot patterns across Zone A, specifically in Mining Phases 1, 2 and 4. Wells GWR-054, GWR-062 and GWR-063 were designed to assess the vertical permeability profiles within the mineralized zone of Mining Phase 1 and to support the FFT. Wells GWR-056, GWR-059 and GWR-061 were drilled in Mining Phase 2 to target the gap in drilling around WR-273 (Figure 10-4). Wells GWR-055, GWR-057, GWR-058 and GWR-060 were drilled in Mining Phase 4 to provide a better assessment of permeability variability throughout the Phoenix deposit (Figure 10-5).

 

Further interpretation of the geology and mineralization at Phoenix from the drilling results is presented in Figure 7-7, Figure 14-8, and Figure 14-9.

 

Project No.: 251208Drilling
August 2023Page 10-7

 

 

Wheeler River Project
Athabasca Basin, Saskatchewan
NI 43-101 Technical Report

 

Figure 10-4: Phoenix Zone A - Mining Phase 2 Planview Map

 

A picture containing text, screenshot, map, diagram

Description automatically generated

 

(Source: Denison, 2023)

 

Figure 10-5: Phoenix Zone A - Mining Phase 4 Planview Map

 

A screenshot of a computer

Description automatically generated with low confidence

 

(Source: Denison, 2023)

 

Project No.: 251208Drilling
August 2023Page 10-8

 

 

Wheeler River Project
Athabasca Basin, Saskatchewan
NI 43-101 Technical Report

 

10.2.2Core Recovery and Use of Probe Data

 

At Phoenix, the mineralized zones (sandstone or basement) are moderately to strongly altered and, in some cases, disrupted by fault breccias. In places, the core can be broken and blocky; however, recovery is generally good, with an overall average greater than 80%. Localized intervals of poor core recovery of up to 5 m in length with less than 80% core recovery have been encountered due to washouts during the drilling process. Where 80% or less of an interval is recovered during drilling (>20% core loss) or where no geochemical sampling has occurred across a mineralized interval, uranium grade determination has been supplemented by radiometric probe data. An example of the process is presented in Figure 10-6.

 

Figure 10-6: Assay, Probe grades, and Core Recovery Data from Drill Hole WR-376 (Zone A)

 

 

(Source: Denison, 2023)

 

Note: Significant core loss occurs within the high-grade zone in WR-376. Equivalent U3O8 grades (from down-hole radiometric data) were used for the interval from 391 to 396 m and assay grades for the remainder of the mineralized interval.

 

Project No.: 251208Drilling
August 2023Page 10-9

 

 

Wheeler River Project
Athabasca Basin, Saskatchewan
NI 43-101 Technical Report

 

10.3Gryphon Deposit Drilling

 

The first exploration drilling in the Gryphon area began in 1988 and continued intermittently through 2013. In 2014, Denison completed a drilling campaign of 23 holes for 16,666 m which included the Gryphon discovery hole WR-556. Following the discovery of Gryphon, definition drilling has been carried out on all lenses (A through E series). The A through C series lenses have been defined as a body of multiple stacked high-grade lenses that plunge toward the northeast, approximately 80 to 370 m below the sub-Athabasca unconformity. To date, Denison and predecessor companies have drilled 276 holes, totalling 155,266 m, in the immediate Gryphon deposit area, of which 216, totalling 119,720 m drilled between 1985 and 2017, have delineated the Gryphon deposit. The 2018 drilling was designed to test for extension of mineralization up dip from the unconformity contact and to the northwest along strike. Mr. Mathisen’s review of the 2018 drilling shows that drill holes WR-696 and WR-699D1 intersected the B6 and B7 mineralized zones respectively; however, both these zones are excluded from the mineral resource estimate. The remaining 2018 holes did not intersect any additional or material mineralization and all drilling conducted during 2018 is excluded from the mineral resource estimate. Table 10-3 lists the holes by drilling program, and Figure 10-7 shows the location of drilling at Gryphon.

 

Diamond drilling at Gryphon was primarily done with NQ sized core (47.6 mm diameter) with most holes angled between 60° and 79° to the northwest; 11 of the holes are drilled vertically.

 

Interpretation of the geology and mineralization at Gryphon from the drilling results is presented in Figure 7-17, Figure 14-19, Figure 14-20 and Figure 14-21.

 

Table 10-3: Gryphon Drilling Summary

 

Year Company No. of Holes* Total Drilled (m)
1985 SMDC 1 560
1988 SMDC 3 1,837
1989 Cameco 2 960
2001 Cameco 1 584
2013 Denison 3 1,515
2014 Denison 26 17,915
2015 Denison 53 30,861
2016 Denison 73 43,605
2017 Denison 91 43,273
2018 Denison 23 14,157
Total   276 155,266

 

Note: * Includes abandoned drill holes.

 

Project No.: 251208Drilling
August 2023Page 10-10

 

 

Wheeler River Project
Athabasca Basin, Saskatchewan
NI 43-101 Technical Report

 

Figure 10-7: Gryphon Deposit Drill Hole Location Map

 

A picture containing text, screenshot, colorfulness, design

Description automatically generated

 

(Source: Denison, 2023)

 

Note: 2018 drill hole traces are highlighted in bold green.

 

10.3.1Core Recovery and Use of Probe Data

 

Core recovery at Gryphon is generally 100%, and therefore radiometric eU3O8 grades are seldom required as a substitute for chemical U3O8 assays. There are a total of 5,591 U3O8 assay records totalling 2,796 m in the Gryphon deposit database of which 3,141 U3O8 assays totalling 1,571 m were used in the mineral resource estimate. For the mineral resource estimate, 7.0% of the assay intervals relied on eU3O8 grades where core recovery was less than 80%.

 

Mr. Mathisen is not aware of any drilling, sampling, or recovery factors that could materially impact the accuracy and reliability of the results.

 

Project No.: 251208Drilling
August 2023Page 10-11

 

 

Wheeler River Project
Athabasca Basin, Saskatchewan
NI 43-101 Technical Report

 

10.4Drill Hole Surveying

 

Drill hole surveying techniques are consistent for both Phoenix and Gryphon drilling.

 

The collar locations of drill holes are spotted on a grid established in the field, and collar sites are surveyed by Denison personnel using a differential GPS system in NAD83 UTM zone 13N. Where directional drilling methods were employed, involving the drilling of a parent hole and multiple daughter holes drilled part way down the parent hole, wedge locations of daughter holes were derived using a combination of surveyed parent hole collar locations and downhole Reflex deviation survey tests.

 

The trajectory of all drill holes is determined with a Reflex instrument in single point mode, which measures the dip and azimuth at 50 m intervals down the hole with an initial test taken 6 m below the casing and a final measurement at the bottom of the hole. Downhole surveying was performed by the drilling contractors. All mineralized and non-mineralized holes within the Phoenix deposit are cemented from approximately 25 m below the mineralized zone to approximately 25 m above the zone.

 

10.5Radiometric Logging of Drill Holes

 

The radiometric logging of drill holes is consistent for both Phoenix and Gryphon drill holes.

 

Down-hole radiometric logging using a Mount Sopris gamma logging unit employing a triple gamma probe (2GHF-1000) was completed systematically on almost every drill hole on the Property. The probe measures natural gamma radiation using three different detectors: one 12.7 mm x 38.1 mm sodium iodide (NaI) crystal assembly and two Geiger Mueller (G-M) tubes installed above the NaI detector. Accurate mineralization concentrations can be measured in uranium grades ranging from less than 0.1% to greater than 80% U3O8. Data is logged from three detectors at a speed of 5 m/min through mineralized intervals, 10 m/min downhole, and 15 m/min up hole through the drill rods.

 

Down-hole radiometric data is converted into equivalent uranium grade using a two-step conversion process discussed in detail in Section 14.

 

Drilling procedures, including collar surveying, down-hole Reflex surveying and radiometric probing, are standard industry practice.

 

Project No.: 251208Drilling
August 2023Page 10-12

 

 

Wheeler River Project
Athabasca Basin, Saskatchewan
NI 43-101 Technical Report

 

10.6Sampling Method and Approach

 

10.6.1Drill Core Handling and Logging Procedures

 

Drill core handling and logging procedures conducted by Denison are consistent for both Phoenix and Gryphon drill holes.

 

At each drill site, the core is removed from the core tube by the drill contractors and placed directly into PQ, HQ or NQ wooden core boxes. The standard 1.5 m length for NQ (4.5 m total) or two row HQ/PQ wooden boxes with standard 1.5 m (3.0 m total). Individual drill runs are identified with small wooden blocks, onto which the depth in metres is recorded. Diamond drill core is transported at the end of each drill shift to an enclosed core handling facility at Denison’s Wheeler River camp where holes are logged by Denison personnel.

 

Before core is split for assay, it is logged for lithology, structure, alteration, mineralization, geotechnical characteristics, surveyed with a hand-held scintillometer for radioactivity, and marked for sampling. The sampling of the holes for assay is guided by the observed geology, radiometric logs, and readings from a hand-held scintillometer. Data is entered into DHLogger software on laptops in the field. The DHLogger data is transferred into a Fusion database. All drill hole data is validated throughout the drilling program and as an integral component of the current recent mineral resource estimation work. Hard copies of drill logs are stored at the site.

 

The general concept behind the scintillometer is similar to the gamma probe, except the radiometric pulses are displayed on a scale on the instrument, and the respective count rates are recorded manually by the technician logging the core. The hand-held scintillometer provides quantitative data only and cannot be used to calculate uranium grades; however, it does allow the geologist to identify uranium mineralization in the core and select intervals for geochemical sampling.

 

Scintillometer readings are taken throughout the hole as part of the logging process, usually over 3 m intervals (in non-mineralized areas) and are averaged for the interval. In mineralized zones where scintillometer readings are above five times background (approximately 500 cps depending on the scintillometer being used), readings are recorded over 10 cm intervals and tied to the run interval blocks. The scintillometer profile is then plotted on strip logs to compare and adjust the depth of the down-hole gamma logs. Core trays are marked with aluminum tags as well as felt markers.

 

10.6.2Drill Core Sampling

 

Sampling is consistent for both Phoenix and Gryphon drill holes.

 

Project No.: 251208Drilling
August 2023Page 10-13

 

 

Wheeler River Project
Athabasca Basin, Saskatchewan
NI 43-101 Technical Report

 

10.6.2.1Assay Sampling

 

Denison submits assay samples for geochemical analysis for all cored sections through mineralized intervals, where core recovery permits. Mineralized core is scanned with the hand-held scintillometer after each piece of drill core is removed from the core box and located away from adjacent mineralization to mitigate potential contamination from the ambient background, noting the most pertinent reproducible result in counts per second, and carefully returning it to its correct place in the core box. Any core registering over 500 cps is flagged for splitting and sent to the laboratory for assay. Early drill holes were sampled using variable intervals (0.2 to 1.0 m); however, after drill hole WR-253, drilled in 2008, holes were sampled using 0.5 m sample length. Barren samples at least 0.5 m in length are taken to flank both ends of mineralized intersections; however, may be increased in sample length in areas with strong mineralization.

 

All core samples are split with a hand splitter according to the sample intervals marked on the core. One-half of the core is returned to the core box for future reference, and the other half is bagged, tagged, and sealed in a plastic bag. Bags of mineralized samples are sealed for shipping in metal or plastic pails, depending on the radioactivity level. Samples collected on 0.5 m spacing through the mineralized zone are analyzed using inductively coupled plasma optical emission spectroscopy (ICP-OES) (Section 11).

 

10.6.2.2Other Sampling

 

Three other types of drill core samples are collected as follows:

 

·Metallurgical samples are collected over 0.15 m intervals within the mineralized zone from specific hydrogeological units. Intervals greater than 0.05 % eU3O8, defined by down-hole radiometric probe results and confirmed visually by scintillometer results are used to delineate the mineralized zone. These samples consist of whole core samples which are vacuum sealed and preserved with nitrogen.

 

·Composite geochemical samples are collected over approximately 10 m intervals in the upper Athabasca sandstone and in fresh lithologies beneath the unconformity (basement) and over 5 m intervals in the basal sandstone and altered basement units. The samples consist of 1 to 2 cm disks of core collected at the top or bottom of each row of core in the box over the specified interval. Care is taken not to cross lithological contacts or stratigraphic boundaries.

 

·Representative core disks (1 to 2 cm in length (Phoenix) and 1 to 5 cm in length (Gryphon) are collected at regular 5 to 10 m intervals throughout the entire length of the core. These samples are analyzed for clay minerals using reflectance spectroscopy.

 

Project No.: 251208Drilling
August 2023Page 10-14

 

 

Wheeler River Project
Athabasca Basin, Saskatchewan
NI 43-101 Technical Report

 

·Select spot samples are collected from significant geological features (i.e., radiometric anomalies, structure, alteration etc.). Core disks 1 to 2 cm thick are collected for reflectance spectroscopy and split core samples over the desired interval are sent for geochemical analysis. Ten-centimetre-wide core samples may also be collected for density measurement.

 

These sampling types and approaches are typical of uranium exploration and definition drilling programs in the Athabasca Basin. The drill core handling and sampling protocols are industry standard.

 

10.7QP Comments on Section 10

 

Drilling procedures, including collar surveying, down-hole Reflex surveying and radiometric probing, follow standard industry practice.

 

The QPs are not aware of any drilling, sampling, or recovery factors that could materially impact the accuracy and reliability of the results.

 

Project No.: 251208Drilling
August 2023Page 10-15

 

 

Wheeler River Project
Athabasca Basin, Saskatchewan
NI 43-101 Technical Report

 

11.0Sample Preparation, Analyses, and Security

 

All samples for assay or geochemical analyses for the Project are sent to the SRC Geoanalytical. Check assays were sent to SRC DNC.

 

All samples for U3O8 assays are transported in sealed containers by land to the SRC laboratory by Denison personnel. A sample transmittal form is prepared prior to shipment that identifies each batch of samples. Upon sample receipt, SRC performs sample confirmation and sample preparation on all samples prior to analysis.

 

Geochemical sample preparation, analytical procedures and QAQC described herein are applicable to both Phoenix and Gryphon samples.

 

11.1Geochemical Sample Preparation Procedures

 

11.1.1Sample Receiving

 

Samples are received at SRC Geoanalytical as either dangerous goods for which qualified transport of dangerous goods (TDG) personnel is required or as exclusive use-only samples (no radioactivity documentation attached). On arrival, samples are assigned an SRC group number and are entered into the laboratory information management system.

 

All information pertaining to a received shipment of samples is verified by sample receiving personnel, including: sample numbers, number of pails, sample type/matrix, condition of samples, and request for analysis. The samples are then sorted by radioactivity level. A sample receipt and sample list are then generated and emailed to the appropriate authorized personnel at Denison. Denison is notified if there are any discrepancies between the paperwork and the samples received.

 

11.1.2Sample Sorting

 

Samples are sorted by their matrix and radioactivity level to ensure that there is no cross-contamination between sandstone and basement, non-mineralized, low-level, and high-level mineralized samples. The samples are first sorted in their group into matrix types (sandstone/basement and non-mineralized/mineralized) and are then checked for their radioactivity levels.

 

Using a radioactivity detector system, the samples are classified into one of the following levels:

 

·Red Line (minimal radioactivity) – <500 cps

 

Project No.: 251208Sample Preparation, Analyses, and Security
August 2023Page 11-1

 

  

Wheeler River Project
Athabasca Basin, Saskatchewan
NI 43-101 Technical Report

 

·1 Dot 500 – 1,999 cps

 

·2 Dots 2000 – 2,999 cps

 

·3 Dots 3000 – 3,999 cps

 

·4 Dots 4000 – 4,999 cps

 

·UR (unreadable) – >5,000 cps.

 

The samples are then sorted into ascending sample numerical order and transferred to the appropriate drying oven for the sample matrix.

 

11.1.3Sample Preparation

 

After the drying process is complete, Red Line and 1 Dot samples are sent for further processing (crushing and grinding) in the main SRC laboratory. All radioactive samples classified at 2 Dots or higher are sent to a secure radioactive facility at SRC for the same sample preparation. Plastic snap-top vials are labelled according to sample numbers and sent to the appropriate crushing room with the samples. All highly radioactive materials are kept in a radioactive bunker until they can be transported by TDG-trained individuals to the radioactivity facility for processing.

 

Rock samples are jaw crushed to 60% passing -2 mm. Samples are placed into the crusher one at a time, and the crushed material is put through a splitter. The operator ensures that the distribution of the material is even, so there is no bias in the sampling. One portion of the material is placed into the plastic snap-top vial, while the other portion, the reject material, is put in the sample bag. The first sample from each group is checked for crushing efficiency by screening the vial of rock through a 2 mm screen. A calculation is then carried out to ensure that 60% of the material is -2 mm. If the QC check fails, the crushing is redone and checked for crushing efficiency; if it still fails, the QC department is notified, and corrective action is taken.

 

The crusher, crusher catch pan, splitter, and splitter catch pan are cleaned between each sample using compressed air.

 

The reject material is returned to its original sample bag and archived in a plastic pail with the appropriate group number marked on the outside of the pail. The vials of material are then sent to grinding; each vial of material is placed in pots (six pots per grind) and ground for two minutes. The material is then returned to the vials. The operator shakes the vial to check the fineness of the material by looking for visible grains and listening for rattling. The sample is then screened through a 106 µm sieve using water. The sample is then dried and weighed. Over 90% of the material must be -106 µm to pass the grinding efficiency QC. The material is then transferred to a labelled plastic snap-top vial.

 

Project No.: 251208Sample Preparation, Analyses, and Security
August 2023Page 11-2

 

 

Wheeler River Project
Athabasca Basin, Saskatchewan
NI 43-101 Technical Report

 

The pots are cleaned out with silica sand and blown out with compressed air at the start of each group. In the radioactive facility, the pots are cleaned with water. Once sample pulps are generated, they are returned to the main laboratory to be chemically processed prior to analysis. All containers are identified with the appropriate sample information and radioactivity status. Once the sample preparation is completed, the radioactive pulps are returned to a secure radioactive bunker until they can be transported back to the radioactive facility. All rejected sample material not involved in the grinding process is returned to the original sample container. All highly radioactive materials are stored in secure radioactive designated areas.

 

Sample preparation methods for the samples used in the Phoenix and Gryphon mineral resource estimates meet or exceed industry standards.

 

11.2Laboratory Certification

 

SRC Geoanalytical’s management system operates in accordance with ISO/IEC 17025:2017 (CAN-P-4E). General requirements for the Competence of Mineral Testing and Calibration Laboratories is compliant with CAN-P-1579 Guidelines for Mineral Analysis Testing Laboratories and is also accredited ISO/IEC 17025:2017 for the analysis of U3O8. The laboratory also follows the Standards Council of Canada (SCC) Requirements and Guidance for the Accreditation of Mineral Analysis Testing Laboratories and is licenced by the CNSC for the possession, transfer, import, export, use, and storage of designated nuclear substances by CNSC Licence Number 01784-1-09.3. As such, the laboratory is closely monitored and inspected by the CNSC for compliance. SRC DNC operates under the umbrella of SRC Environmental Analytical Laboratories, which adheres to international standard ISO/IEC17025:2017.

 

SRC Geoanalytical and SRC DNC are independent of Denison.

 

11.3Analytical Methods

 

Prior to 2009, all assay core samples were analyzed by the ICP1 package offered by SRC Geoanalytical. In 2009 the method was changed to ICP-MS in favour of a lower detection limit.

 

11.3.1Method Summary: ICP1

 

(Uranium multi-element exploration analysis by ICP-OES)

 

In ICP-OES analysis, the atomized sample material is ionized, and the ions then emit light (photons) of a characteristic wavelength for each element, which is recorded by optical spectrometers. Calibrations against standard materials allow this technique to provide a quantitative geochemical analysis.

 

Project No.: 251208Sample Preparation, Analyses, and Security
August 2023Page 11-3

 

 

Wheeler River Project
Athabasca Basin, Saskatchewan
NI 43-101 Technical Report

 

The analytical package includes 63 analytes (47 total digestion, 16 partial digestion), with nine elements analyzed for both partial and total digestions (Ag, Co, Cu, Mo, Ni, Pb, U, V, and Zn). Samples may also be analyzed for gold by fire assay, upon request. The ICP1 analytical package include the following analytes.

 

Total Digestion: Ag, Al2O3, Ba, Be, Cd, CaO, Ce, Cr, Co, Cu, Dy, Er, Eu, Fe2O3, Gd, Ga, Hf, Ho, K2O, La, Li, MgO, MnO, Mo, Na2O, Nb, Nd, Ni, P2O5, Pb, Pr, S, Sc, Sm, Sn, Sr, Ta, Tb, Th, TiO2, W, U, V, Yb, Y, Zn, Zr.

 

Partial Digestion: Ag, As, Bi, Co, Cu, Ge, Hg, Mo, Ni, Pb, Sb, Se, Te, U, V, Zn.

 

For partial digestion analysis, samples are prepared as described in Section 11.1.3. An aliquot of pulp is digested in a digestion tube in a mixture of HNO3:HCl, in a hot water bath for approximately one hour, then diluted to 15 mL using de-ionized water. The samples were then analyzed using a Perkin Elmer ICP-OES instrument (models DV4300 or DV5300).

 

For total digestion analysis, an aliquot of pulp is digested in a hot block digestor system using a mixture of concentrated HF:HNO3:HClO4. The dried residue is dissolved in 15 mL of dilute HNO3 and analyzed using the same instrument(s) as for partial digestion.

 

In addition, Boron is determined by ICP-OES analysis after fusion with NaO2/NaCO3.

 

11.3.2Method Summary: ICP-MS

 

(The multi-element determination by ICP-MS)

 

This analytical package includes the analysis of 54 elements and oxides using a three-acid (HF/HNO3/HClO4) total digestion and a suite of 44 elements using a two-acid (HNO3/HCl) partial digestion. Analysis of the lead isotopes (204Pb, 206Pb, 207Pb, and 208Pb) is also included in the package. PerkinElmer instruments (models Optima 300DV, Optima 4300DV, and Optima 5300DV) are currently in use. The samples generally analyzed by this package are non-radioactive, non-mineralized sandstones and basement rocks with low concentrations of uranium (<100 ppm).

 

The package consists of three separate analyses:

 

·ICP-MS analysis on the partial digestion (Ag, As, Be, Bi, Cd, Co, Cs, Cu, Dy, Er, Eu, Ga, Gd, Ge, Hf, Hg, Ho, Mo, Nb, Nd, Ni, 204Pb, 206Pb, 207Pb, 208Pb, Pb, Pr, Rb, Sb, Sc, Se, Sm, Sn, Ta, Tb, Te, Th, U, V, W, Y, Yb, Zn and Zr)

 

 

Project No.: 251208Sample Preparation, Analyses, and Security
August 2023Page 11-4

 

 

Wheeler River Project
Athabasca Basin, Saskatchewan
NI 43-101 Technical Report

 

·ICP-OES analysis (refer to subsection 11.3.1 for method summary) for major and minor elements on the total digestion (Al2O3, CaO, Fe2O3, K2O, MgO, MnO, Na2O, P2O5, TiO2, Ba, Ce, Cr, La, Li, Sr, S, V, and Zr)

 

·ICP-MS analysis for trace elements on the total digestion (Ag, Be, Bi, Cd, Co, Cs, Cu, Dy, Er, Eu, Ga, Gd, Hf, Ho, Mo, Nb, Nd, Ni, 204Pb, 206Pb, 207Pb, 208Pb, Pb, Pr, Rb, Sc, Sm, Sn, Ta, Tb, Th, U, W, Y, Yb and Zn)

 

For partial digestions, an aliquot of pulp is digested in a mixture of ultra-pure concentrated nitric and hydrochloric acids (HNO3:HCl) in a digestion tube in a hot water bath and then diluted to 15 mL using de-ionized water prior to analysis. As, Ge, Hg, Sb, Se and Te are subject to partial digestion only, as these elements are not suited to total digestion analysis. The ICP-MS instruments used are PerkinElmer Elan DRC II.

 

For total digestion, an aliquot of pulp is digested in a hot block digestor system using a mixture of ultra-pure concentrated acids HF:HNO3:HClO4. The dried residue is dissolved in 15 mL of 5% HNO3 and made to volume using de-ionized water prior to analysis.

 

In addition, Boron is determined by ICP-OES analysis after fusion with NaO2/NaCO3.

 

11.3.3Method Summary: U3O8 wt% Assay by ICP-OES

 

(The determination of U3O8 wt% in solid samples by ICP-OES)

 

When ICP1 uranium partial values are ≥1,000 ppm, sample pulps are re-assayed for U3O8 using SRC’s ISO/IEC 17025:2005-accredited U3O8 (wt%) method. In the case of uranium assay by ICP-OES, a pulp is already generated from the first phase of sample preparation and assaying (discussed above).

 

For analysis by aqua regia, an aliquot of sample pulp is digested in a 100 mL volumetric flask in a mixture of 3:1 HCl:HNO3 on a hot plate for approximately one hour, then diluted to volume using de-ionized water. Samples are diluted prior to analysis by ICP-OES.

 

Instruments in the analysis are calibrated using certified commercial solutions. The instruments used were PerkinElmer Optima 300DV, Optima 4300DV, or Optima 5300DV, with detection limits of 0.0001% U3O8.

 

Project No.: 251208Sample Preparation, Analyses, and Security
August 2023Page 11-5

 

 

Wheeler River Project
Athabasca Basin, Saskatchewan
NI 43-101 Technical Report

 

11.3.4Method Summary: U3O8 wt% Assay by Delayed Neutron Counting

 

(The determination of U3O8 wt% in solid samples by delayed neutron counting)

 

In 2009 the SRC documented the method summary for the delayed neutron counting (DNC) technique. Samples previously prepared as pulps for ICP total digestion are used for the DNC analysis. The pulps are irradiated in a SLOWPOKE-2 nuclear reactor for a given period. After irradiation, the samples are pneumatically transferred to a counting system equipped with six helium-three detectors. After a suitable delay period, neutrons emanating from the sample are counted. The proportion of delayed neutrons emitted is related to the uranium concentration. For low concentrations of uranium, a minimum of one gram of sample is preferred, and larger sample sizes (2 to 5 g) will improve precision. Several blanks and certified uranium standards are analyzed to establish the instrument calibration. In addition, control samples are analyzed with each batch of samples to monitor the stability of the calibration. At least one in every 10 samples is analyzed in duplicate. The results of the instrument calibration, blanks, control samples, and duplicates must be within specified limits; otherwise, corrective action is required.

 

Analysis for uranium by DNC incorporates four separate flux/site conditions of varying sensitivity to produce an effective range of analysis from zero to 150,000 µg U per capsule (samples of up to 90% U can be analyzed by weighing a fraction of a gram to ensure that there is no more than 150,000 µg U in the capsule). Each condition is calibrated using between three and seven reference materials. For each condition, one of these materials is designated as a calibration check sample and an independent control sample for each condition.

 

The SRC SLOWPOKE-2 reactor’s final day of operation was April 30, 2019, and the facility was fully decommissioned in 2020.

 

11.3.5Drill Core Bulk Density Analysis

 

Drill core samples collected for bulk density measurements are sent to SRC Geoanalytical. Samples are first weighed as received and then submerged in de-ionized water and re-weighed. The samples are then dried until a constant weight was obtained. Samples are then coated with an impermeable layer of wax and weighed again while submersed in de-ionized water. Weights are entered into a database, and the bulk density of each sample was calculated. Water temperature at the time of weighing was also recorded and used in the bulk density calculation.

 

 

Project No.: 251208Sample Preparation, Analyses, and Security
August 2023Page 11-6

 

 

Wheeler River Project
Athabasca Basin, Saskatchewan
NI 43-101 Technical Report

 

11.4Quality Assurance Quality Control

 

11.4.1Sample Standards, Blanks and Field Duplicates

 

Analytical standards are routinely used to monitor analytical precision and accuracy, and field standards are used as an independent monitor of laboratory performance.

 

11.4.1.1Uranium Assay Standards

 

Denison used external assay standards prepared in-house by Cameco using uranium ores from Cameco’s Blind River Refinery in Ontario and the Cree Extension-Millennium project in northern Saskatchewan. The external standards used for the assays included USTD1, USTD2, USTD3, USTD4, USTD5 and USTD6. Due to the radioactive nature of the standard material, SRC Geoanalytical personnel insert the appropriate standard for each batch of uranium assay samples. Cameco standards are added to the sample groups, using the standards appropriate for each group. In a run of 40 samples, at least one will consist of a standard. During sample processing the appropriate standard grade is determined and an aliquot of appropriate standard is inserted into the analytical stream for each batch of material assayed.

 

Plots for the USTD-series standards with Phoenix samples are shown in Figure 11-1 to Figure 11-6. Plots for the USTD series standards with Gryphon samples are shown in Figure 11-7 to Figure 11-12.

 

Note that the method used to calculate the upper limit (UL) and lower limit (LL) for the USTD-series standards was revised in 2011 from a mean plus or minus three standard deviations (±3SD) to mean plus or minus 5% back to mean ±3SD as shown on the graphs as a jump in the UL and LL trace.

 

Project No.: 251208Sample Preparation, Analyses, and Security
August 2023Page 11-7

 

 

Wheeler River Project
Athabasca Basin, Saskatchewan
NI 43-101 Technical Report

 

Figure 11-1: Phoenix Standard Control Chart – USTD1 (Low-Grade)

 

 

(Source: Denison, 2023)

 

Figure 11-2: Phoenix Standard Control Chart – USTD2 (Low-Grade)

 

 

(Source: Denison, 2023)

 

 

Project No.: 251208Sample Preparation, Analyses, and Security
August 2023Page 11-8

 

 

Wheeler River Project
Athabasca Basin, Saskatchewan
NI 43-101 Technical Report

 

Figure 11-3: Phoenix Standard Control Chart – USTD3 (Medium-Grade)

 

 

(Source: Denison, 2023)

 

Figure 11-4: Phoenix Standard Control Chart – USTD4 (High-Grade)

 

 

(Source: Denison, 2023)

 

 

Project No.: 251208Sample Preparation, Analyses, and Security
August 2023Page 11-9

 

 

Wheeler River Project
Athabasca Basin, Saskatchewan
NI 43-101 Technical Report

 

Figure 11-5: Phoenix Standard Control Chart – USTD5 (High-Grade)

 

 

(Source: Denison, 2023)

 

Figure 11-6: Phoenix Standard Control Chart – USTD6 (High-Grade)

 

 

(Source: Denison, 2023)

 

 

Project No.: 251208Sample Preparation, Analyses, and Security
August 2023Page 11-10

 

 

Wheeler River Project
Athabasca Basin, Saskatchewan
NI 43-101 Technical Report

 

Figure 11-7: Gryphon Standard Control Chart – USTD1 (Low-Grade)

 

 

(Source: Denison, 2023)

 

Figure 11-8: Gryphon Standard Control Chart – USTD2 (Low-Grade)

 

 

(Source: Denison, 2023)

 

 

Project No.: 251208Sample Preparation, Analyses, and Security
August 2023Page 11-11

 

 

Wheeler River Project
Athabasca Basin, Saskatchewan
NI 43-101 Technical Report

 

Figure 11-9: Gryphon Standard Control Chart – USTD3 (Medium-Grade)

 

 

(Source: Denison, 2023)

 

Figure 11-10: Gryphon Standard Control Chart – USTD4 (Medium-Grade)

 

 

(Source: Denison, 2023)

 

Project No.: 251208Sample Preparation, Analyses, and Security
August 2023Page 11-12

 

 

Wheeler River Project
Athabasca Basin, Saskatchewan
NI 43-101 Technical Report

 

Figure 11-11: Gryphon Standard Control Chart – USTD5 (High-Grade)

 

 

(Source: Denison, 2023)

 

Figure 11-12: Gryphon Standard Control Chart – USTD6 (High-Grade)

 

 

(Source: Denison, 2023)

 

Project No.: 251208Sample Preparation, Analyses, and Security
August 2023Page 11-13

 

 

Wheeler River Project
Athabasca Basin, Saskatchewan
NI 43-101 Technical Report

 

Between 2009 and 2022, a total of 308 USTD-series standards were analyzed with the Phoenix samples. All USTD-series standards passed, except for two samples. One USTD2 standard analysis returned 0.882% U3O8, which was higher than the accepted upper limit of 0.87% U3O8 and one USTD3 standard analysis returned a U3O8 value of 2.93%, lower than the accepted lower limit of 3.04% U3O8. In both cases, the results were still within the revised accepted limits for the said standards, as redefined in 2011 and again in 2017.

 

A total of 386 USTD-series standards were analyzed with the Gryphon samples between 2014 and 2018. The analysis of all Gryphon reference samples returned U3O8 values within acceptable limits, and no accuracy issues were noted.

 

11.4.1.2Blanks

 

Denison employs a lithological blank composed of quartzite to monitor the potential for contamination during sampling, processing, and analysis. The selected blank consists of a material that contains lower contents of U3O8 than the sample material but is still above the detection limit of the analytical process. For each assay group an aliquot of Cameco blank material was included in a run of 40 samples. The blanks employed must be inserted by SRC Geoanalytical after radiometric sorting takes place to ensure that these materials are ubiquitous throughout the range of analytical grades. In effect, if the individual geologists were to submit these samples anonymously, they would invariably be relegated to the minimum radioactive grade level, preventing their inclusion in the higher radioactive grade analyses performed by SRC Geoanalytical. Figure 11-13 and Figure 11-14 show the results of analyses of blank samples at Phoenix and Gryphon, respectively.

 

A total of 308 blank samples were analyzed with the assay samples from the Phoenix deposit between 2009 and 2022. Of the 308 blanks, three exceeded the upper limit of 0.013% U3O8. The failed blanks can be explained by high-grade results in the preceding samples. Most anomalous blank returned 0.036% U3O8, which was preceded by a sample that returned 21.7% U3O8. The assay data from the failed batches were substituted with radiometric grade data on all three instances.

 

Project No.: 251208Sample Preparation, Analyses, and Security
August 2023Page 11-14

 

 

Wheeler River Project
Athabasca Basin, Saskatchewan
NI 43-101 Technical Report

 

Figure 11-13: Phoenix Blank Material Control Chart

 

 

(Source: Denison, 2023)

 

Figure 11-14: Gryphon Blank Material Control Chart

 

 

(Source: Denison, 2023)

 

 

Project No.: 251208Sample Preparation, Analyses, and Security
August 2023Page 11-15

 

 

Wheeler River Project
Athabasca Basin, Saskatchewan
NI 43-101 Technical Report

 

11.4.1.3Field Assay Duplicates

 

Analyses of duplicate samples are a mandatory component of QC. Duplicates are used to evaluate the field precision of analyses received and are typically controlled by rock heterogeneity and sampling practices. Core duplicates are prepared by collecting a second sample of the same interval, through splitting the original sample or other similar technique, and are submitted as an independent sample. Duplicates are typically submitted at a minimum rate of one per 20 samples to obtain a collection rate of 5%. The collection may be further tailored to reflect field variation in specific rock types or horizons. Figure 11-15 and Figure 11-16 show the results of analyses of field core duplicates plotted against original analyses for Phoenix and Gryphon samples, respectively.

 

Between 2009 and 2020, 66 field duplicate sample pairs were submitted to the laboratory from the drilling completed at Phoenix. The mean of the original samples was 15.21% U3O8, whereas the mean of the field duplicate assays was 14.50% U3O8, with a correlation coefficient of 90%.

 

A total of 83 pairs of duplicate samples were sent to the laboratory from the Gryphon deposit drilling. The mean of the original samples was 2.27% U3O8, whereas the mean of the field duplicate assays was 2.31% U3O8, with a correlation coefficient of 97%. Majority of the variability occurs at the lower levels associated with samples that had U3O8 values less than 1%. The assays for these standards do not show any bias, and despite variabilities in individual assays, the global averages of the original samples and the field duplicates are reproducible.

 

Variability in the field duplicate data is not unexpected and can be attributed to a number of factors, including mineralization heterogeneity in high-grade uranium deposits, sampling error, sample size reduction and analytical error.

 

The QAQC assessment determined that analytical results for field duplicates reported herein are within standard industry limits.

 

Project No.: 251208Sample Preparation, Analyses, and Security
August 2023Page 11-16

 

 

Wheeler River Project
Athabasca Basin, Saskatchewan
NI 43-101 Technical Report

 

Figure 11-15: Phoenix Field Duplicate Control Chart

 

 

(Source: Denison, 2023)

 

Figure 11-16: Gryphon Field Duplicate Control Chart

 

 

(Source: Denison, 2023)

 

 

Project No.: 251208Sample Preparation, Analyses, and Security
August 2023Page 11-17

 

 

Wheeler River Project
Athabasca Basin, Saskatchewan
NI 43-101 Technical Report

 

11.4.2SRC Geoanalytical Internal Quality Assurance Quality Control Program

 

The SRC Geoanalytical has a QA program dedicated to the active evaluation and continual improvement of their internal quality management system and continues to participate in proficiency testing programs organized by CANMET (CCRMP/PTP-MAL).

 

All instruments are calibrated using certified materials. QC samples are prepared and analyzed with each batch of samples. Within each batch of 40 samples, one to two quality control samples are inserted. Five U3O8 reference standards are used namely BLA2, BL3, BL4A (Figure 11-17 and Figure 11-20 for Phoenix and Gryphon, respectively), BL5 (Figure 11-18 and Figure 11-21 for Phoenix and Gryphon, respectively), and SRCUO2 which have concentrations of 0.502% U3O8, 1.21% U3O8, 0.148% U3O8, 8.36% U3O8, and 1.58% U3O8, respectively. One in every 40 samples is analyzed in duplicate; the reproducibility of this is 5% (Figure 11-19 and Figure 11-22 for Phoenix and Gryphon, respectively).

 

Before the results leave the laboratory, the standards, blanks, and split replicates are checked for accuracy, and issued, with the approval of the senior scientist. If for any reason there is a failure in an analysis, the sub-group affected will be re-analyzed, checked again and a corrective action report is issued, and the problem investigated. All human and analytical errors are eliminated wherever possible. If the laboratory suspects any bias, the samples are re-analyzed, and corrective measures are implemented.

 

QC samples (reference materials, blanks, and duplicates) are included with each analytical run, based on the rack sizes associated with the method. The rack size is the number of samples (including QC samples) within a batch. Blanks are inserted at the beginning, standards are inserted at random positions, and duplicates are analyzed at the end of the batch. QC samples are inserted based on the analytical rack size specific to the method (Table 11-1).

 

A total of 306 pairs of laboratory duplicates from the Phoenix core samples were analyzed by SRC between 2009 and 2022. The mean of the original samples was 9.50% U3O8, whereas the mean of the laboratory repeats was 9.35% U3O8, with a correlation coefficient of almost 99%, suggesting excellent reproducibility between samples. Grade variability observed in some of the sample pairs can be explained by the nuggetty nature of some of the high-grade samples.

 

Between 2014 and 2018, a total of 273 pairs of laboratory duplicates from the Gryphon deposit core samples were analyzed by SRC Geoanalytical. The mean of the original samples was 3.40% U3O8, whereas the mean of the laboratory repeats was 3.38% U3O8, with a correlation coefficient of 99%, suggesting excellent reproducibility between samples.

 

Project No.: 251208Sample Preparation, Analyses, and Security
August 2023Page 11-18

 

 

Wheeler River Project
Athabasca Basin, Saskatchewan
NI 43-101 Technical Report

 

Figure 11-17:    Phoenix Standard Control Chart – BL4A (Low-Grade)

 

 

(Source: Denison, 2022)

 

Figure 11-18:    Phoenix Standard Control Chart – BL5 (High-Grade)

 

 

(Source: Denison, 202 3)

 

Project No.: 251208Sample Preparation, Analyses, and Security
August 2023Page 11-19

 

 

Wheeler River Project
Athabasca Basin, Saskatchewan
NI 43-101 Technical Report

 

Figure 11-19:    Phoenix SRC Geoanalytical Duplicate Analysis Control Chart

 

 

(Source: Denison, 2023)

 

Figure 11-20:    Gryphon Standard Control Chart – BL4A (Low-Grade)

 

 

(Source: Denison, 2023)

 

Project No.: 251208Sample Preparation, Analyses, and Security
August 2023Page 11-20

 

 

Wheeler River Project
Athabasca Basin, Saskatchewan
NI 43-101 Technical Report

 

Figure 11-21:    Gryphon Standard Control Chart – BL5 (High-Grade)

 

 

(Source: Denison, 2023)

 

Figure 11-22:    Gryphon SRC Geoanalytical Duplicate Analysis Control Chart

 

 

(Source: Denison, 2023)

 

Project No.: 251208Sample Preparation, Analyses, and Security
August 2023Page 11-21

 

 

Wheeler River Project
Athabasca Basin, Saskatchewan
NI 43-101 Technical Report

 

Table 11-1:    Quality Control Sample Allocations

 

Rack Size Methods Quality Control Sample Allocation
20 Specialty methods, including specific gravity, bulk density, and acid insolubility 2 standards, 1 duplicate, 1 blank
28 Specialty fire assay, assay-grade, umpire and concentrate methods 1 standard, 1 duplicate, 1 blank
40 Regular AAS, ICP-AES and ICP-MS methods 2 standards, 1 duplicate, 1 blank
84 Regular fire assay methods 2 standards, 3 duplicates, 1 blank

 

11.4.3External Laboratory Check Analysis

 

Denison sends one in every 25 assay samples to SRC DNC to compare the uranium values using two different methods from two separate laboratories.

 

The DNC method is specific for uranium, and no other elements are analyzed by this technique. The DNC system detects neutrons emitted by the fission of U-235 in the sample, and the instrument response is compared to the response from known reference materials to determine the concentration of uranium in the sample. In order for the analysis to work, the uranium must be in its natural isotopic ratio. Enriched or depleted uranium cannot be analyzed accurately by DNC.

 

There are 102 assay pairs from Phoenix and 167 assay pairs from Gryphon that used both ICP-OES total digestion and the DNC assay technique. Figure 11-23 and Figure 11-24 shows excellent correlation between the SRC Geoanalytical and the SRC DNC laboratories for Phoenix and Gryphon, respectively. Uranium grades obtained with the DNC technique were used only as check assays and were not directly used for mineral resource estimation.

 

Project No.: 251208Sample Preparation, Analyses, and Security
August 2023Page 11-22

 

 

Wheeler River Project
Athabasca Basin, Saskatchewan
NI 43-101 Technical Report

 

Figure 11-23:    Phoenix External Laboratory Check Analysis Control Chart

 

 

(Source: Denison, 2023)

 

Figure 11-24:    Gryphon External Laboratory Check Analysis Control Chart

 

 

(Source: Denison, 2023)

 

Project No.: 251208Sample Preparation, Analyses, and Security
August 2023Page 11-23

 

 

Wheeler River Project
Athabasca Basin, Saskatchewan
NI 43-101 Technical Report

 

11.4.4Security and Confidentiality

 

SRC Geoanalytical protects the integrity of sample processing at all stages, from sample storage and handling to the transmission of results. Analytical data are securely sent using electronic transmission using WINZIP encryption and password protection. Results are provided as a series of Adobe PDF files containing the official analytical results and a Microsoft Excel file containing only the analytical results. Access to SRC Geoanalytical’s premises is restricted by an electronic security system. The facilities at the main laboratory are regularly patrolled by security guards 24 hours a day.

 

11.5Permeameter Analytical Methods

 

Permeameter data is collected on drill core, which is later interpreted to determine the matrix permeability of the rock. This provides detailed knowledge of the distribution of permeability in and around the deposit and is incorporated into Denison’s geological and hydrogeological models for further analysis and understanding of fluid pathways and hydraulic conductivity.

 

Permeameter analyses are performed by Denison personnel at the Wheeler River field logging facility using a portable gas probe permeameter, an apparatus with a wide range of permeability detection that is specially designed for testing drill core onsite (Scibek and Annesley, 2021). The probe was developed as part of a McGill University PhD project on the Gryphon deposit. The permeability of the rock matrix is measured from the pressure-decay rate of nitrogen (N2) gas. Permeability k values (m2) are then converted to hydraulic conductivity K values (m/s).

 

Permeameter samples are selected after core has been logged and photographed. For each drill hole, samples must be spaced a minimum of 20 cm, be representative of each hydrogeological domain intercepted, and must be able to withstand being handled without crumbling. Sample number, depth and hydrogeological domain of each sample are recorded. Next, epoxy resin rings of approximately 0.4 cm inner diameter are applied to the rock surface to prepare a seal for the probe, and sample is photographed. These epoxy spots are applied to a representative portion of the sample that would be part of natural fluid pathways. Cemented areas, desiccation cracks, and mechanical fractures are avoided.

 

Once the epoxy rings dry, the probe is lowered onto the epoxy rings with a rubber ring to create a seal. During the N2 gas injection, the pressure is charged behind a valve, and after opening the valve the pressure inside the apparatus acts on the rock sample. Pressure decay is recorded by the RST data logger. For QA during the tests, all samples are sprayed with soapy water to identify leaks and generate bubbles at gas discharge points. Tests with leaks that don’t stabilize cannot be used. Test quality is recorded, along with location, size, and speed of discharging gas bubbles in the rock, which show the locations of dominant flow channels.

 

Project No.: 251208Sample Preparation, Analyses, and Security
August 2023Page 11-24

 

 

Wheeler River Project
Athabasca Basin, Saskatchewan
NI 43-101 Technical Report

 

11.5.1Permeameter Quality Assurance Quality Control

 

Prior to 2021, QAQC checks were performed by external laboratories. Select samples at a wide range of permeabilities were sent to Kyoto University’s Environmental Geosphere Engineering laboratory, Japan to be analyzed by visiting researcher Dr. J. Scibek, conducted as part of a research project. Note that these results are part of research activities, and Kyoto University is not responsible for the absolute accuracy or the use of these permeability test results. Tests were conducted using a pressure decay permeameter for an external laboratory check on Denison’s gas permeameter results. There were 57 analyses conducted on eight samples. Results were consistent between the two datasets, generally within an order of magnitude of each other (Figure 11-25). In addition, samples were also analyzed using both a pressure-decay permeameter and a TEMCO model MP-401 steady-flow gas permeameter. Results between the two were also generally within an order of magnitude, including analysis of manufactured porous ceramic reference materials with accepted permeability values (Figure 11-26).

 

In addition, six mineralized drill core samples were sent to the SNC Lavalin Geoscience and Materials laboratory (SNC laboratory) in Saskatoon for permeability analysis using water with a flexible wall permeameter (ASTM 5084), a standard method of determining K. SNC Lavalin is an independent laboratory certified to meet the Standardization and Interlaboratory Testing Requirements of the CCIL Aggregate Laboratory Certification program. Results from the flexible wall permeameter tests were also within one order of magnitude of pressure decay test. The testing setup for flexible wall permeameter testing assesses vertical permeability across the bedding planes, whereas the gas permeameter assesses lateral permeability along bedding planes.

 

Since 2021, Denison has introduced QA tests before every set of permeameter tests based on the laboratory tests performed on previous years. A blank metal plate is measured as a leak check, and two reference materials, WR-666 MFd sandstone and AZP 50/30 or AZP 60/30, are measured to ensure accuracy. The probe’s lower permeability detection limit is 10-13 m/s.

 

During data processing, failed tests are removed from the table and graphs of successful tests are compared to the sample’s hydrogeological domain and test notes before processing to ensure coherence and QC, i.e., more permeable samples show a steeper slope than less permeable samples. Matrix permeability is then calculated using the Goggin et al. (1988) equation.

 

Project No.: 251208Sample Preparation, Analyses, and Security
August 2023Page 11-25

 

 

Wheeler River Project
Athabasca Basin, Saskatchewan
NI 43-101 Technical Report

 

Figure 11-25:    K Values Obtained for Select Samples using the Denison P-decay Permeameter and Kyoto University’s P-decay Permeameter

 

Chart, scatter chart

Description automatically generated

 

(Source: Scibek, 2022)

 

Note: Results are within one order of magnitude

 

Project No.: 251208Sample Preparation, Analyses, and Security
August 2023Page 11-26

 

 

Wheeler River Project
Athabasca Basin, Saskatchewan
NI 43-101 Technical Report

 

Figure 11-26:    Log K Values Obtained for Samples using a P-decay Permeameter and TEMCO Model MP-401 Steady-flow Gas Permeameter

 

Chart, scatter chart

Description automatically generated

 

(Source: Scibek, 2022)

 

Note: Results are within one order of magnitude

 

Repeated permeameter analysis results of the porous ceramic and WR-666 MFd reference materials have shown that results are reproducible, with relative standard deviation of K values between 57 to 183%. K values in the different hydrogeological domains show a much higher natural variability (200 to 600%) than observed in the reference materials. This indicates that the analytical method and reference materials are suitably reproducible (precise) enough to distinguish the wide ranges of natural permeability observed in Phoenix drill core. Accuracy of the reference materials is also in line with analyses of the WR-666 standard within one order of magnitude of the accepted value (Figure 11-27). The median value of the log(K) analyses of the WR-666 MFd reference material is within 4% of the accepted value.

 

Project No.: 251208Sample Preparation, Analyses, and Security
August 2023Page 11-27

 

 

Wheeler River Project
Athabasca Basin, Saskatchewan
NI 43-101 Technical Report

 

Figure 11-27:    K values for WR-666 MFd Reference Material obtained in 2021 and 2022 Permeameter Tests

 

Chart, line chart

Description automatically generated

 

(Source: Denison, 2022)

 

11.6QP Comments on Section 11

 

In Mr. Revering and Mr. Mathisen’s opinion, the sample preparation, security, and analytical procedures meet industry standards, and the QAQC program, as designed and implemented by Denison, is adequate; consequently, the assay results within the drill hole database are suitable for mineral resource estimation purposes.

 

In Mr. Johnson’s opinion, the permeameter analytical methods, and the matrix permeability k values derived from it, meet industry standards, and the QAQC program, as designed and implemented by Denison, is adequate; consequently, the permeameter results within the database for the frequency of the core tested are suitable for hydraulic conductivity estimation purposes, and the permeameter data is suitable for use in the preparation of the geological and hydrogeologic models.

 

Project No.: 251208Sample Preparation, Analyses, and Security
August 2023Page 11-28

 

 

Wheeler River Project
Athabasca Basin, Saskatchewan
NI 43-101 Technical Report

 

12.0Data Verification

 

12.1Phoenix Deposit

 

12.1.1Drill Hole Database and Geology

 

Prior to the 2022 mineral resource estimation, Mr. Revering performed detailed QAQC and data verification of all datasets. The verification included a review of the QAQC methods and results, verifying assay certificates against the database assay table, standard database validation tests, and a site visit to the Property.

 

Denison has developed and documented several QAQC procedures and protocols for all exploration projects it operates with results of the QAQC program presented in Section 11. Mr. Revering reviewed Denison’s procedures and protocols and considers them to be reasonable and acceptable.

 

12.1.1.1Site Visit

 

Mr. Revering visited the Property on September 14, 2022. Mr. Revering visited core logging and sampling facilities at the Wheeler River camp, where he reviewed drill core, and core handling, logging, sampling, and storage procedures. Mr. Revering examined the core from several drill holes and compared observations with probe results and descriptive log records made by Denison geologists. As part of the review, Mr. Revering visually verified mineralization occurrences.

 

12.1.1.2Denison Database Audits

 

Mr. Revering reviewed the audits conducted by Denison. These audits included review of all records to ensure that the grade, thickness, elevation, and location of uranium mineralization used in preparing the current mineral resource estimates were accurate. The following queries were performed on the digital project database:

 

·Header table: searched for incorrect or duplicate collar coordinates and duplicate hole IDs.

 

·Survey table: searched for duplicate entries, survey points past the specified maximum depth in the collar table, and abnormal dips and azimuths.

 

Project No.: 251208Data Verification
August 2023Page 12-1

 

 

Wheeler River Project
Athabasca Basin, Saskatchewan
NI 43-101 Technical Report

 

·Core recovery table: searched for core recoveries greater than 100%, overlapping intervals, missing collar data, negative widths, and data points past the specified maximum depth in the collar table.

 

·Lithology and probe data: searched for duplicate entries, intervals past the specified maximum depth in the collar table, overlapping intervals, negative widths, missing collar data, missing intervals, and incorrect logging codes.

 

·Geochemical and assay table: searched for duplicate entries, sample intervals past the specified maximum depth, negative widths, overlapping intervals, sampling widths exceeding tolerance levels, missing collar data, missing intervals, and duplicated sample IDs.

 

Any data found to have such issues were either individually investigated and resolved or excluded from the final database used for subsequent analysis.

 

The digital probe database used for mineral resource estimation was checked by comparing the down-hole radiometric logs (and equivalent U3O8 grades) against the original assay data. In instances where core recovery was less than 80%, radiometric data (i.e., equivalent U3O8 grades) was substituted for chemical assays.

 

In addition, comprehensive visual checks and comparisons of the lithology data, assay, and probe equivalent U3O8 grades were conducted on all drill holes used in the current Phoenix mineral resource estimate. Several errors in the database were identified and resolved upon further investigation. They included inconsistencies in unconformity depths, under or over-representation of grades due to core loss, and in a few cases, exaggeration of the width of mineralization compared to radiometric equivalent U3O8 grades.

 

The unconformity contact can be challenging to recognize in the drill core due to intense clay alteration, core loss, or high-grade uranium mineralization within the Phoenix deposit. As part of the checks performed on the database, the geological model was reviewed in detail both in 3D and cross-sectional views. In instances where unusual vertical offsets at the unconformity surface were noted, additional checks were performed to confirm or correct the unconformity location. These checks included a review of high-resolution core photos, lithogeochemical data and uranium grade data. At Phoenix, immobile element ratios, specifically the zirconium oxide (ZrO2) to titanium oxide (TiO) ratio, proved to be an effective way to locate the unconformity contact. The base of the high-grade mineralization was sometimes used to determine the unconformity location.

 

This review also identified a few cases where the width of the mineralization was exaggerated due to sampling error caused by extensive core loss. An example of this issue is presented in Figure 12-1. In WR-525, a significant loss of low-grade material occurred above the high-grade zone due to desilicification of the sandstone rock mass and faulting. It appears that the core loss was not recorded by the samplers in the field, and the entire drill core run was sampled as though the interval was fully recovered. As a result, the original assay sample results significantly exaggerated the width of the high-grade zone in this hole. Radiometric equivalent U3O8 grade data was substituted for chemical assays in all instances where original assay sampling data was deemed unreliable.

 

Project No.: 251208Data Verification
August 2023Page 12-2

 

 

Wheeler River Project
Athabasca Basin, Saskatchewan
NI 43-101 Technical Report

 

The assay table contains 2,611 laboratory records. A total of 1,062 entries, representing approximately 41% of the records were compared against 67 laboratory certificates. No discrepancies were identified.

 

Figure 12-1:    WR-525 Uranium Grade Review

 

 

(Source: Denison, 2022)

 

12.1.1.3Radiometric Grade Correlation

 

Denison routinely compares borehole natural gamma data to chemical assays as part of its QAQC program, as illustrated by the example in Figure 12-2 to Figure 12-4. Reasonable uranium grades can be calculated from the triple gamma probe (Geiger Mueller, or GM, tube) empirical data. In general, radiometric grades are somewhat lower than chemical assay grades due to the following:

 

·The GM tube can become saturated at very high grades, and it cannot count any higher.

 

·Some gamma rays are captured by the uranium, converted to photons, and absorbed (self-absorption), i.e., they are not available to the detector.

 

Project No.: 251208Data Verification
August 2023Page 12-3

 

 

Wheeler River Project
Athabasca Basin, Saskatchewan
NI 43-101 Technical Report

 

Mr. Revering carried out a check of the digital probe database used for resource estimation by verifying the resource database against the original assay data. It was concluded that in instances where core recovery was less than 80%, radiometric data could be substituted for chemical assays. It was also concluded that the assay database was of sufficient quality for mineral resource estimation.

 

Figure 12-2:    WR-273 Radiometric vs. Assay % U3O8 Values

 

 

(Source: Denison, 2022)

 

Project No.: 251208Data Verification
August 2023Page 12-4

 

 

Wheeler River Project
Athabasca Basin, Saskatchewan
NI 43-101 Technical Report

 

Figure 12-3:    WR-435 Radiometric vs. Assay % U3O8 Values

 

 

(Source: Denison, 2022)

 

Figure 12-4:    WR-548 Radiometric vs. Assay % U3O8 Values

 

 

(Source: Denison, 2022)

 

Project No.: 251208Data Verification
August 2023Page 12-5

 

 

Wheeler River Project
Athabasca Basin, Saskatchewan
NI 43-101 Technical Report

 

12.1.1.4Triple Gamma Probe Field Checks

 

As part of Denison’s routine field QAQC procedures, multiple triple-gamma probes are run on select holes to ensure accuracy and consistency of radiometric data. Examples are provided in Figure 12-5 and Figure 12-6 where GWR-044 and GWR-059 were surveyed using multiple triple-gamma probes with serial numbers 3819, 3820 and 3821. These duplicate runs show strong agreement between responses in Geiger Mueller tube detectors from different probes. This supports their use for radiometric equivalent U3O8 grade determination without the need for a probe-specific K factor correction. The checks are also used to identify any probes that are reading erroneously so they can be taken out of service and repaired.

 

Figure 12-5:    GWR-044 Probe Data from Triple-Gamma Probes SN 3819 and SN 3821

 

 

(Source: Denison, 2022)

 

Project No.: 251208Data Verification
August 2023Page 12-6

 

 

Wheeler River Project
Athabasca Basin, Saskatchewan
NI 43-101 Technical Report

 

Figure 12-6:    GWR-059 Probe Data from Triple-Gamma Probes SN 3819 and SN 3820

 

 

(Source: Denison, 2022)

 

12.1.2QP Comments on Section 12 – Phoenix Deposit

 

12.1.2.1Geology and Resources

 

Based on the data validation conducted on the Phoenix drill hole database and the results of the standard, blank, and duplicate analyses presented in Section 11, Mr. Revering is of the opinion that the down-hole radiometric probe and assay databases are of sufficient quality for mineral resource estimation purposes.

 

12.1.2.2Hydrogeological

 

Mr. Johnson reviewed all hydraulic parameter and permeameter data, tracer testing results, FFT data, previous groundwater models, and evaluated the hydraulic tomography and well enhancement studies that were considered for the groundwater modelling effort and considers the information suitable to support feasibility level of study for the Phoenix deposit in this Report.

 

Project No.: 251208Data Verification
August 2023Page 12-7

 

 

Wheeler River Project
Athabasca Basin, Saskatchewan
NI 43-101 Technical Report

 

12.1.2.3Metallurgical

 

Mr. Schwartz reviewed the composite samples that were selected for metallurgical testing and the metallurgical test results and considers them suitable to support feasibility level of study and the process design in this Report.

 

12.2Gryphon Deposit

 

12.2.1Drill Hole Database and Geology

 

Mr. Mathisen reviewed and verified the resource database used to estimate the mineral resources for the Gryphon deposit. The verification included a review of the QAQC methods and results, verifying assay certificates against the database assay table, standard database validation tests, and site visits to both the Gryphon and Phoenix deposits.

 

Denison has developed and documented several QAQC procedures and protocols for all exploration projects it operates with results presented in Section 11. QP Mathisen reviewed Denison’s procedures and protocols and considers them to be reasonable and acceptable.

 

12.2.1.1Site Visit

 

Mr. Mathisen visited the Property on March 23 to 25, 2015, during the winter drill program in connection with the initial Gryphon mineral resource estimate, and again from September 21 to 22, 2017, during the summer drill program in relation to the current Gryphon mineral resource estimate. Mr. Mathisen visited several drill sites and reviewed all core handling, logging, sampling, and storage procedures. Mr. Mathisen examined core from several drill holes and compared observations with assay results and descriptive log records made by Denison geologists. As part of the review, Mr. Mathisen verified the occurrences of mineralization visually and by way of a hand-held scintillometer.

 

12.2.1.2Database Validation

 

Mr. Mathisen conducted audits of historical records to ensure that the grade, thickness, elevation, and location of uranium mineralization used in preparing the current uranium mineral resource estimate correspond to mineralization. No limitations were placed on Mr. Mathisen’s data verification process. Mr. Mathisen performed the following digital queries. No significant issues were identified.

 

Project No.: 251208Data Verification
August 2023Page 12-8

 

 

Wheeler River Project
Athabasca Basin, Saskatchewan
NI 43-101 Technical Report

 

·Header table: searched for incorrect or duplicate collar coordinates and duplicate hole IDs.

 

·Survey table: searched for duplicate entries, survey points past the specified maximum depth in the collar table, and abnormal dips and azimuths.

 

·Core recovery table: searched for core recoveries greater than 100% or less than 80%, overlapping intervals, missing collar data, negative widths, and data points past the specified maximum depth in the collar table.

 

·Lithology and probe tables: searched for duplicate entries, intervals past the specified maximum depth in the collar table, overlapping intervals, negative widths, missing collar data, missing intervals, and incorrect logging codes.

 

·Geochemical and assay table: searched for duplicate entries, sample intervals past the specified maximum depth, negative widths, overlapping intervals, sampling widths exceeding tolerance levels, missing collar data, missing intervals, and duplicated sample IDs.

 

12.2.1.3Independent Verification of Assay Table

 

The assay table contains 5,600 laboratory records. Mr. Mathisen verified approximately 2,057 records representing 40% of the data for uranium values against 39 different laboratory certificates. No discrepancies were found.

 

Based on the data validation Mr. Mathisen and the results of the standard, blank, and duplicate analyses presented in Section 11, Mr. Mathisen is of the opinion that the assay database is of sufficient quality for mineral resource estimation.

 

12.2.1.4Disequilibrium

 

Denison routinely compares borehole natural gamma data to chemical assays as part of its QAQC program, as illustrated in the example in Figure 12-7 to Figure 12-10. Reasonable uranium grades can be calculated from the triple gamma probe (Geiger Mueller or GM, tube) empirical data up to 80%. Above 80%, the counts (the maximum count rate is about 3,500 cps) increase very little with increased grades due to the physical characteristics of the GM tube (Sweet and Petrie, 2010). In general, radiometric grades are somewhat lower than chemical assay grades due to the following:

 

·The GM tube can become saturated at very high grades, and it cannot count any higher.

 

·Some gamma rays are captured by the uranium, converted to photons, and absorbed (self-absorption), i.e., they are not available to the detector.

 

Project No.: 251208Data Verification
August 2023Page 12-9

 

 

Wheeler River Project
Athabasca Basin, Saskatchewan
NI 43-101 Technical Report

 

Mr. Mathisen carried out a check of the digital probe database used for mineral resource estimation by verifying the mineral resource database against the original assay data. It was concluded that in instances where core recovery was less than 80%, radiometric data could be substituted for chemical assays and that the assay database was of sufficient quality for mineral resource estimation.

 

Figure 12-7:    WR-560 Radiometric vs. Assay % U3O8 Values (Gryphon)

 

 

(Source: Denison, 2018)

 

Project No.: 251208Data Verification
August 2023Page 12-10

 

 

Wheeler River Project
Athabasca Basin, Saskatchewan
NI 43-101 Technical Report

 

Figure 12-8:    WR-573D1 Radiometric vs. Assay % U3O8 Values (Gryphon)

 

 

(Source: Denison, 2018)

 

Figure 12-9:    WR-582 Radiometric vs. Assay % U3O8 Values (Gryphon)

 

 

(Source: Denison, 2018)

 

Project No.: 251208Data Verification
August 2023Page 12-11

 

 

Wheeler River Project
Athabasca Basin, Saskatchewan
NI 43-101 Technical Report

 

Figure 12-10:    WR-584B Radiometric vs. Assay % U3O8 Values (Gryphon)

 

 

(Source: Denison, 2018)

 

12.2.2QP Comments on Section 12 – Gryphon Deposit

 

12.2.2.1Geology and Mineral Resources

 

No significant database issues were identified during the data verification process, and Mr. Mathisen is of the opinion that the Gryphon database is adequate for the purposes of mineral resource estimation.

 

12.2.2.2Rock Mechanics

 

Mr. Graham reviewed the geotechnical information gathered for the Gryphon deposit and considers the information suitable to support pre-feasibility level of study for the Gryphon deposit in this Report.

 

12.2.2.3Hydrogeological

 

Mr. Graham reviewed all hydraulic parameters gathered for the Gryphon project that was considered for the groundwater assessment to define the mine dewatering effort and considers the information suitable to support pre-feasibility level of study for the Gryphon deposit in this Report.

 

Project No.: 251208Data Verification
August 2023Page 12-12

 

 

Wheeler River Project
Athabasca Basin, Saskatchewan
NI 43-101 Technical Report

 

12.2.2.4Metallurgical

 

Mr. McCombe reviewed the samples that were selected for metallurgical testing and the metallurgical test results and considers them suitable to support pre-feasibility level of study and the process design in this Report based on the deposit variability data provided by Denison and testwork composite analysis by SRC. Mr. McCombe did not directly witness sample selection and collection, or the metallurgical testwork program.

 

Project No.: 251208Data Verification
August 2023Page 12-13

 

 

Wheeler River Project
Athabasca Basin, Saskatchewan
NI 43-101 Technical Report

 

13.0Mineral Processing and Metallurgical Testing

 

13.1Phoenix

 

ISR mining requires a combination of leaching the mineralization in situ and transporting the resultant fluid for recovery. It has become the predominant means of uranium recovery in other jurisdictions but has been limited to sandstone-type deposits. The challenge of the Phoenix FS was to demonstrate that an unconformity-type deposit is amenable to ISR uranium mining.

 

The Phoenix deposit ISR production is to be processed on site in a custom designed process plant.

 

13.1.1Summary of the Testwork

 

Test programs included various forms of leaching tests, process plant circuit tests, and effluent and solid waste streams treatment steps to define design criteria for the FS. The following leaching testwork has been conducted on the Phoenix deposit:

 

·Grinding, leaching and conventional downstream milling tests in 2014 conducted by SRC

 

·Batch leach tests and bottle roll/agitation leach tests in 2017 conducted by Inter-Mountain Laboratories Inc. (IML) with alkaline and acidic based lixiviants

 

·Leach temperature tests on crushed ore in 2020 conducted by SRC

 

·Column leach tests on blended crushed ore in 2021 conducted by SRC

 

·Column leach and remediation tests on crushed and screened core from individual hydrogeologic units (variability) conducted by SRC in 2022

 

·Static uranium ore dissolution (jar) test on intact core in 2018 conducted by SRC

 

·Coreflood tests on intact core from 2018 to 2022 conducted by SRC

 

·FFT leaching and remediation in 2022 conducted by Denison.

 

The following process plant testwork has been conducted on the Phoenix deposit:

 

·Four batch testing campaigns of the following circuits: stage 1 (Fe/Ra) precipitation (using NaOH and lime), stage 2 (YC) precipitation, YC drying/calcining, and two stages of effluent treatment conducted by SRC in 2021 and 2022.

 

·Five ZVI tests using fixed bed columns for selenium removal from treated effluent conducted by SRC in 2022.

 

·Vendor tests for selenium removal from treated effluent using third party proprietary ion exchange and electroreduction (IX/ER) technology conducted in 2022.

 

Project No.: 251208Mineral Processing and Metallurgical Testing
August 2023Page 13-1

 

 

Wheeler River Project
Athabasca Basin, Saskatchewan
NI 43-101 Technical Report

 

13.1.2Leachability and Mineralogy of the Phoenix Deposit

 

13.1.2.1Leaching Characteristics

 

Uraninite (chemical formula UO2) is the predominant form of uranium mineralization in the Phoenix deposit. Unconformity-type deposits are often a mixture of mainly reduced (quadrivalent) with some oxidized (hexavalent) uranium minerals in the host redox front. Sulphuric acid leaching of uraninite with addition of an oxidant is a well-established method. Acid-soluble iron-bearing minerals are naturally present in the Phoenix deposit in sufficient quantities for ferric iron in solution to act as an intermediary oxidant.

 

Uraninite dissolution ideally occurs within a target Eh-pH window. At practical leaching conditions, it requires two to three moles of sulphuric acid to solubilize one mole of uranium. In an ISR operation, the risks of operating outside of the Eh-pH window are possible occurrences of precipitation and re-dissolution reactions in the production zone. This may manifest as plugging/unplugging of flow paths and sudden sharp changes in solution grade.

 

Additional acid and oxidant consumptions are normally a function of the gangue constituents present. In the Phoenix deposit, calcite and siderite are identified as acid consumers. Globally, calcite (CaCO3) occurs at low levels with assay values about 1.5% CaO but may be locally abundant. A high proportion of gangue minerals are oxides and phyllosilicates. Certain areas have extremely high levels of clays that may interact with acid. Iron oxides such as hematite are globally abundant (assay ~10% Fe2O3) that are potential acid consumers.

 

In some HGUs, high levels of sulphides can be expected to consume oxidant and produce acid. Globally, sulphur assays about 3%, so there is potential for net acid generation. Nickel, cobalt and arsenic levels, associated with sulphide minerals such as gersdorffite, are quite low. In contrast, zinc and copper levels are relatively high compared to other regional deposits.

 

Leach propagation through intact core for ISR is likely to be diffusion-controlled. Reaction rates at the ambient deposit temperature of ~10°C are expected to be slower than for conventional elevated temperature ground slurry tank leach, practiced on other unconformity-type deposits.

 

13.1.2.2Mineralogy

 

Phoenix is a very complex deposit, though well understood from a geological perspective. Laboratory test programs have produced a wide spectrum of results, depending on the sample characteristics and nature of the test conditions. To a large extent, the reasons behind why results are so varied are related to the extreme heterogeneity of the deposit.

 

Project No.: 251208Mineral Processing and Metallurgical Testing
August 2023Page 13-2

 

 

Wheeler River Project
Athabasca Basin, Saskatchewan
NI 43-101 Technical Report

 

The local mineralogy is influenced primarily by the vertical heterogeneity of the deposit. This is described by HGUs - rock formations or zones in rock formations that have similar geometallurgical and hydraulic properties (permeability, porosity), and differ from other HGUs. Short interval core samples from different HGUs were used for metallurgical testwork. Phoenix has many HGUs over short distances which have distinct mineral and physical characteristics (Scibek, 2019), adding to the complexity of leaching behaviour.

 

The high-grade uranium mineralization of most interest is in HGUs 2b/2c/2d, which have characteristically unusual hydraulic and physical properties as an Athabasca Basin unconformity type deposit. They are enveloped by HGUs 2a/2e as clay-rich, less dense altered zones that often join up on the fringes as 2b/2c/2d pinch out. HGUs 1a/2b transition into overlying sandstone, and HGUs 3a/3b transition into underlying basement rock. From the metallurgical perspective within the Phoenix deposit, uranium grade can be categorized as high-grade HGUs 2b/2c/2d above 10% U3O8, and all other HGUs are low grade below 10% U3O8.

 

For metallurgical testing purposes to represent the majority of uranium-bearing mineralization, focus has been predominantly on HGUs 2a/2b/2c/2d/2e. HGU 2b is the largest part of the resource (by grade and volume), while HGUs 2c/2d have smaller resources but similarly high grade as HGU 2b. HGUs 2a/2e have significant resource sizes, but at much lower average uranium grades. Examples of core samples from HGU 2a to 2e and their descriptions are shown in Figure 13-1 to Figure 13-5 to illustrate the strong differences by HGU.

 

HGU 1a is predominantly sandstone with some low-grade uraninite mineralization. HGU 1b has some sulphide (predominantly pyrite) cementation that reduces its porosity. HGU 1 is discontinuous and will likely have minimal contribution to the main production plan. Limited metallurgical testwork has been executed on it.

 

HGU 2a is a clay-rich, low-grade unit with a characteristic high percentage of kaolinite. It has low dry density (average 1.9 specific gravity (SG)), with a combination of high porosity (average 45%) and low permeability. When wet, it can be readily cut with a knife, indicating extremely low compressive and tensile rock strength. There are visibly distinct pockets and grains of dense black uranium minerals encased in a clay matrix.

 

HGU 2b has many unique characteristics. It has high average dry density (4.33 SG) with some samples up to 6.4 SG. It is mainly friable black uraninite with some pyrite visible. It has high dry assay grade with highest individual core sample grades over 80% U3O8. It is moderately to highly porous (average 31.5%) with a wide range of individual samples testing from 5% to 52% porosity. The high variability of density depends on the relative concentrations of clay, uraninite and pyrite. Porosity varies depending on clay content and other cementing minerals. Given the large ranges within HGU 2b, there is no significant trend between porosity and density. Porosity and matrix permeability are correlated, with nitrogen gas probe and well pair tests suggesting that the rock mass has pervasive fluid flow through the HGU (not requiring fracture channels).

 

Project No.: 251208Mineral Processing and Metallurgical Testing
August 2023Page 13-3

 

 

Wheeler River Project
Athabasca Basin, Saskatchewan
NI 43-101 Technical Report

 

Figure 13-1:      HGU 2a: GWR-022, 404.40 to 405.90 m – Soft, Friable, Altered Grey Clay, Pockets of Uranium Mineralization Disseminated

 

 

(Source: SRC, 2022)

 

Figure 13-2:    HGU 2b: Column Leach Test Composite. Moderately Friable, Black with Red Redox Fronts

 

 

(Source: SRC, 2022)

 

Project No.: 251208Mineral Processing and Metallurgical Testing
August 2023Page 13-4

 

 

Wheeler River Project
Athabasca Basin, Saskatchewan
NI 43-101 Technical Report

 

HGU 2c is similar to HGU 2b in being friable, dense (average 3.25 SG) and porous (average 24.8%). It is visibly affected by reddish (hematite) to yellowish (likely secondary uranium) minerals inferred to be a redox front. Its average grade is high but lower than HGU 2b with highest individual core sample grades over 80% U3O8.

 

Figure 13-3:    HGU 2c: GWR-016, 405.50 to 407.00 m – Rubble, Friable, Red Redox Fronts, Yellow and Grey Pockets

 

 

(Source: SRC, 2022)

 

HGU 2d is a band of alteration, with similar grade to HGU 2c. It is distinguished by high density (average 4.9 SG), well cemented by red iron oxide minerals. This correlates with its characteristic low porosity (average 7.8%) and permeability.

 

Figure 13-4:    HGU 2d: Column Leach Test Composite. Prior to Crushing and Screening. Dense, Moderately Friable, Hematite Cement

 

 

(Source: SRC, 2022)

 

Project No.: 251208Mineral Processing and Metallurgical Testing
August 2023Page 13-5

 

 

Wheeler River Project
Athabasca Basin, Saskatchewan
NI 43-101 Technical Report

 

HGU 2e is the lower clay unit similar to the upper clay 2a in grade but contains less kaolinite. Its average porosity is 34.4%. Dry bulk density average is 1.92 SG, with grains and pockets of uranium minerals.

 

Figure 13-5:    HGU 2e: GWR-024, 407.50 to 407.70 m – Lower Clay Zone Moderately Friable, Altered Grey Clay, Some Hematite

 

 

(Source: SRC, 2022)

 

HGUs 3a/3b are in the crystalline metasedimentary basement. Uranium mineralization is low grade and tends to follow faults or fractures.

 

One unique aspect of Phoenix high-grade mineralization is its variable porosity. The geochemical/metallurgical view of porosity is associated with matrix (micro scale) permeability, as tested on drill core pieces (typically <0.2 m) to measure intact microfractures and pore spaces. Another form of porosity is attributable to macroscopic faults or fractures at length scales >1 m, that may affect effective hydrogeological permeability and porosity. The area surrounding the WS Shear and its associated cross faults are the most variable in the deposit.

 

The globally high micro scale porosity of HGUs 2a to HGU 2e introduces a large density differential between geological modelling and pure mineral components, as determined from dry laboratory assays.

 

Figure 13-6 shows the drill hole locations where most metallurgical samples were taken. It gives a sense of layering by HGU, thickness variability along strike, as well as permeability and porosity variability. Mining Phase 1 is the location of the 2021 tracer test and 2022 FFT, such that core samples from this area enable correlation between laboratory and field test results. Uranium grade can vary up to 20% over distances of less than 0.5 m. In comparison, block model grade is a composite sample derived from several 0.1 m and 0.5 m assay samples and can vary significantly between small individual test samples.

 

Project No.: 251208Mineral Processing and Metallurgical Testing
August 2023Page 13-6

 

 

Wheeler River Project
Athabasca Basin, Saskatchewan
NI 43-101 Technical Report

 

Figure 13-6:    Drill Hole Locations of Samples used for Metallurgical Testing

 

 

(Source: Scibec, 2019)

 

13.1.32014 Leaching Tests

 

A conventional mining method was initially considered for Phoenix. In 2014, SRC performed tests to determine a preliminary conventional mill flowsheet.

 

The feed composite sample was homogenized from 28 individual samples collected from 2009 to 2013 exploration drill cores containing 19.7% U3O8.

 

Leaching conditions and efficiencies were consistent with typical tank leach conditions used at uranium mill operations in Northern Saskatchewan. The best result leached over 99.5% uranium in eight to 12 hours. Downstream from leaching, tests on a conventional milling approach of CCD, solvent extraction with strong acid stripping, gypsum precipitation and uranyl peroxide precipitation produced high purity YC product.

 

Project No.: 251208Mineral Processing and Metallurgical Testing
August 2023Page 13-7

 

 

Wheeler River Project
Athabasca Basin, Saskatchewan
NI 43-101 Technical Report

 

13.1.42017/2018 Leaching Tests

 

Leading into the 2018 PFS, focus shifted from conventional mining and milling to ISR. In 2017/2018, IML performed leach tests as reported in the 2018 PFS (Liskowich et al., 2018). Bottle roll leach recoveries of ~90% uranium was extracted in 120 pore volumes (PV) of introduced acidic/oxidant lixiviants, with an average uranium grade of 18 g/L.

 

In early 2018, a follow-up column leach test with acid lixiviant was performed. Concerns about the potential of precipitating uranyl peroxide in the column led to the use of sodium chlorate rather than hydrogen peroxide as an oxidant. A total of 137 PV of uranium bearing solution (UBS) was generated at flow rate ranging between 2 to 4 PV/d. From three drill holes, select intervals of overlying very low-grade sandstone were blended with very high-grade intervals to create a composite feed grade of 24% U. A 90% recovery was achieved with a peak individual sample uranium grade of 27.4 g/L and average UBS grade of 8.4 g/L U. Acid strength was gradually decreased over the course of the test, maintaining a pH range of 1.0 to 1.35. A re-check of test data reported in the PFS showed the average acid dosage was 2.2 kg H2SO4/kg U.

 

13.1.52020 to 2022 Leaching Tests on Crushed/Ground Core

 

13.1.5.12020 Leach Temperature Tests

 

With the change in approach to ISR, a key variable that differs from tank leach is temperature. The groundwater temperature of the Phoenix deposit is approximately 10°C. The primary objective of the SRC testing program was to determine the acid leaching kinetics and recoveries of uranium from the Phoenix deposit at temperatures between 5°C to 50°C.

 

A composite of samples for UBS column leach tests was prepared with a grade of 18.5% U3O8. The sample was crushed to 100% passing 425 mm. The leach tests were executed in a 1 L agitated reactor with a water jacket for temperature control. A 50 wt% ore/water mix was prepared, to which 0.71 kg/kg U sulphuric acid and 0.34 kg/kg U hydrogen peroxide were added at the beginning of each test.

 

At 10°C to 50°C, leaching reaches steady state within the first two hours. Kinetics can be considered rapid, with recoveries of ~60% constrained by low residual lixiviant strength.

 

Project No.: 251208Mineral Processing and Metallurgical Testing
August 2023Page 13-8

 

 

Wheeler River Project
Athabasca Basin, Saskatchewan
NI 43-101 Technical Report

 

For the 5°C test, the procedural change of additional acid dosing after four hours improved uranium recovery to 67% at eight hours. Sufficient free acid and oxidation-reduction potential (ORP) conducive to uranium leaching remained, likely attributable to slower kinetics at 5°C.

 

13.1.5.22021 UBS Column Tests

 

For ISR, column testing is suitable to indicate potential recovery and generate a representative sample for process plant testing. The first objective of the 2021 column tests at SRC (Guo, 2021) was to test leach recoveries on a range of feed grades. Second, the UBS produced was retained and used for the four process plant test campaigns described in Section 13.1.9.

 

Sample Selection and Preparation

 

Four samples were generated from nine drill holes, all proximal to the WS Shear where most of the resource lies. The samples contain varying amounts of uraninite, sulphides, clay and iron and represent blends of the various HGUs. Samples were crushed to -10 mm. Columns with 100 mm diameter were packed with the samples. Four column tests were conducted with details for each sample listed in Table 13-1.

 

Table 13-1:    Summary of Samples for Column Test 1 to 4

 

Column No. Sample ID Mass
(g)
Feed U3O8 (wt. %)
Back Calculated
HGUs in Blend Hole IDs
1 Sample A 27,338 48.1 2a/2b/2c/2d GWR-10, 16, 19, 21
2 Sample B 18,619 46.1 2b GWR-10, 19, 23, 26
3 Sample D 9,180 1.8 2a/2c/2d/2e GWR-15, 16, 19, 26
4 Samples C&E 8,742 26.9 2a/2c/2d/2e GWR-01, 19, 22

 

Procedure

 

The column PV was determined by pumping deionized water into each column loaded with crushed core sample until filled. The initial flow rate was calculated based on a retention time of eight hours (3 column PV/d).

 

A single pass flow of dilute sulphuric acid and hydrogen peroxide lixiviant was run between 22 to 38 days. Lixiviant strength was generally decreased over the course of each run.

 

Project No.: 251208Mineral Processing and Metallurgical Testing
August 2023Page 13-9

 

 

Wheeler River Project
Athabasca Basin, Saskatchewan
NI 43-101 Technical Report

 

During the column leaching test, an online UBS sample was taken daily. Temperature was controlled to 10°C by placing the apparatus in a walk-in cooler. On completion of the leaching tests, each column was flushed with water.

 

Results

 

A summary of the UBS produced from each column is presented in Table 13-2.

 

Particle size distribution was measured on residues from each column and each size fraction was assayed. Uranium grade trended highest to lowest from coarsest to finest residue fractions across all tests.

 

Table 13-2:     Summary of UBS Produced from Columns 1 to 4

 

Column No. Feed
(% U3O8)
Recovered
Volume (L)
Average
(U g/L)
Final U
Recovery (%)
kg H2SO4
(per kg U)
kg H2O2
(per kg U)
1 48.1 534.0 18.4 88.3   1.2   1.1
2 46.1 240.8 27.6 91.1   0.9   0.7
3  1.8   42.9   2.3 69.1 17.6 12.8
4 26.9 103.4 15.3 79.5   1.5   1.3

 

Interpretation

 

The 2021 column tests used the entire size distribution of crushed core and achieved relatively high mineral liberation in contact with lixiviant. This results in relatively rapid leach kinetics compared to intact core.

 

Columns 1 and 2 contained core from HGU 2b, the largest part of the resource. They both are about double the typical resource feed grade of HGUs 2b/2c/2d, but not uncommon in higher grade areas of the deposit. Consequently, they produced average UBS grades above 15 g/L U. Column 1 produced higher volume and lower grade per unit feed mass than Column 2 while reaching similar recoveries.

 

Column 3 feed grade was well below typical, yet still delivered reasonably high recovery. Column 4 was close to typical feed grade but did not contain HGU 2b. Average UBS grade was 15.3 g/L U.

 

This set of tests demonstrates that a large range in UBS grades is possible, due to variability of feed grade as well as gradual grade decline over time.

 

Project No.: 251208Mineral Processing and Metallurgical Testing
August 2023Page 13-10

 

 

Wheeler River Project
Athabasca Basin, Saskatchewan
NI 43-101 Technical Report

 

The feed sample for Column 1 was verified as a reasonable blend to represent ISR wellfield production of UBS. The feed sample was a large mass composited from four drill holes and four HGUs. Its elemental grades were checked against the statistical analysis of grade variability reported in the 2018 PFS. The uranium grade of Column 1 feed was higher than the PFS average but acceptably below the maximum individual sample. Other elements varied from the average, but no strong outliers were identified.

 

The composite UBS generated from Column 1 had higher uranium grade than the nominal grade selected for plant design, due to the sample’s feed grade. The impurity elements in Column 1 UBS were compared against the other three 2021 columns to verify that Column 1 UBS provides suitably representative feed chemistry for process plant design purposes. UBS from Column 1 was retained for the 2021/2022 process plant test program (Section 13.1.9).

 

13.1.5.32022 Column Leaching and Remediation Tests

 

The 2022 column testing program consisted of five 100 mm diameter columns loaded with samples from different HGUs providing characterization of ore variability. The 2022 column leach and remediation testing program had the following objectives:

 

·Develop information to support geochemical modelling of the deposit, including leaching and neutralization phases

 

·Generate a detailed chemical and mineralogical characterization of the dominant HGUs

 

·Evaluate behaviour of different HGUs during ISR and neutralization, in particular the HGUs 2a, 2b, 2c, 2d, and 2e as hosting the majority of the resource

 

·Compare the efficacy of neutralization of different HGUs, with the use of dilute sodium hydroxide.

 

Sample Selection and Preparation

 

The samples were selected from a blend of assay sample splits of fresh core from GWR-054 through GWR-061, supplemented by preserved core from GWR-016, GWR-022 and GWR-024 stored frozen by Denison. The hole locations are shown in Figure 13-7, ranging along the length of the deposit. Intervals from five to eight different drill holes were composited to meet required sample mass and/or to meet representativeness for each HGU.

 

The samples were hand crushed to minimize fines generation, to a maximum size of 30 mm. Minimum size fraction was +0.212 mm by wet screening out fines. This was designed to promote flow through the column and minimize exposed mineral surface area.

 

Project No.: 251208Mineral Processing and Metallurgical Testing
August 2023Page 13-11

 

 

Wheeler River Project
Athabasca Basin, Saskatchewan
NI 43-101 Technical Report

 

Figure 13-7: Metallurgical Hole Locations for 2022 Column Leach Testing

 

 

(Source: Denison Mines, 2023)

 

Procedure

 

Overall procedures were like 2021 column tests. The lixiviant was a mixture of sulphuric acid, hydrogen peroxide and water. The reagent strengths were managed to maintain target pH and ORP conditions throughout the test. Lixiviant was injected upwards with flow rate of ~0.67 measured column PV/d. Test parameter variables were minimized, so the differences between HGUs could be distinguished.

 

Initially, all five columns were fed lixiviant from a common tank. The low-grade Columns 2a and 2e were run until fully leached. From that point forward, Columns 2a and 2e were fed from a separate tank to perform groundwater flush and neutralization. Meanwhile, Columns 2b/2c/2d continued to be fed a common lixiviant until reaching at least 50% leach recovery.

 

Results

 

The 2022 column tests characterized how the differences in heterogeneity of the HGUs affect leaching performance. The results are shown in Figure 13-8. Groundwater flushing results for HGU 2a is shown as negative PVs. The start of acid addition is the zero point.

 

Project No.: 251208Mineral Processing and Metallurgical Testing
August 2023Page 13-12

 

 

Wheeler River Project
Athabasca Basin, Saskatchewan
NI 43-101 Technical Report

 

Figure 13-8: Remediation Column Tests - Grade vs. Column PVs by HGU

 

 

(Source: Wood, 2023)

 

Over the course of the test, mild differences in the number of PVs passed through HGU 2b, 2c and 2e emerged due to varying flow rates. At PV 37 for HGU 2d (equivalent to PV 45 for HGU 2b), doubling peroxide dosing caused a strong jump in uranium grades and ORP readings in all three samples.

 

A selection of photos in Figure 13-9 to Figure 13-12 show the evolution of performance of each HGU sample at key points in the columns’ operation through colour and clarity changes. Samples are arranged from HGU 2a to 2e left to right in each photo.

 

Project No.: 251208Mineral Processing and Metallurgical Testing
August 2023Page 13-13

 

 

Wheeler River Project
Athabasca Basin, Saskatchewan
NI 43-101 Technical Report

 

Figure 13-9: Groundwater Flush, Day 1

 

 

(Source: SRC, 2022)

 

Note: Yellow-green in HGU 2a and 2c appear to self-leach uranium, likely due to net acid-generating samples

 

Figure 13-10: Ramp up – Day 16

 

 

(Source: SRC, 2022)

 

Note: All HGUs near their peak uranium grades.

 

Figure 13-11: Day 21

 

 

(Source: SRC, 2022)

 

Note: Peak grade established from HGU 2b/2c/2d. Solids migration from column HGU 2a.
Varying colours indicate different concentrations of leached impurities along with uranium.

 

Project No.: 251208Mineral Processing and Metallurgical Testing
August 2023Page 13-14

 

 

Wheeler River Project
Athabasca Basin, Saskatchewan
NI 43-101 Technical Report

 

Figure 13-12: Day 65

 

 

(Source: SRC, 2022)

 

Note: HGU 2a and e - Neutralization with 2.5 g/L NaOH, near zero uranium grade. HGU 2b/2c/2d - continuing leaching, gradually declining uranium grade.

 

Interpretation

 

Overall, leach rates are slower with the 2022 columns than the 2021 columns. This may be attributable to the larger particle size distribution, with both larger top size (30 mm vs. 10 mm) and removal of -0.2 mm fines versus the inclusion of fines in the 2021 columns. The details of each HGU are discussed below.

 

Column 2a

 

Column 2a exhibited unusual behaviour, as uranium recovery was initiated during water flush. The pH declined to pH 3 to 4 and grade spiked to 20 g/L U immediately upon start of water flow. Thirteen percent of the uranium was recovered before acid addition started. This high-clay sample had exceptionally high exposure to air through sample processing steps. HGU 2a may contain minerals susceptible to self-acidification. In situ, it is improbable that leaching of HGU 2a would match this column test.

 

Fine clay particles were entrained in the HGU 2a supernatant, as shown in the Figures. At full scale, the risk of clay mobilization could manifest in potential plugging of well patterns underground and/or difficult-to-settle solids accumulation on surface. Caution should be exercised in accessing HGU 2a during well development and operations. It is recommended to either ensure well screen intervals are placed safely below HGU 2a, or use a well completion method to prevent clay mobilization. Quantification of the risks created by clay mobilization versus the opportunity for additional uranium recovery cannot be determined prior to full scale operation.

 

Project No.: 251208Mineral Processing and Metallurgical Testing
August 2023Page 13-15

 

 

Wheeler River Project
Athabasca Basin, Saskatchewan
NI 43-101 Technical Report

 

Column 2b

 

Column 2b had a relatively slow uranium grade ramp-up, lowest peak grade and slowest recovery of the three high grade HGUs (2b/2c/2d).

 

Column 2c

 

During water flush, yellowish sample colour indicated uranium leaching began (similar to Column 2a), with pH from HGU 2c declining to mildly acidic on its own. During leaching ramp-up uranium grade climbed the most strongly and quickly of all the HGUs with only acid addition. It appears that HGU 2c is more oxidized than HGU 2b.

 

Column 2d

 

During leaching, uranium grade climbed nearly as strongly as Column 2c with only acid addition. The recovery curve of HGU 2d indicates uranium leachability in between HGU 2c and 2b.

 

Column 2e

 

Despite being a high-clay unit like HGU 2a, HGU 2e produced only mild cloudiness from solids mobilization.

 

13.1.62018 to 2022 Leaching Tests on Intact Core

 

Crushed/ground ore leaching tests are suitable to inform reagent schemes for leaching and remediation as well as provide chemically representative feed for downstream process plant testwork. However, the act of crushing or grinding ore removes the constraint of permeability so leaching occurs faster than with intact rock, thus is less suitable to predict in situ leaching propagation rate or recovery.

 

As the first application of ISR to an unconformity-type uranium deposit, the relationship between leaching highly liberated crushed or ground core and ISR leaching of intact rock was unknown. Leaching tests on intact core were performed as the basis to develop an ISR leach recovery curve.

 

Project No.: 251208Mineral Processing and Metallurgical Testing
August 2023Page 13-16

 

 

Wheeler River Project
Athabasca Basin, Saskatchewan
NI 43-101 Technical Report

 

13.1.6.12018 Jar Tests

 

The SRC performed a static uranium ore dissolution (jar) test for the Phoenix deposit, preparing seven pieces of drill core for testing from a single sample. They were run at room temperature for a period of 1,138 hours (48 days) in a very slow-motion shaker.

 

In all seven tests, dissolution rate was high for the first 24 hours, then dropped by roughly an order of magnitude for the remainder of the test. This is likely attributable to a high initial rate of exposed surface leaching, followed by a diffusion-controlled propagation rate. The pHs increased while ORP readings remained high (about 500) through to the end of all tests. Typical photos are shown in Figure 13-13. At 24 hours, there are signs of surface bleaching, with an intact dark uraninite band through the middle along with large intact black grains. At 504 hours, the surface is quite porous with little black remaining, demonstrating that leaching was propagating. By 1,138 hours (48 days), the sample has crumbled into pieces along the former uraninite band.

 

The jar tests provided excellent visual indication that with sufficient soak time, lixiviant will penetrate intact high grade uranium pieces. The incomplete recoveries at the end of the tests can be attributed largely to requiring longer residence time.

 

Figure 13-13: Jar Test 1 at 24, 504, and 1,138 Hours

 

 

(Source: SRC, 2018)

 

13.1.6.22018 to 2021 Coreflood Tests

 

Coreflood Test Design

 

To simulate ISR conditions on a micro scale, SRC used core testing machines (CTM) typically used to study in situ oil recovery processes, for flooding segments of drill core with lixiviant. These tests are referred to as coreflood tests. A program of coreflood tests with Phoenix drill core was conducted in CTMs. The use of the CTM enabled the study of ISR for Phoenix at laboratory scale, significantly de-risking the subsequent execution of the FFT.

 

Project No.: 251208Mineral Processing and Metallurgical Testing
August 2023Page 13-17

 

 

Wheeler River Project
Athabasca Basin, Saskatchewan
NI 43-101 Technical Report

 

The key criteria to simulate ISR are use of intact core and representative lixiviant residence time. The trade-off is that test duration to demonstrate ultimate recovery may take months to years, analogous to typical wellfield pattern life at full scale ISR operations.

 

Figure 13-14 shows a schematic of the CTM apparatus. For each test, a cylindrical piece of intact exploration drill core was packed into a flexible polymer sleeve. The sleeve, packed with drill core, was then installed into a coreholder, which is a cylindrical pipe filled with an overburden fluid (water) with pass-through fittings to allow fluid connections. A transfer cylinder applied pressure to drive flow through the core to the sample collector. The temperature of the coreholder was controlled to ~10°C, by wrapping cooling coils around the core holder.

 

All drill cores tested were from vertically oriented drill holes, so the flow from end to end of the coreholder simulated flow in the vertical direction of the deposit. This is tangential to the intended predominantly horizontal flow path between wells in situ.

 

Figure 13-14: Schematic of the CTM

 

 

(Source: SRC, 2018)

 

Project No.: 251208Mineral Processing and Metallurgical Testing
August 2023Page 13-18

 

 

Wheeler River Project
Athabasca Basin, Saskatchewan
NI 43-101 Technical Report

 

2018 Maiden Coreflood Test

 

The objective of the maiden SRC coreflood test was to determine the rate of uranium dissolution and measure the changes in the matrix permeability (Zhang, 2018). The effects of acid concentration and the solution flow rate were investigated. A core sample with estimated 59.4% U3O8 was placed in the CTM.

 

Overburden and injection pressures were set to conditions that are representative of the deposit. Absolute permeability to water was measured by injecting groundwater solution at flow rate 2 mL/h while measuring the pressure drop across the core. Sulphuric acid injection strength was stepped up incrementally whereas ORP was held at a constant.

 

Uranium extraction was increasing significantly with more time and higher acid concentration in the solution. At the end of 870 hours run time, pH declined to ~1.8 and recovery reached 30.8%. However, leaching was always in the acid starvation state due to the high uranium grade of the sample, and this may lead to precipitation effects.

 

2019 to 2021 Coreflood Tests

 

From late 2019 to mid-2021, SRC performed a total of five coreflood tests numbered 1 to 3C (Oleniuk, 2021). The main objective was to simulate the in situ field conditions, to understand and develop the lixiviant conditions necessary for successful full-scale ISR. Priority was placed on testing a large number of samples over short durations. Tests were ended early so uranium recoveries ranged from 1 to 11%. Results were inconsistent due to highly variable reagent dosages in this pioneering work.

 

2021 to 2023 Coreflood Tests Planning

 

There were two main areas to be addressed through further coreflood testing to support feasibility-level design:

 

·Generate laboratory scale test results applicable to planning the 2022 FFT. Focus for the FFT is the ramp-up phase of production.

 

·Delineate a life-of-well-pattern production profile. The ultimate recovery from intact core effectively determines the quantity of producible resource from the deposit with the ISR method.

 

Two coreflood tests (Coreflood 4 and Coreflood 5) were performed.

 

Project No.: 251208Mineral Processing and Metallurgical Testing
August 2023Page 13-19

 

 

Wheeler River Project
Athabasca Basin, Saskatchewan
NI 43-101 Technical Report

 

13.1.6.3Coreflood 4

 

The Coreflood 4 sample was taken from a high-grade segment of HGU 2c from hole GWR-040, which is the middle CSW in the FFT well pattern. It was therefore an excellent candidate to correlate with subsequent FFT results. Coreflood 4 feed sample side view is shown in Figure 13-15. Near-horizontal mineral banding is evident.

 

Coreflood 4 ran for a total of 113 PVs over 391 days, with life-of-test average UBS grade of 18.7 g/L U and reagent consumptions of 2.78 kg H2SO4 and 0.35 kg H2O2 per kg U. Part of the difficulty of production ramp-up of Coreflood 4 was due to the flow constraint of low micro scale permeability through the intact core, particularly in the vertical flow direction of coreflood samples. As uranium mass gradually leached away, there was a mild trend of increasing flow rate at the same pressure, indicating permeability increase.

 

There were numerous perturbation events through the course of early to mid-test run, many of which offered valuable lessons on what happens when operating outside the optimum Eh-pH window. The last quarter of the test can be considered as relatively steady operation through the declining part of the recovery curve. In comparison to earlier in the test run, relatively small and gradual pressure and reagent changes were made.

 

Figure 13-15: Coreflood 4 Feed Sample Side View, Prior to Placement in Coreflood Machine

 

 

(Source: SRC, 2021)

 

Project No.: 251208Mineral Processing and Metallurgical Testing
August 2023Page 13-20

 

 

Wheeler River Project
Athabasca Basin, Saskatchewan
NI 43-101 Technical Report

 

The operating results for Coreflood 4 reflect the application of lessons learned to enable completion of the longest test run to support the FS. The main takeaway was the formulation of a reagent dosing strategy that evolves over time, to maintain steady Eh-pH operating conditions within an acceptable window. The test also demonstrated the ability to operate the core through changing conditions and disturbances such as plugging, which provides confidence that in production the wells can operate through such events.

 

An accurate final uranium recovery from Coreflood 4 was determined by back calculating the feed grade of the core. The core was destructively tested as per the following steps:

 

·The wrapped core was removed from the coreflood machine and placed wet in the freezer. This was due to concern over sample breakage during handling.

 

·Unwrap and weigh the frozen core

 

·Cut frozen core into four sections according to Figure 13-16 and weigh each piece separately

 

·Take macro scale photos of all surfaces of frozen cut cores. The core was also examined in person to look for colour and overall texture.

 

·Dry all sections overnight in oven at 90°C. Measure dry weights of each section

 

·Take photos of dried samples

 

·Prepare representative subsamples of each section for assay.

 

Figure 13-16: Coreflood 4 Cut Sections and Direction of Flow

 

 

(Source: SRC 2022)

 

Coreflood 4 feed side puck (section 4), inlet face view is shown in Figure 13-17. The feed end was deeply eroded, nearly through to the discharge side of the section.

 

Project No.: 251208Mineral Processing and Metallurgical Testing
August 2023Page 13-21

 

 

Wheeler River Project
Athabasca Basin, Saskatchewan
NI 43-101 Technical Report

 

Coreflood 4 middle (section 2), centre longitudinal cut face view is shown in Figure 13-18. It was strongly bleached throughout, with cracks that appeared after drying.

 

Coreflood 4 discharge end puck (section 1), inlet face view, dried, is shown in Figure 13-19. It was strongly bleached across the entire cross-section.

 

Figure 13-17: Coreflood 4 Feed Side Puck (Section 4), Inlet Face View

 

 

(Source: SRC, 2022)

 

Figure 13-18: Coreflood 4 Middle (Section 2), Centre Longitudinal Cut Face View

 

 

(Source: SRC, 2022)

 

Project No.: 251208Mineral Processing and Metallurgical Testing
August 2023Page 13-22

 

 

Wheeler River Project
Athabasca Basin, Saskatchewan
NI 43-101 Technical Report

 

Figure 13-19: Coreflood 4 Discharge End Puck (Section 1), Inlet Face View, Dried

 

 

(Source: SRC 2022)

 

In total, 51.8% of the initial dry mass of the sample was removed by leaching. Just over half of the mass loss is accounted by uranium leaching, and the remainder is accounted by gangue mineralization leaching. Aluminum and iron in UBS contributed the majority of gangue mass removal.

 

There were sharp differences in moisture and uranium grade between sections, demonstrating that the feed end had the most mineralization removed (Table 13-3). Residue grades were higher in the midsections than the ends, suggesting a moderate degree of preferential flow path(s) formation through the middle may have occurred.

 

Table 13-3: Summary of Moisture Between Sections

 

Section Moisture
(%)
%U3O8
1 - discharge end 14.2 0.46
2 - midsection 34.7 2.86
3 - midsection 39.6 2.07
4 - feed end 53.6 0.30
Weighted Average 36.2 1.60

 

Project No.: 251208Mineral Processing and Metallurgical Testing
August 2023Page 13-23

 

 

Wheeler River Project
Athabasca Basin, Saskatchewan
NI 43-101 Technical Report

 

The feed grade was back calculated from measurements of the total uranium in UBS collected throughout the test plus leach residue sections. Feed grade was 26.7% U3O8, and final recovery was 97.1%. Coreflood 4 is the most comprehensive simulation of ISR for the Phoenix FS, with the highest recovery demonstrated from an intact core to date.

 

13.1.6.4Coreflood 5

 

Coreflood tests 1 to 4 demonstrated low initial permeability that is characteristic of vertically oriented core samples at micro scale. This is orders of magnitude lower than the macro scale horizontally oriented permeability demonstrated by the 2021 field tracer testing, due to 1) flow orientation of the tests, 2) presence of natural macro scale faults/fractures, and 3) deployment of permeability enhancement techniques. To close the gap between macro and micro scale permeability measurements, a different approach was required in coreflood testing.

 

A further issue not fully appreciated in previous tests was that different HGUs of the deposit have different flow characteristics. Corefloods 1 to 4 tested samples from HGUs 2a, 2c and 2d. Coreflood 5 sample was selected from HGU 2b, which has the majority of contained uranium, highest grade and highest natural permeability.

 

A well accepted laboratory scale test procedure as a basis for ISR mine scale-up calculations is the core box test. This has been applied to copper ISR projects in Arizona, USA. The concept is to lay several sections of intact drill core into a specially constructed watertight box, such that propagation of lixiviant into, and dissolved metal out from the core, proceeds via diffusion. A flow rate of lixiviant is chosen to pump through the core box, contacting a known mass and exterior surface area of core. A well production profile is developed based on the core box leaching data.

 

The key difference between the copper deposits analyzed using the core box test and the Phoenix deposit is that copper deposit grades are about 0.3% Cu, while the high-grade HGUs in Phoenix are over 20% U, approaching two orders of magnitude higher feed grade. Thus, the core box test concept was modified for Phoenix to use a much lower initial surface area exposed to lixiviant relative to the mass of core to be leached.

 

For Coreflood 5, a small diameter tunnel (a pencil hole) was drilled through the centre of an intact core sample. The drilled core was placed in the CTM with the outside diameter and ends of the core sealed such that lixiviant could only pass through the pencil hole. Lixiviant was pumped through the hole at a flow rate representative of expected in situ residence time, aligning with 2021 tracer test results.

 

Project No.: 251208Mineral Processing and Metallurgical Testing
August 2023Page 13-24

 

 

Wheeler River Project
Athabasca Basin, Saskatchewan
NI 43-101 Technical Report

 

In essence, the pencil hole test is a coreflood test that is an inside-out version of a core box test. Leaching propagates from the inside of the pencil hole outward rather than from the perimeter of the core inward. It is most representative of FFT conditions as residence time is a controlled variable.

 

Coreflood 5 started in March 2022 and is ongoing as of early March 2023. It delivered a rapid ramp-up in production representing the early part of a recovery curve. After establishing peak UBS grade, flow rate was gradually ramped up from 0.06 to as high as 0.4 PV/d with negligible impact on grade. The exceptionally high grade of 86.1% U3O8 is about four times the average of the production plan. Consequently, the UBS was at or above 60 g/L U until starting to decline after 25% recovery in January 2023. Cumulative recovery at end of February 2023 was 33%.

 

A comparison between Coreflood tests 3C, 4 and 5 is shown in Figure 13-20.

 

Figure 13-20: Coreflood Tests Comparison

 

 

(Source: Wood, 2023)

 

Project No.: 251208Mineral Processing and Metallurgical Testing
August 2023Page 13-25

 

 

Wheeler River Project
Athabasca Basin, Saskatchewan
NI 43-101 Technical Report

 

13.1.7Feasibility Field Test Leaching Results

 

The main objective of the field test was to demonstrate injection of lixiviant and recovery of UBS from the CSW test pattern.

 

The FFT was a full-scale proof of concept of the ISR method in a thick and high-grade area of the deposit likely to be targeted for initial production. The extent of test duration was limited due to the constrained UBS storage volume available. This was beneficial in reducing environmental risk but also limited data collection that would provide design and operability learnings. While the extent of results was limited to part of the ramp-up segment of an overall recovery curve, the test could have successfully continued running further if desired.

 

The initial operating scenario was 20 L/min lixiviant flow rate into injection well GWR-040, balanced with slightly higher than 10 L/min each from recovery wells GWR-041 (located 5 m laterally from GWR-040) and GWR-038 (located 10 m laterally). Due to its closer proximity, GWR-041 responded more rapidly to lixiviant injection than GWR-038.

 

During initial acidification of the well pattern, pH decline was slow, likely inhibited by acid-consuming minerals such as calcite. As the pH of GWR-041 began to decrease from 5 to 4 early on, a pressure increase was observed over an 18-hour period. This shift corresponds to a pH range where both calcite dissolution and gypsum formation can occur.

 

The operators switched to using fresh water for making up lixiviant to make a much lower turbidity injectate. As pH decreased from 4 to 3 in GWR-041 over the next 18 hours, pressure then decreased even more rapidly than it had increased. Uranium grade from GWR-041 increased to 740 mg/L.

 

After pH below 3 was achieved, active leaching of uranium began. UBS grade from GWR-041 rose while pH declined. Uranium grade trended upwards to 25 g/L over four days, while injection pressure decreased. This suggests that leaching played a role in reducing resistance to flow. A peak sample grade of 43 g/L U was collected from GWR-041 after a further three days, so the acid injection phase was ended. Meanwhile, GWR-038 followed a slower path to pH below 3 and peak sample grade of 6 g/L U by the end of the acid injection phase.

 

The two FFT recovery wells demonstrated a range of pH decline and uranium grade rise rates, indicative of the ramp-up segment of a well production profile. Samples collected near the end of the acid injection phase are shown in Figure 13-21. Gypsum scale (tinted green with iron co-precipitate) is in the GWR-038 sample. GWR-041 is clear and deep yellow-green indicating high uranium grade.

 

Project No.: 251208Mineral Processing and Metallurgical Testing
August 2023Page 13-26

 

 

Wheeler River Project
Athabasca Basin, Saskatchewan
NI 43-101 Technical Report

 

After acid injection to GWR-040 was shut down, a recovery pump was lowered into GWR-040 and started to test the pull of flow in the opposite direction. After a day of reverse flow, a GWR-040 grab sample was 39 g/L U, nearly the same as from GWR-041.

 

Figure 13-21: Recovered Solution Samples Collected Near End of Acid Injection Phase

 

 

(Source: Denison, October 11, 2022)

 

13.1.8Wellfield Leach Recovery Best Fit Curve Development

 

From the test data available, a best fit leach recovery production profile over the life-of-well-pattern was developed to support feasibility-level wellfield design. The short duration of the field test demonstrated part of the production ramp-up, recovering less than the first ~1% of contained uranium from the pattern. The remainder of the production profile was informed by the Coreflood 4 and 5 laboratory tests.

 

Project No.: 251208Mineral Processing and Metallurgical Testing
August 2023Page 13-27

 

 

Wheeler River Project
Athabasca Basin, Saskatchewan
NI 43-101 Technical Report

 

Figure 13-22 shows the global leaching recovery curve illustrating the relationship between life of well running average uranium grade and instantaneous uranium grade. The information supporting development of the best fit leach recovery curve includes:

 

·Tuned to 22.5% U3O8 feed grade. This closely aligns with the average in high-grade HGUs 2b/2c/2d in the PFS mine plan Phases 1 through 4 (Zone A). This encompasses the majority of resource from start-up through late in life of the operation.

 

·Geological porosity is chosen to be 25%, near the average of HGUs 2b/2c/2d.

 

·Coreflood 5 (HGU 2b) established the ramp-up segment of the curve. Its peak segment at or above 60 g/L U is sustained longer than the best fit curve due to about four times higher grade.

 

·2022 FFT results from GWR-041 demonstrated peak grade of 43 g/L U over a timeline of several days, validating the ramp-up segment of the curve.

 

·The flat spot at the peak of the curve is assumed to be constrained to 60 g/L U by adjustment of lixiviant reagent strengths.

 

·Coreflood 4 (HGU 2c) experienced numerous perturbations in the first ¾ of the test run, but subsequently provided consistent results and an endpoint with high recovery to calibrate the best-fit curve.

 

·In operation, a blend of production from across several HGUs will occur simultaneously. Individual HGU recoveries will vary from the best-fit.

 

·Higher grade patterns are expected to have a longer peak grade segment and overall longer run time than the best fit curve, and vice versa.

 

·Best fit curve solely represents micro scale geochemical leaching efficiency. Macro scale hydraulic sweep efficiency is an additional modifying factor in ISR mining to inform well recoveries, addressed in Section 16.

 

The high-grade nature of the deposit results in a relatively short and sharp climb to a peak grade, then a long gradual decline. The segments of the curve are:

 

·Short ground conditioning (acidification) duration with negligible uranium leaching

 

·Rapid ramp-up in uranium grade

 

·Brief plateau at peak uranium grade

 

·Curve with slowing decline in uranium grade over time, reaching zero at 200 PVs.

 

Project No.: 251208Mineral Processing and Metallurgical Testing
August 2023Page 13-28

 

 

Wheeler River Project
Athabasca Basin, Saskatchewan
NI 43-101 Technical Report

 

Figure 13-22: Leach Recovery Best Fit Curve

 

 

(Source: Wood, 2023)

 

The ultimate leach recovery chosen is 95% at 200 PVs of plug flow through high-grade HGUs 2b/2c/2d. This is slightly lower than the 97.1% uranium recovery from Coreflood 4. To account for this difference, the modifying factors are:

 

·Lower ultimate recovery due to greater likelihood of locked (chemically inaccessible) mineralization at full scale

 

·Higher number of PVs due to Coreflood 4 using a sample from HGU 2c that shows faster leach rate than HGU 2b, whereas HGU 2b contains a higher proportion of the overall resource

 

·Higher grade of Coreflood 4 at 26.7% U3O8 versus best-fit grade of 22.5% U3O8.

 

As further corroboration of the best fit leaching curve, its shape is comparable to the 2022 column test results in Figure 13-8.

 

Project No.: 251208Mineral Processing and Metallurgical Testing
August 2023Page 13-29

 

 

Wheeler River Project
Athabasca Basin, Saskatchewan
NI 43-101 Technical Report

 

13.1.9Process Plant and Effluent Treatment Test Programs

 

In typical low-grade sandstone uranium ISR operations UBS is introduced to ion exchange circuits to concentrate and purify the contained uranium. The resultant high-grade uranium eluate solution normally ranges upwards from 10 g/L U. This is a suitable feed for a YC precipitation circuit.

 

For the very high-grade Phoenix deposit, UBS from the PFS bottle roll leach tests ranged above 10 g/L U. As such, it was considered potentially suitable for direct YC precipitation. Early in the FS, coreflood and column leach test results supported a nominal plant feed UBS grade of 15 g/L U, so the direct purification and precipitation flowsheet concept was maintained.

 

13.1.9.1Pre-Feasibility Study Process Plant Tests

 

The PFS took a novel flowsheet approach of using sodium hydroxide as alkali for uranyl peroxide YC precipitation directly from UBS. The BLS would be recycled by refortifying it with reagents and re-injecting in the wellfield. The PFS stated that over time some contaminants may accumulate in the recycled solution. On a contingency basis, provisions were made for a BLS bleed stream to a crystallizer. Dry salts would be collected in tote bags and ultimately disposed of in underground stopes in the Gryphon mine. Similarly, stage 1 (Fe/Ra) precipitation waste solids would be temporarily stored on a special waste pad until permanent disposal in the underground stopes at Gryphon was possible.

 

Early testing attempted precipitation of uranyl peroxide YC directly from UBS. YC precipitation efficiencies exceeding 95% could be achieved with high hydrogen peroxide dose. However, YC products generated were above reject limits with respect to iron and arsenic concentrations.

 

The final PFS flowsheet added a pH adjustment step for UBS using NaOH to co-precipitate certain metal hydroxides prior to YC precipitation. A range of pHs were tested, showing iron and arsenic were precipitated above pH 3.5. The solids produced represented ~0.15% of the feed fluid mass. A 98.5% process plant efficiency in the PFS was estimated. The uranyl peroxide precipitation step using purified solution after the pH adjustment step was efficient and met converter specifications.

 

13.1.9.2Feasibility Study Process Plant and Effluent Treatment Tests

 

The objective of the process plant testing program was to validate the proposed process flowsheet. The basic flowsheet steps for the FS remain the same as the PFS consisting of a pH adjustment step (stage 1 (Fe/Ra) precipitation) for impurities removal, followed by uranyl peroxide (YC) precipitation and YC product drying.

 

Project No.: 251208Mineral Processing and Metallurgical Testing
August 2023Page 13-30

 

 

Wheeler River Project
Athabasca Basin, Saskatchewan
NI 43-101 Technical Report

 

Several flowsheet changes were introduced at the start of the FS related to switching from NaOH to magnesia as alkali in the stage 2 (YC) precipitation circuit. First, BLS recycle for re-injection with a bleed stream of BLS to a crystallizer is eliminated. Instead, a once-through pass of UBS through the YC purification and recovery steps feeds a conventional 2-stage lime effluent treatment system using pH adjustments. There are two main changes to waste solids deportment: 1) the requirement for disposal of highly soluble crystallized salt waste solids has been removed and replaced with gypsum waste ponds on surface, and 2) the temporarily stored process precipitate solids (PPS) from the stage 1 (Fe/Ra) precipitation and effluent treatment stage 1 circuits are to be shipped offsite for reprocessing. Taken together, the requirement to dispose of solids underground in the Gryphon mine has been eliminated, thereby decoupling Phoenix from Gryphon Project development.

 

SRC completed the first process plant test campaign in the summer of 2021 (Zhao, 2022). The second, third and fourth campaigns of the test program began in November 2021 and were concluded in the summer of 2022. This section summarizes results from all four campaigns (Tang and Zhao, 2023).

 

Feed Sample Preparation

 

UBS from the 2021 Column 1 leach test was used as feed in all four process plant test campaigns. Approximately 500 L UBS from the Column1 leach test was produced. The feed samples for the completed testwork were prepared by mildly diluting feed from 18.4 g/L U with simulated mine site water, to achieve the target concentration 15 g/L U for all tests.

 

Campaign 1 – NaOH vs. Lime Process Alternatives

 

Campaign 1 compared using NaOH and lime for stage 1 (Fe/Ra) precipitation, as well as the impacts of this selection on the downstream YC and treated effluent qualities. The scope of work included:

 

·ISR UBS preparation and characterizations
   
·Stage 1 (Fe/Ra) precipitation batch tests with NaOH and lime
   
·Stage 2 (YC) precipitation batch tests
   
·YC drying and assay
   
·Effluent treatment tests.

 

The chemistry basis for planning Campaign 1 was the 2018 PFS, in which NaOH was used for stage 1 (Fe/Ra) precipitation. Upon comparison of TDS and sulphate levels in treated effluent against Denison’s objectives, lime was tested in stage 1 (Fe/Ra) precipitation as an alternative.

 

Project No.: 251208Mineral Processing and Metallurgical Testing
August 2023Page 13-31

 

 

Wheeler River Project
Athabasca Basin, Saskatchewan
NI 43-101 Technical Report

 

Stage 1 (Fe/Ra) Precipitation Bench Tests

 

The objective of the Fe/Ra removal tests was to optimize the test conditions for Fe/Ra removal prior to stage 2 (YC) precipitation. The target is to remove as much iron as possible with minimum uranium loss. In addition, there is a target to remove radium to the level of 0.37 Bq/L, which is the water discharge specification from effluent treatment.

 

In total 20 Fe/Ra removal batch tests were performed with NaOH. The parameters adjusted include pH range, BaCl2 dosage, and residence time. Between 98.8% and 99.7% of iron was removed with uranium loss of 1.4% to 2.7%. The Ra226 in the treated solution was in the level from <0.2 Bq/L to 3.2 Bq/L.

 

Two Fe/Ra removal tests were performed at the best conditions, with pH control using lime slurry. Comparing the NaOH results with lime, the following was observed:

 

·Fe removal is almost the same, shifting from 99.7% to 99.4%
   
·Ra226 removal is almost the same, from 97.1% to 97.8%
   
·Uranium loss increased from 1.9% to 2.8%
   
·Sulphate precipitation increased from 3.6% to 41.4%.

 

Stage 2 (YC) Precipitation Bench Tests

 

Stage 2 (YC) precipitation tests from the UBS after Fe/Ra removal were conducted. The barren solution samples from stage 2 (YC) precipitation tests were used for the downstream effluent treatment tests. Baseline conditions included room temperature, dosage of H2O2 0.2g/g U3O8, one-stage pH 3.0 controlled with MgO addition.

 

From filtrate of the last NaOH-based stage 1 (Fe/Ra) precipitation test, 99.9% of uranium was precipitated. The YC assay results meet the limit-without-rejection specifications of ASTM C967-13 standard. The level of boron, calcium, fluoride, magnesium, silicon, titanium, and vanadium is higher than the limit-without-penalty. One of the two representative YC assay results were above the limit-without-rejection for magnesium.

 

From filtrate of the last lime-based stage 1 (Fe/Ra) precipitation test, 99.9% of uranium was precipitated. The YC assay results meet the limit-without-rejection specifications of ASTM C967-13 standard. The level of calcium, magnesium, silicon, and vanadium is higher than the limit-without-penalty.

 

Project No.: 251208Mineral Processing and Metallurgical Testing
August 2023Page 13-32

 

 

Wheeler River Project
Athabasca Basin, Saskatchewan
NI 43-101 Technical Report

 

Effluent Treatment Bench Tests

 

Small batch and bulk effluent treatment tests were performed. The feed samples were barren solution samples from stage 2 (YC) precipitation tests. Baseline conditions for all tests were ET stage 1 at pH 4.5 and ET stage 2 at pH 10.5 with lime addition.

 

In the first three tests, ferric sulphate dose was low. The levels of molybdenum and selenium were higher than target. With an increased ferric sulphate dose in the fourth test, the levels were noticeably reduced to 1.24 mg/L Mo and 0.20 mg/L Se.

 

Tests 1 to 3 used feed from dosing NaOH upstream in stage 1 (Fe/Ra) precipitation. Sulphate in ET stage 2 effluent was around 9,000 mg/L in these three tests. With test 4, lime was used in stage 1 (Fe/Ra) precipitation, resulting in ET stage 2 effluent sulphate concentration around 2,500 mg/L.

 

The conventional two-stage lime neutralization flowsheet for effluent treatment removed all of the metals on the Metal and Diamond Mining Effluent Regulations (MMER) list (As, Cu, Pb, Ni, Zn and Ra) to well below maximum authorized concentrations.

 

Flowsheet Changes from Campaign 1 Learnings

 

The main decision from Campaign 1 was to use lime in the stage 1 (Fe/Ra) precipitation circuit and magnesia in the stage 2 (YC) precipitation circuit. These conventional alkali selections reduce technical risks compared to the PFS. The main benefit of selecting lime over NaOH for stage 1 (Fe/Ra) precipitation is that TDS in treated effluent is much lower. A secondary benefit is slightly better YC quality. The trade-off is a greater rate of low-grade uranium-bearing solids production from the stage 1 (Fe/Ra) precipitation circuit.

 

Campaign 2 – Feasibility Study Baseline

 

Campaign 2 established baseline stage 1 (Fe/Ra) precipitation chemistry conditions using lime, as well as investigated YC precipitation chemical conditions. Solid/liquid separation characterization began.

 

Additional effluent quality criteria based on derived effluent release limits (DERL) were developed by Ecometrix. The main remaining element of concern was selenium. The Campaign 1 flowsheet produced treated effluent in the range of 0.2 to 0.3 mg/L Se, compared the upper bound target of 0.042 mg/L Se in the draft Environmental Impact Statement.

 

Project No.: 251208Mineral Processing and Metallurgical Testing
August 2023Page 13-33

 

 

Wheeler River Project
Athabasca Basin, Saskatchewan
NI 43-101 Technical Report

 

The scope of work included:

 

·Stage 1 (Fe/Ra) precipitation small batch tests using lime
   
·Stage 1 (Fe/Ra) large batch test, solid/liquid separation and solids characterization tests
   
·Stage 1 (Fe/Ra) solids re-processing tests
   
·Stage 2 (YC) precipitation small batch tests
   
·Stage 2 (YC) precipitation large batch test, solid/liquid separation and solids characterization
   
·YC drying and YC product assay
   
·Effluent treatment (ET) stage 1 and stage 2 small batch tests, including direct ZVI addition to ET stage 1 and ferrous sulphate addition to ET stages 1 and 2 to target selenium removal.

 

Stage 1 (Fe/Ra) Precipitation Small Batch Tests

 

The objectives were to determine the number of pH stages (tanks) and residence time design criteria. Baseline conditions were established from best results of Campaign 1. Five tests varying from 1 to 4 stages and four to eight hours residence time were executed.

 

Results:

 

·Uranium recoveries to liquid ranged from 96.3% to 98.9%
   
·Settled solids densities ranged from 5.5 to 10.4 wt% solids
   
·Peroxide addition is necessary to achieve efficient iron removal, but overshooting ORP target increases uranium loss to solids
   
·Increasing residence time along with stepwise pH adjustment improves iron removal
   
·Radium removal is efficient to <1 Bq/L.

 

Stage 1 (Fe/Ra) Precipitation Large Batch Test

 

The main objectives of the large batch precipitation were to: 1) generate a suitable volume of Fe/Ra solids (in slurry form) for subsequent thickening, filtration and washing tests, as well as centrifuge tests; and 2) use the supernatant for subsequent YC precipitation and effluent treatment tests. A 110 L starting sample was used.

 

Project No.: 251208Mineral Processing and Metallurgical Testing
August 2023Page 13-34

 

 

Wheeler River Project
Athabasca Basin, Saskatchewan
NI 43-101 Technical Report

 

Results:

 

·Overnight settled density was 4.6% solids. The mass produced was 0.0107 kg solids/m3 feed, comparable to Campaign 1 of 0.0134 kg solids/m3 feed.

 

·Residue assay was 1.91% U, the lowest result to date.

 

·Fe/Ra precipitation had 98.7% U chemical recovery to solution (not accounting for solution entrainment loss with residue, which is a function of residue wash efficiency).

 

Stage 1 (Fe/Ra) Precipitation Solid/Liquid Separation Tests

 

Settling tests were performed in 1 L volumetric cylinders using the mixed large batch test slurry sample. Three different flocculants were screened, followed by dosage optimization. Settling rate is 0.14 to 0.2 m/h in the first hour and 0.08 m/h at three hours.

 

Vacuum filtration tests were performed on flocculated settled slurry, using a BHS Pocket Leaf Filter PLF-400. Ranging tests were performed using different filter cloth options, as well as varying cake depth and vacuum level. Displacement wash tests were then performed using varying wash rates. The washed solids assays ranged from 2.2 to 3.0% U. The maximum wash rate tested was three displacements of 1.5 m3/t. High uranium in liquid entrainment losses occurred with the best result of 9.02 g/L U in wash solution. The cake moistures are in the range of 65.9% to 68.4%.

 

Centrifuge tests were performed with a Thermo Sorvall Legend T Plus Benchtop Centrifuge on the settled slurry from the Fe/Ra bulk test. The sample was tested with a G-Force (RCF) up to 2000 and spin time up to 10 minutes. The resulting slurries ranged from 16.8% to 27.3% solids. A multi-stage counter current belt filter with high wash rate was determined to be a better equipment selection than a centrifuge to reduce uranium entrainment loss.

 

Stage 1 (Fe/Ra) Solids Reprocessing Tests

 

Denison plans to ship the stage 1 (Fe/Ra) precipitate filter cake offsite as a feed material to a suitable receiving facility for re-processing to recover contained uranium. If uranium recovery is not feasible then treatment for disposal of stage 1 (Fe/Ra) cake is a likely approach. Two options were briefly investigated: 1) re-leach the stage 1 (Fe/Ra) precipitate for potential uranium recoverability, and 2) investigate suitable terminal pH for placement in a solids waste disposal pond.

 

Project No.: 251208Mineral Processing and Metallurgical Testing
August 2023Page 13-35

 

 

Wheeler River Project
Athaba sca Basin, Saskatchewan
NI 43-101 Technical Report

 

For the first option, wet filter cake was re-leached in dilute sulphuric acid solution. Re-leach was chemically very efficient with 10.3 g/L U, 4.8 g/L Fe, 3.8 g/L As and 500,000 Bq/L Th-230 in solution. The residue settled about 0.05 m in 20 hours.

 

For the second option, wet filter cake was re-pulped with water and lime slurry to pH 6.5 to 8.5. Nearly all elements of concern tested remained predominantly in residue. Molybdenum was identified as a potential concern, increasing from 0.2 to 10.6 mg/L in supernatant from pH 6.5 to 8.5.

 

Stage 2 (YC) Precipitation Small Batch Tests

 

The objectives were to optimize precipitation efficiency and density. Baseline reagent dosing was 0.18 kg peroxide/kg U in feed and pH maintained with MgO slurry.

 

Results:

 

·The 30 to 40oC had much improved clarity over ambient temperature.
   
·Settled density was 8% to 11%, improving with temperature.
   
·Slurry recycle seeding demonstrated benefit to density
   
·Advantageous to spread peroxide dosing over more stages
   
·Ambient temperature tests had efficient precipitation with 9 to 86 ppm U in supernatant.
   
·Peroxide efficiency decreased with increasing temperature
   
·Ambient temperature tests had magnesium in YC slightly above penalty level. In elevated temperature tests, magnesium was below penalty level.

 

Stage 2 (YC) Precipitation Large Batch Test

 

The main objective of the large batch stage 2 (YC) precipitation was to generate a suitable volume of uranyl peroxide solids (in slurry form) for subsequent thickening, filtration and washing tests. The supernatant was retained and used for subsequent effluent treatment tests. Conditions for the large batch stage 2 (YC) precipitation were 40°C, eight-hour residence time, staged peroxide dosage, total 0.21 kg/kg U, terminal pH 3.4 with MgO. Precipitation efficiency was 99.4%.

 

Stage 2 (YC) Precipitation Solid/Liquid Separation Tests

 

Bulk YC precipitation slurry was used to determine the following YC thickener design criteria:

 

·Flocculant selection screening and dosing rate
   
·Thickener rise rate
   
·Underflow slurry density.

 

Project No.: 251208Mineral Processing and Metallurgical Testing
August 2023Page 13-36

 

 

Wheeler River Project
Athaba sca Basin, Saskatchewan
NI 43-101 Technical Report

 

Thickener tests were performed in 1 L volumetric cylinders using a mixed large batch test slurry sample. Terminal density after overnight settling was less than 10% solids and settling rate 0.08 m/h at one hour.

 

Vacuum filtration tests were attempted on flocculated settled slurry. Three of the finest filter cloths available were tested. High levels of solids passed through all three cloths so the filter test plan was suspended. If results could not be improved, it would trigger evaluation of an alternative equipment selection to a belt filter for YC dewatering.

 

Yellowcake Drying and Yellowcake Product Assay

 

A subsample of stage 2 (YC) precipitation slurry was filtered, washed with water, dried at 110°C and assayed. It met all limit-without-rejection specifications of ASTM C967-13 standard. The levels of calcium, fluoride, silicon and vanadium are higher than the limit-without-penalty.

 

Effluent Treatment Bench Tests

 

From Campaign 1, the main concern to be addressed was selenium removal. Otherwise, a conventional two-stage (pH 4.5 and 10.5) lime neutralization approach appeared suitable for the effluent quality targets.

 

42 small batch effluent treatment tests were performed on various combinations of ferric sulphate, ferrous sulphate and direct ZVI powder additions, along with pH setpoint adjustments.

 

Results:

 

·Ferric sulphate was not found to be effective in further selenium removal.
   
·High dosage of ferrous sulphate in ET stage 2 was effective in achieving the selenium removal target; however, this also requires high lime addition and causes a high rate of gypsum solids generation.
   
·Direct ZVI addition was briefly explored but did not effectively remove selenium.

 

Going forward, focus shifts from chemically demonstrating selenium removal, to reducing the mass/volume of gypsum solids for disposal from ET stage 2.

 

Project No.: 251208Mineral Processing and Metallurgical Testing
August 2023Page 13-37

 

 

Wheeler River Project
Athaba sca Basin, Saskatchewan
NI 43-101 Technical Report

 

Test Campaign 3 – Solid/Liquid Separation Improvements

 

Campaign 3’s focus was improving solid/liquid separation characteristics in the stage 1 (Fe/Ra) and stage 2 (YC) precipitation circuits. The scope of work included:

 

·Stage 1 (Fe/Ra) precipitation small batch tests using lime
   
·Stage 1 (Fe/Ra) large batch tests using lime, solid/liquid separation and solids characterization
   
·Stage 2 (YC) precipitation small batch tests
   
·Stage 2 (YC) precipitation large batch test, solid/liquid separation and solids characterization
   
·YC drying and calcining, YC products assays
   
·ET stage 1 using baseline conditions
   
·Two ET stage 2 batch tests with zero and high dose ferrous sulphate additions.

 

Stage 1 (Fe/Ra) Precipitation with Lime Small Batch Tests

 

Five stage 1 (Fe/Ra) precipitation tests ranged from ambient to 40°C. In one of the tests, peroxide dosing was overshot indicating a risk of uranium loss to stage 1 (Fe/Ra) solids if above target ORP.

 

Stage 1 (FeRa) Precipitation with Lime Large Batch Tests

 

A 50 L batch stage 1 (Fe/Ra) precipitation test, followed by checks on the Fe/Ra thickener and vacuum belt filter design criteria were performed. The conditions of the large batch stage 1 (Fe/Ra) precipitation test incorporated learnings to improve density and reduce risk of uranium loss.

 

Results:

 

·Slurry % solids after 24 hours of settling was 5.0%, a little higher than the Campaign 2 result. The mass produced was 0.0121 kg solids/m3 feed, similar to previous results.
   
·Reagent dosing was executed well. Residue assay was 2.78% U, within the range of previous results.
   
·97.9% U chemical recovery to solution (not accounting for solution entrainment loss with solids, a function of wash efficiency).

 

Project No.: 251208Mineral Processing and Metallurgical Testing
August 2023Page 13-38

 

 

Wheeler River Project
Athaba sca Basin, Saskatchewan
NI 43-101 Technical Report

 

Fe/Ra Solid/Liquid Separation Design Criteria Checks

 

Compared to Campaign 2, settling rate is slightly improved at 0.15 m/h in the first hour. Final settled % solids is reached earlier and is denser than Campaign 2. Supernatant contains acceptably low total suspended solids (TSS) to plan for sand filters for the thickener overflow.

 

Filtering performance was checked on the thickener underflow slurry using baseline conditions established from Campaign 2. To achieve higher wash efficiencies, the number of displacements was increased to three and volume per displacement ranged up to 6 m3 wash solution/tonne solids. Flux was moderately higher than Campaign 2 results. Best result filter cake moisture was reduced to 65.8% vs ~68% in Campaign 2 tests.

 

Stage 2 (YC) Precipitation Small Batch Tests

 

The objective is improvement in stage 2 (YC) precipitate solids/liquids separation performance. In total 12 tests were performed, varying temperature, reagent scheme and additional agitated settled slurry residence time. Precipitation efficiency range was 87% to 99.9%, settled solids density range 8% to 26% solids, and initial settling rates ranged from 0.41 to 1.17 m/h.

 

Stage 2 (YC) Precipitation Bulk Test

 

A stage 2 (YC) precipitation bulk test was performed under optimized conditions identified from the 12 small batch tests to generate feed samples for solid/liquid separation tests, YC quality tests and effluent treatment tests. Supernatant assay was 54 ppm U, for 99.6% YC precipitation efficiency.

 

Yellowcake Precipitation Solid/Liquid Separation Design Criteria Checks

 

Three flocculated settling tests ranged flocculant dose. Best settling rate was 0.92 m/h at 20 minutes and 0.31 m/h at 60 minutes. Overnight settled slurry contained 13.5% solids. Since huge improvements in YC settling performance were realized, it was decided to resume vacuum belt filter tests to develop design criteria rather than change equipment selection.

 

Vacuum filtration tests were performed on flocculated settled YC slurry, using a range of different filter cloth options as well as varying cake depth and vacuum level. TSS in filtrate was reduced to less than 2,000 ppm. This is considered high but acceptable to proceed with a belt filter in the design.

 

Project No.: 251208Mineral Processing and Metallurgical Testing
August 2023Page 13-39

 

 

Wheeler River Project
Athaba sca Basin, Saskatchewan
NI 43-101 Technical Report

 

Seven displacement wash tests were then performed with a range of wash rates of two to three displacements of 2 to 10 m3 wash water per tonne solids. At an intermediate wash of three displacements of 6 m3/t, flux was 8.75 kg/(m2 h) and cake moisture is 46%.

 

Centrifuge tests were performed with a benchtop centrifuge with G-Force (RCF) up to 2,000 and spin time up to10 minutes. The resulting slurries ranged from 40.1% to 55.7% solids. To achieve best YC product purity, a multi-stage counter current belt filter with high wash rate was selected over a centrifuge.

 

Yellowcake Drying and Calcining Quality Tests

 

A YC slurry subsample from the bulk stage 2 (YC) precipitation test was vacuum filtered with three wash steps. The resulting cake was split to make dried YC at 125°C and calcined YC at 840°C.

 

Both the dried and calcined YC assays meet the limit-without-rejection specifications of ASTM C967-13 standard. The level of calcium, fluoride, magnesium, titanium, and vanadium are higher than the limit-without-penalty for dried sample. The level of calcium, magnesium, and vanadium is higher than the limit-without-penalty for the calcined sample.

 

Effluent Treatment Bench Tests

 

The main objective was to reduce the rate of gypsum solids generation compared to Campaign 2’s ET stage 2. A sample was prepared to feed a third (bolt on) effluent treatment stage, namely a packed bed column of ZVI as an alternative selenium removal method.

 

A 10 L barren YC precipitation solution was treated under standard ET stage 1 conditions established in Campaign 1. The supernatant of ET stage 1 was then split into two samples. Half was used as feed to ET stage 2 with high ferrous sulphate dose as a baseline. The other half was treated with no ferrous sulphate dose in ET stage 2 and used as feed to an initial trial of the ZVI treatment design alternative at SRC (Pascual, 2022) described in Section 13.1.9.3.

 

Test Campaign 4 – Effluent Treatment Selenium Removal Options Study Feed

 

Campaign 4’s main objective was to generate a high volume of treated effluent solution for a broader study of selenium removal bolt-on options. The scope of work included:

 

·Stage 1 (Fe/Ra) precipitation large batch test
   
·Stage 2 (YC) precipitation large batch test

 

Project No.: 251208Mineral Processing and Metallurgical Testing
August 2023Page 13-40

 

 

Wheeler River Project
Athaba sca Basin, Saskatchewan
NI 43-101 Technical Report

 

·YC drying test
   
·ET stage 1 large batch test
   
·ET stage 2 large batch test, with zero ferrous sulphate addition
   
·Sample preparation for IX and ZVI selenium removal options tests, with ET stage 2 treated effluent.

 

A 150 L stage 1 (Fe/Ra) precipitation feed sample was prepared. Slight modifications to the stage 1 (Fe/Ra) and stage 2 (YC) precipitation steps were made incorporating lessons learned from previous campaigns. A dried YC sample was assayed.

 

Effluent Treatment

 

The supernatant from stage 2 (YC) precipitation was the feed to the effluent treatment tests. ET stage 1 test conditions were nearly identical to Campaigns 1 and 3. ET stage 2 test conditions were also nearly identical to Campaigns 1 and 3, with zero ferrous sulphate addition. As the final step of preparing bolt-on selenium removal options testing feed, sulphuric acid was added to pH 7.

 

Conclusions from Process Plant Campaigns

 

Stage 1 (Fe/Ra) Precipitation

 

·Efficiency of impurities removal and uranium loss to residue is sensitive to pH. Variation of pH was tested in Campaign 1, using NaOH as alkali. Optimum terminal value from Campaign 1 was selected for all subsequent runs.

 

·Efficiency of impurities removal and uranium loss to residue is sensitive to ORP. Variation of ORP was slightly adjusted downward in Campaigns 3 and 4 to avoid overshooting which was shown could cause higher uranium loss.

 

·Precipitates are very fine resulting in slow settling rate, low thickener underflow % solids and high belt filter cake moisture. Precipitate solid/liquid separation characteristics are sensitive to temperature, better at ambient than elevated temperature.

 

Stage 2 (YC) Precipitation

 

·Tested terminal pH of 3.0 to 3.4 with magnesia is established industry practice for uranyl peroxide precipitation.

 

·Efficiency of YC precipitation is sensitive to hydrogen peroxide dose. Risk of underdose could occur well above stoichiometric addition rate.

 

Project No.: 251208Mineral Processing and Metallurgical Testing
August 2023Page 13-41

 

 

Wheeler River Project
Athabasca Basin, Saskatchewan
NI 43-101 Technical Report

 

·A combination of optimizations by increasing temperature, adjusting reagent scheme and solids aging greatly improved results, making the use of a belt filter a feasible equipment selection option.

 

·Efficacy of hydrogen peroxide decreases with increasing temperature. Optimum dosage was increased to align with optimum temperature for solid/liquid separation.

 

Yellowcake Product Quality

 

·YC product is high quality with consistently higher uranium and lower impurity levels than reject limits of the ASTM C967-13 standard.

 

·Fluorine was slightly above the penalty limit in Campaigns 1 and 2. Fluorine was at the reject limit threshold in Campaigns 3 and 4 but may have been attributable to the sample washing procedure if tap water was substituted for deionized water.

 

·YC product was consistently above the penalty limits for calcium, magnesium, silicon and vanadium.

 

·YC product was above the penalty limits for boron when NaOH was used in the stage 1 (FeRa) precipitation circuit, and below when lime was used.

 

·YC product was consistently at or slightly above the penalty limit for titanium.

 

Effluent Treatment Stage 1

 

ET stage 1 is effective at removing nearly all remaining radionuclides, as well as arsenic, molybdenum and uranium. It also removes some selenium.

 

Effluent Treatment Stage 2

 

·The effect of alkali selection in the stage 1 (Fe/Ra) precipitation circuit on final effluent can be gauged in ET stage 2. Sulphate levels using NaOH in stage 1 (Fe/Ra) precipitation was around 9,000 mg/L and with lime around 2,500 mg/L.

 

·ET stage 2 is effective at removing nearly all remaining contaminants.

 

·With a very high ferrous sulphate addition, selenium removal in ET stage 2 achieves target effluent concentration. However, the rate of gypsum solids formed from large reagent additions creates additional disposal requirements.

 

·ET stage 2 discharge samples without the addition of ferrous sulphate were produced as feed to ET stage 3 (bolt-on) selenium removal options testing, described in Section 13.1.9.3.

 

Project No.: 251208Mineral Processing and Metallurgical Testing
August 2023Page 13-42

 

 

Wheeler River Project
Athabasca Basin, Saskatchewan
NI 43-101 Technical Report

 

Process Precipitate Solids Handling

 

In support of the plan to ship PPS offsite to reprocess for uranium recovery, Denison has attained a signed memorandum of understanding with a licenced regional receiving facility. Preliminary testing of stage 1 (Fe/Ra) precipitation filter cake reprocessing was performed to support the FS, showing uranium can be releached.

 

Gypsum Waste Solids Handling

 

The rate of gypsum waste solids generation from ET stage 2 was established from the test campaigns. A small mass of additional solids from the ET stage 3 (selenium removal) circuit is anticipated to be suitable to blend with the ET stage 2 slurry. The combined slurry is expected to be suitable for pumping to a settling pond for disposal.

 

13.1.9.3Effluent Selenium Removal Options Test Programs

 

The baseline flowsheet with high ferrous sulphate dosing in ET stage 2 would require a large footprint for the gypsum waste disposal ponds, increasing their capital cost.

 

Three potential options were considered for selenium removal following ET stage 2 including ZVI columns, IX/ER, and bioreactor treatment. The ZVI and IX/ER options were studied further and bioreactor treatment was held for future consideration. Key decision criteria focused on selenium removal efficacy, economics and the quantity of waste generated compared with the baseline plant design.

 

Denison enlisted a third-party water treatment vendor to perform laboratory testwork and conduct engineering assessments of its proprietary technology. In parallel, Wood directed SRC to run packed bed column tests to investigate the ZVI option.

 

A common ET stage 3 feed water was prepared in SRC Campaign 4, assaying about 0.2 mg/L Se. A 50L subsample was shipped to the vendor to conduct a site-specific laboratory treatability assessment. The remainder was retained at SRC for ZVI testwork.

 

Zero-valent Iron Option Tests

 

ZVI was investigated at SRC with a series of short duration tests, followed by a long-term test (Pascual, 2022). Five short duration tests of ZVI in a static column explored variables of feed pH and ZVI powder characteristics. It was concluded that the effectiveness of ZVI is pH sensitive and operates best in the pH 5 to 7 range.

 

Project No.: 251208Mineral Processing and Metallurgical Testing
August 2023Page 13-43

 

 

Wheeler River Project
Athabasca Basin, Saskatchewan
NI 43-101 Technical Report

 

A commercially available ZVI sample and feed pH 5.5 was used to establish the basis of options comparison. Selenium was below the target throughout the test at around 0.004 mg/L. At the end of its five-week duration, selenium breakthrough still had not occurred, although the ZVI in the column was likely close to depletion.

 

IX/ER Option tests

 

The IX/ER circuit tested by a third party is composed of two main circuits: 1) IX that produces regenerant and 2) ER of the ion exchange regenerant to concentrate selenium into stable solids. Further ancillary equipment is required. In exchange for its highly efficient collection of selenium into minimal solids mass, the proposed system requires greater equipment complexity and operator attention than other options.

 

Testwork conducted has shown that an average final effluent quality of 0.032 mg/L Se was projected with a low rate of stable solids waste generation.

 

Selected Option

 

Wood selected the IX/ER technology option for the FS as it provides efficient selenium removal, acceptable gypsum waste solids pond sizing, and best economic outcome. The gypsum waste pond sizing in the FS is based on assuming the IX/ER option is selected. Evaluation of further technology options such as bioreactors could be performed in future phases.

 

13.2Gryphon

 

13.2.1Summary

 

This section summarizes the metallurgical testwork that was completed on the Gryphon deposit, including the laboratory testing methods, results, and analysis. The metallurgical testwork program considered the 2017 operating conditions used at the McClean Lake mill, with the goal of utilizing similar operating conditions where possible.

 

In 2017, Denison undertook a metallurgical testwork program at the SRC Geoanalytical. SRC is recognized as Accredited Testing Laboratories by the Standards Council of Canada under ISO 17025:2005 and is certified under ISO 9001:2008 for Quality Management Systems. The program was directly managed by Denison. Denison also completed a parallel test program at the Orano Service d’Études de Procédés et Analyses (SEPA) laboratories at Bessines-sur-Gartempe, France. SEPA is ISO 17025 certified. The objectives of the testwork programs were to further develop the optimum processing conditions and collect additional data to support engineering design.

 

Project No.: 251208Mineral Processing and Metallurgical Testing
August 2023Page 13-44

 

 

Wheeler River Project
Athabasca Basin, Saskatchewan
NI 43-101 Technical Report

 

The QP reviewed testwork completed to date in support of Gryphon processing. The QP did not directly manage or supervise sample selection and collection, or the metallurgical testwork program. The program and sample selection were directly managed by Denison without any independent third-party review.

 

13.2.2Sample Selection

 

Denison completed a statistical analysis of the Gryphon deposit based on available information prior to 2017. Based on this data, Denison established an initial variability assessment of key elemental grade ranges within the deposit, as presented in Table 13-4. Sample selection and compositing was completed by Denison without any independent third-party verification and summarized in a project report entitled “Gryphon Deposit Metallurgical Sample Selection”, dated July 2017.

 

Mineralized Gryphon material is expected to be very low in arsenic and low in molybdenum, which are common impurity elements in uranium processing. Additionally, the main gangue associated with the mineralization is clay, which is important to assess as part of the metallurgical test program as it can influence acid consumption and uranium recovery as well as settling rheological performance.

 

Table 13-4: Gryphon Deposit Grade Variability

 

Mineral Unit Min Avg Max 90% Conf. Level
U3O8 % 0.200 2.37 42.5 2.9
Arsenic % Trace 0.002 0.2 0.003
Molybdenum % Trace 0.052 2 0.135
Al2O3 % 2.32 23.92 40 34.2
Fe2O3 % 0.09 1.09 19.3 2.11
MgO % 0.14 4.82 16.7 7.7
CaO % 0.03 0.36 11.5 0.38
Cadmium % Trace Trace 0.001 Trace
Selenium % Trace 0.001 0.073 0.003

 

(Source: Denison, 2017)

 

Based on the target sample grades, Denison selected samples for each of the Gryphon composites from assay reject pulp samples that were previously crushed to -6 mesh. The samples were sent to SRC with Denison providing guidance on the procedure for the compositing, blending, and assaying. Three Gryphon composites (low-grade, medium-grade, and high-grade) were prepared as summarized in Table 13-5. Quantitative evaluation of minerals by scanning electron (QEMSCAN) mineralogy analysis was completed on each of the composites as summarized in Table 13-6.

 

Project No.: 251208Mineral Processing and Metallurgical Testing
August 2023Page 13-45

 

 

Wheeler River Project
Athabasca Basin, Saskatchewan
NI 43-101 Technical Report

 

Table 13-5: SRC – Gryphon Composite Sample Assay Results
 
Mineral Unit Gryphon
Low-Grade
Gryphon
Medium-Grade
Gryphon
High-Grade
U3O8 % 1.58 3.14 6.43
Al2O3 23.30 23.50 24.30
Fe2O3 1.11 1.25 1.16
CaO 0.43 0.32 0.69
MgO 3.39 3.50 3.60
K2O 3.00 2.64 3.02
TiO2 0.82 0.68 0.77
Mo ppm 778 1,010 1,115
As 29 39 57
Ni 81 94 112
Pb 1,280 2,730 5,495
Co 41 43 51
Cu 414 312 455
V 1,060 1,080 1,125
Zn 12 5 16

 

(Source: SRC, 2017a)

 

Table 13-6: SRC – Gryphon Composite Mineralogy

 

Mineral Ideal Formula Gryphon
Low-Grade (%)
Gryphon
Medium-Grade (%)
Gryphon
High-Grade (%)
Pyrite FeS2 0.31 0.67 0.33
Pyrrhotite Fe1-xS (x = 0 to 0.17) 0.00 0.00 0.00
Galena PbS 0.25 0.41 0.51
Sphalerite (Zn,Fe)S 0.00 0.00 0.00
Chalcopyrite CuFeS2 0.16 0.14 0.12
Quartz SiO2 20.03 20.59 16.16
Feldspar KAlSi3O8 0.35 0.41 0.65
Muscovite/Illite KAl2(Si3Al)O10(OH; F)2 44.01 35.59 37.55
Chlorite (Fe,Mg)2(Al; Fe3+)3Si3AlO10(OH)8 16.73 20.57 20.40
Titanite CaTiSiO5 0.00 0.00 0.00
Zircon ZrSiO4 0.06 0.05 0.07
'Kaolinite' (clay) Al2Si2O5(OH)4 12.85 15.91 14.16
Calcite CaCO3 0.17 0.07 0.38
Apatite Ca5(PO4)3(F,Cl,OH) 0.01 0.01 0.04
Rutile/Anatase TiO2 2.06 1.54 1.51
Fe-oxy-hydroxides FeO(OH)·nH2O 0.65 0.92 0.96
Corundum Cr2O3 0.00 0.02 0.10
APS Minerals CaAl3(PO4)(PO3OH)(OH)6 0.10 0.13 0.13
Uraninite UO2 2.25 2.97 6.94
Gersdorffite NiAsS 0.00 0.00 0.00
Nickeline NiAs 0.00 0.00 0.00

 

(Source: SRC, 2017b)

 

Note: totals may not equal to 100% due to rounding.

 

Project No.: 251208Mineral Processing and Metallurgical Testing
August 2023Page 13-46

 

 

Wheeler River Project
Athabasca Basin, Saskatchewan
NI 43-101 Technical Report

 

The samples tested are considered to be reasonably representative of the various types and styles of mineralization of the Gryphon deposit, based on the deposit variability data provided by Denison and testwork composite analysis by SRC. Additional variability testing on the extremes of the deposit (impurity elements) and by lithological groups is recommended to be completed during the FS.

 

13.2.3Metallurgical Testing

 

In 2014, five initial scoping tests were completed by SRC on Gryphon samples. This testwork was reviewed as part of the PFS; however, the 2017 to 2018 metallurgical testwork program was utilized as the basis of the PFS design.

 

Between 2017 and 2018, Denison completed a number of metallurgical tests on the Gryphon deposit (Table 13-7). The low-grade Gryphon composite was considered the primary composite metallurgical testwork program as it most closely aligns with the expected LOM average operating feed composition. All composite test results were considered as part of the metallurgical review, with the variability noted providing guidance on design maximum reagent requirements that could occur during the life of the Gryphon Project.

 

Table 13-7: Gryphon Metallurgical Testwork Summary

 

Test Type Program Tests Key Variables
Comminution SRC 2017 1 Bond Work Index
Leaching SRC 2014 5 Initial scoping tests - oxidant, free acid, grind size, residence time
SRC 2017 36 Composite variability tests - grind size, free acid, residence time on three composites
SEPA 2017 6 Confirmatory leach testing and hydrogen evaluation.  Two leach tests per composite with a focus on hydrogen evolution
Settling SRC 2017 36 Settling rate on each leach product slurry
Filtration SRC 2018 1 Single scoping test to evaluate filtration (in lieu of CCD) using a simulated co-mingled slurry
SX SRC 2017 3 Continuous SX test on sample of solution from each composite
SEPA 2017 5 Continuous SX test on sample of solution from five leaching tests
Neutralization SRC 2017 3 Simulated neutralization test for each composite using leach discharge solids and raffinate form SX tests

 

Note: CCD = counter current decantation; SX = solvent extraction

 

Project No.: 251208Mineral Processing and Metallurgical Testing
August 2023Page 13-47

 

 

Wheeler River Project
Athabasca Basin, Saskatchewan
NI 43-101 Technical Report

 

13.2.3.1Grinding

 

A single grinding test was completed at SRC on Gryphon material. During the test program, an additional sample (beyond those identified in the sample selection section) was selected by Denison and sent to SRC specifically to support the grinding testwork. This was done as a coarser sample was needed for the semi-autogenous grinding (SAG) testwork.

 

A SAG design (WSTD) work index of 4.41 kWh/t and a standard Bond ball mill work index of 14.82 kWh/t were noted. The single Gryphon sample tested can be described as soft from a SAG design standpoint, and moderate from a ball mill standpoint. This test is considered as indicative; however, additional testwork will be required to further establish the representativeness of the overall deposit material hardness using an appropriate number of samples for testing.

 

13.2.3.2Leaching

 

The original Gryphon leaching tests completed in 2014 arrived at optimal leaching conditions with a grind size of 300 µm, 12 hours residence time, a target final free acid of 25 g/L, hydrogen peroxide added as an oxidant, and 1 g/L of ferric sulphate added to promote oxidation. These conditions resulted in a leaching recovery of 99.2% at 12 hours.

 

A leaching variability test program was completed at SRC in 2017, further investigating the key parameters of grind size P100 of (212 µm, 300 µm, and 425 µm), acid addition (varying residual free acid), and residence time (sub samples ranging from 0 to 12 hours). Testing was completed on all three Gryphon composites to assess metallurgical variability throughout the deposit.

 

All leaching tests utilized common operating conditions of 50% solids, atmospheric pressure, 50°C, and the use of 30% w/w hydrogen peroxide as the oxidant to maintain >450 mV ORP. In general, all Gryphon composites responded quickly to acid leaching, with over 85% recovery seen in under four hours in all high and medium grade tests (Figure 13-23). Finer grind sizes generally allowed for higher recovery at shorter leaching residence times.

 

Given the intent to utilize the existing McClean Lake mill, focus was placed on operating conditions that result in high recovery at an eight-hour residence time and preferably with lower terminal acid additions to optimize operating costs. The low-grade Gryphon composite achieved a recovery of 99.0% with eight-hours residence time, fine grind (P100 of 212 µm), and low terminal free acid.

 

In 2017, the SEPA laboratory completed additional leaching tests on Gryphon materials. SEPA was sent an independent set of core samples from site, which were composited, blended, and assayed. The intent of these tests was to further validate the SRC results and provide guidance on hydrogen evolution. Some ores in the Athabasca Basin have been known to release hydrogen during acid leaching, which presents a safety risk during processing. The McClean Lake mill secondary leach circuit was retrofitted, prior to processing Cigar Lake ores, with a number of novel safety layers of protection installed to mitigate the risk of hydrogen evolution during leaching. The initial leaching tests were not successful as ferric sulphate was not utilized to assist with oxidation. A single Gryphon low-grade test was repeated with ferric addition, and similar results to SRC were noted.

 

Project No.: 251208Mineral Processing and Metallurgical Testing
August 2023Page 13-48

 

 

Wheeler River Project
Athabasca Basin, Saskatchewan
NI 43-101 Technical Report

 

Figure 13-23: SRC – 2017 Gryphon Leaching Results – Uranium Recovery vs Time

 

 

(Source: Hatch, 2018)

 

Hydrogen evolution testing demonstrated that Gryphon material releases a small amount of hydrogen during acid leaching, with the high-grade material having the highest evolution rate (Figure 13-24). While the hydrogen evolution rate for Gryphon is quite low, it is recommended that the leaching circuit utilized for Gryphon (for all grades and lithologies) employ hydrogen evolution design considerations.

 

Project No.: 251208Mineral Processing and Metallurgical Testing
August 2023Page 13-49

 

 

Wheeler River Project
Athabasca Basin, Saskatchewan
NI 43-101 Technical Report

 

Figure 13-24: SEPA – Leaching Testwork – Gryphon Low-Grade Hydrogen Evolution

 

 

(Source: SEPA, 2018)

 

13.2.3.3Settling and Filtration

 

As part of the variability testwork at SRC, the discharge slurry from each leaching test was subjected to settling testwork. Preliminary flocculant screening was also completed. Low-grade Gryphon composites achieved terminal densities of between 40 and 44% solids.

 

Due to the expected high tonnage of Gryphon processing, a single pressure filtration test was completed to validate filtration as an alternative to the expansion of the CCD circuit. The test was completed on the slurry generated from a simulated co-mingled composite (the majority of the material was Gryphon, with Phoenix material used to simulate Cigar Lake ore).

 

Testwork indicated that a filtration rate of 24 kg/m2/h is achievable on the simulated co-mingled sample, and that washing of the filter cake is promising for aqueous uranium recovery with the same uranium loss as CCD being achieved with minimal washing.

 

As only a single scoping filtration test was completed, additional filtration testwork will be required in the next phase of work to validate the results.

 

Project No.: 251208Mineral Processing and Metallurgical Testing
August 2023Page 13-50

 

 

Wheeler River Project
Athabasca Basin, Saskatchewan
NI 43-101 Technical Report

 

13.2.3.4Solvent Extraction

 

Continuous bench solvent extraction (SX) tests were completed on each composite to determine their performance though the SX process. The laboratory setup consisted of four-stage extraction, four-stage stripping, and two-stage wash. Arsenic scrubbing was not tested due to the low amount of arsenic in the Gryphon composites. An organic solution of 6% Armeen 380, 3% Isodecanol, and 91% Diluent (CALUMET 400-500) was utilized. An organic to aqueous (O:A) ratio of 1:1 was utilized. The strip solution was 150 g/L ammonium sulphate solution, and the wash step utilized 10 g/L sulphuric acid.

 

Each test was run for a minimum of 10 hours. Results indicated a high transfer of uranium through SX (>99.99%) and high rejection rate of all other impurities except for molybdenum, which typically is expected to transfer through uranium SX. No issues with the application of SX to Gryphon solution streams were observed.

 

13.2.3.5Precipitation

 

The pregnant strip solution from the SX tests were further subjected to YC precipitation tests. The pregnant strip solution was adjusted to a pH of 7.0 to 7.5 with ammonium hydroxide. The YC was then filtered, washed with deionized water, and calcined for two hours. Results are presented in Table 13-8.

 

A molybdenum removal unit operation was not tested on the Gryphon pregnant strip solution. As a result, a higher than expected amount of molybdenum reported to the calcined YC. Molybdenum removal circuits are common in the uranium industry, and a circuit currently exists at the McClean Lake mill. Molybdenum’s presence in the calcined YC product is not considered to be a material risk. Other than for molybdenum, the calcined YC produced from the Gryphon testwork was high purity, with no other elements over the penalty limits specified under ASTM C967-13.

 

Project No.: 251208Mineral Processing and Metallurgical Testing
August 2023Page 13-51

 

 

Wheeler River Project
Athabasca Basin, Saskatchewan
NI 43-101 Technical Report

 

Table 13-8: Gryphon Calcined Yellowcake Assay vs. Commercial Limits

 

  ASTM C967-13
(Mass%, Uranium Basis)
  Gryphon Composite
(Mass%, Uranium Basis)
Component Limit without
Penalty
(%)
Limit without
Rejection
(%)
  Gryphon
Low Grade
(%)
Gryphon
Medium Grade
(%)
Gryphon
High Grade
(%)
Uranium (U) N/A 65 min.   87.0 86.6 79.6
Calcium (Ca) 0.05 1   <0.01 <0.01 <0.01
Chromium (Cr) N/A N/A   0.01 0.02 0.02
Iron (Fe) 0.15 1   <0.008 <0.008 <0.009
Lead (Pb) N/A N/A   0.002 0.001 0.000
Magnesium (Mg) 0.02 0.50   <0.007 <0.007 <0.008
Molybdenum (Mo) 0.10 0.30   0.56 0.64 0.20
Phosphorus (PO4) 0.10 0.70   <0.02 <0.02 <0.02
Potassium (K) 0.20 3   0.02 0.03 0.02
Silver (Ag) N/A N/A   0.007 0.01 0.007
Sodium (Na) 1 7.50   <0.009 <0.009 <0.009
Thorium (Th) 0.10 2.50   <0.0002 <0.0002 <0.0003
Titanium (Ti) 0.01 0.05   <0.007 <0.007 <0.008
Vanadium (V) 0.06 0.30   0.001 0.001 0.001
Zirconium (Zr) 0.01 0.10   0.02 0.01 0.002

 

(Source: SRC, 2017c)

 

13.2.3.6Tailings Neutralization

 

A neutralization test was completed at SRC for each Gryphon composite. The neutralization tests were designed to simulate the neutralization circuit used at the McClean Lake mill. The test included:

 

·Acidification of the slurry to pH 1.5

 

·Addition of ferric sulphate for arsenic and molybdenum precipitation

 

·Lime addition to pH 4

 

·Addition of BaCl2 and lime to pH 7.8

 

·Solid/liquid separation of the neutralized product.

 

The results achieved are presented in Table 13-9. During testwork, insufficient barium chloride was added for radium removal. As a result, the Ra226 levels exceed the regulatory limits in the test; however, this is not considered to be a material risk as the regulatory limit should be achievable with the correct reagent addition dosage.

 

Project No.: 251208Mineral Processing and Metallurgical Testing
August 2023Page 13-52

 

 

Wheeler River Project
Athabasca Basin, Saskatchewan
NI 43-101 Technical Report

 

Table 13-9: SRC – Results of Neutralized Gryphon Filtrate Samples with CNSC and SK Limits

 

Element (mg/L) CNSC1 SK2 Gryphon Low Gryphon Medium Gryphon High
Ag - - <0.00005 <0.00005 <0.00005
Al - - 0.15 0.23 0.45
As (µg/L) 500 500 17 27 17
B - - 7.2 4.8 5
Ba - - 0.038 0.038 0.039
Be - - <0.0001 <0.0001 <0.0001
Ca - - 555 551 546
Cd - - 0.00017 0.00022 0.00025
Co - - 0.011 0.012 0.01
Cr - - <0.0005 <0.0005 <0.0005
Cu 0.3 0.3 0.0082 0.0089 0.0032
Fe - - 0.015 0.012 0.014
K - - 50 49 46
Mg - - 137 145 123
Mn - - 0.52 0.64 0.6
Mo - - 0.164 0.211 0.076
Na - - 32 36 86
Ni 0.5 0.5 0.014 0.018 0.016
Pb 0.2 0.2 0.0088 0.011 0.029
Sb - - 0.001 0.001 0.0014
Se - - 0.019 0.024 0.011
Sn - - <0.0001 <0.0001 <0.0001
SO42- - - 1,950 2,010 2,030
Sr - - 2.36 2.12 1.84
Ti - - 0.0012 0.0016 0.0017
Tl - - 0.0037 0.005 0.0052
U (µg/L) - - 15 20 22
V - 0.5 0.0029 0.0018 0.0017
Zn 0.5 0.5 0.0008 0.0012 0.001
TSS 25 25 - - -
Ra228 (Bq/L) - - <1 <0.9 <1
Ra226 (Bq/L) 0.37 0.37 14 12 19
Th230 (Bq/L) - 3.7 - - -
Pb210 (Bq/L) - 1.85 - - -
Min pH 6 - 6.11 6.42 7.5

 

Source: (SRC, 2017c)

 

Note:(1) CNSC Effluent Discharge Limits for Cluff Lake, Key Lake and Rabbit Lake - Maximum Monthly Substance Unit Arithmetic Mean Concentration

 

 (2)Saskatchewan Waste Water Quality Limits for Key Lake - Maximum Monthly Substance Unit Arithmetic Mean Concentration

 

Project No.: 251208Mineral Processing and Metallurgical Testing
August 2023Page 13-53

 

 

Wheeler River Project
Athabasca Basin, Saskatchewan
NI 43-101 Technical Report

 

14.0Mineral Resource Estimates

 

14.1Phoenix

 

14.1.1Introduction

 

The mineral resource statement presented herein represents a new mineral resource estimate prepared in accordance with the CIM Estimation of Mineral Resource and Mineral Reserve Best Practices Guidelines (CIM, 2019) and reported in accordance with CIM Definition Standards (CIM, 2014). The deposit comprises Zones A and B as depicted in Figure 14-1. The previous mineral resource estimate was prepared by RPA and reported with an effective date of January 30, 2018.

 

The mineral resource model prepared by Mr. Revering, P.Eng. considers a total of 147 boreholes which intersect the interpreted mineralized domains. A total of 125 boreholes intersect the Zone A mineralized domain, and 22 intersect Zone B. Data used for U3O8 grade estimation incorporates both geochemical assays and down-hole radiometric probe data converted into eU3O8 grades. Down-hole radiometric data is used for mineralized intervals where no assay samples have been collected due to poor core recovery or when the reliability of the geochemical assay sample has been compromised due to poor core recovery. The final data set used for mineral resource estimation for Zone A consists of 616 assays (555 assays within the unconformity mineralized zone and 61 within basement-hosted structures) and 529.8 m of down-hole radiometric probe data (526.3 m within the unconformity mineralized zone). The final data set for Zone B consists of 98 assays and 50.4 m of down-hole radiometric probe data.

 

This section describes the mineral resource estimation methodology and summarizes the key assumptions considered. In the opinion of Mr. Revering, the mineral resource estimate reported herein is a reasonable representation of the uranium mineral resources found in the Phoenix deposit at the current level of drilling and sampling.

 

Mr. Revering reviewed the database used to develop the geological model and mineral resource estimates and is of the opinion that the current drilling information is sufficiently reliable to interpret the geology and mineralization controls of the deposit and that the assay and down-hole radiometric probe data are sufficiently reliable to support the estimation of mineral resources.

 

Seequent’s Leapfrog GeoTM software was used to construct the geological model for the deposit, and Seequent’s Leapfrog EdgeTM software was used for mineral resource estimation.

 

Project No.: 251208Mineral Resource Estimates
August 2023Page 14-1

 

 

Wheeler River Project
Athabasca Basin, Saskatchewan
NI 43-101 Technical Report

 

Figure 14-1: Phoenix Deposit Mineralized Domains

 

 

(Source: SRK, 2022)

 

Note: Unconformity mineralized domains depicted in yellow, basement-hosted mineralization depicted in blue, drill hole traces in light grey

 

Project No.: 251208Mineral Resource Estimates
August 2023Page 14-2

 

 

Wheeler River Project
Athabasca Basin, Saskatchewan
NI 43-101 Technical Report

 

14.1.2Mineral Resource Estimation Database

 

The drill hole database for the Phoenix deposit contains a total of 315 drill holes totalling 145,982 m of drilling (Table 14-1) completed by Denison since 2008. The database contains 2,578 uranium (U3O8) assays that have been amassed from drill holes to the end of October 2022, of which 1,000 have been used for mineral resource estimation. In addition to uranium assay data, down-hole radiometric probe data is collected on all holes unless drilling complications preclude down-hole logging from being completed. Down-hole radiometric data is converted into eU3O8 values and used for estimation purposes where no assay data has been collected or has been compromised due to poor core recovery. A total of 880.7 m of eU3O8 data has been considered for use in the 2022 update.

 

Table 14-1:Drill Hole Database Summary

 

Year No. of
Holes
Drilled
Total
Metres
Drilled (m)
Total No. of
Assay Samples
Collected
No. of
Assay Samples
Considered for MRE
Total Assay Sample
Length (m)
Considered for MRE
Total eU3O8
Length (m)
Considered for MRE
2008 6 2,704 86 9 2.1 -
2009 39 18,805 543 180 89.9 64.5
2010 56 26,937 543 208 104.0 80.5
2011 66 32,553 573 220 109.5 90.4
2012 49 23,712 249 81 40.2 44.6
2013 22 11,064 266 152 76.0 58.8
2014 13 6,121 204 123 61.5 19.1
2015 2 1,557 - - - -
2016 3 1,748 15 - - -
2017 5 524 - - - 92.5
2019 7 2,518 - - - 141.2
2020 22 7,571 64 8 4.0 -
2021 15 5,990 35 - - 110.9
2022 10 4,177 33 19 9.5 178.2
Total 315 145,982 2,611 1,000 496.7 880.7

 

Note: MRE = mineral resource estimation

 

14.1.3Geological Model

 

The geological model used for the 2022 estimate was updated in September 2022 by Denison with assistance from SRK. The updated geological model incorporates additional drill hole information and database QAQC conducted since the previous estimate was completed in 2018. Three-dimensional modelling of the mineral resource domains was conducted using Leapfrog GeoTM software and largely used a 0.10% U3O8 grade cut-off to define the low-grade (LG) and basement (Bsmt) mineralized domains within Zone A and Zone B as shown in Figure 14-2. High-grade (HG) mineralized domains, constrained within the low-grade domains and generally located at the unconformity surface between the overlying sandstone and underlying basement rocks, were defined using a 14.0% U3O8 grade threshold for Zone A and 4.0% U3O8 threshold for Zone B. All mineralized domain boundaries were treated as hard boundaries for estimation purposes.

 

Project No.: 251208Mineral Resource Estimates
August 2023Page 14-3

 

 

Wheeler River Project
Athabasca Basin, Saskatchewan
NI 43-101 Technical Report

 

Figure 14-2: Phoenix Deposit Geological Model

 

 

(Source: SRK, 2022)

 

Project No.: 251208Mineral Resource Estimates
August 2023Page 14-4

 

 

Wheeler River Project
Athabasca Basin, Saskatchewan
NI 43-101 Technical Report

 

A summary of the mineralized domain volumes is provided in Table 14-2.

 

Table 14-2: Mineralized Domain Volume Summary

 

Mineral Domain Domain Volume
(m3)
Zone A_HG 15,514
Zone A_LG 74,488
Zone B_HG 4,341
Zone B_LG 17,122
Zone A_Bsmt_2b 2,421

 

14.1.4Radiometric-Grade Correlation

 

A deposit/probe specific radiometric-grade (Ra-Grade) correlation has been established to facilitate the reliable conversion of down-hole radiometric probe data to equivalent uranium values. Prior to developing an Ra-Grade correlation raw probe data must be adjusted to account for gamma signature attenuation associated with the logging environment, such as the size of the borehole, fluid presence within the borehole, casing/steel parameters and probe correction factors. Denison has consistently used a Mount Sopris triple gamma probe for all down-hole radiometric logging at the Phoenix deposit with a probe k factor of 600e05, probe dead time of 200 µs, and probe diameter of 38 mm.

 

The Ra-Grade correlation was conducted by comparing geochemical sample assays to their corresponding probe data. Only intervals with high core recovery were selected for the correlation process to ensure a representative comparison between the data sets. Figure 14-3 and Figure 14-4 provide examples of borehole profiles comparing core recovery, assay results and raw gamma profiles, and high-light zones included/excluded within the correlation study. In total, 50 mineralized intervals (grade x thickness or GT intervals) were selected to incorporate into the correlation study as specified in Table 14-3. GT is expressed in units of % x m.

 

Project No.: 251208Mineral Resource Estimates
August 2023Page 14-5

 

 

Wheeler River Project
Athabasca Basin, Saskatchewan
NI 43-101 Technical Report

 

Figure 14-3: WR-273 - Comparison of Core Recovery, Assay Results and Raw Gamma Profiles

 

 

(Source: SRK, 2022)

 

Note: Interval selected for use in correlation study highlighted where core recovery is 100%.

 

Figure 14-4: WR-287 - Comparison of Core Recovery, Assay Results and Raw Gamma Profiles

 

 

(Source: SRK, 2022)

 

Note: No interval selected for use in correlation study due to generally poor core recovery within mineralized horizon and therefore compromised assay results.

 

Project No.: 251208Mineral Resource Estimates
August 2023Page 14-6

 

 

Wheeler River Project
Athabasca Basin, Saskatchewan
NI 43-101 Technical Report

 

Table 14-3: Grade-Thickness Intervals Selected for Radiometric-Grade Correlation

 

Hole-ID From
(m)
To
(m)
GT
(% x m)
  Hole-ID From
(m)
To
(m)
GT
(% x m)
WR-258 397.0 401.0 64.76   WR-353 385.0 386.5 1.66
WR-259 397.0 401.0 79.55   WR-368 369.0 370.5 3.16
WR-261 407.5 410.5 11.23   WR-392 407.0 408.0 2.19
WR-261 411.5 414.5 1.27   WR-395 400.0 403.5 3.67
WR-267 405.5 408.0 66.77   WR-401 407.8 411.8 278.20
WR-270 376.0 377.0 0.96   WR-408 393.0 395.0 6.13
WR-272 411.0 413.0 15.79   WR-408 408.5 410.0 5.57
WR-273 405.0 410.5 374.85   WR-409 408.0 413.0 73.95
WR-274 411.7 415.5 31.98   WR-413 403.5 406.0 4.18
WR-274 416.5 420.0 4.36   WR-415 399.5 402.5 2.57
WR-281 406.0 407.5 4.12   WR-417 395.0 399.5 4.55
WR-292 401.0 403.5 35.84   WR-417 401.0 403.5 6.12
WR-293 418.0 419.0 0.74   WR-421 393.0 395.0 56.00
WR-300 408.0 410.0 100.90   WR-435 411.0 415.0 160.07
WR-302 407.0 411.0 74.35   WR-496 409.5 413.5 158.66
WR-327 401.5 406.0 13.10   WR-498 404.6 408.1 90.85
WR-335 402.0 404.5 12.28   WR-525 408.0 411.0 207.30
WR-335 406.0 407.5 1.15   WR-534 406.5 409.5 36.93
WR-343 409.5 411.5 34.78   WR-535 404.0 406.0 62.05
WR-344 401.5 404.0 5.73   WR-538 404.0 407.0 3.51
WR-345 402.0 405.5 80.84   WR-545 402.2 405.2 78.85
WR-345 409.5 411.0 3.77   WR-546 404.9 407.4 8.66
WR-348 389.0 391.5 12.47   WR-548 406.8 410.8 225.75
WR-348 392.5 396.0 21.45   WR-550 406.2 408.7 113.30
WR-351 387.5 389.0 15.30   WR-341A 401.0 402.0 0.35

 

The Ra-Grade correlation established for the Triple Gamma probe used at the Phoenix deposit is provided in Figure 14-5. For GT values ≥1.5, the calculated GT values are closely aligned with the actual GT values and plot in close proximity to the X=Y line of best fit. For GT values ≤1.5 the increased variability in calculated values may be attributable to a number of factors, (e.g., off-hole gamma responses, mineralized interval shoulder response) that warrant further investigation; however, given the high-grade nature of the Phoenix deposit the potential discrepancy associated with calculating low-grade equivalent uranium values based on down-hole radiometric data will have minimal impact on subsequent mineral resource estimation.

 

Project No.: 251208Mineral Resource Estimates
August 2023Page 14-7

 

 

Wheeler River Project
Athabasca Basin, Saskatchewan
NI 43-101 Technical Report

 

Figure 14-5: Radiometric-Grade Correlation for the Phoenix Deposit

 

 

(Source: SRK, 2022)

 

14.1.5Density-Grade Correlation

 

A total of 196 dry bulk density samples have been collected from drill core from the Phoenix deposit and used to develop a density-grade correlation for the deposit. Dry bulk density samples were selected from the mineralized domains within Zone A (162 samples) and Zone B (34 samples) to represent lithological units, alteration types and uranium grade variability. Samples were collected from half-split core and sent to the SRC Geoanalytical for analysis. Samples were predominately analyzed using the water submersion/displacement method after being coated in wax (119 samples out of 196 total); however, 77 samples could not be coated in wax due to the friable nature of the rock mass (i.e., due to alteration) and therefore were analyzed using the wet/dry method.

 

Figure 14-6 provides a comparison of the dry bulk density measurements for 23 samples where both the wax (SG Wax) and wet/dry (SG Core) methods were compared, resulting in a very good correlation between the analytical techniques. This substantiates combining the 196 samples into a single dataset for correlation with uranium grade.

 

Project No.: 251208Mineral Resource Estimates
August 2023Page 14-8

 

 

Wheeler River Project
Athabasca Basin, Saskatchewan
NI 43-101 Technical Report

 

Figure 14-6: Dry Bulk Density Comparison between Wax and Wet/Dry Methods

 

 

(Source: SRK, 2022)

 

Figure 14-7 displays the density-grade correlation established for the Phoenix deposit and demonstrates the increase in sample density with increasing uranium grade beyond approximately 10% U3O8 content. Based on the density-grade correlation shown in Figure 14-7, density values are calculated for all uranium sample grades which have no corresponding measured density value. Calculated density values represent approximately 90% of density data used for estimation.

 

Project No.: 251208Mineral Resource Estimates
August 2023Page 14-9

 

 

Wheeler River Project
Athabasca Basin, Saskatchewan
NI 43-101 Technical Report

 

Figure 14-7: Dry Density – Uranium Grade Correlation for the Phoenix Deposit

 

 

(Source: SRK, 2022)

 

14.1.6Compositing

 

Uranium grade data for the Phoenix deposit is composited to 0.5 m lengths within the mineralized domain boundaries, with all residual composites smaller than 0.25 m in length added to the adjacent composite interval. Assay samples are collected using a 0.5 m sample length and eU3O8 data from down-hole radiometric probing is collected at 0.1 m interval lengths.

 

Summary statistics of drill hole uranium grade data by mineralized domain, for both raw sample intervals and composited samples, for the Phoenix deposit are provided in Table 14-4 and Table 14-5, respectively. As shown in Table 14-4, total proportions of uranium grade data based on down-hole radiometric data vary within each mineralized domain but typically comprise >50% of the total grade data set (by borehole mineralized length) for the main mineralized domains.

 

Project No.: 251208Mineral Resource Estimates
August 2023Page 14-10

 

 

Wheeler River Project
Athabasca Basin, Saskatchewan
NI 43-101 Technical Report

 

Table 14-4: Phoenix Deposit Drill Hole Raw Sample Interval Uranium Grade Data (%U3O8) Summary Statistics (length-weighted, by mineralized domain)

 

Mineralized
Domain
No. of
Sample
Intervals
Total
Sampled
Length (m)
Proportion
Probe Data
(by length)
(%)
Mean Std
Dev
CV Min 25th Median 75th Max
ZoneA_HG 1,703 222.0 70 43.71 7.65 0.18 4.41 26.55 43.06 62.25 92.42
ZoneA_LG 4,169 583.8 64 2.34 1.64 0.70 0.00 0.35 0.79 2.45 53.10
ZoneB_HG 141 22.1 55 21.16 7.15 0.34 3.90 7.34 14.67 27.12 66.70
ZoneB_LG 467 79.5 48 1.11 1.10 0.99 0.01 0.15 0.34 0.85 27.90
ZoneA_Bsmt_2b 96 34.0 10 3.71 4.95 1.33 0.01 0.16 0.53 2.00 49.00

 

Table 14-5: Phoenix Deposit Drill Hole Composited (uncapped) Uranium Grade Data (%U3O8) Summary Statistics (by mineralized domain)

 

Mineralized
Domain
No. of
Composites
Mean Std Dev CV Min 25th Median 75th Max
ZoneA_HG 444 43.72 19.98 0.46 4.72 27.20 41.08 59.90 90.14
ZoneA_LG 1,167 2.34 4.22 1.81 0.00 0.34 0.80 2.91 51.23
ZoneB_HG 45 21.21 17.30 0.82 4.03 7.60 16.52 30.30 62.60
ZoneB_LG 157 1.12 2.68 2.40 0.01 0.19 0.38 1.06 27.90
ZoneA_Bsmt_2b 67 3.71 8.34 2.25 0.01 0.14 0.56 2.15 49.00

 

14.1.7Capping

 

Grade capping is a technique used to mitigate the potential effect that a small population of high-grade sample outliers can have during grade estimation. These high-grade samples are not considered to be representative of the general sample population and are therefore capped to a level that is more representative of the general data population. Although subjective, grade capping is a common industry practice when performing grade estimation for deposits that have significant grade variability.

 

Outlier analysis for the Phoenix deposit was conducted on the 0.5 m composited data for all mineralized domains. Grade capping analysis was conducted for each mineralized domain separately. Histograms and normal quantile plots were generated for each data population and used to assess appropriate grade capping thresholds. Composites were capped prior to grade estimation. A summary of grade capping thresholds and capped summary statistics are provided in Table 14-6.

 

Project No.: 251208Mineral Resource Estimates
August 2023Page 14-11

 

 

Wheeler River Project
Athabasca Basin, Saskatchewan
NI 43-101 Technical Report

 

Table 14-6: Phoenix Deposit Grade Capping Thresholds and Capped Uranium Grade (%U3O8) Summary Statistics

 

Mineralized Domain Cap Value Mean
(uncapped)
Mean
(capped)
Std Dev
(capped)
CV
(capped)
ZoneA_HG - 43.72 43.72 19.98 0.46
ZoneA_LG 14.5 2.34 2.16 2.90 1.34
ZoneB_HG - 21.21 21.21 17.30 0.82
ZoneB_LG 10.5 1.12 1.02 1.75 1.72
ZoneA_Bsmt_2b 13.8 3.71 2.68 4.43 1.65

 

14.1.8Variography

 

Grade continuity analysis of uranium mineralization was conducted using capped composites for each mineralized domain; however, robust variograms could only be generated within Zone A. Variogram analysis was conducted using Seequent’s Leapfrog Edge software. Variogram parameters used for grade interpolation are provided in Table 14-7.

 

Table 14-7: Phoenix Deposit Variogram Parameters (by mineralized domain)

 

Mineralized
Domain
LF Directions Normalized
Nugget
Structure 1   Structure 2
Normalized
Sill
Structure Range (m)   Normalized
Sill
Structure Range (m)
Dip Dip
Azimuth
Pitch Major Semi-
major
Minor   Major Semi-
major
Minor
ZoneA_HG 9 339 156 0.15 0.55 Spherical 8 2 3   0.30 Spherical 25 20 4.0
ZoneA_LG 13 333 24 0.15 0.43 Spherical 16 5 3   0.42 Spherical 29 19 3.5

 

14.1.9Grade and Density Estimation

 

A sub-block model was created using a parent size of 5 x 3 x 2 m with sub-blocks of 0.5 x 0.5 x 0.5 m for volumetric reporting. The model origin using UTM Nad83 coordinates is 476,575 mE, 6,373,600 mN and 165 m elevation. The model fully encloses the modelled mineral resource wireframes and the azimuth of the block model was rotated 320° to align with the overall strike of the mineralization within the given model area.

 

Project No.: 251208Mineral Resource Estimates
August 2023Page 14-12

 

 

Wheeler River Project
Athabasca Basin, Saskatchewan
NI 43-101 Technical Report

 

Estimates for uranium grade (%U3O8), dry bulk density (SG) and uranium grade x density (U3O8 x SG) were interpolated into the block model using ordinary kriging (OK) where sufficient sample density was available (Zone A), or inverse distance squared (ID2) for mineralized domains that had insufficient sample density to generate robust variograms (Zone B and ZoneA_Bsmt_2b). A summary of the estimation parameters used for estimation within the Phoenix deposit is provided in Table 14-8.

 

Estimates for each domain were conducted using multiple passes, with successively expanding search criteria in subsequent estimation passes. Locally varying anisotropy (LVA) models were used for grade estimation within Zone A, to align search orientations more accurately with the geometry of the mineralized domains. LVA was not used within Zone B or the ZoneA_Bsmt_2b domain due to the generally simpler geometries of these mineralized domains.

 

An outlier restriction was used within the ZoneB_HG domain to mitigate the potential of over-estimation of grade and density due to the presence of a small number of high uranium grade and density composites. Outlier restrictions were not required for estimation within the remaining mineralized domains.

 

Table 14-8: Phoenix Deposit Estimation Parameters

 

Mineralized
Domain
Variable Interpolant Estimation
Pass
LVA Ellipsoid Ranges   No. of Samples   Outlier Restriction
Maximum Intermediate Minimum   Min Max Max
per
Hole
  Distance
(% of
Search)
Value
Threshold
to Discard
ZoneA_HG U3O8 OK 1 Yes 12.5 10 2   8 12 4   N/A
SG 2 Yes 25 20 4   8 12 4   N/A
U3O8xSG 3 No 50 30 6   1 4 4   N/A
ZoneA_LG U3O8 OK 1 Yes 15 10 2   8 12 4   N/A
SG 2 Yes 30 20 4   8 12 4   N/A
U3O8xSG 3 No 60 40 7   1 4 4   N/A
ZoneB_HG U3O8 ID2 1 No 25 20 4   8 12 4   0.5 45% U308
SG 2 50 40 6   8 12 4   0.25 3.55 g/m3
U3O8xSG 3 50 40 6   1 4 4   0.25 160 U308xSG
ZoneB_LG U3O8 ID2 1 No 30 15 4   8 12 4   N/A
SG 2 60 30 6   8 12 4   N/A
U3O8xSG 3 60 30 6   1 4 4   N/A
ZoneA_Bsmt_2b U3O8 ID2 1 No 15 10 4   6 10 4   N/A
SG 2 30 20 6   6 10 4   N/A
U3O8xSG 3 30 20 6   1 4 4   N/A
                                 

 

Project No.: 251208Mineral Resource Estimates
August 2023Page 14-13

 

 

Wheeler River Project
Athabasca Basin, Saskatchewan
NI 43-101 Technical Report

 

14.1.10Block Model Validation

 

Block model validation was conducted using the following techniques:

 

·Visual inspection of estimated block grades relative to composite grades

 

·Statistical comparison of global average estimated block grades and declustered composite grades (NN), per mineralization domain

 

·Swath plot analysis of grade profiles between OK, ID2 and nearest-neighbour (NN) block estimates.

 

Cross-sectional comparisons of interpolated block grades vs drill hole sample grade data for Zone A and Zone B are provided in Figure 14-8 and Figure 14-9, respectively. Reasonable correlation between the block estimates and composite data can be observed.

 

Figure 14-8:Cross-section Comparison of Interpolated U3O8 Grades vs. U3O8 Composites in ZoneA of the Phoenix Deposit (looking Northeast)

 

 

(Source: SRK, 2022)

 

Project No.: 251208Mineral Resource Estimates
August 2023Page 14-14

 

 

Wheeler River Project
Athabasca Basin, Saskatchewan
NI 43-101 Technical Report

 

Figure 14-9: Cross-section Comparison of Interpolated U3O8 Grades vs. U3O8 Composites in Zone B of the Phoenix Deposit (looking northeast)

 

 

(Source: SRK, 2022)

 

Figure 14-10 provides a comparison of global average estimated U3O8 grades between the mineral resource estimates and NN models by mineralized domain. Generally, there is good agreement between the estimates and NN estimated U3O8 grades.

 

A swath plot comparison of interpolated U3O8 grades from the OK, ID2 and NN models for the ZoneA_HG mineralized domain is provided in Figure 14-11. Reasonable correlation between the OK, ID2 and NN estimates is observed on these plots, with the OK model showing a greater level of smoothing in the grade profile which is to be expected for this estimation technique.

 

Project No.: 251208Mineral Resource Estimates
August 2023Page 14-15

 

 

Wheeler River Project
Athabasca Basin, Saskatchewan
NI 43-101 Technical Report

 

Figure 14-10: Global Average Grade (%U3O8, not density-weighted) Comparison between OK and NN Estimated Grades by Mineralized Domain

 

 

(Source: SRK, 2022)

 

Project No.: 251208Mineral Resource Estimates
August 2023Page 14-16

 

 

Wheeler River Project
Athabasca Basin, Saskatchewan
NI 43-101 Technical Report

 

Figure 14-11: Phoenix Deposit – ZoneA_HG Swath Plot Comparison of U3O8 (%) Grade for OK, ID2 and NN Block Model Estimates

 

 

(Source: SRK, 2022)

 

14.1.11Classification

 

Mineral resources for the Phoenix deposit were classified according to the CIM Definition Standards (CIM, 2014).

 

Project No.: 251208Mineral Resource Estimates
August 2023Page 14-17

 

 

Wheeler River Project
Athabasca Basin, Saskatchewan
NI 43-101 Technical Report

 

Mineral resource classification is typically a subjective concept, and industry best practices suggest that mineral resource classification should consider both the confidence in the geological continuity of the mineralized structures, the quality and quantity of exploration data supporting the estimates and the geostatistical confidence in the tonnage and grade estimates. Appropriate classification criteria should aim at integrating these concepts to delineate semi-contiguous areas of similar mineral resource categories. Mr. Revering is satisfied that the geological models honour the current geological information and knowledge. The location of the samples, uranium grade data and dry density measurements are sufficiently reliable to support mineral resource evaluation. Mineral resource classification criteria considered the following components:

 

·Quality of the data used to support mineral resource estimation

 

·Confidence in the geological interpretation of the mineralized zones

 

·Average drill hole spacing within the zones of the deposit

 

·Estimation parameters including the number of drill holes and assay composites used to estimate a block.

 

Zone A has been classified as measured mineral resource where the average drill hole spacing is 10 m or less. The remaining portion of Zone A and the Zone B mineralized domains have been classified as indicated mineral resources due to the general 10 to 20 m drill hole spacing across both areas. The overall confidence in the geological interpretation and understanding of the mineralization controls, and corroboration of uranium mineralization from both geochemical assays and down-hole radiometric probe data were considered in the classification of the measured and indicated mineral resources.

 

The ZoneA_Bsmt_2b mineralized domain has been classified as inferred mineral resource due to the uncertainty associated with the continuity of mineralization within the basement-hosted mineralized structures below the main unconformity mineralized domain.

 

14.1.12Reasonable Prospects for Eventual Economic Extraction

 

Mineral resources must demonstrate reasonable prospects for eventual economic extraction which generally implies that the quantity and grade estimates meet certain economic thresholds and that the mineral resources are reported at an appropriate cut-off grade taking into account extraction scenarios. Mr. Revering considers the Phoenix deposit amenable to the proposed ISR extraction method and mineral resources have been constrained within a 0.1% U3O8 grade shell predicated on a uranium price of US$55/lb U3O8 and total combined operating costs of US$5.85/lb U3O8.

 

Project No.: 251208Mineral Resource Estimates
August 2023Page 14-18

 

 

Wheeler River Project
Athabasca Basin, Saskatchewan
NI 43-101 Technical Report

 

14.1.13Mineral Resource Statement

 

The mineral resource statement for the Phoenix deposit is presented in Table 14-9, assuming ISR extraction and is reported in accordance with the CIM Definition Standards (CIM, 2014).

 

Table 14-9: Phoenix Mineral Resource Statement, Effective Date June 23, 2023

 

Confidence Category Domain Volume
(km³)
Density
(g/cm³)
Tonnes
(kt)
Average
Grade
(%U3O8)
Contained U3O8
(Mlb)
Measured ZoneA_HG 6.7 3.84 25.9 50.7 28.9
ZoneA_LG 16.5 2.33 38.3 2.3 2.0
Total 23.2 2.77 64.2 21.8 30.9
Indicated ZoneA_HG 8.8 3.37 29.6 42.0 27.4
ZoneA_LG 57.9 2.33 134.8 2.0 5.8
ZoneB_HG 4.3 2.66 11.5 22.3 5.7
ZoneB_LG 17.1 2.34 40.1 0.9 0.8
Total 88.1 2.45 216.0 8.3 39.7
Total Measured and Indicated   111.3 2.52 280.2 11.4 70.5
Inferred ZoneA_Bsmt 2.4 2.34 5.6 2.6 0.3

 

Note:(1) The effective date of the mineral resource is June 23, 2023. The QP for the estimate is Mr. Cliff Revering, P.Eng., an employee of SRK.

 

(2)Mineral resources are prepared in accordance with CIM Definition Standards (CIM, 2014) and the CIM Estimation of Mineral Resources and Mineral Reserves Best Practice Guidelines (CIM, 2019).
(3)Mineral resources are reported at a cut-off grade of 0.1% U3O8.
(4)Mineral resources are reported using a uranium price of US$55/lb U3O8 and total combined mining, processing and G&A operating costs of US$5.85/lb U3O8.
(5)All figures have been rounded to reflect the relative accuracy of the estimate and may not sum due to rounding.

 

14.1.14Factors that Could Affect the Mineral Resources

 

Due to the high-grade nature of the Phoenix deposit, additional infill drilling related to installation of an ISR well field will provide further definition of the high-grade uranium mineralization within the deposit footprint, leading to possible changes in the estimated uranium content. However, Mr. Revering is of the opinion that, given the current drill density within the deposit, possible changes to the estimated uranium content would not be material based on the current geological understanding of the deposit.

 

Mr. Revering is not aware of any environmental, permitting, legal, title, taxation, socio-economic, marketing, political, or other relevant factors that could materially affect the mineral resource estimate other than those discussed in this Report.

 

Project No.: 251208Mineral Resource Estimates
August 2023Page 14-19

 

 

Wheeler River Project
Athabasca Basin, Saskatchewan
NI 43-101 Technical Report

 

14.1.15Grade Sensitivity Analysis

 

The Phoenix deposit mineral resource tonnage is highly sensitive to the selection of the reporting cut-off grade as shown in Figure 14-12. However, the contained uranium content is not sensitive to the selection of the reporting cut-off grade as shown in Figure 14-13, due to the high-grade nature of the deposit.

 

Figure 14-12: Grade-Tonnage Curve for the Phoenix Deposit (Total M&I Mineral Resource)

 

 

(Source: SRK, 2022)

 

Note: M&I = measured and indicated mineral resources

 

Project No.: 251208Mineral Resource Estimates
August 2023Page 14-20

 

 

Wheeler River Project
Athabasca Basin, Saskatchewan
NI 43-101 Technical Report

 

Figure 14-13: Grade-Metal Content Curve for the Phoenix Deposit (Total M&I Mineral Resource)

 

 

(Source: SRK, 2022)

 

Note: M&I = measured and indicated mineral resources

 

14.1.16Reconciliation to Previous Mineral Resource Estimate

 

The previous mineral resource estimate for the Phoenix deposit was prepared by RPA with an effective date of January 30, 2018. A comparison of the current and previous mineral resource estimates is provided in Table 14-10.

 

Comparison between the two mineral resource estimates shows little change in the contained U3O8 content for the combined measured and indicated mineral resource, although a significant increase in tonnage and reduction in grade has occurred. The changes in tonnage and grade reflect a revised interpretation of the Zone A mineralization domain and incorporation of additional low-grade mineralization based on drilling conducted between 2018 and 2022 and a lower cut-off grade used in the 2022 mineral resource estimate to reflect the non-selective nature of the ISR extraction technique.

 

Project No.: 251208
August 2023

Mineral Resource Estimates

Page 14-21
 

 

 

Wheeler River Project
Athabasca Basin, Saskatchewan
NI 43-101 Technical Report

 

The reduction in tonnage, grade and contained U3O8 content of the inferred mineral resource in the current estimate is also reflective of a revised interpretation of the basement-hosted mineralization. One mineralized structure within the basement has been included within the current mineral resource, due to limited drill information and mineralization continuity within mineralized basement structures.

 

Table 14-10: Summary Comparison of the Current and Previous Phoenix Mineral Resource Estimate

 

Classification Unit Previous
January 30, 2018
Current
June 23, 2023
Measured and Indicated      
Tonnes kt 166.0 280.2
Average grade %U3O8 19.1 11.4
Contained U3O8 Mlb 70.2 70.5
Cut-off grade %U3O8 0.8 0.1
Inferred Mineral Resource      
Tonnes kt 9.0 5.6
Average grade %U3O8 5.8 2.6
Contained U3O8 lbs Mlb 1.1 0.3
Cut-off grade %U3O8 0.8 0.1

 

14.2Gryphon

 

14.2.1Mineral Resource Estimation Database

 

The drill hole database used to estimate the Gryphon deposit includes drilling completed from 1985 to 2017, which is comprised of 216 drill holes totalling 119,720 m. Only two of the historical drill holes at Gryphon drilled prior to 2014, ZK-04 and ZK-06, were re-entered and extended in 2014 by Denison. They were re-surveyed and re-probed as per Denison’s procedures, and only the newly acquired data from these holes was used in the Gryphon mineral resource estimate. No other historical holes drilled prior to 2014 were used in the Gryphon mineral resource estimate.

 

Upon completion of the initial data processing, the borehole data and radiometric logging information was uploaded into VULCAN software. Table 14-11 lists details of the VULCAN database used for the mineral resource estimate. Section 12 describes the verification steps taken by Mr. Mathisen. In summary, no discrepancies were identified, and Mr. Mathisen is of the opinion that the drill hole database is valid and suitable for estimating mineral resources for the Gryphon deposit.

 

Project No.: 251208
August 2023

Mineral Resource Estimates

Page 14-22
 

 

 

Wheeler River Project
Athabasca Basin, Saskatchewan
NI 43-101 Technical Report

 

Drill holes were completed on northwest-southeast oriented sections spaced at approximately 50 m intervals along strike with a drill hole spacing of approximately 50 m along the sections (Figure 10-6).

 

Table 14-11: Vulcan Database Records used in Gryphon Mineral Resource Estimation

 

Table Name No. of Records
Collar 216
Survey 3,857
Stratigraphy 4,461
Assay values 5,591
Radiometric values (% eU3O8) 144,020
Block model 1 m composites in wireframes 1,975

 

14.2.2Geological Model

 

Wireframe models of mineralized zones were used to constrain the block model grade interpolation process, based on a total of 215 holes. Previously, Gryphon wireframes were prepared by SLR in 2015 using 3D polylines on northeast looking vertical sections spaced approximately 12.5 m apart. Polylines were “snapped” to assay intervals along the drill hole traces such that the sectional interpretations “wobbled” in 3D space. Polylines were joined together in 3D and the continuity was checked using a longitudinal section and level plans. Following the initial mineral resource estimate in 2015, topographical surfaces, solids, and mineralized wireframes supporting the estimate were updated and remodelled in Gems software by Denison personnel and then audited for completeness and accuracy by Mr. Mathisen using Vulcan software. The extension distance for the mineralized wireframes was halfway to the next hole, or approximately 25 m vertically and horizontally past the last drill intercept. In some instances, it was necessary to reduce the extension distance to 12.5 m. High-grade (HG) domain models were created using mineralized drill hole intercepts equal to or greater than 2 m with a minimum grade of 4% U3O8. Lower grades were incorporated in places to maintain continuity and a minimum thickness of 2 m. Other domain models were created using a lower threshold grade of 0.05% U3O8 and a minimum core length of 2 m as a guide. Mr. Mathisen considers the selection of 0.05% U3O8 to be appropriate for construction of mineralized wireframe outlines since this value reflects the lowest cut-off grade that is expected to be applied for reporting mineral resources in an underground operating scenario and is consistent with other known deposits in the Athabasca Basin. Sample intervals with assay results less than the nominated cut-off grade (internal dilution) were included within the mineralized wireframes if the core length was less than 2 m allowed for modelling of grade continuity.

 

Project No.: 251208
August 2023

Mineral Resource Estimates

Page 14-23
 

 

 

Wheeler River Project
Athabasca Basin, Saskatchewan
NI 43-101 Technical Report

 

A series of 24 stacked lenses or domains referred to as the A-series, B-series, C-series, D-series, and E-series lenses have variable thicknesses that plunge 35° to 60° at 035° to 040° northeast and dip 25° to 50° to the southeast were constructed. This includes four high-grade wireframes constrained within two enveloping wireframes (Figure 14-14; Figure 14-15) and are described as follows:

 

·A-Series (A1 through A4): represent the mineralized zones on the hanging wall (Upper Zone) of the quartz-pegmatite assemblage along the G-fault (Block Model: 100 series)

 

·B-Series (B1 through B7): represent the mineralized zones within the quartz-pegmatite assemblage along the G-fault (Block Model: 200 series)

 

·C-Series (C1, C4, and C5): represent the mineralized zones along the footwall (Lower Zone) of the quartz-pegmatite assemblage along the G-fault (Block Model: 300 series)

 

·D-Series (D1 through D4): represent the mineralized zones within the pegmatite-dominated footwall along a secondary fault zone (Basal Fault) or within extensional relay faults which link to the G-fault (Block Model: 400 series)

 

·E-Series (E1 and E2): represent the mineralized zones occur along the G-fault (Block Model: 500 series), up-dip and along strike to the northeast of the A and B series lenses, within the upper basement or at the sub-Athabasca unconformity.

 

The stacked lenses form a zone of mineralization measuring approximately 280 m long (along plunge) by 113 m wide (across plunge) and remain open both up and down plunge.

 

The A1 domains together make up approximately 51% of the contained pounds of U3O8 in the mineral resource.

 

Mr. Mathisen conducted audits of the wireframes to ensure that the wireframes correspond to the reported mineralization and accepts the mineralized wireframe domains prepared by Denison as appropriate for mineral resource estimation.

 

Project No.: 251208
August 2023

Mineral Resource Estimates

Page 14-24
 

 

 

Wheeler River Project
Athabasca Basin, Saskatchewan
NI 43-101 Technical Report

 

Figure 14-14: Gryphon Deposit Geologic Cross-section Schematic of Mineralization (looking northeast)

 

 

(Source: SLR, 2018)

 

Project No.: 251208
August 2023

Mineral Resource Estimates

Page 14-25
 

 

 

Wheeler River Project
Athabasca Basin, Saskatchewan
NI 43-101 Technical Report

 

Figure 14-15: Gryphon Deposit Wireframes at Drill Index Line 5000 Cross-section (looking northeast)

 

 

(Source: SLR, 2018)

 

Project No.: 251208
August 2023

Mineral Resource Estimates

Page 14-26
 

 

 

Wheeler River Project
Athabasca Basin, Saskatchewan
NI 43-101 Technical Report

 

14.2.3Radiometric-Grade Correlation

 

The basis of the indirect uranium grade calculation is the sensitivity of the detector used in the probe which is the ratio of cps to known uranium grade and is referred to as the probe calibration factor. Each detector’s sensitivity is measured when it is first manufactured and is also periodically checked throughout the operating life of each probe against a known set of standard test pits, with various known grades of uranium mineralization or through empirical calculations. Application of the calibration factor, along with other probe correction factors, allows for immediate grade estimation in the field as each drill hole is logged.

 

Down-hole total gamma data are subjected to a complex set of mathematical equations, taking into account the specific parameters of the probe used, speed of logging, size of the borehole, drilling fluids, and presence or absence of any type of drill hole casing. The result is an indirect measurement of uranium content within the sphere of measurement of the gamma detector. A Denison in-house computer program known as GAMLOG converts the measured counts per second of the gamma rays into 10 cm increments of equivalent percent U3O8. GAMLOG is based on the Scott’s Algorithm developed by James Scott of the Atomic Energy Commission (AEC) in 1962 and is widely used in the industry.

 

The conversion coefficients for conversion of probe counts per second to equivalent uranium grades are based on the calibration results obtained at the SRC uranium calibration pits (sodium iodide crystal) and empirical values developed in-house (Sweet and Petrie, 2010) for the triple-gamma probe (Figure 14-16).

 

SRC down-hole probe calibration facilities are located in Saskatoon, Saskatchewan. The calibration facilities’ test pits consist of four variably mineralized holes, each approximately 4 m thick. The gamma probes are calibrated a minimum of two times per year, usually before and after both the winter and summer field seasons.

 

Drilling procedures, including collar surveying, down-hole Reflex surveying and radiometric probing, are standard industry practice.

 

Project No.: 251208
August 2023

Mineral Resource Estimates

Page 14-27
 

 

 

Wheeler River Project
Athabasca Basin, Saskatchewan
NI 43-101 Technical Report

 

Figure 14-16: Calibration Curve for Geiger-Mueller SN 3818 Probe

 

 

(Source: Denison, 2023)

 

14.2.4Bulk Density

 

In high-grade uranium deposits such as Gryphon, bulk density varies with grade due to the high density of pitchblende/uraninite compared to host lithologies. Bulk density also varies with clay alteration and in situ rock porosity.

 

Bulk density is determined with SG measurements on drill core. SG is calculated as:

 

 

Under all reasonable conditions, SG (a unitless ratio) is equivalent to density in t/m3.

 

Based on 279 dry bulk density determinations, Denison developed a formula relating bulk density to uranium grade (%U3O8) which was used to assign a density value to each assay as shown in Figure 14-17. Bulk density values were used to weight grades during the mineral resource estimation process and to convert volume to tonnage. The available SG values for the assay data were reviewed and accepted by Mr. Mathisen and used to assign bulk density values to each sample.

 

Project No.: 251208
August 2023

Mineral Resource Estimates

Page 14-28
 

 

 

Wheeler River Project
Athabasca Basin, Saskatchewan
NI 43-101 Technical Report

 

Figure 14-17: Dry Bulk Density – Uranium Grade Correlation for the Gryphon Deposit

 

 

(Source: SLR, 2015)

 

Denison has estimated a dry bulk density value for each grade value in the drill hole database by using the polynomial formula shown above. In Mr. Mathisen’s opinion, the SG sampling methods and resulting data are suitable for mineral resource estimation at Gryphon.

 

14.2.5Capping

 

Where the assay distribution is skewed positively, or approaches log normal, erratic high-grade assay values can have a disproportionate effect on the average grade of a deposit. One method of treating these outliers to reduce their influence on the average grade is to cut or cap them at a specific grade level. In the absence of production data to calibrate the cutting level, an inspection of the assay distribution can be used to estimate a first-pass cutting level.

 

The mineralization wireframe models were used to code the drill hole database and to identify samples within the mineralized wireframes. Histograms and probability plots were generated on the assays contained within each domain.

 

Mr. Mathisen is of the opinion that the influence of high-grade uranium assays must be reduced or controlled and applied industry best practice methods to achieve this goal, including capping of high-grade values. Frequency histograms, probability plots, decile analyses, and capping curves were prepared and examined for the selection of appropriate capping values for the mineralized domains. Examples of the capping analysis are shown in Figure 14-18 and applied to the data set for the mineralized domains.

 

Project No.: 251208
August 2023

Mineral Resource Estimates

Page 14-29
 

 

 

Wheeler River Project
Athabasca Basin, Saskatchewan
NI 43-101 Technical Report

 

Review of the assay histogram and log-normal probability plots within the wireframe domains and a visual inspection of high-grade values on vertical sections suggest cutting erratic grade values to 5% to 30% U3O8, which impacted 64 (1.8%) values of 3,587 assays. Capped assay statistics by zones are summarized in Table 14-12 and compared with uncapped assay statistics.

 

In Mr. Mathisen’s opinion, the selected capping values are reasonable and have been correctly applied to the raw assay values for the Gryphon mineral resource estimate. The assays are capped prior to compositing.

 

14.2.6Composites

 

Samples with chemical assays are typically 0.5 m long and all radiometric measurements are 0.1 m long. Radiometric measurements are used in lieu of chemical assays where core recovery is less than 80%.

 

Composites were created from the capped, raw assay values using the down-hole compositing function of the Vulcan modelling software package. The composite length used for interpolation was chosen considering the predominant sampling length, the minimum mining width, the style of mineralization, and the continuity of grade. The raw assay data contains samples having irregular sample lengths. Sample lengths range from 0.2 m to 1.0 m within the wireframe models, with 99.1% of the samples taken at 0.5 m intervals. Given this distribution and considering the width of the mineralization, a composite length of 1 m was selected. Assays within the wireframe domains were composited starting at the first mineralized wireframe boundary from the collar and resetting at each new wireframe boundary. Assays were capped prior to compositing. Short composites were retained if they were from 0.5 to 1.0 m long and were added to the previous full-length composite.

 

Table 14-13 shows the composite statistics by domain.

 

Project No.: 251208
August 2023

Mineral Resource Estimates

Page 14-30
 

 

 

Wheeler River Project
Athabasca Basin, Saskatchewan
NI 43-101 Technical Report

 

Figure 14-18: Zone A1-HG Log Normal Probability and Histogram Plot

 

      Capping Grade
Decile Analysis Percentile Unit Uncapped 30 20 15
Total Metal   # 675 653 592 534
Percent Metal Loss   % 0 3 12 21
Average Grade   - 6.08 5.88 5.33 4.81
CV   - 1.40 1.33 1.20 1.10
Capping Grade Percentile   - 1 0.962 0.920 0.875
Number of Caps   # 0 9 18 28
Metal Content 0.9 %   5     5     6     6  
0.91 %   3     3     3     3  
0.92 %   3     3     3     3  
0.93 %   3     3          3  
0.94 %   3     4     3     3  
0.95 %   6     6     5     4  
0.96 %   5     5     3     3  
0.97 %   5     5     3     3  
0.98 %   5     5     3     3  
0.99 %   9     7     5     4  
0.9 - 1 % 47   45   40   34  

 

 

 

(Source: SLR, 2018)

 

Project No.: 251208
August 2023

Mineral Resource Estimates

Page 14-31
 

 

 

Wheeler River Project
Athabasca Basin, Saskatchewan
NI 43-101 Technical Report

 

Table 14-12: Uranium Grade (%U3O8) Statistics of Gryphon Capped Assays by Domain

 

    Capping   Min   Max   Mean   Variance   Std Dev   CV
Domain Count Level No.   Raw Cap   Raw Cap   Raw Cap   Raw Cap   Raw Cap   Raw Cap
A1LG 101 784 10 5   0.00 0.00   32.00 10.00   0.59 0.52   3.75 1.54   1.94 1.24   3.30 2.38
A2 102 464 10 6   0.00 0.00   29.70 10.00   0.73 0.64   5.74 2.89   2.40 1.70   3.28 2.66
A3 103 53 10 0   0.00 0.00   4.56 4.56   0.33 0.33   0.59 0.59   0.77 0.77   2.37 2.37
A4 104 38 10 0   0.00 0.00   2.28 2.28   0.08 0.08   0.14 0.14   0.37 0.37   4.59 4.59
B1 201 470 15 4   0.00 0.00   40.50 15.00   0.64 0.57   7.00 3.54   2.65 1.88   4.15 3.32
B2 202 272 15 8   0.00 0.00   38.40 15.00   1.51 1.32   18.35 10.33   4.28 3.21   2.83 2.43
B3 203 80 10 3   0.00 0.00   36.00 10.00   1.59 1.07   25.48 6.18   5.05 2.49   3.18 2.33
B4 204 6 10 0   0.00 0.00   0.15 0.15   0.05 0.05   0.00 0.00   0.06 0.06   1.37 1.37
B5 205 19 10 0   0.00 0.00   1.00 1.00   0.11 0.11   0.05 0.05   0.23 0.23   2.08 2.08
B6 206 15 10 0   0.00 0.00   0.60 0.60   0.09 0.09   0.02 0.02   0.16 0.16   1.81 1.81
B7 207 4 10 0   0.00 0.00   0.32 0.32   0.10 0.10   0.02 0.02   0.15 0.15   1.44 1.44
C1 301 199 20 4   0.00 0.00   42.50 20.00   1.49 1.18   31.21 13.54   5.59 3.68   3.74 3.13
C4 304 19 10 0   0.00 0.00   0.40 0.40   0.10 0.10   0.02 0.02   0.13 0.13   1.27 1.27
C5 305 13 10 0   0.00 0.00   0.30 0.30   0.05 0.05   0.01 0.01   0.08 0.08   1.69 1.69
D1LG 401 363 5 4   0.00 0.00   10.80 5.00   0.39 0.36   1.19 0.76   1.09 0.87   2.82 2.45
D2 402 9 10 0   0.00 0.00   1.20 1.20   0.24 0.24   0.18 0.18   0.43 0.43   1.79 1.79
D3 403 16 10 0   0.00 0.00   9.18 9.18   1.57 1.57   9.05 9.05   3.01 3.01   1.92 1.92
D4 404 102 10 3   0.00 0.00   19.80 10.00   0.79 0.63   7.46 3.44   2.73 1.85   3.47 2.93
E1 501 143 15 7   0.00 0.00   23.10 15.00   3.09 2.90   22.90 17.42   4.79 4.17   1.55 1.44
E2 502 245 15 3   0.00 0.00   38.60 15.00   0.80 0.68   10.62 4.93   3.26 2.22   4.09 3.27
A1HG 1011 189 30 9   0.00 0.00   40.60 30.00   6.83 6.59   79.44 66.74   8.91 8.17   1.30 1.24
D1HG_HW 4011 34 20 0   0.00 0.00   19.80 19.80   4.18 4.18   32.37 32.37   5.69 5.69   1.36 1.36
D1HG_MD 4012 21 20 2   0.00 0.00   22.60 20.00   6.77 6.64   56.17 52.25   7.50 7.23   1.11 1.09
D1HG_FW 4013 29 20 6   0.00 0.00   32.40 20.00   8.12 7.04   106.40 68.53   10.32 8.28   1.27 1.18

 

Project No.: 251208
August 2023

Mineral Resource Estimates

Page 14-32
 

 

 

Wheeler River Project
Athabasca Basin, Saskatchewan
NI 43-101 Technical Report

 

Table 14-13: Descriptive Statistics of Gryphon Deposit Composite Uranium Assay by Domain

 

Domain Count Min Max Mean Variance Std Dev CV
A1LG 382 0.00 7.63 0.55 1.10 1.05 1.91
A2 263 0.00 9.58 0.57 1.71 1.31 2.31
A3 38 0.00 2.42 0.26 0.25 0.50 1.91
A4 11 0.00 0.95 0.11 0.08 0.28 2.68
B1 258 0.00 10.95 0.51 2.08 1.44 2.84
B2 157 0.00 11.63 1.09 5.27 2.30 2.11
B3 51 0.00 9.27 0.95 3.94 1.98 2.10
B4 5 0.00 0.08 0.03 0.00 0.04 1.28
B5 10 0.00 0.50 0.10 0.02 0.15 1.43
B6 12 0.00 0.30 0.05 0.01 0.09 1.66
B7 4 0.00 0.21 0.06 0.01 0.10 1.61
C1 109 0.00 19.04 1.02 8.70 2.95 2.90
C4 19 0.00 0.27 0.04 0.01 0.08 1.96
C5 15 0.00 0.11 0.02 0.00 0.03 1.60
D1LG 260 0.00 5.00 0.31 0.52 0.72 2.31
D2 6 0.00 0.95 0.18 0.14 0.38 2.11
D3 18 0.00 7.34 1.08 4.49 2.12 1.97
D4 63 0.00 9.87 0.49 2.13 1.46 2.98
E1 43 0.00 9.63 1.18 5.77 2.40 2.03
E2 121 0.00 10.72 0.68 3.49 1.87 2.73
A1HG 91 0.00 30.00 7.03 37.81 6.15 0.88
D1HG_HW 15 0.07 14.87 4.60 18.90 4.35 0.95
D1HG_MD 10 0.05 16.49 7.67 37.99 6.16 0.80
D1HG_FW 14 0.00 19.97 6.91 37.31 6.11 0.88

 

14.2.7Variography

 

Zone specific variography was undertaken; however, the number of samples is not adequate to generate meaningful variograms to derive kriging parameters.

 

14.2.8Grade and Density Estimation

 

A regular block model was created using a parent block size of 5 m (along strike) by 1 m (across strike) by 2 m (bench height) resulting in a total of 49,140,000 blocks. The model origin (lower-left corner at lowest elevation) is at UTM coordinates 475,325.0 mE, 6,376,050.0 mN and 400 m elevation. A whole block approach was used whereby the block was assigned to the domain where its centroid was located. The model fully encloses the modelled mineral resource wireframes and the azimuth of the block model was appropriately rotated 20° so as to align with the overall strike of the mineralization within the given model area.

 

Project No.: 251208
August 2023

Mineral Resource Estimates

Page 14-33
 

 

 

Wheeler River Project
Athabasca Basin, Saskatchewan
NI 43-101 Technical Report

 

Estimates for uranium grade x density (U3O8 x SG) and dry bulk density were interpolated using ID2, as variograms were not considered appropriate to derive kriging parameters. Block grades (%U3O8) were calculated by dividing the estimated grade x density value by the dry bulk density and were checked with an interpolated grade using ID2. Hard boundaries were used to limit the use of composites between domains.

 

Search ellipse dimensions were chosen following a review of drill hole spacing and interpolation efficiency. Search ellipsoid geometry of the major, semi-major, and minor axes was oriented into the plane of the mineralization with the major axis oriented at parallel to the dominant north-easterly trend of the domains. The semi-major axis was oriented vertically, normal to the major axis (down plunge), and the minor axis was oriented horizontally (across strike).

 

The interpolation strategy involved setting up search parameters in a series of three estimation runs for each individual domain. First, second, and third pass search ellipses maintained a 1:0.6:0.4 anisotropic ratio with the first pass search ellipse dimensions of 50 m x 30 m x 20 m. The second pass doubled the search ellipse dimensions, and the third pass quadrupled the search ellipse dimensions.

 

For pass number one and two, the maximum number of samples to be used per drill hole was set to three, with the minimum number of samples required for an estimate set to four and the maximum number of samples required for an estimate set to nine. For pass number three, the maximum number of samples to be used per drill hole was set to three, with the minimum number of samples required for an estimate set to one and the maximum number of samples required for an estimate set to two. This process ensured that 100% of the blocks were estimated.

 

To reduce the influence of very high-grade outliers, grades greater than a designated threshold level for certain domains were restricted to 25 m x 25 m x 5 m (high-yield restriction) for each interpolation run. The threshold grade levels of 20% U3O8 for the A1-HG, 10% U3O8 for B1 and C1, and 5% U3O8 for E2 domains were chosen from the basic statistics and from visual inspection of the apparent continuity of very high grade outliers within each domain.

 

Project No.: 251208
August 2023

Mineral Resource Estimates

Page 14-34
 

 

 

Wheeler River Project
Athabasca Basin, Saskatchewan
NI 43-101 Technical Report

 

14.2.9Block Model Validation

 

The Gryphon deposit block model was validated using industry standard techniques including:

 

·Comparison of domain wireframe volumes with block volumes

 

·Visual comparison of composite grades with block grades

 

·Statistical comparison of block grades with composite grades

 

·Swath plot analysis of grade profiles between density weighted and unweighted, ID2 and NN block estimates.

 

Mr. Mathisen found grade continuity to be reasonable and confirmed that the block grades were reasonably consistent with local drill hole composite grades.

 

14.2.9.1Volume Comparison

 

Wireframe volumes were compared to block volumes for each domain. Results show good agreement between the wireframe volumes and block model volume with differences less than 2%. Smaller domains show differences up to 5% due to the small volume of the wireframe combined with the whole block approach.

 

14.2.9.2Visual Comparison

 

Block grades were visually compared with drill hole composites on cross-sections, longitudinal sections, and plan views. Visual validation comparing assay and composite grades to block grade estimates showed reasonable correlation with no significant overestimation or overextended influence of high grades in all domains. Figure 14-19 to Figure 14-21 display sections of the block model with composite grades.

 

Project No.: 251208
August 2023

Mineral Resource Estimates

Page 14-35
 

 

 

Wheeler River Project
Athabasca Basin, Saskatchewan
NI 43-101 Technical Report

 

Figure 14-19: Gryphon Deposit Block Model Latitudinal Section (looking northeast – 30 m window)

 

 

 

(Source: SLR, 2022)

 

Project No.: 251208
August 2023

Mineral Resource Estimates

Page 14-36
 

 

 

Wheeler River Project
Athabasca Basin, Saskatchewan
NI 43-101 Technical Report

 

Figure 14-20: Gryphon Deposit Block Model Longitudinal Section (looking northwest – 30 m window)

 

 

(Source: SLR, 2022)

 

Project No.: 251208
August 2023

Mineral Resource Estimates

Page 14-37
 

 

 

Wheeler River Project
Athabasca Basin, Saskatchewan
NI 43-101 Technical Report

 

Figure 14-21: Gryphon Deposit Block Model (looking northwest)

 

 

(Source: SLR, 2022)

 

14.2.9.3Statistical Comparison

 

Statistics of the block grades are compared with statistics of composite grades in Table 14-14 for all blocks and composites within the Gryphon deposit domains. Block and composite grades are weighted by density. The composite grades appear to be reasonable and average block grades by zone are within approximately 10% of average composite grades, particularly for indicated mineral resources and for larger zones in terms of contained pounds. In many cases, larger differences are related to a low number of composite values and small wireframe volume. Mr. Mathisen is of the opinion that the difference between the average block grades and average composite grades falling within ±10% is acceptable, provided that there are an appropriate number of composite values and that declustering of the data has been accounted for.

 

Project No.: 251208
August 2023

Mineral Resource Estimates

Page 14-38
 

 

 

Wheeler River Project
Athabasca Basin, Saskatchewan
NI 43-101 Technical Report

 

Table 14-14: Statistics of Block Grades Compared to Composite Grades by Domain

 

  Count   Min   Max   Mean (den Wt)   Variance   Std Dev   CV
  Cmp BM   Cmp BM   Cmp BM   Cmp BM Percentage Δ (%)   Cmp BM   Cmp BM   Cmp BM
A1HG 91 6,040   0.00 0.69   30.00 26.55   7.84 7.60 -3.1   37.81 12.17   6.15 3.49   0.88 0.46
A1LG 382 23,055   0.00 0.00   7.63 7.19   0.57 0.62 8.6   1.10 0.57   1.05 0.75   1.91 1.23
A2 263 18,908   0.00 0.00   9.58 8.21   0.59 0.62 5.0   1.71 0.62   1.31 0.79   2.31 1.26
A3 38 2,240   0.00 0.00   2.42 1.95   0.27 0.30 11.0   0.25 0.05   0.50 0.23   1.91 0.78
A4 11 756   0.00 0.01   0.95 0.49   0.11 0.08 -27.7   0.08 0.01   0.28 0.10   2.68 1.31
B1 258 15,480   0.00 0.00   10.95 7.62   0.54 0.54 -0.7   2.08 0.80   1.44 0.90   2.84 1.67
B2 157 8,862   0.00 0.00   11.63 10.13   1.18 1.19 0.9   5.27 1.59   2.30 1.26   2.11 1.06
B3 51 3,127   0.00 0.01   9.27 5.17   1.01 1.11 9.9   3.94 1.03   1.98 1.01   2.10 0.92
B4 5 447   0.00 0.01   0.08 0.05   0.03 0.03 -7.1   0.00 0.00   0.04 0.00   1.28 0.14
B5 10 862   0.00 0.01   0.50 0.34   0.10 0.15 47.0   0.02 0.01   0.15 0.10   1.43 0.66
B6 12 1,484   0.00 0.01   0.30 0.22   0.05 0.04 -19.1   0.01 0.00   0.09 0.03   1.66 0.73
B7 4 743   0.00 0.01   0.21 0.14   0.06 0.06 -5.8   0.01 0.00   0.10 0.04   1.61 0.73
C1 109 5,545   0.00 0.00   19.04 16.95   1.15 1.00 -12.5   8.70 4.11   2.95 2.03   2.90 2.02
C4 19 1,523   0.00 0.00   0.27 0.21   0.04 0.04 4.1   0.01 0.00   0.08 0.03   1.96 0.65
C5 15 1,107   0.00 0.00   0.11 0.08   0.02 0.02 -18.9   0.00 0.00   0.03 0.02   1.60 0.88
D1HG_HW 15 695   0.07 1.11   14.87 12.95   4.92 5.01 1.8   18.90 4.03   4.35 2.01   0.95 0.40
D1HG_MD 10 454   0.05 1.98   16.49 16.10   8.20 7.37 -10.2   37.99 8.91   6.16 2.99   0.80 0.41
D1HG_FW 14 609   0.00 0.79   19.97 16.19   7.61 7.52 -1.2   37.31 4.43   6.11 2.11   0.88 0.28
D1LG 260 15,426   0.00 0.00   5.00 3.74   0.32 0.30 -7.2   0.52 0.13   0.72 0.37   2.31 1.24
D2 6 442   0.00 0.01   0.95 0.85   0.18 0.23 25.0   0.14 0.03   0.38 0.18   2.11 0.78
D3 18 696   0.00 0.00   7.34 5.68   1.14 1.02 -10.5   4.49 1.50   2.12 1.23   1.97 1.20
D4 63 6,794   0.00 0.00   9.87 9.11   0.52 0.47 -9.4   2.13 0.44   1.46 0.67   2.98 1.42
E1 43 1,532   0.00 0.00   9.63 8.77   1.26 1.16 -8.1   5.77 1.58   2.40 1.26   2.03 1.09
E2 121 6,538   0.00 0.00   10.72 9.19   0.74 0.71 -4.3   3.49 1.44   1.87 1.20   2.73 1.70

 

Note: Cmp = composite; BM = block model

 

Project No.: 251208
August 2023

Mineral Resource Estimates

Page 14-39
 

 

 

Wheeler River Project
Athabasca Basin, Saskatchewan
NI 43-101 Technical Report

 

14.2.9.1Swath Plots

 

Mr. Mathisen generated swath plots for Gryphon comparing the mean block grades estimated (density weighted and unweighted) to the declustered data (NN) in the X, Y, and Z directions. Results indicate that estimated grades conform to the informing data (Figure 14-22, Figure 14-23, and Figure 14-24). Mr. Mathisen found grade continuity to be reasonable and confirmed that the block grades were reasonably consistent with local drill hole composite grades.

 

14.2.10Classification

 

Definitions for mineral resource categories used in this report are consistent with those CIM Definition Standards (CIM, 2014) and incorporated by reference into NI 43-101.

 

CIM Definition Standards (CIM, 2014) were followed for mineral resource classification at Gryphon. The mineralized material for each domain was classified based on confidence in the geological interpretation, the demonstrated continuity of the mineralized structures, and the drill hole spacing. Mineral resources for the Gryphon deposit are classified into indicated and inferred categories based on the following parameters:

 

·Indicated mineral resources: Defined by 25 m x 25 m drill spacing and a NN distance ≤20 m with strong geological continuity between drill hole intercepts

 

·Inferred mineral resources: Defined by drill spacing that is greater than 25 m x 25 m and a NN distance of ≤100 m with reasonable continuity assumed between holes.

 

Project No.: 251208
August 2023

Mineral Resource Estimates

Page 14-40
 

 

 

Wheeler River Project
Athabasca Basin, Saskatchewan
NI 43-101 Technical Report

 

Figure 14-22: Gryphon Deposit Easting Swath Plots Comparing OK with NN and ID2 Estimates

 

 

 

(Source: SLR, 2018)

 

Project No.: 251208
August 2023

Mineral Resource Estimates

Page 14-41
 

 

 

Wheeler River Project
Athabasca Basin, Saskatchewan
NI 43-101 Technical Report

 

Figure 14-23: Gryphon Deposit Northing Swath Plots Comparing OK with NN and ID2 Estimates

 

 

(Source: SLR, 2018)

 

Project No.: 251208
August 2023

Mineral Resource Estimates

Page 14-42
 

 

 

Wheeler River Project
Athabasca Basin, Saskatchewan
NI 43-101 Technical Report

 

Figure 14-24: Gryphon Deposit Vertical Swath Plots Comparing OK with NN and ID2 Estimates

 

 

(Source: SLR, 2018)

 

Project No.: 251208
August 2023

Mineral Resource Estimates

Page 14-43
 

 

 

Wheeler River Project
Athabasca Basin, Saskatchewan
NI 43-101 Technical Report

 

14.2.11Reasonable Prospects for Eventual Economic Extraction

 

Mr. Mathisen has estimated a potential underground mining cut-off grade using assumptions based on historical and known operating costs on mines operating in the Athabasca Basin. Table 14-15 shows the breakeven cut-off grade using a price of US$55/lb U3O8 and based on assumptions for processing plant recovery, total operating cost (mining, process and general and administrative), and incremental component of operating cost. The estimated cut-off grade of 0.2% U3O8 is in line with the cut-off grade of 0.2% that is used at the Rabbit Lake mine, which is basement mineralization similar geologically to Gryphon.

 

Table 14-15: Gryphon Deposit Cut-off Grade Calculation

 

Item Unit Quantity
U3O8 price US$ 55
Processing plant recovery % 97
Exchange rate US$/CA$ 0.75
Royalty % 7
Total operating cost $/t 546
Underground mining - 130
Haulage - 32
Processing - 280
G&A - 104
Incremental operating cost component (60%) $/t 260
Incremental cut-off grade U3O8 (variable Mining Cost only) % 0.2

 

14.2.12Mineral Resource Statement

 

Table 14-16 presents the mineral resource estimate for Gryphon by domain and confidence category, assuming underground mining methods and reported in accordance with CIM Definition Standards (CIM, 2014). A cut-off grade of 0.2% U3O8 for Gryphon is determined using assumptions based on historical and known mining costs of underground mines operating in the Athabasca Basin at a price of US$55/lb U3O8.

 

Project No.: 251208
August 2023

Mineral Resource Estimates

Page 14-44
 

 

 

Wheeler River Project
Athabasca Basin, Saskatchewan
NI 43-101 Technical Report

 

Table 14-16: Gryphon Mineral Resource Statement, Effective Date August 7, 2018

 

Confidence Category Mineralized Domain Tonnes
(kt)
Grade
(%U3O8)
Contained U3O8
(Mlb)
Indicated Gryphon A1HG 148 7.6 24.7
  Gryphon A1LG 365 0.8 6.7
  Gryphon A2 262 1.0 5.5
  Gryphon A3 36 0.4 0.3
  Gryphon B1 161 1.1 3.7
  Gryphon B2 158 1.5 5.2
  Gryphon B3 59 1.3 1.7
  Gryphon C1 105 1.2 2.7
  Gryphon D1HG_HW 17 5.0 1.8
  Gryphon D1HG_MD 11 7.4 1.8
  Gryphon D1HG_FW 15 7.5 2.5
  Gryphon D1LG 153 0.6 1.9
  Gryphon D4 89 0.7 1.4
  Gryphon E2 65 1.1 1.7
Total Indicated Gryphon 1,643 1.7 61.9
Inferred Gryphon A4 2 0.3 0.0
  Gryphon B5 10 0.3 0.1
  Gryphon D2 5 0.4 0.0
  Gryphon D3 13 1.2 0.4
  Gryphon E1 31 1.3 0.9
  Gryphon E2 12 2.0 0.5
Total Inferred Gryphon 73 1.2 1.9

 

Note: (1) The effective date of the mineral resource is August 7, 2018. The QP for the estimate is Mr. Mark Mathisen, C.P.G., an employee of SLR. 

(2) Mineral resources are prepared in accordance with CIM Definition Standards (CIM, 2014) and the CIM Estimation of Mineral Resources and Mineral Reserves Best Practice Guidelines (CIM, 2019). 

(3) Mineral resources for the Gryphon deposit are constrained by underground mining shapes using a minimum mining width of 2 m and an incremental cut-off grade of 0.2% U3O8. The cut-off grade include considerations of a long-term uranium price of US$55/lb, US$/CA$ exchange rate of 0.75, process recovery of 97%, an underground mine operating cost of $130/t, haulage cost of $32/t, process operating cost of $280/t, G&A cost of $104/t and incremental operating cost component of $260/t for low-grade material. 

(4) High-grade mineralization was capped at 30% U3O8 and restricted at 20% U3O8 for the A1HG and capped at 20% U3O8 for the D1HG with no search restrictions. 

(5) Low-grade mineralization was capped at 20% U3O8 for the C1 domain with search restrictions applied to U3O8 grades greater than or equal to 10.0% U3O8

(6) Low-grade mineralization was capped at 15% U3O8 for the B1, B2, E1, and E2 domains with search restrictions applied to U3O8 grades greater than or equal to 10.0% U3O8 for the B1 domain and 5.0% U3O8 for the E2 domain. 

(7) Low-grade mineralization was capped at 10% U3O8 for the A1-A4, B3-B7, C4-C5, and D2-D4 domains with no search restrictions. 

(8) Low-grade mineralization was capped at 5% U3O8 for the D1 domain with no search restriction. 

(9) Bulk density is derived from grade using a formula based on 279 measurements from Gryphon. 

(10) Mineral resources are inclusive of mineral reserves. 

(11) Figures may not sum due to rounding.

 

Project No.: 251208
August 2023

Mineral Resource Estimates

Page 14-45
 

 

 

Wheeler River Project
Athabasca Basin, Saskatchewan
NI 43-101 Technical Report

 

14.2.13Grade Sensitivity Analysis

 

The sensitivity of the Gryphon mineral resource model to various cut-off grades is presented in Table 14-17 whereby the base case of US$55/lb is represented in bold. Although the Gyphon deposit mineral resource tonnage is moderately sensitive to the selection of the reporting cut-off grade (Figure 14-25) the contained uranium content is not sensitive to the selection of the reporting cut-off grades as shown in Figure 14-26.

 

Table 14-17: Gryphon Indicated Grade versus Tonnage, Effective Date August 7, 2018

 

Price
(US$/lb U3O8
Cut-Off Grade
(% U3O8)
Tonnage
(tonnes)
Grade
(%U3O8)
Contained Metal
(lbs U3O8)
$85 0.12 1,976,000 1.447 63,019,350
$75 0.13 1,928,000 1.479 62,887,560
$65 0.15 1,838,000 1.545 62,610,646
$55 0.20 1,643,000 1.708 61,860,401
$45 0.22 1,571,000 1.776 61,530,144
$35 0.28 1,416,000 1.944 60,683,227
$25 0.39 1,207,000 2.222 59,152,684

 

Figure 14-25: Gryphon Deposit Indicated Grade vs. Tonnage Plot

 

 

(Source: SLR, 2018)

 

Project No.: 251208
August 2023

Mineral Resource Estimates

Page 14-46
 

 

 

Wheeler River Project
Athabasca Basin, Saskatchewan
NI 43-101 Technical Report

 

Figure 14-26: Gryphon Deposit Indicated Grade vs. Contained Metal (Indicated)

 

 

(Source: SLR, 2018)

 

14.2.14Factors that Could Affect the Mineral Resources

 

Mr. Mathisen is of the opinion that, with consideration of the recommendations summarized in Section 1 and Section 26, any issues relating to all relevant technical and economic factors likely to influence the prospect of economic extraction can be resolved with further work.

 

Mr. Mathisen is not aware of any environmental, permitting, legal, title, taxation, socio-economic, marketing, political, or other relevant factors that could materially affect the mineral resource estimate other than those discussed in this Report.

 

Project No.: 251208
August 2023

Mineral Resource Estimates

Page 14-47
 

 

 

Wheeler River Project
Athabasca Basin, Saskatchewan
NI 43-101 Technical Report

 

15.0Mineral Reserve Estimates

 

15.1Phoenix

 

15.1.1Summary

 

The ISR method does not utilize traditional mining techniques or the associated mineral beneficiation methods such as crushing, grinding, and flotation. As a result, the typical basis used to determine mineral reserves for hard rock operations does not apply directly. The mineral reserves for Phoenix are identified on the basis of net uranium recovery associated with individual wellfield units and continuity of those units, considering the non-selective nature of the ISR process to mine HGUs and blocks within the mineral resource. The Phoenix mineral reserves were assessed by computer modelling based on laboratory and field tests of hydrogeology, geochemistry, and leaching performance.

 

Mineral reserves were classified in accordance with the CIM Definitions Standards (CIM, 2014). The mineral reserves were converted from Measured and Indicated mineral resources and are classified as Proven and Probable.

 

While there are some Measured mineral resources at Phoenix, modifying factors in the ISR method preclude declaring the highest degree of confidence in the stated mineral reserve quantities for the majority of the deposit. These modifying factors include confidence in permeability and porosity for each HGU across the deposit, and the resulting lixiviant contact and leaching kinetics. The FS focused on developing a numerical means of evaluating recovery by HGU to advance the estimation of recovery by reflecting the heterogeneity of the deposit. This provides a higher degree of confidence in the mineral reserve statement than the PFS. However, it is based on statistical evaluations, extrapolations, and interpolations from a limited set of hydrogeological field testing.

 

Proven reserves are based on the 2022 FFT which provided additional confidence in the ISR method and ability to recovery U3O8 within the tested region of the deposit. A stockpile of 14,400 lb U3O8 in UBS was recovered to surface during the FFT, representing the initial ramp-up of a leach recovery curve.  To calculate the proven mineral reserves, the recovery determined through computer modelling for Phase 1 was applied to the estimated in situ mass contacted by the FFT.

 

Table 15-1 presents the mineral reserves for the Phoenix deposit.

 

Project No.: 251208
4 August 2023

Mineral Reserve Estimates

Page 15-1
 

 

 

Wheeler River Project
Athabasca Basin, Saskatchewan
NI 43-101 Technical Report

 

Table 15-1: Phoenix Mineral Reserves Statement, Effective Date June 23, 2023

 

Confidence Category Tonnes
(kt)
Grade
(% U3O8)
Recoverable U3O8
(Mlb)
Proven      
Phase 1 6.3 24.5 3.4
Subtotal Proven 6.3 24.5 3.4
Probable      
Phase 1 41.3 20.2 18.4
Phase 2 45.2 13.8 13.7
Phase 3 20.3 11.0 4.9
Phase 4 68.9 7.2 10.9
Phase 5 37.0 6.6 5.4
Subtotal Probable 212.7 11.4 53.3
Total Proven and Probable 219.0 11.7 56.7

 

Note: (1) The effective date of the mineral reserve estimate is June 23, 2023. The QP for the estimate is Mr. Dan Johnson, P.E., an employee of WSP. 

(2) Mineral reserves are estimated at a cut-off grade of 0.5% U3O8 based on the ISR mining method, using a long-term uranium price of US$50/lb U3O8 and a CA$/US$ exchange rate of 1.33. The mineral reserves are based on a mine operating cost of $0.78/lb U3O8, process operating cost of $5.20/lb U3O8, and process recovery of 99%. 

(3) A mine recovery of 80.6% has been applied to convert the mineral resources to mineral reserves. Recoverable U3O8 refers to ISR recoverable and does not account for process losses.

 

15.1.2Factors that Could Affect the Mineral Reserves

 

Factors that could materially alter the Phoenix mineral reserve estimate include the following:

 

·Hydrogeological properties differing from those estimated, including:

 

-Higher or lower permeability, which would change the flow rate through that portion of leaching zone and the balance of flows amongst adjacent areas.

 

-Higher or lower porosity, which would change the PVs attained for a given volumetric flow rate.

 

·Unforeseen gangue minerals affecting the leaching chemistry could:

 

-delay or diminish uranium leaching depending on gangue content.

 

-cause precipitation and plugging in the leaching zone. The heterogeneous nature of the deposit may present unexpected pockets of such deleterious material. Varying lixiviant constituents, reversing flow, or altering the mine plan may be strategies to mitigate this risk.

 

·Permeability enhancement techniques may prove to be more or less effective than assumed in the simulation of recovery.

 

Project No.: 251208
4 August 2023

Mineral Reserve Estimates

Page 15-2
 

 

 

Wheeler River Project
Athabasca Basin, Saskatchewan
NI 43-101 Technical Report

 

·The different permeabilities of the HGUs can cause the lixiviant flow to short circuit through the more permeable units, bypassing other uranium bearing units. This will need to be actively managed in the operating wellfield.

 

·Well operation techniques may be found during operations that improve selective recovery from HGUs. These could include varying injection or recovery flow rates, or by selectively injecting to or recovering from HGUs.

 

Mr. Johnson is not aware of any other mining, metallurgical, infrastructure, permitting, or other relevant factors that could materially affect the mineral reserve estimate other than those discussed in this Report.

 

15.1.3Mining Recovery

 

15.1.3.1Recovery Curve

 

The testwork and derivation of the recovery curve from laboratory testing that has been standardized to one condition and grade is described in Section 13. The recovery curve indicates the concentration of UBS produced as a function of PVs recovered. Therefore, by determining the hydrogeological flow field for an array of injection and recovery wells and the related PVs recovered with time, an aggregate wellfield recovery can be calculated by applying the recovery curve to each recovery well’s PV distribution.

 

The recovery curve is scaled in the modelling to account for variations in in situ grade.

 

15.1.3.2Hydrogeological Modelling

 

The numerical groundwater flow modelling methodology was conducted using FEFLOW and is described in Section 16. The physical setting of the mineralized zones was numerically represented in FEFLOW based on the Denison geological block model. FEFLOW was used as the basis of wellfield layout and the simulation of the lixiviant flow within the mineralized zone. For production modelling, the following values for each of the FEFLOW numerical elements in three dimensions was output:

 

·Production unit or well capture zone that element belonged to

 

·Flow per unit time

 

·Element volume

 

·Effective porosity

 

·HGU and uranium in situ grade (from the geological block model). 

 

Project No.: 251208
4 August 2023

Mineral Reserve Estimates

Page 15-3
 

 

 

Wheeler River Project
Athabasca Basin, Saskatchewan
NI 43-101 Technical Report

 

15.1.3.3Wellfield Production Modelling

 

Using the FEFLOW simulation outputs for each mesh unit, GoldSim calculated the uranium recovery based on the number of PVs through the unit and the corresponding concentration of U3O8 in each recovery well. The mesh units are aggregated based on the associated recovery well number from FEFLOW.

 

Wells are started and stopped in GoldSim to simulate the progression of mining in the wellfield. Well starting is set manually. The end of operation for each well is determined by a cut-off recovery grade. In this way the overall production from the wellfield is controlled to provide process plant feed of the required flow and grade over time. At a detailed level, well operating times can be adjusted to smooth the mass flow rate of uranium to the plant, within the limits of the model granularity.

 

Optimizing the production rate and total quantity required several iterations of FEFLOW and GoldSim modelling. GoldSim outputs were analyzed to identify wells that were underperforming compared to expectations. The number and position of injection and recovery wells and their flow rates were adjusted based on these results, and the FEFLOW model was re-run. This iterative process involved examination of the under-performing areas and adjustment to the flows in these areas in both FEFLOW and GoldSim.

 

Throughout the optimization iterations, the number of unexpected low-performing wells was reduced. When it appeared that the effort had reached its asymptote the remaining low performing wells were reviewed. A statistical analysis showed that four wells patterns or production blocks were outliers. These four wells that were located in areas with otherwise consistent recovery had shown more reasonable response in prior iterations. The results from these four production units were therefore assumed to be non-representative. It was assumed these production units can be mined by varying the pumping rates, wellfield stimulation and/or possibly adding additional wells. Recovery from these four wells was therefore added at the average rate per HGU for their Phase and included in the overall production.

 

The resulting percent recovery of U3O8 per HGU and Phase is shown in Table 15-2. Due to a lack of hydrogeological data, the recovery from Phase 5 was estimated based on the average recovery of Phases 1 through 4. This is considered reasonable as the hydrogeological setting in Phase 5 is similar to the setting in Phase 1 to 4.

 

Project No.: 251208
4 August 2023

Mineral Reserve Estimates

Page 15-4
 

 

 

Wheeler River Project
Athabasca Basin, Saskatchewan
NI 43-101 Technical Report

 

Table 15-2: Percent Recovery of U3O8 by HGU and Phase

 

  HGU Recovery of U3O8 (%)
Phase 1a 1b 2a 2b 2c 2d 2e 3a Overall Recovery  
1 90 19 62 95 49 8 62 67 81  
2 95 95 91 95 32 76 74 42 86  
3 88 6 90 96 47 14 53 89 64  
4 95 - 80 95 63 75 52 69 82  
5 81 - 81 81 81 81 81 81 81  
Overall Recovery 93 39 75 95 52 63 61 70 80.6  

 

15.1.4Cut-off Grade and Economic Limits

 

A cut-off grade of 0.5% was determined using the parameters detailed in Table 15-3. The cut-off grade for mineral reserves was checked from recovery modelling results and the incremental capital and operating costs of an extraction well. The quantity of U3O8 required to offset the installed cost of an additional extraction well plus the operating cost to mine and process those pounds was calculated. This result was compared to wells in the recovery simulation results with similarly low recovered pounds. One well (#114) was close to this value for in situ pounds. This well zone contained the total mass noted in Table 15-3.

 

Table 15-3: Cut-off Grade Analysis

 

Input Unit Value
U3O8 price US$/lb 50
Exchange rate CA$/US$ 1.33
Installed cost of extraction well $ 800,000
Operating cost1 $/lb 8.51
Equivalent value in pounds U3O8 lb 19,282
In situ total mass of well #114 zone lb 3,685,165
Cut-off Grade % 0.5

 

Note: (1) Operating cost includes mining, processing and G&A operating costs.

 

A plant feed concentration of 1.5 g/L U3O8 was calculated as the economic shut-off at which well operation and mineral processing costs are equivalent to the revenue generated, based on the operating cost model using recoveries noted in Table 15-2 and a uranium price of US$50/lb. Table 15-4 presents the factors considered in the shut-off grade analysis. It excludes sustaining capital costs to construct the well as this is assumed to be justified by the life-of-well uranium recovery. This value informed the end of well production used in the GoldSim model and the termination of production overall.

 

Project No.: 251208
4 August 2023

Mineral Reserve Estimates

Page 15-5
 

 

 

Wheeler River Project
Athabasca Basin, Saskatchewan
NI 43-101 Technical Report

 

Table 15-4: Well Shut-off Grade Analysis

 

Input Unit Value
U3O8 price US$/lb 50
Exchange rate CA$/US$ 1.3547
Operating hours per year h/a 7,800
Flow rate to plant m3/d 500
U3O8 to plant to equal operating cost (LOM) Mlb 2.41
Plant efficiency % 96.5
Operating cost $/lb produced 65.74
Average feed grade g/L U3O8 1.5

 

The overall wellfield boundary was examined with a grade x thickness method as shown in Figure 15-1. This mapping was used as one of the inputs in assisting well placement in order to achieve higher uranium recoveries. It would be based on the recovery predicted by the hydrogeologic model that incorporates calculated hydrologic parameters along the perimeter of the geologic modelled orebody.

 

Figure 15-1: Phoenix Grade x Thickness

 

A picture containing text, screenshot, diagram, plot

Description automatically generated

 

(Source: WSP, 2023)

 

Project No.: 251208
4 August 2023
Mineral Reserve Estimates
Page 15-6

 

 

Wheeler River Project
Athabasca Basin, Saskatchewan
NI 43-101 Technical Report

 

15.2Gryphon

 

15.2.1Summary

 

The mineral reserve for Gryphon is estimated at 49.7 Mlb U3O8 over 1.26 Mt grading 1.8% U3O8, as summarized in Table 15-5. The proposed mining method for the Gryphon deposit is longhole mining with cemented fill, predominantly longitudinal retreat.

 

The mine design and mineral reserve estimate have been completed to a level appropriate for a PFS. The mineral reserves have been classified in accordance with the CIM Definition Standards (CIM, 2014). All mineral reserves were converted from Indicated mineral resources and are classified as Probable. The Inferred mineral resources contained within the mine design are classified as waste.

 

Table 15-5: Gryphon Mineral Reserve Statement, Effective Date September 1, 2018

 

Confidence Category Tonnes
(Mt)
Grade
(% U3O8)
Contained U3O8
(Mlb)
Probable 1.257 1.8 49.7
Total 1.257 1.8 49.7

 

Note: (1) The effective date of the mineral reserves is September 1, 2018. The QP for the estimate is Mr. Mark Hatton, P.Eng., an employee of Stantec.

(2) The mineral reserve estimate was prepared in accordance with the CIM Definition Standards (CIM, 2014).

(3) Mineral reserves are stated at a processing plant feed reference point.

(4) Mineral reserves for the Gryphon deposit are estimated at a cut-off grade of 0.58% U3O8 based on longhole mining using a long-term uranium price of US$50/lb and a US$/CA$ exchange rate of 0.8. The mineral reserves are based on a mine operating cost of $150/t, mill operating cost of $275/t, G&A cost of $99/t, transportation cost of $50/t, milling recovery of 97%, and 7.25% fee for Saskatchewan royalties. Mineral reserves include for diluting material and mining losses.

 

15.2.2Factors that Could Affect the Mineral Reserves

 

Factors that could materially alter the Gryphon mineral reserve estimate include the following:

 

·Changes in interpretations of mineralization geometry and continuity of mineralization zone

 

·Existence of unrecognized fault structures that could affect mine design and underground access, ground control costs, and ore dilution

 

·Changes to geotechnical, hydrogeological, and metallurgical recovery assumptions

 

Project No.: 251208
4 August 2023
Mineral Reserve Estimates
Page 15-7
 

 

 

Wheeler River Project
Athabasca Basin, Saskatchewan
NI 43-101 Technical Report

 

·Input factors used to assess stope dilution and recoveries

 

·Assumptions that the operation can obtain all required permits to operate

 

·Assumptions regarding social, permitting, and environmental conditions

 

·Additional infill or step-out drilling.

 

Mr. Hatton is not aware of any other mining, metallurgical, infrastructure, permitting, or other relevant factors that could materially affect the mineral reserve estimate other than those discussed in this Report.

 

15.2.3Mining Recovery

 

The mining recovery used in determining the mineral reserve estimate considers the following:

 

·Planned mining recovery (recovery by design)

 

·Mining recovery (recovery due to operational losses).

 

An initial mining recovery results from the automatic generation of stopes shapes excluding portions of block model cells which are located outside of the designed stope and development shapes. A mining recovery factor of 95% (based on benchmark mining recovery data) is applied on the tonnage of material reported inside the designed shapes.

 

15.2.4Mining Dilution

 

The dilution used in determining the mineral reserves estimate considers the following:

 

·Internal dilution (dilution by design)

 

·External dilution (dilution by over break and by loading/mucking).

 

Internal dilution refers to the part of low-grade and/or waste material included during the stope design process, in which portions of waste blocks are incorporated inside the stope shapes. The average internal dilution for Gryphon is 39.5%.

 

Geometry of the mineralized zone, mining method applied, operational conditions, geomechanical characterization, and presence of water contributes to the amount of over break material outside of the designed stopes limits that will be mined with the stope. This material is considered as dilution by over break. Wireframe shells were produced to estimate the grade of the over break material.

 

Project No.: 251208
4 August 2023
Mineral Reserve Estimates
Page 15-8
 

 

 

Wheeler River Project
Athabasca Basin, Saskatchewan
NI 43-101 Technical Report

 

After the blasting process and as part of loading and hauling, some material from external sources is incorporated with the mineralized rock. This material is considered as dilution by loading and is mainly sourced from backfill adjacent to blasted rock and from shotcrete located in the undercuts. This combined dilution is also called external dilution and is estimated at 20.0% for Gryphon with a grade of 0.43% U3O8 (a combination of over break material and backfill/waste rock). The unplanned dilution grade is estimated using Datamine 5D Planner Mineable Shape Optimizer (MSO) Routine at 0.4 m overbreak on each the hangingwall and footwall.

 

15.2.5Cut-off Grades

 

The mineral reserve was estimated based on a cut-off grade of 0.58% U3O8. The cut-off grade was estimated using the parameters shown in Table 15-6. Sustaining capital costs were not considered.

 

Table 15-6: Gryphon Mineral Reserve Cut-off Grade Estimation

 

Item Unit Value
Mine operating cost $/t $150
G&A costs $/t $99
Surface transportation cost $/t $50
Mill operating cost $/t $275
Total operating cost $/t $574
Unplanned dilution % 20
Unplanned dilution grade % 0.43
Uranium price US$/lb 50
Royalties % 7.25
Mill recovery % 97
Cut-off - Mill feed grade % 0.58

 

15.2.6Mining Block Shapes

 

Mineable Shape Optimizer software was used to produce stope shapes based on an in situ cut-off grade of 0.61% U3O8 (with external dilution, the cut-off grade reduces to 0.58% U3O8) and practical design criteria. Only stope shapes with an average diluted U3O8 grade greater than the estimated cut-off grade (0.58% U3O8) were considered in the mineral reserve.

 

Parameters used to define stope shapes are summarized in Table 15-7.

 

Project No.: 251208
4 August 2023
Mineral Reserve Estimates
Page 15-9
 

 

 

Wheeler River Project
Athabasca Basin, Saskatchewan
NI 43-101 Technical Report

 

Stope height and length define the minimum design shape. The minimum width is determined by minimum dimensions required to adequately operate the equipment to achieve the mining cycle, and the maximum width is used to define stope shapes from footwall to hangingwall.

 

In the case where a maximum width is designed which is greater than geomechanical constraints permit, additional stopes called panels will be designed to maximize resource recovery.

 

Table 15-7: Stope Design Parameters – Gryphon

 

Parameter Unit Value
Stope height maximum m 15
Stope height minimum (uppers) m 7.5
Stope length maximum (along strike) m 20
Stope length minimum m 10
Stope width maximum (footwall to hangingwall) m 100
Stope width minimum m 3
Minimum dip degree 50
Minimum waste pillar m 2.5

 

Project No.: 251208
4 August 2023
Mineral Reserve Estimates
Page 15-10
 

 

 

Wheeler River Project
Athabasca Basin, Saskatchewan
NI 43-101 Technical Report

 

16.0Mining Methods

 

16.1Phoenix

 

16.1.1Hydrogeology

 

The general hydrostratigraphic sequence in the area consists of the overburden, over the Athabasca Group (Upper Sandstone Aquifer, Intermediate Sandstone Aquitard, and Lower Sandstone Aquifer), over the basement. Groundwater flow at the Phoenix site is conceptualized to occur in two primary hydrogeological regimes. The shallowest, formed of the overburden and Upper Sandstone Aquifer, is influenced by regional surface water drainage, in which groundwater recharges locally and discharges to surface water. It is separated from the deeper regime by the Intermediate Sandstone Aquitard. The deeper regime comprises the Lower Sandstone Aquifer, unconformably underlain by the crystalline Basement Aquifer (metasedimentary and granitoid gneisses). These two units are interpreted to be hydraulically connected; however, based on the transmissivities of the two aquifers, flow is conceptualized to be primarily within the Lower Sandstone Aquifer.

 

Secondary permeability (i.e., fractures, bedding planes, and joints) is anticipated to be the primary means of groundwater flow in both regimes. Based on site geochemical data, recharge to the Lower Sandstone Aquifer may be enhanced along regional fault zones that connect the shallow and deep groundwater flow regimes.

 

16.1.1.1Field and Laboratory Testwork

 

Hydrogeological investigations have been ongoing in the field and in laboratories since 2014. Packer, open hole, and cross hole tests have been completed in conjunction with exploration drilling programs. As well, permeability tests have been completed on sections of available competent core within the Phoenix deposit. Open hole water level surveys have been completed across the site in 2015, 2017, 2021 and 2022. The hydraulic conductivity related field and laboratory testwork data is summarized in Table 16-1.

 

Additionally, the following hydrogeological characterization work has been completed at Phoenix:

 

·Geophysics surveys including:

 

-Neutron survey x 5

 

-Borehole or nuclear magnetic resonance x 10

 

-Sonic x 1

 

Project No.: 251208
August 2023

Mining Methods

Page 16-1
 

 

 

Wheeler River Project
Athabasca Basin, Saskatchewan
NI 43-101 Technical Report

 

-Acoustic televiewer x 9

 

-Gamma/caliper x 9

 

-Electromagnetic flow meter (EMFM) x 9

 

·Tracer Test (2021)

 

·Advanced FFT (2022).

 

Table 16-1: Hydraulic Conductivity Related Data Set from Phoenix and Regional Wells

 

Test Type Location Number of Data Points1
Field – Packer / Injection / Pumping / Slug Athabasca Group 56
Unconformity 173
Basement 20
Lab – Permeability Athabasca Group 721
Unconformity 1149
Basement 1250
Total   3,369

 

Note: (1) This is not necessarily the number of tests conducted, as a single test can yield multiple data points.

 

16.1.1.2Hydrogeological Properties

 

Groundwater elevations are similar to ground surface elevations and surface water elevations of major regional lakes (500 to 520 masl). Near the Phoenix deposit the shallow horizontal groundwater flow direction is generally interpreted to be towards the northeast (Figure 16-1). The close proximal match of water levels with regional lakes indicates that groundwater flow is likely controlled by the regional lakes, which act as sources and discharge zones (i.e., flow through features), keeping the water table at or near ground surface. No measurable vertical gradients are observed, with deep vibrating wire piezometers displaying water levels near or at regional lake levels. Global recharge estimates near the Wheeler River site suggest a mean recharge from precipitation of 2.4% of the mean annual precipitation.

 

Lithology at Phoenix is considered in terms of nine HGUs that have been defined to be present adjacent to or define the main Phoenix mineralized zone (Phases 1 to 5) including:

 

·HGUs 1a and 1b: Athabasca Group (overlying the mineralized zone)

 

·HGU 2a: Upper clay cap

 

·HGUs 2b, 2c, 2d: Main body of the mineralized zone

 

·HGU 2e: Lower clay cap

 

·HGUs 3a and 3b: Weathered and unweather basement.

 

Project No.: 251208
August 2023

Mining Methods

Page 16-2
 

 

 

Wheeler River Project
Athabasca Basin, Saskatchewan
NI 43-101 Technical Report

 

In the mineralized zone, HGUs 2b, 2c and 2e (in that order) have the highest hydraulic conductivities.

 

Hydraulic conductivity values in the mineralized zone in Phase 1 average 1E-06 m/s, with the southeastern half of the phase generally having higher values than the northwestern half. Phases 1 and 3 do not appear to be hydraulically connected.

 

Figure 16-1: Open Hole Groundwater Levels Compared to Regional Lakes

 

A picture containing text, map, screenshot

Description automatically generated

 

(Source: Ecometrix, 2022)

 

Project No.: 251208
August 2023

Mining Methods

Page 16-3
 

 

 

Wheeler River Project
Athabasca Basin, Saskatchewan
NI 43-101 Technical Report

 

In Phase 2 there is considerably less data than for Phase 1. There appears to be no hydraulic connection between Phases 1 and 2. Based on aquifer testing and electromagnetic flow meter (EMFM) data, mineralized zone hydraulic conductivity values in Phase 2 (~4E-06 m/s) are on the same order of magnitude as those in Phase 1 and approximately one order of magnitude greater than those in Phases 3 and 4.

 

In Phase 3 the mineralized zone hydraulic conductivity values (~6E-07 m/s) average one order of magnitude lower than those in Phase 2.

 

The mineralized zone Phase 4 has been tested at four locations. With one exception, all values obtained from pumping, injection and slug tests have been in the range 1E-08 to 8E-07 m/s. The hydraulic conductivity values (~3E-07 m/s) are on the same order of magnitude as those in Phase 3. Much of the mineralized zone water in Phase 4 is capillary bound, but there are some reasonably fractured intervals in Units 2c, 2d, and 2e.

 

Comparison of mineralized zone hydraulic conductivities, averaged by mining phase, indicates that Phases 1 and 2 have the highest values due to the large presence of a thick and relatively continuous section of HGU 2b in these phases. Phases 3 and 4 have intermediate values and Phase 5 has the lowest permeability due to a thinner HGU 2b unit, and relative abundance of the clay zones in this phase.

 

There are several lines of evidence (from laboratory testing, observations during the FFT and geomechanical modelling of the deposit) that localized hydraulic conductivity increases may occur due to the dissolution of uranium from the mineralized zone.

 

16.1.1.3Hydrogeological Modelling

 

Numerical groundwater modelling has been conducted by SRK (2018a), Petrotek (2020 and 2021), and Ecometrix (2021 and 2022) and as part of this study. The degree of complexity and the purposes of these models have varied. SRK (2018a) created a two-dimensional model that was bound by geological outline of the defined mineral resource in the mineralized zone as part of their PFS. This simplified approach was used based on the assumption that there was a freeze cap above the deposit (the earlier version of the freeze wall). Homogenous K values were assigned to the model and incrementally increased by roughly half an order of magnitude to estimate flow rates.

 

Petrotek (2020, March 2021 and December 2021) built and calibrated several models which had differing purposes. These models were calibrated to the observed responses to aquifer tests conducted in 2019, 2020 and 2021 but they assumed that there was no vertical heterogeneity within mineralized zone and only simulated the response in Phases 1 and 3. Potential well configurations and well spacings were investigated and used to predict the response to the 2021 tracer testing. A high degree of variability in the travel times from the various injection wells and to the pumping wells was found. The variability was attributed to the high degree of heterogeneity in hydraulic conductivity and storage within the mineralized zone. One of the main purposes of this work was to provide a demonstration of proof of concept for application of ISR to the Phoenix deposit.

 

Project No.: 251208
August 2023

Mining Methods

Page 16-4
 

 

 

Wheeler River Project
Athabasca Basin, Saskatchewan
NI 43-101 Technical Report

 

EcoMetrix (2022) developed a regional three-dimensional FEFLOW groundwater flow and transport model that was used to both evaluate residual effects from the FFT and then as part of Denison’s draft EIS to examine the post decommissioning effects on regional receptors. The model was calibrated to the regional groundwater flow patterns, was consistent with their conceptual model and was also consistent with the observed hydrochemistry in the Upper and Lower Sandstone Aquifer systems. The groundwater flow in the vicinity of the deposit was observed and simulated in the calibrated groundwater model to travel eastward within the Lower Sandstone Aquifer before moving upward through the Desilicified Zone in the Athabasca Group sandstone units and overlying overburden deposits toward Whitefish Lake.

 

As part of this FS, Denison retained Dr. Walter Illman and his Ph.D candidate Ning Luo from the University of Waterloo. The University of Waterloo group conducted hydraulic tomography (HT) analysis of the hydraulic test data from the Phoenix deposit to aid in the characterization of the subsurface heterogeneity in K and specific storage (Ss). The areas of the HT model with high confidence estimation were incorporated into the 2023 WSP FEFLOW model as they represented the best estimation of the 3D distribution of the hydraulic conductivity and storativity. The FEFLOW model is a numerical representation of the site hydrogeology and groundwater flow regime in the mineralized zone and was calibrated to hydraulic testing data that has been collected for the site. FEFLOW model specified well designs including well screen locations and any planned permeability enhancements to specific wells or HGUs within wells.

 

The FEFLOW results were used as an input into GoldSim (GoldSim V14, Technology Group, LLC). GoldSim is a mathematical model that uses the outputs from FEFLOW to estimate the uranium dissolution by HGU and by extraction well with time. GoldSim simulated the dynamic nature of the lixiviant injection and uranium recovery systems associated with the wellfield.

 

16.1.2Geotechnical

 

Limited geotechnical analysis has been conducted of the geomechanical stability of mineralized zone after the dissolution of the uranium via ISR methods. A geomechanical study was performed to better understand if and how the rock fails and displaces during the leaching process (RESPEC, 2021). The specific objective was to assess the anticipated rock behaviour during the planned ISR operation and identify potential issues or concerns related to mining-cavity stability.

 

Project No.: 251208
August 2023

Mining Methods

Page 16-5
 

 

 

Wheeler River Project
Athabasca Basin, Saskatchewan
NI 43-101 Technical Report

 

While it is known that the leaching of uranium and other gangue minerals will remove mass from the mineralized zone and increase porosity, the effects on permeability and groundwater flow within the deposit are not known. With the higher uranium concentrations in HGUs 2b and 2c, it is likely that these units will undergo some kind of failure. The potential failures of the rock with both average and conservative parameters were investigated. Figure 16-2 shows the results from the average case at different volumetric removal rates.

 

Figure 16-2: Effect of Acid Leach on Permeability

 

 

(Source: RESPEC, 2021)

 

Note: MCFS = Mohr-Coulomb factor of safety

 

Project No.: 251208
August 2023

Mining Methods

Page 16-6
 

 

 

Wheeler River Project
Athabasca Basin, Saskatchewan
NI 43-101 Technical Report

 

As part of this investigation, the effect of the proposed leaching process on subsidence at ground surface was also examined. Subsidence at the ground surface occurs when the surface surrounding the mineralized zone displaces into the mined cavity. It was found that at the ground surface (i.e., approximately 400 m above the mined cavity), the predicted maximum vertical displacement ranges between 0.05 and 0.075 m. The vertical displacement in altered sandstone is at a maximum immediately above the mined cavity and ranges between 0.125 and 0.20 m. A by-product of the subsidence of the ground is that it can drag the cemented casing downward, which leads to loading and straining of the well casings completed into the mineralized zone. The deformation applied to the casing will result in extensional (positive magnitude) and compressive (negative magnitude) strains, depending on the casing’s location relative to the mined cavity. Assuming the ground-cement and cement-casing interfaces remain perfectly bonded, casing elongation or compression will continue until the critical strain value is reached, beyond which the casing integrity will be compromised.

 

The Mohr-Coulomb factor of safety (MCFS) is the ratio between a material’s strength and the applied stress. The colour banding is of the contours of factor of safety at different volumetric extractions of uranium-enriched rock on a vertical plane passing through the midspan of the Phase 1 model with average material properties.

 

Figure 16-2 shows that once the various layers become unstable, then the boundary between the units becomes less well defined as one unit moves in the adjacent units. This is a reasonable conclusion as the overlying clay would be expected to subside or migrate into the underlying HGUs and there would be some squeezing of the underlying clay into voids in the mineralized zone. This simple concept would be complicated by the fact that there is also uranium being leached from the overlying and underlying units (i.e., HGUs 2a and 2d/2e).

 

Conceptually the permeability in HGUs 2b, 2c and 2d would be expected to increase and more of the lower permeability units HGUs 2a and 2e would be in contact with lixiviant and would become more readily leachable. The differences between the permeameter permeability results and those from hydraulic testing suggest that at least in HGUs 2b and 2c fracture flow would dominate. So, the increased porosity due to leaching would be expected to increase the matrix porosity.

 

While the effect of leaching on fracture flow would be harder to predict, information gained during the FFT suggests that even at low uranium recovery rates the acid washing of the well (which is known to improve well performance) and/or leaching of uranium and the associated gangue minerals improved the performance of the injection well (GWR-040). In the event of a failure of a portion of HGU 2b or 2c, it would be reasonable to expect that initially some of the existing fractures or faults would become blocked by the overlying material. This failure would in turn expose fresh uranium and gangue minerals to leaching, so with time the pre-existing fracture flow would be re-established along new pathways.

 

Project No.: 251208
August 2023

Mining Methods

Page 16-7
 

 

 

Wheeler River Project
Athabasca Basin, Saskatchewan
NI 43-101 Technical Report

 

16.1.3ISR Mining Method

 

The uranium ISR process involves the dissolution of the water-soluble uranium compounds from the mineralized host sands at low pH ranges using acidic solutions. The acidic solution will dissolve and mobilize the uranium, allowing the dissolved uranium to be pumped to the surface. The uranium-rich solution will be transferred from the production wells to the nearby precipitation plant for uranium removal, drying, and packaging.

 

The Phoenix deposit is amenable to the ISR of uranium with the introduction of an acidic solution. ISR is defined as the extraction of a mineral from the host rock by chemical solutions and the recovery of that mineral at the surface. ISR extraction is conducted by injecting a suitable leach solution (acidic solution) into the mineralized zone below the water table; oxidizing, complexing, and mobilizing the uranium; recovering the pregnant solution using pumping wells; and, finally, pumping the mineral bearing solution to the surface for processing (International Atomic Energy Agency, 2001).

 

16.1.3.1Wellfields

 

The simulated ISR wellfield was developed by applying alternating injection/extraction well patterns across mining Phases 1 through 5 within the footprint of the mineralized zone. Well placement and spacing were designed to take advantage of, wherever possible, pre-existing exploration boreholes that could be re-entered and used as injection well locations, to maximize use of existing site infrastructure in the wellfield design. Existing exploration boreholes were not selected for use as potential extraction well locations as they are too narrow in diameter to accommodate pumping wells of sufficient size to deal with the anticipated flow rates and drawdowns during wellfield operations. After considering the existing exploration boreholes, wells were generally placed in a 5-spot pattern with a central extraction or pumping well surrounded by four or more injection wells.

 

Potential extraction well locations were selected to achieve a roughly 10-m spacing between injection wells to neighbouring extraction wells given the pre-defined locations of the exploration boreholes and existing site infrastructure. This spacing was based on modelling work carried out by Petrotek (2021) and the results of the 2022 FFT. In general, a 5-spot pattern of injection and extraction wells was utilized with FEFLOW and the 2022 FFT, both of which demonstrated that such a pattern was sufficient to achieve adequate uranium recovery.

 

Project No.: 251208
August 2023

Mining Methods

Page 16-8
 

 

 

Wheeler River Project
Athabasca Basin, Saskatchewan
NI 43-101 Technical Report

 

Based on this design criteria, the initial ISR wellfield design across all phases was simulated in the FEFLOW groundwater flow model, run in steady state mode. Steady state is considered reasonable as testing to date has indicated that groundwater levels stabilize quickly after pumping begins. To improve well efficiency large diameter wells were utilized for extraction or pumping wells. Smaller diameter wells were used as injection or monitoring wells. The estimated number of wells by phase are detailed in Table 16-2.

 

Table 16-2: Extraction and Injection Wells by Phase

 

Mining Phase Extraction Wells   Injection Wells Monitoring
Wells
Associated with
Phase1
Large
Diameter
(139.7 mm)
  Large
Diameter
(139.7 mm)
Narrow
Diameter
(63.5 mm)
Re-Entered
Exploration
Boreholes
1 13 (1)   13 (4) 4 15 6
Total 14     36    
2 12   14(1) 7 8 4
Total 12     30    
3 13   12 1 19 4
Total 13     32    
4 23   15 (1) 28 4
Total 23     44    
5 16   12 2 16 6
Total 16     30    
Overall 74     172   22

 

Note: Numbers in brackets denote existing wells (see Section 16.1.9).
(1)
Monitoring wells are the same as narrow diameter injection wells.

 

While drilling all new boreholes, deviation surveys will be taken approximately every 30 m drift is not to exceed one degree (°). If deviation is found to exceed one-degree, immediate corrective action will be taken to plumb the hole before the borehole is advanced further. All boreholes will land within a 1 m radius of the intended location at the bottom of the borehole. These boreholes will extend about 3 m below the bottom of the mineralization, although this depth will vary across the mineralized zone. Overall, the drilling of these boreholes will use proven methodologies and mud recipes and these activities have been included in the overall costing.

 

Larger diameter wells will be constructed of a 139.7 mm fiberglass riser and will be connected via an appropriate coupler to a corrosion resistant stainless steel or HDPE wire wrap type screen (Slot 15). The screen assembly will include a pre-packed sand filter around the specified screen. The installation of these casings will require the use of centralizers at least every 30 m.

 

Project No.: 251208
August 2023

Mining Methods

Page 16-9
 

 

 

Wheeler River Project
Athabasca Basin, Saskatchewan
NI 43-101 Technical Report

 

Smaller diameter wells will consist of a 63.5 mm HDPE riser material or of high-density polyvinyl chloride (HPVC) casing which will be connected to a 76.2 mm HDPE wire wrap screen (Slot 15). The installation of these casings will require the use of centralizers at least every 30 m. The numbers and, to the extent possible, the locations of the wells were based on an iterative pumping rate selection, hydraulic sweep and well location selection process between the FEFLOW and GoldSim models. While this work was analyzed on an individual phase basis, the FEFLOW model was run as a combined simulation of all contiguous mining phases operating simultaneously. The estimated locations of all extraction and pumping wells are shown in Figure 16-3 to Figure 16-7.

 

16.1.4Freeze Wall

 

Artificial ground freezing around the perimeter of the mineralized zone ISR pad will create a vertical hydraulic barrier between the ISR zone and the external natural hydrogeology. The freeze walls will be vertical walls constructed from surface extending into the impermeable lower basement rock. These walls are designed to prevent the movement of impacted groundwater or lixiviant away from the mineralized zone via the permeable overlying sandstone formations. To aid in the phased development of the ISR wellfield there are both cross walls between phases and external walls surrounding the mineralized zones (both Zone A and B).

 

The proposed freeze walls act as impermeable barriers and are not designed to provide structural ground support. The freeze walls isolate the mineralized zone from prior to the onset of ISR mining to the end of the mineralized zone rehabilitation. Once rehabilitation is complete, the external freeze walls will be allowed to thaw which will reconnect the rehabilitated ISR zone with the natural hydrogeology (NGI, 2023).

 

Project No.: 251208
August 2023

Mining Methods

Page 16-10
 

 

 

Wheeler River Project
Athabasca Basin, Saskatchewan
NI 43-101 Technical Report

 

Figure 16-3: Proposed ISR Wellfield Layout for Mining Phase 1

 

A picture containing text, screenshot, diagram, map

Description automatically generated

 

(Source: WSP, 2023)

 

Project No.: 251208
August 2023

Mining Methods

Page 16-11
 

 

 

Wheeler River Project
Athabasca Basin, Saskatchewan
NI 43-101 Technical Report

 

Figure 16-4: Proposed ISR Wellfield Layout for Mining Phase 2

 

A picture containing text, screenshot, diagram, map

Description automatically generated

 

(Source: WSP, 2023)

 

Project No.: 251208
August 2023

Mining Methods

Page 16-12
 

 

 

Wheeler River Project
Athabasca Basin, Saskatchewan
NI 43-101 Technical Report

 

Figure 16-5: Proposed ISR Wellfield Layout for Mining Phase 3

 

A picture containing text, screenshot, diagram, map

Description automatically generated

 

(Source: WSP, 2023)

 

Project No.: 251208
August 2023

Mining Methods

Page 16-13
 

 

 

Wheeler River Project
Athabasca Basin, Saskatchewan
NI 43-101 Technical Report

 

Figure 16-6: Proposed ISR Wellfield Layout for Mining Phase 4

 

A picture containing text, screenshot, diagram, map

Description automatically generated

 

(Source: WSP, 2023)

 

Project No.: 251208
August 2023

Mining Methods

Page 16-14
 

 

 

Wheeler River Project
Athabasca Basin, Saskatchewan
NI 43-101 Technical Report

 

Figure 16-7: Proposed ISR Wellfield Layout for Mining Phase 5

 

A picture containing text, screenshot, colorfulness, plot

Description automatically generated

 

(Source: WSP, 2023)

 

Project No.: 251208
August 2023

Mining Methods

Page 16-15
 

 

 

Wheeler River Project
Athabasca Basin, Saskatchewan
NI 43-101 Technical Report

 

16.1.4.1Freeze Design

 

A total of 315 freeze pipes will be installed within the pre-drilled boreholes to a depth of about 430 metres below ground surface (mbgs), and keyed into the basement rock. The freeze pipes will be spaced approximately every 6 m. The proposed layout and the number of freeze pipes by phase are shown in Figure 16-8.

 

The freeze wall will be monitored by temperature string pairs installed vertically inside and outside the perimeter freeze wall of each phase (4 m either side), and single temperature strings installed in the cross walls between adjacent phases. These are designed to monitor the thickness of the freeze wall around each phase as well as the presence or absence of a freeze wall in the cross walls. The thickness of these walls will be controlled by cycling on and off the freezing of various sections of wall. The cross walls need to be thawed as the mining advances into new, combined phases so that recoverable ore is not sterilized. Monitoring of the freeze walls will allow for their adaptive management (NGI, 2023).

 

Figure 16-8: Freeze Pipes and Freeze Wall Monitoring Pipes

 

 

(Source: NGI, 2023)

 

Project No.: 251208
August 2023

Mining Methods

Page 16-16
 

 

 

Wheeler River Project
Athabasca Basin, Saskatchewan
NI 43-101 Technical Report

 

Drilling of all these boreholes for freeze pipes and monitoring strings will be carried out using electrically operated, modified diamond exploration drills with mud motors for directional control. All new production boreholes/wells will have a surface casing that will be set to a depth of 30 to 42 mbgs using a tricone bit. The diameter of the surface casing will depend on the eventual size of the well to be installed in the borehole. The surface casing will be constructed of threaded high-density polyethylene (HDPE) or steel pipe.

 

The freeze boreholes will be outfitted with a 102 mm inside diameter (ID) casing, followed by a 76 mm ID rod grouted in place with a bottom seal or welded end cap to create a closed system for the chilled brine solution. The freeze wall monitoring boreholes are drilled in the same manner but will not have a second casing installed. The intent of the second casing in a freeze pipe is to add robustness to reduce leak risk, and to allow for flush wall threaded casing joints (NGI, 2023).

 

16.1.5Mechanical Permeability Enhancement

 

Permeability is a critical element in the success of the project as ISR relies on the movement of fluid within the mineralized zone. Different methods of permeability enhancement include drilling penetration tunnels radially from the borehole, cleaning out restricted fluid pathways adjacent to the borehole, propping fractures open by introducing a proppant, and flushing the formation to connect the fracture network. All techniques aim to allow the lixiviant to flow as freely as possible in the formation.

 

Three types of mechanical permeability enhancement techniques were evaluated including MaxPERF, Kraken and GasGun, each with their own strengths. Each of these tools has a potential application on certain parts of the Phoenix deposit.

 

16.1.6Production

 

The primary drivers controlling uranium production include the physical characteristics of the mineralized zone (e.g., density, porosity), the grade, the mineralogy and geochemical characteristics, and the hydraulic ability of the mineralized zone to transmit lixiviant and UBS. The physical properties of the deposit are based on the results of exploratory drilling and the associated testing and are specified in the geologic block model that has been developed by Denison for the Phoenix deposit (Denison, 2022). The geologic block model represents the distribution of hydraulic properties and grade throughout the mineralized zone based on exploration and testing data from the wellfield. The geologic block model has been incorporated into the deposit groundwater flow model (WSP FEFLOW model). The groundwater flow model discretizes the mineralized zone and surrounding formations into elements and simulates flow through them from injection wells to extraction wells. FEFLOW specifies well designs (well diameter, well screen locations), injection/extraction rates, and any planned permeability enhancements for specific wells or HGUs within those wells.

 

Project No.: 251208
August 2023

Mining Methods

Page 16-17
 

 

 

Wheeler River Project
Athabasca Basin, Saskatchewan
NI 43-101 Technical Report

 

FEFLOW model output from each numerical element within the mineralized zone is exported for use in the GoldSim model. Of particular importance is data indicating which numerical elements are within the capture zone of a particular extraction well and the physical properties of those elements (effective porosity, flow rate, volume, and contained mass of U3O8).

 

Input data to GoldSim from the FEFLOW model strongly affect the computed amount and timing of uranium recovery from the wellfield in the GoldSim model as do some of the system design variables and the geochemical representation.

 

Therefore, FEFLOW modelling was used to determine pumping rates (both extraction and injection rates) and lixiviant flows through the subsurface and GoldSim was used to estimate the rate of dissolution of the uranium from the individual HGUs within each production unit or 5-spot well pattern over time.

 

16.1.7Wellfield Piping

 

Solutions (for example, lixiviant, neutralization solutions) are prepared in the process plant and distributed to well header houses. From here they are pumped to the wellfields. The system has the design capacity for changing the solutions sent to individual wells at different times. Section 17 provides a discussion on the system of preparing the various solutions that are required.

 

The piping lines are small bore as the flows required to achieve the production rate are not large. Stainless steel material (316 SS) has adequate corrosion resistance for the solution chemistries and is used for the main plant header as it will remain in place for the LOM.

 

A set of injection lines is provided in the main header to the wellfield, allowing different strengths of injection solution to be delivered according to the varying needs of wellfield operations.

 

Recovered solution from the wellfield follows the same corridor to the plant, delivering the UBS to the UBS surge tank beside the plant. This tank is located outdoors to vent radon gas carried with the solution before entering the plant building.

 

Neutralization solution prepared in the plant will be delivered to wells that are ready to be reclaimed.

 

Project No.: 251208
August 2023

Mining Methods

Page 16-18
 

 

 

Wheeler River Project
Athabasca Basin, Saskatchewan
NI 43-101 Technical Report

 

The first area to be mined (Phase 1) is immediately at the end of the plant headers. As mining progresses to other phases, the header piping will be run lengthwise along the wellfield to the active mining areas. Flexible plastic materials may be considered for the moveable lines for corrosion resistance, cost effectiveness and ease of construction. Piping will be double-walled for containment, heat traced where needed to maintain process temperature and run on surface.

 

16.1.7.1Header Houses and Mechanical Equipment

 

Injection solution to the wellfield will be fed to header houses. These modular units will house injection pumps, instrumentation and controls for a set of injection wells. Each injection pump will be speed controlled to deliver the flow rate required for the individual well, as the balance of flows amongst wells is critical for overall performance of the ISR wellfield. A day tank external to the header house provides surge capacity for the injection solution from the plant.

 

A group of header houses will initially service Phase 1 to control flow to the number of injection wells in the mine plan. As mining progresses, the header houses will be relocated from depleted to active areas of the wellfield.

 

Recovered solution is pumped to surface using downhole pumps in the extraction wells. These are also speed controlled based on flow measurements from each well to manage the flow field in the leaching zone adequately. Recovered solution is received in transfer tanks located outdoors in the wellfield area. These tanks provide the first opportunity to vent radon gas that is carried from the leaching zone with the recovered solution. The tanks include an internal air sparger, vent stack and exhaust blower to promote degassing the radon from solution. This arrangement was used during the FFT successfully.

 

The blower for the transfer tank sparger is housed in a small portable building, along with a transfer pump to send recovered solution to the plant UBS surge tank, and electrical and instrumentation equipment for the recovered solution system.

 

16.1.8Power Requirements

 

Wellfield systems use electricity for operating pumps and blowers, building heating, pipe heat tracing, lighting and control systems. The total electrical consumption varies based on the number of wells in operation. Each injection header house and related equipment are estimated to require 13 kVA at 600 V. The recovered solution equipment requires 100 kVA per house, the higher loads being the sparger blower and recovered solution immersion heater.

 

Project No.: 251208
August 2023

Mining Methods

Page 16-19
 

 

 

Wheeler River Project
Athabasca Basin, Saskatchewan
NI 43-101 Technical Report

 

A central wellfield electrical building is included to house transformers and switchgear that distribute power to the active header houses. The system is sized for 1,200 kVA to power 10 injection/recovery sets. This is intended to provide flexibility for the wellfield to grow over time. The central electrical building also allows for 5 kV distribution to the wellfield if electric drilling equipment is used.

 

16.1.9Mining Unit Design, Production Rates, and Mine Life

 

Generally, a production unit consists of a central extraction well surround by four or more injection wells. These wells and their simulated pumping rates for both this production unit and the adjacent production units define the capture zones of each extraction well. These capture zones were determined using FEFLOW and reverse particle tracking. All flow within the mineralized zone of each well capture zone was assigned to lixiviant movement from the injection wells to the central extraction well. This was a reasonable assumption based on the fact that the mineralized zone is ultimately surrounded by the freeze wall.

 

The heterogeneous nature of the mineralized zone dictates that the hydraulic response to extraction or injection at individual injection/extraction well will be variable. Across the mineralized zone footprint, observed hydraulic responses from testing conducted at wells situated within a few metres of each other varied both laterally and vertically. Nearby wells showed large differences in drawdown at similar pumping rates depending on the hydraulic properties of the formation near the well screen.

 

When determining injection and extraction flow rates to individual wells, restraints were placed on the amount of drawdown/mounding that was allowed in each well. This was guided by the physical pumping limitations of the extraction pumps and best practice principles when operating injection systems. Drawdown within individual extraction or pumping wells was limited to 260 m and to a head value of 240 masl, based on pump selection and rating curves. Mounding within injection wells was limited to a value of 610 masl which represents a pressure head of about 107 m above static level. The extraction and injection rates, by mining phase, using the optimization of the FEFLOW and GoldSim modelling are shown in Table 16-3. Flow per well ranges from 1 to 65 m3/d for both injection and extraction wells. Wells are generally assumed to be screened across all mineralized zone HGUs.

 

Table 16-4 gives the production schedule in terms of mass or ore to the plant. Progressive remediation of each phase of the mineralized zone will occur once production is completed in the phase.

 

Project No.: 251208
August 2023

Mining Methods

Page 16-20
 

 

 

Wheeler River Project
Athabasca Basin, Saskatchewan
NI 43-101 Technical Report

 

Table 16-3: ISR Wellfield Production Pumping Rates by Mining Phase

 

Mining Phase Extraction Rates (m3/d)1 Injection Rates (m3/d)1
1 470 440
2 270 300
3 180 160
4 440 460
5 (estimated)2 260 260

 

Note: (1) Total phase pumping rates rounded to nearest 5 m3/d

(2) Rates not optimized but are anticipated to be similar.

 

Table 16-4: Production Schedule

 

Year Production Phase(s) Total1
U3O8 (Mlb)
1 1 4.0
2 1 9.2
3 1,2 9.2
4 1,2,3,4 9.0
5 1,2,3,4 8.0
6 2,3,4 5.0
7 2,3,4,5 5.0
8 3,4,5 3.2
9 3,4,5 2.5
10 3,4,5 1.1
11 5 0.5

 

Note: (1) Represents total pounds U3O8 to plant

 

As production units or 5-spot patterns and/or phases across the Phoenix deposit reach their economic limit, the production flow from that pattern will be terminated and other patterns will be brought into operation. It is also possible that, as the recovered uranium concentration starts to drop, flow will be adjusted throughout the mineralized zone to meet production targets, and some areas of the mineralized zone may need to have temporarily stopped to allow reactions between the uranium and the mining solutions to occur. Well patterns and phases will eventually no longer be economical to pump as the volume and concentration will not be effective to process and production pumping will be terminated.

 

Project No.: 251208
August 2023

Mining Methods

Page 16-21
 

 

 

Wheeler River Project
Athabasca Basin, Saskatchewan
NI 43-101 Technical Report

 

Once the production unit and/or phase are no longer economical to pump these wells and phases will then undergo progressive remediation and decommissioning. Based on laboratory testing and the results of the 2022 FFT, subsurface remediation will consist of first injecting fresh water followed by a basic (high pH) solution through that portion of the mineralized zone. Fresh water rinsing will slowly raise the local pH and remove the acidic lixiviant from the subsurface. The basic solution will further raise the pH levels to close to the natural conditions and the concentrations of potential contaminants of concern to be below their environmental target levels. The existing pump infrastructure will be used to flush the mineralized zone and to pump the water to surface to be re-circulated into the mineralized zone or pumped to the effluent treatment circuits at the process plant.

 

16.1.10Mine Development

 

Development of each phase will begin with the drilling and installation of the freeze holes surrounding the phase. The freeze plant and the associated piping will be built in modular units such that there is sufficient freezing capacity available for operations during the LOM. While the freeze wall is being established, extraction, injection and monitoring wells associated with the operation of the phase will also be developed. These wells will need to undergo permeability enhancement and hydraulic testing to confirm their placement and determine the proposed method of operation.

 

Infrastructure for mining the Phoenix deposit will be established during the initial construction period except for the wellfield, for Phases 2 to 5, and some ponds or landfills that may need to be expanded during operations.

 

Wells will be established on an as-required basis. Prior to entering a new phase, the infrastructure for that phase will need to be constructed and tested.

 

16.1.11Mine Equipment

 

The primary equipment for establishing the wellfield are drill rigs with swabbing tools, and wireline tools. In addition to drilling equipment each well will be instrumented with a riser, well screen, wellhead assembly, and with appropriate valves and other instrumentation to facilitate the operation of the flow in either direction, and for operations monitoring. Submersible pumps and 25 mm Boreline hosing will be used to extract the lixiviant. Borehole hose and an inflatable packer will be used to control the movement of the lixiviant within the injection wells.

 

The permeability enhancement units will need to be procured for the Kraken and GasGun system and the MaxPerf tool.

 

Ongoing operations and maintenance activities will use a Boreline pulley system mounted on a trailer that can be towed behind a pickup and a service rig.

 

Project No.: 251208
August 2023

Mining Methods

Page 16-22
 

 

 

Wheeler River Project
Athabasca Basin, Saskatchewan
NI 43-101 Technical Report

 

16.2Gryphon

 

16.2.1Hydrogeology

 

Near the Gryphon deposit, groundwater flow is found to be relatively stagnant, indicating a flat water table between the major nearby lakes (Figure 16-1) with water levels near or at the ground surface (500 to 520 masl). This indicates that groundwater flow is likely controlled by the regional lakes, which act as sources and discharge zones (i.e. subsurface flow through lakes). Global recharge estimates near the Wheeler River site suggest a mean recharge from precipitation of 2.4% of the mean annual precipitation.

 

16.2.1.1Testwork and Numerical Modelling 

 

Hydrogeological investigations took place in the field and in laboratories between 2014 and 2018. Packer, open hole, and cross hole tests have been completed in conjunction with exploration drilling programs. The hydraulic conductivity related field and laboratory testwork data is summarized in Table 16-5.

 

Table 16-5: Hydraulic Conductivity Related Data Set from Gryphon

 

Test Type Location Number of Tests
Field - Packer1 Sandstone 54
Unconformity 12
Basement 62
Total   140
Field - Open Hole   8
Field – Cross Hole   4

 

Note: (1) Includes 34 packer tests completed within production shaft pilot hole

 

Subdivision of hydraulic tests into the two primary geological units, sandstone and basement indicate:

 

·Sandstone geometric mean of 8 x 10-8 m/s with a log-transformed standard deviation of 1.4 orders of magnitude

 

·Basement geometric mean of 6 x 10-9 m/s with a log-transformed standard deviation of 1.3 orders of magnitude.

 

Project No.: 251208
August 2023

Mining Methods

Page 16-23
 

 

 

Wheeler River Project
Athabasca Basin, Saskatchewan
NI 43-101 Technical Report

 

A numerical groundwater model was completed by SRK in 2018 (SRK, 2018a) encompassing the potential catchment area for the Gryphon deposit based on surface drainage patterns and regional lakes covering a total area of 475 km2 and a constant depth of 2,900 m. Mine water inflow was estimated using the numerical groundwater model with results presented in Table 16-6.

 

Table 16-6: Estimated Mine Inflow Rates at Gryphon

 

Statistic Statistical
Abbreviation
Estimated Inflow Rate (m3/h)
Base Model
(no grouting)
Grouting
(K = 1 x 10-9 m/s, thickness = 1.0 m)
Median (50th Percentile) P50 430 170
90th Percentile P90 580 200
99th Percentile P99 730 220

 

16.2.1.2Uncontrolled Inflow

 

Another risk when mining in the basement, but in proximity to the unconformity in the Athabasca Basin, is an uncontrolled high inflow from back instabilities and chimneying into the overlying sandstone. The numerical model cannot estimate this flow. However, a review of high inflow events from existing mines in the Athabasca Basin suggests that the highest inflow risks are associated with roof collapse on underground workings, and subsequent catastrophic chimneying into the Athabasca sandstone.

 

16.2.2Geotechnical

 

A pre-feasibility level geotechnical evaluation has been completed to assess and characterize the rock mass conditions at the Gryphon deposit for the proposed underground mining.

 

The critical geotechnical aspects that typically require consideration for Athabasca Basin uranium deposits and are applicable to the Gryphon deposit include:

 

·Proximity to the regional unconformity and potential for high pressure and large volumes of water associated with the Athabasca sandstone

 

·Presence of major structures with potential for poor ground conditions or hydraulic connection to aquifers within the Athabasca sandstone

 

·Rock mass conditions and weakening clay alteration of basement rocks from mineralizing events

 

·Rock mass conditions in infrastructure areas.

 

Project No.: 251208
August 2023

Mining Methods

Page 16-24
 

 

 

Wheeler River Project
Athabasca Basin, Saskatchewan
NI 43-101 Technical Report

 

16.2.2.1Geological, Structural and Alteration Models

 

The basement geologic units from the hangingwall to the footwall include:

 

·Pelitic gneiss around the shafts and off-shaft infrastructure and ramp

 

·Pelitic gneiss and pegmatite around the upper ramp

 

·Graphitic pelitic gneiss for most capital ramp and orebody access development

 

·Quartzite (Quartz Pegmatite Assemblage) underlying the hangingwall graphitic pelitic gneiss (Upper Graphite)

 

·Hangingwall mineralization located in the contact area between the quartzite (Quartz-Pegmatite Assemblage) and graphitic pelitic gneiss (Upper Graphite)

 

·Footwall mineralization located in the graphitic pelitic gneiss (Lower Graphite) and pegmatite (Basal Pegmatite)

 

·Unconformity underlain by a Paleoweathered Zone, grading to fresh basement.

 

Gryphon’s structural setting is characterized by a series of thrust faults displacing the unconformity upwards to the southeast in multiple steps (refer to Figure 7-16). These structures are generally located at the contact between relatively less competent graphitic pelitic gneisses and more competent quartz-pegmatites, pegmatites, and pelitic gneiss units. The faults are brittle in nature and can be described as a combination of cataclasites and gouges with intervals of blocky and friable core. The most significant structures occur at the contact of the upper graphite with the overlying pelitic gneisses (Offset Fault) and at the base of the upper graphite in contact with the underlying Quartz-Pegmatite Assemblage (G-Fault). As well, there are several fault interpretations cross-cutting the mineralized zone, NE, EW, and WNW faults, as shown in plan in Figure 16-9.

 

Project No.: 251208
August 2023

Mining Methods

Page 16-25
 

 

 

Wheeler River Project
Athabasca Basin, Saskatchewan
NI 43-101 Technical Report

 

Figure 16-9: Plan of Cross-cutting Fault Zones

 

 

 

(Source: SRK, 2017)

 

16.2.2.2Rock Mass Classification

 

The general rock mass characteristics by lithology from hangingwall to footwall are as follows:

 

·Pelitic Gneiss is a foliated, fine grained, strong to very strong rock (average 70 MPa), with a RMR >60 (good to very good). It is interpreted to be semi-massive to blocky with favourable joint conditions. It has a strength anisotropy depending upon load orientation with respect to the foliation.

 

·Pegmatite is medium to coarse grained and massive to semi-massive. It is strong to very strong (50 to 100+ MPa) with an RMR >60, classified as a good to very good rock mass.

 

Project No.: 251208
August 2023

Mining Methods

Page 16-26
 

 

 

Wheeler River Project
Athabasca Basin, Saskatchewan
NI 43-101 Technical Report

 

·Graphitic Pelitic Gneiss in the immediate stope HW (Upper Graphite). It has an approximate intact strength between <5 (rarely) and (mostly) 50 MPa with an average RMR of 60. The minimum laboratory tested strength is 12 MPa, but locally strengths are estimated to be lower. It has a strength anisotropy depending upon load orientation with respect to the foliation.

 

·Quartz Pegmatite Assemblage is approximately 20+ MPa higher in strength than the Upper Graphite with an average RMR ~65. It has a strength anisotropy depending upon load orientation with respect to the foliation.

 

·A Paleoweathered Zone, generally from 3 to 10 m thick, is superimposed on the crystalline rocks and occurs immediately below the unconformity. This zone is of significantly poorer quality than unaltered basement rock (RMR <40). At the production shaft location (WR-695), this zone has an approximate RMR of 60 and intact rock strength averaging 35 to 40 MPa.

 

For predicting rock mass behaviour and identifying potential failure mechanisms, it is important to characterize the rock mass considering several factors:

 

·Geology/mineralogy (clay content and susceptibility to rock mass degradation upon exposure; friability and rock mass durability)

 

·Fabric/foliation (strength anisotropy, fabric or foliation strength)

 

·Discontinuities (frictional characteristics, orientation, block size/shape)

 

·Intact strength and discontinuity mechanical properties (point load testing and laboratory testing)

 

·Quantitative rock mass classification (RMR/Q)

 

·Groundwater conditions

 

·Pre-mining in situ stress regime.

 

The primary concern with the intensity of clay alteration is its impact in reducing the rock mass strength and its tendency to degrade over time from exposure to the elements. The stopes and immediate access development will commonly be within this alteration halo, to varying intensities. This halo can be considered as a geotechnical domain, overprinting lithological contacts.

 

The basement rock within the deposit area varies between massive to very blocky, intensely foliated to disintegrated at discrete fault locations. There is an increase in joint density (decreasing block size) in connection with major structural features and alteration/weathering. The frictional characteristics of discontinuities are poorer in proximity to lithologic contacts, major structural features, hydrothermal alteration/mineralization, and paleoweathering.

 

Project No.: 251208
August 2023

Mining Methods

Page 16-27
 

 

 

Wheeler River Project
Athabasca Basin, Saskatchewan
NI 43-101 Technical Report

 

Geotechnical logging of all exploration drilling has been continuous since 2015, which includes over 150,000 m of drilling on approximately 25 m x 25 m spacing. A full suite of standardized rock mass classification parameters has been logged, including rock quality designation (RQD), intact rock strength, fracture count, joint count, friability index, joint roughness, joint weathering, and joint aperture.

 

Laboratory testing was completed in 2016, 2017, and 2018. Valid laboratory test results have been used in the geotechnical analysis to inform intact rock properties and help with the assignment of rock mass properties for analysis.

 

Rock mass quality throughout the Gryphon deposit typically ranges from predominantly fair to good using established rock mass classification terminology (RMR and Q-Systems). Within the basement units, the intact rock strength can vary between R0 (very weak) to R5 (very strong). Typical fresh basement is classified as strong rock (R3, 50 to 100 MPa). Rock mass classification ranges (RMR and Q’) were generated as outlined in Table 16-7. These ranges are considered to represent typical conditions encountered at Gryphon. They are also informed by compositing the RMR data set within each 3D geological unit and clay alteration model to assess the statistical RMR distribution within each unit. The stope shapes themselves were also composited as a final check to the suitability of the RMR design ranges.

 

The mineralization of the E series lenses occurring to the extreme northeast is in closer proximity to the unconformity than the remaining mining areas. As such, the rock mass quality is more variable, with RMR values typically 10 points lower than other zones/lenses. Conditions in this location will require confirmation at the next level of study.

 

Table 16-7: Rock Mass Classification Design Inputs

 

Mine Domain RMR Design Range   Q' Design Range
Lower Upper   Lower Upper
Stope hangingwall - fair rock 50 60   2 10+
Ore zone (sills) - fair rock 45 55   2 6+
Footwall - fair to good rock
(intensely clay altered areas conditions are poor)
55 65   3 10+
Shaft bottom, off-shaft ramp, and orebody ramp 70 80+   20+
Operating development in hangingwall
(orebody access) - fair to good
55 70   4 20+
Faults or local very poor to poor quality areas 25 40   <0.1 1

 

Project No.: 251208
August 2023

Mining Methods

Page 16-28
 

 

 

Wheeler River Project
Athabasca Basin, Saskatchewan
NI 43-101 Technical Report

 

16.2.2.3Ground Support

 

The stability of proposed excavations was assessed using analytical and empirical methods. This includes consideration of the rock mass, fabric and joint orientations, and the impact of stress on stability and support. The support recommendations include patterned resin rebar rock bolting, welded-wire mesh, shotcrete (with and without fibre reinforcement), cable bolts, steel straps in very poor conditions, and/or shotcrete arches. Note that the very poor conditions are not predicted in the stoping areas.

 

The ground support design was assessed and determined using the widely accepted Q-System empirical design chart after Grimstad et al. (1993) and Barton and Grimstad (2014) and the commercially available Unwedge© software (Rocscience, 2017), to develop minimum ground support recommendations. Mining induced stresses were evaluated using RS3© (Rocscience, 2018), a 3D stress analysis program, to inform both development and stope support design.

 

Per the Q-System methodology, empirical ground support assessments for LOM infrastructure, permanent worker-entry, and temporary production headings were conducted at excavation support ratios of 1.3, 1.6, and 3, respectively. Ground support designs were then refined based on operational considerations, such as standardization of ground support and experience with support in analogous operations.

 

Ground support recommendations are shown graphically in Figure 16-10. These support recommendations are provided for the range of anticipated representative rock mass conditions at Gryphon. Using patterned bolting with screen as a primary means of ground support, a relatively small percentage of capital and operating development will also require 50 to 100 mm of shotcrete. Local fault areas and ore sills will require fibre reinforced shotcrete, welded wire mesh, bolt spacing of 1.2 x 1.2 m, and variable bolt length depending on span, including cable bolts.

 

In addition, it is anticipated that within stopes, shotcrete will be needed to provide a gamma radiation barrier to minimize worker exposure. A shotcrete thickness of 75 mm is required for gamma blocking, which will be sufficient for, and enhance, support for most rock mass conditions in ore sill development.

 

Cable bolting in local poorer quality areas, or where hangingwall faults impact stability, may be required. Based on results of stress simulations, it was identified that cable bolting may be required in areas where stoping occurs over a significant strike lengths and spans (i.e., 50 to 100 m). Approximately 1,000 x 10 m long cable bolts have been included in the mine design that coincide with several poorer quality stress impacted zones (both elevated and distressed) identified with the numerical stress simulation.

 

Project No.: 251208
August 2023

Mining Methods

Page 16-29
 

 

 

Wheeler River Project
Athabasca Basin, Saskatchewan
NI 43-101 Technical Report

 

Figure 16-10: Empirical Ground Support Recommendations

 

 

(Source: Modified from Grimstad et al., 1993)

 

16.2.2.4Stope Stability

 

The mine design includes mostly longitudinal stopes with the typical level spacing of 15 m (floor to-floor) x 17 m along strike, and an average width of 5.9 m. Transverse mining methods are typically included in the design where stoping widths exceed 15 m. Overall, the mine design includes stope widths varying from 3 to 16 m. Approximately 68% of these stopes are <6 m wide, and approximately 85% are <9 m wide.

 

A range of stopes dimensions were reviewed for stability using an empirical open stope design methodology known as Mathews-Potvin, or the Stability Graph Method (Hutchinson and Diederichs, 1996).

 

Project No.: 251208
August 2023

Mining Methods

Page 16-30
 

 

 

Wheeler River Project
Athabasca Basin, Saskatchewan
NI 43-101 Technical Report

 

Based on the information available at the time of this study, the optimized recommended stope dimensions for typical stopes are:

 

·Longitudinal stopes within 60° dipping mineralization:

 

-Stope height = 15 m (floor to floor)

 

-Stope width = 15 m maximum

 

-Stope length = 15 to 25 m maximum

 

·Longitudinal stopes within 45° dipping mineralization:

 

-Stope height = 15 m (floor to floor)

 

-Stope width = 15 m maximum

 

-Stope length = 15 to 20 m maximum

 

·Transverse stopes within areas where mineralization is greater than 15 m wide:

 

-Stope height = 15 m (floor to floor)

 

-Stope width = 15 m maximum

 

-Stope length = 20 m maximum

 

In the uppermost proposed mining areas, a higher level of conservatism was adopted given the proximity to the unconformity and poorer rock quality conditions. The recommended maximum stope widths for longitudinal stopes are reduced to 12.5 m wide, and the recommended maximum stope width and length for transverse stopes are both reduced to 12 m.

 

16.2.2.5Numerical Simulations

 

The empirical stability results were further investigated and verified using 2D and 3D numerical stress-strain models. The models are considered suitable for studying the evolution of mining induced stresses and displacements but are not considered suitably calibrated to estimate precise magnitudes of stress or strain or infer the relative degrees of rock mass damage resulting from failing/yielding rock (i.e., micro-cracking, spalling, on-going plastic deformation, and, in the extreme case, rock-bursting).

 

The model results were reviewed with the aim of highlighting areas where potential damage is concentrating, where stress shadows (loss of confinement, or relaxation) are occurring, and where standoff distances or pillar thicknesses are not sufficient to isolate some critical openings from significant mining-induced stress changes.

 

The modelling results are used as a guide only, to inform the design process. The models’ limited capacity arises from the current level of knowledge regarding geotechnical and hydrogeological conditions, in situ stress conditions, local and intermediate-scale structural features, and geotechnical zoning. All of these can significantly constrain the extent to which the model can be used to accurately predict local and global rock mass behaviour during the mine life.

 

Project No.: 251208
August 2023

Mining Methods

Page 16-31
 

 

 

Wheeler River Project
Athabasca Basin, Saskatchewan
NI 43-101 Technical Report

 

16.2.3Mining Method

 

The Gryphon deposit will be accessed via two shafts and extracted using the longhole stoping method, primarily longitudinal retreat. The production shaft will deliver heated fresh air with return air exhausted up the ventilation shaft where a secondary egress hoist/conveyance will be installed.

 

The Gryphon resource extends from the -2 m elevation to the -306 m elevation. A minimum 25 m pillar will be left below the unconformity, with the first underground longhole mining level located at the 567 Level or -32 m elevation (E lens).

 

Mined stopes will be backfilled using a combination of rockfill, CRF, and hydraulic fill. The hydraulic fill will be directed to the empty stopes by means of boreholes and pipelines. Waste rock and cemented rockfill will be directed to the stopes via underground haulage trucks and load haul dump units (LHDs). Where possible, waste rock will be disposed in available stopes.

 

The underground mine is expected to produce approximately 605 t/d of ore and an average of 330 t/d of waste rock during the steady state operating period.

 

The underground mine infrastructure includes:

 

·Maintenance facility, with three maintenance bays, a wash bay, tire and parts storage, electrical maintenance shop, fuel/lube bay, office, and lunchroom

 

·Electrical substations and power distribution

 

·Portable and permanent compressed air plants

 

·Explosives and detonators storage facilities

 

·Shotcrete receiving and mixing station

 

·Materials storage

 

·Ballast crusher station

 

·Rock breaker and grizzly station, complete with remucks for batching ore and waste during early operations and ore and low-grade material during steady state

 

·Dewatering sumps and pumps (designed for average ROM dewatering requirements and major inflow scenario)

 

·Mine ventilation facilities, including fresh air and return air raises, fans, and controls

 

·Refuge stations and latrines.

 

Project No.: 251208
August 2023

Mining Methods

Page 16-32
 

 

 

Wheeler River Project
Athabasca Basin, Saskatchewan
NI 43-101 Technical Report

 

All services to and from the underground mine include:

 

·Electrical power distribution from a 25 kV power line

 

·Process water distribution (process water will be stored in a tank with surge capacity and a reservoir for the fire protection system. Potable water will be provided as bottled water, and water from the wells that is used for wash water will first be treated with chlorine).

 

·Mine water discharge lines will include 3 x 300 mm schedule 80 piping installed in the production shaft with three additional (redundant) 300mm pipes installed in the ventilation shaft.

 

·All underground mine capital and operating requirements

 

·Underground mine direct and indirect operating personnel.

 

16.2.3.1Mine Development and Contract Strategy

 

Surface construction, shaft sinking/equipping, and off-shaft excavations will be completed using qualified contractors. Experienced construction personnel, tradesmen, and underground miners are available locally.

 

Once the shafts and initial off-shaft development is completed by the mining contractor, company development crews will complete the remaining development.

 

During the initial two years of off-shaft development, there will be a significant amount of underground construction, mostly on the 500 Level. This work will be completed by qualified contractors. Denison construction crews will complete the remaining ongoing construction.

 

16.2.3.2Underground Mine Model

 

An isometric view of the 3D model is shown in Figure 16-11.

 

Primary access to the deposit will be via a production shaft connecting surface to the main shaft station at 500 Level. The shaft will be used to transport personnel and materials underground, to hoist blasted material to surface, and to provide the main fresh air route for the mine. The shaft will be excavated to a depth of 550 m from surface at a diameter of 6.1 m using a blind boring method. On completion of a watertight steel/concrete composite liner, the final inside shaft diameter will be 5.0 m.

 

Project No.: 251208
August 2023

Mining Methods

Page 16-33
 

 

 

Wheeler River Project
Athabasca Basin, Saskatchewan
NI 43-101 Technical Report

 

Figure 16-11: Isometric View – Gryphon 3D Mine Model – Looking North

 

 

(Source: Stantec, 2017)

 

Project No.: 251208
August 2023

Mining Methods

Page 16-34
 

 

 

Wheeler River Project
Athabasca Basin, Saskatchewan
NI 43-101 Technical Report

 

The ventilation shaft will be excavated using the same blind boring method as the production shaft. The shaft depth will be 500 m from surface at a diameter of 5.8 m. On completion of a watertight steel/concrete composite liner, the final inside shaft diameter will be 4.5 m.

 

Access from the shaft to mine workings will be via a single ramp developed from the 500 Level (shaft station) to the 815 Level. The main haulage ramp will be located on the hangingwall. Each mining sublevel is connected to an internal fresh air raise (FAR) and an internal exhaust raise. The FAR will serve as a second means of egress from the sublevels. The Gryphon deposit plunges to the northeast and the access ramp is designed to follow the plunge. Short sections of ventilation transfer drifts are included in the design to allow the ventilation raise systems to follow the plunge.

 

The haulage ramp will be used to provide access for personnel and materials from the shaft to the mine workings, movement of mining equipment from level to level within the mine, and ore/waste haulage to the rock breaker station near the shaft. All ramp development will include the installation of long-term ground support (grouted rebar bolts, screen, and grouted cable bolts).

 

Mining levels will be located at 15 m vertical intervals with the first level located at the 590 Level. During initial ramp development to the 590 Level, the E Zone mining block will be accessed to provide early production and a location to dump special waste material, to allow the setup of the ballast crusher station, and to establish an emergency overflow sump and pump station.

 

On the 500 Level (shaft station), an access drift will be excavated to connect the production shaft to the ventilation shaft, providing early flow through ventilation and secondary egress from the mine. The major underground infrastructure will be located on the 500 Level between the two shafts (Figure 16-12). The access drifts will be extended beyond the ventilation shaft to provide a lateral transfer of fresh air and exhaust air for the mine.

 

Production level access drifts will be driven 4.5 m wide x 5.0 m high, at a nominal grade of 3% from the access ramp to the stopes. All level development will include the installation of permanent ground support (grouted rebar bolts, screen, and cable bolts).

 

All ramp, lateral level development, and infrastructure excavations will be considered as capital.

 

The mine has been divided into five mining blocks: E Zone, Lower D, Upper and Lower Main, and Upper SW. Each mining block will be further sub-divided based on early access and geometric constraints, and to reduce the number of sill pillars. Each mining block will be mined from the bottom up with longitudinal retreat to a central access, with any sill pillar at the top being removed after completion of production from the lower levels of the mining block above.

 

Project No.: 251208
August 2023

Mining Methods

Page 16-35
 

 

 

Wheeler River Project
Athabasca Basin, Saskatchewan
NI 43-101 Technical Report

 

Figure 16-12: 500 Level and Related Infrastructure

 

 

(Source: Stantec, 2017)

 

This will typically require redevelopment of the sill pillar stope top-cut drifts, as the bottom-cut (mucking) drift for the previously mined stope above will have been backfilled.

 

Stope over-cut and under-cut drifts width is dictated by the average stope width, to a maximum of 8 m wide, and will be driven at an average width of 5.9 m wide x 4.0 m high. All drifts will be driven at a grade of 3% to provide positive water drainage from the stopes. The drift height is required to allow efficient drilling of blastholes and to allow installation of ventilation ducting in the under-cut (mucking) drifts. The stope over-cut and under-cut drifts will include 100% shotcrete coverage and 150 mm of ballast on the floor to reduce the potential for radiation exposure.

 

Longhole stopes will be backfilled as soon as possible. During the early years of the project phase, enough waste rock will be produced to fill the stopes with CRF. Later in the mine life, when waste rock generation is reduced, hydraulic backfill will be used. Hydraulic backfill will be delivered to stopes via boreholes and pipelines.

 

LHDs will muck broken material from stopes and load 30 tonne capacity haul trucks at truck loadouts established near the ramp. The trucks will haul to the rock breaker/grizzly station located on the 500 Level. The ore will be hoisted to a surface pad and subsequently hauled to the ore stockpile located near the shaft. A surface contractor will transfer the ore to the McClean Lake mill.

 

Project No.: 251208
August 2023

Mining Methods

Page 16-36
 

 

 

Wheeler River Project
Athabasca Basin, Saskatchewan
NI 43-101 Technical Report

 

During the early development phase and prior to stoping, waste rock will be hauled via trucks (30 tonne capacity) to the rockbreaker/grizzly facility near the shaft on 500 Level. During this phase, the waste will be hoisted to surface and stored on the waste stockpile. If any special waste (waste with potential to contain uranium) is hoisted to surface, it will be stockpiled separately. In the current plan, there is no requirement to hoist special waste. Once there are empty stopes available for backfill, waste rock will be hauled to a remuck near the stope, mixed with a cement slurry, and dumped into the stope. Table 16-8 provides the annual hoisting requirements.

 

Table 16-8 Total Tonnes Hoisted per Year

 

Item Yr -1 Yr 1 Yr 2 Yr 3 Yr 4 Yr 5 Yr 6 Yr 7 Yr 8
Ore                  
Marginal Ore 0 2,525 4,163 0 0 0 0 6,376 1,123
Silling 0 7,059 21,259 31,492 43,657 40,650 40,650 25,686 5,215
Total Ore 0 9,584 25,422 31,492 43,657 40,650 40,650 32,062 6,338
Production 0 3,599 45,329 104,766 240,315 224,134 173,786 186,180 49,499
Waste 51,972 141,297 95,300 15,905 0 0 0 0 0
Total Hoisted 51,972 154,480 166,051 152,163 283,972 264,784 214,436 218,242 55,837

 

16.2.3.3Mine Development

 

Mine development will be completed using traditional drill and blast mining methods. Development jumbos will be equipped to drill 4.1 m long holes, resulting in a 3.8 m round advance.

 

The development of the haulage ramp will be on the critical path for mine development. As development progresses to the production levels, additional headings will become available. Once development has advanced sufficiently on 500 Level and the haulage ramp to provide adequate space and secondary headings, a second mining crew will be introduced to concentrate on completion of the development on the 500 Level.

 

Project No.: 251208
August 2023

Mining Methods

Page 16-37
 

 

 

Wheeler River Project
Athabasca Basin, Saskatchewan
NI 43-101 Technical Report

 

Development advance rates will vary depending on the location of the development and additional support/activities required. Early off-shaft development, within 50 m of the unconformity, will require probe holes and cover grouting in areas where the probe holes exhibit potential water inflows. Development in the ore sill will require 100% shotcrete to reduce the radiation exposure in these headings.

 

The access ramp and off-ramp lateral development will be driven 4.5 m wide x 5.0 m high. This drift size was selected to provide sufficient clearance for a 30-tonne truck. The drift height is required to provide adequate clearance for the installation of ventilation ducting during ramp development, and to provide sufficient ventilation airflow volumes for truck haulage operation during the mine production period.

 

The silling and operating development will be driven at 4.0 m high, with a width ranging from 4.0 to 8.0 m, depending on the width of the resource. Ground support will vary depending on mining widths but will include 2.4 m resin grouted rebar, screen, and 100% shotcrete coverage. These drifts will require installation of rigid ventilation duct and fans to pull exhaust air from the face, water supply lines, electrical power and communications cables, blasting lines, and backfill lines. All drifts will be driven at grades of 3% or greater to provide positive drainage for water inflows.

 

Ventilation raises will be developed using raisebore machines. The upper raises will be 4.0 m diameter while the lower raises will be 3.0 m diameter. The FARs will be equipped with a ladderway for secondary egress. The raises will be driven in multiple legs, with transfer drifts on the silling horizons. The FARs may also serve as a permanent route for services throughout the mine. Development of 4.0 m diameter raises will be scheduled at an overall advance rate of 2.4 m/d and 3.0 m/d for the 3.0 m diameter raises. All ventilation raises will be developed using a qualified mine contractor.

 

16.2.3.4Mine Production

 

Production will target the milling capacity of 9.0 Mlb U3O8 per year, equivalent to 605 t/d of mineralization. The deposit has the potential to exceed 605 t/d (or 0.9 Mlb).

 

Mine production rates have been selected considering a custom milling scenario. Tonnes/pounds produced more than the mill targets will be stockpiled at the mill.

 

Stope mucking will be completed using LHDs. The LHDs will transfer material to a remuck located near the haulage ramp and subsequently load haul trucks.

 

Project No.: 251208
August 2023

Mining Methods

Page 16-38
 

 

 

Wheeler River Project
Athabasca Basin, Saskatchewan
NI 43-101 Technical Report

 

The final production grade control will consist of drawpoint sampling during the production mucking. This will confirm predicted production grades from the stopes.

 

A mine production plan has been generated for the Gryphon underground mine, as shown in Table 16-9. This production plan shows the start of production in Year -1. The production rate will ramp up to a steady-state production rate of 9.0 Mlb U3O8 per year starting in Year 4. All underground mine production will be completed in Year 7.

 

Table 16-9: Mine Production Plan

 

Mining Block Yr 1 Yr 2 Yr 3 Yr 4 Yr 5 Yr 6 Yr 7 Yr 8
E Zone 3,599 22,344 0 0 0 0 0 0
Upper SW 0 10,831 17,372 0 0 0 0 0
Upper Main 0 12,153 63,778 95,433 70,793 35,263 9,562 0
Lower Main 0 0 18,951 94,863 92,260 118,136 129,704 48,840
Lower D 0 0 4,664 50,018 61,082 20,386 46,914 658
Total Longhole Stoping 3,599 45,329 104,766 240,315 224,134 173,786 186,180 49,499
Silling 7,059 21,259 31,492 43,657 40,650 40,650 25,686 5,215
Total Production (tonnes) 10,658 66,588 136,258 283,972 264,784 214,436 211,866 54,714
Total Production (pounds) 432,132 2,741,670 5,850,109 12,038,266 10,927,836 8,381,563 7,573,549 1,767,095
Total Milled (pounds) 432,132 2,741,670 5,850,109 9,000,000 9,000,000 9,000,000 9,000,000 4,688,310

 

Longhole Mining

 

A stope optimizer program, mineable shape optimizer (MSO), was used to generate and evaluate stopes at 15, 20, and 25 m level spacing. The level spacing at 15 m provided the most favourable results for dilution and recovery and was selected due to the narrow vein nature of the deposit, the blast hole deviation in the down dip dimension, and the variable shapes of the mining wireframes as viewed in a vertical projection.

 

Longhole drilling will be completed using in-the-hole drills suited to narrow vein mining. Blast holes will be 100 mm in diameter and approximately 16 m in length. Blastholes will be loaded and blasted using cartridge emulsions.

 

A drop raise will be drilled and blasted to create an initial void for production blasting. The drop raise will consist of 14 holes in total, with five reamed to a 200 mm diameter. Slot rings surrounding the raise will be blasted across the full width of the longhole stope. The drill pattern will consist of a 2 m ring spacing and 2.4 m hole burden.

 

Project No.: 251208
August 2023

Mining Methods

Page 16-39
 

 

 

Wheeler River Project
Athabasca Basin, Saskatchewan
NI 43-101 Technical Report

 

Over-cut and under-cut drifts will be driven for the production stopes. Each drift may serve several stopes, starting at the east or west abutment and retreating toward the central access drift. The resource consists of several stacked lenses, and therefore each level may have several over-cut drifts. Mining generally will progress from footwall to hangingwall and from the extremities to the central access drift. Figure 16-13 illustrates a typical production level and longhole stope outlines.

 

Figure 16-13: Typical Production Level

 

 

(Source: Stantec, 2017)

 

16.2.3.5Mine Backfill

 

A trade-off study was completed reviewing CRF, hydraulic fill, and pastefill, with various sources of material for each backfill type. There is insufficient waste rock in the Wheeler River area to utilize CRF only. Therefore, the local alluvial sand was sourced as the backfill material. Backfill testwork including material characterization, permeability, rheology, and strength testing was conducted on overburden at site. Testwork was successful at achieving the target strength requirement for hydraulic backfill; however, locating suitable material on site that does not require blending will be required.

 

Stope backfilling will be completed using a combination of rockfill, CRF, or hydraulic fill delivered by pipeline to the over-cut drift, with waste co-deposited by LHD.

 

Project No.: 251208
August 2023

Mining Methods

Page 16-40
 

 

 

Wheeler River Project
Athabasca Basin, Saskatchewan
NI 43-101 Technical Report

 

The hydraulic backfill plant will be constructed on surface and will produce fill from the surface overburden material (sand). The in situ sand material will be too coarse to produce a suitable backfill and will require additional processing to produce a material with additional fines.

 

The fill will be directed down 100 mm schedule 80 pipe installed in the ventilation shaft to the 500 Level, and then through a series of boreholes to active mine production levels below. Lateral pipelines will be installed on the levels to reduce line pressures in the distribution system and to deliver the backfill to the individual production stopes as required.

 

16.2.3.6Ore and Waste Handling

 

During the initial development phase, 6-yard LHDs will load waste rock (and limited ore) into 30 tonne capacity haul trucks to be trucked to the 500 Level rock breaker station. Ore and waste remucks will be located near the rock breaker station to enable batching of the material as required.

 

Once sufficient open stopes are available, the bulk of the waste will be hauled to remucks near the open stopes, trammed by LHDs, and dumped into the nearest open stope. The remaining waste rock will be trucked to the 500 Level rock breaker station. By Year 4 it is estimated that all waste rock generated underground will be used for backfill and will not be hoisted to surface.

 

There will be three 30 tonne capacity trucks in the fleet to meet ore and waste rock handling requirements. One LHD will be dedicated to loading ore and waste rock into the haulage trucks and to re-handling the waste as backfill.

 

Table 16-10 shows estimated LOM quantities of development waste rock broken and rock required for backfilling.

 

There will be a total of 320,000 tonnes of waste hoisted to surface in the first four years of development. This waste will be stockpiled on surface. There are no plans to use this waste for construction as it is potentially acid generating. Table 16-11 indicates that there is sufficient waste material produced in Years 1 through 4 to keep up with Gryphon backfill requirements without the need for the hydraulic backfill plant. It also shows the amount of backfill required by year and the ratio of waste rock to hydraulic fill.

 

Project No.: 251208
August 2023

Mining Methods

Page 16-41
 

 

 

Wheeler River Project
Athabasca Basin, Saskatchewan
NI 43-101 Technical Report

 

Table 16-10: Waste Rock Broken, Backfill, and Ballast Quantities

 

Item Yr -2 Yr -1 Yr 1 Yr 2 Yr 3 Yr 4 Yr 5 Yr 6 Yr 7 Yr 8
Waste Material Produced                
Marginal Ore 0 0 0 0 7,763 11,749 10,692 11,161 0 0
Special Waste 0 0 11,156 18,668 27,714 47,903 48,612 40,577 23,697 2,893
Other Waste 0 57,579 153,896 136,394 83,344 62,899 55,390 22,700 0 0
Consumed Underground                  
Backfill 0 0 7,016 43,826 89,676 107,994 101,365 65,099 19,366 2,197
Ballast 0 5,606 16,739 15,936 13,240 14,558 13,330 9,338 4,331 696
Hoisted Waste 0 51,972 141,297 95,300 15,905 0 0 0 0 0

 

Table 16-11: Backfill Required and Ratio of Waste Rock to Hydraulic Fill

 

Backfill Unit Yr -2 Yr -1 Yr 1 Yr 2 Yr 3 Yr 4 Yr 5 Yr 6 Yr 7
Rock Fill tonnes 0 0 7,016 43,826 89,676 107,994 101,365 65,099 19,366
Hydraulic Fill tonnes 0 0 0 0 0 78,890 72,891 76,025 120,062
Total   0 0 7,016 43,826 89,676 186,884 174,256 141,125 139,428
Rock Fill % 0 0 100 100 100 58 58 46 14
Hydraulic Fill % 0 0 0 0 0 42 42 54 86

 

16.2.3.7Mine Ventilation and Heating

 

The mine will be designed to have dedicated fresh and return ventilation raises/drifts, providing flow through ventilation in all production mining areas to avoid recirculation of air. The ventilation system will be designed to operate mainly as a pull system, to reduce leakage throughout the mine, with a push fan at the intake directing the air through the heater and into the production shaft. The fresh air will be split on the 500 Level to the haulage ramp, and to the 500 Level infrastructure (garage and main sump) and internal FAR, from which it will be directed to the working areas through a series of internal FARs and transfer drifts. Regulators, dampers, doors, bulkheads, and auxiliary fans will be included to control the air distribution to the various levels as necessary. The air will exhaust through a series of internal RAR, return air transfer drifts, and the ventilation shaft to surface.

 

The airflow requirement in Saskatchewan for diesel powered mobile equipment operating in underground mines is 0.063 m3/s. The total airflow requirement is 236 m3/s considering equipment operating underground at full production.

 

Project No.: 251208
August 2023

Mining Methods

Page 16-42
 

 

 

Wheeler River Project
Athabasca Basin, Saskatchewan
NI 43-101 Technical Report

 

A description of the ventilation system as it evolves through the life of mine is given in the following sections.

 

Pre-production

 

The production shaft will be the first airway to be established in the ventilation system from which the ramp and drift to the exhaust raise will be developed. The return and fresh paths will be through the production shaft, with the fresh air isolated within an 1,800 mm diameter steel duct. The surface intake fans for the LOM will push the air down the ducting in the shaft to the 500 Level, at which point a wye ducting arrangement will be made with a 75 kW fan at each end pushing air through a 1,220 mm polyvinyl chloride (PVC) duct. Rigid ducting will be used to reduce the frictional losses, and, if the ramp continues further than planned, prior to establishing flow through ventilation to surface, a second fan could be installed in series to provide the additional push required.

 

Full Production

 

Once the ventilation shaft is commissioned, a flow through ventilation system can be implemented in a push-pull configuration. The primary movers will be the pull fans on the ventilation shaft, and the push fans will be required at the intake to ensure that the air is drawn through the heaters rather than directly through the headframe. Airlock/regulators will then be used to control the ventilation flow from the FARs, with an exhausting overlap auxiliary ventilation system drawing air onto the active levels. A schematic of the ventilation system at full production is presented in Figure 16-14. While this represents a typical arrangement of auxiliary fans, the exact locations will depend on production schedule. Bulkheads will be required at all the internal fresh and return air raises, and doors and regulators will be installed at the raises to provide fresh air onto the active levels. The internal FARs will be equipped with an escapeway.

 

Project No.: 251208
August 2023

Mining Methods

Page 16-43
 

 

 

Wheeler River Project
Athabasca Basin, Saskatchewan
NI 43-101 Technical Report

 

Figure 16-14: Full Production Ventilation Schematic

 

 

(Source: Stantec, 2017)

 

Main Fans

 

The main fan motor power requirements were estimated from the ventilation model, considering pressure losses at the fan from the ducting, silencer, damper, etc. The ventilation system capabilities and fan ratings are summarized in Table 16-12.

 

All main fans will be located on surface and have a horizontal arrangement. The fresh air fan will be provided with a propane heating system for use during the winter months.

 

Winter design minimum ambient temperature was taken to be -40°C, with the mine air heaters sized for a maximum temperature rise of 26.6°C, thus increasing the air temperature to 4°C from the winter design ambient temperature. For the peak fresh air system capacities, a 14,936 kW heating system will be required.

 

Project No.: 251208
August 2023

Mining Methods

Page 16-44
 

 

 

Wheeler River Project
Athabasca Basin, Saskatchewan
NI 43-101 Technical Report

 

Table 16-12: Ventilation Fan Power Requirements

 

Location No.
Fans
VFD
Capable?
Peak Airflow
m3/s (cfm)
Peak Pressure
Pa (in. W.G.)
Total Power
kW (HP)
Surface Intake Fan (Production Shaft) 2 Yes 260 (550,000) 600 (2.4) 2 x 112 (150)
Surface Return Fan (Ventilation Shaft) 2 Yes 240 (500,000) 3,360 (13.5) 2 x 450 (600)

 

Note: Including ducting, heater, pressure losses, etc.

 

Auxiliary System

 

To reduce exposure time of exhaust air from the face in the production headings, an exhaust overlap system will be implemented. The system will consist of two fans, one providing the primary power to move the fresh air on the level and the smaller overlap fan required to ventilate the face and ensure that no ventilation dead zones are present.

 

16.2.3.8Mine Dewatering

 

The dewatering system will be designed to handle emergency inflows of 1,650 m3/h and daily mining activity inflows of 258 m3/h (58 m3/h from process water and 200 m3/h from groundwater). The system is designed to pump mine waters from underground up to surface for treatment and discharge. For normal operations, the dewatering system will consist of a main pump station at the 500 Level, a decanting station at the 500 Level, and cascading pump stations located at the 582 Level, 635 Level, 695 Level, 725 Level, 755 Level, and 815 Level. The main pump station and the 582 Level and 635 Level cascading sumps are designed to handle emergency inflows. In the event of an emergency inflow, which is assumed most likely to occur above the 635 Level, water will gravity drain to the 635 Level, be transferred to the top of a rock-filled stope at the 567 Level, referred to below as the emergency catchment sump, recollected at the 582 Level cascading station (also referred to as the booster station), and transferred to the main pump station on 500 Level. The purpose of the transfer to the rock filled stope is to allow for settling and filtration of silt which could potentially enter with the groundwater. The dewatering system is not designed to prevent the mine from flooding below 635 Level, but to maintain accessibility and integrity of infrastructure above that level to facilitate remediation of the inflow source. It is assumed that, in such an event, all other mine operations will cease, and efforts will be dedicated to remediation of the inflow (Figure 16-15). A negative pressure exhaust system is also tied to the dewatering design to exhaust radon gas from the water.

 

Project No.: 251208
August 2023

Mining Methods

Page 16-45
 

 

 

Wheeler River Project
Athabasca Basin, Saskatchewan
NI 43-101 Technical Report

 

Figure 16-15: Dewatering Schematic

 

 

(Source: Stantec, 2017)

 

The main pump station will consist of three sets of two multi-stage centrifugal pumps in parallel. One pump in one of the sets will operate to handle the daily average inflows within the Gryphon orebody. Water from the pumps will be transferred to surface via three 300 mm pipes in the RAR shaft or three 300 mm pipes in the production shaft.

 

The emergency catchment sump will be used in the event of emergency inflows. The stopes located within the 567 Level will serve as the sump. Water from the 635 Level cascading station will be pumped to the stopes at the 567 Level and rockfill within these stopes will allow silt to settle and filter through the water prior to entering the booster station at the 582 Level. From there, water will bypass the decanting station and enter the main pump station sump, from which it will be pumped to surface.

 

Project No.: 251208
August 2023

Mining Methods

Page 16-46
 

 

 

Wheeler River Project
Athabasca Basin, Saskatchewan
NI 43-101 Technical Report

 

The decanting station will consist of two decanting drifts and one collection sump. Water from the 582 Level will be pumped to one of the decanting drifts until it is completely full of solids. Water will then be pumped to the secondary decanting drift while the solids in the primary drift are dewatered or being cleaned out. Once the secondary drift is full, water will then be pumped back to the first decanting drift, thus repeating the process. The decanting drifts will consist of a permeable wall to filter solids out of the water. Cascading pump stations will be placed within the Gryphon orebody to pump dirty water to the decanting station. The cascading pump stations can be found at the 582 Level, 635 Level, 695 Level, 725 Level, 755 Level, and the 815 Level. The cascading pump stations at the 635 Level and 582 Level will be fitted with five submersible pumps, a sump, and a cat walk. Cascading pump stations on every other level will be fitted with one submersible pump and a sump. Each station will be closed off with a rubber curtain and contain an exhaust pipe for radon gas, which will be exhausted to surface via the RAR.

 

Daily Inflows

 

To meet daily inflow requirements, the cascading pump station pumps and sumps will be designed to meet the daily average dewatering rates of 258 m3/h. During development, a moveable diaphragm pump at the development face will pump water to borehole sumps via the ramp. These borehole sumps will be located directly above the cascading pump stations. Water will then enter the cascading pump station, from which it will be pumped to the next pumping station above, via the ramp. Once water reaches the cascading pump station at the 582 Level, it will be pumped to the decanting station, where it will settle prior to entering the main pump station at the 500 Level.

 

Emergency Inflows

 

In the event of emergency inflow, the cascading pump stations below the 635 Level will flood. The cascading pump stations at the 635 Level and 582 Level will be adequately sized to meet these emergency inflows. From the 635 Level, water will be pumped to the stopes at the 567 Level, where silts will settle out of the water prior to entering the cascading pump station at the 582 Level. From the 582 Level, water will bypass the decanting station and enter the main pump station at the 500 Level, from which it will be pumped to surface. Bulkheads will be constructed in the ramp at strategic locations to reduce the risk of the inflows overwhelming the dewatering system. Once the bulkheads are cured, the pumps will shut off and the mine will flood to the bulkheads.

 

Project No.: 251208
August 2023

Mining Methods

Page 16-47
 

 

 

Wheeler River Project
Athabasca Basin, Saskatchewan
NI 43-101 Technical Report

 

16.2.3.9Other Underground Mine Infrastructure

 

Maintenance Facilities

 

Underground mobile equipment will be lowered down the production shaft to 500 Level. A fully serviced, multi-bay underground maintenance shop will be constructed on the 500 Level, within walking distance of the production shaft (Figure 16-12). It will be sized to accommodate ~10% of the total equipment fleet. The maintenance shop will consist of three bays, each with an overhead crane. The bays will be sized to fit the largest pieces of underground equipment. The maintenance facility will also contain an electrical maintenance shop, a welding bay, distribution of lubricants, an office, and limited parts storage. A tire storage bay and wash bay will be located nearby. The shop will be designed for flow through traffic, when possible, and will be tied into an exhaust duct, which exhausts directly into the ventilation shaft.

 

Fuel and Lubricant Storage

 

Fuels and lubricants will be transported underground in bladders via the cage and transported with a forklift to the fuel and lubricant stations. Fuel and lubricants will be stored at two fuelling and lubricant stations, located on the 710 Level and near the main 500 Level shop. Fuel and lubricants, including hydraulic oils, will be stored in appropriate self-contained modules (Lube-cubes or SatStats). The fuel and lubricant storage bays will be equipped with a fire suppression system and fire-resistant doors, as per regulated requirements.

 

Explosives and Detonator Storage

 

Underground explosives storage will be established on the 500 Level. Underground storage capacity will be up to 10 days supply of development and stope blasting materials. A small storage facility for detonators will also be constructed on the 500 Level.

 

Second Egress

 

A system for providing a second egress from the mine is required to be in place prior to the start of production. This second egress will consist of a small cage installed in the ventilation shaft and ladderways installed in the internal FARs.

 

Project No.: 251208
August 2023

Mining Methods

Page 16-48
 

 

 

Wheeler River Project
Athabasca Basin, Saskatchewan
NI 43-101 Technical Report

 

Refuge Stations

 

A permanent refuge station will be located on the 500 Level near the maintenance shop and on the 700 Level central to the production areas. The refuge stations will serve the development and production crews working in the area, as well as the maintenance crews working in the underground shop.

 

Two portable refuge stations will be purchased. As mine development and production moves into new mining areas, an appropriate existing cut-out will be used to set up a temporary refuge station.

 

16.2.3.10Mine Services

 

Electrical Power Distribution

 

The two underground feeders, A and B, will run from the surface E-house down the shaft to a switchgear in the main shaft substation at 500 Level. This switchgear will provide a tie-in point between underground feeders A and B and will also provide an isolation point for the main dewatering switch room, 500 Level infrastructure, and the development in the main ramp. The tie-in point in the switchgear will provide redundancy for the critical main dewatering pumps and for the development phase to minimize down time. As initial development occurs, isolation will be done from the main shaft substation switchgear until the underground switch rooms are installed. There will be 25 kV junction boxes installed at every two to three mining levels as the ramp is advanced to maintain the integrity of the main 25 kV distribution cables, reduce splices, and facilitate tie-ins for the sill development and production crew as they approach the area.

 

The total underground power requirement will be approximately 15,000 kVA, based on one production crew, two development crews, and supporting infrastructure, including pumps and fans.

 

Underground Communication, Automation, and Instrumentation

 

The primary underground communications will be via a wireless voice over internet protocol (VOIP) telephone (over fibre optic network) system. A fibre optic network, including programmable logic controller remote input/output has been included in the design for monitoring and control of ventilation and dewatering systems. The fibre optic backbone has been suitably sized to accommodate expansion and additional systems that may be required.

 

Instrumentation and automation initiatives will be taken where suitably advanced technology can be utilized. Applicable systems will function via the installed fibre optic network. The technology will apply to the ventilation network, mine dewatering system, and additional systems that may evolve over the life of the property.

 

Project No.: 251208
August 2023

Mining Methods

Page 16-49
 

 

 

Wheeler River Project
Athabasca Basin, Saskatchewan
NI 43-101 Technical Report

 

Mine Process Water Distribution

 

Water will be distributed throughout the mine via Victaulic water lines (50 mm diameter) installed in the access ramp and lateral development headings. Pressure reducers will be installed in the water supply line to maintain water pressures at a maximum of 690 kPa working pressure.

 

16.2.3.11Definition Drilling

 

Detailed delineation diamond drilling will be completed from underground drill bays situated over a strike length of approximately 300 m to evaluate the continuity of the deposit lenses. Underground drilling, when combined with existing surface exploration drill holes (spaced approximately on 25 m centres), is designed to achieve a spacing of approximately 12.5 m centres at the expected mineralized horizons.

 

Approximately 30,000 m of underground delineation drilling in 180 holes will be required to achieve the appropriate spacing across the deposit lenses. Each hole will average approximately 160 m in length.

 

16.2.3.12Underground Mobile Equipment

 

Mobile mine equipment will be purchased in stages as mine development advances and the second development crew is added. The production truck haulage fleet will be increased as mine production rates increase and the average depth of production increases.

 

For the initial ramp development starting in Year 1, a single development jumbo, an LHD, two 30 tonne trucks, a scissor lift, and a Hiab boom truck will be purchased.

 

During Year 2, the second development crew will begin working. In Year 3, the production crew will begin production on 582 Level. Additional development equipment and most of the mine production equipment will be purchased during this period. A total of 30 pieces of mobile equipment will be required underground during the peak production period. Table 16-13 provides a breakdown of the equipment fleet at peak requirement.

 

Project No.: 251208
August 2023

Mining Methods

Page 16-50
 

 

 

Wheeler River Project
Athabasca Basin, Saskatchewan
NI 43-101 Technical Report

 

Table 16-13: Mobile Equipment List

 

Description Peak Count
Development  
2 boom Jumbo (elec/hyd) 2
Boom bolter 3
6 yd LHD 2
Scissor lift 2
Toyota Jeep 2
Production and Backfill  
ITH with compressor 2
6 yd LHD 2
Tractor 1
Haulage/Construction and Miscellaneous  
Toyota Jeep 3
30 tonne truck 3
Scissor lift 1
Grader 1
Boom truck 1
Shotcrete sprayer (Encreter - dry or wet applications) 1
Transmixer 1
Kubota forklift 2
3.5 yd with forks (load roadbed crusher/transport materials/compressors) 1
Total 30

 

Project No.: 251208
August 2023

Mining Methods

Page 16-51
 

 

 

Wheeler River Project
Athabasca Basin, Saskatchewan
NI 43-101 Technical Report

 

17.0Recovery Methods

 

17.1Phoenix

 

17.1.1Process Design Basis and Criteria

 

Based on the results from the metallurgical testwork described in Section 13, key process design criteria (PDC) presented in Table 17-1 were defined. UBS grade range and reagent consumptions for the ISR wellfield were determined from the column and coreflood leach tests. Design criteria and reagent consumptions for the process plant were determined from evaluation of the four test campaign results. Representative values were chosen to populate the mass balance, based on the nominal grade of 15 g/L U in blended plant feed UBS. The final mass balance recovery basis of 96.5% overall plant recovery and 71% U3O8 YC quality is supported by test campaigns’ results.

 

It is expected that UBS feed grade will peak as high as 45 g/L U at low flow in early years, then gradually decrease to approximately 1.5 g/L U at peak flow by the end of the operating phase. Final equipment costing was adjusted based on design feed grade of 22.5 g/L and 21 m3/h flow rate, for approximately 9 Mlb/a U3O8 production rate.

 

Yellowcake product quality criteria in Table 17-2 is a subset of the full list of elements in the ASTM C-967-13 standard. Impurity elements below the penalty limits are not listed.

 

17.1.2Process Plant Description

 

Acidic lixiviant solution is prepared in the process plant and transferred to the injection solution handling system at the wellfield. The solution is injected through wells arranged in a pattern to the underground production zones. UBS is recovered via subsurface well pumps to the recovered solution handling system, for transfer to the process plant.

 

In the process plant, the first step is removal of impurities such as iron and radium from the UBS as solids in the stage 1 (Fe/Ra) precipitation circuit. The solids are placed as filter cake in totes on a storage pad, for shipment offsite. Next, the PLS feeds the stage 2 (YC) precipitation circuit. Finally, uranyl peroxide YC product solids are dried and packaged for shipment.

 

The BLS from stage 2 (YC) precipitation feeds the effluent treatment circuit, comprised of three stages. ET stage 1 neutralization precipitates most of the remaining radionuclides, so the resulting solids are placed as filter cake in totes along with the stage 1 (Fe/Ra) precipitation cake on the PPS pad. ET stage 2 neutralization removes most of the remaining dissolved solids, forming a waste solids stream composed mainly of gypsum. This is pumped as slurry to a disposal pond for consolidation. ET stage 3 is an IX/ER circuit that targets selenium removal. A small selenium-bearing waste solids stream is blended with the ET Stage 2 gypsum waste for disposal and treated effluent is discharged via monitoring ponds.

 

Project No.: 251208
August 2023

Recovery Methods

Page 17-1
 

 

 

Wheeler River Project
Athabasca Basin, Saskatchewan
NI 43-101 Technical Report

 

Table 17-1: Key Process Design Criteria

 

Area Operating Parameter Unit Quantity
Overall Plant Nominal UBS feed grade g/L U 15
  Design UBS feed grade g/L U 22.5
  UBS flow rate m3/h 21
  Annual operating hours h/a 7,440
  UBS feed contained U3O8 Mlb U3O8/a 9.14
  Mass balance recovery % of U 96.5
  Design product contained U3O8 Mlb/a U3O8 8.82
UBS Surge Tank Residence time h 8
  Temperature °C 10
  pH pH 1-2
Stage 1 (Fe/Ra) Precipitation Reaction tanks residence time h 8
Temperature °C 20
  Terminal pH pH 3.7
  Fe/Ra solids generation rate t/m3 UBS 0.012
  Fe/Ra thickener underflow density wt% solids 6
  Fe/Ra belt filter unit area (kg/h)/m2 20
  Filter cake density wt% solids 34
  Filter cake wash ratio m3/t solids 8
Stage 2 (YC) Precipitation Reaction tanks residence time h 8
Temperature °C 35
Terminal pH pH 3.4
YC solids generation rate t/m3 UBS 0.021
  YC thickener underflow density wt% solids 20
  YC belt filter unit area (kg/h)/m2 10
  Filter cake density wt% solids 60
  Filter cake wash ratio m3/t solids 8
YC Dryer Product moisture wt% moisture 1
  Temperature °C 125
YC Packaging Net weight YC per drum kg 400
Packaging rate drums/h 8

 

Project No.: 251208
August 2023

Recovery Methods

Page 17-2
 

 

 

Wheeler River Project
Athabasca Basin, Saskatchewan
NI 43-101 Technical Report

 

Area Operating Parameter Unit Quantity
ET Stage 1 Reaction tanks residence time h 3
Temperature °C 25
  Terminal pH pH 4.5
  ET Stage 1 solids generation rate t/m3 UBS 0.0022
  ET Stage1 thickener underflow density wt% solids 6
ET Stage 2 Reaction tanks residence time h 3
Temperature °C 25
  Terminal pH pH 10.5
  ET Stage 2 solids generation rate t/m3 UBS 0.0073
  ET Stage 2 thickener underflow density wt% solids 12
ET Stage 3 IX/ER vendor package m3/h feed 36
  Terminal pH pH 6.0-9.5
  Selenium in effluent mg/L 0.032
  Sulphate in effluent mg/L 2,800
  IX/ER filter cake to gypsum waste t/m3 UBS 0.0014
ET Stage 1 Belt Filter ET Stage 1 belt filter unit area (kg/h)/m2 15
Filter cake density wt% solids 34
  Filter cake wash ratio m3/t solids none
PPS Tote Handling Filter cake bulk SG t/m3 1.28
  Tote size L (m) x W (m) 1.17 x 1.21
  Tote capacity kg 1,000
Gypsum Waste Ponds Consolidated pond slurry wt% solids 20
Consolidated volume m3/a 6,700

 

Note: PPS = process precipitate solids

 

Table 17-2: Yellowcake Product Design Criteria

 

YC Purity Unit Recovery Mass Balance ASTM C 967-13 Standard
U % 71.0 Reject limit minimum 65% U
Ca % of U 0.50 Penalty 0.05, reject 1.00
F % of U 0.09 Penalty 0.01, reject 0.10
Mg % of U 0.03 Penalty 0.02, reject 0.50
Si % of U 0.70 Penalty 0.50, reject 2.50
Ti % of U 0.01 Penalty 0.01, reject 0.05
V % of U 0.16 Penalty 0.06, reject 0.30

 

Note: All other elements below penalty level of ASTM C967-13 standard.

 

The treated effluent is held in monitoring ponds to ensure it meets quality requirements before release on surface to the environment. Figure 17-1 presents a simplified flowsheet of the Phoenix process.

 

Project No.: 251208
August 2023

Recovery Methods

Page 17-3
 

 

 

Wheeler River Project
Athabasca Basin, Saskatchewan
NI 43-101 Technical Report

 

Figure 17-1: Phoenix Simplified Flowsheet

 

 

(Source: Wood, 2023)

 

Project No.: 251208
August 2023

Recovery Methods

Page 17-4
 

 

 

Wheeler River Project
Athabasca Basin, Saskatchewan
NI 43-101 Technical Report

 

17.1.2.1Injection and Recovered Solutions

 

Injection Leach Solution

 

Hydrogen peroxide, sulphuric acid, water and potentially ferric sulphate, are mixed to produce the injection leach solution (ILS) as feed to the injection wells. Recycled low grade recovered solution may also be mixed into the injection solution. There are two ILS mix tanks in the process plant to facilitate different mix strengths and provide redundancy. Batch mixes are transferred via header pipelines to the injection solution header houses at the wellfield.

 

Injection Neutralization Solution

 

Water and sodium hydroxide are mixed to produce injection neutralization solution (INS) which is used for remediation of well patterns once production is complete. Batch mixes are transferred to the injection solution header houses at the wellfield.

 

Wellfield Surface Equipment

 

Refer to Section 16 for details on wellfield layout and design.

 

17.1.2.2UBS Surge Tank

 

To feed the process plant, recovered UBS is transferred from the recovered solution tanks in the wellfield via a header to the UBS surge tank. It has several hours of surge capacity to modulate flow and decouple startup/shutdown of the wells and process plant. For early in wellfield life when grade is highest and flow is lowest, provision is made to add water to plant feed. The UBS is pumped through a closed loop glycol heat exchanger to warm the solution prior to feeding the stage 1 (Fe/Ra) precipitation circuit.

 

17.1.2.3Stage 1 (Fe/Ra) Precipitation Circuit

 

The purpose of the stage 1 (Fe/Ra) precipitation circuit is to remove impurities from the UBS creating a mixture of ferrihydrite, radionuclide and gypsum precipitates. Lime is added to raise the pH in a stepwise manner reacting with sulphuric acid in UBS to form gypsum. Hydrogen peroxide addition raises the oxidation potential to promote ferrihydrite precipitation. Barium chloride addition produces barium radium sulphate precipitate.

 

Project No.: 251208
August 2023

Recovery Methods

Page 17-5
 

 

 

Wheeler River Project
Athabasca Basin, Saskatchewan
NI 43-101 Technical Report

 

Fe/Ra Reaction Tanks

 

The stage 1 (Fe/Ra) precipitation reactions occur in a series of agitated reaction tanks gravity fed from one to the next. Lime slurry is added to each tank to a pH setpoint. Hydrogen peroxide is added to control ORP of each tank. Barium chloride is added to reaction tanks to achieve a target radium level.

 

The discharge from the last tank feeds the Fe/Ra thickener by gravity.

 

Fe/Ra Thickener

 

The Fe/Ra thickener feed is mixed with flocculant to enhance settling. Backwash from the Fe/Ra sand filter surge tank also reports to the Fe/Ra thickener. Thickener overflow is pumped from the overflow tank through the Fe/Ra sand filters. Two underflow pumps are provided. One pump provides recycle back to the Fe/Ra reaction tanks. The other pump provides flow forward to the belt filter feed tank.

 

Fe/Ra Sand Filters

 

Fe/Ra thickener overflow is known as PLS. The Fe/Ra thickener overflow transfer pump feeds the three sand filters in parallel. Two are online at any given time, with the third offline or in backwash mode. Filtered PLS is collected in a surge tank before being pumped to stage 2 (YC) precipitation.

 

Periodically the sand filters require backwashing and air scouring to clean the media. Backwashing removes accumulated solids from the sand filter, discharging to the sand filter backwash surge tank. Air scouring introduces compressed air into the bottom of the sand filter which discharges through a vent to atmosphere.

 

The filtrate collected in the PLS tank is pumped to the stage 2 (YC) precipitation circuit.

 

Fe/Ra Sand Filter Backwash

 

A high rate of intermittent sand filter backwash flow is collected in the Fe/Ra sand filter backwash surge tank. Backwash is pumped from this tank at a slow, steady rate back to the Fe/Ra thickener.

 

Project No.: 251208
August 2023

Recovery Methods

Page 17-6
 

 

 

Wheeler River Project
Athabasca Basin, Saskatchewan
NI 43-101 Technical Report

 

Fe/Ra Belt Filter

 

Underflow from the Fe/Ra thickener is received in the Fe/Ra filter feed tank. The tank decouples operation of the thickener and belt filter for startup/shutdown and flow adjustments during operation. The Fe/Ra filter feed transfer pump feeds the Fe/Ra belt filter.

 

The belt filter removes liquid from the slurry via a vacuum pump to form a filter cake. Fe/Ra filter cake is dumped into the Fe/Ra hopper. The Fe/Ra screw conveyor transfers filter cake from the hopper to the PPS tote loading system.

 

Fe/Ra Filtrate

 

The belt filter operates with three stages of continuous counter-current wash of dilute sulphuric acid solution. Filtrate from the belt filter is collected in the Fe/Ra belt filter filtrate tank. The filtrate is pumped back to the Fe/Ra thickener overflow tank.

 

17.1.2.4Stage 2 (YC) Precipitation Circuit

 

The purpose of the stage 2 (YC) precipitation circuit is to produce uranyl peroxide precipitate. Hydrogen peroxide addition raises the oxidation potential to induce precipitation. Magnesia is added to maintain the pH.

 

Yellowcake Precipitation Reaction Tanks

 

PLS is first heated through a closed loop glycol heat exchanger. It is then fed to YC precipitation reaction tanks.

 

A series of agitated reaction tanks is gravity fed from one to the next. Flow from the last tank feeds the YC thickener. Recycled underflow from the YC thickener underflow recycle pump is normally added to the first tank. An online uranium grade analyzer and flow meter are used to calculate YC precipitation tanks’ total peroxide addition rate. Magnesia slurry is added to each tank to control pH to setpoints.

 

Yellowcake Thickener

 

The YC thickener feed is mixed with flocculant to enhance settling. Backwash from the YC sand filter surge tank and the YC belt filter filtrate tank also report to the YC thickener. Thickener overflow is pumped from the overflow tank through the YC sand filters. Two underflow pumps are provided. One pump provides recycle back to the YC reaction tanks. The other pump provides flow forward to the YC belt filter feed tank.

 

Project No.: 251208
August 2023

Recovery Methods

Page 17-7
 

 

 

Wheeler River Project
Athabasca Basin, Saskatchewan
NI 43-101 Technical Report

 

Yellowcake Sand Filters

 

YC thickener overflow is known as BLS. The YC thickener overflow transfer pump feeds the three sand filters in parallel. Two are online any given time, with the third offline or in backwash mode. Filtered BLS is collected in a surge tank.

 

Periodically the sand filters require backwashing and air scouring to clean the media. Backwashing removes accumulated solids from the sand filter, discharging to the YC sand filter backwash surge tank. Air scouring introduces compressed air into the bottom of the sand filter which discharges through a vent to atmosphere.

 

The filtrate collected in the BLS surge tank is pumped to the ET stage 1 circuit.

 

Yellowcake Sand Filter Backwash

 

A high rate of intermittent sand filter backwash flow is collected in the YC sand filter backwash surge tank. Backwash is pumped from this tank at a slow steady rate back to the YC thickener.

 

Yellowcake Filter Feed Surge Tank

 

Underflow from the YC thickener is received in the YC filter feed tank. The tank decouples operation of the thickener and belt filter for startup/shutdown and flow adjustments during operation. The YC filter feed transfer pump feeds the YC belt filter.

 

The belt filter removes liquid from the slurry via a vacuum pump to form a filter cake. YC filter cake is dumped into the YC hopper. The YC feed screw conveyor transfers filter cake from the hopper to the YC dryer.

 

Yellowcake Filter Wash Solution Tank

 

The YC belt filter operates with three stages of continuous counter-current water wash solution. The wash solution is prepared in the YC filter wash solution mix tank by mixing drum wash sump water, dryer scrubber water and packaging scrubber water. Additional makeup water comes from the plant water charge pump as required. Wash solution is pumped from the mix tank by the YC filter wash solution transfer pump to the belt filter.

 

Project No.: 251208
August 2023

Recovery Methods

Page 17-8
 

 

 

Wheeler River Project
Athabasca Basin, Saskatchewan
NI 43-101 Technical Report

 

Yellowcake Filtrate

 

Filtrate from the YC belt filter is collected in the YC belt filter filtrate tank. The filtrate is pumped back to the YC thickener feed.

 

17.1.2.5Yellowcake Drying and Packaging Circuit

 

Dryer

 

The purpose of the dryer is to reach final YC moisture of less than 1% before packaging.

 

YC from the hopper feeds an indirect-fired rotary or paddle style dryer. Dried YC reports to the YC product surge bin. Moist off gas from the YC dryer goes to the dryer venturi scrubber.

 

The product surge bin provides adequate residence time for cooling and enables drum packaging to occur on a campaign basis.

 

Drum Packaging System

 

YC from the surge bin is fed to the drum packaging system using a rotary valve.

 

The drum packaging system comes with all associated controls for filling, washing, drying, and weighing of the product drums.

 

Ventilation for the packaging system captures dust and delivers it to a venturi scrubber.

 

A sump pump in the area delivers drum wash water to the YC filter wash solution mix tank.

 

Venturi Scrubbers

 

Off gas from the rotary dryer goes to the dryer venturi scrubber for dust removal prior to being discharged to atmosphere. The dryer scrubber vent fan draws air through the system.

 

Ventilation from the drum packaging system goes to the packaging system vent venturi scrubber for dust removal prior to being discharged to atmosphere. The packaging scrubber vent fan draws air through the system. Water is used to collect dust in both scrubbers and is recycled back to the YC filter wash solution mix tank.

 

Project No.: 251208
August 2023

Recovery Methods

Page 17-9
 

 

 

Wheeler River Project
Athabasca Basin, Saskatchewan
NI 43-101 Technical Report

 

17.1.2.6Effluent Treatment

 

Effluent Treatment Stage 1

 

The purpose of ET stage 1 is to remove oxyanions such as molybdenum and vanadium, along with remaining radium, by precipitation. Lime addition to mildly increase the pH combined with ferric sulphate and barium chloride additions produce mainly ferrihydrite and gypsum precipitates, with co-precipitation or adsorption of elements of concern.

 

Stage 1 Reaction Tanks

 

ET stage 1 has a series of agitated reaction tanks gravity fed from one to the next. Normally, the first reaction tank receives feed from the following:

 

·BLS from stage 2 (YC) precipitation

 

·ET stage 1 belt filter filtrate

 

·Recovered neutralized solution from the wellfield

 

·Gypsum waste pond reclaim water

 

·Site run off water

 

·Monitoring pond treated effluent recycle, as required.

 

Lime slurry is added to each tank to control pH. Ferric sulphate and barium chloride are added.

 

Flow passes from the last reaction tank by gravity to the ET stage 1 clarifier.

 

Effluent Treatment Stage 1 Clarifier

 

The ET stage 1 clarifier feed is mixed with flocculant to enhance settling.

 

Clarifier overflow reports to the ET stage 1 overflow tank. The overflow pump feeds ET stage 2 reaction tanks.

 

Two underflow pumps are provided. One pump provides recycle back to the ET stage 1 reaction tank 1. The second pump provides flow forward to the ET stage 1 filter feed surge tank.

 

Project No.: 251208
August 2023

Recovery Methods

Page 17-10
 

 

 

Wheeler River Project
Athabasca Basin, Saskatchewan
NI 43-101 Technical Report

 

Effluent Treatment Stage 2

 

The purpose of ET stage 2 is to remove hydroxide-forming metals such as nickel and copper, and greatly reduce TDS by precipitation. Lime addition increases the pH to a strongly alkaline condition. This results in predominantly gypsum precipitates, with co-precipitation or adsorption of elements of concern.

 

Stage 2 Reaction Tanks

 

ET stage 2 has a series of agitated reaction tanks flowing by gravity from one to the next.

 

The first tank receives feed from ET stage 1 clarifier overflow and underflow recycle from the ET stage 2 clarifier.

 

Lime slurry is added to all tanks and is controlled to a pH setpoint for each tank. Barium chloride is added as required for radium removal.

 

Effluent Treatment Stage 2 Clarifier

 

The ET stage 2 clarifier receives feed from the final reaction tank and effluent sand filters backwash. The feed is mixed with flocculant to enhance settling.

 

Clarifier overflow goes by gravity to the ET stage 2 overflow tank. The overflow pump feeds ET stage 3.

 

Two underflow pumps are provided. One pump provides recycle back to the first ET stage 2 reaction tank. The second pump provides flow forward to the gypsum waste surge tank.

 

Effluent Treatment Stage 3

 

The purposes of ET stage 3 are to reduce the residual selenium level and adjust the final treated effluent pH.

 

ET stage 3 reaction tank 1 receives feed from the ET stage 2 overflow pump. Sulphuric acid is added to lower the pH using a metering pump.

 

The outlet of the ET stage 3 reaction tank 1 flows by gravity to the ET stage 3 IX column feed pumpbox. The pump introduces feed into the selenium removal- system. The IX/ER technology from a third-party vendor was selected from the options study described in Section 13. Its two main circuits are the ion exchange columns that produce regenerant and the electroreduction cells that treat ion exchange regenerant to concentrate selenium into stable solids.

 

Project No.: 251208
August 2023

Recovery Methods

Page 17-11
 

 

 

Wheeler River Project
Athabasca Basin, Saskatchewan
NI 43-101 Technical Report

 

ET stage 3 reaction tank 2 receives the IX column discharge. Barium chloride and sodium hydroxide may be added to the tank if required. The outlet from ET stage 3 reaction tank 2 flows into the ET stage 3 sand filter feed pumpbox.

 

Effluent Treatment Stage 3 Sand Filters

 

Effluent from the ET stage 3 sand filter feed pump is pumped to feed three parallel sand filters. Filtered solution at the outlet of the filters is collected in the treated effluent transfer tank.

 

Periodically the sand filters require backwashing and air scouring to clean the media. Backwash removes accumulated solids and reports to the sand filter backwash surge tank. Air scouring introduces compressed air into the bottom of the sand filter and discharges through a vent going to atmosphere.

 

Treated Effluent Transfer Tank

 

Filtered treated effluent is received in the treated effluent transfer tank. From here, it is transferred to the monitoring ponds. The effluent sand filter backwash transfer pump also draws from this transfer tank to provide backwash solution for the effluent sand filters.

 

Treated Effluent

 

Treated effluent is sent to one of three monitoring ponds. The pond feed is sampled and held in the pond until it is tested. Based on the assay sample results from the effluent in the pond, the liquid is either discharged to the environment or recycled back to the ET stage 1 reaction tanks.

 

Solid Waste Streams

 

Gypsum Waste

 

Underflow from the ET stage 2 clarifier is pumped to the gypsum waste surge tank. From here, the slurry is pumped to a gypsum waste disposal pond. The solids consolidate in the pond and the supernatant is recovered and sent to ET stage 1.

 

Project No.: 251208
August 2023

Recovery Methods

Page 17-12
 

 

 

Wheeler River Project
Athabasca Basin, Saskatchewan
NI 43-101 Technical Report

 

Process Precipitate Solids Handling

 

Underflow from the ET stage 1 clarifier is received in the ET stage 1 filter feed tank. The ET stage 1 filter feed transfer pump delivers slurry from this agitated tank and feeds the ET stage 1 belt filter.

 

The ET stage 1 belt filter removes liquid from the clarifier underflow via a vacuum pump. Filter cake is dumped into the ET stage 1 cake hopper. The ET stage 1 screw conveyor transfers filter cake from the hopper to the PPS tote loading system. Filtrate is collected in the effluent belt filter filtrate tank. Filtrate is pumped to the ET stage 1 reaction tank.

 

The filter cakes from the stage 1 (Fe/Ra) and ET stage 1 belt filters together are called PPS. Empty totes are set on roller conveyors that advance to the filling station equipped with a weigh scale. The screw conveyors stop and start to control filling of the totes with filter cakes. Full totes advance on roller conveyors out of the filling station. They are transferred by forklift to a flat-bed truck and delivered to the PPS storage pad.

 

17.1.3Reagents

 

Sulphuric Acid

 

Sulphuric acid is offloaded from a tanker truck and pumped into two storage tanks. Metering pumps transfer acid to the following locations:

 

·ILS 1 mix tank

 

·ILS 2 mix tank

 

·ET stage 3 reaction tank 1

 

·Fe/Ra filter wash solution mix tank.

 

Hydrogen Peroxide

 

Hydrogen peroxide is offloaded from a tanker truck and pumped into the hydrogen peroxide storage tank. As hydrogen peroxide is added to the storage tank, it is diluted to 35% concentration with the addition of water. The first 35% hydrogen peroxide metering pump reports to the diluted hydrogen peroxide mix tank. It is metered from there to the Fe/Ra and YC precipitation reaction tanks.

 

The second and third metering pumps report to the ILS 1 and 2 mix tanks.

 

Project No.: 251208
August 2023

Recovery Methods

Page 17-13
 

 

 

Wheeler River Project
Athabasca Basin, Saskatchewan
NI 43-101 Technical Report

 

Ferric Sulphate

 

Ferric sulphate is offloaded from a tanker truck and pumped into the 50% ferric sulphate storage tank. Metering pumps from the storage tank report to the following locations:

 

·ILS 1 mix tank

 

·ILS 2 mix tank

 

·ET stage 1 reaction tank 1.

 

Sodium Hydroxide

 

Sodium hydroxide is offloaded from a tanker truck and pumped into the 50% sodium hydroxide storage tank. From there, it is batch transferred to the 20% sodium hydroxide mix tank for dilution with water.

 

Metering pumps from the 20% sodium hydroxide mix tank report to the following locations:

 

·INS mix tank

 

·ET stage 3 reaction tank 2.

 

Lime

 

Pulverized quick lime (CaO) is received at site by tanker truck. It is pneumatically conveyed from the tanker to the lime silo. Next, it is transferred by a feeder to the detention slaker. Lime mixes with water in the slaker under flow control and the slurry is transferred to the slaked lime slurry tank for distribution. Water can be added to the slaked lime tank for concentration adjustment.

 

Due to its tendency to plug in piping, lime is continuously circulated in two distribution loops. The Fe/Ra lime loop pump goes to the Fe/Ra reaction tanks. The effluent treatment lime loop pump goes to the effluent treatment area. Control valves regulate the flow to discharge points from the loop. Recirculated lime from each distribution loop is returned to the slurry tank.

 

Magnesia

 

Powdered magnesia (MgO) is received at site by tanker truck. It is pneumatically conveyed from the tanker to the magnesia silo. Next, it is transferred by a feeder to the detention slaker. Magnesia mixes with water in the slaker under flow control and the slurry is transferred to the magnesia slurry tank for distribution. Water can be added to the slurry tank for concentration adjustment.

 

Project No.: 251208
August 2023

Recovery Methods

Page 17-14
 

 

 

Wheeler River Project
Athabasca Basin, Saskatchewan
NI 43-101 Technical Report

 

Due to its tendency to plug in piping, magnesia slurry is continuously circulated in a distribution loop to the YC precipitation reaction tanks. Control valves regulate the flow to discharge points from the loop. Recirculated magnesia from the distribution loop is returned to the slurry tank.

 

Barium Chloride

 

Barium chloride (BaCl) is received as crystal powder. It is batch mixed with water to about 10% strength in an agitated mix tank. It is then transferred to a holding tank. From there, metering pumps distribute solution to the stage 1 (Fe/Ra) precipitation and ET stage 1, 2, and 3 reaction tanks.

 

Flocculants

 

Flocculant is received as dry powder. It is batch mixed in make-down systems with water to about 0.1% strength. It is then transferred to holding tanks. From there, metering pumps distribute solution to thickeners or clarifiers. There are three separate sets of flocculant make-down systems and metering pumps:

 

·Fe/Ra thickener

 

·YC thickener

 

·ET stage 1 and 2 clarifiers.

 

Reagent Consumption

 

At a nominal plant feed UBS grade of 15 g/L U, a total of 2.2 kg H2SO4 and 0.4 kg H2O2 per kg U is estimated for ISR leaching. Calculated acid consumption for the best fit leach recovery curve feed grade of 22.5% U3O8 was compared against the two closest empirical test data sets to confirm these values are reasonable.

 

The wellfield design assumes a small amount of progressive well pattern remediation would occur concurrently with production in the latter years of ISR operation. A low flow of dilute sodium hydroxide solution is included in the nominal reagent scheme.

 

The nominal case ISR wellfield reagent consumptions are shown in Table 17-3.

 

Project No.: 251208
August 2023

Recovery Methods

Page 17-15
 

 

 

Wheeler River Project
Athabasca Basin, Saskatchewan
NI 43-101 Technical Report

 

For the stage 1 (Fe/Ra) precipitation and ET stage 1 and 2 areas, consumption basis is per cubic metre of UBS feed. In contrast, the reagent consumption basis for the YC precipitation and drying/packaging circuits is stated per kg U in UBS feed. The two main consumables are YC drum/lid/sealing ring sets and PPS storage totes. These are expressed as quantities per kg U and per m3 UBS feed in Table 17-4.

 

Table 17-3: Nominal ISR Wellfield Reagent Consumptions

 

Area Reagent kg/kg U in Feed kg/m3 UBS Feed
In situ leach 93% sulphuric acid 1.40 12
  70% hydrogen peroxide 0.40 -
  50% ferric sulphate 0.024 -
In situ leach remediation 50% sodium hydroxide - 15

 

Table 17-4: Nominal Process Plant and Effluent Treatment Reagent Consumptions

 

Area Reagent kg/kg U in Feed kg/m3 UBS Feed
Stage 1 (Fe/Ra) Precipitation Quicklime powder - 9.1
  Barium chloride crystals - 0.90
  70% hydrogen peroxide - 0.37
  Flocculant 1 - 0.0011
Stage 2 (YC) Precipitation Magnesium oxide powder 0.14 -
  70% hydrogen peroxide 0.23 -
  Flocculant 2 0.00021 -
YC Drying and Packaging Propane 0.093 -
  YC drums/lids/rings (sets/kg U) 0.0034 -
ET Stage 1 Quicklime powder - 0.82
  Barium chloride crystals - 0.05
  50% ferric sulphate - 0.33
  Flocculant 3 - 0.0006
ET Stage 2 Quicklime powder - 4.77
  Barium chloride crystals - 0.05
  Flocculant 3 - 0.0074
ET Stage 3 93% sulphuric acid - Very low
  IX/ER reagents/consumables - Very low
PPS Handling Totes (quantity/m3 UBS) - 0.042

 

Project No.: 251208
August 2023

Recovery Methods

Page 17-16
 

 

 

Wheeler River Project
Athabasca Basin, Saskatchewan
NI 43-101 Technical Report

 

17.1.4Utilities

 

17.1.4.1Water

 

Freshwater is consumed in the process for several purposes including:

 

·Wellfield injection solutions makeup

 

·Reagents makeups

 

·Wash water for belt filters

 

·Dust control – scrubbers and drum wash

 

·Ancillary purposes such as hose stations.

 

Process plant freshwater consumption is nominally 34 m3/h during the operations phase and 29 m3/h during the remediation phase.

 

17.1.4.2Propane

 

Propane is consumed for several heating purposes. At nominal 21 m3/h and 15 g/L U in UBS:

 

·YC product dryer 450,000 L/a

 

·Glycol heat exchangers to heat process fluids 980,000 L/a

 

·Process building heating, ventilation, air conditioning using propane fired heater units 1,740,000 L/a

 

·Ancillary buildings 580,000 L/a

 

Total is 3,750,000 L/a of propane, not including potential ancillary uses such as temporary steam boilers.

 

17.1.4.3Electricity

 

The estimated connected load in the process plant is 2.2 MW/2.8 MVA, and the running load is 1.6 MW/2.0 MVA. The process plant includes an electrical room with switchgear fed from the 5 kV secondary of the main substation. Five kilovolt feeders from the main substation run to the process plant and transformed to 600 V by three 1.5 MVA transformers. The 600 V switchgear has a split bus with loads requiring backup power fed from bus B. Bus B is connected to both busses A and B in the main 5 kV substation.

 

Project No.: 251208
August 2023

Recovery Methods

Page 17-17
 

 

 

Wheeler River Project
Athabasca Basin, Saskatchewan
NI 43-101 Technical Report

 

17.1.5Phoenix Recovery

 

Uranium recovery was estimated by evaluating the losses of the individual circuits and combining into an overall steady state recovery. The final mass balance recovery basis is 96.5% as shown in Table 17-5.

 

During the ramp-up period recovery is lower resulting in a Year  1 recovery of 93.4% and a life of mine process plant recovery of 96.3%.

 

The majority of the Fe/Ra and ET losses end up in the PPS. Preliminary estimate for recovery of uranium from the PPS is 90%. The recovery from the PPS increases the overall Phoenix recovery by 2.7%. The life of mine recovery is summarized in Table 17-6.

 

Table 17-5: Phoenix Process Plant Steady State Recovery

 

Item Uranium Content
(%)
Process plant feed 100.0  
Fe/Ra losses 3.0  
ET losses 0.5  
Process plant recovery 96.5  

 

Table 17-6: Phoenix Life of Mine Recovery

 

Item Uranium Recovery
(%)
Process plant recovery 96.3  
Process precipitate solids recovery 2.7  
Overall Phoenix recovery 99.0  

 

17.2Gryphon

 

17.2.1Summary

 

Mineral processing for Gryphon production is based on processing at the McClean Lake mill. The mill is owned by Orano (77.5%) and Denison (22.5%) and is operated by Orano. The mill is currently processing material from the Cigar Lake mine; however, it has additional licensed processing capacity up to 24 Mlb U3O8 per annum.

 

Project No.: 251208
August 2023

Recovery Methods

Page 17-18
 

 

 

Wheeler River Project
Athabasca Basin, Saskatchewan
NI 43-101 Technical Report

 

In general, the results of the metallurgical testwork performed on the Gryphon composites presented in Section 13, and the resultant processing flowsheet, supports the processing of Gryphon material at the McClean Lake mill.

 

Toll milling agreement terms have not been assessed as part of this study. The QP has relied upon Denison’s information from their McClean Lake Joint Venture (MLJV) that mill capacity is available in the timeframes aligning with the production plans presented in Section 16, and that a toll milling agreement can be established for Gryphon materials.

 

17.2.2Mill History

 

The McClean Lake mill was designed as a typical acid leach uranium mill. During the design of the mill, allowances were made for potential future mill expansion and for the ability to process high-grade uranium ores as it was thought that higher grade feed and feed from other offsite sources may be processed during its life.

 

Mill construction began in 1995 and was commissioned in June 1999 to process the McClean Lake deposits. The mill commenced production at a rate of 6 Mlb of U3O8 per annum, processing grades of up to 4% U (Remple and Schnell, 2000; Badea and Schwartz, 2000).

 

In 2005, regulatory approval was received to modify the mill to receive Cigar Lake ore, including the construction of an ore receiving facility. The mill entered a period of care and maintenance in 2010 when onsite mining was complete and Cigar Lake feed was not yet available.

 

A significant mill upgrade project was initially considered in 2009 with construction beginning in 2012 to increase the production rate up to 22.3 Mlb U3O8 per annum. The mill restarted in October 2014 (Areva, 2013a).

 

The mill operating licence has been updated and expanded multiple times during the mill’s life, and most recently was approved to process 24 Mlb U3O8 per annum, with a 10-year licence renewal to June 30, 2027 (CNSC, 2017). In 2016, the McClean Lake mill produced 17.3 Mlb U3O8, and in 2017 it produced over 18 Mlb U3O8.

 

A process overview of the McClean Lake mill is provided in Figure 17-2.

 

Project No.: 251208
August 2023

Recovery Methods

Page 17-19
 

 

 

Wheeler River Project
Athabasca Basin, Saskatchewan
NI 43-101 Technical Report

 

Figure 17-2: Mill Process Overview

 

 

 

(Source: Areva, 2013b)

 

The mill was originally configured as a two-stage leach circuit. The circuit consisted of three primary leach tanks (60 m3) which fed a primary thickener. The thickener overflow reported to the clarification circuit and solvent extraction (SX) for further uranium recovery, and the underflow reported to the secondary leach circuit, consisting of seven secondary leach tanks (24 m3). The secondary leach tanks discharged to the CCD circuit where the slurry was washed, with final solids underflow reporting to the tailings neutralization circuit and the overflow reporting to the primary leach circuit. The CCD overflow, containing acid and iron, was used as the leach solution in the primary leach circuit.

 

During the various mill modifications, the most significant change to the mill design was the configuration of the leaching circuit. Currently, only the seven secondary leach tanks and the CCD circuit are being utilized for leaching and solid/liquid separation. The remainder of the original equipment is still installed in place, although not in service.

 

Project No.: 251208
August 2023

Recovery Methods

Page 17-20
 

 

 

Wheeler River Project
Athabasca Basin, Saskatchewan
NI 43-101 Technical Report

 

In general, no significant modifications have been made to the downstream uranium recovery circuit (from clarification onwards), and only incremental addition of parallel/series equipment has been completed to increase production capacity. This includes the construction of a standalone second SX circuit as part of the 2012 to 2014 capacity upgrade. Additionally, as part of the same upgrade, a new larger tails neutralization circuit was constructed.

 

An oxygen plant was constructed onsite in the 2000s to utilize gaseous oxygen as the leaching oxidizing agent; however, use of oxygen as the leaching oxidizing agent has been abandoned and the oxygen plant is currently only used to support the ferric sulphate plant. A counter current cyclone circuit was also constructed to support CCD operation; however, it is not currently in service.

 

17.2.3Current Mill Configuration and General Process Description

 

The processing of Gryphon ore at McClean Lake is based on the 2018 operating conditions and configuration of the mill. In general, the process conditions required for high recovery of uranium from Gryphon ore aligns well with and are amenable to 2018 mill operating conditions.

 

The mill is currently configured to be fed from either the ore stockpile and grinding circuit or from the ore slurry receiving facility, which is currently used to receive high-grade material from Cigar Lake. The existing slurry receiving circuit consists of a vacuum container unloading system, a neutral thickener for density correction, and slurry storage Pachucas. No change is envisioned to the slurry receiving circuit for Gryphon ore.

 

The grinding circuit, consisting of a semi-autogenous grinding (SAG) and ball mill, is currently not in service, and is available to the Gryphon feed.

 

Over the years, the leach circuit configuration has been modified several times. Currently, the leach circuit operates with only the seven secondary leach vessels in service, which advance to the CCD circuit. The primary leach tanks and the primary thickener are not currently in service. In leaching, sulphuric acid is used to leach the uranium from the ore into solution. Some uranium is not directly leachable and must first be oxidized. Hydrogen peroxide is added to oxidize the uranium to a soluble state and ferric sulphate is added to assist in the oxidation kinetics.

 

The CCD circuit consists of six thickeners in series and is utilized to separate the uranium containing solution from the barren residual solids. Wash water is added to minimize the aqueous uranium in the final solids from the circuit, which are directed to a tailings neutralization circuit.

 

Project No.: 251208
August 2023

Recovery Methods

Page 17-21
 

 

 

Wheeler River Project
Athabasca Basin, Saskatchewan
NI 43-101 Technical Report

 

The final solids from the CCD circuit, along with waste streams from the SX circuit and other sources throughout the mill, are directed to the tailings neutralization circuit. Ferric sulphate, barium chloride, and lime are added to stabilize any arsenic, molybdenum, radium, and other minor elements that have been solubilized in the process. The final tailings are thickened and pumped to the tailings management facility (TMF).

 

To improve SX performance, the uranium bearing solution from CCD is clarified and passed through sand filters to remove any suspended solids from the solution. It is then sent to the two parallel SX circuits.

 

In SX, the solution is contacted with an organic solvent, whereby the uranium is selectively transferred to the organic phase along with any molybdenum. The uranium and molybdenum are then stripped out of the organic phase using anhydrous ammonia into an ammonium sulphate solution, resulting in a purified (with the exception of molybdenum) and concentrated uranium solution.

 

The pregnant strip solution is passed though molybdenum removal carbon columns, used to remove any molybdenum, which is an impurity in the final uranium product. The further purified solution is then advanced to the YC precipitation circuit, where anhydrous ammonia is used to precipitate ammonium di-urinate (ADU). The ADU is then thickened, densified, and washed through a centrifuge, where it is then advanced to a calciner. The calciner produces a high-purity U3O8 product that is then packaged for offsite shipment and processing.

 

Ancillary circuits supporting the uranium recovery process include:

 

·An acid plant used to produce the necessary acid for leaching

 

·A ferric sulphate plant used to produce the necessary ferric sulphate for leaching

 

·An oxygen plant to support the ferric sulphate plant

 

·An ammonium sulphate crystallization plant, which treats the bleed stream from the uranium precipitation circuit and produces a saleable ammonium sulphate product

 

·A TMF to safely store the final residues from the process

 

·A water treatment plant to treat water reclaimed from the TMF prior to discharge to the environment

 

·Reagent receipt and storage facilities, including a lime slaking plant, to support the various mill circuits

 

Project No.: 251208
August 2023

Recovery Methods

Page 17-22
 

 

 

Wheeler River Project
Athabasca Basin, Saskatchewan
NI 43-101 Technical Report

 

·General plant utilities, including process and freshwater systems, cooling water systems, compressed air systems, and steam.

 

17.2.4Production Design Basis

 

Gryphon ores are expected to be processed at McClean Lake mill in the same timeframe as Cigar Lake ore. As a result, the processing of the Gryphon material at McClean Lake has been approached considering the impact of both feed sources on the mill. Sections 17.2.5 describes the McClean Lake mill modifications required to process both ore sources per the current production plans.

 

The design basis for Gryphon processing is the co-milling of both Gryphon and Cigar Lake ores through the mill. This will involve separate material receiving circuits for each feed, followed by co-leaching in a single leach circuit. Co-leaching in a single leach circuit will require additional metallurgical accounting activities to assign operating costs and recovery by ore type. It is anticipated that recovery and cost assignment would be accomplished through the use of empirical calculation based on batch testwork; however, this requires further discussion as part of the overall toll milling agreement.

 

17.2.4.1Production Plan and Mill Feed Rate

 

The production requirements at the McClean Lake mill are based on the following:

 

·Gryphon production plan (see Section 16), containing up to 9 Mlb/a U3O8. Gryphon production would commence after the published Cigar Lake production plan (2028)

 

·Cameco’s Cigar Lake NI 43-101 2016 Technical Report (Bishop et al., 2016) (Section 16.3 including Table 6-2).

 

Cigar Lake:

 

·Cigar Lake’s 2016 published production plan (Bishop et al., 2016) extends to 2028 at a rate 18 Mlb/a. From 2025 through 2028, the grade in Cigar Lake ore is expected to decline.

 

·During the anticipated production period of Gryphon, it is assumed that Cigar Lake will be mining and processing Phase 2 mineral resources. It has been assumed that Cigar Lake Phase 2 would operate at a lower production rate of 15 Mlb/a U3O8. The uranium grade for Cigar Lake Phase 2 is unknown, and the QP has assumed a grade of 15% U3O8. This assumption will need to be validated if/when Cameco declares Mineral Reserves for Cigar Lake Phase 2.

 

Project No.: 251208
August 2023

Recovery Methods

Page 17-23
 

 

 

Wheeler River Project
Athabasca Basin, Saskatchewan
NI 43-101 Technical Report

 

·Key impurities of arsenic and molybdenum are unknown for Cigar Lake ore. In reviewing the modifications for co-mingled processing, the QP has assumed a maximum co-mingled mill feed of 0.4% As and 0.1% Mo during Gryphon ore processing. This assumption will need to be validated when Cameco declares mineral reserves for Cigar Lake Phase 2.

 

Table 17-7 identified key processing criteria used in the evaluation.

 

The McClean Lake mill is currently licensed to produce 24 Mlb of U3O8 per annum. This study considers the McClean Lake mill operating up to but not exceeding this licensed limit. The current design basis for the mill is approximately 22.3 Mlb/a U3O8, thus modifications have been considered to allow the mill to reach full licensed production.

 

The McClean Lake mill is expected to operate 24 hours per day, 327 days per year (89.5% utilization). This should be achievable based on industry best practice, and past mill performance prior to the 2009 shutdown. Since restart in 2014, due to excess production capacity and higher feed grades, the mill has not yet had to achieve this utilization target.

 

Table 17-7: Mill Key Processing Criteria

 

Criteria Unit Cigar Lake Gryphon Co-mingled Feed
Plant operating time % 89.5 89.5 89.5
Annualized throughput t/a 46,123 229,765 275,887
Instantaneous throughput kg/h 5,883 29,306 35,189
U3O8 wt% 14.98 1.81 4.01
U3O8 annual production Mlb/a 15 9 24
Overall mill recovery % 98.5 98.2 98.4

 

17.2.5Process Design Criteria

 

Based on the results of the metallurgical test program discussed in Section 13, key PDC were established for the processing of Gryphon material (Table 17-8). PDC developed from testwork is primarily associated with leaching circuit operating conditions. Testwork data was consulted in the development of PDC values for solid/liquid separation and downstream uranium recovery circuits. However, due to the limited testwork data, some assumptions and extrapolation have been used in generating the overall PDC for these circuits (Hatch, 2018). In general, Gryphon material responds well to conventional acid leaching with reasonable recoveries. Metallurgical testwork conducted on Gryphon thus far has not identified any major risks, and the operating conditions align well to those currently employed at the McClean Lake mill.

 

Project No.: 251208
August 2023

Recovery Methods

Page 17-24
 

 

 

Wheeler River Project
Athabasca Basin, Saskatchewan
NI 43-101 Technical Report

 

The PDC refers to the standalone performance of Gryphon material. This study currently envisions co-mingling of Cigar Lake and Gryphon feed in the McClean Lake mill. Metallurgical results may vary during co-mingled processing and it is recommended that testwork be completed on co-mingled Gryphon and Cigar Lake material during the FS. Moreover, the PDC values utilized to support mill sizing (particularly reagent addition) consider the aggregate requirements of processing Gryphon and Cigar Lake material co-mingled.

 

Table 17-8: Gryphon Process Design Criteria

 

Parameter Unit Value
Target grind size (P80) µm 150
Leaching residence time h 8
Leaching temperature °C 50
Leaching pressure kPa(g) 0
Leaching acid addition (98% H2SO4) kg/t 60
Design acid addition (98% H2SO4) kg/t 100
Hydrogen peroxide addition (22.5% H2O2) kg/t 27
Ferric sulphate addition (45% Fe2(SO4)3) kg/t 25
Hydrogen protection Yes/No Yes
Leaching uranium recovery (Gryphon ore) % 99.0
Overall mill uranium recovery (co-mingled with Cigar Lake) % 98.4

 

Note: Design acid addition is utilized for acid plant sizing.

 

17.2.6Process Modifications

 

Utilizing the process design criteria presented in Table 17-8 and the processing requirements outlined above, a review of the required process capacity for the McClean Lake mill was completed. This review consisted of developing mass balances for each of the processing scenarios and comparing the required operating rate and conditions to the currently installed equipment in the mill, on a circuit-by-circuit basis.

 

In completing this review, the QP has relied upon current as-built engineering data, the current mill process design criteria, and benchmarking data from Orano on the maximum achieved capacity in each circuit.

 

The capacity review has been completed to a PFS level. Where testwork is not available, historical requirements and industry best practice was used. Testwork is not available on co-mingled ores, which may change the requirements for some circuits. Additionally, although the most recent mill upgrades should allow up to 22.3 Mlb/a U3O8, this has not yet been demonstrated in all circuits on an ongoing, sustained basis.

 

Project No.: 251208
August 2023

Recovery Methods

Page 17-25
 

 

 

Wheeler River Project
Athabasca Basin, Saskatchewan
NI 43-101 Technical Report

 

The following sections outline the McClean Lake mill upgrades required to support co-milling of Gryphon and Cigar Lake ores.

 

17.2.6.1Ore Storage and Receiving

 

Gryphon ores will be transported to site by highway trucks and offloaded onto the ore pad. Sufficient space will be allocated on the ore pad for surge capacity at McClean Lake.

 

Gryphon ore will be reclaimed from the ore pad by front end loader and transferred to the existing grizzly. The existing grinding circuit will be utilized with no major modifications expected. It is anticipated that the grinding circuit will operate at ~30 t/h, 24 h/d.

 

Gryphon ore will be metallurgically sampled, and then transferred from the grinding circuit to two existing storage Pachucas in the leaching circuit, providing four hours of residence time.

 

Cost allowances have been included for the following:

 

·refurbishing the SAG and ball mills and optimizing them for Gryphon operation

 

·installing a variable frequency drive (VFD) and tramp material protection, and making minor piping modifications

 

·refurbishing the retaining wall of the ore dump pocket.

 

17.2.6.2Leaching

 

Gryphon and Cigar Lake ores will be blended into two existing leach feed Pachucas in the leaching circuit. Each ore source, as well as the co-mingled leach feed, will be metallurgically sampled.

 

The leaching circuit will need to be further expanded to maintain the required 8-hour residence time for high uranium recovery. Three additional primary leach tanks will be installed in place of the other existing primary leach tanks. The new primary leach tanks will be added in series with the existing secondary leach tanks. Two of the existing decommissioned tailings neutralization tanks will be replaced with new leaching tanks. These tanks will be added in series with the end of the leaching circuit. Between 2018 and 2023, Orano replaced the two decommissioned tailings tank with two new tanks for ferric storage. Costs for the replacement of the tailing’s tanks have been maintained in the cost estimate, as new ferric storage tanks will need to be constructed to allow these new tanks to be utilized and converted to leaching tanks.

 

Project No.: 251208
August 2023

Recovery Methods

Page 17-26
 

 

 

Wheeler River Project
Athabasca Basin, Saskatchewan
NI 43-101 Technical Report

 

The leach circuit will maintain all existing hydrogen evolution safety features, and the new primary leach tanks will be equipped with the required ancillary equipment per the secondary leach tank design. Additional cooling circuit capacity is assumed to be required, as well as additional sweep air ventilation for hydrogen evolution protection.

 

17.2.6.3Solid/Liquid Separation

 

Leach circuit discharge will continue to report to the existing CCD circuit; however, due to the increased solids tonnage, a parallel filtration circuit will be added to manage the excess solids.

 

As most of the solids in the mill will be from Gryphon ore, initial settling tests show that Gryphon material should respond well in the CCD circuit, with potential increased throughput from the existing baseline. However, co-mingled testwork (with Gryphon and Cigar Lake ores combined) has not been completed and may impact settling performance.

 

The new filtration circuit (including a duty and standby filter) will be added adjacent to the CCD circuit. The filter press will utilize a wash step to achieve a similar uranium recovery as the existing CCD circuit.

 

17.2.6.4Tailings Neutralization

 

The flow rate will increase to the tailings neutralization circuit during Gryphon ore processing. No change to the tailings neutralization tanks is expected. However, the tailings thickener will not have sufficient capacity. As a result, a new parallel tailings thickener and associated pumping have been included as part of the mill upgrade.

 

17.2.6.5Clarification

 

Changes are not expected to the existing clarification circuit.

 

17.2.6.6Solvent Extraction

 

Modifications are not expected to be required for the SX circuits. Maximum sustained capacities to date indicate that continuous operation of the two existing SX circuits for a combined rate of 24 Mlb/a U3O8 should be possible without any modifications.

 

Project No.: 251208
August 2023

Recovery Methods

Page 17-27
 

 

 

Wheeler River Project
Athabasca Basin, Saskatchewan
NI 43-101 Technical Report

 

17.2.6.7Precipitation

 

The existing uranium precipitation circuit is not expected to require any modifications to allow for 24 Mlb/a U3O8 production. This assumes the use of all three currently installed YC precipitation tanks. Orano is currently utilizing one of the precipitation tanks to support the calciner off-gas circuit. If this conversion is still in place during the processing of Gryphon ores, a new tank will be required. It is suggested that during the FS, testing be completed to see if acceptable YC precipitation can be achieved with the reduced residence time of two precipitation tanks.

 

17.2.6.8Calcining

 

The calciner circuit is assumed to be able to handle the increased production rate of 24 Mlb/a U3O8. As part of the capacity review, the QP included the cost to upgrade the calciner feed centrifuge to support the larger flow of YC solids to the calciner and the required washing. It is recommended that a detailed review of calciner capacity be completed during the FS.

 

17.2.7Reagent and Support Plants

 

17.2.7.1Ammonium Sulphate Plant

 

It is expected that with the higher uranium production, the bleed to the ammonium sulphate (CX) plant will increase. A detailed review of the CX plant was not completed. However, an allowance has been included to support the upgrade of the CX crystal material handling equipment. This includes the final product dryer and centrifuge. The associated CX bleed ion exchange system is anticipated to require expansion, and four additional ion-exchange columns have been included as part of the mill modifications.

 

17.2.7.2Acid Plant

 

The existing sulphuric acid plant will require upgrades for Gryphon processing. A nominal acid requirement of 180 t/d is required for Gryphon processing. As part of the review, a design acid requirement was established based on the higher acid demands noted during the testwork that can occur as a result of variability in the Gryphon mineralogy. In the case of the design acid consumption, a total acid requirement of 225 t/d could be required. As a result, the cost to expand the acid plant by 100 t/d, for a total onsite capacity of 225 t/d has been considered.

 

Project No.: 251208
August 2023

Recovery Methods

Page 17-28
 

 

 

Wheeler River Project
Athabasca Basin, Saskatchewan
NI 43-101 Technical Report

 

17.2.7.3Ferric Sulphate Plant

 

The ferric sulphate plant should be sufficient for nominal Gryphon requirements. However, as part of the review, a design ferric requirement of 128 t/d was determined for Gryphon which will exceed the current plant capacity. As a result, it is expected that the ferric sulphate plant will need to be expanded to accommodate the new demand. One additional ferric sulphate batch reactor and ancillary equipment was considered in the PFS.

 

Between 2018 and 2023 Orano completed the installation of the additional ferric reactor as part of a separate mill upgrade project. Although this equipment is now existing, the cost estimate for this equipment has been reviewed and maintained in the estimate. The originally estimated costs will continue to be required to support an upgrade of the ferric distribution system, in conjunction with supporting the costs for the new ferric storage tanks (as discussed in Section 17.2.6.2).

 

17.2.8Utilities

 

The processing of Gryphon ores will increase the overall site operating load, because of the operation of the grinding circuit and the additional equipment required in leaching and CCD. It is not anticipated that the increase in loads will require any significant modification to the existing site electrical infrastructure.

 

Significant changes to the site water balance or freshwater requirements are not currently expected to process Gryphon ores.

 

17.3QP Comments on Section 17

 

17.3.1Phoenix

 

A toll milling agreement will need to be established for the re-processing of PPS at the third party licensed regional facility, based on the signed memorandum of understanding. It is assumed that future testwork demonstrates a re-processing flowsheet amenable to this facility, the facility has excess capacity and the applicable parties will finalize a toll milling agreement.

 

Project No.: 251208
August 2023

Recovery Methods

Page 17-29
 

 

 

Wheeler River Project
Athabasca Basin, Saskatchewan
NI 43-101 Technical Report

 

17.3.2Gryphon

 

The outcomes of the assumptions made in this Report are heavily dependent on the grades of both feed sources to the McClean Lake mill. Publicly available data for Cigar Lake only covers years prior to Gryphon production. The expected future grades and production from Cigar Lake ore have been assumed as this information has not been made publicly available. Any change to the estimated feed grades from Cigar Lake (based on the last years of Cigar Lake Phase 1 production) during Gryphon production will materially impact the outcomes presented in this Report.

 

A toll milling agreement will need to be established for the processing of Gryphon feed at McClean Lake. The McClean Lake mill currently has excess capacity and it is assumed that WRJV will be able to reach a toll milling agreement.

 

Project No.: 251208
August 2023

Recovery Methods

Page 17-30
 

 

 

Wheeler River Project
Athabasca Basin, Saskatchewan
NI 43-101 Technical Report

 

18.0Project Infrastructure

 

18.1Phoenix

 

18.1.1Site Layout

 

The proposed Phoenix site layout is presented in Figure 18-1 and will consist of the following facilities:

 

·Access roads

 

·ISR wellfield including injection and recovery header houses, piping and switch houses

 

·Freeze plant

 

·ISR (process) plant including an industrial wastewater treatment facility

 

·Process and runoff control ponds

 

·Monitoring and freshwater wells

 

·Waste pads and collection ponds

 

·Monitoring ponds

 

·Industrial and domestic landfills

 

·Wash bay and scanning

 

·Operations centre and gatehouse/security

 

·Storage areas

 

·Electrical substation and distribution

 

·Propane, diesel and fuel storage and distribution

 

·Potable water treatment facility

 

·Sewage treatment facility

 

·Camp

 

·Airport.

 

The proposed site is organized into radiological areas for control purposes. The wellfield, plant and nearest ponds are considered radiation areas. Radiation areas are areas that potentially contribute significantly to the dose of a worker. These areas include site locations where radioactive materials may be used or stored. Unauthorized persons are prohibited from entering radiation areas. The main site road borders this zone to the south- and north-east forming a tertiary barrier downhill of the production area. Monitoring ponds, gypsum pads and clean mine waste pads are located outside the road to the northeast. The camp and operations facilities south of the production area are deemed non-radiation areas. Non-Radiation areas are areas where no radioactive materials are used or stored.

 

Project No.: 251208
August 2023

Project Infrastructure

Page 18-1
 

 

 

Wheeler River Project
Athabasca Basin, Saskatchewan
NI 43-101 Technical Report

 

Figure 18-1: Phoenix Site Layout

 

 

(Source: Wood, 2023)

 

Project No.: 251208
August 2023

Project Infrastructure

Page 18-2
 

 

 

Wheeler River Project
Athabasca Basin, Saskatchewan
NI 43-101 Technical Report

 

18.1.2Site Access

 

18.1.2.1Roads

 

The Phoenix site is accessed from provincial Hwy 914, approximately 35 km north of Key Lake. The existing road from the Hwy 914 turnoff accesses the current exploration camp and Phoenix exploration area. The road has been sufficient for heavy vehicle access such as drilling rigs and civil equipment used during the 2022 FFT. Upgrades to this access road will include increasing the road width to 10 m to allow two-way traffic for 5 km leading to the guardhouse.

 

18.1.2.2Airstrip

 

An airport will be located north of the site for year-round access. The airstrip will be 1,600 x long x 30 m wide and is designed for 42 to 48 passenger aircraft.

 

18.1.3Onsite Roads

 

Onsite roads will be 8 m wide and will allow two-way traffic between site facilities. There will be two-way traffic service roads for travel between site secondary facilities and one-way traffic service roads with passing/pull-out lanes.

 

18.1.4ISR Wellfield

 

The infrastructure in the wellfield will be constructed over the LOM according to the mining phases starting with Phase 1. Main pipelines to and from the ISR plant will enter the wellfield area at Phase 1 from the northwest, which then will connect to headers serving the injection and recovery header houses. The header houses will be modular and can be relocated during the LOM. Piping into the active wellfield will be small bore and will be moved from depleted to new wells within a Phase, before the header houses are moved.

 

Electrical and control system connections will be routed to the header houses through a switch house that is permanently stationed.

 

18.1.5ISR Process Plant

 

The ISR process plant will consist of a wet plant and a dry plant.

 

Project No.: 251208
August 2023

Project Infrastructure

Page 18-3
 

 

 

Wheeler River Project
Athabasca Basin, Saskatchewan
NI 43-101 Technical Report

 

The wet plant will house iron-radium precipitation and thickening, yellowcake thickening and industrial wastewater treatment processes. The building is a pre-engineered structure and is approximately 60 m x 66 m and 14 m at peak.

 

The dry plant will contain dewatering, drying, and packaging systems. The building will be 38 m x 25 m x 20 m and house the product belt filter, dryer and packaging systems, as well as air handling and ancillary systems associated with these processes. The building will be custom engineered and stick-built to suit the multi-story arrangement of equipment that takes advantage of gravity flow where practical.

 

18.1.6Freeze Plant

 

The freeze plant will consist of a total of six 1,055 kW (300-ton refrigeration) units, each enclosed in a skid that includes ammonia/brine heat exchangers and brine mixing tank and pumps to supply the field. The refrigeration units will be deployed over time to suit the ground freezing plan.

 

Brine supply and return lines will feed the freeze wells around the perimeter of the wellfield.

 

18.1.7Storage Pads

 

Table 18-1 lists the storage pads with their capacities.

 

The PPS storage pad will be used to store containers of iron-radium precipitate that is generated in the wet process plant. The pad will be sized for three years of production and intended for plastic containers of the material placed by forklift. The PPS is expected to have a commercially viable uranium content for re-processing at an offsite uranium mill.

 

Table 18-1: Summary of Process Pads

 

Structure Construction Volume
(m3)
Process Precipitate Solids Pad Double Composite Liner System with Leak detection and Neutralizing 15,600
Industrial Landfill Double Composite Liner System with Leak Detection 50,000
Special Waste Pad Double Composite Liner System with Leak Detection 2,500
Clean Waste Pad Single Geomembrane Liner with Protection 2,500

 

Project No.: 251208
August 2023

Project Infrastructure

Page 18-4
 

 

 

Wheeler River Project
Athabasca Basin, Saskatchewan
NI 43-101 Technical Report

 

The special waste pad will be used for drill cuttings in the wellfield that are potentially uranium bearing. It will be located immediately next to the mining area so cuttings are transported a short distance. Any liquid will drain to the wellfield runoff pond for handling.

 

A clean waste pad will be provided in the potentially contaminated zone for management of clean mining materials. Water from the pad will drain to a clean waste pond.

 

The industrial landfill is designed to accept industrial wastes generated at the site including waste with radiological contamination. There will be an associated leachate collection pond immediately north of the industrial waste landfill. Space has been allocated for future expansion of the industrial landfill.

 

18.1.8Power Supply and Distribution

 

Power to the main substation will be from a 138kV overhead line provided by SaskPower. The total estimated connected load is 11.8 MW/14.4 MVA, and running load is 7.8 MW/9.6 MVA. The substation will include a 12/16 MVA, 138/5 kV main transformer and switch room containing protective switchgear and metering equipment. The main 5 kV switchgear will feed all site loads, and contain two buses A and B. Backup generators will be connected to bus B which can be isolated in the even of grid power loss. Loads requiring backup power will be connected to bus B. A capacitor bank will be connected to the main bus for voltage support, nominally sized at 3,000 kVAR but to be confirmed with SaskPower when the HV transmission line is designed.

 

5 kV feeders from the main substation will run to the process plant and be transformed to 600V by three 1.5 MVA transformers. The 600 V switchgear will have a split bus with loads requiring backup power fed from bus B. Bus B will be connected to both busses A and B in the main 5 kV substation.

 

Other loads onsite will be fed with an overhead 5kV pole line. Smaller loads will use a pole-mount transformer and have no backup power. The camp and the operations centre will have 1.0 MVA 4.16 kV-600 V ground mounted transformers and each will have a local 450 kW diesel generator for backup power.

 

The freeze plant and substation terrace also will include diesel generators for backup power in the event utility power is interrupted.

 

Project No.: 251208
August 2023

Project Infrastructure

Page 18-5
 

 

 

Wheeler River Project
Athabasca Basin, Saskatchewan
NI 43-101 Technical Report

 

18.1.9Fuel Storage and Distribution

 

Fuel storage will consist of two 25,000 L double walled tanks on a prepared pad, with vehicle dispensing pumps and equipment for site services vehicles. This will provide about one month of reserve storage. The tanks and fuel dispensing systems will be modular construction and placed on a concrete pad for containment.

 

18.1.10Propane Storage and Distribution

 

Two 100-tonne bullets are considered for the ISR process plant and a 50-tonne bullet for the camp area. This will provide about one month capacity at peak operation for the plant.

 

18.1.11Water Management

 

Along the wellfield centreline, the topography forms a small valley draining to Whitefish Lake immediately east of the site. The main road will cross this depression as it turns from northeast to northwest, forming a containment barrier between wellfield and ISR process plant, which are considered contaminated areas, and water monitoring and clean waste ponds which are in the potentially contaminated zone. This layout concept is intended to form a tertiary barrier and logical separation between contaminated and clean operational areas.

 

The drainage design will allow all runoff from operational areas to be directed towards the wellfield runoff pond which is the lowest feature in the contaminated area. This pond will be sized to manage a probable maximum precipitation surface runoff event within the contaminated operations area. Due to its natural slope, the wellfield will run off to this pond.

 

The plant terrace will be elevated relative to all ponds and pads on site. Drainage will be channelled to the process water pond and the wellfield runoff pond. The UBS settling pond, process water pond and PPS storage pad will be designed to accept a PMP event within their own surface areas. Surface drainage around these facilities will be channelled to report to the wellfield runoff pond. Being the highest operations facilities on the site, the main substation and freeze plant will be sloped and channelled to drain to the wellfield and then alongside in a ditch to the site runoff pond.

 

The ponds required to operate the Phoenix mine and ISR process plant are detailed in Table 18-2.

 

Project No.: 251208
August 2023

Project Infrastructure

Page 18-6
 

 

 

Wheeler River Project
Athabasca Basin, Saskatchewan
NI 43-101 Technical Report

 

Table 18-2: Summary of Process Ponds

 

Structure Construction Purpose Volume
(m3)
Wellfield Runoff Pond Double composite liner system with leak detection Collects all contaminated and potentially contaminated surface runoff 38,200
Gypsum Waste Pond

Composite liner system

 

· expansion mid-LOM

 

Stores gypsum produced from the effluent treatment plant

50,000

 

50,000

 

UBS Settling Pond Double composite liner system with leak detection Accepts recovered solution storage tank underflow 10,000
Clean Waste Runoff Pond Single geomembrane liner with protection Collects water from the clean waste pad 3,600
Effluent Release Ponds Composite liner system Stores treated water from the ISR process plant that is suitable for release 3,350 each
Process Water Pond Double composite liner system with leak detection Provides surge capacity for overall operations 15,000

 

18.1.12Potable Water Treatment Facility

 

A modular potable water plant will be located at the camp, which is the highest load for this water. The potable water plant will be fed from a water well to be drilled at the potable water treatment plant location. The plant is designed to treat 75 m3/d.

 

Potable water will be trucked in carboy containers to the plant and placed in water cooler dispensers.

 

18.1.13Fresh and Fire Water Distribution

 

Fire water will be obtained from Whitefish Lake. An intake structure will be located near the lake shore and designed to source water when the lake surface is frozen. A fire water tank will be sized for the highest fire load according to NPFA and FM standards, allowing approximately 8,000 L/min flow for up to 2 hours. Electrical and backup diesel fire pumps will be housed in a pump skid at the tank.

 

Fire water distribution piping will be routed through the site to suit the required load of each facility. The piping will be installed on surface and be insulated and heat traced to prevent freezing.

 

Project No.: 251208
August 2023

Project Infrastructure

Page 18-7
 

 

 

Wheeler River Project
Athabasca Basin, Saskatchewan
NI 43-101 Technical Report

 

Fresh water will be taken from the fire water storage tank. This will provide more continuous flow through the fire water tank to prevent it from freezing. A minimum level will be maintained in the fire water tank according to the maximum fire load on the site, so that adequate fire water will always be available.

 

18.1.14Sewage

 

The domestic wastewater treatment plant will be a modular bioreactor separation system sized for up to 200 people. Its outputs will be treated sludge that are placed in the landfill and treated water that can be re-used as process mine water.

 

18.1.15Operations Centre

 

The operations centre will be a 60 m x 40 m building and will contain administrative offices, security office/gatehouse, visitor dry and warehouse for general consumables, light tools and equipment.

 

18.1.16Wash Bay/Scanning

 

The wash bay and scanning facility will be a pre-engineered building for washing and scanning vehicles leaving the plant area.

 

18.1.17Camp

 

The site will have a permanent camp sized for 100 occupants with expansion allowance to 150 people and will include individual rooms, washrooms, laundry, kitchen and dining hall, medical/emergency services, concession, recreation area and exercise facilities.

 

18.1.18Communications

 

A communications tower will be located on the highest point of the Property northeast of the camp. The tower provides the site’s voice and data communications to offsite services.

 

Project No.: 251208
August 2023

Project Infrastructure

Page 18-8
 

 

 

Wheeler River Project
Athabasca Basin, Saskatchewan
NI 43-101 Technical Report

 

18.2Gryphon

 

18.2.1Site Layout

 

Figure 18-2 is a conceptual layout of the plan view of the Gryphon surface facilities, showing the relative scale and nominal footprint size of major infrastructure items, including:

 

·Headframe, collar house and hoist house for the production shaft

 

·Hoist house and hoist for auxiliary cage in production shaft

 

·Headframe, hoist house, and hoist for auxiliary cage in ventilation shaft

 

·Fresh air ventilation fans and propane fired air heaters with ventilation plenum at headframe

 

·Surface ore stockpile

 

·Clean waste rock storage

 

·Special waste storage

 

·Main south gatehouse

 

·Mine offices and mine rescue

 

·Backfill plant and backfill aggregate stockpile

 

·Substation

 

·Explosives magazine

 

·Outdoor fenced storage

 

·Fuel storage and dispensing facility (gas and diesel)

 

·Fire water tank and pumphouse

 

·Propane tank farm

 

·Water treatment plant

 

·Water treatment plant holding ponds (each with 7,500 m3 capacity)

 

·Water management ponds (each with 270,000 m3 capacity).

 

Project No.: 251208
August 2023

Project Infrastructure

Page 18-9
 

 

 

Wheeler River Project
Athabasca Basin, Saskatchewan
NI 43-101 Technical Report

 

Figure 18-2: Gryphon Site Layout

 

Map

Description automatically generated

 

(Source: Denison, 2018)

 

Project No.: 251208
August 2023

Project Infrastructure

Page 18-10
 

 

 

Wheeler River Project
Athabasca Basin, Saskatchewan
NI 43-101 Technical Report

 

18.2.2Site Access

 

The Gryphon deposit is approximately 3 km northwest of the Phoenix deposit. Access to the Gryphon site will be via a 2 km road extension from the Phoenix site development. The site will also be accessible via an airstrip constructed approximately 4 km northeast of the Phoenix deposit.

 

The main road will run past the east side of the production shaft with an eastern loop allowing for truck travel/access to all sides of the ore stockpile. This eastern arm will extend north-northeast to access the water treatment plant and ponds, which are positioned in natural low-lying area.

 

Personnel will arrive on buses from the Phoenix camp at a drop-off area south of the mine office/mine rescue building. A loop road will allow for easy exiting to the south from this loading area. This loop will also provide access to the backfill plant and aggregate pile.

 

Production from the Gryphon deposit will be trucked to the existing McClean Lake mill to the northeast, via existing Provincial Highway 914, including approximately 50 km of new road between the McArthur River mine and the Cigar Lake mine. It is expected that this road will be a joint effort with the province of Saskatchewan, and as such, 50% of the total cost for this road has been included in the capital cost estimate herein.

 

18.2.3Production Shaft

 

Primary access to the deposit will be via a production shaft connecting surface to the main shaft station at 500 Level. The shaft will be used to transport personnel and materials underground, hoist blasted stoping and development material to surface, and provide the main fresh air route for the mine. The shaft will be excavated to a depth of 550 m from surface at a diameter of 6.1 m using a blind boring method. Production requirements are to hoist a maximum of 750 tonnes of ore and 400 tonnes of waste rock per day. To meet these requirements, the shaft will be serviced by a single hoist plant operating two cages over skip conveyances, only one of which will have a safety mechanism (dogs). The conveyances will operate from surface to the main access level at 500 m depth and the loading pocket at the 520 m level. The cage over skip assembly without the safety mechanism will serve as material transport only.

 

In October of 2017, Denison completed a shaft test hole drilling program to confirm the suitability of the proposed production shaft location and gather key information to support the design and cost estimation process of the shaft excavation and liner design for the (SRK, 2018b).

 

Project No.: 251208
August 2023

Project Infrastructure

Page 18-11
 

 

 

Wheeler River Project
Athabasca Basin, Saskatchewan
NI 43-101 Technical Report

 

The production shaft will be a circular cross-section, hydraulically sealed shaft with a composite liner. It will have two main conveyance compartments which will be defined by shaft brackets cantilevered from the shaft wall. The shaft will include a small auxiliary hoist described below. The conveyance guide system will be conventional timber shaft guides. The shaft will also include a ramp to provide access to shaft bottom and a ventilation duct that will be designed to operate under negative pressure.

 

Services in the shaft will be wall mounted and will include two 25 kV power feed cables, fibre optic cable, two bare copper ground cables, four spare fingers, one 100 mm diameter process water line, and three 300 mm diameter dewatering lines.

 

The shaft will be serviced by one hoist and no ladderway is included, except below the 500 Level. To meet The Mines Regulations, 2018 for Saskatchewan, the rescue plan for personnel stuck in a shaft conveyance will be to remove them via an auxiliary hoist backed up by a diesel generator.

 

18.2.4Ventilation Fans and Mine Air Heaters

 

There will be two surface intake fans at the production shaft and two surface return fans at the ventilation shaft to maintain the designed ventilation system. Fresh air will be heated with a propane heating system during winter months. The mine will be designed to have dedicated fresh and return ventilation raises/drifts, providing flow through ventilation in all production mining areas to mitigate recirculation of contaminated air.

 

18.2.5Waste Rock Management

 

It is assumed that waste rock will be classified as ML/ARD. It is expected that any special waste, which is waste rock that contains a uranium content greater than 0.03% U3O8, will be stored underground. LOM waste will be stored in a waste rock pile near the headframe.

 

Clean waste rock from the shaft excavations is likely to be used for construction or road surfacing. However, a permanent stockpile has been assumed for the PFS.

 

Ore and waste will be hoisted to surface, and the skips will discharge into a concrete storage chute adjacent to the headframe. A front-end loader will pick up the ore/waste, and stack waste on the respective waste storage facilities and ore on the concrete pad adjacent to the headframe before transportation to the mill.

 

Project No.: 251208
August 2023

Project Infrastructure

Page 18-12
 

 

 

Wheeler River Project
Athabasca Basin, Saskatchewan
NI 43-101 Technical Report

 

18.2.6Backfill Plant

 

The backfill plant will produce hydraulic fill that will be piped underground via the ventilation shaft. The plant will be equipped with the following:

 

·Classification circuit

 

·Main sand load-in system

 

·Mix tank

 

·Binder system

 

·Water addition

 

·Discharge piping system from the mix tank to the underground backfill distribution system

 

·Dust collection system.

 

The sand will be collected by loaders during the warmer months and transported by truck to a surface stockpile of approximately 50,000 tonnes.

 

Backfill pour rate will be 50 dry t/h (dictated by distribution piping diameters). Therefore, the average backfill requirement is 8.8 h/d. The water required at the backfill plant will be 31.4 m3/h.

 

18.2.7Power Supply and Distribution

 

Power will be supplied to site via redundant 25 kV class utility style overhead pole lines connected to the Phoenix main substation. The 25 kV class power cables will be used to interconnect from the geographic information system (GIS) equipment to the overhead lines and from the overhead lines to pad mounted distribution transformers.

 

Four main 25 kV feeders will be supplied from the surface pre-fabricated electrical building, or E-house, to provide surface and underground power for the Gryphon mine. These will include two surface feeders and two redundant underground feeders, A and B.

 

The ventilation and hoisting systems will be supplied via a buried 25 kV Teck cable routed from the surface E-house to the hoist/FAR E-house. At the hoist/FAR E-house, two transformers will be installed. A 25 kV to 4,160 V step-down transformer, sized to supply power to the RAR fans and hoist motor via variable frequency drives (VFDs), and a second transformer, 4,160 V to 600 V for auxiliary loads and FAR fans. From the hoist/FAR E-house, three buried cables, including two 5 kV feeders and one 1 kV feeder, will be run to the RAR E-house.

 

The total surface ventilation power requirement will be approximately 1,500 kVA, based on the operation of two 450 kW return air and two 112 kW fresh air surface ventilation fans.

 

Project No.: 251208
August 2023

Project Infrastructure

Page 18-13
 

 

 

Wheeler River Project
Athabasca Basin, Saskatchewan
NI 43-101 Technical Report

 

The total hoisting power requirement will be approximately 3,500 kVA, based on the operation of one 1,491 kW hoist and a 224 kW egress hoisting system.

 

The 600 V and 4.16 kV class distribution transformers will be installed in strategic locations to service the site loads. These transformers, interconnected with suitably rated switchgear and motor control equipment, will service the individual loads.

 

Smaller, suitably rated pole mounted transformers will be used to service small and/or remote loads along the 25 kV pole line routes.

 

The electrical systems (25 kV, 4.16 kV and 600 V) will each be resistance grounded to meet safety and mine electrical code requirements.

 

18.2.7.1Back-up Electrical Power

 

Multiple synchronized and interconnected standby units will be installed to maintain the required mine ventilation, to evacuate personnel from underground using the Gryphon service hoist, and to maintain the underground water management systems.

 

In the event of an emergency, power will be required for ventilation, dewatering, egress hoisting, and auxiliary surface power. Emergency power will be provided by three 13.8 kV, 3.5 MW gensets connected in parallel. These gensets will provide power to a 13.8 kV switchgear, which will be connected to a 13.8 kV/25 kV step-up transformer. The generator system will be connected to the main system via a transfer switch.

 

The total surface emergency power requirement will be approximately 9,000 kVA, based on the operation of one 450 kW return air fan and one 112 kW fresh air surface ventilation fan, five 1,120 kW dewatering pumps, two 75 kW egress hoists, and surface auxiliary loads. The emergency related electrical power loads are summarized in Table 18-3.

 

Table 18-3:     Emergency Related Electrical Power Load Summary

 

Item Connected Load
(kVA)
Generator Switchgear 8,974
Gryphon Auxiliary Central Distribution Panel 1,000
Surface Fresh Air Fans 142
Surface Return Air Fans 566
Surface Hoisting 188
Mine Dewatering Switch Room 7,078

 

Project No.: 251208
August 2023

Project Infrastructure

Page 18-14
 

 

 

Wheeler River Project
Athabasca Basin, Saskatchewan
NI 43-101 Technical Report

 

18.2.8Fuel Storage and Distribution

 

A diesel tank will be used to facilitate fueling both owner and contractor equipment. The fuel tank will have a volume of 25,000 L and will feature double walled construction for fuel containment. It will be equipped with overfill prevention valves, bottom loading nozzles, and vents and have a card lock fuel dispensing system and grounding reels. The tank will be placed on a concrete pad with an integrated sump for spills.

 

18.2.9Propane Storage and Distribution

 

A propane storage and distribution system will supply propane to mine air heaters, the headframe, and mine office/mine rescue building. It will feature three 114,000 L storage tanks, two water bath propane vaporizers, and two distribution pumps. The system capacity will be sufficient to supply eight days of on-site storage and maximum consumption. Propane will be delivered to site on a weekly basis. The propane storage area will be located a minimum of 30.5 m from any building or entrance. The propane storage tanks will be protected by a perimeter of bollards.

 

18.2.10Water Management

 

The surface water that encounters the ore stockpile is considered contaminated and will therefore be collected and treated before being released to the environment. The ore stockpile will be surrounded by liners and collection basins that will ensure any contaminated water generated at the ore pad will be redirected to a surface water management pond. Surface water from rainfall and snowmelt will also be captured for treatment. The surface water management ponds is designed to accommodate the inflow of a 100 year 24-hour rainstorm event. The size of the surface water management pond was calculated to be approximately 1,000 m3 in volume to accommodate this event.

 

Mine water is expected to have concentrations of metals, uranium, molybdenum, selenium, arsenic, and radium that will require treatment prior to discharge. Water inflows will be collected from the mine dewatering system, pumped to surface, and held in a groundwater management pond for treatment. It is anticipated that the Gryphon mine development will produce roughly 250 m3/h of water inflow during normal operation and the Gryphon mine is designed to handle an emergency inflow of up to 1,650 m3/h. The groundwater management pond is designed to accommodate the emergency inflow of water for a period of 28 days, with a volume of 810,000 m3.

 

Project No.: 251208
August 2023

Project Infrastructure

Page 18-15
 

 

 

Wheeler River Project
Athabasca Basin, Saskatchewan
NI 43-101 Technical Report

 

Treated water will be discharged to holding ponds for inspection and testing prior to discharge. Each monitoring pond will have a volume of approximately 7,500 m3, which will provide 24 hours of storage for testing. Once the effluent has been approved for discharge, it will be pumped through a heat traced and insulated pipeline along surface to a designated effluent discharge point between the Gryphon and Phoenix sites. If the effluent is not approved for discharge, it will be recirculated to the surface water management pond for additional treatment.

 

18.2.11Water Treatment Plant

 

The Gryphon water treatment plant is designed to treat and discharge two primary inflows of water:

 

·surface water collected from the ore and special waste stockpiles

 

·water from the underground mine.

 

The Gryphon water treatment plant will process each stream separately. While surface water treatment will focus on metal precipitation, the underground water treatment will additionally focus on radium precipitation. Both water streams are considered contaminated with uranium.

 

Treated effluent will be discharged to holding ponds where it will be tested before discharge to the environment. The water is treated to meet the regulatory requirements for effluent discharge in the region. All solids and sludges will be combined, dewatered and sent to the special waste storage facility.

 

The design flow rates for the water treatment plant are summarized in Table 18-4.

 

Table 18-4:     Water Production Rates for Gryphon Site

 

Water Source Nominal Flow Rate
(m3/h)
Design Flow Rate
(m3/h)
Surface Water 5.4 12.1
Groundwater 249.0 298.9

 

18.2.12Fresh and Fire Water Distribution

 

Fresh water will be used to feed the fire water system, the potable water treatment plant, and various operational requirements. The fresh water system is sized to provide adequate water for both potable uses and process uses.

 

Project No.: 251208
August 2023

Project Infrastructure

Page 18-16
 

 

 

Wheeler River Project
Athabasca Basin, Saskatchewan
NI 43-101 Technical Report

 

A groundwater well and pump will provide fresh groundwater to a fresh water storage tank, which will also serve as a fire water tank. The fresh water tank will provide fresh water to users including the headframe, water treatment plant, backfill plant, and to the underground mine via the production shaft using a conventional centrifugal freshwater distribution pump. A total of 12,000 L/d is required. A back-up freshwater pump will also be installed.

 

The fire water system will provide fire water to the headframe, the water treatment plant, and the office.

 

18.2.13Potable Water Treatment Distribution

 

Potable water will be generated on site by a modular potable water treatment plant located at the Phoenix site and deliver 2,000 L/d to the Gryphon site.

 

The Gryphon water treatment plant will have a large potable water tank located in an elevated location to provide potable water for safety showers and eye wash stations. This potable water tank will be filled using a tanker truck and monitored through instrumentation to ensure it is kept full.

 

18.2.14Sewage

 

A sewage treatment plant will be located at the Phoenix site and will treat domestic wastewater produced at the Gryphon site. Septic tanks will be installed with vacuum trucks routinely emptying the tanks and depositing the sewage into the sewage treatment plant feed tank at the Phoenix site.

 

18.2.15Mine Facilities

 

A mine office and mine rescue building will include associated equipment and facilities with a number of small offices. All other facilities such as camp, mine dry shop and operations centre will take advantage of the existing Phoenix facilities.

 

18.2.15.1Explosives Magazine

 

Weekly deliveries of explosives to site will be immediately transported to the underground explosives magazine.

 

Project No.: 251208
August 2023

Project Infrastructure

Page 18-17
 

 

 

Wheeler River Project
Athabasca Basin, Saskatchewan
NI 43-101 Technical Report

 

A surface explosives magazine exists to account for weather or transportation disruptions. The magazine will be a heated and illuminated modular, pre-engineered building, and have security fencing and locks to prevent access. It is separated from the other site facilities located 700 m to the south of the ventilation shaft.

 

18.2.16Camp

 

The camp located at the Phoenix site will be utilized during the mining of the Gryphon deposit.

 

18.2.17Offsite Infrastructure

 

18.2.17.1McClean Lake Tailings Management Facility

 

Tailings storage at the McClean Lake facility are provided by the existing TMF. On April 19, 2017, the CNSC approved a 1.7 Mm3 expansion to the TMF. The expansion, along with the existing capacity in the TMF pit, provides for ~2.4 Mm3 of tailings storage. Milling of Gryphon ore is expected to produce ~ 1.1 Mm3 of tailings.

 

It is therefore assumed that the existing capacity will be sufficient to store tailings produced from the processing of Gryphon ore and would form part of the toll milling agreement. Cost estimates for toll milling fees include TMF storage fees.

 

Project No.: 251208
August 2023

Project Infrastructure

Page 18-18
 

 

 

Wheeler River Project
Athabasca Basin, Saskatchewan
NI 43-101 Technical Report

 

19.0Market Studies and Contracts

 

19.1Uranium Market

 

19.1.1Background

 

The only significant commercial use for U3O8 is as a fuel for nuclear power plants for the generation of electricity. Through the process of nuclear fission, the uranium isotope U 235 can undergo a nuclear reaction whereby its nucleus is split into smaller particles. Nuclear fission releases significant amounts of energy, creating heat to generate steam to spin a turbine, and is the basis of power generation in the nuclear industry.

 

Uranium has other commercial uses in the fields of medical diagnosis and other industries, but these markets are very small in terms of volume.

 

The initial step in the process of preparing uranium for use in a nuclear reactor is the mining and upgrading of the ore in a uranium processing facility to produce uranium concentrates containing up to 90% U3O8. Uranium concentrates are priced and sold based on the U3O8 content.

 

The second step in the nuclear fuel cycle process takes place at licensed uranium conversion facilities where U3O8 is converted to UF6 (or to natural UO2 for Candu type reactors). Following UF6 conversion, the uranium is enriched (EUP) and then fabricated into fuel bundles, at which point it is ready to be loaded into a nuclear reactor.  

 

While transactions in the uranium market occur across the fuel cycle – including the purchase and sale of U3O8, UF6, EUP, and/or the components of each (e.g., conversion and/or enrichment services) – the primary market for uranium is in the form of U3O8. Transactions occur in both the i) spot market (capturing discretionary buying and selling for near-term delivery at a negotiated purchase price) and ii) term market (typically capturing long-term purchase/sale arrangements between producers and consumers that can span several years and involve a variety of pricing mechanisms).

 

Information on the uranium market is available from multiple industry specialist firms as well as various industry associations and international agencies. This section reflects Denison's view of the uranium market and provides a summary of reasonably available information on the uranium market as provided by uranium industry price reporter UxC in their Q2 2023 Uranium Market Outlook.

 

Project No.: 251208
August 2023

Market Studies and Contracts

Page 19-1
 

 

 

Wheeler River Project
Athabasca Basin, Saskatchewan
NI 43-101 Technical Report

 

19.1.2Market Fundamentals

 

The Q2 2023 Uranium Market Outlook estimates global reactor units and nuclear power capacity in 2035 to be 525 units and 500.4 gigawatts electrical (GWe) installed capacity. This represents a ~29% increase in global nuclear power generation from current levels and a continued acceleration in growth from previous estimates The increase is believed to be driven largely by a renewed focus on global goals to achieve net-zero carbon emissions, and the necessary role for nuclear energy in the clean energy transition. In assessing the potential paths to reduce carbon emissions, many nations, policymakers, and interest groups have recognized the critical role that their existing or planned future nuclear power plants play in achieving decarbonization objectives.

 

During 2022, there were several notable developments representative of the global trend of increased investment in nuclear energy:

 

·In Canada, backed by $970 million of government financing, Ontario Power Generation has commenced preparations at the Darlington site for a 300 MW small modular reactor (SMR) targeted for completion by 2028. Additional SMRs are planned in other provinces as part of a pan-Canadian SMR Roadmap.

 

·In South Korea, President Yoon Suk Yeol reversed the country’s nuclear phaseout policy, restarting construction on two reactors at Shin Hanul and planning for nuclear to represent 34.6% of the country’s electricity supply by 2036 (up from 27.4% in 2021), as reported by the World Nuclear Association (WNA).

 

·In Europe, the European Union parliament voted in July 2022 to include nuclear power in its clean energy financing taxonomy, which establishes the criteria for green economic activities that can access favourable financing.

 

·In the United Kingdom, prime minister Rishi Sunak continued support for advancing two new 1,600 MW reactors at the Sizewell C site identical to the two reactors already under construction at the Hinkley Point C site.

 

·In the United States, building on the success of 2021’s Infrastructure, Investment, and Jobs Act, the US Congress passed the Inflation Reduction Act, which includes a new production tax credit for existing nuclear reactors and other support for advanced nuclear reactors.

 

Positive investor sentiment in the early part of 2022 led to continued spot market demand from physical uranium funds. UxC estimates that at least 20 Mlb U3O8 was acquired by secondary sources, including physical uranium funds in 2022. While not as significant as the 53 Mlb U3O8 purchased as secondary demand in 2021, continued purchasing from secondary sources in 2022 provided useful support for spot uranium prices throughout the year.

 

Project No.: 251208
August 2023

Market Studies and Contracts

Page 19-2
 

 

 

Wheeler River Project
Athabasca Basin, Saskatchewan
NI 43-101 Technical Report

 

On the supply side, uranium production for 2022 was estimated at 129 Mlb U3O8, which represented a 4% increase over 2021 production levels, largely due to the restart of the McArthur River mine as well as higher production at other mines (many of which were impacted by the COVID-19 pandemic in 2021). Total utility demand for 2022 as reported in the Q2 2023 Uranium Market Outlook was estimated at 194 Mlb U3O8, resulting in a significant primary supply shortfall of approximately 66 Mlb U3O8, or 34%.

 

According to the Q2 2023 Uranium Market Outlook, primary production is estimated to increase to 144 Mlb U3O8 in 2023, with the anticipated restart of certain curtailed mines, as well as slight production increases projected at various operating mines. This results in a significant primary supply deficit in contrast to base case demand, which is estimated at 195 Mlb U3O8. Similar to 2022, it is expected that the excess of demand over primary production in 2023 will be supplied by secondary sources (including commercial inventories, reprocessing of spent fuel, and inventories held by governments). Parties holding or with access to these secondary sources of supply; however, have become increasingly more sensitive to price, particularly as sources of secondary supply are expected to fall by 25% in 2023, as pandemic-related production curtailments in 2020 and 2021 and strong secondary demand in past years accelerated the process of commercial uranium inventory drawdown.

 

The Russian invasion of Ukraine in February 2022 caused significant turmoil in the global nuclear fuel market. Russia is a significant supplier of enriched uranium to the rest of the world, operating 46% of the world’s uranium enrichment capacity. In 2021, Russian enrichment comprised 31% of European Union enrichment purchases and 28% of US utility enrichment purchases. Increased demand for non-Russian supply has led to significantly increased prices for uranium processing services. From December 2021 to December 2022, the long-term price of uranium conversion and enrichment services increased by 47% and 123%, respectively. In the short- to medium-term, in order to increase enriched uranium production in the supply-constrained Western enrichment market, Western enrichers are likely to input more UF6 (overfeed) into their centrifuges in order to maximize production capacity. As a consequence, enrichment customers in aggregate will require more natural uranium feedstock to produce the same quantity of enriched uranium (i.e., new enrichment contracts are being executed with higher tails assay levels).

 

Overall, while the return of idled or curtailed production from existing uranium mining operations, if successful, is broadly expected to provide the support necessary to balance supply deficits through 2025, the accelerated decline in secondary sources of supply in recent years, the depletion of existing mines, the expectation of rising tails assay at Western enrichment plants, and growing future reactor demand, all point to larger supply deficits during the second half of the decade that will be difficult to balance without considerable investment in new large-scale uranium mining projects. Uncovered utility uranium requirements for the period from 2023 to 2040, not including typical inventory building or restriction on existing supply agreements with Russia, are estimated at 2.3 billion pounds U3O8., It is evident that the necessary future sources of supply required by the market have not yet been secured by utilities, and that once incumbent suppliers have responded to future demand, there is good reason to expect a further phase of utility procurement directed at incentivizing new projects to meet long-term demand needs.

 

Project No.: 251208
August 2023

Market Studies and Contracts

Page 19-3
 

 

 

Wheeler River Project
Athabasca Basin, Saskatchewan
NI 43-101 Technical Report

 

19.1.3Uranium Demand

 

According to UxC’s Q2 2023 Uranium Market Outlook, global nuclear power capacities are projected to increase to 447 reactors in 34 countries in 2025, generating approximately 407 GWe. By 2040, nuclear power capacities are expected to be 573 reactors, generating approximately 553 GWe in 40 countries.

 

According to the WNA, as of March 2023, current nuclear generation equates to approximately 10% of the world's electrical requirements, with 13 countries producing 25% or more of their country’s electricity from nuclear.

 

Additionally, the WNA reports that there are 59 nuclear reactors under construction in 18 countries with the principal drivers of this expansion being China (22 reactors under construction), India (8), Turkey (4), South Korea (3), and Russia (3). In addition, there are another 103 reactors currently planned around the world.

 

In the Q2 2023 Uranium Market Outlook, UxC estimates base case demand will be 195 Mlb U3O8 in 2023. UxC also estimates that annual uranium demand could grow to 263 Mlb U3O8 under their base case by 2040 and to 356 Mlb U3O8 in their high case for the same period.

 

19.1.4Primary Uranium Supply

 

UxC’s Q2 2023 Uranium Market Outlook estimates that world uranium production for 2023 is expected to be approximately 144 Mlb U3O8, increased from 2022’s estimated production of 129 Mlb U3O8.

 

Based on the Q2 2023 Uranium Market Outlook, Canada is expected to be the world’s second largest uranium producing nation, accounting for approximately 23% of expected 2023 global production. Kazakhstan is expected to continue to be the world’s largest producer of uranium in 2023, representing approximately 38% of expected production. Australia and Namibia are each expected to contribute approximately 10% of expected 2023 production.

 

Project No.: 251208
August 2023

Market Studies and Contracts

Page 19-4
 

 

 

Wheeler River Project
Athabasca Basin, Saskatchewan
NI 43-101 Technical Report

 

UxC estimates in its Q2 2023 Uranium Market Outlook that existing mine production, plus new planned and potential mine production under its base case, will reach a peak of 186 Mlb U3O8 by 2029, before declining to 106 Mlb U3O8 by 2040. While Kazakhstan is seen to maintain relatively consistent supply in future years, it is expected to decline significantly approaching 2035. For other projects to move forward and increase production forecasts, UxC believes uranium prices will need to increase appreciably to support higher cost production profiles and the significant capital expenditures that will be required.

 

19.1.5Secondary Uranium Supply

 

In the Q2 2023 Uranium Market Outlook, primary mine production in 2023 is estimated to supply approximately 74% of the year’s estimated base case demand, with the balance of demand expected to be supplied from secondary sources. These sources include commercial inventories, reprocessing of spent fuel, sales by uranium enrichers and inventories held by governments, such as the U.S. Department of Energy, and the Russian government. Primary mine production’s share of annual demand remains lower than pre-2017 levels, in which primary production made up 85% or more of annual demand.

 

Secondary supplies remain a complexity of the uranium market. The Q2 Uranium Market 2023 Outlook forecasts that 48 Mlb U3O8 will enter the market from secondary supplies in 2023. What remains unclear is at what price level these additional sources of supply are incentivized to the market to fill the gap.

 

The major sources of secondary supplies during the early 1970s through the early 2000s were largely consumed in that same period. The planned shutdown of nuclear programs in countries like Germany and the delayed restart of the Japanese nuclear program have contributed to commercial inventories again becoming a more significant factor. Government inventories also continue to contribute to secondary supply, particularly in the U.S. and Russia. The disposition of these commercial and government inventories may have a market impact in the near to medium term, although, UxC expects their role will diminish over time as these inventories continue to be depleted.

 

In general, UxC expects secondary sources of supply will fall significantly from estimated 2023 levels of 48 Mlb U3O8 to less than 17 Mlb U3O8 per year by 2040.

 

19.1.6Uranium Prices

 

Uranium spot prices reflect current or near-term deliveries. As much of the industry’s volumes occur in the term market, the spot market tends to reflect the availability of discretionary supplies relative to discretionary demand. Accordingly, when the availability of uranium in the near-term is comparatively sparse relative to buying interest, the uranium spot price can increase rapidly and significantly. Similarly, where discretionary demand at any given time is comparatively soft relative to sellers holding discretionary supplies, the spot price can decrease rapidly. Given the discretionary nature of the spot market, predicting uranium spot prices normally proves to be a difficult task.

 

Project No.: 251208
August 2023

Market Studies and Contracts

Page 19-5
 

 

 

Wheeler River Project
Athabasca Basin, Saskatchewan
NI 43-101 Technical Report

 

At the end of June 2023, UxC reported the spot price to be US$56.20/lb U3O8. Additionally, UxC provided a recent update to its projection of various scenarios of future spot prices in their Q2 2023 Uranium Market Outlook. Spot price projection information from the Q2 2023 Uranium Market Outlook has been used to inform the pricing assumptions for the Phoenix Project.

 

With respect to long-term prices, utility uncovered requirements and long-term demand have significant influence on market dynamics. Historically, nuclear utilities have purchased uranium primarily through long-term contracts. These contracts often provide for deliveries beginning two to four years after they are signed with delivery typically extending anywhere from three or four years to 10 years or more. In awarding medium and long-term contracts, electric utilities consider the producer’s uranium reserves, record of performance and production cost profile, in addition to the commercial terms offered. Prices are established by a number of methods, including base prices adjusted by inflation indices, reference prices (generally spot price indicators, but also long-term reference prices) and annual price negotiations. Contracts may also contain annual volume flexibility, floor prices, ceiling prices and other negotiated provisions. Under these contracts, the actual price mechanisms are usually confidential, which means that information available to the market is often incomplete.

 

The long-term uranium demand that actually enters the market is affected in large part by utilities’ uncovered requirements. This is the amount of uranium required by utilities to operate their fleet that is not yet covered by purchase contracts with suppliers. UxC estimates in the Q2 2023 Uranium Market Outlook, that uncovered demand for the remainder of 2023 will be 2 Mlb U3O8. Of course, this uncovered demand increases over time and is projected by UxC to increase significantly over the next decade. For example, while more than 25 Mlb U3O8 is projected to remain uncovered for 2025, this number grows to more than 109 Mlb U3O8 for 2030 and over 179 Mlb U3O8 for 2035. For 2040, this number grows to over 217 Mlb U3O8 of forecast uncovered demand, or roughly 83% of annual expected base case demand projected for that year. In total nearly 2.3 billion pounds U3O8 are estimated to be uncovered between 2023 and 2040.

 

Uncovered demand for 2040 also exceeds the combined supply projected to be available from primary production and secondary sources by approximately 94 Mlb U3O8. To put these shortfalls into perspective, the McArthur River mine represents the world’s largest uranium mine with estimated annual production for 2024 of 18 Mlb U3O8. This means that after considering secondary supplies, additional annual supplies equivalent to more than five McArthur River mines are required to respond to the industry’s uncovered requirements by 2040.

 

Project No.: 251208
August 2023

Market Studies and Contracts

Page 19-6
 

 

 

Wheeler River Project
Athabasca Basin, Saskatchewan
NI 43-101 Technical Report

 

Increases in long-term contracting by utilities is expected to address the rising portion of demand that is uncovered. From 2006 to 2010, on average, 39 Mlb U3O8 equivalent was purchased on the spot market per year and roughly 200 Mlb U3O8 equivalent was contracted in the long-term market each year. In recent years, spot market purchasing exceeded long-term contracting, which declined to as low as approximately 25 Mlb U3O8 in 2013. However, 2022 saw a return to greater long-term contracting, with 113.1 Mlb U3O8 equivalent contracted in the long-term market and only 60.8 Mlb U3O8 equivalent purchased on the spot market in 2022. Considering contract volumes over the past year remain well below annual requirements, and uncovered requirements are increasing out in time, long-term contracting activity is expected to continue to increase in the future as utilities look to secure future supply to fuel the world’s growing fleet of nuclear reactors.

 

UxC publishes the long-term price on a monthly basis. At the end of June 2023, UxC reported the long-term price to be US$56.00/lb U3O8. Additionally, UxC provided a recent update to its projection of various scenarios of future long-term prices in their Q2 2023 Uranium Market Outlook. Long-term price projection information from the Q2 2023 Uranium Market Outlook has been used to inform the pricing assumptions for the Gryphon Project.

 

The financial model for Phoenix uses the composite midpoint spot price projection from UxC’s Q2 2023 Uranium Market Outlook ranging from US$66.53 to US$70.11/lb U3O8 during the Phoenix mine production period. The financial model for Gryphon uses the average of the forecasted annual composite long-term uranium price projected from UxC’s Q2 Uranium Market 2023 Outlook of US$75/lb U3O8.

 

The reason for the different price basis for the two studies is that the overall cost profile and construction timeline of the planned Phoenix ISR operation is not expected to require substantial contract base loading to justify development. Accordingly, the spot price indicator from UxC has been used for the Phoenix base case economic analysis. The overall cost profile and construction timeline of the planned Gryphon underground mine is considered to be more amenable to fixed (base escalated) price contracts with nuclear energy utilities to reduce risk and justify a development decision. Accordingly, the long-term price indicator from UxC has been used for the Gryphon base case economic analysis..

 

Project No.: 251208
August 2023

Market Studies and Contracts

Page 19-7
 

 

 

Wheeler River Project
Athabasca Basin, Saskatchewan
NI 43-101 Technical Report

 

19.2Contracts

 

19.2.1Processing

 

A small portion of the projected production from Phoenix is expected to be recovered via processing of a precipitate product recovered during primary processing of uranium bearing solution at the Phoenix processing plant. To recover the uranium contained in the precipitate product, a toll milling agreement will be required with a conventional milling facility. Denison has received an indication of interest from two North American based facilities for the processing of the precipitate product and have received; a memorandum of understanding from one facility; however, a toll milling agreement has not been negotiated.

 

The Gryphon ore will be processed at the McClean Lake mill under a toll milling agreement. While Denison is a partial owner of the McClean Lake mill, a toll milling agreement has not yet been negotiated with the MLJV to allow for the processing of Gryphon production at McClean Lake.

 

19.2.2Storage and Transportation

 

Given the nature of the nuclear fuel cycle, production from Phoenix and/or Gryphon is expected to be delivered to one of a limited number of licensed conversion facilities for storage and/or sale to future customers. From past production and the holding of physical uranium as a long-term investment, Denison has existing storage contracts with Cameco and ConverDyn allowing for delivery to, and storage of uranium concentrates at, licensed facilities in Canada and the United States. These contracts are within industry norms.

 

Transportation of uranium concentrates within North America and globally is available commercially from multiple vendors; however, contracts will be required to secure transportation of future mine production.

 

19.2.3Sales

 

Denison has historically sold its uranium under a combination of long-term contracts and spot market sales. The long-term contracts had a variety of pricing mechanisms, including fixed prices, base prices adjusted by inflation indices, and/or spot price or long-term contract reference prices. Denison currently has no long-term contracts in place; however, they may be determined to be advantageous from a commercial standpoint and/or be required to secure future project financing.

 

Project No.: 251208
August 2023

Market Studies and Contracts

Page 19-8
 

 

 

Wheeler River Project
Athabasca Basin, Saskatchewan
NI 43-101 Technical Report

 

19.3QP Comments on Section 19

 

Mr. O’Hara has reviewed the uranium pricing assumptions and relevant market studies and they support the assumptions used in the Report.

 

Project No.: 251208
August 2023

Market Studies and Contracts

Page 19-9
 

 

 

Wheeler River Project
Athabasca Basin, Saskatchewan
NI 43-101 Technical Report

 

20.0Environmental Studies, Permitting and Social or Community Impact

 

The following sections describe the status of environmental studies related to the Project, the permitting, approvals and licensing processes associated with both deposits, closure planning and costs, and the consideration of social and community related matters with emphasis on Indigenous peoples proximal to the sites.

 

20.1Phoenix

 

20.1.1Environmental Studies

 

Environmental studies associated with the Project are significantly advanced for Phoenix. As noted in the following subsections baseline environmental studies have been completed with sufficient rigor to support development and submission of a Draft EIS, and associated technical documents, to provincial and federal regulators. The Draft EIS is available at the Canadian Impact Agency Registry for the Wheeler River Project, where the entire Draft EIS is available. It is located at https://iaac-aeic.gc.ca/050/evaluations/proj/80178?culture=en-CA.

 

20.1.1.1Baseline Environmental Studies

 

Baseline studies to support the Draft EIS were initiated in 2011 and have continued since that time. Baseline data collection was generally focused on the local and regional study areas as defined in the Draft EIS. Baseline studies or information were collected for the following:

 

·Atmospheric and acoustic environment

 

·Geology and groundwater flow and quality

 

·Aquatic environment including hydrology, water quality, sediment quality and aquatic biota

 

·Terrestrial environment including terrain, soils, organic matter/peat, vegetation, and terrestrial and avian fauna

 

·Land and resource use

 

·Quality of life

 

·Economics.

 

Collection of baseline information was consistent with accepted industry practice and federal and provincial guidelines and protocols.

 

Project No.: 251208
August 2023

Environmental Studies, Permitting and Social or Community Impact

Page 20-1
 

 

 

Wheeler River Project
Athabasca Basin, Saskatchewan
NI 43-101 Technical Report

 

Baseline studies were used to characterize existing conditions to which predictive assessments of potential operation-induced change could be applied and further assessed for significance to the environment. In general baseline studies identified environmental conditions that were characteristic of a remote northern setting. The atmospheric, geological, hydrogeological, hydrological, physicochemical, ecological, cultural, and socio-economic conditions are well understood based on the operation-specific and regional information.

 

Findings of importance through baseline study include the identification of suitable habitat present in the area for bird species at risk such as common nighthawk, short-eared owl, yellow rail, rusty blackbird, and olive-sided flycatcher. Phoenix is situated in an area that provides suitable habitat for woodland caribou which is federally listed as threatened under the Species at Risk Act (SARA) and for which the province of Saskatchewan has a conservation strategy (Saskatchewan Ministry of Environment, 2013). No aquatic species at risk were identified within the area investigated.

 

20.1.1.2Draft Environmental Impact Statement

 

Based on the information on the Phoenix ISR operation and related evaluation and assessment of effects, Denison believes that the Phoenix ISR operation can be constructed, operated, and decommissioned in a manner that is not likely to cause significant residual adverse effects to the biophysical or human environments either individually or cumulatively. Residual adverse effects that were identified specific to valued components were generally limited in geographic extent, infrequent, of low magnitude, reversible and/or mitigatable through design, discipline specific mitigation measures and remediation during decommissioning.

 

Although no significant residual adverse effects were concluded in the Draft EIS, the assessment of the potential effects of the Phoenix ISR operation to the biophysical and human environments carry varying levels of complexity and uncertainty. These will be addressed through monitoring and follow-up plans. Monitoring programs are designed to meet regulatory requirements (e.g., permit or licence conditions), and/or to demonstrate compliance with environmental commitments made in the EIS. Follow-up programs are those that are proposed to address any uncertainties identified during the EA process (e.g., to verify predictions made during the EA; and/or determine the effectiveness of proposed and implemented mitigation measures) and to determine when to implement adaptive management measures.

 

The complexity and regulatory oversight, and therefore potential risk to permitting and approval timeframes, and associated cost to realize approvals and environmental compliance of the groundwater and woodland caribou components of the EIS should be considered.

 

Project No.: 251208
August 2023

Environmental Studies, Permitting and Social or Community Impact

Page 20-2
 

 

 

Wheeler River Project
Athabasca Basin, Saskatchewan
NI 43-101 Technical Report

 

Due to the complexity and lack of precedence of ISR use in Saskatchewan or Canada, the levels of treatment that will be required prior to meeting post-decommissioning groundwater reclamation criteria have not yet met consensus. Denison’s approach to post-decommissioning groundwater reclamation criteria focuses on linkages to and protection of downgradient surface waters. To this end and in order to assess potential effects on surface water in the post-decommissioning period, groundwater flow and reactive transport modelling tools were constructed to help understand the migration and attenuation of constituents dissolved in groundwater from the mineralized zone, toward Whitefish Lake. Concentrations at Whitefish Lake throughout the future centuries are simulated to be similar to background concentrations. Under the base case scenario, which represents a conservative estimate of the conditions present, there are no exceedances of the groundwater quality screening criteria protective of freshwater aquatic life in the receiving environment. The simulated conditions indicated that the natural setting has a large assimilative capacity, such that the mass left in solution within the mineralized zone will be naturally sorbed to available mineral sites within the sub-surface, limiting the potential to be transported to Whitefish Lake throughout the future centuries. Sorption and geochemical reaction, coupled with dispersion, is predicted to reduce the concentrations of constituents reaching Whitefish Lake to relatively minor variations from background conditions.

 

Woodland caribou is a protected species under the federal SARA and the Saskatchewan Conservation Data Centre (SK CDC) assigned the species a status of S3 (Vulnerable/Rare to Uncommon: at moderate risk of extinction or extirpation due to a restricted range, relatively few populations, recent and widespread declines, threats, or other factors) in Saskatchewan (SK CDC, 2020). Most of the site was identified as available woodland caribou habitat. Some alteration and/or loss of habitat is expected despite mitigation. The residual effect is predicted to be local in geographic extent. While the direct loss of available woodland caribou habitat is expected to be limited to the disturbed area during construction, indirect Phoenix ISR operation effects are expected to occur within the wildlife local study area within a 500 m area around the Phoenix area during all project phases. The alteration and/or loss of available woodland caribou habitat is predicted to be fully reversible. Through progressive and final reclamation, disturbed areas within the Phoenix area will be revegetated with a focus on achieving baseline conditions. However, the regulatory oversight associated with population protection and applicable permits and approvals for this component is likely to be of importance with respect to Phoenix ISR operation timelines for permitting and construction.

 

Project No.: 251208
August 2023

Environmental Studies, Permitting and Social or Community Impact

Page 20-3
 

 

 

Wheeler River Project
Athabasca Basin, Saskatchewan
NI 43-101 Technical Report

 

20.1.1.3Other Environmental Studies

 

To support the assessment of technical feasibility for the ISR operation, an advanced exploration FFT and numerical modelling evaluation (Ecometrix, 2021) were undertaken. The numerical modelling was completed to analyze the behaviour of the recovered solution in the leaching zone and the neutralized recovered solution that will be injected into the well downgradient of the mineralized test area in the subsurface and bring forward insights gained through that analysis. The report described the hydrogeologic interpretation on which the modelling tools were based, the technical modelling tools developed, and model application to evaluate the potential environmental effect associated with the recovered solutions. The study included hydrogeological modelling with two complimentary tools:

 

·A 3D groundwater flow model to interpret flow paths from the mineralized zone to potential receptors

 

·A 1D geochemical (thermodynamic) model to interpret geochemical reactions along predicted flow paths and how those geochemical reactions will affect transport of multiple components within the recovered solution toward potential receptors.

 

The 3D groundwater model was calibrated to site-specific data, and as such was the best available representation of groundwater flow paths from the leaching zone to nearby receptors. The geochemical modelling was completed with source conditions taken from laboratory core flushing experiments and available information on subsurface conditions (groundwater quality, mineralogical assemblages, etc.).

 

The potential for adverse effects was evaluated in the following way. Screening-level criteria for water quality were developed by directly adopting guidelines, based on chronic exposure, for the protection of freshwater aquatic life for uranium and other constituents considered to be mobilized during the leaching process. In doing so, the modelled concentrations at the point of discharge were treated as porewater concentrations. This was a conservative approach and is appropriate for a screening-level assessment of potential risks to the aquatic environment. The assessment was not conducted with respect to the potential for groundwater in the region to be a foreseeable source of potable water.

 

The geochemical model results for the recovered solution at the injection well did not predict an adverse effect on water quality in the surface water environment (i.e., Whitefish Lake). Results suggest that significant attenuation occurs for concentrations of constituents mobilized from the leaching zone and reaching the base of Whitefish Lake. Concentrations of those constituents (uranium, trace elements and radionuclides) would remain below guidelines for the protection of aquatic life in freshwater.

 

Project No.: 251208
August 2023

Environmental Studies, Permitting and Social or Community Impact

Page 20-4
 

 

 

Wheeler River Project
Athabasca Basin, Saskatchewan
NI 43-101 Technical Report

 

Uncertainties associated with geochemical reactions, spatial extent of the desilicified zone, effective porosity, and hydraulic conductivity of the clay cap were documented and in each case the assumptions used in modelling were designed to allow for the most conservative approach to analysis.

 

Recognizing the prediction uncertainties, Ecometrix (2021) recommended monitoring of the plume evolution adjacent to the mineralized zone. The goals of the monitoring will be to 1) confirm the assumptions made within the modelling evaluation to date, and 2) if conditions are not as simulated, provide time to re-evaluate long-term impacts and adjust contaminant management plans, as required to protect the environment.

 

20.1.2Site Management Programs for Operations and Closure

 

Site management programs will be implemented within an overall site management system and that will guide site activities during all project phases at Phoenix. Denison intends to develop initial program documentation over the coming months as its permitting/licensing program is advanced.

 

20.1.2.1Management System

 

Denison is undertaking sequential EA and licensing processes with the CNSC. As such, a detailed management system based on the CNSC’s safety and control areas and focused on anticipated compliance verification criteria will be developed over the upcoming months to support licensing activities. It is expected that Denison’s management system will be governed by corporate policies, described in programs, and detailed in plans, and will naturally mature as the Project advances.

 

For the Draft EIS, the environmental management system (EMS) framework was provided to support review of the assessment and provide confidence in the various biophysical and human environment assessments and overall conclusions.

 

Environmental Management System Framework

 

The EMS forms a critical component of the overall management system. While the overall management system forms the common basis upon which all activities would be implemented, the EMS provides the specific commitments to, and framework for, defining the practices and procedures to establish and confirm protection of the environment, as well as the health and safety of workers and the public. Denison will develop the EMS as Phoenix proceeds through licensing and permitting.

 

Project No.: 251208
August 2023

Environmental Studies, Permitting and Social or Community Impact

Page 20-5
 

 

 

Wheeler River Project
Athabasca Basin, Saskatchewan
NI 43-101 Technical Report

 

Denison will develop an EMS consistent with the principals set out by CAN/CSA ISO 14001, Environmental Management Systems – Requirements with Guidance for Use, with consideration to applicable provincial and federal requirements and consideration of other guidance as may be deemed appropriate.

 

Within the specific context of the Phoenix ISR operation, the EMS provides an overall perspective on how potentially adverse effects would be minimized and managed over the life of the operation. In addition, the EMS establishes expectations (and associated mechanisms) for contractors and subcontractors to comply with environmental commitments and policies including auditing and enforcement programs.

 

Denison is responsible for, and committed to, providing sufficient resources to develop and implement the EMS to meet statutory/regulatory requirements, meet its corporate expectations with respect to environment performance, meet the expectations of its interested party partners, including Indigenous communities, with respect to environment performance, and fulfill any commitments made through the EA process and beyond through all phases.

 

Key considerations that will be addressed by the EMS include:

 

·identifying and managing environmental risks associated with Project components, facilities and activities

 

·the identifying, implementing and maintaining of pollution control activities and technologies

 

·monitoring of water and air releases

 

·monitoring of constituents of potential concern for their potential effects in the environment

 

·performance monitoring, non-conformance, and contingency planning

 

·communication and distribution of information.

 

Environmental Management System Components – Programs and Plans

 

The programs and plans within the EMS are essential to implement the design and mitigation measures to measure environmental performance and their effectiveness and to provide the information necessary for Denison to foster a culture of continuous improvement as it concerns environmental considerations.

 

The details associated with the following programs and plans will be developed with the EMS as the Phoenix Project proceeds through licensing and permitting.

 

Project No.: 251208
August 2023

Environmental Studies, Permitting and Social or Community Impact

Page 20-6
 

 

 

Wheeler River Project
Athabasca Basin, Saskatchewan
NI 43-101 Technical Report

 

Environmental Protection Programs

 

An environmental protection program will be established to provide an overarching framework for key environmental monitoring and management plans and to ensure a means to demonstrate compliance with applicable environmental regulatory requirements and other performance targets that Denison may set. The program will be developed in a manner that aligns with the ISO 14001 EMS Standard.

 

Management and Monitoring of Emissions

 

A procedure document will be developed to guide the management of emissions from the Project. The procedure will define the key requirements, responsibilities, and processes for the management of radioactive and non-radioactive emissions. The procedure will be developed in accordance with relevant guidance such as REGDOC-2.9.2, Controlling Releases to the Environment (CNSC, 2021a) and CSA Standard N288.17, Establishing and Implementing Action Levels for Releases to the Environment from Nuclear Facilities (CSA, 2017).

 

The procedure document will expand on regulatory requirements for the effective management of these emissions, and involves the following activities:

 

·identification and assessment of emission pathways

 

·control and treatment of emissions

 

·operational control monitoring

 

·emissions verification monitoring.

 

Liquid Effluent Monitoring Plan

 

The liquid effluent monitoring plan will consider emissions to surface water environments from Project activities and facilities. The liquid effluent monitoring plan will describe sampling locations, frequencies, and constituents. Data generated from the liquid effluent monitoring plan will serve various purposes, such as to measure quantities of materials released via this pathway to the environment, demonstrate compliance with statutory limits or internal action levels, assess performance of emissions control systems, and contribute to the understanding of the potential influence of the Project’s liquid emissions on the environment.

 

The liquid effluent monitoring plan will be informed by existing local and traditional knowledge, ongoing engagement activities with Interested Parties, information generated by development of Draft EIS and its supporting documents, relevant guidance (such as REGDOC-2.9.1, Environmental Protection: Environmental Principles, Assessments and Protection Measures, Version 1.2 (CNSC, 2020) and CSA Standard N288.5-11, Effluent Monitoring Programs at Class I Nuclear Facilities and Uranium Mine and Mills (CSA, 2011)), and the Metal and Diamond Mine Effluent Regulations, licences, approvals, and permits.

 

Project No.: 251208
August 2023

Environmental Studies, Permitting and Social or Community Impact

Page 20-7
 

 

 

Wheeler River Project
Athabasca Basin, Saskatchewan
NI 43-101 Technical Report

 

Air Emissions Monitoring Plan

 

The air emissions monitoring plan will consider emissions to the atmosphere from activities and facilities and will describe sampling locations, frequencies and constituents to be monitored. Data generated from the air emissions monitoring plan will serve various purposes, such as to measure quantities of materials released via this pathway to the environment, demonstrate compliance with statutory limits or internal action levels, assess performance of emissions control systems, and contribute to the understanding of the potential influence of the Phoenix ISR operation’s air emissions on the environment.

 

The air emissions monitoring plan will be informed by existing local and traditional knowledge, ongoing engagement activities with Interested Parties, information generated by development of the Draft EIS and its supporting documents, as well as relevant guidance such as that provided by the Saskatchewan Environmental Code.

 

Groundwater Monitoring Plan

 

Given the nature of the ISR mining method, groundwater monitoring is an important consideration. The groundwater monitoring plan will be developed in consideration of how facilities and activities could interact with the groundwater environment and groundwater receptors define monitoring needs (locations, frequencies and constituents). Data generated from the groundwater monitoring plan will serve various purposes, such as to assess performance and the controls associated with the ISR process, demonstrate compliance with internal action levels, assess performance of emissions control systems, and contribute to the understanding of the potential influence of the Phoenix ISR operation on the groundwater environment. During each Phase, the groundwater monitoring program will demonstrate the following:

 

·excursions are not occurring; or if excursions do occur, an early warning/timely signal will be provided of when and where they are occurring such that appropriate further evaluation and actions can be undertaken.

 

·commitments made in the EA are being achieved.

 

·protection of groundwater end use/receiving environment is being achieved.

 

The groundwater monitoring plan will be informed by existing local and traditional knowledge, ongoing engagement activities with Interested Parties, information generated by development of the EIS and its supporting documents, relevant guidance, such as CSA Standard N288.7-15, Groundwater Protection Programs at Class I Nuclear Facilities and Uranium Mine and Mills (CSA, 2015) as well as any applicable licences, approvals, and permits.

 

Project No.: 251208
August 2023

Environmental Studies, Permitting and Social or Community Impact

Page 20-8
 

 

 

Wheeler River Project
Athabasca Basin, Saskatchewan
NI 43-101 Technical Report

 

Environmental Monitoring Plan

 

The environmental monitoring plan will consider the potential effects of Project emissions on the environment, focusing on downgradient or downstream areas and receptors and will describe sampling locations, frequencies, and measurement endpoints. Data generated from the environmental monitoring plan will serve various purposes, such as to measure the accumulation of Project-associated materials released to the environment, verify predictions made in the EIS, demonstrate compliance with statutory limits or internal action levels, contribute to the understanding of the potential influence of the Project’s emissions on the environment, including risks to human health and biota.

 

The environmental monitoring plan will be informed by existing local and traditional knowledge, ongoing engagement activities with Interested Parties, information generated by development of Draft EIS and its supporting documents, relevant guidance, such as REGDOC-2.9.1, Environmental Protection: Environmental Principles, Assessments and Protection Measures (CNSC, 2020) and CSA Standard N288.4-19, Environmental Monitoring Programs at Class I Nuclear Facilities and Uranium Mine and Mills (CSA, 2019), the Metal and Diamond Mine Effluent Regulations and any applicable licences, approvals, and permits.

 

Woodland Caribou Management Plan

 

A woodland caribou management plan will be developed to address wildlife-specific mitigation measures based on proven and accepted mitigation following standard industry guidelines and best management practices. The plan will provide guidance to avoid or minimize interaction on woodland caribou and their habitat and include monitoring and follow-up programs, as appropriate. It will be in place during all phases and will be subject to ongoing review and revision as required. If monitoring identifies a need for additional or revised mitigation measures, a process of adaptive management (as described in the plan) would be triggered. A woodland caribou management plan will be consistent with the management goals of the SK-1 Boreal Shield Woodland Caribou Management Unit.

 

Project No.: 251208
August 2023

Environmental Studies, Permitting and Social or Community Impact

Page 20-9
 

 

 

Wheeler River Project
Athabasca Basin, Saskatchewan
NI 43-101 Technical Report

 

Radiation Protection Program

 

A radiation protection program will be designed and implemented so that Denison complies with, or exceeds, the level of radiation safety that is required by the relevant regulations pursuant to the Nuclear Safety and Control Act and Denison’s Health and Safety Policy.

 

Waste Management Program

 

The waste management program will include requirements and processes to ensure that Denison’s activities that involve planning for, handling, transporting, processing, storage, and disposal of wastes are performed in a manner that complies with applicable regulatory and licence requirements and protects workers, the public, and the environment.

 

Occupational Health and Safety Program

 

The occupational health and safety program will be designed to provide for the protection of workers and public health and safety in relation to Denison’s activities. Denison and its contractors will meet all applicable health and safety legislative requirements, provincially and federally. All project related activities will be compliant with relevant legislation.

 

20.1.3Project Permitting Requirements and Status

 

Approvals processes associated with the Project are advanced and ongoing.

 

20.1.3.1Environmental Assessment

 

The proposed Phoenix ISR operation is subject to both a federal and provincial EA process. This section provides an overview of the regulatory framework for the EAs. A detailed consideration of applicable legislation, guidelines, policies, standards, and codes is incorporated into each assessment.

 

The provincial and federal EA processes are being conducted in parallel. The Saskatchewan Ministry of Environment’s Environmental Assessment and Stewardship Branch and the CNSC cooperate in conducting a coordinated provincial-federal EA following the spirit of the Canada-Saskatchewan Agreement on Environmental Assessment Cooperation (2005; Government of Canada, 2016). The agreement allows for cooperation in the assessment of projects that require regulation by both levels of government and provides for the production of a single EIS that meets the requirements of both levels of government, such that each level of government can make an independent decision on the approval of the EIS.

 

Project No.: 251208
August 2023

Environmental Studies, Permitting and Social or Community Impact

Page 20-10
 

 

 

Wheeler River Project
Athabasca Basin, Saskatchewan
NI 43-101 Technical Report

 

Denison reached a significant milestone on October 21, 2022, when the Draft EIS for the Project was submitted to the CNSC and the Saskatchewan Ministry of Environment’s Environmental Assessment and Stewardship Branch (Denison, 2022). This included the proposed Phoenix ISR operation and did not include Gryphon.

 

Federal Environmental Assessment

 

The Draft EIS has been prepared to comply with the requirements of the Canadian Environmental Assessment Act, 2012 (Government of Canada, 2019). As the proposed Phoenix ISR operation would include the construction, operation, and decommissioning of a uranium mine, processing plant, and supporting facilities on a site that is not within the boundaries of an existing licensed uranium mine or mill, it is a designated project as set out in Section 31 of the Regulations Designating Physical Activities (Government of Canada, 2014) and is therefore subject to a federal EA.

 

CNSC staff completed a 30-day conformity review of the Draft EIS to ensure that sufficient information had been submitted in accordance with the CNSC Generic Guidelines for the Preparation of an Environmental Impact Statement. Based on this review, CNSC confirmed the sufficiency of the Draft EIS. Accordingly, in November 2022, CNSC initiated its technical review of the Draft EIS submission and opened a 90-day public comment period. Following this comment period, the results of the review and technical review comments were issued to Denison in March 2023 from the Federal-Indigenous review team (FIRT). The FIRT provided information requests (IRs) that need to be addressed before the EIS can be resubmitted. Based on past experience, the number of review comments provided by the FIRT can be considered typical within the context of the EA process associated with mining and more specifically uranium mine development project proposals. The IRs have not identified significant concerns in the project that require extensive reconsideration of proposed design or mitigations at this stage of development, nor in the assessment of potential project effects on the environment. Denison responded to the IRs in July 2023. Per normal EA process further IRs are likely and, while some additional work may be required, this has been factored into the project schedule appropriately.

 

Once the IRs have been resolved, the Final EIS will be filed. Ultimately, the Phoenix ISR operation will require approval under the Canadian Environmental Assessment Act, 2012, as it proceeds to licensing and permitting.

 

Denison has included an appropriate budget for completion of the EA and permitting.

 

Project No.: 251208
August 2023

Environmental Studies, Permitting and Social or Community Impact

Page 20-11
 

 

 

Wheeler River Project
Athabasca Basin, Saskatchewan
NI 43-101 Technical Report

 

Provincial Environmental Assessment

 

The Draft EIS has been submitted to the Saskatchewan Ministry of Environment’s Environmental Assessment and Stewardship Branch. The Draft EIS meets the requirements outlined in the Environmental Assessment Act (Government of Saskatchewan, 2018) and the Province has completed its technical review and has provided technical review comments (TRCs) to Denison. Denison responded to these TRCs in June 2023. Once the TRCs have been resolved, Denison will issue a final version of the EIS. At this time the final EIS, TRCs and TRC responses will be posted for public comment for a 30-day period. Ultimately, the Project will require issuance of a ministerial approval under Section 15 of the Environmental Assessment Act (Government of Saskatchewan, 2018) as it proceeds to licensing and permitting.

 

20.1.3.2Licensing and Permitting

 

Denison is completing the EA and licensing and permitting processes for the Project in sequence. While some overlap in timing will occur, generally licensing and permitting will follow on from the EA process.

 

The preparation of the information needed to support licensing and permitting has begun and will be developed in keeping with the Project schedule. For reference, a summary of the main phases for the CNSC’s licensing process and the Government of Saskatchewan’s approval process is provided in Figure 20-1.

 

Figure 20-1:    Key Post-Environmental Impact Statement Project Licences and Approvals for the Provincial and Federal Governments

 

(Source: Denison, 2022)

 

Project No.: 251208
August 2023

Environmental Studies, Permitting and Social or Community Impact

Page 20-12
 

 

 

Wheeler River Project
Athabasca Basin, Saskatchewan
NI 43-101 Technical Report

 

Federal Approvals

 

The CNSC is the federal authority responsible for the Project’s EA. Federal acts and associated regulations applicable to the Phoenix ISR operation are summarized as follows:

 

·Fisheries Act (Government of Canada, 2019)

 

·Metal and Diamond Mining Effluent Regulations (Government of Canada, 2022)

 

·Canadian Environmental Assessment Act (Government of Canada, 2019)

 

·Regulations Designating Physical Activities (Government of Canada, 2014)

 

·Prescribed Information for the Description of a Designated Project Regulations (Government of Canada, 2019)

 

·Species at Risk Act (Government of Canada, 2022)

 

·Nuclear Safety and Control Act (Government of Canada, 2017)

 

·General Nuclear Safety and Control Regulations (Government of Canada, 2015)

 

·Uranium Mines and Mills Regulations (Government of Canada, 2017)

 

·Packaging and Transport of Nuclear Substances Regulations, 2015 (Government of Canada, 2015)

 

·Radiation Protection Regulations (Government of Canada, 2021)

 

·Migratory Birds Convention Act, 1994 (Government of Canada, 2017)

 

·Transportation of Dangerous Goods Act, 1992 (Government of Canada, 2019)

 

·Transportation of Dangerous Goods Regulations (Government of Canada, 2021)

 

·Canadian Environmental Protection Act, 1999 (Government of Canada, 2021)

 

·Environmental Emergency Regulations, 2019 (Government of Canada, 2019)

 

·Canada Wildlife Act (Government of Canada, 2017)

 

·Canadian Navigable Waters Act (Government of Canada, 2019)

 

It is expected that it will be necessary to seek approvals under or operate some aspect of the Project under the auspices of these acts and regulations. Clarity regarding the need for specific requirements or such approvals will be provided as part of the EA process.

 

Provincial Approvals

 

Provincial acts and associated regulations applicable to the Project are summarized as follows:

 

·The Environmental Assessment Act (Government of Saskatchewan, 2018)

 

Project No.: 251208
August 2023

Environmental Studies, Permitting and Social or Community Impact

Page 20-13
 

 

 

Wheeler River Project
Athabasca Basin, Saskatchewan
NI 43-101 Technical Report

 

·The Environmental Management and Protection Act, 2010 (Government of Saskatchewan, 2018)

 

·The Mineral Industry Environmental Protection Regulations, 1996 (Government of Saskatchewan, 1996)

 

·The Hazardous Substances and Waste Dangerous Goods Regulations (Government of Saskatchewan, 2000)

 

·The Waterworks and Sewage Works Regulations (Government of Saskatchewan, 2020)

 

·The Environmental Management and Protection (Saskatchewan Environmental Code Adoption) Regulations (Government of Saskatchewan, 2021)

 

·The Wildlife Act, 1998 (Government of Saskatchewan, 2020)

 

·The Wildlife Regulations, 1981 (Government of Saskatchewan, 2022)

 

·The Wildlife Habitat Protection Act (Government of Saskatchewan, 2018)

 

·The Wildlife Habitat Lands Disposition and Alteration Regulations (Government of Saskatchewan, 2001)

 

·The Fisheries (Saskatchewan) Act, 2020 (Government of Saskatchewan, 2020)

 

·The Fisheries Regulations (Government of Saskatchewan, 2022)

 

·The Forest Resources Management Act (Government of Saskatchewan, 2021)

 

·The Forest Resources Management (Saskatchewan Environmental Code Adoption) Regulations (Government of Saskatchewan, 2021)

 

·The Forest Resources Management Regulations (Government of Saskatchewan, 2020)

 

·The Natural Resources Act (Government of Saskatchewan, 2019)

 

·Wildfire Act (Government of Saskatchewan, 2019)

 

·The Heritage Property Act (Government of Saskatchewan, 2019)

 

·The Provincial Lands Act, 2016 (Government of Saskatchewan, 2019)

 

·The Saskatchewan Employment Act (Government of Saskatchewan, 2021)

 

·The Mines Regulations, 2018 (Government of Saskatchewan, 2019)

 

·The Occupational Health and Safety Regulations, 2020 (Government of Saskatchewan,  2021)

 

·The Radiation Health and Safety Regulations, 2005 (Government of Saskatchewan, 2005)

 

·The Reclaimed Industrial Sites Act (Government of Saskatchewan, 2018)

 

·The Reclaimed Industrial Sites Regulations (Government of Saskatchewan, 2021)

 

·The Water Security Agency Act (Government of Saskatchewan, 2019)

 

·The Dangerous Goods Transportation Act (Government of Saskatchewan, 2018)

 

·The Dangerous Goods Transportation Regulations (Government of Saskatchewan, 2002)

 

It is expected that it will be necessary to seek approvals under or operate some aspect of the Project under the auspices of these acts and regulations. Clarity regarding the need for specific requirements or such approvals will be provided as part of the EA process.

 

Project No.: 251208
August 2023

Environmental Studies, Permitting and Social or Community Impact

Page 20-14
 

 

 

Wheeler River Project
Athabasca Basin, Saskatchewan
NI 43-101 Technical Report

 

20.1.4Social and Community Requirements and Status

 

Since 2016, Denison has engaged with Interested Parties to develop meaningful relationships and facilitate a collaborative approach to engagement and the advancement of the Project. Denison has developed and implemented an engagement plan to guide and structure such engagement activities. Engagement activities for each group of Interested Parties are tailored to comply with both federal and provincial regulatory legislation and, importantly, meet the expectations of the parties. While the engagement to date has focused on the Phoenix ISR operation, the activities are also generally relevant to the Gryphon.

 

Denison has created an engagement database to record perspectives shared by Interested Parties and is summarized in Section 4 (Engagement) of the Draft EIS. The database contains over 2,000 unique entries, comprised of stand-alone comments, questions, queries, issues, concerns or other. In addition, other sections of the Draft EIS include specific appendices summarizing engagement with respect to that section (aquatic environment, geology and groundwater, terrestrial environment, etc.). The engagement to date has been extensive, and Denison’s approach with respect to consultation has been thorough and responsive to the requests of the public, Indigenous groups, and regulatory agencies.

 

20.1.4.1Engagement with Indigenous Groups

 

Denison’s objectives with respect to Indigenous engagement are as follows:

 

·build and maintain relationships based on trust and transparency

 

·create a respectful dialogue that promotes communication between Denison and Indigenous communities and organizations, in a timely and accurate fashion

 

·understand how the proposed Project development may affect the ability of Indigenous peoples to exercise collective Indigenous/Treaty Rights.

 

To formalize Denison’s early commitment to work together, Memoranda of Understanding were signed with some communities and organizations in 2018. More recently, participation and funding agreements have been reached to provide capacity for Interested Parties to actively participate in the environmental assessment process.

 

Project No.: 251208
August 2023

Environmental Studies, Permitting and Social or Community Impact

Page 20-15
 

 

 

Wheeler River Project
Athabasca Basin, Saskatchewan
NI 43-101 Technical Report

 

 

Additionally, in 2021, Denison announced the adoption of the IPP (Denison, 2021). The IPP reflects Denison's recognition of the important role of Canadian business in the process of reconciliation with Indigenous peoples in Canada and outlines Denison's commitment to take action towards advancing reconciliation. The IPP was developed based on Denison's experiences with, as well as feedback and guidance from, Indigenous communities with whom Denison is actively engaged. This approach was designed to make sure the IPP appropriately captures a mutual vision for reconciliation. The IPP identifies five key areas of action that support the ongoing development of a continuously evolving RAP: engagement; empowerment; environment; employment; and education. Through the RAP, Denison is striving to interweave the principles of reconciliation throughout all areas of the company’s operations.

 

Through these engagement commitments and processes Denison is able to identify key concerns from its Indigenous groups of interest and plot a path to resolve them.

 

20.1.4.2Engagement with the General Public

 

Denison's principal methods of engagement with the general public include public disclosure through its website, direct correspondence with applicable leadership, and community meetings and surveys. Examples of such engagement include a workshop on early infrastructure options, site visits, two online surveys (2021 and 2022) and a meeting and information session on preliminary effects and mitigations.

 

20.1.4.3Engagement with the Regulatory Agencies

 

Denison began engaging with the CNSC and the Saskatchewan Ministry of Environment (SK MOE) in 2018 to provide staff with an overview of the Project and regular meetings (monthly) have been ongoing since that time. Additionally, Denison ensures the regulatory agencies are provided with the opportunity to attend Denison’s engagement activities with other Interested Parties (either virtually or in-person). Attendees from the CNSC and SK MOE have attended most of Denison’s key engagement activities with Interested Parties in 2019 (site visit), 2020/2021 (virtual meetings), 2022 (in-person meetings and site visit) and 2023 (in-person meetings).

 

20.1.5Closure Requirements

 

Denison’s decommissioning commitment is to return the land back to the Province of Saskatchewan for unrestricted surface land use post-closure. The conceptual decommissioning plan (CDP) outlines how radiological, physical, and chemical risks will be managed during decommissioning, so no unreasonable risks remain. Denison will prioritize passive versus active controls to reduce long-term risk.

 

Project No.: 251208Environmental Studies, Permitting and Social or Community Impact
August 2023Page 20-16

 

 

Wheeler River Project
Athabasca Basin, Saskatchewan
NI 43-101 Technical Report

 

Additional decommissioning details will be provided in the preliminary decommissioning plan (PDP), which will be submitted to regulators as part of licensing and permitting. The PDP will be prepared considering provincial, federal, and international documents relevant to decommissioning and reclamation. Examples of key reference documents for development of the PDP are CNSC’s REGDOC-2.11.2, Decommissioning (CNSC, 2021) and the SK MOE’s Northern Mine Decommissioning and Reclamation Guideline (SK MOE, 2008). The PDP will include an associated estimate for the decommissioning costs and Denison will provide financial assurance to confirm that the identified decommissioning activities can be completed as planned. A draft of the PDP has been reviewed during the preparation of this Report, and decommissioning costs derived from information in the PDP are considered in Section 20.1.5.4.

 

Prior to executing decommissioning activities, Denison will prepare and submit a detailed decommissioning plan (DDP) to regulators for acceptance, which will build on the PDP.

 

The CDP outlines physical decommissioning activities, followed by reclamation. Decommissioning is expected to take approximately five years.

 

The three main physical decommissioning activities include:

 

·Mining area remediation

 

·Removal of assets and process materials

 

·Decontamination, demolition, and disposal.

 

Physical decommissioning activities are followed by reclamation.

 

Progressive decommissioning and reclamation will be completed throughout the life of the Phoenix ISR operation, whenever feasible, and will be reported on to the regulatory agencies as part of the annual reporting requirements throughout operations. Progressive decommissioning activities will focus on the decontamination, demolition, and disposal of unused buildings and infrastructure, as well as the removal of unused equipment and machinery. Reclamation of inactive areas will take place when these areas become available.

 

Closure of the entire Phoenix ISR operation will be completed in accordance with provincial and federal regulations and guidance documents with the fundamental considerations being to confirm physical and chemical stability of the site to protect human health and the environment.

 

Project No.: 251208Environmental Studies, Permitting and Social or Community Impact
August 2023Page 20-17

 

 

Wheeler River Project
Athabasca Basin, Saskatchewan
NI 43-101 Technical Report

 

20.1.5.1Decommissioning

 

Mining Area Remediation

 

The objective of mining area remediation is to restore the groundwater within the confines of the freeze wall to reach an acceptable remediation target prior to turning off the freeze wall.

 

During operation, mining solutions will be contained within the mining area that has been defined as inside the freeze walls and up to 50 m vertically from the mineralized zone. This will be confirmed during operation by a robust groundwater monitoring network comprised of numerous wells located at various vertical depth horizons above the mineralized zone (both within and outside of the freeze walls).

 

The progressive remediation of the phases of the mineralized zone will occur once leaching activities within that phases are complete. Remediation of the mining area will involve injecting water into the mining area via injection wells and recovering groundwater through the recovery wells, similar to how mining will be conducted during operation. Reagents such as sodium bicarbonate and sodium hydroxide may be added to the injected water to accelerate groundwater quality recovery. Produced water will be processed through the process plant and associated industrial wastewater treatment facilities until non-economic uranium concentrations are observed. Non-economic produced waters will be either treated and mixed with fresh water for continued circulation in the mining area or sent to the industrial wastewater plant. Water treatment and treated effluent discharge release will continue during the decommissioning phase. Information obtained during operation from the wellfield, such as flow rates, will inform the remediation plans and rates.

 

Mining area remediation will continue until recovered water reaches and is demonstrated to be stabilized (maintained) at acceptable mining area decommissioning objectives. Meeting the acceptable mining area decommissioning objectives will be based on statistically demonstrating that the water quality meets acceptable target values and that it is stable over sufficient time for there to be confidence that conditions will not change.

 

The mining area decommissioning objectives have been developed through groundwater modelling work and are achievable based on metallurgical testing. Metallurgical testing, including column tests and coreflood tests, have been undertaken at SRC to understand the anticipated evolution of groundwater hydrochemistry as groundwater quality in the mining area is restored. Numerical groundwater modelling was applied to evaluate the fate and transport of the groundwater in the remediated mining area. Groundwater flow and geochemical reactive transport modelling were applied to help understand the migration and attenuation of remediated groundwater from the mining area toward Whitefish Lake, the primary surface water receptor. Refinement of the mining area decommissioning objectives will continue as the Phoenix project progresses. The final acceptable mining area decommissioning objectives will be developed prior to initiation of groundwater remediation, and/or as part of the DDP.

 

Project No.: 251208Environmental Studies, Permitting and Social or Community Impact
August 2023Page 20-18

 

 

Wheeler River Project
Athabasca Basin, Saskatchewan
NI 43-101 Technical Report

 

Once the mining area decommissioning objectives have been met, the perimeter freeze wall will be turned off and allowed to thaw. This will allow the eventual re-establishment of the pre-operational groundwater flow regime in the former mineralized zone.

 

Removal of Assets and Process Materials

 

Salvageable machinery, equipment, and other materials at site will be dismantled, decontaminated, and taken off site for resale or recycling. Remaining items will either be managed at a facility licensed to manage radioactive wastes or disposed of in the industrial landfill.

 

Process precipitates temporarily stored at the process precipitate pond during operation will be transported off site to an approved facility for reprocessing and permanent disposal.

 

Any mineralized core or drill cuttings remaining on the special waste pad at decommissioning will be trucked off site to an approved facility for reprocessing and permanent disposal.

 

Decontamination, Demolition and Disposal

 

Surface facilities, together with injection, recovery, and monitoring wells, will be systematically surveyed and decontaminated as necessary. Decontamination can include cleaning via dry blasting, sand blasting, and/or high pressure washing. Surplus chemicals and other hazardous materials will be removed and stored in designated temporary storage facilities. Sumps will be cleaned. Hazardous materials will be disposed of at approved offsite facilities. Radiologically contaminated material will be disposed of on site in accordance with licence conditions.

 

Empty tanks will be removed from the sites and sold as scrap or reused. Otherwise, they will be transported to an approved waste management facility. Fuel tanks will be managed by a contractor licensed to handle these types of tanks. Any remaining fuel and tanks will be removed by the contractor from the site. Any waste hauled off site will be disposed of at appropriate licensed facilities.

 

Permanent structures that remain after asset removal will require demolition. Most process equipment and non-supporting structures will be removed from buildings prior to demolition and the buildings will be demolished.

 

Project No.: 251208Environmental Studies, Permitting and Social or Community Impact
August 2023Page 20-19

 

 

Wheeler River Project
Athabasca Basin, Saskatchewan
NI 43-101 Technical Report

 

During demolition, an initial wash water of the structures to be demolished will be required along with dust control using water misting. The requirement and duration of misting will be determined on a case-by-case basis.

 

A review prior to the start of demolition will identify areas requiring additional procedures. Where possible, dust generating materials will be removed prior to demolition. Appropriate personal protective equipment and personnel decontamination procedures will be employed.

 

Valuable recyclable materials will be separated and processed for transport and sale concurrent with demolition. Excavators equipped with grapples will sort the recyclable products from the non-recyclables. Shears will be used to size recyclables for shipping and sale. Cleaning procedures of recyclables will be integrated into demolition, as necessary.

 

Concrete foundations will be left in place. Any portions of concrete foundations remaining above grade will be levelled and rebar will be cut off at grade. Large slabs will be perforated on a 2 m grid to permit drainage. Concrete slabs will be covered with 0.5 m of development rock (such as unmineralized/non-contaminated drill core) or locally stockpiled till.

 

The demolition process will produce:

 

·saleable recyclable materials (e.g., steel, stainless steel, copper, steel sections, and sheet metal)

 

·hazardous materials, including contaminated material that cannot be decontaminated

 

·roofing materials and insulation

 

·wood

 

·concrete

 

·contaminated soils.

 

Saleable recyclable materials will also be transported off site as scrap or recycled.

 

Hazardous materials will be handled and disposed of in accordance with the appropriate regulations and good practice. Where possible, chemicals will be mixed to produce a neutral solution and disposed of in an approved manner at site. Hazardous materials, such as spent chemicals (that cannot be managed on site), waste oil, and sludges, will be disposed of off site at licensed facilities.

 

Non-hazardous waste materials, such as roofing materials, insulation, wood, co-mingled concrete, and light steel (e.g., hand railings), may be disposed of on site or off site in a licensed landfill. Soil testing will be conducted in any areas of known contamination and/or potential spills, including areas around chemical, fuel, and explosive storage areas. Testing will be conducted according to industry standard procedures and compared to provincial and federal soil standards.

 

Project No.: 251208Environmental Studies, Permitting and Social or Community Impact
August 2023Page 20-20

 

 

Wheeler River Project
Athabasca Basin, Saskatchewan
NI 43-101 Technical Report

 

Closure of the wellfield and associated infrastructure will require the following activities:

 

·decommissioning of all injection and recovery wells: a plug will be placed at the base of the casing to provide containment from the bottom of the well. The lower 50 m within the casing will be grouted with a bentonite clay-cement blend and further capped at this level with an additional plug. The well casings will be cut off about 1 m below the current ground surface and a cement–grout plug will be placed immediately over top of the casing near surface to inhibit water flow down the outside of the casing. The ground surface will then be built up by about 0.5 m with a combination of low permeability material and/or local fill amended with 5% bentonite to reduce hydraulic conductivity. These mounds will be graded away from each former well, to make sure no standing water accumulates immediately above the casings. Wellheads will also be removed as part of the decommissioning process prior to abandonment.

 

·removal, decontamination, and disposal of all surface piping

 

·decontamination and removal of the pumphouses

 

·decontamination, removal, and/or disposal of the processing plant

 

·thawing of the freeze wall and decommissioning of all freeze pipes and the freeze plant

 

·placement of waste in the industrial landfill or an offsite licensed facility.

 

Demolition and disposal of remaining infrastructure components involves the decommissioning and removal of components such as power transmission lines and electrical infrastructure, water pipelines, and water treatment plants. Ponds will be decommissioned once they are no longer required for water management. Any contaminated liners will be removed and hauled to an approved landfill or disposed of in the industrial landfill.

 

The industrial landfill will have an engineered impermeable cover installed to limit water infiltration into the industrial wastes. Similarly, the material in the gypsum industrial wastewater treatment plant (IWWTP) precipitate (gypsum waste) pond will be covered and decommissioned in place. The industrial landfill will be designed to have two HDPE geomembrane liners over two geosynthetic clay liners and the IWWTP precipitate pond will be designed to have a single HDPE geomembrane liner over a geosynthetic clay liner. A single liner system is expected to remain in place for over 400 years (Koerner et al., 2011). Further reducing the potential for groundwater movement through the liner, the industrial landfill and IWWTP will be installed several metres above the water table. The physical location of the industrial landfill and IWWTP precipitate pond along with the impermeable cover and liner design will reduce the likelihood of any infiltration post decommissioning.

 

Project No.: 251208Environmental Studies, Permitting and Social or Community Impact
August 2023Page 20-21

 

 

Wheeler River Project
Athabasca Basin, Saskatchewan
NI 43-101 Technical Report

 

20.1.5.2Reclamation

 

Once the asset removal, decontamination, demolition, and disposal are completed, and the site has been cleared and levelled, reclamation activities, including replanting, will take place. Currently this would largely be Jack Pines, but the mix of plants will depend on location and available species. This reclamation will be monitored for a period until it is deemed self-sustaining and viable wildlife habitat.

 

Future discussions will be held with Indigenous and general public interested parties to determine the amount of access to the area they wish to maintain in the future (post-decommissioning). Based on results of these discussions, transportation corridors associated with the Project site that are no longer needed will be graded and scarified to promote natural revegetation. Access roads or trails required for post-closure monitoring or deemed useful by interested parties may be left to facilitate continued access. Access to the site may be restricted by gates and/or berms.

 

Laydown areas will be scarified, contoured, and vegetated with native, self-sustaining species. The footprints of other infrastructure, such as the camp, will be scarified and vegetated with native, self-sustaining species as required. The topsoil and brush stockpiled during pre-construction activities will be used during reclamation.

 

Lessons learned from progressive decommissioning and any site-specific reclamation studies will be incorporated into the detailed reclamation design. Additionally, information from other northern Saskatchewan mine sites will be examined to help Denison select the reclamation tools, including revegetation options, that will contribute towards decommissioning success.

 

20.1.5.3Post Decommissioning

 

Post-decommissioning extends from the end of physical decommissioning until transfer of the site into the provincial Institutional Control Program (Government of Saskatchewan, 2009) or direct release of the land back to the Crown. This phase of the Project is expected to last 15 years.

 

Following decommissioning, physical, chemical, and biological monitoring of the site will be conducted to confirm that the site is chemically and physically stable. The post-decommissioning monitoring program will be designed and conducted in accordance with the provincial and federal regulations and licence conditions. The monitoring program will be conducted until the site-specific decommissioning and reclamation objectives for the Project are met. Monitoring reports will be developed and submitted to both the provincial and federal regulators in accordance with licence conditions.

 

Project No.: 251208Environmental Studies, Permitting and Social or Community Impact
August 2023Page 20-22

 

 

Wheeler River Project
Athabasca Basin, Saskatchewan
NI 43-101 Technical Report

 

20.1.5.4Closure Costs

 

The closure cost estimate is based in part on a PDP that is under preparation, which will be submitted to regulators as part of Project licensing and permitting. The closure cost estimate associated with the draft PDP provides more detail than the estimate provided with the 2018 PFS (Liskowich et al., 2018). For this Report, a closure cost estimate derived from information in the PDP encompasses the entire planned life of the mine, as is appropriate for evaluation of the economics of the project. Under this scenario, $88.8 million is allocated to decommissioning and reclamation activities as detailed in Table 20-1.

 

Table 20-1: Phoenix Decommissioning and Reclamation Cost Estimate

 

Decommissioning and Reclamation Item Preliminary Estimate
($M)
Approvals management 2.4  
Active decommissioning management 13.0  
Mining infrastructure 9.4  
Surface infrastructure 25.3  
Environmental monitoring 4.4  
Subsurface remediation 33.3  
Plant upgrades to allow progressive remediation 1.1  
Total 88.8  

 

Note: Figures may not sum due to rounding.

 

20.2Gryphon

 

20.2.1Environmental Studies

 

Much of the baseline environmental study information already completed is also applicable to Gryphon, due to the proximity of the two projects and the extent of the regional study area used for the Phoenix project. Additional baseline information will be needed for the Gryphon Project area. The extent of the additional required environmental studies will need to be verified in preparation for EA and project permitting for the Gryphon operation, and it is recommended that a gap analysis be completed early, to allow sufficient time to complete the necessary baseline studies, such that environmental assessment and permitting can be carried out ahead of production.

 

Project No.: 251208Environmental Studies, Permitting and Social or Community Impact
August 2023Page 20-23

 

 

Wheeler River Project
Athabasca Basin, Saskatchewan
NI 43-101 Technical Report

 

20.2.2Management System

 

The site management system for operations and closure is not as advanced as they are for Phoenix; however, the system being developed for Phoenix will be a good template for Gryphon, and no issues are foreseen with respect to implementing a system at Gryphon that is modelled after Phoenix. It is recommended that Denison take this into consideration when developing the site management programs for the Project. For example, a Gryphon EMS would be very similar to the Phoenix EMS, with some modifications to account for site-specific differences such as waste rock onsite at Gryphon, potential air emissions from Gryphon mine ventilation operations, different sources of liquid effluents to be treated and released, etc. Gryphon will require its own site-specific environmental monitoring plan, although it is likely that there will be some overlap with the plan for Phoenix.

 

20.2.3Environmental Assessment

 

20.2.3.1Federal Environmental Assessment

 

Gryphon was not included in the project description and is not currently part of the ongoing EA process. Gryphon as a stand-alone operation is not likely subject to a federal EA as it would not be a designated activity as contemplated by the Physical Activities Regulations under the Impact Assessment Act (IAA). Per the Physical Activities Regulations (2019), Gryphon does not meet the relevant threshold for EA that involves the “construction, operation and decommissioning, outside the licensed boundaries of an existing uranium mine, of a new uranium mine with an ore production capacity of 2,500 t/day or more”. Since the planned ore production rate for Gryphon is approximately 660 t/d, there would be no trigger to designate Gryphon for federal EA. The federal Environment Minister could designate the project “if, in his or her opinion, either the carrying out of that physical activity may cause adverse effects within federal jurisdiction or adverse direct or incidental effects, or public concerns related to those effects warrant the designation” (IAA, 2019); however, this is considered unlikely.

 

20.2.3.2Provincial Environmental Impact Assessment

 

The Environmental Assessment Act in Saskatchewan (1980) requires a proponent of a project to conduct an Environmental Impact Assessment (EIA) and submit an EIS to the provincial Environment Minister if the project is considered a development. Under the Act, development “means any project, operation or activity or any alteration or expansion of any project, operation or activity which is likely to: i) have an effect on any unique, rare or endangered feature of the environment; ii) substantially utilize any provincial resource and in so doing pre-empt the use, or potential use, of that resource for any other purpose; iii) cause the emission of any pollutants or create by-products, residual or waste products which require handling and disposal in a manner that is not regulated by any other Act or regulation; iv) cause widespread public concern because of potential environmental changes; v) involve a new technology that is concerned with resource utilization and that may induce significant environmental change; or vi) have a significant impact on the environment or necessitate a further development which is likely to have a significant impact on the environment”.

 

Project No.: 251208Environmental Studies, Permitting and Social or Community Impact
August 2023Page 20-24

 

 

Wheeler River Project
Athabasca Basin, Saskatchewan
NI 43-101 Technical Report

 

The Phoenix operation was subject to a provincial EIA, and while there are differences between the Phoenix operation and the Gryphon operation, it is currently assumed that the Gryphon operation will also be subject to a provincial EIA as a development.

 

Denison has not yet initiated a provincial impact assessment for Gryphon. The next step would be to develop and submit a technical proposal to the provincial Environmental Assessment Branch for a determination. Once it is determined that Gryphon would require an EIA, a Terms of Reference or scoping document is submitted to the EA Branch which will outline the studies to be undertaken and information required as part of the EIA. This document will be reviewed by the EA Branch to ensure the EIS includes the required information. This will be followed by EIS submission, technical review, public comment, Ministry consultation with First Nations and Métis communities, public meetings, and the Minister’s decision.

 

Given that the start of production for Gryphon is not planned until Phoenix has been depleted there appears to be sufficient time to collect any additional baseline information that is required and proceed with the EIA (and permitting).

 

Highway 914 all-weather road between the McArthur River and McClean Lake mill will be required to haul Gryphon ore for processing. The proponent for the provincial EIA for the Highway 914 extension is the Saskatchewan Ministry of Highways. The process for approval was initiated in 2010. An EIS was prepared in 2021 and reviewed by the Provincial Environmental Assessment Branch in the same year. Public comments were submitted in 2022. At present the extension project is still under review.

 

Denison has included an appropriate budget for completion of the EA and permitting for Gryphon.

 

20.2.4Social and Community Requirements and Status

 

Due to the proximity of the Gryphon deposit to the proposed Phoenix ISR operation, all social and community requirements described in Section 20.1.4 apply.

 

Project No.: 251208Environmental Studies, Permitting and Social or Community Impact
August 2023Page 20-25

 

 

Wheeler River Project
Athabasca Basin, Saskatchewan
NI 43-101 Technical Report

 

20.2.5Closure Requirements and Closure Cost

 

Mine closure requirements for the Gryphon operation would in concept mirror the requirements for Phoenix, though would be tailored to meet the site-specific reclamation objectives that would be defined for Gryphon. A CDP will need to be completed, followed by a PDP including a detailed estimate of closure costs. The conventional underground mining method at Gryphon will result in some different closure activities, when compared to Phoenix. These will include permanent caps over openings to surface, and engineered cover/containment for waste rock to remain on surface post-closure.

 

A preliminary closure cost estimate for the Gryphon was prepared in 2018 for the PFS (Liskowich et al., 2018) using first principals and a cost database. For this Report, the 2018 closure cost has been escalated to $5.0 million summarized in Table 20-2. The QP has reviewed the basis for this cost and has identified elements of the estimate that appear to be lower than what would be typical. It is recommended that as the Gryphon project advances, the closure cost be refined and updated through the development of a PDP, as has been done for the Phoenix.

 

Table 20-2: Gryphon Decommissioning Cost Estimate

 

Area Cost
($M)
Stockpiles and pads 0.5
Ponds 0.3
Infrastructure 0.5
Roadways -
Environmental monitoring 0.4
Other 0.1
Opening closures 0.2
Allowance 3.0
Total 5.0

 

Note: Figures may not sum due to rounding.

 

Project No.: 251208Environmental Studies, Permitting and Social or Community Impact
August 2023Page 20-26

 

 

Wheeler River Project
Athabasca Basin, Saskatchewan
NI 43-101 Technical Report

 

21.0Capital and Operating Costs

 

21.1Phoenix

 

21.1.1Summary

 

The capital cost estimate for the Phoenix deposit is classified as a Class 3 estimate in accordance with AACE International Guidelines Practice No. 47R-11 (Bredehoeft et al., 2020) with an accuracy expected to be within -15%/+25% ranges of final cost including contingency. All costs are expressed in first-quarter 2023 Canadian dollars. No allowance for escalation has been made. Conversion rates published by the Bank of Canada on December 13, 2022 were used and summarized in Table 21-1.

 

Table 21-1: Currency Exchange Rates

 

Currency Unit per CA$
United States (US$) 1.3547
European Union (EUR) 1.4399

 

The total initial capital cost is $419.4 million as shown in Table 21-2. The capital cost includes all direct and indirect costs of initial construction following the FID.

 

Additional pre-commitment costs of $67.4 million are necessary to advance the Phoenix Project definition for regulatory purposes, and specifically to support a licence to construct satisfying the Canadian Uranium Mines and Mills Regulations SOR/2000-206. At this point Phoenix will be considered de-risked sufficiently to enable the FID. The pre-commitment work includes engineering advancement including recommended activities in Section 26, additional testwork, early procurement items, grid power design and execution, and management of these activities.

 

Sustaining capital cost is required for well development and ground freezing as wellfield development progresses over the mine life, and some facility capacity increases later in operations. The total sustaining capital is estimated at $234.1 million.

 

Operating costs were estimated for mining, process, transport to converter and site support and G&A. Over the LOM, the operating costs will average $8.51/lb U3O8.

 

Project No.: 251208Capital and Operating Costs
August 2023Page 21-1

 

 

Wheeler River Project
Athabasca Basin, Saskatchewan
NI 43-101 Technical Report

 

Table 21-2: Initial Capital Cost Estimate for Phoenix

 

Area Area Description Cost
($M)
 
Direct Cost    
  Mining 63.0  
  In situ leach process plant 102.6  
  Surface facilities 14.7  
  Utilities 34.8  
  Electrical 19.1  
  Civil and earthworks 39.6  
Total Direct Cost   273.8  
Indirect Cost      
  Indirect costs 70.5  
  Owner’s costs 32.7  
Total Indirect Cost   103.2  
  Contingency 42.6  
Total Capital Costs   419.4  

 

Note: Figures may not sum due to rounding.

 

21.1.2Capital Cost Estimate

 

21.1.2.1Basis of Estimate

 

Most of the material and subcontractor pricing was obtained from budgetary quotations with escalated in-house data used where materials were not quoted. Wellfield development quantities and costs were developed with an MTO. Civil and piping quantities were developed from 3D models, drawings, and design specifications and priced via in-house data using historical contract unit rates. An MTO was developed for concrete quantities, detailed civil quantities and building finishes with unit rates obtained from in-house data and allowances made for other items. Structural quantities are calculated from the 3D model with budgetary quotes obtained. MTOs were developed for building services, process equipment and piping, and electrical and instrumentation and based largely on budgetary quotations.

 

Project No.: 251208Capital and Operating Costs
August 2023Page 21-2

 

 

Wheeler River Project
Athabasca Basin, Saskatchewan
NI 43-101 Technical Report

 

21.1.2.2Direct Costs

 

Labour

 

Composite all-in contract wage rates were developed for each discipline based on historical crew mixes and the defined work shift rotation schedules. Wage rates are based on Construction Labour Relations Association of Saskatchewan collective labour agreements and solicited wage rates for non-union contractors. A blended labour rate comprising of 1/3 union workers and 2/3 non-union workers forms the basis for the labour estimate. Productivity factors were applied to the various disciplines reflecting recent and ongoing projects in Saskatchewan.

 

Labour work hours and blended hour rates are based on 11-hour days with a rotation of 14 days in and 14 days out. Labour rates are all-in and inclusive of base rate, overtime premiums, benefits and burdens, government assessments, contractor overhead, profit and indirect field costs.

 

Mining

 

Table 21-3 summarizes the initial mining capital cost estimate by area. Mining costs represent approximately 23% of the total direct costs.

 

Table 21-3: Phoenix Mining Capital Cost Breakdown

 

Area Cost
($M)
 
Wellfield 24.2  
Ground freezing 24.2  
Injection solution handling 8.4  
Recovered solution handling 5.6  
Special and clean waste storage 0.7  
Total 63.0  

 

Note: Figures may not sum due to rounding.

 

In Situ Leach Process Plant

 

Table 21-4 summarizes the in situ leach process plant capital cost estimate by area. Process plant costs represent approximately 37% of the total direct costs.

 

Project No.: 251208Capital and Operating Costs
August 2023Page 21-3

 

 

Wheeler River Project
Athabasca Basin, Saskatchewan
NI 43-101 Technical Report

 

Table 21-4: Phoenix In Situ Leach Process Plant Capital Cost Breakdown

 

Area Cost
($M)
 
Process plant building and services 53.7  
Injection solution handling 1.6  
Recovered leach solution handling 1.1  
FE/Ra circuit 11.4  
Yellowcake circuit 8.5  
Yellowcake calcining and packaging 12.2  
Reagents 13.6  
Process plant utilities 0.3  
Total 102.6  

 

Note: Figures may not sum due to rounding.

 

Surface Facilities

 

Table 21-5 summarizes the initial surface facilities capital cost estimate by area. Surface facilities costs represent approximately 5% of the total direct costs.

 

Table 21-5: Phoenix Surface Facilities Capital Cost Breakdown

 

Area Cost
($M)
Operations complex 1.9  
Camp 8.6  
Wash bay/scanning facility 3.0  
Fenced storage 0.2  
Outdoor covered storage 0.7  
Weigh scale 0.2  
Total 14.7  

 

Note: Figures may not sum due to rounding.

 

Utilities

 

Table 21-6 summarizes the initial utilities capital cost estimate by area. Utilities costs represent approximately 13% of the total direct costs.

 

Project No.: 251208Capital and Operating Costs
August 2023Page 21-4

 

 

Wheeler River Project
Athabasca Basin, Saskatchewan
NI 43-101 Technical Report

 

Table 21-6: Phoenix Utilities Capital Cost Breakdown

 

Area Cost
($M)
Fuel system 0.4  
Sewage system 3.5  
Water system 1.8  
Communications 0.4  
Firewater 2.8  
Industrial wastewater treatment 25.5  
Solid waste treatment 0.4  
Total 34.8  

 

Note: Figures may not sum due to rounding.

 

Electrical

 

Table 21-7 summarizes the initial electrical capital cost estimate by area. Electrical costs represent approximately 7% of the total direct costs.

 

Table 21-7: Phoenix Electrical Capital Cost Breakdown

 

Area Cost
($M)
Main 138 kV to 5 kV substation 9.7  
Site electrical distribution/powerline 3.4  
Operations centre 2.2  
Camp 1.6  
Freeze plant 2.1  
Total 19.1  

 

Note: Figures may not sum due to rounding.

 

Civil and Earthworks

 

Table 21-8 summarizes the civil and earthworks capital cost estimate by area. Civil and earthworks costs represent approximately 14% of the total direct costs.

 

Project No.: 251208Capital and Operating Costs
August 2023Page 21-5

 

 

Wheeler River Project
Athabasca Basin, Saskatchewan
NI 43-101 Technical Report

 

Table 21-8: Phoenix Civil and Earthworks Capital Cost Breakdown

 

Area Cost
($M)
General site preparation, ponds, and landfill 13.8  
Roads 6.2  
Runoff capture pond 1.5  
Landfill 2.1  
Airstrip and terminal building 9.6  
Treated effluent 1.9  
Solid waste disposal 3.7  
Process ponds 0.8  
Total 39.6  

 

Note: Figures may not sum due to rounding.

 

21.1.2.3Indirect Costs

 

Indirects consider the following:

 

·Construction indirect costs that have been built up using a cost model. Inputs to this model are based on the proposed construction schedule duration of 24 months. Construction indirects include temporary facilities and services, construction equipment and materials, distributables, vendor representatives and start-up and commissioning.

 

·Provincial sales taxes of 6% for Saskatchewan on all field, labour, and material costs. Engineering services taxable at 30%. All other taxes, duties and customs have been excluded.

 

·Engineering and procurement and construction management costs are based on bottom-up estimates.

 

Owner’s Costs

 

Owner’s costs include:

 

·Owner’s personnel supporting the project at site and in corporate offices. This includes project management, construction management, procurement and contract management, project services, and technical staff.

 

·Temporary construction camp facilities and their operating costs

 

·Costs to transport the project workforce to and from the site for shift rotations

 

·Mobile equipment for operations, some of which will be used during construction.

 

Project No.: 251208Capital and Operating Costs
August 2023Page 21-6

 

 

Wheeler River Project
Athabasca Basin, Saskatchewan
NI 43-101 Technical Report

 

21.1.2.4Contingency

 

Contingency is a monetary provision intended to cover items that are included in the scope of work as described in this Report but cannot be accurately defined at this stage. Contingency should be considered as expenditure that is predictable but undefinable at this stage of the Phoenix Project, and is expected to be spent.

 

Contingency has been applied based on a probabilistic method calculated from a model using Monte Carlo simulation to determine the expected range of outcomes and probability of occurrence for each of the outcomes. The labour, construction equipment, materials and subcontractor costs for each discipline were evaluated based on the definition level of the pricing that went into the estimate. Budgetary pricing information received a tighter range of cost variability in the model compared to in house data, factors, and allowances.

 

The contingency applied to the capital cost estimate is based on a P50 confidence level. The probability of P50 represents a continency value that will not overrun the budget (including the contingency amount) 50% of the time.

 

21.1.3Sustaining Capital Costs

 

Sustaining capital cost schedule is summarized in Table 21-9. Sustaining capital is included for:

 

·Wellfield expansion following initial production development. This includes drilling and completing new wells, adding header houses and mechanical equipment and extending piping to the new wells.

 

·Expansion of the ground freezing system as the wellfield expands. This includes adding freeze compressor units, drilling new freeze holes and expanding the freezing system piping network.

 

·Development of the injection solution system as the wellfield advances

 

·Expansion of the gypsum storage pad at Year 6 of production

 

·Modifications in the process plant in the latter years of mining to accommodate added flow for well remediation.

 

Project No.: 251208Capital and Operating Costs
August 2023Page 21-7

 

 

Wheeler River Project
Athabasca Basin, Saskatchewan
NI 43-101 Technical Report

 

Table 21-9 : Sustaining Capital Cost Schedule

 

Description Total
($M)
Yr 1 Jun - Dec Yr 2 Yr 3 Yr 4 Yr 5 Yr 6 Yr 7 Yr 8 Yr 9 Yr 10 Yr 11 Jan - Jun
($M) ($M) ($M) ($M) ($M) ($M) ($M) ($M) ($M) ($M) ($M)
Wellfield 126.1 - 28.3 67.4 - - 30.4 - - - - -
Ground freezing 95.6 8.0 21.4 19.6 5.1 38.2 3.4 - - - - -
Injection solution handling 8.4 - - 2.7 - - 4.9 - 0.4 - 0.3 0.2
Gypsum precipitate pond 1.3 - - - - - 1.3 - - - - -
Recovered leach solution 2.7 - - - - -   - - 2.5 - 0.2
Total Sustaining Capital 234.1 8.0 49.7 89.7 5.1 38.2 39.9 0.0 0.4 2.5 0.3 0.3

 

Note: Figures may not add up due to rounding. Above figures include indirects and contingency.

 

Project No.: 251208Capital and Operating Costs
August 2023Page 21-8

 

 

Wheeler River Project
Athabasca Basin, Saskatchewan
NI 43-101 Technical Report

 

21.1.4Closure Costs

 

The decommissioning and reclamation costs defined in Section 20 for Phoenix are $88.8 million.

 

21.1.5Operating Costs

 

21.1.5.1Summary

 

Total operating costs over the LOM is estimate at $478.1 million. Average operating costs are estimated at $8.51/lb U3O8 produced and is summarized in Table 21-10.

 

Table 21-10: Phoenix Operating Costs

 

Cost Area Total Cost
($M)
Cost
($/lb U3O8)
Percentage of Total
(%)
Mining 44.4   0.79 9  
Processing 294.8   5.25 62  
Transport to converter 13.7   0.24 3  
Site support / G&A 125.1   2.23 26  
Total 478.1   8.51 100  
Total US$   6.28  
U3O8 Sales (Mlb)   56.2  

 

Note: Figures may not sum due to rounding.

 

21.1.5.2Mine Operating Costs

 

The mine operating cost estimate considers the operation of the freeze plant and wellfield operations. It consists of labour, materials, and electrical power to operate and maintain the ground freezing equipment, injection and recovery pumps and piping systems. Table 21-11 presents a summary of the Phoenix mine operating cost estimate.

 

Table 21-11: Phoenix Mine Operating Costs

 

Cost Area Total Cost
($M)
Cost
($/lb U3O8)
Labour 13.9   0.25
Freeze plant costs 0.6   0.01
Maintenance materials 1.9   0.03
Electricity 28.0   0.50
Total 44.4   0.79

 

Note: Figures may not sum due to rounding.

 

Project No.: 251208Capital and Operating Costs
August 2023Page 21-9

 

 

Wheeler River Project
Athabasca Basin, Saskatchewan
NI 43-101 Technical Report

 

21.1.5.3Process Operating Costs

 

The process operating cost estimate includes the labour, material, electrical power, reagents, propane, water, and laboratory costs to operate and maintain the ISR process plant for the duration of the operation. Table 21-12 presents a summary of the process operating cost details.

 

Table 21-12: Phoenix Process Operating Costs

 

Cost Area Total Cost
($M)
Cost
($/lb U3O8)
Labour 65.3   1.16
Power 14.0   0.25
Propane 40.8   0.73
Water -   -
Reagents 119.0   2.12
Maintenance materials 18.5   0.33
Laboratory 0.5   0.01
PPS transportation 22.8   0.41
PPS toll milling 13.7   0.24
Total 294.8   5.25

 

Note: Figures may not sum due to rounding.

 

21.1.5.4Transport to Converter

 

The operating costs to transport the YC product from site to the converter are summarized in Table 21-13.

 

Table 21-13: Transport to Converter Costs

 

Cost Area Total Cost
($M)
Cost
($/lb U3O8)
Transport 13.7 0.24
Total 13.7 0.24

 

Project No.: 251208Capital and Operating Costs
August 2023Page 21-10

 

 

Wheeler River Project
Athabasca Basin, Saskatchewan
NI 43-101 Technical Report

 

21.1.5.5Site Support and General and Administrative Costs

 

The site support and G&A operating cost estimate is shown in Table 21-14.

 

Table 21-14: Phoenix Site Support and General and Administrative Operating Costs

 

Cost Area Total Cost
($M)
Cost
($/lb U3O8)
Site Support    
Labour 15.8   0.28
Maintenance 0.6   0.01
Electricity 4.9   0.09
Propane 7.7   0.14
Water (for potable water) -   -
Site services 1.9   0.03
G&A      
Labour 27.0   0.48
Travel/accommodations 34.9   0.62
Regulatory and compliance 26.0   0.46
Safety and radiation supplies 6.3   0.11
Total 125.1   2.23

 

Note: Figures may not sum due to rounding.

 

Phoenix site support cost estimates include the materials, fuel, electrical power consumption and propane associated with operating and maintaining the shared facilities and utilities on site.

 

The G&A estimates include management and administration labour, travel/accommodation costs, regulatory and compliance costs and safety and radiation supplies. Management and functional group labour is estimated from first principles and includes a general manager and administrative assistants, human resources, information technology, finance, logistics, health, safety, environment and community, site technical support, procurement, contracts, and security.

 

Travel/accommodation costs include camp and flight costs based on current actuals and budget rates from the current camp. Flight costs are based on forecast staffing levels.

 

Regulatory and compliance costs are based on a combination of allowances, historical cost databases and first principals and consider mining and surface leases, insurance, CNSC fees, training, and office, laundry, and emergency response supplies.

 

Safety and radiation supply costs are based on a combination of allowances, historical cost databases and first principals and consider safety and first aid, radiation, office, laundry and dry, and emergency response supplies, as well as travel and business meals and offsite G&A costs.

 

Project No.: 251208Capital and Operating Costs
August 2023Page 21-11

 

 

Wheeler River Project
Athabasca Basin, Saskatchewan
NI 43-101 Technical Report

 

21.2Gryphon

 

21.2.1Summary

 

The capital cost estimate for the Gryphon deposit is classified as a Class 4 estimate in accordance with AACE International Guidelines Practice No. 47R-11 (Bredehoeft et al., 2020) with an accuracy ranging between -15% to -30% and +20% to +50% of final cost including contingency. All costs are expressed in third-quarter 2022 Canadian dollars. No allowance for escalation has been made.

 

The total initial capital cost is $737.4 million as shown in Table 21-15. The capital cost includes all direct and indirect costs of initial construction following the FID.

 

Table 21-15: Initial Capital Cost Estimate for Gryphon

 

Area Area Description Cost
($M)
Direct Cost    
  Shafts 222.4  
  Surface facilities 63.0  
  Underground 63.9  
  Utilities 5.3  
  Electrical 5.4  
  Civil and earthworks 16.0  
  McClean Lake mill upgrade 67.9  
  Off-site infrastructure 43.7  
Total Direct Cost   487.6  
Indirect Cost      
  Indirect costs 76.5  
  Owner’s costs 25.6  
Total Indirect Cost   102.1  
  Contingency 147.7  
Total Capital Cost   737.4  

 

Note: Figures may not sum due to rounding.

 

Additional pre-commitment costs of $56.5 million are necessary to advance the Gryphon Project definition for regulatory purposes, and specifically to support a licence to construct satisfying the Canadian Uranium Mines and Mills Regulations SOR/2000-206. At this point Gryphon will be considered de-risked sufficiently to enable the FID. The pre-commitment work includes an FS and environmental assessment, engineering advancement including recommended activities in Section 26, additional testwork, early procurement items, and execution, and management of these activities.

 

Project No.: 251208Capital and Operating Costs
August 2023Page 21-12

 

 

Wheeler River Project
Athabasca Basin, Saskatchewan
NI 43-101 Technical Report

 

Sustaining capital cost is required for surface facilities and underground development, construction, and equipment. The total sustaining capital is estimated at $98.7 million.

 

Operating costs were estimated for mining, process and G&A. Over the LOM, the operating costs will average $17.27/lb U3O8 produced.

 

21.2.2Capital Cost Estimates

 

21.2.2.1Basis of Estimate

 

Direct costs are the costs of all equipment and bulk materials, together with construction and installation costs for all permanent facilities. In 2018, the estimating methodology used to estimate surface infrastructure costs consisted of a combination of budget quotes for major equipment and factored equipment and unit costs for distributive commodity direct costs.

 

Major equipment costs are based on budget prices from vendors based on preliminary requirements. Facility costs were estimated by approximate quantity take-offs from drawings and applying unit costs. Earthworks and infrastructure were derived from preliminary contours for overland piping, overhead power lines. Labour costs for equipment installation were estimated by factoring the quoted equipment cost. No design changes were made to the 2018 study.

 

For the 2023 update, the methodology consisted of escalating the 2018 estimate costs by 36% which is based on the Chemical Engineering Plant Cost Index for equipment and materials. Labour, subcontract, equipment rental and contractor indirects were escalated by 10%, and other materials were escalated by 20%.

 

21.2.2.2Direct Costs

 

Aside from minor changes to the mine plan, the scope of the Gryphon Project has not changed since 2018. Direct cost estimates for mine development and production costs in 2018 were developed from first principles. This included combining the following information:

 

·Quantity take-offs developed by the mining, estimating and design teams for select items with allowances applied

 

·Build-up of composite costs for material and operation of equipment.

 

Project No.: 251208Capital and Operating Costs
August 2023Page 21-13

 

 

Wheeler River Project
Athabasca Basin, Saskatchewan
NI 43-101 Technical Report

 

The 2018 mine development costs were revisited and updated according to current levels. Mobile equipment costs are based upon updated pricing for new equipment. For major overhauls and rebuilds, a 15% allowance per year is applied to each piece of major mobile equipment, beginning three years after initial purchase. Denison salaried personnel rates for G&A were escalated by 2% per year over 2018 rates, for a combined total of 8%.

 

Examples of direct costs include, but are not limited to, the following:

 

·Supply, assembly, and installation of permanent equipment

 

·Supply, fabrication, and installation of bulk materials

 

·Supplemental resources for equipment and bulk material installation, such as labour and construction equipment

 

·Site preparations (bulk earthworks) and the construction of roads and storm water ditching

 

·Supply, fabrication and erection of permanent buildings and associated services including a permanent camp and airstrip

 

·Supply, fabrication, erection of utilities and distribution systems

 

·Process control systems including software programming and DCS/HMI configuration costs

 

·Labour, equipment, and materials to complete underground excavation activities

 

·Decommissioning costs for demolition, earthworks.

 

Labour

 

Productivity and labour parameters include:

 

·The construction schedule consists of one 12-hour shift per day, seven days per week on 14-days-in and 14-days-out rotation.

 

·Operating schedule is typically two 10.5-hour shifts per day, seven days per week on a 14-day-in and 14-days-out rotation.

 

·Annual schedule of 362 days per year.

 

Parameters applied for McClean Lake mill activities conform to practices applied at McClean Lake mill including application of a 66-hour work week with 14-days-in and 14-days-out rotations.

 

Contractor workforce is assumed for all construction activities on surface, shaft, and underground and surface infrastructure construction activities.

 

Project No.: 251208Capital and Operating Costs
August 2023Page 21-14

 

 

Wheeler River Project
Athabasca Basin, Saskatchewan
NI 43-101 Technical Report

 

Denison employees are assumed for operations and underground development and production activities.

 

Shafts

 

Table 21-16 summarizes the initial shaft works capital cost estimate by area. Shaft costs represent approximately 46% of the total direct costs.

 

Table 21-16: Gryphon Shaft Works Capital Cost Breakdown

 

Area Cost
($M)
Production shaft headworks 23.6  
Production shaft construction 11.7  
Production shaft excavation 9.1  
Production shaft loading pocket 2.5  
Production shaft grizzly 2.3  
Ventilation shaft headworks 7.2  
Ventilation shaft construction 8.1  
Blind boring 157.9  
Total 222.4  

 

Note: Figures may not sum due to rounding

 

A blind boring quotation received in 2018 is based on the following general considerations and escalated by 10% for labour, subcontract, equipment rentals and indirect costs and 20% for material to reflect their present-day costs:

 

·Mobilization and demobilization

 

·Supply of all construction equipment

 

·Personnel transportation to Saskatoon

 

·All required freight for equipment and materials to project site

 

·Detailed engineering and design services and procurement services

 

·Slurry plant site preparation, installation, and operation

 

·Collar pads for both shafts

 

·Collar pad supports and coping sections

 

·Blind drill mobilization, erection, operation dismantling and demobilization

 

·Blind drilling of production shaft to 6.1 m diameter x 570 m deep

 

·Blind drilling of ventilation shaft to 5.8 m diameter x 508 m deep

 

·Fabrication, transportation, and installation of composite liner segments at the site

 

·Placing of annular grout.

 

Project No.: 251208Capital and Operating Costs
August 2023Page 21-15

 

 

Wheeler River Project
Athabasca Basin, Saskatchewan
NI 43-101 Technical Report

 

The cost estimate for equipping and commissioning the two shafts was completed from a first principles work-up, starting with crew size and expected productivities. Costs for headworks, hoist houses, shaft equipping, and off-shaft development and construction are based on quotations and previous project buildups factored as required to conform to this scope.

 

Surface Facilities

 

Table 21-17 summarizes the initial surface facilities capital cost estimate by area. Surface facilities costs represent approximately 13% of the total direct costs. Cost estimates for these elements were completed by updating supplier quotes and using a historical cost database from recent projects.

 

Table 21-17: Gryphon Surface Facilities Capital Cost Breakdown

 

Area Cost
($M)
Ventilation 5.3  
Equipment 6.7  
Water treatment 25.1  
Mine rescue/office building 0.4  
Ore and waste storage 25.3  
Fenced storage 0.1  
Explosives storage 0.1  
Total 63.0  

 

Note: Figures may not sum due to rounding

 

Underground

 

Table 21-18 summarizes the initial underground capital cost estimate by area. Underground costs represent approximately 13% of the total direct costs.

 

Labour rates were provided by Denison for company personnel. These rates were compared to present projects with similar staffing requirements. The labour rates were adjusted a nominal 10% to reflect current demand and supported by present statistical data. Contractor labour rates are first principle buildups from previous projects that are benchmarked against current contractor rates. Underground development costs were estimated by completing a first principles work-up of crew size, equipment requirements, quantities of consumables and expected productivities. Unit cost for materials and supplies is from Stantec’s database. Dimensions, expected geotechnical conditions and ground support requirements were all considered for each different type and geometry of excavation.

 

Project No.: 251208Capital and Operating Costs
August 2023Page 21-16

 

 

Wheeler River Project
Athabasca Basin, Saskatchewan
NI 43-101 Technical Report

 

Table 21-18: Gryphon Underground Capital Cost Breakdown

 

Area Cost
($M)
Ramp development 9.3
Lateral waste development 14.4  
Vertical development 0.0
Ore silling 2.7
Production 0.3
Underground infrastructure construction 19.9  
Equipment 2.0
Mobile equipment 14.7  
Diamond drilling/boreholes 0.6
Total 63.9   

 

Note: Figures may not sum due to rounding

 

All vertical development will be completed using raiseboring methods and the costs are based on first principle build ups. These costs are benchmarked against recent bids from an underground raise boring contractor. Infrastructure costs are based on Stantec’s cost database of recent similar projects and factored as required.

 

The majority of the mobile equipment was originally quoted in 2018 and adjusted to replacement cost. Mobile equipment capital costs are based on sources from an existing executed project as well as previous project quotations (Table 21-19). Diamond drilling costs were provided by Denison to include assaying costs and adjusted to market conditions.

 

Table 21-19: Gryphon Underground Mobile Equipment Capital Cost Details

 

Area Cost
($M)
2 Boom Jumbo 3.5
6 yd LHD 2.5
30t Trucks 1.4
Boom Bolters 2.9
Forklifts 0.2
ITH with Compressor 1.8
Scissor Lifts 1.7
Shotcrete Equipment 0.6
Toyota Jeeps 0.3
Total 14.7   

 

Note: Figures may not sum due to rounding

 

Project No.: 251208Capital and Operating Costs
August 2023Page 21-17

 

 

Wheeler River Project
Athabasca Basin, Saskatchewan
NI 43-101 Technical Report

 

Utilities

 

Table 21-20 summarizes the utilities capital cost estimate by area. Utilities costs represent approximately 1% of the total direct costs.

 

Table 21-20: Gryphon Utilities Capital Cost Breakdown

 

Area Cost
($M)
Diesel fuel storage dispensing system 0.2
Propane storage and dispensing system 2.3
Fresh/firewater system 2.8
Total 5.3

 

Note: Figures may not sum due to rounding

 

Electrical

 

The electrical capital cost of $5.4 million includes surface electrical equipment and distribution system. Electrical costs represent approximately 1% of the total direct costs.

 

Civil and Earthworks

 

Civil and earthworks capital cost are $16 million and represent approximately 3% of the total direct costs.

 

McClean Lake Mill Upgrade

 

Table 21-21 summarizes the initial capital cost estimate for the McClean Lake mill upgrade. Mill upgrade costs represent approximately 14% of the total direct costs.

 

In 2018, a factored estimate was prepared by mill area based on a detailed mechanical equipment list. The 2018 estimate was escalated by 36% to bring it to 2022 dollars. Major equipment was priced based on a combination of budget quotations and in-house data. Installation hours and labour rates were applied to calculate total mechanical installed cost. Discipline costs (piping, electrical, instrumentation) were then applied by area based on past experience and industry best practice.

 

Project No.: 251208Capital and Operating Costs
August 2023Page 21-18

 

 

Wheeler River Project
Athabasca Basin, Saskatchewan
NI 43-101 Technical Report

 

Table 21-21: McClean Lake Mill Upgrade Capital Cost Breakdown

 

Area Cost
($M)
Grinding 1.5
Leaching 33.0  
CCD 10.8  
Precipitation 1.7
CX 8.7
Acid plant 7.8
Reagents 0.9
Tailings 3.5
Total 67.9   

 

Note: Figures may not sum due to rounding

 

Offsite Infrastructure

 

The offsite infrastructure capital cost considers the construction of the approximately 50 km extension of Highway 914 connecting McArthur River and Cigar Lake mines to reduce the haul distance from Wheeler River to McClean Lake mill from 972 km to approximately 160 km.

 

Offsite infrastructure costs total $43.7 million and represent approximately 9% of the total direct costs.

 

21.2.2.3Indirect Costs

 

Most of the indirect costs have been estimated as a percentage of direct costs with some costs being determined from first principles where appropriate. Examples of indirect costs include, but are not limited to the following:

 

·Temporary facilities for construction, offices, laydown areas, warehousing

 

·Temporary services including information technology, catering, camp, and office cleaning

 

·Provision of power, heat and water and other consumables during construction

 

·Construction rental equipment

 

·Contractor mobilization/demobilization

 

·First fills of equipment

 

·Freight, duty, and Saskatchewan provincial sales tax

 

·Engineering, procurement and construction management services for Gryphon

 

·Construction third party inspection and testing

 

Project No.: 251208Capital and Operating Costs
August 2023Page 21-19

 

 

Wheeler River Project
Athabasca Basin, Saskatchewan
NI 43-101 Technical Report

 

·Vendor representatives

 

·Commissioning and start-up

 

·Engineering, procurement, and construction management services for McClean Lake mill (including travel expenses).

 

Owner’s Costs

 

Owner’s costs include owner’s management team for procurement, construction management, human resources, safety, environment, miscellaneous field labour, costs for operation of camp during construction activities, flights, and travel costs during construction from Saskatoon to site, and regulatory fees. Owner’s costs have been estimated on a first principles basis.

 

21.2.2.4Contingency

 

A 25% contingency was applied to all direct, indirect and Owner’s costs.

 

21.2.3Sustaining Capital Costs

 

Sustaining capital is included for mine development activities and surface equipment purchases. Table 21-22 shows the breakdown of planned expenditures.

 

Table 21-22: Sustaining Capital Cost Schedule

 

Area Total
($M)
Yr1
($M)
Yr2
($M)
Yr3
($M)
Yr4
($M)
Yr5
($M)
Yr6
($M)
Yr7
($M)
Surface facilities 7.5 - 7.2 0.2 0.1 - - -
Underground 86.2   25.1 25.1   13.4   10.6   8.3 3.6 0.1
Indirect costs 5.0 - 1.4 1.4 0.9 0.8 0.6 -
Total 98.7   25.1 33.7   14.9   11.6    9.1 4.3 0.1

 

Note: Figures may not sum due to rounding

 

21.2.4Closure Costs

 

The decommissioning and reclamation costs defined in Section 20 for Gryphon are $5.0 million.

 

Project No.: 251208Capital and Operating Costs
August 2023Page 21-20

 

 

Wheeler River Project
Athabasca Basin, Saskatchewan
NI 43-101 Technical Report

 

21.2.5Operating Costs

 

21.2.5.1Summary

 

Total operating costs over the LOM are estimated at $843.2 million. Average operating costs are estimated at $670.55/t mined and $17.27/lb U3O8 produced and are summarized in Table 21-23.

 

Table 21-23: Gryphon Operating Costs

 

Cost Area Total Cost
($M)
Cost
($/lb U3O8)
$/t Mined
Mining 334.3   6.85 265.85  
McClean Lake mill 427.6   8.76 340.08  
Transport to converter 12.9 0.27 10.30
Site Support / G&A 68.3 1.40 54.32
Total 843.2    17.27    670.55  
Total US$   12.75     
U3O8 Sales (Mlb) 48.8

 

Note: Figures may not sum due to rounding

 

21.2.5.2Mine Operating Costs

 

The Gryphon mining operating cost estimate consists of three main elements: 1) underground mining operation costs; 2) surface facility operating costs for dedicated Gryphon mining facilities; and 3) haulage costs to transport ore from site to McClean Lake for processing.

 

Underground mining operation costs consist of direct labour, materials and equipment costs for lateral waste development, ore silling, production and diamond drilling/borehole activities. Costs also include indirect labour, power, heat, freight, taxes, and indirect plant/mobile equipment operating and maintenance supplies.

 

Ore haulage transportation costs cover the cost of shipping Gryphon ore from site to the McClean Lake for processing. A budget quote was obtained to haul the ore. Table 21-24 presents a summary of the Gryphon mining operating cost estimate.

 

Project No.: 251208Capital and Operating Costs
August 2023Page 21-21

 

 

Wheeler River Project
Athabasca Basin, Saskatchewan
NI 43-101 Technical Report

 

Table 21-24: Gryphon Mine Operating Cost Details

 

Cost Area Total Cost
($M)
Cost
($/lb U3O8)
$/t Mined
Underground Mining Operations      
Lateral waste development  2.6 0.05 2.06
Ore silling 59.1 1.21 46.96  
Production 58.5 1.20 46.51  
Diamond drilling/boreholes  4.0 0.08 3.15
Freight  3.4 0.07 2.71
Owner’s Costs      
Indirect labour 70.7 1.45 56.19  
Underground electrical power 42.8 0.88 34.04  
Underground plant/equipment maintenance and supplies 14.9 0.30 11.82  
Propane for mine air heating 14.4 0.29 11.42  
Subtotal 270.2  5.53 214.85    
Surface Facilities      
Water treatment  3.0 0.06 2.41
Mine rescue  1.1 0.02 0.86
Surface facilities maintenance and supplies  1.4 0.03 1.12
Freight  0.3 0.01 0.24
Other      
Ore haulage to McClean Lake 58.3 1.19 46.38  
Subtotal 64.1 1.31 51.00  
Total 334.3    6.85  265.85     

 

Note: Figures may not sum due to rounding

 

21.2.5.3McClean Lake Mill Operating Costs

 

The Gryphon milling operating cost estimate is based on the McClean Lake mill processing costs and the toll milling costs (Table 21-25). The processing costs include power, labour, maintenance and consumables. The toll milling fees include any tailings storage fees. These items were derived by Denison, are based on similar fees for toll milling operations in northern Saskatchewan and estimates the costs to store mill tailings associated with the Gryphon ore feed.

 

Project No.: 251208
August 2023

Capital and Operating Costs

Page 21-22
 

 

 

Wheeler River Project
Athabasca Basin, Saskatchewan
NI 43-101 Technical Report

 

Table 21-25: McClean Lake Mill Operating Cost Details

 

Cost Area Total Cost
($M)
Cost
($/lb U3O8)
$/t Mined
Process and toll milling costs 427.6 8.76 340.08
Total 427.6 8.76 340.08

 

Note: Figures may not sum due to rounding

 

21.2.5.4Transport to Converter

 

The operating costs to transport the YC product from McClean Lake mill to the converter are summarized in Table 21-26.

 

Table 21-26: Transport to Converter Costs

 

Cost Area Total Cost
($M)
Cost
($/lb U3O8)
Transport 12.9 0.27
Total 12.9 0.27

 

21.2.5.5Site Support and General and Administrative Costs

 

Table 21-27 presents a summary Gryphon site support and G&A operating cost. These costs have been estimated for the 11-year production period.

 

Table 21-27: General and Administrative Operating Cost Details

 

Cost Area Total Cost
($M)
Cost
($/lb U3O8)
Site Support    
Maintenance 1.7 0.03
Electricity 3.0 0.06
Heat 0.4 0.01
Administration    
Labour 25.8 0.53
Camp and flights 24.1 0.49
Miscellaneous 13.3 0.27
Total 68.3 1.40

 

Note: Figures may not sum due to rounding

 

Project No.: 251208
August 2023

Capital and Operating Costs

Page 21-23
 

 

 

Wheeler River Project
Athabasca Basin, Saskatchewan
NI 43-101 Technical Report

 

Gryphon site support cost estimates include the materials, fuel, electrical power consumption and propane associated with operating and maintaining the shared facilities and utilities on site.

 

The administrative cost estimates include management and administration labour, camp and flight costs, and miscellaneous cost items. Management and functional group labour is estimated from first principles and includes a general manager and administrative assistants, human resources, information technology, finance, logistics, health, safety, environment and community, site technical support, procurement, and contracts. Miscellaneous costs are based on a combination of allowances, historical cost databases and first principles and consider mining and surface leases, insurance, CNSC fees and office, laundry and emergency response supplies.

 

Project No.: 251208
August 2023

Capital and Operating Costs

Page 21-24
 

 

 

Wheeler River Project
Athabasca Basin, Saskatchewan
NI 43-101 Technical Report

 

22.0economic analysis

 

22.1Cautionary Statement

 

Certain information and statements contained in this section are forward-looking in nature and are subject to known and unknown risks, uncertainties, and other factors, many of which cannot be controlled or predicted and may cause actual results to differ materially from those presented here. Forward-looking statements include, but are not limited to, statements with respect to the economic and study parameters of the Project; mineral reserves; the cost and timing of any development of the Project; the proposed mine plan and mining strategy; processing method and rates and production rates; projected metallurgical recovery rates; infrastructure requirements; capital, operating and sustaining cost estimates; uranium marketability and commercial terms; the projected LOM and other expected attributes of the project; the NPV, IRR and payback period of capital; future uranium prices and currency exchange rates; government regulations and permitting timelines; estimates of reclamation obligations; requirements for additional capital; environmental risks; and general business and economic conditions.

 

22.2Methodology Used

 

The Phoenix and Gryphon deposits were assessed separately. The financial analyses were carried out using a DCF methodology. Net annual cash flows were estimated for each of Phoenix and Gryphon, projecting yearly cash inflows (or revenues) and subtracting projected yearly cash outflows (such as capital and operating costs, royalties and taxes). These annual cash flows were assumed to occur at mid-year. Cash flows are reported based on generic years (e.g., Year -2, Year -1, Year 1, Year 2, Year 3). For Phoenix, annual cash flows were discounted back to mid-Year -2, date of FID to proceed with construction. For Gryphon, annual cash flows were discounted back to beginning of Year -4, the expected date of FID to proceed with construction. Discounted cash flows were totaled to determine NPVs at selected discount rates. A discount rate of 8% was used as the base discounting rate.

 

Generic years for Gryphon and Phoenix do not follow same timeline thus the NPV basis is different.

 

In addition, the IRR, expressed as the discount rate that yields an NPV of zero, and the payback period, expressed as the estimated time from the start of production until all initial capital expenditures have been recovered, were also estimated.

 

Sensitivity analyses were carried out to identify potential impacts on NPVs and IRRs of variations in uranium prices, grades, capital costs and operating costs.

 

Project No.: 251208
August 2023

Economic Analysis

Page 22-1
 

 

 

Wheeler River Project
Athabasca Basin, Saskatchewan
NI 43-101 Technical Report

 

All monetary amounts are presented in constant first-quarter 2023 Canadian dollars for Phoenix and third-quarter 2022 Canadian dollars for Gryphon.

 

22.3Phoenix Financial Model Parameters

 

The Phoenix financial analysis was based on the mineral reserves tabulated in Section 15, forecast mine plan discussed in Section 16, the process plan and assumptions detailed in Section 17, the projected infrastructure requirements outlined in Section 18, the uranium price assumptions in Section 22.3.2, the permitting, social and environmental regime discussions in Section 20, and the capital and operating cost estimates detailed in Section 21.

 

22.3.1Uranium Recovery

 

The uranium recoveries for Phoenix used for the financial analysis are summarized in Table 22-1.

 

Table 22-1: Forecast Uranium Recoveries over the LOM

 

Item Recovery
(%)
Process plant 96.31
Process precipitate solids 2.7
Overall recovery 99.0

 

Note: (1) 93.4% in Year 1 and 96.5% from Year 2 to the end of the LOM

 

22.3.2Uranium Price

 

In the base case economic analysis, uranium sales from Phoenix mine production will be made from time to time throughout the production period at the forecasted annual composite midpoint spot price projection in constant dollars from UxC’s Q2 2023 Uranium Market Outlook report (UxC, 2023), ranging from US$66.53 to US$70.11/lb U3O8 during the Phoenix mine production period, translated to Canadian dollars using an CA$/US$ exchange rate of 1.35.

 

In addition to the base case analysis, the FS results are also presented using a uranium price of US$65/lb and CA$/US$ exchange rate of 1.30 (the PFS Reference Case), which corresponds to the high case price scenario previously reported in the 2018 PFS (Liskowich et al., 2018). This PFS Reference Case allows for a direct comparison of the NPV outcome from the Phoenix FS to the 2018 PFS.

 

Project No.: 251208
August 2023

Economic Analysis

Page 22-2
 

 

 

Wheeler River Project
Athabasca Basin, Saskatchewan
NI 43-101 Technical Report

 

22.3.3Transport to Converter

 

Uranium transport costs of $0.244/lb and $$0.265/lb from the process plant to the converter and from the offsite mill to converter, respectively were applied. Costs for transport to converter are included in the operating costs.

 

22.3.4Capital Costs

 

A construction period of approximately 24 months, starting at mid of Year -2, was considered for the overall project implementation after FID, followed by a period of four months to ramp-up to full production at fourth-quarter of Year 1.

 

Total project capital is $653.5 million comprised of $419.4 million in initial capital and $234.1 million in sustaining capital.

 

Capital expenditures of $67.4 million to be incurred prior to FID are considered sunk. These costs were included in banks and tax pools for Saskatchewan profit royalty and federal and province income tax calculations.

 

22.3.5Operating Costs

 

Total project operating costs of $478.1 million for the LOM.

 

22.3.6Royalties

 

The Phoenix Project is not subject to commercial or NSR royalties.

 

The Province of Saskatchewan imposes royalties on the sale of uranium extracted from orebodies in the province. These are discussed in Section 22.3.7.

 

22.3.7Taxes

 

The taxation and royalties modeled within the financial analysis are based on the tax rates and taxation schemes that were validated by Denison. The following tax considerations have been applied.

 

·The WRJV, which owns the Project, is a JV and is not itself a taxable entity. Instead, each JV party reports its share of the JV operations in its own tax return. As each JV party has a unique tax profile, the taxation included in the adjusted after-tax economic analysis has been estimated based the consolidation of the estimated entity level after-tax results for each of the JV owners based on their corresponding interest in the WRJV and specific schemes (such as bank and tax pool opening balances, expiry schedules and available tax credits, where applicable).

 

Project No.: 251208
August 2023

Economic Analysis

Page 22-3
 

 

 

Wheeler River Project
Athabasca Basin, Saskatchewan
NI 43-101 Technical Report

 

·Saskatchewan resource surcharge of 3.0% of gross revenue from uranium sales less transport costs to the converter (as a specified allowance allowed under current regulations).

 

·The Province of Saskatchewan imposes royalties on the sale of uranium extracted from ore bodies in the province in accordance with Part III of The Crown Mineral Royalty Regulations (Regulations) pursuant to The Crown Minerals Act. The uranium royalty regime currently in effect in Saskatchewan has three components:

 

-Basic royalty of 5% of gross revenue from uranium sales less transport costs to the converter (as a specified allowance allowed under current regulations).

 

-Resource credit of 0.75% of gross revenue from uranium sales less transport costs to the converter (as a specified allowance allowed under current regulations), which partially offsets the basic royalty.

 

-Profit royalty computed as 10% to 15% of net profits derived from the mining and processing of uranium extracted from ore bodies in the province.

 

Net profits are taxed under the profit royalty at a rate of 10% for net profits up to and including $22.00/kg ($10/lb) of uranium sold, and at 15% for net profits in excess of $22.00/kg. The $22.00 threshold is applicable for 2013 (the base year) and is indexed in subsequent years for inflation. An index of 128.1/100.0 was applied on the royalty threshold to account for estimated inflation to 2023 provided by the Saskatchewan Ministry of Energy and Resources.

 

The basic profit royalty, calculated without incorporating the impact of opening tax pool balances that are available to the applicable WRJV owners, is included in the basic (base case) tax analysis. The adjusted profit royalty was calculated including the recognition of the full dollar value of the production, exploration, capital and decommissioning costs incurred after January 1, 2013 (the opening tax bank balances), considering the expiry provisions and opening bank balances (from previous expenses) shown in Table 22-2 and Table 22-3. Previous expenses incurred are considered sunk costs. The adjusted profit royalty case is based on the Company's current expectation that the existing tax shelters of the JV parties will not be utilized by other sources of taxable income prior to the commencement of production from Phoenix.

 

Project No.: 251208
August 2023

Economic Analysis

Page 22-4
 

 

 

Wheeler River Project
Athabasca Basin, Saskatchewan
NI 43-101 Technical Report

 

Table 22-2: Profit Royalty Expiry Provisions

 

Expense Carryforward Carryback
Exploration Up to 10 years Not applicable
Capital Unlimited Not applicable
Production Up to 10 years Not applicable
Reclamation Unlimited Up to 3 years

 

Table 22-3: Profit Royalty and Opening Bank Balances for the Adjusted Profit Royalty Calculation

 

Expense Opening Balance ($M)
Denison  
DMI DMC JCU
Exploration 49.6 64.1 14.6
Capital 60.1 17.8 -
Production 14.3 - 5.9
Reclamation 0.3 - -

 

·Federal income tax at a rate of 15% and provincial income tax in Saskatchewan at a rate of 12%, totalling a combined income tax rate of 27%. Table 22-4 presents the allowable deductions and rates on a declining balance basis.

 

Table 22-4: Income Tax Allowances Rates

 

Category1 Rate (%)
Canadian Exploration Expenses 100
Canadian Development Expense 37.5% on additions prior to 2028, then 30%
Capital Cost Allowance2 25
Foreign Exploration and Development Expense 10
Scientific Research and Experimental Development 100
Non-Capital Loss3 100

 

Note: (1) Operating and reclamation expenses expensed when incurred.

(2) Subject to maximum deduction of 50% of the value of the Property in year the Property was acquired, applicable on expenses from 2028. 

(3) Non-capital loss (NOL) can be carried forward up to 20 years and carried back up to three years. All capital losses can be carried forward indefinitely and carried back up to three years with exception of Canadian development expense (CDE) and capital cost allowance (CCA) for which no carryback applies.

 

Project No.: 251208
August 2023

Economic Analysis

Page 22-5
 

 

 

Wheeler River Project
Athabasca Basin, Saskatchewan
NI 43-101 Technical Report

 

·In the basic after-tax analysis, Canadian federal and provincial income taxes were calculated excluding the impact of the opening tax pool balances that were available to the WRJV parties. The basic after-tax analysis is considered the base case tax analysis. The adjusted after-tax analysis includes the benefit of the entity-specific profit royalty tax attributes including opening tax pool balances and other deductible expenses and applicable credits on income taxes including undeducted share/debt issue costs and federal investment tax credits that are available to the WRJV parties. The adjusted after-tax case is based on the expectation that these tax attributes of the JV parties will be available to offset taxable income. The opening balances are shown in Table 22-5.

 

Table 22-5: Opening Balances for the Adjusted Canadian Income Tax

 

Category Opening Balance ($M)  
Denison  
DMI DMC JCU
Canadian Exploration Expenses 12.5   4.9 103.1 
Canadian Development Expense 0.1 12.1      -     
Capital Cost Allowance 5.9 7.4     -     
Foreign Exploration and Development Expense    -     14.3      -     
Scientific Research and Experimental Development 7.9     -      1.2
Non-Capital Loss 94.6   202.0     10.1
         

22.3.8Working Capital

 

A working capital allocation was included in the cash flow model. The following payment terms were assumed:

 

·15 days in accounts receivable, including revenue

·30 days in accounts payable, including operating costs and royalty payable to the Saskatchewan government.

 

Working capital is assumed to be recovered at project completion. Thus, the sum of all working capital over mine life is zero.

 

Project No.: 251208
August 2023

Economic Analysis

Page 22-6
 

 

 

Wheeler River Project
Athabasca Basin, Saskatchewan
NI 43-101 Technical Report

 

22.3.9Closure Costs

 

Closure costs of $88.8 million were applied in the financial model.

 

Closure costs were applied based on the closure schedule, assuming that closure cost accruals are not required and closure obligations will be satisfied by a bank letter of credit.

 

22.3.10Salvage Value

 

No salvage value was considered.

 

22.3.11Inflation

 

No escalation or inflation has been applied. All amounts are in real (constant) terms.

 

22.3.12Financing

 

One hundred percent equity financing is assumed.

 

22.4Phoenix Economic Analysis

 

Table 22-6 presents a summary of the financial analysis inputs.

 

Table 22-6:Phoenix Summary of Economic Inputs

 

Economic Inputs Unit Value
U3O8 recovered Mlb 56.2
Project capital (initial) $M 419.4  
Sustaining capital $M 234.1  
Closure cost $M 88.8
Mining operating cost $M 44.4
Processing operating cost $M 294.8  
G&A $M 125.1  
Transport to converter $M 13.7

 

Project No.: 251208
August 2023

Economic Analysis

Page 22-7
 

 

 

Wheeler River Project
Athabasca Basin, Saskatchewan
NI 43-101 Technical Report

 

22.4.1Phoenix Base Case Economic Analysis

 

In the base case scenario, the Phoenix Project is anticipated to generate a pre-tax NPV of $2.34 billion at an 8.0% discount rate, an IRR of 105.9% and a payback period of 10 months. The financial analysis results show a basic after-tax NPV of $1.43 billion at an 8.0% discount rate, an IRR of 82.3% and a payback period of 11 months.

 

Table 22-7 presents a summary of the economic results and Table 22-8 presents the cash flow summary.

 

Table 22-7: Phoenix Summary of Economic Results

 

Description Unit Base Case1
Pre-Tax Valuation Indicators    
Undiscounted Cash Flow $B 3.63
NPV @ 8% $B 2.34
IRR % 105.9  
After-Tax Valuation Indicators    
Basic After-Tax2    
Undiscounted Cash Flow $B 2.25
NPV @ 8% $B 1.43
IRR % 82.3
Payback months    11

 

Note: (1) Spot price forecast is based on composite midpoint scenario from UxC's Q2 2023 Uranium Market Outlook and is stated in constant (not-inflated) dollars and a CA$/US$ exchange rate of 1.35.

(2) Basic after-tax valuation does not apply the tax pool balances presented in Table 22-3 and Table 22-5 and is considered the base case for the economic analysis in the FS.

 

Project No.: 251208
August 2023

Economic Analysis

Page 22-8
 

 

 

Wheeler River Project
Athabasca Basin, Saskatchewan
NI 43-101 Technical Report

 

Table 22-8: Phoenix Cash Flow Summary (100% Project Basis) Base Case

 

                    Years              
Item Unit Total -2 -1 1 2 3 4 5 6 7 8 9 10 11 12 13
Mine Production                                  
U3O8 Head Content Mlb 56.7 - - 4.0 9.2 9.2 9.0 8.0 5.0 5.0 3.2 2.5 1.1 0.5 - -
Feed to Process Plant                                  
U3O8 Feed Content Mlb 56.7 - - 4.0 9.2 9.2 9.0 8.0 5.0 5.0 3.2 2.5 1.1 0.5 - -
Uranium Recovery                                  
U3O8 Recovered Mlb 56.2 - - 3.8 9.1 9.1 8.9 7.9 5.0 5.0 3.2 2.5 1.1 0.5 - -
Payable Metals                                  
U3O8 Payable Mlb 56.2 - - 3.8 9.1 9.1 8.9 7.9 5.0 5.0 3.2 2.5 1.1 0.5 - -
Revenue $M 5,233.8 - - 346.0 831.2 843.6 838.0 743.2 466.8 467.1 301.9 237.2 106.1 51.0 1.3 0.3
Production Costs                                  
Mining $M (44.4) - - (1.9) (3.9) (4.0) (4.3) (4.7) (5.0) (5.0) (5.0) (4.2) (4.2) (2.1) - -
Process $M (294.8) - - (19.5) (35.7) (36.0) (36.0) (34.5) (28.0) (28.0) (25.0) (21.7) (19.3) (10.2) (0.5) (0.2)
G&A $M (125.1) - - (7.5) (13.4) (13.5) (13.5) (13.5) (12.6) (12.3) (12.3) (10.6) (10.6) (5.2) - -
Transport to Converter $M (13.7) - - (0.9) (2.2) (2.2) (2.2) (1.9) (1.2) (1.2) (0.8) (0.6) (0.3) (0.1) (0.0) (0.0)
Total Production Costs $M (478.1) - - (29.8) (55.3) (55.7) (56.0) (54.6) (46.9) (46.6) (43.1) (37.2) (34.4) (17.6) (0.5) (0.2)
Taxes and Royalties                                  
Saskatchewan Resource Surcharge $M (156.6) - - (10.4) (24.9) (25.2) (25.1) (22.2) (14.0) (14.0) (9.0) (7.1) (3.2) (1.5) (0.0) (0.0)
Saskatchewan (Net) Basic Royalty Payable $M (221.9) - - (14.7) (35.2) (35.8) (35.5) (31.5) (19.8) (19.8) (12.8) (10.1) (4.5) (2.2) (0.1) (0.0)
Profit Royalty $M (562.9) - - - (76.2) (98.8) (110.7) (92.3) (53.6) (59.6) (35.7) (25.0) (7.8) (3.2) - -
Income Tax $M (821.2) - - (10.0) (142.1) (133.4) (154.1) (129.1) (75.1) (83.9) (50.9) (33.5) (8.1) (0.9) - -
Total Taxes and Royalties $M (1,762.5) - - (35.0) (278.4) (293.3) (325.4) (275.1) (162.5) (177.3) (108.5) (75.6) (23.5) (7.8) (0.1) (0.0)
Capital Costs                                  
Initial and Sustaining Capital $M (653.5) (93.4) (141.7) (192.3) (49.7) (89.7) (5.1) (38.2) (39.9) - (0.4) (2.5) (0.3) (0.3) - -
Closure Cost $M (88.8) - - - - - - (0.7) (0.7) (1.1) (1.6) (1.8) (1.8) (6.6) (20.3) (14.9)
Total Capital Costs $M (742.3) (93.4) (141.7) (192.3) (49.7) (89.7) (5.1) (38.9) (40.6) (1.1) (1.9) (4.3) (2.1) (6.9) (20.3) (14.9)
Working Capital                                  
Change in Working Capital $M (0.0) - - (9.7) (15.0) (0.4) 0.2 3.2 9.1 (0.0) 5.5 1.8 4.4 0.6 0.3 0.0
Net Cash Flow                                  
Before Tax $M 3,635.0 (93.4) (141.7) 89.1 651.1 636.8 716.6 599.2 354.6 385.6 240.6 180.3 66.3 23.3 (19.3) (14.9)
After Tax $M 2,250.9 (93.4) (141.7) 79.1 432.8 404.6 451.8 377.8 225.9 242.0 154.0 121.9 50.4 19.2 (19.3) (14.9)

 

Project No.: 251208
August 2023

Economic Analysis

Page 22-9
 

 

 

Wheeler River Project
Athabasca Basin, Saskatchewan
NI 43-101 Technical Report

 

Table 22-8 Continued                                  
                  Years                
Item Unit Total 14 15 16 17 18 19 20 21 22 23 24 25 26 27  
Mine Production                                  
U3O8 Head Content Mlb 56.7 - - - - - - - - - - - - - -  
Feed to Process Plant                                  
U3O8 Feed Content Mlb 56.7 - - - - - - - - - - - - - -  
Uranium Recovery                                  
U3O8 Recovered Mlb 56.2 - - - - - - - - - - - - - -  
Payable Metals                                  
U3O8 Payable Mlb 56.2 - - - - - - - - - - - - - -  
Revenue $M 5,233.8 0.1 0.0 - - - - - - - - - - - -  
Production Costs                                  
Mining $M (44.4) - - - - - - - - - - - - - -  
Process $M (294.8) (0.1) - - - - - - - - - - - - -  
G&A $M (125.1) - - - - - - - - - - - - - -  
Transport to Converter $M (13.7) - - - - - - - - - - - - - -  
Total Production Costs $M (478.1) (0.1) (0.0) - - - - - - - - - - - -  
Taxes and Royalties                                  
Saskatchewan Resource Surcharge $M (156.6) - - - - - - - - - - - - - -  
Saskatchewan (Net) Basic Royalty Payable $M (221.9) - - - - - - - - - - - - - -  
Profit Royalty $M (562.9) - - - - - - - - - - - - - -  
Income Tax $M (821.2) - - - - - - - - - - - - - -  
Total Taxes and Royalties $M (1,762.5) (0.0) (0.0) - - - - - - - - - - - -  
Capital Costs                                  
Initial and Sustaining Capital $M (653.5) - - - - - - - - - - - - - -  
Closure Cost $M (88.8) (9.4) (3.1) (11.0) (11.5) (0.6) (0.6) (0.6) (0.6) (0.6) (0.6) (0.2) (0.2) (0.2) (0.2)  
Total Capital Costs $M (742.3) (9.4) (3.1) (11.0) (11.5) (0.6) (0.6) (0.6) (0.6) (0.6) (0.6) (0.2) (0.2) (0.2) (0.2)  
Working Capital                                  
Change in Working Capital $M - - - - - - - - - - - - - - -  
Net Cash Flow                                  
Before Tax $M 3,635.0 (9.4) (3.1) (11.0) (11.5) (0.6) (0.6) (0.6) (0.6) (0.6) (0.6) (0.2) (0.2) (0.2) (0.2)  
After Tax $M 2,250.9 (9.4) (3.1) (11.0) (11.5) (0.6) (0.6) (0.6) (0.6) (0.6) (0.6) (0.2) (0.2) (0.2) (0.2)  

Note: Figures may not sum due to rounding.

 

Project No.: 251208
August 2023

Economic Analysis

Page 22-10
 

 

 

Wheeler River Project
Athabasca Basin, Saskatchewan
NI 43-101 Technical Report

 

22.4.2Phoenix PFS Reference Case Economic Results

 

For comparison purposes a PFS Reference Case using a uranium price of US$65/lb U3O8 and CA$/US$ exchange rate of 1.30 is presented. This corresponds to the high price scenario assumed in the 2018 PFS (Liskowich et al., 2018).

 

Table 22-9 presents a summary of the economic results of the PFS Reference Case.

 

Table 22-9: Summary of PFS Reference Case Economic Results

 

Description Unit PFS Reference Case1
Pre-Tax Valuation Indicators    
Undiscounted Cash Flow $B 3.18
NPV @ 8% $B 2.05
IRR % 98.4
After-Tax Valuation Indicators    
Basic After-Tax2    
Undiscounted Cash Flow $B 1.97
NPV @ 8% $B 1.26
IRR % 76.4
Payback months 12

 

Note: (1) Reference case using the PFS economic parameters (US$65/lb U3O8 and CA$/US$ exchange rate of 1.30)

(2) Basic after-tax valuation does not apply the tax pool balances presented in Table 22-3 and Table 22-5.

 

22.4.3Phoenix Adjusted After-Tax Economic Results

 

The adjusted after-tax scenario estimates the after-tax cash flows of the Phoenix Project by consolidating the expected entity-level after-tax cash flows for each of the parties to the WRJV and includes estimates of opening tax balances that are expected to be used to reduce taxable income. The impact of opening tax balances is significant and thus the adjusted post-tax scenario is considered to better represent the true after-tax economic outcome to the owners of the Phoenix Project.

 

Project No.: 251208
August 2023

Economic Analysis

Page 22-11
 

 

 

Wheeler River Project
Athabasca Basin, Saskatchewan
NI 43-101 Technical Report

 

In the adjusted base case scenario, the Phoenix Project is anticipated to generate an adjusted after-tax NPV of $1.56 billion at an 8.0% discount rate, an IRR of 90.0% and a payback period of 10 months. The summary of the adjusted scenario for the base case and the PFS reference case is shown in Table 22-10.

 

Table 22-11 shows the difference in forecasted cash taxes paid by year (inclusive of Saskatchewan profit royalties and Canadian federal and provincial taxes) between the base case after-tax model (i.e., the basic after-tax model) and the adjusted base case after-tax cash flow model.

 

Table 22-10: Summary of the Adjusted Base Case Scenario and the PFS Reference Case

 

Description Unit Base Case1 PFS Reference Case2
After-Tax Valuation Indicators      
Adjusted After-Tax3      
Undiscounted Cash Flow $B 2.41 2.13
NPV @ 8% $B 1.56 1.38
IRR % 90.0 83.9
Payback months 10 11

 

Note: (1) Spot price forecast is based on composite midpoint scenario from UxC's Q2 2023 Uranium Market Outlook and is stated in constant (not-inflated) dollars and a CA$/US$ exchange rate of 1.35.

(2) PFS Reference Case US$65/lb case utilizes a uranium price of US$65/lb and a CA$/US$ exchange rate of 1.30.

(3) Adjusted after-tax valuation applies the tax pool balances presented in Table 22-3 and Table 22-5.

 

Project No.: 251208
August 2023

Economic Analysis

Page 22-12
 

 

 

Wheeler River Project
Athabasca Basin, Saskatchewan
NI 43-101 Technical Report

 

Table 22-11: Difference in Forecasted Cash Taxes Paid Between the Base Case Basic and Adjusted After-Tax Scenarios

 

      Years
Description Unit Total -4 -3 -2 -1 1 2 3 4 5 6 7 8 9 10 11 12
Base Case - Basic After-Tax Analysis Income Tax and Saskatchewan Profit Royalty Paid $M 1,384.1 - - - - 10.0 218.3 232.3 264.8 221.4 128.7 143.6 86.6 58.5 15.9 4.1 -
Adjusted Base Case - Adjusted After-Tax Analysis Income Tax and Saskatchewan Profit Royalty Paid $M 1,225.7 - - - - 1.0 112.4 199.8 255.5 221.1 128.4 143.3 86.4 58.2 15.6 3.9 -
Reduction in Cash Taxes Paid $M 158.3 - - - - 9.0 106.0 32.4 9.4 0.3 0.3 0.2 0.2 0.2 0.2 0.2 -

 

Project No.: 251208
August 2023

Economic Analysis

Page 22-13
 

 

 

Wheeler River Project
Athabasca Basin, Saskatchewan
NI 43-101 Technical Report

 

22.4.4Sensitivity Analysis

 

A sensitivity analysis was carried out to identify potential impacts on the base case (basic) after-tax NPV and IRR of variations in uranium prices, grades, capital costs and operating costs. Results of this analysis are presented in Figure 22-1 and Figure 22-2.

 

Phoenix is most sensitive to fluctuations in the U3O8 price and feed grades. It is less sensitive to changes in capital costs and least sensitive to changes in operating costs.

 

Figure 22-1: Phoenix Sensitivity of After-Tax NPV Discounted at 8% - Base Case

 

 

(Source: Wood, 2023)

 

Project No.: 251208
August 2023

Economic Analysis

Page 22-14
 

 

 

Wheeler River Project
Athabasca Basin, Saskatchewan
NI 43-101 Technical Report

 

Figure 22-2: Phoenix Sensitivity of After-Tax IRR - Base Case

 

 

(Source: Wood, 2023)

 

22.5Gryphon Financial Model Parameters

 

The Gryphon financial analysis was based on the mineral reserves tabulated in Section 15, forecast mine plan discussed in Section 16, the process plan and assumptions detailed in Section 17, the projected infrastructure requirements outlined in Section 18, the uranium price assumption in Section 22.5.2, the permitting, social and environmental regime discussions in Section 20, and the capital and operating cost estimates detailed in Section 21.

 

22.5.1Uranium Recovery

 

A uranium recovery of 98.2% for Gryphon was used in the financial analysis.

 

22.5.2Uranium Price

 

A constant fixed price of US$75/lb U3O8 was used in the economic analysis as the base-case uranium price scenario translated to Canadian dollars using an CA$/US$ exchange rate of 1.35. This is based on the average of the forecasted annual composite long-term uranium price from the Q2 2023 Uranium Market Outlook (UxC, 2023), during the indicative production period of Gryphon stated in constant 2023 dollars and rounded to the nearest $5/lb U3O8. This is the same pricing methodology applied for Gryphon as the base-case scenario in the 2018 PFS, where the composite long-term uranium price during the indicative years of production averaged ~US$50/lb U3O8 in then constant 2018 dollars.

 

Project No.: 251208
August 2023

Economic Analysis

Page 22-15
 

 

 

Wheeler River Project
Athabasca Basin, Saskatchewan
NI 43-101 Technical Report

 

In addition to the base case analysis, the updated PFS results are also presented using a uranium price of US$65/lb and CA$/US$ exchange rate of 1.30, which corresponds to the high case price scenario previously reported in the 2018 PFS (Liskowich et al., 2018). This 2018 PFS Reference Case allows for a direct comparison of the NPV outcome from the updated PFS to the 2018 PFS.

 

22.5.3Transport to Converter

 

A $0.265/lb uranium transport cost from the existing McClean Lake mill to the converter was applied.

 

22.5.4Capital Costs

 

A construction period of approximately 3.5 years, starting in Year -4 was considered for the overall project implementation following the FID. The construction includes the blind boring of two shafts, construction of surface facilities, some underground excavation and construction plus offsite work at the McClean Lake mill and the haulage road. Initial U3O8 production occurs in Year 1, with a ramp up to full production in Year 3.

 

Total project capital is $836.1 million comprised of $737.4 million in initial capital and $98.7 million in sustaining capital.

 

Capital expenditures of $56.5 million to be incurred prior to FID are considered sunk, but these costs were included in banks and tax pools for Saskatchewan profit royalty and federal and province income tax calculations.

 

22.5.5Operating Costs

 

Total project operating costs of $843.2 million for the LOM.

 

22.5.6Royalties

 

The Gryphon Project is not subject to commercial or NSR royalties.

 

The Province of Saskatchewan imposes royalties on the sale of uranium extracted from ore bodies in the province. These are discussed in Section 22.5.7.

 

Project No.: 251208
August 2023

Economic Analysis

Page 22-16
 

 

 

Wheeler River Project
Athabasca Basin, Saskatchewan
NI 43-101 Technical Report

 

22.5.7Taxes

 

The taxation and royalties modelled within the financial analysis are based on the tax rates and taxation schemes that were validated by Denison. The tax considerations detailed in Section 22.3.7 have been applied at Gryphon with the following conditions:

 

·The WRJV, which owns the Project, is a JV and is not itself a taxable entity. Instead, each JV party reports its share of the JV operations in its own tax return. As each JV party has a unique tax profile, the taxation included in the economic analysis has been estimated based the consolidation of the estimated entity level after-tax results for each of the JV parties based on their corresponding interest in the WRJV and specific schemes. Opening tax attributes (from previous expenses) were assumed as zero as existing opening balances were assumed to be depleted over the Phoenix operating period (such as bank and tax pool opening balances, expiry schedules and available tax credits). As a result, the basic and adjusted after-tax analysis are the same.
   

·In calculating the profit royalties and Canadian federal and provincial taxes payable for Gryphon, it has been assumed that the Gryphon construction period will overlap with Phoenix operations and thus Gryphon’s pre-production capital expenditures will be immediately deductible.

 

22.5.8Working Capital

 

A working capital allocation was included in the cash flow model. The following payment terms were assumed:

 

·15 days in accounts receivable, including revenue

·30 days in accounts payable, including operating costs and royalty payable to the Saskatchewan government.

 

Working capital is assumed to be recovered at project completion. Thus, the sum of all working capital over mine life is zero.

 

22.5.9Closure Costs

 

Closure costs of $5.0 million were applied in the financial model.

 

Closure costs were applied based on the closure schedule, assuming that closure cost accruals are not required and closure obligations will be satisfied by a bank letter of credit.

 

Project No.: 251208
August 2023

Economic Analysis

Page 22-17
 

 

 

Wheeler River Project
Athabasca Basin, Saskatchewan
NI 43-101 Technical Report

 

22.5.10Salvage Value

 

No salvage value was considered.

 

22.5.11Inflation

 

No escalation or inflation has been applied. All amounts are in real (constant) terms.

 

22.5.12Financing

 

One hundred percent equity financing is assumed.

 

22.6Gryphon Economic Analysis

 

Table 22-12 presents a summary of the financial analysis inputs.

 

Table 22-12: Gryphon Summary of Economic Inputs

 

Economic Inputs Unit Value
U3O8 Recovered Mlb 48.8
Project capital (initial) $M 737.4  
Sustaining capital $M 98.7
Closure cost $M  5.0
Mining operating cost $M 334.3   
Milling operating cost $M 427.6   
G&A $M 68.3 
Transport to converter $M 12.9 

 

 

22.6.1Gryphon Base Case Economic Analysis

 

In the base case scenario, the Gryphon Project is anticipated to generate a pre-tax NPV of $1.43 billion at an 8.0% discount rate, an IRR of 41.4% and a payback period of 20 months. The financial analysis results show an after-tax NPV of $864.2 million at an 8.0% discount rate, an IRR of 37.6% and a payback period of 22 months.

 

Table 22-13 presents a summary of the economic results and Table 22-14 presents the cash flows summary on an annual basis.

 

Project No.: 251208
August 2023

Economic Analysis

Page 22-18
 

 

 

Wheeler River Project
Athabasca Basin, Saskatchewan
NI 43-101 Technical Report

 

Table 22-13: Gryphon Summary of Economic Results

 

Description Unit Base Case1
Pre-Tax Valuation Indicators    
Undiscounted Cash Flow $B 2.92
NPV 8% $B 1.43
IRR % 41.4
After-Tax Valuation Indicators2    
Undiscounted Cash Flow $B 1.80
NPV 8% $M 864.2
IRR % 37.6
Payback months 22

 

Note: (1) The base case uses a uranium price of $US75/lb and a CA$/US$ exchange rate of 1.35.

(2) Basic and adjusted after-tax are the same as all opening tax attributes were assumed to be depleted over the Phoenix operating period.

 

Table 22-14: Gryphon Cash Flow Summary (100% Project Basis)

 

      Years
Item Unit Total -4 -3 -2 -1 1 2 3 4 5 6 7 8
Mine Production                            
U3O8 Head Content Mlb 49.7 - - - - 3.2 5.9 9.0 9.0 9.0 9.0 4.7 -
Feed to Process Plant                            
U3O8 Feed Content Mlb 49.7 - - - - 3.2 5.9 9.0 9.0 9.0 9.0 4.7 -
Uranium Recovery                            
U3O8 Recovered Mlb 48.8 - - - - 3.1 5.7 8.8 8.8 8.8 8.8 4.6 -
Payable Metals                            
U3O8 Produced Mlb 48.8 - - - - 3.1 5.7 8.8 8.8 8.8 8.8 4.6 -
Revenue $M 4,960.0 - - - - 316.7 583.7 898.0 898.0 898.0 898.0 467.8 -
Production Costs                            
Mining $M (334.3) - - - - (21.4) (39.5) (60.4) (60.4) (60.4) (60.4) (31.9) -
Process $M (427.6) - - - - (27.3) (50.3) (77.4) (77.4) (77.4) (77.4) (40.3) -
G&A $M (68.3) - - - - (5.3) (10.5) (10.5) (10.5) (10.5) (10.5) (10.5) -
Transport to Converter $M (12.9) - - - - (0.8) (1.5) (2.3) (2.3) (2.3) (2.3) (1.2) -
Total Production Cost $M (843.2) - - - - (54.8) (101.9) (150.6) (150.6) (150.6) (150.6) (83.9) -
Taxes and Royalties                            
Saskatchewan Resource Surcharge $M (148.4) - - - - (9.5) (17.5) (26.9) (26.9) (26.9) (26.9) (14.0) -
Saskatchewan (Net) Basic Royalty Payable $M (210.2) - - - - (13.4) (24.7) (38.1) (38.1) (38.1) (38.1) (19.8) -
Profit Royalty $M (459.3) 16.9 14.5 26.4 27.5 (5.1) (63.8) (104.7) (105.2) (104.8) (106.2) (54.8) -
Income Tax $M (659.4) 12.1 9.8 14.4 24.0 (28.8) (66.5) (132.0) (138.5) (137.8) (144.2) (72.0) -
Total Taxes and Royalties $M (1,477.4) 29.1 24.3 40.7 51.5 (56.8) (172.5) (301.6) (308.6) (307.5) (315.4) (160.7) -
Capital Costs                            
Initial and Sustaining Capital $M (836.1) (66.2) (103.1) (186.7) (194.8) (211.8) (33.7) (14.9) (11.6) (9.1) (4.3) (0.1) -
Closure Cost $M (5.0) - - - - - - - - - - - (5.0)
Total Capital Cost $M (841.1) (66.2) (103.1) (186.7) (194.8) (211.8) (33.7) (14.9) (11.6) (9.1) (4.3) (0.1) (5.0)
Working Capital                            
Change in Working Capital $M - - - - - (6.6) (5.5) (7.0) - - - 19.2 -
Net Cash Flow                            
Before Tax $M 2,917.0 (66.2) (103.1) (186.7) (194.8) 20.5 400.3 660.5 670.8 673.3 678.1 369.1 (5.0)
After Tax $M 1,798.2 (37.2) (78.8) (146.0) (143.2) (13.3) 270.0 423.8 427.2 430.8 427.7 242.2 (5.0)

 

Project No.: 251208
August 2023

Economic Analysis

Page 22-19
 

 

 

Wheeler River Project
Athabasca Basin, Saskatchewan
NI 43-101 Technical Report

 

22.6.2Gryphon 2018 PFS Reference Case Economic Results

 

In addition to the base case analysis, a 2018 PFS Reference Case is also presented using a uranium price of US$65/lb and CA$/US$ exchange rate of 1.30 in the economic analysis, which corresponds to the high price scenario assumed in the 2018 PFS (Liskowich et al., 2018).

 

Table 22-15 presents a summary of the economic results of the 2018 PFS Reference Case.

 

Table 22-15: Summary of 2018 PFS Reference Case Economic Results

 

Description Unit 2018 PFS Reference Case
Pre-Tax Valuation Indicators    
Undiscounted Cash Flow $B 2.14
NPV 8% $B 1.00
IRR % 34.0
After-Tax Valuation Indicators1    
Undiscounted Cash Flow B 1.32
NPV 8% $M 599.9
IRR % 30.6
Payback months 26

 

Note: (1) Basic and adjusted after-tax are the same as all opening tax attributes were assumed to be depleted over the Phoenix operating period.

 

22.6.3Sensitivity Analysis

 

A sensitivity analysis was carried out to identify potential impacts on the after-tax NPV and IRR of variations in uranium prices, grades, capital costs and operating costs. Results of this analysis are presented in Figure 22-3 and Figure 22-4.

 

Gryphon is most sensitive to fluctuations in the U3O8 price and feed grades. It is less sensitive to changes in capital costs and is least sensitive to changes in operating costs.

 

Project No.: 251208
August 2023

Economic Analysis

Page 22-20
 

 

 

Wheeler River Project
Athabasca Basin, Saskatchewan
NI 43-101 Technical Report

 

Figure 22-3: Gryphon Sensitivity of After-Tax NPV Discounted at 8%

 

 

(Source: Wood, 2023)

 

Figure 22-4: Gryphon Sensitivity of After-Tax IRR

 

 

(Source: Wood, 2023)

 

Project No.: 251208
August 2023

Economic Analysis

Page 22-21
 

 

 

Wheeler River Project
Athabasca Basin, Saskatchewan
NI 43-101 Technical Report

 

23.0adjacent properties

 

This section is not relevant to this Report.

 

Project No.: 251208
August 2023

Adjacent Properties

Page 23-1
 

 

 

Wheeler River Project
Athabasca Basin, Saskatchewan
NI 43-101 Technical Report

 

24.0Other Relevant Data and Information

 

There are no additional data or information to make this Report understandable and not misleading.

 

Project No.: 251208
August 2023

Other Relevant Data and Information

Page 24-1
 

 

 

Wheeler River Project
Athabasca Basin, Saskatchewan
NI 43-101 Technical Report

 

25.0Interpretation and Conclusions

 

25.1Summary

 

The QPs note the following interpretations and conclusions in their respective areas of expertise, based on the review of data available for this Report.

 

25.2Mineral Tenure, Surface Rights, Royalties

 

Denison has provided expert information pertaining to the land tenure, mineral rights and royalties that supports the assumptions used in this Report.

 

25.3Phoenix

 

25.3.1Geology and Mineral Resources

 

The Phoenix deposit is classified as an Athabasca Basin unconformity-associated uranium deposit, which straddles the unconformity contact between the Athabasca sandstone and underlying basement stratigraphy. Uranium mineralization occurs at depths ranging from 390 to 420 m below surface and is interpreted to be structurally controlled by the northeast-southwest trending WS Shear which trends at 052° azimuth and dips approximately 58° to the southeast. Mineralization is separated into three zones (A, B and C) along a strike length of approximately 1.1 km, with Zone A hosting most of the mineralization.

 

The mineralization within the Phoenix deposit is dominated by massive to semi-massive uraninite associated with an alteration assemblage comprising hematite, dravitic tourmaline, illite and chlorite. Secondary uranium minerals, including uranophane and sulphides, are trace in quantity. Average nickel, cobalt and arsenic concentrations are at the low end of the range found in other uranium deposits in the Athabasca basin.

 

The drillhole database for the Phoenix deposit contains a total of 190 drill holes totalling 156,339 m of drilling completed by Denison since 2008. The database contains 2,578 uranium assays of which 1,000 have been used for mineral resource estimation. In addition to uranium assays, down-hole radiometric probe data is collected on all holes and converted into equivalent U3O8 for estimation purposes. A total of 880.7 m of eU3O8 data has been used for mineral resource estimation purposes.

 

Project No.: 251208
August 2023

Interpretation and Conclusions

Page 25-1
 

 

 

Wheeler River Project
Athabasca Basin, Saskatchewan
NI 43-101 Technical Report

 

The Phoenix mineral resource statement, with an effective date of June 23, 2023, contains a total measured and indicated mineral resource of 280.2 kt and 70.5 Mlb U3O8 at an average grade of 11.4% U3O8, along with inferred mineral resources of 5.6 kt and 0.3 Mlb U3O8 at and average grade of 2.6% U3O8. Mineral resources are quoted using a cut-off grade of 0.1% U3O8.

 

CIM Definitions (2014) were followed for classification of mineral resources, and in Mr. Revering’s opinion the estimation methodology is consistent with standard industry practice and the Phoenix deposit mineral resource estimate is considered to be reasonable and acceptable.

 

25.3.2Metallurgical Testwork

 

To estimate uranium leach recovery from ISR, several test approaches were taken: 1) agitated tank and static column leach of crushed/ground core samples, 2) leach tests on segments of intact core in specially designed equipment (coreflood tests), and 3) the 2022 FFT. The combined test results were then interpreted to inform a best fit leach recovery curve. Coreflood 4 represents the single most extensive intact core leach test, supporting 95% ultimate recovery on the best fit curve. Coreflood 5 delivered a high level of confidence in achieving a rapid ramp-up in production as well as sustaining a peak UBS grade. The 2022 FFT validated ramp-up at full scale in-situ.

 

The leach tests demonstrated that a wide range in UBS grades is possible due to variability of starting feed grade of individual well patterns as well as gradual grade decline over the life of a well pattern. Furthermore, flow rates and lixiviant dosages may be adjusted to influence UBS grade. ISR lixiviant parameters were varied through multiple tests, identifying risks as well as successful mitigative measures and a target window of operating parameters.

 

For the process plant a nominal UBS grade of 15 g/L U was used as the basis of the FS with a design UBS grade of 22.5 g/L U. The direct purification and precipitation flowsheet concept was maintained from the PFS. The main changes from PFS to FS were from selecting caustic as alkali throughout and tight lixiviant recirculation, to a conventional lime and magnesia alkali combination and once-through lixiviant flow path. A series of batch test campaigns using the proposed flowsheet demonstrated repeatable results. Yellowcake product consistently met ASTM-C967 standards.

 

The basis of effluent treatment is a conventional two-stage precipitation circuit, with lime dosing to nominal pHs 4.5 and 10.5. This was demonstrated to be a successful approach for all contaminants of potential concern except for selenium. An options study identified several feasible methods of adding a third effluent treatment stage. Testwork executed on selected methods successfully removed selenium below target concentration for release to the environment. A third-party vendor’s system was selected as basis for FS cost estimation.

 

Project No.: 251208
August 2023

Interpretation and Conclusions

Page 25-2
 

 

 

Wheeler River Project
Athabasca Basin, Saskatchewan
NI 43-101 Technical Report

 

The flowsheet for solid waste streams distinguishes the Phoenix process plant from a conventional uranium mill. Rather than creating a relatively high tonnage of combined leach residue and chemical treatment precipitate solids to be deposited in a tailings management facility, the Phoenix flowsheet creates a low tonnage of chemical precipitate streams. The stage 1 (Fe/Ra) precipitation and ET stage 1 solids filter cakes, together called PPS, are to be placed in temporary storage for shipment offsite. Preliminary tests were undertaken on re-processing Fe/Ra precipitation solids. The waste solids streams from ET stages 2 and 3 are expected to be suitable for placement in a settling pond.

 

25.3.3Hydrogeology

 

Field and laboratory testing has demonstrated that the deposit is amenable to the ISR method. The variations in permeability and porosity were included in the assessment of groundwater flows which supports the lixiviant contact and recovery estimated in this study. Groundwater flow can be managed through well placement and injection pressures and extraction rates to vary and thereby inform the wellfield design to improve conditions for recovery.

 

A freeze wall is expected to provide adequate, economically viable containment of ISR solution within the active leaching zone. Hydraulic pressures amongst injection and extraction wells can be set to create hydraulic containment.

 

Field and laboratory testing has demonstrated that remediation of in situ conditions to an inactive, non-propagating state is feasible.

 

25.3.4Wellfield

 

It is feasible to design a layout of injection and extraction wells and set operating pressures to deliver lixiviant amongst the HGUs to recover an economic flow of uranium to the ISR plant. The detailed well field design is consistent with the mineralized area hydrogeological parameters. The wellfield can be designed and operated to deliver a continuous flow and concentration to the plant during the LOM. The extraction plan includes an appropriate estimate for hydraulic control pumping.

 

Field and laboratory testing indicates well recovery is front-loaded, delivering higher concentrations to the process plant early in well life. This supports the production plan in this study with higher production rates in early life of mine.

 

A practical well design was defined that suits the ISR chemistry and the geology of the mining area. Conventional drilling techniques can be employed, as demonstrated by wells prepared for the FFT. Existing exploration wells can be economically re-purposed for use in production. Smaller bore diamond-drilled wells can be used for some injection wells to reduce total costs.

 

Project No.: 251208
August 2023

Interpretation and Conclusions

Page 25-3
 

 

 

Wheeler River Project
Athabasca Basin, Saskatchewan
NI 43-101 Technical Report

 

A progression of mining by phase can be followed with the freeze wall being extended and modified over time to limit the contained zone size and associated cost and risks.

 

Surface infrastructure to support ISR mining is practical and economical, being constructed of commonly available materials and using portable, reusable header houses and tankage.

 

25.3.5Mining

 

Phoenix mineral reserves were estimated as summarized in Table 25-1.

 

The evaluations of the mining options available to effectively recover U3O8 from this deposit indicate that:

 

·The Phoenix deposit contains adequate uranium resources to develop an ISR operation and supply a process plant with economic grade UBS for a period of at least 8 years.
   

·The detailed wellfield design for ISR is consistent with the mineralized area hydrogeological parameters.
   

·The extraction plan includes sufficient staged well development to produce sufficient contained uranium to continuously feed the process plant.
   

·The extraction plan includes an appropriate estimate for hydraulic control pumping.
   

·Mining losses and average mining dilution are appropriately considered for an ISR operation.
   

·The design ISR wellfield and extraction plan are to a sufficient level to support a reserve statement.
   

·The extraction plan uses only measured and indicated blocks within the mineral resource estimate. Inferred mineral resources are treated as non-mineral bearing.

 

Project No.: 251208
August 2023

Interpretation and Conclusions

Page 25-4
 

 

 

Wheeler River Project
Athabasca Basin, Saskatchewan
NI 43-101 Technical Report

 

Table 25-1: Phoenix Mineral Reserves Statement, Effective Date June 23, 2023

 

Confidence Category Tonnes
(kt)
Grade
(% U3O8)
Recoverable U3O8
(Mlb)
Proven      
Phase 1 6.3 24.5 3.4
Subtotal Proven 6.3 24.5 3.4
Probable      
Phase 1 41.3 20.2 18.4
Phase 2 45.2 13.8 13.7
Phase 3 20.3 11.0 4.9
Phase 4 68.9 7.2 10.9
Phase 5 37.0 6.6 5.4
Subtotal Probable 212.7 11.4 53.3
Total Proven and Probable 219.0 11.7 56.7

 

Note: (1) The effective date of the mineral reserve estimate is June 23, 2023. The QP for the estimate is Mr. Dan Johnson, P.E., an employee of WSP.

(2) Mineral reserves are estimated at a cut-off grade of 0.5% U3O8 based on the ISR mining method, using a long-term uranium price of US$50/lb U3O8 and a CA$/US$ exchange rate of 1.33. The mineral reserves are based on a mine operating cost of $0.78/lb U3O8, process operating cost of $5.20/lb U3O8, and process recovery of 99%.

(3) A mine recovery of 80.6% has been applied to convert the mineral resources to mineral reserves. Recoverable U3O8 refers to ISR recoverable and does not account for process losses.

 

25.3.6Recovery Methods

 

Design feed flow rate of UBS from the wellfield as process plant feed is 21 m3/h. Although nominal grade is 15 g/L U, a large range is expected over the course of operational life. In early years, the operating window will be 10.5 to 21 m3/h and 22.5 to 45 g/L U, to a maximum feed rate of about 9 Mlb/a U3O8 equivalent.

 

To support the shipment of PPS offsite and reprocessing for uranium recovery, Denison has attained a signed memorandum of understanding with a licensed regional receiving facility to validate this approach as feasible.

 

Project No.: 251208
August 2023

Interpretation and Conclusions

Page 25-5
 

 

 

Wheeler River Project
Athabasca Basin, Saskatchewan
NI 43-101 Technical Report

 

25.3.7Wellfield Reclamation

 

As a result of ISR activities, water treatment will be required to rinse the targeted recovery zone to near baseline conditions. The time and flow required for water treatment flow for each 5-spot well pattern will depend on the ore zone thickness and the HGUs heterogeneity at that location of the 5-spot well pattern under rinse. The flow rate to the water treatment system will also depend on the number of 5-spot well patterns concurrently in the rinsing process.

 

25.3.8Infrastructure

 

The study concluded that construction of the required infrastructure is feasible at this location. Road access and utility power are available close by. Water is available from both surface water and wells. The infrastructure needed for ISR mining and metallurgical processing is commercially available, proven technology that can meet regulatory requirements for this operation.

 

25.3.9Markets and Contracts

 

A current commodity market research report on uranium was obtained from a uranium industry price reporter. The analysis provided a long-term price composite midpoint spot price projection that was used in the financial model. The research indicated larger supply deficits in the second half of the decade that will be difficult to balance without investment in new largescale uranium mining projects.

 

The uranium price used to estimate mineral resources is US$55/lb U3O8 and to estimate the mineral reserves is US$50/lb U3O8. The uranium prices used in the economic analysis for the Phoenix Project was between US$66.53 to US$70.11/lb U3O8.

 

The Q2 2023 Uranium Market Outlook supports the uranium pricing assumptions and the availability of the market to the proposed mine production.

 

25.3.10Capital and Operating Costs

 

The initial and sustaining capital costs are classified as a Class 3 estimate following AACE International Guidelines Practice No. 47R-11 with an accuracy within the range of -15%/+25% of final project cost including contingency. The building services, process equipment and piping, and electrical and instrumentation is based largely on budgetary quotations with escalated in-house data used where materials and contracts rates were not included. The Phoenix capital cost estimate is summarized in Table 25-2.

 

Project No.: 251208
August 2023

Interpretation and Conclusions

Page 25-6
 

 

 

Wheeler River Project
Athabasca Basin, Saskatchewan
NI 43-101 Technical Report

 

Table 25-2: Summary of Phoenix Capital Costs

 

Area Cost
($M)
Total initial capital cost 419.4
Sustaining capital cost 234.1
Total capital cost 653.5

Note: Figures may not sum due to rounding. Excludes $67.4 million pre-commitment cost and $88.8 million in closure costs.

 

Operating costs were estimated based on quantified consumables, energy usage and operations staffing for the site facilities. A summary of the Phoenix operating costs is presented in Table 25-3.

 

Table 25-3: Phoenix Operating Costs

 

Cost Area Total Cost
($M)
Cost
($/lb U3O8)
Mining 44.4 0.79
Processing 294.8 5.25
Transport to converter 13.7 0.24
Site support / G&A 125.1 2.23
Total 478.1 8.51

Note: Figures may not sum due to rounding.

 

25.3.11Economic Analysis

 

The economics of processing the stated mineral reserves by ISR and conventional precipitation are robust (Table 25-4). Phoenix is most sensitive to fluctuations in the U3O8 price and feed grades and less sensitive to changes in capital costs and least sensitive to changes in operating costs.

 

Table 25-4: Phoenix Summary of Base Case Economic Results

 

Description Unit Base Case
Undiscounted Cash Flow $B 2.25
NPV @ 8% $B 1.43
IRR % 82.3
Payback months 11

 

Project No.: 251208
August 2023

Interpretation and Conclusions

Page 25-7
 

 

 

Wheeler River Project
Athabasca Basin, Saskatchewan
NI 43-101 Technical Report

 

25.3.12Environmental, Permitting and Social Considerations

 

Environmental studies associated with Phoenix are significantly advanced. Baseline environmental studies have been completed with sufficient rigor to support development of the Draft EIS submitted to the CNSC and the Saskatchewan Ministry of Environment’s Environmental Assessment and Stewardship Branch.

 

Denison has engaged with Interested Parties to develop meaningful relationships and facilitate a collaborative approach to engagement and the advancement of the Phoenix Project. Denison has developed and implemented an engagement plan to guide and structure such engagement activities. Engagement activities for each of the Interested Parties are tailored to comply with both federal and provincial regulatory legislation and meet the expectations of the parties. While engagement to date has focused on Phoenix, the activities are also generally relevant to Gryphon.

 

A thorough preliminary closure, decommissioning and reclamation plan has been developed and an adequate cost allowance to implement the plan has been estimated.

 

25.3.13Opportunities

 

The following opportunities have been identified for Phoenix.

 

25.3.13.1Metallurgical Testwork and Recovery Methods

 

·Additional leach test programs, whether in the laboratory or field, would increase assurance and accuracy of ISR recovery estimation.

 

·All circuits would benefit from improved solid/liquid separation characteristics such as settling rate, underflow density, belt filter flux and cake moisture. Opportunities include:

 

-Stage 1 (Fe/Ra) precipitation: Reduce the thickener and belt filter sizes, lower soluble uranium entrainment loss in Fe/Ra cake, and reduce the mass of water in PPS cake to be shipped offsite.

 

-Stage 2 (YC) precipitation: Reduce the thickener and belt filter sizes, reduce soluble impurities entrainment in YC, and reduce energy input to the dryer

 

-ET stage 1: Reduce the mass of water in PPS cake to be shipped offsite

 

-ET stage 2: Reduce the volume of slurry to be pumped to the gypsum waste storage ponds.

 

·Optimization of process plant operating parameters could improve uranium recovery.

 

Project No.: 251208
August 2023

Interpretation and Conclusions

Page 25-8
 

 

 

Wheeler River Project
Athabasca Basin, Saskatchewan
NI 43-101 Technical Report

 

·Investigation of alternative equipment designs, particularly for filtering and YC drying, could identify more cost-effective options.

 

·Investigation of other selenium removal technology options could identify a more cost-effective and/or environmentally advantageous method than what was selected for the FS.

 

25.3.13.2Wellfield

 

·Improvements in the techniques used to drill, install and develop wells could reduce the cost of well installation over the life of the project. Well installation costs amount to approximately 26% of the projected capital costs.

 

·Further investigation and use of permeability enhancement techniques may provide noticeable recovery improvements in lower permeability HGUs.

 

·Optimization of the well spacing can be further evaluated with geophysical and well development data from the progression of well field development. Increased well spacing would mean fewer or smaller diameter wells consequently lowering the sustaining capital cost.

 

·As demonstrated in the testing programs, the dissolution of uranium may improve the permeability in the ore zone.

 

·Sourcing and deploying electrically powered drilling equipment will have a reduced carbon emissions level than diesel equipment and may have a lower operating cost.

 

·Further modelling work may identify a more cost-effective well layout, well timing and associated ground freezing plan.

 

·Localized subsurface collapses could improve lixiviant contact and recovery.

 

·Wellfield materials of construction for piping and well components could be further assessed to optimize costs.

 

·Refining the economic boundary of the deposit could eliminate uneconomic wells from the mine development plan.

 

·Optimization of wellfield design and operations to improve consistency of feed to the plant and operational sequencing, logistics, and infrastructure to minimize operational expenditures associated with ore zone development.

 

·Optimization of freeze wall concept, design, and timing. This may require integration with the FEFLOW and GoldSim workflows to streamline operations, minimize cost, and still meet production and environmental targets.

 

Project No.: 251208
August 2023

Interpretation and Conclusions

Page 25-9
 

 

 

Wheeler River Project
Athabasca Basin, Saskatchewan
NI 43-101 Technical Report

 

25.3.13.3Mining

 

·Varying well flows during operation may improve recovery. This could include a no-flow/sit-and-soak method to raise concentrations in later stage of well life.

 

·Improved reliability of uranium recovery calculations by additional, systematic testing of ore leaching/recovery specifically by HGU, by uranium grade, mineralogy, lixiviant recipe, and other factors/variables.

 

25.3.13.4Wellfield Reclamation

 

·Optimize water/solution management on the surface (e.g., wastewater treatment, disposal, solution storage and discharge, etc.).

 

·Minimize timing and cost of concurrent reclamation.

 

25.3.13.5Infrastructure

 

·The metallurgical opportunities noted above could optimize the size of storage pads and ponds for solids streams including gypsum waste and PPS cake.

 

·Process flow recycling could reduce the quantity of fresh water and the supporting infrastructure for water sourcing and distribution.

 

·Further engineering may identify additional facilities that can be modularized and fabricated offsite, reducing cost and onsite labour.

 

25.3.14Risks

 

The following risks have been identified for Phoenix.

 

25.3.14.1Overall Project

 

·Obtaining federal and provincial regulatory approvals in a timeframe aligned with project execution.

 

·Blended labour rates for construction could be higher depending on the availability of local labour resources and additional dependence on non-local workforce.

 

·Global supply chain issues could cause unexpected escalation of material and equipment costs.

 

Project No.: 251208
August 2023

Interpretation and Conclusions

Page 25-10
 

 

 

Wheeler River Project
Athabasca Basin, Saskatchewan
NI 43-101 Technical Report

 

25.3.14.2Metallurgical Testwork and Recovery Methods

 

·Increased risk of upset conditions if UBS plant feed grade and flow is highly variable, particularly from well patterns that are early in their operational life.

 

·Risk of clay mobilization could manifest in potential plugging of well patterns underground and/or difficult-to-settle solids accumulation on surface, particularly with HGU 2a. This could be mitigated by either placing well screen intervals below the HGU 2a or using a well completion method to prevent clay mobilization.

 

·Uranium recovery loss and off-specification YC product quality under non-ideal operating conditions in the stage 1 (Fe/Ra) and stage 2 (YC) precipitation circuits. Further effort is required to characterize the risk of uranium recovery loss and off-specification product, through testing of varying feed and operating conditions.

 

·Insufficient size of gypsum waste pond if commercial agreement for use of proprietary IX/ER technology cannot be reached and alternative solutions are required.

 

·Untested amenability of mixing the iron oxide anode residue from ER in the IX/ER selenium removal method, with gypsum from ET Stage 2.

 

·Should the offtake agreement with the licensed regional receiving facility not be executed, other alternatives to assure the final destination of the PPS will need to be evaluated.

 

·Assumed approval of transportation method and route of PPS to the licensed facility has not been validated.

 

·Recovery estimate of 90% from PPS has not validated as a PPS re-processing flowsheet and operating parameters have not yet been established.

 

·Increased quantity of solids in the recovered UBS to the plant disrupting the process and potentially requiring extra settling equipment. The UBS settling pond is included in the FS design to mitigate this risk, in particular for initial well startups when higher solids are anticipated.

 

25.3.14.3Wellfield

 

·Phoenix may not operate as a typical ISR operation due to the complexities of the nine distinct HGUs. Typical uranium deposits where ISR is being used are low grade and in relatively thick high permeability zones whereas the Phoenix deposit is a high-grade heterogeneous unconformity-type deposit.

 

·Variation in recovery (both high and low) of higher clay, low permeability zones as the recovery curve is more representative of higher permeability HGUs.

 

Project No.: 251208
August 2023

Interpretation and Conclusions

Page 25-11
 

 

 

Wheeler River Project
Athabasca Basin, Saskatchewan
NI 43-101 Technical Report

 

·Reduction in hydraulic sweep efficiency in cases of low hydraulic conductivity in one or more of the HGUs requiring a tighter well spacing.

 

·In situ plugging due to lixiviant makeup interrupting production from the well. Hydraulic properties of the Phoenix deposit are highly variable, both laterally and vertically, whereas in other ISR operations the permeability is generally high and uniform.

 

25.3.14.4Mining

 

·Potential for decrease in permeability in the ore zone due to unwanted precipitation of gangue minerals if not monitored and managed properly.

 

·Hydraulic sweep efficiencies as predicted by the groundwater flow model will vary throughout the wellfield because of the model’s limitation in simulating density dependent flow and rate of dissolution caused by the injected lixiviant.

 

·Localized subsurface collapses causing blockages and reduced recovery.

 

·Remediation of in situ chemistry could take longer than predicted, extending the duration and cost of ore zone reclamation.

 

25.4Gryphon

 

25.4.1Geology and Mineral Resources

 

The Gryphon deposit is a growing, high-grade uranium deposit that belongs to a select group of large basement-hosted uranium deposits in the eastern Athabasca Basin, which includes Cameco's Eagle Point mine and Millennium deposit, and UEC's Roughrider deposit.

 

The Gryphon deposit is located 3 km northwest of Phoenix. The Gryphon uranium deposit occurs within southeasterly dipping crystalline basement rocks of the Wollaston Supergroup below the regional sub-Athabasca Basin unconformity. The deposit is located from 520 to 850 m below surface and has an overall strike length of 610 m, dip length of 390 m and varies in thickness between 2 and 70 m, depending on the number of mineralized lenses present. The mineralized lenses are controlled by reverse fault structures which are largely conformable to the basement stratigraphy and dominant foliation. The A, B and C series of lenses comprise stacked, parallel lenses which plunge to the northeast along the G-Fault, which occurs between hangingwall graphite-rich pelitic gneisses and a more competent pegmatite-dominated footwall. A ubiquitous zone of silicification, the quartz pegmatite assemblage, straddles the G-Fault, and the A, B and C series of lenses occur in the hangingwall of, within, and in the footwall of the quartz-pegmatite assemblage, respectively. The D series lenses occur within the pegmatite-dominated footwall along a secondary fault zone, the Basal Fault, or within extensional relay faults which link to the G-Fault. The E series lenses occur along the G-Fault, up-dip and along strike to the northeast of the A and B series lenses, within the upper basement or at the sub-Athabasca unconformity. Mineralization within the Gryphon deposit lenses is dominated by massive, semi-massive or fracture-hosted uraninite associated with an alteration assemblage comprising hematite, dravitic tourmaline, illite, chlorite and kaolinite. Secondary uranium minerals, including uranophane and carnotite, and sulphides are trace in quantity.

 

Project No.: 251208
August 2023

Interpretation and Conclusions

Page 25-12
 

 

 

Wheeler River Project
Athabasca Basin, Saskatchewan
NI 43-101 Technical Report

 

The Gryphon deposit remains open in numerous areas with significant potential for future resource growth. Priority target areas include: 1) Along strike to the northeast of the E series lenses, where both unconformity and basement potential exists; 2) Down plunge of the A and B series lenses; 3) Along strike to the northeast and southwest of the D series lenses; and 4) Within the currently defined D series lenses, where additional high-grade shoots may exist.

 

CIM Definitions (2014) were followed for classification of mineral resources, and in Mr. Mathisen’s opinion, the estimation methodology is consistent with standard industry practice and the Wheeler River property mineral resource estimate is considered to be reasonable and acceptable.

 

25.4.2Metallurgical Testwork

 

The results of the metallurgical testwork program indicate that the Gryphon deposit is amenable to recovery utilizing the existing McClean Lake mill flowsheet. Moreover, Gryphon is amenable for processing at similar conditions to those currently used in the McClean Lake mill. Overall process recovery based on metallurgical testwork to date has been estimated at 98.4% (co-mingled with Cigar Lake ore). Gryphon production levels align well with known available capacity in the McClean Lake mill. Production scenarios do not exceed the McClean Lake mill’s currently licensed capacity of 24 Mlb/a U3O8 production. Gryphon ore will be processed in conjunction with Cigar Lake Phase 2 production, which is not fully defined and is assumed to be 15 Mlb/a U3O8, allowing for Gryphon ore processing at 9 Mlb/a U3O8.

 

25.4.3Hydrogeology

 

Hydrogeological conditions at the Wheeler River deposits were assessed during drilling programs in 2015 through 2018. Data from the hydraulic testing, pressure transducer systems, water levels surveys, water chemistry, and laboratory testing of core samples were combined with geological modelling and structural interpretation to build an understanding of the hydrogeological system at both the Phoenix and Gryphon deposits.

 

Project No.: 251208
August 2023

Interpretation and Conclusions

Page 25-13
 

 

 

Wheeler River Project
Athabasca Basin, Saskatchewan
NI 43-101 Technical Report

 

The Gryphon deposit has an extensive data set for a deposit of this depth at pre-feasibility level of study, with data covering the overlying Athabasca formations, the regional unconformity, and the basement complex. This data was used to model potential inflows to the basement hosted deposit and underground workings, with results comparing very closely to similar mines in the Athabasca Basin. Additional testwork will be carried out during feasibility level programs but aimed more at confirmatory testing of specific structural targets and areas related to specific mine design aspects.

 

Potential for inflow from the overlying unconformity and Athabasca formations was assessed both numerically and benchmarked against other mines in the Basin. Based on the low hydraulic conductivity of the unconformity in all tests to date at Gryphon and lack of identified connection between the unconformity and the mining zones, this geological feature does not appear to present the same risk at some other Athabasca Basin locations. Inflow control and risk mitigation from the overlying sedimentary units is feasible through mine design (avoidance of thin crown pillar) and mining practice (assessment and mitigation through probe and grout) in potential areas of suspected steep angle structure, etc.

 

High inflow events, if they were to occur, were not numerically modelled, but have been based on design and operational criteria from other mines in the Athabasca Basin.

 

25.4.4Geotechnical

 

Rock mass quality throughout the Gryphon deposit typically ranges from predominantly fair to good using established rock mass classification terminology (RMR and Q-Systems). Within the basement units the intact rock strength can vary between R0 (very weak) to R5 (very strong).

 

Typical fresh basement is classified as strong rock (R3, 50 to 100 MPa). A standard ground support pattern of bolts and screens has been designed to control rock movement during operations. However, during operations there are likely to be localized areas that may have deteriorated ground conditions and may require additional ground support.

 

Hydrogeological assessment indicates relatively low hydraulic conductivity rock mass conditions within the basement units at Gryphon. For geotechnical engineering purposes the rock masses have been considered wet but dewatered (i.e., not subject to significant water pressure or flows). In the event that local water control grout campaigns may be required, rock discontinuities generally appear amenable to cementitious grout injection.

 

The upper portion of the mine is located ~25 m below the unconformity and below the paleo weathering profile. However, it is recommended to complete this and other high-risk development under probe and grout cover programs.

 

Project No.: 251208
August 2023

Interpretation and Conclusions

Page 25-14
 

 

 

Wheeler River Project
Athabasca Basin, Saskatchewan
NI 43-101 Technical Report

 

25.4.5Mining

 

Gryphon mineral reserves were estimated as summarized in Table 25-5.

 

Table 25-5: Gryphon Mineral Reserve Statement, Effective Date September 1, 2018

 

Confidence Category Tonnes
(Mt)
Grade
(% U3O8)
Contained U3O8
(Mlb)
Probable 1.257 1.8 49.7
Total 1.257 1.8 49.7

Note: (1) The effective date of the mineral reserves is September 1, 2018. The QP for the estimate is Mr. Mark Hatton, P.Eng., an employee of Stantec.

 

(2) The mineral reserve estimate was prepared in accordance with the CIM Definition Standards (CIM, 2014).

 

(3) Mineral reserves are stated at a processing plant feed reference point.

 

(4) Mineral reserves for the Gryphon deposit are estimated at a cut-off grade of 0.58% U3O8 based on longhole mining using a long-term uranium price of US$50/lb and a US$/CA$ exchange rate of 0.8. The mineral reserves are based on a mine operating cost of $150/t, mill operating cost of $275/t, G&A cost of $99/t, transportation cost of $50/t, milling recovery of 97%, and 7.25% fee for Saskatchewan royalties. Mineral reserves include for diluting material and mining losses.

 

Based upon the information currently available, ground conditions in the mine are, in general, anticipated to be reasonable. The main geotechnical risks are related to mining near the unconformity, hence the permanent 25 m crown pillar and the presence of faults which may intersect the area. The faults will affect access development, requiring appropriate ground control measures to be implemented. There are also certain areas of the hanging and footwall with unfavourable stope wall conditions that may lead to localized, increased waste dilution and/or ore loss. Application of empirical open stope design supports the planned mining method of longitudinal and transverse long hole stoping. The preliminary hydrological assessment indicated initial water inflows of 258 m3/h (58 m3/h from process water and 200 m3/h from groundwater) for the underground mine. If higher rates are encountered, there may be adverse impacts on the mine production schedule, particularly the lateral development advance rates. The dewatering system will be designed to handle emergency inflows of 1,650 m3/h (anticipated inflows through unconformity plus 10% extra) for the underground mine. If higher rates are encountered, the designed dewatering system may not be sufficient, and the mine may be forced to be abandoned until the inflows can be controlled.

 

The current ventilation design is based upon local legislation and comparative case study identification. If the proposed ventilation system becomes insufficient due to recommendations from Arcadis (pending), or changes in regulations, the ability to expand the volume of air reporting underground is limited.

 

Project No.: 251208
August 2023

Interpretation and Conclusions

Page 25-15
 

 

 

Wheeler River Project
Athabasca Basin, Saskatchewan
NI 43-101 Technical Report

 

The lateral development advance rates used in the PFS are in accordance with good industry standards, but there is a risk that these are not consistently achieved in practice if the hydrology or geo-mechanical assumptions are understated. In particular, the timely excavation of the declines and level access development in the early stages of mine development are critical to attaining the ore production schedule.

 

25.4.6Recovery Methods

 

Processing the Gryphon deposit will require modifications to the McClean Lake mill. These modifications include expansion of the leaching circuit, the addition of a filtration system to complement the CCD circuit capacity, the installation of an additional tailings thickener, and expansion of the acid plant. Upgrades are also required throughout the mill to permit production at the full 24 Mlb/a U3O8 licensed capacity.

 

25.4.7Markets and Contracts

 

A current commodity market research report on uranium was obtained from a uranium industry price reporter. The analysis provided a long-term base price projection that was used in the financial model. The research indicated larger supply deficits in the second half of the decade that will be difficult to balance without investment in new large-scale uranium mining projects.

 

The uranium price used to estimate mineral resources is US$55/lb U3O8 and to estimate the mineral reserves is US$50/lb U3O8. The uranium price used in the economic analysis for the Gryphon Project was US$75/lb U3O8.

 

The Q2 2023 Uranium Market Outlook supports the uranium pricing assumptions and the availability of the market to the proposed mine production.

 

25.4.8Capital and Operating Costs

 

The initial and sustaining capital costs are classified as a Class 4 estimate following AACE International Guidelines Practice No. 47R-11 with an accuracy ranging between -15% to -30% and +20% to +50% of final project cost including contingency. In 2018 a combination of budget quotes for major equipment and factored equipment and unit costs for distributive commodity direct costs were used to estimate surface infrastructure. Mine development and production costs were developed from first principles. A factored estimate was prepared for the McClean Lake mill upgrade. For this update, costs were escalated by 36% based on the Chemical Engineering Plant Cost Index for equipment and materials. Labour, subcontract, equipment rental and contractor indirects were escalated by 10%, and other materials were escalated by 20%. The Gryphon capital cost estimate is summarized in Table 25-6.

 

Project No.: 251208
August 2023

Interpretation and Conclusions

Page 25-16
 

 

 

Wheeler River Project
Athabasca Basin, Saskatchewan
NI 43-101 Technical Report

 

Table 25-6: Summary of Gryphon Capital Costs

 

Area Cost
($M)
Total initial capital costs 737.4
Sustaining capital costs 98.7
Total capital cost 836.1

Note: Figures may not sum due to rounding. Excludes $56.5 million pre-commitment cost and $5.0 million in closure costs.

 

Operating costs were estimated based on quantified consumables, energy usage and operations staffing for the site facilities designed in the PFS. A summary of the Gryphon operating costs is presented in Table 25-7.

 

Table 25-7: Gryphon Operating Costs

 

Cost Area Total Cost
($M)
Cost
($/lb U3O8)
$/t Mined
Mining 334.3 6.85 265.85
McClean Lake mill 427.6 8.76 340.08
Transport to converter 12.9 0.27 10.30
Site Support / G&A 68.3 1.40 54.32
Total 843.2 17.27 670.55

 

 

25.4.9Economic Analysis

 

The economics of processing the stated mineral reserves of the Gryphon deposit are robust (Table 25-8). Gryphon is most sensitive to fluctuations in the U3O8 price and feed grades and less sensitive to changes in capital costs and is least sensitive to changes in operating costs.

 

Table 25-8: Gryphon Summary of Base Case Economic Results

 

Description Unit Base Case
Undiscounted Cash Flow $B 1.80
NPV 8% $M 864.2
IRR % 37.6
Payback months 22

 

Project No.: 251208
August 2023

Interpretation and Conclusions

Page 25-17
 

 

 

Wheeler River Project
Athabasca Basin, Saskatchewan
NI 43-101 Technical Report

 

25.4.10Environmental, Permitting and Social Considerations

 

An environmental assessment will be required in accordance with legislation. This process will require approximately 24 to 36 months following the approval of a project description. A thorough, comprehensive environmental database has been collected to support the anticipated environmental assessment. While much of the baseline environmental study information completed for the Gryphon Project is also applicable to Gryphon, it is noted that additional environmental baseline information will be required for Gryphon.

 

Consultation for Phoenix (Section 25.3.12) is relevant to Gryphon; however, as Gryphon moves forward, consultation specific to Gryphon will be required.

 

The decommissioning and reclamation plan for Gryphon will need to be reviewed and developed in more detail as the Gryphon Project is advanced.

 

Based on the existing understanding of the proposed Gryphon Project, there are no environmental fatal flaws identified and there is no reason to assume the Gryphon Project could not successfully complete an environmental assessment which could be acceptable to the federal and provincial regulatory regimes and the Gryphon Project’s stakeholders.

 

25.4.11Opportunities

 

The following opportunities have been identified for Gryphon.

 

25.4.11.1Geology and Mineral Resources

 

·Expanding mineral resources by further exploring several high priority exploration target areas, the most important of which consist of unconformity and basement targets in the Gryphon area. During the 2016 winter program, drill testing within 200 m north and northwest of the Gryphon deposit returned numerous high-grade intersections.

 

25.4.11.2Metallurgical Testwork and Recovery Methods

 

·The use of radiometric ore sorting could significantly reduce the quantity of ore transported to the mill for processing resulting in material reductions in transportation costs, milling costs and tailings storage requirements.

 

·Constructing additional front end processing circuits to the Phoenix ISR processing plant (i.e., grinding, leach and solid/liquid separation circuits and tailings management) to process Gryphon ore onsite and potentially reduce capital and operating costs required to modify the McClean Lake mill and extend and maintain Highway 914.

 

Project No.: 251208
August 2023

Interpretation and Conclusions

Page 25-18
 

 

 

Wheeler River Project
Athabasca Basin, Saskatchewan
NI 43-101 Technical Report

 

25.4.11.3Mining

 

·Optimization of ground support may allow for the elimination of ground support duplication (bolts and screen in ore sills and shotcrete in development), potentially saving significant time and money during sill development phases.

 

·Conventional shaft sinking methods may allow for improved construction and ramp up schedules.

 

·Deepening the production shaft may allow for improved construction and ramp up schedules.

 

·Mine production is restricted by the surface processing facility. Mine life could be shortened with surface debottlenecking activities.

 

25.4.12Risks

 

The following risks have been identified for Gryphon.

 

25.4.12.1Metallurgical Testwork and Recovery Methods

 

·Insufficient plant or tailings capacity at the McClean Lake mill available for the Gryphon feed, delaying the project or requiring additional capital to fund further modifications to the existing plant or the construction of a new processing plant.

 

·Composite samples used for the metallurgical testing not reflecting the potential variability of the processing plant feed, resulting in inconsistent uranium milling recoveries.

 

·Ability to execute a toll milling agreement with the MLJV with terms that have been assumed within the PFS including toll milling capacities and fees.

 

·Impact of future Cigar Lake grades on process design could have a material impact on the results of the QP’s analysis.

 

·Insufficient testwork on co-mingled samples could have an impact on recovery (i.e., if a metallurgical interaction were to be observed in comingled leaching, resulting in lower recovery), capital costs (i.e., if an increased residence time were to be required to maintain recovery in a comingled circuit, and in turn a larger circuit is required), and operating costs (i.e., if higher acid addition were to be required in a comingled circuit).

 

Project No.: 251208
August 2023

Interpretation and Conclusions

Page 25-19
 

 

 

Wheeler River Project
Athabasca Basin, Saskatchewan
NI 43-101 Technical Report

 

·McClean Lake mill not receiving or delay in receiving future licences, permits and approvals impacting the ability to process Gryphon ore.

 

·Not meeting project schedule and cost if the execution of the McClean Lake mill upgrades is not carefully completed and managed. The McClean Lake mill is an operating facility. Completing the required modifications to process Gryphon ore will require detailed execution planning and construction planning. Construction may need to occur over multiple years in order to utilize planned mill shutdowns to complete tie-ins and other critical tasks.

 

25.4.12.2Mining

 

·Not meeting the level of accuracy required to ensure conveyances are able to travel through the shaft. Traditional blind boring technology may not be able to produce a vertical shaft within specifications. A pilot hole or other measures may be required to guide the blind boring to the end target.

 

Project No.: 251208
August 2023

Interpretation and Conclusions

Page 25-20
 

 

 

Wheeler River Project
Athabasca Basin, Saskatchewan
NI 43-101 Technical Report

 

26.0Recommendations

 

26.1Phoenix

 

26.1.1Summary

 

The results of the FS indicate that Denison’s proposed uranium project is technically feasible and economically viable under the assumptions presented in this Report. The FS is considered sufficiently reliable to guide Denison in a decision to advance to the next phase of project development through front end engineering design and detailed design to advance the Phoenix project to a point where the project is de-risked sufficiently to enable the FID. This includes field and laboratory testing, front-end engineering and design, detailed design, and early commitments for long lead items to enable design and planning.

 

It is expected that $67.4 million in pre-commitment costs are required to advance the Phoenix project to a point where the project is de-risked sufficiently to enable the FID.

 

The QPs make the following specific recommendations to advance the Phoenix project. These activities are included in the pre-commitment cost estimate.

 

26.1.2Geology and Mineral Resources

 

The following recommendations are provided to advance the understanding of the geology, mineralization controls and mineral resource for the Phoenix deposit.

 

·Continued refinement of the radiometric-grade correlation should be completed.

 

·Additional dry bulk density sampling and analysis should be completed on all drill holes intersecting mineralization during the construction of the wellfield within the Phoenix deposit. Samples should be collected to target various mineralization and alteration, styles, and intensity. Costs associated with wellfield development is considered part of the capital cost estimate presented in this Report.

 

·Additional interpretation of basement-hosted mineralization and structural controls should be completed to identify additional potential zones of mineralization suitable for ISR extraction.

 

·Rare earth element mineralization is present within the Phoenix deposit; however, further work is required to determine the quantity, recoverability, and economic potential of the REE mineralization.

 

The total estimated cost is $0.3 million.

 

Project No.: 251208
August 2023

Recommendations

Page 26-1
 

 

 

Wheeler River Project
Athabasca Basin, Saskatchewan
NI 43-101 Technical Report

 

26.1.3Metallurgical Testwork

 

In support of subsequent project stages, the following metallurgical tests on available sample material are recommended:

 

·Ongoing operation of coreflood 5 test, to increase the understanding of ISR leaching and provide further evidence of leach recovery predictions.

 

·Detailed ISR production planning would benefit from coreflood testing of mid- to low-grade samples from a wide variety of HGUs.

 

·Continuous pilot scale runs of the stage 1 (Fe/Ra) precipitation, stage 2 (YC) precipitation, ET stage 1 and 2 circuits, including thickener underflow slurry recycles to optimize solid/liquid separation performance.

 

·Batch and continuous pilot scale runs of the stage 1 (Fe/Ra) precipitation, stage 2 (YC) precipitation, ET stage 1 and 2 circuits to investigate feed variability and performance variability in upset/non-ideal conditions. This will indicate the risk level of operational concerns from process deviations.

 

·In collaboration with the receiving facility, perform PPS re-processing tests as necessary to validate a flowsheet to recover uranium and/or prepare PPS for disposal.

 

·Testing of PPS cake characteristics and its containment method to support an offsite transportation study.

 

·Evaluate further technology options such as bioreactor for selenium removal.

 

·Generate supporting evidence for plans to dispose of the waste stream(s) from the selected selenium removal method, in accordance with regulatory requirements. This may include confirmation that residues produced from the third-party IX/ER system selected for the FS are suitable for disposal, via mixing with ET Stage 2 gypsum waste.

 

The total estimated cost of metallurgical testwork is $2.0 million.

 

26.1.4Hydrogeology

 

The following modelling work is recommended to advance the hydrogeological understanding of the deposit:

 

·Complete further refinement of the hydraulic tomography model incorporating detailed structural analysis for further definition of potential channelling features in early stages of mining.

 

Project No.: 251208
August 2023

Recommendations

Page 26-2
 

 

 

Wheeler River Project
Athabasca Basin, Saskatchewan
NI 43-101 Technical Report

 

·Further study the recovery behaviour from lower permeability HGUs to improve the model and predicted behaviour of the wells.

 

·Update production model for dynamic flow modelling including, push pull, sit and soak, and reverse flow methods to optimize recovery.

 

The total estimated cost is $0.5 million.

 

26.1.5Wellfield

 

The following desktop activities are recommended to refine the design of the wellfield:

 

·Finalize well completion methodology.

 

·Complete further refinement of geomechanical models incorporating detailed geological features to inform opportunities for refined well designs.

 

·Optimize freeze wall concept, design and timing. This may require integration with the FEFLOW and GoldSim workflows.

 

·Investigate increasing freeze wall drill spacing to reduce initial and sustaining capital costs.

 

·Investigate potential removal of the subsequent freeze wall phases by proving demonstration of hydraulic control during operations in early mining phases.

 

·Optimize wellfield design and operations to improve consistent feed to the plant and operational sequencing, logistics, and infrastructure management. This involves iterative FEFLOW and GoldSim simulations.

 

The total estimated cost is $1.6 million.

 

26.1.6Mining

 

·Refine GoldSim to further optimize wellfield operations, further confirm environmental protection, support strategic planning and perform further risk analyses.

 

·Refine the understanding of economic boundary of the deposit and incorporate that understanding into the model calculation (e.g., well costs).

 

·Incorporate any advancements in geologic modelling of the ore zone by mineralogy in the recovery model. This would involve developing additional, systematic and consistent, high-quality mineralogy data and ore leaching/recovery of each HGU.

 

The total estimated cost of the above is $0.9 million.

 

Project No.: 251208
August 2023

Recommendations

Page 26-3
 

 

 

Wheeler River Project
Athabasca Basin, Saskatchewan
NI 43-101 Technical Report

 

26.1.7Wellfield Reclamation

 

·Further evaluate reclamation options and strategies. This may involve more detailed laboratory and analysis including evaluation by HGU.

 

·Use the GoldSim model to optimize water/solution management on the surface (wastewater treatment, disposal, solution storage and discharge, etc.) and concurrent reclamation of the orebody for closure.

 

·Further refine the reclamation model in the FEFLOW/GoldSim workflow to allow more robust simulation and evaluation of reclamation options.

 

The total estimated cost is $0.5 million.

 

26.1.8Environmental, Regulatory and Community Relations

 

The ongoing EA, licensing and community engagement efforts should continue.

 

It is recommended that response to information requests from the Federal-Indigenous Review Team with regards to the EA continue to be given top priority, as approval of the project under the Canadian Environmental Assessment Act, 2012, will require the information requests to be addressed satisfactorily.

 

The existing engagement plan with interested parties, including Indigenous groups, should also continue to be given a high priority to ensure adequate consultation.

 

The estimated cost is $4.0 million.

 

26.1.9Front End Engineering and Design / Detailed Design

 

A budget for front-end engineering and design and detailed design has been developed to advance the project ahead of the FID. The following is a list of recommended activities:

 

·Detailed design of wellfield surface infrastructure for Phase 1 of mining

 

·Finalize the process plant design and procure major equipment. Specific design recommendations include:

 

-Equipment type and detailed vendor offerings options studies, particularly for solid/liquid separation (thickeners, clarifiers and filters), dryer and packaging system.

 

Project No.: 251208
August 2023

Recommendations

Page 26-4
 

 

 

Wheeler River Project
Athabasca Basin, Saskatchewan
NI 43-101 Technical Report

 

-Vendor testing of selected process equipment as required to refine detailed design criteria.

 

-In collaboration with the receiving facility, advance from concept to detailed engineering design on a flowsheet for re-processing PPS. Develop capital and operating cost estimates. Support establishment of commercial terms for a final off-take agreement, as well as address regulatory requirements.

 

-A transportation study for shipping PPS offsite. Define the details of PPS storage container design, trailer selection, spill containment and radiological control considerations and costs. Provide a technical basis of communication for regulatory and community acceptance of the PPS shipping plan.

 

-Advance from PFS-level to detailed design for the final selected selenium removal option, fully integrating it into the overall process plant design. If the selected supplier uses patented or trade-secret equipment or design, obtain a commercial agreement.

 

·Establish survey monuments and conduct a ground survey of the project area.

 

·Conduct additional field geotechnical studies for the working areas as input to civil and structural designs.

 

·Develop the site plan and access road designs for licensing purposes, and to enable immediate deployment of civil work on receipt of permission to construct.

 

·Develop the airstrip design for permitting purposes and for construction as early as practical.

 

·Investigate and confirm sources of water and confirm the design of potable and domestic waste water systems to support construction and operations.

 

·Design the ponds, pads, and other containment structures.

 

·Perform preliminary procurement of the permanent and temporary camps.

 

·Initiate design and procurement of the overhead power line to site.

 

The estimated cost is $57.7 million and includes front end engineering costs and design cost of $2 million, detailed design costs of $20 million and early procurement activities and Owner's costs of $35.7 million.

 

26.1.10Summary of Costs

 

A summary of costs for completing the recommendations for Phoenix is provided in Table 26-1.

 

Project No.: 251208
August 2023

Recommendations

Page 26-5
 

 

 

Wheeler River Project
Athabasca Basin, Saskatchewan
NI 43-101 Technical Report

 

Table 26-1: Phoenix Summary of Costs for Recommended Work

 

Item Cost
($M)
Geology and mineral resources 0.3
Metallurgical testwork 2.0
Environmental/community 4.0
Hydrogeological/mining/wellfield design advancement 3.5
Front end engineering design/detailed design 57.7
Total Cost 67.4

Note: Figures may not sum due to rounding.

 

26.2Gryphon

 

26.2.1Summary

 

The QPs recommend the following program to prepare the Gryphon Project to be advanced to the feasibility study stage of analysis:

 

26.2.2Field and Testwork

 

26.2.2.1Geology and Mineral Resources

 

The following infill and delineation drilling recommendations are provided to advance the understanding of geology, mineralization controls and mineral resource for the Gryphon deposit.

 

·Infill drilling to upgrade Inferred mineral resources to Indicated with approximately 13 holes totalling approximately 7,350 m of drilling for $2.2 million.

 

·The Gryphon deposit remains open in numerous areas with significant potential for future resource growth. Priority target areas include: 1) along strike to the northeast of the E series lenses, where both unconformity and basement potential exists; 2) down plunge of the A and B series lenses; 3) along strike to the northeast and southwest of the D series lenses; and 4) within the currently defined D series lenses, where additional high-grade shoots may exist (Figure 26-1). The QP estimates five to ten holes totalling 3,500 to 7,000 m of drilling for $1.1 - $2.2 million.

 

The total estimated cost is between $3.3 to 4.4 million.

 

Project No.: 251208
August 2023

Recommendations

Page 26-6
 

 

 

Wheeler River Project
Athabasca Basin, Saskatchewan
NI 43-101 Technical Report

 

Figure 26-1: 2018 Planned Gryphon Expansion Drilling Locations

 

 

(Source: Denison, 2018)

 

26.2.2.2Metallurgical Testwork

 

To further validate the performance of processing Gryphon ore at the McClean Lake mill, it is recommended that further testwork be conducted in the next study phase. Additional testwork is recommended for all process circuits to provide further metallurgical characterization of the ore and provide definition to support feasibility-level design. This testwork should include:

 

·Co-mingled leach tests using Gryphon and Cigar Lake ores.

 

·Co-mingled settling and filtration tests using Gryphon and Cigar Lake ores.

 

·Tailings aging testwork and evaluation of stability in TMF.

 

·Variability comminution testwork.

 

·Gryphon ore bulk material property testwork and size distribution.

 

·Additional variability testing on Gryphon ores to further explore any variation in processing response throughout the extremes of the deposit. Testing should be completed on unique samples from each lithological group, and well as non-composited samples from the high and low-grade extremes of the deposits.

 

Project No.: 251208
August 2023

Recommendations

Page 26-7
 

 

 

Wheeler River Project
Athabasca Basin, Saskatchewan
NI 43-101 Technical Report

 

·Rheology testing due to the high clay content in Gryphon ores, to support agitation and pumping design.

 

·Final neutralization tests should be repeated with higher reagent addition to demonstrate regulatory limit radium removal.

 

Total estimated cost is $1.5 million to complete metallurgical testwork based on drilling recommended in Section 26.2.2.1 to the end of a FS. This excludes any metallurgical testwork in support of TMF design.

 

26.2.2.3Mine Geotechnical

 

The following points summarize the requirements and recommendations for further advancement of the Project in subsequent Project stages.

 

·Review core logging and data collection procedures. Recommend two data collection systems, RMR76 or RMR89 and Q. A geotechnical database quality control review should be completed to ensure a quality assured design data set moving forward. Continue to collect point load test data to expand the intact rock strength data set.

 

·Geotechnical information is recommended to be gathered during the drilling program described in Section 26.2.2.1 to target the highest grade and widest lenses of economic ore. The conditions are likely to represent the poorer conditions and in a mine block that is at the heart of the mine’s production.

 

·Additional geotechnical information is required to support feasibility-level shaft design. Geotechnical information to support the design will need to be gathered during the drilling program described in Section 26.2.2.1.

 

·Laboratory testing to confirm intact properties to obtain more accurate assessments of both intact and rock mass properties, and subsequently more accurate analysis and numerical simulations. Testwork should focus on altered basement in the HW and ore zone of economic mineralization. Testing should also include some direct shear testing of representative discontinuities from drill core to aid in defining rock mass strength properties.

 

·Develop a series of geotechnical models to support more detailed underground mine design allowing the development of a higher confidence overall geotechnical domain model:

 

-3D clay alteration models, by intensity.

 

Project No.: 251208
August 2023

Recommendations

Page 26-8
 

 

 

Wheeler River Project
Athabasca Basin, Saskatchewan
NI 43-101 Technical Report

 

-3D RQD models. This will be useful in defining the spatial representation of the various rock mass classes and assessing HW stability and HW over break limits. It will also be used to develop the 3D geotechnical domain model.

 

-3D RMR and intact rock strength models when more data becomes available. These will serve, along with the RQD model, to fully define the approximate boundaries of the 3D geotechnical domains to provide location specific stope stability assessments and a more accurate numerical model.

 

The estimated cost is $0.3 million.

 

26.2.2.4Hydrogeological

 

Feasibility hydrogeological testing at Gryphon should target structural features (E-W sub vertical features) that have not been well tested by current drilling due to drill orientation bias. This work would be to determine what level of risk these structures could impose as high inflow features as they would continue down into the basement and through the underground development. Planned probe and grout should be feasible to reduce risk in development areas, but occurrence in open stoping where mitigation would be more difficult should be assessed.

 

If these features are found to be more transmissive and penetrate the basement within the mine envelope, a series of cross hole pumping tests would be recommended.

 

The estimated cost is $0.3 million.

 

26.2.3Environmental, Regulatory and Community Relations

 

Additional environmental baseline information will be required for Gryphon and it is recommended that this information be collected well in advance to minimize the potential for any project delays. The extent of the additional required environmental studies will need to be verified in preparation for environmental assessment and project permitting for Gryphon, and it is recommended that a gap analysis be completed early, to allow sufficient time to complete the necessary baseline studies, such that environmental assessment and permitting can be carried out to support a production decision.

 

Denison has advanced a project management system for the Phoenix ISR operation and closure, and it is recommended that a similar system be developed for Gryphon, taking into account site-specific differences.

 

Project No.: 251208
August 2023

Recommendations

Page 26-9
 

 

 

Wheeler River Project
Athabasca Basin, Saskatchewan
NI 43-101 Technical Report

 

As the Gryphon Project advances, the closure cost should be refined and updated through the development of a PDP as done for Phoenix.

 

The estimated cost is $0.2 million.

 

26.2.4Feasibility Study

 

26.2.4.1Summary

 

The cost of a FS for Gryphon has been estimated to be $6.5 million and includes the specific recommendations outlined by the mining and process QPs below.

 

26.2.4.2Mining

 

The following trade-off studies are recommended during the FS:

 

·Investigate opportunities to recover additional resource material via more selective mining methods, varying cut-off grades appropriately, in addition to planned longhole stopes.

 

·Investigate opportunities to reduce time to production by adopting top-down mining or cut-and-fill in the upper areas of the mine.

 

·Review options to create additional mining fronts (increased equipment, manpower, ventilation, etc.) to recover tonnes as quickly as possible, to stockpile at mill and shorten the mine life, but with deferred revenues (mill capacity). Additionally, review options to create additional mining fronts to mine selectively while maintaining the target production rates. This could potentially provide high-grade initial tonnes but reduce overall recovery with additional sill pillars.

 

·Evaluate the opportunity to eliminate services in the ventilation shaft other than secondary egress. Services include backfill lines, fibre optics, and redundant dewatering lines. Currently the proposed secondary egress utilizes fixed guides. Without services in the shaft there is a better potential to utilize rope guides which will reduce capital costs and LOM operating costs.

 

·Further review the potential to optimize the delivery of shotcrete to the underground operations, via slickline or borehole.

 

·Further evaluate the opportunity to install the dewatering system earlier in the mine life via borehole pumps or at shaft bottom. This would allow the entire dewatering system to be readily available prior to initial off-shaft development.

 

Project No.: 251208
August 2023

Recommendations

Page 26-10
 

 

 

Wheeler River Project
Athabasca Basin, Saskatchewan
NI 43-101 Technical Report

 

·Review ultimate depth of shaft(s) and the potential to decrease ramp up time to full production, reduce trucking versus increase shaft cost, and review limitations of blind boring.

 

·Review opportunities to decrease ore development costs including extending heights of sub-levels, eliminating duplication of ground support in ore headings with both shotcrete and bolting requirements, or reducing size of drifts with jumbo slash recovery as stopes are mined.

 

The estimate cost is $0.3 million.

 

26.2.4.3Metallurgical Design and Implementation

 

The following items are recommended for future work in a FS:

 

·Detailed review and study of the existing calciner to confirm it is capable of 24 Mlb/a U3O8 production. This would include a review of the current ADU product feed to the calciner (including element and moisture content), physical design loading considerations, and a review of the associated off-gas system.

 

·Minor element deportment and water balance assessment and confirmation that there are no impacts on the existing water treatment plant.

 

·A detailed execution plan and construction schedule should be completed for the project, specific to the modifications required at the McClean Lake mill. This will improve confidence in schedule and installation costs given the brownfield nature of the mill, as modifications will need to be aligned with the MLJV and their ongoing production.

 

Total estimated cost is $3.5 million to complete engineering design to the end of a FS. This excludes any costs in support of TMF design.

 

26.2.5Summary of Costs

 

Table 26-2 summarizes the costs of the recommended work program for progressing the Gryphon deposit to the feasibility stage.

 

Project No.: 251208
August 2023

Recommendations

Page 26-11
 

 

 

Wheeler River Project
Athabasca Basin, Saskatchewan
NI 43-101 Technical Report

 

Table 26-2: Summary of Costs for Recommended Work Program

 

Item Cost
($M)
Geology and mineral resources 3.3 - 4.4
Mine geotechnical 0.3
Hydrogeological 0.3
Metallurgical testwork 1.5
Environment 0.2
Feasibility study1 6.5
Total 12.1 - 13.2

Note: (1) Includes the estimated costs for mining studies in Section 26.2.4.2 and metallurgical design and implementation as detailed in Section 26.2.4.3.

 

Project No.: 251208
August 2023

Recommendations

Page 26-12
 

 

 

Wheeler River Project
Athabasca Basin, Saskatchewan
NI 43-101 Technical Report

 

27.0References

 

Areva. 2013a. JEB Mill Upgrade Design Manual. Areva Resources Canada. Document No. 265ML-DCZ-001. Revision D. March 2013

 

Areva, 2013b. McClean Lake Site Guide

 

Badea, A.L. and Schwartz, L, 2000. Uranium Milling Operations at McClean Lake, CIM Uranium 2000 Conference. Saskatoon, SK. September 9-15, 2000, pp 95-105

 

Barton, N. and Grimstad, E., 2014. Q-System an Illustrated Guide Following Forty Years in Tunnelling

 

Bashir, R., and Hatley J.F., 2012. Dewatering of an Underground Uranium Mine in Saskatchewan, Canada. International Mine Water Association Annual Conference 2012

 

Bishop, S.C., Mainville, A.G., and Yesnik, L.D., 2016 Cigar Lake Operation Northern Saskatchewan, Canada, National Instrument 43-101 Technical Report, effective date March 29, 2016

 

Bosman, S.A., and Korness, J., 2007. Building Athabasca Stratigraphy, Revising, Redefining, and Repositioning. in Summary of Investigations, Volume 2, Saskatchewan Geological Saskatchewan Ministry of Energy and Resources, Miscellaneous Report 2007-4.2, CD-ROM, Paper A-8, 29 p.

 

BQE Water, 2022. Treatability Lab Testing and Preliminary Engineering Assessment for Selenium Removal from Denison Effluent Treatment Plant (ETP) Water Using Selen-IXTM. Final report – Rev B., December 7, 2022

 

Bredehoeft, P.R., Dysert, L.R., Hollmann, J.K, and Pickett, T.W, 2020. AACE International Recommended Practice No. 47R-11, Cost Estimate Classification System – As Applied in Engineering, Procurement, and Construction for the Mining and Mineral Processing Industries, August 7, 2020

 

Campbell, J.E., 2007. Quaternary Geology of the Eastern Athabasca Basin, Saskatchewan in Jefferson, C.W. and Delaney, G. eds., EXTECH IV: Geology and Uranium Exploration Technology of the Proterozoic Athabasca Basin, Saskatchewan and Alberta, Geological Survey of Canada Bulletin 588, pp. 211-228

 

Card, C.D., Pana, D., Portella, P., Thomas, D.J., and Annelsey, I.R., 2007. Basement Rocks of the Athabasca Basin, Saskatchewan and Alberta in Jefferson, C.W. and Delaney, G. eds., EXTECH IV: Geology and Uranium Exploration Technology of the Proterozoic Athabasca Basin, Saskatchewan and Alberta, Geological Survey of Canada Bulletin 588, pp. 69-87

 

CIM, 2014. CIM Definition Standards for Mineral Resources and Mineral Reserves

 

CIM, 2019. CIM Estimation of Mineral Resources and Mineral Reserves Best Practice Guidelines

 

Project No.: 251208
August 2023

References

Page 27-1
 

 

 

Wheeler River Project
Athabasca Basin, Saskatchewan
NI 43-101 Technical Report

 

CNSC. 2017. McClean Lake Operation. Licence Conditions Handbook. Canadian Nuclear Safety Commission. McClean Lake Operation Uranium Mine Operating Licence File No.: 2.04 ML-A. Revision 4. October 2017

 

CNSC, 2020. REGDOC-2.9.1, Environmental Protection: Environmental Principles, Assessments and Protection Measures, Version 1.2.

 

CNSC, 2021a. REGDOC-2.9.2, Controlling Releases to the Environment

 

CNSC, 2021b. REGDOC-2.11.2, Decommissioning

 

CSA, 2011. CSA Standard N288.5-11, Effluent Monitoring Programs at Class I Nuclear Facilities and Uranium Mine and Mills

 

CSA, 2015. CSA Standard N288.7-15, Groundwater Protection Programs at Class I Nuclear Facilities and Uranium Mine and Mills

 

CSA, 2017. CSA Standard N288.17, Establishing and Implementing Action Levels for Releases to the Environment from Nuclear Facilities

 

CSA, 2019. CSA Standard N288.4-19, Environmental Monitoring Programs at Class I Nuclear Facilities and Uranium Mine and Mills

 

Dahlkamp, F.J., and Tan, B., 1977. Geology and Mineralogy of the Key Lake U-Ni Deposits, Northern Saskatchewan, Canada in Jones, M.J. eds., Geology, Mining, and Extractive Processing of Uranium: Institute of Mining and Metallurgy, London, pp. 145-157

 

Denison, 2017. Gryphon Deposit Metallurgical Sample Selection. Technical Report prepared by Denison Mines Corporation, July 2017

 

Denison, 2021. Corporate Governance, Indigenous Peoples Policy

 

Denison, 2022. Wheeler River Project Draft Environmental Impact Statement. October 2022

 

Earle, S., and Sopuck, V., 1989. Regional Lithogeochemistry of the Eastern Part of the Athabasca Basin Uranium Province in Uranium Resources and Geology of North America, International Atomic Energy Agency-TecDoc-500, pp. 263-296

 

Ecometrix, 2021. Advanced Exploration Feasibility Field Test, Numerical Modelling Evaluation. Ref. 19-2643, December 2021

 

Ecometrix, 2022. Numerical Modelling: Post Decommissioning Evaluation, prepared for Denison Mines. Ref. 19-2649, October, 2022.

 

Goggin, D., Thrasher, R., and Lake, L., 1988. A Theoretical and Experimental Analysis of Minipermeameter Response including Gas Slippage and High Velocity Flow Effects. In Situ. 12. 79-116

 

Project No.: 251208
August 2023

References

Page 27-2
 

 

 

Wheeler River Project
Athabasca Basin, Saskatchewan
NI 43-101 Technical Report

 

Grimstad, E., Barton, N. and Loset, F., 1993. Rock Mass Classification and NMT Support Design Usinga New Q-system Chard. World Tunnelling, September 1993

 

Guo, B., 2021. Draft Report – Denison Column Leaching. SRC publication number 15058-2C21. July 2021. pp 59

 

Hutchinson, D.J., and Diederichs, M.S., 1996. Cablebolting in Underground Mines. Richmond: BiTech Publishers

 

IAEA, 2016. In Situ Leach Uranium Mining: An Overview of Operations. IAEA Nuclear Energy Series No. NF-T-1.4. International Atomic Energy Agency, Vienna

 

IAEA, 2001. Manual of acid in situ leach uranium mining technology, IAEA-TECDOC-1239, August 2001, Vienna, Austria

 

Jefferson, C.W., Thomas, D.J., Gandhi, S.S., Ramaekers, P., Delaney, G., Brisbin, D., Cutts, C., Portella, P., and Olson, R.A., 2007a. Unconformity-associated uranium deposits of the Athabasca Basin, Saskatchewan and Alberta in Jefferson, C.W. and Delaney, G. eds., EXTECH IV: Geology and Uranium Exploration Technology of the Proterozoic Athabasca Basin, Saskatchewan and Alberta, Geological Survey of Canada, Bulletin 588, pp. 23-67

 

Jefferson, C.W., Thomas, D.J., Gandhi, S.S., Ramaekers, P., Delaney, G., Brisbin, D., Cutts, C., Quirt, D., Portella, P., and Olson, R.A., 2007b. Unconformity-associated uranium deposits of the Athabasca Basin, Saskatchewan and Alberta, in Goodfellow, W.D., ed., Mineral Deposits of Canada: A Synthesis of Major Deposit-Types, District Metallogeny, the Evolution of Geological Provinces, and Exploration Methods: Geological Association of Canada, Mineral Deposits Division, Special Publication No. 5, p. 273-305

 

Kerr, W.C., 2010. The Discovery of the Phoenix Deposit: A New High Grade, Athabasca Basin Unconformity-Type Uranium Deposit, Saskatchewan, Canada. Society of Economic Geologists Special Publications 15, pp. 703-728

 

Kerr, W.C., Gamelin, C., Sorba, C., Basnett, R., Petrie, L., and Wallis, R., 2011. The Phoenix Deposits: New High-Grade, Athabasca Basin Unconformity-Type Uranium Deposits, Saskatchewan, Canada. Vienna Paper Version #7, 45 p.

 

Koerner, M., Hsuan, G.Y., and Koerner, G.R., 2011. Geomembrane Lifetime Prediction: Unexposed and Exposed Conditions, GRI White Paper #6, Geosynthetic Institute

 

Liu, Y., Bodnarchuk, K., Petrie, L., and Basnett, R., 2011. Wheeler River Project, Denison Mines Corp., 87 p.

 

Mejia, J., and Aliakbari, E., 2013. Fraser Institute Annual Survey of Mining Companies 2022

 

Merritt, R.C., 1971. Extractive Metallurgy of Uranium

 

Project No.: 251208
August 2023

References

Page 27-3
 

 

 

Wheeler River Project
Athabasca Basin, Saskatchewan
NI 43-101 Technical Report

 

National Instrument, 2016. National Instrument 43-101 Standards of Disclosure for Mineral Projects (May 9, 2016)

 

Newmans Geotechnique Inc., 2023. 2022 Denison Phoenix Deposit ISR Freeze Wall Feasibility Study (Revision 2), February 2023

 

Oleniuk, T., 2020. Final Report – Leach Temperature Tests. SRC publication number 14890-1C20. August 2020. pp 133

 

Oleniuk, T., 2021. Uranium Core Flooding. SRC publication number 14769-1C21. July 2021. pp 131

 

Pascual, A., 2022. Denison Zero Valent Iron (ZVI) Tests for Treating Effluent Circuit Discharge. SRC publication number 15331-1C22. December 2022. pp 56

 

Petrotek, 2020. Groundwater Model Report, Phoenix Deposit, Wheeler River Project, March 2020

 

Petrotek, 2021. Conceptualization and Modeling of the Groundwater Flow Regime, Phoenix Deposit. Presentation by Errol Lawrence, March 2021

 

Petrotek, 2021. Groundwater Model Report Phase 1, Phoenix Deposit Wheeler River Project, December 2021

 

Quirt, D.H., 1995. Norm calculation procedure for sandstone clay minerals. Publication R-1230-28-E-95, Saskatchewan Research Council, Canada, 14 pp.

 

Quirt, D.H., 2003. Athabasca Unconformity-type Uranium Deposits: One Deposit Type with Many Variations. Uranium Geochemistry 2003, International Conference, Nancy, France, April 13-16 2003, Proceedings, pp. 309-312

 

Ramaekers, P., Jefferson, C.W., Yeo, G.M., Collier, B., Long, D.G.F., Drever, G., McHardy, S., Jiricka, D., Cutts, C., Wheatley, K., Catuneanu, O., Bernier, S., Kupsch, B., and Post, R.T., 2007. Revised Geological Map and Stratigraphy of the Athabasca Group, Saskatchewan and Alberta in Jefferson, C.W. and Delaney, G. eds., EXTECH IV: Geology and Uranium Exploration Technology of the Proterozoic Athabasca Basin, Saskatchewan and Alberta, Geological Survey of Canada Bulletin 588, pp. 151-191

 

Remple, and Schnell, 2000. Processing of Cigar Lake Ore in the McClean Lake Mill. Uranium 2000 Conference. Saskatoon, SK. September 9-15, 2000. p. 63-75

 

RESPEC, 2021. Results of a Geomechanical Study Investigating the Influence of Uranium Extraction on Mining-Cavity Stability for the Wheeler River Uranium Project (Revision 1)

 

Saskatchewan Conservation Data Centre (SK CDC), 2021. http://biodiversity.sk.ca/ (accessed May through August 2021)

 

Project No.: 251208
August 2023

References

Page 27-4
 

 

 

Wheeler River Project
Athabasca Basin, Saskatchewan
NI 43-101 Technical Report

 

Saskatchewan Geological Survey, 2021. Geological Map of Saskatchewan – 2021 Edition – Lithostructural Domains of the Canadian Shield and Phanerozoic Structural Elements (PDF) Geological Map of Saskatchewan – 1:1 000 000 Scale – 2021 Edition (researchgate.net)

 

Saskatchewan Ministry of Environment, 2008. Northern Mine Decommissioning and Reclamation Guideline

 

Saskatchewan Ministry of Environment, 2013. Conservation Strategy for Boreal Woodland Caribou (Rangifer tarandus caribou) in Saskatchewan. Saskatchewan Ministry of Environment. Fish and Wildlife Technical Report 2014

 

Schwartz, L., 2022. Effluent Treatment Bolt-on Options Study Recommendation. Memorandum prepared by Wood Canada Ltd.

 

Scibek, J., 2019. Hydrogeological Investigations of Test Area 1 & 2 Phoenix Deposit, Wheeler River Project, Saskatchewan. Matrix and Bulk Permeability, Porosity, Density Distribution and Description of Hydrogeologic Units. Wheeler River Project 2019 – Phoenix Deposit Hydrogeology, Internal Report prepared for Denison Mines

 

Scibek, J., and Annesley, I., 2021 . Permeability Testing of Drill Core from Basement Rocks in the Fault-Hosted Gryphon U Deposit (Eastern Athabasca Basin, Canada): Insights into Fluid–Rock Interactions Related to Deposit Formation and Redistribution. Natural Resources Research. 30. 10.1007/s11053-021-09811-x.

 

SEPA, 2018. Denison Mines – Phoenix and Gryphon Study: Leaching, Hydrogen Evolution and Solvent Extraction. Report. Orano Mining SEPA Service D'etudes de Procedes et Analyses. June 2018

 

SRC, 2017a. Denison Uranium Ore Metallurgical Testing Part Two: Gryphon Acid Leaching and Settling. Prepared for Denison Mines. Saskatchewan Research Council, Mining and Minerals Division. SRC publication No. 13706-4C17. September 2017

 

SRC, 2017b. Denison Uranium Ore Metallurgical Testing Part Three: QEMSCAN Mineralogy Analysis. Prepared for Denison Mines. Saskatchewan Research Council, Mining and Minerals Division. SRC publication No. 13706-5C17. September 2017

 

SRC, 2017c. Denison Uranium Ore Metallurgical Testing Part Four: Uranium Solvent Extraction and Tailings Neutralization. Saskatchewan Research Council, Mining and Minerals Division. SRC publication No. 13706-6C17. October 2017

 

SRK, 2018a. Prefeasibility Study Report for the Wheeler River Uranium Project Saskatchewan, Canada

 

SRK, 2018b. Wheeler River-Gryphon Shaft Pilot Hole Support Program

 

Project No.: 251208
August 2023

References

Page 27-5
 

 

 

Wheeler River Project
Athabasca Basin, Saskatchewan
NI 43-101 Technical Report

 

Sweet, K.O., and Petrie. L., 2010. Denison Memo on calibration factor for triple gamma probe. Memorandum, Internal Denison Mines Corp. report

 

Tang, E., and Zhao, B., 2023. Denison Uranium Recovery from ISR UBS Solution. SRC publication number 15093-2C22. March 2023. pp 185

 

UxC, 2023. Uranium Market Outlook for Second-Quarter 2023

 

Yeo, G.M., and Delaney, G., 2007. The Wollaston Supergroup, Stratigraphy and Metallogeny of a Paleoproterozoic Wilson Cycle in the Trans-Hudson Orogeny, Saskatchewan in Jefferson, C.W. and Delaney, G. eds., EXTECH IV: Geology and Uranium Exploration Technology of the Proterozoic Athabasca Basin, Saskatchewan and Alberta, Geological Survey of Canada Bulletin 588, pp. 89-117

 

Zhang, J., 2014. High Grade uranium Ore Metallurgical Testing. SRC publication number 13607-2C14. October 2014. pp 30

 

Zhang, J., 2018. Static Uranium Ore Dissolution Test. SRC publication number 13706-3C18. June 2018. pp 37

 

Zhao, B., 2022 . Denison Uranium Recovery from ISR UBS Solution Part-One (preliminary). SRC publication number 15093-2C22. January 2022. pp 49

 

Project No.: 251208
August 2023

References

Page 27-6
 

 

 

A black text on a white background

Description automatically generated

 

CERTIFICATE OF QUALIFIED PERSON

 

Gordon Graham, P.Eng.

Engcomp Engineering and Computing Professionals Inc.

2422 Schuyler Street
Saskatoon, Saskatchewan, Canada S7M 4W1

 

I, Gordon Graham, P.Eng. am employed as VP Mining with Engcomp Engineering and Computing Professionals Inc.

 

This certificate applies to the technical report titled “NI 43-101 Technical Report on the Wheeler River Project, Athabasca Basin, Saskatchewan, Canada” with an effective date of June 23, 2023 (the “Technical Report”).

 

I am registered as a Professional Engineer with the Association of Professional Engineers and Geoscientists of Saskatchewan (Licence No.: 39771. I graduated with a Bachelor of Applied Science with honors in Mining Engineering from Queens University in Kingston, Ontario in 1988, also graduated with a Master in Business Administration from Harvard University in 1994.

 

I have practiced my profession for 35 years, and have worked extensively in mine operations, mine project development and construction and evaluation of mining and mineral projects. I have had significant design and operational experience in project infrastructure establishment and have also had considerable technical experience in in geotechnical engineering and hydrogeology in design projects and in operational settings.

 

As a result of my experience and qualifications, I am a Qualified Person as defined in National Instrument 43–101 Standards of Disclosure for Mineral Projects (NI 43–101), for those sections of the Technical Report that I am responsible for preparing.

 

I am responsible for Sections 1.1, 1.2, 1.8.6.1, 1.8.6.2, 1.8.8, 1.8.14-1.8.16; Section 2; Section 3; Sections 12.2.2.2, 12.2.2.3; Sections 16.2.1, 16.2.2; Section 18.2.1, 18.2.2, 18.2.8-18.2.17; Sections 25.1, 25.4.3, 25.4.4; Sections 26.2.1, 26.2.2.3, 26.2.2.4, 26.2.4.1, 26.2.5; and Section 27 of the Technical Report.

 

I am independent of Denison Mines Corp. as independence is described by Section 1.5 of NI 43-101.

 

I have worked on the Wheeler River project three times previously.

 

·Performed a technical and economic evaluation of utilizing large diameter petroleum drilling technology for recovery of the Phoenix resource from surface.

 

·Project Manager and QP for the Wheeler River PFS.

 

·Performed value engineering work as a follow of to the Wheeler River PFS focused on optimizing the Gryphon underground design to improve NPV.

 

I have read NI 43-101, and the sections of the Technical Report that I am responsible for have been prepared in compliance with that Instrument.

 

As of the effective date of the Technical Report, to the best of my knowledge, information and belief, the sections of the Technical Report for which I am responsible for preparing contain all scientific and technical information that is required to be disclosed to make those sections of the Technical Report not misleading.

 

“signed and stamped”  

 

Gordon Graham, P.Eng.

 

Dated: August  8th, 2023

 

 

 

 

 

CERTIFICATE OF QUALIFIED PERSON

 

Mark Hatton, P.Eng.

Stantec Consulting Ltd.

1-1760 Regent Street

Sudbury, Ontario, Canada P3E 3Z8

 

I, Mark Hatton, P.Eng., am employed as a Senior Mining Engineer with Stantec Consulting Ltd.

 

This certificate applies to the technical report titled “NI 43-101 Technical Report on the Wheeler River Project, Athabasca Basin, Saskatchewan, Canada” with an effective date of June 23, 2023 (the “Technical Report”).

 

I am a member in good standing of the Association of Professional Engineers of Ontario, registration number 90433939. I graduated from Queen’s University in Kingston, Ontario with a Bachelor of Science Degree in Mining Engineering, in 1994.

 

I have practiced my profession continuously since 1994 and have experience in mining operations and consulting. I have worked as a Mining Engineer with Stantec for 29 years working on studies for most commodities in many different countries, with 4 years of on-site operations experience at nickel, gold, potash and zinc mines in Canada, Tanzania, and Turkey. My relevant experience includes underground mine design, surface and underground related infrastructure, capital and operating cost estimates, and cash flow modelling and financial analysis for gold, nickel, zinc, copper, and uranium mines in Canada, and Mexico.

 

As a result of my experience and qualifications, I am a Qualified Person as defined in National Instrument 43–101 Standards of Disclosure for Mineral Projects (NI 43–101), for those sections of the Technical Report that I am responsible for preparing.

 

I am responsible for Sections 1.1, 1.2, 1.8.5, 1.8.6.3, 1.8.14-1.8.16; Section 2; Section 3; Section 15.2; Section 16.2.3; Section 18.2.1, 18.2.3-18.2.7; Sections 25.1, 25.4.5, 25.4.11.3, 25.4.12.2; Sections 26.2.1, 26.2.4.1, 26.2.4.2, 26.2.5; and Section 27 of the Technical Report.

 

I am independent of Denison Mines Corp. as independence is described by Section 1.5 of NI 43-101.

 

I have had no previous involvement with the Wheeler River property.

 

I have read NI 43-101, and the sections of the Technical Report that I am responsible for have been prepared in compliance with that Instrument.

 

As of the effective date of the Technical Report, to the best of my knowledge, information and belief, the sections of the Technical Report for which I am responsible for preparing contain all scientific and technical information that is required to be disclosed to make those sections of the Technical Report not misleading.

 

“signed and stamped”  

 

Mark Hatton, P.Eng.

 

Dated: August 08, 2023

 

 

 

 

 

CERTIFICATE OF QUALIFIED PERSON

 

Dan Johnson, P.E., RM-SME

WSP USA Environment and Infrastructure Inc.

4600 E Washington St #600

Phoenix, Arizona, United States 85034

 

I, Dan Johnson, P.E., RM-SME, am employed as a Principal Hydrogeologist with WSP USA Environment and Infrastructure Inc.

 

This certificate applies to the technical report titled “NI 43-101 Technical Report on the Wheeler River Project, Athabasca Basin, Saskatchewan, Canada” with an effective date of June 23, 2023 (the “Technical Report”).

 

I am a graduate of the University of Arizona, having received degrees in Geosciences and Hydrology in 1986 and 1989, respectively. I am a licensed professional engineer in good standing with the State of Nevada, license number 012421. I am also registered member number 4117523 in good standing of the Society for Mining, Metallurgy & Exploration.

 

I have practiced my profession for more than 35 years with experience in the mining industry and have been responsible for the preparation and review of technical and/or competent person’s reports, exploration and development programs, statements of reserves and resources and other similar reports and studies on various properties during the past 30 years. Experience includes the lead role and qualified person for the Florence Copper project and principal hydrogeologist and engineering roles at copper, uranium and potash in-situ projects in the western United States.

 

As a result of my experience and qualifications, I am a Qualified Person as defined in National Instrument 43–101 Standards of Disclosure for Mineral Projects (NI 43–101), for those sections of the Technical Report that I am responsible for preparing.

 

I visited the Wheeler River property between July 25 and July 29, 2022.

 

I am responsible for Sections 1.1, 1.2, 1.7.5-1.7.8, 1.7.16-1.7.18; Section 2; Section 3; Section 7.3.4; Sections 11.5, 11.6; Section 12.1.2.2; Section 15.1; Sections 16.1.1-16.1.3, 16.1.5-16.1.11; Sections 25.1, 25.3.3-25.3.5, 25.3.7, 25.3.13.2-25.3.13.4, 25.3.14.3, 25.3.14.4; Sections 26.1.4-26.1.7, 26.1.10; and Section 27 of the Technical Report.

 

I am independent of Denison Mines Corp. as independence is described by Section 1.5 of NI 43-101.

 

I have not had prior involvement with the Wheeler River property, which is the subject of the Technical Report.

 

I have read NI 43-101, and the sections of the Technical Report that I am responsible for have been prepared in compliance with that Instrument.

 

As of the effective date of the Technical Report, to the best of my knowledge, information and belief, the sections of the Technical Report for which I am responsible for preparing contain all scientific and technical information that is required to be disclosed to make those sections of the Technical Report not misleading.

 

“signed and stamped”  

 

Dan Johnson, P.E., RM-SME

 

Dated: August 8, 2023

 

 

 

 

 

 

CERTIFICATE OF QUALIFIED PERSON

 

Gregory Newman, P.Eng.

Newmans Geotechnique Inc.

104 Alder Grove, RM Aberdeen 373

Saskatchewan, SK, Canada S7A 0A1

 

I, Gregory Newman, P.Eng. am President with Newmans Geotechnique Inc.

 

This certificate applies to the technical report titled “NI 43-101 Technical Report on the Wheeler River Project, Athabasca Basin, Saskatchewan, Canada” with an effective date of June 23, 2023 (the “Technical Report”).

 

I am registered as a Professional Engineer in the provinces of Saskatchewan, Ontario and in the Northwest Territories. I graduated with a M.Sc. degree in Geotechnical Engineering in 1995 and a B.Sc. degree in Mechanical Engineering in 1992 - both from University of Saskatchewan.

 

I have practiced my profession for 27 years. I am an expert in the design, application and operations of artificial ground freezing used for water control and ground stabilization in mining and civil engineering projects. I have published several peer reviewed papers on the subject, and I have been an expert witness on legal disputes on several occasions. I have worked on all ground freezing projects in the Athabasca Sandstone Basin in Saskatchewan over the past 27 years, having been the original designer and engineer of record for the freeze system at Cameco’s McArthur River and Cigar Lake mines.

 

As a result of my experience and qualifications, I am a Qualified Person as defined in National Instrument 43–101 Standards of Disclosure for Mineral Projects (NI 43–101), for those sections of the Technical Report that I am responsible for preparing.

 

I am responsible for Sections 1.7.6 and 16.4.1 of the Technical Report.

 

I am independent of Denison Mines Corp. as independence is described by Section 1.5 of NI 43-101.

 

I have been the ground freezing consultant to Denison Mines Corp. for this site over the past several years.

 

I have read NI 43-101, and the sections of the Technical Report that I am responsible for have been prepared in compliance with that Instrument.

 

As of the effective date of the Technical Report, to the best of my knowledge, information and belief, the sections of the Technical Report for which I am responsible for preparing contain all scientific and technical information that is required to be disclosed to make those sections of the Technical Report not misleading.

 

“signed and stamped”  

 

Gregory Newman, P.Eng.

 

Dated: August 08, 2023

 

 

 

 

 

 

CERTIFICATE OF QUALIFIED PERSON

 

Jeffrey Martin, P.Eng.

Ecometrix Incorporated

6800 Campobello Road

Mississauga, Ontario, Canada, L5N 2L8

 

I, Jeffrey Martin, P.Eng. am employed as a Senior Geological and Environmental Engineer with Ecometrix Incorporated.

 

This certificate applies to the technical report titled “NI 43-101 Technical Report on the Wheeler River Project, Athabasca Basin, Saskatchewan, Canada” with an effective date of June 23, 2023 (the “Technical Report”).

 

I am registered as a Professional Engineer with Professional Engineers Ontario. I graduated with a Bachelor of Applied Science degree in 1985 from the University of Toronto.

 

I have over 35 years of industry, government, and environmental consulting experience across Canada and internationally, primarily with respect to: mine development, operations, and closure, including assessment and selection of mine closure strategies; development of mine closure plans; and assessment and management of Metal Leaching / Acid Rock Drainage (ML/ARD). My experience also includes numerous environmental NI 43-101, due diligence, and peer review assignments for mining projects, often including assessment of compliance with respect to Equator Principles and IFC requirements; hydrogeological assessments; participation in risk assessments, environmental impact assessments, pathways analyses, remedial action plans; and permitting of mining facilities. My experience over the past decade includes preparation of numerous updates of closure plans for Ontario nickel-copper mines and related mills and smelters; long-term independent environmental review of a large copper project in Chile; due diligence reviews of mine projects in British Columbia, Yukon, Ontario, Quebec, Newfoundland, and South Dakota; and participation in environmental aspects of NI 43-101 reports.

 

As a result of my experience and qualifications, I am a Qualified Person as defined in National Instrument 43–101 Standards of Disclosure for Mineral Projects (NI 43–101), for those sections of the Technical Report that I am responsible for preparing.

 

I am responsible for Sections 1.1, 1.2, 1.7.12, 1.7.16, 1.7.18, 1.8.10, 1.8.14, 1.8.16; Section 2; Section 3; Section 20; Section 21.1.4; Sections 25.1, 25.3.12, 25.4.10; Sections 26.1.8, 26.1.10, 26.2.1, 26.2.3, 26.2.4.1, 26.2.5; and Section 27 of the Technical Report.

 

I am independent of Denison Mines Corp. as independence is described by Section 1.5 of NI 43-101.

 

I have had no previous involvement with the Wheeler River property.

 

I have read NI 43-101, and the sections of the Technical Report that I am responsible for have been prepared in compliance with that Instrument.

 

As of the effective date of the Technical Report, to the best of my knowledge, information and belief, the sections of the Technical Report for which I am responsible for preparing contain all scientific and technical information that is required to be disclosed to make those sections of the Technical Report not misleading.

 

“signed and stamped”  

 

Jeffrey Martin, P.Eng.

 

Dated: August 8, 2023

 

 

 

 

 

 

CERTIFICATE OF QUALIFIED PERSON

 

William McCombe, P.Eng.

Hatch Ltd.

2800 Speakman Drive

Mississauga, Ontario, Canada L5K 2R7

 

I, William McCombe, P.Eng., am employed as a Principal Metallurgist with Hatch Ltd.

 

This certificate applies to the technical report titled “NI 43-101 Technical Report on the Wheeler River Project, Athabasca Basin, Saskatchewan, Canada” with an effective date of June 23, 2023 (the “Technical Report”).

 

I am registered as a member, in good standing, of PEO in the Province of Ontario, member #100098890, and with APEGS in the Province of Saskatchewan, member #28650. I graduated with a B. Sc. Mining Engineering (Mineral Processing) from Queen’s University, Kingston, Ontario, Canada in 2005.

 

I have practiced my profession for 18 years. From 2005 to present I have been actively employed as an engineer in the area of extractive metallurgy. My relevant experience for the purpose of this Technical Report is:

 

·Principal Metallurgist at Hatch Ltd. from 2005 to present, with extensive experience in metallurgical test work program analysis, engineering design, management, and project execution on a number of projects and commodities for various clients.

 

·I was the lead process engineer (Senior Metallurgist) and commissioning manager for the Cigar Lake Hydrogen Mitigation Project (leach circuit re-design and restart) at the McClean Lake JEB Mill.

 

As a result of my experience and qualifications, I am a Qualified Person as defined in National Instrument 43–101 Standards of Disclosure for Mineral Projects (NI 43–101), for those sections of the Technical Report that I am responsible for preparing.

 

I have not visited the Wheeler River property. I have visited the McClean Lake JEB Mill multiple times as a consultant of Orano, and visited the site specifically for the Wheeler River Project between June 5 and 6, 2018 and between December 20 and 21, 2022.

 

I am responsible for Sections 1.1, 1.2, 1.8.3, 1.8.7, 1.8.15, 1.8.16; Section 2; Section 3; Section 12.2.2.4; Section 13.2; Section 17.2, 17.3.2; Sections 25.1, 25.4.2, 25.4.6, 25.4.11.2, 25.4.12.1; Sections 26.2.1, 26.2.2.2, 26.2.4.1, 26.2.4.3, 26.2.5; and Section 27 of the Technical Report.

 

I am independent of Denison Mines Corp. as independence is described by Section 1.5 of NI 43-101.

 

Since the original 2018 Technical Report I have supported the Wheeler River Gryphon Mineral Processing Study (2019) and ISR Modelling and Testwork Support (2019-2020) studies for Denison related to Wheeler River.

 

I have read NI 43-101, and the sections of the Technical Report that I am responsible for have been prepared in compliance with that Instrument.

 

As of the effective date of the Technical Report, to the best of my knowledge, information and belief, the sections of the Technical Report for which I am responsible for preparing contain all scientific and technical information that is required to be disclosed to make those sections of the Technical Report not misleading.

 

“signed and stamped”  

 

William McCombe, P.Eng.

 

Dated: August 8, 2023

 

 

 

 

 

 

CERTIFICATE OF QUALIFIED PERSON

 

David Myers, P.Eng.

Wood Canada Limited

Innovation Place, 121 Research Drive, #301

Saskatoon, Saskatchewan, Canada S7N 1K2

 

I, David Myers, P.Eng. am employed as a Technical Director Mining, and Minerals (Saskatoon) with Wood Canada Limited.

 

This certificate applies to the technical report titled “NI 43-101 Technical Report on the Wheeler River Project, Athabasca Basin, Saskatchewan, Canada” with an effective date of June 23, 2023 (the “Technical Report”).

 

I am registered as a Professional Engineer with The Association of Professional Engineers and Geoscientists of Saskatchewan. I graduated with a Bachelor of Science degree in Engineering in 1991 from the University of Saskatchewan. I obtained a Master of Science degree in Engineering in 2000 from the University of Saskatchewan and a Masters of Project Management degree in 2013 from Pennsylvania University.

 

I have practiced my profession for 32 years. For 27 years I practiced in the mining and minerals industry primarily in Saskatchewan and Manitoba. My relevant project experience includes engineering and cost estimating positions for surface and underground projects in uranium mines in Saskatchewan, and major projects including the $2.8 billion Rocanville West expansion for Nutrien and the $4.1 billion Bethune mine for K+S Potash Canada. For these projects I had engineering management responsibility for surface infrastructure and capital cost estimation for initial project costs and change management estimating.

 

As a result of my experience and qualifications, I am a Qualified Person as defined in National Instrument 43–101 Standards of Disclosure for Mineral Projects (NI 43–101), for those sections of the Technical Report that I am responsible for preparing.

 

I visited the Wheeler River property on September 14, 2022.

 

I am responsible for Sections 1.1, 1.2, 1.7.10, 1.7.13, 1.7.16-1.7.18; Section 2; Section 3; Section 18.1; Sections 21.1.1-21.1.3; Section 24; Sections 25.1, 25.3.8, 25.3.10, 25.3.13.5, 25.3.14.1; Sections 26.1.1, 26.1.9, 26.1.10, and Section 27 of the Technical Report.

 

I am independent of Denison Mines Corp. as independence is described by Section 1.5 of NI 43-101.

 

I have had no previous involvement with the Wheeler River property.

 

I have read NI 43-101, and the sections of the Technical Report that I am responsible for have been prepared in compliance with that Instrument.

 

As of the effective date of the Technical Report, to the best of my knowledge, information and belief, the sections of the Technical Report for which I am responsible for preparing contain all scientific and technical information that is required to be disclosed to make those sections of the Technical Report not misleading.

 

“signed and stamped”  

 

David Myers, P.Eng.

 

Dated: August 08, 2023

 

 

 

 

SLR International Corporation
1658 Cole Blvd, Suite 100, Lakewood, Colorado, 80401

 

 

Certificate of Qualified Person

 

Mark B. Mathisen, C.P.G.

SLR International Corporation

1658 Cole Blvd, Suite 100

Lakewood, CO 80401

 

I, Mark B. Mathisen, C.P.G., am employed as a Principal Geologist with SLR International Corporation.

 

This certificate applies to the technical report titled “NI 43-101 Technical Report on the Wheeler River Project, Athabasca Basin, Saskatchewan, Canada” with an effective date of June 23, 2023 (the “Technical Report”).

 

I am a Registered Professional Geologist in the State of Wyoming (No.PG-2821), Registered Member of the Society for Mining, Metallurgy, and Exploration, and a Certified Professional Geologist with the American Institute of Professional Geologists (No. CPG-11648). I graduated with a B.Sc. degree in Geophysical Engineering in 1984 from Colorado School of Mines.

 

I have practiced my profession for 30 years. My relevant experience includes mineral resource estimation and preparation of NI 43-101 Technical Reports, mineral resource and mineral reserve estimation, due diligence, corporate reviews and audits on exploration projects and mining operations worldwide, design and direction of geophysical programs for US and international base metal and gold exploration joint venture programs. Previously, I was the Director, Project Resources with Denison Mines Corp. responsible for resource evaluation and reporting for uranium projects in the USA, Canada, Africa and Mongolia.

 

As a result of my experience and qualifications, I am a Qualified Person as defined in National Instrument 43–101 Standards of Disclosure for Mineral Projects (NI 43–101), for those sections of the Technical Report that I am responsible for preparing.

 

I visited the Wheeler River property between March 23 and March 25, 2015 and again between September 21 and September 22, 2017.

 

I am responsible for Sections 1.1, 1.2, 1.5 ,1.6, 1.8.2, 1.8.4, 1.8.14, 1.8.15; relevant portions of Sections 2 and 3; Sections 7.1, 7.2, 7.4; Section 8, Section 9; Sections 10.1, 10.3-10.7; Sections 11.1-11.4, 11.6; Sections 12.2.1, 12.2.2.1; Section 14.2; Sections 25.1, 25.4.1, 25.4.11.1; Sections 26.2.1, 26.2.2.1, 26.2.4.1, 26.2.5; and relevant portions of Section 27 of the Technical Report.

 

I am independent of Denison Mines Corp. as independence is described by Section 1.5 of NI 43-101.

 

I have previous involvement with the Wheeler River property working on the QA/QC database for Gryphon between late 2013 and April 2014. I completed the first resource modelling for Gryphon after I joined Roscoe Postle Associates USA Ltd. (now SLR International Corporation) in May 2014 and prepared a technical report on a Mineral Resource estimate for the Wheeler River Property on November 25, 2015 and March 15, 2018.

 

I have read NI 43-101, and the sections of the Technical Report that I am responsible for have been prepared in compliance with that Instrument.

 

 

 

 

Mark B. Mathisen Certificate of Qualified Person

 

As of the effective date of the Technical Report, to the best of my knowledge, information and belief, the sections of the Technical Report for which I am responsible contain all scientific and technical information that is required to be disclosed to make those sections of the Technical Report not misleading.

 

(Signed and Stamped) Mark B. Mathisen  

 

Mark B. Mathisen, C.P.G.

 

Dated: August 8, 2023

 

 

 

 

 

 

CERTIFICATE OF QUALIFIED PERSON

 

Paul O’Hara, P.Eng.

Wood Canada Limited

Innovation Place, 121 Research Drive, #301

Saskatoon, Saskatchewan, Canada S7N 1K2

 

I, Paul O’Hara, P.Eng. am employed as Manager of Process with Wood Canada Limited.

 

This certificate applies to the technical report titled “NI 43-101 Technical Report on the Wheeler River Project, Athabasca Basin, Saskatchewan, Canada” with an effective date of June 23, 2023 (the “Technical Report”).

 

I am registered as a Professional Engineer with the Association of Professional Engineers and Geologists of Saskatchewan (APEGS) member number 11687. I graduated with a Bachelor of Science degree in Mining and Mineral Process Engineering in 1986 from the University of British Columbia.

 

I have practiced my profession for 37 years. I have been directly involved in the operation of copper, gold, and potash processing plants in Canada. My relevant experience includes process design, surface infrastructure, capital and operating cost estimates, cash flow modelling and financial analysis for gold, potash and uranium process plants in Canada, England, Jordan and the Republic of Congo.

 

As a result of my experience and qualifications, I am a Qualified Person as defined in National Instrument 43–101 Standards of Disclosure for Mineral Projects (NI 43–101), for those sections of the Technical Report that I am responsible for preparing.

 

I am responsible for Sections 1.1, 1.2, 1.7.1, 1.7.11, 1.7.14-1.7.16, 1.8.1, 1.8.9, 1.8.13, 1.8.14; Section 2; Section 3; Section 19; Section 21.1.5; Section 22; Sections 25.1, 25.3.9, 25.3.10, 25.3.11, 25.4.7, 25.4.9; and Section 27 of the Technical Report.

 

I am independent of Denison Mines Corp. as independence is described by Section 1.5 of NI 43-101.

 

I have had no previous involvement with the Wheeler River property.

 

I have read NI 43-101, and the sections of the Technical Report that I am responsible for have been prepared in compliance with that Instrument.

 

As of the effective date of the Technical Report, to the best of my knowledge, information and belief, the sections of the Technical Report for which I am responsible for preparing contain all scientific and technical information that is required to be disclosed to make those sections of the Technical Report not misleading.

 

“signed and stamped”  

 

Paul O’Hara, P.Eng.

 

Dated: August 8, 2023

 

 

 

 

 

 

CERTIFICATE OF QUALIFIED PERSON

 

Cliff Revering, P.Eng.

SRK Consulting (Canada) Inc.

Suite 600, 350 3rd Ave North

Saskatoon, SK, Canada, S7K6G6

 

I, Cliff Revering, P.Eng. am employed as a Principal Geological Engineer with SRK Consulting (Canada) Inc.

 

This certificate applies to the technical report titled “NI 43-101 Technical Report on the Wheeler River Project, Athabasca Basin, Saskatchewan, Canada” with an effective date of June 23, 2023 (the “Technical Report”).

 

I am registered as a Professional Engineer with The Association of Professional Engineers and Geoscientists of Saskatchewan. I graduated with a B.E. in Geological Engineering in 1995 from the University of Saskatchewan, and completed a Citation in Applied Geostatistics from the University of Alberta in 2009.

 

I have practiced my profession for 28 years in the mining industry, related to exploration, mine operations and project evaluations, with a specialization in geological modelling, mineral resource and reserve estimation, production reconciliation, grade control, exploration and production geology and mine planning. Specific to uranium, I have worked on numerous uranium projects located in North America, Australia and Africa, including most of the major uranium operating mines and advanced exploration projects in the Athabasca Basin.

 

As a result of my experience and qualifications, I am a Qualified Person as defined in National Instrument 43–101 Standards of Disclosure for Mineral Projects (NI 43–101), for those sections of the Technical Report that I am responsible for preparing.

 

I visited the Wheeler River property on September 14, 2022.

 

I am responsible for Sections 1.1-1.6, 1.7.2, 1.7.4, 1.7.16, 1.7.18; Section 2; Section 3; Section 4; Section 5; Sections 7.1, 7.2, 7.3.1-7.3.3; Section 8; Section 9; Section 10.1, 10.2, 10.4-10.7; Sections 11.1-11.4, 11.6; Sections 12.1.1, 12.1.2.1; Section 14.1; Section 23; Sections 25.1, 25.2, 25.3.1; Sections 26.1.2, 26.1.10; and Section 27 of the Technical Report.

 

I am independent of Denison Mines Corp. as independence is described by Section 1.5 of NI 43-101.

 

I have had previous involvement with the Wheeler River property, as Qualified Person for the geology and mineral resource estimation for the November 17, 2010, NI 43-101 Technical Report for the Phoenix Deposit. I have read NI 43-101, and the sections of the Technical Report that I am responsible for have been prepared in compliance with that Instrument.

 

As of the effective date of the Technical Report, to the best of my knowledge, information and belief, the sections of the Technical Report for which I am responsible for preparing contain all scientific and technical information that is required to be disclosed to make those sections of the Technical Report not misleading.

 

“signed and stamped”  

 

Cliff Revering, P.Eng.

 

Dated: August 8, 2023

 

 

 

 

 

 

CERTIFICATE OF QUALIFIED PERSON

 

Lorne Schwartz, P.Eng.

Wood Canada Limited

Innovation Place, 121 Research Drive, #301

Saskatoon, Saskatchewan, Canada S7N 1K2

 

I, Lorne Schwartz, P.Eng. am employed as a Senior Process Engineer with Wood Canada Limited.

 

This certificate applies to the technical report titled “NI 43-101 Technical Report on the Wheeler River Project, Athabasca Basin, Saskatchewan, Canada” with an effective date of June 23, 2023 (the “Technical Report”).

 

I am registered as a Professional Engineer with the Association of Professional Engineers, Geologists and Geoscientists of Saskatchewan (APEGS), with Permission to Consult. I graduated with a B.Sc degree in Metallurgical Engineering (co-op program) in 1994 from the University of Alberta.

 

I have practiced my profession for 28 years. My relevant experience includes nine years of on-site operations support roles at the McClean Lake (JEB) and Rabbit Lake uranium mills in Northern Saskatchewan, five years in engineering support roles for operating uranium companies, and eight years as a consultant working primarily on uranium mine/mill project designs. Project locations include North America, Europe, Africa and Australia.

 

As a result of my experience and qualifications, I am a Qualified Person as defined in National Instrument 43–101 Standards of Disclosure for Mineral Projects (NI 43–101), for those sections of the Technical Report that I am responsible for preparing.

 

I visited the Wheeler River property on September 14, 2022.

 

I am responsible for Sections 1.1, 1.2, 1.7.3, 1.7.9, 1.7.16, 1.7.17, 1.7.18; Section 2; Section 3; Section 12.1.2.3; Section 13.1; Sections 17.1, 17.3.1; Sections 25.1, 25.3.2, 25.3.6, 25.3.13.1, 25.3.14.2; Sections 26.1.3, 26.1.10 and Section 27 of the Technical Report.

 

I am independent of Denison Mines Corp. as independence is described by Section 1.5 of NI 43-101.

 

My previous involvement with the Wheeler River property was as a Qualified Person for the 2016 NI 43-101 Technical Report Preliminary Economic Assessment. My area of responsibility was toll milling of the Gryphon and Phoenix deposits at the McClean Lake mill.

 

I have read NI 43-101, and the sections of the Technical Report that I am responsible for have been prepared in compliance with that Instrument.

 

As of the effective date of the Technical Report, to the best of my knowledge, information and belief, the sections of the Technical Report for which I am responsible for preparing contain all scientific and technical information that is required to be disclosed to make those sections of the Technical Report not misleading.

 

“signed and stamped”  

 

Lorne Schwartz, P.Eng.

 

Dated: August 8, 2023

 

 

 

 

 

 

CERTIFICATE OF QUALIFIED PERSON

 

Geoffrey Wilkie, P.Eng.

CanCost Consulting Inc.

1410 13th St. E.

Saskatoon, Saskatchewan, Canada S7H 0C8

 

I, Geoffrey Wilkie, P.Eng., am employed as a Senior Cost Engineer with CanCost Consulting Inc.

 

This certificate applies to the technical report titled “NI 43-101 Technical Report on the Wheeler River Project, Athabasca Basin, Saskatchewan, Canada” with an effective date of June 23, 2023 (the “Technical Report”).

 

I am registered as a Professional engineer with the Association of Professional Engineers and Geoscientists of Saskatchewan. I graduated with a B.A.Sc. in Civil Engineering in 1986 from the University of British Columbia.

 

I have practiced my profession for 32 years. My experience includes cost estimating, field engineering, cost control, project controls, structural engineering, and project management for projects in the mining and mineral processing, petrochemical, power generation, infrastructure and commercial industries.

 

As a result of my experience and qualifications, I am a Qualified Person as defined in National Instrument 43–101 Standards of Disclosure for Mineral Projects (NI 43–101), for those sections of the Technical Report that I am responsible for preparing.

 

I am responsible for parts of Sections 1.1, 1.2; Sections 1.8.11 and 1.8.12; Section 2; Section 3; Section 21.2; Section 25.1 and 25.4.8 and Section 27 of the Technical Report.

 

I am independent of Denison Mines Corp. as independence is described by Section 1.5 of NI 43-101.

 

I was involved with the Wheeler River pre-feasibility study in 2018.

 

I have read NI 43-101, and the sections of the Technical Report that I am responsible for have been prepared in compliance with that Instrument.

 

As of the effective date of the Technical Report, to the best of my knowledge, information and belief, the sections of the Technical Report for which I am responsible for preparing contain all scientific and technical information that is required to be disclosed to make those sections of the Technical Report not misleading.

 

“signed and stamped”  

 

Geoffrey Wilkie, P.Eng.

 

Dated: August 08, 2023

 

 

 

 

Exhibit 99.2

 

DENISON MINES CORP.

 

Consent of Gordon Graham, P.Eng.

 

Ladies and Gentlemen:

 

In connection with the filing on Form 6-K with the Securities and Exchange Commission (the “SEC”), of the technical report entitled “NI 43-101 Technical Report on the Wheeler River Project Athabasca Basin, Saskatchewan, Canada,” with an effective date of June 23, 2023 (the “Technical Report”), the undersigned hereby consents to (1) the filing of the Technical Report with the SEC by Denison Mines Corp., (2) the use of and references to my name in connection with the Technical Report, as an expert or “qualified person,” who has reviewed, prepared or approved the disclosure of the scientific and technical information contained in the portions of the Technical Report that I supervised the preparation of and/or was reviewed and approved by me (the “Technical Information”), and (3) the incorporation by reference of the Technical Information in the Registration Statement on Form F-10 of Denison Mines Corp. (File No. 333-258939).

 

Dated: August 8, 2023

 
Gordon Graham, P.Eng.
Engcomp Engineering and Computing Professionals Inc.
 

 

 

 

Exhibit 99.3

 

DENISON MINES CORP.

 

Consent of Mark Hatton, P.Eng.

 

Ladies and Gentlemen:

 

In connection with the filing on Form 6-K with the Securities and Exchange Commission (the “SEC”), of the technical report entitled “NI 43-101 Technical Report on the Wheeler River Project Athabasca Basin, Saskatchewan, Canada,” with an effective date of June 23, 2023 (the “Technical Report”), the undersigned hereby consents to (1) the filing of the Technical Report with the SEC by Denison Mines Corp., (2) the use of and references to my name in connection with the Technical Report, as an expert or “qualified person,” who has reviewed, prepared or approved the disclosure of the scientific and technical information contained in the portions of the Technical Report that I supervised the preparation of and/or was reviewed and approved by me (the “Technical Information”), and (3) the incorporation by reference of the Technical Information in the Registration Statement on Form F-10 of Denison Mines Corp. (File No. 333-258939).

 

Dated: August 8, 2023 

Mark Hatton, P.Eng.  
Stantec Consulting Ltd.  

 

 

 

 

 

Exhibit 99.4

 

DENISON MINES CORP.

 

Consent of Dan Johnson, P.E., RM-SME

 

Ladies and Gentlemen:

 

In connection with the filing on Form 6-K with the Securities and Exchange Commission (the “SEC”), of the technical report entitled “NI 43-101 Technical Report on the Wheeler River Project Athabasca Basin, Saskatchewan, Canada,” with an effective date of June 23, 2023 (the “Technical Report”), the undersigned hereby consents to (1) the filing of the Technical Report with the SEC by Denison Mines Corp., (2) the use of and references to my name in connection with the Technical Report, as an expert or “qualified person,” who has reviewed, prepared or approved the disclosure of the scientific and technical information contained in the portions of the Technical Report that I supervised the preparation of and/or was reviewed and approved by me (the “Technical Information”), and (3) the incorporation by reference of the Technical Information in the Registration Statement on Form F-10 of Denison Mines Corp. (File No. 333-258939).

 

Dated: August 8, 2023 

Dan Johnson, P.E., RM-SME  
WSP USA Environment and Infrastructure Inc.  

 

 

 

 

 

Exhibit 99.5

 

DENISON MINES CORP.

 

Consent of Jeffrey Martin, P.Eng.

 

Ladies and Gentlemen:

 

In connection with the filing on Form 6-K with the Securities and Exchange Commission (the “SEC”), of the technical report entitled “NI 43-101 Technical Report on the Wheeler River Project Athabasca Basin, Saskatchewan, Canada,” with an effective date of June 23, 2023 (the “Technical Report”), the undersigned hereby consents to (1) the filing of the Technical Report with the SEC by Denison Mines Corp., (2) the use of and references to my name in connection with the Technical Report, as an expert or “qualified person,” who has reviewed, prepared or approved the disclosure of the scientific and technical information contained in the portions of the Technical Report that I supervised the preparation of and/or was reviewed and approved by me (the “Technical Information”), and (3) the incorporation by reference of the Technical Information in the Registration Statement on Form F-10 of Denison Mines Corp. (File No. 333-258939).

 

Dated: August 8, 2023 

Jeffrey Martin, P.Eng.  
Ecometrix Incorporated  

 

 

 

 

Exhibit 99.6

 

DENISON MINES CORP.

 

Consent of Mark B. Mathisen, C.P.G.

 

Ladies and Gentlemen:

 

In connection with the filing on Form 6-K with the Securities and Exchange Commission (the “SEC”), of the technical report entitled “NI 43-101 Technical Report on the Wheeler River Project Athabasca Basin, Saskatchewan, Canada,” with an effective date of June 23, 2023 (the “Technical Report”), the undersigned hereby consents to (1) the filing of the Technical Report with the SEC by Denison Mines Corp., (2) the use of and references to my name in connection with the Technical Report, as an expert or “qualified person,” who has reviewed, prepared or approved the disclosure of the scientific and technical information contained in the portions of the Technical Report that I supervised the preparation of and/or was reviewed and approved by me (the “Technical Information”), and (3) the incorporation by reference of the Technical Information in the Registration Statement on Form F-10 of Denison Mines Corp. (File No. 333-258939).

 

Dated: August 8, 2023 

Mark B. Mathisen, C.P.G.  
Principal Geologist  
SLR International Corporation  

 

 

 

 

 

Exhibit 99.7

 

DENISON MINES CORP.

 

Consent of William McCombe, P.Eng.

 

Ladies and Gentlemen:

 

In connection with the filing on Form 6-K with the Securities and Exchange Commission (the “SEC”), of the technical report entitled “NI 43-101 Technical Report on the Wheeler River Project Athabasca Basin, Saskatchewan, Canada,” with an effective date of June 23, 2023 (the “Technical Report”), the undersigned hereby consents to (1) the filing of the Technical Report with the SEC by Denison Mines Corp., (2) the use of and references to my name in connection with the Technical Report, as an expert or “qualified person,” who has reviewed, prepared or approved the disclosure of the scientific and technical information contained in the portions of the Technical Report that I supervised the preparation of and/or was reviewed and approved by me (the “Technical Information”), and (3) the incorporation by reference of the Technical Information in the Registration Statement on Form F-10 of Denison Mines Corp. (File No. 333-258939).

 

Dated: August 8, 2023 

William McCombe, P.Eng.  
Hatch Ltd.  

 

 

 

 

if; margin: 0pt 0"> 

 

Exhibit 99.8

 

DENISON MINES CORP.

 

Consent of David Myers, P.Eng.

 

Ladies and Gentlemen:

 

In connection with the filing on Form 6-K with the Securities and Exchange Commission (the “SEC”), of the technical report entitled “NI 43-101 Technical Report on the Wheeler River Project Athabasca Basin, Saskatchewan, Canada,” with an effective date of June 23, 2023 (the “Technical Report”), the undersigned hereby consents to (1) the filing of the Technical Report with the SEC by Denison Mines Corp., (2) the use of and references to my name in connection with the Technical Report, as an expert or “qualified person,” who has reviewed, prepared or approved the disclosure of the scientific and technical information contained in the portions of the Technical Report that I supervised the preparation of and/or was reviewed and approved by me (the “Technical Information”), and (3) the incorporation by reference of the Technical Information in the Registration Statement on Form F-10 of Denison Mines Corp. (File No. 333-258939).

 

Dated: August 8, 2023 

David Myers, P.Eng.  
Wood Canada Limited  

 

 

 

 

 

Exhibit 99.9

 

DENISON MINES CORP.

 

Consent of Gregory Newman, P.Eng.

 

Ladies and Gentlemen:

 

In connection with the filing on Form 6-K with the Securities and Exchange Commission (the “SEC”), of the technical report entitled “NI 43-101 Technical Report on the Wheeler River Project Athabasca Basin, Saskatchewan, Canada,” with an effective date of June 23, 2023 (the “Technical Report”), the undersigned hereby consents to (1) the filing of the Technical Report with the SEC by Denison Mines Corp., (2) the use of and references to my name in connection with the Technical Report, as an expert or “qualified person,” who has reviewed, prepared or approved the disclosure of the scientific and technical information contained in the portions of the Technical Report that I supervised the preparation of and/or was reviewed and approved by me (the “Technical Information”), and (3) the incorporation by reference of the Technical Information in the Registration Statement on Form F-10 of Denison Mines Corp. (File No. 333-258939).

 

Dated: August 8, 2023 

Gregory Newman, P.Eng.  
Newmans Geotechnique Inc.  

 

 

 

Roman, Times, Serif; margin: 0pt 0"> 

 

Exhibit 99.10

 

DENISON MINES CORP.

 

Consent of Paul O’Hara, P.Eng.

 

Ladies and Gentlemen:

 

In connection with the filing on Form 6-K with the Securities and Exchange Commission (the “SEC”), of the technical report entitled “NI 43-101 Technical Report on the Wheeler River Project Athabasca Basin, Saskatchewan, Canada,” with an effective date of June 23, 2023 (the “Technical Report”), the undersigned hereby consents to (1) the filing of the Technical Report with the SEC by Denison Mines Corp., (2) the use of and references to my name in connection with the Technical Report, as an expert or “qualified person,” who has reviewed, prepared or approved the disclosure of the scientific and technical information contained in the portions of the Technical Report that I supervised the preparation of and/or was reviewed and approved by me (the “Technical Information”), and (3) the incorporation by reference of the Technical Information in the Registration Statement on Form F-10 of Denison Mines Corp. (File No. 333-258939).

 

Dated: August 8, 2023 

Paul O’Hara, P.Eng.  
Wood Canada Limited  

 

 

 

 

 

Exhibit 99.11

 

DENISON MINES CORP.

 

Consent of Cliff Revering, P.Eng.

 

Ladies and Gentlemen:

 

In connection with the filing on Form 6-K with the Securities and Exchange Commission (the “SEC”), of the technical report entitled “NI 43-101 Technical Report on the Wheeler River Project Athabasca Basin, Saskatchewan, Canada,” with an effective date of June 23, 2023 (the “Technical Report”), the undersigned hereby consents to (1) the filing of the Technical Report with the SEC by Denison Mines Corp., (2) the use of and references to my name in connection with the Technical Report, as an expert or “qualified person,” who has reviewed, prepared or approved the disclosure of the scientific and technical information contained in the portions of the Technical Report that I supervised the preparation of and/or was reviewed and approved by me (the “Technical Information”), and (3) the incorporation by reference of the Technical Information in the Registration Statement on Form F-10 of Denison Mines Corp. (File No. 333-258939)

 

Dated: August 8, 2023 

Cliff Revering, P.Eng.  
SRK Consulting (Canada) Inc.  

 

 

 

 

 

 

Exhibit 99.12

 

DENISON MINES CORP.

 

Consent of Lorne Schwartz, P.Eng.

 

Ladies and Gentlemen:

 

In connection with the filing on Form 6-K with the Securities and Exchange Commission (the “SEC”), of the technical report entitled “NI 43-101 Technical Report on the Wheeler River Project Athabasca Basin, Saskatchewan, Canada,” with an effective date of June 23, 2023 (the “Technical Report”), the undersigned hereby consents to (1) the filing of the Technical Report with the SEC by Denison Mines Corp., (2) the use of and references to my name in connection with the Technical Report, as an expert or “qualified person,” who has reviewed, prepared or approved the disclosure of the scientific and technical information contained in the portions of the Technical Report that I supervised the preparation of and/or was reviewed and approved by me (the “Technical Information”), and (3) the incorporation by reference of the Technical Information in the Registration Statement on Form F-10 of Denison Mines Corp. (File No. 333-258939).

 

Dated: August 8, 2023 

Lorne Schwartz, P.Eng.  
Wood Canada Limited  

 

 

 

 

rif; margin: 0pt 0"> 

 

Exhibit 99.13

 

DENISON MINES CORP.

 

Consent of Geoffrey Wilkie, P.Eng.

 

Ladies and Gentlemen:

 

In connection with the filing on Form 6-K with the Securities and Exchange Commission (the “SEC”), of the technical report entitled “NI 43-101 Technical Report on the Wheeler River Project Athabasca Basin, Saskatchewan, Canada,” with an effective date of June 23, 2023 (the “Technical Report”), the undersigned hereby consents to (1) the filing of the Technical Report with the SEC by Denison Mines Corp., (2) the use of and references to my name in connection with the Technical Report, as an expert or “qualified person,” who has reviewed, prepared or approved the disclosure of the scientific and technical information contained in the portions of the Technical Report that I supervised the preparation of and/or was reviewed and approved by me (the “Technical Information”), and (3) the incorporation by reference of the Technical Information in the Registration Statement on Form F-10 of Denison Mines Corp. (File No. 333-258939).

 

Dated: August 8th, 2023 

Geoffrey Wilkie, P.Eng.  
CanCost Consulting Inc.  

 

 

 

 

 

rif; margin: 0pt 0">