UNITED STATES
SECURITIES AND EXCHANGE COMMISSION
Washington, D.C. 20549
FORM 6-K
REPORT OF FOREIGN PRIVATE ISSUER PURSUANT TO RULE 13a-16 OR 15d-16
UNDER THE SECURITIES EXCHANGE ACT OF 1934
For the month of December 2022
Commission File Number: 001-32929
POLYMET MINING CORP.
(Translation of registrant's name into English)
444 Cedar Street, Suite 2060,
St. Paul, MN 55101
(Address of principal executive offices)
Indicate by check mark whether the registrant files or will file annual reports under cover Form 20-F or Form 40-F.
[ ] Form 20-F [ X ] Form 40-F
Indicate by check mark if the registrant is submitting the Form 6-K in paper as permitted by Regulation S-T Rule 101(b)(1): [ ]
Indicate by check mark if the registrant is submitting the Form 6-K in paper as permitted by Regulation S-T Rule 101(b)(7): [ ]
EXPLANATORY NOTE
This report on Form 6-K and attached exhibit are incorporated by reference into Registration Statement No. 333-192208 and this report on Form 6-K shall be deemed a part of such registration statement from the date on which this report on Form 6-K is filed, to the extent not superseded by documents or reports subsequently filed or furnished by PolyMet Mining Corp. under the Securities Act of 1933, as amended, or the Securities Exchange Act of 1934, as amended.

SUBMITTED HEREWITH
Exhibits
| Exhibit | Description | |
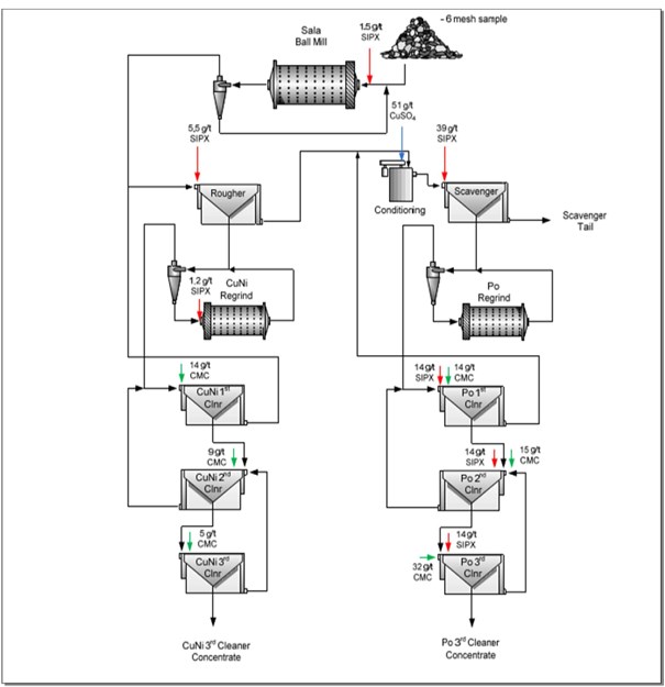
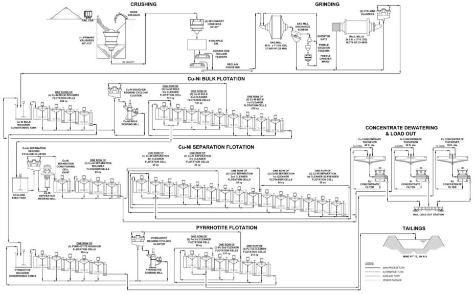
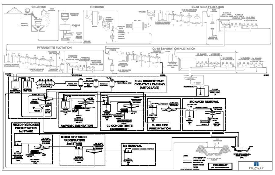
| 99.1 | Technical Report on NorthMet Copper-Nickel Project dated December 30, 2022 |
SIGNATURES
Pursuant to the requirements of the Securities Exchange Act of 1934, the registrant has duly caused this report to be signed on its behalf by the undersigned, thereunto duly authorized.
| PolyMet Mining Corp. | ||
| (Registrant) | ||
| Date: December 30 2022 | By: | /s/ Jonathan Cherry |
| Jonathan Cherry | ||
| Title: | Chairman, President and CEO | |